Средства очистки и диагностики магистральных нефтепроводов трубопроводной системы Восточная Сибирь - Тихий океан

  • Вид работы:
    Дипломная (ВКР)
  • Предмет:
    Другое
  • Язык:
    Русский
    ,
    Формат файла:
    MS Word
    2,75 Мб
  • Опубликовано:
    2014-09-06
Вы можете узнать стоимость помощи в написании студенческой работы.
Помощь в написании работы, которую точно примут!

Средства очистки и диагностики магистральных нефтепроводов трубопроводной системы Восточная Сибирь - Тихий океан

Федеральное государственное бюджетное образовательное учреждение

высшего профессионального образования

«Уфимский государственный нефтяной технический университет»

Кафедра автоматизации технологических процессов и производств







Дипломный проект

Средства очистки и диагностики магистральных нефтепроводов трубопроводной системы Восточная Сибирь - Тихий океан

Студент гр. АГ 07-01 А.К. Коновалов

Руководитель канд. техн. наук, доц.

Г.Х. Кутлуяров

Консультанты

по технологическому, техническому и специальному разделам

канд. техн. наук, доц. Г.Х. Кутлуяров

по охране труда и технике безопасности

канд. техн. наук, доц. А. Гилязов

по экономическому разделу

канд. экон. наук, доц. В.В. Бирюкова

Уфа 2012

РЕФЕРАТ

Объектом исследования является камера пуска и приёма внутритрубных средств очистки и диагностики магистральных трубопроводов трубопроводной системы «Восточная Сибирь - Тихий океан».

В процессе исследования изучены технологические процессы на объекте, возможные аварийные и внештатные ситуации.

Цель работы - проектирование автоматизированной системы управления технологическими процессами камеры пуска и приёма.

В результате исследования были выбраны необходимые датчики и измерительные преобразователи, составлена управляющая программа для промышленного контроллера, разработан человеко-машинный интерфейс, обеспечивающий взаимодействие оператора с системой автоматизации.

Технико-экономические показатели свидетельствуют о снижении вероятности возникновения аварийных и внештатных ситуаций за счёт более чёткого контроля и оперативности выполнения технологических операций.

Внедрение отсутствует.

Эффективность проекта основывается на повышении уровня автоматизации объекта, оснащения его современными средствами измерения и противоаварийной защиты.

ОПРЕДЕЛЕНИЯ, ОБОЗНАЧЕНИЯ И СОКРАЩЕНИЯ

МН - магистральный нефтепровод

КПП - камера пуска и приёма

СОД - средство очистки и диагностики

ТС «ВСТО» - трубопроводная система «Восточная Сибирь - Тихий океан»

ПЛК - программируемый логический контроллер

SCADA - Supervisory Control And Data Acquisition (диспетчерское управление и сбор данных)

ЛЭУ - линейный эксплуатационный участок

РНУ- районное нефтепроводное управление

НПС - нефтеперекачивающая станция

ЛЧ - линейная часть

ЭХЗ - электрохимическая защита

ЦРЛЭС - центральная ремонтная линейно-эксплуатационная служба

ВЛ - воздушные линии электропередач

ПКУ  - пункт контроля и управления

АРМ - автоматизированное рабочее место

АСУ ТП - автоматизированная система управления технологическим процессом

ИБП - источник бесперебойного питания

ЦПУ - центральное процессорное устройство

ОС - операционная система

ОЗУ - оперативное запоминающее устройство

ПО - программное обеспечение

ФСА - функциональная схема автоматизации

ПАЗ - противоаварийная автоматическая защита

КТ - колодец технологический

КТВ - колодец технологический с вантузом

ТИ - телеизмерение

ТСи - телесигнализация

ТУ - телеуправление

ТР - телерегулирование

СОУ - система обнаружения утечек

ПКПП - приёмно-контрольный охранно-пожарный прибор

ЩСУ - щит станции управления

АЦП - аналого-цифровой преобразователь

ЦАП - цифро-аналоговый преобразователь

ПЗУ - постоянное запоминающее утройство

УСО - устройство связи с объектом

АЭ - активный элемент

ОБУВ - ориентировочный безопасный уровень воздействия

ПУЭ - правила устройства электроустановок

ПТБ - правила техники безопасности

ПТЭ - правила технической эксплуатации

ССБТ - система стандартов безопасности труда

ВВЕДЕНИЕ

Транспортировка нефти по магистральным нефтепроводам вызывает необходимость в обеспечении надёжной работы трубопроводных систем. Отказы на магистральных нефтепроводах (МН) наносят не только большой экономический ущерб из-за потерь продукта и нарушения непрерывного процесса производства в смежных отраслях, но и могут сопровождаться загрязнением окружающей среды, возникновением пожаров и даже человеческими жертвами.

При транспортировке больших объёмов нефти под высоким давлением необходимо обеспечивать надёжность МН и предупреждение отказов и аварий. Естественное старение МН и в связи с этим значительное повышение требований к их экологической безопасности - характерные особенности условий работы трубопроводного транспорта. Эти моменты и определяют основные направления совершенствования системы предупреждения и ликвидации чрезвычайных ситуаций в отрасли.

Одним из основных направлений в системе обеспечения безопасности МН является очистка внутренней полости МН пропуском очистных устройств. Она необходима также для поддержания пропускной способности, предупреждения скапливания воды и внутренних отложений, подготовки участка нефтепровода к внутритрубной инспекции и переиспытаниям. Автоматическое управление очисткой реализуется при помощи систем автоматизации камер пуска и приёма (КПП) средств очистки и диагностики (СОД). Обеспечение наибольшей точности и скорости выполнения технологических операций на КПП СОД при наименьшем участии в них человека и наименьших энергозатратах является актуальной проблемой [1].

Цель дипломного проекта - обзор современных средств очистки и диагностики, используемых на МН трубопроводной системы «Восточная Сибирь - Тихий океан» (ТС «ВСТО») и проектирование системы автоматизации производственных процессов на КПП СОД.

Задачи дипломного проекта:

рассмотрение современных внутритрубных очистных и диагностических снарядов;

изучение технологии приёма и запуска внутритрубных снарядов для оптимального выбора объёма автоматизации;

выбор необходимых преобразователей измеряемых параметров;

составление управляющей программы для программируемого логического контроллера (ПЛК), позволяющей:

) совершать операций по пуску и приёму СОД с минимальным участием в них человека;

) обеспечивать безопасность на объекте (автоматическое срабатывание технологических защит и блокировок, недопущение действий, приводящих к нарушению технологического режима);

) осуществлять оповещение и срабатывание аварийной сигнализации;

разработка операторского интерфейса в SCADA-системе;

обоснование экономической целесообразности внедрения проекта.

При работе над проектом были использованы материалы ООО_«Восток-нефтепровод» (технологический регламент ЛЭУ "Усть-Кут" Ленского РНУ: технологические схемы, схема распределения каналов связи, принципиальные электрические схемы, инструкции и руководства по эксплуатации оборудования).

1. Технология очистки магистральных нефтепроводов

1.1 Цели и задачи очистки и диагностики магистральных нефтепроводов

Восточная Сибирь - одно из наиболее сложных для бурения и добычи нефти мест в России. Но добываемая нефть значительно превосходит по качеству аналоги других нефтеносных бассейнов: малое содержание серы, парафинов и прочих вредных компонентов обеспечивает большой выход нефтепродуктов при переработке. Тем не менее, эти вещества и их соединения способны образовывать отложения на внутренних стенках МН при перекачке нефти [2].

С целью поддержания пропускной способности и предупреждения скапливания воды и внутренних отложений, а также для подготовки участка нефтепровода к внутритрубной инспекции и переиспытаниям должна проводиться очистка внутренней полости МН пропуском очистных устройств.

Существуют следующие виды очистки:

периодическая: для удаления парафиновых отложений, скоплений воды и газа с целью поддержания проектной пропускной способности нефтепроводов и предупреждения развития их внутренней коррозии;

целевая: для удаления остатков герметизаторов после проведения ремонтных работ на ЛЧ МН;

преддиагностическая: для обеспечения необходимой степени очистки внутренней полости МН в соответствии с техническими характеристиками внутритрубных инспекционных приборов.

Очистка производится в соответствии с разработанными и утверждёнными главным инженером эксплуатирующей организации инструкциями для каждого участка МН.

Периодическая и преддиагностическая очистка трубопровода осуществляется пропуском не менее двух очистных устройств в соответствии с «Положением о проведении работ по очистке внутренней полости магистральных нефтепроводов» ОАО «АК Транснефть». Время между пусками не должно превышать 24 часов. Целевую очистку допускается проводить пропуском одного очистного устройства.

Задачи внутритрубной инспекции участков МН состоят в определении наличия и параметров дефектов стенки трубы и сварных швов, классификации дефектов по степени опасности и принятии решения:

о возможности эксплуатации МН на проектных режимах;

о необходимости перехода на пониженные режимы эксплуатации;

о необходимости проведения ремонта участка МН с точной локализацией мест его проведения.

Техническая диагностика предполагает определение состояния объектов с определённой точностью, причём, результатом этого процесса должно быть заключение о техническом состоянии объекта с указанием места и при необходимости, вида и причины дефекта.

Современные системы диагностики трубопроводов являются не только средствами получения информации об их фактическом состоянии на этапах сооружения и эксплуатации, но и активными органами контроля управления качеством и надежности.

Диагностика трубопроводов позволяет также объективно оценивать реальную экологическую ситуацию в зоне непосредственного техногенного воздействия данного объекта [3].

1.2 Планирование и организация работ по очистке и диагностике магистральных нефтепроводов

Планирование работ по очистке нефтепровода производится путём формирования годового и на его основе месячных планов работ с учётом:

требований периодичности очистки;

годового плана внутритрубной диагностики;

необходимости проведения целевой очистки после проведения ремонтных работ в соответствии с планом остановок нефтепровода.

При наличии на участках МН резервных ниток подводных переходов через реки и болота, лупингов и обводных линий сначала планируется их очистка, а потом - очистка непосредственно участка. Лупинги, резервные нитки и перемычки между параллельными трубопроводами должны быть отключены от основного трубопровода на период прохождения СОД.

Для восстановления качества нефти (содержание солей, механических примесей, воды и пр.), ухудшающегося в процессе очистки, разрабатываются мероприятия по исправлению качества некондиционной нефти. Мероприятия должны предусматривать выделение свободных резервуаров для локализации некондиционной нефти, организацию дополнительного контроля качества нефти, компаундирование и другие работы по доведению качества нефти до установленных норм. Очистка нефтепроводов должна выполняться очистными устройствами, имеющими полный комплект разрешительной и эксплуатационной документации.

Проведение конкретных работ по диагностическому обследованию нефтепровода производится в следующем порядке. Не менее чем за 3 дня до начала транспортирования диагностического оборудования для выполнения работ по договору (срок начала работ предварительно согласовывается с предприятием, выполняющим диагностические работы) региональная управляющая организация системы магистральных нефтепроводов должна письменно подтвердить готовность участков к проведению диагностических работ и готовность принять оборудование и персонал предприятия, выполняющего диагностические работы, для проведения работ. Все участки МН, включённые в договор на проведение диагностических работ, должны быть подготовлены к диагностированию.

Обследование участков МН проводится последовательно, в соответствии с утвержденным технологическим планом-графиком, без перерывов в работе.

В случае обслуживания диагностируемого участка МН двумя эксплуатирующими предприятиями, инициатором согласования пропуска является предприятие, на чьей территории находится камера пуска СОД. Предприятие, на чьей территории находится камера приёма СОД, подтверждает готовность к принятию СОД и организации его сопровождения по своей территории. Координирует это согласование диспетчерский отдел центральной управляющей организации системы МН.

Операции запасовки и выемки снарядов выполняет персонал предприятия, эксплуатирующего диагностируемый участок МН под наблюдением персонала предприятия, выполняющего диагностические работы. Персонал предприятия, эксплуатирующего участок МН, должен:

определить меры по обеспечению заданной постоянной скорости движения СОД в период пропуска, расчёт и согласование графика прохождения снаряда по трассе;

обеспечить полное открытие линейных задвижек и закрытие задвижек боковых отводов, лупингов и резервных линий МН и блокировку их от несанкционированного открытия во время пропуска снаряда.

Сопровождение снаряда при его движении по трассе нефтепровода осуществляет персонал предприятия, выполняющего диагностические работы.

Контроль качества подготовки участка МН к диагностированию проводится силами заказчика путём пропуска снаряда-калибра с мерными калибровочными дисками. Пропуск снарядов-калибров и СОД заказчик в обязательном порядке оформляет актом с подробным перечислением технического состояния этих устройств перед пуском и после, обращая внимание на целостность манжет и деформацию калибровочных дисков. При обнаружении механических повреждений СОД заказчик выявляет причины повреждения и устраняет их. При отсутствии возможности точного определения на предназначенном для диагностирования участке места, где произошло повреждение СОД, такой участок не подлежит диагностированию до устранения дефектов, препятствующих нормальному прохождению СОД.

Организация и контроль выполнения работ по подготовке участка МН к диагностированию осуществляется отделом эксплуатации МН.

Очистные устройства рекомендуется оборудовать низкочастотными передатчиками во взрывозащищенном исполнении, которые в комплекте с наземными переносными детекторами позволяют контролировать прохождение очистных скребков по участку МН и обнаруживать места их возможной остановки (застревания).

Периодичность очистки определяется индивидуально для каждого МН в зависимости от особенностей его эксплуатации и свойств перекачиваемого продукта. Для ТС «ВСТО» эта периодичность составляет минимально допустимое значение - 1 квартал.

При снижении пропускной способности нефтепровода в промежутках между периодическими очистками на 2% и более необходимо проводить внеочередные очистки [4].

Контроль текущего проведения работ по очистке и диагностике трубопроводов осуществляется линейно-эксплуатационным участком (ЛЭУ). Рассматриваемый участок ТС «ВСТО» обслуживается ЛЭУ«Усть-Кут».

контроллер нефтепровод очистка полость

1.3 Краткая информация о структуре организации и управления деятельностью подразделения

ЛЭУ «Усть-Кут» является структурной единицей нефтеперекачивающей станции (НПС) № 8 филиала «Ленское районное нефтепроводное управление» ООО «Востокнефтепровод» ОАО «АК Транснефть».

Основными задачами участка являются: выполнение плановых работ и необходимого комплекса профилактических мероприятий, обеспечивающих надёжную и безопасную эксплуатацию, сохранность и работоспособность оборудования и сооружений линейной части (ЛЧ) магистрального нефтепровода и технологических нефтепроводов нефтеперкачивающей станции на участке ТС «ВСТО» с 451 по 730 км; обеспечение бесперебойной эксплуатации объектов энергообеспечения и средств электрохимзащиты (ЭХЗ) на линейной части, разработка и выполнение мероприятий по предупреждению отказов и аварий электрооборудования и электросетей, контроль их выполнения; обеспечение бесперебойной эксплуатации оборудования систем линейной телемеханики, выявление и устранение повреждений и отказов; организация и проведение технического обслуживания, диагностического обследования и ремонта указанных объектов, своевременное формирование заявок на выполнение работ на линейной части и технологических нефтепроводах НПС подразделениями Ленского РНУ, ЦРЛЭС и подрядными организациями; подготовка участков магистрального и технологического нефтепроводов, оборудования и сооружений ЛЧ и НПС к проведению ремонтных работ, обеспечение качества выполнения ремонтных работ, их приёмка по окончании выполнения; разработка перспективных и текущих планов работ участка и отчётность по их выполнению; плановое и аварийное обследование трассы нефтепроводов; участие в ликвидации аварий.

В соответствии с основными задачами на участок возложены следующие функции:

техническое обслуживание ЛЧ МН, вдоль трассовых высоковольтных линий электропередач, установок электрохимической защиты нефтепроводов, систем телемеханики на ЛЧ, технологических и вспомогательных трубопроводов ЛЭУ;

разработка и осуществление мероприятий по подготовке нефтепроводов к работе в осенне-зимний и паводковый периоды;

систематическое плановое патрулирование и обследование объектов ЛЧ согласно утверждённым действующим регламентам и графикам, своевременное выявление отказов на объектах ЛЧ, технологических нефтепроводах, других нарушений в охранной зоне;

проведение в установленные графиком сроки учебно-тренировочных занятий с отработкой планов аварийных обследований нефтепроводов и локализации возможных аварийных разливов с целью проверки готовности персонала и техники к выполнению возложенных на ЛЭУ задач;

выполнение технического обслуживания и ремонта оборудования на закреплённом участке ЛЧ;

выполнение технического обслуживания и ремонта технологических и вспомогательных трубопроводов ЛЭУ;

выполнение работ по очистке внутренней полости магистрального трубопровода, обеспечение проведения внутритрубной диагностики на ЛЧ и диагностического обследования технологических и вспомогательных нефтепроводов ЛЭУ;

выполнение работ по подготовке участков трубопроводов к проведению ремонтных работ;

оформление и ведение в установленном порядке технической документации;

участие в ликвидации аварий, отказов и последствий аварий на ЛЧ МН;

проведение мероприятий по устранению последствий аварий на ЛЧ МН;

проведение периодического контроля работы вдоль трассовых линий электропередач (ВЛ), установок ЭХЗ и линейного электрооборудования с выездом на трассу и по данным линейной телемеханики;

проведение технического обслуживания ВЛ, установок ЭХЗ и линейного электрооборудования по графику, а также осуществление контроля за проведением текущего ремонта и капитального ремонта, выполняемого подрядными организациями;

проведение пуска и опробования установок ЭХЗ после окончания ремонтных и строительных работ;

- организация и непосредственное участие в сезонных и внеплановых электрометрических измерениях на МН и коммуникациях НПС, анализ результатов этих измерений;

обеспечение безопасной эксплуатации, своевременного ремонта и испытаний средств защиты от коррозии подземных коммуникаций;

составление графиков плановых ремонтов средств ЭХЗ;

ведение ремонтной документации на все виды оборудования с указанием проведенных видов технического обслуживания и конкретного перечня выполненных работ;

осуществление контроля качества и объёмов выполнения работ, ведение исполнительной документации по техническому обслуживанию и ремонту BJI и ЭХЗ, выполняемых силами сторонних организаций;

проведение проверки работоспособности и технического обслуживания оборудования линейной телемеханики в соответствии с утверждёнными графиками, планами работ и требованиями нормативной и технической документации;

определение причин повреждений и отказов оборудования телемеханики и их устранение;

оформление документов на списание оборудования, инструментов и материалов;

обеспечение технического обслуживания и ремонта закрепленных за участком автотранспорта, спецтехники, оборудования, приспособлений, зданий и сооружений;

оформление и ведение в установленном порядке технической документации, своевременная и качественная подготовка и предоставление необходимых отчётов, сведений, информации;

подготовка перспективных и текущих планов работ участка и составление отчётности по их выполнению;

проведение занятий с персоналом ЛЭУ по вопросам совершенствования методов работы, повышения квалификации, участие в аттестации и проверке знаний правил и инструкций у работников участка в соответствии с установленными требованиями по их проведению;

осуществление экспериментальной отработки и внедрения новых технологий, технических средств и приспособлений, предназначенных для специальных видов работ по предупреждению и ликвидации аварий на ЛЧ МН и технологических трубопроводах.

Для приёма и запуска внутритрубных средств очистки и диагностики на рассматриваемом участке используется КПП СОД на месте проектируемой НПС № 12 (596, 73 км ТС «ВСТО»).

1.4 Технологические процессы на камере пуска и приёма средств очистки и диагностики

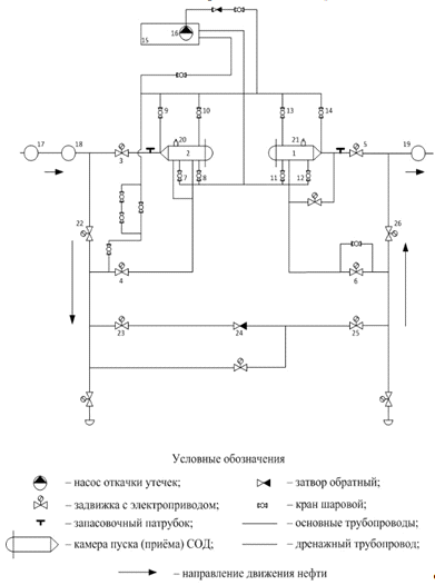
Устройства камер пуска и приёма средств очистки и диагностики предназначены для периодического запуска в трубопровод и приёма из него внутритрубных снарядов-дефектоскопов, очистных поршней, скребков, разделителей и других средств. На рисунке 1.1 представлена технологическая схема КПП СОД.

Камера пуска и приёма СОД установлена на нефтепроводе Ду-1067 мм, способном работать под давлением до 14,0 МПа.

Температура эксплуатации - от минус 60 °C до +80 °C. Расчётная сейсмичность района установки камеры - до 9 баллов. КПП удобна в эксплуатации. Позволяет за 10-20 минут открыть затвор и обеспечить доступ во внутреннюю полость для установки дефектоскопа, очистного поршня и т.д. Длина корпуса камеры позволяет применять любые современные средства диагностики.

На верхней части устройств пуска и приёма монтируются прямые врезки для введения промывочной воды или сжатого воздуха, для стравливания газовоздушной смеси во время наполнения устройств нефтью, для сброса грязной воды с мусором в отстойник [5].

Камера пуска и приёма состоит из следующих компонентов: непосредственно камеры пуска 1 и приёма 2 СОД с запасовочными патрубками и технической обвязкой, подключаемые через запорные устройства 3-6 к основной магистрали; система контроля и управления процессами приёма и запуска СОД; пункт хранения СОД; технологические трубопроводы и ёмкости для приёма загрязненного конденсата; устройства для погрузки и выемки СОД из камер пуска и приёма; дренажная система, состоящая из задвижек 7-14, сливной ёмкости 15 и насоса откачки утечек 16; технологические колодцы 17-19.

При отсутствии необходимости в пуске либо приёме СОД либо другого внутритрубного снаряда все запорные задвижки находятся в закрытом положении, весь поток нефти протекает через основную трубопроводную систему.

Рисунок 1.1 - Технологическая схема КПП СОД

Приём внутритрубного снаряда из линейной части магистрального нефтепровода производится следующим образом. При приближении снаряда к узлу приёма (контролируется при помощи датчика прохождения СОД, установленного в технологическом колодце № 17) запорная задвижка 3 переводится в открытое положение, чтобы направить часть нефтяного потока через камеру приёма. При этом открывается основная либо резервная врезка для стравливания газовоздушной смеси (газовый кран), а также блокируется возможность открытия камеры для извлечения скребка. После наполнения камеры нефтью открывается выходная запорная задвижка 4, что обеспечивает постоянное прохождение части потока через камеру приёма, которым СОД проталкивается в камеру до полной остановки. Задвижки 3 и 4 одновременно закрываются, и оставшаяся в камере нефть полностью сливается через дренажные задвижки 7-10 в сливную ёмкость 15, включается насос откачки утечек 16, обеспечивающий подачу нефти из сливной ёмкости обратно в линейную часть. Блокировка камеры снимается, скребок извлекается из камеры и транспортируется к месту хранения.

Запуск внутритрубного снаряда в линейную часть производится в обратной последовательности: осушенный и очищенный скребок помещается в также очищенную и осушенную камеру пуска, открываются запорная задвижка 6 и газовый кран камеры пуска. После наполнения камеры нефтью открывается задвижка 5, и СОД проталкивается потоком в трубопровод; задвижки 5 и 6 закрываются, осуществляется дренаж камеры пуска.

В случае невозможности открытия либо закрытия задвижек срабатывает аварийная сигнализация и процесс пуска/приёма приостанавливается. При заклинивании ключевых задвижек (3, 4, 5, 6) продолжение работы камеры невозможно до ручного устранения неисправности, для задвижек на сливах (7, 8, 9, 10, 11, 12, 13, 14) возможно нормальное выполнение операций при наличии хотя бы одной рабочей задвижки.

Запасовочное устройство - приспособление, предназначенное для затягивания тросом многосекционных снарядов в камеру запуска при помощи лебёдки или подъёмного крана. Устройство устанавливается на фланец специального патрубка, приваренного к камере пуска за пределами её расширенной части. Приспособление состоит из трубы с приваренным крепёжным фланцем, таким же, как и фланец патрубка, одного или двух направляющих роликов.

Длина трубы с роликом, входящая в патрубок, должна быть не более половины номинального диаметра камеры. Вращающиеся и трущиеся детали запасовочного устройства должны быть изготовлены из материалов, исключающих искрообразование.

После 100 циклов работы (открытие - закрытие) регламентируется ремонт прокладок и быстроизнашивающихся деталей объектов КПП СОД. Общий ресурс узлов составляет 1000 циклов. Конструктивно узлы запуска и приёма, а также участки нефтепровода длиной по 100 метров, примыкающие к ним, выполняются в соответствии с требованиями, предъявляемыми к участкам первой категории [6].

2. Средства очистки и диагностики магистральных нефтепроводов трубопроводной системы Восточная Сибирь - Тихий океан

2.1 Очистной скребок типа СКР1

Основным средством очистки, применяемым на ТС «ВСТО», является скребок типа СКР1, внешний вид которого приведён на рисунке 2.1.

Рисунок 2.1 - Очистной скребок типа СКР1

Очистной скребок типа СКР1 предназначен для очистки внутренней полости МН от парафиносмолистых отложений, глиняных тампонов и грязи, а также удаления посторонних предметов. Качественная очистка является необходимым условием получения достоверных данных при пропуске дефектоскопа.

Технические характеристики скребков типа СКР1 приведены в таблице 2.1.

Таблица 2.1 - Технические характеристики скребков типа СКР1

Параметр

Значение

Номинальный диаметр трубопровода (D), мм

1067

Длина, мм

3140

Минимальный проходной диаметр трубопровода, %

СКР1

85


СКР1-1

86

Масса, кг

900

Минимальный радиус поворота на 90°

Полная комплектация

1,5D


Без трансмиттера и защитной рамы

1,5D

Скорость движения в нефтепроводе, м/с

0,2 - 5,0

Тип используемого передатчика

ПДС 14-02


Корпус скребка представляет собой стальную полую конструкцию. Фланцы, приваренные в средней и задней частях корпуса, обеспечивают крепление на них: двух ведущих, четырёх направляющих дисков, разделенных прокладочными дисками малого диаметра и одной или двух манжет. Прокладочные диски обеспечивают определенное расстояние между ведущим и чистящими дисками. Диски и манжеты изготавливаются из высококачественных полиуретановых материалов, стойких к истиранию. На переднем торце скребка расположены байпасные отверстия, ось которых направлена под углом к стенке трубопровода. Они предназначены для размыва отложений, которые скребок счищает с внутренней поверхности трубопровода и толкает впереди себя. Байпасные отверстия могут закрываться заглушками-болтами. В задней части скребка в защитной раме может устанавливаться передатчик для скребка. На заключительной стадии очистки, перед пропуском дефектоскопа, на передней и задней частях скребка вместо одного прокладочного устанавливается щёточный диск. Такой скребок называется скребком типа СКР1-1 (рисунок 2.2). Минимальное проходное сечение трубопровода, необходимое для пропуска очистного скребка, составляет 85% от номинального диаметра трубопровода (1067 мм). Специальная комбинация чистящих и щёточных дисков обеспечивает эффективное удаление отложений с внутренних стенок МН и из коррозионных углублений в стенках.

Рисунок 2.2 - Очистной скребок типа СКР1-1

Непосредственно перед запасовкой скребка в трубопровод производится установка передатчика для скребка типа ПДС14-02 (далее ПДС). ПДС является генератором электромагнитных сигналов в диапазоне приёма наземного локационного оборудования. Корпус выдерживает внутреннее давление взрыва 0,75_МПа и исключает передачу взрыва в окружающую взрывоопасную среду. Специальный вид взрывозащиты обеспечивается герметизацией антенны термо-реактивным герметиком.

Подъём и перемещение скребка производится за кольцо на бампере или за корпус скребка [7].

Чтобы обеспечить возможность периодической очистки и диагностики нефтепровода, необходимо предусмотреть выполнение следующих требований, которые позволяют СОД беспрепятственно пройти на всем очищаемом участке от камеры запуска до камеры приема:

диаметр нефтепровода для пропуска очистных скребков должен быть на всей длине одинаковым;

запорная линейная арматура должна быть равнопроходной;

на отводах, если их диаметр более 30% диаметра нефтепровода, предусматривается установка направляющих планок для предотвращения заклинивания СОД;

внутренняя поверхность труб не должна иметь выступающих деталей, кроме сигнализаторов, рычаг которых утопает при проходе очистного устройства;

радиусы изгиба отводов, компенсаторов должны быть не менее пяти диаметров очищаемого нефтепровода;

переходы через естественные и искусственные препятствия должны выполняться с учётом дополнительных нагрузок от массы СОД.

При движении очистного устройства по нефтепроводу благодаря его плотному прилеганию к стенке трубы происходит её очистка. Продукты очистки собираются перед очистным устройством и движутся вместе с ним. От герметичности между поршнем и стенкой трубы во многом зависит степень очистки [8].

2.2 Инспекционный снаряд определения потери металла (дефектоскоп) фирмы ROSEN Europe B.V

Основным средством диагностики состояния трубопровода, применяемым на ТС «ВСТО», является дефектоскоп фирмы ROSEN Europe B.V., устройство которого приведено на рисунке 1.3.

СОД предназначено для контроля труб в потоке перекачиваемого продукта, а также для обработки полученной информации, идентификации дефектов и определения их размеров, представления результатов контроля.

Снаряд-дефектоскоп состоит из трёх секций, соединенных между собой шарнирно для прохождения изгибов трубопровода. Полиуретановые манжеты служат для создания перепада давления перед и позади снаряда, чем обеспечивается его движение в трубе.

Рисунок 2.2 - Дефектоскоп фирмы ROSEN Europe B.V

Снаряд снабжен ультразвуковой или магнитной аппаратурой для диагностики трубы, записи и хранения в памяти данных контроля и вспомогательной служебной информации, а также источниками питания аппаратуры.

Измерительная часть снаряда состоит из множества датчиков (сенсоров), расположенных так, чтобы зоны чувствительности датчиков охватывали весь периметр трубы. Это позволяет избежать пропуска дефектов трубы.

Датчики ультразвукового снаряда излучают ультразвук в тело трубы и принимают отраженные дефектами сигналы. В магнитном снаряде ферромагнитный материал трубы намагничивается постоянными магнитами до состояния, близкого к техническому насыщению, а потоки рассеяния, вызванные дефектами, регистрируются магнито-чувствительными датчиками (например, датчиками Холла).

Постоянные магниты, размещённые на двух кольцах магнитного снаряда, создают в трубе продольный магнитный поток между двумя кольцами стальных проволочных щеток, скользящих по внутренней поверхности трубы. Кольцо с подпружиненными держателями блоков датчиков расположено между кольцами щёток, обеспечивая скольжение датчиков по поверхности трубы.

Снаряд вводится в контролируемый трубопровод через камеру пуска и приёма СОД с запасовочным патрубком, проходит заданный участок, накапливая информацию о его состоянии в бортовой памяти, а затем извлекается через аналогичную камеру. После выгрузки снаряда информация считывается на внешний терминал, а затем поступает на сервер базы данных, расшифровывается, обрабатывается программой обработки данных, анализируется оператором и представляется в виде отчёта.

Программное обеспечение позволяет автоматически выделить области аномалий трубы, идентифицировать до 15 классов аномалий, (трещины, коррозионные поражения и т.д.), определить местоположение и размеры дефектов [9].

Технические характеристики дефектоскопа приведены в таблице 2.2.

Таблица 2.2 Характеристики дефектоскопа фирмы ROSEN Europe B.V

Параметр

Значение

Номинальный диаметр трубопровода (D), мм

1067

Длина, мм

8100

Минимальный проходной диаметр трубопровода, %

85

Масса, кг

2200

Минимальный радиус поворота на 90°

1,5D

Скорость движения в нефтепроводе, м/с

0,2 - 4,0

Тип используемого передатчика

ПНТ-01


Диагностика полости трубопровода выполняется в два этапа.

На первом этапе производится его очистка от грязи, парафиносмолистых отложений и инородных предметов очистным скребком. Необходимость данного этапа обуславливается тем, что металлические предметы и окалина регистрируются измерительной системой дефектоскопа как дефекты трубы, а отложения смолопарафиновых веществ - как нарушения геометрии сечения.

На втором этапе производится очистка участка трубопровода от частиц чёрных металлов путём пропуска по нему специального магнитного скребка.

Если обследование участка трубопровода с помощью дефектоскопа производится впервые, то прежде, чем пропустить по нему прибор, необходимо убедиться, что он свободно и беспрепятственно пройдёт через обследуемый участок трубопровода. С этой целью предусматривается пропуск по нему специального снаряда-калибра.

Для повышения точности дефектоскопии перед пропуском инспекционного прибора по трассе обследуемого участка трубопровода устанавливаются маркеры, которые служат для привязки дефектограмм к местности и предварительной оценки повреждённых участков трубопровода. Маркеры являются генераторами сигналов, воспринимаемых дефектоскопом. Они размещаются на расстоянии 5-30 км друг от друга.

Частота установки маркеров определяется количеством и расположением по длине участка трубопровода задвижек, отводов, промежуточных насосных станций и т.д.

При подготовке камер пуска и приёма дефектоскопа прежде всего должно быть определено соответствие геометрических размеров камер размерам прибора. Камеры должны иметь площадку с твердым покрытием, так как для запуска и приёма дефектоскопа необходимо использовать специальные приёмные и запасовочные лотки, а также применять передвижные краны и другие механизмы.

Сборку, настройку и калибровку дефектоскопа для пропуска по обследуемому участку трубопровода производят в стационарных условиях. Пропуск снаряда-калибра и дефектоскопа производят при одинаковых режимах перекачки.

Извлечение дефектоскопа из камеры приёма производится с помощью штатных технических средств. После этого аппарат очищается от перекачиваемой жидкости и подвергается осмотру с целью определения поломок и механических повреждений. Для вскрытия дефектоскоп доставляется в удобное невзрывоопасное место. Здесь отключается электропитание, разъединяются все электрические разъёмы и извлекается из контейнера электронный блок с записанной информацией. Далее производят перенос запоминающего устройства с зафиксированной информацией обследования из электронного блока в считывающее и печатающее устройство в передвижной лаборатории.

После предварительного анализа результатов первого пропуска дефектоскопа по обследуемому участку трубопровода отбираются наиболее крупные, характерные дефекты, местоположение которых следует уточнить. Затем выбираются и подготавливаются места установки маркерных устройств, вблизи от выделенных дефектных мест.

Второй запуск дефектоскопа в обследуемый трубопровод производят аналогично первому. По результатам сопоставления данных обоих пропусков определяются наиболее опасные дефекты и их местонахождение [10].

2.3 Геометрический профилемер фирмы ROSEN Europe B.V

Профилемеры - внутритрубные снаряды, используемые для контроля геометрии внутренней поверхности трубопроводов, а также для проверки проходимости трубопровода очистными и диагностическими снарядами. Профилемеры фирмы ROSEN Europe B.V. способны проходить сужения до 65% от номинального диаметра трубопровода.

Устройство профилемера фирмы ROSEN Europe B.V. приведено на рисунке 2.3.

С помощью рычажной измерительной системы профилемера определяется форма поперечного сечения трубопровода, выступание сварных швов, геометрия кранов, задвижек и других особенностей трубопровода. Имеющаяся одометрическая система, включающая несколько независимых одометров, позволяет узнать точное местонахождение особенности нефтепровода по дистанции от камеры пуска.

Взрывобезопасность профилемера обеспечивается размещением электронных компонентов во взрывонепроницаемых оболочках и использованием искро-безопасных электрических цепей.

Рисунок 2.3 - Профилемер фирмы ROSEN Europe B.V

Технические характеристики профилемера приведены в таблице 2.3.

Таблица 2.3 Характеристики профилемера фирмы ROSEN Europe B.V

Параметр

Значение

Номинальный диаметр трубопровода (D), мм

1067

Длина, мм

5700

Минимальный проходной диаметр трубопровода, %

65

Масса, кг

1200

Минимальный радиус поворота на 90°

1,5D

Скорость движения в нефтепроводе, м/с

0,2 - 5,0

Тип используемого передатчика

ПНТ-01


В комплект поставки профилемера входит терминальное программное обеспечение, включающее программу просмотра, анализа данных и генерации отчёта по внутритрубной инспекции, которая позволяет просматривать зарегистрированные данные в графическом виде, производить поиск и классификацию аномалий, дефектов и элементов трубопровода.

На основе анализа генерируется отчёт, содержащий графические и табличные материалы [11].

.4 Очистное устройство типа ОУ-П с калибровочным блоком

Очистное устройство с калибровочным блоком (скребок-калибр) типа ОУ-П (рисунок 2.4) предназначено для очистки внутренней поверхности нефтепроводов от парафиносодержащих отложений, мусора, и предварительной оценки проходимости нефтепроводов методом пропуска его по нефтепроводу с определением минимального проходного сечения перед инспекцией внутритрубными дефектоскопами.

Конструкция данных устройств позволяет использовать их как с манжетами, так и совместно с очистными дисками, что позволяет очищать полость трубопровода от мягких и частично твёрдых отложений.

Калибровка нефтепровода обычно проводится после осуществления мероприятий по его очистке [12].

Рисунок 2.4 - Скребок-калибр типа ОУ-П

Оценка минимального проходного сечения трубопровода пропуском сна-ряда-калибра или профилемера проводится при необходимости очистки нового нефтепровода или нефтепровода, на котором в промежутках между очистками производился ремонт, а также при организации очистки нефтепровода, ранее не обследованного внутритрубными инспекционными снарядами [13].

2.5 Очистные устройства серии ПКМД

Одним из направлений развития ООО «Востокнефтепровод» является совершенствование и модернизация методов и средств проведения очистки магистральных нефтепроводов, в том числе замена очистных снарядов типа СКР1 и ОУ-П на более современные и простые в эксплуатации полиуретановые поршни серии ПКМД, разработанные ОАО ЦТД «Диаскан».

ПКМД - поршень полиуретановый манжетно-дисковый. Внешний вид приведён на рисунке 2.5.

Рисунок 2.5 - Очистной поршень типа ПКМД

В качестве чистящих элементов могут быть использованы полиуретановые диски и манжеты, которые позволяют поршню очищать полость трубопровода от мягких и частично твёрдых отложений.

Использование манжеты позволяет увеличить площадь соприкосновения поршня с внутренней полостью трубопровода, вследствие чего поршень может использоваться в качестве поршня-разделителя.

Чистящие элементы из полиуретана обладают большей износостойкостью, чем чистящие элементы из других материалов. Они счищают грязь со стенок трубопровода, обеспечивают центровку поршня в трубопроводе, несут на себе вес поршня, являясь, таким образом, и направляющими дисками.

На поршень дополнительно может быть установлен калибровочный диск, в этом случае название меняется на ПКМД-К (рисунок 2.6).

Рисунок 2.6 - Очистной поршень типа ПКМД-К

Назначение очистного снаряда типа ПКМД-К:

очистка полости трубопровода от мусора, мягких и частично твёрдых отложений, удаление конденсата;

проведение работ по продувке, промывке, испытанию или консервации строящихся и эксплуатируемых магистральных, промысловых трубопроводов имеющих запорную арматуру с равнопроходным внутренним сечением;

предварительное и окончательное удаление жидкости, в том числе вытеснение нефти из трубопроводов;

проверка проходного сечения трубопровода.

Для очистки полости магистрального нефтепровода от твёрдых отложений на поршень устанавливаются стальные щёточные диски. В этом случае название прибора меняется на ПКМД-Т (рисунок 2.7). Поршни типа ПКМД-Т используются для соскабливания ржавчины, окалины, различные твёрдые отложения с внутренних стенок трубопровода. Также дополнительно может быть установлен магнит, собирающий и выносящий из трубопровода металлический мусор, например, сварочные электроды, распорки, болты. Высокая степень очистки достигается за счёт использования мощных магнитов.

В зависимости от задач, для которых используется поршень, количество щёточных, чистящих и промежуточных дисков может меняться.

Рисунок 2.7 - Очистной поршень типа ПКМД-Т

Характеристики поршней серии ПКМД приведены в таблице 2.4.

Таблица 2.4 - Характеристики поршней серии ПКМД

Параметр

Значение

Номинальный диаметр трубопровода (D), мм

1067

Длина, мм

2200

Минимальный проходной диаметр трубопровода, %

88

Масса, кг

ПКМД

550


ПКМД-К

600


ПКМД-Т

770

Минимальный радиус поворота на 90°

1,3D

Скорость движения в нефтепроводе, м/с

0,5 - 7,0

Тип используемого передатчика

ПНТ-01


Для протяжённых участков используются поршни длительного пробега, оснащённые четырьмя манжетами или четырьмя чистящими (направляющими) дисками [14].

Ненадлежащее качество очистки оказывает отрицательное влияние на ход обследования трубопровода дефектоскопами и профилемерами. В качестве примера можно привести такие последствия, как:

механическое повреждение профилемера, например, заклинивание колёс одометров;

отрыв намагничивающих щёток от поверхности трубы, следовательно, потеря магнитной силы;

неконтакт сенсоров, что приводит к ограничению обнаружения аномалий применяемым методом утечки магнитного потока;

притягивание магнитного мусора, что искажает показания сенсоров, и т. д [15].

3. Патентная проработка

Патентная проработка не проводилась в связи с тем, что задачами дипломного проекта являются составление управляющей программы для ПЛК и разработка операторского интерфейса в SCADA-системе, которые не являются охрано-способными объектами.

4. Описание системы автоматизации камеры пуска и приёма средств очистки и диагностики

.1 Назначение системы автоматизации камеры пуска и приёма средств очистки и диагностики

Комплекс технических средств автоматизированных систем управления технологическими процессами КПП СОД предназначен для контроля, защиты и управления оборудованием, автономного поддержания заданного режима работы и его изменения по командам с пульта оператора НПС, из пункта контроля и управления (ПКУ) либо из вышестоящего уровня управления - районного диспетчерского пункта.

Микропроцессорная система автоматики построена на базе программируемого логического контроллера Modicon Quantum, выполняющего следующие функции:

- анализ режимов технологического оборудования;

контроль технологических параметров;

управление задвижками и их контроль;

обработка предельных значений параметров;

управление вспомогательными системами;

контроль исправности технологического оборудования;

контроль и сигнализация пожара;

автоматическое пожаротушение;

отображение информации и документирование;

приём и передача сигналов в систему телемеханики.

4.2 Автоматизированное рабочее место оператора

Автоматизированное рабочее место (АРМ) оператора построено на базе персонального компьютера с включением дополнительного оборудования, обеспечивающего выполнение заданных функций.

АРМ включает в свой состав:

компьютер промышленного исполнения Advantech SYS IPC-6908;

принтер лазерный HP LaserJet 2100;

ИБП Smart UPS (2 шт.);

сетевой концентратор (хаб) на 8 портов UTP 10/100Mbps;

- монитор TFT 19 Viewsonic;

плата Modicon ISA SA85.

4.3 Устройство и работа системы автоматизации

Структура комплекса технических средств АСУ ТП КПП СОД соответствует магистрально-модульному принципу построения с сетевой организацией обмена информацией между устройствами и имеет распределённое программное обеспечение и базу данных (рисунок 4.1). Для обеспечения надёжности работы системы управления предусмотрено резервирование контроллера и питания. В конфигурации каждого из контроллеров определены область и объём передаваемых данных и информации о состоянии между обоими контроллерами. Система автоматики выполнена по схеме удалённого ввода/вывода (RIO - Remote Input/Output) повышенной надёжности, что предусматривает двойную сеть, предохраняющую систему от последствий выхода из строя одной из них.

Система автоматизации КПП СОД имеет стандартную трёхуровневую структуру: нижний, средний и верхний уровни.

Аппаратура верхнего уровня представляет собой персональный компьютер промышленного исполнения. Верхний уровень системы решает задачи архивирования информации, поступающей от всех элементов системы. Информация хранится на жёстких дисках либо SSD-накопителях.

Рабочая станция АРМ связана с рабочими станциями НПС и ЛЭУ посредством сети Ethernet по протоколу TCP/IP, физическая среда передачи данных - экранированная витая пара (UTP). К АРМ оператора подключён лазерный принтер для печати выводимых на экраны мониторов таблиц, периодических отчётов о работе КПП СОД, перечней событий за сутки, неделю, месяц и прочей документации. Питание АРМ осуществляется от источника бесперебойного питания.

Рисунок 4.1 - Структура комплекса технических средств АСУ ТП КПП СОД

Верхний уровень системы автоматизации обеспечивает:

приём информации о состоянии объекта;

мониторинг технологического процесса и получение трендов измеряемых технологических параметров;

оперативное управление технологическим процессом;

архивацию событий нижнего уровня и действий оператора;

формирование базы данных.

Программное обеспечение АРМ оператора функционирует в среде Windows 7, в качестве операторского интерфейса используется SCADA-система, разработанная в программном пакете AsAstra Trace Mode IDE 6 Base. Функциональные возможности системы включают конфигурирование, операторское управление, сбор и архивирование данных и событий.

Программное обеспечение верхнего уровня выполнено гибко настраиваемым и универсальным. Сводки работы оборудования легко можно настроить под любой вид и состав сигналов, что позволяет получить отчёт нужного вида. Базы данных сохраняемой информации имеют полное дублирование, что повышает надёжность системы при выходе из строя компьютера. Оперативные сообщения выполнены настраиваемыми с верхнего уровня, то есть имеется возможность задать название, цвет, звуковую сигнализацию, необходимость квитирования и т.п. для каждого сообщения. Можно проконтролировать время появления аварийного сообщения и время реакции оператора на это сообщение. Контроллер имеет внутренний буфер оперативных сообщений, что позволяет даже при отсутствии связи с контроллером позже получить все сообщения. Оперативные сообщения всегда поступают в реальной последовательности, что обеспечивается передачей времени сообщения из контроллера. Имеется возможность введения скрытых сообщений для возможности просмотра более подробно отдельных параметров системы, а также для контроля за действиями оператора. Выполнена полная синхронизация времени на компьютере и контроллере. ПЛК может устанавливать время по телемеханике либо от компьютера.

Выполнена гибкая система паролирования, позволяющая настроить уровень допуска к управлению системой для каждого пользователя. Возможен сброс доступа к управлению системой, при этом возможен только просмотр состояний системы. Реализована удобная диагностика оборудования, доступная обслуживающему персоналу, которая включает в себя состояние работы контроллера, каналов интерфейсной связи и всех блоков ввода-вывода.

К среднему уровню системы автоматизации относится шкаф управления и установленные в нём программно-аппаратные модули (блоки) управления. Набор модулей, устанавливаемый в шкаф управления, обеспечивает:

сбор информации от датчиков, устанавливаемых по месту;

обработку и передачу информации о состоянии объектов на верхний уровень системы автоматизации ;

автоматическое управление технологическим оборудованием и контроль его работы;

приём информации с верхнего уровня системы автоматизации и формирование управляющих воздействий на исполнительные механизмы.

К нижнему уровню системы автоматизации относятся:

датчики технологических параметров;

исполнительные механизмы;

показывающие приборы, устанавливаемые по месту.

4.4 Программируемый контроллер Modicon TSX Quantum

Modicon Quantum - программируемый логический контроллер фирмы Schneider Electric, использующий расширяемую модульную архитектуру (рисунок 4.2). Контроллер представляет собой шасси с гнёздами (слотами), в которые могут быть установлены следующие платы расширения:

блок питания;

модуль ЦПУ;

модули аналогового ввода/вывода;

модули дискретного ввода/вывода;

головной модуль сетей удалённого и распределённого ввода/вывода и т.д.

Выпускаются шасси на 2, 3, 4, 6, 10 и 16 слотов. Все слоты электрически идентичны. Это означает, что любой модуль можно установить в любой слот. Кроме того, поддерживается «горячее» подключение, то есть для присоединения дополнительного модуля отключать питание ПЛК не нужно [16].

Рисунок 4.2 - Модульная архитектура контроллера Quantum

Блок питания обеспечивает работу шасси, защищая систему от помех и колебаний напряжения, которые могут иметь место на промышленной установке. В случае непредвиденных проблем с питанием он также обеспечивает безопасное и контролируемое отключение.

В контроллерах Quantum используются различные процессоры компаний Intel и AMD. Выбор модели осуществляется исходя из следующих требований:

количество сигналов ввода/вывода;

объём прикладной программы;

необходимая производительность системы;

интерфейсы связи.

В каждом контроллере имеется стандартный порт Modbus и высокоскоростной порт Modbus Plus. Дополнительно поддерживаются интерфейсные модули для подключения к сетям TCP/IP, Interbus-S, LonWorks, Profibus и т.д.

Общие характеристики всех процессоров Quantum:

память SRAM с батарейной поддержкой для хранения программы и данных при отключении питания;

переключатель защиты памяти для предотвращения случайных изменений прикладной программы в процессе эксплуатации;

энергонезависимая флеш-память, в которой находится операционная система, позволяющая производить её обновление непосредственно на объекте управления простой загрузкой файла через порт Modbus или Modbus Plus без замены микросхем;

текстовые светодиодные индикаторы, показывающие состояние процессора и коммуникационных портов;

поддержка математического сопроцессора.

Контроллеры Quantum поддерживают создание систем контроля и управления с гибкой архитектурой путём комбинации локальных, удалённых и распределённых систем сбора ввода/вывода. ПЛК поддерживает до 2048 аналоговых вводов/выводов и до 8192 - дискретных. Для всех узлов ввода/вывода используются идентичные шасси, что существенно повышает унификацию оборудования и уменьшает парк запчастей [17].

4.4.1 Удалённый ввод/вывод (RIO - Remote Input/Output)

Архитектура с удалённым вводом/выводом предлагается для решения задач управления с большим количеством сигналов и удалённо расположенными объектами управления. Реализуется с помощью модулей расширения RIO Head (головной модуль, устанавливаемый на основной контроллер) и RIO Drop (модуль, устанавливаемый на удалённом шасси).

Узлы удалённого ввода/вывода обслуживаются синхронно с циклом процессора. Таким образом, обеспечивается быстрое и детерминированное управление процессом из прикладной программы процессора, а также возможность безударного перехода на резервный контроллер и, следовательно, безопасность процесса.

Достоинства сети RIO:

удалённые шасси приближены к датчикам объекта управления, что сокращает длину аналоговых линий связи;

увеличенное количество подключаемых датчиков и исполнительных механизмов по сравнению с локальным вводом/выводом.

Недостатки:

продолжительный цикл опроса всех узлов в сети;

поддерживается одновременное функционирование только одной сети.

4.4.2 Распределённый ввод/вывод (DIO - Distributed Input/Output)

Для приложений, требующих подключения небольшого количества сигналов ввода/вывода на многих площадках, используется архитектура распределённого ввода/вывода. Поскольку каждый процессор Quantum имеет встроенный порт Modbus Plus, установка дополнительного головного сетевого модуля не требуется [18]. Отличия от RIO заключаются в организации передачи данных внутри сети. Сравнительные характеристики сетей DIO и RIO приведены в таблице 3.1.

Таблица 4.1 - Сравнительные характеристики сетей DIO и RIO

Параметр

RIO

DIO

Тип кабеля

Коаксиальный

Витая пара

Скорость передачи данных, МБит/с

1,5

1,0

Синхронизация обработки с программой

Да

Нет

Поддержка горячего резервирования

Да

Нет

Совместимость с Modbus Plus

Нет

Да

Максимальное количество узлов в одной сети

31

63

Максимальное количество слотов ввода/вывода в одной сети

1984/1984

500/500

Максимальное количество дискретных сигналов в одной сети

31744/31744

8000/8000

Максимальное количество аналоговых сигналов в одной сети

1984/1984

500/500

Максимальное количество на один контроллер

1

3

Типовые функции сети на основе протокола Modbus Plus:

распределённое управление и блокировки;

сбор данных;

удалённое программирование в режиме online;

загрузка и выгрузка программ;

подключение интерфейсов оператора [19].

Программирование контроллеров Quantum осуществляется в системе Concept с использованием языков программирования стандарта IEC61131-3.

Concept - приложение для ОС Windows, предоставляющее единую многоязыковую среду для программирования систем управления (рисунок 4.3).

Рисунок 4.3 - Окно симуляции выполнения программы на языке FBD системы Concept

Конфигурирование ПЛК в системе Concept включает в себя все специфические аппаратные ресурсы контроллера: состав и тип модулей, распределение ПЗУ и ОЗУ контроллера, диапазоны регистров ввода/вывода для каждого модуля ввода/вывода.

Все модули ввода/вывода программно адресуются и включаются в карту ввода/вывода при помощи системы Concept. Параметризация модулей также осуществляется программно при заполнении карты ввода/вывода. Таким образом, при конфигурации системы устраняется необходимость в использовании аппаратных переключателей или какого-либо программирования. После того, как модуль сконфигурирован, системное ПО может обнаруживать его отсутствие или неисправность и сигнализировать об этом при помощи светодиодных индикаторов.

Язык программирования выбирается с учётом поставленных задач и требований к программе. Стандартом предусмотрены языки FBD (Functional Block Diagram), LD (Ladder Diagram), IL (Instruction List), ST (Structured Text), SFC (Sequentional Function Chart).

Перед компиляцией текст переводится на язык ST [20].

4.5 Функциональная схема автоматизации

Функциональная схема автоматизации (ФСА) КПП СОД с противоаварийной защитой (ПАЗ) приведена на рисунке 4.4.

.5.1 Колодцы технологические

Колодцы технологические (КТ) оборудованы:

установленным по месту прибором типа Rosemount 3051C для измерения давления (до 10 МПа) показывающим (позиция 1.1) и преобразователем давления (позиция 1.2) в унифицированный токовый сигнал 4..20 мА для дальнейшей передачи средствами линейной телемеханики в системы телеизмерения (ТИ) и теле-сигнализации (ТСи) и модуль системы откачки утечек (СОУ);

сигнализатором верхнего уровня (до 500 мм) типа Rosemount 2120 (позиция 2), генерирующим сигнал о затоплении КТ в систему ТСи при превышении уровня в 200 мм от дна колодца;

источником питания 220 В, размещённым в приборном шкафу ПКУ;

связью с приёмно-контрольным охранно-пожарным прибором (ПКПП).


Колодцы технологические с вантузом (КТВ) оборудованы:

установленным по месту прибором типа Rosemount 3051C для измерения давления (до 10 МПа) показывающим (позиция 3.1) и преобразователем давления (позиция 3.2) в унифицированный токовый сигнал 4..20 мА для дальнейшей передачи средствами линейной телемеханики в системы ТИ и ТСи и модуль СОУ;

установленным по месту первичным преобразователем и установленным в приборном шкафу ПКУ сигнализатором прохождения СОД типа МДПС-3 (позиция 4), передающим в систему ТСи сигналы:

а) о срабатывании датчика прохождения СОД;

б) о неисправности сигнализатора;

и принимающим из системы ТУ сигналы:

а) деблокировки сигнала датчика прохождения СОД;

б) контроля датчика прохождения СОД;

сигнализатором верхнего уровня (до 500 мм) типа Rosemount 2120 (позиция 5), генерирующим сигнал о затоплении КТ в систему ТСи при превышении уровня в 200 мм от дна колодца;

источником питания 220 В, размещённым в приборном шкафу ПКУ;

связью с ПКПП.

.5.2 Камеры пуска и приёма СОД

Камеры оборудованы:

сигнализатором верхнего и нижнего уровня типа Rosemount 2120 (позиция 6), генерирующим сигналы о заполнении либо опустошении камеры в систему ТСи;

сигнализатором наличия очистного устройства типа Rosemount 5600 (позиция 7.2), генерирующим в систему ТСи сигналы о наличии либо отсутствии СОД в камере;

сигнализатором превышения допустимого давления типа Rosemount 2051T (позиция 9), срабатывающего при значении давления газа в камере выше уставки;

входящей в комплект поставки КПП системой слежения за герметичностью камеры, выполняющей следующие функции:

а) контроль положения крышки камеры;

б) управление блокировкой крышки камеры;

в) управление газовыми кранами.

4.5.3 Дренажная ёмкость

Дренажная ёмкость оборудована сигнализатором верхнего уровня типа Rosemount 2120 (позиция 10), выполняющего функции защиты от переполнения.

.5.4 Насос откачки утечек

Насос откачки утечек оборудован установленным по месту, показывающим датчиком давления типа Rosemount 3051S (позиция 11), контролирующим давление на нагнетательной линии насоса и передающим в систему ТСи сигналы о падении давления.

.5.5 Приёмно-контрольный охранно-пожарный прибор

ППКП передаёт в систему ТСи следующие сигналы:

вскрытие колодца,

срабатывание пожарной сигнализации,

срабатывание охранной сигнализации по периметру либо в ПКУ.

Отключение сигнализации производится средствами системы ТУ.

4.5.6 Задвижки

Электропривод задвижки, управляемой при помощи системы ТУ либо вручную, передаёт в систему ТСи сигналы своего состояния:

задвижка открыта либо закрыта (состояния имеют дополнительные световые сигнализаторы, установленные по месту, в шкафу теле    механики);

задвижка открывается либо закрывается;

наличие напряжения в схеме управления;

авария электропривода (имеет дополнительную сигнализацию по месту);

дистанционный либо местный (с помощью ручного переключателя) режим управления задвижкой;

готовность задвижки к ТУ.

Сводный перечень используемых на объекте технических средств автоматизации приведён в таблице 4.2.

Таблица 4.2 - Технические средства автоматизации КПП СОД

Позиции обозначения

Наименование

Количество

Примечание

1, 3

Датчик давления типа Rosemount 3051C

2

1ExdIICT6

2.1, 5.1, 6.1, 10.1

Сигнализатор уровня типа Rosemount 2120

1

1ExdIICT6

4

Датчик прохождения очистного устройства типа МДПС-3

1

1ExdIIAT3X

7, 8.1

Сигнализатор наличия скребка типа Rosemount 5600

1

1ExdIICT6

9

Сигнализатор превышения давления типа Rosemount 2051T

2

1ExdIICT6

11

Преобразователь давления типа Rosemount 3051S

1

1ExdIICT6

ЗДД-1, ЗДД-2

Задвижка типа ПТ39193-400М



ЗД-1, ЗД-2, ЗД-3, ЗД-4, ЗД-5

Задвижка шиберная типа МА11303-03




4.5.7 Противоаварийная защита

ПАЗ - система управления технологическим процессом, которая в случае выхода процесса за безопасные рамки выполняет комплекс мер по защите оборудования и персонала.

Среди прочих мер для обеспечения безопасности взрывопожароопасных технологических процессов предусматриваются автоматические системы, предупреждающие образование взрывоопасной среды в технологическом оборудовании при отклонении от предусмотренных регламентом предельно допустимых значений параметров процесса во всех режимах работы и обеспечивающие безопасную остановку или перевод процесса в безопасное состояние по заданной программе.

Система ПАЗ - своего рода последний рубеж, за которым происходит разрушение сооружений и технических устройств, неконтролируемый взрыв или выброс опасных веществ, поэтому все случаи срабатывания ПАЗ должны учитываться и анализироваться. К системе ПАЗ предъявляются повышенные требования по надёжности, устойчивости электроснабжения и метрологическим характеристикам [21].

Разработанная для КПП СОД ТС «ВСТО» (таблица 4.3) система ПАЗ предусматривает:

контроль давления газа в камерах пуска и приёма. При превышении заданной уставки (срабатывание сигнализатора 9.1) открывается резервный газовый кран, включается сигнализация по месту и на АРМ оператора. В случае продолжительного превышения критического уровня давления включается аварийная сигнализация, закрываются основные задвижки ЗД-1 и ЗД-2 (таким образом, прекращается поступление нефти в камеру), открываются дренажные задвижки и включается насос откачки утечек; дополнительно отправляется сообщение об аварийной ситуации на станцию ЛЭУ;

контроль уровня жидкости в дренажной ёмкости. При превышении заданной уставки (срабатывание сигнализатора 10.1) закрываются все дренажные задвижки, включается насос откачки утечек в случае, если он выключен;

контроль давления в нагнетательной линии насоса откачки утечек. При падении давления ниже заданной уставки (срабатывание датчика 11.1) насос отключается, включается сигнализации о неисправности насоса.

Таблица 4.3 - Противоаварийная защита КПП СОД

Номер позиции

Условие срабатывания

Действие защиты

1

Превышение уставки давления P ≥ 8,0 МПа

Открытие резервного газового крана

2

Высокий уровень жидкости в ёмкости L ≥ 3,2 м

Закрытие дренажных задвижек

3

Низкое давление в нагнетательной линии насоса P ≤ 0,3 МПа

Отключение насоса с выдержкой времени 10 с


Во всех случаях включается дополнительная световая и звуковая сигнализация по месту и в ПКУ, отключаемая с АРМ оператора.

Надёжность всего контура защиты определяется надёжность самого слабого элемента. Установленные на КПП СОД интеллектуальные дискретные измерительные переключатели (сигнализаторы) должны не только обеспечивать необходимый уровень защиты, но и иметь несколько состояний отказа, практически все из которых являются легко обнаружимыми. Поэтому регулярные контрольные испытания не требуются, за исключением сигнализаторов превышения давления в камере, которые отвечают за сигнализацию возможного появления взрывоопасности. Эти сигнализаторы должны быть продублированы. Испытания проводятся поочерёдно для каждого датчика, при этом второй остаётся включенным в рабочий контур системы ПАЗ.

4.6 Выбор и описание технических средств автоматизации

Основными контролируемыми параметрами на объекте управления, в том числе входящими в систему ПАЗ, являются давление и уровень. Рассмотрим сравнительные характеристики современных датчиков этих параметров (таблицы 4.2 и 4.3).

Таблица 4.2 - Основные характеристики датчиков давления

Характеристика

Тип прибора


Сапфир 22ДИ-Ех

Rosemount 3051C

Yokogawa EJX430A

Метран 100-Вн-ДИ

Основная приведённая погрешность, %

± 0,5

± 0,025

± 0,04

± 0,15

Температура измеряемой среды, °С

минус 50 - + 120

минус 73 - + 205

минус 40 - + 120

минус 40 - + 70

Температура окружающей среды, °С

минус 40 - + 70

минус 51 - + 85

минус 40 - + 85

минус 40 - + 70

Наработка на отказ, не менее, час.

100000

150000

100000

150000

Средний срок службы, не менее, лет

12

15

10

15

Стоимость, тыс. руб.

6

40

16

16


Очевидно, что по всем основным характеристикам (в том числе, по надёжности) сигнализатор давления Rosemount 3051C значительно превосходит конкурентов. Несмотря на высокую стоимость, точность и надёжность приборов данного типа позволяют получить значительный экономический эффект от их установки (см. раздел 6).

Кроме того, из всех перечисленных только сигнализатор Rosemount 3051C имеет сертификацию в соответствии со стандартом IEC 61508 и может применяться в качестве одиночного сигнализатора в системах ПАЗ по классу SIL 2 или в паре - по классу SIL 3.

Таблица 4.3 - Основные характеристик сигнализаторов уровня

Характеристика

Тип прибора


ОВЕН САУ-М7Е

Rosemount 2120

Метран УМС4.50М

Температура измеряемой среды, °С

минус 10 - + 100

минус 40 - + 150

минус 20 - + 140

Температура окружающей среды, °С

+5 - + 50

минус 40 - + 80

минус 20 - + 80

Наработка на отказ, не менее, час.

100000

170000

120000

Средний срок службы, не менее, лет

10

15

12

Стоимость, тыс. руб.

8

25

30


Большое значение в условиях Восточной Сибири имеет рабочий диапазон температур окружающей среды, который наиболее широк у датчика типа Rose-mount 2120. С учётом требований высокой надёжности и унификации, выбор падает именно на него.

Необходимо также учитывать, что в случае, если стоимость датчиков ограничена техническим заданием, выбранные преобразователи можно заменить любыми другими при условии, что они способны передавать показания на средний уровень автоматизации унифицированным токовым сигналом 4..20 мА.

4.6.1 Датчик давления типа Rosemount 3051C

Измерительный комплекс типа Rosemount 3051C предназначен для измерения дифференциального и абсолютного давлений. Пьезорезистивный сенсор соединён с модулем электроники на базе микропроцессора (рисунок 4.5) для выдачи цифрового сигнала, пропорционального измеряемой величине. Микропроцессор повышает точность измерения за счёт введения поправок компенсации статического давления и температуры окружающей среды.

Принцип действия пьезорезистивного сенсора основан на изменении сопротивления интегральных чувствительных элементов из монокристаллического кремния. Кремниевые преобразователи имеют высокую чувствительность благодаря изменению удельного объёмного сопротивления полупроводника при деформировании давлением [22].

Рисунок 4.5 - Устройство датчика давления типа Rosemount 3051C

Входные сигналы:

давление;

температура;

дифференциальное давление.

Выходной сигнал - унифицированный токовый (4..20 мА) либо цифровой, пропорциональный измеряемому давлению с учётом поправок компенсации статического давления и температуры окружающей среды.

4.6.2 Сигнализатор уровня типа Rosemount 2120

Сигнализатор уровня жидкости разработан с использованием принципа камертона. Пьезоэлектрический кристалл при подаче на него напряжения создаёт колебания чувствительной вибрационной вилки с частотой ~ 1300 Гц. Изменения этой частоты отслеживаются электроникой в непрерывном режиме. При погружении вилки в жидкость (состояние «мокрый контакт») частота колебаний вилки уменьшается, что приводит к переключению контактов сигнализатора. Сигнал об изменении состояния контактов подаётся в систему управления (рисунок 4.6).

Рисунок 4.6 - Устройство сигнализатора уровня типа Rosemount 2120

Приборами контролируются две точки уровня жидкости в каждом КТ: Hi (верхний уровень) и HiHi (верхний предельный уровень).

Сигнализатор состоит из корпуса, соединения с объектом измерения и чувствительного элемента вибрационной вилки. Соединение и вилка - единственные части, контактирующие с технологической средой. Рабочая частота вилки ~ 1300 Гц выбрана для того, чтобы избежать возможных помех в работе сигнализатора и ложного переключения при возможном возникновении вибраций (резонанса частот) от производственного оборудования. Для повышения жёсткости и надёжности конструкции для стандартного исполнения выбрана короткая длина вилки (44 мм), чтобы погружаемая в среду часть сигнализатора была минимальна.

Сигнализатор работает как простой однополюсный выключатель, который меняет своё рабочее состояние в зависимости от наличия или отсутствия жидкости [23].

Входной сигнал: превышение допустимого уровня жидкости в КТ.

Выходной сигнал: импульс длительностью, соответствующей частоте колебаний вибрационной вилки.

4.6.3 Сигнализатор прохождения очистного устройства типа МДПС-3

Прибор представляет собой устройство, регистрирующее перемещение ферромагнитных объектов (стальных предметов, конструкций и т.п.) магнито-метрическим методом.

Сигнализатор состоит из двух магнитометрических датчиков, устройства цифровой обработки сигналов, устройства звуковой и визуальной индикации, аккумуляторной батареи (рисунок 4.7).

Рисунок 4.7 - Устройство сигнализатора типа МДПС-3

Для регистрации прохождения СОД датчики устанавливаются непосредственно на обваловку либо в технологический колодец вдоль оси трубопровода. В момент прохождения СОД места установки датчиков возникает изменение магнитного поля, которое преобразуется магнитометрическими датчиками в измерительные сигналы. Сигналы с каждого из датчиков поступают в устройство цифровой обработки сигналов, где происходит выделение полезного сигнала и усиление его до уровня, необходимого для работы процессора. Процессор проводит анализ сигналов и по заложенным критериям принимает решение о прохождении СОД, после чего включается световая и звуковая сигнализация, которая может быть отключена оператором.

Магниточувствительные датчики представляют собой катушки индуктивности, расположенные в корпусах блоков датчиков, выполненных из нержавеющей стали [24].

Датчики МДПС-3 входят как в состав технологических колодцев установленных на КПП СОД, так и в состав оборудования, имеющегося у оперативной группы, вызываемой в случае застревания СОД в линейной части трубопровода для поиска его местонахождения с поверхности грунта.

Входной сигнал: положение СОД.

Выходной сигнал: импульс.

5. Разработка программы управления технологическими процессами на камере пуска и приёма средств очистки и диагностики для промышленного контроллера. Разработка графического интерфейса в SCADA-пакете Trace Mode 6

.1 Постановка задачи

Одной из задач дипломного проекта является составление управляющей программы для ПЛК и соответствующего ей операторского интерфейса в SCADA-системе Trace Mode, которые осуществляли бы следующие функции:

формирование операций по пуску и приёму СОД с минимальным участием в них человека;

обеспечение безопасность на объекте (автоматическое срабатывание технологических защит и блокировок, недопущение действий, приводящих к нарушению технологического режима);

осуществление оповещения и срабатывания аварийной сигнализации.

5.2 Описание программного обеспечения

.2.1 Среда разработки Trace Mode 6

Создание проекта (написание и отладка программы, разработка графического интерфейса и обеспечение их взаимодействия) осуществляется в единой интегрированной среде разработки Trace Mode 6, работающей под управлением операционной системы Microsoft Windows 7.

Trace Mode 6 предназначена для автоматизации промышленных предприятий, энергетических объектов, интеллектуальных зданий, объектов транспорта, систем энергоучёта и т.д. Масштаб систем автоматизации, создаваемых в Trace Mode, может быть любым - от автономно работающих управляющих контроллеров и АРМ до территориально распределённых систем управления, включающих десятки контроллеров и АРМ, обменивающихся данными с использованием различных коммуникаций - локальная сеть, интернет, последовательные шины на основе RS-232/485, выделенные и коммутируемые телефонные линии и т.д.

Trace Mode 6 располагает встроенными драйверами, позволяющими подключать более двух тысяч наименований устройств ввода/вывода - ПЛК, удалённых устройств связи с объектом (УСО), плат ввода/вывода и промышленных сетей. Поддержка спецификаций OPC DA и HDA, протоколов DDE и NetDDE, а также открытый формат драйвера ввода/вывода и возможность прямого обращения к динамическим библиотекам (DLL) средствами языка программирования ST определяют широкие возможности по включению в состав систем автоматизации, разработанных в Trace Mode, разнообразного оборудования и обмену данными с внешними приложениями [25].

Классы систем, создаваемых в Trace Mode 6, могут быть как информационно-измерительные (мониторинга), так и управляющие. Архитектура таких систем в свою очередь может быть как централизованная, так и распределённая - в зависимости от заданных требований.

Использование технологии автопостроения и подход к разработке проекта системы автоматизации как единого проекта, существенно повышают производительность труда разработчиков систем, значительно уменьшая долю рутинных ручных операций и снижая количество ошибок в проектах.

Надёжный и высокопроизводительный обмен данными между контроллерами и АРМ в Trace Mode 6 обусловлен использованием логического сетевого протокола I-Net (поверх TCP/IP), или M-Link - в случае использования последовательных коммуникаций. Хранение и доступ к накапливаемой информации реализуется через систему архивирования технологических параметров PB SIAD 6.

Динамические характеристики и надёжность создаваемого в Trace Mode 6 программного обеспечения позволяют применять разработанные системы автоматизации в любых отраслях, в том числе и в нефтегазовой промышленности.

Инструментальная среда Trace Mode 6 (внешний вид приведён на рисунке 5.1) устанавливается на рабочем месте инженера-разработчика АСУ и предназначена для создания системы автоматизации и отладки всех её компонентов.

Рисунок 5.1 - Внешний вид инструментальной среды Trace Mode 6

Для программирования алгоритмов функционирования разрабатываемого проекта в АСУ в Trace Mode 6 включены языки Техно ST, Техно SFC, Техно LD и Техно IL. Данные языки являются модификациями языков ST (Structured Text), SFC (Sequential Function Chart), FBD (Functional Block Diagram) и IL (Instruction List) стандарта IEC61131-3 [26].

Основным языком программирования является Техно ST. Программы, разработанные на других языках, перед компиляцией транслируются в Техно ST.

Trace Mode 6 имеет также средства для отладки программ [27].

5.2.2 Язык программирования Техно ST

Structured Text (ST) - язык программирования стандарта IEC61131-3. Предназначен для программирования промышленных контроллеров и операторских станций. Широко используется в SCADA-пакетах. Удобен для написания больших программ и работы с аналоговыми сигналами и числами с плавающей точкой.

Для описания структуры программы и операторов в Техно ST приняты следующие терминологические соглашения:

выражение - последовательность операндов, разделителей и символьных операторов, задающая вычисление без присвоения результата;

предложение - последовательность лексем, определяющая выполнение логически законченного промежуточного действия. Таким действием может быть присвоение переменной результата вычислений, вызов функции блока и т.п. Операторы (кроме символьных) также образуют предложения.

На основании этих соглашений программа или её компонент на языке Техно ST определяется как последовательность предложений.

Каждое предложение должно завершаться точкой с запятой. Исключением из этого правила являются операторы определения переменных, для завершения которых точка с запятой не используется.

Длина строки программы не ограничивается, лексемы разделяются произвольным числом пробелов, знаков табуляции или символов перевода строки [26].


.3.1 Последовательность технологических операций

Приём внутритрубного снаряда из линейной части МН производится следующим образом. При приближении снаряда к узлу приёма (контролируется при помощи датчика прохождения СОД, установленного в КТ) запорная задвижка 3 переводится в открытое положение, чтобы направить часть нефтяного потока через камеру приёма. При этом открывается врезка для стравливания газовоздушной смеси (газовый кран), камера блокируется. В случае, если давление газа превышает критическое, то открывается резервный газовый кран и включается сигнализация. После наполнения камеры нефтью открывается выходная запорная задвижка 4, что обеспечивает постоянное прохождения части потока через камеру приёма, которым СОД проталкивается в камеру до полной остановки. Задвижки 3 и 4 закрываются с задержкой между закрытиями, изменяемой в зависимости от времени года и характеристик перекачиваемой нефти (обычно 2-4 мин.), и оставшаяся в камере нефть полностью сливается через дренажные задвижки 7-10 в сливную ёмкость, включается насос откачки утечек, обеспечивающий подачу нефти из сливной ёмкости обратно в линейную часть. Скребок извлекается из камеры и транспортируется к месту хранения. Система автоматически сбрасывается в начальное состояние, в котором все технологические задвижки закрыты.

Если СОД не появилось в камере приёма через 30 минут после прохождения КТ, включается сигнализация, отключаемая с АРМ оператора (перевод в режим ожидания, либо возврат в начальное состояние из-за ошибочного срабатывания датчика прохождения СОД КТ, либо продолжение операций приёма в случае тестовых запусков системы).

Запуск внутритрубного снаряда в линейную часть производится следующим образом: скребок помещается в камеру пуска, открываются запорная задвижка 6 и газовый кран камеры пуска. После наполнения камеры нефтью открывается задвижка 5, и СОД проталкивается потоком в трубопровод; задвижки 5 и 6 закрываются, осуществляется дренаж камеры пуска.

В случае невозможности открытия либо закрытия задвижек срабатывает аварийная сигнализация и процесс пуска/приёма приостанавливается. При заклинивании ключевых задвижек (3, 4, 5, 6) продолжение работы камеры невозможно до ручного устранения неисправности, для задвижек на сливах (7, 8, 9, 10, 11, 12, 13, 14) возможно нормальное выполнение операций при наличии хотя бы одной рабочей задвижки.

5.3.2 Теоретические основы составления графа переходов

Математической моделью дискретного управляющего устройства является абстрактный автомат, который задается множеством из шести элементов:

S = {A, Z, W, δ, λ, а1},                                                                  (4.1)

Где А  - множество состояний;- множество входных сигналов;

W - множество выходных сигналов;

δ - функция переходов;

λ - функция выходов;

а1 - начальное состояние автомата.

Чтобы задать конечный автомат S, необходимо описать все элементы множества S, то есть входное и выходное множество и множество состояний, а также функции переходов и выходов. Среди множества состояний необходимо выделить состояние a1, в котором автомат находится в момент времени t = 0. Существует несколько способов задания работы автомата, но наиболее часто используется графический метод (граф переходов).

На практике наибольшее распространение получили автоматы Мили - конечные автоматы, выходная последовательность которых зависит от состояния автомата и входных сигналов. Это означает, что в графе состояний каждому ребру соответствует некоторое значение (выходная переменная). В вершины графа автомата Мили записываются выходные сигналы, а дугам графа приписываются условия перехода из одного состояния в другое, а также входные сигналы.

Каждому состоянию графа назначается уникальное числовое значение. Следует иметь в виду, что эти числовые значения произвольны и не имеют никакого смысла вне графа [28].

.3.3 Выделение входных и выходных сигналов

.3.3.1 Автоматические входные сигналы

XSP-17 - прохождение скребка возле КТ № 17;

XSP-19 - прохождение скребка возле КТ № 19;

ХLC-AFULL - камера пуска близка к наполнению нефтью;

ХRC-AFULL - камера приёма близка к наполнению нефтью;

ХLC-EMP - камера пуска пуста;

ХRC-EMP - камера приёма пуста;

ХLC-SP - скребок находится в камере пуска;

ХRC-SP - скребок находится в камере приёма;

ХLC-BL - камера пуска заблокирована;

ХRC-BL - камера приёма заблокирована;

ХLC-O - камера пуска открыта;

ХRC-O - камера приёма открыта;

ХRG - газовый кран камеры приёма открыт/закрыт;

ХRGR - резервный газовый кран камеры приёма открыт/закрыт;

ХLG - газовый кран камеры пуска открыт/закрыт;

ХRG-B - газовый кран камеры приёма не может быть открыт;

ХRGR-B - резервный газовый кран камеры приёма не может быть открыт;

ХLG-B - газовый кран камеры пуска не может быть открыт;

Xi-O - i-ая задвижка открыта;

Xi-OB - i-ая задвижка не может быть открыта;

Xi-C - i-ая задвижка закрыта;

Xi-CB - i-ая задвижка не может быть закрыта;

XP  - давление газа в камере приёма превышает критическое;

XPM          - давление газа в камере приёма превышает максимально допустимое.

.3.3.2 Ручные входные сигналы

MXSP-17 - принудительное начало операций по приёму скребка;

MXL          - начало операций по пуску скребка;

YC - продолжение цикла пуска/приёма;

YW - возврат к ожиданию скребка;

Y - сброс в начальное состояние.

.3.3.3 Выходные сигналы

Ui-O - управление открытием i-ой задвижки;

Ui-C - управление закрытием i-ой задвижки;

URC-BL - управление блокировкой открытия камеры приёма;

ULC-BL - управление блокировкой открытия камеры пуска;

URG - управление газовым краном камеры приёма;

URGR - управление резервным газовым краном камеры приёма;

ULG - управление газовым краном камеры пуска;

ULP  - управление насосом откачки утечек.

.3.3.4 Аварийная сигнализация (выходные сигналы)

ILC-O - камера пуска открыта;

IRC-O - камера приёма открыта;

ILG-B - газовый кран камеры пуска не может быть открыт;

IRG-B - газовый кран камеры приёма не может быть открыт;

IRGR-B - резервный газовый кран камеры приёма не может быть открыт;

Ii-OB - i-ая задвижка не может быть открыта;

Ii-CB - i-ая задвижка не может быть закрыта;

ICB - одна из задвижек не может быть закрыта;

IP - давление газа в камере приёма превышает критическое;

IPM - давление газа в камере приёма превышает максимально допустимое;

IW - окончание времени ожидания скребка.

5.3.3.5 Таймеры

ТW / ZW - ожидание СОД, ~ 30 мин.;

Т3 / Z3 - интервал между закрытием 3 и 4 задвижек, ~ 2 мин.;

Т5 / Z5 - интервал между закрытием 5 и 6 задвижек, ~ 2 мин.

Полученный граф переходов представлен на рисунках 5.2 (запуск СОД) и 5.3 (приём СОД). Состояния нормального протекания технологического процесса отмечены белым цветом, возможные аварийные и внештатные ситуации - серым.



При составлении графического изображения реального графа состояний были сделаны следующие допущения:

граф разбит на два рисунка исключительно для удобства, следует помнить, что начальное (0) и предначальное (100) состояния являются общими для обоих рисунков;

состояния невозможности открытия дренажных задвижек (821, 831, 841, 171, 181, 191) приведены в варианте единственной комбинации отказов для экономии места; в управляющей программе предусмотрены все комбинации;

поступивший с пульта управления сигнал сброса системы в предначальное состояние (Y) срабатывает из любого состояния системы, за исключением случаев, когда это может привести к возникновению аварийной ситуации (на графе такие состояния указаны).

5.4 Написание управляющей программы на языке Техно ST

При написании использованы следующие основные операторы:

- if - then - elsif - else;

case.

5.4.1 Оператор if - then - elsif - else

Данный оператор начинается с ключевого слова if и заканчивается ключевым словом end_if. Определены три варианта задания:

if {выражение} then {последовательность предложений} end_if - если вы-ражение истинно, выполняется последовательность предложений, иначе никаких действий не производится;

if {выражение} then {последовательность предложений 1} else {последовательность предложений 2} end_if - если выражение истинно, выполняется последовательность предложений 1, иначе выполняется последовательность предложений 2;

if {выражение 1} then {последовательность предложений 1}

elsif {выражение 2} then {последовательность предложений 2}

...

elsif {выражение N} then {последовательность предложений N}

else {последовательность предложений} end_if - выполняется первая по порядку последовательность предложений, для которой соответствующее выражение истинно. Если все выражения ложны, выполняется последовательность предложений, следующая за ключевым словом else. Количество блоков «elsif {выражение} then {последовательность предложений}» не ограничено.

.4.2 Оператор case

Оператор позволяет выполнять одну заданную ветвь в зависимости от значения вычисляемой ключевой переменной (переменная imp в программе соответствует номеру состояния графа).

Применение:

case {переменная или выражение} of

{список значений 1}: {последовательность предложений 1};

...

{список значений N}: {последовательность предложений N};

else {последовательность предложений};

end_case;

Список значений представляет собой набор целых чисел или набор диапазонов целых чисел, разделённых запятой.

Действие: если результат вычисления выражения или переменная принадлежит множествам, заданным списками значений, выполняется соответствующая последовательность предложений. Если результат вычисления не принадлежит ни одному из заданных множеств, выполняется последовательность предложений, следующая за ключевым словом else [26].

Листинг управляющей программы приведён в приложении Б.

В основу композиции программы положен принцип блочности, вытекающий из использования оператора case: каждому состоянию графа переходов соответствует своё значение переменной imp, а ей, в свою очередь, соответствует определённая ветвь оператора case.

Сделано это, во-первых, для удобства чтения программного кода, во-вторых, для предотвращения возможных ситуаций зацикливания контроллера, так как после каждого цикла работы ПЛК значение переменной проверяется.

Рассмотрим принцип действия программы на примере.

006:            TSTART(T3);_3_C:=true;

if X_3_OB then imp:=611;    end_if;T3>=t#3m then imp:=7;       end_if;Y then imp:=100;           end_if;

В начале контроллерного цикла переменная imp имеет значение 6. Перед проверкой условий переходов запускается таймер T3 (задержка между закрытиями задвижек 3 и 4) и подаётся сигнал на закрытие задвижки 3. Значение переменной ветвления не изменяется до тех пор, пока не выполнится одно из трёх условий:

время задержки превысило 3 минуты. В этом случае производится смена значения переменной imp на 7 (переход в соответствующее состояние нормальной последовательности технологических операций);

с задвижки 3 поступил сигнал об аварии, она не может быть закрыта. Осуществляется переход в аварийное состояние 611;

с АРМ оператора поступил квитированный сигнал сброса системы в начальное состояние. Переменной присваивается значение предначального состояния 100.

5.5 Разработка графического интерфейса в SCADA-пакете Trace Mode 6. Обеспечение его функционирования в соответствии с управляющей программой

Главным требованием к графическому интерфейсу является предсказуемость работы системы, чтобы пользователь заранее интуитивно понимал, какое действие выполнит программа после получения его команды. Поэтому основные графические элементы выполнены в соответствии с технологической схемой объекта управления.

Интерфейс должен быть двунаправленным (интерактивным), то есть устройство, получив команды от пользователя и исполнив их, должно выдавать визуальную информацию о своём состоянии и состоянии контролируемого параметра пользователю наличествующими у неё средствами. Приняв эту информацию, пользователь выдаёт устройству последующие команды предоставленными в его распоряжение средствами: кнопки, переключатели, регуляторы и т. д.

Поскольку интерфейс есть совокупность, то он состоит из элементов, которые, сами по себе, также могут состоять из элементов. Все элементы интерфейса, представленные пользователю на дисплее, должны быть исполнены в виде графических изображений.

Особое и отдельное внимание в интерфейсе пользователя традиционно уделяется его эффективности и удобству пользования (юзабельности). Понятный, удобный, дружественный - его основные характеристики [29].

Общий вид разработанного интерфейса приведён на рисунке 5.4.

На мнемосхеме показаны все основные технологические объекты и их состояния в данный момент времени, в том числе:

основные и дренажные трубопроводы;

направление потока нефти;

камеры пуска и приёма с газовыми кранами;

основные и дренажные задвижки;

технологические колодцы;

дренажная ёмкость;

насос откачки утечек;

таблицы и индикатор аварийных состояний;

управляющие кнопки оператора.

Штриховкой обозначена подземная часть КПП СОД.

Рисунок 5.4 - Общий вид разработанного интерфейса

В данной ситуации видно, что камера приёма открыта, что показано графически (открыта крышка), сигнализируется восклицательным знаком на камере и красной лампочкой в таблице. В то же время задвижки 5 и 6 открыты. Следовательно, в данный момент производится пуск СОД, так как после его прохождения через КТ-19 задвижки автоматически закроются.

Насос откачки утечек выключен, дренаж в данный момент не осуществляется.

5.4.1 Активный элемент «Колодец технологический»

Является индикатором прохождения очистного устройства мимо технологических колодцев № 17 и 19. В случае отсутствия СОД представляет собой белый круг (рисунок 5.5, а), в случае прохождения - красный круг с белой буквой С (рисунок 5.5, б).

        

а)                б)

Рисунок 5.5 - Графическое изображение АЭ «Колодец технологический»: а - отсутствие СОД; б - прохождение СОД

В тексте управляющей программы состояния АЭ привязаны к входным переменным

X_SP_i

где i - номер КТ.

5.4.2 Активный элемент «Задвижка»

Является индикатором текущего состояния задвижки с указанным номером (открыта либо закрыта). Графическое изображение приведено на рисунке 5.6.

              

а)                         б)

Рисунок 5.6 - Графическое изображение АЭ «Задвижка»: а - открытое положение; б - закрытое положение

В тексте управляющей программы управление АЭ осуществляется с помощью следующих входных переменных:

X_i_O - команда на открытие задвижки (i - номер задвижки);

X_i_O - команда на закрытие задвижки.

5.4.3 Активный элемент «Насос откачки утечек»

Является индикатором текущего состояния погружного насоса откачки утечек, установленного в дренажной ёмкости (включен либо выключен). Графическое изображение приведено на рисунке 5.7.

                

а)                         б)

Рисунок 5.7 - Графическое изображение АЭ «Насос откачки утечек»: а - включен; б - выключен

Текущее состояние насоса записывается в выходную переменную U_LP (0 -выключен, 1 - включен).

5.4.4 Активный элемент «Газовый кран»

Является индикатором текущего состояния основных газовых кранов, установленных на камерах пуска и приёма, а также резервного газового крана, установленного на камере приёма (открыт либо закрыт). Графическое изображение приведено на рисунке 5.8.

          

а)                б)

Рисунок 5.8 - Графическое изображение АЭ «Газовый кран»: а - открытое положение; б - закрытое положение

Текущие состояния газовых кранов записываются в выходные переменные U_RG (газовый кран камеры приёма), U_RGR (резервный газовый кран камеры приёма), U_LG (газовый кран камеры пуска).

5.4.5 Активный элемент «Крышка камеры»

Является индикатором текущего состояния крышек камер пуска и приёма (открыты либо закрыты). Графическое изображение приведено на рисунке 5.9.

Элемент не привязан к выходным переменным, так как открытие и закрытие камер осуществляется исключительно вручную.

            

а)                         б)

Рисунок 5.9 - Графическое изображение АЭ «Крышка камеры»: а - открытое положение; б - закрытое положение

5.4.6 Индикация аварийных ситуаций

В системе предусмотрена аварийная сигнализация в следующих ситуациях:

крышка камеры открыта;

газовый кран не может быть открыт;

давление газа в камере превышает допустимое;

давление газа в камере превышает критическое;

задвижка не может быть открыта либо закрыта;

время ожидания СОД после прохождения КТ либо отправки его с предыдущей КПП превышено.

Индикация производится следующим образом: на изображение объекта, находящегося в предаварийном состоянии, помещается знак предупреждения (рисунок 5.10), дополнительно загорается красная лампочка в сводных таблицах аварийных ситуаций, размещённых под мнемосхемой объекта управления.

Рисунок 5.10 - Графическое изображение знака предупреждения аварийной ситуации

.4.7 Управляющие кнопки

Для коррекции выполнения технологического процесса в случае аварийных и внештатных ситуаций предусмотрены кнопки сброса системы в начальное состояние («RESET»), продолжения выполнения технологических операций после устранения неполадок либо в тестовом режиме, продолжения ожидания СОД после истечения времени соответствующего времени ожидания, заданного таймером.

5.4.8 Таймеры

В системе предусмотрены следующие таймеры:

время ожидания СОД после его запуска с предыдущей КПП;

время ожидания СОД после прохождения им технологического колодца непосредственно перед КПП;

время ожидания прохождения скребком ближайшего технологического колодца, находящегося на линейной части, после запуска СОД.

Задание таймеров производится отдельно для каждой КПП в меню, вызываемом нажатием кнопки «Задание таймеров». Значения времени ожидания зависят от расстояний до технологических колодцев и предыдущей КПП, а также от свойств перекачиваемой нефти.

Приблизительная оценка времени производится по формуле:

,                                                                                        (4.1)

Где 0,88 - коэффициент, учитывающий снижение скорости СОД относительно скорости потока нефти;

S     - длина участка от точки запуска таймера до КПП СОД, км;

V     - скорость потока нефти, км/ч.

Скорость потока можно определить по формуле:

,                                                                                     (4.2)

Где Q - расчётная производительность МН, млн. т/год;

F - средняя площадь проходного сечения МН при расчётном диаметре, м2;

Ρ - средняя плотность нефти при расчётной температуре, т/м3;

T - расчётное число рабочих дней МН.

Для ТС «ВСТО» скорость потока обычно принимается равной 6-8 км/ч.

Однако, следует отметить, что времена задержки на таймерах обычно сильно завышаются, чтобы избежать срабатываний аварийной сигнализации без необходимости. К тому же, большинство современных СОД снабжены передатчиками электромагнитных сигналов, поэтому их отслеживание по трассе в случае задержки либо застревания не составляет трубностей.

Разработанный интерфейс обеспечивает полную информацию о состоянии (как текущем, так и прошлом) технологического процесса, позволяет оператору своевременно узнавать о нарушениях и аварийных ситуациях, производить запуск и остановку системы с АРМ.

6. Охрана труда и техника безопасности

.1 Организационные основы охраны труда

Основной задачей по организации работ в области охраны труда является реализация требований стандарта OHSAS 18001, государственных требований в области охраны труда, в том числе:

·   признание и обеспечение приоритета жизни и здоровья работников;

·   принятие к исполнению и реализация федеральных законов и иных нормативных правовых актов РФ, законов и иных нормативных правовых актов субъектов РФ об охране труда, а также программ улучшения условий и охраны труда;

·   расследование несчастных случаев на производстве и профессиональных заболеваний;

·   защита законных интересов работников, пострадавших от несчастных случаев на производстве и профессиональных заболеваний, а также членов их семей на основе обязательного социального страхования работников от несчастных случаев на производстве и профессиональных заболеваний;

·   установление компенсаций за тяжелую работу и работу с вредными или опасными условиями труда, неустранимыми при современном техническом уровне производства и организации труда;

·   обеспечение приоритетного финансирования мероприятий, направленных на создание здоровых и безопасных условий труда;

·   организация и обеспечение подготовки, повышения квалификации работников по охране труда;

·   разработку и внедрение безопасных техники и технологий, внедрения в производство новых средств индивидуальной и коллективной защиты работников;

·   обеспечение работников средствами индивидуальной и коллективной защиты, а также санитарно-бытовыми помещениями и устройствами, лечебно-профилактическими средствами;

·   развитие научно-исследовательских работ по охране труда, активное внедрение их результатов в производство.

Объекты трубопроводного транспорта, как носители опасных и вредных производственных факторов, относятся к категории повышенной опасности.

Основными факторами и обстоятельствами, определяющими категорию повышенной опасности объектов и технологических процессов трубопроводного транспорта являются:

·   опасные и вредные свойства нефти и входящих в её состав легких и тяжёлых углеводородных фракций (газожидкостной нефтегазовой среды);

·   большие единичные мощности и высокая энерговооруженность;

·   технологические особенности;

·   большая рассредоточенность технологических объектов;

·   широта диапазона и специфика работ.

Идентификация опасностей, оценка рисков и управление рисками выполняется с целью планирования деятельности в области охраны труда, обоснования мероприятий по снижению рисков до приемлемого и экономически обоснованного уровня.

Безопасные и здоровые условия труда должны обеспечиваться планомерным и систематическим проведением комплекса организационных, социальных, технических и финансово-экономических мероприятий в соответствии с политикой компании в области охраны труда, в том числе:

·   чётким распределением функций, задач и ответственности различных структур, как по вертикали, так и по горизонтали;

·   обязательным регламентированием всех видов работ;

·   обязательностью первоочередного финансирования мероприятий по охране труда отдельной строкой, организацией бухгалтерского учёта расходования выделенных средств;

·   обязательностью соответствия производственных процессов и проводимых различных мероприятий нормативным требованиям, принятием критериев для количественной оценки результатов в области охраны труда;

·   организацией обучения и систематическим повышением квалификации работников;

·   созданием санитарно-бытовых и санитарно-гигиенических условий труда для работников, эффективной системы медицинского обслуживания, обеспечением работников специальной одеждой, обувью, а также средствами индивидуальной и коллективной защиты в соответствии с нормами и правилами;

·   организацией работ по обеспечению безопасных и здоровых условий труда;

·   организацией эффективной системы контроля;

·   распределением обязанностей и ответственности должностных лиц, исполнителей по обеспечению безопасности труда при ведении производственно-технологических процессов и других действий в интересах производства.

Организация работ по обеспечению безопасных и здоровых условий труда должна содержать в своём составе и предусматривать планомерное и систематическое проведение предупредительно-профилактических работ, работ по обеспечению безопасности труда при эксплуатации оборудования, зданий и сооружений.

6.2 Анализ потенциальных опасностей и производственных вредностей на камере пуска и приёма средств очистки и диагностики

Первичные датчики устанавливаются непосредственно на технологические объекты (камеры пуска и приёма СОД, трубопроводы, дренажные ёмкости), где в процессе эксплуатации системы рабочей средой является нефть, попутный газ и возможно возникновение взрывоопасных смесей, а вторичные приборы - в шкафах КИПиА и операторной.

Производственные опасности и вредности могут быть обусловлены следующими факторами:

при монтаже и эксплуатации первичных приборов КПП СОД может возникнуть опасность отравления парами нефтяного газа через неплотные соединения арматуры и трубопроводов. В таблице 6.1 приведены токсические свойства нефти и попутного нефтяного газа;

взрывопожароопасность обусловлена тем фактом, что при обслуживании системы автоматизации в производственной среде возможно наличие взрыво-пожароопасных смесей и при нарушении норм, правил и инструкций по технике безопасности не исключена возможность возникновения источника зажигания (искра, открытый огонь), и как следствие, пожара и взрыва;

поражение электрическим током с напряжением 380 В в случае выхода из строя заземления электрооборудования или пробоя электроизоляции, неприменения средств защиты и так далее при обслуживании средств автоматизации;

воздействие электрического тока с напряжением 220 В при смене вторичной аппаратуры, из-за случайного прикосновения к токоведущим частям стоек системы контроля и управления, а также в случае нарушения изоляции кабелей, проводов без снятия напряжения;

опасности, связанные с наличием давления при обслуживании первичных приборов (давление менее 0,6 МПа возникает при нарушении «Правил устройства и безопасной эксплуатации сосудов, работающих с давлением» ПБ 03-576-03, а также в случае отказа регулирующих органов и приборов контроля системы автоматизации);

воздействие атмосферного (удар молнии) и статического электричества. Прямой удар молнии, при котором сила тока может достигать 200 А, напряжение - 150 MB, а температура - 300 °C, вызывает разрушения большой силы;

производственные травмы, причиной которых может быть недостаточное освещение рабочего места. Освещение, не соответствующее условиям работы, вызывает повышенную утомлённость, замедленную реакцию, приводит к ухудшению зрения и может явиться существенной причиной травматизма;

во время монтажа, ремонта датчиков на дренажных емкостях может возникнуть опасность падения с высоты, а также возможность получения механических травм у персонала, обслуживающего средства автоматизации;

метрологические параметры должны соответствовать допустимым нормам производственного микроклимата в операторной.

Таблица 6.1 - Взрывопожароопасные и токсические свойства нефти и попутного нефтяного газа ТС «ВСТО»

Наименование вещества

Агрегатное состояние

Класс опасного вещества

Температура, °C

Концентрационный предел взрываемости, % объёма

Характеристика токсичности (воздействие на организм человека)

Предельно допустимая концентрация веществ в воздухе рабочей зоны производственных помещений, мг/м3




вспышки

самовоспламенения

нижний

верхний



Нефть

Ж (п)

4

-18,0

233

1,1

7,4

Наиболее сильное влияние на ЦНС

10

Попутный нефтяной газ

Г

4

-

405-580

6,0

13,5

Отравление организма

300


Пары нефти действуют, главным образом, на центральную нервную систему. Признаки отравления чаще всего проявляются в виде головокружения, сухости во рту, головной боли, тошноты, усиленного сердцебиения, общей слабости и потери сознания [30].

Попутный газ - бесцветная смесь легких углеводородных паров, легко воспламеняется, обладает вредным воздействием на организм человека. В зависимости от концентрации может вызывать отравление организма разной степени тяжести (ОБУВ составляет 50 мг/м3).

На быстроту поступления паров нефти из воздуха в кровь влияет их растворимость в воде, близкая к растворимости в крови.

Нефть практически нерастворима в воде. Углеводороды способны растворяться в поту и жировом покрове кожи, а затем всасываться через кожу и поступать в кровь. При этом начинается головокружение, тошнота.

Перекачиваемая нефть легко испаряется и способна образовывать взрывоопасную смесь. Нефть относятся к легковоспламеняющимся веществам. Её пары при взаимодействии с воздухом образуют взрывоопасную смесь. Это выдвигает повышенные требования к надёжности и эффективности пожаро- и взрыво-защиты. Пары нефти способны создавать опасность воспламенения от источника огня. Блуждающие пары тяжелее воздуха, поэтому они стелятся по поверхности земли, затекают с воздухом в помещения и образуют горючие и взрывоопасные смеси.

Пожароопасность технологических процессов в значительной степени определяется физико-химическими свойствами нефти [31].

В связи с тем, что продуктом перекачки является нефть, КПП СОД относится к категории А. Испарение лёгких компонентов из разлившейся нефти, продувка камер может привести к образованию газовоздушной смеси взрывоопасной концентрации.

Помещение операторной, где установлены вторичные приборы, согласно НПБ 105-03 «Определение категорий помещений, зданий и наружных установок по взрывопожарной и пожарной опасности», относится к помещениям без повышенной опасности (категория Д).

Классификация объектов КПП СОД по их взрывопожароопасности приведена в таблице 6.2.

Таблица 6.2 - Классификация помещений по взрывоопасности

Наименование производственных зданий, помещений, наружных установок

Категория взрывопожароопасной и пожарной опасности зданий и помещений (НПБ 105-03)

Классификация зон внутри и вне помещений



Класс взрывопожароопасной или пожарной зон (ПУЭ и ПБ 08-624-03)

Категория и группа взрывопожароопасных смесей (ГОСТ 12.1.011-078, Р 51330.5-99, Р 51330.11-99)

КПП СОД

Ан

В-1г

IIА-Т3

Операторная

Д

-

-


6.3 Мероприятия по обеспечению безопасных условий труда

В данном разделе приведены правила и требования, которые необходимо соблюдать, чтобы избежать воздействия вредных и опасных производственных факторов при монтаже, наладке и эксплуатации средств автоматизации камеры пуска-приёма СОД.

6.3.1 Мероприятия по технике безопасности при эксплуатации объектов КПП СОД

Во избежание несчастных случаев при обслуживании КПП СОД направляемый на работу персонал должен иметь соответствующую подготовку, пройти производственный инструктаж, ознакомиться с правилами внутреннего распорядка, общими правилами техники безопасности и с безопасными методами работы при обслуживании объектов КПП СОД, а также с методами оказания первой помощи. По окончании инструктажа направляемые на работу сдают экзамен по технике безопасности в соответствии с ПБ 08-624-03, ПУЭ, ПТБ, ПТЭ и получают удостоверение с присвоенной квалификационной группой. Инструктажи допуска персонала к самостоятельной работе соответствуют требованиям ГОСТ 12.0.004-90 (1999) «ССБТ. Организация обучения безопасности труда. Общие положения».

Безопасные и безвредные условия труда при проведении работ, связанных с обслуживанием АСУ ТП, достигаются следующим:

заземление оборудования, емкостей, коммуникаций, в которых возникают заряды статического электричества (RЗ ≤ 100 Ом). Необходимая защита от поражения электрическим током обеспечивается защитным заземлением корпусов всех приборов и оборудования. Электрическая изоляция между отдельными электрическими цепями и корпусом должна выдерживать в течение минуты действие испытательного повышенного напряжения 1000 В промышленной частоты. Электрическая изоляция между отдельными электрическими цепями и между этими цепями и корпусом должна быть не менее 0,5 МОм;

по способу защиты человека от поражения электрическим током изделия АСУ ТП соответствуют классам 1 и 2 (для изделий, предназначенных для соединения с источником напряжения 220 В) и классу 3 (для изделий, предназначенных для соединения с источником напряжения 24 В) по ГОСТ 12.2.007.0-75* (2001) «ССБТ. Изделия электротехнические. Общие требования безопасности»;

электрическое сопротивление между элементами защитного заземления и корпусом коммутационного панельного каркаса не более 0,1 Ом. Корпуса устройств заземляются в соответствии с ГОСТ 12.2.007.0-75* (2001), сопротивление контура заземления не более 4 Ом. Измерение сопротивления заземляющего устройства производится не реже одного раза в год;

все токоведущие части, находящиеся под напряжением, превышающим 42 В по отношению к корпусу, имеют защиту от случайных прикосновений во время работы;

подключение внешних цепей, разъёмов, проведение ремонтных работ должны осуществляться только при отключенных напряжениях питания;

подключение источников сетевого питания должно осуществляться через автоматические выключатели;

защита технологических трубопроводов от атмосферного электричества и вторичных проявлений молний в соответствии с «Инструкцией по устройству молниезащиты зданий и сооружений и промышленных коммуникаций» (СО 153-34.21.122-03);

автоматическая аварийная защита технологического оборудования, позволяющая исключить возможность работы его в аварийных условиях;

оснащённость наглядными плакатами, чёткими надписями, табличками, нумерацией запорной арматуры;

насосы снабжены предохранительными клапанами, которые не допускают повышения давления выше регламентируемого;

конструкцией приборов: все части устройств, находящихся под напряжением, размещены в корпусах, обеспечивающих защиту обслуживающего персонала от прикосновения к деталям, находящимся под напряжением;

надёжным креплением оборудования при монтаже на объекте автоматизации;

подключение разъёмов, замена плавких вставок, предохранителей производится только при отключенных напряжениях питания устройств. Подключение напряжения питания осуществляется через автоматы защиты.

Таким образом, на КПП СОД осуществляется комплекс организационных и технических мероприятий, обеспечивающих надёжность, эффективность и безопасность работы объектов с необходимой степенью защиты персонала.

6.3.2 Мероприятия по промышленной санитарии

На объектах ТС «ВСТО» используется комплекс мер по обеспечению промышленной санитарии на объектах. К ним относятся требования к спецодежде, требования к освещению, микроклимату, требования к организации и оборудованию рабочего места, которые нормируются ГОСТ 12.4.103-83 (2002) «ССБТ. Одежда специальная защитная, средства индивидуальной защиты ног и рук. Классификация».

Требования к спецодежде:

спецодежда и спецобувь выдаются операторам, технологам, слесарям КИПиА, слесарям-ремонтникам, слесарям-монтажникам в пределах установленных норм;

во время работы рабочие обязаны пользоваться выданной им спецодеждой и спецобувью [32].

Также стоит заметить, что персонал объекта должен быть оснащен противогазами. Противогазы применяют при объёмной доле свободного кислорода в воздухе не менее 18% и суммарной объёмной доле парообразных и газообразных вредных примесей не более 0,5%. Средством индивидуальной защиты служит противогаз с коробкой марки ДОТ 600 А2ВЗЕЗРЗ. Индивидуальные фильтрующие противогазы должны храниться в специальных шкафах, каждый в отдельной ячейке с надписью фамилии рабочего. Передача противогаза другому лицу запрещается. Ремонтные рабочие (при выполнении работ по ремонту и очистке различных емкостей, а также при ремонтных работах в колодцах, подвальных помещениях и пр.) обязаны иметь шланговые противогазы типа ПШ-1М по ТУ 2568-194-05808014-99.

Шланговые противогазы предназначены для защиты органов дыхания и глаз человека при работе в атмосфере с объемной долей вредных веществ более 0,5 % об. и объёмной долей кислорода в воздухе менее 18 % об.

Противогазы ПШ-1М хранятся вместе с инструментом, предназначенным для устранения аварии в опломбированном ящике в операторной.

На рабочих местах НПС предусмотрено рабочее и аварийное освещение. Напряжение сети рабочего и аварийного освещения составляет 220 В. Для аварийного и рабочего освещения предусмотрены светильники ВЗГ-200 (взрывозащищенное исполнение) по ГОСТ 12.2.007.13-2000 (2001) «ССБТ. Лампы электрические. Требования безопасности» с освещенностью равной 50 лк, в соответствии со СНИП 23-05-95* (2003) «Естественное и искусственное освещение».

В помещении операторной должны соблюдаться оптимальные величины параметров воздуха согласно ГОСТ 12.1.005-88:

температуры: 21-23 °С - в холодный период года, 22-24 °С - в тёплый;

относительной влажности: 40-60 %;

скорости движения: 0,1 м/с - в холодный период года, 0,2 м/с - в тёплый.

6.3.3 Мероприятия по пожарной безопасности

Мероприятия по пожарной безопасности при системе автоматизации КПП СОД разработаны в соответствии с нормативным документом ППБ-01-03 «Правила пожарной безопасности в РФ» и ГОСТ 12.1.004-91 (1999) «ССБТ. Пожарная безопасность. Общие требования».

Датчики, входящие в систему измерения параметров, имеют взрывозащищённое исполнение, соответствуют требованиям ГОСТ Р 51330.1-99 и ГОСТ Р 51330.10-99.

Перед началом работы система автоматизации КПП СОД должна быть в исправном состоянии, а в случае необходимости - отремонтирована. При неисправности системы автоматизации эксплуатация объекта запрещается до проведения требуемых ремонтных работ и проверки качества их осуществления.

Основные мероприятия по пожарной безопасности:

территория КПП СОД должна содержаться в чистоте и порядке. Не допускается: замазученность территории, загрязнение горючим мусором и хламом, загромождение дорог, проездов к объекту и средствам пожаротушения, а также противопожарных разрывов;

при произведении работ в газовой среде воспрещается применение ударных инструментов, изготовленных из стали: ударные инструменты должны быть изготовлены из цветного металла (меди, латуни, бронзы). Режущие инструменты должны обильно смазываться маслом, тавотом или мыльным раствором;

на объекте должен быть организован контроль воздушной среды газоанализаторами, предназначенными для контроля многокомпонентных смесей;

отогрев замерших камер и нефтепроводов допускается только паром или горячей водой, или горячим песком при закрытой запорной арматуре;

категорически запрещается применение для освещения факелов, спичек, свечей, керосиновых фонарей и других источников открытого огня;

необходимо постоянно следить за исправностью силовой и осветительной электропроводки. Различные неисправности электросетей, которые могут вызвать пожар, должны быть устранены;

обслуживающий персонал обязан знать устройство и инструкции по применению первичных средств пожаротушения;

для тушения электропроводки и электрооборудования разрешается использовать только углекислотные огнетушители ОПУ-5;

предусматривается молниезащита КПП СОД согласно «Инструкции по устройству молниезащиты зданий и сооружений» СО 153-34.21.122-03. Молниезащита предназначена для безопасности людей, сохранности зданий, сооружений, защиты от удара молнии. В комплекс грозозащитных устройств входят: молние приёмники, токоотводы и защитное заземление.

Пожарную защиту КПП СОД обеспечивает автоматическая система пенотушения, которая включает в себя средства обнаружения пожара, системы сигнализации, управления, пожаротушения. Срабатывание системы пенотушения происходит автоматически, дистанционно или вручную.

При возникновении пожара сигнал от пожарных датчиков (температурных либо задымления), приводит в действие систему пожаротушения согласно ГОСТ 12.3.046-91 (2001) «ССБТ. Установки пожаротушения автоматические. Общие технические требования».

Охлаждение технологических установок в тёплое (преимущественно, летнее) время года может осуществляться как из стационарных комбинированных лафетных стволов и от пожарных гидрантов, установленных на сети противопожарного водопровода, так и с использованием передвижной пожарной техники на мобильных шасси.

6.4 Расчёт освещённости в помещении операторной на камере пуска и приёма средств очистки и диагностики

Сохранность зрения человека, состояние его центральной нервной системы, производительность, качество труда и безопасность в производственных условиях в значительной мере зависят от условий освещения.


Рисунок 6.1 - Схема помещения операторной

Для освещения операторной используются светильники типа УСП-35 с двумя люминесцентными лампами типа ЛБ-40 каждый. Необходимо рассчитать, удовлетворяет ли существующая освещённость установленным нормам.

Суть метода расчёта заключается в следующем:

определяется освещённость при известном типе и количестве ламп;

подсчитанная освещенность сравнивается с нормированной освещённостью ЕН.

Согласно СНиП 23-05-95* освещенность ЕН = 100 лк (норма освещённости рабочего места операторной).

Определение освещенности производится по следующей формуле:

,                                                                                        (6.1)

где Ф - световой поток одной лампы, лм;

n - количество ламп (или светильников), шт;

η - коэффициент использования светового потока. Это отношение потока, падающего на расчётную поверхность, к суммарному потоку света всех ламп;- освещаемая площадь, м2;

K - коэффициент запаса, учитывающий снижение освещённости вследствие старения и запыления ламп и светильников, загрязнения отражающих поверхностей помещения;- коэффициент неравномерности освещённости (отношение средней освещенности к минимальной).

Для определения коэффициент использования светового потока η находится индекс помещения I и предположительно оцениваются коэффициенты отражения поверхностей помещения: потолка - ρП, стен - ρС, расчётной поверхности или пола - ρР. Индекс помещения находится по формуле:

,                                                                                    (6.2)

где A - длина помещения, м;

B - ширина помещения, м;

H - расчётная высота над уровнем рабочей поверхности (рисунок 6.2), м.

Рисунок 6.2 - Подвеска светильников

Расчётная высота над уровнем рабочей поверхности находится по формуле:

h = H - hp ,                                                                                     (6.3)

где H - высота помещения, м;

hp - высота рабочей поверхности, м.

Исходные данные для расчёта:

A = 7,5 м;  B = 7,5 м;   H = 4 м;

Лампы ЛЕЦ-40: Ф = 2190 лм;

n = 12 шт (6 светильников УСП-35 по две лампы ЛЕЦ-40);

k = 1,5; z = 1,15;

ρП = 50 %; ρС = 30 %; ρР = 10 %;

hР = 0,8 м.

По формуле (5.3) находим расчётную высоту h:

h = 4 - 0,8 = 3,2 м.

Для светильников типа УСП-35 оптимальное отношение λ расстояний между рядами светильников к высоте над рабочей поверхностью равно 1,0.

,                                                                                              (6.4)

где L - расстояние между рядами светильников, м;

h - расчётная высота над уровнем рабочей поверхности, м.

Тогда расстояние между рядами светильников вычисляется по формуле:

L = λ · h,                                                                                        (6.5)

L = 1,0 · 3,2 = 3,2 м.

Число рядов светильников:

,                                                                                              (6.6)

где B - ширина помещения, м;

L - расстояние между рядами светильников, м.

.

Получено 2 ряда по 3 светильника в каждом.

По формуле (5.2) находим индекс помещения:

.

Полученное в результате расчётов значение округляем в сторону увеличения и получаем индекс помещения I = 1,25. Учитывая также коэффициенты отражения поверхностей помещения и то, что в помещении операторной используются светильники типа ЛД, коэффициент использования светового потока η = 0,43.

По формуле (5.1) рассчитываем освещённость:

.

Сравнивая расчётное значение освещённости E = 116,5 лк с нормированным значением EН = 100 лк видим, что освещённость в помещении удовлетворяет нормам.

7. Оценка экономической эффективности внедрения автоматизированной системы управления технологическими процессами на камере пуска и приёма средств очистки и диагностики

.1 Технико-экономическая характеристика оборудования

Внедрение автоматизированной системы управления КПП СОД, оснащённой современными датчиками, первичными преобразователями и исполнительными механизмами, позволит:

повысить надёжность работы оборудования и уменьшить количество аварий и внештатных ситуаций;

повысить точность выполнения технологических операций;

сократить потери нефти;

повысить оперативность принятия решений (особенно в аварийных ситуациях) на основе повышения информированности персонала и достоверности данных.

.2 Методика расчёта показателей экономической эффективности инвестиционного проекта

Оценка эффективности инвестиционных проектов предусматривает расчёт следующих показателей:

чистый дисконтированный доход (ЧДД);

индекс доходности инвестиций (ИД);

внутренняя норма доходности (ВНД);

срок окупаемости инвестиций (СО).

7.2.1 Чистый денежный доход.

Важнейшим показателем эффективности инвестиционного проекта является чистый денежный доход (ЧДД) - накопленный дисконтированный эффект за расчётный период. ЧДД рассчитывается по следующей формуле:

·  - ,                                   (7.1)

где Пt - чистая прибыль, полученная в t-ом году от реализации инвестиционного проекта;

Аt - амортизационные отчисления в t-ом году;

Кt - инвестиции, необходимые для реализации проекта в t-ом году;

Е - норма дисконта (является экзогенно задаваемым основным экономическим нормативом) - коэффициент доходности инвестиций;

 - коэффициент дисконтирования в t-ом году, позволяет привести величины затрат и прибыли на момент сравнения (t). Если:

ЧДД > 0, проект следует принимать;

ЧДД = 0, проект ни прибыльный, ни убыточный;

ЧДД < 0, проект убыточный и его следует отвергнуть.

Метод чистого дисконтированного дохода не даёт ответа на все вопросы, связанные с экономической эффективностью капиталовложений. Этот метод даёт ответ лишь на вопрос, способствует ли анализируемый вариант инвестирования росту ценности фирмы или богатства инвестора вообще, но никак не говорит об относительной мере такого роста.

Однако, эта мера всегда имеет большое значение для любого инвестора. Для восполнения такого пробела используется иной показатель - метод расчёта рентабельности инвестиций.

7.2.2 Индекс доходности дисконтированных инвестиций

Индекс доходности дисконтированных инвестиций (ИД) - отношение суммы дисконтированных элементов денежного потока от операционной деятельности к абсолютной величине дисконтированной суммы элементов денежного потока от инвестиционной деятельности. ИД равен увеличенному на единицу отношению ЧДД к накопленному дисконтированному объёму инвестиций.

Формула для определения ИД имеет следующий вид:

.                                                                         (7.2)

Если: - ИД > 1 - проект эффективен;

ИД < 1 - проект неэффективен.

В отличие от ЧДД индекс доходности является относительным показателем, что позволяет осуществлять выбор одного проекта из ряда альтернативных, имеющих приблизительно одинаковое значение ЧДД.

7.2.3 Внутренняя норма доходности

Внутренней нормой доходности (ВНД) называется такое положительное число ЕВ, что при норме дисконта Е = ЕВ ЧДД проекта обращается в 0, при всех больших значениях Е - отрицательна, при всех меньших значениях Е - положительна. Если не выполнено хотя бы одно из этих условий, считается, что ВНД не существует.

ВНД определяется из равенства:

.                                                              (6.3)

Величина ВНД, найденная из этого равенства, сравнивается с заданной инвестором величиной дохода на капитал Å1. Если ÅÅ1 ≥ Å1 - проект эффективен. Смысл расчёта этого коэффициента при анализе эффективности планируемых инвестиций заключается в следующем: ВНД показывает максимально допустимый относительный уровень расходов при реализации проекта. Например, если проект полностью финансируется за счет ссуды коммерческого банка, то значение ВНД показывает верхнюю границу допустимого уровня банковской процентной ставки, превышение которой делает проект убыточным.

На практике любое предприятие финансирует свою деятельность, в том числе и инвестиционную, из различных источников.

За пользование авансированными финансовыми ресурсами предприятия уплачивают проценты, дивиденды, вознаграждения и т. п., то есть несут определённые обоснованные расходы на поддержание своего экономического потенциала. Показатель, характеризующий относительный уровень этих расходов, называют «ценой» авансированного капитала (СС). Этот показатель характеризует минимум возврата на вложенный в деятельность предприятия капитал, его рентабельность.

Для инвестиций справедливо утверждение о том, что чем выше норма дисконта Е, тем меньше величина интегрального эффекта ЧДД (рисунок 7.1).

Рисунок 7.1 - Зависимость величины ЧДД от уровня нормы дисконта Е

Как видно из графика на рисунке 7.1, ВНД - это та величина нормы дисконта Е, при которой кривая изменения ЧДД пересекает горизонтальную ось, то есть ЧДД оказывается равным нулю.

Экономический смысл этого показателя заключается в следующем. Если:

ВНД > СС, то проект следует принять;

ВНД = СС, то проект ни прибыльный, ни убыточный;

ВНД < СС, то проект следует отклонить.

Точный расчет ВНД возможен только с применением технических средств ЭВМ.

Если при решении равенства (6.3) функция ВНД имеет несколько корней, то данный критерий неприменим.

.2.4 Срок окупаемости

Сроком окупаемости инвестиций с учётом дисконтирования называется продолжительность периода от начального момента до момента окупаемости с учётом дисконтирования.

Начальный момент указывается в задании на проектирование (обычно это начало операционной деятельности). Момент окупаемости - это тот наиболее ранний момент, когда поступления от производственной деятельности предприятия начинают покрывать затраты на инвестиции.

Алгоритм расчета срока окупаемости ТОК зависит от равномерности распределения прогнозируемых доходов от инвестиций. Если доход распределен по годам равномерно, то срок окупаемости рассчитывается делением единовременных затрат на величину годового дохода, обусловленного ими.

Если доход по годам распределен неравномерно, то срок окупаемости рассчитывается прямым подсчётом числа лет, в течение которых инвестиции будут погашены кумулятивным доходом.

Используя показатель срока окупаемости ТОК при анализе, следует обратить внимание на ряд его недостатков:

не учитывает влияния доходов последних периодов;

не обладает свойством аддитивности;

не учитывает различия между проектами с одинаковой суммой кумулятивных доходов, но различным распределением их по годам, если при расчёте срока окупаемости использовать не дисконтированные величины.

Помимо рассмотренных выше показателей эффективности инвестиционных проектов предусмотрено применение нижеследующих показателей:

чистый доход;

потребность в дополнительном финансировании;

индексы доходности затрат и инвестиций.

Чистым доходом называется накопленный эффект за расчётный период (сальдо денежного потока).

Потребность в дополнительном финансировании (ПФ) - максимальное значение абсолютной величины отрицательного накопительного сальдо от инвестиционной и операционной деятельности. Величина ПФ показывает минимальный объём внешнего финансирования проекта, необходимый для обеспечения его финансовой реализуемости. Поэтому ПФ называют еще капиталом риска.

Индекс доходности затрат - отношение суммы денежных притоков (накопительных поступлений) к сумме денежных оттоков (накопленным платежам).

Индекс доходности инвестиций - отношение суммы элементов денежного потока от операционной деятельности к абсолютной величине суммы элементов денежного потока от инвестиционной деятельности.

7.3 Расчёт экономической эффективности проекта

Общие затраты Зt проекта складываются из капитальных вложений КВ и эксплуатационных затрат ЗЭК:

Зt = КВ + ЗЭК .                                                                             (6.4)

Капитальные вложения на внедрение автоматизированной системы управления КПП СОД включают в себя единовременные денежные затраты, которые приведены в таблице 7.1. Капитальные вложения должны учитывать транспортные и монтажные расходы, которые определяются в процентах от стоимости приборов.

Строительно-монтажные работы ведутся подрядной строительной организацией за время планового строительства. Пусконаладочные работы могут проводиться на работающем оборудовании персоналом численностью 2 человека.

Таблица 7.1 - Определение капитальных вложений

Наименование видов затрат

Затраты, тыс. руб.

Предпроектные исследования

25,21

Разработка проектной документации

88,20

Разработка рабочей проектно-сметной документации на строительно-монтажные работы

51,40

Разработка программного обеспечения

96,00

Техническое оснащение КПП СОД

3147,69

Строительно-монтажные работы

249,82

Пусконаладочные работы

75,80

Итого:

3734,12

НДС (18%)

672,14

Всего с НДС

4406,26


Годовые эксплуатационные затраты, связанные с обслуживанием и эксплуатацией приборов, средств или систем автоматизации, рассчитываются по следующей формуле:

ЗЭК = ЗВСП + ЗРЕМ + ЗЗП + ЗАМ + ЗПОТ + ЗПР,                           (7.5)

Где ЗРЕМ - затраты на ремонт (для того, чтобы система была эффективной затраты на ремонт должны составлять не более 10% от капитальных вложений), внедряемая система имеет высокую степень надежности: ЗРЕМ = 440,63 тыс. руб.;

ЗВСП - затраты на вспомогательные материалы;

ЗЗП- затраты на обслуживание оборудования, то есть на заработную плату работников, занимающихся обслуживанием;

ЗАМ          - амортизационные отчисления по внедряемому оборудованию;

ЗПОТ - затраты, связанные с потреблением электроэнергии;

ЗПР - прочие затраты.

Затраты на вспомогательные материалы составляют 10% от стоимости капитальных вложений:

ЗВСП = 0,1 · КВ.                                                                                    (7.6)

Затраты на заработную плату работников:

ЗЗП = n · ЗП · 12,                                                                                    (7.7)

где n- количество обслуживающего персонала, два слесаря КИПиА;

ЗП - заработная плата рабочего за 1 месяц (20 тыс. руб.);

12 - количество месяцев в году.

Затраты на амортизацию составляют 10% от капитальных вложений, т.к эксплуатационный срок оборудования не менее 10 лет:

ЗАМ = НА · KB,                                                                            (7.8)

где НА - норма амортизации.

Затраты на электроэнергию рассчитывается по формуле:

ЗПОТ = P · t · CЭ ,                                                                        (7.9)

где Р - мощность, потребляемая системой управления (для АСУ ТП КПП СОД потребляемая мощность составляет не более 20 кВт);

t - время работы, ч/год, (24·365=8760);

Сэ - стоимость электроэнергии, 0,94 руб/кВт·ч.

Величина прочих затрат принимается равной 25% от суммы других затрат:

ЗПР = 0,25 · (ЗВСП + ЗРЕМ + ЗОБОР + ЗАМ + ЗПОТ).            (7.10)

Результаты расчёта эксплуатационных затрат приведены в таблице 7.2.

Таблица 7.2 - Текущие затраты при использовании АСУ ТП КПП СОД

Наименование затрат

Результат, тыс. руб.

Вспомогательные материалы

440,63

Ремонт

440,63

Содержание и эксплуатация

480,00

Затраты от потерь энергии

164,69

Амортизация

440,63

Прочие

491,64

Эксплуатационные издержки

2458,21


Таким образом, по предварительной оценке общие эксплуатационные издержки на внедрение составят 2459 тыс. руб.

7.3.1 Расчёт экономии от использования АСУ ТП КПП СОД

В результате внедрения АСУ ТП получен ряд преимуществ:

сокращены простои КПП СОД;

уменьшены расходы на сезонное содержание оборудования.

Выгоды от сокращения времени простоев рассчитываются по следующей формуле:

B = k · Q · tПЕР · CН · P,                                                              (7.11)

Где k - коэффициент загрузки нефтепровода, (принимается равным 1);

Q - производительность насосного агрегата, 2000 м3/ч;

tПЕР - время перерыва работы насосного агрегата, 60 с;

CН - стоимость нефти (принимается равной $50/бар);

P - плотность нефти, 0,84 т/м3.

Таким образом, оценочные выгоды от внедрения проекта за один год составят 5063,59 тыс. руб.

.3.2 Расчёт экономического эффекта

При расчёте экономической эффективности инвестиционного проекта расчётный период Т складывается из времени внедрения объекта в производство, которое принимается равным одному году, и времени эксплуатации объекта, которое составляет не менее 10 лет. Результаты расчётов приводятся в таблицах 7.3, 7.4 и 7.5.

По полученным данным найдем срок окупаемости системы:

Ток года.

По результатам расчётов, приведённых в таблице 7.4, построен график движения денежных средств (финансовый профиль), показанный на рисунке 7.2.

Такие обобщающие показатели, как чистые денежные поступления, срок окупаемости инвестиций, интегральный экономический эффект, внутренняя норма доходности получают с помощью финансового профиля проекта наглядную графическую интерпретацию.

Рисунок 7.2 - Изменение денежных потоков наличности

Рисунок 7.3 - Определение внутренней нормы доходности

Таблица 7.5 - Эффективность проекта

Показатель

Значение

Инвестиции, тыс.руб.

4406,26

Расчетный период, лет

10

Годовые выгоды, тыс. руб.

5063,59

Ставка дисконтирования, %

13

Чистый дисконтированный доход, тыс.руб.

10293,08

Индекс доходности

3,34

Внутренняя норма доходности, %

40

Срок окупаемости, лет

1,86

Как видно из расчётов, внедрение автоматизированной системы управления технологическими процессами КПП СОД целесообразно, так как дисконтированный денежный поток по проекту положительный, внутренняя норма доходности выше цены капитала, а индекс доходности больше 1. Данный проект будет экономически эффективным.

ЗАКЛЮЧЕНИЕ

Одним из основных направлений в системе обеспечения безопасности транспортировки нефти является очистка внутренней полости магистральных нефтепроводов пропуском очистных устройств. Автоматическое управление системами запуска и приёма очистных устройств необходимо для обеспечения наибольшей точности и скорости выполнения технологических операций при наименьшем участии в них человека и наименьших энергозатратах, что приводит к снижению затрат на простои оборудование и, как следствие, значительно повышает экономическую эффективность транспорта нефти.

В дипломном проекте решалась задача проектирования автоматизированной системы управления КПП СОД, в том числе: обзор современных средств очистки и диагностики внутренней полости нефтепроводов, выбор преобразователей измеряемых параметров, необходимых как для обеспечения выполнения технологических процессов на объекте, так и для реализации ПАЗ; составление управляющей программы для ПЛК; разработка графического операторского интерфейса; обоснование экономической целесообразности внедрения проекта.

В ходе проведения исследований были получены следующие результаты:

проведён сравнительный анализ технических характеристик измерительных преобразователей разных фирм, сделан вывод о целесообразности применения конкретных датчиков, в том числе для системы ПАЗ;

составлен граф переходов процессов пуска и приёма внутритрубных средств очистки и диагностики;

написана управляющая программа для ПЛК;

разработан графический человеко-машинный интерфейс, позволяющий точно отслеживать и контролировать процессы на КПП СОД, в том числе предусмотрена противоаварийная защита;

обеспечено функционирование интерфейса в точном соответствии с управляющей программой.

В качестве среды программирования, отладки и разработки интерфейса была использована система Trace Mode 6, языка программирования - Техно Structured Text (Техно ST) как наиболее подходящий для описания процесса по его графу переходов. Результаты исследований были представлены на студенческой научно-технической конференции УГНТУ 2012 года.

Автоматизированная система управления на базе микроконтроллеров даёт возможность наиболее точно отслеживать все технологические процессы. Рассмотренный объём автоматизации с применением выбранных технических средств автоматизации обеспечивает надёжный контроль, управление и аварийную защиту КПП СОД.

Анализ экономической эффективности, в ходе которого была произведена оценка экономической эффективности от внедрения разработанной АСУ ТП, показал, что инвестиции будут возвращены за счёт доходов за 1,86 года, что свидетельствует об экономической эффективности проекта.

Предлагаемый проект обеспечит материальный баланс предприятия, контроль очистки трубопроводной системы на любом этапе.

СПИСОК ИСПОЛЬЗОВАННЫХ ИСТОЧНИКОВ

1. Новосёлов, В.Ф. Трубопроводный транспорт нефти и газа. Перекачка вязких и застывающих нефтей. Специальные методы перекачки / В.Ф. Новосёлов, А.А. Коршак. - Уфа: издательство Уфимского нефтяного института, 1986. - 108 с.

. Березин, В.Л. Нефть и газ Западной Сибири / В.Л. Березин. - М.: Академия, 1990. - 223 с.

Коршак, А.А. Основы нефтегазового дела / А.А. Коршак, А.М. Шаммазов. 2-е изд., доп. и испр. - Уфа: ДизайнПолиграфСервис, 2002. - 385 с.

Абузова, Ф.Ф. Техника и технология транспорта и хранения нефти и газа / Ф.Ф. Абузова, Р.А. Алиев, В.Ф. Новосёлов. - М.: Недра, 1992. - 320 с.

Мустафин, Ф.М. Промысловые трубопроводы и оборудование / Ф.М. Муста-фин, Л.И. Быков, А.Г. Гумеров, Г.Г. Васильев, А.Д. Прохоров. - М.: Недра, 2004. - 326 с.

Алиев, Р.А. Трубопроводный транспорт нефти и газа / Р.А. Алиев, В.Б. Белоу-сов, А.Г. Немудров. - М.: Недра, 1988. - 368 с.

Очистной скребок СКР1 / Паспорт устройства. - Томск, Томскнефтехимиздат, 2002. - 21 с.

Шмаков, В.А. Планирование ремонта магистральных трубопроводов по результатам внутритрубной диагностики / В.А. Шмаков, Ю.Н. Смирнов, Р.Р. Гиззатуллин. - Уфа: ДизайнПолиграфСервис, 2007. - 92 с.

Дефектоскоп ROSEN FD / Паспорт устройства. - М.: ROSEN Europe B.V., 2008. - 27 с.

Гизатуллин, Р.Р. Подготовка трубопровода к пропуску дефектоскопа // Проблемы и методы обеспечения надёжности и безопасности систем транспорта нефти, нефтепродуктов и газа. Материалы научно-практической конференции 21 мая 2008 г. - Уфа, 2008. - С. 107-109.

Профилемер ROSEN PM / Паспорт устройства. - М.: ROSEN Europe B.V., 2007. - 22 с.

Очистное устройство с калибровочным блоком ОУ-П / Паспорт устройства. - Томск, Томскнефтехимиздат, 2000. - 23 с.

Гумеров, А.Г. Техническая эксплуатация магистральных нефтепроводов / А.Г. Гумеров, Ю.В. Лисин. - Набережные Челны: ИПТЭР, 2000. - 227 с.

Очистные поршни для трубопроводов / Информационная брошюра. - Уфа: ЦТД «Диаскан», 2010. - 27 с.

Сощенко, А.Е. Главтранснефть: создание единой системы нефтепроводов / А.Е. Сощенко, Т.А. Дмитриева // Нефть, газ и бизнес. - 2004. - № 4. - С 34-39.

Серия программируемых контроллеров Modicon TSX Quantum / Техническая документация. - М.: Schneider Electric, 1999. - 30 с.

Quantum - высокоэффективная архитектура для систем автоматизации / Техническая документация. - М.: Schneider Electric, 2002. - 32 с.

Система распределённого ввода/вывода на основе Modicon Quantum / Техническая документация. - М.: Schneider Electric, 2003. - 42 с.

Введение в протокол Modbus / Техническая документация. - М.: Schneider Electric, 2007. - 122 с.

Программирование контроллеров Modicon Quantum / Техническая документация. - М.: Schneider Electric, 2000. - 185 с.

Системы противоаварийной защиты / Информационная публикация. - М.: Fischer-Rosemount Systems, 2004. - 32 с.

Датчики давления модели 3051 / Лист технических данных. - Челябинск: Промышленная группа «Метран», 2011. - 46 с.

Сигнализаторы уровня моделей 2110 и 2120 / Лист технических данных. - Челябинск: Промышленная группа «Метран», 2011. - 10 с.

Сигнализатор прохождения очистного устройства МДПС-3 / Краткое описа-ние. - Томск: НТП Инженерно-производственный центр, 2010. - 7 с.

25 Trace Mode 6 & T-Factory. Softlogic SCADA HMI MES EAM HRM. Интегрированная платформа для управления производством. Быстрый старт Руководство пользователя. - 6-е изд. - М.: AdAstra Research Group, 2008 39 с.

26 Trace Mode 6 & T-Factory. Softlogic SCADA HMI MES EAM HRM. Интегрированная платформа для управления производством / Руководство пользователя. - 11-е изд. - Том 2. - М.: AdAstra Research Group, 2008. - 517 с.

Ефимов, И.П. SCADA-система Trace Mode / И.П. Ефимов, Д.А. Солуянов. Ульяновск: УлГТУ, 2010. - 158 с.

Зыков, А.А. Основы теории графов / А.А. Зыков. - М.: Вузовская книга, 2004. - 383 с.

Мунипов, В.М. Эргономика: человеко-ориентированное проектирование техники, программных средств и среды / В.М. Мунипов, В.П. Зинченко. - М.: Логос, 2001. - 356 с.

Межерицкий, Л.М. Оператор нефтебазы / Л.М. Межерицкий. - М.: Недра, 1976. - 239 с.

Цыркин, Е.Б. О нефти и газе без формул / Е.Б. Цыркин, С.Н. Олегов. - Ленинград: Химия, 1989. - 160 с.

Бородавкин, П.П. Сооружение магистральных трубопроводов / П.П. Бородавкин, В.П. Березин. - М.: Недра, 1987. - 471 с.

ПРИЛОЖЕНИЕ А

Перечень демонстрационных листов

Название ВКР.

Цели и задачи ВКР.

Очистные устройства (копии рисунков 2.1 и 2.2).

Диагностические снаряды (копии рисунков 2.3 и 2.4).

Технологическая схема КПП СОД (копия рисунка 1.1).

Комплекс технических средств АСУ ТП КПП СОД (копия рисунка 4.1).

Нижний уровень автоматизации (ФСА) (копия рисунка 4.4).

Средний уровень автоматизации (граф состояний технологического процесса) (копия рисунка 5.3).

Средний уровень автоматизации (управляющая программа).

Верхний уровень автоматизации (интерфейс оператора) (копия рисунка 5.4).

Задание таймеров ожидания СОД. Поиск СОД (копия рисунка 4.7).

Выводы.

ПРИЛОЖЕНИЕ Б

Листинг управляющей программы

PROGRAM

//Внутренние переменные

         imp:                     INT;           END_VAR

//Входные сигналы

         X_SP_17:           BOOL;                END_VAR X_SP_19:           BOOL;                END_VAR X_LC_AFULL:   BOOL;                END_VAR X_RC_AFULL: BOOL;                    END_VAR X_LC_EMP:                BOOL;                END_VAR X_RC_EMP:                    BOOL;                END_VAR X_LC_SP:                    BOOL;                END_VAR X_RC_SP:                    BOOL;                END_VAR X_LC_BL:                   BOOL;                END_VAR X_RC_BL:                   BOOL;                END_VAR         X_RC_O:            BOOL;                END_VAR X_LC_O:            BOOL;                END_VAR X_RG:                BOOL;                END_VAR X_RGR:              BOOL;                    END_VAR X_LG:                 BOOL;                END_VAR X_RG_B:          BOOL;                END_VAR X_RGR_B:                   BOOL;                END_VAR         X_LG_B:            BOOL;                END_VAR X_3_O:               BOOL;                END_VAR X_4_O:               BOOL;                END_VAR X_5_O:               BOOL;                    END_VAR X_6_O:               BOOL;                END_VAR X_7_O:               BOOL;                END_VAR X_8_O:               BOOL;                END_VAR X_9_O:                    BOOL;                END_VAR X_10_O:             BOOL;                END_VAR         X_11_O:             BOOL;                END_VAR X_12_O:             BOOL;                END_VAR X_13_O:             BOOL;                END_VAR X_14_O:             BOOL;                    END_VAR X_3_OB:            BOOL;                END_VAR X_4_OB:            BOOL;                END_VAR X_5_OB:            BOOL;                END_VAR X_6_OB:                    BOOL;                END_VAR X_7_OB:            BOOL;                END_VAR         X_8_OB:            BOOL;                END_VAR X_9_OB:            BOOL;                END_VAR X_10_OB:                    BOOL;                END_VAR X_11_OB:                   BOOL;                END_VAR X_12_OB:                    BOOL;                END_VAR         X_13_OB:                    BOOL;                END_VAR X_14_OB:                    BOOL;                    END_VAR X_3_C:               BOOL;                END_VAR X_4_C:               BOOL;                END_VAR X_5_C:               BOOL;                END_VAR X_6_C:                    BOOL;                END_VAR X_7_C:               BOOL;                END_VAR         X_8_C:               BOOL;                END_VAR X_9_C:               BOOL;                END_VAR X_10_C:             BOOL;                END_VAR X_11_C:             BOOL;                    END_VAR X_12_C:             BOOL;                END_VAR X_13_C:             BOOL;                END_VAR X_14_C:             BOOL;                END_VAR X_3_CB:                    BOOL;                END_VAR X_4_CB:             BOOL;                END_VAR         X_5_CB:             BOOL;                END_VAR X_6_CB:             BOOL;                END_VAR X_7_CB:             BOOL;                END_VAR X_8_CB:             BOOL;                    END_VAR X_9_CB:             BOOL;                END_VAR X_10_CB:                    BOOL;                END_VAR X_11_CB:                    BOOL;                END_VAR         X_12_CB:                    BOOL;                        END_VAR X_13_CB:                    BOOL;                END_VAR X_14_CB:                    BOOL;                END_VAR X_P:                             BOOL;                END_VAR X_PM:                BOOL;                END_VAR

         MX_SP_17:                 BOOL;                END_VAR MX_L:                BOOL;                    END_VAR

//Выходные сигналы

         U_3_O:               BOOL;                END_VAR U_4_O:               BOOL;                END_VAR U_5_O:               BOOL;                END_VAR U_6_O:               BOOL;                    END_VAR U_7_O:               BOOL;                END_VAR U_8_O:               BOOL;                END_VAR U_9_O:               BOOL;                END_VAR U_10_O:                    BOOL;                END_VAR U_11_O:             BOOL;                END_VAR         U_12_O:             BOOL;                END_VAR U_13_O:             BOOL;                END_VAR U_14_O:             BOOL;                END_VAR U_3_C:               BOOL;                    END_VAR U_4_C:               BOOL;                END_VAR U_5_C:               BOOL;                END_VAR U_6_C:               BOOL;                END_VAR U_7_C:                    BOOL;                END_VAR U_8_C:               BOOL;                END_VAR         U_9_C:               BOOL;                END_VAR U_10_C:             BOOL;                END_VAR U_11_C:             BOOL;                END_VAR U_12_C:             BOOL;                    END_VAR U_13_C:             BOOL;                END_VAR U_14_C:             BOOL;                END_VAR U_RC_BL:                   BOOL;                END_VAR         U_LC_BL:                    BOOL;                END_VAR U_RG:                BOOL;                END_VAR U_RGR:              BOOL;                END_VAR U_LG:                 BOOL;                    END_VAR U_LP:                 BOOL;                END_VAR

         I_LC_O:              BOOL;                END_VAR I_RC_O:             BOOL;                END_VAR I_LG_B:              BOOL;                END_VAR I_RG_B:             BOOL;                    END_VAR I_RGR_B:           BOOL;                END_VAR I_3_OB:              BOOL;                END_VAR I_4_OB:              BOOL;                END_VAR I_5_OB:                    BOOL;                END_VAR I_6_OB:              BOOL;                END_VAR         I_7_OB:              BOOL;                END_VAR I_8_OB:              BOOL;                END_VAR I_9_OB:              BOOL;                END_VAR I_10_OB:            BOOL;                    END_VAR I_11_OB:            BOOL;                END_VAR I_12_OB:            BOOL;                END_VAR I_13_OB:            BOOL;                END_VAR I_14_OB:                    BOOL;                END_VAR I_3_CB:              BOOL;                END_VAR         I_4_CB:              BOOL;                END_VAR I_5_CB:              BOOL;                END_VAR I_6_CB:              BOOL;                END_VAR I_7_CB:              BOOL;                    END_VAR I_8_CB:              BOOL;                END_VAR I_9_CB:              BOOL;                END_VAR I_10_CB:             BOOL;                END_VAR I_11_CB:                    BOOL;                END_VAR I_12_CB:            BOOL;                END_VAR         I_13_CB:            BOOL;                END_VAR I_14_CB:            BOOL;                END_VAR I_CB:                  BOOL;                END_VAR I_P:                     BOOL;                    END_VAR I_PM:                  BOOL;                END_VAR I_W:                             BOOL;                END_VAR YC:                     BOOL;                END_VAR YW:                    BOOL;                END_VAR Y:                        BOOL;                END_VAR TW:                             TIME;                         END_VAR T3:                      TIME;                 END_VAR T5:                      TIME;                 END_VAR

imp of

//Общие состояния

:                  U_3_O:=             false;_4_O:=                 false;_5_O:=                 false;_6_O:=                 false;_7_O:=                 false;_8_O:=                 false;_9_O:=                   false;_10_O:=               false;_11_O:=               false;_12_O:=               false;_13_O:=               false;_14_O:=               false;

U_3_C:=              false;_4_C:=                 false;_5_C:=                 false;_6_C:=                 false;_7_C:=                 false;_8_C:=                 false;_9_C:=                 false;_10_C:=                   false;_11_C:=                false;_12_C:=                false;_13_C:=               false;_14_C:=                false;_RC_BL:=          false;_LC_BL:=            false;_RG:=                   false;_RGR:=                false;

U_LG:=               true;_LP:=           false;

_LC_O:=             false;_RC_O:=              false;_LG_B:=               false;_RG_B:=              false;_RGR_B:=           false;_3_OB:=               false;_4_OB:=              false;_5_OB:=                    false;_6_OB:=              false;_7_OB:=              false;_8_OB:=              false;_9_OB:=              false;_10_OB:=             false;_11_OB:=             false;_12_OB:=                   false;_13_OB:=             false;_14_OB:=             false;_3_CB:=              false;_4_CB:=              false;_5_CB:=              false;_6_CB:=              false;_7_CB:=                    false;_8_CB:=              false;_9_CB:=              false;_10_CB:=             false;_11_CB:=             false;_12_CB:=             false;_13_CB:=             false;_14_CB:=                   false;_CB:=                  false;_P:=            false;_PM:=                   false;_W:=           false;(X_SP_17 or MX_SP_17)imp:=1;   end_if;MX_Limp:=11;  end_if;

:                  U_3_C:=    true;_4_C:=         true;_5_C:=         true;_6_C:=          true;_7_C:=         true;_8_C:=         true;_9_C:=         true;_10_C:=       true;_11_C:=         true;_12_C:=       true;_13_C:=       true;_14_C:=       true;(X_3_CB or X_4_CB or X_5_CBX_6_CB or X_7_CB or X_8_CBX_9_CB or X_10_CB)imp:=110; end_if;(X_3_C and X_4_C and X_5_CX_6_C and X_7_C and X_8_CX_9_C and X_10_C)imp:=0;          end_if;Y     then imp:=100;   end_if;

//Приём внутритрубного снаряда

:                  U_RC_BL:=        true;_RG:=          true;X_RC_O      then imp:=111;          end_if;X_RG_B then imp:=121;   end_if;((X_RG or X_RGR) and X_RC_BL)imp:=2;          end_if;Y              then imp:=100;   end_if;

:                  U_3_O:=    true;_3_OB:=      false;X_3_O        then imp:=3;          end_if;X_3_OB   then imp:=211;   end_if;Y              then imp:=100;   end_if;

:                  U_3_O:=false;(X_P and X_RG and X_RGR)imp:=311;((X_P and X_RG and (not X_RGR)) or

(X_P and (not X_RG) and X_RGR))imp:=321;                             end_if;(X_RC_AFULL and (not X_P))imp:=4;                             end_if;Y then imp:=100; end_if;

:                  U_4_O:=true;(X_P and X_RG and X_RGR)imp:=311;((X_P and X_RG and (not X_RGR)) or

(X_P and (not X_RG) and X_RGR))imp:=321;          end_if;X_4_OB then imp:=411; end_if;(X_4_O and (not X_P))imp:=60;   end_if;Y then imp:=100;        end_if;

:                  TW:=t#0ms;        imp:=5;

:                  TSTART(TW);_4_O:=false;(X_P and X_RG and X_RGR)imp:=311;((X_P and X_RG and (not X_RGR)) or

(X_P and (not X_RG) and X_RGR))imp:=321;                   end_if;((not X_RC_SP) and TW>=t#30m)imp:=511;                  end_if;X_RC_SP then imp:=6;       end_if;Y then imp:=100;           end_if;

061:            TSTOP(TW);       T3:=t#0ms;         imp:=6;

:                  TSTART(T3);_3_C:=true;

if X_3_CB then imp:=611;     end_if;T3>=t#3m then imp:=7;       end_if;Y then imp:=100;           end_if;

007:            TSTOP(T3);_4_C:=true;

if X_3_CB then imp:=611;    end_if;X_4_CB then imp:=711;      end_if;(X_3_C and X_4_C)imp:=8;            end_if;Y then imp:=100;                 end_if;

:                  U_7_O:=    true;_8_O:=         true;_9_O:=         true;_10_O:=       true;_LP:=         true;_7_CB:=       false;_8_CB:=      false;_9_CB:=      false;_10_CB:= false;X_7_OB          then imp:=821;   end_if;X_8_OB   then imp:=822;   end_if;X_9_OB   then imp:=823;          end_if;X_10_OB then imp:=824;   end_if;(X_7_OB and X_8_OB)imp:=831;                  end_if;(X_7_OB and X_9_OB)imp:=832;                  end_if;(X_7_OB and X_10_OB)imp:=833;             end_if;(X_8_OB and X_9_OB)imp:=834;                  end_if;(X_8_OB and X_10_OB)imp:=835;                end_if;(X_9_OB and X_10_OB)imp:=836;             end_if;(X_7_OB and X_8_OB and X_9_OB)imp:=841;               end_if;(X_7_OB and X_8_OB and X_10_OB)imp:=842;             end_if;(X_7_OB and X_9_OB and X_10_OB)imp:=843;                   end_if;(X_8_OB and X_9_OB and X_10_OB)imp:=844;             end_if;(X_7_OB and X_8_OB and_9_OB and X_10_OB)imp:=811;             end_if;(X_7_O and X_8_O and_9_O and X_10_O)imp:=9;                    end_if;Y     then imp:=100;             end_if;

:                  U_7_O:=    false;_8_O:=        false;_9_O:=        false;_10_O:=         false;X_RC_EMP         then imp:=10;     end_if;Y                      then imp:=100;          end_if;

:                  U_LP:=                false;_RC_BL:=   false;(not X_RC_SP)    then imp:=100; end_if;Y                       then imp:=100; end_if;

:                  I_CB:=true;(Y or YC) then imp:=100; end_if;

:                  I_RC_O:=  true;Y then imp:=100; end_if;

:                  I_RG_B:=  true;_RG:= false;_RGR:=       true;(X_RGR and X_RC_BL)imp:=2;       end_if;X_RGR_B                  then imp:=122;   end_if;Y              then imp:=100; end_if;

:                  I_RGR_B:=true;Y then imp:=100; end_if;

:                  I_3_OB:=   true;_3_O:=         false;_3_C:=        true;Y                  then imp:=100; end_if;YC then imp:=2;       end_if;

:                  I_PM:=       true;_3_C:=         true;_4_C:=         true;Y        then imp:=100;          end_if;

:                  I_P:= true;_RGR:=        true;X_PM          then imp:=311;   end_if;(YC and (not X_P))imp:=322;    end_if;Y              then imp:=100;   end_if;

:                  I_P:= false;(X_RC_AFULL and (not X_4_O))imp:=4;          end_if;(X_RC_AFULL and X_4_O)imp:=5;     end_if;Y              then imp:=100;          end_if;

:                  U_4_O:=    false;_4_OB:=     true;YC      then imp=4;                  end_if;Y                    then imp=100;    end_if;

:                  I_W:=true;YC     then imp=60;      end_if;Y              then imp=100;          end_if;

:                  I_3_CB:=true;YC         then imp:=61;     end_if;Y              then imp=100;          end_if;

:                  I_4_CB:=true;YC         then imp:=7;       end_if;Y              then imp=100;          end_if;

:                  I_7_OB:=   true;_8_OB:=      true;_9_OB:=      true;_10_OB:=    true;

(Y and (not X_RC_SP))imp:=100;           end_if;YC then imp:=8;                  end_if;

:                  I_7_OB:=true;YC         then imp:=9;       end_if;Y              then imp:=100;          end_if;

:                  I_8_OB:= true;YC        then imp:=9;       end_if;Y              then imp:=100;          end_if;

:                  I_9_OB:= true;YC        then imp:=9;       end_if;Y              then imp:=100;         end_if;

:                  I_10_OB:= true;YC      then imp:=9;       end_if;Y              then imp:=100;          end_if;

:                  I_7_OB:=   true;_8_OB:=      true;YC      then imp:=9;       end_if;Y              then imp:=100;   end_if;

:                  I_7_OB:=   true;_9_OB:=      true;YC      then imp:=9;       end_if;Y              then imp:=100;   end_if;

:                  I_7_OB:=   true;_10_OB:=    true;YC      then imp:=9;       end_if;Y              then imp:=100;   end_if;


:                  I_8_OB:=   true;_10_OB:=true;YC          then imp:=9;       end_if;Y              then imp:=100;   end_if;

:                  I_9_OB:=   true;_10_OB:=true;YC          then imp:=9;       end_if;Y              then imp:=100;   end_if;

:                  I_7_OB:=   true;_8_OB:=      true;_9_OB:=      true;YC      then imp:=9;          end_if;Y              then imp:=100;   end_if;

:                  I_7_OB:=   true;_9_OB:=      true;_10_OB:=true;YC          then imp:=9;          end_if;Y              then imp:=100;   end_if;

:                  I_7_OB:=   true;_9_OB:=      true;_10_OB:=true;YC          then imp:=9;          end_if;Y              then imp:=100;   end_if;

:                  I_8_OB:=   true;_9_OB:=      true;_10_OB:=true;YC          then imp:=9;          end_if;Y              then imp:=100;   end_if;

//Пуск внутритрубного снаряда

:                  U_LC_BL:=true;

if X_LC_O          then imp:=160;   end_if;X_LC_BL          then imp:=12;     end_if;Y                    then imp:=100;   end_if;

:                  U_6_O:=    true;_6_C:=         false;_6_OB:=     false;X_6_OB     then imp:=161; end_if;X_6_O     then imp:=13;     end_if;Y              then imp:=100;   end_if;

:                  U_6_O:=    false;X_LC_AFULL     then imp:=14; end_if;Y                            then imp:=100; end_if;

:                  U_5_O:=    true;_5_OB:=      false;X_5_OB     then imp:=162;          end_if;X_5_O     then imp:=62;     end_if;Y              then imp:=100;   end_if;

:                  TW:=          t#0ms;       imp:=15;

:                  U_5_O:=    true;(TW);((not X_SP_19) and TW>=t#30m)imp:=163;                         end_if;X_SP_19 then imp:=63;     end_if;Y              then imp:=100;   end_if;

063:            T5:=  t#0ms;       TSTOP(TW);       imp:=16;

016:            U_5_C:=    true;_5_CB:=       false;(T5);X_5_CB       then imp:=164;          end_if;T5>=t#3m         then imp:=17;     end_if;Y              then imp:=100;   end_if;

017:            TSTOP(T5);_6_C:=      true;

I_6_CB:=   false;X_5_CB     then imp:=164;   end_if;X_6_CB   then imp:=165;          end_if;(X_5_C and X_6_C)imp:=18;       end_if;Y              then imp:=100;   end_if;

:                  U_11_O:=  true;_12_O:=       true;_13_O:=       true;_14_O:=       true;_LP:=         true;_11_OB:=    false;_12_OB:=   false;_13_OB:=   false;_14_OB:=   false;X_11_OB          then imp:=171;   end_if;X_12_OB          then imp:=172;   end_if;X_13_OB          then imp:=173; end_if;X_14_OB          then imp:=174;   end_if;(X_11_OB and X_12_OB)imp:=181;                      end_if;(X_11_OB and X_13_OB)imp:=182;                       end_if;(X_11_OB and X_14_OB)imp:=183;                        end_if;(X_12_OB and X_13_OB)imp:=184;                      end_if;(X_12_OB and X_14_OB)imp:=185;                       end_if;(X_13_OB and X_14_OB)imp:=186;                        end_if;(X_11_OB and X_12_OB and X_13_OB)imp:=191;                          end_if;(X_11_OB and X_12_OB and X_14_OB)imp:=192;                      end_if;(X_11_OB and X_13_OB and X_14_OB)imp:=193;                      end_if;(X_12_OB and X_13_OB and X_14_OB)imp:=194;                      end_if;(X_11_OB and X_12_OB and_13_OB and X_14_OB)imp:=166;                      end_if;(X_11_O and X_12_O and_13_O and X_14_O)imp:=19;                           end_if;Y then imp:=100;                          end_if;

:                  U_11_O:=  false;_12_O:=      false;_13_O:=      false;_14_O:=         false;X_LC_EMP         then imp:=20;     end_if;Y                       then imp:=100;          end_if;

:                  U_LP:=      false;_LC_BL:=   false;(Y or YC) then imp:=100;      end_if;

:                  I_LC_O:=   true;Y                  then imp:=100;   end_if;

:                  U_6_O:=    false;_6_C:=        true;_6_OB:=      true;YC      then imp:=12;          end_if;Y              then imp:=100;   end_if;

:                  U_5_O:=    false;_5_OB:=     true;YC      then imp:=14;     end_if;Y              then imp:=100;   end_if;

:                  TSTOP(TW);_5_O:=    false;_5_OB:=     true;YC      then imp:=62;          end_if;Y              then imp:=100;   end_if;

:                  TSTOP(T5);_5_CB:=   true;YC      then imp:=63;     end_if;Y              then imp:=100; end_if;

:                  I_6_CB:=   true;YC      then imp:=17;     end_if;Y              then imp:=100;          end_if;

:                  I_11_OB:=true;_12_OB:=true;_13_OB:=true;_14_OB:=true;YC          then imp:=18;    end_if;(Y and (not X_LC_SP))imp:=100;          end_if;

:                  I_11_OB:=true;YC       then imp:=19;     end_if;

:                  I_12_OB:=true;YC       then imp:=19;     end_if;

:                  I_13_OB:=true;YC       then imp:=19;     end_if;

:                  I_14_OB:=true;YC       then imp:=19;     end_if;

:                  I_11_OB:=true;_12_OB:=true;YC then imp:=19;     end_if;

:                  I_11_OB:=true;_13_OB:=true;YC then imp:=19;     end_if;

:                  I_11_OB:=true;_14_OB:=true;YC then imp:=19;     end_if;

:                  I_12_OB:=true;_13_OB:=true;YC then imp:=19;     end_if;

:                  I_12_OB:=true;_14_OB:=true;YC then imp:=19;     end_if;

:                  I_13_OB:=true;_14_OB:=true;YC then imp:=19;     end_if;

:                  I_11_OB:=true;_12_OB:=true;_13_OB:=true;YC      then imp:=19;          end_if;

:                  I_11_OB:=true;_12_OB:=true;_14_OB:=true;YC      then imp:=19;          end_if;

:                  I_11_OB:=true;_13_OB:=true;_14_OB:=true;YC      then imp:=19;          end_if;

:                  I_12_OB:=true;_13_OB:=true;_14_OB:=true;YC      then imp:=19;          end_if;

_case;

_PROGRAM

Похожие работы на - Средства очистки и диагностики магистральных нефтепроводов трубопроводной системы Восточная Сибирь - Тихий океан

 

Не нашли материал для своей работы?
Поможем написать уникальную работу
Без плагиата!
Без нейросетей!