|
50
|
0,56
|
6
|
0,24
|
0
|
0,8
|
3,6
|
|
120
|
0,70
|
|
0,24
|
0
|
0,94
|
3,6
|
|
50
|
2,4
|
52,4
|
54,1
|
-
|
-
|
-
|
|
120
|
5
|
125
|
128
|
-
|
-
|
-
|
|
50
|
2,4
|
47,6
|
46,2
|
-
|
-
|
-
|
|
64
|
2,4
|
66,4
|
68,4
|
-
|
-
|
-
|
3. Выбор
видов и методов обработки деталей
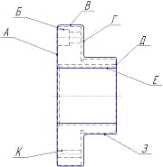
Учитывая диаметральные размеры и допуски на их изготовление,
а также шероховатость поверхности (0,63), при разработке технологического
процесса, должно быть, предусмотрено два вида обработки:
а) черновая;
б) чистовая.
и следующие методы обработки:
а) точение;
б) сверление;
В качестве чистовой обработки используем шлифование.
4. Выбор
технологических баз детали
Учитывая, что рассматриваемая деталь относится к классу
дисков, за черновую технологическую базу принимаем один из торцов и наружный
диаметр заготовки, а в качестве чистовой базы принимаем торец и внутренний
диаметр отверстия 25.2 мм.
Термическая
Шлифовальная
Контрольная.
6.
Установление рациональной последовательности выполнения переходов в операции
Токарная
) Установить и закрепить заготовку в патроне токарного
станка
2) Точить торец А "как чисто".
3) Точить поверхность В до диаметра 
мм на длине 30 мм
) Точить поверхность Е, диаметром 50,5 мм.
) Расточить фаску размером 2х45º
) Переустановить и закрепить заготовку в патроне
токарного станка
7) Точить поверхность Д длиной 
мм
) Точить поверхность З диаметром 64,5 мм длиной 30 мм
9) Точить торец длиной 20 мм и диаметром 64,5 мм
) Точить канавку диаметром 60 мм и шириной 2 мм от
края торца
) Снять заготовку
Сверлильная
) Установить заготовку в патроне сверлильного станка
12) Сверлить отверстие Б диаметром 14 мм и 10 мм на
расстоянии 14 мм от края
) Сверлить отверстие К диаметром 6.8 мм
) Нарезать резьбу в отверстии К М8-7Н
) Снять заготовку
Долбежная
) Установить заготовку в патрон долбежного станка
) Долбить шпоночное отверстие глубиной 7 мм шириной 16
мм
Термическая
Шлифовальная
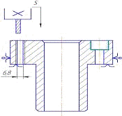
) Закрепить деталь заготовку в шлифовальном станке
) Шлифовать поверхность Е до диаметра 50
шероховатостью 6,3
) Переустановить заготовку в шлифовальном станке
) Шлифовать поверхность З до диаметра 64-0,029
шероховатостью 0,63
Контрольная
Произвести контроль по всем параметрам, согласно рабочего
чертежа.
Список
использованных источников
1. Справочник технолога-машиностроителя: В 2 т. Т.1. - 4-е
изд., перераб. и доп. / Под ред.А.Г. Косиловой и Р.К. Мещерякова. - М:
Машиностроение, 1985. - 656с.
. Справочник технолога-машиностроителя: В 2т. Т.2 - 4-е изд.,
перераб. и доп. / Под ред.А.Г. Косиловой и Р.К. Мещерякова. - М.:
Машиностроение, 1985. - 496 с.
3.
Основы технологии производства и ремонт автомобилей. Методическое пособие. /
Г.В. Голованов. - Братск: БрГТУ, 2005. - 72 с