Современное состояние вопроса по производству и термической обработке холоднокатаного листового проката

  • Вид работы:
    Курсовая работа (т)
  • Предмет:
    Другое
  • Язык:
    Русский
    ,
    Формат файла:
    MS Word
    2,45 Мб
  • Опубликовано:
    2014-11-25
Вы можете узнать стоимость помощи в написании студенческой работы.
Помощь в написании работы, которую точно примут!

Современное состояние вопроса по производству и термической обработке холоднокатаного листового проката

Введение

Автомобилестроение является одним из крупнейших потребителей конструкционных материалов в мире. При этом рост требований к ресурсам формирует конкуренцию между производителями различных материалов, стимулирует прогресс в разработке их новых видов и повышение качества.

Несмотря на увеличение использования в автомобилестроении новых конструкционных материалов, ведущую роль в производстве продолжает играть стальной прокат. Так, в среднем, на российский легковой автомобиль расходуется 75% готового проката, метизов и стальных труб, а 25% составляют литейный чугун, цветные металлы, пластмасса, резина, стекло и прочие материалы. Уступая пластмассам и легким металлам по удельному весу, стальные изделия обеспечивают более высокую прочность и, соответственно, надежность и безопасность.

Во времена СССР потребление стали в отрасли было гораздо выше при сравнимых объемах выпуска автомобилей из-за использования более ресурсоемких технологий. Так, в 1990 г. при объеме производства автомобилей на уровне 1,82 млн. ед. потребление всех видов проката черных металлов составляло 3,64 млн. т, а в 2008 г., при близком объеме производства автомобилей(1,8 млн. ед.), их потребление достигло лишь 2,5 млн. т.

Требования автомобилестроителей к качеству стали являются составным элементом общих требований к современному автомобилю. С течением времени они претерпевают определенные изменения. Прежде всего, это связано с ростом требований к весу автомобиля: чем он меньше, тем экономичнее расходуется горючее, снижается нагрузка на окружающую среду, и появляется возможность добавлять больше опций и оборудования. Второе направление - повышение норм безопасности, выполнение которых требует максимального упрочнения силового каркаса кузова для защиты людей и деформируемости внешних элементов для поглощения удара.

Третьим направлением является стоимость производства, последующего обслуживания и утилизации. Именно этот фактор обеспечивает сохранение лидирующих позиций стали в сравнении с другими материалами, поскольку сталь подвержена многократномурециклингу: старые транспортные средства можно утилизировать, и уже бывшую в эксплуатации сталь использовать для производства нового автомобиля.

Таким образом, автомобильная промышленность предъявляет к стали очень высокие требования, поскольку в первую очередь она должна удовлетворять двум диаметрально противоположным критериям. С одной стороны, требование по снижению массы изделий предполагает использование высокопрочных материалов, с другой - рост требований по технологичности производства - применение высокопластичных материалов.

В зависимости от соотношения показателей прочности и пластичности (штампуемости), в настоящее время выделяют три основных класса холоднокатаных сталей для автопрома.

Во-первых, это мягкие стали (Mildsteels), практически не отличающиеся по маркам от тех, что были освоены и выпускались еще во времена СССР, лишь с более жесткими требованиями к химическому составу, и так называемые стали IF (особенно низкоуглеродистые - стали свободные от атомов внедрения) и IS (изотропные). Они легко штампуются и применяются для изготовления внешних панелей. Категория мягких сталей до сих пор является наиболее распространенной для российской автомобильной промышленности. Мягкие стали используются в дверях, капоте, крыше, где требуется металл очень глубокой вытяжки. Основной недостаток обычных низкоуглеродистых сталей - пониженные показатели прочности: при аварии автомобиль, выполненный из таких сталей, очень сильно деформируется, вероятность получить травмы человеку высока.

Во-вторых, это высокопрочные стали (High-strengthsteels, HSS). Прочность в них достигается не за счет иного химического состава, а в результате изменений кристаллической решетки металла (фазовых превращений), которые происходят в результате более сложной технологической обработки. В российских автомобилях стали повышенной категории прочности используются в основном для деталей силового каркаса машины, поскольку они должны выдерживать повышенные нагрузки.

С начала XXI века все большее применение в автомобиле находят так называемые особо высокопрочные стали (Advanced-high-strengthsteel, AHSS). В отличие от высокопрочных сталей, прочность и штампуемость в этом классе достигается наличием двух и более типов кристаллов (фаз) разной твердости. Достигается это еще более сложной механической и температурной обработкой - термомеханической обработкой.

В последнее время выделяют еще и четвертый класс - ультравысокопрочные стали (Ultra-high-strengthsteels, UHSS). К нему относят стали нового поколения, которые по сравнению с первыми тремя классами обладают большей прочностью при значительно лучшей штампуемости. Основным механизмом упрочнения прочных, высоко- и ультра высокопрочных сталей является контролируемая прокатка с формированием мелкодисперсной феррито-бейнитной структуры с микролегированием ванадием, ниобием для дисперсионного твердения [1].

Большой спрос и высокие требования к автолисту обусловливают применение технологий, обеспечивающих выполнение этих требований. Прогресс в общей технологии производства автомобильного листа за последние годы в основном сводится к переходу от периодически действующих агрегатов к агрегатам непрерывного действия. В настоящее время травят горячекатаные полосы на непрерывных травильных агрегатах (НТА), где совмещены процессы дробления окалины, ее растворения в травильных растворах, мойки и нейтрализации, сушки и промасливания. Прокатные станы горячей и холодной прокатки представляют собой линии из последовательно и непрерывно установленных прокатных клетей, через валки которых движется в нагретом состоянии или при температуре окружающей среды полосовая сталь. В последнее время при производстве холоднокатаного листа применяют бесконечные процессы за счет стыкосварки соседних рулонов. Совмещают также операции на непрерывных линиях очистки холоднокатаной полосы перед термической ее обработкой или нанесении поверхностных покрытий.

Только одну технологическую операцию - термическую обработку холоднокатаных рулонов - все еще преимущественно осуществляют в колпаковых печах периодического действия, которые представляют собой камеры с одностопной или многостопной установкой рулонов, работающие в защитной атмосфере. Несмотря на все усовершенствования колпаковых печей, их недостатки, связанные с периодичностью процесса термической обработки, препятствуют прогрессу всей технологии в целом.

Установка агрегата непрерывного отжига позволяет решать проблемы периодичности и качества рекристаллизационного отжига металла в колпаковых печей и прогрессивно улучшить технологию производства холоднокатаной полосы из стали 08Ю [2].

1       Современное состояние вопроса по производству и термической обработки холоднокатаного листового проката


1.1    Назначение холоднокатаного листа из стали 08Ю и его структура в деформированном состоянии


Сталь 08Ю применяется для производства листового проката толщиной 0,4-8 мм 4 категории, предназначенного для производства деталей, изготовляемых методом холодной штамповкой; электросварных труб, предназначенных для изготовления бытовых и промышленных трубчатых электронагревателей (ТЭН) и других изделий машиностроения; свернутых паяных двухслойных труб для трубопроводов гидравлических систем комбайнов, тракторов, автомобилей, бытовых холодильников и т.д.; холоднокатаной ленты толщиной 0,5-4,00 мм, предназначенной для гибки, штамповки деталей, изготовления труб, порошковой проволоки, деталей подшипников и других металлических изделий.

Согласно ГОСТ 9045-93 в зависимости от способности к вытяжке, толщины проката и физико-механических свойства прокат подразделяется на категории: 1, 2, 3, 4, 5.

категория - это сталь со способностью к вытяжке СВ (сложная вытяжка), ВГ (весьма глубокая) при толщине проката до 2,0 мм. Нормируемыми характеристиками данной группы является глубина сферической лунки.

категория - это сталь со способностью к вытяжке СВ (сложная вытяжка), ВГ (весьма глубокая), ОСВ (особо сложная вытяжка) при толщине проката до 3,9 мм. Нормируемыми характеристиками данной группы является временное сопротивление и относительное удлинение.

категория - это сталь со способностью к вытяжке СВ (сложная вытяжка), ВГ (весьма глубокая), ОСВ (особо сложная вытяжка) при толщине проката до 2,0 мм. Нормируемыми характеристиками данной группы является временное сопротивление, относительное удлинение и глубина сферической лунки.

категория - это сталь со способностью к вытяжке СВ (сложная вытяжка), ОСВ (особо сложная вытяжка), ВОСВ (весьма особо сложная вытяжка), ВОСВ-Т (весьма особо сложная вытяжка с утончением стенки) при толщине проката до 2,0 мм. Нормируемыми характеристиками данной группы является предел текучести, временное сопротивление, относительное удлинение и глубина сферической лунки.

категория - это сталь со способностью к вытяжке СВ (сложная вытяжка), ОСВ (особо сложная вытяжка), ВОСВ (весьма особо сложная вытяжка), ВОСВ-Т (весьма особо сложная вытяжка с утончением стенки) при толщине проката до 2,0 мм. Нормируемыми характеристиками данной группы является предел текучести, временное сопротивление, относительное удлинение, твердость и глубина сферической лунки приведенный в таблицах 1.1, 1.2, 1.3.

Таблица 1.1 - Механические свойства проката в отожженном состоянии

Способность к вытяжке    Предел текучести σт, Н/мм2

(кгс/мм2), не болееВременное сопротивление σв, Н/мм2 (кгс/мм2)Относительное удлинение δ4, %, не менее, при толщине прокатаТвердость, не более




 





HB

HR 30T

HRB





При толщине проката




Менее 0,7 мм

От 0,7до 1,5 мм включ.

Св. 1,5 до 2,0 мм включ.

Св. 2,0 до 3,9 мм включ.

Св. 0,5 до 0,8 мм включ

Св. 0,8 до 1,7 мм включ.

Св. 1,7 до 2,0 мм влюч.

ОСВ

195 (20)

250-350 (26-36)

34

36

40

42

76

51

46

СВ

205 (21)

250-380 (26-39)

32

34

38

40

78

53

48

ВГ

-

250-390 (26-40)

26

28

29

30

-

-

-


Таблица 1.2 - Требования к механическим свойствам тонколистовой углеродистой стали, продеформированной в холодном состоянии, после отжига

Обозначение марки

Примечание

Предел прочности на растяжени, Rm (σв), Н/мм2, не более

Удлинение после разрушения А - δ, %, не менее, при расчетной длине образца L0 = 4d

Твердость, не более




80 мм

50 мм

HRB

HR30T

CR3

Для глубокой вытяжки

350

34

35

53

52

CR4

Для глубокой вытяжки особогораскисления (нестареющая)

340

36

37

50

50

Примечания:

. Минимальный предел прочности на растяжение должен обычно составлять 270 Н/мм2. Все значения предела точности на растяжение округляют с точностью до ближайших 10 Н/мм2.

. Для материала толщиной до 0,6 мм включительно значения удлинения, приведенные в таблице, должны быть уменьшены на 1 %.

Таблица 1.3 - Глубина сферической лунки

Толщина проката

Глубина сферической лунки, не менее, для проката способности вытяжки


ОСВ

СВ

ВГ

0,4

9,0

8,8

8,6

0,5

9,4

9,2

9,0

0,6

9,8

9,6

9,4

0,7

10,2

10,0

9,7

0,8

10,6

10,4

10,0

0,9

10,9

10,6

10,3

1,0

11,1

10,8

10,5

1,1

11,3

11,0

10,8

1,2

11,5

11,2

11,0

1,3

11,7

11,4

11,2

1,4

11,8

11,5

11,3

1,5

11,9

11,6

11,5

1,6

12,0

11,7

11,6

1,7

12,1

11,9

11,8

1,8

12,2

12,0

11,9

1,9

12,3

12,1

12,0

2,0

12,4

12,2

12,1


Все нормируемые параметры определяются согласно толщине проката, способности к вытяжке или совокупно [3].

Сталь марки 08Ю является нестареющей. Процесс деформационного старения характеризуется изменением свойств материала без заметного изменения микроструктуры. Такие процессы протекают, главным образом в низкоуглеродистых сталях. Ответственными за деформационное старение являются находящиеся в твердом растворе атомы внедрения. Атомам азота принадлежит главная роль в инициировании склонности к деформационному старению. Причиной этого является большая растворимость и диффузионная подвижность атомов азота в α-железе по сравнению с углеродом. Алюминий, связывая азот в нитрид, выводит его из твердого раствора, тем самым снижает степень искажения кристаллической решетки феррита и исключает формирования скоплений азота вокруг дислокаций, обеспечивая тем самым условия для не состаривания такой стали.

Нестареющие стали характеризуются минимально возможным содержанием всех примесей (C, N, Mn, Si, Cr, Ni, S, P и др.), низкой твердостью и прочностью, высоким относительным и равномерным удлинением, большой вытяжкой, холоднокатаный лист из них должен иметь высокое качество поверхности и не быть склонным к деформационному старению.

Для того чтобы сделать сталь нестареющей, необходимо атомы внедрения, а преимущественно азот вывести из твердого раствора, связав его нитридообразующими элементами. В качестве нитридообразующих элементов на практике чаще всего используют алюминий. Так же стоит отметить благоприятное влияние алюминия на штампуемость стали.

Алюминий обеспечивает получение равномерной структуры (так называемой - чечевицеобразной), т. е. создает условия, обеспечивающие получение металла, пригодного для глубокой штамповки [4].

Кроме связывания атомов азота в нитриды алюминия, во избежание деформационного старения, легирование алюминием благоприятно сказывается на коррозионной стойкости. Это связанно с тем, что соединение активного и пассивного металлов приводит к пассивации активного, как следствие получившийся сплав отличается устойчивостью к воздействию агрессивных сред. Принимая данный факт во внимание нельзя не отметить его положительного влияния на эксплуатационные свойства, не забывая о специфике производства и применения данных сталей.

При холодной прокатке стали с увеличением степени деформации повышаются все характеристики прочности: предел текучести, предел прочности, твердость. Прочность особенно возрастает на начальных стадиях деформации (до 20-30%), при дальнейшем повышении степени деформации интенсивность упрочнения уменьшается. При холодной прокатке происходят межзеренные и внутризеренные разрушения, появляются микроскопические трещины, которые с ростом степени деформации увеличиваются, что приводит к понижению пластичности металла. Наибольшее снижение пластичности происходит на начальных стадиях холодной деформации, т. е. когда резко возрастает упрочнение. По мере роста деформации (до 50-70%) металл становится очень прочным и хрупким. Механические свойства после холодной прокатки приведены в таблице 1.4.

При холодной прокатке форма зерна металла изменяется в соответствии с общей схемой деформации; они вытягиваются в направлении прокатки и уменьшают свои размеры по высоте (сжимаются). Металл получает строчечную структуру (при больших степенях деформации - текстуру), она же деформационная полосчатость, что приводит к неодинаковым свойствам его в разных направлениях. Разница в свойствах наклепанного металла в процессе холодной деформации, обусловленная строчечной структурой, называется механической анизотропией [5].

Таблица 1.4 - Влияние степени деформации на механические свойства

Степень деформации, %

Твердость, HB

Относительное удлинение, δ, %

Временное сопротивление разрыву, σв, Н/мм2

0

100

53

323

5

113

41

372

10

126

32

392

15

143

23

421

20

151

15

451

25

163

11

490

30

170

9

519

35

175

7

539

40

179

5

568

45

180

4,5

578

50

183

3

608

55

185

2,5

617

60

187

2

637

65

190

1,9

647

75

194

1,5

666


1.2    Задачи термообработки


Термическую обработку холоднокатаной стали проводят с целью снятия упрочнения материала после холодной прокатки, получения наилучших меха-нических свойств, обеспечения хорошей штампуемости, а также, чтобы сохра-нить или улучшить состояние поверхности холоднокатаных полос. При отжиге в металле должны полностью происходить рекристаллизация деформированного феррита [5].

При пластической холодной деформации кристаллические решетки зерен приобретают преимущественную пространственную ориентировку в опреде-ленных кристаллографических направлениях максимальной плотности атомов, возникает текстура деформации. Как видно из рисунка 1.1, с увеличением степени деформации временное сопротивление увеличивается, а относительное удлинение снижается, т.е. происходит наклеп металла.

Рисунок 1.1. Зависимость прочности и относительного удлинения от степени обжатия [2]

Это объясняется тем, что в процессе пластической деформации увеличивается число дефектов кристаллического строения (дислокаций, вакансий, ме-жузельных атомов), которые затрудняют движение отдельных новых дислокаций. Все это приводит к повышению сопротивления деформации и уменьшению пластичности.

Поэтому для разупрочнения и восстановления пластических свойств металла требуется последующая термическая обработка. Наиболее подходящим видом термической обработки в этом случае является светлый рекристаллизационный отжиг. Это обработка, в процессе которой происходит возникновение и рост новых недеформированных зерен за счет образования центров рекристаллизации и роста новых зерен. Процесс образования центров рекристаллизации термически активен - ускоряется с ростом температуры. Отжиг холоднокатаной ленты из низкоуглеродистой стали проходит в три стадии [2, 5].

При нагреве до сравнительно низких температур (примерно 0,2 Тпл) протекает процесс возврата. При этом происходит уменьшение точечных дефектов (вакансий, межузельных атомов) и перераспределение дислокаций, без образования новых субграниц. Однако при этом еще не наблюдается заметных изменений структуры по сравнению с деформированным состоянием.

При температуре 0,2-0,5 Тпл идет полигонизация. Происходит перераспределение дислокаций, приводящее к образованию субзерен (полигонов) с малоугловыми границами и снятию деформационных напряжений.

При температуре 0,4-0,5 Тпл протекает рекристаллизация, которую можно разделить на несколько стадий. При рекристаллизации происходит перемещение границ зерен. Несколько субзерен, благодаря растворению отдельных малоугловых границ, объединяются. Новая граница зерна, благодаря переползанию дислокаций, изменяет ориентацию и образуется высокоугловая граница. Таким образом, возникает зародыш рекристаллизации. Так как дислокации накапливаются на границах зерен и фаз, то здесь наблюдается максимальная плотность дислокаций, отсюда начинается рекристаллизация. После образования зародышей начинается их рост до полного уничтожения деформированной структуры. Этот процесс носит название первичная рекристаллизация.

После завершения первичной рекристаллизации протекает собирательная рекристаллизация, в процессе которой происходит рост одних рекристаллизованных зерен за счет других путем передвижения высокоугловых границ. Основной причиной собирательной рекристаллизации является стремление к уменьшению зернограничной энергии благодаря уменьшению протяженности границ при росте зерна. В этот период предел текучести увеличивается [5, 6].

Наименьшая температура нагрева, при которой появляются рекристаллизованные зерна, называется температурой начала рекристаллизации [7]. Она не является физической константой, на нее влияет несколько факторов: степень деформации при обработке давлением, время отжига, степень чистоты металла и размер исходного (до деформации) зерна. С увеличением степени деформации температура начала рекристаллизации снижается, как видно из рисунка 1.2.

Рисунок 1.2. Влияние степени деформации на температуру начала рекристаллизации [2]

Объясняется это тем, что с увеличением степени деформации растут плотность дислокаций и энергия, накопленная при деформации, т.е. возникает термодинамический стимул рекристаллизации. С увеличением времени отжига и с повышением чистоты сильнодеформированного металла температура начала рекристаллизации снижается. Измельчение исходного (до деформации) зерна приводит к понижению температуры начала рекристаллизации, т.к. в более мелкозернистом металле больше суммарная площадь высокоугловых границ, где зарождаются центры рекристаллизации, и больше накопленная при деформации энергия. В общем случае Тр = 0,4 - 0,5 Тпл.

Размер рекристаллизованного зерна - одна из важнейших характеристик отожженного металла. Размер зерна к моменту окончания первичной рекристаллизации зависит от соотношения скорости зарождения центров рекристаллизации и линейной скорости их роста. Чем больше скорость зарождения центров и меньше линейная скорость роста, тем мельче получаемое зерно к моменту окончания первичной рекристаллизации, и наоборот. После окончания первичной рекристаллизации зерна укрупняются вследствие собирательной рекристаллизаии. Поэтому на конечный размер зерна влияет также линейная скорость роста кристаллитов при собирательной рекристаллизации.

К основным факторам, влияющим на конечный размер зерна, относятся химический состав, параметры горячей прокатки, степень деформации, температура и время отжига [5, 6].

С повышением температуры отжига скорость зарождения центров и линейная скорость роста увеличиваются. Если степень изменения скорости зарождения в зависимости от температуры больше, чем у линейной скорости, то зерно получается мельче, чем при одинаковой их скорости изменения. С увеличением продолжительности отжига размер зерна возрастает с затуханием-насыщением, приближаясь к предельному для данной температуры значению, в соответствии с рисунком 1.3.

Рисунок 1.3. Влияние температуры (а) и продолжительности нагрева (б) на величину рекристаллизованного зерна (t1< t2< t3) [2]

В зависимости от температуры и продолжительности отжига в металле с той или иной полнотой протекает разупрочнение. На рисунке 1.4 показаны три типовых случая изменения прочностных свойств с увеличением продолжительности отжига при постоянной температуре и их зависимости от температуры отжига при его постоянной продолжительности соответственно.

Показатели пластичности стали в общем изменяются обратно тому, как изменяются прочностные свойства: в области возврата сравнительно слабо возрастают, сильно повышаются при первичной рекристаллизации, когда снимается большая часть наклепа, и мало изменяются при собирательной рекристаллизации. Первичная рекристаллизация, резко снижая плотность дислокаций и «выметая» стенки субзерен, вызывает сильное разупрочнение, пропорциональное доле рекристаллизованного объема. С повышением температуры начала (tpн) и конца (tpк) рекристаллизации или с увеличением времени отжига при постоянной температуре прочностные свойства интенсивно снижаются из-за первичной рекристаллизации, как показано на рисунке 1.4. После того как наклепанные зерна полностью заменились значительно более совершенными рекристаллизованными, собирательная рекристаллизация может лишь немного понизить прочностные свойства из-за укрупнения зерна. Начиная с определенной температуры, t1, как это видно на рисунке 1.5 пластичность плавно снижается, т.к. далеко зашедшая рекристаллизация приводит к образованию чрезмерно крупного зерна, т.е. к перегреву при рекристаллизационном отжиге.

Рисунок 1.4. Схемы зависимостей прочностных свойств наклепанного металла от времени изотермической выдержки. Снятие наклепа в процессе возврата: практически не уменьшается; 2 - частично уменьшается; 3 - полностью снимается

Рисунок 1.5. Влияние температуры отжига на механические свойства деформированного металла [2]

Таким образом верхняя температурная граница отжига выбирается ниже температуры перегрева (около 800ОС) и ниже Ас1, а нижняя - с некоторым превышением tн.р. (около 400 ОС). Влияние степени деформации представлено на рисунке. 1.6.

Рисунок 1.6. Влияние степени пластической деформации на размер зерна после рекристаллизации (f и f1 критическая степень деформации) [2]

При очень высоких температурах отжига (выше t2) резко падают и пластичность, и прочность, что вызвано пережогом - сильным межкристаллитным окислением, а иногда и частичным оплавлением примесей по границам зерен. Этот дефект приводит к неисправимому браку - расслоению металла, пережонный металл направляется на переплавку.

При очень малых степенях деформации нагрев не вызывает рекристаллизации. При 3-15 %-ой деформации величина зерна после отжига резко возрастает и может во много раз превысить размер исходного зерна (критическая степень деформации). После критической степени деформации также не происходит процесса рекристаллизации по механизму образования новых зерен.

При деформации выше критической протекает процесс первичной рекристаллизации. Это объясняется тем, что с развитием деформации возрастает число участков с повышенной плотностью дислокаций и, следовательно, увеличивается возможность образования центров рекристаллизации. При высоких степенях деформации скорость образования рекристаллизованных зародышей превышает скорость их роста, что и предопределяет образование мелкого зерна. При деформации выше критической протекает процесс первичной рекристаллизации. Это объясняется тем, что с развитием деформации возрастает число участков с повышенной плотностью дислокаций и, следовательно, увеличивается возможность образования центров рекристаллизации. При высоких степенях деформации скорость образования рекристаллизованных зародышей превышает скорость их роста, что и предопределяет образование мелкого зерна.

Повышение твердости и снижение пластичности холоднокатаной стали, че-рез некоторый промежуток времени после отжига, может произойти в результате процесса старения. Это объясняется тем, что выделившиеся из феррита при охлаждении карбиды и нитриды создают значительные микронапряжения и затрудняют движение дислокаций. Для устранения этого явления производят операцию перестаривания - низкотемпературную (350-450 ОС) выдержку. При этом происходит выделение растворенного в твердом растворе углерода в виде мелких карбидов с последующим их укрупнением (коагуляцией) [6, 7].

Функция рекристаллизационного отжига полосы возложена на термическое оборудование цеха. Наиболее распространенным оборудованием для термической обработки холоднокатаного металла, являются колпаковые печи и агрегаты непрерывного отжига.

1.3    Анализ преимуществ и недостатков имеющегося оборудования


Для светлого отжига садки металла в рулонах наружным диаметром 1500-2700 мм и массой 10-45 т наиболее часто применяют колпаковые печи с защитной атмосферой. Холоднокатаная полоса перед отжигом проходит очистку методом промывки и сушки. Печь состоит из неподвижного пода, внутреннего колпака-муфеля из жаростойкой стали и наружного нагревательного колпака, устанавливаемого над муфелем и футерованного изнутри огнеупорным кирпичом. В наружном колпаке внизу имеются горелки и дымовые отверстия.

Рулоны устанавливают на поду друг на друга в стопу и накрывают муфелем, который погружается в песочный затвор для предотвращения окисления отжигаемого металла. Продукты сгорания топлива (газа), выходящие из горелок, сначала направляют вверх (специальными экранами), а затем через дымовые отверстия выводят с помощью эжектора. Внутрь муфеля непрерывно подают защитный газ (95-97% N2 и 3-5% H2). Водород применяется для восстановления окислов металла по реакции: Н2 - H2O - Ме. Для ускорения нагрева металла колпаковые печи имеют вентиляторы, осуществляющие принудительную циркуляцию защитного газа, проходящего между рулонами в специальных прокладках и передающего им тепло от стенок муфеля. Один нагревательный колпак обслуживает 3-4 стенда (пода).

Преимущества колпаковых печей: надежны в эксплуатации, позволяют проводить различные по продолжительности и температурному режиму технологические процессы и применять любые контролируемые атмосферы. К недостаткам печей следует отнести неравномерность прогрева садки, сваривание витков, длительность обработки, применения для их обслуживания мостовых кранов большой грузоподъемности. Кроме того, для установки колпаковых печей требуется цех большой высоты. В целом, более высокая себестоимость отжига.

Не менее распространены для светлого отжига агрегаты непрерывного отжига (АНО). Полоса, подвергаемая термообработке в средней (печной) части АНО, последовательно проходит секцию нагрева, выдержки, газового охлаждения, повторного нагрева, перестаривания, ускоренного и воздушного охлаждения. В зависимости от типоразмеров полосы, скорости ее перемещения, а также режима термообработки она нагревается в камере нагрева до температуры 700−850 °С, затем при этой температуре проходит выдержку в секции выдержки. В секции газоструйного охлаждения полоса охлаждается до температуры 630−500 °С. Остывшая полоса вторично нагревается в секции повторного нагрева до температуры 400−500 °С. Затем в секции перестаривания постепенно охлаждается до температуры 280−250 °С и, поступив в секцию ускоренного охлаждения, охлаждается до температуры, при которой исключено окисление поверхности полосы на воздухе (ниже 100 °С). В секции воздушного охлаждения полоса охлаждается до температуры на 5−7 °С выше температуры воздуха в отделении, но не выше 40° С. Температура полосы по секциям агрегата задается в зависимости от способности к вытяжке проката.

Перед подачей защитного газа в печные секции их необходимо продуть азотом. Подача защитного газа в печь производится при соблюдении следующих условий: температура секции нагрева, выдержки и повторного нагрева должна быть не менее 500 °С; температура в секциях газового охлаждения, перестаривания и быстрого охлаждения должна быть не менее 300 °С. Для предотвращения взрыва в случае попадания воздуха в печную атмосферу при наличии в ней азото-водородного газа свечи накала должны быть постоянно включены.

В качестве защитной атмосферы применяется азотно-водородный газ с объемной долей водорода от 3 до 5%. Для приготовления защитной атмосферы применяется азот со степенью очистки 99,998%, осушенный до точки росы минус 50° С и водород, осушенный до точки росы минус 55 °С. Давление защитного газа в печных секциях на подине должно быть 5−14 мм вод. ст. (49,0−137,2 Па).

К преимуществам агрегатов непрерывного отжига можно отнести краткость цикла отжига, высокую производительность, равномерность прогрева, исключение многих вспомогательных и транспортных операций, относительно низкую себестоимость процесса. К недостаткам АНО можно отнести их габариты, что достаточно сильно удлиняет здание цеха [2, 7].

1.4    Усовершенствование и устранение недостатков технологии


Принимая во внимание вышеизложенные достоинства и недостатки оборудования для термической обработки холоднодеформированного металла, а так же необходимость улучшения качества поверхности холоднокатаной отожженной полосы и уменьшения количества брака, следует провести мероприятие по усовершенствованию технологии термической обработки полосы из стали 08Ю. Данная технология необходима в основном для проката, используемого для изготовления лицевых деталей автомобилей с поверхностью I группы отделки, которая имеет следующие преимущества:

•        лучшая адгезия лакокрасочного покрытия к поверхности металла;

•        равномерный оттенок лакокрасочного покрытия;

•        экономия краски за счет нанесения более тонкого слоя.

Для достижения необходимой микротопографии поверхности в соответствии с требованиями потребителей: шероховатостью поверхности полосы Ra = 0,8 - 1,2 мкм и количеством пиков Pc> 50 на 1 см длины применяются текстурированные валки с шероховатостью Ra = 3,2 - 3,7 мкм и числом пиков Pc = 70 - 80 см-1. Поверхность полосы, смотанной в рулон после прокатки на текстурированных валках, имеет большую склонность к свариванию витков и образования дефекта «излом» из-за высокой плотности пиков на ней. Данный дефект проявляется вследствие перегрева витков. В связи с этим, целесообразно применение термической обработки, позволяющей снизать вероятность образования данного дефекта, основной принцип которой - уменьшение перегрева витков рулонов при нагреве и термических напряжений при охлаждении плотно смотанных рулонов при отжиге.

Для снижения риска сваривания витков садку следует отжигать при более низкой температуре по сравнению с температурой отжига металла, прокатанного на насеченных валках. По окончании нагрева прокат регулируемо охлаждается под колпаком с потушенными горелками, охлаждение происходит с температуры окончательной выдержки по стендовой термопаре до 640 °С со скоростью до 0,21 °С/мин, а затем до 600 °С со скоростью 0,22 °С/мин. Без применения регулирования скорость охлаждения под колпаком составляет от 0,30 до 0,40 °С/мин. Замедление охлаждения позволяет уменьшить термические напряжения в плотно смотанном рулоне. Далее прокат выдерживается под колпаком с потушенными горелками в течении 5 ч до температуры ≤ 500 °С по стендовой термопаре. Температурно-временные режимы указаны в таблице 1.5 и на рисунке 1.7.

Таблица 1.5 -Температурно-временные режимы отжига проката разной степени вытяжки

Способность к вытяжке*

Температурные параметры отжига, оС

Регулируемое охлаждение, ч.

Выдержка под колпаком


колпака

стенда

центра рулона

до 640 оС

от 640 до 600оС


ВОВС

790

700

690

4

3

5

ОСВГ

780

690

680

4

3

5

СВ

780

670

660

3

3

5

ВГ, Г

770

660

650

2

3

5

*Способность к вытяжке в соответствии с ГОСТ 9045-93

Данная технология позволяет получать готовую продукцию, соответствующую требованиям нормативной документации по всем параметрам и удовлетворяющую требования потребителя, однако приводит к снижению производительности печей. В связи с этим необходима корректировка разработанной технологии для поиска оптимального соотношения между производительностью печей и качеством продукции. Применение более высокой температуры позволит сократить время отжига и повысить производительность. Новая технология представлена в таблице 1.6.

Повышение температуры зоны до 820 °С и температуры по стендовой термопаре на 10 °С дает экономию времени при отжиге около 6 часов на садку [8].

Таблица 1.6 - Оптимизированный режим отжига металла, прокатанного на тексурированных валках

Способность к вытяжке*

Температурные параметры отжига, оС

Регулируемое охлаждение, ч.

Выдержка под колпаком


колпака

стенда

центра рулона

до 640 оС

от 640 до 600оС


ВОВС

820

710

690

4

3

5

ОСВГ

820

700

680

4

3

СВ

820

680

660

3

3

5

ВГ, Г

820

670

650

2

3

5


Рисунок 1.7. Сравнение режимов отжига для металла, прокатанного на насеченных и текстурированных валках [8]

Альтернативой для отжига холоднокатаных рулонов может служить агрегат непрерывного отжига (АНО). Установка агрегата непрерывного отжига позволит избежать многих дефектов продукции, вызванных несовершенством колпаковых печей, а также сделать технологию полностью непрерывной, что поднимет ее на новый, прогрессивный уровень.

Для непрерывного отжига жести применяют протяжные печи двух типов: горизонтальные и вертикальные. В горизонтальных печах полосу протягивают по поддерживающим роликам в горизонтальном направлении. В вертикальных печах протягиваемая полоса, огибая поворотные ролики, поступает из одного вертикального хода в другой.

Производительность горизонтальных печей сравнительно невелика; их применяют при небольшом объеме производства.

Достоинством вертикальных печей является также то, что при движении через печь под действием значительного натяжения и в результате многократных перегибов при высокой температуре происходит выравнивание полосы, поверхность которой до поступления в печь была волнистая или с помятостями.

Печь состоит из секций нагрева, выдержки, газоструйного охлаждения, повторного нагрева, перестаривания, ускоренного и воздушного охлаждения.

Термическую обработку полосы проводят в среде защитного азотно-водородного газа состава: 95-97% азота и 3-5% водорода.

Температуру полосы по секциям агрегата старший термист задает в зависимости от способности к вытяжке проката.

Термическую обработку стали марки 08Ю производят по режиму, представленному в таблице 1.7

График термообработки стали 08Ю в АНО представлен на рисунке 1.8

Перед подачей защитного газа в печные секции их необходимо продуть азотом.

Подачу защитного газа в печь производить при соблюдении следующих условий:

температура в секциях нагрева, выдержки и повторного нагрева должна быть не менее 500 °С;

температура в секциях газового охлаждения, перестаривания и быстрого охлаждения должна быть не менее 300 °С;

объемная доля кислорода в печных секциях должна быть менее 0,2%.

Таблица 1.7 -Режим термообработки стали 08Ю

Толщина полосы

Температура полосы по секциям АНО, оС

Степень дрессировки, %


секция нагрева

секция выдержки

секция газового охлаждения

секция повторного нагрева

секция перестаривания


0,7 - 1,3

700 ± 30

695 ± 15

125 ± 25

330 ± 20

370 ± 20

0,2 - 0,4

1,4 - 2,0

700 ± 30

695 ± 15

125 ± 25

320 ± 20

360 ± 20

0,4 - 0,6



Рисунок 1.8 График термообработки стали 08Ю [2]

Подачу защитного газа в печь производить при соблюдении следующих условий:

температура в секциях нагрева, выдержки и повторного нагрева должна быть не менее 500 °С;

температура в секциях газового охлаждения, перестаривания и быстрого охлаждения должна быть не менее 300 °С;

объемная доля кислорода в печных секциях должна быть менее 0,2%.

Для предотвращения взрыва в случае попадания воздуха в печную атмосферу при наличии в ней азотно-водородного газа свечи накала должны быть постоянно включены.

Электронагревательные элементы в секциях газового охлаждения и перестаривания должны быть включены только при сушке футеровки и разогреве печи после длительных остановок.

Измерение температуры полосы производят с помощью радиационных пирометров, установленных на выходе из каждой секции печи.

Управление температурным режимом печи проводят в автоматическом, полуавтоматическом и ручном режимах. Ручное управление применяют при настройке агрегата или при экстренном изменении режима.

В качестве защитной атмосферы применяют азотно-водородный газ с объемной долей водорода от 3 до 5%.

Давление защитного газа в печных секциях на подине должно быть 5-14 мм водн. ст, (49,0-137,2 Па).

Технологически необходимый расход защитных газов (не более):

водород 73-121 м3/час;

азот 4955-5059 м3/час;

защитный газ 5028-5180 м3/час.

Объемная доля кислорода в печных секциях (при нормальной работе) должна быть менее 0,2%.

Точка росы в секциях печи при нормальной работе не должна превышать следующих значений:

секция нагрева - минус 5 °С

секция выдержки - минус 5 °С;

секция газоструйного охлаждения - минус 5 - 0 °С;

секция повторного нагрева - минус 5 °С;

секция перестаривания - минус 5 - 0 °С;

секция быстрого охлаждения - минус 10 - минус 5 °С.

Максимально допустимая температура в печных секциях не должна превышать следующих значений:

секция нагрева - 900 °С

секция выдержки - 880 °С;

секция газоструйного охлаждения - 780 °С;

секция повторного нагрева - 900 °С;

секция перестаривания - 500 °С;

секция быстрого охлаждения - 300 °С.

термический холоднокатаный лист сталь

2       Характеристика сырьевого материала - горячекатаного проката. Мероприятия по контролю качества. Предмет и методы исследования


2.1    Характеристика горячекатаного проката


Исходным (сырьевым) материалом для производства нестареющей низко-углеродистой тонколистовой стали служит горячекатаная не травленная полоса из низкоуглеродистой, углеродистой, низколегированной стали с необрезанными под прямым углом передними и задними концами, смотанная в рулон, соответствующая ГОСТ 19903-74 «Прокат листовой горячекатаный. Сортамент» и ГОСТ 16523-97 «Прокат тонколистовой из стали качественной и обыкновенного качества общего назначения. Технические условия». Впоследствии, при дальнейшем производстве кромки обрезаются, а полоса травится на непрерывном травильном агрегате.

Химический состав должен соответствоватьуказанному в таблице 2.1, что соответствует ГОСТ-9045-93.

Таблица 2.1 - Химический состав стали 08Ю

C

Si

Mn

S

P

Al

до 0,07

до 0,03

до 0,35

до 0,025

до 0,02

0,02 - 0,07

Примечание: допускается содержание углерода до 0,08% при соблюдении норм механических свойств.

Пройдя непрерывный травильный агрегат, полоса должна удовлетворять следующим требованиям. Рулон не должен иметь сварных швов и подмоток. Кромка полосы должна быть обрезной, без каких-либо трещин по краям и дефектов, выводящих ее за предельные размеры.

Для марок стали: 08Ю, 08ЮВ, 08кп, 08пс, 08псВ, Ст0, Ст1кп, Ст1пс, 09Г2, 09Г2С, 09Г2Д, механические свойства должны удовлетворить требованиям:

−предел текучести- от 370 до 600 Н/мм2;

− временное сопротивление на разрыв от 490 до 690 Н/мм2.

Для проката из стали 08Ю ГОСТ 1577 «Прокат толстолистовой и широкополосный из конструкционной стали. Технические условия» нормирует в горячекатаном состоянии (в состоянии прокатной нормализации) следующий уровень механических свойств, не менее:

− временное сопротивление разрыву - 290 Н/мм2;

− предел текучести - 175 Н/мм2;

− относительное удлинение, δ5 - 35 %;

− относительное сужение, Ψ - 60 %.

Размеры полосы:

− ширина полосы: не более  1650 мм;

не менее 1000 мм;

− серповидность полосы не более 30 мм на 10 м длины полосы;

−толщина полосы:       не более 4,0 мм;

не менее 1,5 мм;

−предельные отклонения по толщине±7 %;

−отклонение от плоскостности не более 15 мм/м.

Размеры рулона:

− наружный диаметр не более 2100 мм;

не менее 990 мм;

− внутренний диаметр 610 мм;

− общаятелескопичность витков не более 50 мм;

− разброс отдельных витков не более 5 мм;

− масса рулона не более 35 т [11].

2.2    Мероприятия по контролю качества


Качество металлопродукции в целом является сложным понятием. В него входят не только понятие качества металла, т. е. получение в процессе производства стабильных в процессе эксплуатации заданных физических, химических и технологических свойств, но и требования к формам и размерам, состоянию поверхности, внутреннему строению металлопродукции, ее товарному виду, эстетическому оформлению, упаковке, маркировке,- тех показателей, которые отражаются в стандартах и подлежат обязательному выполнению.

Мероприятия по контролю качества делятся на два этапа, это визуальный осмотр и отбор проб для испытаний и установления химического состава. Дефекты холоднокатаной листовой стали могут иметь различное происхождение, обусловленные нарушениями технологии как в сталеплавильных цехах, так и при производстве горяче- и холоднокатаной листовой стали. Все дефекты холоднокатаного проката можно подразделить на четыре группы: дефекты геометрии, поверхности, травления и термообработки. Основными дефектами, относящимися к первой группе, являются продольная и поперечная разнотолщинность, серповидность, коробоватость, волнистость, тонкий, толстый, узкий, широкий, короткий и длинный прокат. К дефектам второй группы можно отнести плены, волосовины, пузыри, отпечатки и надавы, рваную кромку, вкатанную крошку, царапины, раковины, рябизну, порезы, навары, продольные и поперечные трещины, расслоения и др. Дефекты травления, относящиеся к третьей группе дефектов, включают в себя недотрав и перетрав металла (для коррозионностойкой стали в этом отношении особенно вредно повышенное содержание анионов соляной кислоты, вызывающих точечную коррозию металла), насыщение водородом (при травлении в растворах серной кислоты и недостаточном количестве или плохом качестве ингибиторов) и ржавые пятна на поверхности. Основные дефекты, относящиеся к четвертой группе, возникают вследствие нарушения режимов термообработки, это: излом, цвета побежалости, пятна слипания сварки, несоответствие механических свойств и д.р. Причины образования и способы устранения основных дефектов сведены в таблице 2.2.

Таблица 2.2 - Дефекты Холоднокатанного листового проката

Шифр дефекта

Термин

Определение

Причина возникновения

Способы устранения дефектов

22811505228

Вкатанные инородные частицы

Остатки подмоточной бумаги, кусочки дерева или гуммировки роликов на поверхности холоднокатаного листа или ленты.

1 Дрессировка полосы с наличием на поверхности частиц песка попавшего из затвора печи после отжига. 2 Дрессировка полосы с наличием на поверхности полосы неметаллических частиц. 3 Не произведен обдув торцов рулона сжатым воздухом.

1 Проверять наличие песчинок на поверхности полосы и не задавать на дрессировку металл с наличием песка. 2 Не задавать на дрессировку с наличием на поверхности полосы неметаллических частиц. 3 Произвести обдув торцов рулона сжатым воздухом.

01811505018

Пятна ржавчины

Дефект поверхности в виде пятен или полос с рыхлой структурой окисной пленки, образовавшихся в результате попадания влаги и недостаточной промывки металла от травильных растворов.

1 Нарушение межоперационных сроков хранения металла после прокатки. 2 Попадание воды на поверхность полосы или торцы рулонов.

1 Соблюдать межоперационные сроки хранения металла между прокаткой и упаковкой. 2 Не допускать попадание воды на поверхность полосы или торцы рулонов.

00811505008

Излом

Дефект поверхности в виде темно-серых линий дугообразной формы, образовавшихся при разматывании слипшихся или сварившихся участков полос рулона

1 Впресспроводке первой клети четырехклетевого стана установлены ролики с острыми краями. 2 Ролики в пресспроводке 1 клети установлены в одну линию. 3 Большое натяжение на моталке стана холодной прокатки. 4 Сильное слипание или сварка витков рулонов при отжиге из-за низкой шероховатости рабочих валков. 5 Заворот кромок витков рулонов конвекторными кольцами.

1 Заменить ролики с острыми краями на ролики с заваленными краями. 2 Установить верхние и нижние ролики пресспроводки перед первой клетью в шахматном порядке. 3 Уменьшить натяжение на моталке стана. 4 Отжиг рулонов по специальному режиму с удлиненным режимом охлаждения. 5 Отжиг рулонов производить на недеформированных конвекторных кольцах.

03811505038

Полосы-линии скольжения*

Дефект поверхности в виде темных полосок и разветвленных линий на поверхности листа или ленты, образовавшихся вследствие местных напряжений, превышающих предел текучести металла, вызванных нарушением технологии обработки давлением.

1 Большая продолжительность отжига при высокой температуре; 2 Смятие кромки рулона конвекторными кольцами. 3 Загрузка в печи, для проведения отжига рулонов с дефектом «телескопичность».

1 Соблюдение режимов отжига рулонов в соответствии с требованиями ТИ; 2 Не допускать к работе конвекторные кольца с неравномерной выработкой и деформацией. 3 Не допускать к загрузке рулоны с дефектом «телескопичность».

10611505106

Несоответствие химического состава *

Химический состав не удовлетворяет требованиям НД и условиям заказа.

1 Нарушения технологии выплавки стали; 2 Допущенного смешивания плавок

1 Не допускать нарушение технологии выплавки стали. 2 Обеспечение правильной маркировки рулонов по всем переделам.

06111505061

Пятна слипания сварки

Дефект поверхности в виде темно-серых участков налипания или отрыва металла, образовавшихся при разматывании слипшихся или сварившихся участков полос рулона, горячекатаных или отожженных холоднокатаных листов в пакетах

1 Сильное слипание или сварка витков рулонов при отжиге из-за высокой температуры и завышенной продолжительности; 2 Заворот кромок витков рулонов конвекторными кольцами; 3 Неравномерная температуры по сечению рулонов и высоте садки в период нагрева металла при отжиге.

1 Соблюдение режимов отжига рулонов в соответствии с требованиями ТИ; 2 Не допускать к работе конвекторные кольца с неравномерной выработкой и деформацией. 3 Соблюдение режимов отжига рулонов в соответствии с требованиями ТИ.

10511505105

Несоответствие механических свойств

Механические и технологические свойства не соответствуют требованиям НД и условиям заказа.

1 Несоблюдение температурных режимов отжига 2 Смесь марок сталей из-за неверной или отсутствующей маркировки; 3 Неправильные показания приборов 4 Недостаточное охлаждение металла перед дрессировкой; 5Нарушение циркуляции защитного газа из-за перекрытия конвекторных колец свисающими витками рулонов или неверно подобранного диаметра конвекторного кольца. 6 Остановка стендовых вентиляторов

1 Соблюдение температурных режимов отжига в соответствии с требованиями ТИ и технологических писем; 2 Обеспечение правильной маркировки по всем переделам; 3 Замена приборов 4 Соблюдение температурных режимов охлаждения в соответствии с требованиями ТИ и технологических писем; 5 При формировании садки контролировать свисания витков, не допускать упаковку рулонов с неприпакованными витками. Подбирать диаметр конвекторных колец в соответствии с диаметром рулона. 6Следить за работой стендовых вентиляторов и за исправностью их блокировок

06411505064

Пятнистое науглероживание*

Дефект поверхности в виде черных пятен или полос, выявившихся после травления, образовавшихся при длительном нагреве стальных изделий в науглероживающей среде.

1 Недостаточная горячая продувка садки; 2 Окисление садки или окисление металла с последующим восстановлением в процессе отжига; 3 Наличие эмульсии, грязи на холоднокатаном металле; 4 Высокая скорость нагрева.

1 Соблюдать требовании ТИ при горячей продувки защитным газом; 2 Откорректировать состав и давление защитного газа в соответствие с требованиями ТИ, проверить исправность магистрали трубопровода защитного газа; 3 Своевременно производить корректировку параметров эмульсии на станах холодной прокатке, в соответствии с требованиями ТИ, проверить работу коллекторов сдува перед моталкой;

10211505102

Желтый налет*

Дефект поверхности в виде змеевидных полос или скоплений пятен различной формы желтого цвета полимеризованной пленки, образовавшейся на поверхности металла

1 Наличие эмульсии, грязи на холоднокатаном металле; 2 Окисление металла при рекристаллизационном отжиге.

1 Своевременно производить корректировку параметров эмульсии на станах холодной прокатке, в соответствии с требованиями ТИ; проверить работу коллекторов сдува перед моталкой; 2 Соблюдение режимов отжига рулонов в соответствии с требованиями ТИ.

Примечание: знаком «*» отмечены дефекты, возникшие на предыдущих, до отжига, переделах, но проявившиеся при термической обработке

В процессе сдачи готовой продукции согласно ГОСТ и ТУ проводят окончательные механические, технологические и физико-химические сдаточные испытания, металлографический анализ. При этом объем испытаний готовой продукции зависит от состава стали, ее назначения и требований, предъявляемых к продукции.

Наиболее распространенным методом испытания механических свойств ли-стопрокатной продукции является испытание на растяжение. При этом к стан-дартному образцу, представленному на рисунке 2.1, прикладывают два равных, противонаправленных усилия и определяют временное сопротивление при растяжении σв, предел текучести σт, относительное удлинение δ и относительное поперечное сужение. Кроме того, при растяжении образца определяют предел пропорциональности σпц, предел упругости σу, модуль упругости Е.

Рисунок. 2.1 Стандартный образец для испытания на растяжение [10]

Испытание на растяжение производится на специальных машинах. Имеется большое количество различных моделей таких машин с ручным и механическим приводом. Из числа машин с механическим приводом применяются универсальные рычажно-маятниковые машины Р-5 (усилие до 5 т), ИМ-4 (усилие до 4 т), прессы Гагарина и др. Более мощными являются машины с гидравлическим приводом Р-20 (усилие до 20 т), ГМС-50 и ГМС-100, развивающие усилия соответственно 50 и 100 т. Универсальные машины ГМС-50 и ГМС-100 служат для испытания образцов металла на растяжение, сжатие и изгиб, для определения на образцах прочности сварного соединения и наплавленного металла сварного шва, для испытания на разрыв стальных канатов и т. п.

К более современным машинам можно отнести такие машины как: УТС 110М-50, УТС 110М-100. Это электромеханические универсальные двузонные испытательные машины напольного исполнения с номинальной нагрузкой 50 и 100 кН соответственно, предназначены для проведения механических испытаний материалов на растяжение, сжатие, изгиб, осадку, сплющивание, остаточную деформацию, отслаивание, расслоение, скалывание, раздирание и других в пределах технических возможностей машины. Испытательные машины УТС 110М-50 и УТС 110М-100 оснащены микропроцессорной системой управления машиной и регистрации силовых и деформационных параметров испытания.

Принципиальная схема разрывной машины представлена на рисунке 2.2.

Рисунок 2.2 Принципиальная схема электромеханической машины [10]

- основание; 2 - колонны; 3 - винты, передающие нагрузку образцу; 4 - тверса; 5 - цилиндр; 6 - поршень; 7 - верхняя поперечина; 8, 16 - червячные передачи; 9, 15, 19 - электродвигатели; 10 - вал; 11 - опоры; 12 - подвижная тверса; 13 - гайки тверсы; 14 - зажимы; 17 - винт нижнего зажима; 18 - шкала динамометра; 20 - масляный насос

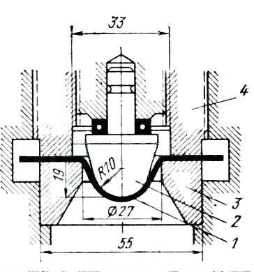
Проба на выдавливание, изображенная рисунке 2.3, служит для определения способности металла к холодной штамповке и вытяжке. Проведение испытаний готовой прокатной продукции рассмотренными способами требует отбора проб от листов или партии листов, изготовления образцов и испытаний, что вызывает дополнительные потерн металла, иногда до 0,5-1 % и большого объема трудоемких работ. Поэтому в последнее время все шире находят применение неразрушающие методы контроля [10].

Рисунок 2.3. Схема испытания на выдавливание: 1 - листовой металл; 2 пуансон; 3 - матрица; 4 - прижим

Химический анализ готовой прокатной продукции осуществляется методом отбора стружки от всего поперечного сечения не менее чем от трех штук готового проката. Причем, стружка берется прострожкой или сверлением в определенном месте на определенную глубину. Полученная стружка должна быть тщательно перемешана в рентгеноспектрометр, представленный на рисунке 2.4, для определения химического состава [11].

Рисунок 2.4 Схемы спектрометров: а - Соллера; б - Иоганна; в - Кошуа

2.3    Предмет и методы исследования


Предметом исследования является нестареющая сталь марки 08Ю, предназначенная для холодной штамповки. Основная часть производимого металла предназначена для штамповки облицовочных деталей кузовов, такие как крылья, двери, крышка капота, багажника и т.д. Другая часть производимого металла задействована в других отраслях, чаще всего бытовых.

Холодная штамповка предполагает определенные требования к качеству поставляемого металла, он должен быть мягким, за счет малого количества атомов внедрения, и углерод в данном случае не является исключением. Помимо малой твердости, потребитель предъявляет очень жесткие требования к качеству поверхности, не должно быть вкатанных в поверхность инородных частиц, должны отсутствовать цвета побежалости и т.д. Относительное удлинение, в зависимости от способности к вытяжке должно лежать в пределах 26 - 34 %. Все требования предъявляемые стали 08Ю регламентированы ГОСТ 9045-93 « Прокат тонколистовой холоднокатаный из низкоуглеродистой качественной стали для холодной штамповки».

Объектом исследования послужили колпаковые печи периодического действия, в которых производится рекристаллизационный отжиг металла. Термическая обработка является финальной стадией в производстве холодного проката, поэтому она оказывает большое влияние на качество и свойства получаемой продукции. Основным недостатком данных печей является их периодичность и, как следствие, время, затрачиваемое на проводимую обработку. В данных условиях приходится выбирать между производительностью печей и качеством продукции. Целью исследования послужило устранение недостатков уже имеющейся технологии для обеспечения оптимального соотношения производительности и качества.

Методом исследования послужил анализ и переработка списка литературы, подбор оптимальных технологических параметров с учетом достоинств и недостатков.

3       Структуры холоднокатаного металла


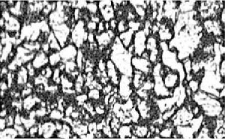
После холодной прокатки структура и свойства металла меняются: временное сопротивление разрыву и твердость увеличиваются, в то время как уменьшается предел текучести. Как видно из рисунка 3.1 структура металла приобретает текстуру деформации. Такая структура характеризуется анизотропией свойств, высокими прочностными и малыми пластическими характеристиками [5].

Рисунок 3.1 Структура холоднокатаной стали 08Ю

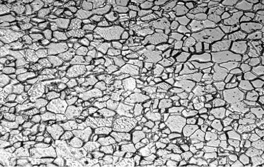
Для восстановления свойств металла применяли рекристаллизационный отжиг одностопной в колпаковой печи периодического действия по температурному режиму, указанному в таблице 1.5, при этом был получена полностью рекристаллизованная структура металла, показанная на рисунке 3.2.

Представленные структура, показанная на рисунке 3.2, получена в результате отжига в колпаковых печах. Режим отжига показан на рисунке 3.3.

Х500

Рисунок 3.2 Микроструктура холоднокатанных отожженых образцов в колпаковой печи

Рисунок 3.3 Режим отжига стали 08Ю в колпаковой печи

Помимо нагрева, выдержки и охлаждения, на графике присутствует, так называемая, операция перестаривания. Суть перестаривания заключается в том, что металл при регулируемом охлаждении, быстро охлаждается от температуры 500 до 300 °C, после чего снова нагревается, но уже до 450 °C, после чего охлаждается по обычному режиму. При быстром охлаждении из стали выделяются нитриды и карбиды, влияющие на свойства стали не благоприятно. Последующий нагрев и охлаждение уменьшает размеры избыточных фаз, что снижает их вредное влияние [2, 8].

Также рекристаллизационный отжиг проводят в агрегате непрерывного отжига по температурному режиму, указанному в таблице 1.6, при этом была получена полностью рекристаллизованная структура, с балом зерна 5 - 7, показанная на рисунке 3.4.

X500

Рис 3.4 Микроструктура холоднокатанных отожженых образцов в АНО. При увеличении

Представленныая структура, показанная на рисунке 3.4, получена в результате отжига в АНО. Режим отжига показан на рисунке 3.5.

В данном режиме отжига присутствует также процесс перестаривания, проходящий при 370 ± 20 oС. Это связанное с тем, что если температура перестаривания превышает 500 oС, растворимость углерода при этом сравнительно велика и эффект перестаривания получается незначительным. В то же время при температурах ниже 350 oС скорость диффузии углерода оказывается низкой и требуется большое время для выдержки. Выдержка при температуре 350-450 oС в течение первых 60 секунд вызывает заметное снижение твердости; дальнейшее увеличение времени перестаривания не приводит к существенному изменению указанной характеристики. При оптимальных температурах и времени перестаривания карбиды выделяются в высокодисперсной форме, в результате чего наблюдается обеднение феррита углеродом и, как следствие этого, повышение пластичности.

В ходе технологического процесса свойства стали меняются, как показано в таблице 3.1 [2,5].

Рис 3.5 Режим отжига стали 08Ю в АНО

Таблица 3.1 - Изменение свойств стали в ходе технологического процесса


Временное сопротивление разрыву σв, Н/мм2

Предел текучести σт, Н/мм2

Относительное удлинение δ4, %

Относительное сужение Ψ, %

Горячекатаный металл

290

175

35

60

Холоднодеформированный металл

666,4

530

1,5

2,6

Металл, отожженый в колпаковой печи*

250 - 390

195 - 205

26 - 34

53 - 61

Металл, отожженый в АНО*

240 - 385

192 - 203

29 - 36

56 - 64

Примечание: знаком «*» отмечены характеристики, варьируемые в зависимости от способности к вытяжке

Заключение


. В процессе производства холоднокатаной стали возникает необходимость в светлом рекристаллизационном отжиге листового проката. Наиболее распространенным способом термической обработки такого проката, является отжиг в колпаковых печах. Положительными качествами данного оборудования являются надежность, неприхотливость к температурным режимам и контролируемым атмосферам. К недостаткам следует отнести неравномерность прогрева садки, сваривание витков, длительность обработки, доходящую до 50 часов, применения для их обслуживания мостовых кранов большой грузоподъемности.

. Другим, не менее распространенным, инструментом отжига является агрегат непрерывного отжига. К преимуществам агрегатов непрерывного отжига можно отнести краткость цикла отжига, высокую производительность, равномерность прогрева, исключение многих вспомогательных и транспортных операций, относительно низкую себестоимость процесса. К недостаткам АНО можно отнести их габариты, что достаточно сильно удлиняет здание цеха, ограничения по толщине отжигаемой полосы.

. Учитывая вышеизложенное, следует отметить, что агрегат непрерывного отжига, лишенный множества недостатков колпаковых печей, является более прогрессивным и производительным инструментом для проведения рекристаллизационного отжига холоднокатаного листового металла. Металл после термообработки в АНО имеет лучшее механические свойства, что безусловно отразится на качестве конечного продукта. Однако непрерывный отжиг требует более тщательной подготовки технологии и ее контроля.

. В настоящей работе разработаны эффективные режимы рекристаллизационного отжига как в колпаковых печах, так и в АНО заключающиеся в следующем:

Для колпаковой печи:

Нагрев до 690 oС с замедленным нагревом от 450 до 550 oС;

Выдержка ~ 17 часов;

Замедленное охлаждение, со скоростью 0,21 oС/мин до 640 oС и со скоростью 0,22 oС/мин до 600 oС.

Выдержка под колпаком в течении 5 часов.

Для АНО:

Нагрев до 700 oС, 75 сек;

Выдержка при 695 oС, 50 сек;

Охлаждение до 125 oС, 60 сек;

Повторный нагрев до 330 oС, 45 сек;

Процесс перестаривания при 370 oС, 75 сек;

Охлаждение ниже 100 oС, 95 сек.

Список литературы

1. Гусева С.С. «Непрерывная термическая обработка автолистовой стали». Москва «Металлургия», 1979. 224 с.

. ГОСТ 9045-93 «Прокат тонколистовой холоднокатаный из низкоуглеродистой качественной стали для холодной штамповки».

. Гольдштейн М. И. «Специальные стали». Москва «Металлургия», 1985. 401 с.

. Гуляев А. П. «Материаловедение». Москва «Металлургия», 1986. 538 с.

. Новиков И.И. «Теория термической обработки металлов». Москва «Ме-таллургия», 1978. 386 с.

. ТИ 101-П-ХЛ 5-517-2006 «Термическая обработка рулонов холоднокатаной стали в высококонвективныхколпаковых печах фирмы «Эбнер» в ЛПЦ-5».

. Т. П. Полецкова, С. Г. Андреев, Ю. П. Демидченко, П. П. Полецков, Т. М. Кончева «Производство автолиста с регламентированной шероховатостью поверхности в условиях ОАО ММК»

. ТИ 101 - П - ХЛ5 - 505 - 2011 «Производство холоднокатаных полос двух клетьевом реверсивном стане в ЛПЦ - 5».

. Золотаревский В.С. «Механические свойства металлов». Москва «МИ-СИС», 1998. 400 с.

. Русаков А.А. «Рентгенография металлов». Москва «АТОМИЗДАТ», 1977. 468 с.

Похожие работы на - Современное состояние вопроса по производству и термической обработке холоднокатаного листового проката

 

Не нашли материал для своей работы?
Поможем написать уникальную работу
Без плагиата!
Без нейросетей!