Следящий электропривод подачи металлорежущего станка, оснащенный контурной системой ЧПУ
Министерство
образования и науки Российской Федерации
Федеральное
государственное бюджетное образовательное
учреждение
высшего профессионального образования
«Комсомольский
- на - Амуре государственный
технический
университет»
Факультет
электротехнический
Кафедра
«ЭПАПУ»
ПОЯСНИТЕЛЬНАЯ
ЗАПИСКА
к
курсовой работе
по
дисциплине «Проектирование систем комплексной автоматизации производственных
процессов»
Следящий
электропривод подачи металлорежущего станка, оснащенный контурной системой ЧПУ
Студент группы 0ЭП-1
А.С. Подглазов
Руководитель работы
В.Ф. Горячев
НормоконтрольВ.Ф.
Горячев
2014
Содержание
Задание
на проектирование
Введение
1.
Расчет и выбор исполнительного электродвигателя
2.
Выбор комплектного электропривода
3.
Расчет и выбор элементов силовой схемы электропривода
3.1
Расчет и выбор преобразовательного трансформатора
3.2
Выбор тиристоров
3.3
Выбор сглаживающего дросселя
3.4
Расчет и выбор элементов защиты тиристорного преобразователя от коммутационных
перенапряжений
3.5
Расчет и выбор измерительного шунта
3.6
Расчет параметров цепи якоря двигателя
3.7
Определение коэффициента усиления тиристорного преобразователя
4.
Расчет параметров системы регулирования, настройка регуляторов
4.1
Расчет контура регулирования тока якоря
4.2
Расчет контура регулирования скорости
4.3
Расчет контура положения
4.4
Расчет параметров схемы компенсации скоростной ошибки
4.5
Определение ошибок, вносимых приводом подачи
5.
Исследование динамических характеристик
Заключение
Список
использованных источников
Разработать и рассчитать следящий электропривод
металлорежущего станка, оснащенного контурной системой ЧПУ по следующим
исходным данным:
преобразовательный трансформатор
тиристор электропривод
Максимальное
усилие резания Fz, Н ………………………………………. 10000
Масса
стола вместе с деталью m, кг……………………………..………..... 4000
Площадь
трения направляющих стола S, см2 ……………………..……….3000
Средний
диаметр ходового винта dср, мм…………………………………..….. 45
Шаг
резьбы ходового винта tр, мм……………………………………………..... 5
Число
заходов винта Z………………………………………………………….... 2
Угол
трения ходового винта φ,
град…………………………………………..… 6
КПД
редуктора ηред
……………………………………………………………...0,8
Ускоренное
перемещение стола Vmax, мм/мин……………………………… 1000
Максимальная
рабочая подача Vрmax, мм/мин………………………………... 600
Минимальная
рабочая подача и установочные
перемещения
при ручном подводе стола Vmin, мм/мин……………………….... 8
Коэффициент
трения направляющих:
при
движении μ
………………………………………………...………..… 0,15
при
трогании μ0
…………………………………………………...……….... 0,3
Удельное
усилие прилипания β,
Н/см2…………………………………….… 0,45
Цена
импульса h, мм………………………………………...……….……….. 0,02
Минимальный
радиус воспроизводимой окружности, мм……………………...8
Степень
компенсации скоростной ошибки.………………………………....…0,3
Тип дискретно-аналогового преобразователя (ДАП):
импульсно-фазовый (ИФ).
Исполнение датчика обратной связи по положению
(ДОС): вращающийся трансформатор (ВТ).
Из анализа мирового опыта создание нового и
модернизации действующего технологического оборудования видна высокая динамика
развития регулируемых электроприводов, компьютерных средств автоматизации,
использование информационных технологий. Цель - максимальное повышение
производительности технологического оборудования и качества продукции. Кроме
традиционных применений регулируемые электроприводы совместно с
технологическими устройствами выступают в виде средств регулирования
технологических переменных: уровня, давления, температуры, производительности и
др.
Отметим основные тенденции развития регулируемых
электроприводов и средств автоматизации:
. Постоянно расширяющееся применение
регулируемых электроприводов во всех отраслях техники с целью совершенствования
технологии.
. Замена нерегулируемых электроприводов
регулируемыми с целью энергосбережения.
. Распространение блочно-модульных принципов
построения электроприводов, информационных средств, средств управления и систем
управления в целом.
. Динамическая компьютеризация электроприводов,
механизмов, агрегатов и комплексов. Новая идеология проектирования систем.
. Дальнейшее развитие методов каскадного (подчиненного)
управления, органично переносимого на управление технологическими переменными и
качеством обработки.
. Реализация систем управления следящим приводом
исполнительных устройств технологических агрегатов на базе универсальных
микропроцессорных средств.
Современный уровень автоматизации предполагает
широкое внедрение станков с числовым программным управлением (ЧПУ). Высокий
темп технологического развития приводит к быстрым изменениям как механической
части станка, так и его электрооборудования и систем ЧПУ. Наряду с этим
появились и новые более эффективные методы управления электроприводами.
Применение в станках с ЧПУ автоматизированных электроприводов обеспечивает
расширение технологических возможностей станков, рост производительности,
увеличение точности и чистоты обработки.
Большинство станкостроительных фирм мира
демонстрируют на промышленных выставках только станки с ЧПУ, роботы с ЧПУ,
роботизированные комплексы и гибкие производственные модули и системы,
состоящие из станков с ЧПУ, роботов, погрузочно-разгрузочных систем,
автоматизированных складов с управлением от ЭВМ. Столь бурное развитие
производства и внедрения станков с ЧПУ обусловлено их существенными
преимуществами по сравнению с универсальными станками. К этим преимуществам
относятся: возможность обработки объемных деталей сложной формы; постоянство
качества обработки; существенное повышение производительности труда; экономия
рабочей силы, особенно квалифицированной; возможность автоматизации
производства и создание гибких производственных систем.
1. Расчет и выбор исполнительного
электродвигателя
Первоначальным этапом расчета привода является
выбор исполнительного двигателя/1/. От правильного выбора двигателя зависит
обеспечение всех технологических режимов обработки и необходимых динамических
характеристик, а также конструкция механической части привода.
В средних и тяжелых станках, а также в станках с
программным управлением привод подачи осуществляется по кинематической схеме,
приведенной на рисунке1.
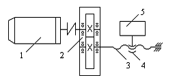
- двигатель; 2 - редуктор; 3 - ходовой винт; 4 -
гайка; 5 - рабочий орган
Рисунок 1 - Кинематическая схема привода подачи
Усилие, передаваемое в направлении подачи при
линейном перемещении движущегося органа станка, Н:
п=к∙Fx+μ∙N∑+β∙Sтр,
где Fx - составляющая усилия резания в
направлении подачи, Н;
К - коэффициент запаса (1,2-1,5), принимаем
К=1,35;∑- сумма нормальных сил, действующих на направляющие, Н;
μ - коэффициент
трения;тр - площадь прилегания взаимотрущихся поверхностей, см2;
β - удельное усилие
прилипания, Н∙см2.
Сумма нормальных сил:
N∑ =(mст+mизд)∙g + Fу+ Fz,
где mст - масса перемещаемого узла станка,
кг;изд - масса изделия, кг;= 9,81 м/с2;у - радиальная составляющая усилия
резания, Н;- усилие резания, Н.
Для практических расчетов можно ориентировочно
принять
= Fy = 0,5∙Fz = 0,5∙10000 = 5000.
Тогда
∑ = 4000∙9,81 + 5000 + 10000=54240.
2. Выбор комплектного электропривода
При определении мощности привода подачи
необходимо учесть три возможных случая работы/3/:
) Режим рабочей подачи (βSтр=0),
Н:
п1=кFx+μN∑;
Fп1=1,35∙5000 + 0,15
54240=14886;
) Режим трогания с места (Fx=0), Н:
п2=μ0∙(mст
+mизд)∙g + β∙Sтр;п2=
0,3∙4000∙9,81 + 0,45∙3000 = 13122;
3) Движение стола с деталью без резания (режим
позиционирования), Н:
п3 = μ∙(mст
+mизд)∙g;п3=0,15∙4000∙9,81 = 5886.
Вращающий момент на валу ходового винта (по
максимальному усилию Fп.max = Fп1), Н∙м:
,
где
- средний диаметр ходового винта,
мм;
- угол наклона резьбы, град;
- угол трения ходового винта, град.
Угол наклона резьбы ходового винта
можно определить из выражения
,
где tв = Z∙tр = 2∙5=10
мм - шаг ходового винта;
tр - шаг резьбы ходового винта, м;
Z - число заходов.
Отсюда
α = arctg(0,071) = 4,06.
Тогда:
Максимальная скорость вращения
ходового винта, с-1
.
где Vmax - скорость движения стола в
режиме ускоренных перемещений,
Статическая мощность двигателя, кВт:
,
где η - КПД
редуктора и винтовой передачи
;
Расчетная мощность двигателя, кВт:
РД = 1,9∙РС = 1,9∙0,78 =
1,5
Предварительно выбираем
высокомоментный двигатель постоянного тока ПБВ132М. Номинальные данные
двигателя приведены в таблице 1.
Таблица 1 - номинальные данные двигателя
|
Pн
, кВт
|
2,2
|
|
Мн
, Н∙м
|
35
|
|
nн
, об/мин
|
600
|
|
U
н , В
|
53
|
|
I
н , А
|
50
|
|
Jд
(с тахогенератором), кг∙м2
|
0,188
|
|
Rя
, Ом
|
0,0574
|
|
L
я , мГн
|
0,422
|
|
Крутизна
тахогенератора, В/об/мин
|
0,02
|
|
Электромеханическая
постоянная электродвигателя с тахогенератором, мс
|
14,2
|
|
Электромагнитная
постоянная времени, мс
|
7,35
|
Передаточное отношение редуктора между валом
электродвигателя и ходовым винтом:
i =
где ωН =
-
номинальная частота вращения определяется двигателя, с-1.=
Момент статического сопротивления,
приведенный к валу двигателя, Н∙м:
.
Суммарный момент инерции определяем по формуле,
кг∙м2 :
где
- коэффициент, учитывающий маховые
массы редуктора;
- момент инерции двигателя, кг∙м2;
- максимальная скорость движения
стола, мм/мин.
Выполним проверку предварительно
выбранного двигателя/3/. Проверку на нагрев выполним по среднеквадратичному
моменту электродвигателя, Н∙м:
МСК =
Мн;
МСК =
;
где
- амплитуда углового ускорения при
обходе окружности радиуса R c результирующей (тангенциальной) скоростью Vр.max,
рад/с2.
МСК < МН = 35 Н∙м
Проверку на перегрузочную способность выполняем
по амплитудному значению момента двигателя, Н∙м:
Мm = МС + εm∙J
;
Мm = 9,9 + 47,13∙0,226 = 20,55.
Пусковой момент, Н∙м:
;
.
где
- кратность допустимого по условиям
коммутации момента (тока) электродвигателя (для двигателей серии ПВ
= 3 - 4).
Таким образом
Мm <
,
следовательно предварительно
выбранный двигатель по условиям проверки на нагрев и по перегрузке проходит.
3. Расчет и выбор элементов силовой схемы
электропривода
В качестве преобразователя тока выбираем
цифровой преобразователь тока фирмы Siemens. Тип преобразователя Simoreg
DC-master 6RA70.6RA70 являются полностью цифровыми компактными
преобразователями для подключения к сети переменного тока и служат для питания
якоря и возбуждения приводов постоянного тока с изменяемой скоростью вращения.
Диапазон номинального постоянного тока преобразователей простирается от 15 до
2000 А и может быть увеличен за счет параллельного включения преобразователей.
В зависимости от использования преобразователи
могут работать в нереверсивном или в реверсивном режиме. Преобразователи
автономны благодаря интегрированной системе настройки параметров и не требуют
дополнительных устройств для параметрирования. Все функции управления и
регулирования, а также контрольные и вспомогательные функции выполняются под
управлением одной микропроцессорной системы. Ввод заданного и текущего значения
может производиться по выбору в цифровом или в аналоговом виде.
Преобразователи SIMOREG 6RA70 отличаются
компактностью и экономией пространства для своей установки. В дверцу
преобразователя встроен электронный бокс, который включает в себя модули
регулирования. Этот бокс может быть дополнен модулями для технологических
функций и последовательных интерфейсов. Благодаря удобной доступности отдельных
элементов эта техника предоставляет Вам высокую степень дружественности
сервиса. Якорный контур выполнен по мостовой схеме переменного тока. Контур
возбуждения выполнен по полуупраляемой однофазной мостовой схеме B2HZ.
Преобразователь имеет силовую часть для якоря и для возбуждения с электрически
изолированными тиристорными модулями. При этом корпус теплоотвода не несет на
себе потенциала.
Рассмотрим функции регулирования на якорном
контуре. Источник задания скорости и его дополнительных значений может быть
задан через аналоговую величину 0 … ± 10В, 0… ± 20 мА, от 4 до 20 мА; через
встроенный потенциометр двигателя; через бинектор с функциями: фиксированное
задание, толчковый режим, ползучесть; через последовательный интерфейс
основного прибора; через дополнительный модуль. Нормирование производится таким
образом, чтобы 100% задания (состоит из основного и дополнительного заданий)
соответствовало максимальной скорости. В качестве сигнала для текущего значения
скорости выбран аналоговый тахометр. Напряжение тахогенератора может составлять
при максимальной скорости от 8 до 250 В.
Датчик разгона преобразовывает вводимое задание
при скачкообразном изменении в непрерывно изменяемом во времени сигнале
задания. Время разгона и замедления можно настраивать независимо друг от друга.
Дополнительно датчиком разгона используется сглаживатель начала и конца,
который работает в начале и в конце времени разгона. Все времена датчика
разгона настраиваются независимо друг от друга.
Регулятор скорости сравнивает задание и текущее
значение скорости вращения и при отклонении выдает регулятору тока
соответствующее задание по току (принцип: регулирование скорости при помощи
вспомогательного регулятора тока). Регулятор скорости выполнен как PI-регулятор
с дополнительной выбираемой D-компонентой. Кроме того, переключаемая
статическая часть является выбираемой. Все параметры регулятора можно
настраивать независимо друг от друга. Значение Кр (усиление) можно адаптировать
в зависимости от сигнала конектора. При этом Р-усиление регулятора скорости
можно настроить в зависимости от текущего значения скорости, от текущего
значения тока, от разности заданного и текущего значений или от диаметра
обмотки.Рассмотрим принцип ограничения момента и тока. В зависимости от
параметрирования выход регулятора скорости представляет собой либо задание
момента, либо задание тока. В режиме регулирования момента выход регулятора
скорости оценивается совместно с потоком машины Φ и
затем в виде задания по току передается на регулятор тока. Режим регулирования
момента используется прежде всего при понижении тока, чтобы независимо от
скорости вращения можно было бы ограничить момент двигателя. В качестве
действующего ограничения момента всегда принимается наименьшая заданная
величина. После ограничения момента можно дополнительно прибавить задание
момента. Ограничение тока, устанавливаемое после ограничения момента, служит
для защиты преобразователя и двигателя. В качестве действующего ограничения
тока всегда принимается наименьшая из заданных величин.
Теперь перейдем к рассмотрению принципа
регулирования тока. Регулятор тока выполнен как PI-регулятор с независимыми
друг от друга настраиваемыми Р-усилением и постоянной времени регулирования.
При этом составляющие Р и I могут отключаться (чистое Р- или I- регулирование).
Текущее значение тока регистрируется на стороне переменного тока при помощи
преобразователя тока и передается через полное сопротивление трансформатора и
выпрямитель на аналогово-цифровой преобразователь. Разрешение составляет 10 бит
на номинальный ток преобразователя. В качестве задания по току используется
выход ограничителя тока. Выход регулятора тока выдает на блок управления
управляющий угол, параллельно этому действует управление с двойным усилением.
Такое управление в контуре регулирования тока улучшает динамику регулирования.
Благодаря этому становится возможным таймерный интервал регулирования от 6 до 9
мс. Управление с двойным усилением действует в зависимости от задания по току и
ЭДС двигателя и обеспечивает благодаря этому при прерывистом и непрерывистом
токе и даже при смене направления момента ввод необходимого управляющего угла в
блок управления. Блок управления образует синхронно с сетевым напряжением
управляющий импульс для тиристоров силовой части. Синхронизация является независимой
от вращающегося поля и от питания электроники и воспринимается силовой частью.
Положение управляющего импульса во времени определяется выходным значением
регулятора тока и управлением с двойным усилением.
Теперь рассмотрим функции регулирования в
контуре возбуждения. Регулятор ЭДС сравнивает заданное и текущее значения ЭДС
(индуцированное напряжение двигателя) и выдает задание для регулятора тока
возбуждения. Благодаря этому становится возможным зависимое от ЭДС
регулирование с понижением тока. Регулятор ЭДС работает как PI-регулятор. Р- и
I- компоненты можно настраивать независимо друг от друга или же регулятор может
работать как чистый Р- или I- регулятор. Параллельно с регулятором ЭДС работает
управление с двойным усилением, которое в зависимости от скорости управляет
заданием тока возбуждения при помощи автоматически формируемой характеристики
поля. После регулятора ЭДС находится суммирующая ячейка, которая может вводить
дополнительное задание поля при помощи конектора, например, через аналоговый
вход или через последовательный интерфейс. Совместно действует ограничение для
задания возбуждения. При этом задание по возбуждению можно независимо друг от
друга ограничить по одному минимальному и по одному максимальному значению.
Ограничение производится с помощью параметра или конектора. При этом минимум
действует для верхней границы, а максимум - для нижней. Регулятор тока
возбуждения для поля - это РI-регулятор с независимыми настройками для Кр и Тn.
Дополнительно он может работать как чистый Р- и I- регулятор. Параллельно с
регулятором тока возбуждения работает управление с двойным усилением, которое в
зависимости от задания по току сетевого напряжения определяет угол управления
для контура возбуждения и устанавливает его. Управление двойным усилением
поддерживает регулятор тока и обеспечивает ему динамические характеристики в
контуре возбуждения.Блок управления в контуре возбуждения образует в контуре
возбуждения синхронно с сетевым напряжением управляющий импульс для тиристоров
силовой части. Синхронизация воспринимается силовой частью и благодаря этому
независима от питания электронной части. Положение управляющего пульса во
времени определяется выходным значением регулятора тока и управлением с двойным
усилением. Ограничение регулирования производится через параметр. Блок
управления автоматически настраивается на частоту сети в диапазоне 45 … 65 Гц.
Рисунок 1 - Принципиальная схема электропривода
SIMOREG 6RA70
Таблица 2 - Параметры привода фирмы Siemens
|
Номинальное
входное напряжение
|
3
AC 400/460/575 V
|
|
Номинальный
постоянный ток якоря
|
15
А - 280 А
|
|
Номинальный
постоянный ток возбуждения
|
5
А - 15 А
|
|
Номинальная
частота
|
45…65
Гц
|
|
Габариты
(В х Ш х Г)
|
385
х 265 х 239
|
|
Постоянная
регулирования
|
Δn
= 0,006 % номинальной скорости двигателя действует при
импульсном режиме и цифровом задании; Δn = 0,1 % от
расчетной скорости вращения двигателя действительно при аналоговом
тахогенераторе или при аналоговом задании.
|
|
Изоляция
|
класс
3K3 по DIN IEC 60 721-3-3
|
|
Категория
по перенапряжению
|
Категория
III по DIN VDE 0110-1 для силовой части и электропитания; Категория II по DIN
VDE 0110-1 для электроники;
|
|
Устойчиваость
к перенапряжению
|
Класс
1 по DIN VDE 0160
|
|
Степень
защиты
|
IP
00 по EN 60 529
|
|
Класс
защиты
|
Класс
I по DIN VDE 0106
|
.1 Расчет и выбор преобразовательного
трансформатора
ЭДС двигателя при его работе в номинальном
режиме определяется из выражения/1/, В:
Едв.н = Uдв.н - Iдв.н ∙Rя,
где Uдв.н - номинальное напряжение двигателя, В;
Iдв.н - номинальное значение тока
электродвигателя, А;
Rя - полное сопротивление якорной цепи, Ом.
Едв.н = 53 - 50∙0,0574 = 50,13.
Ориентировочное значение ЭДС холостого хода, В:
,
где Едв.н - ЭДС двигателя при его
работе в номинальном режиме, В;
К1 - коэффициент перегрузки
электродвигателя по току; дв.н - номинальное значение тока электродвигателя
(Iдв.н = Idн), А;Σ - суммарное
активное сопротивление цепи выпрямленного тока (величина Iдв.н∙RΣ
ориентировочно может быть принята равной (0,1- 0,2)Uдв.н);
∆Uв =(0,1 - 0,5)В - напряжение
спрямления вольтамперной характеристики;
Кс - коэффициент, определяющий
возможные колебания напряжения в питающей сети (величина Кс может быть принята
1,1 - 0,9);
αmin = 7 - 10 электрических
градусов - минимальный угол регулирования преобразователя;
А - коэффициент, характеризующий
наклон нагрузочной характеристики преобразователя от влияния коммутации
вентилей (для трехфазной мостовой схемы А = 0,5);% = (3 - 7)% - напряжение
короткого замыкания трансформатора;
= 1 - коэффициент, определяющий
степень загрузки преобразовательного трансформатора.
В.
Значение требуемого фазного
напряжения на вторичной стороне преобразовательного трансформатора определяется
соотношением:
, (3.1)
В.
Коэффициент трансформации:
,
где U1л - линейное напряжение
первичной обмотки трансформатора (напряжение сети), В;
U2л =
∙U2ф =
∙22,5
= 38,95 В - линейное напряжение вторичной обмотки трансформатора (U2ф = Е2ф);
.
Действующее значение тока вторичной
обмотки:
,
где Idн - номинальное среднее
значение выпрямленного тока (Idн = Iдв.н), А.
А.
Действующее значение тока первичной
обмотки:
,
А.
Мощности первичной S1 и вторичной S2
обмоток определяются выражением:
, (3.2)
где Рdo = Edo∙Idн -
максимальная расчетная мощность на стороне выпрямленного напряжения, Вт.
кВт.
Типовая мощность силового
трансформатора рассчитывается по формуле:
. (3.3)
кВт.
Преобразовательный трансформатор
выбираем по соотношениям (3.1) - (3.3). Параметры и тип преобразовательного
трансформатора сведены в таблицу 3.1.
Таблица 3.1 - Параметры
преобразовательного трансформатора
|
Тип
трансфор-матора
|
Сетевая
обмотка
|
Вентильная
обмотка
|
Потери,
Вт
|
Напряже-ние
короткого замыкания, %
|
Ток
холо-стого хода
|
|
Мощ-ность,
кВ∙А
|
Напря-жение,
кВ
|
Напря-жение,
В
|
Ток,
А
|
холосто-го
хода
|
короткого
замыкания
|
|
|
|
ТСТ-6,3
УХЛ4
|
5
|
380
|
60
|
48
|
75
|
175
|
2
|
15
|
Действительное значение ЭДС
холостого хода преобразователя
определяем, решая уравнение (3.1)
относительно
. Получаем:
.
Значение действительного фазного
напряжения на вторичной стороне преобразовательного трансформатора:
,
где U2л - линейное напряжение
вторичной обмотки преобразовательного трансформатора, В.
В.
В.
.2 Выбор тиристоров
Максимальное обратное напряжение на
вентилях для трехфазной мостовой схемы определяется соотношением/1/:
,
В.
Необходимый класс вентилей по
напряжению выбираем на основании соотношения:
кл = Кn∙Kн∙Uvm, (3.4)
где Кn = 1,25; Кн = 1,5 -
коэффициенты, учитывающие повторяющие и кратковременные перенапряжения на
вентилях.
кл = 1,25∙1,5∙84,9 =
159,1 В.
Выбор вентиля по току производим на
основании максимального среднего значения тока, проходящего через тиристор:
, (3.5)
где m2 = 3 - число фаз
преобразователя.
А
Выбор тиристоров производим на
основании соотношений (3.4) и (3.5). Выбираем тиристоры из /7/ типа Т - 25
низкочастотные, класс - 2, не лавинные, повторяющегося напряжения Uп = 200 В,
неповторяющегося напряжения Uнеп = 225 В, предельного тока Iп = 25 А.
3.3 Выбор сглаживающего дросселя
В симметричной мостовой схеме амплитудные
значения гармонических составляющих выпрямленного напряжения Udm связаны с его
значением Udo следующим выражением:
, (3.7)
В симметричной мостовой схеме
наибольшую амплитуду имеют основные гармоники (К = 1). Амплитуды гармоник более
высокой кратности значительно меньше, а действие реактора на них эффективнее,
поэтому расчет индуктивности дросселя производим по основной гармонике. Для
симметричной трехфазной мостовой схемы число пульсаций равно единице (р = 1).
Из соотношения (3.7) выражаем
амплитудное значение гармонических составляющих выпрямленного напряжения
В.
Требуемая индуктивность цепи
выпрямленного тока может быть определена по формуле, Гн
,
где ω = 314 -
круговая частота сети, с-1;
Idн - номинальный выпрямленный ток
преобразователя, А.
Гн.
Требуемое значение индуктивности
сглаживающего дросселя определяется по соотношению
,
где n - число фазных обмоток
трансформатора, находящихся в цепи выпрямленного тока (для трехфазной мостовой
схемы n = 2);- индуктивность фазы преобразовательного трансформатора,
приведенная к вторичной обмотке, Гн;яд = 0,422 мГн - индуктивность якоря
двигателя.
Индуктивность фазы
преобразовательного трансформатора приближенно можно определить из уравнения,
Гн
,
где ик% - напряжение короткого
замыкания трансформатора;- ток фазы трансформатора.
Гн.
Тогда требуемое значение
индуктивности сглаживающего дросселя
Гн.
На основании требуемого значения
индуктивности сглаживающего дросселя и тока протекающего в цепи выпрямленного
тока выбираем реактор типа ФРОС-65/0,5У3 с техническими данными:
Номинальный
выпрямленный ток, А……………………………….....…320
Индуктивность,
мГн………………………………………………………....1
Активное
сопротивление, мОм……………………………………….......4,5
Масса,
кг………………………………………………………………….....84
ФРОСЗ - фильтровый реактор, однофазный, сухой, с
естественным воздушным охлаждением. Реактор предназначен для сглаживания
пульсаций выпрямленного тока в главных (якорных) цепях электропривода.
.4 Расчет и выбор элементов защиты тиристорного
преобразователя от коммутационных перенапряжений
Для уменьшения перенапряжений на тиристорах в
силовой схеме используются шунтирующие RC-цепочки. Значение емкости в
выбирается равным С = 1 - 2 мкФ (принимаем С = 1 мкФ), а сопротивление с учетом
соотношения:
,
где L = 2∙Lтр - индуктивность
коммутационного контура, Гн;
С - выбранное значение емкости
защитной цепочки, Ф.
= 2∙Lтр = 2∙0,046∙10-3
= 0,092∙10-3 Гн,
,
.
Выбираем:
конденсатор
типа К10 -
47 номинальной ёмкости 1 мкФ;
резисторы
типа МЛТ с
номинальным сопротивлением 15 кОм (ряд Е24).
.5 Расчет и выбор измерительного
шунта
Измерительный шунт выбирается по
максимальному току, протекающему в силовой цепи, т.е. по пусковому току
А.
Выбираем измерительный шунт
75ШСМ-150 со следующими техническими данными:
Номинальный
ток шунта
,
А………………………………………..150
Номинальное
падение напряжения
,
мВ……………………………75
.6 Расчет параметров цепи якоря двигателя
Эквивалентное сопротивление якорной цепи
двигателя определяется:
где
- активное сопротивление обмотки
трансформатора, приведенное к цепи выпрямленного тока, Ом;
- коммутационное сопротивление, Ом;
- сопротивление щеточного контакта,
Ом.
Сопротивление обмотки
трансформатора, Ом:
;
где
- потери короткого замыкания, Вт;
- ток вторичной обмотки
трансформатора.
.
Коммутационное сопротивление
определяется выражением, Ом:
где
Ом - индуктивное сопротивлении фазы
трансформатора.
.
где
- падение напряжения на щеточном
контакте, В.
Тогда эквивалентное сопротивление якорной цепи
двигателя
Ом.
Расчетная индуктивность якорной цепи
двигателя, Гн:
;
.
Электромагнитная постоянная времени
якорной цепи, с:
Электромеханическая постоянная
времени равна, с:
где
В∙с - коэффициент
пропорциональности между моментом и током.
3.7 Определение коэффициента усиления
тиристорного преобразователя
Для определения коэффициента усиления
тиристорного преобразователя необходимо построить регулировочную характеристику
преобразователя, определяемую выражением:
где
- ЭДС холостого хода
преобразователя при угле регулирования
= 0.
Регулировочная характеристика
преобразователя приведена на рисунке 3.1.
Рисунок 3.1 - Регулировочная
характеристика тиристорного преобразователя
Рисунок 3.2 - Зависимость
Коэффициент передачи тиристорного
преобразователя определяется выражением
.
4. Расчет параметров системы регулирования,
настройка регуляторов
В настоящее время системы следящего
электропривода строятся по принципу подчиненного регулирования. Структурная
схема системы подчиненного регулирования, соответствующая комплектному
электроприводу “Simoreg DC-master 6RA70” и дополненная контуром положения с
компенсацией скоростной ошибки имеет вид приведенный на рисунке 4.1.
Рисунок 4.1 - Структурная схема привода
.1 Расчет контура регулирования тока
Контур регулирования тока якоря является
внутренним контуром системы автоматического управления электроприводом.
Объектом управления внутреннего контура (контура тока) является тиристорный
преобразователь и якорная цепь электродвигателя.
Передаточная функция тиристорного
преобразователя
где
- коэффициент передачи тиристорного
преобразователя;
с - постоянная времени тиристорного
преобразователя.
Коэффициент обратной связи по току,
Ом
,
где
- напряжение задания тока, В;
А - пусковой ток двигателя.
При настройке системы регулирования
считаем, что внутренней обратной связью по ЭДС двигателя можно пренебречь,
тогда передаточная функция разомкнутого контура тока:
,
где
- передаточная функция оптимального
разомкнутого контура.
.
где
- малая постоянная времени контура
регулирования.
В контуре тока целесообразно за
малую постоянную времени контура брать постоянную времени тиристорного
преобразователя, с
.
Тогда
,
где
- коэффициент передачи регулятора
тока:
.
с - постоянная времени регулятора
тока, с:
Таким образом регулятор тока и имеет
вид пропорционально - интегрального звена. Реализация такого звена на базе
операционного усилителя приведена на рисунке 8.4.
Рисунок 4.2 - Схема регулятора тока
Определим параметры схемы регулятора
тока. Передаточная функция такой схемы имеет вид:
.
=
.
Тогда
=
,


.
Отсюда
,
.
Принимаем
мкФ, тогда
сопротивления, кОм:
4.2 Расчет контура регулирования скорости
Замкнутый контур скорости включает в себя
регулятор скорости, контур тока и механическую часть электропривода.
Коэффициент обратной связи по скорости, В∙с:
;
где
- напряжение задания тока, В.
.
Технологический процесс требует
отсутствия статической ошибки по скорости, т.е. система должна быть
астатической по скорости. Это достигается применением ПИ - регулятора скорости.
Поэтому настройку контура тока целесообразно производить на симметричный
оптимум.
Пренебрегая внутренней обратной
связью по ЭДС двигателя, определяем передаточную функцию замкнутого контура
тока:
Составляющая
, тогда
Передаточная функция разомкнутого
контура скорости:
.
За малую постоянную времени контура
скорости принимаем, с :
.
Тогда
.
передаточная функция оптимального
разомкнутого контура при настройке на симметричный оптимум:
.
Тогда передаточная функция
регулятора скорости:
,
где
- коэффициент передачи регулятора
тока:
;
- постоянная времени регулятора
тока, с:
.
Таким образом регулятор скорости и
имеет вид пропорционально - интегрального звена. Реализация такого звена на
базе операционного усилителя приведена на рисунке 8.5.
Рисунок 4.3 - Схема регулятора
скорости
Определим параметры схемы регулятора
скорости. Передаточная функция такой схемы имеет вид
.
=
.
Тогда
=
,

.
Отсюда
,
.
Принимаем
мкФ, тогда
сопротивления, кОм:
;
.
.3 Расчет контура положения
Контур положения является внешним
контуром, он образуется регулятором положения, датчиком положения (угла
поворота вала) ДП, контуром регулирования скорости, контуром регулирования тока
якоря. Сигнал задания положения для регулятора положения вырабатывает КУ-
командное устройство, регулятор положения вырабатывает сигнал задания для
регулятора скорости.
Датчик положения считаем идеальным,
т.е. принимаем передаточную функцию датчика:
Настройку контура положения
осуществляем на модульный оптимум. При такой настройке передаточная функция
регулятора положения будет иметь вид
где
- коэффициент обратной связи по
положению;
- коэффициент передачи широтно-импульсного
фазового дискриминатора;
- коэффициент передачи редуктора;
- малая постоянная времени контура
положения.
Датчик положения считаем идеальным,
тогда
;
Коэффициент передачи
широтно-импульсного фазового дискриминатора определяем, В/м:
где U1max - максимальное напряжение
на выходе дискриминатора, (U1max=10В);
∆
- цена
импульса по фазе в градусах (для расчетов рекомендуется принять
=3,60);
h = 0,02 мм - цена импульса.
.
Тогда передаточная функция
регулятора положения
.
Таким образом, регулятор положения
является пропорциональным звеном. . Реализация такого звена на базе
операционного усилителя приведена на рисунке 8.6.
Рисунок 4.4 - Схема регулятора
положения
Определим параметры схемы регулятора
положения. Передаточная функция такой схемы имеет вид:
.
Тогда
=
.
Отсюда
.
Задаемся
кОм, тогда
сопротивления, кОм:
.4 Расчет параметров схемы
компенсации скоростной ошибки
Схема компенсации скоростной ошибки
превращает следящий электропривод координаты в комбинированную систему
управления, в которой на ряду с замкнутым каналом по положению появляется
дополнительный разомкнутый канал, позволяющий сделать систему инвариантной к
входному воздействию.
Передаточная функция компенсирующего
звена имеет вид
;
где
- коэффициент передачи схемы
компенсации скоростной ошибки.
где
- степень компенсации скоростной
ошибки;
- добротность по скорости.
Передаточная функция примет вид:
.
.5 Определение ошибок, вносимых
приводом подачи
Контурная погрешность при обработке
окружности определяется выражением:
,
где
- заданный радиус окружности, м;
- максимальная рабочая подача, м/с;
- относительное отклонение
добротностей координатных приводов.
Считаем что добротности следящих
приводов одинаковы (
), тогда
;
Рассчитаем контурную ошибку при
обработке окружности радиусом
(минимальный радиус воспроизводимой
окружности), м:
.
При прямолинейной обработке детали
погрешность определяется выражением:
;
При одинаковых добротностях следящих
приводов (
), м:
.
5. Исследование динамических характеристик
Согласно структурной схеме приведенной на рисунке
5, произведем динамический расчет системы. В процессе моделирования используем
программу структурного моделирования PSM. Целью моделирования системы следящего
электропривода является получение динамических характеристик системы (скорости ω,
тока I, положения х и ошибки Δ
х) для анализа правильности расчета и настройки регуляторов в соответствии с
требованиями предъявляемыми к следящим приводам станков с ЧПУ.
Исследование системы при обработке окружности
минимального радиуса (R = 0,008 м) с максимальной рабочей скоростью подачи
(VP.MAX = 600 мм/мин) осуществляем путем подачи на вход системы гармонического
сигнала.
Рисунок 6.10 - Графики X(t), XЗ(t),ΔХ(t)
при IC = IН = 50 А и
ХЗ
= 0,008∙sin(1,25∙t)
Рисунок 6.9 - Графики ω(t),
I(t) при IC = IН = 50 А и
ХЗ = 0,008∙sin(1,25∙t)
Рисуно 6.8 - Графики X(t), XЗ(t),ΔХ(t)
при IC = IН = 50 А и
ХЗ = 0,008∙t
Рисунок 6.7 - Графики ω(t),
I(t) при IC = IН = 50 А и ХЗ = 0,008∙t
Рисунок 6.5 - Графики X(t),
ΔХ(t)
при IC = IН = 50 А
и ХЗ = 0,015 м
Рисунок 6.4 - Графики X(t),
ΔХ(t)
при приложении IC = 0
и ХЗ = 0,015 м
Рисунок 6.1 - Графики ω(t)
и I(t) при IC = 0 и ХЗ = 0,015 м
Рисунок 6.2 - Графики ω(t),
I(t) при IC = IН = 50 А
и ХЗ = 0,015 м
Рисунок 6.3 - Графики ω(t),
I(t) при ХЗ = 0,015 м и приложении = IН = 50 А через t = 0,7 с
Заключение
В ходе выполнения курсового проекта был
разработан и рассчитан следящий электропривод подачи металлорежущего стенка. А
именно выбран двигатель механизма подачи на основе которого проектировался
следящий электропривод, выбран комплектный электропривод подачи типа «Кемек»,
рассчитаны и выбраны основные элементы электропривода, произведена настройка
его регуляторов в соответствии с техническими требованиями, предъявляемыми к
следящим приводам станков с ЧПУ и технологическому процессу обработки. В
результате моделирования следящей системы были получены динамические
характеристики привода (скорости, тока, положения и ошибки). Полученные графики
удовлетворяют требуемым показателям качества переходных процессов, форма
графиков соответствует выбранным настройкам регуляторов тока, скорости,
положения.
Так же были рассчитаны погрешности вносимые
приводом подачи возникающие при обработке окружности и при прямолинейной
обработке. Контурная погрешность при обработке окружности составила ∆К =
0,159 мм. А при прямолинейной обработке ∆К = 0,795 мм, что является
хорошим показателем точности обработки.
Список использованных источников
Дерюжкова,
Н.Е. Расчёты по автоматизированному электроприводу металлорежущих станков:
Учеб. пособие/ Н.Е. Дерюжкова, В.Ф. Горячев. - Комсомольск-на-Амуре: ГОУВПО
«КнАГТУ», 2004.
Расчёт
тиристорного преобразователя для электропривода постоянного тока: Методические
указания к курсовому расчёту по дисциплине «Преобразовательная техника»/Сост.
Н.Е. Дерюжкова, С.А. Васильченко. - Комсомольск-на-Амуре: ГОУВПО «КнАГТУ»,
2004.
Горячев,
В.Ф. Автоматизация процессов металлообработки: учебное пособие/ В.Ф. Горячев,
Н.Е. Дерюжкова, В.И Суздорф. - Комсомольск-на-Амуре: ГОУВПО «КнАГТУ», 2001.
Соловьев,
В.А. Системы управления электроприводами. Ч. 1: Учеб. пособие/ В.А. Соловьёв -
Комсомольск-на-Амуре: ГОУВПО «КнАГТУ», 2004.
Справочник
по электрическим машинам / Под общей ред. И.П. Копылова, Б.К. Клокова. - М.:
Энергоатомиздат, 1988. - Т.1.
Лебедев
А.М. Следящие электроприводы станков с ЧПУ/ А.М. Лебедев, Р.Т. Орлова, А.В.
Пальцев. - М.: Энергоатомиздат, 1988. - 223с.
Справочник
по преобразовательной технике / Под ред. И.М. Чиженко. - Киев: Техника, 1978. -
477 с.