Система групповой упаковки консервных банок в тару
Введение
Автоматизация технологического процесса - это совокупность
методов и средств, предназначенная для реализации системы или систем,
позволяющих осуществлять управление производственным процессом без
непосредственного участия человека.
Основными целями автоматизации технологического процесса
являются повышение эффективности и безопасности производственного процесса.
К преимуществам автоматизации можно отнести: возможность
значительного повышения производительности труда; более экономичное использование
физического труда, материалов и энергии; более высокое и стабильное качество
продукции; сокращение периода времени от возникновения потребности в изделии до
получения готовой продукции; возможность расширения производства без увеличения
трудовых ресурсов.
Основными требования, предъявляемыми в сфере автоматизации
явялются надежность, переналаживаемость и высокая производительность систем.
Использование промышленных роботов обеспечивает повышение
уровня автоматизации и производительность труда, а также и сменную работу
оборудования.
В данной выпускной работе будет разработана система групповой
упаковки консервных банок в тару.
1. Анализ объекта автоматизации
В данной выпускной работе поставлена задача разработки
технологического процесса сборки.
Технологический процесс реализует задачу групповой загрузки
деталей в картонную тару.
Деталью является жестяная консервная банка.
Банка имеет следующие габариты:
Рисунок 1 - габариты детали
Масса детали 0,455 кг
Высота детали h=86,5 мм
Диаметр детали 83,5 мм
Площадь основания:
Объем банки:
Одновременно выкуумный схват захватывает 8 банок.
Таким образом масса 8 банок составит:
Выберем производительность комплекса 80 банок в минуту.
Расстояние, которое проходит привод линейного перемещения от
одной точки позиционирования до другой составляет 1,5 метра.
Соответственно время заполнения 1 коробки составит 12 секунд.
Так как коробка заполняется за два подхода то время 1 перемещения
линейного привода составит 6 секунд.
Линейная скорость перемещения 0,5 метра в секунду.
Производительность автоматизированного комплекса составляет
4800 банок в час или 38400 банок за один восьмичасовой рабочий день.
. Анализ методов и средств автоматизации процесса сборки
Автомат групповой упаковки в гофротару
Автомат групповой упаковки предназначен для максимальной
автоматизации упаковочного процесса и используется в составе автоматический
упаковочных линий, в том числе как конечный автомат после автомата
картонирования АК-40 или АК-50 и автомата целлофанирования АЦ.
Производительность автомата позволяет использовать его совместно с несколькими
упаковочными линиями, если они фасуют одинаковую продукцию.
Преформа гофрокороба из кассеты поступает в автомат, где
автоматически раскрывается и подается на позицию упаковки. Коробочки по
транспортеру-накопителю подаются к группирующему устройству, где собираются в
ряды по ширине и высоте гофрокороба. Сформированный ряд подается в гофрокороб.
Короб опускается на высоту одного ряда, и операция повторяется до полного
заполнения короба. Клапаны гофрокороба закрываются и фиксируются липкой лентой
с одной стороны или вокруг короба. Укладка гофрокоробов на поддон производится
вручную. В соответствии с желанием заказчика автомат может быть дополнительно
укомплектован: принтером даты, для нанесения данных о продукте и дате его
выпуска системой подводящих, отводящих транспортеров, транспортером накопителем
для оптимизации процесса упаковки и для полной автоматизации процесса, при
проектировании транспортерной системы учитываются особенности помещения и
технологического процесса. Автомат может так же комплектоваться системой
управления другими автоматами, стоящими в технологической линии.
Обслуживать ее может один оператор и один подсобный рабочий
(грузчик). В целом внедрение комплексной автоматической линии заменяет до 12
человек упаковщиц (в одну смену) и подсобных рабочих (занятых на
вспомогательных операциях, таких как предварительная сборка гофрокороба, нанесение
вручную информации на пачку и гофрокороб, перетаскивание полуфабрикатов на
различные технологические участки).
Универсальная машина упаковки
Универсальная машина, выполняющая несколько операций:
формирование короба, укладку в него продукции и заклейку короба. Машина
оснащена собственным транспортером подачи продукта.
Особенность модели заключается в том, что укладку продукции
выполняет 4-х осевой робот-укладчик. Это позволяет собирать произвольно лежащий
одиночный продукт с высокой эффективностью.
Скорость робота - до 90 циклов/минуту.
Групповая упаковка.
Автомат предназначен для комплектации ряда продукции
(бутылок, контейнеров, коробок, банок, ампул, флаконов, мешков) в групповую
упаковку.
Роботизированные укладчики.
Задачей роботизированного укладчика является перемещение
продукта, имеющего относительно небольшие геометрические размеры и вес с
большой производительностью (более 10 000 шт/час).
. Разработка технологического процесса:
В ходе данного технологического процесса будет реализована
групповая загрузка консервных банок в тару.
Загрузка осуществляется перемещением банки из вибрационного
накопителя в тару, находящуюся на шаговом конвейере.
Всего в тару можно загрузить 16 банок. Упаковка
осуществляется в два этапа по 8 банок за один раз.
Данный технологический процесс состоит из следующих этапов:
1. Перемещение деталей в зону первичного ориентирования
2. Ориентирование деталей в накопителе
. Перемещение пустой тары
. Захват первой партии деталей вакуумным захватным
устройством
. Перемещение деталей из накопителя в тару
. Упаковка первой партии деталей в тару
. Захват второй партии деталей
. Упаковка второй партии деталей в тару
. Премещение заполненной тары на 1 шаг
. Повторение цикла
Иллюстратор технологического представлен на рисунке
Рисунок 2- иллюстратор технологического процесса
. Подбор оборудования и компоновка линии
Для захвата банок используются вакуумные захваты (присоски) с
соединительной резьбой
VAS: Присоски, диаметр 1…125 мм изготовлены из полиуретана
Особенности схватов:
Удержание заготовок и гладкой непрерывной поверхностью
Могут быть приспособлены для работы с неровными, скругленными
и ребристыми поверхностями при помощи сильфонных присосок
Принадлежности
компенсатор длины для устранения расхождений по высоте
адаптер для вакуум-генераторов для крепления на штоке
цилиндра
Для транспортировки тары используется цепной конвейер
Цепные (пластинчатые) конвейеры в различных вариантах
исполнения: одноручьевые или многоручьевые, прямые, наклонные и поворотные;
материал изготовления пластин - пластмассы или нержавеющая сталь. Конвейеры
цепные (пластинчатые) предназначены для транспортирования штучных предметов
(бутылок, банок, жесткой тары и т.п.). В качестве грузонесущего элемента
используется металлический или пластмассовый носитель, состоящий из отдельных
пластин, прикрепленных к одной или двум тяговым втулочно-роликовым цепям.
Для транспортировки консервных банок используется
вибрационный транспортный желоб с накопителем.
Для обеспечения связи между виброконвейером и цепным
конвейером и перемещением банок из накопителя в тару используется универсальный
портальный модуль.
Рисунок 3 - общий вид линии
1 напрявляющая,
2 подъемные салазки,
- поворотный привод,
- специальная транспортерная лента,
- боковая направляющая,
- банка,
- прямолинейный вибрационный желоб,
- тара для упаковки,
- стойка
- поводок
- вакуумный захват
Показанная на рисунке установка предназначена для групповой
упаковки жестяных банок, при этом одновременно перемещаются 8 банок. Это
позволяет применять линейные модули, которые имеют только два конечных
положения. Тара для упаковки перемещается шагами. Для этого используется
храповой механизм с остановками цепи конвейера. Схема храпового механизма
представлена на рисунке 4
Рисунок 4 - механизм остановки конвейера
На ведущий вал 7, вращающийся вокруг неподвижной оси A,
жестко насажена втулка 1, к которой в точке В шарнирно присоединена собачка 2.
Входя под действием
пружины 6 в зацепление с храповым колесом 3, собачка 2 поворачивает жестко
скреп ленную с храповым колесом цепную
звездочку 4, приводящую в движение роликовую цепь 5. Приходя
в соприкосновение с неподвижным пальцем b, собачка 2 разъединяется с храповым
колесом 3 и цепная звездочка 4, а следовательно, и цепь 5 остаются неподвижными
все время, пока палец b скользит по стороне а - а собачки 2. Механизм
применяется в конвейерах,
Периодические остановки цепи необходимы для загрузки
конвейера
Для ориентировани деталей после их прохожденя по вибролотку
используется веерообразная накопительная система. Распределение и
ориентирование банок осуществялется с помощью отклоняющих заслонок.
Схема делительной системы и накопителя представлена на
рисунке 5
Рисунок 5 - веерообразная делительная система
1- подводщий лоток
2- отводные каналы
- отклоняющая заслонкаVI - распределенные потоки
деталей.
Управление отклоняющии заслонками осуществляется с помощью
логических элементов и оптических датчиков.
. Расчет узла
Общие сведения о расчете вакуумных захватных устройств:
Расчет ВЗУ предполагает определение:
) равнодействующей всех внешних сил, отрывающих деталь от
ВЗУ;
) минимально допустимой силы притяжения ВЗУ;
) требуемой площади и размеров присосов.
Расчет равнодействующей:
В процессе захвата, подъема и перемещения груза
грузоподъемность ВЗУ не остается постоянной ― она зависит от
соотношения сил P, N и Т, удерживающих груз, стремящихся оторвать его и
сдвинуть соответственно.
Рисунок 6 - Взаимодействие сил при подъеме и
транспортировании груза
Рисунок 7 - Расчетная схема ВЗУ для определения снижения его
грузоподъемности
Равнодействующую Ro всех внешних сил (статических от массы
груза G, динамических Рд, ветровых Pв и др.), отрывающих груз от ЗУ, можно
разложить на составляющие: нормальную N и касательную Т.
Подъем в вертикальном направлении, когда сила тяжести по
направлению совпадает с силой прижатия к ЗУ
= Q + PД + PВ; T = 0;
Расчет удерживающего усилия:
Для надежного удержания груза ВЗУ необходимо, чтобы состав-
ляющие удерживающих сил были больше соответствующих сил
отрыва,
> N или P = KN*N; Т'т > Т и Т"т > Т или Т'т =
КтТ; Т"т > КтТ,
где KN и Кт ― соответственно коэффициенты
запаса по силам отрыва и сдвига груза.
Для нормальной работы ВЗУ необходимо, чтобы разница между
силой Р (прижатия груза) и N (нормальной составляющей силы отрыва) была
достаточной для создания давления q в контакте уплотнения присоски и поверхности
груза, обеспечивающего герметизацию камеры:
Р ― N = q*Sy,
где Sy ― контактная площадь
уплотнения.
Необходимое давление на герметизирующей кромке присоски при
ее контакте с грузом зависит как от материала уплотнения, так и от
шероховатости груза. Предельное значение силы N, при которой сохраняется
достаточное для герметизации давление qmin в контакте уплотнения присоски и
поверхности груза при известной силе вакуумного притяжения, можно определить из
условия: N = P = qmin*Sy. Значения qmin выбраны из справочника МПа.
Для получения надежной герметизации поверхности груза по
плоскости уплотнения последнее должно подвергаться деформации сжатия на
определенную величину, которая зависит в основном от материала уплотнения и
шероховатости поверхности груза.
Расчет размеров присосок
Площадь присосок и разрежение в них определяют из уравнений:
где: Ра, Pb ― соответственно
атмосферное и остаточное давление внутри камеры, Па; n ― количество присосок в ЗУ; So ― площадь присоски, м2.
Расчет конкретного узла.
Для того, чтобы расчитать сборочный узел необходимо знать
следующие данные:а=0,01013 МПа - атмосферное давление;
кТ= 1,5 и значение коэффициента запаса по сдвигу
кn =1,2 значение коэффициента по отрыву,
Р1 = 0,1 кПа
Значение нормальной составляющей отрывающих сил:
Значение нормальной составляющей силы реакции захвата:
,
Отсюда следует, что
Н;
Значение результирующей всех отрывающих сил:
Н;
Значение касательной составляющей сил реакции захвата:
H;
Значение диаметра присоса получим из следующих формул:

Так как диаметр ободка обычно составляет 0,06-0,12d.схвата,
то получим:
Из стандартного ряда размеров вакуумных схватов выберем, округлив
в большую сторону:
Диаметр схвата равен 65 миллиметров.
Действительное подъемное усилие N1, развиваемое
вакуум захватом, определяется выражением
,
,
,
>N2 условие выполняется.
Следовательно, подъемная сила захватного устройства достаточна для
подъема и перемещения груза.
. Разработка системы управления
Для разработки сисетмы управления необходимо вначале
реализовать алгоритм работы технологического процесса.
После составления алгоритма работы станции необходимо выбрать
элементы, которые должны быть размещены на электрической и пневматической
схемах управления.
Схема управления технологическим процессом разработана в
программе FluidSim Pneumatic
По составленным схемам системы управления впоследствии можно
написать программу, реализующую работу системы.
Алгоритм работы технологического комлекса предствлен ниже.
упаковка консервная банка тара
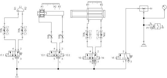
Пневматическая схема управления автоматизированным комплексом
упаковки жестянок
Пневматическая схема управления включает в себя:
- Поворотный привод с конечными точками
позиционирования R1, R2
- Линейный привод горизонтального перемещения каретки
с конечными точками позиционирования A1, A2, A3
Линейный привод опускания и подъема пневмосхвата с
конечными точками позиционирования B1, B2
Вакуумный схват
Дроссели с обратными клапанами, позволяющие
регулировать скорость перемещения привода
Пневмораспределители
Пневматический датчик наличия детали P1
Эжектор
Манометр
Для упрощения внешнего вида и наглядности пневмосхемы на ней
изображен только один пневмосхват.
Электрическая схема управления автоматизированным комплексом
упаковки жестянок
Заключение
В ходе данной выпускной работы был разработан технологический
процесс групповой упаковки консервных банок в картонную тару.
В ходе работы над заданием был разработан иллюстратор технологического
процесса, составлена общая компоновка линии и изображен ее полный внешний вид.
Кроме того, был выполнен расчет сборочного узла и изображена
его конструкция.
Библиографический список
1.
Справочник технолога-машиностроителя. В 2-х т. Т.1/ Под. Ред. А.Г. Косиловой и
Р.К. Мещерякова - 4-е изд., перераб и доп. - М.: Машиностроение, 1986. 656 с.,
ил.
.
Козырев Ю.Г. Промышленные роботы. Справочник.-М.: Машиностроение, 1983.-376 с
.
Анурьев В.И. Справочник конструктора машиностроителя: В 3 т. Т.1. - 8-е изд.,
перераб. и доп. Под ред. И.Н. Жестковой. - М.: Машиностроение, 2001 - 920 с.:
ил.
.
Пашков Е.В., Осинский Ю.А., Четверкин А.А. Электропневмоавтоматика в
производственных процессах: Учебное пособие. - Севастополь: Изд-во СевГТУ,
1997. - 368 с.: ил.
5.
Пашков Е.В. Транспортно-накопительные и загрузочные системы в сборочном
производстве /Е.В. Пашков, В.Я. Копп, А.Г. Карлов. - К.: УМК ВО, 1992. - 536 с.
.
Каталог фирмы “Festo”