Автоматизация главной водоотливной установки в условиях рудника 'Каула-Котсельваара' ОАО ГМК 'Печенганикель'
Министерство образования и наук
Российской федерации
Федеральное агентство по образованию
Государственное образовательное
учреждение
высшего профессионального образования
Санкт-Петербургский государственный
горный институт им. Г. В. Плеханова
(технический университет)
кафедра АПП
УТВЕРЖДАЮ
Зав. кафедрой
АПП
_____________проф.
Р. М. Проскуряков
_____________2005
г.
ЗАДАНИЕ НА ПРОЕКТИРОВАНИЕ
Студенту: Шимпф Елене Николаевне уч.
группа ЭР-99-1847
Тема: Автоматизация главной
водоотливной установки в условиях рудника “Каула-Котсельваара” ОАО ГМК
“Печенганикель”.
Исходные
данные:
Технические,
технологические, технико-экономические материалы комбината “Печенганикель” и
рудника “Каула - Котсельваара”, материалы производственной практики,
научно-технические отчеты кафедры АПП.
Тема
специальной части: Система автоматического управления насосами главного
водоотлива.
Требования к
графической части проекта и пояснительной записке содержатся в Методических
указаниях по проектированию.
Руководитель
проекта: доцент __________________ Маларев В.И.
Дата выдачи
задания: 20 декабря 2004 г.
Министерство образования и наук
Российской Федерации
Федеральное агентство по образованию
Государственное образовательное
учреждение
высшего профессионального образования
Санкт-Петербургский государственный
горный институт им. Г.В. Плеханова
Допускается к
защите в ГАК
Зав.кафедрой
АПП
_______________
проф. Р.М.Проскуряков
“_______”
______________________ 2005 г.
ДИПЛОМНЫЙ ПРОЕКТ
ДП.99.1847.00
ПОЯСНИТЕЛЬНАЯ ЗАПИСКА
Тема: Автоматизация главной
водоотливной установки в условиях рудника “Каула-Котсельваара” ОАО ГМК
“Печенганикель”.
Автор:
студент гр. ЭР-99 /______________/ / Шимпф Е.Н.. /
Руководитель проекта: доцент /
______________/ / Маларев В. И./
Рецензент: профессор /______________/ /
Сарвин А.А./
Консультанты:
каф. ЭА и ЭМ: профессор
/______________/ /Козярук А. Е./
доцент /______________/ /Ганский
В. П./
каф. БП и
РГП: профессор /______________/ /Сметанин М. М./
Санкт-Петербург
г.
Аннотация
В проекте рассматриваются вопросы автоматизации шахтной водоотливной
установки. Анализ требований к аппаратуре автоматизации позволяет использовать
в качестве устройства управления насосом микропроцессорный контроллер
КР1816ВЕ48.
Предлагаемая система автоматизации на основе микро ЭВМ позволяет повысить
надёжность работы водоотливной установки в целом, снизить затраты на содержание
и её обслуживание, а также на электроэнергию.
Пояснительная записка представлена на 104 стр., содержит 26 таблицы и 14
иллюстраций. Графический материал представлен на 8 листах.
Abstract
graduation paper is the project which examines the automation
of the pit’s water-pumping installation.analysis of the requirement to the
automation’s equipment make it possible to use the microprocessor controller
kp1816BE48 as a control unit of the water-pumping installation.in the project
automation system allows to raise reliability of the functioning the
water-pumping installation as a whole, to reduce expenses on the maintenance
and service on water-pumping installation, as well as on the electric
power.project consists of 104 pages of text, 26 tables and 14 drawings.
Graphical material is presented on 8 draught sheets.
ОГЛАВЛЕНИЕ
Введение
. Общая часть
.1 Общие сведения о районе и месторождении
.1.1 Географо-экономические сведения
.2 Геологическое строение района и месторождения
.2.1 Структура месторождения
.2.2 Морфология рудных тел
.2.3 Гидрогеологические условия и ожидаемые водопритоки
.3 Горная часть
.3.1 Существующее состояние горных работ
.3.2 Горно-геологические условия отрабатываемого
месторождения
.3.3 Система разработки
.3.4 Условия применения систем разработки
.4 Водоотлив при проходческих работах
. Стационарные установки
.1 Водоотливные установки
.2 Эксплуатационный расчёт водоотливной установки
.3 Схема вентиляции
.4 Подъёмные установки
. Электроснабжение водоотливной установки
.1 Расчёт электроснабжения участка водоотлива
.2 Расчёт снабжения потребителей на 6 кВ
.3 Расчёт потребителей низкого напряжения
. Электропривод компрессора
.1 Техническое задание
.2 Общие сведения о компрессоре
.3 Разработка алгоритма и силовой схемы электропривода
.4 Выбор электродвигателя
.5 Выбор закона управления
.6 Математическая модель двигателя
. Разработка систем автоматизации водоотливной
установки
.1 Общие сведения о водоотливе
.2 Постановка задачи
.3 Построение математической модели
.4 Проведение экспериментов с моделью
.5 Требования, предъявляемые к аппаратуре
.6 Устройство микропроцессора
.7 Аппаратура автоматизации водоотливной установки на
микро-ЭВМ
.8 Ориентировочный расчёт надёжности аппаратуры
.9 Монтаж и наладка устройств
. Экономическое обоснование
. Безопасность жизнедеятельности
.1 Анализ потенциальных опасностей
.2 Анализ травматизма и профзаболеваний
.3 Борьба с рудничной пылью
.4 Электробезопасность
.5 БЖД при чрезвычайных ситуациях
.6 План ликвидации аварии
. Охрана окружающей среды
.1 Характеристика предприятия
.2 Характеристика источников загрязнения окружающей среды
.3 Охрана атмосферы
.4 Охрана и рациональное использование водных ресурсов
.5 Охрана и использование земельных ресурсов
.6 Охрана и рациональное использование недр
.7 Использование отходов
. Заключение
. Библиографический список
ВВЕДЕНИЕ
Водоотливные установки горных предприятий, отрабатывающих обводненные
участки, представляют собой сложный энергомеханический комплекс, автоматизация
которого очень актуальна.
Основная задача автоматизации заключается в высвобождении обслуживающего
персонала, обеспечении надежности и экономичного функционирования процесса
водоотлива, что позволяет исключить затопление горных выработок и создать
нормальные условия для ведения горных работ.
Учитывая многообразие типов водоотлива, разнообразие гидрогеологических и
горнотехнических условий шахт и рудников, для автоматизации этого процесса
используется, как правило, серийная аппаратура.
Для повышения эффективности этой аппаратуры целесообразно переводить её
на современную элементную базу с применением средств вычислительной техники.
Анализ требований, предъявляемых к аппаратуре автоматизации и специфики её
работы в условиях шахты «Ленинградская», позволяет использовать для устройства
управления насосами микропроцессорный контроллер.
Построенная на основе микро-ЭВМ система автоматизации может обеспечить
бесперебойную откачку шахтных вод при минимальных затратах, а также производить
преимущественное включение водоотливной установки в часы минимальной загрузки
энергосистемы (ночь, раннее утро). В результате повышается надёжность
водоотливной установки в целом, снижаются затраты на её содержание и
обслуживание, а также расходы на электроэнергию.
1. ОБЩАЯ ЧАСТЬ
.1 ОБЩИЕ СВЕДЕНИЯ О РАЙОНЕ И МЕСТОРОЖДЕНИИ
.1.1 ГЕОГРАФО-ЭКОНОМИЧЕСКИЕ СВЕДЕНИЯ
Месторождение медно-никелевых руд «Котсельваара» находится в Печенгском
районе Мурманской области в 5 км к юго-востоку от районного центра - поселка
Никель, с которым соединено шоссейной дорогой. В трех километрах к северу от
месторождения проходит железная дорога Никель - Мурманск, расстояние по которой
до Мурманска составляет 170 км.
Месторождение «Котсельваара» входит в Западный узел месторождений
Печенгского рудного поля и является непосредственным продолжением находящегося
к северу от него месторождения «Семилетка» Оба месторождения отрабатываются
рудником подземных работ «Каула-Котсельваара-Семилетка», пять участков,
которого ведут добычу руд месторождения «Котсельваара».
Источником водоснабжения рудника служат озера «Аллатаус-Ярви»,
«Безымянное», расположенные в соответственно в 1.0 км и 0.5 км к ЮВ от
месторождения.
Месторождение приурочено к северо-западному склону Печенгских тундр с
абсолютными отметками 320-470 м. Климат района морской, полярный с длительной
зимой (7-8 месяцев), коротким прохладным летом, неустойчивой погодой.
Среднегодовая температура 00С. Глубина промерзания почвы 2-2,5 м, вечная
мерзлота отсутствует. В районе часты сильные ветра.
.2 ГЕОЛОГИЧЕСКОЕ СТРОЕНИЕ РАЙОНА И МЕСТОРОЖДЕНИЯ
В геологическом строении района месторождения принимают участие
среднепротерозойские образования Печенгской серии, слагающие дугообразно
изогнутый в плане Печенгский синклинорий. Практический интерес в составе серии
представляют туфогенно-осадочные отложения Ждановской подсвиты. Последние
представлены переслаивающимися конгломератами, песчаниками, алевролитами,
филлитами с прослоями туфов, и туффитов. Породы этой толщи называемой продуктивной,
прорваны многочисленными пластовыми интрузиями перидотитов, реже пироксенитов и
габбро. С интрузиями серпентинизированных перидотитов пространственно и
генетически связано никелевое оруднение. Породы продуктивной толщи подстилаются
и перекрываются толщами эффузивов - диабазами III и IV
покровов соответственно.
Месторождение Западного рудного узла Печенгского поля, к которым, кроме
«Котсельваара», относится месторождение «Каула» и «Семилетка», приурочены к
ультрабазитовым массивам верхней части продуктивной толщи и погружаются вместе
с ней под углами 30°-60° под диабазы IV покрова в южном направлении.
Месторождение «Котсельваара» приурочено к крупному (южному) массиву
ультрабазитов, имеющему длину более 2 км, среднюю мощность около 100 метров
(максимальная мощность массива превышает 200 м) и прослеженному на глубину
более, чем на 1000 метров.
Вмещающими массив породами со стороны висячего бока являются
туфогенно-осадочные породы, представленные переслаивающимися пепловыми и
гравийными туфами, туффитами, туфопесчаниками, алевролитами и филлитами, выше
по разрезу перекрываемые диабазами порфиритами вулканогенной толщи. В лежачем
боку массива находятся филлиты, алевролиты реже песчаники ритмично-слоистой
осадочной толщи.
Массив и вмещающие его породы смяты в довольно широкую синклинальную
складку, осложненную складчатостью более высоких порядков. На флангах
месторождения синклинальная складка переходит в узкие, сильно сжатые
антиклинальные складки, с которыми связаны пережимы мощностей никеленосного
массива и рудного тела.
В лежачем боку массива ультрабазитов проходит межпластовая зона
субширотного надвига - главное тектоническое нарушение, контролирующее
медно-никелевое оруднение. Зона имеет юго-восточное падение под углами 30°-50°. Тектонические нарушения субмеридиального направления
представлены крутопадающими сбросами и взбросами с амплитудами смещения от 39
до 70-100 м. С некоторыми из них связаны дорудные дайки диабазов. Наиболее
крупные меридиальные нарушения расположены на западном и восточном флангах месторождения.
Среди них встречены как дорудные, так пострудные трещины. С последними связаны
разрывы сплошности и смещения отдельных частей рудных тел.
В висячем боку месторождения на контактах диабазов с филлитами широко
развиты межпластовые зоны разрывных нарушений, мощность которых достигает 3-4
м.
Породы интрузивного комплекса разбиты сложной системой трещин различного
направления.
К интрузивному массиву основных ультраосновных пород приурочены и
генетически с ним связаны два рудных тела месторождения: Главное и Северное, а
также рудные линзы, приуроченные к ответвлениям массива.
.2.1 СТРУКТУРА МЕСТОРОЖДЕНИЯ
Все породы, слагающие участок месторождения, падают на юг под углом 30˚-35˚.
С глубиной отмечается выхолаживание до 10˚-15˚ объясняются это тем,
что вмещающие породы вместе с заключенными в них интрузиями гипербазитов
собраны в крупную синклинальную складку, осложненную складками более высоких
порядков и тектоническими нарушениями. Западное крыло складки имеет крутые углы
падения 55˚ -60˚ к востоку. Восточное более пологое с углами падения
пород 30˚ -35˚ к западу.
Размах крыльев складки достигает 1,5 км, а глубина максимального
погружения по вертикали 500-550 м. С запада и с востока синклинальная складка
ограничена антиклинальным подъемом пород. В местах перегибов слоев пород
расколоты на ряд блоков, ограниченных тектоническими зонами. На месторождении
прослежены две крупные тектонические зоны, которые ограничивают его с запада и
с востока.
Крепость руд по шкале Протодьяконова колеблется от 8 до 14, в среднем 12,
а пород - от 10 до 16 (10-12- около 10% объема, 13-15-примерно 85%, 16-18 -5%).
Плотность руды составляет 2,9 т/м3, а пород - 2,8 т/м3. Влажность руды- 3,5%.
.2.2 МОРФОЛОГИЯ РУДНИЧНЫХ ТЕЛ
Главное рудное тело месторождения залегает в серпентинизированных
периодотитах лежачего бока массива ультрабазитов, Северное - приурочено к
межпластовой тектонической зоне, проходящей в филлитах к северу от Главного
рудного тела, в западной части месторождения. В центральной части месторождения
Северное тело сливается с Главным, образуя единое рудное тело.
Главное рудное тело имеет пластообразную форму, переменные элементы
залегания и характеризуется достаточно сложной морфологией, что определяется
широким развитием складчатости высоких порядков и разрывной тектоники. Главное
рудное тело сложено, в основном, рядовыми вкрапленными рудами в серпентинитах,
с подчиненным количеством брекчиевидных, богатых вкрапленных и сплошных руд в
лежачем боку рудного тела и прожилково-вкрапленного оруденения подстилающих
филлитов. В плоскости Главного рудного тела оконтурено несколько крупных
безрудных «окон».
Северное рудное тело связано не только генетически, но и пространственно
с Главной межпластовой зоной смятия. Северное рудное тело имеет жилообразную
форму и состоит из двух частей: западной и восточной. Максимальная длина по
простиранию западной ветви составляет в необработанной части 600 м, восточной
-320 м. Западная ветвь прослежена на глубину до горизонта -320 м, восточная до
горизонта -40 м. Северное рудное тело сложено, преимущественно, богатыми
брекчиевидными и массивными рудами. До 40% рудного тела составляют бедные
оруденелые филлиты.
Мощность рудных тел непостоянная. Истинная мощность Главного рудного тела
меняется от одного метра до нескольких десятков метров, Северного до 9 метров,
в том числе мощность западной ветви Северного рудного тела - от 0.4 м до 9.0 м.
В целом наблюдается уменьшение средней истинной мощности на глубоких
горизонтах рудных тел.
Таблица 1
|
Рудное тело
|
Длина по простиранию
|
Абс. Отметка распростране-ния,
м.
|
Мощность истинная, м.
|
Направление и угол падения.
|
|
|
От
|
До
|
От
|
До
|
сред.
|
От
|
До
|
сред.
|
|
Главное
|
2000
|
+270
|
-400
|
1
|
32
|
5
|
00
|
700
|
ЮВ 300
|
|
Северное
|
900
|
+170
|
-310
|
0,4
|
9
|
5
|
200
|
400
|
ЮВ 300
|
Таблица 2
|
Горизонт
|
Запасы т. т.
|
Содержание в %
|
|
|
Никель
|
медь
|
кобальт
|
|
- 140м
|
Богатая
|
186,9
|
2,00
|
1,10
|
0,052
|
|
Бедная
|
11,1
|
0,78
|
0,34
|
0,027
|
|
- 170м
|
Богатая
|
210
|
2,05
|
1,07
|
0,053
|
|
Бедная
|
14,2
|
0,78
|
0,34
|
0,027
|
.2.3 ГИДРОЛОГИЧЕСКИЕ УСЛОВИЯ И ОЖИДАЕМЫЕ ВОДОПРИТОКИ
Подземные воды на месторождении встречены в моренных отложениях
четвертичного возраста и коренных породах.
Водовмещающими породами в водоносном горизонте четвертичных отложений
являются небольшие по мощности и ограниченные по площади линзы песков,
водообильность которых весьма мала. Коэффициент фильтрации моренных отложений
изменяется в пределах 0.05-1.3 м/сут. Роль данного водоносного горизонта в
обводнении подземных горных выработок ничтожна.
Водоносный комплекс коренных пород представлен диабазами, перидотитами,
пироксенитами, габбро, филлитами и др. и содержит трещинные воды. По характеру
и степени обводнения в водоносном комплексе можно выделить две зоны: верхнюю и
нижнюю.
Верхняя зона мощностью до 150м характеризуется относительно равномерным и
более интенсивным, чем нижняя развитием трещиноватости, а, следовательно, и
водоносности, хотя в пределах нее имеются все переходы от практически
нетрещиноватых безводных участков до сильно трещиноватых водообильных.
Коэффициент фильтрации пород этой зоны колеблется от 0.007 до 0.59 м/сут.
Водообильность зависит от инфильтрации атмосферных осадков, увеличиваясь в
периоды ливневых дождей и таяния снега.
В нижней зоне породы трещиноваты и водоносны, главным образом, в пределах
тектонических нарушений и на контактах осадочных пород с основными и
ультраосновными. Средняя водопроницаемость нижней зоны в 5-6 раз ниже, чем
верхней.
Водоносный комплекс коренных пород является главным источником обводнения
подземных горных выработок.
В настоящее время добычные работы ведутся на гор. -140м
("Котсельваара") и -10м ("Семилетка"). Суммарные
водопритоки со всего шахтного поля составляют:
среднегодовой - ~350 м3/ч;
максимальный среднемесячный - ~ 900-1000 м3/ч;
максимальный среднесуточный - ~ 1200-1400 м3/ч.
Водопритоки формируются за счет подземных вод водоносного комплекса
коренных пород и атмосферных осадков, проникающих с поверхности, в том числе
через отработанные карьеры. Откачка воды с подштольневых горизонтов
осуществляется главной насосной станцией горизонта -110м, оборудованной 5-ю
насосами ЦНС 300-300. В настоящей работе предусматривается отработка
месторождения до горизонта -200м, водопритоки к насосной станции горизонта не
превысят 70 м3/ч (нормальный) и 150 м3/ч (максимальный).
Для очистки от взвесей, никеля, меди и сульфатов вся вода через
накопитель емкостью 500 тыс. м3, предназначенный для накопления воды в период
больших водопритоков и обеспечения равномерного поступления ее на очистку,
подается на очистные сооружения.
.3 ГОРНАЯ ЧАСТЬ
.3.1 СУЩЕСТВУЮЩЕЕ СОСТОЯНИЕ ГОРНЫХ ПОРОД
Месторождение «Котсельваара» отрабатывается согласно проектного задания
1967 года. Горные работы на западном фланге ведутся на гор . -10, 40, -70,
-110, -140 (богатый блок).
Месторождение Котсельваара вскрыто продолжением штольни Капитальная (гор.
140 м), вертикальным вспомогательным стволом (ВВС), пройденным в центре
месторождения для глубоких горизонтов с поверхности до гор. -110 м. На флангах
месторождения пройдены западный и восточный вентиляционные восстающие (ЗВС) и
(ВВВ).
Западный участок месторождения «Котсельваара» - «богатый блок» вскрыт с
поверхности до гор. -110 м западным наклонным вспомогательным стволом (ЗВС),
слепым наклонным эксплуатационным стволом (НЭШ) с горизонта штольни 140 м до
гор. -110 м и вентиляционным восстающим № 2 с поверхности до гор. -110 м. Для
реконструкции всей схемы проветривания горных работ на месторождении
Котсельваара в центральной его части пройден центральный восстающий (ЦВВ), на
поверхности, в устье ЦВВ построена главная вентиляционная установка № 4
(ВОД-ЗОМ). Вентиляционная установка № 4 нагнетает свежий воздух на все рабочие
горизонты. Проветривание всех участков осуществляется по комбинированной схеме
при совместной работе пяти вентиляторов. Это связано с большой разбросанностью
добычных участков в пределах двухкилометрового шахтного поля и размещаются на
одиннадцати горизонтах в пределах 300 м по вертикали.
.3.2 ГОРНО-ГЕОЛОГИЧЕСКИЕ УСЛОВИЯ ОТРАБОТКИ МЕСТОРОЖДЕНИЯ
Главной характеристикой является выполаживание рудных тел с уменьшением
мощности оруденения пластов.
Средняя нормальная мощность Главного рудного тела 5,29м. Содержание
никеля в руде колеблется от 0,62% до 0,83%, а меди от 0,31% до 0,48%.
Руды и вмещающие породы устойчивые, однако на контакте висячего блока
встречаются слабоустойчивые серпентиниты.
Горно-геологические условия разработки глубоких горизонтов Северного
рудного тела отличаются от горизонтов выше горизонта -110м. Отличия заключаются
в резком уменьшении мощности оруденелой залежи. На верхних горизонтах средняя
мощность по отрабатываемому участку превышала 8,5 метров, а на рассматриваемых
горизонтах - 3,7 метра. Средний угол падения составляет 43°.
Содержание никеля в запасах Северного рудного тела колеблется от 0,78% до
3,07%.
Руды и вмещающие породы устойчивы, крепость руды составляет 10-13, а
породы: 10¸12 - 50%;
13¸15 - 45%; 16¸18 - 5% по шкале профессора
Протодьяконова.
.3.3 СИСТЕМЫ РАЗРАБОТКИ
В целях снижения разубоживания руды, оказывающего существенное влияние на
эффективность горного производства, в проекте разработки незатронутых
отработкой запасов месторождений "Котсельваара" и "Семилетка"
принимаются системы с открытым выработанным пространством и поддержанием его в
течение всего периода эксплуатации рудными целиками. При эксплуатации запасов
применяются следующие системы разработки:
·
камерная с
отбойкой руды из под этажных штреков;
·
камерно-столбовая
с отбойкой руды скважинами;
·
камерно-столбовая
с мелко шпуровой отбойкой;
·
камерно-столбовая
с доставкой руды силой взрыва.
При составлении рабочих проектов на отработку очистных блоков рудных тел
с невыдержанной мощностью и углом залегания могут применяться комбинации
вышеперечисленных систем разработки с соблюдением условий применения,
параметров и правил безопасности для каждой системы разработки.
.3.4 УСЛОВИЯ ПРИМЕНЕНИЯ СИСТЕМЫ РАЗРАБОТКИ
Камерная система разработки с отбойкой руды из под этажных штреков
применяется при:
·
выемочной
мощности рудного тела не менее 3,0 м;
·
неустойчивых
породах висячего бока. В зависимости от угла падения рудной залежи применяется
два варианта системы разработки:
·
с одним общим
горизонтом скреперования - при угле залегания более 45°;
·
с промежуточным
горизонтом скреперования - при углах падения рудных тел 35° - 45°.
Камерно-столбовая система разработки с отбойкой руды скважинами
применяется при:
·
выемочной
мощности рудного тела не менее 3,0 м;
·
угле падения
рудной залежи до 40°;
·
повышенном
содержании полезных компонентов в руде.
Отличительными особенностями этой системы являются: открытое выработанное
пространство, при котором управление горным давлением осуществляется
оставлением междуэтажных и междукамерных столбчатых или ленточных целиков,
отбойка руды в камерах производится веерами скважин малого диаметра, нахождение
в камере людей ограничивается.
Камерно-столбовая система разработки с мелко шпуровой отбойкой
применяется при:
·
выемочной
мощности рудного тела не менее 0,8 м не более 3,0м;
·
угле падения
рудной залежи до 45°;
·
устойчивости руд
и вмещающих пород, обеспечивающих при при нятых размерах камер и целиков и срок
отработки блоков сохранность выработанного пространства и безопасность работ.
Отличительная особенность этой системы разработки -управление горным
давлением с поддержанием налегающих горных пород целиками, шпуровая отбойка и
необходимость нахождения рабочих непосредственно в очистном пространстве.
Камерно-столбовая система разработки с доставкой руды силой взрыва
применяется при:
·
выемочной
мощности рудного тела не менее 3,0 м;
·
угле падения
рудной залежи от 20 до 40°;
·
повышенном
содержании полезных компонентов в руде.
Отличительной особенностью этой системы является скважинная отбойка руды
слоями на свободное пространство над дучками и доставка руды к ним силой
взрыва.
При переходе на отработку запасов с поддержанием выработанного
пространства на участках затронутых отработкой, отдельные (исключительные) оставленные
целики с высоким содержание руды могут быть отработаны системами подэтажного
обрушения. Сущность системы заключается в отбойке руды веерами скважин из
подэтажных выработок на отрезную щель, управление горным давлением является
обрушением налегающих пород, а выпуск руды производится под обрушенными
породами.
Допускается при составлении рабочего проекта на отработку конкретного
очистного блока, в соответствии с горно-геологическими и горнотехническими
условиями, применять в пределах одного очистного блока комбинации из
вышеперечисленных систем разработки, как по простиранию рудного тела, так и по
его падению, с соблюдением основных параметров и мер безопасности для каждой из
применяемых систем.
Отработка оставшихся камерных запасов руды в зоне, ранее затронутой
отработкой с обрушением, рекомендуется отрабатывать вышеперечисленными
системами разработки с поддержанием выработанного пространства по локальным
проектам с учетом конкретных горно-геологических условий.
В отдельных случаях, на отдельных участках, при углах падения залежи,
превышающих 55° и мощностях рудных тел не более 3 м. как на месторождении
"Котсельваара", так и "Семилетка" могут применяться системы
с магазинированием руды.
.4 ВОДООТЛИВ ПРИ ПРОХОДЧЕСКИХ РАБОТАХ
Водоотлив при производстве проходческих работ осуществляется следующим
образом:
При проходке опережающей вскрывающей выработки (ствола НЭШ) до выхода на
очередной горизонт (-140м; -170м и т.д.) вода откачивается призабойными
насосами. До горизонта -140м вода откачивается насосами типа Н-1М на горизонт
-110м и далее самотеком вода поступает в насосную главного водоотлива у ствола
ВВС. После выхода ствола на отметку горизонта -140м в сбойке монтируется
временная перекачная насосная, которая принимает воду от призабойных насосов и
выдает ее на горизонт -110м. Далее при углубке ствола на горизонт -170м
перекачная насосная переносится на сбойку с очередным горизонтом. При углубке
НЭШ до горизонта -215м перекачная насосная переносится на этот горизонт и
остается там на весь период эксплуатации как зумпфовая ствола.
Водоотлив при эксплуатации горизонтов осуществляется за счет уклонов
выработок, направленных в сторону вентиляционного восстающего №2 бис, который в
свою очередь является водо-перепускным со всех рабочих горизонтов на горизонт
-200м.
С горизонта -200м по западному наклонному стволу вода выдается на
горизонт -110м и по канавке поступает в существующую насосную станцию главного
водоотлива, расположенную в околоствольном дворе ствола ВВС.
2. СТАЦИОНАРНЫЕ УСТАНОВКИ
2.1 ВОДООТЛИВ РУДНИКА «КАУЛА - КОТСЕЛЬВААРА»
На руднике «Каула-Котсельваара»
подземный водоотлив осуществлен насосными станциями главного водоотлива.
На горизонте -110м
в околоствольном дворе вертикального вспомогательного ствола (ВВС) расположена
насосная главного водоотлива №4. Являясь наиболее мощным потребителем
электрической энергии, камера насосной вплотную примыкает к камере центральной
распределительной подстанции №226. Для сбора воды используется два водосборника
V = 600м3 Откаченная вода поднимается
по магистральному трубопроводу на 250м, на горизонт 140м и далее, по
трубопроводу, проложенному по главному откаточному штреку, отводится на
поверхность.
На период паводка работа водоотлива организуется следующим образом:
Паводковые воды с горизонтов ниже 140м собираются в водосборники насосной
главного водоотлива на горизонте -110м. Часть паводковых вод перехватывается насосной №5 на
горизонте -10м и выдается
в водосборники насосной главного водоотлива №2, расположенной на горизонте
140м, откуда по магистральному трубопроводу выдается в устье штольни, где
находится дренажная канава. С горизонта -110м вода так же подается в водосборники насосной №2 и
отводится на поверхность.
.2 ЭКСПЛУАТАЦИОННЫЙ РАСЧЕТ ВОДООТЛИВНОЙ УСТАНОВКИ
Исходные данные:
приток нормальный QH =
5000 м3/сут;
приток максимальный QMAX=
17000 м3/сут;
Геометрический напор НГ = 257 м;
Плотность шахтной воды r = 1050 кг/м3.
Минимальная подача насоса:
м3/час;
Ориентировочный
напор насоса:
’
= HГ/hТР = 270 м,
где
hТР = 0,95 - КПД трубопровода.
Определение
типа насоса.
На
универсальную характеристику насоса наносим точку с координатами
Q = 250 м3/час;
НГ = 270 м.
Эта
точка соответствует рабочей зоне насосов ЦНС 300 ¸ 300.
Параметры
насоса: Q = 300 м3/час; НК = 60м; НК0 = 67 м (напор рабочего
колеса при закрытой задвижке); h = 0,72.
Число
рабочих колес z = Н’/НК = 270/60 = 4,5. Выбираем насос с пятью
рабочими колесами (z =
5).
Напор
насоса при закрытой задвижке: Н0 = zНК0 = 335 м.
Проверка
насоса на устойчивость работы: Н’ = 0,95Н0 = 270 м < 335 м. Работа насоса
устойчива.
Максимальная
подача насоса: QМАХ = 17000/24 = 708 м3\час.
Число
насосов: n = 708/300 = 2,3.
Во
время максимального притока требуется три рабочих насоса, поэтому, согласно
правил безопасности, в насосной камере устанавливается пять насосов три - в
работе, один - в резерве, один - в ремонте.
Выбор
и расчет трубопровода.
Диаметр
става:
м.
Выбираем
dН = 250 мм, толщина стенки 4,5 мм.
Допустимая
скорость воды
Н = 1,5 ¸2,2 м/сек.
Диаметр
трубного коллектора внутри камеры dК = 250 мм.
Диаметр
всасывающего трубопровода:
м.
Допустимая
скорость воды
= 1,2 ¸1,8 м/сек.
Для
улучшений условий всасывания принимаем dВС = 300 мм.
Характеристика
трубопровода определяется расчетной схемой, с учетом местных гидравлических
сопротивлений.
Всасывающий
трубопровод оборудован: приемной сеткой без клапана, имеющий гидравлическое
сопротивление 1,0; два колена с закруглением 0,6*2; конфузор 1,25.
lВС = 6м; dВС =
300 мм.
Сумма
гидравлических сопротивлений:
∑ ξВС = 3,45.
аВС
= АДЛ · l1 + АМ1 · ∑ξВС = (0,079066·6 + 0,78710·3,45)·10-6 = 3,189·10-6 ч2/м5.
Став
оборудован трубопроводом диаметром dН = 250 мм и длиной 251м при
следующих значениях гидравлических сопротивлений: конфузор 0,1; задвижка 0,5;
обратный клапан 10,0; тройники равнопроходные 4,5; колено изогнутое под углом
900 0,4.
Суммарные
удельные сопротивления:
∑ξН = 15,5
Сопротивление
става с учетом на местные сопротивления:
аН
= 1,1АДЛ · lН + АМ · ∑ξН = (1,1· 0,20780 · 251 + 1,6321 · 15,5)·10-6 = 82,627·10-6 ч2/м5
Суммарные
сопротивления трубопровода: а = аВС + аН = 85,86 · 10-6 ч2/м5 .
Характеристика
трубопровода определяется следующим уравнением:
НМ
= НГ + аQ2 = 257 + 0,00008586 · Q2
Характеристику
насоса и изменение его КПД можно построить, используя следующие зависимости:
Н
= 66,9 + 0,04Q - 0,00022Q2;
η = 0,597·10-2Q -
0,146·10-4Q2 + 0,0096·10-6Q3 .
Таблица
3
|
Q
|
Q2
|
HМ
|
H
|
h
|
|
0
|
0
|
251
|
334,5
|
0
|
|
50
|
2500
|
251,21
|
341,75
|
0,2632
|
|
100
|
10000
|
251,86
|
343,5
|
0,4606
|
|
150
|
22500
|
252,93
|
339,75
|
0,5994
|
|
200
|
40000
|
254,43
|
330,5
|
0,6868
|
|
250
|
62500
|
256,37
|
315,75
|
0,73
|
90000
|
258,73
|
295,5
|
0,7362
|
|
350
|
122500
|
261,52
|
269,75
|
0,7126
|
|
400
|
160000
|
264,74
|
238,5
|
0,6664
|
рис.
2. 1. Характеристики трубопровода, насоса, КПД насоса.
Рассчитываем
мощность электродвигателя привода насоса:
=
Где
k=1.15 - коэффициент запаса по мощности на случай
пониженного напряжения в питающей сети;
Q = 300 м
/час - фактическая производительность насоса;
H
= 257м - напор в рабочей точке характеристики;
-
плотность откачиваемой воды;
g = 9,8 - сила
тяжести;
= 0,72 -
коэффициент полезного действия насоса.
2.3 СХЕМА
ВЕНТИЛЯЦИИ
При совмещенной отработке глубоких горизонтов месторождений
“Котсельваара” и “Семилетка” проветривание горных работ предусматривается по
фланговой схеме, комбинированным способом.
В схеме вентиляции рудника задействованы четыре существующие
вентиляторные установки:
- На месторождении
“Семилетка” ГВУ № 7 (вентилятор ВОКД-2,4) в нагнетательном режиме;
- На месторождении
“Котсельваара”:
- ГВУ № 4
(вентилятор ВОД-3 ОА) в нагнетательном режиме;
- ГВУ № 8
(вентилятор ВЦ-31,5) во всасывающем режиме;
- ГВУ № 9
(вентилятор ВЦ-31,5) во всасывающем режиме.
Вентиляторная ВОД-3 ОА (ГВУ № 4), расположена в устье центрального
вентиляционного восстающего (ЦВВ). Вентиляторная ВЦ-31,5 (ГВУ № 8) расположена
в устье западного вентиляционного восстающего (ЗВВ). Вентиляторная ВЦ-31,5 (ГВУ
№ 9), расположена в устье восточного вентиляционного восстающего (ВВВ).
Проветривание горных работ на руднике “Каула-Котсельваара” осуществляется
по следующей схеме: на месторождение “Котсельваара” свежий воздух подается по
центральному вентиляционному восстающему (ЦВВ) вентилятором ВОД-ЗОА ;
отработанный воздух на восточном фланге выдается по восточному вентиляционному
восстающему (ВВВ) вентилятором ВЦ-31,5; на западном фланге отработанный воздух
выдается по западному вентиляционному восстающему (ЗВВ) вентилятором ВЦ-31,5;
на месторождение “Семилетка” свежий воздух подается по вспомогательному
наклонному стволу до горизонта +120 м и долее на рабочие горизонты по
восстающему №146; отработанный воздух с месторождения “Семилетка” выдается по
восточному вентиляционному восстающему (ВВВ) месторождения “отсельваара”
вентилятором ВЦ-31,5; штольня “Капитальная” проветривается за счет депрессии
вентилятора ВЦ-И,5(ГВУ № 8). Для исключения обмерзания вентиляционного канала
ГВУ №1 в районе устья штольни “Капитальная”, калориферная ГВУ №1 остается в
работе. Вентилятор вышеуказанной установки (ВУПД-1,8)- консервируется.
В проекте выполнен расчет необходимого количества воздуха для совместной
отработки запасов месторождения “Котсельваара” до гори - №та -110 м (рядовые
руды), до гор. -200 м (богатый блок) и месторождения “Семилетка” до гор. -100
м. Потребное количество воздуха на проветривание рудника определено для
производительности 600 тыс. тонн руды в год.
Необходимое количество воздуха на проветривание горных работ определено
позабойно по следующим факторам: по людям; по выносу пыли (минимальной скорости
движения воздуха); по ВВ.
Следует отметить, что предлагаемая схема вентиляции от существующих
вентиляторных установок позволяет осуществлять перераспределение подачи воздуха
в широких пределах с одного участка на другой при изменении объемов выемки
запасов по участкам месторождений.
.4 ПОДЪЕМНЫЕ УСТАНОВКИ
Все подъемные установки, предусмотренные к использованию, действующие и
длительное время находятся в эксплуатации. Технические характеристики
существующих подъемов обеспечивают проектную производительность.
В период отработки глубоких горизонтов (ниже гор.-11 Ом) основным выходом
на вышележащие горизонты является наклонная клетевая подъемная установка ЗНС.
При сохранении обеих вагонеток ВЛН1-10 необходимый запас прочности каната
обеспечивается заменой существующего каната 0 23.5 мм на 0 29 мм (с заменой
футеровки барабана подъемной машины). Существующий диаметр каната обеспечивает
необходимый запас прочности только при работе с одной вагонеткой. При этом в
два раза увеличивается время спуска смены (18 человек с гор.+140м на гор.-200м
будут опускаться 24 минуты). Двухслойная навивка каната на барабан в любом
случае обеспечивается только при подъеме людей до штольневого гор.+140м.
Для подъема на руднике оборудовано два наклонных ствола: одно-скиповой,
пройденный с поверхности (отм.+380 м) до горизонта +150 м (горизонт штольни
“Капитальная”) под углом 290 и слепым вспомогательным стволом, пройденным с
горизонта +300 м (горизонт штольни “Семилетка”) до горизонта +150 м под углом
290.
Скиповой ствол оборудуется одно-концевой (скип емкостью 3,2 м3) подъемной
установкой для выдачи породы на поверхность в бункер скипового терриконика.
скиповой породный ствол подъем обслуживает горизонты: +340 м, +300 м, +260 м,
+230 м, +200 м, +170 м и +150 м.
Слепой вспомогательный ствол оборудуется одноконцевой подъемной
установкой для спуска с горизонта +300 м (горизонт штольни “Семилетка”) на
рабочие горизонты людей в людских вагонетках типа ВЛ-15, аудитора также для
подъема-спуска оборудования, материалов и пр. на специальной платформе, которая
прицепляется позади людских вагонеток. В случае спуска по стволу тяжелого груза
весом до 10 т вагонетки отцепляются на специальной разминовке ниже гор.+150 м.
Подъемная установка слепого вспомогательного ствола обслуживает горизонты +300
м, +260 м, +230 м, +200 м, +170 м и +150 м.
Основные грузопотоки:
люди - 200 человек в смену
крепежный лес - 10,0 м3 в сутки
ВМ - 2000 кг в сутки
сталь буровая - 500 кг в сутки
оборудование и прочие материалы - 5 подъемов.
Загрузка скипа производится с помощью люкового затвора с пневмоприводом.
На каждом горизонте скипового загрузочного устройства установлен
породоулавливающий узел для улавливания мелкой просыпи во время загрузки скипа.
Породная просыпь через породоулавливающий узел перепускается на нижележащие
горизонты и через бункер с люковым затвором грузится в вагонетки, откуда
откатывается в бункер скипового загрузочного устройства.
Скиповые установки оборудуются средствами сигнализации.
3. ЭЛЕКТРОСНАБЖЕНИЕ ВОДООТЛИВНОЙ УСТАНОВКИ
.1 РАСЧЕТ ЭЛЕКТРОСНАБЖЕНИЯ УЧАСТКА ВОДООТЛИВА
Исходные данные:
Таблица 4
Электрооборудование водоотливной установки
|
Установка
|
Uн, кВ
|
Рн, кВт
|
Iп/Iн
|
Iн,А
|
Сosφн
|
ηн
|
длинна кабеля, м
|
|
Насос ЦНС - 300 - 300 №1
|
6
|
500
|
6,5
|
57
|
0,9
|
0,94
|
41
|
|
Насос ЦНС - 300 - 300 №2
|
|
|
|
|
|
|
54
|
|
насос ЦНС - 300 -300 №3
|
|
|
|
|
|
|
62
|
|
насос ЦНС - 300 -300 №4
|
|
|
|
|
|
|
70
|
|
насос ЦНС - 300 -300 №5
|
|
|
|
|
|
|
78
|
|
Заливочный насос ЗПН - 40 -
15
|
0,38
|
15
|
7
|
28
|
0,88
|
88,5
|
60
|
|
привод задвижки ПЗ - 1 №1
|
|
2,2
|
6
|
5
|
0,83
|
80
|
42
|
|
привод задвижки ПЗ - 1 №2
|
|
|
|
|
|
|
55
|
|
привод задвижки ПЗ - 1 №3
|
|
|
|
|
|
|
63
|
|
привод задвижки ПЗ - 1 №4
|
|
|
|
|
|
|
71
|
|
привод задвижки ПЗ - 1 №5
|
|
|
|
|
|
|
79
|
Базисное напряжение на стороне высокого напряжения (Uб): 6,3кВ.
Базисное напряжение на стороне низкого напряжения (Uб): 0,4кВ.
Таблица 5
Длины остальных кабелей
|
номер кабеля
|
6
|
7
|
|
длинна кабеля, м
|
15
|
20
|
Решение:
Найдем номинальный ток
Заливочного насоса:
;
задвижки
;
Полученные
данные внесем в табл.4.
3.2 РАСЧЕТ СНАБЖЕНИЯ ПОТРЕБИТЕЛЕЙ
НА 6кВ
Подстанция главного водоотлива оборудуется комплексным распределительным
устройством КРУРН- 6. Питание осуществляется по разным фидерам (по 2 фидера
кабелем 3 x 150), длинной 3,7 км от подстанции
на основной промплощадке. От РУ выходят два кабеля (3 x 150) на ЦПП нижней приёмной площадки горизонта -110 м.
Поскольку питание каждого насоса осуществляется по отдельному фидеру, за
расчётную мощность принимаем мощность двигателя насоса.
Руст = 5•500 = 2500 кВт, Рр = 500 кВт.
Определяем
расчётный ток в кабелях. По паспорту номинальный ток двигателя насоса I
= 57 А.
Выбираем
кабель для питания насосов из условия Iкаб ≥ I
.
Выбираем
кабель СБ
с жилами сечением 25мм2 и определяем допустимый ток
кабеля Iдоп = 90А.
Принимаем
кабель СБ
(3×25 + 1×10), его удельное сопротивление R
= 0,846 Ом/км, Х
= 0,091
Ом/км.
Сопротивление
всего кабеля вычисляется по формулам R1 = R10l1; X1 = X10l1, результаты расчёта кабелей 1 - 5 приведены в табл.6.
Таблица 6
|
№ кабеля
|
1
|
2
|
3
|
4
|
5
|
|
R, Ом
|
0,035
|
0,046
|
0,052
|
0,059
|
0,066
|
|
Х, Ом
|
0,0037
|
0,0049
|
0,0056
|
0,0063
|
0,0071
|
Выбранное
по длительно допустимому току нагрузки сечение кабеля проверяется по
термической стойкости, из условия Iп ≥ Iкз(3)
, где Iп - предельно допустимый кратковременный ток к.з. в
кабеле, при защитной аппаратуре КРУРН- 6 I
= 8,12 кА, I
(3) - ток трёхфазного к.з. в начале проверяемого
кабеля, кА.
,
т.е.
условие 
выполняется.
Проверка выбранного сечения по экономической плотности тока осуществляется по
формуле
,
где
I1 - ток высоковольтного кабеля, А; jэк -
экономическая плотность тока, А/мм2. По экономической плотности тока сечение
удовлетворяет заданным условиям.
Найдем
ток трехфазного к.з. в точке соединения кабеля с двигателем насоса. Для этого
определим сопротивления цепи, приведенные к базисному напряжению Uб=6300
В.
Индуктивное
и активное сопротивления кабельной линии 6 кВ, приведены в таблице 6.
Ток
трехфазного к.з находится по формуле:
I
,
X
,
A.
результаты
расчёта сведены в табл.7.
Таблица
7
|
№ кабеля
|
1
|
2
|
3
|
4
|
5
|
|
I3кз кА
|
4,03
|
4,02
|
4,01
|
4,01
|
4
|
Для определения величины напряжения в номинальном режиме необходимо
определить потерю напряжения в высоковольтном кабеле по формуле:
,
напряжение
на зажимах двигателей насосов
.
Результаты
расчётов сведены в табл. 8.
Таблица
8
|
№ кабеля
|
1
|
2
|
3
|
4
|
5
|
|
DU, В
|
0,133
|
0,231
|
0,301
|
0,385
|
0,480
|
|
U, В
|
5999,86
|
5999,76
|
5999,69
|
5999,61
|
5999,52
|
3.3 РАСЧЕТ СЕТИ НИЗКОГО НАПРЯЖЕНИЯ
Расчетная мощность:
,
где
- коэффициент спроса;
-
установленная мощность;
- мощность наиболее мощного двигателя.
Отсюда:
Расчетная мощность трансформатора:
где
- средневзвешенный коэффициент мощности.
Поскольку
то cos
Отсюда
.
Выберем
участковую трансформаторную подстанцию типа ТСВ-63 в соответствии с условием
(здесь Sт - номинальная мощность трансформатора), имеющую
следующие паспортные данные: Sт.н.=63 кВ×А, Uв.н.=
6 кВ, Uн.н.=0,69/0,4 кВ, Iв.н.=5,7 А, Iн.н.=49/86
А, uk=3,5%, Ix,x=3,5%, Px,x=630 Вт, Рк=800 Вт.
Сопротивление
обмоток трансформатора, приведенное к обмотке низкого напряжения
трансформатора, Rт=0,0202 Ом, Хт=0,0518 Ом.
Определим
сечение и сопротивление высоковольтного кабеля длиной l6=15 м.
Расчетный ток этого кабеля принимаем равным номинальному току первичной обмотки
ТСВ-63: I1=5,7 А. при сечении SВН=25 мм2 , Iдоп=90А.
Принимаем кабель СБ
(3
, его
удельное сопротивление R1-5=0,846 Ом/км, X1-5=0,091
Ом/км.
Сопротивление
всего кабеля вычисляется по формулам:
6=R60l6=0,846×0,015.=0,01269 Ом; X6=X60l6=0,091.0,015=0,001365
Ом.
Окончательно
принимаем высоковольтный кабель ЭВТ (3´10).
Примем
в качестве защитного аппарата используется ячейка КРУРН - 6.
Коммутационный
аппарат для трансформатора и насосов ВЭВ-6-16/315-ХЛ 5.
В, I
=315 А, I
=10000 A.
Проверка
кабеля на термическую стойкость:
=7
=20 мм.
Проверка
выбранного сечения по экономической плотности тока осуществляется по формуле:
,
где
I1 - ток высоковольтного кабеля, А; jэк -
экономическая плотность тока, А/мм2. По экономической плотности тока сечение
удовлетворяет заданным условиям.
Определим
расчетный ток в магистральном кабеле длиной I
=20 м.
А.
Выберем
сечение жил кабеля и определим допустимый ток кабеля из условия I
; при S
, I
=58 А.
Принимаем кабель СБ
, его удельное сопротивление R
=3,5 Ом/км, X
=0,09 Ом/км. Сопротивление магистрального кабеля R
=0,07 Ом,
X
=0,0018 Ом.
Определим
ток трехфазного к.з. в конце кабеля 7. Для этого определим сопротивления
элементов цепи, приведенные к базисному напряжению Uб=6300 В.
Индуктивное
и активное сопротивления кабельной линии 6 - 6 кВ, приведенные к базисному
напряжению
Сопротивление
трансформатора: Хб.т=0,0202Ом; Rб.т=0,0518 Ом.
Индуктивное
и активное сопротивления кабельной линии 7 - 0,4 кВ, приведенные к базисному
напряжению
Суммарное
сопротивление цепи до точки к.з., приведенное к базисному напряжению
ХбS =Хб8+ ХбТ+ Хб9 =0,0002+0,0202+0,000007=0,02 Ом;
Ток
трехфазного к.з. в конце линии 9:
.
Величину
напряжения в конце кабеля 7 примем равное номинальному напряжению вторичной
обмотки трансформатора (400В) поскольку, в связи с малой длинной кабельных
линий, выбранные кабель имеют большой запас по потери напряжения.
Выберем
защитно-коммутационный аппарат в конце кабеля 7 в соответствии с условием:
где
Uн.а, Iн.а, Iо.а - соответственно номинальное напряжение,
номинальный ток, ток отключения аппарата (его паспортные данные);
Uн, Iраб,
- cсоответственно номинальное напряжение, рабочий ток и
ток к.з. сети в месте установки аппарата.
Номинальное
напряжение Uн=400 В, номинальный ток Iн =33 А,
Ток
трехфазного короткого замыкания в конце линии 9 - 2830А.
Принимаем
к установке в кабеля №7 магнитный пускатель ПВИ-63, имеющий Uн.а=
380 В, Iн.а=63 А, Iо.аmax=1500 А.
Величина,
т.е. условие выбора аппарата соблюдено.
Выберем
кабель, определим ток к.з. и выберем коммутационную аппаратуру линии - 8.
Расчетный
ток в кабеле 8 длиной l8 = 60 м (рис.2) равен номинальному току двигателя
насоса (Iн =28А).
Выберем
сечение жил кабеля и определим допустимый ток кабеля из условия I2 £ Iдоп; при Sк..м.=
4мм2, Iдоп = 45 А.
Принимаем
кабель СБ
(3х4), его удельное R80=5,25 Ом/км, X70=0,095
Ом/км.
Сопротивление
магистрального кабеля R7=5,25.0,06=0,315 Ом, X7=0,095.0,06=0,0057
Ом.
Определим
ток трехфазного к.з. в конце кабеля 8. Для этого определим сопротивления элементов
цепи, приведенные к базисному напряжению Uб=6300 В.
Индуктивное
и активное сопротивления кабельных линий 6, 7 и трансформатора уже найдены.
Индуктивное
и активное сопротивления кабельной линии 8 - 0,4 кВ, приведенные к базисному
напряжению
Суммарное
сопротивление цепи до точки к.з., приведенное к базисному напряжению
ХбS =Хб6+ ХбТ+ Хб7 + Хб8=0,0002+0,0202+0,000007+0,0000023=0,020023 Ом;
Ток
трехфазного к.з. в конце линии 7:
.
Выберем
защитно-коммутационный аппарат в начале кабеля 8 в соответствии с условием:
где
Uн.а, Iн.а, Iо.а - соответственно номинальное напряжение,
номинальный ток, ток отключения аппарата (его паспортные данные);
Uн, Iраб,
- cсоответственно номинальное напряжение, рабочий ток и
ток к.з. сети в месте установки аппарата.
Номинальное
напряжение Uн=400 В, номинальный ток Iн =28 А,
Ток
трехфазного короткого замыкания в конце линии 7 - 2799А.
Принимаем
к установке в начале кабеля №8 магнитный пускатель ПВИ-32, имеющий Uн.а=
380 В, Iн.а=32 А, Iо.аmax=1100 А.
Величина,
т.е.
условие выбора аппарата соблюдено.
Выберем
кабель, определим ток к.з. и выберем коммутационную аппаратуру линии - 13.
Расчетный
ток в кабеле 13 длиной l8 = 79 м (рис.2) равен номинальному току двигателя
задвижки (Iн =2,2А).
Выберем
сечение жил кабеля и определим допустимый ток кабеля из условия I2 £ Iдоп; при Sк..м.=
4мм2, Iдоп = 45 А.
Принимаем
кабель CБ
(3х4), его удельное R8-0=5,25 Ом/км,
X70=0,095 Ом/км.
Сопротивление
магистрального кабеля R7=5,25.0,079=0,415 Ом, X7=0,095.0,079=0,0075
Ом.
Определим
ток трехфазного к.з. в конце кабеля 15. Для этого определим сопротивления
элементов цепи, приведенные к базисному напряжению Uб=6300 В.
Индуктивное
и активное сопротивления кабельных линий 6, 7 и трансформатора уже найдены.
Индуктивное
и активное сопротивления кабельной линии 13 - 0,4 кВ, приведенные к базисному
напряжению
Суммарное
сопротивление цепи до точки к.з., приведенное к базисному напряжению
ХбS =Хб6+ ХбТ+ Хб7 + Хб17=0,0002+0,0202+0,000007+0,00019=0,02024 Ом;
Ток
трехфазного к.з. в конце линии 7:
.
Выберем
защитно-коммутационный аппарат в начале кабеля 13 в оответствии с условием:
где
Uн.а, Iн.а, Iо.а - соответственно номинальное напряжение,
номинальный ток, ток отключения аппарата (его паспортные данные);
Uн, Iраб,
- cсоответственно номинальное напряжение, рабочий ток и
ток к.з. сети в месте установки аппарата.
Номинальное
напряжение Uн=400 В, номинальный ток Iн =2,2 А,
Ток
трехфазного короткого замыкания в конце линии 7 - 2694А.
Принимаем
к установке в начале кабеля №8 магнитный пускатель ПВИ-25, имеющий Uн.а=
380 В, Iн.а=25 А, Iо.аmax=1500 А.
Величина,
т.е.
условие выбора аппарата соблюдено.
Для
линий 9 - 12 принимаем сечение кабеля и коммутационную аппаратуру такими же как
и для линии 13, поскольку эти линии имеют туже нагрузку при меньшей длине
кабеля.
Рис.3.1
. Схема электроснабжения участка водоотлива
4.
ЭЛЕКТРОПРИВОД КОМПРЕССОРА
месторождение
водоотливной электроснабжение двигатель
4.1
ТЕХНИЧЕСКОЕ ЗАДАНИЕ НА ЭЛЕКТРОПРИВОД ВИНТОВОГО КОМПРЕССОРА ТИПА:BS 51/8,5 БАР
. Назначение и область применения:
Электропривод винтового компрессора типа: BS 51/7,5 БАР предназначен для приведения в движение и
регулирования частоты вращения рабочего органа компрессора.
. Технические характеристики:
Максимальное рабочее избыточное давление 7,5 бар
Эффективная подача при максимальном рабочем избыточном давлении 5
м3/мин
Масса
880 кг
Компрессорный двигатель:
Номинальная мощность 30
кВт
Номинальная частота вращения 1460
об/мин Род защиты двигателя IP 44
Максимальная частота коммутации в час 15
Максимальный момент Мм 2Мном
Момент пусковой Мп 1,6Мном
Напряжение сети 380
В
Частота 50
Гц
Диапазон регулирования 3:1
Перерегулирование по скорости не должно превышать 5%
Статическая точность 2%
. Требования по автоматизации:
Виды защит:
– от тока недопустимой перегрузки 1,5 Iном в течение 2 минут и короткого замыкания: (4 ¸ 5) Iном
– от замыкания на землю
– от недопустимого отклонения напряжения питания сети: (-10% ¸ +20%) Uном
– от недопустимого перегрева силовых элементов схемы
– от неисправностей и сбоев системы управления
– от недопустимого отклонения технологического параметра
(давление): + 10%
Электропривод должен иметь световую сигнализацию:
– о наличии напряжений питания;
– обобщенную о срабатывании защит;
– о работе двигателя
Вид и род сигнала - сухой контакт и стандартный сигнал 5В.
Посты управления:
Пост управления находится непосредственно на компрессорной установке.
. Требования по надежности:
Коэффициент готовности 0,99
Вероятность безотказной работы за время t = 72 ч. 0,96
Гарантийный срок эксплуатации 17
520ч
Средний непрерывный срок эксплуатации 18ч
Среднее время между капитальными ремонтами 61 320ч
Минимальное время восстановления 30мин
. Условия эксплуатации:
Рабочая температура электропривода (+1 - +35)0С
Относительная влажность 100% при t = +350С
Механические перегрузки: устанавливается при внешних источниках,
создающих вибрацию не выше 35 Гц и максимальным ускорением 5 м/с2. Ударные
нагрузки отсутствуют.
Вид защиты IP54
Климатическое исполнение У
. Гарантии изготовителя:
Гарантийный срок службы 2
года
Срок хранения 6
лет
Назначенный срок службы 20
лет
Непрерывный срок эксплуатации 15 - 20
часов
Минимальное время между капитальными ремонтами 5 - 10
лет
.2 ОБЩИЕ СВЕДЕНИЯ О КОМПРЕССОРЕ
Компрессор [8].
Блок винтового компрессора производства фирмы KAESER с признанным во всем
мире профилем SIGMA-Profil, позволяющим экономно расходовать энергию,
одноступенчатое исполнение с системой охлаждения на основе рабочей среды.
Контур рабочей среды и воздуха.
Системы охлаждения.
Комбинированный холодильник из алюминия включает в себя холодильник
рабочей среды и дополнительный холодильник для сжатого воздуха. Вентилятор
охлаждающего воздуха служит более интенсивному охлаждению. Температура сжатого
воздуха на выходе выше температуры окружающего воздуха примерно на 6-7°С.
Вся установка.
Компактная конструкция установки со звукоизоляцией, с металлическими
виброэлементами, на жесткой опорной раме. Для размещения установки не требуется
возведения фундамента. Установка характеризуется крайне низким объемом работ по
техобслуживанию. Доступ ко всем важным узлам установки обеспечивается благодаря
наличию откидных створок. Блок компрессора и электродвигатель оснащены
дополнительной виброизоляцией. Установка предназначена для размещения снаружи
под навесом.
Специальное оборудование.
Система плавного регулирования потока воздуха (регулирование частичной
нагрузки и регулирование по частоте). Система дополнительной звукоизоляции.
Система обогрева в режиме остановленного компрессора. Система рекуперации
тепла.
.3 РАЗРАБОТКА АЛГОРИТМА И СИЛОВОЙ СХЕМЫ ЭЛЕКТРОПРИВОДА
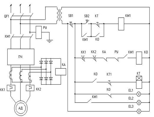
Алгоритм работы заключается в следующем:
При нажатии на кнопку Пуск замыкаются контакты КМ1 и КО (появляются
сигналы р1 и Y), запускается двигатель. При
срабатывании одной из защит, подаётся сигнал на размыкание контактов КО и через
некоторое время t срабатывает реле
времени КТ, размыкаются контакты КТ, размыкаются контакты КМ1 и двигатель отключается.
При нажатии на кнопку Стоп подаётся сигнал на размыкание контактов КМ1 и
двигатель также отключается.
Циклограмма работы системы управления для пуска и останова двигателя
компрессора выглядит следующим образом (рис.4.1):
Рис 4.1 Циклограмма работы системы управления
х1 - сигнал от кнопки Пуск SB2;
х2 - сигнал от теплового реле КК1;
х3 - сигнал от теплового реле КК2;
х4 - сигнал от токового реле КА;
х5 - сигнал от реле утечки РУ;
х6 - сигнал от кнопки Стоп SB1;
р1 - сигнал от электромагнитного реле обобщённого сигнала КО;
р2 - сигнал от реле времени КТ
Y -
сигнал от контактора КМ1
Выражение для выходного параметра Y будет иметь вид:
=
Предлагаемая
силовая схема электропривода выглядит следующим образом (рис.4.2):
Рис.
4.2 Силовая схема электропривода
Основные
элементы схемы представлены в табл.9:
Таблица
9
Спецификация
|
Обозначение
|
Наименование
|
Кол.
|
Примеч.
|
|
QF1
|
Автоматический выключатель
|
1
|
|
|
КМ1
|
Контактор
|
1
|
|
|
KK1
|
Тепловое реле
|
1
|
|
|
KK2
|
Тепловое реле
|
1
|
|
|
KА
|
Токовое реле
|
1
|
|
|
РУ
|
Реле утечки
|
1
|
|
|
SB1
|
Кнопка стоп
|
1
|
|
|
SB2
|
Кнопка пуск
|
1
|
|
|
KТ
|
Реле времени
|
1
|
|
|
KО
|
Электромагнитное реле
обобщённого сигнала
|
1
|
|
|
EL1
|
Лампа накаливания,
сигнализирующая о срабатывании защиты
|
1
|
|
|
EL2
|
Лампа накаливания,
сигнализирующая о работе двигателя
|
1
|
|
|
EL3
|
Лампа накаливания,
сигнализирующая о подаче питания
|
1
|
|
4.4 ВЫБОР
ЭЛЕКТРОДВИГАТЕЛЯ
Мощность электродвигателя равна [7]:
кВт
-
работа, затраченная на единицу объёма воздуха (дж)
Q - подача
компрессора (м3/сек)
Ts/Ta -
отношение абсолютной температуры воздуха в конце всасывания к температуре
атмосферы
hi - индикаторный кпд компрессора (0,8 - 0,75)
hм - механический кпд
компрессора (0,6 - 0,8)
hм - кпд передачи
(0,98)
кВт
Исходя
из технического задания выбираем асинхронный двигатель 4А180М4У3.
Параметры
двигателя:
Рном
= 30 кВт.
n0 = 1500
об/мин.
КПДном
= 91 %
Cos jном = 0,89
Jдв = 0,23 кг*м2
Параметры
двигателя в физических единицах:
R1 = 0,134 Ом; R2 =
0,07 Ом; Lm = 0,0488 Гн; Ls = 0,0497 Гн; Lr =
0,0503 Гн;
.5 ВЫБОР
ЗАКОНА УПРАВЛЕНИЯ
Основное
назначение регулирования винтовых компрессоров состоит в том, чтобы обеспечить
переменную производительность при постоянном давлении нагнетания.
Применяемые способы регулирования основаны на том, что объемная
производительность винтового компрессора (без учета протечек) прямо
пропорциональна скорости роторов и при данной скорости не зависит от степени
повышения давления. Обычно при проектировании производительность машины
принимают на несколько процентов больше расчетной. В связи с этим все способы
регулирования сводятся к уменьшению производительности при сокращении расхода
газа потребителем, что достигается изменением скорости компрессора, а также
выпуском (или перепуском) излишнего количества газа. Способы регулирования в
значительной мере определяются свойствами двигателей, применяемых для привода
компрессора.
Регулирование изменением числа оборотов экономически наиболее
целесообразно. При этом способе приводной двигатель должен обеспечивать
постоянство крутящего момента в широком диапазоне скоростей вращения роторов.
Таким требованиям отвечают: паровые турбины, двигатели внутреннего сгорания
электродвигатели постоянного тока, а также электродвигатели постоянного числа
оборотов, соединенные с компрессором через редуктор с изменяемым передаточным
отношением.
Такое регулирование в зависимости от конкретных условий допускает
уменьшение числа оборотов компрессора до 40% от номинального, причем
производительность сократится в еще большей мере, так как относительные
протечки газа растут при уменьшении скорости.
Исходя из этого выбираем электропривод с частотным управлением.
Скорость вращения электромагнитного поля статора трехфазных
электродвигателей переменного тока, пропорциональна частоте питающей сети, что
позволяет регулировать их скорость плавным изменением частоты напряжения
статора. Это наиболее экономичный способ плавного регулирования скорости
асинхронных короткозамкнутых двигателей, поскольку двигатель во всем диапазоне
регулирования работает с малой величиной скольжения ротора (малыми потерями
скольжения).
Так как величина индуктивного сопротивления двигателя пропорциональна
частоте, то для сохранения тока и других переменных двигателя такими же, как и
при номинальной частоте, необходимо одновременно с изменением частоты изменять
и напряжение питающей сети. Академиком М. П. Костенко сформулирован закон; устанавливающий
соотношение между частотой и напряжением питании асинхронного двигателя:
Приняв для турбомеханизмов, что момент пропорционален квадрату скорости
вращения, которая в свою очередь пропорциональна частоте, из условия
постоянства перегрузочной способности можно установить соотношение между
частотой и напряжением
Это соотношение является приближенным, так как оно не учитывает падения
напряжения па активном сопротивлении обмоток статора.
На рис. 4.3 показаны характеристики асинхронного двигателя при частотном
регулировании с изменением напряжения по закону (4.4).
Частотное управление двигателями переменного тока является экономичным,
поскольку оно позволяет сохранить высокий к. п. д. двигателя, обеспечивает как
двигательные, так и тормозные режимы работы, хорошую жесткость характеристик и,
что самое главное, позволяет использовать в качестве приводного асинхронный
короткозамкнутый двигатель.
.6
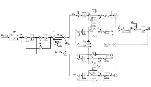
МАТЕМАТИЧЕСКАЯ МОДЕЛЬ ДВИГАТЕЛЯ
Уравнения, описывающие асинхронный двигатель в координатах a,b выглядят следующим образом [9]:
Преобразовав
их можно получить:
Мэ = 3/2*Lmp(IraIsb - IrbIsa)
Рассчитаем
параметры структурной схемы для реализации её в Mathlab:
R1 = 0,134 Ом; R2 =
0,07 Ом; Lm = 0,0488 Гн;
Ls = 0,0497 Гн;
Ом; Lr = 0,0503 Гн; Рп = 2; Jобщ. =
0,46+0,23=0,69 кг*м2.
= 0,37с;
;
;
;
;
0,1464
Структурная
схема асинхронного двигателя с преобразователем частоты выглядит следующим
образом (рис.4.4):
Рис.
4.4 Структурная схема асинхронного двигателя с преобразователем частоты
Схема
реализации данной модели двигателя в программной среде Mathlab выглядит
следующим образом (рис.4.5.):
Рис.
4.5 Структурная схема асинхронного двигателя с преобразователем частоты в среде
Mathlab
Полученные
графики переходных процессов выглядят следующим образом (рис.4.6):
Рис. 4.6 Графики переходных процессов
5. РАЗРАБОТКА СИСТЕМЫ АВТОМАТИЗАЦИИ ВОДООТЛИВНОЙ УСТАНОВКИ
.1 ОБЩИЕ СВЕДЕНИЯ О ВОДООТЛИВЕ
Шахтная водоотливная установка (ШВУ) представляет собой сложное
сооружение, включающее в себя: комплекс горных выработок, насосные агрегаты
различной производительности, трубные коллекторы, систему электроснабжения и
аппаратуру автоматизации. Она должна обеспечивать откачку воды из горных
выработок, обладая при этом высокой надежностью и экономичностью. Откачиваемая
вода после подъема на поверхность и последующей очистки может быть использована
для технологических нужд. Для обеспечения надежности водоотлив проектируют с запасом
по емкости водосборника и резервом насосных агрегатов, обеспечивается
резервирование электроснабжения и дублирование трубопроводов.
Оборудование
ШВУ
Водоотливные установки, как правило, оборудуются центробежными насосами.
По сравнению с поршневыми насосами они обладают рядом достоинств: центробежные
насосы более надежны в работе, экономичны, а также допускают применение
высокоскоростных двигателей. Это позволяет уменьшить габариты установки и
снизить затраты электроэнергии на откачку воды. Согласно ПТЭ и ПТБ каждому
насосу рабочей группы соответствует один насос резервной группы (в случае
выхода из строя насоса рабочей группы осуществляется автоматический ввод
резерва), кроме того, один насос находится в ремонте (ремонтный насос).
В установках главного водоотлива применяются секционные горизонтальные,
многоступенчатые насосы типа ЦНС с вертикальным разделением на секции. Они
обеспечивают подачу 30 - 850 м3/ч при напоре 60 -1300 м. Гидравлическая схема
водоотливной установки оборудованной центробежными насосами типа ЦНС
представлена на рис.5.1.
Рис. 5.1. Гидравлическая схема водоотливной установки
1 - нагнетательный трубопровод; 2 - задвижка; 3 - обратный клапан; 4 -
главное колено нагнетательного трубопровода; 5 - насос центробежный типа ЦНС; 6
- всасывающий трубопровод, 7 - всасывающий клапан с приемной сеткой; Нвс -
высота всасывания; Нн - геометрическая высота нагнетания; Нг - геометрический
напор установки.
Электропривод водоотливных установок
Для электропривода используются трехфазные асинхронные короткозамкнутые
электродвигатели, обладающие высокой надежностью в работе и пониженным расходом
электроэнергии в пусковых режимах. Асинхронные двигатели с фазным ротором
обладают меньшей надежностью, а синхронные машины обладают большими размерами и
менее удобны в обслуживании. Условия эксплуатации двигателей характеризуются
повышенной влажностью, запыленностью, а также наличием взрывоопасной рудничной
атмосферы, поэтому двигатели применяются в закрытом защищенном или взрывобезопасном
исполнении. Для водоотлива в горной промышленности обычно применяются
асинхронные двигатели во взрывозащищенном исполнении мощностью 350-3000 кВт,
рассчитанные на продолжительный режим при напряжении 6000 В и частоте 50 Гц.
Пуск электродвигателей осуществляется на полное напряжение сети. Для нормальных
условий пуска мощность двигателя не должна превышать 4% от мощности
установившегося техфазного короткого замыкания сети.
Способы
заливки насосов
Для заливки основных насосов используют погружные заливочные насосы
(НЗП). Другие способы заливки: специальные всегда заполненные водой резервуары,
баковые аккумуляторы, подача воды из нагнетательного става, сифонный способ,
использование заглубленных насосных камер не получили широкого распространения в
угольной промышленности. Обычно для залива каждых трех главных насосов
используется один заливочный насос, который находится в водосборнике ниже
нижнего уровня и постоянно залит водой. Включение основных насосов возможно
только после заливки. Пуск осуществляется на закрытую задвижку (насос как бы
«отсекается» от труб идущих на поверхность), после начала работы срабатывает
реле и открывает ее. Весь процесс контролируется реле времени и занимает (5-6)
минут в зависимости от глубины шахты.
Водосборники
Сбор воды, поступающей из всех горных выработок шахты, осуществляется в
специально пройденных выработках - водосборниках. Так как водосборник
периодически должен очищаться от ила, то шахта должна иметь как минимум два
водосборника. Высота и ширина водосборника ограничиваются устойчивостью горных
пород, по этому водосборник представляет длинную выработку, одна из стенок
которой наклонная, что необходимо для очистки водосборника. Объем водосборника
определяется притоком воды в час, а также порядком работы насосных установок в
сутки.
Объем водосборника состоит из аварийного и регулировочного. Аварийный
объем по ПБ и ПТЭ должен быть для угольных и сланцевых шахт не менее
максимального притока воды за 4 часа. Это необходимо для приема воды в случае
вынужденной остановки насосов в связи с аварией. Регулировочный объем
предназначен для приема воды, поступающей из горных выработок, в период
плановой остановки насосов, предусмотренной порядком работы по откачке
суточного водопритока. Полезный регулировочный объем ШВУ постоянно уменьшается
в связи с заиливанием водосборника (по ПБ допускается заиливание до 30%).
Контроль
уровня воды в водосборнике
Объем воды в водосборнике контролируется с помощью системы датчиков
уровня. Объем от дна водосборника до датчика нижнего уровня постоянно заполнен
водой, что необходимо для нормальной работы насосов. Объем от датчика нижнего
уровня до датчика верхнего уровня - рабочий объем при нормальном водопритоке.
Датчик повышенного уровня служит для включения в работу второго насоса рабочей
группы, если один рабочий насос не справляется с водопритоком (при максимальном
водопритоке). Датчик аварийного уровня обеспечивает сигнализацию об аварии
диспетчеру, в случае если вода продолжает подниматься при работе всех насосов
рабочей группы.
Задачи автоматизации
водоотлива
Система автоматизации ШВУ должна обеспечивать:
·
контроль заливки
насосов перед их пуском в работу;
·
включение насоса
при достижении водой верхнего уровня и отключение его при достижении нижнего
уровня;
·
контроль работы
насоса и отключение его в случае отказа;
·
автоматический
ввод резерва при отказах или если рабочий насос не справляется с притоком воды;
·
выполнение
основных операций без прямого участия человека;
·
световая и
звуковая сигнализация на пульт диспетчера о состоянии установки;
·
обеспечение
оптимального энергопотребления.
Средства автоматического управления и контроля, комплектная аппаратура
автоматизации
К средствам автоматического управления и контроля ШВУ относятся: реле
уровня, реле производительности, реле контроля заливки насосов по давлению,
температурные реле, датчики уровня воды в водосборнике.
Для автоматизации водоотливных установок большой и средней мощности,
оборудованных насосами (до девяти) с высоковольтными и низковольтными
асинхронными короткозамкнутыми электродвигателями при типовых схемах защиты, с
автоматизированной задвижкой применяется комплектная аппаратура ВАВ. Аппаратура
ВАВ собрана по блочному принципу на многоконтактных герметизированных реле в
сочетании с полупроводниковыми элементами. Она имеет взрывозащищенное
исполнение, что позволяет использовать ее в шахтах, опасных по газу и пыли.
Метод программирования - универсальные переключатели. Комплект состоит из:
блока управления насосами, сигнального табло, реле производительности, реле
давления, заливочного погружного насоса, пускателя, электропривода задвижки,
электронных датчиков.
.2 ПОСТАНОВКА ЗАДАЧИ
Цель моделирования
Необходимо построить логическую схему основного логического блока системы
автоматического управления насосами главного водоотлива с автоматическим вводом
резерва. Схема должна обеспечивать работу водоотливной установки, как при
нормальном, так и при максимальном водопритоке, обеспечивая необходимую
производительность и надежность. В случае выхода из строя рабочего насоса ввод
резерва должен быть осуществлен автоматически. Информация о состоянии установки
и аварийная сигнализация выводится на пульт диспетчера.
Описание
объекта
Водоотливная установка оборудована пятью секционными центробежными
высоконапорными насосами типа ЦНС 300-300. Рабочая группа содержит два насоса,
которые обеспечивают откачку суточного водопритока за 20 часов. Резервная
группа также содержит два насоса, которые автоматически включаются в работу
системой управления, в случае аварийного отключения одного из насосов рабочей
группы. Один насос (ремонтный насос) находится в ремонте. Заливка насосов перед
пуском их в работу осуществляется погружным заливочным насосом, который
находится в водосборнике ниже нижнего уровня, процесс заливки и пуска
контролируется аппаратурой автоматизации.
Непрерывное управление производительностью насосов представляет
определенные трудности в связи с тем, что в качестве двигателей используются
асинхронные короткозамкнутые двигатели большой мощности, питающиеся от сети
напряжением 6000 В. Регулирование скорости таких двигателей представляет
значительные трудности. Гидравлические способы регулирования производительности
насосов характеризуются большими потерями энергии и недостаточно эффективны.
Кроме того, непрерывное регулирование производительности насосов требует
применения датчиков скорости водопритока. В связи с этим для управления
насосами ШВУ используется булево управление, то есть насос либо включен и
работает с номинальной производительностью, либо отключен.
Для управления процессом водоотливом используется комплектная аппаратура
ВАВ. Схемой автоматизации предусмотрено два вида управления - автоматическое и
ручное, причем перевод на ручное управление осуществляется без нарушения работы
насосов. Система управления обеспечивает автоматическое включение насосных
агрегатов в работу и их остановку, обеспечивая неодновременность пуска
электродвигателей.
Аппаратура ВАВ снабжена блокировками, предотвращающими: пуск агрегата при
незалитом насосе, включение привода задвижки до пуска насосного агрегата,
останов агрегата до момента полного закрытия задвижки, включение агрегата при
отсутствии воды в водосборнике, а также повторное включение отключившегося
насоса, до выяснения причин аварии. Предусмотрены следующие виды защит,
вызывающие аварийный останов: при снижении или потери производительности, при
перегреве подшипников, при исчезновении напряжения или коротком замыкании в
цепях управления.
Уровень воды в водосборнике контролируется с помощью датчиков уровня.
Высота подвеса датчиков выбирается таким образом, чтобы число пусков и
остановок насосов в сутки было минимально. При достижении водой датчика
верхнего уровня включается один из насосов рабочей группы. Если, несмотря на
это, уровень воды в водосборнике повышается, то вода поднимается до датчика
повышенного уровня, который включает второй насос рабочей группы. При снижении
воды до датчика нижнего уровня происходит отключение насосов, после чего
уровень воды начинает повышаться, пока не сработает датчик верхнего уровня и
процесс повторяется. Датчик аварийного уровня сигнализирует диспетчеру о
недопустимо высоком уровне воды в водосборнике. Сигнал об аварийном отключении
насоса формируется системой защиты, при его появлении схема управления
обеспечивает включение насоса резервной группы. Информация о уровне воды в
водосборнике и состоянии насосных агрегатов, а также сигнализация об аварии,
выводится на пульт диспетчера.
Проверка
работоспособности модели
Математическая модель должна быть адекватна объекту, то есть ее
характеристики должны соответствовать характеристикам объекта в моделируемых
режимах работы. В качестве критерия работоспособности модели принимаем подобие
графиков откачки воды, полученных при помощи модели, соответствующим графикам
известным из технической литературы. Графики стоятся для режимов нормального и
максимального водопритока.
Определение
моделируемых режимов работы
Моделируемые режимы работы:
) режим нормального водопритока - Qнорм = Qп1 =
150 м3/ч.
) режим максимального водопритока - Qп2 = 230 м3/ч, при этом откачка воды производится обоими
насосами рабочей группы.
) режим работы при автоматическом вводе резерва - в случае сбоя в работе
одного из насосов рабочей группы осуществляется автоматический ввод в работу
одного из насосов резервной группы.
.3 ПОСТРОЕНИЕ МАТЕМАТИЧЕСКОЙ МОДЕЛИ
Выбор класса
модели и языка описания
Изменение уровня воды в водосборнике происходит непрерывно и является
некоторой функцией времени. Таким образом, зависимость уровня воды в
водосборнике от времени, водопритока и производительности насоса может быть
описана обыкновенными дифференциальными уравнениями. Для управления насосами
используется булево управление (каждый из насосов либо работает с постоянной
производительностью, либо остановлен), то есть от непрерывной модели мы
переходим к дискретной. Для математического моделирования дискретных устройств
можно воспользоваться методами теории конечных автоматов.
Составление математической модели
Описание моделируемых режимов работы
На рис. 5.2. показан график откачки воды ШВУ при нормальном и максимальном
водопритоках. Глубина водосборника Н, рабочий объем водосборника ограничивается
НН - НП.
В зависимости от водопритока возможны два варианта:
) один рабочий насос успевает откачать воду и в t3 насос отключается.
) один рабочий насос не может откачать водоприток, уровень воды
поднимается до НП и включается второй насос.
Рис. 5.2. График откачки воды ШВУ
НН - нижний уровень, НВ - верхний уровень, НП - повышенный уровень, HА - аварийный уровень, Н - глубина
водосборника, 1 - срабатывание датчика нижнего уровня, 2 - срабатывание датчика
верхнего уровня, 4 - срабатывание датчика повышенного уровня, 3 и 5 -
срабатывание датчика нижнего уровня.
В работе ШВУ присутствует три этапа:
1) t1 - t2 - заполнение водосборника, насосы не работают, пока вода не
достигнет датчика верхнего уровня;
2) t2 - t4 - откачка воды одним насосом ;
3) t4 - t5 - откачка воды двумя насосами.
Рассматривается так же ситуация, когда один из насосов рабочей группы
аварийно отключается. При этом осуществляется ввод в работу одного из резервных
насосов. Случай двойной аварий, когда аварийно отключается более одного насоса,
в данной работе не рассматривается, так как надежность насосных агрегатов
достаточно велика. Сигнал об аварийном отключении подается на пульт диспетчера,
который должен обеспечить своевременное выяснение причин аварии и ликвидацию ее
последствий.
Выбор высоты
установки датчиков
Объем водосборника (по ПТЭ и ПБ водосборник должен вмещать максимальный
водоприток за 4 часа):
0 =4kQп.2 = 4 ×1,2 × 230 = 1104 м3.
Высота водосборника ограничивается устойчивостью горных пород, принимаем:
H = 6
м.
Площадь водосборника.
= V0 / H = 1104 / 6 = 184 м3.
Возможное расположение датчиков показано в табл.10.
Таблица 10
|
Датчик
|
Высота размещения датчика
(от дна водосборника) H, м
|
DH, м
|
DV/V0
|
|
Датчик аварийного уровня
|
5
|
0,5
|
0,083
|
|
Датчик повышенного уровня
|
4,5
|
0,5
|
0,083
|
|
Датчик верхнего уровня
|
4,0
|
3,5
|
0,583
|
|
Датчик нижнего уровня
|
0,5
|
0,5
|
0,083
|
Описание
модели
Изменение уровня воды в водосборнике может быть описано уравнением:
где
h - уровень воды в водосборнике, t -
время, QP - водоприток, Qн
-производительность насоса, S - площадь водосборника.
В
общем случае:
где
h0 - начальный уровень воды.
Для
упрощения задачи примем следующие ограничения:
1) считаем водоприток постоянным и
равным Qp1 и Qp2 в режимах нормального и максимального водопритока
соответственно,
2) считаем производительность насоса
постоянной.
При
этом выражение принимает вид:
Представив
моделируемый блок в виде конечного автомата, мы переходим от непрерывной модели
к дискретной.
В
качестве образца принимаем автомат Мура, как наиболее простой и часто
используемый при моделировании технических объектов.
Абстрактный
автомат является системой S (A, Z, W, d, g), где:
А
= {ai} - множество внутренних состояний автомата, состоящее
из конечного числа элементов;
Z = {zi} -
множество входных сигналов;
W = {wi} -
множество выходных сигналов;
d - множество функций переходов, приводящих некоторому состоянию и
входному сигналу в соответствие новое состояние автомата (под действием сигнала
автомат переходит из одного состояния в другое),
aS = d(am; zf);
g - множество функций выходов, ставящих выходной сигнал в соответствие
состоянию автомата и входному сигналу,
=
g(an; zk).
Конечный автомат может быть задан в виде таблиц переходов и выходов, в
форме соответствующих логических уравнений или в виде графа автомата. И в том и
в другом случае должны быть заданы все пять множеств. Автомат называется
асинхронным если все его состояния устойчивы и синхронным в противоположном
случае. Основное отличие в том, что синхронный автомат требует наличия дополнительного
управляющего устройства, например тактового генератора.
Особенностью автомата Мура является то, что каждому внутреннему состоянию
соответствует выходной сигнал, который не зависит от входного сигнала, а
определяется только внутренним состоянием автомата.
Построим модель блока управляющего работой насосов в виде асинхронного
конечного автомата Мура.
Внутренние
состояния автомата
a1 -
все насосы остановлены и уровень воды в водосборнике повышается.(начальное
состояние автомата);
а2 - работает один насос рабочей группы;
а3 - работают два насоса рабочей группы;
а4 - операции остановки работавших насосов;
а5 - работа одного насоса резервной группы;
а6 - работа двух насосов, один из которых резервный;
а7 - аварийная ситуация, при двух работающих насосах сработал датчик
аварийного уровня. Установка переключается на ручное управление и подается
соответствующий сигнал на пульт диспетчера.
Входные
сигналы
z1 -
сигнал от датчика нижнего уровня;
z2 -
сигнал от датчика верхнего уровня;
z3 -
сигнал от датчика повышенного уровня;
z4 -
сигнал об остановки насосов (окончание всех операций)
z5 -
сигнал об аварийном отключении первого насоса рабочей группы;
z6 -
сигнал об аварийном отключении второго насоса рабочей группы;
z7 -
сигнал от датчика аварийного уровня.
Выходные
сигналы
w1 -
сигнал готовности системы;
w2 -
сигнал на включение первого насоса рабочей группы;
w3 -
сигнал на включение второго насоса рабочей группы;
w4 -
сигнал на отключение работающих насосов, сигнал на пульт диспетчера о том, что
установка находится в режиме отключения (насосы отключаются поочередно, процесс
остановки контролируется ВАВ);
w5 -
сигнал на включение первого насоса резервной группы, сигнал на пульт диспетчера
о аварийном отключении первого насоса рабочей группы;
w6 -
сигнал на включение второго насоса резервной группы, сигнал о аварийном
отключении второго насоса рабочей группы на пульт диспетчера;
w7 -
сигнал об аварии на пульт диспетчера, переход установки на ручное управление.
Уравнения переходов
Уравнения выходов
{wi[t]= ai[t]},
где i = [1…7].
Граф автомата
Согласно уравнениям переходов и выходов получим граф автомата.
Представление конечного автомата в виде графа более наглядно и позволяет в
случае сложной системы применять для её анализа методы теории графов. Граф
автомата показан на рис. 5.3..
Рис. 5.3. Граф конечного автомата
Автомат асинхронный, так как состояния автомата устойчивы (если автомат
перешел из состояния as в
состояние аf под действием некоторого сигнала zs, то выйти из него он сможет только
под действием другого сигнала) и последовательный, так как операции выполняются
друг за другом дискретно во времени.
Техническая
реализация
Для технической реализации схемы необходимо иметь элементы с устойчивым
состоянием, например триггеры, релейные элементы и т.д. Один из вариантов
технической реализации автомата на RS-триггерах и логических элементах представлен на рис. 5.4.
рис. 5.4.
Схема логического блока управляющего работой насосов ШВУ
5.4 ПРОВЕДЕНИЕ ЭКСПЕРЕМЕНТОВ С МОДЕЛЬЮ
Под проведением экспериментов с моделью понимается решение уравнений,
описывающих модель для заданных режимов работы. Если результат
экспериментирования не удовлетворяет принятым критериям адекватности, то в
модель вносятся необходимые коррективы. Задачей экспериментирования в данном
случае является построение графиков откачки воды при максимальном и номинальном
водопритоках. Сравнение реальных графиков откачки воды и графиков, построенных
с помощью математической модели, покажет, насколько модель адекватна объекту.
Моделирование
заданных режимов
Запишем уравнения h(t) для каждого из состояний автомата
при постоянном водопритоке и постоянной производительности насосов:
)Состояние а1, все насосы остановлены.
)
Состояния a2, a5, работает один насос.
)
Состояния a3, а6, а7 работают два насоса.
)
Состояние а4.
Время
паузы в работе насосов.
Время
работы одного насоса.
а)
QН > QП
б)
QН < QП
Время
работы двух насосов
Режим
нормального водопритока
П = Vp / QП = 644 / 150 = 4,29 час,
ТН1 = Vp /(QH - QП) =
644 / (180 - 150) = 21,47 час
ТН2 = 4,29+21,47+0 =25,76
Уравнения h(t) для каждого из интервалов времени
1 = 0,5 + 0,82t
ha2,a5 = 4 - 0,16 (t - 4,29)
4 = 0,5
Режим максимального водопритока
ha3,a6,a7 = 4,5 - 0,79 (t - 7,5) TП = Vp / QП = 644 / 230 = 2,8 час,
ТН1 = DV /(QП - QН) = 92 / (230 - 180) = 1,84 часН2 = ТН1 = = (Vp + DV) /(2×QH - QП) = (644 + 92)/(2×180 - 230) = 5,66 час
ТН2 = 2,8 + 1,84 + 5,66 =10,3 час
Уравнения h(t) для каждого из интервалов времени
ha1 =
0,5 + 1,25t
ha2,a5 = 2,8 + 2,23 (t - 2,8)
ha4 =
0,5
Графики
откачки воды
Режим нормального водопритока
Таблица 11
|
t, час
|
0
|
4,29
|
25,76
|
|
h(t),м
|
0,5
|
4
|
0,5
|
Оценка
полученных результатов
Как видно из графиков математическая модель достаточно точно моделирует
работу водоотливной установки в требуемых режимах. Схема блока управляющего
работой насосов обеспечивает автоматическое включение насосов при поступлении
соответствующих сигналов от датчиков верхнего и повышенного уровня, остановку насосов
после откачки воды до нижнего уровня, а также автоматический ввод в работу
резервного насоса при сбое в работе одного из насосов рабочей группы. Схема
обеспечивает также сигнализацию о состоянии ШВУ на пульт диспетчера. Время
цикла работы ШВУ достаточно велико, что обеспечивает малое количество пусков
насосных агрегатов в сутки. Это способствует увеличению надежности, так как
примерно 60% отказов возникает в момент пуска насосов, а также снижает нагрузку
на электрическую сеть.
.5 ТРЕБОВАНИЯ, ПРЕДЪЯВЛЯЕМЫЕ К АППАРАТУРЕ
Основная задача автоматизации водоотливных установок заключается в
высвобождении обслуживающего персонала, обеспечении надежного и экономичного
функционирования процесса водоотлива.
Аппаратура должна обеспечивать;
автоматическое местное (в камере водоотлива), дистанционное (от
диспетчера) управление;
автоматическое включение, выключение насосов в зависимости от уровней
воды в водосборнике;
автоматический последовательный пуск и отключение электродвигателей при
параллельной работе нескольких агрегатов;
автоматическое включение резервных насосов при выходе из строя рабочих
агрегатов;
автоматическое отключение насоса, включенного диспетчером, при достижении
водой нижнего уровня, а также дистанционное включение насоса при уровне воды
выше верхнего;
автоматическую заливку насосов с помощью заливочных насосов или
устройств, обеспечивающих заливку насоса перед пуском;
автоматическое управление задвижками на нагнетательном трубопроводе;
дозирование заливки по времени, контроль включения насосов по времени и
давлению;
защиту насосного агрегата (отключение) при снижении или потере
производительности насоса, нагреве подшипников, исчезновении напряжения в цепях
управления;
блокировку, запрещающую пуск насосного агрегата при незалитом насосе,
дистанционное выключение насосов при отсутствии воды в водосборнике, повторное
включение аварийно отключившегося насосного агрегата по устранении причин,
вызвавших аварию;
световую сигнализацию в помещении диспетчера, позволяющую фиксировать
работу насосных агрегатов, аварийный уровень воды в водосборнике, наличие
напряжения в цепях управления;
световую сигнализацию аварийного отключения насосных агрегатов и
аварийного уровня воды в водосборнике, сопровождающуюся звуковой.
В настоящее время для автоматизации процесса водоотлива выпускается
несколько типов комплексов аппаратуры, которые нашли широкое применение. Для
автоматизации участкового водоотлива выпускается аппаратура АВ-5 и АВ-7,
одиночного водоотлива - АВО-3, водоотливных установок с низковольтными двигателями
- АВН- 1М, главных водоотливов - УАВ, главных водоотливов опасных по газу и
пыли - ВАВ. Все комплексы оборудования выпускаются заводом «Красный металлист».
Комплектность аппаратуры различных типов приведена в табл.12.
Таблица 12
|
Наим.
|
Технолог. Датчики
|
Центральная часть
|
Исполнит. Механизмы
|
Средства Сигнализ
|
|
АВ-5
|
РУП-1
|
Аппарат управления для двух
насосов
|
ПМВ
|
ПАУ-1
|
|
АВ-7
|
РУП-1, РУПФВ-1К
|
Аппарат управления для двух
насосов
|
ПМВ
|
|
|
АВО-3
|
ЭД, РПФВ-1К
|
Аппарат управления одним
насосом
|
БСО-1
|
|
АВН-1М
|
ЭД, ТДЛ-2, РПФВ-1М
|
Аппарат управления АУН-1М
для двух насосов
|
ЗПН
|
БРУ-2, СТВ
|
|
УАВ
|
ЭД, РПН, РДВ, ТДЛ-2
|
Общий блок ОБН для насосов
от 1 до16 и блок БН на каждый насос
|
ЗПН, ПМВ, ЭПЗ-1
|
ФНЧ-1, СТВ
|
|
ВАВ
|
ЭД, РПН, ТДЛ-2, РДВ
|
Блок управления БУН на
каждый насос (1-9),оболочка РВ для от 1 до 3 насосов
|
ЗПН,ПЗ-1, ППВ-1
|
ФНЧ-1, СТВ
|
Функциональные требования к системам автоматического управления шахтных
водоотливных установок включает в себя следующее:
Программирование работы установок (автоматический выбор рабочего насоса в
зависимости от ресурса насосов; выбор рабочих и резервных насосов при ручном
управлении; заливка рабочего насоса перед пуском; автоматический переход с
рабочего на резервный в случае неисправности рабочего насоса; последовательный
запуск насосных агрегатов при параллельной их работе, исключающий сложение
пусковых токов; последовательный останов насосных агрегатов во избежание
возникновения гидроудара);
. Формирование управляющих воздействий (команды «Пуск»; команды «Стоп»;
команды «Запрет повторного пуска» при неисправности защищаемого механизма;
команды «Снятие запрета пуска» после ликвидации аварии; команд управления
задвижками при переходе с рабочего трубопровода на резервный);
. Контроль технологических параметров (заливка насосов перед пуском;
давление в нагнетательном трубопроводе; расход; уровень воды в водосборнике);
. Управление задвижками включает; открытие и закрытие задвижки из
произвольного положения; автоматическое отключение двигателя задвижки при
достижении крайнего положения; автоматическое отключение двигателя задвижки при
заклинивании с одновременной сигнализацией и исключением его последующего
автоматического включения до ликвидации причины вызвавшей заклинивание;
. Пуск насоса включает: прием команды на запуск насоса; проверку
исправности насоса условий запуска; программное выполнение предпусковых
операций; пуск электродвигателя насоса; контроль производительности запущенного
насоса;
. Остановка насоса включает: прием команды на останов насоса; программное
выполнение операций, предшествующему останову; останов электродвигателя насоса;
выполнение после остановочных операций;
. Автоматическое управление производительностью насоса должно
производится в функции притока воды и в функции нагрузки энергосистемы;
. Контроль исправности насоса включает: контроль температуры подшипников
насоса и двигателя; контроль производительности и давления, развиваемого
насосом;
. Контроль исправности задвижки включает: контроль заклинивания штока
задвижки; контроль исправности привода задвижки;
. Учет ресурса работы насосных агрегатов включает: учет числа включений;
учет продолжительности работы; вырабатывание предупредительного сигнала при
наработке насосом определенного ресурса;
. Формирование местной сигнализации включает; предупредительный звуковой
сигнал перед запуском установки, индикацию работы механизмов, индикацию причин
аварии, индикацию ресурса механизмов;
. Передача диспетчерской информации включает: прием команд управления от
диспетчера, передачу основной информации о состоянии систем и насосных агрегатов,
контроль линий связи.
.6 УСТРОЙСТВО МИКРОПРОЦЕССОРА
Микросхема КР1816ВЕ48 представляет собой однокристальную 8-разрядную
микро-ЭВМ, выполненную по МДП-технологии. Микросхема содержит основные
функциональные узлы (центральный процессор, ОЗУ , многоканальный интерфейс
ввода/вывода, 80-разрядный таймер/счетчик, векторную систему прерываний с
приоритетом, тактовый генератор, устройство синхронизации, программную память),
обеспечивающие универсальность, автономность и гибкость применений в
устройствах самого различного назначения.
Микросхема содержит электрически программируемое ПЗУ (ППЗУ) с
ультрафиолетовым стиранием, позволяющее пользователю самостоятельно производить
запись информации в программную память и оперативно ее обновлять. Основные
технические характеристики микросхемы:
объем внутренней программной памяти 1 К;
объем ОЗУ 64 байта;
Максимальная тактовая частота 6 МГц.
В микро-ЭВМ предусмотрена возможность расширения памяти программ до 4
Кб., памяти данных до 384 байт и увеличения числа линий ввода/вывода за счет
подключения внешних кристаллов ПЗУ, ОЗУ и интерфейсов ввода/вывода серии КР580.
Структурная схема микро-ЭВМ включает следующие узлы:
. Арифметическое и логическое устройство (АЛУ) представляет собой
параллельное 8-разрядное устройство, позволяющее выполнять арифметические,
логические операции и операции сдвига над данными, представленными в двоичном
коде.
. Блок программной памяти (БПП) предназначен для записи, хранения и
считывания команд, которые поступают в процессор и управляют процессом обработки
информации. Блок состоит из ППЗУ (стирание которого производится с помощью
ультрафиолетовых лучей через крышку с кварцевым окошком), счетчика команд,
дешифратора адреса и дешифратора команд.
Счетчик команд (СК) предназначен для формирования текущего адреса
местонахождения команды в программной памяти. Счетчик содержит 12 разрядов.
Содержимое счетчика увеличивается после выборки каждого байта команды и может
изменяться скачкообразно после выполнения команд условных и безусловных
переходов, выполнения команд вызова и возврата из подпрограмм и обработки
прерываний.
Дешифратор и регистр команд предназначены для записи, хранения и
декодирования команд, поступающих из программной памяти. С выхода дешифратора
снимаются управляющие сигналы, осуществляющие выполнение команд.
. Оперативное запоминающее устройство предназначено для хранения данных,
полученных при обработке информации. ОЗУ разбито на два банка регистров общего
назначения (РОН) и восьмиуровневый 16-разрядный стек, используемый только как
ОЗУ данных. Переключение между банками РОН осуществляется программным путем.
Для записи и выборки информации из ОЗУ используется два вида адресации:
прямая, при которой адрес определяется содержимым РОН, указанном в команде, и
косвенная, при которой место расположения адреса указывается в команде.
. Устройство ввода/вывода служит для организации обмена информацией
микро-ЭВМ с внешними устройствами. В микроЭВМ имеется 27 линий ввода/вывода, 24
из которых объединены с тремя 8-разрядными портами. Порт Р0 - двунаправленный,
порты Р1, Р2 - квазидвунаправленные. Три линии ввода/вывода Т0, Т1, INT используются как входы, проверяемые
командами условного перехода.
. Устройство управления и синхронизации предназначено для выработки
сигналов, обеспечивающих выполнение команд. Оно состоит из следующих узлов:
генератора, формирователя внутренних тактовых сигналов, формирователей сигналов
состояний и режимов работы.
. Схема условных переходов предназначена для формирования сигналов
управления для ветвления программы при выполнении команд условных переходов.
Условия перехода определяются соответствующими командами. Значения признаков C, F0, F1, TT устанавливаются программно,
признаков T0, T1, INT -
аппаратно.
. Таймер/счетчик предназначен для подсчета внешних событий и генерирования
временных интервалов.
. Схема прерывания предназначена для организации прерывания естественного
хода программы и выполнения подпрограммы обслуживания прерываний. В микро-ЭВМ
предусмотрено два вектора прерывания. Один вектор - аппаратный, второй
используется и как внутренний и как внешний. Каждый из векторов может быть
программно разрешен или запрещен.
Регистр состояния программы предназначен для хранения данных о состоянии
микро-ЭВМ. Регистр может программно проверяться и модифицироваться весь и
поразрядно. Назначение разрядов слова состояния процессора следующее:
0 -2 - разряды указателя стека;
разряд 3 не используется;
разряд 4 указывает используемый банк рабочих регистров общего назначения;
разряд 5 - флаг пользователя, используется по команде условного перехода;
6 - разряд дополнительного переноса, используется для десятичной
коррекции;
разряд 7 перенос, указывающий на переполнение аккумулятора после
предыдущей операции.
Микро-ЭВМ имеет набор режимов, с помощью которых осуществляется
управление работой микро-ЭВМ, контроль и отладка программ, которые
устанавливаются комбинацией входных и выходных сигналов:
проверка программной памяти;
работа с внутренней памятью;
работа с внешней памятью;
пошагового выполнения команд;
программирования внутреннего ППЗУ;
инициализация микросхемы.
С целью увеличения производительности микро-ЭВМ предусмотрено совмещение
выполнения внутренних операций в одном цикле. Например, выполнение выбранной
команды и подготовка следующего адреса команды производятся одновременно. Так
как микро-ЭВМ содержит все элементы, необходимые для автономной работы, нет
необходимости выдавать внешние управляющие сигналы, а все 27 линий ввода/вывода
могут быть использованы для связи с внешними устройствами.
Система команд включает 96 команд, 68 из них - однобайтовые. В
двухбайтовых командах первый байт несет информацию о коде команды, второй -
является непосредственными данными или младшими разрядами адреса следующей
команды. Большинство команд (53) выполняются за один машинный цикл, 43 команды
(в том числе 15 однобайтовых) - за два машинных цикла.
Микросхема по входам и выходам совместима с ТТЛ-схемами. В системе можно
также использовать микросхемы последовательного интерфейса ввода/вывода
КР580ВВ510А, параллельного интерфейса КР580ВВ55А, контроллера клавиатура/дисплей
КР580ВВ79 и другие.
Диапазон температур для нормальной работы микросхемы - от -10 до +70
градусов Цельсия, напряжение питания - 5 (+10%) В.
.7 АППАРАТУРА АВТОМАТИЗАЦИИ ВОДООТЛИВНОЙ УСТАНОВКИ НА МИКРО-ЭВМ
Характеристики, возможности и состав функциональных узлов микро-ЭВМ
КР1816ВЕ48, а также характер требований для аппаратуры автоматизации
водоотливной установки делают возможным успешное использование контроллера на
ее основе на шахте. Предлагаемый вариант предусматривает замену центрального
блока управления (БУН) аппаратуры ВАВ на микропроцессорный контроллер на основе
микро-ЭВМ. Принципиальная схема аппаратуры приведена на рисунке. Использование
микропроцессорного контроллера в качестве устройства управления насосами
позволит упростить обслуживание аппаратуры, ускорить процесс диагностики и
ремонта, а также позволит оперативно изменять алгоритм работы системы. Все это
в итоге приведет к освобождению обслуживающего персонала, что является
важнейшей задачей автоматизации производственных процессов. Использование
встроенного в микро-ЭВМ таймера позволяет определять заранее заданные суточные
интервалы максимальной нагрузки энергосистемы и обеспечить снижение потребления
электроэнергии шахтой за счет отключения двигателей насосов водоотливной установки.
Контроллер построен по блочному принципу. В состав комплекта входят пять
(по одному на каждый насос) идентичных блоков управления насосами, пять блоков
опроса датчиков и один общий блок сопряжения.
В состав блока управления насосом входят следующие основные узлы:
. Центральное процессорное устройство (DDI). Формирует сигналы опроса датчиков уровня воды, реле
производительности, реле давления и других, обрабатывает команды местного
управления, формирует информацию местной сигнализации, а также обеспечивает
дистанционное управление и сигнализацию
. Клавиатура используется для ввода в микро-ЭВМ команд местного
управления, диагностики и программирования основных режимов работы.
. В качестве устройства местной сигнализации используется семи сегментный
светодиодный индикатор и две лампы нормальной работы и режима аварии.
Блок опроса датчиков состоит из приоритетного шифратора, преобразующего
сигналы с датчиков уровня воды в двоичный код и логического элемента «ИЛИ» для
опроса сигналов РДВ, РПН и ТДЛ.
Управление пускателями двигателя насоса и приводами задвижек выполнено на
D-триггере.
Блок сопряжения включает в себя блок питания, передатчик информации для
сигнализации диспетчеру и приемник дистанционного управления. Для совместной
работы нескольких блоков управления насосами в шине блока сопряжения выделена
параллельная трехразрядная шина связи для взаимной координации действий блоков
управления различных насосных агрегатов. Она выполнена по кольцевой схеме, то
есть выход первого блока соединен со входом второго и так далее, а выход
последнего соединен со входом первого.
Для составления программы работы микропроцессорного контроллера составим
алгоритм действия аппаратуры автоматизации водоотливной установки. Для этого
используем описание работы аппаратуры ВАВ (см. рис.).
. Проверка режима работы установки. При включении ручного управления
дальнейшее выполнение программы блокируется.
. Проверка температуры подшипников. Если температура превышает норму, то
подается предупреждающий сигнал (включается лампа ЛН) и управление передается
следующему насосному агрегату. Затем выполняется пункт 12.
. Проверка наличия верхнего уровня. При его отсутствии выполняется
пункт 13.
. Проверка наличия аварийного уровня. При его наличии подается сигнал об
аварии (включается лампа ЛА), и включается дополнительный насос.
. Включается заливочный насос.
. Производится выдержка времени 160 секунд.
. Отключается заливочный насос, открывается гидравлическая задвижка и
включается двигатель насосного агрегата.
. Проверка включения двигателя насосного агрегата. При отрицательном
результате выполняется пункт 14.
. Производится выдержка времени 383 секунды.
. Проверка наличия нормальной производительности насоса и давления в
нагнетательном трубопроводе. При отрицательном результате подается предупреждающий
сигнал (включается лампа ЛН), включается резервный насосный агрегат и
выполняется пункт 12.
. Задержка пока есть сигнал нижнего уровня.
. Закрывается задвижка и останавливается насос, затем выполняется пункт1.
. Проверка наличия нижнего уровня. При его присутствии выполняется пункт
3, при отсутствии - пункт 12.
. Производится выдержка времени 20 минут и если двигатель насоса все еще
не включился, выполняется пункт 12, иначе - пункт 9.
Алгоритм работы микро-ЭВМ в автоматическом режиме показан на блок-схеме.
Вариант программы работы микро-ЭВМ КР1816ВЕ48 на языке Ассемблера приведен
ниже:
#Include <Init> ; инициализация микро-ЭВМ,
; настройка портов
Start:
#Include <Manual> ; переход на ручное управление
IN PI ;
ANL A,#40H ;проверка на превышение
;температуры подшипников
JNZ 1
;
MOV A,#3H ;
OUT P2 включение ЛН и
следующего
; насосаFin
: IN PI ; A,#3H ; проверка на ВУ
JNZ 2
;
IN PI ;
ANL A,#80H ; проверка на НУ
JNZ 1 ;Fin ;PI ; A,#3H ; проверка на АУ
JNZ 3
;
MOV A,#2H ;
OUT P2 ; включение ЛН
и следующего насоса
: MOV A,#20H ;
OUT P2 ; включение
заливочного насоса
MOV A,#A0H ;Time ; выдержка времени 160 сA ; P2 ; отключение заливочного насоса
MOV A,#40H ;
OUT P2 ; включение
двигателя насоса и
; открытие задвижки
IN PI ;
ANL A,#4H ; проверка включения двигателя
JNZ 4
;
MOV A,#14H ;
CALL Time ; задержка
времени 20 мин.
ANL A,#4H ; проверка включения двигателя
JNZ 4
;
MOV A,#2H ;
OUT P2 ; включение
следующего насоса
JMP Fin ;
: MOV A,#FFH ; Time ; задержка
времени 256 с
IN PI ;
ANL A,#4H ; проверка нормальной
производительности и давления
JNZ 5
;
MOV A,#3H ;
OUT P2 ; включение ЛН
и следующего насоса
JMP Fin ;
: IN P2 ;A,#80H ;проверка НУ5 ;: MOV A,#40H ; P2 ; отключение двигателя насоса
; и закрытие задвижки
JMP Start ;
5.8 РАСЧЕТ НАДЕЖНОСТИ АППАРАТУРЫ НА ЭВМ
Расчет показателей надежности производится с целью определения и
повышения надежности и эффективности системы автоматического управления, а
также определения оптимальных сроков технического обслуживания.
Для расчета показателей надежности используются следующие данные:
принципиальная схема;
эксплуатационные требования;
статистические данные об интенсивности отказов отдельных элементов.
Расчет производится только для центрального блока управления. Общую
интенсивность отказов рассчитываем по формуле:
,
где
п - число элементов входящих в блок;
к
- количество элементов одной группы;
-
среднестатистическая интенсивность отказов данного элемента.
В
таблице 13 приведен перечень элементов блока, количество и среднестатистическая
интенсивность их отказов.
Таблица 13
|
Элемент
|
Количество
|
, мкч-1 с,
мкч-1
|
|
|
Микросхема
|
7
|
5.2
|
39.4
|
|
Диод
|
14
|
2
|
28
|
|
Сопротивление
|
12
|
1.2
|
14.4
|
|
Разъем
|
15
|
0.5
|
7.5
|
|
Пайки
|
182
|
0.01
|
1.82
|
|
Итого
|
|
|
91.1 мкч-1
|
Вероятность безотказной работы при последовательном соединении элементов:
,
где
t = 720 ч - нормативное время, в течение которого
определяется вероятность безотказной работы.
5.9 МОНТАЖ И НАЛАДКА УСТРОЙСТВ
Монтаж электромеханического оборудования насосной установки (насосов,
двигателей, пусковой аппаратуры, кабелей и трубопроводов) производится в
соответствии с общими требованиями, предъявляемыми к электромеханическим
установкам в шахте при строгом соблюдении норм и правил технической
эксплуатации и выполнении правил безопасности.
Монтаж аппаратуры автоматизации производится в соответствии с прилагаемой
инструкцией (руководством) по монтажу и эксплуатации. При этом пусковая
аппаратура и средства автоматизации должны быть расположены в насосной камере
так, чтобы обеспечивать удобство обслуживания, наименьший расход кабелей,
высокую надежность работы установки.
Монтажные работы производятся в следующей последовательности:
прокладываются заземляющие шины и подключаются к общему контуру
заземления;
подключаются корпуса аппаратов комплекса к шине заземления;
производится прокладка кабеля от источника питания, производится разделка
и подключение жил к соответствующим клеммам;
производится подключение датчиков и пусковой аппаратуры;
производится монтаж блоков и разводка цепей внутри шкафа, уплотнение и
опечатывание дверей устройства.
Работы по монтажу должны производиться по письменному разрешению главного
инженера шахты бригадой в составе не менее двух человек.
Предпусковая наладка включает следующие виды работ:
визуальная проверка электрических соединений на отсутствие обрывов,
замыканий, повреждения изоляции;
визуальная проверка блоков на отсутствие обломов навесных элементов,
отслоение печатных проводников, соединение концевых выключателей;
протирка контактов плат и разъемов техническим спиртом;
проверка правильности расположения и соединения блоков;
проверка цепи питания на отсутствие короткого замыкания.
При включенном напряжении и отключенном электроприводе проверяются
электрические цепи аппаратуры и ее работоспособность в целом. Имитировать
пусковую аппаратуру рекомендуется активной нагрузкой до 2Вт, например лампой КМ
- 24 - 35. Наладка аппаратуры и насосных агрегатов производится вначале при
ручном , а затем при автоматическом управлении.
Общий контроль за эксплуатацией автоматизированных насосных установок
осуществляется отделом главного механика шахты. Для ухода за этими установками
выделяется специально обученный обслуживающий персонал - бригада
электрослесарей. Обслуживающий персонал обязан знать конструкцию аппаратуры и
принцип ее действия, не реже одного раза в сутки производить осмотр установки,
производить мелкий ремонт. Не реже одного раза в месяц должна проверяться
правильность работы аппаратуры при автоматическом и ручном управлении с
последующей чисткой релейно-контактных элементов и электрических соединений.
Раз в три месяца должна проверяться работоспособность контакторов пусковой
аппаратуры. Не реже одного раза в полгода должна осуществляться проверка
изоляции кабельных соединений (сопротивление изоляции должно быть не менее
1Мом). Ремонт аппаратуры автоматизации осуществляется бригадой слесарей
автоматчиков во главе с бригадиром или механиком водоотлива. На каждую
автоматизированную водоотливную установку оформляется паспорт, в котором
отмечается дата осмотров, ревизий, с указанием неисправностей и сведений об их
устранении. На основе отметок в паспорте анализируется работа установки,
оценивается качество аппаратуры и ремонтов
6. ЭКОНОМИЧЕСКОЕ ОБОСНОВАНИЕ
В связи с увеличением водопритока на руднике «Каула-Котсельваара»
возникла необходимость применения системы автоматического управления
водоотливной установкой, которая обеспечивает бесперебойность откачки шахтных
вод при минимальных затратах, а также позволяет производить преимущественное
включение водоотливной установки в часы минимальной загрузки энергосистемы.
Для определения срока окупаемости предлагаемой системы автоматического
регулирования произведем расчет единовременных затрат на внедрение аппаратуры и
эксплуатационных расходов.
Перечень и цена необходимого оборудования приведены в табл.14.
Таблица 14
|
Оборудование
|
Количество, шт.
|
Цена, руб.
|
|
Контроллер
микропроцессорный
|
4
|
4200
|
|
Управляющая ЭВМ
|
1
|
25000
|
Стоимость необходимого оборудования:
руб.,
где
ni - необходимое количество единиц оборудования,
ci - цена
единицы оборудования.
Стоимость
дополнительных монтажных работ:
руб.
где
N = 2 - необходимое количество рабочих;
Nн = 1,5 -
продолжительность монтажных работ в неделях;
Т
= 2580 руб./час - оклад слесаря V разряда;
%
- премии;
,1
% - социальное страхование;
%
- полярные надбавки;
%
- районный коэффициент.
Затраты
на выплату заработной платы обслуживающему персоналу в количестве 5 рабочих V
разряда:
С
руб.
Определим
капитальные затраты:
,
где
к
= 0,4 - коэффициент, учитывающий стоимость монтажа
оборудования автоматизации.
руб.
Годовой
расход электроэнергии насосами рассчитываем по формуле:
кВтч,
где
N = 24 час. - продолжительность суток;
Т
= 365 - количество дней в календарном году;
Qн = 250 м3/час
- нормальный водоприток;
e = 0,4924
кВтч/м3 - удельный расход электроэнергии.
Для
определения экономического эффекта определим годовую экономию электроэнергии
предлагаемым оборудованием по сравнению с базовым вариантом, при котором в часы
внепиковых нагрузок насосы потребляют 75 % мощности.
Оплата
электроэнергии производится по двухставочному тарифу.
При
базовом варианте стоимость электроэнергии, потребленной в часы внепиковых
нагрузок энергосистемы:
C
кВтч* 0,75 =
где
С1кВтч = 1,24 руб. - стоимость 1 кВтч электроэнергии.
Стоимость
электроэнергии со штрафными санкциями, потребленной часы пиковых нагрузок:
кВтч*
0,25 =
руб.
Общая
стоимость электроэнергии, потребляемой за год при базовом варианте
руб.
Стоимость
электроэнергии, потребляемой за год при предлагаемом варианте:
кВтч =
.
Годовая
экономия эксплуатационных затрат на потребление электроэнергии:
= 2674322
- 1337161= 1337161 руб.
Годовой
экономический эффект, связанный с внедрением системы автоматизации:
где
годовой экономический эффект;
и
- эксплуатационные затраты соответственно базовой и
проектной систем;
-
нормативный коэффициент эффективности капитальных вложений (в энергетике
принято
= 0,15 1/год);
-
дополнительные капитальные затраты.
.
Срок
окупаемости капитальных затрат:
год.
Таблица
15
Технико-экономические показатели
|
Наименование
|
Ед.
|
Базовый вариант
|
Проектный вариант
|
|
Капитальные затраты
|
Руб.
|
|
1255906
|
|
Расход электроэнергии
|
10783561078356
|
|
|
|
Максимальная заявленная
мощность
|
кВт
|
894,5
|
584,5
|
|
Минимальная заявленная
мощность
|
кВт
|
310
|
0
|
|
Затраты на электроэнергию
|
26743221337161
|
|
|
|
Экономический эффект
|
Руб.
|
1148775
|
|
Срок окупаемости
|
Лет
|
0,9
|
7. БЕЗОПАСНОСТЬ ЖИЗНЕДЕЯТЕЛЬНОСТИ
.1 АНАЛИЗ ПОТЕНЦИАЛЬНЫХ ОПАСНОСТЕЙ
Рудник “Каула-Котсельваара”, входящий в состав ОАО “Кольская ГМК”,
представляет собой уникальную, сложную производственную систему, где непредвиденные
и внезапные изменения геологических условий или природных сил, несоблюдение
правил безопасности или неправильные действия даже одного работника могут
повлечь катастрофические последствия для людей.
Основными опасными и вредными факторами являются:
Пыль - нейтральная по составу, содержанием SiO2 < 10 % (свободной двуокиси кремния), ПДК = 4 мг/
м3.
Газы, образующиеся при ведении взрывных работ (CO, CO2, NO + NO2 и т.д.), ПДК: СО - 0,0017 %, СО2 - до 0,5 % на рабочих
местах, на исходящей струе до 0,75 %, NO + NO2 - 0, 00026 %.
Производственный шум до 110 ДЦб (при работе перфораторов ПП- 63, буровых
станков НКР -100, спуске породы по рудоспускам и т.д.).
Локальная вибрация при работе с буровым инструментом ПТ - 36, ПП - 63 до
110 - 115 ДЦб.
Недостаточная освещённость.
Обрушение кусков породы.
Прорыв воды в выработки.
Возможность поражения электрическим током. Эксплуатация
электрооборудования и электросетей на руднике имеет специфические особенности,
такие как повышенная влажность и значительная запылённость. Кроме того,
существует опасность травмирования вращающимися частями машин и механизмов.
Повышенная влажность способствует развитию у работников простудных заболеваний.
Район проведения работ характеризуется наличием некоторого числа
промышленных предприятий, что несёт в себе потенциальную опасность техногенных
аварий.
.2 АНАЛИЗ ТРАВМАТИЗМА И ПРОФЗАБОЛЕВАНИЙ
Анализ травматизма выполнен статистическим методом, путём группирования в
таблицы.
Таблица16
Количество случаев
|
Наименование травм
|
Количество случаев
|
Количество дней
нетрудоспособности
|
|
2003
|
2004
|
2003
|
2004
|
|
Производственные Связанные
с работой Бытовые Микротравмы
|
2 3 10 17
|
3 2 8 15
|
65 43 167 4
|
74 31 153 2
|
Таблица 17
По тяжести
|
Степень тяжести
|
2003
|
2004
|
|
Легкие Тяжелые Смертельные
|
2 1 -
|
2 1 -
|
Таблица 18
По возрасту
|
Возраст20032004
|
|
|
|
До 20 лет 20-25 лет 25-30
лет старше 30 лет
|
- - 1 2
|
- - 1 2
|
Таблица19
По стажу
|
Стаж20032004
|
|
|
|
До 1 года Лет Лет Лет
>10 лет
|
- - 1 2 -
|
- - 1 2 -
|
Таблица20
По времени смены
|
Время20032004
|
|
|
|
В начале В середине В конце
|
- 1 2
|
- 1 2
|
Вывод: наиболее часто травмы получают люди со стажем 5-10 лет, в конце
смены, по возрасту в основном люди пожилые, т.е. наиболее опытные, что связано,
по-видимому, с присутствием чувства опасности.
Основные причины производственного травматизма на руднике следующие:
недостаточный уровень профилактической работы ИТР по охране труда и
технике безопасности;
отсутствие должной организации работ на рабочих местах ИТР и самих
рабочих.
Мероприятия по предотвращению травматизма:
для предотвращения вибрационной болезни бурильщиков и других рабочих
предусматривается антивибрационное оборудование и приспособления -
виброкаретка, ручка для телескопного перфоратора, влагонепроницаемые
антивибрационные рукавицы, антивибрационная спецобувь;
для предотвращения травматизма взрывников и проходчиков от невзорвавшихся
зарядов предусмотрено применение счетчиков числа взорванных зарядов;
для предохранения рабочих от травматизма на всех работах, где это
необходимо, предусмотрено применение предохранительных поясов, защитных очков и
резиновых перчаток;
сечения всех выработок определены из расчета обеспечения необходимых
зарядов, требуемых ЕПБ, и допустимых скоростей воздуха;
предусматривается при ведении всех горных работ тщательный осмотр и
оборка кровли.
ввести за правило сдачу зачета по ТБ один раз в три года всем категориям,
работающим на руднике;
тщательно разбирать и анализировать каждый случай травматизма на рабочих
местах устранить причины его повлекшие;
принимать меры материального воздействия к лицам, не соблюдающим
требования ТБ.
а) комплексные комиссионные проверки по II ступени контроля СУОТ. В 2003 году было проведено более 50
проверок, по результатам которых выпущено приказы и распоряжения о наложении
взысканий на лиц, допустивших нарушения.
б) ежемесячно проводятся советы по охране труда и технике безопасности,
где заслушиваются нарушители техники безопасности. Решение совета оформляется
протоколом и издается приказ по руднику.
в) еженедельно на совещании с ИТР по технике безопасности руководители
участков о проводимой работе в вопросах охраны труда и ТБ.
Таблица 21
Анализ заболеваемости по руднику «Каула-Котсельваара» за 2003 - 2004 год
|
Показатели
|
2003 год
|
2004 год
|
Отклонение
|
|
|
|
Абсолютное
|
Относительное
|
|
1. Количество случаев
заболевания
|
1028
|
884
|
-144
|
85,9
|
|
2. Количество потерянных
дней
|
9687
|
7984
|
1703
|
82,4
|
|
3.Средняя длительность
пребывания на больничном листе
|
10
|
8,4
|
-1,6
|
84,0
|
|
4. Количество случаев
заболеваний на 100 работающих
|
106,3
|
92,5
|
-13,8
|
87,0
|
|
5. Количество потерянных
рабочих дней на 100 работающих
|
1001,8
|
835,1
|
-166,7
|
83,4
|
За счет профилактических мероприятий, проводимых на руднике снижена
заболеваемость и сокращена средняя длительность пребывания на больничном листе.
.3 БОРЬБА С РУДНИЧНОЙ ПЫЛЬЮ
Борьба с рудничной пылью является основной технической задачей по
созданию нормальных санитарно-гигиенических условий труда для рабочих, занятых
на подземных работах. Основными источниками происхождения пыли в подземных
выработках являются следующие операции:
) бурение шпуров и скважин;
) взрывные работы;
) погрузо-разгрузочные работы;
) транспортные операции.
Основная масса пыли образуется при ведении горных работ по
погрузке-разгрузке, работ при бурении. Количество образующейся пыли при
буровзрывных работах в основном зависит от крепости породы и руды, их
структуры, способов бурения, а также от количества и качества ВВ. Пыль,
образующаяся при бурении очень мелких фракций, является самой вредной для
здоровья рабочих. Пыль, образующаяся при взрывных работах в очень больших
количествах, очень опасна, так как продукты взрыва, присутствующие в
газово-пылевом облаке, значительно усиливают вредное воздействие пыли. Пыль,
образующаяся при уборке породы и руды, при погрузке-разгрузке, при
транспортировании и более крупная, но при значительной интенсивности её
образования, в условиях комплексной механизации горных работ с применением
высокопроизводительного оборудования и механизмов на всех технологических
процессах, работах по добыче руды, является вредной. Причём поступление пыли в
рудничную атмосферу идёт постоянно, в течение всей рабочей смены.
Для эффективного использования общешахтной вентиляции в борьбе с
рудничной пылью соблюдаются следующие условия проветривания:
непрерывный режим вентиляции рудника;
изоляция действующих и старых горных выработок для уменьшения потерь
воздуха;
обособленное проветривание каждого выемочного блока с выбросом
загрязненного воздуха непосредственно в исходную струю;
обеспыливающие установки в камере дробления руды ЭВС (эксплуатационный
вертикальный ствол) месторождения Котсельваара;
контроль запыленности воздуха, поступающего в шахту и воздуха на всех
рабочих местах (выполняется по квартальным планам респераторщиками ВГСЧ на всех
рабочих местах 1 раз в три месяца);
для проветривания тупиковых выработок применяется обособленное
проветривание с использованием вентиляторов местного проветривания ВОЭ - 5, ВМ
- 6у;
предусмотрен подогрев воздуха в зимнее время.
Чтобы снизить запыленность рудничного воздуха до санитарной нормы,
необходимо проводить комплекс мероприятий по борьбе с пылью, так как применение
отдельных мероприятий не дает нужного эффекта.
Несмотря на то, что рудник не является силикозноопасным, проектом
предусматривается мероприятия по борьбе с пылью для создания нормальных
санитарно-гигиенических условий труда подземных рабочих.
При буровых работах предусмотрены следующие меры пылеподавления:
применение мокрого бурения при бурении всеми видами бурового
оборудования;
применение оросителей и туманообразователей на всех погрузочных и
разгрузочных точках, а также при ведении взрывных работ;
искусственная эффективная вентиляция рудника с расчетом необходимого
количества воздуха по пылеподавлению при буровых, погрузочных, разгрузочных,
доставочных и других работах на руднике с учетом возможного их совмещения;
применение вентиляторов частичного проветривания в глухих забоях;
сушка и обеспылевание спецодежды рабочих и ИТР в санитарно-бытовых
помещениях комбината;
снабжения респираторами всех бурильщиков, машинистов погрузочных машин,
скреперистов и других рабочих;
для мелкошпурового бурения предусмотрены перфораторы с боковой промывкой
(боковая подача воды по сравненю с осевой промывкой увеличивает пылеподавление
в 1,7 раза);
При взрывных работах предусматриваются следующие мероприятия:
применение ВВ типа Детонит - М, Аммонит - 6ЖВ
массовые взрывы рекомендуется приурочивать к выходным и праздничным дням;
взрывные работы в тупиковых выработках, а также в очистных блоках
выполняют в конце смены или междусменном перерыве с применением в забоях
туманообразователей ТЭТ - 1м, ТК -1.
контроль (постоянный) за вентиляционным режимом, соблюдение проектов на
проветривание, контроль за состоянием рудничной атмосферы в соответствии с
Едиными правилами безопасности рудника, допуск на рабочие места после взрывных
работ только после экспресс-анализа атмосферы прибором ГХ -1
.4 ЭЛЕКТРОБЕЗОПАСНОСТЬ
Эксплуатация электрооборудования и электрических сетей в руднике имеет
специфические особенности, повышающие опасность их использования, а именно:
возможные обрушения и обвалы; микроклиматические условия подземных выработок
осложнены повышенной запыленностью, увлажненностью. Все это разрушающе влияет
на электрооборудование и электрические сети. Поэтому в руднике используется
электрооборудование в специальном взрыво-влагозащитном исполнении. Их
эксплуатация соответствует «Правилам устройства электроустановок» и ПТЭ и ПТБ
«Электроустановок потребителей», а также должностными инструкциями по
безопасной эксплуатации того или иного оборудования. Согласно ЕПБ «При
разработке рудных…» в руднике эксплуатируется электрооборудование с
изолированной нейтралью, для всех ступеней напряжения.
Защита людей от поражения электрическим током осуществляется применением
защитного заземления. В электрических сетях до 1000В защиту обеспечивает реле
утечки тока с автоматическим отключением поврежденной сети. Общее время
отключения поврежденной сети не превышает 0,2 секунды. Для обслуживания
подстанций и электроустановок применяются защитные средства: диэлектрические
перчатки, боты, деревянные решетки. Для подачи напряжения на забойные механизмы
применяются магнитные пускатели с искробезопасными схемами управления и
взрывозащитой уровня РВ. Схемы пускателей обеспечивают нулевую защиту,
автоматический контроль цепи заземления, защиту от самопроизвольного включения
пускателей при замыкании в цепях управления.
Все металлические части электрооборудования нормально не находящиеся под
напряжением, но которые могут оказаться под напряжением в случае повреждения
изоляции, а так же трубопроводы, заземлены.
Для освещения горных выработок применяются взрывобезопасные
люминесцентные светильники, питающиеся от пусковых агрегатов, которые имеют
защиту от утечек тока.
В электроустановках для обеспечения безопасности людей сооружены
заземляющие устройства и заземлены корпуса электрооборудования. В установках
напряжением выше 1000 В с большими токами замыкания на землю сопротивление
заземляющих устройств в любое время года не превышает 0,5 Ом.
Главные заземлители в шахтах устанавливаются в зумпфах и водосборниках.
Имеется не менее двух главных заземлителей. Главный заземлитель представляет
собой стальную полосу с размерами: площадь не менее 0,75 м2, толщина не менее
5мм, длина не менее 2,5 м. Главные заземлители с помощью стальной полосы
(троса) сечением не менее 100 мм2 соединены с заземляющим контуром. Заземляющий
контур выполняется из стальной полосы сечением не менее 100 мм2.
На участковых очистных и подготовительных работах у каждой
распределительной подстанции, стационарного или передвижного распределительного
пункта, у каждой кабельной муфты и у отдельно установленных машин дополнительно
предусмотрен местный заземлитель. Для заземлителей в сточных канавах
применяются стальные полосы площадью не менее 0,6 м2, толщиной не менее 3 мм и
длиной не менее 2,5 м. Для заземлителей в выработках не имеющих сточных канав
применяются стальные трубы, диаметром не менее 30 мм и длиной не менее 1,5 м,
которые вставляются в предварительно пробуренный шпур, глубиной не менее 1,4 м.
Каждый подлежащий заземлению объект присоединяется к сборным заземляющим
проводникам или к заземлителю при помощи отдельного ответвления из медного
провода, сечением не менее 25 мм2.
Последовательное присоединение заземляемых объектов к сборным заземляющим
проводникам или заземлителям запрещено.
Металлические оболочки отдельных кабелей, соединенных муфтами, соединены
наружными медными перемычками сечением не менее 25 мм2. При применении кабелей
с заземляющими жилами непрерывная цепь заземления создается путем соединения
заземляющих жил. Сопротивление заземляющей жилы гибких кабелей не превышает 1
Ом. Общее переходное сопротивление сети заземления, измеренное у любых
заземлителей не превышает 2 Ом.
Основные принципы безопасной эксплуатации электрооборудования состоит в
следующем:
к работе, связанной с электрооборудованием, допускаются лица, прошедшие
соответствующее обучение;
выбор и эксплуатация электрооборудования производится в строгом
соответствии с условиями, в которых оно будет работать;
пусковые, ремонтные и другие виды работ с электрооборудованием
выполняются только лицами электротехнического персонала и строго
регламентированы системой требований, обеспечивающих их полную безопасность;
работа электрооборудования и различных защитных систем находится под
систематическим контролем;
К обслуживанию и работе в электроустановках допускаются лица не моложе 18
лет, годные по состоянию здоровья.
Перед допуском к самостоятельной работе персонал проходит обучение на
рабочем месте и стажировку, с последующей сдачей экзаменов на право
самостоятельной работы и присвоением соответствующей группы по
электробезопасности. В дальнейшем электротехнический персонал проходит
ежегодную проверку знаний правил ПТБ и ПТЭ электроустановок и ежеквартально
повторный инструктаж по правилам ТБ и должностным инструкциям, правилам
пожарной безопасности.
7.5 БЖД ПРИ ЧРЕЗВЫЧАЙНЫХ СИТУАЦИЯХ
Анализ возникновения на руднике чрезвычайных ситуаций.
На руднике возможно возникновение следующих ЧП:
наводнение, вызванное резким таянием снегов;
снежные заносы;
взрыв емкостей с ядовитыми газами;
авария на атомной станции.
В случае стихийного таяния снегов, возможен прорыв воды в горные
выработки рудника.
Каждый рабочий, заметив угрожающие признаки возможного прорыва воды,
немедленно оставляет забой, свое рабочее место и сообщает об этом лицу
технического надзора.
С целью предупреждения прорывов воды на руднике ежегодно разрабатываются
и осуществляются мероприятия на весенний период массового снеготаяния.
Мероприятия предусматривают проверку состояния и ремонт действующих и резервных
насосов, трубопроводов, очистку действующих водосборников и при необходимости
проведение новых водоотливных и дренажных канав на поверхности, обваловку и
окопку устьев стволов, тампонаж тещин и скважин, возведение лотков, желобов,
сооружение водоупорных перемычек и дамб, канав для отвода весенних вод.
Авария на Кольской АЭС.
Анализ происшедших аварий, катастроф и чрезвычайных ситуаций показал, что
силу психологической напряжённости и поведенческую реакцию населения во многом
определяет возможность контроля ситуации. Если контроль ограничен или
невозможен, то состояние человека отличается особенно высоким уровнем
тревожности, страха, беспомощности и депрессии. В этом причина радиофобии, ни
обнаружить которую в силу латентности (скрытости), ни определить степень её
опасности или вредности без специальных приборов невозможно.
Поэтому целесообразно, чтобы население (тем более люди с высшим
образованием) имело возможность не только получать официальную информацию, но и
самостоятельно оценивать радиационную обстановку в месте проживания или
нахождения, включая проверку продуктов питания и кормов.
Национальная комиссия по радиационной защите в 1989 году приняла
концепцию системы радиационного контроля, осуществляемого населением (СРКН),
которая входит в государственную систему радиационной безопасности населения
(ГСРБ).
При разработке проектов строительства рудников всегда составляются
отдельные разделы по приспособлению горных выработок под убежище.
Проектирование и эксплуатация таких убежищ согласовывается со штабом
гражданской обороны города и области. Рудник “Каула - Котсельваара” относится к
объектам, которые не прекращают производственной деятельности в условиях
высокой радиоактивности.
Убежища, размещённые в горных выработках, предназначаются для укрытия и
защиты по числу работающих наибольшей смены. Выработки, приспособленные под
убежища, отвечают следующим требованиям:
минимальные размеры: высота 1,8 м, ширина 2 м;
количество выходов на поверхность не менее двух;
выработки устроены так, чтобы они не подвергались затоплению рудничными и
поверхностными водами в течение срока, предусмотренного для использования их
под убежище.
В случае аварии на Кольской АЭС большое значение имеет хорошая вентиляция
рудника, обеспечение высокой кратности обмена воздуха. Общерудничное
проветривание осуществляют нагнетательным способом, исключающим проникновение
радиации в действующие выработки. Для очистки воздуха, подаваемого в
подготовительные забои, применяют фильтрационные установки на основе ткани.
Для защиты органов дыхания используют специальные противопылевые
респираторы изолирующего типа, а также респираторы фильтрующего типа с
механической подачей очищенного воздуха под маску либо противогазы.
При работах в условиях высокой радиоактивности имеют особое значение
средства индивидуальной защиты человека:
пневматические костюмы из пластических материалов с автономным
обеспечением свежим воздухом, подаваемым под костюм или шлем;
спецобувь - ботинки из искусственной кожи или лавсановой ткани, формованные
сапоги и обувь из специальной резины;
резиновые медицинские перчатки или перчатки из просвинцованной резины с
гибкими нарукавниками для защиты рук;
очки для защиты глаз;
хлопчатобумажные комбинезоны, спецбельё для защиты от попадания
радиоактивных загрязнений на кожу и внутрь организма.
.6 ПЛАН ЛИКВИДАЦИИ АВАРИЙ
План ликвидации аварий - это документ, предусматривающий все мероприятия
по спасению людей, застигнутых аварией в руднике, по ликвидации аварий в
начальный период развития, а также определяющий действия инженерно-технических
рабочих рудника и ВГСЧ при возникновении аварий.
План ликвидации аварий составляется на каждые 6 месяцев главным инженером
рудника и командиром ВГСВ, согласовывается с командиром (помощником командира)
ВГСО, обслуживающего данный рудник, и утверждается техническим директором
производственного объединения (главным инженером комбината) или его
заместителем за 15 дней до ввода плана в действие.
План ликвидации аварий состоит из:
Общей части.
Оперативной части.
Приложений.
Рассмотрим пример: Пожар. Выработка западного фланга горизонта -140м.
Позиция №2 оперативной части ПЛА.
Пожар. Выработка западного фланга горизонта -140м.
Таблица 22
|
Мероприятия по спасению
людей и ликвидации аварии
|
Ответственные лица и
исполнители
|
Пути и время (мин) выхода
людей из аварийного и угрожаемых участков
|
|
1. Сообщить об аварии
диспетчеру рудника. 2.Подать аварийный сигнал в подземные выработки рудника
Каула - Котсельваара и КСШПУ об аварии и выходе людей 3.Вызвать ВГСЧ. Тел:242
или 3-57-06 4.Сообщить об аварии по списку формы №3 5.Снять напряжение,
отключив яч. № 3,4,19,23 в ЦРТП-20 м с пульта диспетчера рудника 6.Открыть
аварийный запас воды из пожарной емкости с пульта диспетчера рудника
7.Вывести людей из шахты на электровозе по штольне 8.Выставить посты у
вспомогательного клетьевого ствола, вент. Восстающего и скип. пород. ств.
|
Исполнитель - первый
заметивший аварию. Исполнитель - диспетчер рудника. Ответственный - гл.
энергетик, начальник ПДБ Исполнитель - диспетчер рудника. Ответственный нач.
ПДБ Исполнитель по I части списка - диспетчер рудника, Исполнитель по 2
части списка - распределитель работ. Ответственный - орла. Исполнитель -
диспетчер рудника. Ответственный - гл. энергетик. Исполнитель - диспетчер
рудника. Ответственный - гл. энергетик, начальник ПДБ Исполнитель - ИТР,
ответстственный за перевозку людей в данную смену. Ответственный - орла.
Исполнители, - назначенные ИТР, ответственный - орла.
|
Люди с аварийного участка,
находящиеся за очагом пожара с гор-140 м в само спасателях подымаются по
наклонной эксплуатационной шахте (НЭШ) с ходовым отделением, обеспечивающим
сообщение между гор. -140 , -100 , -70 , -40 , -10 , 20 , 50 , 80 , 110 , 140
, 170 м и по западному вспомогательному стволу с ходовым отделением с гор.
140 м выходят поверхность. Т выхода =14 мин. Люди с аварийного участка,
находящиеся до очага пожара, по восстающему 2 бис с ходовым отделением,
обеспечивающий сообщение между гор. -140 м, -110 м., затем по
эксплуатационному вертикальному стволу (ЭВС) с ходовым отделением
механическим подъемом, обеспечивающий сообщение между гор. -100 м и 200 м и
далее на поверхность. Время выхода - 24 мин. Люди с гор. 180, 210, 240, 270
выходят на вспомогательный клетевой ствол ВКС и по штольне следуют на
поверхность. Время выхода - 7 мин.
|
Таблица 23
|
Маршруты движения отделений
ВГСЧ и задание
|
Маршруты движения отделений
ВГСЧ и задание (отрывная часть).
|
|
Задание первому отделению
ВГСЧ Состав отделения: Дополнительное освещение: Связь с кп: Вентрежым: Энергоснабжение
По вертикальному вспомогательному стволу (ВВС) с ходовым отделением и
механическим подъемом спускаются до гор .-110 м, а затем по НЭШу на горизонт
-140 м для вывода людей из выработок. По западному вентиляционному
восстающему с ходовым отделением спускаются на гор.-110 м м, затем по
восстающему №2 бис с ходовым отделением на гор. -140 м для ликвидации очага
пожара. Средства пожаротушения: Материалы из КАИ горизонта -140 м
противопожарных пунктов.
|
Задание первому отделению
ВГСЧ Состав отделения: Дополнительное освещение: Связь с кп: Вентрежым:
Энергоснабжение По вертикальному вспомогательному стволу (ВВС) с ходовым
отделением и механическим подъемом спускаются до гор .-110 м, а затем по НЭШу
на горизонт -140 м для вывода людей из выработок. По западному
вентиляционному восстающему с ходовым отделением спускаются на гор.-110 м м ,
затем по восстающему №2 бис с ходовым отделением на гор. -140 м для
ликвидации очага пожара. Средства пожаротушения: Материалы из КАИ горизонта
-140 м противопожарных пунктов.
|
8.ОХРАНА ОКРУЖАЮЩЕЙ СРЕДЫ
.1 ХАРАКТЕРИСТИКА ПРЕДПРИЯТИЯ
Рудник “Каула - Котсельваара” входит в состав ОАО “Кольская
горно-металлургическая компания”. Сам рудник находится в Печенгском районе
Мурманской области в 5 км к юго-востоку от районного центра - поселка Никель, с
которым соединено шоссейной дорогой. В трёх километрах к северу от
месторождения проходит железная дорога Никель - Мурманск, расстояние по которой
до Мурманска составляет 170 км. Здесь же находится один из двух
перерабатывающих комбинатов, входящих в состав ОАО. Поэтому всю добытую руду
отправляют на переплавку именно на этот комбинат. Управление комбинатом сейчас
находится в городе Мурманске.
На руднике «Каула - Котсельваара» производится добыча руды с большим
содержанием никеля, меди и кобальта. Добытая руда идёт затем на обогащение и
переработку на горно-металлургический комбинат, где и получают затем готовую
продукцию (Фанштейн).
Месторождение Котсельваара входит в Западный узел месторождений Печенгского
рудного поля и является непосредственным продолжением находящегося к северу от
него месторождения Семилетка. Оба месторождения отрабатываются рудником
подземных работ Каула-Котсельваара-Семилетка, пять участков, которого ведут
добычу руд месторождения Котсельваара.
Рудник полностью обеспечен необходимым количеством электрической энергии,
воды, материальными и трудовыми ресурсами, необходимыми для нормальной,
бесперебойной работы предприятия. Источником водоснабжения рудника служат озера
Аллатаус-Ярви, Безымянное, расположенные в соответственно в 1,0 км и 0,5 км ЮВ
от месторождения.
Месторождение приурочено к северо-западному склону Печенгских тундр с
абсолютными отметками 320-470 м. Климат района морской, полярный с длительной
зимой (7-8 месяцев), коротким прохладным летом, неустойчивой погодой. Зимой -
полярная ночь, в это время наиболее ухудшается работоспособность людей,
повышается утомляемость. Летом наступает полярный день. Температуры:
минимальные -500, максимальные +300, среднегодовая температура 0оС. Глубина
промерзания почвы 2-2,5 м, вечная мерзлота отсутствует. В районе часты сильные
ветры.
.2 ХАРАКТЕРИСТИКИ ИСТОЧНИКОВ ЗАГРЯЗНЕНИЯ ОКРУЖАЮЩЕЙ СРЕДЫ
Основными источниками загрязнения окружающей среды при эксплуатации
рудника являются:
вентиляционные стволы рудника, выбрасывающие в атмосферу отработанный
воздух из горных выработок, содержащий рудную и породную пыль образовавшуюся в
ходе взрывных работ, бурения шпуров и скважин, погрузочно-разгрузочных и
транспортных работ.
котельная - пыль, сернистый ангидрид, угарный газ, окислы азота;
породные отвалы - пыль, сернистый ангидрид, угарный газ, окислы азота,
сероводород;
склад и погрузка - пыль;
механический цех - пыль, сернистый ангидрид, окислы азота.
вода, выдаваемая из рудника, загрязнена взвешенными веществами,
некоторыми металлами, нефтепродуктами и другими веществами;
воды бытовой и дождевой канализации, загрязненные взвешенными веществами
и биологическими отходами.
строительство поверхностных сооружений рудника;
породные стволы, шлаконакопители, склады и отвалы, занимающие
значительные площади поверхности.
8.3 ОХРАНА АТМОСФЕРЫ
Нормальный атмосферный воздух содержит по объему (%): азота - 78,08;
кислорода - 20,05; углекислого газа - 0,03; и прочих газов 0,94.
В крупных горнопромышленных районах в воздушный бассейн поступает пыль,
сернистый ангидрид, окись углерода, сероводород, окислы азота и другие
соединения, которые оказывают отрицательное влияние на окружающую природную
среду. Все источники загрязнения атмосферы подразделяются на периодические
(взрывные работы) и непрерывно действующие. Источниками выделения вредных
примесей могут быть точечными, линейными и равномерно распределенными.
При добыче 600 тыс. тонн руды с более глубоких горизонтов на руднике
"Каула-Котсельваара" сохраняется принятая в проекте 1995 г.
технология и оборудование. Подготовка горных пород к выемке осуществляется
буровзрывным способом.
Основными загрязняющими веществами, поступающими в атмосферу через
вентиляционные стволы являются пылегазовые выбросы при проведении буровзрывных,
погрузо-разгрузочных и транспортных работах.
Таблица 24
Характеристика загрязнителей воздушной среды
|
Наименование вредного в-ва
|
Кол-во вредных в-в от всех
источников т/год
|
Выделяется без очистки
|
Поступает на очистку
|
Всего выбросов в атмосферу
т/год
|
Лимит выбросов
|
Превышение лимита выбросов
|
|
Пыль
|
155,47
|
67,988
|
1486,71
|
169,488
|
198,2
|
-28,7
|
|
SO2
|
120,09
|
120,09
|
-
|
120,090
|
212,8
|
-92,7
|
|
СО
|
271,135
|
271,135
|
-
|
271,135
|
272,8
|
-1,665
|
|
NO2
|
34,250
|
34,250
|
-
|
34,250
|
44,0
|
-9,750
|
|
Н2S
|
5,419
|
5,419
|
-
|
5,419
|
1,8
|
+3,619
|
|
Аммиак
|
0,385
|
0,385
|
-
|
0,385
|
-
|
+0,385
|
|
Платежи за выбросы
загрязняющих веществ в окружающую среду, тыс. руб.
|
2046,24
|
98,91
|
При проведении работ по добыче руды используются стандартные методы по
снижению выбросов загрязняющих веществ:
бурение шпуров и скважин с промывкой водой;
орошение поверхности забоев и стенок выработок;
проведение взрывных работ в нерабочее время или в конце смены с
применением в забое туманообразователей;
осаждение пыли при работе погрузочных машин с помощью оросителей;
непрерывный режим проветривания рудника;
применение обеспыливающих установок в камерах разгрузочных устройств и в
камере дробления.
Принятые мероприятия по сокращению выбросов загрязняющих веществ в
атмосферу обеспечивают санитарно-гигиенические условия на рабочих местах.
Добыча руды с обоих месторождений по проекту составит 600 тыс. тонн в
год, что в 2 раза ниже, чем в 2001 году. По данным расчетов рассеивания (проект
2001 года) уровни загрязнения атмосферного воздуха от рудника не превышают двух
десятых долей ГЩК по группам суммаций, а по загрязняющим веществам - 0,15 ПДК.
При сокращении добычи руды выбросы загрязняющих веществ в атмосферу
значительно снизятся. В данном случае проведение расчетов рассеивания не
целесообразно. Таким образом, воздействие на окружающую среду от выбросов
загрязняющих веществ в атмосферу от рудника будет сведено к минимуму.
8.4 ОХРАНА И РАЦИОНАЛЬНОЕ ИСПОЛЬЗОВАНИЕ ВОДНЫХ РЕСУРСОВ
При совместной отработке месторождений "Котсельваара" и
"Семилетка" существующая схема водоснабжения промплощадок сохраняется
без изменений. Расход воды на технологические нужды подземных выработок исходя
из производительности рудника по горной массе и удельному расходу воды на 1 м2
горной массы составит 119,12 тм3/год, на производственные нужды объектов
промплощадок - 159,0 тм3/год. На технологические, хозпитьевые нужды и
пожаротушение объектов промплощадки используется вода хозпитьевого качества.
С целью сокращения потребления свежей воды компрессорные станции рудника
работают на полном водообороте, свежая вода используется только для подпитки
систем.
Водоотведение образующихся при работе рудника по объединенной схеме
сточных вод также остается без изменений.
Все хозбытовые стоки рудника отводятся на существующие очистные
сооружения биологической очистки хозбытовых стоков промплощадки завода и п.
Никель. К хозбытовым стокам присоединяются засоленные стоки котельной рудника.
Отстой и биологическая очистка в аэротенках с последующей доочисткой на
песчаных фильтрах обеспечивают требуемое качество воды для сброса в водоем рыбохозяйственного
назначения, р. Колосйоки.
Таблица 25
Характеристика загрязнителей водной среды
|
Показатели состава и св-в
сточных вод
|
Фактическая концентрация м2
/л
|
Фактический сброс
|
|
Средняя
|
Максимальная
|
г/час
|
Усл. т / год
|
|
Взвешенные вещества
|
98,5
|
114
|
4038
|
35,5
|
|
Азот общий
|
23,3
|
27,8
|
955
|
8,4
|
|
Железо
|
0,87
|
1,65
|
35,7
|
0,3
|
|
Цинк
|
0,043
|
0,085
|
1,7
|
0,015
|
|
Хром
|
-
|
-
|
-
|
-
|
|
Сухой остаток
|
29,9
|
135
|
1225
|
10,8
|
|
БПК-5
|
100
|
137
|
4100
|
36
|
|
Нефтепродукты
|
2
|
6,7
|
82
|
0,72
|
|
Хлориды
|
12,3
|
30
|
504
|
4,4
|
|
Сульфаты
|
9
|
28
|
369
|
3,2
|
|
СПАВ
|
1,05
|
2,45
|
67,7
|
0,6
|
|
Медь
|
0,012
|
0,032
|
0,5
|
0,004
|
|
Фосфаты
|
4,24
|
6,1
|
174
|
1,4
|
|
Платежи за сброс в водные
объекты загрязняющих веществ, тыс. руб. В пределах лимитов За превышение
лимитов
|
6588,80 6588,80 -
|
Рудничный водоотлив формируется, в основном, из подземных вод
четвертичных и коренных пород. Водоприток в выработки при объединенной схеме
отработки рудника составит в м3/час:
нормальный - 600
максимальный - 1000
Подземные воды из горных выработок системой дренажных канавок отводятся к
насосной станции штольни "Капитальная" и перекачиваются в ручей
Ляскипури.
Выданная на поверхность рудничная вода вместе с водой ручья поступает в
отстойник шлакоотвала, где происходит отстаивание и фильтрация через шлак.
Фильтрационные воды стекают в р. Колосйоки. Среднегодовой сброс шахтных вод при
отработке месторождений по объединенной схеме составит 3029,5 тм3/год.
Природоохранными мероприятиями, заложенными в проект нормативов предельно
допустимых сбросов комбината, предусматривается расширение отстойника
шлакоотвала.
.5 ОХРАНА И ИСПОЛЬЗОВАНИЕ ЗЕМЕЛЬНЫХ РЕСУРСОВ
Характер нарушений земной поверхности при разработке месторождения в
первую очередь зависит от условий залегания полезного ископаемого в земной
коре, что в большинстве случаев оказывает основное влияние на порядок разработки
месторождения и место расположения отвалов.
Большие нарушения земной поверхности, как было сказано выше, вызываются
шламо - и хвостохранилищами. Это обусловлено тем, что в разработку вовлекается
все большее число месторождений с низким содержанием полезных компонентов и для
получения высококачественной товарной продукции добытое полезное ископаемое
подвергается обогащению.
Таблица 26
Использование земельных ресурсов
|
Земельный отвод, га
|
|
Всего
|
Под здания и сооружения
|
Хранилищ, свалки, отвалы
твердых отходов
|
Накопления сточных вод
|
Остальное
|
Санитарно-защитная зона
|
|
Основного производства
|
АБК
|
|
|
|
|
|
2,47
|
7,08
|
0,87
|
71,2
|
1,2
|
2,12
|
2250
|
Платежи за размещение отходов в 2001 году составили 33260,54 руб.
При добыче полезных ископаемых наряду с непосредственным нарушением
земной поверхности при производстве горных работ, происходит загрязнение
прилегающей территории, возникают очаги эрозии. Почвенный слой подвергается
физическому, механическому и химическому воздействию.
Физическое нарушение структуры почв связано с изменением режима почвенных
и подземных вод, ландшафта и деформациями поверхности. В результате почвы
осушаются или заболачиваются и теряют плодородные свойства.
Химическое нарушение почв обусловлено их загрязнением технологическими
отходами и выбросами в атмосферу вредных газов при выполнении основных
технологических процессов. В результате естественного выщелачивания вредных
элементов из рудных складов, отвалов забалансовых руд, пустых пород и
хвостохранилищ происходит загрязнение атмосферы, почвенных вод и почв
прилегающих территорий.
Рудник "Каула-Котсельваара" работает длительное время.
Месторождения "Котсельваара" и "Семилетка" в соответствии с
рабочим проектом будут отрабатываться в границах существующего горного и
земельного отводов, строительства на дневной поверхности производственных
объектов не предусматривается.
Таким образом, дополнительного нарушения земель при добыче руды на
месторождениях "Котсельваара" и "Семилетка" происходить не
будет.
.6 ОХРАНА И РАЦИОНАЛЬНОЕ ИСПОЛЬЗОВАНИЕ НЕДР
Из недр ежегодно извлекаются огромные объемы горных пород. Интенсивная
деятельность человека ведет к истощению содержащихся в недрах запасов полезных
ископаемых, к структурному, гидрогеологическому и химическому изменению недр.
Эти причины обусловливают необходимость рационального использования недр.
Решение этой задачи в настоящее время сводится к более полному извлечению из
недр полезных ископаемых, наиболее полное, целесообразное и экономное
использование всей горной массы, выдаваемой из недр, а также утилизацию
рудниковых вод и использование в народном хозяйстве горных выработок. В этом
направлении имеются большие возможности, так как при современной технологии
добычи и использования полезных ископаемых лишь около 5% от всего объема
извлекаемых из недр горных пород реализуется в виде продукции производства, а
остальное является отходами.
По мере разработки месторождения в отработку вовлекаются участки со все
худшими условиями, возрастают и затраты на горное производство. Экономическим
пределом разработки месторождения является такая стоимость добываемого ресурса,
выше которой общество не может компенсировать издержки на его производство.
При существующих способах добычи и обогащения объемы отходов весьма
значительны. Процесс накопления горной массы продолжается, сколько существует
горная промышленность. Утилизация же данных ресурсов происходит в гораздо
меньших масштабах. Поэтому к настоящему времени в отвалах горнодобывающих
предприятий скопились огромные объемы вскрышных пород и твердых отходов, исчисляемые
десятками миллиардов тонн.
Из сказанного, очевидно, что рациональное использование недр является
важнейшей проблемой горнодобывающих предприятий. Основными направлениями
рационального использования недр являются: снижение потерь полезных ископаемых
при их добыче; комплексное использование добываемого минерального сырья;
утилизация вскрышных пород и отходов обогащения.
При добыче руды на руднике применяются системы с открытым выработанным
пространством и поддержанием его в течении всего периода эксплуатации рудными
целиками. Оставляемые в недрах металлы следует относить к потерям, но в
настоящих условиях применение другой технологии добычи приведет к резкому
удорожанию продукции и нерентабельности рудника.
По данным расчетов при добыче руды потери в среднем составят -34,8%,
разубоживание - 26,7%.
Эти показатели являются оптимальными.
8.7 ИСПОЛЬЗОВАНИЕ ОТХОДОВ
К основным отходам производства можно отнести:
попутно добываемую и выдаваемую на поверхность отдельно пустую породу;
получаемую в процессе осушения рудника воду.
Все эти попутно добываемые отходы основного производства используются:
пустая порода, складируемая в отвалы, как правило, используется для
отсыпки и ремонта дорог, при соответствующей обработке может использоваться как
строительный материал;
Другие отходы производства хранятся на локальных складах до отправки
потребителю. Лом черных металлов в количестве около 2000 т/год отправляется на
базы Вторчермета или непосредственно потребителям (г. Череповец, г. Чебоксары).
Лом цветных, а также стружка черных и цветных металлов (около 2,5 т/год)
отправляется в плавцех комбината “Печенганикель”. Отходы бумаги, картон
отправляется на базу Вторсырья. Загрязненные маслами опилки, ветошь, тара, снег
и тому подобные отходы (лаки, смолы, растворители и т.д.) складируются в
отработанный карьер (около 100 т/год). Отработанные ртутьсодержащие лампы
помещают в металлические трубы, заваривают трубы с обоих концов и отправляют на
предприятие по переработке ртутьсодержащих ламп.
Шины автомашин хранятся на складе автотранспортного цеха. До настоящего
времени в мировой практике, нет экономически целесообразной технологии
переработки отходов автомобильной резины.
Вывод:
Природоохранные мероприятия (использование отходов, отстаивание
биологическая очистка воды, применение обеспыливающих установок в камерах
разгрузочных устройств и в камере дробления, непрерывный режим проветривания
рудника и тд.), применяемые на предприятии, позволяют поддерживать состояние
окружающей среды в пределах допустимых норм.
9. ЗАКЛЮЧЕНИЕ
В данном дипломном проекте не тему «Система автоматического управления
насосами главного водоотлива в условиях рудника «Каула-Котсельваара» АО ГМК
«Печенганикель»» рассматривается система автоматизации водоотлива с
использованием микропроцессорного контроллера КР1816ВЕ48.
Программный вариант решения поставленной задачи можно считать
оптимальным, так как приводит к экономии оплаты за заявленную мощность за счет
отключения насосов в часы максимальной нагрузки энергосистемы.
В проекте показано, что с внедрением микропроцессорного контроллера
достигается экономия за счет экономии электроэнергии. Система проста в
обслуживании. Годовой экономический эффект. 625518 руб.
10. БИБЛИОГРАФИЧЕСКИЙ СПИСОК
1. Федоров
А.А., Старкова А.Е. Учебное пособие для курсового и дипломного проектирования,
М., Энергоатомиздат, 1987
. Единые
правила безопасности при разработке рудных месторождений подземным способом.
М.: Недра, 1991 г.
.
Электроснабжение шахт и рудников. Методические указания, ЛГИ, 1987
. Беккер Р.
Г., Дегтярев В. В. и др. Электрооборудование и электроснабжение участка шахты.
Справочник, М., Недра, 1983
. Смородин С.
С., Верстаков Г. В. Шахтные стационарные машины и установки, М., Недра, 1975
. Попов В. М.
Водоотливные установки, М., Недра, 1990
. Алексеев В.
В. Рудничные насосные, вентиляторные и пневматические установки, М., Недра,
1983
. Толпяжников
Л. И. Автоматическое управление процессами шахт и рудников, М., Недра, 1985
. Под ред.
проф. Шуцкого О. И. Электропривод и электрификация подземных горных работ, М.,
Недра, 1981
. Аппаратура
взрывобезопасная для автоматизации водоотливных установок ВАВ. Руководство по
эксплуатации 1565.00.00.000 РЭ, 1990
. Батицкий В.
А., Куроедов В. И., Рыжков А. А. Автоматизация производственных процессов и АСУ
ТП в горной промышленности, М., Недра 1991
. Под ред. В.
А. Шахнова Микропроцессоры и микропроцессорные комплекты интегральных
микросхем. Справочник в 2 томах. Том 2. М., «Радио и связь», 1988