Расчет привода станка 6Т12
ВВЕДЕНИЕ
Непрерывное совершенствование и
развитие машиностроения связано с прогрессом станкостроения. Совершенствование
современных станков должно обеспечить повышение скорости рабочих и
вспомогательных движений при соответственном повышении мощности привода
главного движения. Повышение скоростей рабочих и вспомогательных движений
связано с дальнейшим совершенствованием привода станков, шпиндельных узлов,
тяговых устройств и направляющих прямолинейного движения.
Модернизация станков - внесение в
конструкцию частичных изменений и усовершенствований с целью повышения их
технического уровня до уровня современных моделей или для решения
конструкторско-технологических задач производства путем приспособления к более
качественному выполнению определенного вида работ.
В данном курсовом проекте
производится проектирование привода главного движения вертикально-фрезерного
станка на основе базового станка модели 6Т12.
Данный курсовой проект является
продолжением курсовой работы по дисциплине «Металлорежущие станки». В ходе
выполнения курсового проекта на основе ранее полученных данных необходимо
спроектировать привод главного движения и произвести расчёт зубчатых передач,
валов, подшипников, произвести проектирование шпиндельного узла, рассчитать его
на точность, жёсткость и виброустойчивость, выбрать тип и систему смазки.
1. РАСЧЕТ ТЕХНИЧЕСКИХ ХАРАКТЕРИСТИК
СТАНКА
Вертикальные консольно-фрезерные
станки предназначены для фрезерования всевозможных деталей из стали, чугуна и
цветных металлов торцовыми, концевыми, цилиндрическими, радиусными и другими
фрезами.
На станке 6Т12 можно обрабатывать
вертикальные, горизонтальные и наклонные плоскости, пазы, углы, рамки, зубчатые
колёса и т.п. Технологические возможности станка могут быть расширены с
применением делительной головки, поворотного круглого стола, накладной
универсальной головки и других приспособлений.
Станок предназначен для выполнения
различных фрезерных работ в условиях индивидуального и серийного производства.
В крупносерийном производстве станки могут успешно использоваться для
выполнения работ операционного характера.
Техническая характеристика и
жёсткость станка позволяют полностью использовать возможности быстрорежущего и
твердосплавного инструмента.
Технические характеристики станка
были определены в результате выполнения курсовой работы по дисциплине
«Металлорежущие станки»:
число ступеней частоты вращения
шпинделя Zn=14;
знаменатель геометрического ряда
частот вращения шпинделя φn=1,41;
- максимальная частота вращения
шпинделя nmax=1600 мин-1;
особенности привода главного
движения: компоновка В; переключение блоками;
Технические характеристики
. Наибольшая масса обрабатываемой
детали, кг 400
. Размеры рабочей поверхности стола
(длинахширина), мм 1250х320
. Число Т-образных пазов 3
. Ширина Т-образных пазов, мм:
центрального 18Н8
крайнего 18Н12
. Расстояние между Т-образными
пазами, мм 63
. Наибольшие перемещения стола, мм:
продольное 800
поперечное 320
поперечное 420
. Количество частот вращения
шпинделя 14
. Пределы частот вращения шпинделя,
мин 18-1600
. Количество подач 18
. Пределы подач, мм/мин:
продольных и поперечных 20-1000
вертикальных 6,3-355
. Скорость быстрого перемещения
стола, м/мин
продольного и поперечного 4
вертикального 1,4
. Наименьшее и наибольшее расстояние
от торца шпинделя до рабочей поверхности стола, мм 30-450
. Расстояние от оси шпинделя до
вертикальных направляющих станины, мм 380
. Наибольший угол поворота
шпиндельной головки, град ±45°
. Цена одного деления шкалы поворота
головки, град 1
. Перемещение стола на одно деление
лимба (продольное, поперечное, вертикальное), мм 0,05
. Перемещение стола на один оборот
лимба, мм:
продольное 6
поперечное, вертикальное 2
. Ход гильзы шпинделя
(вертикальный), мм 70
. Перемещение пиноли, мм:
на один оборот лимба 4
на одно деление лимба 0,05
. Наибольший допустимый диаметр
фрезы при черновой
обработке, мм 160
. Наибольшее усилие резания при
подаче стола, Н:
продольной 15000
поперечной 12000
вертикальной 5000
. Корректированный уровень звуковой
мощности, дБА 98
. Габариты станка, мм:
длина 2280
ширина 1965
высота 2265
. Масса станка с
электрооборудованием, кг 3250
Рисунок 1.1 - Кинематическая схема
станка 6Т12
Рисунок 1.2 - График частот вращения
шпинделя
Таблица 1.1 - Передаточные отношения
и числа зубьев коробки скоростей
|
№
|
Передаточные отношения
|
Суммарное число зубьев z∑
|
Числа зубьев zi
|
iiф
|
|
i
|
i'
|
|
ведущее
|
ведомое
|
|
|
1
|
i1 =0,775
|
i1’ =1,29
|
55
|
z1=24
|
z2=31
|
0,774
|
|
2
|
i2 =0,253
|
i2’ =3,953
|
84
|
z4=17
|
z7=67
|
0,254
|
|
3
|
i3 =0,357
|
i3’ =2,801
|
|
z5=22
|
z8=62
|
0,355
|
|
4
|
i4 =0,503
|
i4’ =1,988
|
|
z3=28
|
z6=56
|
0,5
|
|
5
|
i5 =0,709
|
i5’ =1,41
|
|
z9=35
|
z12=49
|
0,714
|
|
6
|
i6 =0,253
|
i6’ =3,953
|
84
|
z10=17
|
z13=67
|
0,254
|
|
7
|
i7=1,0
|
-
|
|
z8=42
|
z11=42
|
1,0
|
|
8
|
i8=0,253
|
i8’ =3,953
|
84
|
z14=17
|
z16=67
|
0,254
|
|
9
|
i9=1,988
|
-
|
|
z15=56
|
z17=28
|
2,0
|
|
10
|
i10=1,0
|
-
|
50
|
z18=25
|
z19=25
|
1,0
|
|
11
|
i11=1,0
|
-
|
60
|
z20=30
|
z21=30
|
1,0
|
Выбираем асинхронный
электродвигатель 4А112М4У3 мощностью 5,5 кВт при частоте вращения 1445 мин-1
(синхронная частота 1500 мин-1) [2].
Крутящие моменты:
Тэ= Т1 =9550
Н×м;
Т2=Т1
Н×м;
Т3=Т2
Н×м;
Т4=Т3
Н×м;
Определяем расчетную
частоту вращения шпинделя/р=nmin
мин-1
По графику частот
(рисунок 2.3) принимаем np=71 мин-1.
2. РАСЧЁТ
ЭЛЕМЕНТОВПРИВОДА ГЛАВНОГО ДВИЖЕНИЯ
.1 Расчёт зубчатых
передач
Рассчитаем самую
нагруженную зубчатую передачу с передаточным отношением, i8=0,254. Данная
передача является прямозубой и состоит из шестерни 1 с числом зубьев z1=17 и
колеса 2 с числом зубьев z2=67. Соответственно при расчете параметрам шестерни
приписываем индекс - 1, а параметрам колеса -2.
Принимаем материал
колеса и шестерни: Сталь 25ХГМ, термообработка колеса и шестерни -
нитроцементация с закалкой; твёрдость поверхности зубьев - HRC 56…60,
сердцевины HRC 32…45 [1].
.1.1 Проектный расчёт
цилиндрической зубчатой передачи на выносливость зубьев при изгибе
Расчет будем вести по
методике приведенной в [3].
Модуль передачи (мм)
должен удовлетворять условию:

(2.1)
где km - вспомогательный
коэффициент (km=13 - для прямозубых передач);
М1F=705,1 Н·м - исходный
расчетный крутящий момент на шестерне;- коэффициент нагрузки на шестерни
(kF=1,4);- коэффициент, учитывающий форму зуба (YF1=3,6);- число зубьев
шестерни (z1=17);
ψbm - отношение
ширины колеса b к модулю m (ψbm=10);
σFP1 - допускаемое
напряжение для материала шестерни, МПа:
Допускаемое напряжение
на изгиб:

(2.2)
где
-
предел выносливости материала зубьев,1000 МПа;-коэффициент режима нагружения и
долговечности.
σFP=0,4·1000·1,25=500
МПа,
Принимаем m=5 мм.
Определим основные
геометрические параметры передачи.
Делительные диаметры
найдём по формуле:

, (2.3)
Межосевое расстояние
передачи 
:

(2.4)
Диаметры вершин зубьев:

(2.5)
Диаметры впадин зубьев:

(2.6)
Ширина венца:

(2.6)
Рекомендуется ширину
венца принимать равной 6-10 модулям (меньше для подвижных колёс).
Принимаем
.1.2 Основные
геометрические параметры зубчатых передач коробки скоростей
Рассчитаем для
оставшихся передач модули по формуле (2.1), а также основные геометрические
параметры передачи по формулам 2.3-2.6. Результаты расчётов сведём в таблицу
2.1.
Таблица 2.1-
Геометрические параметры зубчатых колёс
|
i
|
mi, мм
|
Zi
|
di, мм
|
dai, мм
|
dfi, мм
|
bi, мм
|
аw, мм
|
|
1
|
2,5
|
24
|
60
|
65
|
53,75
|
25
|
68,75
|
|
2
|
2,5
|
31
|
77,5
|
82,5
|
71,25
|
25
|
|
|
3
|
2,5
|
17
|
42,5
|
47,5
|
36,25
|
25
|
105
|
|
4
|
2,5
|
67
|
167,5
|
172,5
|
161,25
|
25
|
|
|
5
|
2,5
|
22
|
55
|
60
|
48,75
|
25
|
|
|
6
|
2,5
|
62
|
155
|
160
|
148,75
|
25
|
|
|
7
|
2,5
|
28
|
70
|
75
|
63,75
|
25
|
|
|
8
|
2,5
|
56
|
140
|
145
|
133,75
|
25
|
|
|
9
|
2,5
|
35
|
87,5
|
92,5
|
81,25
|
25
|
|
|
10
|
2,5
|
49
|
122,5
|
127,5
|
116,25
|
25
|
|
|
11
|
3
|
17
|
51
|
57
|
43,5
|
30
|
126
|
|
12
|
3
|
67
|
201
|
207
|
193,5
|
30
|
|
|
13
|
3
|
42
|
126
|
132
|
118,5
|
30
|
|
|
14
|
3
|
42
|
126
|
132
|
118,5
|
30
|
|
|
15
|
5
|
17
|
85
|
95
|
72,5
|
50
|
210
|
|
16
|
5
|
67
|
335
|
345
|
322,5
|
50
|
|
|
17
|
5
|
56
|
280
|
290
|
267,5
|
50
|
|
|
18
|
5
|
28
|
140
|
150
|
127,5
|
50
|
|
|
19
|
4
|
25
|
100
|
108
|
90
|
40
|
|
|
20
|
4
|
25
|
100
|
108
|
90
|
40
|
|
|
21
|
30
|
120
|
128
|
110
|
40
|
120
|
|
22
|
4
|
30
|
120
|
128
|
110
|
40
|
|
Допуски межосевых расстояний
определяем по формуле [3]:

(2.7)
где 
-предельные отклонения
межосевого расстояния цилиндрической зубчатой передачи по ГОСТ 1643-81, мм.
между I и II, II и II,
валами:
∆=±(0,6…0,7)∙0,035=±(0,021….0,0245)
мм,
принимаем ∆=±0,021
мм;
между III и IV, IV и V,
V и VI валами:
∆=±(0,6…0,7)∙0,040=±(0,024….0,028)
мм,
принимаем ∆=±0,025
мм;
.1.3 Проектный расчёт
передачи на контактную выносливость зубьев
Исходя из заданного
передаточного числа u (u≥1) и отношения ψbd рабочей
ширины венца передачи bw к начальному диаметру шестерни dw1 определяем,
соблюдается ли соотношение:

(2.8)
где kd- вспомогательный
коэффициент,kd=770 для прямозубых передач;коэффициент нагрузки; kH=1,3;-
передаточное число (u≥ 1);
ψbd
- отношение рабочей ширины венца передачи к начальному диаметру шестерни, ψbd=0,59.
Допускаемое контактное
напряжение для прямозубых передач:

, (2.9)
где σHlimb-
базовый предел контактной выносливости поверхностей зубьев, σHlimb=1350
МПа;коэффициент безопасности, SH=1,2;

Условие выполняется, так
как dw1=85>83,34 мм.
.1.4 Проверочный расчет
на выносливость зубьев при изгибе
Удельная расчетная
окружная сила (Н) [1]:

(2.10)
где Ft - расчётная
окружная сила, Н;- ширина венца по основанию зуба, мм;- коэффициент,
учитывающий динамическую нагрузку в зацеплении, которая возникает вследствие
колебаний масс колёс и ударов в зацеплении;b - коэффициент,
учитывающий неравномерность распределения нагрузки по ширине венца, которая
возникает вследствие погрешностей изготовления колёс, упругих деформаций валов,
зазорах в подшипниках;a - коэффициент, учитывающий при расчёте прямозубых передач
распределение нагрузки между зубьями.
Коэффициенты: kFV=1; kFb=1,2;
kFa=1.
Расчётное напряжение
изгиба зубьев:

(2.11)
где YF - коэффициент
формы зуба, YF=3,6;e - коэффициент, учитывающий перекрытие зубьев: Ye=1;b
- коэффициент, учитывающий наклон зуба, Yb=1.
Подставив значения в
формулу 2.11 получим:
Допускаемое напряжение
при расчёте зубьев на выносливость при изгибе:

, (2.12)
где sFlimb
- длительный предел выносливости зубьев при изгибе;- коэффициент, учитывающий
влияние шлифования переходной поверхности зубьев, kFg=1,1;
kFα - коэффициент,
учитывающий влияние упрочнения переходной поверхности зубьев в результате
механической обработки, kFα=1,2;- коэффициент, учитывающий
особенности работы зубьев при передаче реверсивной нагрузки, kFc=0,75;- коэффициент,
учитывающий размеры зубчатого колеса, kxF=1,0;- коэффициент режима нагружения и
долговечности, kFL=1,0;- коэффициент, отражающий чувствительность материала к
концентрации напряжений;- коэффициент, учитывающий параметры шероховатости
переходной поверхности зуба, YR=1,2;- коэффициент безопасности.
Коэффициент YS находим
по формуле:

(2.13)
Коэффициент безопасности
находим по формуле:

, (2.14)
где S’F- коэффициент
безопасности, учитывающий нестабильность свойств материала зубчатого колеса и
ответственность зубчатой передачи, S’F=1,55;’’F- коэффициент, учитывающий
способ получения заготовки,S’’F=1.
Подставив значения в
формулу 2.14, получим:

.
Подставив значения в
формулу 2.12, получим:
В нашем случае sFP=729,7
МПа>sF1=
МПа, т.е. проверка на
выносливость зубьев при изгибе выполняется.
2.1.5 Расчёт передачи на
контактную выносливость зубьев
Удельную окружную силу
находим по формуле [1]:

(2.15)
где Ft - расчётная
окружная сила, Н;- ширина венца по основанию зуба, мм;НV - коэффициент,
учитывающий динамическую нагрузку в зацеплении, kНV=1;Нb
- коэффициент, учитывающий неравномерность распределения нагрузки по ширине
венца, kНb=1,2;Нa
- коэффициент, учитывающий при расчёте косозубых передач распределение нагрузки
между зубьями, kНa=1,0.
Подставив значения в
формулу 2.15, получим:
Расчётное контактное
напряжение находим по формуле:

(2.16)
где zH - коэффициент,
учитывающий форму сопряжённых поверхностей зубьев в полюсе зацепления,
zH=1,76;- коэффициент, учитывающий механические свойства материала сопряжённых
зубчатых колёс, для колёс из стали zM=274;e - коэффициент,
учитывающий суммарную длину контактных линий.
Коэффициент ze
определяем в зависимости от коэффициентов торцевого
и
осевого
перекрытия.

(2.17)
Так как передача
прямозубая, то
=0.
Принимаем ze=0,9.
Подставив значения в
формулу 2.16, получим:
Допускаемое контактное
напряжение для прямозубых передач:

(2.18)
где zR - коэффициент,
учитывающий параметр шероховатости поверхностей зубьев, zR=1;- коэффициент,
учитывающий окружную скорость v, zv=1;- коэффициент, учитывающий влияние смазочного
материала, kL=1;- коэффициент, учитывающий размеры зубчатого колеса, kxH=1;-
коэффициент режима нагружения и долговечности;- коэффициент безопасности;
sHlimb- предел
выносливости зубьев на контактную выносливость;
Коэффициент режима
нагружения и долговечности kHL определяется по формуле:
, (2.19)
где mH - показатель
кривой усталости;- базовое число циклов перемены напряжений при изгибе (NH0=120×106);-
эквивалентное число циклов перемены напряжений.
=60×n×t=60×280×104×0,125=21×106,
(2.20)
где n - частота
вращения, мин-1;=104 - расчетный срок службы передачи, ч.
µН=0,125 - для лёгкого
режима нагружения.
Подставив значения в
формулу 2.18, получим:
В нашем случае sHP=1361,3
МПа >sH=
МПа, что удовлетворяет
условию.
.2 Расчет валов
.2.1 Проектный расчёт
диаметров валов и предварительный выбор подшипников
Диаметр первого вала
принимаем по выходному валу двигателя: d1=32 мм.
Ориентировочно диаметры
валов определяем из соотношения [6]:

(2.21)
где: Т - крутящий момент
на валу, Н·мм.
[τ]k - допускаемое
напряжение на кручение, [τ]k = 15…25МПа.
Диаметры валов
необходимо согласовать с диаметрами внутренних колец подшипников, размерами
муфты и шлицев.
В качестве расчётного
вала мы принимаем вал V, так как он наиболее нагружен.
В качестве материала
изготовления всех валов выбираем сталь 40Х.
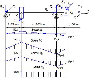
Рис. 2.2 Схема
нагружения вала
Для определения реакций
в подшипниках будем рассматривать вал, как балку, нагруженную силами,
действующими на колеса.
Определим силы,
действующие в зубчатом зацеплении.
Окружная сила на
делительном цилиндре в торцовом сечении:
,
(2.22)
где d5 - делительный
диаметр колеса, мм
Радиальная сила:
, (2.23)
где a
- угол исходного контура, a=200.
Подставив численные
значения в формулы 2.22 и 2.23, получим:
Н,
Н
Н,
Н
Н
Разложим силы,
действующие на вал на две взаимно перпендикулярные плоскости ZOX и ZOY, и
определим реакции в опорах.
Для этого составим
уравнения равновесия сил.
Плоскость ZOY:
∑ MА:
∑ MВ:
;
Проверка:
∑ Y:
;
Плоскость ZOХ:
∑ MА:
;
∑ MВ:
;
Проверка:
∑ Y:
;
Суммарные реакции опор
от сил в зацеплении:
Н;
.
Строим эпюры изгибающих
моментов, действующих на вал, в плоскостях ZOX и ZOY, рисунок 2.3.
Рис. 2.3 Эпюры
изгибающих моментов
Определяем суммарный
изгибающий момент в наиболее нагруженной точке:
Н·м.
Н·м
Проверочный расчёт вала
на прочность
Цель расчёта -
определить коэффициенты запаса прочности в опасных сечениях вала и сравнить их
с допускаемыми.
Расчёт проводим для
сечения вала В на месте посадки подшипников, т.к. в данном сечение приложен
больший изгибающий момент М=779,9 Н·м.
Расчёт проводим по
методике изложенной в [4].
Проверочный расчёт валов
на прочность выполняем на совместное действие изгиба и кручения по условию.
вертикальный фрезерный
станок привод
S³[S]=1,3...1,5;
(2.24)
где S - коэффициент
запаса прочности;
[S]- допускаемый
коэффициент запаса прочности;
Нормальные напряжения
изменяются по симметричному циклу, при котором амплитуда напряжений sа
равна расчётным напряжениям изгиба sИ:
, (2.25)
где М - суммарный
изгибающий момент в рассматриваемом сечении, Н×м;НЕТТО - осевой
момент сопротивления сечения вала, мм3;
Найдём осевой момент
инерции:
, (2.26)
где d-диаметр вала.
Подставив значения,
находим осевой момент инерции:
мм3.
Касательные напряжения
изменяются по циклу, при котором амплитуда tа равна половине
расчётных напряжений кручения tк:
, (2.27)
где МК - крутящий
момент, Н×м;rНЕТТО
- полярный момент инерции сопротивления сечения вала, мм3;
Найдём полярный момент
инерции:
, (2.28)
Подставив значения,
находим полярный момент инерции:
мм3,
Рассчитаем касательные и
нормальные напряжения:
МПа;
МПа;
Определим коэффициент
концентрации нормальных и касательных напряжений для расчётного сечения вала:
, (2.29)
, (2.30)
где Кs
и Кt
- эффективные коэффициенты концентрации напряжений,
Кs=2,05,
Кt=1,9;
Кd - коэффициент влияния
абсолютных размеров поперечного сечения,
Кd=0,75;
КF - коэффициент влияния
шероховатости, КF=1,0;
Подставив значения в
формулы 2.29, 2.30, получим:
;
;
Определим пределы
выносливости в расчётном сечении вала:
, (2.31)
, (2.32)
где s-1
и t-1
- пределы выносливости гладких образцов при симметричном
цикле изгиба и кручения,
s-1=400
МПа, t-1=190
МПа
Подставив значения в
формулы 2.31, 2.32 получим:
МПа;
МПа.
Определим коэффициенты
запаса прочности по нормальным и касательным напряжениям:
, (2.33)
, (2.34)
Подставив значения в
формулы 2.33, 2.34 получим:
;
.
Определим общий
коэффициент запаса прочности в опасном сечении:
, (2.35)
Подставив значения,
получаем:
,7 > 1,5; S > [S]
Проверочный расчёт вала
на прочность в опасном сечении выполняется.
.3 Расчёт подшипников
Для рассчитываемого вала
выбираем шариковые радиальные однорядные ГОСТ 8338-75. Серия 212, d = 60 мм,
D=110 мм, B=22 мм, Cr=52 кН, Cr0=31 кН.
Проверим пригодность
подшипников 109 в опоре А т.к. реакция в данной опоре наибольшая и равна
Rr=Rа=8608 Н.
Пригодность подшипников
определяется сопоставлением расчётной динамической грузоподъёмности с базовой,
или базовой долговечности с требуемой по условиям [4]:
Crp ≤ Cr или L10h ≥
Lh, (2.36)
Требуемая долговечность
подшипника Lh = 20· 103ч
Расчётная динамическая
грузоподъёмность определяется по формуле:
, (2.37)
где: Pr - радиальная
эквивалентная нагрузка, Н;- частота вращения одного из колец подшипника (n=71),
мин-1;
р - показатель степени,
р = 3;- коэффициент режима нагрузки (KHE=1);
а23 - коэффициент,
характеризующий совместное влияние на ресурс подшипника качения металла колец,
тел качения и условий эксплуатации (а23=0,75);
Рr = V·X· RrA·Kб
·Kт, (2.39)
где V - коэффициент
вращения, V=1;-радиальная действующие на подшипник;б - коэффициент
безопасности, Kб =1,2 (металлорежущие станки);т - температурный коэффициент, Kт
= 1, (tнагрподшипника <60ºС);,Y-
коэффициенты радиальной и осевой нагрузок, X=0,44;Y=2,30;=1·0,44·8608·1,2
·1=4545 Н;
Н.
,3 кН < 52 кН -
условие Crp ≤ Cr выполняется.
Произведём расчёт
подшипника на долговечность:
(2.40)
Расчёт подшипника на
долговечность выполняется.
Выбранный подшипник
обеспечивает основные эксплуатационные требования.
3. ОБОСНОВАНИЕ И ВЫБОР
КОНСТРУКЦИИ ШПИНДЕЛЯ
Шпиндельный узел станка
состоит из шпинделя, его опор, приводного элемента. В шпинделе выделяют
передний конец и межопорный участок.
На шпиндель действуют
нагрузки, вызываемые силами резания, силами в приводе, а также центробежными
силами, возникающими от неуравновешенности вращающихся деталей самого шпиндельного
узла.
Проектирование
шпиндельного узла включает:
выбор типа привода;
выбор опор и устройств
для их смазывания и защиты от загрязнений;
определение диаметра
шпинделя и расстояния между опорами;
разработку конструкции
всех элементов.
Привод шпинделя осуществляем
от зубчатой передачи, так как данные передачи имеют небольшие габариты, просты
в изготовлении и имеют сравнительно невысокую стоимость.
Исходя из мощности
привода N=5,5 кВт рекомендуемый диаметр шпинделя в передней опоре фрезерного
станка d=80…120 мм [4].
Принимаем d=120 мм,
учитывая большое значение крутящего момента на шпинделе.
Параметр быстроходности:
∙nmax = 120∙1600=1,92∙105 мм∙мин-1,
где d - диаметр шпинделя в передней опоре, мм;- максимальная
частота вращения шпинделя, мин-1.
Рассмотрим типовые компоновки шпиндельных узлов (рисунок 3.1) [4].
) Шпиндельные узлы с двухрядным роликовым подшипником типа
3182100К и двумя упорными шариковыми подшипниками (рисунок 3.1, а) применяют в
средних и тяжелых токарных, фрезерных и фрезерно-расточных станках. В передней
опоре первый подшипник предназначен для восприятия радиальной нагрузки, второй
- для осевой. Диаметр шпинделя в передней опоре d = 60...200 мм. Узел
характеризуется относительно невысокой быстроходностью: dnmах= (1,4...1,8) ∙105
мм.мин-1.
) Шпиндельные узлы с двухрядным роликовым подшипником типа
3182100К и двумя радиально-упорными шариковыми подшипниками типа 36200К
(рисунок 3.1, б) применяют в средних и тяжелых токарных и фрезерных станках,
изготавливаемых крупными партиями. Диаметр передней шейки шпинделя - d =60…200
мм, характеристика быстроходности dnmах= (1,5…3) ∙105 мм'мин-1.
Исходя из параметра быстроходности d∙nmax, а также
ориентируясь на компоновку базового станка, принимаем компоновку шпиндельного
узла, представленную на рисунке 3.1б: в передней опоре устанавливаем двухрядный
роликовый подшипник с короткими цилиндрическими роликами серии 3182124К, в
задней опоре - два радиально-упорных шарикоподшипника типа 46124К по схеме
дуплекс Х-образная, Данная схема используется в тяжёлых условиях работы при
больших радиальных и осевых нагрузках, таких которые возникают на фрезерных
станках.
Рисунок 3.1 - Варианты компоновки опор шпиндельного узла
Параметры радиального подшипника передней опоры 3182124К: диаметр
отверстия d=120 мм, диаметр наружного кольца D=180 мм, ширина В = 46 мм,
грузоподъёмность динамическая Cr = 204 кН, статическая Сro = 204 кН, предельная
частота вращения n = 3200 мин-1.
Параметры подшипников задней опоры 46124К: диаметр отверстия d=120
мм, диаметр наружного кольца D=180 мм, ширина В = 28 мм, грузоподъёмность
динамическая Cr = 75 кН, статическая Сro = 80 кН, предельная частота вращения n
= 4800 мин-1.
Так как класс точности станка нормальный, то предварительно
принимаем класс точности подшипников в передней опоре - 5, в задней - 5.
Вылет переднего конца шпинделя принимаем равным а= 70 мм.
Межопорное расстояние снимаем с чертежа шпиндельного узла l=350 мм.
По критерию биения переднего конца шпинделя должно выполняться
условие [1]:
≥ 2,5a, (3.1)
> 2,5 70=175 мм - условие выполняется.
Для обеспечения работоспособности шпиндельных подшипников
необходимо следующее соотношение между диаметром d шпинделя и межопорным
расстоянием l [1]:
(3.2)
В нашем случае:
Передний конец шпинделя фрезерного станка служит для базирования и
закрепления режущего инструмента. Точное центрирование и жёсткое сопряжение
инструмента или оправки со шпинделем обеспечиваются коническим соединением.
Концы шпинделей фрезерных станков выполняют по ГОСТ 24644-81 с
конусностью 7:24. Принимаем по ГОСТ 24644-81 передний конец шпинделя с конусом
55 исполнение 5.
В качестве материала шпинделя принимаем сталь 40Х с закалкой
ответственных поверхностей до твёрдости 48…56 HRC с использованием
индукционного нагрева.
4. РАСЧЕТ ШПИНДЕЛЬНОГО УЗЛА
.1 Расчет шпиндельного узла на точность
В результате этого расчёта выбирают класс точности подшипников
шпинделя в зависимости от его допускаемого радиального биения Δ.
Предполагаем наиболее неблагоприятный случай, когда биения
подшипников ΔА в передней опоре и ΔВ
в задней опоре направлены в противоположные стороны (рисунок 4.1).
Рисунок 4.1 - Схема к расчету шпиндельного узла на точность
При этом радиальное биение конца шпинделя [2]:
;
(4.1)
Приняв
где
-
допустимое радиальное биение подшипников (по ГОСТ 17734-88 для станка класса
точности Н принимаем Δ=20 мкм), =350 мм; a=70 мм;
получим
=
мм;
(4.2)
=
=0,003
мм; (4.3)
Принимаем класс точности подшипников:
в передней опоре - 5;
в задней опоре - 5.
.2 Расчет шпиндельного узла на жёсткость
Оценка радиальной жёсткости производится по прогибу d
конца шпинделя, происходящего за счёт упругой деформации (изгиба) шпинделя и
податливости его опор, а также по углу поворота q упругой линии
деформированного шпинделя в передней опоре.
По ГОСТ 17734-88 для станка класса точности Н принимаем δ
= 0,02 мм,
рад.
На шпиндель действуют силы резания, шпиндель разгружен от сил в
зубчатом зацеплении.
Ширина стола станка BСТ=400 мм. Максимальный диаметр фрезы:=
Принимаем Dmax=160 мм.
Составляющие силы резания PZ и PY определим для наихудших условий
обработки: черновое фрезерование торцовой фрезой с Dmax=160 мм.
Скорость резания при фрезеровании определяется по формуле [6]:
(4.4)
где: D - диаметр фрезы, мм;
Т - стойкость инструмента, мин;- глубина резания, мм;- подача на
один зуб, мм;- число зубьев фрезы;
В - ширина фрезерования, мм;
КV - общий поправочный коэффициент на скорость резания; -
коэффициент скорости резания;, x, y, q, u, p - показатели степени.
Для чернового фрезерования торцовыми фрезами с твердосплавными
пластинами принимаем подачу на зуб sz=0,1 мм.
Оборотная подача определяется по формуле:
=sz∙z=0,1∙12=1,2 мм/об (4.5)
Значения коэффициента CV и показателей степени определяем по таблицам
для обработки стали [6]: CV=332, m=0,2, x=0,1, y=0,4, q=0,2, u=0,2, p=0.
При диаметре фрезы D=160 мм принимаем стойкость фрезы Т=180 мин.
Общий поправочный коэффициент, учитывающий фактические условия
резания определяется по формуле:
= KMV ∙KПV ∙KИV, (4.6)
где KMV - поправочный коэффициент на обрабатываемый материал; ИV -
поправочный коэффициент на инструментальный материал;ПV - поправочный
коэффициент, учитывающий состояние поверхности заготовки.
Для стали коэффициент KMV рассчитывается по формуле:
,
(4.7)
где nV - показатель степени;
σВ - предел прочности, МПа.
Для обработки заготовок с коркой KПV=0,8.
При обработке стали твёрдым сплавом Т15К6 KИV=1.
Тогда KV= 1,2 ∙0,8 ∙1=0,96.
Тогда скорость резания:
м/мин.
Принимаем стандартную частоту вращения n=400 мин-1, т.е.
действительная скорость резания V= 201 м/мин.
Окружная сила резания при фрезеровании определяется по формуле:
(4.8)
Поправочный коэффициент на качество обрабатываемого материала КMP
определим по формуле:
,
(4.9)
Значения коэффициента CР и показателей степени: CР=825, x=1,
y=0,75, q=1,3, u=1,1, w=0,2.
Тогда окружная сила равна:
Н
Исходя из опытных данных соотношение между составляющими силы
резания Py:Pz=1:2 [6]. Тогда Py=Pz/2=2062 Н.
Тогда суммарная сила резания:
(4.10)
Изобразим схему нагружения шпинделя, заменив подшипники опорами
(рисунок 4.2).
Рисунок 4.2 - Схема нагружения шпинделя
Определим реакции, возникающие в подшипниковых опорах.
Составим уравнение моментов относительно опоры В:
SМВ= RA×l-P∑×(l+a)=0,
Составим уравнение равновесия на вертикальную ось Z:
SF=RB +RA -P∑ =0= P∑-RA=4611-5533=-922 H.
Передняя опора представляет собой роликовый радиальный двухрядный
подшипник с короткими роликами диаметром d=120 мм. Радиальная жесткость jA=1600
Н/мкм (16×105
Н/мм).
Задняя опора комплексная, состоящая из двух шариковых
радиально-упорных подшипников, которые представляют собой две условные опоры.
Сила предварительного натяга FH=890 H [1].
Определим жёсткость задней опоры.
Осевая жесткость комплексной опоры [1]:
(4.11)
где FН - сила натяга, Н;=3 - коэффициент, учитывающий компоновку
опор.
,
(4.12)
где z=15 - число тел качения в подшипнике;
a - фактический угол контакта в подшипнике, изменяющийся под
действием предварительного натяга, град;Ш=20 - диаметр шарика, мм.
Тогда осевая жесткость опоры:
Радиальная жесткость комплексной опоры:
,
Н/мм, (4.13)
где ja - осевая жесткость опоры, Н/мм;- коэффициент,
характеризующий распределение нагрузки между телами качения и зависит от
соотношения между силой натяга и радиальной нагрузкой в опоре:
Принимаем k4=0,71.
Тогда
Н/мм.
Радиальное перемещение переднего конца шпинделя определяется по
формуле [1]:
d=d1 +d2 +d3 +d4, мм (4.14)
где d1 - перемещение, вызванное изгибом тела шпинделя, мм;
d2 - перемещение, вызванное податливостью опор, мм;
d3 - сдвиг, вызванный защемляющим моментом, мм.
d4 - перемещение, вызванное податливостью контакта между кольцами
подшипника и поверхностями шпинделя и корпуса, мм.
Так как составляющая d4 имеет небольшое
значение, в расчётах её учитывать не будем.
Так как приводной элемент расположен между передней и задней
опорами шпинделя, упругое перемещение переднего конца шпинделя с учетом
защемляющего момента в передней опоре определяется по формуле [1]:
(4.15)
где Е=2,1×105 МПа - модуль упругости материала шпинделя;
Определим осевые моменты инерции:
мм4,
(4.16)
где d2=120 мм - диаметр шпинделя в передней опоре;=65 мм - диаметр
отверстия в шпинделе.
мм4,
(4.17)
где d1, d2- наружный и внутренний диаметры шпинделя в задней
опоре, мм.
d = 6 мкм £ [d]=20 мкм - условие выполняется.
Угол поворота в передней опоре
(4.18)
θА=0,000018 рад < [θА]
=0,001 рад.
Следовательно, жесткость шпиндельного узла обеспечивается.
.3 Расчет шпинделя на виброустойчивость
Приближенный расчет собственной частоты шпинделя, не имеющего
больших сосредоточенных масс, можно проводить по формуле [7]:
,
с-1, (4.19)
где m - масса шпинделя, кг;
-
относительное расстояние между опорами:
-
коэффициент, зависящий от l.
Определим массу шпинделя:
где d - диаметр шпинделя, мм;- диаметр отверстия в шпинделе, мм;-
длина шпинделя, мм;
ρ - плотность материала шпинделя, кг/м3.
Гц.
ωс=490 Гц > [ωс]=250 Гц [7]
Следовательно, полученная частота собственных колебаний
удовлетворяет требованиям к данному типу станков.
5. НАЗНАЧЕНИЕ СИСТЕМЫ СМАЗЫВАНИЯ СТАНКА
Внимательное отношение к смазке, нормальная работа систем смазки
являются гарантией безотказной работы станка и его долговечности.
На станке имеются две изолированные централизованные системы
смазки:
зубчатых колёс, подшипников коробки скоростей и элементов коробки
переключения скоростей;
зубчатых колёс, подшипников коробки подач, консоли, салазок,
направляющих консоли, салазок и стола.
Схема расположения точек смазки показана на рисунке 5.1.
Рисунок 5.1 - Схема смазки станка
Масляный резервуар и насос смазки коробки скоростей находятся в
станине. Масло в резервуар заливается через крышку 5 до середины маслоуказателя
9. При необходимости уровень масла должен пополняться. Слив масла производится
через патрубок 6.
Контроль за работой системы смазки коробки скоростей
осуществляется маслоуказателем 7.
Масляный резервуар и насос смазки узлов, обеспечивающих движение
подачи, расположены в консоли. Масло в резервуар заливается через угольник 2 до
середины маслоуказателя 1. Превышать этот уровень не рекомендуется: заливка
выше середины маслоуказателя может привести к подтекам масла из консоли и
коробки подач. Кроме того, при переполненном резервуаре масло через рейки
затекает в корпус коробки переключения, что может привести к порче конечного
выключателя кратковременного включения двигателя подач. При снижении уровня
масла до нижней точки маслоуказателя необходимо пополнять резервуар. Слив масла
из консоли производится через пробку 3 в нижней части консоли с левой стороны.
Контроль за работой системы смазки коробки подач и консоли осуществляется
маслоуказателем 10.
Работа системы смазки считается удовлетворительной, если масло
каплями вытекает из подводящей трубки; наличие струйки или заполнение ниши
указателя маслом свидетельствует о хорошей работе масляной системы.
Направляющие стола, салазок, консоли и механизмы привода
продольного хода, расположенные в салахках, смазываются периодически от насоса,
расположенного в консоли. Масло для смазки этих узлов поступает из резервуара
консоли. Смазка напраляющих консоли осуществляется от кнопки 11, а смазка
направляющих салазок, стола и механизмов привода продольного хода - от кнопки
12.
Достаточность смазки оценивается по наличию масла на направляющих.
Смазка должна производиться с учётом степени загрузки станка, как
правило, перед работой (ориентировочно два раза в смену при длительности 15-20
сек).
Смазка подшипников концевых опор (точки 4) винта продольной подачи
производится шприцеванием.
В таблице 5.1 указан перечень элементов системы и точек смазки.
Таблица 5.1 - Перечень элементов системы смазки
6. ОБОСНОВАНИЕ ВЫБОРА ОРГАНОВ УПРАВЛЕНИЯ КОРОБКИ СКОРОСТЕЙ
Переключение частот вращения осуществляется с помощью четырех
двувенцовых передвижных блоков зубчатых колёс.
Централизованное селективное управление чаще всего осуществляется
от двух органов управления (двух рукояточное управление), реже - от одного,
имеющего несколько степеней свободы.
Селективное управление коробкой скоростей вертикально-фрезерного
станка в рассматриваемом примере (рисунок 6.1) осуществлен поворотным лимбом 1
и рукояткой 28. Для переключении скоростей необходимо рукоятку 28 повернуть на
себя по стрелке а. При этом зубчатый сектор 25 передвинет рейку 7, а вместе с
ней вилку 24, полый вал 23 и селективные диски 21 и 22 вправо. При этом
селективные диски выйдут из контакта с пальцами 20, помещенными в отверстиях
реек 11 и 18.
Рисунок 6.1 - Двух рукояточный селективный механизм переключения
частот вращения шпинделя
После этого нужно повернуть лимб 1 до совпадения требуемой цифры
частоты вращения шпинделя, из числа нанесенных на конической части лимба, со
стрелкой в, неподвижно закрепленной на корпусе 4 механизма. Лимб 1 соединен с
кольцом 2, которое закреплено на конце валика 6. Последний жестко соединен с
конической шестерней 8, которая входит в зацеплении с коническим колесом 10,
связанным посредством направляющей шпонки с валом 23. Следовательно, при
вращении лимба 1 происходит также вращение селективных дисков, которые займут
определенное положение относительно пальцев 20 реечных толкателей 11 и 18 в
соответствии с выбранной скоростью. Шарик 5 под действием пружины 3 зафиксирует
установленное положение селективных дисков.
Селективные диски 21 и 22 имеют отверстия С, расположенные по
окружности в определенном порядке. Каждой частоте вращения шпинделя
соответствует свое расположение отверстий в дисках. При повороте дисков 21 и 22
происходит выбор необходимой частоты вращения, при этом против пальцев 20
реечных толкателей 18 и 11 на диске располагается необходимая для данной
скорости комбинация отверстий.
Поворот рукоятки 28 по стрелке б, вызовет перемещения селективных
дисков в вправлении стрелки д, диск 21 упрется в палец 20 одного из толкателей
18 или 11, переместит толкатели, повернув при этом зацепляющуюся с ним шестерню
17, одновременно с шестерней 17 повернется сидящая с ней на одной оси шестерня
16, в связи с чем переместится реечная балка с переводной вилкой 15. Вилка 15
входит в кольцевой паз блока шестерен 14 и при своем движении перемещает блок
вдоль вала 13, производя переключение скорости.
Если блок 14, как показано на схеме, находится в крайнем левом
положении, толкатель 11 выдвинется вперед, а толкатель 18 будет находиться в
заднем крайнем положении.
Дня переключения блока в крайнее правое положение на селективных
дисках против толкателя 18 должно быть расположено сквозное отверстие, а против
толкателя 11 отверстия не будет. Тогда при перемещении дисков в направлении
стрелки д, торец диска 21 упрется и цилиндрический палец толкателя 11 и
переместит блок 14 в крайнее заднее положение. При этом палец 20 толкателя 18
войдет в находящиеся против него отверстия в дисках 21 и 22
Для переключении блока шестерен в среднее положение против обоих толкателей
должны находится отверстия диска 21, а диск 22 против пальцев толкателей
отверстий иметь не будет. Тогда при перемещении дисков палец толкателя 11
сначала войдет в отверстие в диске 21 и только при упоре в стенку диска 22
последний начнет переключение блока. Путь перемещения блока будет меньше, чем в
первом случае, и закончится тогда, когда блок займет среднее положение.
Если необходимо сохраните положение блока шестерен неизменным,
против толкателя 11 в дисках 21 и 22 должны расположится сквозные отверстия, а
против толкателя 18 отверстий не будет. Тогда при перемещении дисков палец
толкателя 11 войдет в отверстия и переключение не произойдет.
Механизм имеет 4 пары реек, т.е. столько, сколько в коробке
скоростей имеется подвижных блоков.
Для облегчения переключения скоростей и смягчения ударов, особенно
в случае попадания торца зуба одной шестерни по торцу зуба другой, пальцы 20
толкателей передают усилие на рейки через пружины 19.
С этой же целью совместно с сектором 25 изготовлен кулачок К,
который при переключении блоков шестерен, воздействуя через грибок 26, палец 27
и толкатель 29 на конечный выключатель 30. сообщает кратковременное вращение
электродвигателю и соответственно элементам привода движения резания.
7. ВОПРОСЫ ОХРАНЫ ТРУДА И ТЕХНИКА БЕЗОПАСНОСТИ
При работе на фрезерном широкоуниверсальном инструментальном
станке модели 6Р12 необходимо соблюдать общие правила техники безопасности при
работе на металлорежущих станках.
Станок должен быть надёжно подключен к цеховому заземляющему устройству.
Электрическое сопротивление, измеренное между винтом заземления и любой
металлической частью станка, которая может оказаться под напряжением в
результате пробоя изоляции, не должно превышать 0,1 Ом.
Персонал, допущенный в установленном на предприятии порядке к
работе на станке, а также к его наладке и ремонту обязан:
пройти инструктаж по технике безопасности в соответствии с
заводскими инструкциями, разработанными на основании руководства по
эксплуатации и типовых инструкций по охране труда;
ознакомиться с общими правилами эксплуатации и ремонта станка и
указаниями по безопасности труда, которые содержатся в настоящем руководстве,
руководстве по эксплуатации электрооборудования и в эксплуатационной
документации, прилагаемой к устройствам и комплектующим изделиям, входящим в
состав станка.
Подготовка станка к работе:
проверить заземление станка и соответствие напряжения в сети и
электрооборудовании станка;
ознакомиться с назначением всех органов управления;
проверить на холостом ходу станка: исправность сигнальных,
кнопочных и тормозных устройств; правильность работы блокировочных устройств;
исправность системы смазки и системы охлаждения; наличие на станке жестких
упоров, ограничивающих перемещение суппортов.
При неисправности любого элемента кинематической цепи коробки
включение электродвигателя недопустимо.
Указания мер безопасности при работе на станке 6Р12:
. К работе допускаются лица, знакомые с общими положениями условий
техники безопасности при фрезерных работах, а также изучившие особенности станка
и меры предосторожности, приведённые в руководстве по эксплуатации станка.
. Периодически проверять правильность работы блокировочных
устройств.
. При работе использовать ограждение фрез.
Ввиду большого многообразия видов фрезерных работ и обрабатываемых
деталей конструкция ограждения к станкам может быть различной в зависимости от
конкретных условий обработки.
Один из вариантов ограждения, устанавливаемого на поворотную
головку станка, показан на рисунке 7.1.
Рисунок 7.1 - Ограждение фрез
Ограждающее устройство состоит из отражательного щитка 1 и
шарнирного четырёхзвенника 2 для его перемещения и установки во высоте.
ЗАКЛЮЧЕНИЕ
В данном курсовом проекте на основе базового
вертикально-фрезерного станка модели 6Р12 был спроектирован привод главного
движения.
В данном курсовом проекте был произведён расчёт технических
характеристик станка, спроектирован привод главного движения и произведён его
кинематический расчёт, расчёт зубчатых передач, валов, подшипников, был
спроектирован и рассчитан на жёсткость, точность и виброустойчивость
шпиндельный узел, выбраны тип и система смазки, органы управления коробки
скоростей.
Также в данном курсовом проекте рассмотрены вопросы техники
безопасности при работе на станке.
ИСПОЛЬЗУЕМЫЕ ИСТОЧНИКИ
1 Кочергин А.И. Конструирование и расчет металлорежущих станков и
станочных комплексов. Курсовое проектирование. Учеб. пособие для вузов. - Мн.:
Выш. шк., 1991.
Дунаев П.Ф., Леликов О.П. Конструирование узлов и деталей машин:
Учебное пособие для машиностроительных специальностей ВУЗов. - 4-е изд.,
перераб. и доп. - М.: Высшая школа, 1985.
Анурьев В.И. Справочник конструктора-машиностроителя: В 3 т. - 8-е
изд., перераб. и доп. Под ред И.Н. Жестоковой. - М.: Машиностроение, 2001.
Шестернинов А.В. Конструирование шпиндельных узлов металлорежущих
станков: Учебное пособие. - Ульяновск, УлГТУ, 2006-96 с.
Черменский О.Н., Федотов Н.Н. Подшипники качения:
Справочник-каталог. -М.: Машиностроение, 2003. - 576 с.
Справочник технолога-машиностроителя. В 2-х т./Под. ред. А.
Г.Косиловой и Р. К. Мещерякова.- 4-е изд., перераб. и доп. - М.:Машиностроение,
1986.
Металлорежущие станки: Учебник для машиностроительных втузов/Под
ред. В.Э. Пуша.-М.:Машиностроение; 1985.-256 с.
Маеров А.Г. Устройство, основы конструирования и расчёт
металлообрабатывающих станков и автоматических линий: Учебное пособие для
техникумов. - М.: Машиностроение, 1986-386 с.