Расчет вакуумного жидкостно-парового струйного эжектора
Содержание
Введение
Исходные данные
Схема вакуумного агрегата и ее
описание
.1 Базовая схема агрегата
1.2 Рабочий процесс
жидкостно-парового струйного эжектора
2 Расчет режимных параметров
вакуумной системы
.1 Расчет параметров рабочей
среды жидкостно-парового струйного эжектора
2.2 Расчет конструктивных
параметров жидкостно-парового струйного эжектора
.3 Предварительный расчет
подогревателя
.4 Расчет сепаратора
2.4.1 Исходные данные
2.4.2 Расчетная схема сепаратора
парожидкостного потока
.4.3 Определение теплофизических
свойств рабочей среды
.4.4 Расчет критерия циклонного
процесса в сепараторе
.4.5 Предварительный расчет
качества сепарации
.4.6 Рекомендации по выбору
геометрических параметров сепаратора
2.5 Подбор циркуляционного насоса
Охрана труда и безопасность
в чрезвычайных ситуациях
Сравнение эксергетической
эффективности
Выводы
Список использованной литературы
Приложение
Введение
В наше время в различных отраслях промышленности
и техники все более широкого применения приобретают технологические процессы с
использованием вакуума. Так, в металлургии это дуговая и индукционная вакуумная
плавка, внепечная вакуумная обработка и разливка жидкой стали, вакуумная
термическая обработка, рафинирования металлов и сплавов в твердом состоянии, в
пищевой промышленности - дезодорация растительных масел, сгущения молока
методом выпаривания до определенного содержания сухих веществ и др. .
Применение вакуума дает возможность значительно
повысить качество полученных конечных продуктов за счет уменьшения содержания в
них вредных примесей в результате предотвращения взаимодействия технологических
систем с атмосферой и увеличение степени полноты протекания процессов, а также
открывает широкие перспективы разработки новых, более совершенных
технологических процессов, которые невозможно осуществить в условиях
атмосферного давления.
В большинстве случаев вакуум получают за счет
энергии рабочей струи потока . К числу таких аппаратов относятся агрегаты, в
состав которых входят пароструйные эжекторы, что при отношении давлений
10
15 является, как правило,
многоступенчатыми и их суммарный к.п.д. находится на уровне 2
10%. Такой
низкий уровень их эффективности связан с тем, что повысить давление в одном
пароструйного степени возможно лишь у 2 3 раза при условии высокого уровня
преобразования энергии. Большая степень повышения давления в одной ступени
ведет к резкому снижению КПД эжектора, что связано с потерями « на удар » при смешивании
сверхкритического активного и критическому пассивного потоков .
В данной ситуации весьма актуальным
становится вопрос применения жидкостно - парового эжектора ( ЖПЭ ), который
работает по принципу струйной термокомпрессии (СТК ) . Этот принцип базируется
на том, что прохождение рабочего вещества активного потока через сопло Лаваля
сопровождается процессом релаксационного парообразования в той его части,
расширяется. Кинетика этих процессов характеризуется наличием трех критических
сечений, в которых происходит структурная перестройка потока В выходном сечении
сопла активного потока ЖПЭ формируется сверхзвуковой поток мелкодисперсной
парокрапельной структуры с высоким объемным содержанием паров, давление которой
меньше, чем давление окружающей среды . Затем она инжектирует рабочее вещество
пассивного потока, которая поступает в приемную камеру. На входе в камеру
смешения давления рабочих веществ активного и пассивного потоков выравниваются
и происходит их смешивание в единый двухфазный поток, после чего в диффузоре
идет дальнейшее сжатие смешанного потока . Сжатый в ЖПЭ пар отделяется в
сепараторе, из которого насыщенная жидкость отводится насосом в циркуляционный
контур и после подогрева в теплообменнике подается в сопло активного потока .
ЖПЭ относится к классу двухфазных
струйных аппаратов. На сегодняшний день известно большое количество их
теоретических и экспериментальных исследований (К. Пфлейдерер, Соколов М. М.,
Зингер Е. Я., Шидловский В. П., Васильев Ю. М., Цегельский В.Г. ), но в связи '
связи со сложностью рабочего процесса до сих пор нет модели расчета, которая в
достаточной мере описывала процессы, протекающие в проточной части . Наиболее
интересными в этом смысле работы Марченко В. М. и Прокопова М. Г., в которых на
примере жидкостно - парового струйного компрессора оценена эффективность
применения недогретой к насыщению закипающей жидкости в качестве рабочего
вещества активного потока .
Анализ современного состояния
вопроса показал, что применение как ЖИСК, так и ЖПЭ, рабочий процесс которых
основан на принципе СТК, позволяет получать высокие показатели энергетической
эффективности. На базе ЖПЭ вакуумного агрегата, который работает по принципу
СТК, возможно реализовать принципиально новый цикл преобразования энергии, к
преимуществам которого относятся:
возможность создания вакуумной
установки с достаточно высоким КПД на уровне 20
35%;
снижение или полное исключение
потребления котельной пары по сравнению с рабочим циклом классического
пароструйного эжектора;
возможность упрощения конструкции
вакуумной системы за счет исключения конденсационных устройств после эжектора;
- использование широкого спектра теплоносителей.
Исходные данные
Тема: “Разработка вакуумного агрегата с
предвключенным струйным термокомпрессорным модулем”
Исходные данные:
- вакуумируемая среда
: воздух;
- давление всасывания
- 3 кПа;
- давление нагнетания
- 100 кПа;
- объемная производительность -
1,5
;
1 Схема вакуумного агрегата и ее описание
.1 Базовая схема агрегата
Рисунок 1 - Вакуумный агрегат с предвключенным
струйным термокомпрессорным модулем
.2 Рабочий процесс жидкостно - парового
струйного эжектора
Рабочий процесс ЖПСЭ основан на принципе
струйной термокомпрессии. Прохождение рабочей среды активного потока через
сопло Лаваля сопровождается процессом релаксационного парообразования в
расширяющейся его части. Кинетика этих процессов характеризуется наличием трех
критических сечений, в которых происходит структурная перестройка потока. На
срезе сопла активного потока рабочая жидкость имеет давление ниже окружающей
среды (ра < ро.с.).Течение рабочей среды активного потока через сопло Лаваля
соответствует процессу 1a-2a
(рис. 2). Далее она инжектирует рабочую среду пассивного потока, которая
поступает в приемную камеру с давлением р02. На входе в камеру смешения
происходит выравнивание давлений рабочих сред активного и пассивного потока
(процессы 2а-2к и 2п-2к соответственно). В камере смешения происходит смешение
рабочих сред активного и пассивного потоков в единый с достижением давления р3
(процесс 2к-3). В диффузоре происходит последующее сжатие смешанного потока и
достижение давления р4, равное давлению на выходе из эжектора (процесс 3-4).
Эффективность ЖПСЭ в первую очередь определяется
совершенством процессов истечения вскипающей жидкости и формирования рабочей
струи влажного пара.
Также немаловажным фактором, который влияет на
достижимые параметры эжектора в целом, является механизм инжектирования рабочей
среды пассивного потока струей рабочей среды активного потока, что в свою
очередь зависит от режима течения откачиваемого потока и режима истечения
паровой струи. По теории массопередачи любое взаимодействие двух фаз происходит
вследствие двух основных факторов: разности парциальных давлений и
гидродинамического взаимодействия.
В ЖПСЭ взаимодействие рабочих сред активного и
пассивного потоков в основном происходит под влиянием второго фактора, так как
разность равновесного давления рабочей среды пассивного потока в активном и в
окружающей среде отрицательна, что объясняется нормальной концентрацией в
рабочей среде активного потока растворенной рабочей среды пассивного потока.
При оценке эффективности ЖПСЭ необходимо
определить значение его достижимых показателей: коэффициента инжекции, степени
перепроизводства пара и эффективного внутреннего к.п.д. аппарата.
Математическая модель расчета рабочего процесса
ЖПСЭ численно описывается в виде системы уравнений сохранения массы, количества
движения, энергии, состояния среды и производства энтропии в интегральном виде,
а также зависимостями по кинетике парообразования, характеристиками дробления и
полидисперсного распределения жидкой фазы и критическим режимам.
Рисунок 2 - Цикл ЖПСЭ
в h,s
- координатах
2
Расчет режимных параметров вакуумной системы
2.1 Расчет параметров рабочей среды
жидкостно-парового струйного эжектора
Данный расчет был произведен с помощью
программного обеспечения разработанного научным составом кафедры «ТТФ» и
приведен в «Приложении А»
.2 Расчет конструктивных параметров жидкостно -
парового струйного эжектора (ЖПСЭ)
Расчет геометрических параметров базируется на
термогазодинамических характеристиках рабочего процесса ЖПСЭ по задаваемым
условиям функционирования вакуумной системы, в которую он входит.
Указанные характеристики определяются по
расчетному комплексу для численного моделирования, окно программы приведено в
приложении .
Схема основных размеров ЖПСЭ представлена на
рисунке 4.
Рисунок 3 - Основные размеры жидкостно-парового
струйного эжектора
Расчет выполняется в последовательности рабочего
процесса для следующих элементов:
· рабочее
сопло
· приемная
камера
· камера
смешения
· диффузор
Геометрические параметры рабочего сопла
(1)
где
- массовый расход активного потока;
- удельный объем рабочей жидкости на
входе в сопло;

- скорость жидкой фазы активного
потока в сечение (f-f) (из окна
программы)
. Диаметр расходного сечения, 
:
(2)
. Длина расходного сечения, 
:
(3)
.Диаметр входа активной среды, 
:
(4)
.Длина конической части входного
участка, 
:
(5)
где 
- угол конфузорности входа участка
. Площадь выхода активного потока, 
:
(6)
где 
- геометрическая степень расширения
канала на выходе из сопла
. Диаметр выхода активного потока, 
:
(7)
.Длина диффузорной части канала, 
:
(8)
где 
- угол раскрытия диффузора сопла
Лаваля
Геометрические размеры приемной
камеры
. Плотность среды пассивного потока,

:
(9)
. Объёмный расход пассивного потока,

:
(10)
. Площадь сечения патрубка
пассивного потока, 
:
(11)
где 
- скорость пассивного потока в
сечении входного патрубка
. Внутренний диаметр патрубка
пассивного потока, 
:
(12)
. Площадь кольцевого сечения
приемной камеры (проходного сечения пассивного потока), 
:
(13)
где 
- скорость пассивного потока в
кольцевом сечении приемной камеры
. Диаметр приемной камеры, 
:
(14)
. Площадь кольцевого сечения на
срезе сопла активного потока (в сечении “а-а”), 
:
(15)
где 
- скорость пассивного потока в
сечении “а-а”
. Диаметр конической части приемной
камеры в сечении “а-а”, 
:
(16)
Геометрические размеры камеры
смешения и диффузора
. Площадь сечения на входе в
камеру смешения, 
:
(17)
где
- относительная площадь расширения
канала (из окна программы)
. Диаметр входа в коническую
часть камеры смешения, 
:
(18)
3. Площадь сечения
цилиндрической части камеры смешения, 
:
(19)
где 
- геометрическая степень расширения
канала на выходе из камеры смешения
. Диаметр цилиндрического
участка камеры смешения, 
:
(20)
. Длина конфузорной части
камеры смешения, 
:
(21)
где 
- угол конфузорности камеры
смешения
. Длина цилиндрической
площадки, 
:
(22)
. Длина диффузора, 
:
(23)
8. Диаметр выхода из диффузора,

:
(24)
где 
- угол раскрытия диффузора
.3 Предварительный расчет
подогревателя
. Опредиления тепловой нагрузки
(25)
где
- массовый расход активного потока
(расход рабочей среды на входе в активное сопло), кг/с;
- удельная тепловая нагрузка;
- теплоемкость жидкости в интервале
Т1А…Т5;
Т1А=115°С - температура входа
активного потока в ЖПСЭ;
Т5=78°С - температура жидкости после
насоса.
(26)
где
- температура котельного пара
Рисунок 4 - Распределение
температуры в подогревателе.
3.Ореинтировочное значение коэффициента
теплоотдачи
для горизонтального кожухотрубного аппарата с
конденсацией пара в межтрубном пространстве
.Теплопередающая поверхность
(27)
5. Расход теплоносителя
(28)

. Изменение эксергии теплоносителя
(29)
Для котельного пара:
(30)
-удельная энтропия пара и конденсата
при tп;
-температура окружающей среды,
принимаем 273К.
.4 Расчет сепаратора
.4.1 Исходные
данные
массовый расход активного потока, 
коэффициент эжекции ЖПСК,
степень сухости насыщенного пара на
выходе из ЖПСК,
давление насыщенного пара на выходе
из ЖПСК,
температура насыщенного пара на
выходе из ЖПСК,
внутренний диаметр нагнетательного
патрубка ЖПСК,
допустимый унос капельной жидкости,
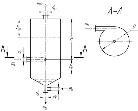
.4.2 Расчетная схема сепаратора
парожидкостного потока
Расчетная схема сепаратора
для механического разделения потока смешения на выходе из ЖПСЭ представлена на
рисунке 5.
Рисунок 5 - Расчетная схема сепаратора
Обозначения режимных и конструктивных параметров
на рис. 5:

- массовый расход потока смешения на
выходе из ЖПСЭ;

- массовый расход парового потока
идущего на выпарной аппарат;

- массовый расход конденсата,
возвращаемого в циркуляционный контур СТК- модуля из выпарного аппарата;

-массовый расход жидкости в
циркуляционном контуре и на входе в рабочее сопло ЖПСК (активного потока);

-внутренние диаметры патрубков
подвода и отвода рабочей среды в различных фазовых состояниях;

-внутренний диаметр сепаратора;

-высота аппарата от уровня ввода
парожидкостной смеси;

- расстояние уровня жидкости
относительно ввода потока на сепарацию;

- высота установки дырчатого листа
или жалюзи.
2.4.3 Определение
теплофизических свойств рабочей среды
Из соответствующих информационных
источников [3,4] определяем нижеследующие параметры:

- удельные объёмы жидкой и паровой
фаз;


- плотности жидкой и паровой фаз;


- кинематическая вязкость жидкой и
паровой фаз;


- динамическая вязкость жидкой и
паровой фаз;

- поверхностное натяжение жидкой
фазы;
Выбор приведенных величин
производится при температуре 
.
Теплофизические свойства потока
смешения, поступающего на сепарацию определяющийся по следующим расчетным
зависимостям.
Удельный объём и плотность:
(31)
(32)
Кинематическая вязкость (с
допущением правила аддитивности):
(33)
Динамическая вязкость:
(34)
.4.4 Расчет критерия циклонного
процесса в сепараторе
Согласно [4] разделительная
способность циклонного сепаратора характеризируется следующим критерием:
(35)
где 
- внутренний диаметр сепаратора;

- окружная составляющая скорости
разделяемого потока насыщенного пара (парокапельной среды).
При расчете принимается условие:
где 
- средняя скорость потока во входном
патрубке сепаратора.
Ввиду того, что величина диаметра
сепаратора на данной стадии расчета неизвестна, вводим в рассмотрение параметр
соотношения площадей:
(36)
где 
и 
- площади свободных сечений
сепаратора и входного патрубка.
Рекомендуемые значения соотношения
площадей:

, принимаем 
Задаваясь величиной 
и зная диаметр 
получим:
В свою очередь скорость 
, определяется зависимостью:
(38)
После подстановки (37) и (38) в
уравнение (35) получим:
(39)
где 
- массовый расход потока смешения на
выходе из ЖПСЭ :
При: 
-имеет место ламинарный режим
сепарации;

-зона переходного режима;

-область турбулентного режима.
Тогда
- область турбулентного режима.
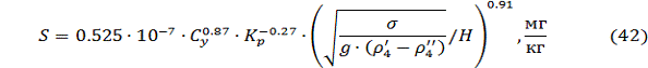
.4.5 Предварительный расчет качества
сепарации
В зависимости от режима сепарации
унос капельной жидкости с паровым потоком рассчитывается по следующим формулам.
Для ламинарного режима:
(40)
Для переходного режима:
Для турбулентного режима:
В данных уравнениях величиной 
обозначен критерий,
характеризирующий отношение абсолютного давления в системе к скачку давления на
границе раздела фаз. Его выражение записывается в виде:
(43)
Тогда по формуле (42) для
турбулентного режима унос капельной жидкости будет равен:
Полученное значение уноса сравниваем
с допустимым значением, представленным в исходных данных.

-условие
выполняется.
.4.6 Рекомендации по выбору
геометрических параметров сепаратора
Диаметр сепаратора:
(44)
Высота аппарата от уровня ввода
парожидкостной смеси:
(45)
Расстояние уровня жидкости
относительно ввода потока на сепарацию:
(46)
Высота установки дырчатого листа или
жалюзи.
(47)
Внутренний диаметр патрубка отвода
рабочей среды в жидком состоянии:
(48)
где 
- скорость отвода жидкой рабочей
среды, принимаем 
Массовый расход конденсата,
возвращаемого в циркуляционный контур СТК- модуля из выпарного аппарата равен:
(49)
где 
-коэффициент перепроизводства пара.
Массовый расход парового потока на
выходе из сепаратора :

(50)
Внутренний диаметр патрубка отвода
рабочей среды в паровом состоянии:
(51)
где 
- скорость парового потока идущего на
ВА,
принимаем 
.5 Подбор циркуляционного насоса
Для подбора циркуляционного насоса необходимо
определить требуемый напор насоса, его мощность, объёмный расход (подачу)
жидкости циркулирующей через насос.
Требуемый напор насоса определяется
по формуле:
(52)
где 
- давление активного потока;

- давление насыщенного пара на
выходе из ЖПСЭ;
Мощность циркуляционного насоса
равна:

(53)
где 
- объёмный расход (подача) жидкой
рабочей среды,

;

-кпд насоса;

-кпд электродвигателя.
Объёмный расход (подача) жидкой
рабочей среды определяется по формуле:
(54)
где 
-массовый расход жидкости в
циркуляционном контуре и на входе в рабочее сопло ЖПСЭ (активного потока); 
-плотность жидкости в циркуляционном
контуре.
Тогда по формуле (53)
мощность
насоса:
Исходя из рассчитанных данных
подбираем по каталогу насос :
Циркуляционные насосы DAB в
исполнении "Inline" c поддержанием постоянного перепада давления CME
<#"792677.files/image195.gif">
Производительность: 50 - 2500 л/мин
Напор: 80 - 120 м
Мощность: 0,55 кВт - 7,5 кВт
Кол-во фаз: 1 х 208-240В~/50-60 Гц
х 380-480В~/50-60 Гц° пер. жидкости: -15° до
+180°С
Перек. жидкость: Чистая вода
Тип насоса: Циркуляционный с сухим ротором
3. Охрана труда и безопасность в чрезвычайных
ситуациях
.1 Требования к герметичности вакуумной системы
Проверка работоспособности вакуумной системы и
герметичности насоса производится путем испытания на герметичность при разрежении.
Испытание проводить в следующем порядке:
присоединить к всасывающему патрубку насоса
последовательно два всасывающих рукава (диаметром 125 мм и длиной 4 м) и
установить заглушку на свободном конце второго рукава;
закрыть все напорные вентили, сливные краники и
открыть вакуумный кран;
включить вакуумный насос (рукояткой);
запустить насос, довести его частоту вращения до
номинальной (2700 об/мин) и выдержать указанный режим в течение 40 с, после
чего закрыть вакуумный кран, отметить по мановакуумметру уровень разрежения,
отключить вакуумный насос и остановить насос;
по истечении 3,5 мин повторно снять показание
мановакуумметра и сбросить разрежение путем открытия сливного краника ступени
нормального давления.
Если падение разрежения за 3,5 мин (разность
двух показаний мановакуумметра) превысит 0,0196 МПа (0,2 кгс/см2), это
свидетельствует о наличии неплотностей в насосе или коммуникациях, которые
необходимо устранить. Обнаружить места неплотностей насоса можно путем внешнего
осмотра по наличию утечек воды при его работе или опрессовкой насоса сжатым
воздухом при избыточном давлении не более 0,1 МПа (1 кгс/см2). Производить
опрессовку следует при закрытых напорных вентилях, перед этим необходимо
покрыть насос и коммуникации мыльной пеной.
Если за 40 с работы вакуумной системы разрежение
в насосе не достигнет 0,074 МПа (0,75 кгс/см2), а падение разрежения за 3,5 мин
не превысит норму, это свидетельствует о потере производительности вакуумного
насоса. В этом случае следует проверить состояние пластин, гильзы вакуумного
насоса, уплотнительных колец, наличие смазки, устранить обнаруженные
неисправности и повторить проверку.
.2 Требования к трубопроводам и соединениям
Зсувы контуров разъемных соединений не должны
превышать 2 мм.
Концы болтов, винтов и шпилек должны выступать
за поверхность гаек на одинаковую высоту, но не более чем на три и не менее
одного витка резьбы.
Все трубопроводы прочистить от стружки и
загрязнений и продуть сжатым воздухом.
Конструкция установки должна позволять проводить
независимые сборки блоков и систем.
На развальцованной и соединенных поверхностях
трубопроводов не должно быть забоин, рисок и заусениц. В местах соединений
ниппеля с трубой не должно быть прожогов и не свариваемостей.
Перед соединением трубопроводов смазать
резьбовую часть штуцеров маслом ЦИАТИМ-221 (ГОСТ 9433), не затрагивая
уплотняемой поверхности.
Устанавливаемые измерительные приборы должны
соответствовать требованиям ДСТУ2708.
.3 Сварка и пайка
Типы сварных швов и их конструктивные элементы
должны соответствовать требованиям ГОСТ 5264, ГОСТ 14771 и ГОСТ 16037, рабочих
чертежей, и нормативно-технической документации, действующей на предприятии.
Сварочные швы должны иметь гладкую
мелкочешуйчатую поверхность и плавный переход к основному металлу.
Допускается исправление дефектов сварных швов
путем удаления шва механическим способом до основного металла и повторного
сварки. Исправлять дефекты на одном месте допускается не более двух раз.
Исправление дефектов чеканкой запрещается.
Паяный шов должен быть равномерным и иметь
плавный переход по радиусу от одной детали к другой.
Дефекты пайки (неравномерное заполнение шва,
пористость, включения посторонних примесей и др.) подлежат исправлению
повторной пайкой после расчистки дефектов механическим путем.
4. Сравнение эксергетической эффективности
Отношение эксергетической эффективности
сопоставляемых установок записывается в виде, [1]:
Ввиду того, что эксергия потока
продукта установки для обеих схем одинакова, то есть
, получим:
где
,
- эксергия потока топлива для
базовой и альтернативной установки.
В свою очередь, согласно схемам
эксергетических преобразований можно записать:
где
,
- изменение эксергии котельного пара
в эжекторе базовой схемы и теплообменнике-подогревателе схемы с СТК-модулем;
- суммарная мощность привода
конденсатных насосов;
- мощность привода насоса перекачки
хладоносителя;
- мощность привода вакуум-насоса;
- мощность привода конденсатного
насоса.
Вычисления указанных величин
выполняется по следующим зависимостям:
В этих уравнениях обозначено:
,
- массовые расходы котельного пара
по базовой и альтернативной схемы;
- изменение удельной эксергии
котельного пара. При расчете принимается одинаковые условия по параметрам
котельного пара для обеих схем;
- расчетная температура окружающей
среды;
- теплота конденсации котельного
пара при температуре
;
Тепловая нагрузка
рассчитывается
по уравнению:
где
- массовый расход воды в
циркуляционном контуре СТК-модуля (расход активного потока для ЖПСЭ);
-средняя теплоемкость воды в
интервале температур входа и выхода;
- нагрев воды в
теплообменнике-подогревателе.
Определение массового расхода
котельного пара на теплообменник-подогреватель производится по величине
тепловой нагрузки на данный аппарат:
Выводы
В ходе выполнения работы мною были
произведены следующие расчеты :
· расчет параметров рабочей среды
жидкостно-парового струйного эжектора;
· расчет конструктивных параметров
жидкостно-парового струйного эжектора;
· расчет подогревателя;
· расчет сепаратора.
Также осуществлен подбор циркуляционного насоса.
Список использованной литературы
вакуумный
струйный эжектор
1. Соколов
Е.Я., Зингер Н.М. Струйные аппараты. - 3-е издание., перераб. - М:.
Энергоатомиздат, 1989. - 352 с.
2. Варгафник
Н.Б. Справочник по теплофизическим свойствам газов и жидкостей. - М:. Наука,
1972. - 720 с.
. Богданов
С.Н., Иванов О.П., Куприянова А.В. Холодильная техника. Свойства веществ.
Справочник. - М:. Агропромиздат, 1985. - 208 с.
. Кутепов
А.М., Стерман Л.С., Стюшин Н.Г. Гидродинамика и теплообмен при парообразовании:
Учеб. пособие для втузов. - 3-е изд., испр. - М:. Высн. шк., 1986. - 448 с.
. Арсеньєв
В.М. Теплонасосна технологія енергозбереження:
навчальний
посібник. - Суми: Сумський
державний університет, 2011. - 283 с.
. Павлов
К.Ф., Романков П.Г., Носков А.А. Примеры и задачи по курсу процессов и
аппаратов химической технологии. - М.-Л.: Химия. Ленингр. отд., 1964. - 636 с.
Приложение А