Генератор тестовых сигналов для проверки зрения

  • Вид работы:
    Курсовая работа (т)
  • Предмет:
    Информационное обеспечение, программирование
  • Язык:
    Русский
    ,
    Формат файла:
    MS Word
    1,39 Мб
  • Опубликовано:
    2014-08-27
Вы можете узнать стоимость помощи в написании студенческой работы.
Помощь в написании работы, которую точно примут!

Генератор тестовых сигналов для проверки зрения

НОВОСИБИРСКИЙ ГОСУДАРСТВЕННЫЙ ТЕХНИЧЕСКИЙ УНИВЕРСИТЕТ

ФАКУЛЬТЕТ АВТОМАТИКИ И ВЫЧИСЛИТЕЛЬНОЙ ТЕХНИКИ

Кафедра Систем Сбора и Обработки Данных









Курсовая работа

Дисциплина «Медицинская информатика»

«Генератор тестовых сигналов для проверки зрения»


Группа: АО-01

Вариант: 5

Студент: Труфакина М.А.

Преподаватель: к.т.н., доцент, Полубинский В.Л.



Новосибирск

Содержание

. Введение

. Зрение и органы зрения

.1 Зрение

.2 Строение глазного яблок

.3 Механизм работы глаза

. Некоторые нарушения зрения

.1 Близорукость (миопия)

.2 Дальнозоркость (гиперметропия)

.3 Астигматизм

.4 Косоглазие

.5 Дальтонизм

. Некоторые методы диагностики зрения

.1 Астигматизм - тест

.2 Проверка на остроту зрения

.3 О таблице Головина - Сивцева и прочих

.4 Тест TNO

.5 Четырехточечный тест Worth

.6 Тесты для проверки цветовосприятия

. Блок - схемы программы

Заключение

Список литературы

1. Введение

тест зрение проверка

Зрение - самый мощный источник наших знаний о внешнем мире. Это, пожалуй, одно из наиболее сложных, удивительных и прекрасных свойств живой материи. Его утрата - огромное несчастье для человека.

Глаза заслуживают исключительно большого внимания, так как это самый важный орган чувств, очень чувствительный и легкоранимый. Так, например, слишком яркий свет причиняет глазам боль; загрязненный воздух, дым, пыль вызывают слезотечение, а иногда даже воспаление. Дефицит движения современного человека неизбежно пагубно отражается и на функциональных свойствах зрительного аппарата - наших глаз. Кроме того, чрезмерные информационные нагрузки на глаза и мозг приводят сегодня к серьезным нарушениям и заболеваниям. В развитых странах, увы, каждый четвертый близорук. Нарастают и возрастные изменения глаза, приводящие к дальнозоркости. И особенно остро в последнее время этот вопрос встал из-за пагубного влияния компьютерных дисплеев на зрение.

По различным причинам каждый человек рано или поздно попадает в кабинет к офтальмологу, который осуществляет проверку остроты зрения и общего состояния глаз. Необходимость в определении остроты зрения может возникнуть как в профилактических целях при проведении планового медицинского осмотра, так и вследствие обращения пациента с определенными жалобами на глаза или зрение.

В данной курсовой работе с помощью среды LabView был разработан комплекс тестов для проверки остроты зрения, наличие астигматизма, близорукости, дальнозоркости.

2. Зрение и органы зрения

.1 Зрение

Зрение восприятие организмом внешнего мира, т. е. получение информации о нём, посредством улавливания специальными органами зрения отражаемого или излучаемого объектами света. Аппарат зрения включает периферический отдел, расположенный в глазе (сетчатка, содержащая фоторецепторы и нервные клетки), и связанные с ним центральные отделы (некоторые участки среднего и межуточного мозга, а также зрительная область коры больших полушарий). Зрение позволяет на основе анализа внешних ситуаций организовать целесообразное поведение. С его помощью организм получает сведения о направлении отдельных пучков света, их интенсивности и т.д. Свет поглощается фоторецепторами глаза, содержащими зрительный пигмент, преобразующий энергию квантов света в нервные сигналы; от спектра поглощения пигментов зависит диапазон воспринимаемого света. Человек воспринимает электромагнитные излучения в диапазоне длин волн 400-700 нм (так называемый видимый диапазон) [1].

.2 Строение глазного яблока

Глазное яблоко имеет неправильную шаровидную форму - спереди выпуклость выражена сильнее. Линия, соединяющая передний и задний полюсы глаза, называется осью глаза и соответствует его максимальному размеру (у человека в среднем 22 мм). В глазном яблоке выделяют две основные составляющие: ядро и капсулу.

Ядро глазного яблока включает хрусталик, водянистую влагу и стекловидное тело, которые прозрачны и в большей или меньшей степени способны преломлять свет. Хрусталик имеет вид двояковыпуклой линзы с большой кривизной задней поверхности. Вещество хрусталика, прозрачное и бесцветное, не содержит сосудов и нервов, снаружи оно облечено в бесструктурную прозрачную капсулу.

Рис. 1. Строение глаза (схема):

- склера; 2 - сосудистая оболочка; 3 - сетчатка; 4 - центральная ямка; 5 - слепое пятно; 6 - зрительный нерв; 7- конъюнктива; 8- цилиарная связка; 9-роговица; 10-зрачок; 11, 18- оптическая ось; 12 - передняя камера; 13 - хруϲталик; 14 - радужка; 15 - задняя камера; 16 - ресничная мышца; 17- стекловидное тело

Волокна хрусталика построены из характерного для них белка кристаллина. Водянистая влага представляет собой текучую прозрачную жидкость, близкую по своему составу плазме крови и содержащую некоторое количество гиалуроновой кислоты. Она заполняет пространство, примыкающее к передней полусфере хрусталика, тогда как задняя его поверхность соприкасается со стекловидным телом. Стекловидное тело, на которое приходится основная масса глазного яблока, облачено в прозрачную бесструктурную оболочку и большей частью своей поверхности прилегает к сетчатке. Оно представляет собой прозрачное и аморфное вещество, состоящее из белка витреина и гиалуроновой кислоты.

Капсула глазного яблока (стенка глаза) включает в себя три слоя, по медицинской номенклатуре оболочки. Это (в направлении от периферии к центру глаза) наружный опорный, средний увгальный и внутренний сетчатый слои глазной капсулы.

Опорный слой охватывает глаз снаружи и состоит из двух отделов, склеры и роговицы, практически полностью облегающих глазное яблоко (первая сзади, вторая спереди), за исключением тех мест, где склеру пронизывают кровеносные сосуды и зрительный нерв. Склера, или биологическая оболочка, окрашена в белый цвет, непрозрачна, кровеносных сосудов имеет мало; то, что обычно называют белком глаза, и есть видимая снаружи часть склеры. Спереди склера резко меняет свою структуру и свойства, и непосредственно переходит в роговицу, которая покрывает центральный участок глаза с его фронтальной стороны. Роговица, прозрачная и выпуклая, состоит из плотной соединительной ткани и лишена кровеносных сосудов.

Увгальный слой, или увга, богат пигментом и кровеносными сосудами, благодаря чему его также называют сосудистой оболочкой глаза. Этот слой в двух задних третях глаза представлен тонкой, имеющей бурый цвет собственно сосудистой оболочкой, которая сзади пронизана отверстием для зрительного нерва. Ближе к передней части глаза увга утолщается, образуя так называемое цилиарное (ресничное) тело, расположенное в виде кольца в области перехода склеры в роговицу. Продолжаясь вперёд, цилиарное тело переходит в радужную оболочку или радужку, которая имеет форму фронтально поставленного диска с центральным отверстием, известным как зрачок.

Сетчатая оболочка - сетчатка или ретина - представляет собой по расположению самую внутреннюю, а для световосприятия самую важную оболочку глаза. Сетчатка, генетически и функционально составляющая единое целое со зрительным нервом, своей внутренней поверхностью граничит со стекловидным телом и снаружи прилегает к сосудистой оболочке. В задней части сетчатки, собственно зрительной части, содержатся фоторецепторные клетки, обуславливающие важнейшее свойство этого слоя - светочувствительность.

Фоторецепторные клетки состоят из палочек и колбочек. Палочек в сетчатке человека примерно 120 млн, причём расположены они преимущественно по периферии её зрительной части. Колбочки (их около 7 млн на сетчатку) концентрируются в центральной её зоне, особенно высока плотность колбочек в центральной ямке (фовса). Палочки отвечают за сумеречное зрение при низкой освещённости. Оно имеет малую разрешающую способность (остроту) и преобладает у животных, ведущих ночной образ жизни. Колбочки эффективно работают при достаточно ярком освещении и обеспечивают цветное зрение, имеющее высокую остроту; соответственно их больше у животных, активных преимущественно днём. Оба типа фоторецепторов - это длинные, узкие клетки, представляющие собой высокоспециализированные сенсоры нейроны, которые состоят из двух основных отделов: наружного и внутреннего сегментов [2], [3].

.3 Механизм работы глаза

Хрусталик в глазу "подвешен" на тонких радиальных нитях, которые охватывают его круговым поясом. Наружные концы этих нитей прикрепляются к ресничной мышце. Когда эта мышца расслаблена (в случае фокусировки взора на удаленном предмете), то кольцо, образуемое ее телом, имеет большой диаметр, нити, держащие хрусталик, натянуты, и его кривизна, следовательно и преломляющая сила, минимальны. Когда же ресничная мышца напрягается (при рассматривании близко расположенного объекта), ее кольцо сужается, нити расслабляются, и хрусталик становится более выпуклым и, следовательно, более сильно преломляющим (см. рис. 2). Это свойство хрусталика менять свою преломляющую силу, а вместе с этим и фокусную точку всего глаза, называется аккомодацией.

Рис. 2. Слева - фокусировка вдаль; справа - фокусировка на близкие предметы.

Затем лучи света проходят через стекловидное тело и фокусируются оптической системой глаза на сетчатке. Под воздействием световых лучей в фоторецепторах происходит фотохимическая реакция (распад зрительных пигментов), в результате которой выделяется энергия (электрический потенциал), несущая зрительную информацию.

Рис. 3. Схема строения зрительного анализатора:

- сетчатка,

- неперекрещенные волокна зрительного нерва,

- перекрещенные волокна зрительного нерва,

- зрительный тракт,

- наружнее коленчатое тело,

- radiatio optici,

- lobus opticus. [4]

Эта энергия в виде нервного возбуждения передается в другие слои сетчатки - на клетки-биполяры, а затем на ганглиозные клетки. При этом, благодаря сложным соединениям этих клеток, происходит удаление случайных "помех" в изображении, усиливаются слабые контрасты, острее воспринимаются движущиеся предметы. Нервные волокна со всей сетчатки собираются в зрительный нерв в особой области сетчатки - "слепом пятне". Оно расположено в том месте, где зрительный нерв выходит из глаза, и все, что попадает на эту область, исчезает из поля зрения человека. Зрительные нервы правой и левой стороны перекрещиваются, причем у человека и высших обезьян перекрещиваются лишь половина волокон каждого зрительного нерва. В конечном счете, вся зрительная информация в кодированном виде передается в виде импульсов по волокнам зрительного нерва в головной мозг, его высшую инстанцию - кору, где и происходит формирование зрительного образа [4].

3. Некоторые нарушения зрения


Близорукость - один из видов рефракции (оптического строения) глаза. В близоруком глазу задний главный фокус его преломляющей системы (то есть точка, в которой собираются прошедшие через неё параллельные лучи) лежит не на сетчатке, а впереди неё. Вследствие этого изображение на ней далёкого предмета, от каждой точки которого в глаз попадает пучок параллельных лучей, оказывается неясным; поэтому близорукие плохо видят вдаль.

Если предмет находится настолько близко, что расходящиеся пучки лучей, испускаемые каждой его точкой, сходятся как раз на сетчатке, то предмет виден ясно; выраженное в сантиметрах расстояние от глаза до точки, определяет степень близорукости. Для получения на сетчатке ясного изображения предмета, стоящего ближе к глазу, чем дальнейшая точка ясного зрения последнего, требуется уже изменение хрусталика.

У людей с близорукостью либо увеличена длина глаза - осевая близорукость, либо роговица имеет большую преломляющую силу, из-за чего возникает небольшое фокусное расстояние - рефракционная близорукость. Как правило, бывает сочетание этих двух моментов [2].

Встречаются случаи, когда миопия выражена настолько, что ее называют осложненной. Высокая осложненная, или дегенеративная, миопия обычно возникает к 12 годам жизни у тех, у кого глазное яблоко чрезвычайно удлинено. До 2 процентов населения страдает такой формой близорукости. Растяжение глаза может увеличиваться с возрастом и приводить к постоянной и выраженной потере зрения.

Если вовремя не принять мер, то близорукость прогрессирует, что может привести к серьёзным необратимым изменениям в глазу и значительной потере зрения. И как следствие - к частичной или полной утрате трудоспособности [5].

Рис. 4. Близорукость [6].

Развитию близорукости способствует также ослабление глазных мышц. Этот недостаток можно исправить с помощью специально разработанных комплексов физических упражнений, предназначенных для укрепления мышц.

По тяжести заболевания, в близорукости выделяют три степени:

·        слабая - до 3 диоптрий,

·        средняя - от 3,25 до 6 диоптрий,

·        высокая - свыше 6 диоптрий. Высокая миопия может достигать весьма значительных величин: 15, 20, 30 D.

При слабой и средней степени близорукости, как правило, осуществляется полная или почти полная оптическая коррекция и применяются более слабые (на 1-2 диоптрий) линзы для работы на близком расстоянии [6].

3.2 Дальнозоркость (гиперметропия)

Дальнозоркость - аномалия преломления световых лучей в глазу, суть которой заключается в том, что параллельные лучи от предмета сходятся в фокусе позади сетчатой оболочки. Для ясного зрения вдаль необходимо, чтобы фокус этих лучей находился в сетчатой оболочке; только в таком случае на ней получается чёткое изображение предмета и зрение будет отчётливое (что имеется в нормальном глазу). Если лучи вышли из одной точки, то при дальнозоркости на сетчатке вместо изображения точки получится расплывчатый кружок, весь предмет будет неясный, расплывчатый. Дальнейшая точка дальнозоркого глаза лежит за глазом. Её положение определяет форму пучков лучей, падающих на глаз, сходящихся на сетчатке глаза. Величина дальнозоркости характеризуется величиной аметропии глаза А. Величина А = 1/а, где а - расстояние от глаза до дальнейшей точки R глаза. Дальнозоркость может зависеть от двух причин: или среда глаза (роговая оболочка, хрусталик) преломляет свет слишком слабо (рефракционная дальнозоркость), или длина глазного яблока слишком мала (осевая дальнозоркость), так что сетчатка лежит перед точкой соединения лучей [2].

Это аномалия зрения, которую имеют около четверти населения Земли. Существует ошибочное мнение, что дальнозоркие хорошо видят вдаль, однако это не всегда так. Часто дальнозоркие видят плохо и вблизи, и вдали. Однако люди, страдающие лишь возрастной дальнозоркостью (пресбиопией), хорошо видят вдаль, так как у них нет аномалий рефракции и хрусталик всегда находится в расслабленном состоянии.

Одной из причин дальнозоркости может быть уменьшенный размер глазного яблока на передне-задней оси. Практически все младенцы - дальнозоркие. Но с возрастом у большинства этот дефект пропадает в связи с ростом глазного яблока. Причина возрастной (старческой) дальнозоркости (пресбиопии) - уменьшение способности хрусталика изменять кривизну. Этот процесс начинается в возрасте около 25 лет, но лишь к 40-50 годам приводит к снижению остроты зрения при чтении на обычном расстоянии от глаз (25-30 см). Примерно к 65 годам глаз уже практически полностью теряет способность к аккомодации.

Кроме естественной физиологической дальнозоркости у детей младенческого возраста заболевание может быть врождённым. Речь идёт о тех случаях, когда зрение у ребёнка со временем самостоятельно не приходит в норму. Причиной дальнозоркости этой формы может послужить не только малый размер глазного яблока, но и слабая врождённая преломляющая сила хрусталика или роговицы.

При врожденной дальнозоркости у детей с коэффициентом выше 3.0 диоптрий существует большая вероятность развития сопутствующего заболевания - косоглазия содружественной формы. К нему приводит перенапряжение глазодвигательных мышц ребёнка и постоянное сведение глаз к носу для большей чёткости зрения. Дальнейшее прогрессирование болезни может стать причиной еще более грозного осложнения дальнозоркости у детей - амблиопии (ослабленного зрения одного из глаз) [6].

Рис. 5. Дальнозоркость.

3.3 Астигматизм

Астигматизм - аномалия рефракции глаза, при которой преломляющая сила оптической системы различна в различных меридианах, вследствие чего лучи, исходящие из любой точки пространства, не дают на сетчатке точечного фокусного изображения [7].

Астигматизм появляется как следствие неодинаковой кривизны оптической поверхности в разных плоскостях сечения падающего на неё светового пучка. Сферическая волновая поверхность после прохождения оптической системы деформируется и перестаёт быть сферической. Пучок лучей, исходящий из светящейся точки, после прохождения через оптическую систему собирается не в одной точке, а в двух взаимно перпендикулярных отрезках прямой линии, расположенных на некотором расстоянии друг от друга. Изображения в промежуточных сечениях будут иметь вид эллипсов; одно из них будет иметь вид круга (см. рис. 6) [1].

Рис. 6. Астигматизм

Симптомами астигматизма является понижение зрения, иногда видение предметов искривленными, их раздвоение, быстрое утомление глаз при работе, головная боль.

У большинства людей встречается врождённый астигматизм до 0,5 диоптрий, обычно не приносящий особого дискомфорта [6].

.4 Косоглазие

Косоглазие - любое нарушение параллельности зрительных осей обоих глаз. Положение глаз, характеризующееся неперекрещиванием зрительных осей обоих глаз на фиксируемом предмете. Объективный симптом - несимметричное положение роговиц в отношении углов и краёв век.

Косоглазие содружественное - отклонение глаза к носу (сходящееся) или к виску (расходящееся) при полном сохранении функции глазодвигательных мышц обоих глаз, отсутствием двоения и при условии, когда угол отклонения косящего глаза (первичный угол отклонения) равен углу отклонения здорового глаза (вторичный угол отклонения).

Косоглазие паралитическое - отклонение глаза в результате пареза или паралича одной или нескольких глазодвигательных мышц. Движение глаза в сторону парализованной мышцы ограничено или отсутствует. Больные жалуются на тягостное двоение.

Также косоглазие делится на монокулярное и альтернирующее.

При монокулярном косоглазии всегда косит только один глаз, которым человек никогда не пользуется. Поэтому зрение косящего глаза чаще всего резко снижено. Мозг приспосабливается таким образом, что информация считывается только с одного, некосящего глаза. Косящий же глаз в зрительном акте не участвует, следовательно, его зрительные функции продолжают снижаться ещё сильнее. Такое состояние называется амблиопией (низкое зрение от функционального бездействия). Если восстановить зрение косящего глаза невозможно, косоглазие исправляется, чтобы убрать косметический дефект.

Альтернирующее косоглазие характеризуется тем, что человек смотрит попеременно то одним, то другим глазом, то есть хотя и попеременно, но использует оба глаза. Амблиопия если и развивается, то в гораздо более легкой степени [2], [6].

.5 Дальтонизм

Дальтонизм - один из видов частичной цветной слепоты, впервые описанной в 1794 году английским учёным Дж. Дальтоном, который сам имел этот недостаток зрения.

Лица, страдающие дальтонизмом, видят весь спектр состоящим из двух цветовых тонов: жёлтого и синего. Различия в предметах жёлтой и синей половин спектра воспринимаются лишь по яркости и по насыщенности, а не по цветовому тону [2].

У человека в центральной части сетчатки расположены светочувствительные рецепторы - нервные клетки, которые называются колбочками. Каждый из трёх видов колбочек имеет свой тип цветочувствительного пигмента белкового происхождения. Один тип пигмента чувствителен к красному цвету с максимумом 552-557 нм, другой - к зелёному (максимум около 530 нм), третий - к синему (426 нм). Люди с нормальным цветным зрением имеют в колбочках все три пигмента (красный, зелёный и синий) в необходимом количестве. Их называют трихроматами [8].

Клинически различают полную и частичную цветовую слепоту. Реже всего наблюдается полное отсутствие цветного зрения.

Частичная цветовая слепота:

·        красные рецепторы нарушены - наиболее частый случай - дихромия и протанопия (protanomaly, deuteranomaly);

·        синий и жёлтый участок спектра не воспринимаются: дихромия - тританопия (tritanopia) - отсутствие цветовых ощущений в сине - фиолетовой области спектра, встречается крайне редко. При тританопии все цвета спектра представляются оттенками красного или зелёного;

·        дейтеранопия - пониженная чувствительность к некоторым цветам, в основном к зеленому;

·        аномалии по трём цветам (tritanomaly) [8].

4. Некоторые методы диагностики зрения

.1 Астигматизм-тест

Простейший тест на астигматизм можно сделать самим. Для этого нужно аккуратно нарисовать на бумаге решетку с одинаковыми по длине, толщине и степени окрашивания линиями и начать вращать ее перед глазами. При нормальном зрении решетка все время будет выглядеть одинаково, при астигматизме ее линии будут казаться, то ровными, то неровными, толщина линий и интенсивность окраски также будет казаться то одинаковой, то неодинаковой. Происходит это потому, что неправильная кривизна роговицы приводит к отчетливой фокусировке на некоторых частях изображения и размытии остальных частей.

Научным способом определения данного заболевания является проверка зрения с помощью звезды Сименса (см. рис. 7). Это рисунок на белом фоне, состоящий из 54 черных сбегающихся в центр лучей. Диаметр рисунка, напоминающего по форме круг, составляет 10 сантиметров. Человеку, страдающему астигматизмом, при рассматривании лучей общее изображение кажется в виде эллипса. При этом лучи могут иметь небольшие преломления, которых на самом деле нет.

Рис. 7. Звезда Сименса

Человек с нормальным зрением, рассматривая это изображение с 5 метров, будет наблюдать, как лучи начинают сливаться ровно на половине своей длины: когда до центра остается 2,5 см (полная длина луча - 5,0 см). На большом расстоянии от картинки лучи будут сливаться в сплошную серую массу (из-за ограниченной разрешающей способности сетчатки глаза).

Если у человека есть аномалии рефракции, то при просмотре лучи расплываются и начинают перекрываться между собой. На очень коротком участке они могут, как бы, слиться с фоном. Однако ближе к центру лучи могут снова быть четко видны. При этом изображение визуально становится похожим на свой негатив (на месте черного луча оказывается белый фон, а на месте белого фона - черный луч). По ходу лучей подобная инверсия может происходить несколько раз. Люди с хорошим зрением могут наблюдать подобный эффект, если поднесут картинку очень близко к глазам.

На приеме у офтальмолога одним из способов проверки остроты зрения является следующий метод: пациенту предлагают закрыть один глаз и почитать буквы различной величины. Нередко случается так, что больной называет буквы последующего ряда, но при этом плохо видит буквы предыдущего ряда (несмотря на то, что они крупнее). Или же зрение может улучшаться при определенном положении головы, например, слегка наклонив голову вправо или влево. В таких случаях речь идет об астигматизме.

Врач-офтальмолог определяет заболевание и его степень с помощью субъективных и объективных методов. Для этого используется специальный цилиндр силой 0,5 дптр, который вставляют в пробную оправу. Врач поворачивает его по оси, а пациент указывает улучшается зрение или нет. Существует способ со стенопической линейной щелью. Объективными методами являются скиаскопия, кератоскопия, офтальмометрия, рефрактометрия [9].

4.2 Проверка на остроту зрения

Острота зрения - чувствительность зрительного анализатора, которая отображает способность отличать составные части и границы заметных объектов; ориентируется по минимальному угловому расстоянию между 2-мя точками, при котором они воспринимаются по отдельности. Наименьшее угловое расстояние примерно соответствует одной минуте, при этом значении величина изображения на сетчатке равна 0,004 мм, что соответствует поперечнику колбочки. Зрительный анализатор способен улавливать объекты, которые имеют размер больше поперечника колбочки. Составные части объекта различаются, когда возбуждённые колбочки разделены даже одной невозбуждённой.

Для исследования остроты зрения используют специальные таблицы, содержащие различной величины оптотипы (буквы, цифры, знаки).

.3 О таблице Головина - Сивцева и прочих

Для исследования остроты зрения пользуются таблицами Головина - Сивцева, в которых имеется 12 рядов знаков (букв и/или оптотипов колец Ландольта с разрывом), размер букв уменьшается от строки к строке в направлении сверху вниз. Слева каждой строки указано расстояние D (в метрах <#"792227.files/image008.gif"> 

Рис. 8. Таблицы Сивцева, Ландольта и Орловой (слева направо)

4.4 Тест TNO

Стереоскопическое зрение служит самым надежным и чувствительным показателем способности к анализу пространственных соотношений. По мнению Е.М. Белостоцкого (1959), способность зрительного анализатора к правильной оценке третьего пространственного измерения, т.е. глубинного зрения, является одним из компонентов сложного процесса бинокулярного восприятия пространства [11].

Благодаря способности к слиянию изображений, падающих на идентичные или слегка диспаратные участки сетчаток обоих глаз (в пределах зоны Панума), человек получает возможность свободно ориентироваться в окружающем пространстве и оценивать его в трех измерениях.

Тест «Случайные точки» состоит из 7 таблиц, рассматриваемых через красно-зеленые очки. На каждой таблице представлены различные фигуры (квадраты, кресты и т.п.), сформированные из случайных точек комплементарных цветов. Некоторые фигуры видны без красно-зеленых очков, а другие - «спрятаны» и видны только при наличии стереоскопического зрения в красно-зеленых очках. Первые 3 таблицы предназначены для выявления стереоскопического зрения, а последующие - для его количественной оценки.

Рис. 9. Тест TNO

4.5 Четырехточечный тест Worth

Проведение: пациенту ставят красную линзу перед правым глазом, которая отсекает все цвета, кроме красного; перед левым глазом ставят зеленую линзу, которая отсекает все цвета, кроме зеленого; пациенту демонстрируют барабан с 4 кружками: 1 - красный, 2 - зеленых и 1 - белый.

Результаты:

·        видимость всех фигур при наличии манифестной формы косоглазия свидетельствует об АКС;

·        пациент видит 2 красные фигуры - супрессия левого глаза;

·        пациент видит 3 зеленые фигуры - супрессия правого глаза;

·        пациент видит 2 красные и 3 зеленые фигуры - наличие диплопии;

·        если зеленые и красные фигуры альтернируют, то присутствует альтернирующая супрессия [10].

.6 Тесты для проверки цветовосприятия

Для выявления проблем с цветовосприятием в современной офтальмологии используются различные тесты по определению оттенков и полихроматические таблицы Рабкина. Эти таблицы состоят из рисунков, выполеннных кругами в определенной цветовой гамме. Задача тестируемого - определить эти рисунки, если он способен их различить.

5. Блок - схемы программы

Рис. 10. Блок - схема главной программы sp 2.vi.

Рис. 11. Блок схемы субприбора sp load (SubVI).vi.

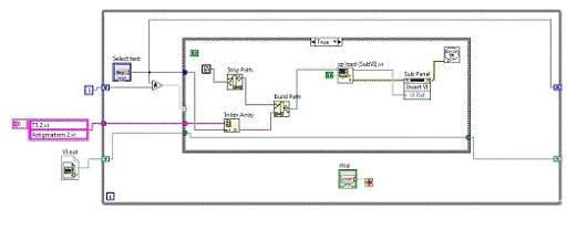
Рис. 12. Блок - схема подпрограммы TS 2.vi. Блок - схема подпрограммы Astigmatism 2.vi аналогична.

6. Заключение

При разработке данного курсового проекта были изучены строения органов зрения и их работа. Также был проведен обзор самых распространенных отклонений от здорового состояния и способы их диагностики. Базовая проверка состоит в работе с таблицами с различными оптотипами, что и было использовано при проектировании программного обеспечения в LabVIEW.

7. Список литературы

[1] - Большая советская энциклопедия: В 30 т. - М.: "Советская энциклопедия", 1969-1978.

[2] - Г. Былич, Л. Назарова «Популярная медицинская энциклопедия» М.: Вече,1998

[3] - В. Пикеринг «Биология» М.: АСТ-ПРЕСС, 1997

[4] - <http://kondrackaya.ru>

[5] - <http://www.websight.ru>

[6] - <http://ru.wikipedia.org>

[7] - Большой медицинский словарь. 2000.

[8] - <http://micro.magnet.fsu.edu/primer/lightandcolor/humanvisionhome.html>

[9] - <http://www.med-pro.ru/medinfo/oftalmologia/astigmatizm.php>

[10] - <http://zreni.ru>

[11] - «Стереоскопическое зрение и методы его исследования», Корнюшина Т.А., Кащенко Т.П., А .В. Ибрагимов.

Похожие работы на - Генератор тестовых сигналов для проверки зрения

 

Не нашли материал для своей работы?
Поможем написать уникальную работу
Без плагиата!
Без нейросетей!