Блок вычитания двоичных чисел с фиксированной запятой
Введение
модуль
электрический проводник
В курсовом проекте «Блок вычитания
целых двоичных чисел с фиксированной запятой с контролем на нечетность»
рассматривалось арифметико-логическое устройство, которое предназначено для
вычитания двух двоичных чисел. Числа поступают на вход блока в прямом коде, и
далее в блоке происходит их проверка на нечетность и вычитание согласно
правилам двоичной арифметике в обратном модифицированном коде (согласно условию
задания на курсовой проект). Устройство применяется в вычислительных логических
блоках для осуществления простейших арифметических операций.
В данном курсовом проекте будет
разработана конструкция блока за счёт расчётов основных параметров, таких как
выбор варианта конструкции модуля, анализа схемы электрической принципиальной,
анализа элементной базы, выбора класса точности печатной платы, расчёта
надёжности и технологичности модуля и метода сборки модуля первого уровня.
1. Назначение и условие
эксплуатации
В любом компьютере, в любом
микропроцессоре используются необходимые для работы арифметико-логические
устройства (АЛУ). Эти устройства способны выполнять различные логические и
арифметические операции. Операция вычитания - одна из них. Проектируемый блок
БВЦДЧ разрабатывается как раз для выполнения этой операции. В современных
микропроцессорах аналогичные блоки выполняются по интегральной технологии, при
помощи роботизированных высокопроизводительных систем и автоматов. Однако
данный блок также можно реализовать на базе серий микросхем широкого
потребления.
Конструкция блока предусматривает
его использование в домашних условиях, в закрытых вычислительных блоках. Также
возможно использование блока на открытом воздухе, но при наличии защитного
кожуха, оберегающего блок от пыли и влаги.
Группа аппаратуры: восьмая -
транспортируемые, установленные на самолетах, вертолетах и прочих летающих
объектах и работающие на ходу.
Таким образом, совокупность
климатических и механических факторов следующая:
Таблица 1. Требования и условия
эксплуатации для РЭА 1 группы
|
Вид факторов
|
Внешние факторы
|
Параметры
|
|
Климатические
|
1.1. Пониженная температура, °С а) Рабочая, 1 степень; 2 степень;
|
Не менее 5° Не менее 5°
|
|
1.2. Повышенная температура, С° а) Рабочая;
|
Не более 40°
|
|
Атмосферные осадки
|
Интенсивность дождя, мм/мин Время выдержки, ч
|
3 0,33
|
|
Давление
|
Пониженное давление, кПа время выдержки, ч
|
61 2-6
|
|
Механические Вибрация
на одной частоте
|
частота, Гц ускорение, g время выдержки, ч
|
20 2 0.5
|
|
Вибрация в диапазоне частот
|
частота, Гц ускорение, g время выдержки, ч
|
2500 1-13 12
|
|
Одиночные удары
|
длительность, мс, от 15 до число ударов в 1 мин общее число
ударов
|
150 15 60
|
|
Удары многократные
|
длительность, мс число ударов в 1 мин ускорение, g общее число
ударов
|
2-10 40-80 5-15 6000
|
|
Линейная перегрузка, g
|
|
10-80
|
Вывод:
По техническому заданию (ТЗ)
предполагается, что данный блок относится к восьмой группе РЭА, производство
единичное, устройство будет применяться в летательных средствах, где важна
защита от вибраций.
2. Конструкторский
раздел
«Конструкторский раздел» должен содержать
взаимосвязь элементов и деталей с различными физическими свойствами и формами.
Такая взаимосвязь определяется электрическими схемами и конструкторской
документацией. Конструктивная взаимосвязь элементов ЭРА должна обеспечить
выполнение заданных функций с необходимой точностью и надёжностью в условиях
воздействия на неё различных факторов: эксплуатационных, производственных,
человеческих.
.1 Выбор варианта
конструкции модуля
Необходимо произвести анализ типовых
конструкций с учётом элементной базы, компоновки, сборки и монтажа прибора и
обосновать выбор варианта конструкции изделия, исходя из назначения и условий
эксплуатации устройства. Для выбора варианта, необходимо подсчитать суммарную
мощность всех элементов.
Суммарная допустимая мощность потерь
всех элементов подсчитывается по формуле:
где
- общая допустимая мощность потерь модуля;
-
суммарная мощность сопротивлений;
-
суммарная мощность микросхем;
-
мощность разъёма.
.
.
.
.
В виде ГИС (гибридной интегральной
схемы) может быть реализована схема суммарной допустимой мощностью рассеивания
элементов для тонких плёнок до 2,0 Вт и до 3,0 Вт - для толстых плёнок.
При допустимой мощности рассеяния
более 3,0 Вт схема устройства реализуется печатным узлом.
Суммарная мощность рассеивания
элементов блока БВЦДЧФЗ примерно равна 3 Вт, прибор желательно
реализовать в виде модуля первого уровня на печатной плате.
Вывод: прибор реализуется в виде
модуля первого уровня на печатной плате.
Анализ электрической
принципиальной схемы
Разрабатываемое устройство БВЦДЧФЗ
состоит из электронных компонентов зарубежного производства, большинство
которых - это микросхемы, потребляют малую мощность и обладают компактными
размерами благодаря компактной установке элементов. Элементная база
разрабатываемого блока состоит из элементов серии 74LS (аналог отечественной
серии 555). Микросхемы данной серии обладают достаточно хорошим быстродействием
(среднее время задержки 18 нс), однако их главная особенность - низкое
энергопотребление, по сравнению с элементами других серий (2 мВт/лог.элемент;
мВт/лэ). Для сравнения приведена следующая таблица:
|
Параметр
|
Серия микросхем зарубежная (отечественный аналог)
|
|
74AC (155)
|
74LS (555)
|
74ALS (1533)
|
74S (531)
|
|
Потребляемая мощность Pср, мВт/лог.элемент
|
10
|
2
|
1,2
|
19
|
|
Время задержки tср, нс
|
20
|
18
|
14
|
5
|
Эти микросхемы доступны и не дороги
(3,85 - 5,77 руб. за микросхему; по сравнению с 1533 3,60 - 13,50 руб.).
Входные и выходные сигналы блока
поступают на разъём зарубежного PLD2-64.
Таблица 2. Эксплуатационные
характеристики блока
|
Максимальная частота, МГц
|
Напряжение, В
|
Сила тока, А
|
Быстродействие, с
|
Уровни логической «1»
|
Уровни логического «0»
|
Цепи
|
Теплонагруженные ЭРИ
|
|
|
|
|
|
|
Входная
|
Выходная
|
Земля
|
Питание
|
Высокочастотная
|
Импульсные сигналы
|
|
|
0,602
|
5
|
0,32
|
1,66*10-6
|
≥ 2,7
|
≤ 0,5
|
Есть
|
Есть
|
Есть
|
Постоянный ток
|
Нет
|
Есть
|
Нет
|
Вывод: Функциональный узел будет
представлять собой модуль первого уровня, используемый в качестве типового
элемента замены материнской платы компьютера. Разрабатываемый блок состоит из
электронных компонентов зарубежного производства, а также двух резисторов типа
С2-33-0,125-1кОм-±10% и одного разъёма PLD2-64.
Анализ элементной базы
При анализе элементной базы изучают:
· совместимость ИМС,
ЭРЭ и ПМК по электрическим, конструктивным, электромагнитным и другим
параметрам, а так же по условиям эксплуатации;
· совместимость ЭРИ и
ПМК по надёжности;
· соответствие ЭРИ и
ПМК условиям эксплуатации, хранения, транспортировки указанным в ТЗ на ЭА.
Все микросхемы, используемые в
блоке, принадлежат серии 74LS (555), это значит, что они полностью совместимы друг с другом.
Определение
функциональной и конструктивной сложности
Существуют три основных вида
функциональной сложности. Они различаются между собой числом элементов схемы и
числом выводов.
. Малая функциональная
сложность - до 12 ИМС;
. Средняя функциональная
сложность - до 12-50 ИМС;
. Высокая функциональная
сложность - более 50 ИМС.
В разрабатываемом блоке используется
40 ИМС, поэтому блок имеет среднюю функциональную сложность.
К шагу координатной сетки привязаны
все элементы конструкции ПП (контактные площадки, проводники, отверстия и
т.д.), а так же ЭРИ и ПМК.
Шаг координатной сетки выбирают и
таким образом, что бы он соответствовал шагу расположения выводов большинства
ЭРИ и ПМК, устанавливаемых на ПП.
Форма и размер монтажных отверстий и
контактных площадок зависят от геометрии выводов ЭРИ: круглые отверстия и
контактные площадки применяются для штыревых выводов; прямоугольные и квадратные
КП - для планарных выводов или ПМК.
Далее в работе представлены корпуса
и типоразмеры используемых в блоке интегральных микросхем.
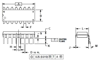
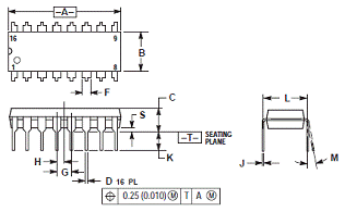
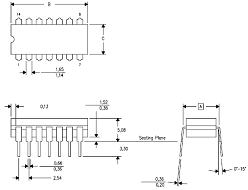
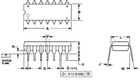
. Микросхема SN74LS377 (555ИР27):
Восьмиразрядный регистр с параллельным входом. Имеет 20 штыревых выводов. Установочная
площадь - 205,13 м2*10-6. Вес - 6г. Корпус
керамический типа 732-03.
Рисунок 1. УГО и характеристики
микросхемы SN74LS377 (555ИР27)

|
Размер, [мм]
|
A
|
B
|
C
|
D
|
E
|
F
|
G
|
J
|
K
|
L
|
M
|
N
|
|
|
Минимум
|
25,66
|
6,1
|
3,81
|
0,39
|
1,27
|
1,27
|
2,54
|
0,21
|
2,8
|
7,62
|
0°
|
0,51
|
|
|
Максимум
|
27,17
|
6,6
|
4,57
|
0,55
|
|
1,77
|
|
0,38
|
3,55
|
|
15°
|
1,01
|
|
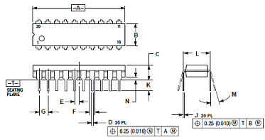
. Микросхема SN74LS194 (555ИР11):
Четырёхразрядный универсальный регистр сдвига. Имеет 16 штыревых выводов. Установочная
площадь - 151,32 м2*10-6. Вес - 6г. Корпус
пластиковый типа 648-08.
Рисунок 2. УГО и характеристики
микросхемы SN74LS194 (555ИР11)

|
Размер, мм.
|
A
|
B
|
C
|
D
|
F
|
G
|
H
|
J
|
K
|
L
|
M
|
S
|
|
Минимум
|
18,8
|
6,35
|
3,69
|
0,39
|
1,02
|
2,54
|
1,27
|
0,21
|
2,8
|
7,5
|
0
|
0,51
|
|
Максимум
|
19,55
|
6,85
|
4,44
|
0,53
|
1,77
|
|
|
0,38
|
3,3
|
7,74
|
10
|
1,01
|
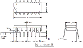
3. Микросхема SN74LS86 (555ЛП5): Четыре
элемента ИСКЛЮЧАЮЩЕЕ ИЛИ (сумма по модулю 2). Имеет 14 штыревых выводов. Установочная
площадь - 147,96 м2*10-6. Вес - 1г. Корпус
пластиковый типа 646-06.
Рисунок 3. УГО и характеристики
микросхемы SN74LS86 (555ЛП5)

|
Размеры, мм.
|
A
|
B
|
C
|
D
|
F
|
G
|
H
|
J
|
K
|
L
|
M
|
N
|
|
Минимум
|
18,16
|
6,1
|
3,69
|
0,38
|
1,02
|
2,54
|
1,32
|
0,2
|
2,92
|
7,37
|
-
|
0,38
|
|
Максимум
|
18,8
|
6,6
|
4,69
|
0,53
|
1,78
|
|
2,41
|
0,38
|
3,43
|
7,87
|
10°
|
1,01
|
4. Микросхема SN74LS08 (555ЛИ1): Четыре
логических элемента 2И. Содержит 68 интегральных элементов. Имеет 14 штыревых
выводов. Установочная площадь - 151,95 м2*10-6. Вес
- 3г. Корпус пластиковый типа 646-06.
Рисунок 4. УГО и характеристики
микросхемы SN74LS08 (555ЛИ1)

|
Размеры, мм
|
A
|
B
|
C
|
|
Минимум
|
7,62
|
-
|
6,22
|
|
Максимум
|
|
26,92
|
7,62
|
5. Микросхема SN74LS283 (555ИМ6): Полный
четырёхразрядный сумматор с параллельным переносом. Имеет 16 выводов. Установочная
площадь - 151,32 м2*10-6. Вес - 6г. Корпус
пластиковый типа 648-08.
Рисунок 5. УГО и характеристики
микросхемы SN74LS283 (555ИМ6).

|
Размер, мм.
|
A
|
B
|
C
|
D
|
F
|
G
|
H
|
J
|
K
|
L
|
M
|
S
|
|
Минимум
|
18,8
|
6,35
|
3,69
|
0,39
|
1,02
|
2,54
|
1,27
|
0,21
|
2,8
|
7,5
|
0°
|
0,51
|
|
Максимум
|
19,55
|
6,85
|
4,44
|
0,53
|
1,77
|
|
|
0,38
|
3,3
|
7,74
|
10°
|
1,01
|
6. Микросхема SN74LS32 (555ЛЛ1): Четыре
логических элемента 2ИЛИ. Содержит 88 интегральных элементов. Имеет 14 выводов.
Установочная площадь - 147,96 м2*10-6. Вес
- 1г. Корпус керамический типа 632-08.
Рисунок 6. УГО и характеристики
микросхемы SN74LS32 (555ЛЛ1)

|
Размеры, мм.
|
A
|
B
|
C
|
D
|
F
|
G
|
H
|
J
|
K
|
L
|
M
|
N
|
|
Минимум
|
18,16
|
6,1
|
3,69
|
0,38
|
1,02
|
2,54
|
1,32
|
0,2
|
2,92
|
7,37
|
-
|
0,38
|
|
Максимум
|
18,8
|
6,6
|
4,69
|
0,53
|
1,78
|
|
2,41
|
0,38
|
3,43
|
7,87
|
10°
|
1,01
|
7. Микросхема SN74LS04 (555ЛН1): Шесть
логических элементов НЕ. Содержит 84 интегральных элемента. Имеет 14 выводов. Установочная
площадь - 147,96 м2*10-6. Вес - 3г. Корпус
керамический типа 632-08.
Рисунок 7. УГО и характеристики
микросхемы SN74LS04 (555ЛН1).

|
Размеры, мм.
|
A
|
B
|
C
|
D
|
F
|
G
|
H
|
J
|
L
|
M
|
N
|
|
Минимум
|
18,16
|
6,1
|
3,69
|
0,38
|
1,02
|
2,54
|
1,32
|
0,2
|
2,92
|
7,37
|
-
|
0,38
|
|
Максимум
|
18,8
|
6,6
|
4,69
|
0,53
|
1,78
|
|
2,41
|
0,38
|
3,43
|
7,87
|
10°
|
1,01
|
8. Разъём PLD2-64-AB: Соединители типа PLD2 предназначены для
соединения печатных плат между собой и печатных плат с объёмными проводами.
Имеет 64 выводов, расположенных в 2 ряда (обозначенных буквами a, b) по 32 выводов в каждом. Однако в
блоке БВЦДЧФЗ фактически используются только 43 вывода. Установочная площадь
- 1007 м2*10-6. Вес - 30г. Материал корпуса -
полиэстер, армированный стекловолокном; контактов - медный сплав (латунь);
покрытия контактов - никелированное покрытие с золочением по стандарту
MIL-G-45204B.
Рисунок 7. Чертёж с габаритами
разъёма PLD2-64
. Резистор С2-33-0,125Вт-1кОм±10%.
Резисторы постоянные непроволочные общего применения всеклиматического
неизолированного варианта исполнения, предназначены для работы в электрических
цепях постоянного, переменного токов и в импульсном режиме.
В блоке БВЦДЧФЗ резисторы
используются для получения сигналов уровня «1».
Рисунок 8. Характеристики резистора
С2-33-0,125Вт-1кОм±10%
|
L [мм]
|
l [мм]
|
D [мм]
|
d [мм]
|
Масса [г]
|
|
|
не более 6,0
|
20
|
не более 2,2
|
0,6
|
не более 0,15
|
|
Таблица 3. Конструктивные параметры
модуля
|
Допустимые условия эксплуатации
|
Диапазоны температур, С°
|
0° - +70°
|
0° - +70°
|
0° - +70°
|
0° - +70°
|
0° - +70°
|
0° - +70°
|
0° - +70°
|
-60° - +155°
|
-65° - +120°
|
0°
- +80°
|
|
Конструктивные параметры
|
Надёжность л = 10-6 1/час
|
0,1
|
0,1
|
0,1
|
0,1
|
0,1
|
0,1
|
0,1
|
0,054
|
0,026
|
0,014
|
|
Установочная площадь м2*10-6
|
205,13
|
151,32
|
147,96
|
151,95
|
151,32
|
147,96
|
147,96
|
13,2
|
1007
|
-
|
|
Выводы штыревые (Ш) или планарные (П)
|
Ш
|
Ш
|
Ш
|
Ш
|
Ш
|
Ш
|
Ш
|
Ш
|
Ш
|
-
|
|
Диаметр выводов, мм.
|
0,67
|
0,65
|
0,65
|
0,67
|
0,65
|
0,65
|
0,65
|
0,6
|
0,7
|
-
|
|
Количество выводов, шт.
|
20
|
16
|
14
|
14
|
16
|
14
|
14
|
2
|
48
|
-
|
|
Масса, г.
|
6
|
6
|
1
|
3
|
6
|
1
|
3
|
5
|
30
|
|
|
Кол-во, шт.
|
12
|
11
|
5
|
1
|
5
|
5
|
1
|
2
|
1
|
1
|
|
Наименование ЭРИ
|
Регистр SN74LS377
|
Регистр SN74LS194
|
Лог. элемент
SN74LS86
|
Лог. элемент
SN74LS08
|
АЛУ SN74LS283
|
Лог. элемент
SN74LS32
|
Лог. элемент
SN74LS04
|
Резистор С2-33-0,125-1кОм-±10%
|
Разъём PLD2-64-AB
|
Печатная плата (стеклотекстолит)
|
|
|
|
|
|
|
|
|
|
|
|
|
|
|
|
Условно принято, что установка
традиционных (корпусных) элементов с общим количеством выводов до 350 соответствует
малой конструктивности ПП, от 350 до 500 - средней, больше 500 - высокой. В
данном блоке насчитывается 713 выводов, что означает, что печатная плата имеет
высокую конструктивную сложность.
В разрабатываемом блоке БВЦДЧФЗ
используются интегральные микросхемы зарубежного производства. Поэтому для ПП
будет взят шаг координатной сетки 2,54 мм.
Вывод: печатная плата блока имеет
среднюю функциональную и высокую конструктивную сложность.
Выбор типа конструкции
ПП
По ГОСТ 23751-86 предусмотрены
следующие типы конструкции ПП:
· односторонние ПП.
Применяются в бытовой технике, технике связи и в блоках питания на
электрорадиоэлементах (ЭРЭ). Имеют низкую стоимость, высокую надёжность, низкую
плотность монтажа.
· двухсоторонние ПП.
Применяются в измерительной, вычислительной технике, технике управления и
автоматического регулирования, технике связи, высокочастотной технике.
· Многослойные ПП.
Применяются в технике управления и автоматического регулирования,
вычислительной и бытовой аппаратуры для коммутации БИС, СБИС, МСБ в ЭА с
высоким действием по быстродействию, плотностью монтажа, волновому
сопротивлению, времени задержки сигнала и т.д.
Для определения типа конструкции,
необходимо выбрать группу жёсткости печатной платы для разрабатываемого блока
по таблице 5 (расположенной ниже).
Таблица 5. Климатические факторы
групп жесткости
|
Наименование воздействующего фактора
|
Допускаемые значения воздействующего фактора по группам
жёсткости
|
|
|
1
|
2
|
3
|
4
|
|
|
Температура окр. среды, С°
|
Верхнее значение
|
55
|
85
|
100
|
120
|
|
|
Нижнее значение
|
-25
|
-40
|
-60
|
|
|
Относительная влажность воздуха,%
|
Не более 75
|
Не более 98
|
Не более 98
|
|
|
При температуре до 35 С°
|
При температуре до 40 С°
|
|
|
Смена температур, С°
|
-25 … +55
|
-40 … +85
|
-60 … +100
|
-60 … +120
|
|
|
Атмосферное давление, Па (мм.рт.ст.)
|
Нормальное 101325 (760)
|
53600 (400)
|
666 (5)
|
|
Используемая элементная база -
традиционная (корпусная).
В зависимости от условий
эксплуатации по ГОСТ 23752 - 79 определяют группу жёсткости и соответствующие
ей требования к конструкции ПП, материалу основания и защиты от климатических,
механических и других воздействий, и записывают эти данные в технических
требованиях чертежа.
Исходя из того, что разрабатываемый
блок будет использоваться в закрытых отапливаемых помещениях, данную печатную
плату можно отнести к первому классу жёсткости.
Количество микросхем в данном блоке равно 40, печатная плата имеет среднюю
функциональную и высокую конструктивную сложность.
Возможность выполнения всех
коммутационных соединений зависит от функциональной и конструктивной сложности
узла:
При менее 8 ИМС применяют ОПП
(односторонняя печатная плата) или ДПП (двухсторонняя печатная плата);
-12 ИМС - ДПП;
-50 ИМС - ДПП и МПП (многослойная
печатная плата);
При 50 и выше ИМС - МПП.
Количество микросхем в данном блоке
равно 40, печатная плата имеет среднюю функциональную и высокую конструктивную
сложность. В связи с этим, данная печатная плата должна быть выполнена в виде
двухсторонней печатной платы.
Вывод: печатная плата блока БВЦДЧФЗ
реализуется в виде двухсторонней печатной платы (ДПП).
Выбор класса точности ПП
ГОСТ 23751-86 устанавливает 5
классов точности ПП, каждый из которых характеризуется минимальным допустимым
значением номинальной ширины проводника (t), расстояние между проводниками S и другими параметрами.
Таблица 6. Наименьшие номинальные
значения основных параметров для классов точности ПП
|
Условные обозначения элементов печатного монтажа
|
Класс точности ПП
|
|
|
1
|
2
|
3
|
4
|
5
|
|
|
|
0,75
|
0,45
|
0,25
|
0,15
|
0,1
|
|
|
|
0,75
|
0,45
|
0,25
|
0,15
|
0,1
|
|
|
|
0,3
|
0,2
|
0,1
|
0,05
|
0,025
|
|
|
|
0,4
|
0,4
|
0,33
|
0,25
|
0,2
|
|
|
, мм (без покрытия)
|
±0,15
|
±0,1
|
±0,05
|
±0,03
|
0; -0,03
|
|
|
, мм (с покрытием)
|
+0,25; -0,2
|
+0,15; -0,1
|
±0,1
|
±0,05
|
±0,03
|
|
|
, мм - ОПП, ДПП, МПП (наружный слой)
|
0,2
|
0,1
|
0,05
|
0,03
|
0,02
|
|
|
, мм - МПП (внутренний слой)
|
0,3
|
0,15
|
0,1
|
0,08
|
0,05
|
|
Примечание. t - наименьшая номинальная ширина
проводника; S - наименьшее номинальное расстояние между проводниками; b - минимально допустимая ширина
контактной площадки; d - номинальное значение диаметра наименьшего металлизированного
отверстия; H - толщина ПП;
-
предельное отклонение ширины печатного проводника, контактной площадки,
кольцевого контакта и др.;
-
позиционный допуск расположения печатного проводника относительно соседнего
элемента проводящего рисунка.
Отечественным стандартом ГОСТ
23751-86 предусматривается пять классов точности (плотности рисунка) ПП (см.
таблицу 6). Выбор класса точности определяется достигнутым на производстве
уровнем технологического оснащения.
Платы первого и второго классов
точности просты в изготовлении, дешевы, не требуют для своего изготовления
оборудования с высокими техническими показателями, но не отличаются высокими
показателями плотности компоновки и трассировки.
Для изготовления плат четвертого и пятого
классов требуется специализированное высокоточное оборудование, специальные
материалы, безусадочная пленка для изготовления фотошаблонов, идеальная чистота
в производственных помещениях, вплоть до создания "чистых" участков
(гермозон) с кондиционированием воздуха и поддержанием стабильного
температурно-влажностного режима. Технологические режимы фотохимических и
гальвано-химических процессов должны поддерживаться с высокой точностью.
Массовый выпуск плат третьего класса
освоен основной массой отечественных предприятий, поскольку для их изготовления
требуется рядовое, хотя и специализированное оборудование, требования к
материалам и технологии не слишком высоки.
Описание области применения:
· 1, 2 классы - для
печатных плат с МБС и ЭРИ при малой и средней насыщенности поверхностей ПП ЭРИ.
· 3 класс - для
печатных плат с МСБ и ЭРИ, имеющих штыревые или планарные выводы, а также с
безвыводными ЭРИ при средней и высокой насыщенности поверхности ПП ЭРИ.
· 4 класс - для
печатных плат с ЭРИ и ПМК, имеющих штыревые и планарные выводы, а также с
безвыводными ЭРИ при средней и высокой насыщенности поверхности ПП ЭРИ и ПМК.
· 5 класс - для
печатных плат с БИС и МСБ, имеющих штыревые и планарные ПМК при очень большой
насыщенности поверхности ПП ЭРИ и ПМК.
Разрабатываемый блок БВЦДЧФЗ состоит
из зарубежных интегральных микросхем, имеющих штыревые выводы, обладающих
хорошей надёжностью и низким энергопотреблением, а также невысокой стоимостью.
При средней насыщенности ПП ЭРИ, для платы блока подходит 3 класс точности.
Вывод: для ПП блока БВЦДЧФЗ будет
применён 3 класс точности.
Выбор метода
изготовления ПП
Согласно таблице обобщённых
характеристик ПП и методов их изготовления (Е. В. Пирогова «Проектирование и
технология печатных плат», табл. 3.7, стр. 86), а также выбранным типу
конструкции (двухслойная печатная плата на диэлектрическом основании), классу
точности ПП (3 класс точности), выбранной элементной базе (на основе серии 74LS) и конструктивной
сложности (высокая), двухстороннюю печатную плату блока БВЦДЧФЗ можно изготовить
методом комбинированным позитивным. Так как производство серийное и
печатная плата - двухсторонняя, целесообразно изготовление данных плат на
автоматизированных станках. Пайку контактов резисторов и разъёма производить
вручную. Метод пайки - волной.
Вывод: метод изготовления БВЦДЧФЗ -
комбинированный позитивный (SMOBS-процесс), способ изготовления - автоматизированный, однако разъём
и резисторы паяются вручную монтажником. Осуществляется пайка волной припоя.
Выбор материалов для
изготовления печатных плат
Создание современной ЭА неразрывно
связано с разработкой и освоением новых материалов.
При выборе материалов ПП необходимо
разделять базовые и расходные материалы. К базовым материалам относятся:
фольгированные и нефольгированные
диэлектрики, керамические и металлические материалы из короторых изготавливают
основание ПП.
изоляционный прокладочный материал
(склеивающие прокладки-препреги), используемые для склеивания МПП;
защитные полимерные лаки и защитные
покровные плёнки;
проводниковые материалы для
изготовления ГПП, ГНК и ГЖП.
К расходным материалам
(технологическим) относятся:
· Припои и флюсы;
· Фоторезисты;
· Специальные
трафоретные краски;
· Защитные маски;
· Электролиты
меднения, травленияи пр.
· Все расходные
материалы должны быть экономичны и безопасны для окружающей среды.
Выбор базовых материалов
Выбор материалов
основания ПП
Требования к материалу основания ПП
определяются:
условием эксплуатации;
электрическими, механическими,
экономическими и другими требованиями к ПП;
типом ПП;
методом изготовления ПП;
условием сборки и монтажа ячеек и
др.
Основные требования:
хорошие электроизоляционные
свойства;
высокая механическая прочность;
высокая термостойкость;
устойчивость к агрессивным
технологическим средам;
хорошая обрабатываемость;
стабильность электрических и
механических параметров ПП при климатических воздействиях.
низкая стоимость.
В качестве материала основания ПП
применяют слоистые диэлектрики, с одной или двух сторон фольгированные медной
фольгой, или нефольгированные диэлектрики.
Исходя из того, что проектируемая
плата будет двухсторонней (ДПП) и будет обладать высокой плотностью размещаемых
ЭРИ (40 штук), для ПП выбран стеклотекстолит фольгированный двухсторонний
СФ-2-35Г ГОСТ 10316-78.
Вывод: материал основания ПП -
стеклотекстолит фольгированный двухсторонний СФ-2-35Г ГОСТ 10316-78.
Определение толщины
основания ПП
Толщина ПП определяется толщиной
материала основания и проводящего рисунка (без дополнительных покрытий), её
выбирают в зависимости от конструктивных технологических особенностей и
механических нагрузок: вибрации и ударов при эксплуатации и транспортировке.
Предпочтительными значениями
номинальной толщины ОПП и ДПП являются 0,8; 1; 1,5; 2; мм с толщиной медной
фольги 18; 35; 50; 70; 105 мкм.
Допуск на толщину ПП устанавливают
по ТУ на материал или по ГОСТ 23751 - 86.
Толщину ПП определяют соотношения:
Где H - толщина ПП;
d - номинальные значения диаметра сквозного наименьшего
металлизированного отверстия [мм];
г - отношение диаметра сквозного
отверстия к толщине ПП. Отношение г зависит от класса точности:
· Для 1-го и 2-го:
0,4
· Для 3-го: 0,33
· Для 4-го: 0,25
· Для 5-го: 0,2.
Для данной ПП
. Следовательно, толщина разрабатываемой ПП равна:
Вывод: значение номинальной толщины
ДПП блока БВЦДЧФЗ равно 1,5 мм.
Выбор защитного покрытия
проводников и контактных площадок
Для монтажа ЭРЭ контактные площадки
должны хорошо смачиваться припоем для чего они должны быть защищены от
окисления защитными покрытиями на период всего технологического процесса
изготовления модуля.
Для осаждения защитного паяного
покрытия на медные участки ПП в настоящее время применяют:
· Горячее лужение
сплавов Розе, или ПОС-ы, с выравниеванием ракилем или горячим воздухом -
воздушным ножом.
· Химическое покрытие
(хим. Никель - имиссионное золото - 3…6 мкм.);
· Покрытие химический
никель - химический палладий;
· Покрытие
имиссионное олово (1…2 мкм);
· Покрытие
имиссионное серебро (0,3…0,5 мкн);
· Органическое
защитное покрытие (концентрат «Гликот»);
· Спирто-канифольный
лак и прочее.
Выбор покрытия ПП зависит:
· от ширины
проводников и качества воспроизводимого рисунка;
· от паяемости и
срока её сохранения;
· от возможности
многократной пайки;
· от компларности
покрытия;
· от надёжности и
прочности паянного соединения;
· от возможности
использования его в качестве металлорезиста;
· от экономичности;
· от экологической
безопасности.
Вывод: для защиты проводников и
контактных площадок целесообразно применять метод горячего лужения (ПОС-61 или
сплав Розе) с выравниванием горячим воздухом (воздушным ножом - hot air leveling - HAL). Применять припой
бессвинцовый или эвтектики.
Выбор лаковых покрытий
Для защиты поверхности ПП от
загрязнения, особенно эксплуатационных при неблагоприятных климатических
условиях и агрессивных средах применяются органические защитные покрытия лаками
УР-231-ТУ, Э410 ТУ51H35-58, AK-546 ТУ2346-156-050-11907-98, спреем «Фторел» изготовленного на
основе фторопласта Ф-32Л.
Общие требования защитным покрытиям:
покрытие должно быть плотным
однородным, без посторонних включений,
покрытие должно обладать хорошим
диэлектрическими свойствами и электрической прочностью,
лаковые покрытия должны быть
влагостойкими
Второе предназначение лаковых
покрытий - дополнительно удерживать элементы ПП, частично разгружая паяльные
соединения.
Электроизоляционные лаки
используемые для защиты печатного монтажа:
Полиэфирные лаки
Диапазон температур -55…+125Сo. Общее назначение
-нежесткие условия. Имеют хороший внешний вид. Удаляются кислотами и толуолам.
Диапазон температур -60…+135 С.
Применяются там, где требуются хорошие электроизоляционные свойства. Имеют
очень хороший внешний вид. Удаляются метилэтикленом.
Эпоксидные лаки
Диапазон температур -60…200С.
Применяются там, где требуется очень хорошие электроизоляционные свойства.
Удаляются механически. Поддается восстановление после ремонта. Имеют хороший
вид.
Полиуретановые покрытия
Диапазон температур -60…+120С.
Применяются там, где требуются низкая влагопроницаемость и сопротивление
истиранию. Удаляются механически. Поддается восстановлению после ремонта. Имеет
тусклый внешний вид.
Кремнийорганические
покрытия
Диапазон температур -60…+260С.
Применяется там, где требуется высокое диэлектрические свойства, дугостойкость,
нагревостойкость. Поддается восстановлению после ремонта. Имеет хороший внешний
вид.
Гидрофобные покрытия
Используются водоотталкивающие
свойства полиорганосилоксановых покрытий для влагозащиты печатного монтажа.
Проектируемое устройство имеет
невысокое рабочее напряжение, но требуется высокая механическая прочность. Из
за своих хороших электроизоляционных свойств и большого диапазона температур
были выбраны акриловые лаки.
Состав двухкомпонентные системы,
состояние из полуфабрикатных лаков и отвердителя. Полуфабрикатные лаки
представляют собой раствор алкидно-эпоксидной смолы Э30, изготовленной на смеси
тунгового и льняного масла (УР-0231) или льняном масле (УР-0231\Л). Отвердитель
70% раствор диэтиленгликольуретана в циклогексаноне.
Назначение Лак УР-231 применяется
для защиты металлических изделий и печатных узлов всеклиматического исполнения,
эксплуатируемых в интервале температур -60…+120С.
Вывод: Применим для защиты изделия
лак марки УР231ТУ 6-21-14-90.
Выбор расходных материалов
Выбор припоя
При пайке, как ручной, так и
автоматической применябт припои и флюсы. Выбор конкретных марок и составов
припоев и флюсов осуществляется в соответствии с отраслевым стандартом
ОСТ4.ГО.033200. «Припои и флюсы для пайки. Марки, состав, свойства и область
применения».
Для электрических соединений
используют олово-свинец с содержанием компонентов от 60-40% до 30-70% масс, а
также серебросодержащие, индиевые, висмутовые, оловянно-серебряные.
При выборе припоя, наиболее важными
критериями являются:
· максимальная
допустимая температура пайки;
· технологические
возможности предприятия;
· смачиваемость;
· прочность;
· стоимость.
Таблица 7. Список припоев
|
Тип
|
Состав (по массе),%
|
Температура плавления, °C
|
|
|
ПОС-61 (Олово/Свинец)
|
Sn61/Pb39
|
187
(эвтектика)
|
|
|
Низкотемпературные бессвинцовые припои
|
|
|
Sn/In (Олово/Индий)
|
Sn48/In52
|
115…120 (эвтектика)
|
|
|
Sn/Bi (Олово/Висмут)
|
Sn43/Bi57
|
135…140 (эвтектика)
|
|
|
Среднетемпературные бессвинцовые припои
|
|
|
Sn/Ag (Олово/Серебро)
|
Sn96,5/Ag3,5
|
221 (эвтектика)
|
|
|
Sn/Cu (Олово/Медь)
|
Sn99,3/Cu0,7
|
227 (эвтектика)
|
|
|
Sn/Ag/Cu (Олово/Серебро/Медь)
|
Sn95,5/Ag3,8/Cu0,7
|
217 (эвтектика)
|
|
При выборе припоя необходимо
учитывать, что стеклотекстолит фольгированный двухсторонний СФ-2-35Г не
допускает нагрева свыше +105° С. В июле 2006 года директивой RoHS принят запрет
на использование свинец-содержащих припоев в производстве электроники.
Необходимо применять бессвинцовые припои или эвтектики. Для данной печатной
платы подходит оловянно-медно-серебряный припой Sn95,5/Ag3,8/Cu0,7, который содержит
95,5% олова, 3,8% серебра и 0,7% меди. Он относится к эвтектикам и обладает
сравнительно низкой температуре плавления (+217° С) по сравнению с аналогичными
припоями. Такой тип припоя обладает лучшей надежностью и спаиваемостью чем
серебро- и медьсодержащие бессвинцовые припои (Sn/Ag и Sn/Cu).
Вывод: для изготовления ПП блока
БВЦДЧФЗ будет применяться оловянно-медно-серебряный припой Sn95,5/Ag3,8/Cu0,7.
Выбор флюса
Флюсы для пайки электронных изделий
относятся к смолосодержащим и смолонесодержащим. Основу смолосодержащих флюсов
составляет канифоль. Органические кислоты (Салициловая, молочная, стеариновая,
лимонная, муравьиная и т.д.) могут быть использованы только для подготовки
поверхности к пайке, однако в силу их большой активности они требуют тщательной
промывки промывки изделий после пайки. Эти кислоты чаще всего используются в
качестве активаторов и добавок к флюсам на основе канифоли. Основные требования
предъявляемые к флюсам:
· флюс должен легко,
быстро, равномерно растекаться по поверхности паяемых материалов;
· флюс хорошо должен
протекать в зазоры, переходные отверстия и легко вытесняться из ни х
расплавленным припоем;
· он должен обладать
высокой термической стабильностью при температуре пайки, не выделять токсичных
продуктов;
· флюс не должен
вызывать коррекции паяемых материалов и припоев, снижать электрическое
сопротивление изоляции диэлектрических промежутков, легко удаляться после пайки;
· точка плавления
флюса должна быть ниже температуры полного расплавления припоя;
· флюс должен
обеспечить создание защитной среды, снижение поверхностного напряжения припоя,
смачивание и растекание его по поверхности;
· применение флюса
должно быть экономически эффективным.
Таблица 8. Сравнение нескольких
марок флюсов
|
Марка флюса
|
Составляющие флюса и их содержание,%
|
Температурный интервал флюсующей активности, °С
|
Паяемый металл или металлическое покрытие
|
Применяемые припои
|
Область применения
|
|
|
Канифоль
|
Сосновая канифоль марок А, В 100%
|
210-300
|
Медь, серебро, олово, цинк, олово-свинец, золото, олово-висмут
|
Оловянно-свинцовые, оловянно-свинцово-кадмиевые, серебряные
|
Пайка и лужение деталей и проводников в изделиях специального
назначения
|
|
|
ФКСп ФКЭт
|
Сосновая канифоль - 10-60, этиловый спирт 90-40;канифоль
сосновая 20-30%, этанол денатурированый 80-70%.
|
200-300
|
Медь, серебро, олово, цинк, олово-свинец, золото, олово-висмут
|
Оловянно-свинцовые, оловянно-свинцово-кадмиевые, серебряные
|
Консервация в условиях складского хранения
|
|
Согласно вышеописанным требованиям
при выборе флюса для данной платы, для неё подходит флюс марки ФКСп.
Предназначен для пайки элементов радиомонтажа, печатных плат, бытовой
аппаратуры легкоплавкими припоями с температурой плавления не выше 300° C.
Нейтрален, не требует смывки.
Вывод: для ПП блока БВЦДЧФЗ
используется флюс марки ФКСп.
.2 Расчётная часть
В расчётной части курсового проекта
производится конструктивный расчёт элементов проводящего рисунка ПП, расчёт
технологичности конструкции и расчёт показателей надёжности модуля первого
уровня.
Расчёт элементов
проводящего рисунка
При разработке конструкции ПП должны
учитываться размеры проводящего рисунка (длина, ширина, толщина проводников,
размеры монтажных отверстий, размеры контактных площадок и пр.) и их взаимное
расположение, электрические параметры электрической принципиальной схемы
(допустимая токовая нагрузка, сопротивление проводников, электрическая
прочность изоляции, сопротивление изоляции, электрическая ёмкость, помехозащищённость)
и др.
Расчёт диаметра
монтажных отверстий
Номинальный диаметр монтажных
металлизированных и неметаллизированных отверстий рассчитывают из соотношения:
где
- нижнее предельное отклонение диаметра отверстий;
-
максимальное значение диаметра вывода ЭРЭ, устанавливаемого на ПП, для выводов
прямоугольного сечения принимается диагональ;
-
разность между минимальным значением диаметра отверстия и максимальным
диаметром вывода устанавливаемого ЭРИ (гарантированный зазор). Его выбирают в
пределах 0,1 - 0,4 при ручной установке ЭРИ и в пределах 0,4 - 0,5 - при
автоматической.
Согласно ГОСТ 10317-79, расчётное
значение
следует округлить в сторону увеличения до десятых долей
миллиметра и свести к предпочитаемому ряду отверстий от 0,4 до 3,0 мм, за
исключением отверстий с диаметром 1,9 и 2,9 мм.
При расчёте необходимо учитывать,
что при производстве блока БВЦДЧФЗ микросхемы устанавливаются автоматически, а
резисторы и разъём паяется вручную монтажником. Поэтому для микросхем выбрана
; для резисторов и разъёма
.
Согласно таблице 3 (стр. 20), максимальное
значение диаметра вывода микросхем
, резисторов
,
разъёма
. На основе этих данных можно
рассчитать номинальный диаметр монтажных металлизированных и
неметаллизированных отверстий.
Расчёт диаметров монтажных
отверстий:
1) для микросхем
2) для резисторов
3) для разъёма
Для печатной платы блока БВЦДЧФЗ
рассчитаны три типоразмера диаметров монтажных отверстий:
.
Вывод: для ПП блока БВЦДЧФЗ
используются три типоразмера диаметров монтажных отверстий:
.
Расчёт ширины печатных
проводников
Ширина печатного проводника зависит
от электрических, конструктивных и технологических требований.
Наименьшее номинальное значение
ширины печатного проводника
,
рассчитывают по следующей формуле:
где
- минимально допустимая ширина проводника, рассчитываемая в
зависимости от допустимой токовой нагрузки (
);
-
нижнее предельное отклонение размеров ширины печатного проводника по
ГОСТ23751-86 в зависимости от класса точности и допустимое повышение
температуры проводника относительно температуры окружающей среды.
Минимально допустимую ширину
проводника с учетом допустимого падения напряжения на нем, если конструкция
проводника состоит из одного слоя меди, определяют по следующей формуле:
где
- удельное сопротивление слоя меди, для медной фольги
;
-
максимально допустимая длина проводника; для ЭА, работающей на низких и средних
частотах (до 1МГц)
(условно)
на высокой частоте (1…300МГц)
; СВЧ
(свыше 300МГц) не рассматривается. Для блока БВЦДЧФЗ
.
- допустимое
падение напряжения на проводнике определяется по справочнику или
(
-
напряжение питания ИМС, определяемое из анализа электрической принципиальной
схемы). Для блока БУЦДЧ
.
Таким образом, минимально допустимая
ширина проводника равна:
.
.
Полученное значение меньше
минимальной ширины проводника согласно выбранному классу точности 3. Выбрана
наименьшая номинальная ширина проводника согласно классу точности 3, ширина
проводника
.
Вывод: ширина проводников ПП
.
Расчёт диаметра
контактных площадок
Все монтажные отверстия
располагаются в зоне контактных площадок. Они могут иметь произвольную форму.
Предпочтительной является круглая
форма.
Наименьшее номинальное значение
диаметра контактных площадок определяется по формуле:
где
- диаметр монтажного отверстия [мм] (
для МС/
для
резисторов/
для
разъёма);
-
верхнее предельное отклонение диаметра отверстия (0,05);
-
гарантийный поясок контактной площадки [мм] устанавливают в зависимости от
класса точности ПП;
-
верхнее предельное отклонение ширины проводника устанавливает ГОСТ 23751-86 в
зависимости от класса точности ПП (для блока БВЦДЧФЗ
).
-
суммарный коэффициент технологической погрешности, равный 0,3.
Расчёт наименьшего номинального
значения диаметра контактных площадок:
) Для микросхем:
) Для резисторов:
) Для разъёма:
Вывод: наименьшее номинальное
значение диаметра контактных площадок для элементов ПП блока БВЦДЧФЗ
составляет: для микросхем
, для
резисторов
, для
разъёма
.
Расчёт площади и выбор
типа размеров ПП
Площадь проектируемой печатной платы
предварительно можно определить по формуле:
где
- установочная площадь i-того ЭРИ,
;
-
коэффициент, зависящий от назначения и условий эксплуатации (
; для блока БВЦДЧФЗ
);
-
количество ЭРИ.
Необходимая площадь проектируемой
печатной платы блока БВЦДЧФЗ равна:
В ходе разработки блока, была
рассчитана ширина ряда микросхем на печатной плате. Она составляет 142,3 [мм].
Округляя это значение до десятков, получается оптимальная длина платы, равная
150 [мм].
При выборе размеров ПП необходимо
учитывать, что расстояние между двух соседних ЭРИ на ПП должно быть не менее 1
[мм], а расстояние по торцу - не менее 1.5 [мм]. Поэтому в площадь печатной
платы должны быть включены дополнительные разделительные площади между ЭРИ.
Разработчиком решен выбор размеров проектируемой печатной платы -
, (длина на ширину) как наиболее близкие к полученному значению
, согласно таблице линейных размеров в книге Пироговой Е.В.
«Проектирование и технология печатных плат», стр.29.
Полученное значение округлено в
большую сторону, чтобы обеспечить отступ между соседними ЭРИ.
Вывод: печатная плата блока БВЦДЧФЗ
имеет размеры
.
Расчёт технологичности
Количественная оценка уровня
технологичности электронных узлов проводника по системе базовых показателей
(ГОСТ14.201 - 73)
Вид изделия, объем выпуска и такт
производства - главные факторы, определяющие требования к технологичности
конструкции изделия.
По базовым показателям
рассчитывается комплексный показатель технологичности (
).
Уровень технологичности
разрабатываемой конструкции ЭУ (
)
определяется как отношение комплексного показателя технологичности к значению
нормативного показателя (
)
данного вида производства.
Комплексный показатель
технологичности рассчитывается по формуле:
где
- значение показателей по таблице ОСТ 4.ГО.091.219 «Узлы и блоки
РЭА. Методика оценки и нормативы показателей технологичности конструкции»
ред1-76;
-
функция нормирующая весомую значимость показателя в зависимости от его
порядкового номера в таблице;
-
общее количество относительных частных показателей в таблице для данной стадии
проектирования изделия.
Коэффициент
зависит от порядкового номера основных показателей
технологичности, ранжирования последовательности которых устанавливаются
экспертно.
Для расчёта необходимы исходные
данные, представленные в таблице 9.
Таблица 9. Исходные данные для
расчёта технологичности конструкции электронного модуля
|
№ п/п
|
Исходные данные
|
Обозначение
|
Значения данных [шт.]
|
|
|
1
|
Количество типоразмеров корпусов МС и МСБ
|
|
40
|
|
|
2
|
Общее количество ЭРЭ
|
|
3
|
|
|
3
|
Количество монтажных соединений, которые могут осуществляться
механизированным или автоматизированным способом
|
|
707
|
|
|
4
|
Общее количество контактных соединений
|
|
711
|
|
|
5
|
Количество навесных элементов, подготавливаемых к монтажу
механизированным способом
|
|
41
|
|
|
6
|
Количество операций контроля и настройки, которые можно
осуществлять механическим или автоматическим способом
|
|
0
|
|
|
7
|
Общее количество операции контроля и настройки
|
|
0
|
|
|
8
|
Общее количество типоразмеров ЭРЭ в изделии
|
|
3
|
|
|
9
|
Количество типоразмеров оригинальных ЭРЭ в изделии
|
|
0
|
|
|
10
|
Количество деталей, получаемых прогрессивными методами
формообразования
|
|
0
|
|
|
11
|
Общее количество деталей в изделии
|
|
47
|
|
Конструктивные показатели
рассчитываются по следующим формулам:
1. Коэффициент использования МС и
МСБ:
где
- количество типоразмеров корпусов МС и МСБ [шт.];
-
общее количество ЭРЭ [шт.].
2. Коэффициент автоматизации и
механизации монтажа изделия:
где
- количество монтажных соединений, которые могут осуществляться
механизированным или автоматизированным способом, т.е. имеются механизмы, оборудование
или оснащение для выполнения монтажных соединений [шт.];
-
общее количество контактных соединений [шт.].
3. Коэффициент автоматизации и
механизации подготовки ЭРЭ к монтажу:
где
- количество навесных элементов, подготавливаемых к монтажу
механизированным способом [шт.].;
-
общее количество навесных элементов [шт.].
4. Коэффициент механизации контроля
и настройки электрических параметров модуля:
где
- количество операций контроля и настройки, которые можно
осуществлять механическим или автоматическим способом. В число таких операций
включаются операции, не требующие средств механизации [шт.];
-
общее количество операции контроля и настройки [шт.].
5. Коэффициент повторяемости ЭРЭ:
где
- общее количество типоразмеров ЭРЭ в изделии [шт.];
-
общее количество ЭРЭ в изделии [шт.].
6. Коэффициент применяемости ЭРЭ:
где
- количество типоразмеров оригинальных ЭРЭ в изделии [шт.];
-
общее количество типоразмеров ЭРЭ в изделии [шт.].
7. Коэффициент прогрессивности
формообразования деталей:
где
- количество деталей, получаемых прогрессивными методами
формообразования [шт.];
-
общее количество деталей в изделии [шт.].
Коэффициент
рассчитывается по следующей формуле:
На основе этой формулы составлена
таблица значений показателей технологичности и их значимость:
Таблица 10. Значения показателей
технологичности и их значимость
|
№
|
Показатель
|
Обозначение
|
Значимость
|
|
|
1
|
Коэффициент использования МС и МСБ
|
|
1,0
|
|
|
2
|
Коэффициент автоматизации и механизации монтажа
|
|
1,0
|
|
|
3
|
Коэффициент механизации подготовки к монтажу
|
|
0,8
|
|
|
4
|
Коэффициент механизации контроля и настройки
|
|
0,5
|
|
|
5
|
Коэффициент повторяемости ЭРЭ
|
|
0,3
|
|
|
6
|
Коэффициент применяемости
|
|
0,2
|
|
|
7
|
Коэффициент прогрессивности формообразования деталей
|
|
0,1
|
|
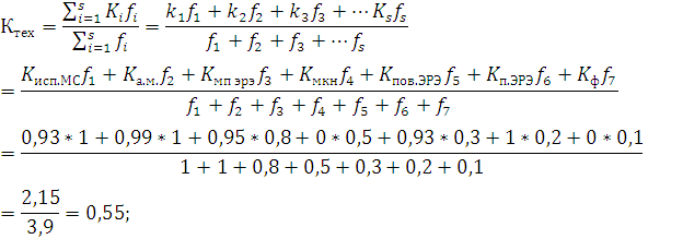
Расчёт комплексного показателя
технологичности:
Уровень технологичности конструкции
изделия определяется как отношение достигнутого показателя технологичности
к значению нормативного показателя
:
Показатель технологичности
блока БВЦДЧФЗ является достаточным для серийного производства.
Вывод: конструкция блока БВЦДЧФЗ
технологична и подходит для серийного производства.
Расчёт надёжности
При проектировании электронной
аппаратуры стремятся создать конструкцию, удовлетворяющую оптимальным
соотношениям между заданными техническими характеристиками изделия, надёжностью
в заданных условиях эксплуатации и технологичностью конструкции.
Расчёт надёжности заключается в
определении показателей надёжности ЭА по известным характеристикам надёжности
составляющих компонентов (ЭРИ, ПП, паяльные соединения, соединитель) и условиям
эксплуатации.
Количественные показатели
надёжности:
) Интенсивность отказов Л -
условная плотность вероятности возникновения отказа, определяемая для
рассматриваемого момента наработки при условии, что до этого момента отказ не
возник. Определяется по формуле:
, где
-
интенсивность отказов элементов -той группы в соответствии с таблицей 1.10
[Григорян С.Г. Конструирование электронных систем автоматизации и
вычислительной техники»];
-
число элементов в
-й
группе;
- число групп элементов.
2) Вероятность безотказной
работы
- это вероятность того, что в течение времени непрерывной работы
в изделии не произойдёт ни одного отказа. Определяется по
формуле:
, где
выбирается
из ряда 1000, 2000, 4000, 8000, 16000 часов.
3) Средняя наработка на отказ
- это ожидаемое время исправной работы устройства до появления
первого отказа. Определяется по формуле:
.
Расчёт количественных показателей
надёжности:
. Интенсивность отказов Л равна:
2. Вероятность безотказной работы
равна:
При
При
При
При
При
3. Средняя наработка на отказ
равна:
Рассчитанные показатели надёжности
представлены в таблице 11.
Таблица 11. Показатели надёжности
элементной базы
|
Наименование и тип элемента
|
Количество элементов [шт.]
|
Интенсивность отказов Л
|
|
|
Микросхемы серии 555, в том числе: 555ИР27 555ИР11 555ЛП5 555ЛИ1 555ИМ6 555ЛЛ1 555ЛН1
|
40 = 12 11 5 1 5 5 1
|
0,1
|
|
|
Резистор С2-33-0,125Вт-1кОм
|
2
|
0,054
|
|
|
Разъём SNP59-64-AC
|
1
|
0,026
|
|
|
Плата печатная
|
1
|
0,7
|
|
|
Паяные соединения
|
711
|
0,014
|
|
По данным расчёта вероятностей
безотказной работы составлен график (рисунок 9):
Рисунок 10. График вероятности
безотказной работы БВЦДЧФЗ
Функциональный узел считается
работоспособным, если его коэффициент безотказной работы
. На графике (Рисунок 10) точкой «Х»
показано максимальное время наработки на отказ данного функционального узла.
Это значение равно около 7100 ч.
Вывод: блок БВЦДЧФЗ имеет средний
уровень надёжности. Его время наработки на отказ составляет 7100 ч.
3. Технологический
раздел
В данном разделе рассматривается
технологический процесс (ТП) сборки блока БВЦДЧФЗ. В разработку ТП входит:
· анализ полученных
данных из предыдущих разделов курсового проекта (электрическая принципиальная
схема, класс точности - третий, метод изготовления - комбинированный
позитивный, материал основания - стеклотекстолит фольгированный, припой - Sn95,5/Ag3,8/Cu0,7, флюс - ФКСп,
расчёты);
· выбор типового ТП
сборки;
· составление
маршрутного ТП сборки, определение последовательности технологических операций;
· выбор оборудования
и средств технологического оснащения;
· определение
штучного времени
по
заданному коэффициенту закрепления операций
и объёму выпуска
изделий;
· оформление
технологической документации, составление и оформление маршрутно-операционной
карты (МОК) технологического процесса сборки функционального узла.
3.1 Технологический
процесс сборки модуля первого уровня
Микросхемы для блока БВЦДЧФЗ в
специальной таре распаковываются на автоматах, затем укладываются в
технологические кассеты. Подготовка к монтажу ПП включает техпроцесс подготовки
печатных плат, ЭРЭ и других деталей.
В серийном производстве применяются
автоматы рихтовки и обрезки выводов, флюсования и лужения, промывки и сушки
подготовленных навесных элементов. Автоматизированная подготовка требует
специальных кассет для загрузки и выгрузки элементов. Установку на плату
элементов начинают со штырей, лепестков, навесных шин, прокладок после
подготовки (рихтовка, обезжиривание) и базовых поверхностей. Установка ЭРЭ и МС
в зависимости от типа производства может осуществляться несколькими способами:
· вручную;
· со световой
индикацией;
· по шаблону;
· автоматически.
Так как производство БВЦДЧФЗ
серийное, установка ЭРЭ и МС будет производится по шаблону или автоматически.
В таблице 10 представлены основные
этапы сборки блока БВЦДЧФЗ.
Таблица 10. Этапы сборки модуля
первого уровня
|
Основные этапы сборки
|
Объекты сборки
|
Основные типовые операции
|
|
Комплектация
|
Печатные платы, навесные элементы, детали
|
Распаковка из тары; входной контроль параметров; размещение в
технологических кассетах.
|
Печатные платы
|
Получение заготовок платы; Промывка платы; термостабилизация
диэлектрика; контроль печатного монтажа; контроль паяемости платы; маркировка
платы.
|
|
Навесные элементы
|
Рихтовка и обрезка выводов; флюсование и лужение выводов;
формовка выводов; промывка и сушка ЭРЭ, МС; кассетирование.
|
|
Установка элементов на печатную плату
|
Детали
|
Установка и закрепление разъёма крепёжными деталями (винтами и
гайками), контактов (штырей); стопорение механических соединений.
|
|
Навесные элементы
|
Установка и фиксация резисторов; установка и фиксация микросхем;
контроль установки элементов.
|
|
Создание контактных соединений, отмывка ПП
|
Плата с ЭРЭ и МС
|
Флюсование и пайка соединений; промывка и сушка модуля; контроль
контактных соединений.
|
Установка по шаблону характеризуется
высоким уровнем механизации. Элементы подаются из кассет в последовательности
установки на плату. Этот способ более производительный, но менее универсальный,
так как требуется сменные или переналаживаемые инструменты при изменении
типоразмеров корпусов элементов.
Для автоматизированной установки
применяется специализированное оборудование с ЧПУ или робото-технологические
комплексы с подачей элементов из технологических кассет. Получение контактных
соединений осуществляется преимущественно пайкой, расплавленным или
расплавляемым припоем под действием постоянного или импульсного нагрева зоны
соединения.
Операции промывки и сушки платы,
микросхем, ЭРЭ необходимы для удаления флюса, продуктов пайки, следов от рук,
пыли. Промывка и сушка выполняется на механизированных конвейерных линиях.
Этапы сборки блока БВЦДЧФЗ:
1. Комплектация.
Стеклотекстолит, навесные элементы и
детали распаковываются из тары. Осуществляется обязательный входной контроль
параметров. Затем они размещаются в технологической таре.
Необходимое оборудование: установка
автоматической инспекции Landrex OPTIMA II 7300, рабочее место регулировщика
РМ-4150.
2. Подготовка к монтажу.
Печатные платы: производится
разрезка стеклотекстолита на заготовки при помощи установки гильотинных ножниц
НГ-16. Затем плата промывается в ультразвуковой установке UNICLEAN с применением
специальной жидкости PROZONE. Контроль печатного монтажа и паяемости осуществляется
визуально (при помощи микроскопа Mantis Compact) или на установке
автоматической инспекции Landrex OPTIMA II 7300. Маркировка платы
осуществляется на станке лазерной маркировочной системы MLC.
МС и ЭРЭ: лужение выводов при помощи
установки лужения выводов RPS Anthem, формовка и обрезка выводов - установки
двусторонней формовки и обрубки выводов Fancort. Промывка проводится в
ультразвуковой ванне UNICLEAN, сушка - в установке THERMO-MATIC I 2.0 AUT.
3. Установка компонентов
на печатную плату.
Получение защитного рельефа
производится при помощи установки Сее 200Х. Плата металлизируется на установке
PL904D. Паяльная маска на печатную плату наносится при помощи автомата Horison. Установка на печатную
плату элементов полностью автоматизировано, её осуществляет автомат MY100DX. Он
также производит флюсование и пайку. Пайка резисторов и разъёма производится
монтажником вручную, паяльной станцией CF-2C. Промывка осуществляется в
ультразвуковой установке UNICLEAN, сушка - в установке THERMO-MATIC I 2.0 AUT.
Применение САПР в данном
курсовом проекте:
для разработки блока БВЦДЧФЗ, в
частности электрической принципиальной схемы, а также сборочного чертежа и
трассировки, ипользовались следующие компьютерные программы:
P-CAD 2006 - программный комплекс для разработки печатных плат,
включающий несколько взаимосвязанных подпрограмм:
P-CAD Symbol Editor - программа для создания и редактирования УГО элементов;
P-CAD Schematic - программа для создания и редактирования принципиальных
электрических схем;
P-CAD Pattern Editor - программа для создания и редактирования конструктивов
элементов;
P-CAD PCB - программа для создания и редактирования печатных плат;
P-CAD Library Executive
- менеджер библиотек компонентов.
В программе P-CAD Schematic была создана схема
электрическая принципиальная блока БВЦДЧФЗ, затем в P-CAD PCB были размещены
компоненты на плате в соответствии с рассчитанными размерами. Трассировка платы
была проводилась в программе Specctra. Сборочный чертёж был создан в программе Компас-3D и выполнен на формате А3.
Заключение и выводы
В данном курсовом проекте была
разработана конструкция блока вычитания целых двоичных «БВЦДЧФЗ», его печатная
плата, а также технологический процесс его сборки.
В соответствии с техническим
заданием, в курсовом проекте рассмотрены назначение, принцип действия,
конструктивные особенности и эксплуатационные характеристики комплектующих
элементов изделия. Все элементы блока БВЦДЧФЗ соответствуют заданным условиям
эксплуатации (стационарная радиоэлектронная аппаратура для работы в отапливаемых
помещениях).
В графической части курсового
проекта представлены схема электрическая принципиальная, сборочный чертёж
печатной платы блока БВЦДЧФЗ.
В расчётной части был выполнен
расчёт размеров печатной платы, а также уровень технологичности и надёжности
блока. По результатам подводится итог: конструкция блока достаточно
технологична и надёжна.
Разработанная конструкция и
спроектированный техпроцесс изготовления ПП соответствуют требованиям ТЗ на
курсовой проект.
Список литературы
1. Пирогова Е.В.
Проектирование и технология печатных плат: Учебник -М: форум ИНФА-М, 2005.
.
Конструкторско-технологическое проектирование электронной аппаратуры: учебник
для вузов. Под общей ред В.А. Шахнова М.: Издательство МГТУ им.ж Н.Э. Баумана,
2005.
. Медведев А.М. Сборка и
монтаж электронных устройств М.: Техносфера, 2007.
. Медведев А.М. Печатные
платы Конструкции и материалы: М.: Техносфера, 2005.
. Медведев А.М.
технология производства печатных плат: М: Техносфера, 2005.
. Грачев А.А Мельник
А.А. Панов Л.И. Конструирование электронной аппаратуры на основе поверхностного
монтажа компонентов. - М.: НТ Пресс, 2006.
. Павловский В.В.
Васильев В.И., Гутман Т.Н. Проектирование технологических процессов
изготовления РЭА. Пособие к курсовому проектированию: Учебное пособие для вузов
-М:
радио и связь, 1982.
. Фрумкин Г.Д. Расчет и
конструирование радиоэлектронной аппаратуры: учебное пособие для
радиотехнических. Спец техникумова - 4-е издание переработанное и дополненное -
М :высш. Шк. 11985.
. Методическое пособие
по дипломному проектированию для специальности 210306 «Радиоаппаратостроение»
-М.: МТКП, 2002г.
. Колесников И.Ф.
Бондарева М.И. Методическое пособие по дипломному проектированию студентов
специальности 2001 (Микроэлектроника и полупроводниковые приборы): - М: МТКП,
1997.
. Григорян С.Г.
Конструирование электронных систем автоматизации и вычислительной техники»
-Ростов н/д: Феникс, 2007.
. ГОСТ 3.1121-84 ЕСТД
Общие требования к комплектности и оформлению.
. ГОСТ 3.1118-82 ЕСТД
«Формы и правила оформления маршрутных карт».
Своровский Д.С.,
Лосицкая А.И., Салихджанова В.М., Чудаков С.И. Метод статистической оптимизации
операции и процессов. М. МИРЭА, 1994.