Анализ и синтез на базе комплекса технических средств гипотетической микропроцессорной системы оптимального управления технологическим процессом и оборудованием технического объекта парогенератор в условиях стохастической неопределенности

  • Вид работы:
    Курсовая работа (т)
  • Предмет:
    Информационное обеспечение, программирование
  • Язык:
    Русский
    ,
    Формат файла:
    MS Word
    3,33 Мб
  • Опубликовано:
    2014-07-29
Вы можете узнать стоимость помощи в написании студенческой работы.
Помощь в написании работы, которую точно примут!

Анализ и синтез на базе комплекса технических средств гипотетической микропроцессорной системы оптимального управления технологическим процессом и оборудованием технического объекта парогенератор в условиях стохастической неопределенности

Федеральное государственное бюджетное образовательное учреждение

высшего профессионального образования

Национальный исследовательский университет "МЭИ"

Институт Автоматики и вычислительной техники

Кафедра Управления и информатики








Курсовой проект

Анализ и синтез на базе комплекса технических средств гипотетической микропроцессорной системы оптимального управления технологическим процессом и оборудованием технического объекта парогенератор в условиях стохастической неопределенности


Студент гр. А-02-11

Герус М.И.

Преподаватель Рюкин А.Н.



Москва 2014

Аннотация

Нижеследующие материалы являются отчетом по лабораторным работам, по курсу АИУС (Автоматизированные информационно-управляющие системы). В работе производится анализ и синтез алгоритма оптимального управления технологическим объектом управления - парогенератором.

Цель работы: изучение вопросов, связанных с проектированием, созданием и эксплуатацией автоматизированных систем управления технологическими объектами, а также разработка алгоритмов функционирования этих систем в реальном масштабе времени.

Итог работы: синтез на базе комплекса технических средств гипотетической микропроцессорной системы оптимального управления технологическим процессом и оборудованием технического объекта- парогенератора.

автоматизированный управление парогенератор регулирование

Содержание

Введение

. Предварительное обследование ТОУ, сбор исходных данных

. Предпроектные учебные научно-исследовательские работы

.1 Исследование на линейность и многосвязность

.2 Исследование зависимости Y1, Y2, Y3 от U1

.3 Исследование зависимости Y1, Y2, Y3 от U2

.4 Исследование зависимости Y1, Y2, Y3 от Х1

.5 Исследование зависимости между X2 и Y1, Y2, Y3

.6 Исследование стационарности ТОУ

.7 Исследование характера изменения контролируемых, но не управляемых в режиме нормальной эксплуатации возмущений

.8 Составление блок-схемы ТОУ

.9 Исследование случайных неконтролируемых переменных

. Эскизная разработка АСУ ТП

.1 Формулировка критерия управления

.2 Предварительная разработка алгоритма управления

3.3 Определение зоны управления

3.4 Оценивание эффективности управления по заданному закону

.5 Оценивание интервалов корреляции

. Построение регрессионной модели

.1 Пассивный эксперимент

.2 Результаты регрессионного анализа

. Оптимизация

.1 Метод сведения стохастической задачи к детерминированной

.2 Оптимизация по регрессионной модели

.3 Метод испытания статистических гипотез в стохастических задачах оптимизации

. Идентификация динамических характеристик ТОУ

.1 Переходные процессы

6.2 Исследование и выбор оптимального закона регулирования регулятора

Заключение

Литература

Введение

В крупных тепловых электростанциях и мощных промышленных энергетических установках наиболее прочны позиции паровых турбин. Технологическая схема работы современной тепловой электростанции осталась такой же, как и первых станций, появившихся около ста лет назад.

Принцип работы ТЭС

В парогенератор под высоким давлением поступает чистая механически и химически очищенная вода. В топках горит топливо, и его химическая энергия переходит в тепловую, которая и передается воде. В парогенераторе (котле) вода превращается в пар, а он поступает в паровую турбину. Давление пара перед турбиной в современных ТЭС достигает 24 МПа, а температура 838 К. Тепловая энергия превращается в механическую работу. Вал турбины непосредственно соединяется с валом электрогенератора, в котором вырабатывается электрический ток. Отработавший пар поступает из турбины в конденсатор, где охлаждается холодной водой и полностью конденсируется. Конденсат насосом направляется в регенеративный подогреватель низкого давления, где вода подогревается отработавшим паром (который отбирают из промежуточной ступени турбины). Такой способ подогрева повышает общий КПД станции. Затем конденсат проходит через деаэратор, где из воды удаляются растворенные в ней агрессивные газы (кислород и углекислый газ). Далее питательным насосом воду подают в регенеративный подогреватель высокого давления, а оттуда в парогенератор.

В процессе работы паротурбинной установки часть пара (1-2%) теряется через неплотности фланцевых соединений, предохранительные клапаны и уплотнения вала турбины. Потери эти восполняются.

Промежуточные котлы являются по своей схеме наиболее простыми.

Питательная вода с исходной температурой X1 нагревается в водонагревателе почти до кипячения, поступает в испарительный канал, на выходе которого образуется насыщенный пар. Далее этот пар подается в пароперегреватель, после чего пар становится чище (суше), его температура и объем увеличиваются. Превращение воды в пар происходит за один ход.

Пар - носитель тепловой энергии. Свойства пара определяются его параметрами, то есть величинами, характеризующими состояние пара (давление Y2 и температура Y3).

Питательная вода поступает в котел для пополнения испарившейся воды.

Отделившийся от воды пар поступает в пароперегреватель, где пар доводится до требуемой температуры. Эта температура должна поддерживаться весьма точно, так как всякое ее снижение против нормальной снижает КПД станции, а всякое повышение снижает долговечность элементов паросиловой установки (так как они рассчитаны для определенных условий).

Давление пара должно поддерживаться на постоянном уровне, так как снижение давлений ведет к уменьшению экономичности турбины, а при значительном понижении турбина не развивает полной мощности. Превышение давления ведет к увеличению напряжения в трубах и коллекторах.

Изменение давления в котельном агрегате является следствием нарушения количества пара, вырабатываемого котлом, и количеством пара, поступающим в турбину. Это может происходить при изменении количества U2 и качества (калорийности) топлива X2 в случае резкого нарушения теплового равновесия в современных установках. Давление изменяется сравнительно быстро, поэтому поддержание давления путем изменения подачи топлива (и воздуха) в топку осуществляется автоматически.

Расход воды должен находиться в равновесии с величиной паропроизводительности Y1. Если воды поступает больше, чем нужно, то увеличивается унос воды с паром, т. е. снижается чистота пара. Если воды подается слишком много, то в пароперегреватель может быть увлечено так много воды, что на ее испарение пойдет много тепла и перегрев пара падает настолько, что возникает опасность повреждения турбины и потребуется ее аварийное отключение. Наоборот, недостаточная подача воды приводит к перегреву металла и повреждению труб.

Таким образом, работа системы контролируется путем измерения всех параметров работы агрегата: расхода пара, подачи воды, давления и температуры пара и т.д.

Существуют теоретически необходимые количества топлива и воздуха и реальные, которые отличаются от теоретических, так как вследствие несовершенства топочных устройств добиться полного сгорания топлива при теоретическом количестве воздуха невозможно.

Избыток воздуха зависит от свойств топлива, способа его сжигания, конструкции топочных устройств.

Рис. 1. Схема парогенератора.

1. Предварительное обследование ТОУ, сбор исходных данных

В силу того, что исследуемый объект является учебной моделью, на нем уже проведена декомпозиция. То есть, выделены подсистемы, каждая из которых может быть исследована известными методами. Так же выделены контролируемые, но не управляемые в режиме НЭ возмущения, имитирующие качество поступающего на ТОУ сырья (X1, X2), контролируемые управляемые входные воздействия, с помощью целенаправленного изменения которых осуществляется управление ТОУ (U1, U2) и выходные переменные ТОУ, характеризующие качество готового продукта и эффективность функционирования (Y1, Y2, Y3). В реальных системах задачу декомпозиции и выделения переменных пришлось бы решать, исходя из знаний о технологических процессах в объекте.

Для получения общего представления о процессе, функциональных элементах, исходных, промежуточных и конечных продуктах парогенератора составим обобщенные (качественные) иконографические модели:

Рис. 2. Параметрическая схема ТОУ

где X1, X2 - контролируемые, но неуправляемые переменные;, U2 - контролируемые и управляемые переменные;, Y2, Y3 - регулируемые переменные- температура воды;- калорийность топлива;- расход воды;- расход топлива;- паропроизводительность;- давление пара;- температура пара;

Рис. 3. Технологическая схема ТОУ

Рис. 4. Операторная схема ТОУ

Рис. 5. Функциональная схема ТОУ

2. Предпроектные учебные научно-исследовательские работы

Для исследуемого объекта сначала строится математическая модель. Она базируется на известных фундаментальных моделях. Вычислительный эксперимент, по своей сути, предусматривает исследование группы близких моделей. Вначале строится простая, но достаточно содержательная и полная с точки зрения описания исследуемых процессов и с точки зрения близости к экспериментальным данным модель.

.1 Исследование на линейность и многосвязность

Под многосвязностью понимается зависимость выходной величины объекта управления от нескольких входных или зависимость нескольких выходных величин от одной входной.

Под линейностью понимается описание связей между входными и выходными параметрами линейными уравнениями.

.2 Исследование зависимости Y1, Y2, Y3 от U1

Рис. 6. Зависимость Y1, Y2, Y3 от U1.

Рис. 7. Зависимость Y1 от U1.

Рис. 8. Зависимость Y2 от U1.

Рис. 9. Зависимость Y3 от U1.

На рисунках 7 и 8 прослеживается линейная зависимость между U1 и Y1,Y2. На рисунке 9 прямой зависимости Y1 от U1 не наблюдается.

.3 Исследование зависимости Y1, Y2, Y3 от U2

Рис. 10. Зависимость Y1, Y2, Y3 от U2.

Рис. 11. Зависимость Y1 от U2.

Рис. 12. Зависимость Y2 от U2.

Рис. 13. Зависимость Y3 от U2

На рисунках 11 и 12 прослеживается линейная зависимость между Y1,Y2 и U2. На рисунке 13 прослеживается нелинейная зависимость с запаздыванием Y2 от U2.

.4 Исследование зависимости Y1, Y2, Y3 от Х1

Рис. 14. Зависимость Y1,Y2,Y3 от Х1.

Рис. 15. Зависимость Y1 от Х1.

Рис. 16. Зависимость Y2 от Х1.

Рис. 17. Зависимость Y3 от Х1.

На рисунках 15 и 16 прослеживается линейная зависимость между Х1 и Y1,Y2. На рисунке 17 прямой зависимости Y1 от Х1 не наблюдается.

.5 Исследование зависимости между X2 и Y1, Y2, Y3

Рис. 18. Зависимость между X2 и Y1,Y2,Y3.

Рис. 19. Зависимость между Y1 и X2

Рис. 20. Зависимость между Y2 и X2.

Рис. 21. Зависимость между Y3 и X2.

На рисунках 19 и 20 прослеживается линейная зависимость между Х2 и Y1,Y2. На рисунке 21 прямой зависимости Y3 от Х2 не наблюдается.

Исходя из вышеизложенной информации можем сделать вывод что объект управления многосвязным, т.к. при изменении одного входного параметра изменяется несколько выходных и объект является нелинейным, т.к. зависимость между Y3 и U2 нелинейная.

.6 Исследование стационарности ТОУ

Стационарность определяется постоянством параметров во времени. Для этого произведем дважды снятие данных при одинаковых входных воздействиях.

Рис. 22. Расчет мат. ожидания.

M(Y1)=11,8(Y2)=9,0(Y3)=3,4

Рис. 23. Расчет мат. ожидания.

(Y1)=11,6(Y2)=9,0(Y3)=3,9

Полученные данные различаются несущественно, значит можно считать объект стационарным.

.7 Исследование характера изменения контролируемых, но не управляемых в режиме нормальной эксплуатации возмущений

Детерминированная переменная, та переменная изменение которой определяется однозначной зависимостью.

Рис. 24. Зависимость Х1, Х2 от времени при постоянный управляемых параметрах.

Исходя из рисунка можно судить что изменения Х1 и Х2 случайны.

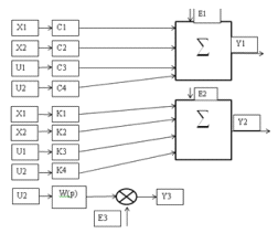
2.8 Составление блок-схемы ТОУ

Рис. 25. Блок-схема объекта управления.

(E1,E2,E3 - неконтролируемые переменные)

Математическая интерпретация блок-схемы.

=C1*X1+C2*X2+C3*U1+C4*U2

Y2=K1*X1+K2*X2+K3*U1+K4*X4=W(p)*U2

2.9 Исследование случайных неконтролируемых переменных

Рис. 26. Выявление неконтролируемых и неуправляемых параметров.

Как видно из графика при фиксации управляемых и условной фиксации контролируемых параметров присутствует случайная составляющая.

3. Эскизная разработка АСУ ТП

.1 Формулировка критерия управления

Управление ТОУ является сложной научно-технической и организационно-экономической проблемой, решение которой требует значительных и все возрастающих трудовых, материальных и финансовых ресурсов. Вследствие этого возникают задачи наиболее эффективного использования капитальных вложений, правильного выбора направлений. Эффективность управления объектом определяется его ТЭП. В качестве требуемых двух технико-экономических показателей из прикладного программного обеспечения выберем математическое ожидание и дисперсию производительности парогенератора (переменной Y1).

.2 Предварительная разработка алгоритма управления

Рис. 27. Алгоритм оптимального ручного управления.

Суть алгоритма - поддержание на выходе Y1 заданного значения при случайном изменении выходных контролируемых, но неуправляемых параметров.

3.3 Определение зоны управления

Табл. 1. Диапазон входных и выходных параметров ТОУ(зона управления).

параметр

min

max

U1

1

6

U2

1

6

X1

4,6

5,4

X2

3,8

4,8

Y1

3

14

Y2

3

13


.4 Оценивание эффективности управления по заданному закону

При разработке и исследовании алгоритма управления ТОУ возникает необходимость проведения имитационного моделирования, по результатам которого делается заключение о качестве режима ручного управления. Для этого произведем снятие данных в режиме нормальной эксплуатации при фиксированных управляемых переменных (U1 и U2):

Рис. 28. Дисперсия Y1 при фиксированных управляемых параметрах.(Y1)=0.52.

Далее перейдем в ручное управление параметрами U1 и U2, что бы при изменении Х1 и Х2 мы могли компенсировать их влияние на выходную величину Y1. Исходя из наблюдений - контролируемые параметры Х1 и Х2 большую часть времени находятся либо в положении минимума либо в положении максимума, поэтому будем компенсировать их влияние изменением входного параметра U1 скачками.

Первый эксперимент:

Рис. 29. Дисперсия Y1 при ручном управлении.(Y1)=1,54.

Второй эксперимент:

Рис. 30. Дисперсия Y1 при ручном управлении.(Y1)=0,9.

Третий эксперимент:

Рис. 31. Дисперсия Y1 при ручном управлении.(Y1)=0,56.

Табл. 2. Результаты подсчетов


Ручное управление

Фиксация управляемых параметров

D(Y1)

1,54 0,9 0,56

 0,52


Вывод: исходя из результатов, можно судить, что на данный момент ручное управление равно по эффективности фиксированию управляемых параметров.

.5 Оценивание интервалов корреляции

При анализе и идентификации реальных ТОУ, синтезе систем управления, первичной статистической обработке данных и т.п. часто приходится иметь дело с различного рода случайными функциями.

При исследовании ТОУ аргументом случайной функции является время , и в этом случае она называется случайным процессом. Значение случайного процесса при фиксированном моменте времени является случайной величиной, которая полностью характеризуется своей одномерной плотностью вероятности.

Произведем анализ данных, снятых в режиме нормальной эксплуатации при фиксированных управляемых переменных (U1 и U2):

Для оценивания автокорреляционной функции надо знать интервал корреляции τкор. Интервал корреляции - это время затухания автокорреляционной функции, когда она входит в некоторый достаточно малый коридор (в нашем случае этот коридор составляет 5%).

Он может быть оценен через соотношение:

,

где N0 - число пересечений реализацией x(t) за T время линии, соответствующей среднему значению процесса.

Проведем 6 экспериментов.

Выберем дискретизацию съема данных 1 секунду.

Первая выборка: время съема данных T=250 с.

Подсчитаем N0 для Х1

Рис. 32. Подсчет N0 для Х1.

=59 τкор= =8.48с.

Подсчитаем N0 для Х2

Рис. 33. Подсчет N0 для Х2.

=62 τкор= =8.07с.

Рис. 34. Автокорреляционная функция для первой выборки.

Из графика видно, что τкор нужно принимать более 15 секунд и для Х1 и для Х2.

Определим, какой график соответствует Х1, а какой Х2. Зафиксируем Х1следовательно корреляционная функция соответствующая Х1 будет медленно угасать => черный график Х1, красный - Х2.

Рис.35 .Определение соответствий графиков Х1 и Х2.

Вторая выборка: время съема данных T=250с.

Подсчитаем N0 для Х1

Рис. 36. Подсчет N0 для Х1.

N0 =48 τкор= =10.42с.

Подсчитаем N0 для Х2

Рис. 37. Подсчет N0 для Х2.

=73 τкор= τкор= =6.85с.

Рис. 38. Автокорреляционная функция для второй выборки.

Из графика видно, что τкор нужно принимать более 15 секунд и для Х1 и для Х2.

Третья выборка: время съема данных T=250 с.

Подсчитаем N0 для Х1

Рис. 39. Подсчет N0 для Х1.

=56 τкор= =8.93с.

Подсчитаем N0 для Х2

Рис. 40. Подсчет N0 для Х2.

=48 τкор= =10.42с.

Рис. 34. Автокорреляционная функция для третьей выборки.

Из графика видно, что τкор нужно принимать более 14 секунд и для Х1 и для Х2.

Выберем дискретизацию съема данных 0.5 секунды.

Четвертая выборка: время съема данных T=250 с.

Подсчитаем N0 для Х1

Рис. 41. Подсчет N0 для Х1.

=60 τкор= =8.33с.

Подсчитаем N0 для Х2

Рис. 42. Подсчет N0 для Х2.

=61 τкор= =8.2с.

Рис. 43. Автокорреляционная функция для первой выборки.

Из графика видно, что τкор нужно принимать более 13/2=6,5 секунд и для Х1 и для Х2.

Пятая выборка: время съема данных T=250 с.

Подсчитаем N0 для Х1

Рис. 44. Подсчет N0 для Х1.

=77 τкор= =6.5с.

Подсчитаем N0 для Х2

Рис. 45. Подсчет N0 для Х2.

N0 =63 τкор= =7.94с.

Рис. 46. Автокорреляционная функция для второй выборки.

Из графика видно, что τкор нужно принимать более 15/2=7,5 секунд и для Х1 и для Х2.

Третья выборка: время съема данных T=250с.

Подсчитаем N0 для Х1

Рис. 47. Подсчет N0 для Х1

=65 τкор= =7.69с.

Подсчитаем N0 для Х2

Рис. 48. Подсчет N0 для Х2.

=65 τкор= =7.69с.

Рис. 49. Автокорреляционная функция для третьей выборки

Из графика видно, что τкор нужно принимать более 10/2=5 секунд и для Х1 и для Х2.

Табл. 3. Расчет среднего τкор


Х1

Х2


0.5

8.33с. 6.5с. 7.69с.

8.2с. 7.94с. 7.69с.

15 15 14

1

8.48с. 10.42с. 8.93с.

8.07с. 6.85с. 10.42с.

6,5 7,5 5

среднее

8,39с.

8,2с.



Исходя из табл. 3 можем сказать, что интервал съема данных для пассивного эксперимента следует выбирать более 15 секунд, тогда отсчеты контролируемых, но неуправляемых параметров будут независимы и можно интерпретировать наш эксперимент с дискретностью съема данных 15 секунд и более эксперименту с дискретностью съема данных день, неделя, месяц и т.п.

4. Построение регрессионной модели

Для математического описания и получения статических характеристик ТОУ, выходная переменная которого зависит от многих входных переменных, наиболее совершенными являются экспериментально-статистические методы. Аппарат корреляционного и регрессионного анализов позволяет получить математическое описание объекта в виде полинома заданного вида, связывающего входные и выходные переменные в статическом режиме

К математическим моделям объектов управления предъявляют ряд требований: зависимости, описываемые моделью должны быть справедливы для всего расчетного интервала времени, на котором решается задача управления; модель должна охватывать все входные переменные (управляющие, возмущающие воздействия), а также выходные (управляемые) величины.

Для оценки работоспособности полученной регрессионной модели часто вычисляют множественный коэффициент корреляции, т е анализируют разность между единицей и величиной отношения дисперсии внешнего шума к выборочной дисперсии выходной переменной, рассчитанной относительно своего среднего значения. Можно считать регрессионную модель достаточно точной, если множественный коэффициент корреляции более 0.95.

Выберем интервал дискретизации =15 секунд.

.1 Пассивный эксперимент

Рис. 50. Пассивный эксперимент.

4.2 Результаты регрессионного анализа

Для Y1:

ЧИСЛО НЕЗАВИСИМЫХ ПЕРЕМЕННЫХ K= 4БЪEM ВЫБОРКИ N= 20

ИСХОДНЫЕ ДАННЫЕ:X1,X2,Y1

ТАБЛИЧНОЕ ЗНАЧЕНИЕ Т-КРИТЕРИЯ TKR= 2.093

ТАБЛИЦА HOMEPOB ИССЛЕДУЕМЫХ ФУНКЦИЙ

I 1

2 I 2

I 3

I 4

ДИСПЕРСИЯ Y= .129494E+01

ПАРАМЕТРЫ СТАНДАРТИЗАЦИИ XM И SX

.50080E+01 .89432E+00

.39819E+01 .14133E+01

.42860E+01 .71886E+00

.19580E+01 .32651E+00

ЭЛЕМЕНТЫ КОРРЕЛЯЦИОННОЙ МАТРИЦЫ

.100E+01

.118E+00 .100E+01

.138E+00 -.514E-01 .100E+01

.537E-01 .244E+00 -.283E+00 .100E+01

ЧИСЛО ОБУСЛОВЛЕННОСТИ МАТРИЦЫ V= .115604E+01

! ФУНКЦИИ,ВКЛЮЧЕННЫЕ В РЕГРЕС- ! ЗНАЧ.ПАРАМЕТРА ! ЗНАЧ. !

! СИОННОЕ УРАВНЕНИЕ ! РЕГРЕССИИ ! T-КРИТЕРИЯ !

! ! ! !

! 1 ! .6501599E+00 ! 37.036 !

! 2 ! .4840502E+00 ! 26.999 !

! 3 ! .4400283E+00 ! 24.292 !

! 4 ! .1645540E+00 ! 8.884 !

ОСТАТОЧНАЯ ДИСПЕРСИЯ= .730254E-02

ОСТАТОЧНАЯ СУММА КВАДРАТОВ= .11684E+00

ОТНОШЕНИЕ ДИСПЕРСИЙ F= .00564

КОЭФФИЦИЕНТ МНОЖЕСТВЕННОЙ КОРРЕЛЯЦИИ = .998= 13.32

КОЭФФИЦИЕНТЫ МОДЕЛИ В НАТУРАЛЬНОМ МАСШТАБЕ

B( 1)= .827275E+00 B( 2)= .389736E+00 B( 3)= .696562E+00 B( 4)= .573511E+00( 5)= -.742950E-01

----------------------------------------------------------

---------------------------------------------------------

ДИСПЕРСИОННАЯ МАТРИЦА ПЛАНА

.683E-01

.591E-02 .285E-01

-.111E-01 -.973E-04 .113E+00

.935E-02 -.310E-01 .687E-01 .571E+00

КОBАРИЦИОННАЯ МАТРИЦА КОЭФФИЦИЕНТОВ

.499E-03

.432E-04 .208E-03

-.812E-04 -.711E-06 .822E-03

.683E-04 -.227E-03 .502E-03 .417E-02

.211E-02 -.167E-03 -.410E-02 -.975E-02 .483E-01

ОЦЕНКИ КОЭФФИЦИЕНТОВ .82728 .38974 .69656 .57351 -.74295E-01

В итоге:

Y1=0.82728*X1 + 0.38974*X2 + 0.69656*U1 + 0.57351*U2 - 0.074295

Значение множественного коэффициента корреляции равно 0.998, значит можно считать полученную модель достаточно точной.

Для Y2:

ЧИСЛО НЕЗАВИСИМЫХ ПЕРЕМЕННЫХ K= 4БЪEM ВЫБОРКИ N= 20

ИСХОДНЫЕ ДАННЫЕ:X1,X2,Y1

ТАБЛИЧНОЕ ЗНАЧЕНИЕ Т-КРИТЕРИЯ TKR= 2.093

ТАБЛИЦА HOMEPOB ИССЛЕДУЕМЫХ ФУНКЦИЙ

I 1

2 I 2

I 3

I 4

ДИСПЕРСИЯ Y= .399832E+00

ПАРАМЕТРЫ СТАНДАРТИЗАЦИИ XM И SX

.50080E+01 .89432E+00

.39819E+01 .14133E+01

.42860E+01 .71886E+00

.19580E+01 .32651E+00

ЭЛЕМЕНТЫ КОРРЕЛЯЦИОННОЙ МАТРИЦЫ

.100E+01

.118E+00 .100E+01

.138E+00 -.514E-01 .100E+01

.537E-01 .244E+00 -.283E+00 .100E+01

ЧИСЛО ОБУСЛОВЛЕННОСТИ МАТРИЦЫ V= .115604E+01

! ФУНКЦИИ,ВКЛЮЧЕННЫЕ В РЕГРЕС- ! ЗНАЧ.ПАРАМЕТРА ! ЗНАЧ. !

! СИОННОЕ УРАВНЕНИЕ ! РЕГРЕССИИ ! T-КРИТЕРИЯ !

! ! ! !

! 1 ! .3266030E+00 ! 17.719 !

! 2 ! .7974006E+00 ! 42.359 !

! 3 ! .3672495E+00 ! 19.309 !

! 4 ! .1686802E+00 ! 8.673 !

ОСТАТОЧНАЯ ДИСПЕРСИЯ= .248579E-02

ОСТАТОЧНАЯ СУММА КВАДРАТОВ= .39773E-01

ОТНОШЕНИЕ ДИСПЕРСИЙ F= .00622

КОЭФФИЦИЕНТ МНОЖЕСТВЕННОЙ КОРРЕЛЯЦИИ = .997= 12.68

КОЭФФИЦИЕНТЫ МОДЕЛИ В НАТУРАЛЬНОМ МАСШТАБЕ

B( 1)= .230921E+00 B( 2)= .356755E+00 B( 3)= .323039E+00 B( 4)= .326671E+00( 5)= .322391E+01

----------------------------------------------------------

---------------------------------------------------------

ДИСПЕРСИОННАЯ МАТРИЦА ПЛАНА

.683E-01

.591E-02 .285E-01

-.111E-01 -.973E-04 .113E+00

.935E-02 -.310E-01 .687E-01 .571E+00

.289E+00 -.228E-01 -.561E+00 -.134E+01 .661E+01

КОBАРИЦИОННАЯ МАТРИЦА КОЭФФИЦИЕНТОВ

.170E-03

.147E-04 .709E-04

-.277E-04 -.242E-06 .280E-03

.233E-04 -.772E-04 .171E-03 .142E-02

.719E-03 -.567E-04 -.139E-02 -.332E-02 .164E-01

ОЦЕНКИ КОЭФФИЦИЕНТОВ .23092 .35676 .32304 .32667 3.2239

В итоге:

=0.23092*X1 + 0.35676*X2 + 0.32304*U1 + 0.32667*U2 + 3.2239

значение множественного коэффициента корреляции равно 0.997, значит можно считать полученную модель достаточно точной.

5. Оптимизация

Одной из ключевых проблем при проектировании АСУ ТП является проблема оптимизации, от обоснованной постановки и успешного решения которой во многом зависит эффективность АСУ ТП.

Воспользуемся тремя методами:

.1 Метод сведения стохастической задачи к детерминированной


где - оценки коэффициентов при параметрах U в регрессионной модели;(a) - квантиль нормального распределения для заданной вероятности(0.95).

Максимум:

(U)=Y1=0.82728*X1 + 0.38974*X2 + 0.69656*U1 + 0.57351*U2 -0.074295 --> max

ограничения:

<U1<6

<U2<6

,6<X1<5,4

,8<X2<4,8=0.23092*X1 + 0.35676*X2 + 0.32304*U1 + 0.32667*U2 + 3.2239<6,14

Результат:

=5,4=3,8=6=4,895=12,86

Минимум

f(U)=Y1=0.82728*X1 + 0.38974*X2 + 0.69656*U1 + 0.57351*U2 -0.074295 --> min

ограничения:

1<U1<6

<U2<6

,6<X1<5,4

,8<X2<4,8

,84<Y2=0.23092*X1 + 0.35676*X2 + 0.32304*U1 + 0.32667*U2 + 3.2239=4,6

X2=4,8=1=2,3=7,6

5.2 Оптимизация по регрессионной модели


где - оценки коэффициентов при параметрах U в регрессионной модели;(a) - квантиль нормального распределения для заданной вероятности;

В этом методе получится 3 задачи:

к каждому коэффициенту в целевой функции прибавляется его СКО, которое мы получаем из квадратного корня дисперсии соответствующего элемента на диагонали ковариационной матрицы(В-);

вычитаем из каждого коэффициента(В+);

оставляем коэффициенты изначальными.

На максимум

В+(U)=Y1=0.84964*X1 + 0.40416*X2 + 0.72523*U1 + 0.63807*U2 +0.145475 --> max

ограничения:

<U1<6

<U2<6

,6<X1<5,4

,8<X2<4,8 =0.23092*X1 + 0.35676*X2 + 0.32304*U1 + 0.32667*U2 + 3.2239<6

Результат:

X1=5,4=3,8=6=4,5=13,25

В-(U)=Y1=0.80492*X1 + 0.37532*X2 + 0.66789*U1 + 0.50895*U2 -0.294065 --> max

ограничения:

<U1<6

<U2<6

,6<X1<5,4

,8<X2<4,8

Y2=0.23092*X1 + 0.35676*X2 + 0.32304*U1 + 0.32667*U2 + 3.2239<6=5,4=3,8=6=4,5=12

В0(U)=Y1=0.82728*X1 + 0.38974*X2 + 0.69656*U1 + 0.57351*U2 -0.074295 --> max

ограничения:

<U1<6

<U2<6

,6<X1<5,4

,8<X2<4,8 =0.23092*X1 + 0.35676*X2 + 0.32304*U1 + 0.32667*U2 + 3.2239<6

Результат:

=5,4=3,8=6=4,5=12,6

На минимум

В-(U)=Y1=0.80492*X1 + 0.37532*X2 + 0.66789*U1 + 0.50895*U2 -0.294065 --> max

ограничения:

<U1<6

<U2<6

,6<X1<5,4

,8<X2<4,8

<Y2=0.23092*X1 + 0.35676*X2 + 0.32304*U1 + 0.32667*U2 + 3.2239

Результат:

X1=4,6=4,8=1=2,8=7,5

В+(U)=Y1=0.84964*X1 + 0.40416*X2 + 0.72523*U1 + 0.63807*U2 +0.145475 --> min

ограничения:

<U1<6

<U2<6

,6<X1<5,4

,8<X2<4,8

,5<Y2=0.23092*X1 + 0.35676*X2 + 0.32304*U1 + 0.32667*U2 + 3.2239

Результат:

X1=4,6=8,8=1=1,2=7,28

В0(U)=Y1=0.82728*X1 + 0.38974*X2 + 0.69656*U1 + 0.57351*U2 -0.074295 --> min

ограничения:

<U1<6

<U2<6

,6<X1<5,4

,8<X2<4,8

4<Y2=0.23092*X1 + 0.35676*X2 + 0.32304*U1 + 0.32667*U2 + 3.2239=4,6=4,8=1=2,8=7,88

5.3 Метод испытания статистических гипотез в стохастических задачах оптимизации


где - оценки коэффициентов при параметрах U в регрессионной модели;- ковариационные матрицы;

- среднеквадратическое отклонение коэффициентов в регрессионной модели;(a) - квантиль нормального распределения для заданной вероятности

На максимум:

13,05 при=5,4=4,8=6=4.5

На минимум:

6,14 при=5,4=4,8=1=1.2

Табл. 4.Оптимизация

Y1=0.82728*X1 + 0.38974*X2 + 0.69656*U1 + 0.57351*U2 -0.074295 --> max

1<U1<6 1<U2<6 4,6<X1<5,4 3,8<X2<4,8  Y2=0.23092*X1 + 0.35676*X2 + 0.32304*U1 + 0.32667*U2 + 3.2239<6,14

X1=5,4 X2=3,8 U1=6 U2=4,8

Y1max=12,86

f(U)=Y1=0.84964*X1 + 0.40416*X2 + 0.72523*U1 + 0.63807*U2 +0.145475 --> max

1<U1<6 1<U2<6 4,6<X1<5,4 3,8<X2<4,8  Y2=0.23092*X1 + 0.35676*X2 + 0.32304*U1 + 0.32667*U2 + 3.2239<6

X1=5,4 X2=3,8 U1=6 U2=4,5

Y1max =13,25

f(U)=Y1=0.80492*X1 + 0.37532*X2 + 0.66789*U1 + 0.50895*U2 -0.294065 --> max

1<U1<6 1<U2<6 4,6<X1<5,4 3,8<X2<4,8  Y2=0.23092*X1 + 0.35676*X2 + 0.32304*U1 + 0.32667*U2 + 3.2239<6

X1=5,4 X2=3,8 U1=6 U2=4,5

Y1max=12

f(U)=Y1=0.82728*X1 + 0.38974*X2 + 0.69656*U1 + 0.57351*U2 -0.074295 --> max

1<U1<6 1<U2<6 4,6<X1<5,4 3,8<X2<4,8  Y2=0.23092*X1 + 0.35676*X2 + 0.32304*U1 + 0.32667*U2 + 3.2239<6

X1=5,4 X2=3,8 U1=6 U2=4,5

Y1max=12,6

X1=5,4 X2=3,8 U1=6 U2=4,5

Y1max=13.05


Оптимальный план поставленной задачи примем:

=5,4 X2=3,8 U1=6 U2=4,5

Производительность парогенератора при полученных параметрах Y1max =13,25

6. Идентификация динамических характеристик ТОУ

.1 Переходные процессы

Применение в системах автоматического управления регулирующих устройств направлено на увеличение скорости и точности протекания процессов, повышение качества управления объектами, увеличение технико-экономической эффективности аппаратуры управления. Они широко применяются для создания локальных систем регулирования различных технологических процессов.

Наиболее общим принципом классификации регуляторов является принцип, основанный на классификации законов регулирования, вырабатываемых в регуляторах. В соответствии с этим принципом выделяют линейные и нелинейные регуляторы. В свою очередь, среди регуляторов с нелинейными законами регулирования широкое распространение получили двух- и трехпозиционные регуляторы.

Широкое распространение на практике получили линейные законы регулирования вида


где - коэффициент пропорциональности; - постоянная времени интегрирования; - постоянная времени дифференцирования. Такой закон регулирования относится к классу так называемых стандартных законов. Сумма этих трех составляющих образует ПИД-закон регулирования. Отдельные составляющие могут отсутствовать, при этом образуются П-, И-, ПИ-, ПД- законы регулирования. О качестве регулирования можно судить по показателям переходных процессов.

Для исследования свойств динамической связи Y3 от U2 поставим следующий эксперимент: подвергнем ТОУ скачкообразному входному воздействию по переменной U2 и зафиксируем картину переходного процесса

Рис. 51. Переходной процесс №1

Рис. 52 . Переходной процесс №2

Рис. 53. Переходной процесс №3

Определение параметров регуляторов.

Переходные процессы. ПП1.

τ =22.5-12.5=10с = 0.5  =20c ПП2. τ =37-22=15с = 0.67  =22.5c ПП3. τ =37-24=13с = 0.59  =22c

= =0,95

ПИ-регулятор.

С 20% перерегулированием

Для возмущения по нагрузке:

=1.5->= 1.58 =1.4->=14

Для возмущения по заданию:

=1.5->=1,58 =2->=20

С минимальным временем

=1.5->=1.58 =1.8->= 18

С минимальной интегральной оценкой

=2.5->=2.63 =2.5->=25

Без перерегулирования

Для возмущения по нагрузке:

=0.9->=0.95 =2,05->=20,5

Для возмущения по заданию:

=0.9->=0.95 =2->=20

ПИД-регулятор.

С 20% перерегулированием

=2.8->=2.95 =1.4->=14 = 0.35->=3,5

С минимальным временем

=3->=3.16 =1.7->=17 = 0.45->=4,5

С минимальной интегральной оценкой

=3.1->= 3.27 =1.1->=11 = 0.5->=5

Без перегулирования

=1.5->=1.58 =1.7->=17 = 0.3->=3

П-регулятор. Для 20% перерегулирования

=1.5->=1.58

С минимальным временем


=4->=4.21

Без перерегулирования

=0.4->=0.42

.2 Исследование и выбор оптимального закона регулирования регулятора

П-регулятор с 20% перерегулирования.

Рис. 54. П-регулятор с 20% перерегулирования.

П-регулятор с минимальным временем регулирования

Рис. 55. П-регулятор с минимальным временем регулирования.

П-регулятор без перерегулирования.

Рис. 56. П-регулятор без перерегулирования.

Задаем уставки 5 и 7, но регуляторы отработать их не могут, следовательно они не подходят для нашей системы (присутствует статическая ошибка регулирования).

ПИ-регулятор без перерегулирования.

Рис. 57. ПИ-регулятор без перерегулирования.

ПИ-регулятор с минимальной интегральной ошибкой.

Рис. 58. ПИ-регулятор с минимальной интегральной ошибкой.

ПИ-регулятор с 20% перерегулированием.

Рис. 59. ПИ-регулятор с 20% перерегулированием.

Данные ПИ-регуляторы подходят для нашей системы, за исключением ПИ-регулятора с 20% перерегулированием т.к. у него слишком большое время регулирования

Супервизорное управление.

Задаем уставки 4, 2, 5, 7 и наблюдаем, как регуляторы их отрабатывают.

ПИ-регулятор без перерегулирования.

Рис. 60. ПИ-регулятор без перерегулирования.

ПИ-регулятор с минимальной интегральной ошибкой.

Рис. 61. ПИ-регулятор с минимальной интегральной ошибкой.

ПИ-регулятор с минимальной интегральной ошибкой хоть и отрабатывает заданные уставки, но при этом обладает слишком большим временем регулирования, поэтому задаем другую последовательность уставок, чтобы убедиться в том что ПИ-регулятор без перерегулирования подходит для нашей системы.

Задаем уставку 6, 3, 5, 4.

Рис. 62. ПИ-регулятор без перерегулирования.

Этот регулятор отрабатывает заданные уставки, значит его можно использовать в качестве основного регулятора в нашей системе

Информационные связи между подсистемами в составе иерархической управляющей системы.

Необходимо отметить, что процесс принятия решений составляет основу всякого управления. Основной особенностью этого процесса является его замкнутый характер. Процесс происходит в замкнутом контуре, в который входят объект управления, источники информации о состоянии объекта, активный элемент, осуществляющий принятие решения в соответствии с предписанным алгоритмом и поступающей информацией от объекта, и от вышестоящего координатора, и исполнительный орган, получающий эти сигналы управления от активного элемента, и использующий эти сигналы управления для воздействия на объект.

При проектировании системы управления парогенератором надо учесть, что в состав локального контура должна входить динамическая подсистема Y3(U2), и управляться выбранным ПИ-регулятором изолированно от других контуров.

Как известно свойства пара определяются его параметрами, т.е. величинами, характеризующими состояние пара (давление Y2 и температура Y3). Таким образом, система должна включать в себя аварийную защиту, которая предохраняла бы систему при следующих ситуациях: возгорание элементов в паросиловой установке, увеличение напряжения в трубах и коллекторах, а также перегрев металла и повреждение труб в пароперегревателе.

В качестве источников информации о состоянии объекта будем использовать датчики паропроизводительности Y1, давления пара Y2, температуры пара Y3, количества расходуемой воды U1, количества расходуемого топлива U2.

На основании проведенной работы синтезируем гипотетическую систему управления объектом "парогенератор".

Рис. 63. Функциональная структура предложенной гипотетической системы управления парогенератором

Заключение

В результате проведённых исследования технологического объекта парогенератора посредствам аппарата системного анализа и синтеза сложных систем было выявлено, что парогенератор имеет сложную структуру. Структуру можно подвергнуть декомпозиции и исследовать.

Была проделана работа по разработке автоматизированной информационно-управляющей системы технологическим объектом управления - парогенератором, были получены необходимые сведения для синтеза комплекса технических средств гипотетической микропроцессорной системы оптимального управления парогенератором в условиях стохастической неопределенности.

Литература

1. Рюкин А.Н. Системный анализ и синтез сложных систем: Эргатические системы управления: методическое пособие / А.Н. Рюкин - М.: Издательство МЭИ, 2005.

. Рюкин А.Н. Системный анализ и синтез сложных систем: Оптимизационное исследование в условиях неопределенности: методическое пособие / А.Н. Рюкин - М.: Издательство МЭИ, 2006.

. Рюкин А.Н. Системный анализ и синтез сложных систем: Основные этапы моделирования: методическое пособие / А.Н. Рюкин - М.: Издательство МЭИ, 2006.

Похожие работы на - Анализ и синтез на базе комплекса технических средств гипотетической микропроцессорной системы оптимального управления технологическим процессом и оборудованием технического объекта парогенератор в условиях стохастической неопределенности

 

Не нашли материал для своей работы?
Поможем написать уникальную работу
Без плагиата!
Без нейросетей!