Автоматизированная система определения температуры вспышки в закрытом тигле

  • Вид работы:
    Курсовая работа (т)
  • Предмет:
    Другое
  • Язык:
    Русский
    ,
    Формат файла:
    MS Word
    422,72 Кб
  • Опубликовано:
    2015-02-07
Вы можете узнать стоимость помощи в написании студенческой работы.
Помощь в написании работы, которую точно примут!

Автоматизированная система определения температуры вспышки в закрытом тигле

МИНИСТЕРСТВО ОБРАЗОВАНИЯ И НАУКИ РОССИЙСКОЙ ФЕДЕРАЦИИ

«МАГНИТОГОРСКИЙ ГОСУДАРСТВЕННЫЙ ТЕХНИЧЕСКИЙ УНИВЕРСИТЕТ ИМ. Г.И. НОСОВА»

Кафедра автоматизированных систем управления








КУРСОВАЯ РАБОТА

по дисциплине: Автоматизация измерений, контроля и испытаний

на тему: «Автоматизированная система определения температуры вспышки в закрытом тигле»

Содержание

Введение

. Определение температуры вспышки

. Метод определения температуры вспышки в закрытом тигле

.1 Подготовка и проведение испытания на приборе ТВЗ-ЛАБ-01

.2 Определение температуры вспышки на приборе ПТВ-1

.3 Определение температуры вспышки на автоматическом аппарате для определения температуры вспышки

. Методы измерения температуры

.1 Контактные методы измерения температуры

.1.1 Ртутные термометры

.1.2 Термометры сопротивления

.1.3 Термоэлектрические преобразователи

.2 Бесконтактные методы измерения температуры

.2.1 Пирометры полного излучения, или радиационные пирометры

. Автоматизированная измерительная система

Заключение

Список использованных источников

Введение

Под управлением технологическим процессом понимается совокупность операций, необходимых для осуществления таких целей, как пуск и остановка технологического процесса, поддержание какого-либо параметра процесса на заданном уровне, изменение параметра по заданной программе и т.п.

Усложнение технологических процессов добычи нефти и газа, увеличение единичной мощности оборудования, рассредоточенность, в пространстве оперативного и эксплуатационного персонала и его неэффективное использование, а также целый ряд других причин привели к необходимости создания качественно новых систем управления этими процессами.

В настоящее время эта проблема решается созданием автоматизированных систем управления технологическими процессами (АСУ ТП). Основное назначение АСУ ТП - выработка и реализация управляющих воздействий на технологический процесс в соответствии с принятым критерием управления. Наиболее часто в качестве такого критерия применяется разность стоимостей готовой продукции и затрат на ее изготовление. В этом случае цель функционирования АСУ ТП - выработка и реализация управляющих воздействий на процессы, которые позволяют получить максимальное значение этой разницы.

В соответствии с государственным стандартом АСУ ТП представляет собой человеко-машинную систему, основными компонентами которой являются оперативный персонал и комплекс технических средств (КТС). Они осуществляют сбор информации о ходе технологического процесса, обрабатывают и анализируют ее, принимают решения по управлению, формируют и осуществляют управляющие воздействия. Распределение функций, между оперативным персоналом и КТС - одна из проблем при создании АСУ ТП.

Интенсивное развитие средств вычислительной техники в последние годы позволило передать функции сбора и предварительной обработки информации от оперативного персонала комплексу технических средств. Это дало возможность реализовать функционирование АСУ ТП на многих предприятиях нефтяной и газовой промышленности в так называемом «информационном» режиме, когда КТС выполняет контроль технологических параметров, вычисление комплексных технических и технико-экономических показателей, а также контроль работы и состояния оборудования.

Пары горючего могут воспламениться от открытого пламени, разрядов статического электричества, при попадании горючего на нагретую поверхность или от искры при ударе.

Огнеопасность горючего оценивается температурами вспышки и самовоспламенения, температурными пределами образования взрывоопасных смесей паров горючего с воздухом и концентрацией взрывоопасных смесей.

Температурой вспышки называется температура, при которой пары нефтепродукта, нагреваемого в определенных условиях, образуют с окружающим воздухом смесь, вспыхивающую при поднесении к ней пламени.

Температура вспышки в известной мере характеризует огнеопасность нефтепродукта. Впервые ее начали определять для керосинов, чтобы обнаружить в них примесь бензина, которая приводила к взрывам во время горения керосина. В настоящее время температура вспышки является нормируемым показателем смазочных масел, дизельных и котельных топлив, а также топлив Т-1, ТС-1, осветительных и тракторных керосинов и бензинов-растворителей.

Взрывоопасные смеси паров горючего с воздухом образуются только в определенных условиях. Различают верхний и нижний температурные пределы образования взрывоопасных смесей.

Нижним температурным пределом называется минимальная температура, при которой пары горючего образуют взрывоопасную смесь. Обычно эта температура равна температуре вспышки, определенной в закрытом тигле.

Верхним температурным пределом называется максимальная температура горючего, при которой смесь паров горючего с воздухом еще сохраняет взрывные свойства. При дальнейшем повышении температуры смесь переобогащается парами горючего настолько, что становится негорючей.

1. Определение температуры вспышки

Наряду с огнеопасностью нефтепродукта по температуре вспышки можно составить представление о характере углеводородов, входящих в его состав, а также о наличии примесей легкоиспаряющихся компонентов. Высококипящие углеводороды повышают температуру вспышки и, наоборот, низкокипящие снижают ее. Во время работы двигателя при попадании бензина в смазочное масло его температура вспышки значительно снижается, масло разжижается и увеличивается его расход. Например, при введении в автомобильное . масло 1% бензина температура вспышки снижается с 200 до 170 °С, присутствие в масле 6% бензина уменьшает температуру вспышки почти в два раза.

Самые высокие температуры вспышки (300-310 °С) нормируются для масел, работающих при высокой температуре, самые низкие температуры вспышки (95-135 °С) - для некоторых трансмиссионных и индустриальных масел.

На температуру вспышки некоторое влияние оказывает атмосферное давление и влажность воздуха. Чем выше атмосферное давление, тем выше и температура вспышки. Гольде и Ломан установили, что изменение давления на каждые- 133,3 Па (1 мм.рт.ст.) вызывает изменение температуры вспышки на 0,033- 0,036°С. Принимая среднеарифметическое значение, равное 0,0345 °С, в качестве поправки на изменение давления на 133,3 Па, можно вычислить температуру вспышки Т при 0,1 МПа (760 мм рт. ст.) по следующей формуле 1:

=t + 0,0345*(101325 - P), (1)

где P - барометрическое давление при определении температуры вспышки, Па;- наблюдаемая температура вспышки при давлении P, °С.

Повышенная влажность воздуха увеличивает температуру вспышки, так как при этом в паровоздушной смеси парциальное давление воздуха будет уменьшаться за счет присутствия водяных паров.

Температура вспышки зависит не только от физико-химических свойств масла и от параметров атмосферного воздуха, но в большей мере и от методики определения и конструкции прибора. В зависимости от условий эксплуатации нефтепродукта для определения его температуры вспышки применяют приборы открытого или закрытого типа, которые различаются между собой условиями испарения в них испытуемого нефтепродукта. Естественно, что для одного и того же продукта температура вспышки, определенная в открытом и закрытом тиглях, будет неодинаковой. В открытом приборе она будет всегда выше.

Воспламенение смеси паров нефтепродукта с воздухом происходит только при вполне определенной минимальной концентрации паров нефтепродукта в воздухе, которая соответствует нижнему пределу взрываемости.

При нагревании в открытом тигле пары масла легко диффундируют в окружающую атмосферу и рассеиваются в ней. Наоборот, в закрытом приборе созданы условия для накопления паров над испаряющейся жидкостью, и взрывная концентрация паров нефтепродукта достигается при температуре более низкой, чем в открытом приборе. Разность между температурами вспышки, определенными в открытом и закрытом приборах, может достигать нескольких десятков градусов. Наибольшее расхождение в этих температурах характерно для нефтепродуктов с неоднородным фракционным составом или с примесью низкокипящих углеводородов. Увеличивается эта разность также с увеличением температуры вспышки смазочных масел. В тех случаях, когда примесь низкокипящих компонентов к смазочным маслам особенно недопустима (например, для авиационных масел), разность температур вспышки в открытом и закрытом тиглях нормируется в технических условиях.

Испытанию подлежит нефтепродукт, который содержит влаги не более 0,05%. В противном случае его обезвоживают в склянке со свежепрокаленным хлоридом кальция или сульфатом натрия, выдерживая там до 5 ч.

Согласно техническому регламенту Таможенного союза "О требованиях к автомобильному и авиационному бензину, дизельному и судовому топливу, топливу для реактивных двигателей и мазуту" (ТР ТС 013/2011) нормы показателя температуры вспышки приведены в таблице 1.

Таблица 1 - Нормы показателя температуры вспышки нефтепродуктов, согласно ТР ТС

Наименование нефтепродукта

Температура вспышки в закрытом тигле, не ниже °C

Дизельное топливо

для летнего и межсезонного дизельного топлива

55


для зимнего и арктического дизельного топлива

30

Флотский мазут

80

Топливо для реактивных двигателе

для марки Джет А-1

38


для марки ТС-1

28

Судовое топливо

61


2. Метод определения температуры вспышки в закрытом тигле

Метод определения температуры вспышки в закрытом тигле производиться по ГОСТ 6356-75 «Нефтепродукты. Метод определения температуры вспышки в закрытом тигле». Метод определения температуры вспышки нефтепродуктов в диапазоне от 40 °C до 360°C в закрытом тигле Пенски-Мартенса. Метод A: дистиллятные топлива (дизельное, печное топливо, керосин), неработавшие смазочные масла и другие однородные нефтепродукты, не включенные в область применения метода Б.

Метод Б: остаточные топлива, разбавленные остатки, отработанные смазочные масла, смеси нефтепродуктов с суспендированными твердыми частицами, нефтепродукты, склонные к образованию поверхностной пленки в условиях испытания.

.1 Подготовка и проведение испытания на приборе ТВЗ-ЛАБ-01

Прибор (рисунок 1) состоит из металлического закрытого тигля 1, который помещается в чугунную ванну 2, а последняя в свою очередь окружена латунной рубашкой 3. Такое устройство предохраняет ванну от излишнего излучения тепла. Тигель с внутренней стороны имеет метку для указания уровня налива испытуемой жидкости.


Рисунок 1- Прибор для определения температуры вспышки в закрытом тигле: 1 - металлический тигель; 2 - чугунная ванна; 3 - латунная рубашка; 4 - зажигательное приспособление; 5 - мешалка; 6 - пружинный рычаг.

Перед определением прибор устанавливают в помещении, где отсутствует резкое движение воздуха. Снимают с прибора термометр, крышку с мешалкой и вынимают тигель. Эти части, соприкасающиеся с маслом, тщательно промывают бензином и сушат. Испытуемое обезвоженное масло наливают в тигель до метки, устанавливают тигель на место и закрывают крышкой. В крышке укрепляют термометр, проверяют, работает ли мешалка, пружинный рычаг и зажигают фитиль зажигательного устройства. Перед началом испытания записывают барометрическое давление.

При периодическом помешивании нагревают прибор, повышая температуру со скоростью 5-8 °С/мин для продукта с температурой вспышки от 50 до 150 °С и 10-12 °С/мин для продукта с температурой вспышки выше 150 °С. За 30 °С до ожидаемой температуры вспышки скорость нагревания уменьшают до 2 °С/мин. Когда нефтепродукт нагреется до температуры на 10 °С ниже ожидаемой температуры вспышки, проводят испытание на вспыхивание масла через 1 °С для продуктов с температурой вспышки до 150 °С и через 2 °С для продуктов с температурой вспышки выше 150 °С. Для этого на 1 с поворачивают пружинный рычаг и наблюдают за появлением синего быстро исчезающего пламени над поверхностью нефтепродукта. Отмечаемую при этом температуру фиксируют как температуру вспышки.

Перемешивание во время испытания на вспышку не проводят, но продолжают его в периоды между включениями зажигательного устройства.

Получив первую вспышку, нагревание продолжают и через 1- 2 °С повторяют зажигание. Если вспышки не происходит, испытание считают Неправильным и повторяют его снова со свежей порцией масла.

Если испытанию подвергается неизвестное масло, то в этом случае нагревание ведут со скоростью 4 °С/мин при постоянном помешивании. Через каждые -4 °С проводят испытание на вспыхивание масла. Определив ориентировочную температуру вспышки, повторяют испытание со свежей порцией масла по описанной выше методике.

Если испытание проводится при барометрическом давлении, отличающемся от 0,1 МПа (760 мм рт. ст.) на 0,002 МПа (15 мм рт. ст.) и более, то вводят поправку по формуле 1. В приведенной ниже таблице 2 даны поправки, вычисленные (с точностью до 1 °С) по формуле 1.

Таблица 2 - Влияние барометрического давления на определение температуры вспышки нефтепродуктов

Барометрическое давление

Поправка

мм рт. ст.

°С

630...658

+4

659...687

+3

688...716

+2

717...745

+ 1

745...775

0

775...803

-1


Расхождение между параллельными определениями при температуре вспышки до 50 °С не должно превышать 1 °С, выше 50 °С-2 °С.

Наряду с описанным прибором с ручным управлением в промышленных лабораториях применяют автоматический прибор ЛАВН (лабораторный анализатор вспышки нефтепродуктов). В этом приборе автоматизированы: операция заполнения тигля нефтепродуктом, регулирование скорости нагревания, зажигание смеси паров нефтепродукта с воздухом, регистрация результатов анализа, охлаждение прибора и его разгрузка. Испытуемый нефтепродукт заливается в мерник-дозатор прибора, снабженный электрообогревом, с помощью которого можно подогреть вязкие пробы. Подача нефтепродукта из мерника в тигель так же, как и его охлаждение и выгрузка после анализа, осуществляется пневматически при давлении воздуха 0,3-0,5 МПа (3-5 кгс/см2). Электрообогрев тигля с пробой регулируется с помощью термореле. Для зажигания смеси паров нефтепродукта с воздухом прибор снабжен запальной свечой и бобиной. Результаты анализа фиксируются на регистрирующем устройстве. Все управление анализатором вынесено на переднюю панель прибора.

.2 Определение температуры вспышки на приборе ПТВ-1

Прибор ПТВ-1 (рисунок 2) представляет собой полуавтоматическое устройство для определения температуры вспышки топлив и масел и состоит из блока питания и блока вспышки, смонтированных в одном металлическом корпусе.

В верхней части корпуса имеется гнездо, в которое помещается тигель 8 с испытуемым нефтепродуктом. Нагрев тигля осуществляется электрическим подогревателем. Скорость нагрева регулируется автоматически. Рядом с верхней частью тигля прикреплен съемный воспламенитель паров нефтепродукта 7 в виде петли из нихромовой проволоки;

Тигель и петля покрываются съемной крышкой 9 со смотровым стеклом.

Все управление прибора выведено на лицевую панель. Назначение кнопок, тумблеров и переключателей указано на панели. Прибор присоединяется сетевым шнуром к источнику тока и должен быть обязательно заземлен.

Недостатком этого аппарата является ручное управление, длительность измерительного цикла и низкая точность определения температуры вспышки из-за субъективности ее оценки.

Рисунок 2 - Прибор ПТВ-1: 1 - тумблер включения питания; 2 - переключатель скорости подъема температуры; 3 - кнопка включения воспламенителя; 4 - тумблер переключения измеряемых температур; 5 - тумблер дополнительного нагрева; 6 - измерительный прибор-термометр; 7 - воспламенитель; 8 - тигель; 9 - съемная крышка.

Перед проведением анализа снимают с прибора крышку 9, воспламенитель 7 и вынимают тигель 8. Эти детали промывают бензином, потом тщательно протирают и сушат до исчезновения запаха бензина, после чего устанавливают на свои места. Тумблером 1 включают прибор в сеть и, нажав кнопку, убеждаются, что спираль воспламенителя в течение 5-8 с накаляется до ярко-красного цвета. Для равномерного нагрева прибора тумблер 4 переключают на положение 50-150 °С, а регулятор скорости нагрева в положение «6». При достижении температуры 100 °С регулятор скорости ставят в нулевое положение.

После предварительного прогрева приступают к проведению анализа. Вновь снимают воспламенитель и тигель. Наливают в тигель испытуемый нефтепродукт до метки и снова устанавливают тигель и воспламенитель в прибор, причем петля воспламенителя должна находиться ниже верхнего края тигля на 0,2-0,4 мм. Закрыв, тигель крышкой, регулятор скорости подъема температуры устанавливают в положение «6» и наблюдают за температурой, которая должна подниматься со скоростью 2 °С/мин. В противном случае, манипулируя регулятора скорости температур и тумблером дополнительного нагрева, устанавливают необходимую скорость повышения температуры. Если не было вспышки нефтепродукта до 150 °С, переключают измеритель температуры на интервал 150-250 °С.

Когда нефтепродукт нагреется до .температуры на 20 °С ниже ожидаемой температуры вспышки, проводят испытание на появление вспышки. Через каждые 2 °С нажимают на 5с кнопку включения спирали воспламенителя и через смотровое стекло крышки наблюдают за появлением быстро гаснущего голубоватого пламени. Этот момент фиксируют по измерителю температуры 6 как температуру вспышки.

Охладив прибор до 50 °С, проводят повторное определение температуры вспышки со свежей порцией масла. Расхождение между параллельными определениями не должно превышать 4 °С, а для тяжелых масел 6 °С.

Если испытанию подвергается неизвестный нефтепродукт, то проводят предварительное определение температуры вспышки, нагревая нефтепродукт со скоростью 5-8 °С/мин. Через каждую минуту проводят испытание на вспыхивание масла. Определив приблизительную температуру вспышки, устанавливают постоянную скорость нагрева и повторяют опыт со свежей порцией нефтепродукта по описанной выше методике.

2.3 Определение температуры вспышки на автоматическом аппарате для определения температуры вспышки

Для проведения измерения температуры вспышки пользователь выбирает одну из заданных программ, соответствующую испытываемому продукту, помещает в камеру нагрева тигель с образцом, устанавливает в рабочее положение привод мешалки, термодатчик и детектор вспышки.

Запуск испытания осуществляется простым нажатием клавиши. Автоматический аппарат для определения температуры вспышки в закрытом тигле типа ТВЗ-ЛАБ-12 приведен на рисунке 3.

Рисунок 3 - Аппарат ТВЗ-ЛАБ-12

В ходе испытания аппарат автоматически нагревает и перемешивает пробу с требуемой скоростью и вносит в тигель горелку через заданные интервалы температур согласно выбранной программе. Текущая температура образца, атмосферное давление и заданные параметры испытания отображаются на дисплее. Вспышка регистрируется автоматически при помощи детектора вспышки, при этом процесс нагревания прекращается, а на дисплее аппарата отображается значение температуры вспышки. По окончании процесса автоматически включается вентилятор принудительного охлаждения нагревателя. Технические характеристики прибора приведены в таблице 3

Таблица 3 - Технические характеристики аппарата для определения температуры вспышки в закрытом тигле

Диапазон измерения температуры вспышки, °С

от +40 до +400

Поджиг

газовое пламя или электрическая спираль

Детектор вспышки

термопара ТХА

Диапазон задания скоростей нагрева, °С/мин

0,5..15,0

Диапазон задания периода поджига, °С

0,5..10,0

Частота вращения мешалки, об/мин

30…240

Потребляемая мощность,Вт

700


3. Методы измерения температуры

.1 Контактные методы измерения температуры

Существуют два основных способа для измерения температур - контактные и бесконтактные. Контактные способы основаны на непосредственном контакте измерительного преобразователя температуры с исследуемым объектом, в результате чего добиваются состояния теплового равновесия преобразователя и объекта. Этому способу присущи свои недостатки. Температурное поле объекта искажается при введении в него термоприемника. Температура преобразователя всегда отличается от истинной температуры объекта. Верхний предел измерения температуры ограничен свойствами материалов, из которых изготовлены температурные датчики. Кроме того, ряд задач измерения температуры в недоступных вращающихся с большой скоростью объектах не может быть решен контактным способом.

В зависимости от типа прибора, для определения температуры вспышки нефтепродуктов применяют ртутные термометры, термометры сопротивления и термоэлектрические преобразователи(термопары).

.1.1 Ртутные термометры

Согласно ГОСТ 6356-75, для определения температуры нефтепродукта на аппарат ТВЗ (ТВ-1),используются ртутные термометры типов ТИН-1, ТИН-2, ТН-1, ТН-2, ТН6 по ГОСТ 400-80 <#"791111.files/image004.gif">

Рисунок 4 -Термометр сопротивления типа Pt100

.1.3 Термоэлектрические преобразователи

Термопара (термоэлектрический преобразователь) - пара проводников из различных материалов, соединенных на одном конце и формирующих часть устройства, использующего термоэлектрический эффект <https://ru.wikipedia.org/wiki/%D0%A2%D0%B5%D1%80%D0%BC%D0%BE%D1%8D%D0%BB%D0%B5%D0%BA%D1%82%D1%80%D0%B8%D1%87%D0%B5%D1%81%D0%BA%D0%B8%D0%B9_%D1%8D%D1%84%D1%84%D0%B5%D0%BA%D1%82> для измерения температуры.

Принцип действия основан на эффекте Зеебека <https://ru.wikipedia.org/wiki/%D0%AD%D1%84%D1%84%D0%B5%D0%BA%D1%82_%D0%97%D0%B5%D0%B5%D0%B1%D0%B5%D0%BA%D0%B0> или, иначе, термоэлектрическом эффекте. Между соединёнными проводниками имеется контактная разность потенциалов <https://ru.wikipedia.org/wiki/%D0%9A%D0%BE%D0%BD%D1%82%D0%B0%D0%BA%D1%82%D0%BD%D0%B0%D1%8F_%D1%80%D0%B0%D0%B7%D0%BD%D0%BE%D1%81%D1%82%D1%8C_%D0%BF%D0%BE%D1%82%D0%B5%D0%BD%D1%86%D0%B8%D0%B0%D0%BB%D0%BE%D0%B2>; если стыки связанных в кольцо проводников находятся при одинаковой температуре, сумма таких разностей потенциалов <https://ru.wikipedia.org/wiki/%D0%AD%D0%BB%D0%B5%D0%BA%D1%82%D1%80%D0%B8%D1%87%D0%B5%D1%81%D0%BA%D0%BE%D0%B5_%D0%BD%D0%B0%D0%BF%D1%80%D1%8F%D0%B6%D0%B5%D0%BD%D0%B8%D0%B5> равна нулю. Когда же стыки находятся при разных температурах, разность потенциалов между ними зависит от разности температур. Коэффициент пропорциональности в этой зависимости называют коэффициентом термо-ЭДС. У разных металлов коэффициент термо-ЭДС разный и, соответственно, разность потенциалов, возникающая между концами разных проводников, будет различная. Помещая спай из металлов с отличными от нуля коэффициентами термо-ЭДС в среду с температурой Т1, мы получим напряжение между противоположными контактами, находящимися при другой температуре Т2, которое будет пропорционально разности температур Т1 и Т2. Преимущества термопар.

Преимуществами применения термопар являются:

-       высокая точность измерения значений температуры (вплоть до ±0,01 °С)

-       большой температурный диапазон измерения: от − 250 °C до 2500 °C

-       простота

-       дешевизна

-       надежность

К недостатком можно отнести:

1)      Для получения высокой точности измерения температуры (до ±0,01 °С) требуется индивидуальная градуировка термопары.

)        На показания влияет температура свободных концов, на которую необходимо вносить поправку. В современных конструкциях измерителей на основе термопар используется измерение температуры блока холодных спаев с помощью встроенного термистора или полупроводникового сенсора и автоматическое введение поправки к измеренной ТЭДС.

)        Зависимость ТЭДС от температуры существенно нелинейна. Это создает трудности при разработке вторичных преобразователей сигнала.

В автоматических аппаратах для определения температуры вспышки и в качестве датчика фиксации момента вспышки могут применяться хромель-алюмелевые термопары ТХА

Характеристика термопары ТХА, согласно ГОСТ 6616-94 Преобразователи термоэлектрические. Общие технические условия представлены в таблице 5.

Таблица 5 - Характеристика термопары ТХА

Тип ТП (буквенное обозначение НСХ)

Наименование показателя, размерность

Значение показателя

Хромель-алюмелевые (никельхром-никельалюминиевые) ТХА (К)

Нижний предел диапазона измеряемых температур, °С

-200


Верхний предел диапазона измеряемых температур, °С

1200 (1300)


Класс

1; 2; 3


Предел допускаемого отклонения от НСХ, °С, для классов: 1

± 1,5 от -40 до 375 °С включ.; ± 0,004 · | t | св. 375 до 1000 °С включ.;


2

± 2,5 от -40 до 333 °С включ.; ± 0,0075 · | t | св. 333 до 1200 °С включ.;


3

± 0,015 · | t | от -200 до -167 °С включ.; ± 2,5 св. -167 до 40 °С включ.; в ТУ на ТП конкретного типа св. 1200 до 1300 °С включ.


.2 Бесконтактные методы измерения температуры

Бесконтактный способ основан на восприятии тепловой энергии, передаваемой через лучеиспускание и воспринимаемой на некотором расстоянии от исследуемого объема. Этот способ менее чувствителен, чем контактный. Измерения температуры в большой степени зависят от воспроизведения условий градуировки при эксплуатации, а в противном случае появляются значительные погрешности.

Для измерения температуры бесконтактным методом используются пирометры.

Пирометр - прибор для бесконтактного измерения температуры тел. Принцип действия основан на измерении мощности теплового излучения объекта измерения преимущественно в диапазонах инфракрасного излучения и видимого света. В зависимости от естественной входной величины пирометры разделяются на пирометры полного излучения (радиационные пирометры), воспринимающие полную (интегральную) энергию Излучения, пирометры частичного излучения (яркостные пирометры), основанные на зависимости от температуры энергетической яркости излучения в ограниченном диапазоне длин волн, и пирометры спектрального отношения (цветовые пирометры), в которых используется зависимость от температуры отношения спектральных плотностей энергетических яркостей на двух или нескольких длинах волн.

.2.1 Пирометры полного излучения, или радиационные пирометры

Эти пирометры основаны на зависимости от температуры интегральной мощности излучения абсолютно черного тела (АЧТ) во всем диапазоне длин волн, определяемой законом Стефана - Больцмана.

Для реального тела эта зависимость определяется выражением

,

где , - коэффициент теплового излучения (коэффициент излучательной способности), зависящий от материала излучателя и от состояния и температуры его поверхности.

Пирометр, градуированный по излучению АЧТ, при измерении на реальном объекте покажет так называемую радиационную температуру, значение которой всегда меньше действительной температуры объекта. Радиационной температурой объекта называется такая температура АЧТ, при которой его полная мощность излучения равна полной мощности излучения рассматриваемого объекта при температуре Т. Пирометры полного излучения применяются для измерения в диапазоне температур от -50 до + 3500 °С. Наиболее целесообразно использовать такие пирометры для измерения температуры объектов, излучательные свойства которых мало отличаются от свойств АЧТ.

Для повышения точности пирометров полного излучения в корпусе телескопа устанавливается образцовый источник излучения в виде АЧТ, температура которого поддерживается постоянной.

Рисунок 5 - Пирометр полного излучения: 1 - линза; 2 - диафрагма; 3 - приемник излучения; 4 - окуляр; 5 - светофильтр.

4. Автоматизированная измерительная система

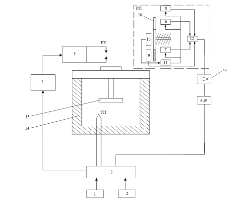
Автоматический аппарат для определения температуры вспышки представляет собой конструкцию коробчатого типа и состоит из размещенных над крышкой тигля радиационного пирометра и блока поджига нефтепродуктов, внутри корпуса установлен блока нагрева тигля, трансформатор и платы. Трансформатор закреплен на задней панели корпуса. Буквенно-цифровой индикатор и клавиатура расположены на передней. Микропроцессор 3, плата блокировки высоковольтного напряжения 4 и плата источника питания высоковольтного напряжения 5 прикреплены к блоку нагрева. Структурная схема регистратора приведена на рисунке 6 и состоит из:

) платы клавиатуры управления 1;

) буквенно-цифрового индикатора 2;

) микропроцессора 3;

) блока нагрева тигля, включающего:

-       измерительную термопару (ТП);

-       нагреватель 14;

-       электропривод мешалки 15.

) блока поджига нефтепродуктов, состоящего из:

платы блокировки высоковольтного напряжения 5;

платы источника питания высоковольтного 4;

разрядника высоковольтной искры FV;

) Радиационного пирометра (РП).

Плата блокировки высоковольтного напряжения 4 блокирует выработку высокого напряжения по окончании испытания.

Рисунок 6 - Структурная схема автоматического аппарата для определения температуры вспышки

Пирометр содержит двухканальную оптическую систему с сигнальным и опорным каналами 6 и 7 соответственно, источник 8 шумового излучения, источник 9 опорного излучения, модулятор 10 излучения, блок управления 11 и процессор 12.

Канал 6 предназначен для приема радиотеплового излучения объекта и преобразования его в электрический сигнал, а канал 7 - для приема формируемого источником 9 опорного излучения и преобразования его в электрический сигнал.

Оптический модулятор 10, установленный на входе каналов 6 и 7, предназначен для периодического прерывания излучения, поступающего на входы каналов 6 и 7. Режим работы модулятора 10 задается задающим генератором 13, соединенным с блоком 6 управления, выходы которого подключены к каналам 6 и 7 и источнику 8 шумового излучения.

Каждый из каналов содержит оптоэлектронный преобразователь и синхронный детектор.

Оптоэлектронный преобразователь представляет собой болометр типа НБГ-2.

Болометры никелевые предназначены для преобразования энергии теплового излучения в электрический сигнал.

Выпускаются в пермаллоевом корпусе. Чувствительный элемент болометра представляет собой никелевую пленку толщиной около 0,1 мкм, находящуюся в свободном состоянии. Приемник состоит из двух чувствительных элементов, расположенных рядом на расстоянии менее 0,1 мм и включенных в противоположные плечи уравновешенного моста. В два других плеча моста включены медные резисторы, обладающие близким к никелевым пленкам температурным коэффициентом сопротивления. Чувствительные элементы укреплены на кольце в корпусе прибора. Входное окно болометра НБГ-2 изготовлено из KRS-5.

Между чувствительным элементом и входным окном болометров установлена диафрагма, которая дает возможность выделить рабочий участок с равномерной чувствительностью.

Для детектирования вспышки используют стационарный радиационный пирометр «Marathon» модификации RAYММ2MHSF1L, со временем отклика 2мсек.

В качестве источника шумового излучения можно использовать импульсный широкополосный ИК источник (MIRL17-900).

Пирометр включает периодическое облучение объекта шумовым излучением с широким диапазоном частот и прием в первый интервал времени в первом канале теплового излучения объекта и во втором канале излучения, формируемого источником опорного излучения, прием во второй интервал времени, равный первому интервалу, в первом и втором каналах излучения эталона. Облучение объекта шумовым излучением осуществляют одновременно с приемом в первом канале радиоизлучения объекта и заканчивают в момент завершения приема в первом канале излучения эталона. Принятое излучение преобразуют в электрические сигналы, которые совместно с параметрами шумового сигнала используют для определения физической температуры объекта.

Работа аппарата основана на методе, заключающемся в нагреве пробы нефтепродукта закрытом тигле с установленной скоростью до тех пор, пока от электрического разряда не произойдет вспышка паров нефтепродукта над его поверхностью. При этом происходит фиксация температуры вспышки (ГОСТ 63556-75). Сигнал о регистрации вспышки с пирометра поступает в микропроцессор 3.

Исходные данные о режимах работы регистратора и предполагаемой температуре вспышки заносятся через клавиатуру управления 1 в память микропроцессора 3. Производится нагрев тигля с пробой нефтепродукта. Дальнейшая работа регистратора осуществляется автоматически по программе, записанной в памяти микропроцессора 3, без контроля со стороны лаборанта.

Программа обеспечивает:

-       формирование необходимых, в зависимости от режима работы, скоростей нагрева;

-       перемешивание пробы производится электромешалкой, обеспечивая частоту вращения мешалки от 1,5 до 2,0 с-1, в зависимости от заданной программы;

-       открытие крышки тигля электрическим приводом и включение поджига (высоковольтной искры) при определенной температуре;

-       фиксацию момента вспышки нефтепродукта с помощью пирометра (ПР) с индикацией температуры на табло;

-       сигнализацию (звуковую) о завершении опыта;

Заключение

нефтепродукт температура вспышка термометр

В нефтегазодобывающих и нефтегазоперерабатывающих предприятиях, необходимы автоматизированные системы, обеспечивающие повышение оперативности управления системой нефтегазового снабжения и объектами нефтяной и газовой промышленности, улучшения качества продукции, значительное повышение производительности труда.

Температура вспышки нефтепродуктов является важным показателем при их транспортировки и эксплуатации.

Внедрение АСУ процессом температуры вспышки позволяет:

-       расширить функции автоматического и автоматизированного контроля и управления;

-       повысить точность измерений;

-       сократить время проведения испытаний

Список использованных источников

1.      ГОСТ 6356-75 «Нефтепродукты. Метод определения температуры вспышки в закрытом тигле».

.        ГОСТ 400-80 «Термометры стеклянные для испытаний нефтепродуктов. Технические условия».

.        ГОСТ 6616-94 «Преобразователи термоэлектрические. Общие технические условия».

.        Исакович Р.Я., Попадько В.Е. «Контроль и автоматизация добычи нефти и газа».

.        Белянин Б.В., Элих В.Н. «Технический анализ нефтепродуктов и газа».

Похожие работы на - Автоматизированная система определения температуры вспышки в закрытом тигле

 

Не нашли материал для своей работы?
Поможем написать уникальную работу
Без плагиата!
Без нейросетей!