Автоматизация парка сжиженных углеводородных газов ОАО 'Уфимский нефтеперерабатывающий завод'
Федеральное государственное бюджетное
образовательное учреждение
высшего профессионального образования
«Уфимский государственный нефтяной
технический университет»
Кафедра автоматизации технологических
процессов и производств
Дипломный проект
автоматизация
парка сжиженных углеводородных газов ОАО «уфимский нефтеперерабатывающий завод»
0200 220301 009ПЗ
Студент гр.
АГ 07-01 И.В. Завгородний
Руководитель
НИРС
канд. техн.
наук, доц. Л.Н. Латышев
Консультанты:
по
технологическому, техническому и специальному разделам
канд. техн.
наук, доц. Л.Н. Латышев
Уфа
РЕФЕРАТ
Дипломный проект 106 с., 14 рисунков, 14 таблиц, 13 использованных
источников, 2 приложения.
ПАРК СЖИЖЕННЫХ УГЛЕВОДОРОДНЫХ ГАЗОВ, АВТОМАТИЗАЦИЯ, DELTAV, СИСТЕМА АВТОМАТИЗАЦИИ, ПРОТИВОАВАРИЙНАЯ
ЗАЩИТА, ГРАФ ПЕРЕХОДОВ, Structured Text, УПРАВЛЯЮЩАЯ ПРОГРАММА, АЛГОРИТМ
УПРАВЛЕНИЯ
Объектом исследования является парк сжиженных углеводородных газов ОАО
«Уфимский нефтеперерабатывающий завод».
В процессе исследования изучены технологические процессы на объекте,
возможные аварийные и внештатные ситуации.
Цель работы - проектирование автоматизированной системы управления
технологическими процессами в парке.
В результате исследования были выбраны необходимые датчики и
измери-тельные преобразователи, составлены алгоритмы управления поступлением и
откачкой пропан-пропиленовой фракции, и на их основе написана управляющая
программа для промышленного контроллера, обеспечивающая своевременную реакцию
системы на изменения.
Технико-экономические показатели свидетельствуют о снижении вероят-ности
возникновения аварийных и внештатных ситуаций за счёт более чёткого контроля и
оперативности выполнения технологических операций.
Внедрение отсутствует.
Эффективность проекта основывается на повышении уровня автоматизации
объекта, оснащения его современными средствами измерения и противоаварий-ной
защиты.
СОДЕРЖАНИЕ
Определения, сокращения и обозначения
Введение
1. Описание технологического процесса и технологической схемы
производственного объекта
1.1 Назначение товарного парка сжиженных газов
.2 Основные проблемы решаемые в парке сжиженных
углеводородных газов ОАО «Уфимский нефтеперерабатывающий завод»
.3 Технологическая схема поступления и откачки
бутан-бутиленовой фракции
.4 Технологическая схема поступления и откачки
пропан-пропиленовой фракции
.5 Технологическая схема поступления и откачки
пропан-бутан-пентановой фракции (ПБПФ, рефлюкс)
.6 Подача синтетического спирта в трубопроводы
.7 Схема сбора факельного газа и подтоварной воды
. Патентная проработка
. Автоматизированная система управления парком сжиженных
углеводородных газов
.1 Структура системы
.2 Решения по режимам функционирования, диагностированию
работы системы
.3 Функциональная схема автоматизации емкостей E-15/1÷7
.4 Уровень первичных датчиков рабочих параметров среды
. Разработка программы управления исполнительными механизмами
на линии поступления и откачки пропан-пропиленовой фракции
4.1 Инструментальная система программирования промышленных
контроллеров
4.2 Программирование контроллера
.3 Построение графа переходов
.4 Написание программы управления объектом на языке ST
5. Охрана труда и техника безопасности
5.1 Анализ потенциальных опасностей и производственных
вредностей на объекте
5.2 Мероприятия по обеспечению безопасности труда
.3 Мероприятия по промышленной санитарии
.4 Мероприятия по пожарной безопасности
.5 Расчет освещенности операторной
. Экономическая Эффективность проекта
6.1 Методика расчета экономической эффективности
проектируемой системы автоматизации
6.2 Расчет затрат на проектирование (разработку) системы
.3 Расчет затрат на разработку программного обеспечения
.4 Расчет затрат на изготовление и отладку проектируемой
системы
.5 Расчет экономической эффективности
Заключение
Список использованных источников
Приложение А. Перечень демонстрационных листов
Приложение Б. Управляющая программа на языке ST
Определения, обозначения и сокращения
- ББФ Бутан-бутиленовая
фракция;
- БТ Бутан технический;
- ГКП Газо-каталитическое
производство;
- ГНС Газо-наполнительная
станция
- ОАО «НУНПЗ» Открытое
акционерное общество «Ново-Уфимский нефтеперерабатывающий завод»;
- ОАО «УНПЗ» Открытое
акционерное общество «Уфимский нефтеперерабатывающий завод»;
- ОАО «УНХ» Открытое
акционерное общество «УфаНефтехим»;
- ОАО «УОС» Открытое
акционерное общество «УфаОргСинтез»;
- Парк СУГ (парк) Парк
сжиженных углеводородных газов;
- ПБПФ Пропан-бутан-пентановая
фракция;
- ППФ Пропан-пропиленовая
фракция;
- ПТ Пропан технический;
- ПФ Пропановая фракция;
- СГСН Система
герметичного слива-налива;
- СПБТ Смесь пропана и
бутана технического;
- СУГ Сжиженный
углеводородный газ;
- УИЖГЭ Установка
измерения и учета СУГ;
- ПЛК Программируемый
логический контроллер;
- РСУ Распределенная система
управления;
- ПАЗ Противоаварийная
защита.
ВВЕДЕНИЕ
сжиженный газ трубопровод контроллер
Сжиженные углеводородные газы (СУГ) представляют собой смесь сжиженных
газов пропана и бутана в различных пропорциях. К сжиженным углеводородным газа,
в частности, относятся:
сжиженный пропан-бутан технический;
сжиженный пропан технический;
сжиженный бутан технический;
сжиженный пропан-бутан автомобильный
Начиная с 2000 года, мировое потребление СУГ находится на стабильно
высоком уровне. В соответствии с прогнозом агентства P&G мировое
потребление СУГ продолжает расти.
Основной прирост пришелся на долю стран Азиатско-Тихоокеанского региона -
с 16-17 до 30-35% в общемировой структуре потребления. В то же время в странах
с давно развитой инфраструктурой во всех секторах использования СУГ (США,
Западная Европа) потребление остается практически стабильным.
В 1990-х гг. среднегодовой прирост мирового спроса на сжиженные нефтяные
газы опережал рост их производства (4,2 и 3,3%, соответственно) и почти в 2
раза превышал аналогичный показатель для нефти. Только в странах бывшего СССР и
ряде государств Восточной Европы в этот период имел место временный спад
потребления СУГ. Объемы производства и потребления СУГ в России снова начали
возрастать только в конце 90-х. К настоящему времени Россия, по официальным
данным, производит около 8 млн. т сжиженных углеводородных газов в год, из
которых около 6 млн. т используется внутри страны.
Мировой спрос на СУГ продолжает расти и в наше время, хотя и меньшими
темпами. Ведущая роль в этом процессе по-прежнему принадлежит странам Азии.
Ожидается, что к 2020 г. мировое потребление СУГ достигнет 300 млн. т в год
[1].
Актуальность выбранной мной с дипломным с руководителем темы, заключается
в том, что, в последнее время, все чаще СУГ используется в качестве
альтернативного топлива во многих отраслях. Таким образом автоматизацию
хранения и подготовки СУГ, можно считать одним из приоритетных направлений.
Цель дипломного проекта - разработка системы автоматизации
производственных процессов парка сжиженных углеводородных газов ОАО «Уфимский
нефтеперерабатывающий завод».
Задачи дипломного проекта:
изучение технологии приема, хранения и передачи сжиженных углеводородных
газов (СУГ) потребителям;
составление управляющей программы для программируемого логическо-го
контроллера (ПЛК);
- уменьшение количества выполняемых технологическим персоналом функций
за счет их автоматизации;
- повышение информационного обеспечения технологического и
эксплуатационного персонала;
повышение надежности работы самой системы управления, за счет
применения современных технических устройств на основе электронных и
вычислительных средств и наличия самодиагностики;
уменьшение материальных и энергетических затрат.
Ключевым критерием качества работы АСУ ТП является стабильность заданных
характеристик технологического процесса с учетом противоаварийной защиты для
всех стадий технологического процесса [1].
Достижение
вышеозначенных целей будет способствовать также улучшению экологической
обстановки в районе ОАО «УНПЗ».
Дипломный проект выполнен с использованием материалов, полученных во
время прохождения практики в проектном институте ОАО «АК ВНЗМ».
1. Описание технологического процесса и
технологической схемы производственного объекта
.1 Назначение товарного парка сжиженных газов
Технологическая схема с указанием основных технологических линий и
резервуаров парка сжиженных углеводородных газов представлена на рисунке 1.1.
Товарный парк сжиженных газов (в дальнейшем ПСГ) предназначен для приёма,
хранения, отстоя и откачки поступающих в парк продуктов с установок ЭЛОУ-АВТ-6,
Л-24-5, Л-24-300, Л-35-5, установки каталитического крекинга Г-43-107М/1
(секции 100, 300, блок МТБЭ) и пропановой фракции (ПФ) с филиала ОАО АНК
«Башнефть» «Башнефть -Уфаоргсинтез».
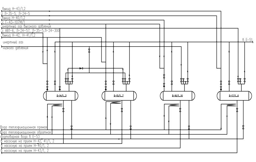
В парке смонтированы 20 ёмкостей по 100 м3 каждая:
для пропан-бутан-пентановой фракции (в дальнейшем ПБПФ) три емкости -
Е-14/1¸3, Е-17/1¸6;
для пропан-пропиленовой фракции (ППФ) и пропановой фракции семь емкостей
- Е-15/1¸7;
для бутан-бутиленовой фракции (ББФ) десять емкостей - Е-16/1¸10.
Схемой предусмотрено приготовление смесей ББФ с ППФ или ББФ с ПФ, которые
откачиваются на газонаполнительную станцию как бытовое топливо или наливаются в
вагон-цистерны на эстакаде налива СУГ.
ББФ откачивается на газокаталитическое производство (ГКП) ОАО «НУНПЗ» и
на налив в вагон-цистерны.
ППФ откачивается на ОАО «Уфаоргсинтез» с установки Г-43-107М/1, минуя
парк. Технологической схемой предусмотрен налив ППФ в вагон-цистерны, а также
откачка на ГНС как бытовое топливо.
ПБПФ откачивается на установку АГФУ-1 ГКП ОАО «НУНПЗ», на объект 1/I
производства синтетического спирта ОАО «Уфаоргсинтез» или наливается в
вагон-цистерны. Имеется возможность приготовления смеси ПБПФ и ББФ и откачки на
установку АГФУ-1 ГКП ОАО «НУНПЗ».
Рисунок 1.1 - Технологическая схема парка СУГ
1.2 Основные ПРОБЛЕМЫ, решаемые в парке
сжиженных углеводородных газов ОАО «Уфимский нефтеперерабатывающий завод»
Относительно невысокая стоимость сжиженного углеводородного газа (СУГ) по
сравнению с другими жидкими углеводородами обусловливает тенденцию к развитию
парка легковых и грузовых автомобилей, энергетических и промышленных установок,
использующих СУГ в качестве основного или резервного топлива.
Возросшие объемы строительства автомобильных газозаправочных станций
(АГЗС), резервуарных установок промышленных и жилищно-коммунальных потребителей
(ПиЖКП) вызвали серьезный рост числа инцидентов и аварийных ситуаций, связанных
с образованием кристаллогидратов и льда в различных элементах систем
газоснабжения указанных объектов.
Образование кристаллогидратов и льда в заправочных устройствах,
трубопроводах жидкой и паровой фаз, запорной и предохранительной арматуре,
регуляторах давления обусловливается наличием свободной воды. Закупоривая
наиболее узкие места, кристаллогидраты препятствуют поступлению СУГ в испарительные
устройства систем газоснабжения ПиЖКП и камеры смешения топливных систем
автотранспортных средств [2].
Складывается парадоксальная ситуация. Согласно требованиям ГОСТ 20448-90
[3] и ГОСТ 27578-86 [4], вода в сжиженных углеводородных газах бытовых марок
должна отсутствовать. В то же время, СУГ, поступающие для нужд
топливоснабжения, в условиях эксплуатации всегда содержат свободную воду.
В связи с этим, одной из задач, решаемых в парках СУГ, является
предупреждение появления и накопления свободной воды при производстве,
хранении, транспортировке и использовании СУГ.
Технологическая схема парка сжиженных углеводородных газов ОАО «Уфимский
нефтеперерабатывающий завод» позволяет минимизировать вышеизложенные проблемы,
за счет того что:
СУГ осушается до величин, при которых не будет наблюдаться образование
свободной воды в условиях минимальных температур эксплуатации сосудов хранения
(минус 40 °С);
производится полная осушка всех внутренних поверхностей сосудов после
проведения гидравлических, пневматических испытаний и пропарки;
в резервуарах для хранения предусмотрен уклон не менее 2% в сторону
сборника воды и неиспарившихся остатков.
1.3 Технологическая схема поступления и откачки
бутан-бутиленовой фракции
ББФ с комплекса Г-43-107М/1 поступает в парк СУГ в одну из емкостей
Е16-1…10. Для отсечения потока предусмотрена электрозадвижка. Cо щита КИП в
операторной или по месту на трубопроводе поступления открывается
соответствующий межблочный пневмо-отсекатель. На потоке после электрозадвижки
предусмотрен клапан прямого действия.
Во избежание превышения давления в емкости при заполнении и понижении
давления при откачке продукта предусмотрена газоуравнительная линия,
объединяющая емкости Е16-1¸10. Задвижки и новые межблочные пневмоотсекатели на этой
линии должны быть всегда открыты.
Предельное заполнение емкости - не более 75% от объема емкости. По мере
заполнения емкости производится переключение на любую другую не заполненную из
выше перечисленных емкостей.
Одна из емкостей не заполняется и служит для аварийной перекачки в нее
продукта. Для этой цели служит емкость Е16-5.
После заполнения емкости необходимо дать продукту отстояться не менее 3-х
часов для отделения подтоварной воды из продукта. После отстоя продукта
подтоварную воду, содержащую щелочь, необходимо сдренировать в Е53. А в
емкостях с готовой продукцией с помощью фенолфталеина определяется отсутствие
щелочи в ББФ. В случае обнаружения щелочи в продукте (окрашивание пробы
фенолфталеином в розовый цвет) необходимо продлить время отстоя и продолжить
дренирование подтоварной воды.
После отстоя, зачистки от подтоварной воды и получения результатов
анализа, соответствующего требованиям ТУ на готовую продукцию, производится
откачка ББФ. На линии откачки установлен межблочный пневмоотсекатель.
Откачка ББФ возможна:
Насосом Н40-1:
в линию некондиции установки Г-43-107М/1;
на наливные эстакады № 1, № 2;
на газо-каталитическое производства ОАО «НУНПЗ».
Насосом Н40-2:
на газо-каталитическое производство ОАО «НУНПЗ»;
в линию некондиции установки Г-43-107М/1;
на наливные эстакады № 1, № 2;
по линии аварийной закачки насосом Н43-2 в емкости Е17-16 (подкачка ББФ в
емкости Е17-1¸6);
по линии аварийной закачки насосом Н41-1 в емкости Е15-1¸7, Е14-1¸3 (подкачка ББФ в емкости Е15-1¸7, Е14-1¸3).Перед пуском насосы Н40-1, 2 заполняются
жидким продуктом, газовая фаза сбрасывается в факельный коллектор и далее в
отстойник факельного газа Е51.
При снижении давления в емкостях (при конденсации газовой фазы при
длительном хранении или в зимнее время года при неисправном обогреве) необходимое
давление создается с помощью инертного газа низкого давления, который подается
в газо-уравнительную линию в двух точках (над Е16-2 и Е16-8). На каждой из этих
линий установлена система регулирующего клапана, который открывается при
достижении минимального значения рабочего давления.
Врезка инертного газа низкого давления произведена в газоуравнительную
линию. Давление в линии инертного газа низкого давления должно быть на 2-3
кгс/см2 выше, чем в емкости, откуда производится откачка продукта,
но не превышать 5 кгс/см2.
При повышении давления открывается регулирующий клапан, который
установлен на факельном трубопроводе из емкости.
Каждая емкость снабжена одним блоком предохранительных клапанов с
переключающими устройствами с давлением настройки. Сброс с блока производится в
факельную емкость Е51. Сброс факельного газа производится через отстойник
факельного газа Е51 на установку «Факел» газо-каталитического производства.
Для предотвращения замерзания продукта в зимнее время днища емкостей
оборудованы змеевиками для обогрева. В качестве теплоносителя используется
теплофикационная вода.
1.4 Технологическая схема поступления и откачки
пропан-пропиленовой фракции
ППФ с комплекса Г-43-107М/1 поступает в парк сжиженных углеводородов в
одну из семи емкостей Е15-1¸7. Для отсечения потока на трубопроводе установлена
электрозадвижка. Со щита КИП в операторной или по месту на трубопроводе
поступления открывается соответствующий межблочный пневмоотсекатель. На потоке
после электрозадвижки предусмотрен клапан прямого действия.
Имеется возможность подачи ППФ с комплекса Г-43-107М/1 по перемычке
помимо парка сжиженных углеводородов на ОАО «Уфаоргсинтез». Для отсечения
потока предусматривается электрозадвижка.
Во избежание превышения давления при заполнении и понижении давления при
откачке продукта из емкостей предусмотрена газоуравнительная линия,
объединяющая 7 емкостей Е15 и 3 емкости Е14. Задвижки и межблочные
пневмоотсекатели должны быть всегда открыты.
Врезка инертного газа высокого давления произведена в линию «газ-пропан с
наливной эстакады». Давление в линии инертного газа должно быть на 3 кгс/см2
выше, чем в емкости, откуда производится откачка продукта, но не превышать 15
кгс/см2.
Предельное заполнение емкости - не более 75% от объема емкости. По мере
заполнения емкости производится переключение на любую другую из выше
перечисленных емкостей.
Одна из емкостей не заполняется и служит для аварийной перекачки в нее
продукта. Для этой цели служит емкость Е15-2.
После заполнения емкости необходимо дать продукту отстояться не менее 3-х
часов для отделения подтоварной воды из продукта. После отстоя продукта
подтоварную воду, содержащую щелочь, необходимо сдренировать в Е53. А в
емкостях с готовой продукцией с помощью фенолфталеина определяется отсутствие
щелочи в ППФ. В случае обнаружения щелочи в продукте (окрашивание пробы
фенолфталеином в розовый цвет) необходимо продлить время отстоя и продолжить
дренирование подтоварной воды.
После отстоя, зачистки от подтоварной воды и получения результатов
анализа, соответствующего требованиям ТУ на готовую продукцию, производится
откачка ППФ. На линии откачки установлен межблочный пневмоотсекатель. Продукт
из емкости Е15-1¸7 насосами подается на нагнетательную линию насоса, который подает его на
ОАО «Уфаоргсинтез», наливную эстакаду, в линию некондиции установки Г-43-107М/1
или на газонаполнительную станцию.
Есть возможность перекачать ППФ насосом в емкость Е17-1¸6 (аварийная закачка).
Перед пуском насосы заполняются жидким продуктом, газовая фаза
сбрасывается в факельный коллектор и далее в емкость Е51.
С целью исключения работы насосов в кавитационном режиме, насосы
оборудованы преобразователем разности давления, а также сигнализаторами уровня
заполнения насоса, которые установлены в расширительных бачках насосов,
сблокированных с магнитным пускателем насоса и задержкой остановки насоса по
времени. После пуска насосы останавливаются при низком перепаде давления между
всасывающим и напорным трубопроводом. Открытие электрозадвижек проверяется по
набору давления на выкиде насосов. Управление электрозадвижками на выкиде
насосов производится как по месту, так и с пульта в операторной.
Один из насосов является резервным. Он имеетт связи по приёму с
трубопроводами откачки из емкостей Е-14/1¸3, Е-17/1¸6, Е-15/1¸7; а по выкиду - с трубопроводами откачки на ГНС ООО
«Сжиженный газ Уфа».
Каждая емкость снабжена одним блоком предохранительных клапанов с
переключающими устройствами с давлением настройки 17,0 кгс/см2. Сброс с блока
производится в факельную отстойник факельного газа Е51.
При достижении подтоварной водой уровня более 400мм происходит открытие
пневмоотсекателей. При достижении подтоварной водой нижнего уровня (между
вентилем у днища емкости и задвижкой на дренажном трубопроводе)
пневмоотсекатель закрывается.
Сброс факельного газа производится через отстойник факельного газа Е51 на
установку «Факел» газокаталитического производства.
Для предотвращения замерзания продукта в зимнее время днища емкостей
оборудованы змеевиками для обогрева. В качестве теплоносителя используется
теплофикационная вода.
Все ёмкости Е-15/1¸7 по коллекторам связаны со следующими трубопроводами:
трубопровод сброса газа в Е-51;
трубопровод «газ-пропан с наливной эстакады»;
газо-уравнительный трубопровод;
трубопровод сброса подтоварной воды в Е-53.
Для предотвращения замерзания продукта в зимнее время днища емкостей
оборудованы змеевиками для обогрева теплофикационной водой.
Предусмотрен аварийный сброс с предохранительных клапанов, установ-ленных
между двумя отсекающими задвижками, в емкость Е-51 со следующих трубопроводов:
трубопровода поступления ППФ с Г-43-107М/1 в Е-15/1¸7;
трубопровода поступления ППФ на приём Н-41/1,2;
трубопровода аварийной закачки в Е-15/1¸7, Е-14/1¸3;
трубопровода подачи ППФ на наливную эстакаду;
трубопровода откачки пропана на ГНС;
трубопровода откачки ППФ на ОАО «УОС»;
трубопровода газ- пропана с наливной эстакады в Е-15/1¸7.
1.5 Технологическая схема поступления и откачки
пропан-бутан-пентановой фракции (ПБПФ, рефлюкс)
ПБПФ (рефлюкс) с установок ЭЛОУ-АВТ-6, Л-24-5, Л-35-5, Л-24-300 поступает
в парк сжиженных углеводородов в емкости Е14-1¸3, Е17-1¸6 по двум трубопроводам.
Предусматривается прием рефлюкса с установок ЭЛОУ-АВТ-6, Л-24-5, Л-35-5,
Л-24-300 по одной или двум линиям, в зависимости от режима работы установок,
или объединения суммы рефлюксов непосредственно в парке СУГ. Для отсечения
потоков предусмотрены электрозадвижки. На потоке перед электрозадвижками
предусмотрен клапан прямого действия (давление до клапана Р1 = 20 кгс/см2,
давление после клапана Р2 = 15 кгс/см2).
При заполнении емкостей со щита КИП (Е14-1¸3), с пульта управления в операторной
или по месту (Е17-1¸6) на трубопроводе поступления открывается соответствующий межблочный
пневмоотсекатель.
Во избежание превышения давления при заполнении и понижении давления при
откачке продукта из емкостей предусмотрены две газоуравнительные линии:
одна объединяет емкости Е14-1¸3 и емкости Е15-1¸7;
другая - емкости Е17-1¸7.
Задвижки и новые межблочный пневмоотсекатели должны быть всегда открыты.
Предельное заполнение емкости - не более 75% от объема емкости. По мере
заполнения емкости производится переключение на любую другую из выше
перечисленных емкостей.
Одна из емкостей не заполняется и служит для аварийной перекачки в нее
продукта. Для этой цели служит емкость Е17-3.
После заполнения емкости необходимо дать продукту отстояться не менее 3-х
часов для отделения подтоварной воды из продукта. После отстоя продукта
подтоварную воду, содержащую щелочь, необходимо сдренировать в Е53. А в
емкостях с готовой продукцией с помощью фенолфталеина определяется отсутствие
щелочи в ПБПФ. В случае обнаружения щелочи в продукте (окрашивание пробы
фенолфталеином в розовый цвет) необходимо продлить время отстоя и продолжить
дренирование подтоварной воды.
После отстоя, зачистки от подтоварной воды и получения результатов
анализа, соответствующего требованиям ТУ на готовую продукцию, производится
откачка рефлюкса из емкостей Е14-1¸3 и Е17-1¸6 в линию некондиции установки Г-43-107М/1, на наливную
эстакаду, газонаполнительную станцию или на ОАО «НУНПЗ» или ОАО «Уфаоргсинтез».
На линии откачки установлен межблочный пневмоотсекатель.
Перед пуском насосы Н43-1, 2, Н42 заполняют жидким продуктом, газовая
фаза сбрасывается в факельный коллектор и далее в отстойник факельного газа
Е51.
Один из насосов является резервным и имеет перемычку по приему с
трубопроводами откачки из емкостей Е14-1¸3, Е17-1¸6 и Е15-1¸7; по выкиду - с трубопроводами откачки на газонаполнительную
станцию и напорными трубопроводами других насосов. Предусматривается
возможность закачки ББФ из емкостей Е16-1¸10 в емкости Е17-1¸6. Для откачки ББФ из емкости Е17-16 смонтирована
перемычка с приема насосов.
Каждая емкость снабжена одним блоком предохранительных клапанов с
переключающими устройствами с давлением настройки 17,0 кгс/см2. Сброс с блока производится
в отстойник факельного газа Е51.
Сброс факельного газа производится через отстойник факельного газа Е-51
на установку «Факел» газокаталитического производства.
При достижении подтоварной водой уровня более 400мм открываются
пневмоотсекатели. При достижении подтоварной водой нижнего уровня (между
вентилем у днища емкости и задвижкой на дренажном трубопроводе) закрывается
соответствующий пневмоотсекатель.
Для предотвращения замерзания продукта в зимнее время днища емкостей
оборудованы змеевиками для обогрева. В качестве теплоносителя используется
теплофикационная вода.
Все ёмкости Е-14/1¸3, Е-17/1¸6 по коллекторам связаны со следующими трубопроводами:
трубопровод сброса газа в Е-51;
трубопровод «газ-пропан с наливной эстакады» в Е-14/1¸3;
газо-уравнительный трубопровод;
трубопровод сброса подтоварной воды в Е-53.
Для исключения возможности повышения давления в отключенных трубопроводах
между двумя задвижками при тепловом расширении продукта за счёт нагрева
окружающим воздухом (теплоспутником) установлены ППК на следующих
трубопроводах:
трубопровод на приём к насосам Н-43/1,2 из Е-17/1¸6;
трубопровод на приём к насосам Н-43/1,2 из Е-14/1¸3;
трубопровод аварийной закачки Е-17/1¸6;
трубопровод откачки рефлюкса на наливную эстакаду;
трубопровод откачки рефлюкса на ОАО «УОС»;
трубопровод поступления рефлюкса в Е-14/1¸3.
1.6 Подача синтетического спирта в трубопроводы
Для предотвращения замораживания трубопроводов подачи ППФ, ПБПФ и ББФ
предусмотрена схема подачи синтетического спирта в напорные трубопроводы.
Синтетический спирт подается в холодные месяцы года в количестве 2 литра
на 1 тонну продукта, или производится разовая закачка в каждый трубопровод по
100-200 литров, через каждые 10-20 дней. Синтетический спирт закачивается в
емкость для хранения синтетического спирта, а из нее закачивается в трубопровод
плунжерным насосом . Необходимый расход регулируется ходом плунжера. Для защиты
насоса и арматуры от превышения давления выше допустимого смонтирован
предохранительный клапан. Сброс предохранительного клапана направлен в линию
приема насоса.
1.7 Схема сбора факельного газа и подтоварной
воды
Все сбросы с блоков предохранительных клапанов из емкостей Е-14/1¸3, Е-15/1¸7, Е-16/1¸10, Е-17/1¸6, с предохранительных клапанов на
трубопроводах направляются в отстойник факельного газа Е-51, в котором газ
отделяется от конденсата и сбрасывается на установку «Факел» по факельному
трубопроводу.
Днище отстойника Е-51 оборудовано змеевиком-подогревателем для выпарки
конденсата, где в качестве теплоносителя используется пар.
Дренажная емкость Е-53 служит для сбора подтоварной воды с низа емкостей
Е-14/1¸3, Е-15/1¸7, Е-16/1¸10, Е-17/1¸6, а также для сбора подтоварной воды
с вагон-цистерн наливной эстакады.
Днище дренажной емкости Е-53 оборудовано змеевиком-подогревателем для
выпарки продукта из подтоварной воды, где в качестве теплоносителя используется
пар. После отделения газовой фазы подтоварная вода через шайбу сбрасывается в
промышленную канализацию, а газовая фаза по факельному трубопроводу
сбрасывается в отстойник факельного газа Е-51.
Для защиты от превышения давления на емкостях Е-51, Е-53 установлены по
одному СППК4р-100х16 (давление настройки - 10 кгс/см2) со сбросом газа в Е-52.
2. Патентная проработка
Патентная проработка не проводилась в связи с тем, что задачей дипломного
проекта является разработка программы для промышленного логического
контроллера, которая не является охраноспособным объектом.
3. Автоматизированная система управления парком
сжиженных углеводородных газов
В данном разделе рассматривается автоматизированная система управления
парком СУГ в целом. Особое внимание уделено линии поступления
пропан-пропиленовой фракции для нее построена функциональная схема
автоматизации с указанием контуров противоаварийной защиты (ПАЗ) и
распределенной системы управления (РСУ), рассмотрены первичные приборы,
применяемые на этой линии, их принцип действия, достоинства и недостатки.
3.1 Структура системы
Система организуется в виде подсистем РСУ и ПАЗ на базе
программно-технического комплекса DeltaV фирмы EMERSON Process Management (США).
РСУ обеспечивает:
централизованный контроль состояния объекта;
сигнализацию отклонения параметров от нормы;
регулирование параметров процесса по стандартным законам;
дистанционное управление работой объекта;
формирование журнала аварийных и технологических сообщений;
ведение базы данных.
ПАЗ обеспечивает защиту технологического оборудования и персонала в
аварийных ситуациях, сигнализацию срабатывания подсистемы защиты, фиксирование
порядка срабатывания системы защиты, возможность ручного инициирования
срабатывания системы защиты [4].
Структура системы включает следующие уровни управления процессом:
) уровень оперативно-производственной службы (далее - ОПС), реализуемый
на базе операторских станций (ОС) системы DeltaV, обеспечивающий:
сбор данных о состоянии оборудования путем опроса нижнего уровня;
визуализацию состояния оборудования;
дистанционное управление оборудованием;
обработку данных;
формирование и выдачу отчетных документов;
световую и звуковую сигнализацию;
) уровень автоматического управления и противоаварийной защиты,
реализуемый на базе контроллеров DeltaV,
обеспечивающий:
автоматическое, и по командам с верхнего уровня управление оборудованием;
выявление аварийной ситуации при поступлении информации от датчиков
аварийной сигнализации;
по анализу информации от датчиков сигнализации предельных значений
параметров и положения исполнительных механизмов отрабатывает по
соответствующему алгоритму команды аварийной защиты с выдачей сигнализации на
верхний уровень.
Структурная схема системы представлена на рисунке 3.1.
Структура системы включает следующие узлы:
РМСИ (PROFF+) - рабочее место инженера системы
управления;
РМОТ №1, 2, 3, 4 - рабочее место оператора;
АС (HISTORY) - интеграционная (историческая)
станция;
РМРП - рабочее место руководителя предприятия;
РМКИП (AMS) - рабочее место инженера КИП и А;
HUB -
коммутаторы внутрисистемной управляющей сети;
RSU1, RSU2, PAZ1, PAZ2, PAZ3, NALIV, TP20_14
- контроллеры систем управления и противоаварийной защиты.
Проектом системы предусмотрено резервирование:
резервируемые контроллеры для системы противоаварийной защиты;
резервируемые модули вывода для особо отвественных случаев.
Связь компонентов системы реализована с помощью дублированных каналов
Ethernet на базе витой пары.
Рисунок 3.1 - Структурная схема АСУТП
Обзор системы DeltaV
Отличительной особенностью масштабируемой системы управления
технологическими процессами DeltaV является полностью цифровая архитектура. Для
связи с полевым оборудованием поддерживаются шины FOUNDATION fieldbus, HART,
AS-i, DeviceNet, Profibus. На верхнем уровне обмен ведется по Ethernet (рисунок
3.2). Обеспечивается резервирование. В составе системы используются
интеллектуальные полевые приборы. Работает под управлением Windows NT.
Система DeltaV обеспечивает управление с высокой точностью, техническое
обслуживание с прогнозированием и глобальный доступ к информации. Основные
принципы работы системы DeltaV:
новый подход. Полностью цифровая архитектура, обеспечивающая цифровую
точность и цифровое быстродействие;
точность и контроль доступа. Точное время и общесистемный контроль
доступа;
модульная структура оборудования. Контроллер DeltaV занимает мало места,
причем размер его Вы можете выбрать сами, кроме того, он обеспечен
резервированием и отличается прочностью;
преимущества цифровых технологий. Легко пользоваться FOUNDATION fieldbus,
AS-i bus, DeviceNet, Profibus DP и/или HART, которые входят в состав системы
DeltaV;
проектирование. Набор средств проектирования DeltaV как никогда облегчает
конфигурирование и подготовку документации Вашей системы.
интуитивность. Надежная, гибкая и интуитивно понятная, система DeltaV
предоставляет простую в исполльзовании среду для управления процессом и
глобального доступа к информации;
ведение архива. Встроенное ведение архива облегчает ввод в эксплуатацию и
обслуживание. Оперативные управляющие воздействия, изменения, внесенные в ходе
технического обслуживания и управления автоматически заносятся в архив;
техническое обслуживание с прогнозированием. Помимо традиционных для АСУ
средств обслуживания, предоставляются усовершенствованные средства диагностики
приборов и калибровки, с легкостью обеспечивающие техническое обслуживание с
прогнозированием;
управление с высокой точностью. Набор встроенных средств
усовершенствованного управления DeltaV предоставляет возможность разрабатывать
хорошие стратегии управления для автоматизации своего производства за какую-то
долю затрат по сравнению с традиционными;
усовершенствованное управление приборами. Готовые средства
усовершенствованного управления приборами устраняют необходимость в подборе и
согласовании данных. Ввод новых объектно-ориентированных модулей и алгоритмов
фазового управления для управления и для управления периодическими процессами,
и для управления сложными последовательностями операций является простой
задачей;
оптимизация предприятия. Эффективность производства, оптимальные
поставки, снижение непосредственных трудозатрат, значительное уменьшение
необходимых запасов комплектующих и времени поставки.
В состав оборудования системы входит следующее:
одна или большее число рабочих станций DeltaV,
сеть управления (с возможностью резервирования) для обмена данными между
узлами системы,
источники питания,
один или большее число контроллеров DeltaV (с возможностью
резервирования), выполняющих локальное управление и контролирующих передачу
данных между подсистемой ввода - вывода и сетью управления,
подсистема ввода - вывода у каждого контроллера, обрабатывающая
информацию полевых приборов,
системный идентификатор, поставляемый с лицензионным пакетом - это
устройство, которое вставляется в разъем параллельного порта станции
“Профессиональная Плюс”. Он дает каждой системе DeltaV уникальную идентификацию
и позволяет производить изменения в системе [5].
Рис. 3.2 - Архитектура работы системы DeltaV
Технические средства рабочих станций.
Операторские станции РМОТ1, РМОТ2, PMOT3, PMOT4,
РМРП. Операторские станции реализуют следующие основные функции:
графическое, многооконные отображения информации о состоянии объекта
управления;
визуальную и звуковую сигнализацию о нарушениях технологического
процесса, аварийных и предаварийных ситуациях;
формирование трендов реального времени;
отображение исторических данных, как по аналоговым, так и по дискретным
параметрам;
формирование и отображение журнала аварийных сообщений, как по запросу
оператора, так и в режиме реального времени;
формирование журнала действий оператора;
выдачу заданий на регуляторы и исполнительные механизмы;
настройку коэффициентов регуляторов, параметров работы исполнительных
механизмов;
формирование и печать режимных листов и отчетных документов;
обеспечение развитой системы безопасности.
Операторские станции РМОТ1, РМОТ2, РМОТ3, РМОТ4, РМРП строятся на базе
персонального компьютера DELL Precision T3500 с процессором Dual Core с тактовой частотой 3 ГГц и включает в свой состав:
оперативное запоминающее устройство (ОЗУ) объемом 3 Гб;
2 накопителя на жестких магнитных дисках с объемом памяти 250 Гб включенных
в RAID1 конфигурацию;
устройство чтения/записи компакт-дисков CD-RW;
2 ЖКИ монитора 20²;
внешние громкоговорители;
3 сетевых порта.
Программное обеспечение (далее - ПО) операторских станций функционирует в
среде Windows ХР, в качестве операторского
интерфейса используются программные пакеты «Операторский». Пакет ПО
«Операторский», устанавливаемый на ОС, обеспечивает функции графического
интерфейса пользователя, трендов реального времени, архивных трендов,
диагностических экранов.
Инженерная станция РМСИ (PROFF+).
Инженерная станция реализована на базе сервера Dell Power Edge R610 c
двумя процессорами Xeon Quad Core, тактовой частотой 2,66 ГГц имеющего следующие
комплектующие:
оперативное запоминающее устройство (ОЗУ) объемом 4 Гб;
шесть накопителей на жестких магнитных дисках (НЖМД) с объемом памяти 146
Гб включенных в RAID10
конфигурацию;
устройство чтения/записи компакт-дисков DVD-CDRW;
ЖКИ монитор 20²;
4 сетевых порта;
резервируемые блоки питания.
В инженерной станции используется пакет ПО «Профессиональный Плюс».
Пакет ПО «Профессиональный Плюс» поддерживает глобальную базу данных
конфигураций и устройств системы. Функциональные возможности пакета включают
конфигурирование, операторское управление, сбор и архивирование данных и
событий, а также диагностику [6].
Инженерная станция РМСИ устанавливается в операторной парка СУГ.
Интеграционная (историческая станция) АС (HISTORY). Интеграционная станция реализована на базе сервера Dell Power Edge R610 c
двумя процессорами Xeon Quad Core, тактовой частотой 2,66 ГГц имеющего следующие
комплектующие:
оперативное запоминающее устройство (ОЗУ) объемом 4 Гб;
шесть накопителей на жестких магнитных дисках (НЖМД) с объемом памяти 146
Гб включенных в RAID10
конфигурацию;
устройство чтения/записи компакт-дисков DVD-CDRW;
ЖКИ монитор 20²;
4 сетевых порта;
резервируемые блоки питания.
В интеграционной станции используется пакеты ПО «Интеграционный» и
генератор отчетов SyTech XL Reporter.
Пакет ПО «Интеграционный» поддерживает сбор и архивирование показаний с
датчиков системы, позволяет организовать выход на уровень автоматизации
производства, с использованием лицензии WebServer обеспечивает передачу информации на
уровень АСУП. Генератор отчетов SyTech XLReporter - позволяет формировать на
интеграционной станции сменные и суточные балансы и режимные листы.
Интеграционная (историческая) станция АС устанавливается в операторной
парка СУГ.
Станция РМКИП (AMS).
Станция РМКИП (AMS) реализована
на базе персонального компьютера DELL Precision T3500 с процессором Dual Core с тактовой частотой 3 ГГц и включает в свой состав:
оперативное запоминающее устройство (ОЗУ) объемом 3 Гб;
2 накопителя на жестких магнитных дисках с объемом памяти 250 Гб
включенных в RAID1 конфигурацию;
устройство чтения/записи компакт-дисков CD-RW;
ЖКИ монитор 20²;
внешние громкоговорители;
3 сетевых порта.
Программное обеспечение (далее - ПО) станции функционирует в среде Windows ХР, в качестве рабочего интерфейса
используются программный пакет «AMS».
Пакет ПО «AMS», устанавливаемый на станцию,
обеспечивает настройку, поверку и диагностику полевого оборудования КИП и А
(датчики, преобразователи, клапаны и т. д.).
Станция РМКИП (AMS)
устанавливается в операторной парка СУГ.
Технические средства нижнего уровня системы DeltaV.
Контроллер DeltaV. Контроллер
выполняет локальное управление и контролирует обмен данными между подсистемой
ввода/вывода и сетью управления.
Процессор контроллера (MD Plus) - VE3006 строится на базе микропроцессора Power PC860 с тактовой частотой 66 МГц и оперативной памятью объемом
48 Мб.
Для повышения надежности системы контроллеры резервируются и работают в
режиме горячего резервирования. При замене процессорного модуля в схеме с
резервированием загрузка конфигурации производится из работающего процессора
без участия человека.
Контроллеры обеспечивают реализацию следующих функций:
сбор, обработку, масштабирование информации, поступающей от аналоговых,
дискретных датчиков объекта управления, поступающей по цифровым интерфейсным
линиям связи от контроллеров смежных систем, диагностику каналов ввода;
реализацию алгоритмов логического управления и защиты оборудования,
регулирования;
выдачу управляющих воздействий на дискретные и пропорциональные
исполнительные механизмы, диагностику выходных каналов, диагностику
работоспособности линий связи, функционирование программ управления.
Контроллеры системы Delta V имеют модульную
структуру и строятся на основе трех типов базовых панелей:
2-слотовая базовая панель устройств питания/контроллеров VE3051;
8-слотовая базовая панель модулей ввода/вывода VE4050;
искробезопасная 8-слотовая панель модулей ввода/вывода VE4060.
-слотовая базовая панель предназначена для установки контроллеров и
системных источников питания.
-слотовая базовая панель предназначена для установки модулей ввода/вывода
нормального исполнения с клеммными блоками.
Искробезопасная 8-слотовая панель предназначена для установки модулей с
встроенной искрозащитой.
Подсистема ввода/вывода DeltaV.
Подсистема ввода/вывода включает в себя интерфейсы ввода/вывода, установленные
в одну или более 8-слотовые базовые панели, и поставляемые дополнительно
источники питания Quint фирмы Phoenix Contact, которые обеспечивают питание КИП и А.
клеммного блока ввода/вывода, который крепится на 8-слотовой базовой панели;
модулей ввода/вывода, которые устанавливаются на 8-слотовой панели над
клеммным блоком и преобразуют сигналы с объекта в цифровой формат.
Номенклатура модулей ввода\вывода включает 8-канальные модули:
модуль искробезопасного аналогового ввода 4-20 мА - VE4012S2B2;
модуль аналогового ввода 4-20 мА - VE4003S2B2;
резервированная пара модулей аналогового вывода: 8-канальная 4-20 мА -
VE4035S2B1;
модуль ввода дискретных сигналов - VE4001S2T2B2;
резервированная пара модулей вывода дискретных сигналов - VE4032S1T2B1 (только для систем ПАЗ).
Также для РСУ используются модули ввода/вывода дискретных сигналов
32-канального исполнения:
модуль ввода дискретных сигналов - VE4001S2T2B4;
модуль вывода дискретных сигналов - VE4002S1T2B6.
Модули аналогового ввода/вывода обеспечивают работу по HART-протоколу.
Для повышения мощности выходных дискретных сигналов используются реле Phoenix Contact PLC-RSC-24DC/21.
Одна подсистема ввода/вывода поддерживает до 64 модулей ввода/вывода.
Модули ввода/вывода допускают замену в режиме on-line, загрузка
конфигурации при этом осуществляется автоматически.
Для связи c оборудованием
других производителей по протоколу MODBUS используются модули последовательного интерфейса RS-232/485 - VE4006P2.
Для подключения части сигналов используются контроллеры: RSU1, RSU2, PAZ1, PAZ2, PAZ3, NALIV.
Источники питания. Используются системные и групповые блоки питания.
Системные блоки питания - VE5008
устанавливаются в любой слот 2-слотовой базовой панели и обеспечивают питание
контроллера и модулей ввода/вывода.
Групповые источники питания Quint фирмы Phoenix Contact обеспечивают питание полевого оборудования.
Все источники питания резервируются.
Управляющая сеть. Сеть управления системы DeltaV строится на основе резервированной локальной сети
стандарта Ethernet, протокол обмена информации - TCP/IP. Сеть обеспечивает обмен информации
со скоростями до 100 Мб/с, строится на основе сегментов, выполненных на базе
«витой пары» или оптической линии связи при расстоянии более 100м. Сеть
обеспечивает автоматическое переключение на резервную линию при выходе основной
из строя и автоматическое распознавание восстановления работоспособности
неисправной линии. Управляющая сеть функционирует через коммутаторы фирмы Hirschmann (HUB).
Система гарантированного питания. В системе используются два групповых
источника питания (ИБП).
Один ИБП Liebert
Nxe 10кВА, обеспечивает
работоспособность контроллера NALIV,
с подсистемой ввода/вывода и операторских станции РМОТ3, РМОТ4 после пропадания
сетевого напряжения в течении 60 минут на максимальной нагрузке. ИБП установлен
в операторной наливной эстакады СУГ.
Второй ИБП Liebert
Nxe 20кВА, обеспечивает
работоспособность контроллеров RSU1, RSU2, PAZ1, PAZ2, PAZ3 с подсистемой ввода/вывода,
инженерной станции РМСИ, интеграционной (исторической) станции АС, станции
РМКИП (AMS)и операторских станций РМОТ1, РМОТ2,
РМРП после пропадания сетевого напряжения в течении 60 минут на максимальной
нагрузке. ИБП установлен в операторной парка СУГ.
Средства и способы связи для информационного обмена между компонентами
системы.
На уровне контроллера информационный обмен осуществляется по локальной
шине.
Локальная шина состоит из следующих компонентов:
локальная шина на 2-слотовой базовой панели;
локальная шина на 8-слотовой базовой панели;
соединительные кабели.
Локальная шина обеспечивает передачу данных, сигналов управления и
системного питания между всеми компонентами контроллера Delta V.
Информационный обмен между контроллерами, станциями оператора и другими
автономными узлами системы управления DeltaV осуществляется по управляющей сети. Сеть управления системы DeltaV строится на основе резервированной
локальной сети стандарта Ethernet, протокол обмена информации - TCP/IP. Сеть обеспечивает обмен информации со скоростями до 100
Мб/с, строится на основе сегментов, выполненных на базе «витой пары» или
оптической линии связи при расстоянии более 100м. Сеть обеспечивает
автоматическое переключение на резервную линию при выходе основной из строя и
автоматическое распознавание восстановления работоспособности неисправной линии
[7].
3.2 Решения по режимам функционирования,
диагностированию работы системы
Система рассчитана на режим круглосуточной эксплуатации.
Периодичность профилактических работ для отдельных технических устройств
системы оговорена в инструкциях по эксплуатации этих устройств.
Профилактические работы должны, проводится без нарушения функционирования
системы и объектов управления.
Проектом предусмотрена диагностика исправности каналов ввода аналоговых
сигналов программными средствами путем проверки соответствия измерительного
сигнала допустимым физическим границам. В случае возникновения неисправности
входного аналогового канала (включая датчик) действие программы анализирующей
данный вход «замораживается» - запоминается последнее, достоверное значение
входного сигнала, клапан-регулятор переводится в ручной режим, логическая
программа ПАЗ не отрабатывает.
Результаты диагностики регистрируются и выдаются оперативному персоналу в
виде звуковой и световой сигнализации.
Кроме программной диагностики система имеет аппаратные средства проверки
исправности отдельных узлов системы.
3.3 Функциональная схема автоматизации емкостей E-15/1÷7
Объем автоматизации.
Схемой автоматизации предусмотрены следующие функции:
контроль температуры СУГ в емкости;
контроль давления с предупредительной сигнализацией при критических
значениях;
контроль давления и поддержание избыточного давления в емкости двумя
регулирующими клапанами:
) при повышении давления - открытие регулирующего клапана на линии
стравливания паров (газов) на факел, с аварийной сигнализацией при максимальном
значении;
) при понижении давления - открытие регулирующего на линии инертного газа
в емкость с аварийной сигнализацией при минимальном значении.
контроль уровня СУГ в емкости;
контроль уровня СУГ с предупредительной сигнализацией при критических
значениях;
контроль уровня СУГ с аварийной сигнализацией при критических значениях:
) при максимальном уровне СУГ - закрытие пневмоотсекателей на линиях
поступления и аварийной закачки продукта в емкость;
) при минимальном уровне СУГ- останов насосов, откачивающих данный
продукт.
контроль уровня подтоварной воды с предупредительной сигнализацией при
критических значениях:
) при максимальном уровне подтоварной воды - открытие пневмоотсекателей
на линии откачки подтоварной воды;
) при минимальном уровне подтоварной воды - закрытие пневмоотсекателей на
линии откачки подтоварной воды.
автоматическое закрытие отсечных клапанов при аварийных ситуациях на
линиях:
) поступления СУГ в емкости;
) аварийной закачки СУГ в емкости;
) откачки СУГ из емкости;
) газоуравнительной от емкости.
контроль давления паров на общих газоуравнительных линиях емкостей
Е-15/1…7.
Функциональная схема автоматизации представлена на рисунке 3.3, перечень
контрольно-измерительных приборов приведен в таблице 3.1.
Описание функциональной схемы автоматизации.
Пропан-пропиленовая фракция с комплекса Г-43-107М/1 поступает под
давлением через электрозадвижку MS1 в
парк сжиженных углеводородов в одну из емкостей в Е-15/1¸7. Со щита КИП в операторной или по
месту на трубопроводе поступления в каждую емкость Е-15/1÷7
открывается
соответствующий пневмоотсекатель (SV1.1÷SV1.7).
Температура в емкостях измеряется термопарами TT 1÷TT 2.
Каждая емкость оснащена тремя уровнемерами:
LT 3÷ LT 4 регистрирует уровень продукта в емкости;
LT 5÷LT 6 сигнализирует при достижении верхнего - 70 % шкалы
уровнемера (2260 мм) и нижнего - 3 % шкалы уровнемера (585 мм) уровней
продуктом;
Рисунок 3.3 - Функциональная схема автоматизации
Продолжение рисунка 3.3
LT 7÷LT 8 сигнализирует и посылает сигнал на
блокировку: для верхнего - при 73 % шкалы уровнемера (2335 мм) уровня -
закрытие пневмоотсекателей SV 2.1÷SV 2.7 и SV 1.1÷SV 1.7, для нижнего - при 2 % шкалы уровнемера (560 мм) -
автоматическая остановка Н-41/1,2.
Предельное заполнение емкости - не более 75 % от объема. По мере
заполнения емкости производится переключение на любую другую из емкостей Е-15/1¸7, отсечением пневмоотсекателей SV
1.1÷SV 1.7.
Одна из емкостей не заполняется и служит для аварийной перекачки в нее
продукта. Для этой цели служит емкость Е-15/2.
Давление в емкостях контролируется двумя манометрами:
PT 9÷PT 10 регистрирует значение давления в
емкости и сигнализирует при достижении верхнего (15,5 кгс/см2) и
нижнего (4,5 кгс/см2) уровней;
PT 11÷PT 12 регистрирует, сигнализирует и
регулирует давление: при 16,5 кгс/см2 - открывается регулирующий
клапан PV
4.1÷PV 4.7; при 4,5 кгс/см2 -
открывается регулирующий клапан PV
5.1.
Во избежание превышения давления при заполнении и понижении давления при
откачке продукта из емкости предусмотрена газо-уравнительная линия, задвижки и
пневмоотсекатели (SV
5.1÷SV 5.7) на которой должны быть всегда
открыты.
При снижении давления в емкости из-за конденсации газовой фазы при
длительном хранении или в зимнее время года при неисправном обогреве,
необходимое давление создаётся с помощью инертного газа высокого давления,
который подается в линию «газ-пропан с эстакады» через открывающийся при достижении
минимального рабочего давления регулирующий клапан 5.1.
В случае повышения давления в емкостях Е-15/1¸7 открываются соответствующие
емкостям регулирующие клапана PV 4.1÷PV 4.7, установленные на факельном трубопроводе.
Имеется возможность подачи инертного газа низкого давления в емкости
Е-15/1¸7 через задвижку в единую
газоуравнительную линию емкостей Е-14/1¸3 и Е-15/1¸7.
Уровень подтоварной воды контролируется LT 13÷LT 14. При достижении подтоварной водой уровня более 400 мм
срабатывает звуковая и световая сигнализация и происходит открытие
пневмоотсекателя SV
6.1÷SV 6.7. При достижении подтоварной
водой нижнего уровня (между вентилем у днища резерувара и задвижкой на
дренажном трубопроводе) закрывается пневмоотсекатель SV 6.1÷SV 6.7.
Описание блокировок и их действий представлены в таблице 3.2
Таблица 3.1 - Спецификация контрольно-измерительных приборов
|
Позиция
|
Наименование
|
Кол-во
|
Примечание
|
|
1, 2
|
Датчик температуры интеллектуальный Rosemount 248
|
2
|
Exia
|
|
3, 4
|
Датчик гидростатического давления Метран-100 ДГ
|
2
|
Exia
|
|
5, 6
|
Уровнемер радарный Rosemount серии 5401
|
2
|
Exia
|
|
7, 8, 13, 14
|
Уровнемер волноводный радарный Rosemount 5301
|
4
|
Exia
|
|
9, 10, 11, 12
|
Датчик избыточного давления штуцерного исполнения МЕТРАН -
150 TG
|
4
|
Exia
|
Таблица 3.2 - Блокировки и их действия
|
Номер защиты
|
Позиции
|
Технологический параметр
|
Действия блокировки
|
|
1
|
LT 7
|
Уровень продукта L>2325 мм
|
Автоматическое закрытие SV 1.1, SV 2.1
|
|
2
|
LT 8
|
Уровень продукта L>2325 мм
|
Автоматическое закрытие SV 1.7, SV 2.7
|
|
3
|
PT 9
|
Давление в емкости P<4,5 кгс/см2
|
Автоматическое открытие SV 3.1
|
|
4
|
PT 10
|
Давление в емкости P<4,5 кгс/см2
|
Автоматическое открытие SV 3.1
|
|
5
|
LT 13
|
Уровень подтоварной воды L<Lмин
|
Автоматическое закрытие SV 5.1
|
|
6
|
LT 14
|
Уровень подтоварной воды L<Lмин
|
Автоматическое закрытие SV 5.7
|
3.4 Уровень первичных датчиков рабочих
параметров среды
В данном подразделе будут подробно рассматриваться первичные приборы,
применяемых в схеме, описанной выше.
В качестве рассматриваемых средств измерения, будут использованы:
датчики температуры Rosemount 248 c термопреобразователями сопротивления
Rosemount 0065 производства компании Emerson с выходным сигналом 4-20 мА, во
взрывозащищенном исполнении 1EхdIIСТ6;
датчики избыточного давления и перепада давления типа Метран-150
производства ПГ «Метран» с выходным сигналом 4-20 мА, во взрывозащищенном
исполнении 1EхdIIСТ5Х;
уровнемеры волноводные радарные Rosemount серии 5300.
Предложенные датчики давления, температуры и уровня помимо токового
выходного сигнала имеют цифровой выходной сигнал на базе HART-протокола,
позволяющий осуществлять управления параметрами датчиков с помощью
HART-коммуникатора.
Выбор датчиков температуры Rosemount 248 основан на ряде преимуществ
данных датчиков температуры, а именно:
обеспечивают высокую точность измерений;
имеют долговременную стабильность и надежность;
позволяют осуществлять цифровую передачу информации по HART-протоколу;
имеют возможность дистанционного управления и диагностики.
Интеллектуальные датчики давления серии Метран - 150 относятся к новому
поколению датчиков давления Метран и имеют:
высокую стабильность характеристик;
позволяют осуществлять цифровую передачу информации по HART-протоколу;
улучшенный дизайн и компактную конструкцию;
поворотный электронный блок и ЖКИ;
непрерывную самодиагностику;
высокую перегрузочную способность;
защиту от переходных процессов.
Измерение температуры. Датчик температуры Rosemount - 248.
Для точного ведения процесса учета газа и для необходимой коррекции
расхода по температуре используются современные датчики температуры Rosemount - 248.
Измерительные преобразователи ИП Rosemount 248 предназначены для
преобразования сигналов, поступающих от термопреобразователей сопротивления,
термоэлектрических преобразователей, омических устройств и милливольтовых
устройств постоянного тока в унифицированный электрический выходной сигнал
постоянного тока 4 - 20 мА (линейный по температуре или входному сигналу), а
также в цифровой сигнал для передачи по протоколу HART.
Датчики температуры Rosemount 248 предназначены для измерения температуры
жидких и газообразных сред путем преобразования измерительным преобразователем Rosemount 248 сигнала первичного
преобразователя температуры в унифицированный выходной сигнал постоянного тока
4 - 20 мА, а также в цифровой сигнал для передачи по НАRТ - протоколу.
Конструктивные особенности датчиков температуры Rosemount 248 и измерительных преобразователей Rosemount 248 приведены на рисунке
3.4.
Датчики температуры Rosemount 248 состоят из первичного преобразователя
температуры, термопреобразователя сопротивления или термоэлектрического
преобразователя и измерительного преобразователя Rosemount - 248.Первичный
преобразователь температуры состоит из измерительной вставки с платиновым
чувствительным элементом для ТС или термопары в качестве ЧЭ, помещенной в
защитную арматуру для ТП. ИП встроен в соединительную головку датчика
температуры, смонтированную вместе с ПП. Датчики комплектуются защитными
гильзами (литыми или трубчатыми).
ИП Rosemount - 248 обеспечивает аналого - цифровое преобразование
первичного сигнала от ЧЭ, обработку результатов преобразования и цифро -
аналоговое преобразование в стандартный выходной сигнал 4 - 20 мА с наложением
цифрового сигнала по HART - протоколу. ИП248 конструктивно выполнены в корпусе
с расположенными на нем клеммами для подключения входного сигнала, а также
клеммами для вывода выходного сигнала и подключения напряжения питания.
Термоэлектрические преобразователи стандарт IEC 584. Конструкция. ТП
производства Rosemount с монтажной платой стандарта DIN и с 1/2 дюймовым
адаптером соответствуют 1-му классу допуска по стандарту IEC 584. Рабочий спай
сварен лазерной сваркой с целью получения однородного, прочного спая,
поддержания целостности цепи и обеспечения высочайшей точности измерений.
Сопротивление изоляции составляет 1000 МОм при напряжении 500 В постоянного
тока и комнатной температуре.
Многие из ИП фирмы Rosemount могут быть многоточечными. Использование
коммуникационного протокола HART позволяет объединить в рамках одной
коммуникационной сети до 15 различных ИП, соединенных с помощью витой пары или
подключенных к одной выделенной телефонной линии.
Понятие «многоточечная» означает, что в рамках одной коммуникационной
сети объединены несколько ИП. Обмен информацией между главным контроллером
(хостом) и ИП производится с помощью цифровой передачи данных. При этом функция
вывода аналоговых сигналов ИП отключена.
Полевой коммуникатор модели 375 может проводить тестирование,
конфигурирование и форматирование многоточечного ИП Rosemount 248 тем же
способом, что и в стандартной установке «точка-точка».
При применении многоточечной установки требуется учитывать скорость
обновления каждого из ИП, подключенных к сети, возможности совместной работы
различных моделей измерительных преобразователей в такой конфигурации, а также
длину коммуникационных кабелей. Каждому из ИП присваивается собственный адрес
(от 1 до 15) с помощью которого определяется, к какому из ИП относится команда
протокола HART. На рисунке 3.5 показан пример типичной многоточечной
коммуникационной сети [8].
Рисунок 3.4 - Датчик температуры Rosemount 248 и измерительные преобразователи Rosemount 248
Рисунок 3.5 - Типичная многоточечная сеть
Измерение давления. Датчики избыточного давления Метран серии 150.
Интеллектуальные преобразователи (датчики) давления Метран-150,
применяются для измерения, отображения и передачи в системы управления
параметра давления (избыточного, абсолютного, вакуумметрического,
дифференциального, давления - разрежения, гидростатического) жидких и газовых
(в том числе агрессивных) сред в энергетике, энергосбережении, металлургии,
машиностроении, химической, нефтяной, нефтехимической и других отраслях
промышленности. Наличие выхода по протоколу HART. Датчик состоит из сенсорного
модуля и электронного преобразователя. Сенсор состоит из измерительного блока и
платы аналого - цифрового преобразователя (АЦП). Давление подается в камеру
измерительного блока, преобразуется в деформацию чувствительного элемента и
изменение электрического сигнала.
Преимущества использования датчика Метран-150:
многократная перегрузочная способность, дающая уверенность в процессе
измерения;
стабильность метрологических характеристик, подтвержденная полигонными
испытаниями;
наличие выхода по протоколу HART, дающее возможность интегрировать датчик
в современные системы управления техпроцессами;
расширенная непрерывная самодиагностика и диагностика состояния процесса,
обеспечивающая своевременное техобслуживание и предотвращение нештатных ситуаций;
простота ввода в эксплуатацию и обслуживания, обеспеченная особенностью
конструкции;
улучшенный дизайн и компактная конструкция;
поворотный электронный блок и ЖКИ;
защита от переходных процессов;
внешняя кнопка установки «нуля» и диапазона;
ценовой диапазон, присущий отечественным датчикам давления.
Приборы характеризуются высоким уровнем надежности, обеспечивающим
безотказность работы в жестких климатических условиях и при механических
воздействиях, множеством опций и взаимозаменяемостью с традиционно используемыми
датчиками.
В зависимости от измеряемого давления датчики Метран-150 имеют следующее
обозначение:- абсолютное давление;- избыточное давление;- разность давлений.
В зависимости от конструктивного исполнения датчики имеют типы
обозначения Т и C:
T - преобразователь штуцерного исполнения с наружной резьбой для
технологического соединения М20х1,5 или внутренней - 14NPТ для соединений с
вариантом открытой мембраны. В модели Метран - 150TA для измерения абсолютного
давления полость над чувствительным элементом вакуумирована и герметизирована.
Нижний предел измерений датчиков модели Метран-150TA равен нулю абсолютному.
Модели Метран-150TG, предназначены для измерения избыточного давления, полость
над чувствительным элементом соединена с атмосферой. Метран - 150TG могут измерять разрежение и давление
- разрежения, обеспечивая настройку от минус 101,3кПа (при этом предполагается,
что атмосферное давление равно 101,3 кПа) до максимального верхнего предела
измерений (Рmax) в зависимости от кода диапазона модели;
C -
фланцевая бипланарная конструкция датчика. Датчики модели Метран-150СD измеряет перепад давлений, а датчики
модели Метран - 150CG измеряет
избыточное давление. Метран - 150 CG в отличие от штуцерного исполнения Метран - 150 TG обладает рядом существенных преимуществ. Во-первых, CG обеспечивает расширенное
коррозийностойкое исполнение. Во-вторых, CG может быть заменена на аналогичную модель Метран-100
фланцевого исполнения.
Датчики модели 150CG также могут измерять разрежение и
давление-разрежение, обеспечивая настройку от минус 97,9 кПа (при этом
предполагается, что атмосферное давление равно 101,3 кПа) или минус Рmax до
Рmax в зависимости от кода диапазона модели. В измерительных блоках моделей TG,
TGR, TA, ТАR (рисунок 3.6) используется тензорезистивный тензомодуль на
кремниевой подложке. Чувствительным элементом тензомодуля является пластина 1
из кремния с пленочными тензорезисторами (структура КНК - кремний на кремнии).
Давление через разделительную мембрану 3 и разделительную жидкость 2 передается
на чувствительный элемент тензомодуля.
- пластина из кремния; 2 - разделительная жидкость; 3 - разделительная
мембрана
Рисунок 3.6 - Схема измерительного блока датчиков давления Метран - 150
штуцерного исполнения
Воздействие давления вызывает изменение положения чувствительного
элемента, при этом изменяется электрическое сопротивление его тензорезисторов,
что приводит к разбалансу мостовой схемы. Электрический сигнал, образующийся
при разбалансе мостовой схемы, измеряется АЦП и подается в электронный
преобразователь, который преобразует это изменение в выходной сигнал. В моделях
150ТА и 150ТАR полость над чувствительным элементом вакууммирована и
герметизирована.
Датчики Метран - 150 фланцевого исполнения (CD, CG), компланарного
исполнения (CDR, CGR, L). Измерительный блок датчиков (рисунок 3.7) этих
моделей состоит из корпуса 1 и емкостной измерительной ячейки 2. Емкостная
ячейка изолирована механически, электрически и термически от измеряемой и
окружающей сред. Измеряемое давление передается через разделительные мембраны 3
и разделительную жидкость 4 к измерительной мембране 5, расположенной в центре
емкостной ячейки. Воздействие давления вызывает изменение положения
измерительной мембраны 5, что приводит к появлению разности емкостей между
измерительной мембраной и пластинами конденсатора 6, расположенным по обеим
сторонам от измерительной мембраны. Разность емкостей измеряется АЦП и
преобразуется электронным преобразователем в выходной сигнал.
Датчик имеет электронное демпфирование выходного сигнала,
характеризующееся временем усреднения результатов измерений. Значение времени
демпфирования устанавливается потребителем при настройке. Датчик поставляется
настроенным на значение 0,5 с для моделей 150CD, 150CG,
150TA, 150TG и 0,4 с для остальных моделей.
- корпус; 2 - емкостная измерительная ячейка; 3 - разделительная
мембрана; 4 - разделительная жидкость; 5 - измерительная мембрана; 6 - пластины
конденсатора
Рисунок 3.7 - Схема измерительного блока датчиков давления Метран - 150
фланцевого исполнения
Нововведения в преобразователях:
) для измерения давления агрессивных сред были добавлены новые материалы
разделительной мембраны - Hastelloy® и Тантал, материал уплотнительных колец -
фторопласт;
) низкотемпературное исполнение (код LT) позволяет эксплуатировать
Метран-150 при температуре от -55°С, даже в условиях взрывоопасной атмосферы
(коды IM и EM);
) добавлена опция PC - код предела основной погрешности ±0,5%;
) датчик Метран-150 штуцерного исполнения модели 150TG, а также датчики
моделей 150 CG3, 150 CG4 и 150 CG5 при измерении разрежения и
давления-разрежения можно настроить от -100 кПа до +Pmax;
) период поверки датчиков Метран-150 увеличен до 4-х лет [9].
Измерение уровня. Волноводные радарные уровнемеры Rosemount серии
5300.серии 5300 это двухпроводный волноводный уровнемер для измерения уровня и
уровня границы раздела жидкостей, а также уровня суспензий и твердых сыпучих
сред. Прибор обеспечивает высокую надежность, современные меры обеспечения
безопасности, простоту использования и неограниченные возможности подключения и
интеграции в системы АСУ.
Основные характеристики:
Измеряемые среды: жидкие (нефть, темные и светлые нефтепродукты, вода,
водные растворы, сжиженный газ, кислоты и др.), сыпучие (пластик, зольная пыль,
цемент, песок, сахар, злаки и т.д.);
Диапазон измерений: от 0,1 до 50 м;
Выходные сигналы: 4-20 мА с цифровым сигналом на базе HARTT протокола или Founndation™ Fieldbus;
Наличие взрывозащищенного исполнения;
Межповерочный интервал 2 года;
Внесены в Госреестр средств измерений под №38679, сертификат №32768.
Уровнемеры Rosemount серии 5300 применяются в следующих отраслях
промышленности:
химической и нефтехимической;
нефтегазовой;
целлюлозно-бумажной;
фармацевтической;
пищевой промышленности и производстве напитков;
контроле питьевой воды и сточных вод;
энергетике (плотины и гидроэлектростанции).
Достоинства:
широкий диапазон измерений и качественные измерения сред с низким
коэффициентом отражения;
благодаря технологии прямого переключения и функции проецирования конца
зонда;
улучшенные характеристики электромагнитной совместимости благодаря
интеллектуальной гальванической развязке;
повышенная безопасность благодаря модульной конструкции блока
электроники;
расширенная диагностика и возможность профилактического обслуживания по
протоколам HART® и Foundation™ Fieldbus.
Корпус прибора выполнен из алюминиевого сплава с покрытием из полиуретана
и имеет два отдельных отсека для раздельного расположения блока электроники и клеммного
блока. При такой компоновке повышается надежность уровнемера при эксплуатации,
обеспечивается простой доступ к клеммам при подключении. Корпус вращается на
360° вокруг своей оси и может отсоединяться от зонда при проведении сервисных
работ, при этом герметичность резервуара не нарушится. Между корпусом и зондом
отсутствуют какие-либо механические соединения. В корпусе имеется два отверстия
для подвода кабеля, стандартно серия 5300 поставляется с 1/2“ NPT кабельным
вводом, а также адаптером M20 и разъемами eurofast или minifast в качестве
опций. Конструкция прибора приведена на рисунке 3.8.
Принцип действия волноводного уровнемера основан на технологии
рефлектометрии с временным разрешением (TDR = Time Domain Reflectometry).
Микроволновые наносекундные радарные импульсы малой мощности направляются вниз
по зонду, погруженному в технологическую среду. Когда радарный импульс
достигает среды с другим коэффициентом диэлектрической проницаемости, часть
энергии импульса отражается в обратном направлении.
Рисунок 3.8 - Конструкция уровнемера Rosemount серии 5300
Разница во времени между моментом передачи радарного импульса и моментом
приема эхосигнала пропорциональна расстоянию, согласно которому рассчитывается
уровень жидкости или уровень границы раздела двух сред. Интенсивность
отраженного эхосигнала зависит от диэлектрической проницаемости среды. Чем выше
коэффициент диэлектрической проницаемости, тем выше интенсивность отраженного
сигнала. Волноводная технология имеет ряд преимуществ по сравнению с другими
методами измерений уровня, поскольку радарные импульсы практически
невосприимчивы к составу среды, атмосфере резервуара, температуре и давлению.
В уровнемере для удобства применения и обслуживания в различных условиях
использованы следующие принципы и конструкторские решения:
модульность конструкций;
усовершенствованная аналоговая и цифровая обработка сигнала;
возможность использования зондов нескольких типов в зависимости от
условий применения уровнемера;
подключение двухпроводным кабелем (питание подаётся по сигнальному
контуру);
поддержка коммуникационного цифрового протокола HART®, что обеспечивает вывод данных в цифровом виде и
возможность дистанционной настройки прибора при помощи портативного
коммуникатора модели 375 либо персонального компьютера с установленным
программным обеспечением Rosemount Radar Master или AMS и HARTTмодемом;
поддержка Foundation™ Fieldbus.
Поскольку радарные импульсы направляются по зонду, а не свободно
распространяются в пространстве резервуара, то волноводная технология может с
успехом применяться для малых и узких резервуаров, а также для резервуаров с
узкими патрубками. Точность и надежность измерений двух параметров одним
уровнемером: уровня верхней среды и уровня границы раздела двух сред
обеспечивается цифровой обработкой сигнала микропроцессорной электроникой
уровнемера.
Для работы с большими диапазонами измерений на средах с низким значением
диэлектрической постоянной используется функция проецирования конца зонда. Если
эхосигнал не отражается от поверхности среды, то уровнемер серии 5300
использует конец зонда в качестве базы для вычисления фактического уровня.
Инновационная конфигурация экранирующего элемента между электроникой,
микроволновым генератором и корпусом приводит к более устойчивым микроволновым
рабочим характеристикам и минимизирует нежелательные помехи. Это улучшает
рабочие характеристики по электромагнитной совместимости и обеспечивает
проведение более стабильных измерений.серии 5300 поддерживает архитектуру
PlantWeb™, предоставляя лучшие возможности многопараметрических измерений
(измерение уровня и уровня границы раздела двух сред одним двухпроводным
уровнемером), обеспечивает широкий спектр применений и возможности расширенной
диагностики по протоколам HART® и Foundation™ Fieldbus.
Компания Rosemount обладает огромным опытом разработки уровнемеров для
эксплуатации в тяжелых условиях на химических и нефтеперерабатывающих
производствах. Весь этот опыт был использован для конструирования
цельнометаллического корпуса уровнемеров Rosemount серии 5300 с отдельными
отсеками для электроники и клеммного блока. Отличительной его чертой является
эргономично расположенный встроенный дисплей. Корпус имеет степень защиты IP67
и может использоваться в окружающей среде с относительной влажностью до 100%.
Уровнемер серии 5300 состоит из блока электроники, соединения с
резервуаром и зонда. Соединение с резервуаром и зонд являются единственными
деталями, которые контактируют с атмосферой резервуара [10].
4. Разработка программы управления
исполнительными механизмами на линии поступления и откачки пропан-пропиленовой
фракции
В данном разделе решается проблема своевременного переключения задвижек и
отсекателей на линии поступления и откачки пропан-пропиленовой фракции, путем
управления ими с помощью контроллера. Необходимость автоматического управления
объясняется большим количеством исполнительных механизмов на линии, и высокой
скоростью протекающих процессов, и необходимостью быстрого реагирования на
аварийные и предаварийные состояния объекта, своевременное оповещение оператора
о состоянии объекта, предупредительная и аварийная сигнализация и
противоаварийная защита объекта с помощью блокировок.
Аварийными состояниями являются:
неисправность одной из емкостей;
повышения давления в емкостях.
Управление технологическим процессом осуществляется контроллером. Он
производит опрос датчиков и вырабатывает сигналы управления. К функциям,
выполняемым контроллером, можно отнести следующие:
- контроль и сигнализация предельных значений;
управление объектом.
Сигнализация реализуются путем сравнения технологического параметра с
определенным предельным значением (уставкой). В результате вырабатывается
соответствующий сигнал.
4.1 Инструментальная система программирования
промышленных контроллеров
Прикладное программное обеспечение (ПО) современных программируемых
логических контроллеров (ПЛК), имеющих встроенную операционную систему, может
быть разработано как с использованием традиционных инструментальных средств
(компиляторы языков СИ, Паскаль, Фортран, Бейсик и т.д.), так и на основе
специализированных языковых средств. Традиционная технология требует от
разработчика знаний не только в области использования языков программирования,
но и особенностей операционной системы, а также аппаратных возможностей данного
контроллера и организации системы ввода/вывода. При этом разработанное ПО будет
привязано только к данному типу контроллера и не может быть перенесено на
другую аппаратно-программную платформу. Потребность в специальной платформе -
независимых языках программирования возникла давно. Она послужила причиной
объединения усилий ведущих производителей контроллеров по разработке под эгидой
Международной Электротехнической Комиссии (МЭК) стандарты на такие языки
программирования ПЛК. Одной из первых реализаций стала инструментальная система
ISaGRAF.
Архитектура ISaGRAF.
Система ISaGRAF состоит из двух частей: системы
разработки ISaGRAF Workbench и системы исполнения ISaGRAF Target. Система разработки представляет собой набор Windows - приложений, интегрированных в
единую инструментальную среду и работающих под операционной системой (ОС) Windows 95/98/NT.
Основу системы исполнения составляет набор программных модулей (для
каждой целевой системы свой), выполняющих самостоятельные задачи, под
управлением ядра ISaGRAF.
Ядро ISaGRAF реализует поддержку стандартных
языков программирования, типового набора функций и функциональных блоков и
драйверов ввода/вывода. Задача связи обеспечивает поддержку процедуры загрузки
пользовательского ISaGRAF -
приложения со стороны программируемого контроллера, а также доступ к рабочим
переменным этого приложения со стороны отладчика системы разработки ISaGRAF. Взаимодействие систем разработки и
исполнения осуществляется по протоколу MODBUS, что дает возможность доступа к данным контроллера не
только отладчику ISaGRAF, но и
любой системе визуализации и управления данными (SCADA). Драйверы устройств сопряжения с объектом организуют
прозрачный доступ к аппаратуре ввода/вывода. Функции пользователя реализуют
процедуры и алгоритмы функций. Системные функции предназначены для описания
специфики конкретной (ОС), реализованной на данном типе контроллеров.
Языки программирования.
В ISaGRAF заложена методология структурного
программирования, позволяющая пользователю представить автоматизированный
процесс в наиболее легкой и понятной форме. Стандартом МЭК 61131-3 определяется
пять языков: три графических (SFC, FBD, LD) и два текстовых (ST, IL). Помимо этих языков, ISaGRAF предлагает язык блок-схем (Flowchart). Все эти языки программирования интегрированы
в единую инструментальную среду и работают с едиными объектами данных.
SFC -
графический язык последовательных функциональных схем (Sequential Function Chart). Язык SFC
предназначен для использования на этапе проектирования ПО и позволяет описать
"скелет" программы - логику ее работы на уровне последовательных
шагов и условных переходов.
FBD -
графический язык диаграмм релейной логики (Ladder Diagramm). Язык FBD применяется для построения комплексных процедур,
состоящих из различных библиотечных блоков - арифметических,
тригонометрических, регуляторов, мультиплексоров и т. д.
LD -
графический язык диаграмм релейной логики (Ladder Diagram). Язык LD
применяется для описания логических выражений различного уровня сложности.
ST -
язык структурированного текста (Structured Text). Это язык
высокого уровня, по мнемонике похож на Pascal и применяется для процедур обработки данных. Из выше
перечисленных языков выбираем язык ST, так как он наиболее приемлем как по уровню, так и по синтаксису, и
удобен для реализации сложных алгоритмов и процедур [11].
4.2 Программирование контроллера
Работа начинается с создания проекта в ISaGRAF. В описании проекта (Edit description) можно указать автора проекта, его
название, версию. В самом проекте создается программа (File - New),
при этом можно указать какой язык программирования будет использоваться, тип
программы.
Перед тем, как ввести текст программы, необходимо объявить используемые в
ней переменные. Это выполняется с помощью команд меню "Dictionary".
Глобальные переменные (global variables)
доступны любой программе созданного проекта. Среди переменных можно выделить
следующие:
·аналоговые;
·логические;
·таймерные.
Переменные могут быть входными, выходными и внутренними. Аналоговые
переменные могут быть целочисленными или вещественными.
4.3 Построение графа переходов
Теория построения графа.
Граф переходов составляется на основании словесной формулировки
алгоритмов управления, а также введения обозначения сигналов в следующей
последовательности:
определяется начальное состояние объекта, из которого начинается процесс
управления, и для него вводится начальное состояние на графе переходов,
обозначаемое кружком «0». Для этого состояния определяются значения всех
выходных сигналов, а также соответствующие им состояния исполнительных
механизмов объекта и элементов на пульте управления. Все начальные состояния
выходных сигналов приписываются в начальном состоянии графа переходов с помощью
введенных раннее обозначений;
определяется очередность состояний объекта и необходимое для этого
изменение состояний исполнительных механизмов. Каждый переход из начального
состояния в последующие изображается направленной линией, связывающей
изображение этих состояний. Стрелка, указывающая направление перехода, обычно
изображается в средней части линии. Над стрелкой указывается логическое
условие, при выполнение которого осуществляется данный переход, то есть переход
разрешается, когда логическое условие перехода принимает единичное значение.
Если из данного состояния возможны несколько переходов, то все они изображаются
направленными переходами с соответствующими условиями переходов, при этом все
условия должны быть взаимоисключающими, то етсь не должно выполняться более
одного условия в данный момент времени (иначе это будет противоречить
требованию однозначности алгоритма);
чтобы избежать избыточного числа состояний на графе переходов, каждое
новое состояние вводится только тогда, когда аналогичного состояния на графе не
вводилось. Аналогичными или идентичными состояниями графа переходов называют
состояния, в котором формируются одинаковые выходные сигналы для объекта и
пульта управления;
построение графа переходов продолжается до тех пор, пока все
последовательности состояний не образуют замкнутые циклы или подграфы. Наличие
или появление тупиковых состояний, из которых нет переходов в другие состояния,
свидетельствует, как правило, либо об ошибках построения графа переходов, либо
о не полноте или ошибочности исходных данных, приведенных в словесной
формулировке алгоритма. В этом случае необходимо доопределить и замкнуть граф
соответствующим переходом [12].
Составление алгоритмов управления объектом.
Пропан-пропиленовая фракция с комплекса Г-43-107М/1 поступает под
давлением через электрозадвижку MS1 в
парк сжиженных углеводородов в одну из емкостей в Е-15/1¸7, открывается соответствующий
отсекатель SV 1.7.
Предельное заполнение емкости - не более 75 % от объема. По мере
заполнения емкости производится переключение на любую другую из емкостей Е-15/1¸7, отсечением пневмоотсекателей SV
20÷SV26.
Одна из емкостей не заполняется и служит для аварийной перекачки в нее
продукта. Для этой цели служит емкость Е-15/2.
В случае повышения давления в емкостях Е-15/1¸7 открываются соответствующие
емкостям регулирующие клапана PV2007÷PV2013, установленные на факельном трубопроводе.
После заполнения емкости необходимо дать продукту отстояться не менее 3-х
часов. После отстоя продукта подтоварную воду, содержащую щелочь, необходимо
сдренировать в Е-53. В емкостях с готовой продукцией с помощью фенолфталеина
производится анализ продукта на содержание в пропан-пропиленовой фракции
щелочи. В случае обнаружения щелочи в продукте необходимо продлить время отстоя
и продолжить дренирование подтоварной воды.
При достижении подтоварной водой уровня более 400 мм срабатывает звуковая
и световая сигнализация и происходит открытие пневмоотсекателя SV4020÷SV4026. При достижении подтоварной
водой нижнего уровня (между вентилем у днища резерувара и задвижкой на
дренажном трубопроводе) закрывается пневмоотсекатель SV4020÷SV4026.
После отстоя, зачистки от подтоварной воды и получения результата
анализа, соответствующего требованиям ТУ на готовую продукцию, производится
откачка ППФ насосами Н-41 и Н-42.
При включении насосов Н-41/1,2 расход откачиваемого продукта
контролируется по уровнемерам, установленному на емкостях.
Введение входных и выходных сигналов.
На основании алгоритма управления объектом введем входные и выходные
сигналы.
Выходные сигналы:
;
;
-
;
;
;
;
;
;
;
;
;
;
;
;
;
;
;
;
;
;
;
;
;
;
;
;
;
;
;
;
;
;
;
;
;
;
;
;
;
;
;
;
;
;
;
;
;
;
;
;
-
-
-
- 
-
Входные сигналы:
;
;
;
;
;
;
;
;
;
;
;
;
;
;
;
;
;
;
;
;
;
;
;
;
;
.
Так же для удобства тестирования программ введем еще два вспомогательных
входных сигнала:
;
На основе полученных данных строим граф переходов. Граф переходов показан
на рисунке 4.1.
4.4 Написание программы управления объектом на
языке ST
Определение типа входных и выходных сигналов, и типа их переменных.
На основе данных, полученных в предыдущем разделе составим сводную
таблицу сигналов.
Типы переменных и сигналов сведены в таблицу 4.1
Таблица 4.1 Типы сигналов и переменных.
|
Обозначение
|
Тип переменной
|
Тип сигнала
|
|
SV20o
|
Boolean
|
Output
|
|
SV22o
|
Boolean
|
Output
|
|
SV23o
|
Boolean
|
Output
|
|
SV24o
|
Boolean
|
Output
|
|
SV25o
|
Boolean
|
Output
|
|
SV26o
|
Boolean
|
Output
|
|
SV20c
|
Boolean
|
Output
|
|
SV22c
|
Boolean
|
Output
|
|
SV23c
|
Boolean
|
Output
|
|
SV24c
|
Boolean
|
Output
|
|
SV25c
|
Boolean
|
Output
|
|
SV26c
|
Boolean
|
Output
|
|
PV2007o
|
Boolean
|
Output
|
|
PV2009o
|
Boolean
|
Output
|
|
PV2010o
|
Boolean
|
Output
|
|
PV2011o
|
Boolean
|
Output
|
|
PV2012o
|
Boolean
|
Output
|
|
PV2013o
|
Boolean
|
Output
|
|
PV2007c
|
Boolean
|
Output
|
|
PV2009c
|
Boolean
|
Output
|
|
PV2010c
|
Boolean
|
Output
|
|
PV2011c
|
Boolean
|
Output
|
|
PV2012c
|
Boolean
|
Output
|
|
PV2013c
|
Boolean
|
Output
|
|
SV4020o
|
Boolean
|
Output
|
|
SV4020o
|
Boolean
|
Output
|
|
SV4022o
|
Boolean
|
Output
|
|
SV4023o
|
Boolean
|
Output
|
|
SV4024o
|
Boolean
|
Output
|
|
SV4025o
|
Boolean
|
Output
|
|
SV4020c
|
Boolean
|
Output
|
|
SV4020c
|
Boolean
|
Output
|
|
SV4022c
|
Boolean
|
Output
|
|
SV4023c
|
Boolean
|
Output
|
|
SV4024c
|
Boolean
|
Output
|
|
SV4025c
|
Boolean
|
Output
|
|
SV27o
|
Boolean
|
Output
|
|
SV29o
|
Boolean
|
Output
|
|
SV30o
|
Boolean
|
Output
|
|
SV31o
|
Boolean
|
Output
|
|
SV32o
|
Boolean
|
Output
|
|
SV33o
|
Boolean
|
Output
|
|
SV27c
|
Boolean
|
Output
|
|
SV29c
|
Boolean
|
Output
|
|
SV30c
|
Boolean
|
Output
|
|
SV31c
|
Boolean
|
Output
|
|
SV32c
|
Boolean
|
Output
|
|
SV33c
|
Boolean
|
Output
|
|
Umso
|
Boolean
|
Output
|
|
Umsc
|
Boolean
|
Output
|
|
SV21
|
Boolean
|
Output
|
|
T5
|
Boolean
|
Output
|
|
T180
|
Boolean
|
Output
|
|
Sneav
|
Boolean
|
Output
|
|
Sphat
|
Boolean
|
Output
|
|
Sphav
|
Boolean
|
Output
|
|
Sv400at
|
Boolean
|
Output
|
|
XППФ
|
Boolean
|
Input
|
|
X75E151
|
Boolean
|
Input
|
|
X75E153
|
Boolean
|
Input
|
|
X75E154
|
Boolean
|
Input
|
|
X75E155
|
Boolean
|
Input
|
|
X75E156
|
Boolean
|
Input
|
|
X75E157
|
Boolean
|
Input
|
|
XNE151
|
Boolean
|
Input
|
|
XNE153
|
Boolean
|
Input
|
|
XNE154
|
Boolean
|
Input
|
|
XNE155
|
Boolean
|
Input
|
|
XNE156
|
Boolean
|
Input
|
|
XNE157
|
Boolean
|
Input
|
|
XPHE151
|
Boolean
|
Input
|
|
XPHE153
|
Boolean
|
Input
|
|
XPHE154
|
Boolean
|
Input
|
|
XPHE155
|
Boolean
|
Input
|
|
XPHE156
|
Boolean
|
Input
|
|
XPHE157
|
Boolean
|
Input
|
|
XЩ
|
Boolean
|
Input
|
|
XEE
|
Boolean
|
Input
|
|
XV0
|
Boolean
|
Input
|
|
XV400
|
Boolean
|
Input
|
|
Z5
|
Boolean
|
Input
|
|
Z180
|
Boolean
|
Input
|
|
YNE
|
Boolean
|
Input
|
|
YPH
|
Boolean
|
Input
|
Описание языка программировния.Text (ST) - язык программирования
стандарта IEC61131-3. Предназначен для программирования промышленных
контроллеров и операторских станций. Широко используется в SCADA/HMI/SoftLogic
пакетах. По структуре ближе всего к языку программирования Паскаль. Удобен для
написания больших программ и работы с аналоговыми сигналами и числами с
плавающей точкой.
Основой ST-программы служат выражения. Выражения состоят из операндов
(констант и переменных) и операторов.
Операторы являются «командами» языка программирования ST. Они должны
заканчиваться точкой с запятой. Одна строка может содержать несколько
операторов (отделяемых точками с запятой).
Результат вычисления выражения присваивается переменной при помощи
оператора присваивания :=. Каждое выражение обязательно заканчивается точкой с
запятой "; ".
Выражение состоит из переменных, констант и функций, разделенных
операторами.
Стандартные операторы в выражениях языка ST имеют символьное
представление, например математические действия: +, -, *, /, операции сравнения
и так далее.
Имена, используемые в исходном коде (идентификаторы переменных,
константы, ключевые слова) разделены неактивными разделителями (пробелами,
символами окончания строки и табуляции) или активными разделителями, которые
имеют заранее определенное значение (например, символ-разделитель " >
" означает сравнение больше чем, а символ " + " операцию
сложения и т. д.).
Неактивные разделители могут быть свободно введены между активными
разделителями, константами и идентификаторами. В отличие от неформатных языков,
таких как IL, конец строки может быть введен в любом месте программы.
Для улучшения читаемости программ нужно использовать неактивные
разделители в соответствии со следующими правилами: не более одного оператора в
строке; табуляцию для сдвига сложных операторов; комментарии .
В текст могут быть введены комментарии, которые должны начинаться
символами (*) и заканчиваться ими же.
Несколько выражений можно записать в одну строку. Однако хорошим стилем
считается запись одного выражения в строке. Длинные выражения можно перенести
на следующую строку. Перенос строки равноценен пассивному разделителю.
Выражение может включать другое выражение, заключенное в скобки.
Тип всех операндов выражения должен быть одинаковым. Для изменения типов
использовать функции преобразования типов: BOO, ANA, REAL, TMR и MSG. Для того
чтобы отделить и от части выражения и явно определить приоритетность операций
используются скобки.
Когда в сложном выражении нет скобок, приоритетность ST-операторов задана
неявно.
Листинг программы на языке ST.
Программа представляет собой последовательный текст, состоящий из команд,
которые выполняют необходимые операции по обработке данных. Она носит
циклический характер, который выражается в периодическом выполнении различных
фрагментов программы при помощи циклической переменной step. Эта переменная
изменяет свое значение после выполнения каждого цикла.
Листинг программы приведен в приложении.
Рисунок 4.3.1 - Граф переходов
5. Охрана труда и техника безопасности
Темой данного дипломного проекта, как отмечалось ранее, является анализ
системы автоматизации парка сжиженных углеводородных газов Уфимского НПЗ.
С целью обеспечения безопасности производства при эксплуатации средств
автоматизации установленных на объектах парка, в данном разделе требуется дать
характеристику производственной среды, в которой производится автоматизация.
Необходимо сделать анализ производственных опасностей и привести основные
мероприятия по обеспечению безопасности труда при монтаже, обслуживании и
наладке средств автоматизации, мероприятия по промышленной санитарии и
обеспечению пожарной безопасности.
Несоблюдение правил техники безопасности в процессе обслуживания средств
автоматизации на данном объекте может привести к производственным травмам.
5.1 Анализ потенциальных опасностей и
производственных вредностей на объекте
В процессе монтажа, наладки, эксплуатации и ремонта датчиков, размещаемых
на объектах резервуарного парка, существует вероятность возникновения множества
опасных и вредных производственных факторов, которые обусловлены следующим:
отравление вредными веществами описанными в таблице 5.1;
- возможность взрыва и пожара при неисправностях и авариях, в результате
возникновения смеси перекачиваемого газа с воздухом, нижний предел взрываемости
которой - 2,2%, верхний - 9,5%, согласно ПОТ Р М-026- 2003 «Межотраслевые
правила по охране труда при эксплуатации газового хозяйства организаций»;
поражение электрическим током до 1 кВ в результате соприкосновения с
токоведущими частями, при монтаже, ремонте и эксплуатации средств автоматизации
в летний период времени;
опасность прямых ударов молнии, что может привести к пожару и поражению
обслуживающего персонала;
опасность получения механических травм у обслуживающего персонала при
проведении работ по монтажу, наладке и ремонту измерительных преобразователей;
физическими усилиями и нервными напряжениями при выполнении отдельных
видов работ связанных с тушение пожаров, перемещение тяжестей;
наличие в трубопроводе высокого давления при неправильном регулировании
или неисправности регулятора может вызвать деформацию трубопровода;
- воздействие шума и вибрации, как на приборы, так и на обслуживающий
персонал (возникающей от пульсации давления транспортируемого газа);
- недостаточное освещение в местах установки средств автоматизации,
вызывающее повышенную утомляемость, замедление реакции.
Процедуры по обслуживанию приборов в резервуарах для приема, хранения и
подачи на производство СУГ связаны с открытием сообщения между их полостями и
воздухом. В случае невозможности осуществить перед обслуживанием промывку или
осуществление ее некачественно, уже в процессе обслуживания, в первую очередь,
вероятно возникновение опасностей, вызванных действиями вредных веществ,
применяемых на производстве.
К СУГ относят такие искусственные газовые смеси, которые при нормальных
условиях находятся в газообразном состоянии, при небольшом повышении давления
переходят в жидкое состояние. При этом объём газа уменьшается в 300 раз.
Углеводородный газ поступает в организм, главным образом, через
дыхательные пути, оказывая наиболее сильное влияние на центральную нервную
систему. При острых отравлениях наблюдается явление, напоминающее алкогольное
опьянение. При легких отравлениях наблюдается возбуждение, беспричинная
веселость, затем наступает головная боль, сонливость, головокружение, усиленное
сердцебиение, тошнота. При тяжелых отравлениях наступает потеря сознания,
судороги, желтушная окраска белков оболочки глаз, ослабление дыхания. Его
предельно допустимая концентрация (ПДК) составляет 300 мг/м3.
Основные свойства веществ:
Бесцветные, низкокипящие жидкости с характерным запахом;
Легче воды, в воде не растворимы;
Пары, тяжелее воздуха скапливаются в низких участках.
При выходе в атмосферу легко воспламеняются от искр и пламени.
Действие вредных веществ на организм человека зависит от их концентрации,
продолжительности воздействия и особенностей организма человека.
Профессиональные отравления и заболевания возможны, если концентрация
токсического вещества в воздухе рабочей зоны превышает предельно- допустимую
концентрацию (ПДК). Характеристики сырья и реагентов, участвующих в
технологическом процессе, приведены в таблице 5.1.
Классификация взрывопожароопасности и гигиеническая характеристика по
сооружениям установки представлена в таблице 5.1.
Поражающими факторами аварийной ситуации для объектов проектирования
остаются:
Ударная волна;
Факельное горение;
Тепловое излучение «огненного шара».
Таблица 5.1 - Характеристика вредных производственных веществ
|
Наименование вещества на рассматриваемом объекте
|
Агрегатное состояние
|
Класс опасности веществ
|
Температура, °С
|
Концетра-ционный предел взрываемости, % объем
|
Характеристика токсичности (воздействия на организм человека)
|
ПДК веществ в воздухе рабочей зоны производственных
помещений мг/м.
|
|
|
|
|
вспышки
|
воспламенения
|
нижний предел
|
верхний предел
|
|
|
|
|
Пропан-бутан
|
Г
|
4
|
-
|
-
|
466
|
2,2
|
9,5
|
Асфиксия
|
100
|
|
Пропан-пропилен
|
Г
|
4
|
-
|
-
|
470
|
2,1
|
9,7
|
Асфиксия
|
100
|
|
|
|
|
|
|
|
|
|
|
|
|
Примечание: класс опасности по ГОСТ 12.1.007-76 «ССБТ. Вредные вещества.
Классификация и общие требования безопасности»
Таблица 5.2 - Взрывопожарная опасность, санитарная характеристика зданий
и помещений, наружных установок
|
Вид сооружения
|
Категория по пожарной опасности согласно СП 12.13130.2009
(НПБ 105-03)
|
Класс взрыво-пожарной зоны согласно ПУЭ
|
Категория взрывоопасной смеси ГОСТ Р 51330.11-99
|
Наименование веществ, определяющих категорию и группу
взрывоопасных смесей
|
Группа взрывоопасной смеси по ГОСТ Р 51330.5-99
|
Группа производственных процессов по санитарной
характеристике СНиП 2.09.04-87
|
|
Насосная
|
А
|
В-1г
|
IIA
|
Сжиженные углеводородные газы (пентан)
|
Т3
|
2г, 1б
|
|
Аппаратный двор
|
АН
|
В-1г
|
IIA
|
Сжиженные углеводородные газы (пентан)
|
Т3
|
2г, 1б
|
|
Венткамера приточная
|
Д
|
-
|
-
|
-
|
-
|
-
|
|
Операторная
|
Д
|
-
|
-
|
-
|
-
|
-
|
5.2 Мероприятия по обеспечению безопасности труда
К выполнению работ допускаются лица, обученные технологии проведения
работ, правилам пользования средствами индивидуальной защиты, способам оказания
первой помощи, не имеющие медицинских противопоказаний, аттестованные и
прошедшие проверку знаний в области промышленной безопасности (согласно ПБ
08-624-03, ПБ 12-529-03, ПУЭ (7 издание)). Инструктажи допуска персонала к
самостоятельной работе соответствуют требованиям ГОСТ 12.0.004-99.
Все работы, связанные с монтажом, наладкой, обслуживанием и ремонтом
технических средств автоматизации, производятся в соответствии со следующими
нормативно-техническими документами:
«Правила технической эксплуатации электроустановок потребителей» (ПТЭ);
«Правила устройства электроустановок» (ПУЭ, 7 издание);
«Правила технической эксплуатации магистральных газопроводов» BP Д 39-1.10-069-2002;
«Правила пожарной безопасности в РФ» ППБ 01-03.
Для обеспечения безопасной работы в процессе монтажа, эксплуатации,
ремонта и технического обслуживания контрольно-измерительных приборов и
автоматики предусматривается следующее:
полная герметизация технологического процесса в соответствии с «Правилами
устройства и безопасной эксплуатации сосудов, работающих, под давлением» ПБ
03-576-03;
приборы и средства автоматизации, устанавливаемые на технологическом
оборудовании, имеют маркировку взрывозащиты lExdIIBT4 в соответствии ГОСТ 12.2.020-76;
применение малых напряжений для питания переносных электроинструментов и
светильников, изолирование токоведущих частей и ограждение устройств,
содержащих средства автоматизации.
Конструкция устройств комплекса обеспечивает защиту обслуживающего
персонала от поражения электрическим током в соответствии с ГОСТ 12.2.003-74,
ГОСТ 12.2.007-75, ГОСТ 26.205-83.
Каждое устройство комплекса имеет болт защитного заземления. Требования к
заземлению определяется по ГОСТ 12.2.007-75. Для обеспечения безопасных условий
труда принимаются следующие меры:
к работе допускаются лица, прошедшие инструктаж по технике безопасности и
сдавшие экзамен в соответствии с ПУЭ (7 издание);
- защитная изоляция электрических устройств и токоведущих частей в
соответствии с техническими условиями (
≥ 0,5 МОм);
- все части устройств, находящихся под напряжением размещены в корпусах,
обеспечивающих защиту обслуживающего персонала от прикосновения к деталям,
находящихся под напряжением;
- корпуса устройств заземляются (
= 4 Ом). Измерение сопротивления
заземляющего устройства производится не реже одного раза в год.
Мероприятия по взрывобезопасности:
электрооборудование, приборы, датчики, преобразователи систем КИП и А
выполнены во взрывозащищенном исполнении, в соответствии с ГОСТ 12.2.020-96
ССБТ;
установлены сигнализаторы довзрывных концентраций в соответствии с
требованиями ГОСТ Р 51330.9-99. При достижении 10% нижнего концентрационного
предела распространения пламени (НКПР) предусмотрено включение аварийной
вентиляции и срабатывание звуковой и световой сигнализации. При достижении 20%
НКПР предусмотрен аварийный останов;
все ремонтные работы в цехе производятся инструментом, изготовленным из
металла, не дающего при ударе искр;
предотвращение накопления зарядов на оборудовании достигается заземлением
всех металлических частей, на которых могут появиться заряды;
предотвращение накопления зарядов на человеке достигается устройством
электропроводящих полов или заземленных зон, помостов и рабочих площадок,
обеспечением работающих токопроводящей обувью и спецодеждой;
молниезащита выполнена согласно «Инструкции по устройству молниезащиты
зданий, сооружений и промышленных коммуникаций» (СО 153-34.21.122-2003);
Для свободного и безопасного доступа обслуживающего персонала к аппаратам
и местам расположения КИП и А смонтированы площадки и лестницы.
5.3 Мероприятия по промышленной санитарии
В задачи производственной санитарии, входят разработка санитарно-
гигиенических рекомендаций и устройств, для защиты работающих от
производственных опасностей и вредных производственных факторов при
обслуживании датчиков резервуарного парка.
В соответствии с требованиями безопасности должно предусматриваться
обеспечение работающего персонала средствами индивидуальной защиты и
предохранительными приспособлениями. Согласно ГОСТ 12.4.011-89 ССБТ «Средства
защиты работающих» всем рабочим и служащим бесплатно выдаются спецодежда, спец
обувь и другие средства индивидуальной защиты. Они служат для предохранения от
загрязнения, от действия едких веществ, от ожогов, от сырости и воды, от низких
и высоких температур, от поражения электрическим током и ряда других вредных
или опасных производственных факторов.
Для ограничения воздействия шума и вибрации на персонал при монтаже,
эксплуатации, ремонте контрольно-измерительных приборов применяются
дополнительные средства по звукоизоляции аппаратов и оборудования цеха, а также
наушники.
По ГОСТ 12.4.021-75 «ССБТ. Системы вентиляционные. Общие требования» в
помещении ЦОГ для безопасной работы и создания нормальных метеорологических
условий, предусмотрена механическая, естественная и комбинированная вентиляция.
Загрязненный воздух, перед выбросом, очищается.
Производственному освещению уделяется особое внимание, и к нему
предъявляется особо высокие требования, так как оно оказывает положительное
психологическое воздействие и способствует повышению производительности труда.
Освещение помещений соответствует СНиП-23-05-95:
а) в производственных помещениях - 50 люкс;
б) в операторной - 200 люкс;
В дневное суток время используется естественное освещение, а в темное
время - искусственное.
Поддержание температуры, необходимой для эксплуатации оборудования и
средств автоматизации в соответствии с техническими условиями, осуществляется
автоматически или местно, электрическим отоплением. При температуре окружающего
воздуха ниже допустимой в операторной, где установлены вторичные приборы,
отопление включается автоматически.
Для организации доврачебной помощи имеется необходимый набор медикаментов
и медицинских средств в аптечках.
5.4 Мероприятия по пожарной безопасности
Общие требования по пожарной безопасности изложены в ППБ 01-03, согласно
которому противопожарные мероприятия разрабатываются из конкретных условий.
Все первичные приборы контроля и регулирования, установленные по месту,
предусматривается выполнить в искробезопасном и взрывозащищенном исполнении 2ЕхIIIАТ2 и lExdIIAT3, что позволяет производить
измерения во взрывоопасной среде.
В операторной оборудован уголок по технике безопасности противопожарной
профилактики, где вывешиваются местные инструкции, схемы эксплуатации
оборудования.
Основные мероприятия по пожарной безопасности:
для тушения возгораний по ГОСТ 12.4.009-96 «ССБТ. Пожарная
техника для защиты объектов. Основные виды.