Возможности визуализации дефектов образцов с использованием газового разряда атмосферного давления

  • Вид работы:
    Дипломная (ВКР)
  • Предмет:
    Другое
  • Язык:
    Русский
    ,
    Формат файла:
    MS Word
    1,24 Мб
  • Опубликовано:
    2014-09-07
Вы можете узнать стоимость помощи в написании студенческой работы.
Помощь в написании работы, которую точно примут!

Возможности визуализации дефектов образцов с использованием газового разряда атмосферного давления

СОДЕРЖАНИЕ

ВВЕДЕНИЕ

. ЛИТЕРАТУРНЫЙ ОБЗОР

.1 Возможности, классификация и объекты методов дефектоскопии

.1.1 Ультразвуковая методика

.1.2 Методы, основанные на электромагнитных явлениях

.1.3 Методы, использующие рентгеновское излучение

.2 Типы газовых разрядов

. МЕТОДИКА ЭКСПЕРИМЕНТОВ

.1 Экспериментальная установка

.1.1 Принципиальная электрическая схема источника питания

.1.2 Источник питания

.1.3 Краткие технические характеристики источника питания

.2 Задающий генератор сигналов Г3-36

.3 Экспериментальная разрядная ячейка

.4 Съемный, гибкий зонд для изучения объектов

. ПОЛУЧЕННЫЕ РЕЗУЛЬТАТЫ И ИХ ОБСУЖДЕНИЕ

.1 Эмалированная одножильная медная проволока

.2 Медный провод с резиновой изоляцией

.3 Коаксиальный кабель

.4 Четырёхжильный кабель

. ВЫВОДЫ

СПИСОК ЛИТЕРАТУРЫ

ВВЕДЕНИЕ


Актуальность

Использование плазмы в промышленных целях - перспективное и быстро развивающееся направление научно-технической мысли. Перейдя в состояние плазмы, вещество приобретает новую способность воздействовать на контактирующие с ним материалы. Конкретные свойства плазмы и её типы варьируются в зависимости от различных параметров процесса (типа газа, частоты источника возбуждения, длительности обработки и т.д.), а от этих свойств, в свою очередь, зависят области её применения. Сегодня спектр применения плазмы атмосферного давления чрезвычайно широк. Во многих отраслях промышленности обработка плазмой атмосферного давления уже прочно вошла в обиход. В других сферах - активно ведутся поиски новых прикладных решений. Проводимые опыты демонстрируют широкий перспективный потенциал плазменной технологии. В связи с этим, «плазменные» методы, в частности методы, основанные на диэлектрическом барьерном разряде (ДБР) при атмосферном давлении позволяют решать ряд проблемных вопросов в методах применимых в современном производстве промышленной электроники. Так, особо перспективное применение плазмы атмосферного давления, - это методы дефектоскопии, неразрушающего контроля (НК) поверхности, применяемые в микроэлектронной, оптико-механической и оборонной промышленности для контроля качества высококлассных поверхностей, прозрачных и непрозрачных материалов, включая оптические, монокристаллические и металлические поверхности, контроль наличия поверхностных дефектов, неровностей, сколов, в том числе и для визуализации внутренних дефектов материалов и изделий, применимых в промышленности.

Цели работы

1.      Используя возможности поверхностно-барьерного разряда, качественно изучить возможности плазменной визуализации дефектов промышленных установок.

.        Исследовать возможности плазменной визуализации различных типов дефектов для проводов и промышленных кабелей.

Структура и объём работы

Работа состоит из введения, литературного обзора, методики экспериментов, обсуждения результатов, выводов и списка литературы. Общий объем работы - 61 страница, количество рисунков 23, таблиц - 4. Библиография включает 25 наименований.

1. ЛИТЕРАТУРНЫЙ ОБЗОР

.1 Возможности, классификация и объекты методов дефектоскопии

Дефектоскопия (от лат. defectus - недостаток и skopeo - смотрю, рассматриваю, наблюдаю), комплекс методов и средств неразрушающего контроля материалов и изделий с целью обнаружения дефектов. Дефектоскопия включает: разработку методов и аппаратуру (дефектоскопы и др.); составление методик контроля; обработку показаний дефектоскопов.

Вследствие несовершенства технологии изготовления или в результате эксплуатации в тяжёлых условиях в изделиях появляются различные дефекты - нарушения сплошности или однородности материала, отклонения от заданного химического состава или структуры, а также от заданных размеров. Дефекты изменяют физические свойства материала (плотность, электропроводность, магнитные, упругие свойства и др.). В основе существующих методов дефектоскопии лежит исследование физических свойств материалов при воздействии на них рентгеновских, инфракрасных, ультрафиолетовых и гамма-лучей, радиоволн, ультразвуковых колебаний, магнитного и электростатического полей и другое [1].

Дефектоскопия - равноправное и неотъемлемое звено технологических процессов, позволяющее повысить надёжность выпускаемой продукции. Однако методы дефекоскопии не являются абсолютными, т.к. на результаты контроля влияет множество случайных факторов. Об отсутствии дефектов в изделии можно говорить только с той или иной степенью вероятности. Надёжности контроля способствует его автоматизация, совершенствование методик, а также рациональное сочетание нескольких методов. Годность изделий определяется на основании норм браковки, разрабатываемых при их конструировании и составлении технологии изготовления. Нормы браковки различны для разных типов изделий, для однотипных изделий, работающих в различных условиях, и даже для различных зон одного изделия, если они подвергаются различному механическому, термическому или химическому воздействию.

Применение дефектоскопии в процессе производства и эксплуатации изделий даёт большой экономический эффект за счёт сокращения времени, затрачиваемого на обработку заготовок с внутренними дефектами, экономии металла и др. Кроме того, дефектоскопия играет значительную роль в предотвращении разрушений конструкций, способствуя увеличению их надёжности и долговечности.

.1.1 Ультразвуковая методика

Ультразвуковая дефектоскопия - метод, предложенный С.Я. Соколовым в 1928 году и основанный на исследовании процесса распространения ультразвуковых колебаний с частотой 0,5 - 25 МГц в контролируемых изделиях с помощью специального оборудования - ультразвукового дефектоскопа. Является одним из самых распространенных методов неразрушающего контроля.

Звуковые волны не изменяют траектории движения в однородном материале. Отражение акустических волн происходит от раздела сред с различными удельными акустическими сопротивлениями. Чем больше различаются акустические сопротивления, тем большая часть звуковых волн отражается от границы раздела сред. Так как включения в металле обычно содержат газ (смесь газов) возникающих вследствие процесса сварки, литья и т. п. и не успевают выйти наружу при затвердевании металла, смесь газов имеет на пять порядков меньшее удельное акустическое сопротивление, чем сам металл, то отражение будет практически полное.

Разрешающая способность акустического исследования, то есть способность выявлять мелкие дефекты раздельно друг от друга, определяется длиной звуковой волны, которая в свою очередь зависит от частоты ввода акустических колебаний. Чем больше частота, тем меньше длина волны. Эффект возникает из-за того, что при размере препятствия меньше четверти длины волны, отражения колебаний практически не происходит, а доминирует их дифракция. Поэтому, как правило, частоту ультразвука стремятся повышать. С другой стороны, при повышении частоты колебаний быстро растет их затухание, что сокращает возможную область контроля. Практическим компромиссом стали частоты в диапазоне от 0,5 до 10 МГц.

Существующие акустические методы неразрушающего контроля подразделяют на две большие группы - активные и пассивные.

Активные методы контроля подразумевают под собой излучение и приём акустических волн:

Методы отражения:

а) Эхо-метод или эхо-импульсный метод.

Исследование с помощью эхо-метода имеет две основные особенности:

ультразвуковые колебания генерируются и принимаются в виде импульсов;

дефектоскоп различает импульсы, приходящие в разное время (аналогично принципу радиолокации) [2].

Структурная схема дефектоскопа, действующего на принципе эха, представлена на рис.1.

Рис. 1. Структурная схема дефектоскопа, действующего на принципе эха.

а) - блок-схема; б) - форма ультразвукового импульса.

Ламповый или транзисторный генератор генерирует короткие периодические импульсы высокой частот которые подводят к ультразвуковому излучательному преобразователю (кварцевая пластинка в соответствующем корпусе), приложенному к исследуемой детали.

Излучаемая преобразователем ультразвуковая волна распространяется в толще исследуемого элемента и отражается от его дна или дефекта. Отражённая ультразвуковая волна возбуждает колебания в другом преобразователе-приёмнике, аналогичном излучающему и размещённому рядом, благодаря чему в нём возникает напряжение, по форме повторяющее импульсы излучателя, но сдвинутое по времени. Это напряжение усиливают и подают на пластины вертикального отклонения электроннолучевой трубки. Одновременно на пластины развёртки подают напряжение от генератора линейной развёртки (частота посылок). В результате на экране электроннолучевой трубки получаются три сдвинутых относительно друг друга импульса: входной импульс, импульс, отражённый от дна, и лежащий между ними импульс, отражённый от дефекта. Последний имеет место в случае наличия дефекта.

Несущая частота импульса может ступенчато изменяться в зависимости от вида исследуемого материала. Длительность импульса обычно составляет от 0,5 до 5 мкс. Чем короче импульс, тем меньшая глубина может быть исследована (что также зависит от материала); импульсами 0,5 мкс можно искать дефекты на глубине около 1,5 мм, при этом верхняя граница глубины достигает нескольких метров.

Определение места дефекта проводят на основании пропорции, имеющейся между временными отрезками импульсов на экране осциллографа и размерами исследуемой детали (например, толщины исследуемой детали). Для более быстрой оценки глубины расположения дефекта используют метки времени или расстояния.

Дефектоскопы, работающие на принципе эхо-метода, используют для обнаружения в стальных изделиях таких дефектов, как расслоение и усталостные трещины в деталях машин, поры, расслоения и неметаллические включения в поковках, трещины в слитках, неоднородность стальных соединений и т.д. [3].

б) Зеркальный или Эхо-зеркальный метод.

Эхо-зеркальный метод ультразвукового контроля основывается на излучении в контролируемое изделие коротких зондирующих импульсов наклонным пьезоэлектрическим преобразователем, работающим как в раздельном, так и в раздельно-совмещенном режимах излучения-приема ультразвуковых колебаний, имеющим две пьезоэлектрические пластины, развернутые относительно продольной оси рельса под одинаковыми углами разворота ультразвукового луча на обе грани головки рельса и с одинаковыми углами ввода ультразвукового луча в одном направлении по ходу движения пьезоэлектрического преобразователя, и регистрации эхо-сигнала трижды зеркально отраженного от стандартного отражателя (стандартными отражателями называются какие-либо поверхности на рельсе, являющиеся конструктивной особенностью геометрии рельса в процессе его изготовления - поверхность катания головки рельса, подголовочные грани головки рельса, сопряжение головки рельса с шейкой, сопряжение шейки с подошвой, подошва и поверхности, изготовленные в процессе подготовки рельса к эксплуатации в пути в соответствии с требованием стандартов - торец, болтовое и штепсельное отверстие) одной подголовочной грани головки рельса, нестандартного отражателя (дефекта) и стандартного отражателя - другой подголовочной грани головки рельса. Движение ультразвукового луча по своей траектории образует фигуру «ромб» - к одной из подголовочной грани головки рельса, от нее к поверхности дефекта, от поверхности дефекта к другой подголовочной грани головки рельса и затем к пьезоэлектрической пластине, являющейся приемником в том же пьезоэлектрическом преобразователе [4].

Эхо-зеркальный метод ультразвукового контроля реализуется только в случае, если все поверхности, от которых отражаются ультразвуковые колебания, имеют зеркальную поверхность. Признаком обнаружения дефекта является регистрация эхо-сигнала пьезоэлектрической пластиной, работающей в режиме приема.

в) Ультразвуковой дифракционно-временной метод (Time of Flight Diffraction - ToFD).

Метод ToFD основан на взаимодействии ультразвуковых волн с краями несплошностей. Это взаимодействие приводит к излучению дифракционных волн в широком диапазоне углов. Обнаружение дифракционных волн позволяет установить наличие несплошности.

Время прохождения регистрируемых сигналов является мерой оценки высоты несплошности, тем самым позволяя измерить дефект. Размер несплошности всегда определяется временем прохождения дифракционных сигналов. Амплитуда сигнала не используется для определения размера.

Ультразвуковой дифракционно-временной метод основан на приеме волн, дифрагированных на вершинах дефекта.

Причем излучаются и применяются как продольные, так и поперечные волны.

Главная информационная характеристика - время прихода сигнала. Этот метод также называют времяпролетным, буквально переводя английское название Time of Flight Diffraction (ToFD).

Преимущества метода ToFD [4]:

Наиболее существенные отличия от стандартного эхо-импульсного метода:

Возможность достижения более высокой точности при проведении измерений, как правило, ± 1 мм, а при повторном обследовании ± 0,3 мм.

Независимость обнаружения дефекта от его углового положения.

Измерение параметров дефекта основано на времени прохождения пути дифракционных сигналов и не зависит от амплитуды сигнала.

Документирование и хранение результатов контроля.

100% воспроизводимость результатов контроля.

Изменение величины эрозии металла внутренней поверхности.

Альтернатива радиационному методу НК.

г) Ревербационный метод.

Основан на постепенном затухании сигнала в объекте контроля. При контроле двухслойной конструкции, в случае качественного соединения слоёв, часть энергии из первого слоя будет уходить во второй, поэтому ревербация будет меньше. В обратном случае будут наблюдаться многократные отражения от первого слоя, так называемый лес. Метод используется для контроля сцепления различных видов наплавок, например, баббитовой наплавки с чугунным основанием. Основным недостатком данного метода является регистрация дефектоскопом эхо-сигналов от границы соединения двух слоёв. Причиной этих эхо-сигналов является разница скоростей упругих колебаний в материалах соединения и их различное удельное акустическое сопротивление. Например, на границе баббит-сталь возникает постоянный эхо-сигнал даже в местах качественного сцепления. В силу конструкционных особенностей некоторых изделий, контроль качества соединения материалов ревербационным методом может быть невозможен именно из-за наличия на экране дефектоскопа эхо-сигналов от границы соединения [5].

Основные параметры контроля эталонируют согласно ГОСТ 14782-86 при помощи комплекта стандартных образцов КОУ 2: СО-1; СО-2; СО-3 (обязательные образцы); СО-4 (рекомендуемый). Мерой эквивалентной площади, выявленной несплошности является амплитуда отраженного от нее сигнала. Оценку эквивалентной площади осуществляют либо прямым сравнением с площадью эквивалентных отражателей, либо с помощью специальных диаграмм. Для контроля используют дефектоскопы УД3-71, УД4-76; УСН-52 - дефектоскоп с процессором, который позволяет получать твердую копию сигналов; Р - skan - компьютеризированный дефектоскоп, он производит одновременную подачу эхо-импульсов с разных позиций. Это дает более полную и точную картину состояния исследуемого металла. Ультразвуковой контроль предназначен для выявления в сварных швах и околошовной зоне трещин, непроваров, несплавлений, пор, шлаковых включений и других дефектов без расшифровки их характера, но указанием координат, условных размеров и числа обнаруженных дефектов. УЗК более надежно, чем просвечивание выявляет плоскостные дефекты (трещины, непровары кромок) ориентированные параллельно оси шва. Наружные дефекты должны быть исправлены до проведения УЗК. Поверхность шва и околошовной зоны на ширине 60-120 мм в обе стороны от шва должна быть зачищена механическим способом. Шероховатость поверхности, подготовленной под УЗК должна быть не более Rа 6,3 (Rz-40). Для контроля изделий с внешним диаметром менее 200мм, необходимо использовать преобразователи, с радиусом кривизны подошвы R, равным 0,9-1,1R радиуса контролируемого объекта, так называемые притертые преобразователи, которые в таком виде непригодны для контроля изделий с плоскими поверхностями [17].

Ультразвуковое исследование не разрушает и не повреждает исследуемый образец, что является его главным преимуществом. Возможно проводить контроль изделий из разнообразных материалов, как металлов, так и неметаллов. Кроме того, можно выделить высокую скорость исследования при низкой стоимости и опасности для человека (по сравнению с рентгеновской дефектоскопией) и высокую мобильность ультразвукового дефектоскопа.

Как правило ультразвуковая дефектоскопия не может дать ответ на вопрос о реальных размерах дефекта, лишь о его отражательной способности в направлении приемника. Эти величины коррелируют, но не для всех типов дефектов. Кроме того, некоторые дефекты практически невозможно выявить ультразвуковым методом в силу их характера, формы или расположения в объекте контроля. Практически невозможно производить достоверный ультразвуковой контроль металлов с крупнозернистой структурой, таких как чугун или сварной шов (толщиной свыше 60 мм) из-за большого рассеяния и сильного затухания ультразвука. Кроме того, затруднителен контроль малых деталей или деталей со сложной формой [18].

д) Акустическая микроскопия.

Совокупность методов визуализации микроструктуры и формы малых объектов с помощью УЗ- и гиперзвуковых волн. Она включает в себя также методы измерения локальных характеристик упругих и вязких свойств объекта и их распределений, но его поверхности или внутри объёма. Акустическая микроскопия основана на том, что УЗ-волны, прошедшие, отражённые или рассеянные отдельными участками объекта, имеют различные характеристики (амплитуду, фазу и др.) в зависимости от локальных вязкоупругих свойств образца. Эти различия позволяют методами визуализации звуковых полей получать акустические изображения на экране дисплея. В зависимости от способа преобразования акустических полей в видимое изображение различают сканирующую лазерную акустическая микроскопия и сканирующую растровую акустическая микроскопия.

Сканирующая лазерная акустическая микроскопия представляет собой разновидность голографии акустической, предназначенную для визуализации малых объектов. При облучении плоской УЗ-волной объекта, помещённого в жидкость, фронт волны после прохождения образца искажается из-за неоднородных фазовых задержек, а амплитуда изменяется в соответствии с неоднородностью коэффициент отражения и поглощения в объекте. Прошедшая волна падает на свободную поверхность жидкости и создаёт на ней поверхностный рельеф, соответствующий акустическому изображению объекта. Рельеф считывается световым лучом и воспроизводится на экране дисплея.

В сканирующей растровой акустическая микроскопия сфокусированный УЗ-пучок перемещается по объекту, изображение которого воссоздаётся по точкам в виде растра. Фокусированная волна, падая на образец, частично отражается от объекта, частично поглощается и рассеивается в нём, а частично проходит через него. Принимая ту или иную часть излучения, можно судить об акустических свойствах образца в области, размеры которой определяются размерами фокального пятна [6].

Методы прохождения.

Методы прохождения подразумевают под собой наблюдение за изменением параметров ультразвуковых колебаний, прошедших через объект контроля, так называемых сквозных колебаний. Изначально для контроля применялось непрерывное излучение, а изменение его амплитуды сквозных колебаний расценивалось как наличие дефекта в контролируемом объекте, так называемой звуковой тени. Отсюда появилось название теневой метод. Со временем непрерывное излучение сменилось импульсным, а к фиксируемым параметрам помимо амплитуды добавились также фаза, спектр и время прихода импульса и появились другие методы прохождения. Термин теневой потерял свой первоначальный смысл и стал означать один из методов прохождения. В англоязычной литературе метод прохождения называется «through transmission technique или through transmission method», что полностью соответствует его российскому названию. Термин теневой в англоязычной литературе не применяется [1].

а) Теневой метод.

Основан на применении двух устройств: лампового или транзиторного генератора с ультразвуковым передающим преобразователем и ультразвукового приёмного преобразователя с усилением и прибора, показывающим относительную интенсивность ультразвука. Принцип действия дефектоскопа, основанного на теневом методе, иллюстрирует рис. 2.

Рис. 2. Дефектоскоп, основанный на теневом методе.

- генератор высокочастотных колебаний; 2 - излучатель; 3 -исследуемая деталь; 4 - дефект; 5 - контактная (иммерсионная) жидкость; 6 - приёмный преобразователь; 7 - измерительный прибор.

Излучатель (передающий преобразователь) посылает пучок ультразвуковых колебаний, направленный на исследуемую деталь. В месте расположения дефекта происходит отражение и затухание ультразвуковых колебаний, и количество проходящей энергии снижается. За дефектом образуется как бы тень, в которой интенсивность ультразвуковых колебаний очень мала. Измерение интенсивности проходящей энергии позволяет судить о месте расположения дефекта и даже о его размерах. Диапазон применяемых частот находится в пределах от 100 кГц до 3 МГц.

Теневой метод находит наибольшее применение для исследования отливок. Отливка, имеющая весьма неровную поверхность, погружается вместе с двумя преобразователями в контактную жидкость (вода или масло). Преобразователи механически скреплены между собой, что облегчает их перемещение вдоль детали. Этим методом также пользуются при исследовании листов, прутков, проволоки и т.д. [6,7].

б) Зеркально-теневой метод.

Используется для контроля деталей с двумя параллельными сторонами, развитие теневого метода: анализируются отражения от противоположной грани детали. Признаком дефекта, как и при теневом методе, будет считаться пропадание отраженных колебаний. Основное достоинство этого метода в отличие от теневого заключается в доступе к детали, с одной стороны.

По технике выполнения (фиксируется эхосигнал) - это метод отражения, а по физической сущности контроля (измеряют ослабления сигнала, дважды прошедшего ОК в зоне несплошности) - близок к теневому методу. Зеркально - теневой метод часто применяют одновременно с эхо-методом. Наблюдают за появлением эхосигналов и за возможным ослаблением донного сигнала несплошностями, которые не дают четких эхосигналов и плохо выявляются эхо-методом. Это может быть скопление очень мелких несплошность или несплошность, расположенный так, что отраженный от него сигнал уходит в сторону и не попадает на приемный преобразователь [6,15].

в) Временной теневой.

Основан на запаздывании импульса во времени, затраченного на огибание дефекта. Используется для обнаружения трещин, возникающих в железобетонных конструкциях при их нагружении, причём появление трещины регистрируется при меньших (25-30 %) нагрузках, чем при других известных способах. Метод применим для обследования трещиностойкости шпал в заводских условиях, предварительно напряжённых железобетонных пролётных строений мостов и др. [7,15].

г) Ревербационно-сквозной метод.

На небольшом расстоянии друг от друга, как правило, с одной стороны изделия, устанавливают два преобразователя - передатчик и приёмник. Ультразвуковые волны, посылаемые в объект контроля после многократных отражений, в конечном счете, попадают на приёмник. Отсутствие дефекта позволяет наблюдать стабильные отраженные сигналы. При наличии дефекта изменяется распространение ультразвуковых волн - изменяется амплитуда и спектр принятых импульсов. Метод применяется для контроля многослойных конструкций и полимерных композитных материалов [7].

.1.2 Методы, основанные на электромагнитных явлениях

Значительное внимание всегда уделялось вопросам учета нелинейности в условиях переменного намагничения тел. Здесь, прежде всего, нужно отметить один интересный нелинейный эффект, открытый в 1956 году. Эффект состоит в том, что глубинный дефект в ферромагнитном теле, не выявляющийся при намагничении последнего слабым переменным полем из-за сильно выраженного скин-эффекта и незначительной величины поля, начинает четко обнаруживаться индукционными датчиками, если дополнительно наложить на тело достаточно сильное постоянное поле. Описанное явление получило качественно и частично количественное толкование [6]. На базе его с определенным успехом разрабатывался новый вариант методики выявления скрытых дефектов. Сущность этой методики заключается в том, что крытый дефект в ферромагнитном изделии может быть выявлен при помощи дефектоскопа переменного поля, если это изделие внести в достаточно сильное постоянное поле. К числу работ более позднего времени относятся аналитические и экспериментальные исследования магнитостатических полей рассеяния поверхностных дефектов с учетом влияния на поле дефекта нелинейности кривой намагничения [7,8]. Кроме того, в последнее время в рамках конверсии проводятся работы по исследованию возможности использовать нелинейное рассеяние зондирующего электромагнитного излучения контролируемым объектом (дефектом) с целью повышения помехозащищенности и надежности электромагнитных методов дефектоскопии и контроля. Суть этого эффекта заключается в том, что некоторые объекты (дефекты) или их элементы при облучении электромагнитными волнами обладают способностью генерировать спектральные составляющие, отсутствующие в спектре падающего потока электромагнитного излучения. Само явление обратного излучения на составляющих (гармониках) спектра, наблюдаемое при облучении некоторых металлических объектов, в частности подверженных коррозийным воздействиям электромагнитными волнами, известно давно, еще с начала 40-х годов. Но лишь в конце 60-х годов этот эффект начали использовать целенаправленно для решения различных радиолокационных задач в условиях сильных фоновых полей от поверхности земли, листвы, деревьев, морской поверхности и т.д. [9].

В то же время перспективность использования метода нелинейного рассеяния для дефектоскопии и контроля весьма обнадеживающая из-за высокой вероятности появления нелинейности в дефектных местах: усиленная коррозия, окислы, непровары сварных швов и т.п. Перспективность практического использования метода тоже очень заманчива, особенно для дистанционного контроля и диагностики различных трубопроводов в полевых условиях [11].

В 1997 году по инициативе предприятий «Гипс-Кнауф» и «JointPower» был разработан и запущен в серийное производство конвейерный металлодетектор МД800-2К, отличительной особенностью которого является использование нового принципа электромагнитного зондирования контролируемого пространства. Основное преимущество указанного металлодетектора заключается в том, что за счет полимодального метода контроля обеспечивается полная электромагнитная совместимость нескольких датчиков металла, а это, в свою очередь, позволяет достаточно гибко конфигурировать контролируемую зону с максимально возможным учетом специфических особенностей технологического оборудования [19].

Подводя краткий итог работ в области дефектоскопии и электромагнитного контроля [20], следует подчеркнуть одно важное обстоятельство - вся история развития этого научного направления характеризуется сочетанием фундаментальности в постановке и глубине разработки проблем с практической целенаправленностью. Все научные проблемы исходили из потребностей практики, а научные результаты находили свое применение на практике.

.1.3 Методы, использующие рентгеновское излучение

Источником гамма-лучей могут быть естественные радиоактивные элементы или искусственные радиоактивные изотопы. Радиоактивные элементы или искусственные изотопы, применяемые в качестве гамма-лучей для дефектоскопии, должны обладать следующими свойствами: достаточно большой период полураспада, доступная цена и отсутствие газовых, радиоактивных продуктов распада.

Для целей дефектоскопии чаще всего используют изотопы кобальта и иридия - кобальт-60 и иридий-192, получаемые как продукт распада в ядерных реакторах.

В связи с тем, что интенсивное излучение представляет значительную опасность для здоровья человека, радиоактивный препарат помещают в специальные контейнеры из свинца и чугуна, так называемых бомбах (например, кобальтовая бомба).

Радиоактивный препарат помещают внутри такой защиты на вдвигаемой или вворачиваемой штанге. Положение штанги по отношению к отверстию, через которое и происходит излучение, можно менять вручную при помощи тросов или с помощью управляемых на расстоянии пружинных и электромагнитных механизмов. На рис. 4 представлен один из типов контейнера для кобальта-60.

Рис. 3. Контейнер для кобальта-60.

- чугунный корпус;2 - свинцовый экран;3 - препарат изотопа в нерабочем положении;4 - препарат в рабочем положении;5 - препарат в рабочем положении для кругового просвечивания;6 - вкладыш для переноски и изъятия препарата изотопа;7 - защитный винт, выкручиваемый в рабочем состоянии; 8 - трос для дистанционного перемещения препарата (ручное управление).

В результате просвечивания исследуемой детали, в которой проверяют отсутствие дефектов, происходит засветка специальной фотоплёнки, что аналогично методу рентгенографии. Этот метод называется радиографией гамма-лучами или коротко - геммаграфией. Соответствующая конструкция контейнера с радиоактивным изотопом позволяет одновременно исследовать несколько однотипных деталей, как это показано на рис. 4.

Рис. 4. Контейнер с радиоактивным изотопом.

- предупреждающий плакат;2 - пульт управления;3 - штатив;

- контейнер с источником гамма-излучения;5 - кассеты с фотоплёнками; 6 - исследуемые детали.

Одно из наиболее распространенных применений рентгеновского излучения в промышленности - контроль качества материалов и дефектоскопия. Рентгеновский метод является неразрушающим, так что проверяемый материал, если он найден удовлетворяющим необходимым требованиям, может затем использоваться по назначению. И рентгеновская, и гамма-дефектоскопия основаны на проникающей способности рентгеновского излучения и особенностях его поглощения в материалах. Проникающая способность определяется энергией рентгеновских фотонов, которая зависит от ускоряющего напряжения в рентгеновской трубке. Поэтому толстые образцы и образцы из тяжелых металлов, таких, например, как золото и уран, требуют для их исследования рентгеновского источника с более высоким напряжением, а для тонких образцов достаточно источника и с более низким напряжением. Для гамма-дефектоскопии очень крупных отливок и крупного проката применяются бетатроны и линейные ускорители, ускоряющие частицы до энергий 25 МэВ и более. Поглощение рентгеновского излучения в материале зависит от толщины поглотителя d и коэффициента поглощения m и определяется формулой I = I0e-md, где I - интенсивность излучения, прошедшего через поглотитель, I0 - интенсивность падающего излучения, а e = 2,718 - основание натуральных логарифмов. Для данного материала при данной длине волны (или энергии) рентгеновского излучения коэффициент поглощения является константой. Но излучение рентгеновского источника не является монохроматичным, а содержит широкий спектр длин волн, вследствие чего поглощение при одной и той же толщине поглотителя зависит от длины волны (частоты) излучения. Рентгеновское излучение широко применяется во всех отраслях промышленности, связанных с обработкой металлов давлением. Оно также применяется для контроля артиллерийских стволов, пищевых продуктов, пластмасс, для проверки сложных устройств и систем в электронной технике. (Для аналогичных целей применяется и нейтронография, в которой вместо рентгеновского излучения используются нейтронные пучки). Рентгеновское излучение применяется и для других задач, например, для исследования полотен живописи с целью установления их подлинности или для обнаружения добавочных слоев краски поверх основного слоя [14].

Рентгенодефектоскопия основана на поглощении рентгеновских лучей, которое зависит от плотности среды и атомного номера элементов, образующих материал среды. Наличие таких дефектов, как трещины, раковины или включения инородного материала, приводит к тому, что проходящие через материал лучи ослабляются в различной степени. Регистрируя распределение интенсивности проходящих лучей, можно определить наличие и расположение различных неоднородностей материала.

Чувствительность методов рентгенодефектоскопии определяется отношением протяжённости дефекта в направлении просвечивания к толщине детали в этом сечении и для различных материалов составляет 1-10%. Применение рентгенодефектоскопии эффективно для деталей сравнительно небольшой толщины, т.к. проникающая способность рентгеновских лучей с увеличением их энергии возрастает незначительно. Рентгенодефектоскопию применяют для определения раковин, грубых трещин, ликвационных включений в литых и сварных стальных изделиях толщиной до 80 мм и в изделиях из лёгких сплавов толщиной до 250 мм. Для этого используют промышленные рентгеновские установки с энергией излучения от 5-10 до 200-400 кэв (1 эв = 1,60210 · 10-19Дж). Изделия большой толщины (до 500 мм) просвечивают сверхжёстким электромагнитным излучением с энергией в десятки Мэв, получаемым в бетатроне.

Газовые разряды, и плазма в том числе, могут послужить инструментом для расширения возможностей дефектоскопии.

ультразвуковой плазменный дефект кабель

1.2 Типы газовых разрядов

В настоящее время существует множество видов газовых разрядов, подтверждением тому могут служить их различные классификации, например:

Характеристика газового разряда по признаку питающего напряжения.

А) Постоянного тока.

Б) ВЧ плазма.

Для возбуждения и поддержания тлеющего разряда постоянного тока необходимо, чтобы два проводящих (металлических) электрода находились в непосредственном контакте с зоной плазмы. С технологической точки зрения такая конструкция плазмохимического реактора является не всегда удобной. Во-первых, при проведении процессов плазменного нанесения диэлектрических покрытий непроводящая пленка может также образовываться и на электродах. Это приведет к увеличению нестабильности разряда и в конечном итоге к его затуханию. Во-вторых, в реакторах с внутренними электродами всегда существует проблема загрязнений целевого процесса материалами, удаляемыми с поверхности электрода в ходе физического распыления или химических реакций с частицами плазмы. Избежать этих проблем, в том числе и полностью отказаться от использования внутренних электродов, позволяет использование периодических разрядов, возбуждаемых не постоянным, а переменным электрическим полем.

Реально используемый для возбуждения плазмы диапазон частот не слишком велик. Это связано с тем, что работающие установки могут создавать помехи радиосвязи. Международными договоренностями выделены несколько частот для промышленных установок. Наиболее употребительными являются частоты 13.56 МГц и 2450 МГц. Первая частота относится к области частот, называемых высокими (ВЧ разряд), а вторая - к области сверхвысоких частот (СВЧ разряд).

Для ВЧ разрядов существуют разные способы их возбуждения, которые делят по признаку того, замыкаются ли силовые линии электрического поля в плазме или нет. К первой группе относятся индукционные разряды, где разряд возбуждается путем подачи переменного тока в соленоид, внутри которого расположен реактор из диэлектрического материала. Силовые линии электрического поля представляют собой окружности концентрические с витками соленоида, а магнитное поле направлено вдоль оси соленоида. Такой разряд называют разрядом Н-типа. Ко второй группе относятся разряды, в которых переменное напряжение подается на электроды, которые могут находиться в непосредственном контакте с плазмой, либо быть изолированными от нее.

Плазма ВЧ разряда находит широкое применение в технологии микроэлектроники при проведении процессов нанесения покрытий, травления материалов и модификации поверхности. Существование нескольких способов возбуждения ВЧ разряда обуславливает существование нескольких типов плазмохимических ВЧ реакторов.

В) Наносекундные разряды.

Наносекундный СВЧ разряд является новым направлением и в исследованиях плазмохимии газовых разрядов. Высокие значения приведенного электрического поля в таком разряде способствуют эффективному протеканию процессов, требующих высокой энергии электронов, таких как ионизация, диссоциация и возбуждение электронных уровней молекул и атомов. Одновременно, короткая длительность импульсов обеспечивает отсутствие значительного нагрева газа и приводит к закалке образующихся продуктов, предотвращая их термическое разложение. Отмеченные особенности делают наносекундный СВЧ разряд весьма близким по своим параметрам и свойствам к барьерному, импульсному коронному и пучковому разрядам, уже нашедшим широкое применение в различных плазмохимических технологиях.

Наносекундный разряд характеризуется обилием пространственных форм и структур. Выбирая давление газа, мощность и электродинамическую систему, создающую разряд, можно изменять параметры образующейся плазмы и таким образом оптимизировать эффективность плазмохимических процессов. Кроме того, такой разряд хорошо согласован с падающей волной, так что большая часть СВЧ мощности эффективно поглощается в разрядной плазме. Эти особенности делают наносекундный СВЧ разряд весьма привлекательным для реализации плазмохимических процессов, протекающих в сильно неравновесной низкотемпературной плазме.

Отметим, что большинство приложений низкотемпературной плазмы предполагает либо непрерывное поддержание разряда, либо использование импульсно-периодического режима с достаточно высокой средней мощностью. В случае наносекундного СВЧ разряда это приводит к необходимости создания недорогих и эффективных источников излучения, способных работать с высокой частотой следования импульсов.

Таким образом, разнообразие возможных эффектов и практических приложений разряда, создаваемого излучением большой интенсивности и малой длительности, делают изучение такого разряда и разработку эффективных СВЧ источников для его создания весьма актуальной задачей.

Г) Пульсирующие разряды.

Оптический пульсирующий разряд (ОПР) в сверхзвуковом потоке газа стабильно горит в фокальной плоскости при частоте повторения импульсов

f = 20 - 100 кГц. ОПР в потоке газа применяется для аэрофизического моделирования, а также представляет интерес для аэрокосмичских задач и плазмохимии.

Характеристика газового разряда по давлению плазмообразующего газа.

Б) Плазма пониженного давления.

Такая плазма генерируется в закрытых камерах в условиях вакуума (10-3 - 10-9 бар). Уменьшенное относительно атмосферного давления количество частиц на единицу объема приводит к увеличению свободного пути пробега и сравнительно более низкому числу процессов столкновения. В связи с этим плазма имеет меньшую склонность к релаксации и способна далеко распространяться в пространстве. Для эвакуации камеры необходимы мощные насосы. Плазма низкого давления не подходит для поточной обработки [21].

В) Плазма повышенного давления.

Источники плазмы высокого (от 1000 Па до атмосферного и, редко, выше) давления называют плазмотронами или плазменными горелками. В них, как правило, плазма образуется в специальной разрядной камере, сквозь которую продувается плазмообразующий газ. Наиболее часто используются дуговой или индукционный разряд. Для небольших мощностей (до нескольких кВт) распространены также СВЧ плазмотроны.

Плазма высокого давления генерируется, например, в специальных газоразрядных лампах. Для предварительной обработки поверхности она непригодна [21].

Характеристика газового разряда по температуре.

Плазму делят на низкотемпературную (температура меньше миллиона K) и высокотемпературную (температура миллион K и выше). Такое деление обусловлено важностью высокотемпературной плазмы в проблеме осуществления управляемого термоядерного синтеза. Разные вещества переходят в состояние плазмы при разной температуре, что объясняется строением внешних электронных оболочек атомов вещества: чем легче атом отдает электрон, тем ниже температура перехода в плазменное состояние.

В неравновесной плазме электронная температура существенно превышает температуру ионов. Это происходит из-за различия в массах иона и электрона, которое затрудняет процесс обмена энергией. Такая ситуация встречается в газовых разрядах, когда ионы имеют температуру около сотен, а электроны около десятков тысяч K.

В равновесной плазме обе температуры равны. Поскольку для осуществления процесса ионизации необходимы температуры, сравнимые с потенциалом ионизации, равновесная плазма обычно является горячей (с температурой больше нескольких тысяч K).

А) Высокотемпературная плазма.

Высокотемпературная плазма, возникающая в результате термической ионизации, является равновесной или, другими словами, изотермической плазмой. Степень ее ионизации очень велика, благодаря чему она является очень хорошим проводником - проводимость высокотемпературной плазмы сопоставима с проводимостью металлов.

Температура поверхности Солнца и звёзд равна нескольким тысячам градусов по Цельсию, их недра разогреты до миллионов градусов. Отсюда следует, что значительная часть вещества Вселенной, сконцентрированная в звёздах, находится в состоянии высокотемпературной плазмы [13].

Б) Низкотемпературная плазма.

Низкотемпературной называют плазму, у которой средняя энергия электронов меньше характерного потенциала ионизации атома (<10 эВ); температура её обычно не превышает 105 К. Плазма с более высокой температурой называют горячей или высокотемпературной. Обычно низкотемпературная плазма слабоионизованная, т. е. число нейтральных атомов и молекул значительно превышает число заряженных частиц - электронов и ионов. Отношение числа ионизованных атомов к полному их числу в единице объёма называется степенью ионизации плазмы. Поскольку кулоновское взаимодействие между заряженными частицами значительно сильнее, чем взаимодействие между нейтральными частицами, и это взаимодействие дальнодействующее, то наличие заряженных частиц в низкотемпературной плазме в большой степени определяет её свойства, в т. ч. электрические и электромагнитные. Много видов низкотемпературной плазмы существует в природе (рис. 3). Низкотемпературная плазма в соответствии с физическими свойствами может быть стационарной, нестационарной, равновесной, неравновесной, идеальной и неидеальной [12].

Рис. 5. Виды низкотемпературной плазмы, существующие в природе.

Стационарная и нестационарная низкотемпературная плазма.

Стационарная низкотемпературная плазма обладает большим временем жизни по сравнению с временами релаксации в ней. Нестационарная (импульсная) низкотемпературная плазма живёт ограниченное время, определяемое как временем установления равновесия в плазме, так и внешним условиями. Плазма, время жизни которой превышает характерное время переходных процессов, наз. квазистационарной. Например, плазма в канале молнии образуется и поддерживается в результате прохождения через него электрического тока. Характерное время установления равновесия в проводящем канале ~10-5 с, характерное время расширения (т. е. разрушения) этого проводящего канала ~10-3 с, поэтому в течение прохождения основной части тока через проводящий канал плазму в нём можно считать квазистационарной [24].

Равновесная и неравновесная низкотемпературная плазма.

Низкотемпературная плазма называется равновесной, если её компоненты находятся в термодинамическом равновесии, т. е. температура электронов, ионов и нейтральных частиц совпадает. В низкотемпературной плазме легко создаются неравновесные условия в результате селективного действия внешних электрических полей: электрическая энергия от них передаётся заряженным частицам, а те отдают её частицам газа при столкновениях. При таком способе введения энергии средняя энергия заряженных частиц может значительно отличаться от тепловой энергии нейтральных частиц. В первую очередь это относится к электронам, которые изза малой массы неэффективно обмениваются энергией при упругом столкновении с нейтральными частицами газа. При этом не только средняя энергия электронов, но и вид распределения электронов по энергиям может существенно отличаться от равновесного.

Равновесная плазма обычно реализуется в газе при высоком давлении, где столкновения частиц происходят часто и скорость установления равновесия относительно велика. Примерами такой плазмы являются плазма дугового разряда при атмосферном давлении, плазма искрового разряда или молнии в атмосфере [24].

Характерным примером неравновесной плазмы является плазма тлеющего разряда или плазма дугового разряда низкого давления; напр., в плазме гелий-неонового лазера при давлении газа ~10 тор температура газа в центре разрядной трубки примерно 400 К, тогда как средняя энергия электронов несколько эВ.

Идеальная и неидеальная плазма.

Плазма считается идеальной, если средняя кинетическая энергия заряженных частиц (3/2)kТ много больше средней энергии её взаимодействия с окружающими частицами [24].

Характеристика газового разряда по виду вольтамперной характеристики (ВАХ).

Рис. 6. ВАХ температура тихого разряда.

Рис. 7. ВАХ разряда.

Электрический разряд в газах, прохождение электрического тока через газовую среду под действием электрического поля, сопровождающееся изменением состояния газа. Многообразие условий, определяющих исходное состояние газа (состав, давление и т. д.), внешних воздействий на газ, форм, материала и расположения электродов, геометрии возникающего в газе электрического поля и т. п. приводит к тому, что существует множество видов Электрический разряд в газе, причём его законы сложнее, чем законы прохождения электрического тока в металлах и электролитах. Электрический разряд в газе подчиняются Ома закону лишь при очень малой приложенной извне разности потенциалов, поэтому их электрические свойства описывают с помощью вольтамперной характеристики (рис. 6 и 7).

Газы становятся электропроводными при их ионизации. Если электрический разряд в газах происходит только при вызывающем и поддерживающем ионизацию внешнем воздействии (при действии т. н. внешних ионизаторов), его называют несамостоятельным газовым разрядом. Электрический разряд в газах, продолжающийся и после прекращения действия внешнего ионизатора, называется самостоятельным.

Когда ионизация газа происходит при непрерывном действии внешнего ионизатора и малом значении разности потенциалов между анодом и катодом в газе, начинается "тихий разряд". При повышении разности потенциалов (напряжения) сила тока тихого разряда сперва увеличивается пропорционально напряжению (участок кривой OA на рис. 6), затем рост тока с ростом напряжения замедляется (участок кривой AB), и когда все заряженные частицы, возникшие под действием ионизатора в единицу времени, уходят за то же время на катод и на анод, усиления тока с ростом напряжения не происходит (участок ВС). При дальнейшем росте напряжения ток снова возрастает и тихий разряд переходит в несамостоятельный лавинный разряд (участок СЕ на рис. 6). В этом случае сила тока определяется как интенсивностью воздействия ионизатора, так и газовым усилением, которое зависит от давления газа и напряжённости электрического поля в пространстве, занимаемом разрядом.

Тихий разряд наблюдается при давлении газа порядка атмосферного. Внешними ионизаторами могут быть: естественное радиоактивное излучение, космические лучи, потоки фотонов (сильное световое облучение), пучки быстрых электронов и т. д. Ионизаторы двух последних типов используются (преимущественно в импульсном режиме) в газовых лазерах.

Переход несамостоятельного электрического разряда в газах в самостоятельный характеризуется резким усилением электрического тока (точка Е на кривой рис. 6) и называется электрическим пробоем газа. Соответствующее напряжение U3 называется напряжением зажигания. Разряд после лавинного пробоя принимает форму тлеющего разряда, если давление газа низко (несколько мм рт. ст.). При более высоком давлении (например, при атмосферном) лавинное усиление электрического разряда в газах приводит к возникновению электрического пространственного заряда, что меняет характер процесса пробоя. Образуется один или несколько узких проводящих (заполненных плазмой) каналов, исходящих от одного из электродов. Такие каналы называются стримерами. Время образования стримеров очень мало (около 10-7 сек).

После короткого переходного процесса самостоятельный газовый разряд становится стационарным. Обычно такой разряд осуществляют в закрытом изолирующем сосуде (стеклянном или керамическом). Ток в газе течёт между двумя электродами: отрицательным катодом и положительным анодом.

Одним из основных типов газового разряда, формирующимся, как правило, при низком давлении и малом токе (участок «в» на рис. 7), является тлеющий разряд (рис. 8):

Рис. 8. Схема областей тлеющего разряда, где главные четыре области разрядного пространства, характерные для тлеющего разряда, это:1 - катодное тёмное пространство;2 - тлеющее свечение;3 - фарадеево тёмное пространство;4 - положительный столб.

Области 1 - 3 находятся вблизи катода и образуют катодную часть разряда, в которой происходит резкое падение потенциала (катодное падение), связанное с большой концентрацией положительных ионов на границе областей 1-2. В области 2 электроны, ускоренные в области 1, производят интенсивную ударную ионизацию. Тлеющее свечение обусловлено рекомбинацией ионов и электронов в нейтральные атомы или молекулы. Для положительного столба разряда вследствие постоянной и большой концентрации электронов характерны незначительное падение потенциала в нём, свечение, вызываемое возвращением возбуждённых молекул (атомов) газа в основное состояние (состояние с наинизшей возможной энергией), и большая электропроводность.

При увеличении разрядного тока обычный тлеющий разряд становится аномальным (рис. 7) и начинается стягивание (контракция) положительного столба. Столб отрывается от стенок сосуда, в нём начинает происходить дополнительный процесс потери заряженных частиц (рекомбинация в объёме). Предпосылкой этого является высокая плотность заряженных частиц. При дальнейшем повышении разрядного тока газ нагревается настолько, что становится возможной его термическая ионизация. Столкновения между атомами или молекулами в этом случае столь сильны, что происходит отщепление электронов. Такой разряд называется дуговым разрядом. С возрастанием тока электропроводность столба повышается, вольтамперная характеристика дугового разряда приобретает падающий характер (рис. 7). Следует отметить, что хотя он может "гореть" в широком диапазоне давлений газа и иных условий, в большинстве случаев дуговой разряд наблюдается при давлении порядка атмосферного.

Во всех случаях особую важность представляет участок перехода между столбом разряда и электродами, причём ситуация у катода сложнее, чем у анода. При тлеющем разряде непрерывная связь между катодом и положительным столбом обеспечивается за счёт сильного катодного падения. В самостоятельном дуговом разряде в результате сильного локального нагрева катода появляются т. н. катодные пятна. В них обычно происходит термоэлектронная эмиссия или более сложная эмиссия электронов из облака испаряющегося материала катода. Процесс эмиссии из катода дугового разряда в настоящее время (1978) ещё не до конца понят и интенсивно исследуется.

Все рассмотренные выше электрические разряды в газах происходят под действием постоянного электрического напряжения. Однако газовые разряды могут протекать и под действием переменного электрического напряжения. Такие разряды имеют стационарный характер, если частота переменного напряжения достаточно высока (или, наоборот, настолько низка, что полупериод переменного напряжения во много раз больше времени установления разряда, так что каждый электрод просто попеременно служит катодом и анодом). Типичным примером может служить высокочастотный (ВЧ) Электрический разряд в газах. ВЧ-разряд может "гореть" даже при отсутствии электродов (безэлектродный разряд). Переменное электрическое поле создаёт в определённом объёме плазму и сообщает электронам энергию, достаточную для того, чтобы производимая ими ионизация восполняла потери заряженных частиц вследствие диффузии и рекомбинации. Внешний вид и характеристики ВЧ-разрядов зависят от рода газа, его давления, частоты переменного поля и подводимой мощности. Элементарные процессы на поверхности твёрдого тела (металла или изолятора разрядной камеры) играют определённую роль только в процессе "поджига" разряда. Стационарный ВЧ-разряд подобен положительному столбу тлеющего разряда.

Кроме стационарных разрядов, основные характеристики которых не зависят от времени, существуют нестационарные (импульсные) электрические разряды в газах. Они возникают по большей части в сильно неоднородных или переменных во времени полях, например, у заострённых и искривленных поверхностей проводников и электродов. Величина напряжённости поля и степень его неоднородности вблизи таких тел столь велики, что происходит ударная ионизация электронами молекул газа. Два важных типа нестационарного разряда - коронный разряд и искровой разряд.

При коронном разряде ионизация не приводит к пробою, потому что сильная неоднородность электрического поля, обусловливающая её, существует только в непосредственной близости от проводов и остриёв. Коронный разряд представляет собой многократно повторяющийся процесс поджига, который распространяется на ограниченное расстояние от проводника - до области, где напряжённость поля уже недостаточна для поддержания разряда. Искровой разряд, в отличие от коронного, приводит к пробою. Этот электрический разряд в газах имеет вид прерывистых ярких зигзагообразных разветвляющихся, заполненных ионизованным газом (плазмой), нитей-каналов, которые пронизывают промежуток между электродами и исчезают, сменяясь новыми. Искровой разряд сопровождается выделением большого количества тепла и ярким свечением. Он проходит следующие стадии: резкое умножение числа электронов в сильно неоднородном поле близ проводника (электрода) в результате последовательных актов ионизации, начинаемых немногими, случайно возникшими свободными электронами; образование электронных лавин; переход лавин в стримеры под действием пространственного заряда, когда плотность заряженных частиц в головной части каждой лавины превысит некоторую критическую. Примером естественного искрового разряда является молния, длина которой может достигать нескольких км, а максимальная сила тока - нескольких сотен тысяч ампер.

К настоящему времени (1970-е гг.) все виды электрического разряда в газах исследуются и применяются во многих областях науки и техники. Тлеющий, дуговой и импульсные разряды используются при возбуждении газовых лазеров. Плазматроны, в которых основным рабочим процессом служит дуговой или ВЧ-разряд, являются важными устройствами в ряде областей техники, в частности при получении особо чистых полупроводников и металлов. Мощные плазматроны используются в качестве реакторов в плазмохимии. На применении искрового разряда основаны прецизионные методы электроискровой обработки. При фокусировке лазерного светового излучения происходит пробой воздуха в фокусе и возникает безэлектродный разряд (подобный ВЧ-разряду и искре), называется лазерной искрой. Мощные, сильноточные разряды в водороде служили первыми шагами на пути к управляемому термоядерному синтезу.

В системе естественных наук изучение электрического разряда в газах занимает место в физике плазмы. При электрическом разряде в газах образуется низкотемпературная плазма, для которой характерна малая степень ионизации. В отличие от высокотемпературной (полностью ионизованной) плазмы, в низкотемпературной плазме атомы или молекулы нейтрального газа играют важную роль. Электроны, ионы и нейтральные частицы "мягко" взаимодействуют. Вследствие этого может возникнуть термодинамически неравновесная ситуация, при которой электроны, ионы и нейтральный газ имеют разные температуры. Эта ситуация ещё более усложняется, если в балансе энергии электрических разрядов в газах нельзя пренебречь световым излучением (например, в сильноточных дуговых разрядах). В таких случаях низкотемпературную плазму необходимо описывать с помощью кинетической теории плазмы [25].

2. МЕТОДИКА ЭКСПЕРИМЕНТОВ

.1 Экспериментальная установка

Был использован ранее разработанный на кафедре прецизионный, регулируемый, высоковольтный источник питания (ВИП), предназначенный для питания различного типа установок, необходимых для изучения экспериментальных образцов. Источник питания обладает высокими массогабаритными показателями, характеризуется малыми выходными шумами. ВИП имеет плавную регулировку выходного напряжения в зависимости от задающего сигнала генератора. Как показали полученные параметрические характеристики, ВИП подходит для питания различных активных и реактивных нагрузок. Прибор был сконструирован таким образом, чтобы в управление он был предельно прост и не требовал предварительной наладки перед экспериментом.

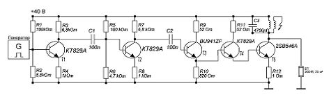
.1.1 Принципиальная электрическая схема источника питания

Электрическая схема представлена на рис. 9.

Рис. 9. Электрическая схема усилителя.

Входной каскад на транзисторе Т1 - выполненный на биполярном n-p-n транзисторе КТ829А, который является усилителем напряжения в однополупериодной схеме усиления входных импульсов с генератора. На транзисторе Т2 - КТ829А была реализована схема усиления и инверсии входных управляющих импульсов с эмиттерной температурной стабилизацией режима работы транзистора. Данный каскад усиления компенсирует потери сигнала на предшествующем каскаде.

Биполярные n-p-n транзисторы Т3 - BU941ZP и Т4 -КТ829 были включены параллельно для увеличения выходной мощности (коллекторного тока). В схеме были использованы транзисторы с близкими параметрам, транзисторы Т3 и Т4 были подобраны таким образом, чтобы согласовать работу эмиттерных повторителей и сформировать на базе транзистора Т5 сигнал для обеспечения его ключевого режима работы. Так H21э для Т3 существенно меньше, чем для транзистора T4. Выходное сопротивление транзистора Т3 со стороны эмиттера было увеличено путем включения резистора R10. Транзистора Т3 и Т4 имеют большой запас мощности поэтому были установлены на один тепло отвод. Для дополнительного выравнивания токов в данной схеме в цепях коллекторов применены резисторы R9 и R11. Сопротивление данных резисторов было выбрано исходя из падения напряжения (в интервале рабочих токов) около 1 вольта (или, по крайней мере, - не менее 0,7 вольта). Данная схема должна применялась с большой осторожностью, так как, даже транзисторы одного типа и из одной партии выпуска имеют очень большой разброс по параметрам. Выход из строя одного из транзисторов неизбежно приведет к выходу из строя и других транзисторов в цепочке усилителя. При параллельном включении двух транзисторов максимальный суммарный ток коллектора не должен превышать 1,6-1,7 от предельного тока коллектора одного из транзисторов. Так же данная схема включения обладает высоким входным и низким выходным сопротивлениями. Коэффициент усиления по напряжению этой схемы всегда меньше 1.

Выходной каскад был собран на биполярном n-p-n транзисторе T5 - 2SB546A. Анализ рынка современных биполярных транзисторов позволил подобрать единственное схемотехническое решение по отношению к транзистору Т5. Критерием служило максимальное коллектор - базовое напряжение с одновременным максимальным коэффициентом передачи по току H21э. К сожалению все высоковольтные биполярные транзисторы имеют малый коэффициент передачи по току, что определило низкое входное сопротивление транзистора Т5 со стороны базы и единственное оптимальное включение повышающего трансформатора в коллекторную цепь. Выходной каскад настраивался путем подбора сопротивления R12, которое не должно быть больше сопротивления первичной обмотки повышающего трансформатора Последним моментом настройки схемы, является подбор номинала сопротивлений R9, R10, R11 включенных в цепь предусилительного выходного каскада транзисторов T3 - BU941ZP и Т4 - КТ829. Номиналом сопротивлений будут определяться передаточные характеристики сборки транзисторов Т3 и Т4. Наличие у транзисторной сборки высокого коэффициента передачи по току обеспечивает требуемый коэффициент усиления по току. Важно чтобы сумма номиналов сопротивлений R9 и R11 не превышала импеданс сопротивления коллектор - эмиттера двух транзисторов и входного сопротивления транзистора Т5.

Известно, что у мощных выходных транзисторов такого типа велики обратные токи утечки через коллектор - базовый переход. Уменьшить это позволяет сопротивление R12, важно, чтобы суммарный номинал его, был выше сопротивления прямо соединенного база - эмиттерного перехода выходного транзистора.

Подбор биполярных транзисторов является сложной и трудоемкой задачей. Может оказаться так, что влиянием токов утечки коллектор - базового перехода пренебречь не удается. В этом случае может наблюдаться зарядка конденсаторов (С1 и С2) через цепь питания, что в свою очередь приведет выход транзистора в режим насыщения по току.

Основным недостатком данной схемотехники являются обратные индукционные выбросы, которые без дополнительных схем защиты приводят к выходу из строя выходного транзистора. С этой целью был выбран используемый нами выходной биполярный транзистор 2SB546A, имеющий значения напряжений на коллектор - эмиттере и база - эмиттере ~ 1500 В и рассчитан на рабочую нагрузку в 25 Ампер. Кроме того, был использован высоковольтный конденсатор С3. Такое включение конденсатора, позволяет сгладить обратные индукционные скачки в первичной обмотки повышающего автотрансформатора. Его выбор был обусловлен тем, что стандартные демпфирующие цепи существенно шунтируют работу первичной обмотки, что приводит к снижению выходных характеристик, что делает их использование невозможным.

Так же было принято решение реализовать дополнительную защиту выходного транзистора Т5 от индуктивных выбросов с первичной обмотки, применив двухэлектродный газонаполненный разрядник для защиты от импульсных перенапряжений - BT, производства Citel. Газовый разрядник может рассматриваться как быстродействующий переключатель малой емкости. При достижении напряжения пробоя (в случае нашей схемотехники было выбрано значение 300 Вольт) он быстро переходит из состояния с высоким сопротивлением, в состояние с низким сопротивлением, практически в короткое замыкание. Максимальное напряжение срабатывание данного разрядника - 3000 Вольт. Импульсные токи без изменения параметров до 25 кА.

В качестве повышающего трансформатора использовалась катушка зажигания типа 27.3705 с разомкнутым магнитопроводом, маслонаполненная, герметизированная, рис. 10. Сопротивление первичной обмотки при 25оС составляет быть 1,45± 0,05 Ом, вторичной - 100 ± 5 мОм.

Рис. 10. Катушка зажигания:

- изолятор;2 - корпус; 3 - изоляционная бумага обмоток; 4 - первичная обмотка; 5 - вторичная обмотка; 6 - клемма вывода первичной обмотки (обозначения "1", "-", "К"); 7 - контактный винт; 8 - центральная клемма для провода высокого напряжения; 9 - крышка; 10 - клемма подвода питания (обозначения "+Б", "Б", "+", "15"); 11 - контактная пружина; 12 - скоба крепления; 13 - наружный магнитопровод; 14 - сердечник.

Катушка зажигания выполняет функцию генератора импульсов высокого напряжения. Она работает по принципу трансформатора, имеет вторичную обмотку - тонкий провод с большим количеством витков, намотанный на железный сердечник, и первичную обмотку - толстый провод с малым количеством витков, намотанный поверх вторичной обмотки. При прохождении тока по первичной обмотке катушки, в ней создается магнитное поле. При размыкании цепи первичной обмотки коммутатором магнитный поток также прекращается, в результате чего в обеих обмотках индуцируется напряжение, которое во вторичной обмотке составляет не менее 20 кВ, а в первичной не более 500 В.

2.1.2 Источник питания схемы

Схема питается от простейшего мостового выпрямителя, собранного, которая позволяет питать схемы существенно различающиеся по нагрузочной способности. Данная схема обладает малыми пульсациями и несложная в конструкции, рис. 11. Подобное решение должно обеспечивать высокую нагрузочную характеристику блока питания в целом. В качестве питающих трансформаторов была выбрана пара ТПП3-8-220-50К, который представляет собой силовой трансформатор, имеющий две первичные обмотки по 110В, две вторичные по 10,2 и 3В. Соединив которые мы получили 40 вольт питающего напряжения.

Рис. 11. Принципиальная схема мостового выпрямителя.

Питающий трансформатор ТПП3-8-220-50К соответствует требованиям ГОСТ 19294-84.

Спецификация используемых радиотехнических элементов схемы усилителя

Наименование на схеме

Номинальное значение

Примечание

BT

300 В, 25 кА

-

С1

100nF

-

C2

100nF

-

C3

4700pF

-

L1

2,6 Ом

-

R1

100 кОм

-

R2

6,8 кОм

Требует настройки

R3

6,8 кОм

-

R4

1 кОм

Требует настройки

R5

100 кОм

-

R6

4,7 кОм

Требует настройки

R6

6,8 кОм

-

R8

1 кОм

Требует настройки

R9

52 Ом

-

R10

820 Ом

-

R11

52 Ом

-

R12

1 Ом

-

T1

КТ829А

-

T2

КТ829А

-

Т3

BU941ZP

-

Т4

КТ829А

-

Т5

2SB546A

-


.1.3 Краткие технические характеристики источника питания

Наименование на схеме

Номинальное значение

Примечание

ТПП3-8-220-50К

-

-

С1

400 мкФ

-

R1

100 кОм

-


Комплекс защит источника питания

Таблица 3. Комплекс защит высоковольтного источника питания.

Тип

Описание

Защита от короткого замыкания на выходе внутреннего источника питания

есть;  самовосст.1

Защита от превышения входного напряжения с генератора импульсов2

есть;  самовосст.

Тепловая защита3

есть;  самовосст.


- источник самостоятельно восстанавливает работоспособность после устранения причины срабатывания защиты.

- допускается кратковременное (не более 10 с) превышение максимально допустимого входного напряжения с генератора импульсов до величины не превышающей 15 В.

- тепловая защита срабатывает при температуре 96-110°С на выходном транзисторе, далее начинает стабилизироваться температура за счёт плавного снижения величины напряжения питания и тока.

Внешний вид и габаритные размеры высоковольтного источника питания

На рис. 12 представлен внешний вид высоковольтного источника питания.

Рис. 12. Вид сверху высоковольтного источника питания:

- воздухозаборное отверстие.

На рис. 13 показаны виды спереди и вид сзади, высоковольтного источника питания с обозначением основных элементов управления и коммуникации.

Рис. 13. Вид спереди и вид сзади, высоковольтного источника питания:

- высоковольтный выход;3 -индикатор потребления тока, повышающего трансформатора;4 - тумблер включения/выключения высокого напряжения;5 - индикатор готовности высоковольтной цепи;6 - комбинированный разъем сетевого питания и управляющих импульсов;7 - тумблер включения/выключения сетевого напряжения питания;8 - отверстие вывода горячего воздуха.

.2 Генератор низкочастотных сигналов Г3-36

Генератор сигналов низкочастотный Г3-36, Г3-36А представляет собой портативный источник синусоидальных, (основной режим) и прямоугольных (дополнительный режим, только Г3-36А) электрических колебаний звуковых и ультразвуковых частот. Генератор предназначены для регулировки и испытания низкочастотных и ультразвуковых каскадов радиоаппаратуры в лабораторных и производственных условиях. В генераторе предусмотрена возможность плавной регулировки выходного напряжения. Напряжение на выходах генераторов контролируется стрелочным индикатором. Внешний вид прибора показан на рис. 14.

 .

Рис 14. Внешний вид лицевой панели генератора сигналов Г3-36.

Технические характеристики генератора сигналов Г3-36

Таблица 4. Технические характеристики генератора сигналов Г3-36.

Параметры

Значения

 

Диапазон частот

20 Гц … 200 кГц

 

Основная погрешность установки частоты

≤ ±(0.03·fН + 1.5) Гц

 

Максимальное значение выходного напряжения на частоте 1000 Гц и нагрузке 600 Ом

не менее 5 В

 

Погрешность градуировки шкалы индикатора выхода

не более ±6%

 

Неравномерность частотной характеристики генератора относительно напряжения на частоте 1000 Гц при сопротивлении нагрузки 600 Ом и выходном напряжении 5 В

не более ±12%

 

Гармонические искажения при номинальном выходном напряжении на сопротивлении нагрузки 600±6 Ом

Диапазон частот



20…50 Гц

не более 1.5%


50 Гц…20 кГц

не более 1%


20…200 кГц

не более 2.0%


2.3 Экспериментальная разрядная ячейка

Была разработана экспериментальная разрядная ячейка, для изучения специфики поведения органических и неорганических объектов в поверхностном диэлектрически барьерном разряде (ДБР) атмосферного давления в воздухе, рис. 14. Она представляет собой замкнутый объем из диэлектрического прозрачного материала (1), внутри которой располагается микровинт (2) с возможностью смены конфигурации острия, выступающего в роли электрода. На рисунке изображен электрод в виде острия (3). Внутри ячейки располагается столик для исследуемых объектов (4). Корпус ячейки монтируется на стол при помощи изоляторов (5). В ячейке предусмотрен механизм принудительной откачной системы для удаления продуктов взаимодействия исследуемых объектов с ДБР (6). Второй электрод, он же столик для исследуемых объектов (4) заземляется через клемму (7).

Рис. 14. Схема устройства экспериментальной разрядной ячейки.

- корпус из диэлектрического прозрачного материала, 2 - микровинт с возможностью смены конфигурации острия, выступающего в роли электрода (анода), 3 - электрод в виде острия, 4- столик для образцов (катод), 5 - изолятор, 6 - механизм удаления продуктов взаимодействия исследуемых объектов с ДБР, 7 - клемма заземления;

В основу проектирования экспериментальной разрядной ячейки были заложены следующие требования:

.        Изоляция всех токопроводящих цепей и элементов и снятие риска попадания под высокое напряжение.

.        Наличие замкнутого объема в экспериментальной ячейки. В виду того, что горение разряда в воздухе сопровождается выделением большого количества озона и двуокиси азота. Озон имеет высокую окисляющую способность и образуется во многих реакциях с участием свободных радикалов кислорода, что определяет его высокую токсичность. Наиболее опасно он воздействует на органы дыхания прямым раздражением и повреждением тканей, на холестерин в крови человека с образованием нерастворимых форм, приводящим к атеросклерозу.

Озон в Российской Федерации отнесён к первому, самому высокому классу опасности вредных веществ. Нормативы по озону:.         максимальная разовая предельно допустимая концентрация (ПДК м.р.) в атмосферном воздухе населённых мест 0,16 мг/м³

II.      среднесуточная предельно допустимая концентрация (ПДК с.с.) в атмосферном воздухе населённых мест 0,03 мг/м³

IV.    При этом, порог человеческого обоняния приближённо равен 0,01 мг/м³.

Оксид азота (IV) так же высоко токсичен и относиться к первому классу опасности вредных веществ. Даже в небольших концентрациях он раздражает дыхательные пути, в больших концентрациях вызывает отёк лёгких.

.        Наличие прозрачных стенок экспериментальной ячейки и малогабаритные электроды, выполненные в виде полупрозрачной металлической сетки и острия, что необходимо и очень важно для обеспечения качественной визуализации процессов горения поверхностного барьерного разряда и объектов под действием. Кроме того, подобная конструктивная особенность позволяет беспрепятственно снимать спектральные характеристики разрядов.

.        Возможность быстрого подключения дополнительных диагностических приборов, таких как «Киловольтметр» и «Милли амперметр». Заметим, что «Киловольтметр» можно подключать непосредственно к высоковольтным электродам источника питания, а «Милли амперметр» включать в низковольтную часть схемы в цепь с нулем. Такое включение позволяет снимать вольт - амперную характеристику разрядов при нагрузке исследуемого объекта, необходимую для его классификации.

.4 Съемный, гибкий зонд для изучения органических объектов

С целью изучения органических и биологических объектов был разработан специальный «зонд», представляющий собой стеклянную трубку с расположенным внутри электродом. Зонд подключается к описанному выше источнику питания и позволяет без термической и какой-либо другой деструкции воздействовать диэлектрически барьерным разрядом на поверхность органических материалов и живых объектов. Внешний вид и устройство "зонда" показано на рис. 15.

Рис. 15. Зонд для изучения органических и живых объектов:

- кварцевая трубка, покрытая слоем изоляции; 2 - электрод; 3 - проводник; 4 - изолятор проводника; 5 - питающий провод; 6 - клемма для подключения к высоковольтному источнику питания.

3. ПОЛУЧЕННЫЕ РЕЗУЛЬТАТЫ И ИХ ОБСУЖДЕНИЕ

В более ранних работах была показана возможность плазменной визуализации сколов и дефектов. Был проведён анализ внутреннего строения различных материалов, которые используются в различных областях промышленности, развитие которых актуально в современном мире.

В рамках данной бакалаврской работы были изучены всевозможные типы проводов и кабелей, причём, не только отечественного, но и зарубежного производства.

.1 Эмалированная одножильная медная проволока

Первым объектом исследования была эмалированная одножильная медная проволока. Основная особенность данного образца - это нанесённый сплошной слой эмалированного покрытия, изоляционные свойства которого должны быть достаточно высокими, однако, в результате эксплуатации внешний слой может постепенно разрушаться вследствие воздействия на него ряда факторов, таких как:

. Эксплуатация в высокоточных цепях.

Наиболее часто температурное воздействие на проволоки осуществляется при их долгой эксплуатации в высокоточных цепях. Нередко случаются ситуации, когда при выходе из строя каких-либо схемотехнически элементов провода подвергаются воздействию тока короткого замыкания, при этом эмалированный слой теряет свою эластичность, становится хрупким и даже при незначительных механических воздействиях в нём возникают дефекты, которые представлены на изображении рис.16.

Рис. 16. Визуализация дефектов медной проволоки после эксплуатации в высокоточных цепях

. Использование в агрессивных средах.

Зачастую аппаратура может эксплуатироваться в агрессивных внешних условиях, в присутствии, например, серных газов. При этом, кратковременное воздействие не приводит к образованию дефектов, однако при длительном воздействии могут растравливаться наиболее критические участки, связанные с неравномерностью эмалирования проводов. Такое старение мы сымитировали в лабораторных условиях путём погружения образца в концентрированную серную кислоту. Выбор именно концентрированной серной кислоты связан с тем что она не реагирует с материалом проволоки - медью.

Визуализацию дефектов, возникающих при данном воздействии на проволоку можно увидеть на рис. 17.

Рис. 17. Визуализация дефектов при травлении образца

3. Физический контакт.

Не секрет, что на производстве зачастую бывают ситуации, предшествующие нарушению целостности образца. Самым распространённым видом такого нарушения является физический контакт с поверхностью. В лаборатории мы добились такого контакта путём нанесения царапин тонким алмазным надфилем вплоть до нарушения целостности приповерхностного слоя, которым покрыта проволока.

На рис. 18 явно видно, что точечные дефекты хорошо визуализируются в виде яркого свечения на месте дефекта.

Рис. 18. Механический дефект

Стоит отметить, что эмалированные провода отечественного производства обладают достаточно низкой дефектностью и незначительный нагрев, а также влага, не приводят к образованию дефектов.

.2 Медный провод с резиновой изоляцией

Спектр проводов, используемых в технологии достаточно широк. Так, например, в высоковольтных цепях используют провода с резиновой изоляцией. Они наиболее подвержены фатальному влиянию под действием внешних факторов.

. Температурные дефекты.

Уже незначительное температурное воздействие в течение получаса при температуре 100 оС приводит к внутренним изменениям в резиновом слое и появлению точечных дефектов, которые и показаны на рис. 19.

Рис. 19. Визуализация дефектов при прокаливании

. Физическое взаимодействие.

Чаще всего дефекты возникают не из-за несоблюдения условий эксплуатации образца, а по причине старения, проколов, трещин в результате постоянного и длительного использования.

Мы сымитировали данное взаимодействие в лабораторных условиях путём прокалывания образца иглой. Результаты можно увидеть на рис. 20.

Рис. 20. Свечение образца с механическими дефектами

Работая с данным видом проводов я сделал вывод, что его желательно заменить при первом подозрении на наличие дефектов.

.3 Коаксиальный кабель

Коаксиальные кабели занимают определённое место в радиоэлектронной аппаратуре. Это СВЧ электроника, где требуется надёжное экранирование центрального (или как его ещё называют «сигнального провода») от внешних электромагнитных полей.

Термическое старение приводило к незначительным микротрещинам в слое диэлектрической изоляции, что визуализировалось в виде равномерного свечения, что можно увидеть на рис. 21.

Рис. 21. Визуализация дефектов коаксиального кабеля при термическом старении

. Физическое взаимодействие.

Дефекты в виде проколов в коаксиальном кабеле зарубежного производства не провизуализировались. Скорее всего это связано с тем, что экран данного типа провода выполнен из широкой алюминиевой фольги, которую нельзя рассматривать как точечный дефект.

Однако, в коаксиальном кабеле отечественного производства прокол явно наблюдался как в темноте, так и при освещении (рис. 22). Я связываю это с тем, что экран данного провода существенно отличается от экрана коаксиального кабеля зарубежного производства и представляет собой сетку из тонких медных проводов. Их можно рассматривать как точечные объекты, дающие свечение в ПБРе.

Рис. 22. Визуализация дефекта от прокола иглой в отечественном кабеле

3.4 Четырёхжильный медный кабель

Современная аппаратура, как правило, оснащена многожильными кабелями, поэтому наличие целостность жил в составе имеет первостепенное значение. При технологическом подходе к ремонту такой аппаратуры, важно уметь быстро определять присутствует ли внутренняя токопроводящая жила в составе кабеля или нет, так как она может удаляться, например, при первоначальном монтаже оборудования.

В любом случае, плазменная визуализация количества жил в кабеле может оказаться полезной.

На рис. 23 показан кабель с частично удалёнными внутренними жилами. Видно, что с одной стороны наблюдаются только 2 факельных свечения, что соответствует двум внутренним жилам, а с другой 4, что действительно соответствовало 4-м внутренним проводам.

Рис. 23. Свечение кабеля с частично удалёнными внутренними жилами

ВЫВОДЫ

. Предложена плазменная визуализация механических дефектов различных образцов с использованием поверхностно-барьерного разряда в воздухе.

. Адаптирован комплекс оборудования для обнаружения механических дефектов в составе промышленных установок.

. Произведена попытка плазменной визуализации дефектов различных типов проводов.

СПИСОК ЛИТЕРАТУРЫ

Трапезников А.К., Рентгенодефектоскопия. 1948. 583 с.

Шрайбер Д.С., Ультразвуковая дефектоскопия, М., 1965;

Клюев В.В. Неразрушающий контроль. Том 3.: Справочник. В 7-и книгах / Под ред. Клюева В.В. 7 М.: Машиностроение, 2004

Гурвич А.К., Ермолов И.Н. Ультразвуковая дефектоскопия сварных швов - Киев: Техника, 1972, 460 с.

Выборнов Б.И. Ультразвуковая дефектоскопия - М.: Металлургия, 1985

Мирошин Н.В. // Изв. вузов. Физика. 1960. Т. 4. № 4. С. 139.

Новикова И.А., Мирошин Н.В. // Труды СФТИ. 1976. Т. 61. С. 117.

Новикова И.А., Мирошин Н.В. // Дефектоскопия. 1973. Т. 4. С. 270.

Жуков А.А., Редькин Г.А., Мудров А.Е., Хасанов В.Я. // Дефектоскопия. 1998. № 10. С. 47-58.

Ю.П. Райзер // Физика газового разряда.2009. С. 736.

Г.С. Ландсберг // Элементарный учебник физики. 1985. Т.2. С. 480.

Похожие работы на - Возможности визуализации дефектов образцов с использованием газового разряда атмосферного давления

 

Не нашли материал для своей работы?
Поможем написать уникальную работу
Без плагиата!
Без нейросетей!