Верстати свердлильні й розточувальні

  • Вид работы:
    Курсовая работа (т)
  • Предмет:
    Другое
  • Язык:
    Украинский
    ,
    Формат файла:
    MS Word
    498,06 Кб
  • Опубликовано:
    2015-03-26
Вы можете узнать стоимость помощи в написании студенческой работы.
Помощь в написании работы, которую точно примут!

Верстати свердлильні й розточувальні

Зміст

Вступ

. Призначення верстата

. Технічна характеристика

. Основні частини та органи управління

. Кінематична схема верстата

. Принципова дія верстата

. Охорона праці

Список літератури

Вступ

Машинобудування є основою науково-технічного прогресу в різних галузях народного господарства. Безперервне покращення та розвитку машинобудування, пов'язані з прогресом «Металорізальних верстатів», разом з іншими видами, технологічні машини забезпечують виробництва нових типів обладнання.

Метою даної роботи є розглядання та описання машини моделі 2620В, яка відноситься до 6-го типу (бурильні), і це, в свою чергу, належить до типу 2-ї групи (Верстати свердлильні й розточувальні) по класифікації “Металорізальні верстати” .

. Призначення верстата

Розточчі верстати призначені для обробки великих та громіздких деталей в умовах індивідуального та серійного виробництва, яким важко повідомити головний рух. Оброблювану деталь закріпляють на столі верстата або на плиті.

На (мал.1.1) показані основні технологічні операції, виконані на розгортання верстатах. Ці багатоцільові машини, на яких можливо виконати чорнове і чистове розточування отворів, фрезерування площини, свердлення, зенкерування, розгортання отворів, нарізання зовнішньої та внутрішньої різьби і інші технологічні операції. Такий сорт видів обробки, виконаних на розточувальних верстатах, дає можливість виробляти повну обробку деталей без переустанови її на інші верстати.

На верстаті здійснюється обертання шпинделя при виконанні усіх основних видів робіт і обертання планшайби при обточуванні торців радіальним супортом. При свердленні, зенкеруванні, розгортанні і розточуванні відвідному шпинделю подачі (або столу) повідомляють рух в поздовжньому напрямку. При розточуванні отвору різець встановлюють у борштанги, один кінець який закріплено у шпинделі, а другий обертається в підшипнику люнета стойки. При фрезеруванні площини виконують подачу відвідного шпинделя, несучого фрезу, або стіл отримує переміщення у поперечному напрямку. На верстаті можливо виконувати точні повороти стола на 90 и 180°.

Мал.1.1


. Технічна характеристика

верстат деталь шпиндель технічний

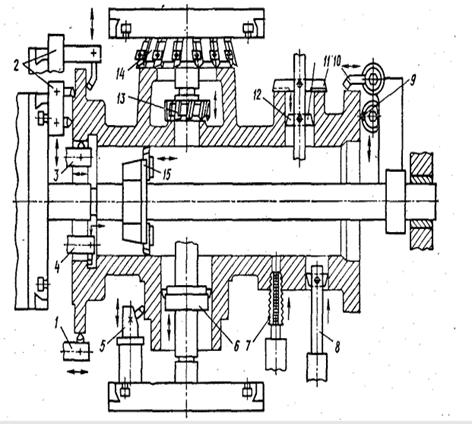
На чавунній станині 6 горизонтально-розточувального верстата мод. 2620В, що має коробчасту форму і внутрішні ребра жорсткості, прикріплена передня стійка 1 (мал.2.1а). По її вертикальним напрямам переміщається врівноважена шпиндельна бабка 2, в якій розташований механізм головного руху, механізм переміщення 3 висувного шпинделя 11 і інші механізми. По горизонтальним направляючим виконується ковзання станини, переміщається поворотний стіл 5 в двох напрямах. При чистовій обробці зазори в направляючих верстата і шпиндельної бабці автоматично усуваються спеціальними пружинними пристроями. Антифрикційні накладки, передбачені в напрямах, покращують плавність переміщення, зменшують знос направляючих і оберігають їх від пошкоджень. У правій нижній частині станини розташований електричний двигун подачі верстата 4. У лівій частині на станині розташована задня бабка 7 з люнетом 8. Верстат має підвісний пульт управління 9. Шпиндельна бабка забезпечена планшайбою 10, через яку проходить висувною шпиндель 11.

На (мал.2.1 б), схематично показана планшайба з радіальним супортом 12. По направляючих планшайби типу хвоста може пересуватися радіальний супорт, що має довгастий отвір для висувного шпинделя.

На радіальному супорті встановлюють пристосування для закріплення в ньому ріжучого інструменту (різця ). Радіальний супорт може працювати одночасно з висувним шпинделем. Розміри робочої поверхні столу для закріплення оброблюваної заготовки 1120x1300 мм (ширина Х довжина). Управління верстатом виробляють з основного і переносного пультів без докладання великих зусиль, що підвищує продуктивність праці, знижує стомлюваність і скорочує допоміжний час.

Мал.2.1


. Основні частини та органи управління

Верстат має шпиндельну бабку, нерухому передню стійку, поворотний стіл з поздовжнім і поперечним переміщенням щодо осі шпинделя і планшайбу з радіальним супортом.


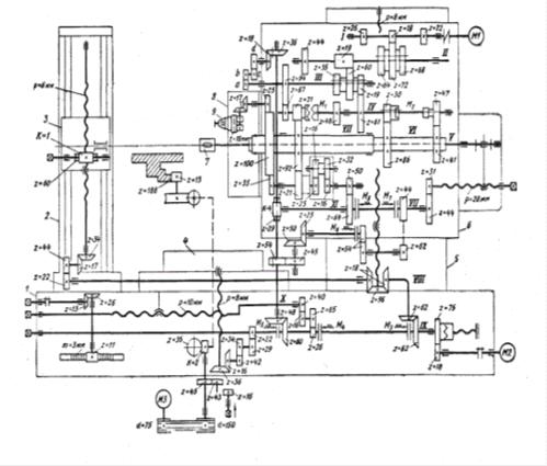
. Кінематична схема верстата

Вона складається з декількох кінематичних ланцюгів (мал.4.1), які забезпечують головні рухи висувного шпинделя і планшайби, що обертається незалежно від висувного шпинделя, подачі і переміщення. До числа подач і переміщень відносять переміщення висувного шпинделя в осьовому напрямку при розточувальних роботах; переміщення висувного шпинделя при нарізанні різьби; вертикальне переміщення шпиндельної бабки; поздовжнє переміщення столу; поперечне переміщення столу; поворот столу; радіальне переміщення супорта; прискорені і ручні переміщення.

Мал.4.1


Головний рух двох-швидкісного асинхронного електродвигуна М1 ( N = 8,5 / 10 кВт, n = 1440/ 2880 об / хв ) передається на вал I, потім через передачі 18 / 77, 22 / 68, 26 / 64 на вал II. З валу II на вал III рух передається через передачі 19 / 60 або 44 /35. З валу III на вал IV рух передається за допомогою передач 19 / 61 або 60 / 48. З валу IV на вал V ( шпиндель ) руху передачі передається через передачі 30 / 86 або 47 / 41. Колеса 41 і 86 сидять на втулці VI, яка з'єднана з шпинделем ковзної шпонкою . Шпиндель має 36 швидкостей, 13 з яких збігаються. Коробка швидкостей шпинделя має широкий діапазон частот обертання від 12,5 до 2000 об / хв. Порядок отримання частот обертання шпинделя можна простежити за графіком частот обертання (мал.4.2).

Мал.4.2


Мінімальну частоту обертання шпинделя можна записати, використовуючи графік частот обертання:

Обертання планшайби з радіальним супортом передається з валу IV, який має 18 швидкостей, за допомогою передач 21/92. Колесо 92 і планшайба розташовані на підлогою валу VII на шпонках.

Напишемо мінімальну частоту обертання планшайби:

Планшайба має 18 частот обертання, також розташованих по геометричному ряду зі знаменником φ = 1,26 від 8 до 400 об / хв. Три останні частоти обертання планшайби включати не дозволяється, отже, частоти обертання планшайби можна використовувати в межах від 8 до 200 об / хв.

Планшайба имеет 18 частот вращения, также расположенных по геометрическому ряду со знаменателем φ=1,26 от 8 до 400 об/мин. Три последние частоты вращения планшайбы включать не разрешается, следовательно, частоты вращения планшайбы можно использовать в пределах от 8 до 200 об/мин.

Напрямок обертання змінюють реверсуванням електродвигуна. Для підвищення жорсткості, вібростійкості і тривалого збереження міцності висувний шпиндель азотують, він переміщається в сталевих загартованих втулках великої довжини.

Рух робочих подач і допоміжних настановних переміщень здійснюють від електродвигуна М2 постійного струму ( N = 2,1 кВт , п = 1500 / 3750 об / хв) , що працює в системі генератор - двигун. Як генератор прийнятий електромашинний підсилювач типу ЕМУ- 50АЗ = С потужністю 4 кВт, про частотою обертання 2920 об / хв .

Переміщення висувного шпинделя в осьовому напрямку.

Від електродвигуна М2 рух через постійну передачу 18/75 передається через муфти М3 і М4 на вал IХ, через пару коліс 60/48 на вал X, через черв'ячну передачу 4/29, вал XI, через муфти М8 і М7 на вал VII, через передачу 44/31 на ходовий гвинт з кроком Р = 20 мм.

Напишемо найбільшу величину переміщення висувного шпинделя в осьовому напрямку:

Найменша величина переміщення висувного шпинделя виходить за рахунок зміни частоти обертання електродвигуна і дорівнює 2,2 мм / хв.

Вертикальне переміщення шпиндельної бабки.

Від електродвигуна М2, через колеса 18/75, рух передається на вал IX. Після включення муфти М3, через конічні колеса 62/62, рух передається на вал VIII, конічними колесами 18/96 приводять в обертання вертикальний 2-вхідний ходовий гвинт з кроком Р = 8 мм.

Знайдемо найбільшу величину вертикального переміщення шпиндельної бабки:

Мінімальну величину вертикального переміщення, рівну 1,4 мм / хв, отримують за рахунок зміни частоти обертання електродвигуна М2.

Поздовжнє переміщення стола.

Від електродвигуна М2, через колеса 18/75, включенням муфт М3 і M4 приводять в обертання вал IX, через колеса 26/65 і 16/40 приводять в обертання горизонтальний 2-вхідний ходовий гвинт з кроком P = 10 мм.

Знайдемо найбільшу величину поздовжнього переміщення стола S пр.:

Мінімальну величину поздовжнього переміщення, рівну 1,4 мм / хв, отримують за рахунок зміни частоти обертання електродвигуна М2.

Величину поздовжнього переміщення стола регулюють без ступеню в межах від 1,4 до 1150 мм / хв.

Поперечне переміщення верхньої частини столу.

Від електродвигуна М2, через колеса 18/75, включенням муфт М3-М5 приводять в обертання вал IX; через колеса 34/50; 42/65 і конічні 16/36 приводять в обертання 2-вхідний ходовий гвинт поперечного столу з кроком Р = 8 мм.

Величина осьового переміщення висувного шпинделя змінюється без ступінчатий в межах від 2,2 до 1760 мм / хв.

. Принципова дія верстата

Принцип дії верстата полягає в наступному. Інструмент кріплять в шпинделі або в супорті планшайби, він отримує головний рух ̶ обертання. Заготовку встановлюють безпосередньо на столі або в обладнанні. Столу повідомляється поздовжній або поперечний поступальний рух. Шпиндельна бабка переміщається у вертикальному напрямку по передній стойці (одночасно з нею вертикально переміщається опорний люнет на задній стойці).Розточувальний шпиндель отримує поступальне переміщення (при розточування отворів, нарізуванні різьби і т. д.). Супорт планшайби переміщається по планшайбі в радіальному напрямку. Всі ці рухи є рухами подач.

. Охорона праці

Під технікою безпеки мається на увазі комплекс заходів технічного та організаційного характеру , спрямованих на створення безпечних умов праці та запобігання нещасних випадків на виробництві .

З метою забезпечення охорони праці на підприємстві приймаються заходи до того , щоб праця працюючих була безпечною , і для здійснення цих цілей виділяються великі кошти. На заводах є спеціальна служба безпеки , підпорядкована головному інженеру заводу , що розробляє заходи , які мають забезпечити робітникам безпечні умови роботи , контролюють стан техніки безпеки на виробництві та стежать за тим , щоб всі робітники на підприємство були навчені безпечним прийомам роботи .

У рамках забезпечення охорони праці на підприємстві на заводах систематично проводяться заходи, що забезпечують зниження травматизму та усунення можливості виникнення нещасних випадків . Заходи ці зводяться в основному до наступного:

·        поліпшення конструкції діючого обладнання з метою запобігання працюючих від поранень;

·        поліпшення умов роботи : забезпечення достатньої освітленості , хорошої вентиляції , своєчасне видалення відходів виробництва , підтримку нормальної температури в цехах , на робочих місцях і у тепло-випромінюючих агрегатів;

·        усунення можливостей аварій при роботі обладнання , розриву шліфувальних кругів , поломки швидко обертаючих дискових пилок , розбризкування кислот , вибуху судин і магістралей , що працюють під високим тиском , викиду полум'я або розплавлених металів і солей з нагрівальних пристроїв , раптового включення електроустановок , ураження електричним струмом і т . п.;

·        організоване ознайомлення всіх вступників на роботу з правилами поведінки на території підприємства та основними правилами техніки безпеки , систематичне навчання і перевірка знання працюючими правил безпечної роботи ;

·        забезпечення працюючих інструкціями з техніки безпеки , а робочих ділянок плакатами , наочно які показують небезпечні місця на виробництві та заходи, що запобігають нещасним випадкам.

Проте в результаті зневажливого ставлення з боку самих робітників до техніки безпеки можливі нещасні випадки. Щоб уберегтися від нещасного випадку , потрібно вивчати правила техніки безпеки і постійно дотримуватися їх.

Загальні вимоги техніки безпеки на виробництві.

. При отриманні нової ( незнайомої ) роботи вимагати від майстра додаткового інструктажу з техніки безпеки.

. При виконанні роботи потрібно бути уважним , не відволікатися сторонніми справами і розмовами і не відволікати інших .

. На території заводу (у дворі , будинку, на під'їзних шляхах) виконувати наступні правила :

·        не ходити без потреби по інших цехах підприємства ;

·        бути уважним до сигналів , що подаються кранівниками електро кранів і водіями транспорту, що рухається , виконувати їх ;

·        обходити місця навантаження та вивантаження і не перебувати під піднятим вантажем ;

·        не проходити в місцях , не призначених для проходу , що не підлазити під стоїть залізничний склад і не перебігати шлях попереду рухомого транспорту;

·        не переходити в невстановлених місцях через конвеєри і рольганги і не підлазити під них , не заходить без дозволу за огородження;

·        не торкатися до електроустаткування , клем і електропроводів, арматури загального освітлення і не відкривати дверцят електрошаф ;

·        не включати і не зупиняти (крім аварійних випадків) машин , верстатів і механізмів , робота на яких не доручена тобі адміністрацією твого цеху

У випадку травмування або нездужання припинити роботу , сповістити про це майстра і звернутися в медпункт.

Нижче наведені спеціальні вимоги безпеки

Перед початком роботи:

. Привести в порядок свій робочий одяг : застебнути або обхопити широкою резинкою вилоги рукавів ; заправити одяг так , щоб не було розвіваються решт одягу : прибрати кінці краватки , косинки або хустки ; надіти щільно облягаючи головний убір і підібрати під нього волосся .

. Одягти робоче взуття . Робота в легкому взутті ( тапочках , сандалях , босоніжках ) забороняється зважаючи на можливість поранення ніг гострої та гарячої металевою стружкою .

. Уважно оглянути робоче місце , привести його в порядок , прибрати всі захаращують і заважають роботі предмети. Інструмент, пристосування , необхідний матеріал і деталі для роботи розташувати в зручному та безпечному для користування порядку. Переконатися в справності робочого інструмента і пристосувань.

. Перевірити , щоб робоче місце було достатньо освітлене і світло не зліпив очі.

. Якщо необхідно користуватися переносною електричною лампою , перевірити наявність на лампі захисної сітки , справності шнура та ізоляційної гумової трубки. Напруга переносних електричних світильників не повинна перевищувати 36 В, що необхідно перевірити з написів на щитках і струмоприймачах .

. Переконатися , що на робочому місці підлогу в повній справності , без вибоїн , без слизьких поверхонь і т. п. , що поблизу немає оголених електропроводів і всі небезпечні місця огороджені.

. При роботі з талями або тельферами перевірити їх справність , підняти вантаж на невелику висоту і переконатися в надійності гальм , стропа і ланцюги .

. При підйомі і переміщенні важких вантажів сигнали кранівнику повинен подавати тільки одна людина.

. Стропування ( зчалювання ) вантажу повинна бути надійною , чалку ( канатами або тросами ) відповідної міцності.

. Перед установкою великогабаритних деталей на плиту або на складальний стіл заздалегідь підбирати настановні й кріпильні пристосування ( підставки , мірні прокладки , косинці , домкрати , притискні планки , болти і т. д.).

. При установці важких деталей вибирати таке положення, яке дозволяє обробляти її з однією або з меншим числом установок.

. Заздалегідь вибрати схему і метод обробки , врахувати зручність зміни інструменту та виробництва вимірів .

Під час роботи:

. При заточуванні інструменту на шліфувальних кругах обов'язково надіти захисні окуляри ( якщо при колі немає захисного екрану). Якщо є захисний екран , то чи не відсувати його убік , а використовувати для власної безпеки. Перевірити , чи добре встановлений поручник , підвести його можливо ближче до шліфувального круга , на відстань 3-4 мм. При заточуванні стояти не проти кола , а в напівоберт до нього.

. Стежити за справністю огороджень обертових частин верстатів , на яких доводиться працювати.

. Не видаляти стружку руками , а користуватися дротяним гачком.

. У всіх інструментальних цехах використовується стиснене повітря тиском від 4 до 8 атмосфер . При такому тиску струмінь повітря становить велику небезпеку . Тому стисненим повітрям слід користатися з великою обережністю , щоб його струмінь не потрапила випадково в обличчя і вуха користується ним або працює поруч .

Список використаної літератури

1. Лоскутов В.В. Свердлильні та розточувальні верстати. М.: машинобудування, 1981. 152 с.

. Металорізальні верстати: Підручник для машинобудівних вузів / Під ред. В.Е. Пуша. М.: Машинобудування, 1986. 576 с.

. Фещенко В.М., Махмутов Р.Х.. Токарне оброблення. М.: Вища школа, 1990. 303с

.Н.Н. Чернов. Підручник для технікумів по спеціальності «обробка металів різанням». Четверте видання, пераб. і доп.-М.:Машинобудування,1988,-416 с.,іл.

Похожие работы на - Верстати свердлильні й розточувальні

 

Не нашли материал для своей работы?
Поможем написать уникальную работу
Без плагиата!
Без нейросетей!