Верстати з системами програмних управлінь

  • Вид работы:
    Курсовая работа (т)
  • Предмет:
    Другое
  • Язык:
    Украинский
    ,
    Формат файла:
    MS Word
    668,99 Кб
  • Опубликовано:
    2014-11-15
Вы можете узнать стоимость помощи в написании студенческой работы.
Помощь в написании работы, которую точно примут!

Верстати з системами програмних управлінь

Зміст

1. Вступ

. Загальний розділ

.1 Призначення, склад, принцип роботи ПЧПУ 2Р22

.2 Системний канал ПЧПУ2Р22

.3Адресний простір ЧПУ

. Конструкторсько-налагоджувальний розділ

.1 Структура субблоку SВ-884

3.2 Елементна база субблоку SВ-884

. Спеціальний розділ

4.1 Штатні засоби діагностики субблокуSВ-884

4.2 Алгоритм пошуку несправностей SВ-884

Перелік прийнятих скорочень

Література

1. Вступ


Одним з основних напрямів автоматизації серійного, дрібносерійного виробництва є застосування верстатів з програмним управлінням (ПУ).

Верстати з системами програмних управлінь (ЧПУ) широко застосовують практично в усій металообробній промисловості. На основі автоматизованих копіювальних систем управління були розроблені верстати з програмним управлінням які оснащені слідкуючими приводами та системами ЧПУ.

Раціональна область застосування верстатів з ЧПУ в металообробці значно розширюється при ускладненні характеру обробки. Розглядаються три показника можливості обробки: швидкість різання, величина знімання металу в одиницю часу та якість обробки, по цьому особливе значення набуває задача створення найбільш досконалих конструкцій сучасних верстатів з ЧПУ. Організація серійного випуску та повне використання їх технологічних можливостей на підприємстві.

Технічне переозброєння машинобудування на базі складної високопродуктивної техніки поставило задачу підготовки висококваліфікованого персоналу, який бере участь у їх створенні, освоєнні та експлуатації.

Освоєння нового обладнання з програмним управлінням та його налагодження вимагають від обслуговуючого персоналу широкого кола знань у різних галузях техніки

Підвищення ефективності виробництва та якості продукції у чималій ступені визначається створенням машин, які дозволяють здійснювати комплексну автоматизацію технологічних процесів у машинобудуванні.

Автоматизація технологічного процесу - застосування неживої природи у технічному процесі або його складових частин для їх виконання та управління ними безпосередньої участі людей, яке здійснюється з метою скорочення трудових витрат, поліпшення випуску та якості продукції.

На першому етапі автоматизації здійснювалась автоматизація робочого циклу, тобто створювалися напівавтоматичні автомати, металообробне обладнання з ЧПУ та роботи. Другий етап автоматизації представляє комплексна автоматизація, коли створюються гнучкі виробничі системи, які забезпечують дві базові умови і гнучкість, тобто оперативність перебудови виробництва на новий тип виробу, та орієнтації на безлюдну технологію, тобто можливість функціонування без втручання людини протягом однієї -трьох змін.

2. Загальний розділ

.1 Призначення, склад, принцип роботи ПЧПУ 2Р22

Використана в блоці ЕОМ в сукупності з необхідним програмним забезпеченням реалізує заданий склад алгоритмів управління, включаючи обслуговування зовнішніх пристроїв вводу-виводу, облік траєкторій і швидкостей переміщення рухомих органів верстата, видачу управляючих програм і т. д.

Блок має функціонально-модульний принцип побудови, тобто всі функціональні блоки, пристрої виконані у вигляді закінчених пристроїв:

- блок ЕОМ;

блок зв'язку з ПУ;

блок зв'язку з верстатом;

таймер;

блок зв'язку з КНМС;

блок перетворювачів кодів і блок умноження;

блок зв'язку з ФСУ;

блок зв'язку з ЕОМ вищого рангу;

блок зв'язку з пультом корекцій;

блок силовий;

блок зв'язку з перфоратором.

Основою модуля ЕОМ є центральний процесор (ЦП), ОЗУ і ПЗУ.

Зв'язок між модулями здійснюється через єдиний канал обміну інформацією. Канал обміну інформацією є простий швидкодіючої системою зв'язків, що з'єднує ЦП, пам'ять і всі зовнішні пристрої. Оскільки зв'язок між окремими елементами системи, включаючи ЦП, що здійснюється через канал однаково, зовнішні блоки легко доступні для ЦП, як і ОЗП ЦП, рисунок 2.1.

Інтерфейс пристрою - апаратура, яка виконує функції зв'язку з верстатом усі сигнали передаються на верхню панель, де проходить магістраль верстатній периферії.

У пристрої єдиний канал зв'язку умовно розбитий на дві частини. На нижній панелі пристрою проходить канал блоку ЕОМ. Через інтерфейс зв'язку з верстатом усі сигнали передаються на верхню панель, де проходить магістраль верстатній периферії.

Канал пристрою містить 39 ліній зв'язку, з яких 32 лінії є двосторонніми. Це означає, що за одним і тим же лініям інформація може братися, так і передаватися щодо одного і того ж блоку.

Зв'язок між двома блоками, підключеними до каналу, який здійснюється за принципом «керуючого - керований» (активний - пасивний). У будь-який момент часу тільки один блок є активним. Активний блок управляє циклами звернення до каналу, а пасивний блок є тільки виконавцем. Він може приймати і передавати інформацію тільки під. управлінням активного блоку.

У пристрої активним є наступні блоки:

процесор;

блок зв'язку з ЕОМ вищого рангу;

блок зв'язку з ПУ;

блок вхідних сигналів;

таймер;

блок зв'язку з КНМС;

блок зв'язку з ФСУ;

блок зв'язку з КНМЛ;

блок зв'язку з пультом корекцій;

блок регенерації пам'яті;

блок зв'язку з перфоратором.


Зв'язок через канал замкнутий, тобто на управляючий сигнал, який передається активним блоком, повинен надходити відповідь сигнал від пасивного блоку.

Асинхронне виконання операції передачі даних усуває необхідність в тактових імпульсах. В результаті обмін з кожним блоком може відбуватися з максимально можливим для даного блоку швидкодією. Обмін може здійснюватись як з 16-розрядними словами, так і байтами (8 розрядів).

Канал забезпечує три типи обміну даними: програмний обмін, обмін в режимі переривання програми і обмін в режимі прямого доступу до пам'яті.

Програмний обмін - це передача даних з ініціативи й під. керуванням програми. В режимі програмного обміну працюють всі блоки пристрою.

Обмін даними з ініціативи зовнішнього блоку може виконуватися при прямому доступі до пам'яті (ПДП) і в режимі переривання програми.

Обмін в режимі ПДП є самим швидким способом передачі даних між пам'яттю і зовнішнім блоком. Він не змінює стану ЦП і тому може виконуватися в проміжках між циклами звернення до каналу, що проводяться ЦП. У режимі ПДП пристрій працює при регенерації пам'яті.

Обмін даними в режимі переривання програми - це виконання програми обслуговування на вимогу зовнішнього блоку. Після завершення виконання програми обслуговування ЦП відновлює виконання перерваної програми з того місця, де вона була перервана. В режимі переривання програми працюють перераховані вище активні блоки пристрою.

Кожен блок, що вимагає переривання, має програму обслуговування, вхід в яку здійснюється автоматично з допомогою вектора переривання. Векторів переривання - це адреса комірки пам'яті, де знаходиться нове слово стану процесора.

Крім того, кожен блок, здатний викликати переривання , має пріоритет обслуговування, заснований на його розташування по відношенню до процесору. Коли два блоку (або більше) вимагають переривання, то блок, фізично ближче розташований до ЦП має більш високий пріоритет. Отримавши сигнал надання переривання, він заборонить подальше поширення цього сигналу вздовж каналу.

ЦП управляє розподілом часу використання каналу зовнішніми блоками і виконує всі необхідні арифметично-логічні операції для обробки інформації. ЦП має ОЗП динамічного типу ємністю 8 Кбайт.

Блок зв'язку з ПУ дозволяє вводити дані з ПУ і з ЭПМ в ЦП і виводити дані для сигналізації в ПУ.

Блок зв'язку з верстатом включає в себе:

блок вхідних сигналів від верстата;

блок вихідних сигналів на верстат;

блок зв'язку зі стежить приводом;

блок зв'язку з кроковим приводом;

блок адаптивного управління;

блок зв'язку з датчиками.

Кожен функціональний елемент пов'язаний з верстатом (32 вихідних дискретних сигналу, 16 вхідних дискретних сигналів, 1 канал керування приводом, 1 канал зв'язку з датчиками, 2 каналу адаптивного управління, 1 канал зв'язку з кроковим приводом) виконаний на одному субблоці.

Блоки вхідних і вихідних сигналів забезпечують безконтактну видачу сигналів на верстат і безконтактний прийом сигналів від верстата. Серед сигналів надходять від верстата, виділені сигнали, що викликають переривання програми процесора і отримання назва ініціативних сигналів.

Блок зв'язку зі стежить приводом призначений для видачі управляючих сигналів напряженим ±10 V на слідкуючий привід координат і привід головного руху. Кожен канал управління складається з 2 цифро-аналогових перетворювачів (ЦАП), один з яких перетворює код помилки по дорозі, а інший перетворює код швидкісною компенсації.

В режимі контурної зварки блок керування приводом здійснює перетворення коду шляховий помилки і коду швидкісний компенсації в напруги відповідної полярності та величини, підсумовування цих величин і видачу сумарного сигналу на привід верстата.

Блок зв'язку з кроковим приводом призначений для зв'язку крокового приводу з магістраллю УЧПУ, перетворення паралельного дволичного швидкості коду в унітарний, отримання інформації шляху методом цифрового інтегрування величини швидкості. Блок адаптивного управління призначений для утворення аналогового сигналу датчика моменту в цифру для виконання оптимального закону керування приводом подач. Блок зв'язку з датчиками призначений для зміни переміщень як лінійних, так і кругових.

Таймер - це блок, який видає сигнали з інтервалом, що визначаються частотою 100 кГц і програмно-заданої величиною. Після закінчення заданого інтервалу часу відбувається переривання програми і перехід на програму обслуговування через вектор з адресою 100.

Блок зв'язку з БВСІ призначений для отримання з ЦП кодів символів і видачі КНМС управляючих сигналів.

Блок перетворювачів кодів і блок умноження виконують перетворення двійково-десяткового 7-розрядного коду в двійковий код і двійкового коду в двійково-десятковий і множення двох 24-розрядних чисел.

Блок умноження необхідний для збільшення швидкодії системи при розрахунку траєкторії руху під час контурної зварки.

Блок зв'язку з ФСУ призначений для прийому даних від фотозчитувача і передачі їх в ЦП.

Блок зв'язку з КНМС призначений для обміну інформацією КНМЛ з ЦП.

Блок зв'язку з ЕОМ вищого рангу призначений для послідовного обміну інформацією між УЧПУ і ЕОМ вищого рангу.

Блок зв'язку з пультом корекції призначений для обміну інформацією між пультом корекції і ЦП.

Силовий блок призначений для отримання необхідних величин і напруг змінного струму.

Блок зв'язку з перфоратором призначений для керування виведенням даних з пристрою на стрічковий перфоратор.

2.2 Системний канал ПЧПУ

Конструктивно канал являє собою систему печатних провідників, за допомогою яких з'єднуються контакти розеток субблоків, утворюючи 39 сигнальних ліній каналу та лінії живлення. Найменування сигналу і умовне позначення наведено в таблиці 2.1.

Таблиця 2.1 - Сигнали каналу

Позначення сигналу

Призначення виводів

Активний рівень

К БАЙТН

Ознака запису/виводу байта

Н

К СИА

Сигнал синхронізації активного пристрою


К СИП

Сигнал синхронізації пасивного пристрою


К ВВОД

Введення даних

Н

К ВЫВОД

Виведення даних


К ВУ

Вибір зовнішнього пристрою


К СБРОС

Первинна установка каналу


К ОСТ

Зупинка


К ПОСТН

Постійне живлення в нормі

В

К ПИТН

Мережеве живлення в нормі


К ТПР

Вимога прямого доступу до пам'яті

Н

К ПВ

Підтвердження вибору


К ППД

Сигнал надання прямого доступу до пам’яті


К ППР

Сигнал надання переривання

В

К ПРТ

Вимога переривання по таймеру


К РГН

Регенерація


К ДА00 - К ДА15

Лінія адреси/даних

Н

2.3 Адресний простір ЧПУ

Розподіл адрес каналу і регістрів ВУ наведено в таблиці 2.2. Усі адреси дано у вісімковому коді. Буква К використовується для позначення числа, що дорівнює 1024. Канал дозволяє адресуватися до 32 До 16-розрядних слів або 64 Кбайт.

Таблиця 2.2 - Адресний простір ПЧПУ

Адреса

Комірка, що адресується

000000, 000040

Вектори переривань

000060

Клавіатура ПУ

000070

ФСУ

000100

Таймер

000110

КНМС

000114

КНМЛ

000120, 000124

Зв'язок з ЕОМ вищого рангу

000140, 000174

Блок вхідних сигналів

160776

РС КНМС

161000, 161377

РД КНМС

166600

РС БУ

166602

1 слово множника

РД БУ

166604

2 слово множника


166606

1 слово множимого


166610

2 слово множимого


166612

1 слово результату


166614

2 слово результату


166616

3 слово результату


166620

РС БПК

166622

1 слово даних

РД БПК

166624

2 слово даних


166626

1 слово результату


166630

2 слово результату


166760, 166762

РС ПК

166764

ПД ПК

167600

РС блоку зв’язку з верстатом

167602, 167636

Регістри блоку вхідних сигналів з верстату та вихідних сигналів на верстат

167640, 167676

Регістри блоку ЦАП та керування шаговим приводом

167700, 167736

Регістри БСД

167740, 167772

Регістри блоку АЦП

172544

РС лічильника

173000, 177016

Комутаційне поле

177544

РС таймеру

177546

РД таймеру

177550

РС ФСУ

177552

РД ФСУ

177554

РС перфоратора

177556

РД перфоратора

177560

РС ПУ

177562

РД ПУ

177564

РС печаті

177566

РД печаті

177750, 177752

РС

ЕОМ вищого рангу

177754, 177756

РД


177774

РС

КНМЛ

 177776

РД



3. Конструкторсько-налагоджувальний розділ

.1 Структура субблоку SВ-884

Оперативний запам'ятовуючий пристрій (ОЗП) призначено для тимчасового зберігання програм і даних.

ОЗУ виконано на субблоці SВ-884 (ІЯ3.082.884 Е3).

Структурна схема приведена на рис 3.1.

Рисунок 3.1 Структурна схема ОЗП

Технічні дані субблокаSВ-884:

1) Час вибірки не більше 0,5 мкс;

) Ємність пам'яті 8І92 байт.

Адреса конкретного банку пам'яті встановлюється за допомогою движкового модульного вимикача.

Субблок SB-884 є напівпровідникової пам'яттю статичного типу, ємністю 4К I6-ти розрядних слів.

Субблок складається з шістнадцяти елементів пам'яті (мікросхеми К 573 РУ 2А) і логічних схем адресації і управління.

Дані можуть записуватися в пам'ять або зчитуватися з пам'яті ЦП ЕОМ при виконанні циклів звернення до пам'яті:

цикл ВВЕДЕННЯ 16-ти розрядного слова;

цикл ВИВЕДЕННЯ 16-ти розрядного слова або байта;

цикл ВВЕДЕННЯ - ПАУЗА - ВИВЕДЕННЯ

Режими роботи мікросхеми пам'яті К 537 РУ 2А наведено в таблиці 3.1.

Таблиця 3.1- Режими роботи мікросхеми пам'яті

 Режими роботи

Входи

Вихід 7

 Примітки


8

1

11



Заборона вибору ИС

*

1


 *- Довільний логічний стан  ∞ - Стан високого вихідного імпедансу

Зчитування

1

0

*

0 або 1


Запис логічного 0

0

0

0


Запис логічноі 1

0

0

1



В адресній частині будь-якого циклу від активного пристрою в субблок надходить 16-ти розрядне адресне слово, в якому розряду1 - 12 використовуються для адресації комірки пам'яті.

Нульовий розряд адреси вказує до якого байту йде адресація у разі байтових операцій.

Розряди 13 - 15 використовуються для адресації банку пам'яті.

Адреса комірки пам'яті з канальних приймачів (мікросхеми D10 - D13) надходить на регістр адреси (мікросхеми D10 -D13).

Адреса комірки пам'яті з регістра адреси надходить на входи ACO- AII накопичувача (мікросхеми D 16 -D31).

Адреса банку надходить на дешифратор вибору банку (мікросхема D14, вимикач S1). Номер замкнутого вимикача (SІI -S I.6) відповідає номеру банку. З виходу мікросхеми D14 імпульс надходить на вхід регістра вибору банку (мікросхема D I3, вхід 2).

Сигнал з регістра вибору банку дозволяє прийом з каналу сигналів "К ВВЕДЕННЯ Н" і "К ВИВОД Н".

Слідом за адресою активний пристрій встановлює сигнал "К СИА Н", який використовується для запам'ятовування сигналів вибору банку регістром вибору банку, розрядів 00 -12 адреси в регістрі адреси.

На цьому закінчується адресна частина будь-якого циклу звернення до пам'яті.

У циклі ВВЕДЕННЯ здійснюється зчитування з пам'яті.

Після закінчення адресної частини циклу звернення активний пристрій виробляє сигнал "К ВВЕДЕННЯ Н". За цим сигналом мікросхема D 15 формує сигнал "СЕ", дозволу вибірки мікросхем пам'яті D16 - D31. Із затримкою не більше 300ns, що дорівнює часу вибірки мікросхем пам'яті, інформація надходить на мікросхеми D1 - D4. Сигнал дозволу на видачу інформації в канал надходить з мікросхеми D15 низьким рівнем на вхід УВ мікросхем D1 - D4. Одночасно з даними сигналом формується сигнал "К СИП Н" мікросхемою D7.2.

Беручи сигнал "К СИП Н", активний пристрій знімає сигнал "К ВВЕДЕННЯ Н ", який в свою чергу знімає сигнал" К СИП Н "субблока SВ-884.

У відповідь на зняття сигналу" К СИП Н "знімається сигнал"К СИА Н" активним пристроєм.

У циклі ВИВЕДЕННЯ здійснюється запис інформації в пам'ять.

Після закінчення адресної частини циклу звернення до каналу активний пристрій встановлює сигнали "К ВИВІДН" і "К БАЙТ Н". Якщо сигнал "КБАЙТ Н" не виробляється, то здійснюється запис 16-ти розрядного слова. У цьому випадку на виходах 6,8 мікросхеми D 9.2 формуються сигнали низького рівня.

У разі байтових операцій активний пристрій разом з даними встановлює сигнал "К БАЙТ Н". Запис старшого або молодшого байта визначається значенням нульового розряду адреси. При запису молодшого байта на виході II мікросхеми D1 формується сигнал низького рівня, на виході 3 - високого рівня. При запису старшого байта на виході II мікросхеми D1 формується сигнал високого рівня, на виході 3 низького рівня

Підтвердженням запису даних в пам'ять для, активного пристрою є сигнал "К СИП Н", який виробляється по сигналу "К ВИВІД Н". Потім здійснюється послідовне зняття сигналів "К ВИВІД Н", "К СИП Н", "КСИА Н".

У циклі ВВЕДЕННЯ - ПАУЗА - ВИВІД здійснюється зчитування даних з певної комірки пам'яті, модифікація цих даних, тобто виконання арифметико-логічних операцій, і запис їх в цю ж комірку пам'яті. Ці операції виконуються при одному зверненні до каналу, тобто при одному сигналі "К СИА Н".

3.2 Елементна база субблоку

.2.1 Дешифратор К155ИД4

Дешифратор призначено для перетворення двоїчного коду у напругу логічного рівня, який з’являється у тому вихідному проводі, десятинний номер якого відповідає двоїчному коду.

Умовне графічне позначення мікросхеми наведено на рисунку 3.2.

Рисунок 3.2 Умовне графічне позначення мікросхеми

Призначення виводів мікросхеми наведено у таблиці 3.2.

Таблиця 3.2 - Призначення виводів

Номер вводу

Умовне позначення

Призначення

1, 15

1С, 2С

Входи інформаційні

2, 14

1G, 2G

Входи стробуючі

3, 13

В, А

Входи адресні

7…4, 9…12

4…7, 0…3

Виходи

8


Загальний

16


Живлення


Мікросхема ИД4, це два дешифратора-демультиплексора. Він може виконувати функції:

подвійного дешифратора з 2 на 4;

подвійного демультиплексора з 1 на 4;

дешифратора з 3 на 8;

демультиплексора з 1 на 2.

Мікросхема має два адресних входи «А» та «В». Вони служать для одночасного управління вихідними станами дешифраторів. У кожному дешифраторі є окремий стробуючий вхід «1G» та «2G».

Якщо мікросхема використовується як демультиплексор, дешифратор може приймати по входам «1С» та «2С» як прямий, так і інверсний адресні коди.

Для дешифрації три розрядного коду треба з’єднати входи 2 та 14, 1 та 15.

Режим роботи мікросхеми К155ИД4 наведено у таблиці 3.3.

Таблиця 3.3- Режим роботи мікросхеми К155ИД4

Входи

Виходи

1С, 2С

В

А

1G 2G

0

1

2

3

4

5

6

7

Х

Х

1

1

1

1

1

1

1

1

1

0

0

0

0

0

1

1

1

1

1

1

1

0

0

1

0

1

0

1

1

1

1

1

1

0

1

0

0

1

1

0

1

1

1

1

1

0

1

1

0

1

1

1

0

1

1

1

1

1

0

0

0

1

1

1

1

0

1

1

1

1

0

1

0

1

1

1

1

1

0

1

1

1

1

0

0

1

1

1

1

1

1

0

1

1

1

1

0

1

1

1

1

1

1

1

0

Примітка - Позначення стану 0 - низький рівень; 1 - високий рівень; Х - байдужий стан


Основні електричні парламенти мікросхеми наведено нижче:

Напруга живлення, Uж, В                                                    5±0,25

Вихідна напруга низького рівня, , В, не більше        0,4

Вихідна напруга високого рівня, , В, не менше         2,4

Струм споживання, Ісп, мА, не більше                                40

3.2.2 Шинний формувач К589АП26

К589АП26 - це шинний формувач з інверсією (ШФІ), є паралельними двонаправленими формувачем сигналів для управління магістралями (шинами) в цифрових обчислювальних пристроях і являють собою 4-канальні комутатори, які мають у кожному каналі одну шину тільки для прийому інформації, одну шину тільки для видачі інформації та одну двосторонню шину для прийому та видачі інформації. У ШФ інформація проходить без змін, в ШФІ - з інверсією.

Умовне графічне позначення мікросхеми наведено на рис.4, структурні схеми показані на рис. 3.4.

Рис.3.3 Умовне графічне позначення мікросхеми К589АП26

Рис.3.4.струкурна схема мікросхеми К589АП26

Для управління режимом роботи і напрямом видачі інформації служить схема, виконана на двохвходових логічних елементах. І.Формувачі забезпечують передачу інформації при наявності лог. 0 на вході CS вибірки кристала. При наявності лог. 1 на вході CS формувачі знаходяться у вимкненому стані і виходи мають високий опір (3-е стан). При наявності на вході CS лог. 0 управління видачею інформації по шинах D0 і DB здійснюється сигналом на вході управління видачею інформації DCE. Якщо на вході DCE присутня напруга лог. 0, то відкрита передача інформації з входів DI на виходи DB. При наявності на вході DCE лог. 1 відбувається передача інформації з входів DB на виходи DO.

Статичні і динамічні параметри мікросхем ШФ і ШФІ наведено в табл.3.4 і 3.5 відповідно.

Таблиця 3.4 - Статичні параметри мікросхеми К589АП26

Параметр

Позначення

Значення параметрів

Струм споживання, мА Вхідний струм низького рівня при  UIL = 0,45 В, мА: для входів DO0-DО3, DB0-DB3 для входів CS, DCE Вхідний струм високого рівня при UIH=5,25 В, мкА: для входів DO0-D03, DB0-DB3 для входів CS, DCE Вихідний струм високого рівня, мА: для виходів DO0-DО3 для виходів DB0-DB3 Вихідні напруги низького рівня, В: для виходів DO0-D03 при IH = 15 мА для виходів DВ0-DB3 при IH = 50 мА  Вихідні напруги високого рівня, В: для виходів DО0-D03 при IH = -1 мА  для виходів DB0-DB3 при IH = -10 мА

ІСС IIL    IIH    IОН   UOL  UOH

130   (-0,25) (-0,5)  40 80  20 100  0,5 0,7  (3,65) (2,4)


Табл. 3.5 - Динамічні параметри мікросхем

Параметри

Позначення

Значення параметрів



К589АП26



мін.

макс.

Час затримки-поширення сигналу, нс:  від входівD10- D13 до виходівDB0-DB3 від входів DB0-DB3 до виходів DO0-DO3 від входів CS, DCE до виходів DB0-DB3, DO0-DO3 Час затримки переходу від входів CS, DCE до виходів DB0-DB3, DO0-DO3

tP(DI-DB) tP(DB-DO) tP (CS-D) tD (CS-D)

 16 14 36 30

 25 25 55 35


3.2.3 D-триггерК155ТМ8

Мікросхема К155ТМ8 має 16-контактний корпус і містить набори D-тригерів, що мають спільні входи синхронного скидання R і тактового запуску C. У мікросхемі К155ТМ8 число тригерів чотири, у кожного є виходи Q і Q. Мікросхема К155ТМ8 має структуру і цокольовку показану на рисунках. Режими роботи тригерів в мікросхемі К155ТМ8відповідають таблиці. Скидання всіх тригерів в стан Qn = H станеться, коли на вхід асинхронного скидання R буде подана напруга низького рівня Н. Входи С і Dn коли R = Н, не діють, їх стан байдуже (x). Умовне графічне зображення мікросхеми К155ТМ8 показано на рис. 3.5.

Рис.3.5 Умовне графічне позначення мікросхеми К155ТМ8

Інформацію від паралельних входів даних D1 - D4 можна завантажити в тригери мікросхем, якщо на вхід R подати напругу високого рівня. Тоді на тактовий вхід С слід подати позитивний перепад імпульсу і попередньо встановлені на кожному вході D напруги високого чи низького (В або Н) рівня з'являться на виході Q (тобто В або Н відповідно).

Мікросхема К155ТМ8, має струм споживання 45 мА, максимальна тактова частота становлять 25 МГц, а час затримки поширення сигналу скидання 35 нс. Основне призначення мікросхеми К155ТМ8- побудова регістрів даних, що запускаються перепадами тактового імпульсу. Корпус К155ТМ8 типу 238.16-1, маса близько 1,2 грама. Структурна схема мікросхеми К155ТМ8 наведена на рис. 3.6.

Рис. 3.6 Структурна схема мікросхеми К155ТМ8

Стан тригерів мікросхеми К155ТМ8 наведено в таблиці 3.6.

Таблиця 3.6 - Стан тригерів мікросхеми К155ТМ8

Стан тригерів мікросхем К155ТМ8

Режим робіт

Вхід

Вихід


R

C

Dn

Q

Q

Зброс

Н

х

х

Н

В

Загрузка 1

В

В

В

Н

Загрузка 0

В

Н

Н

В


Електричні параметри мікросхеми наведені нижче:

номінальна напруга живлення 5 В ± 5%

вихідна напруга низького рівня ≤0,4 В

вихідна напруга високого рівня ≥2,4 В

напруга на антизвонному діоді ≥-1,5 В

завадостійкість при низькому та високому рівнях ≤0,4 В

вхідний струм низького рівня ≤-1,6 мА

вхідний струм високого рівня ≤ 0,04 мА

вхідний пробивний струм ≤ 1 МА

струм короткого замикання -18. -57 мА

струм споживання ≤ 45 мА

споживана статична потужність на 1 логічний елемент ≤ 236,25 мВт

3.2.4 Статичне ОЗУ КР537РУ2А

Статистичне оперативне ЗУ на основі КМОП-структурК537РУ2А:

Інформаційна ємність…………………………….1024 біт

Організація ………………………………………..024 бітX1 розряд

Напруга живлення. ……………………………… 5 В ± 10%

Споживана потужність:

в режимі звернення при f = 1МгГц .............. . 14,0 мВт (при Т = + 25 ° С)

в режимі зберігання ............................................ ..Не більше 0,5 мВт

Діапазон температур ....................................... ... -60 ... + 85 ° С

Вихід ......................................................................Три стану

Сумісність:

по входу ............ З ТТЛОК і КМОП-схемами…С ТТЛ и КМОП-схемами

Тип корпуса………………………………Металокерамічний, 402.16-18

Графічне зображення мікросхеми наведено на рисунку 3.7.

Рис3.7 Графічне зображення КР537РУ2А

Динамічні параметри мікросхеми К537РУ2А зображені в таблиці 3.7.

Табл. 3.7 - Динамічні параметри мікросхеми К537РУ2А

Параметри

Значення параметрів


мін.

макс.

Час вибірки адреси, tA (A), HC Час вибору, tcs, HC Час встановлення сигналу CS відносного адреси, tSU (A-CS), HC Час встановлення сигналу записи щодо адреси, tSU (A-WR), HC Час встановлення сигналу записи щодо сигналу CS, tSU (CS-WR), HC Час встановлення сигналу записи щодо вхідних даних, tSU (DI-WR) Час збереження адреси після сигналу CS, tV (CS-A), HC Час збереження сигналу CS після сигналу запису, tV (WR-CS), HC Тривалість сигналу, CS, tW (CS), HC Тривалість інтервалу між сигналами CS, tREC (CS), HC Час заборони вихідних даних після сигналу CS,tDIS(CS), HC Тривалість сигнала запису,tW(WR), HC Час циклу запису, tCY (A) WR, HC Час циклу зчитування, tCY (A) RD, HC Вхідна ємність, C1, пФ Вихідна ємність, C0, пФ Ємність навантаження, C1, пФ

- -  20  0  - -  -  -  390(560) 110 50 tW(CS)+20РС 500(670) - - -

410(580) 390(560)  -  tSU(A-CS), HC  - -  -  -  - - 190 - - 8 14 50


Призначення виводів мікросхеми К537РУ2А зображено у таблиці 3.8.

Таблиця 3.8 - Призначення виводів мікросхеми К537РУ2А

Виводи

Призначення

Позначення

1…..6, 12…17 11 7 10 8 18 9

Адресний вхід  Вхід даних Вихід даних Вибір мікросхеми Сигнал запис-зчитування Напруга живлення Загальний

А  DI D0   UCC 0 B


Класифікаційні параметри мікросхеми КР537РУ2А:

час вибірки адреси не більше 410 нс

споживча потужність та режим збереження 2,75 мВт

Таблиця істинності мікросхеми КР537РУ2А зображена в таблиці 3.9.

Таблиця 3.9 - Таблиця істинності мікросхеми КР537РУ2А



A3…A11

DI

D0

Режим роботи

 1 0 0 0

 X 0 0 1

 X A A A

 A 0 1 X

 R0ff R0ff R0ff ⃰Дані в прямому коді

 Зберігання Запис 0 Запис 1 Зчитування



4. Спеціальний розділ

 

.1 Штатні засоби діагностики субблоку SВ-884


Наприклад, для діагностики блоку апаратними засобами використовуємо логічний пробник.. Перевагою апаратних засобів є, то що ми можемо діагностувати ділянки схеми (блоки) які не перевіряються програмно, недоліком є невисокий клас точності приладів вимірювання.

До апаратно - програмних засобів відносяться засоби створені на базі мікро ЕОМ різного типу і що мають різну універсальність.

Осцилограф - мультиметр типу С1 - 107 - це малогабаритний прилад, призначений для візуального дослідження, вимірювання амплітуди і часових параметрів періодичних електричних сигналів, а так само для вимірювання напруги постійного і змінного струму, сили постійного струму і опору. Розрахований для експлуатації в лабораторних, цехових і польових умовах.

Технічні дані:

Режим осцилографа:

Робоча частина екрану, мм                     40×60

Смуга пропускання, Мгц                         0 - 10

Коефіцієнт відхилення                             0,01 - 20

0,1  - 0,1

Відносна похибка

Коеф. відхилення і коеф. розгортки %   ± 8

Режим мультиметра:

Діапазон вимірювань:

напруга постійного струму, В                 0,001 - 1000

напруга змінного струму, В                    0,001 - 300

сила постійного струму, мА                    0,001 - 2000

активний опір, кОм                                  0,001 - 1999

- діапазон частот при вимірюванні

напруга змінного струму:

межа 0,2 - 2В                                            45Гц - 20кГц

межа 20 - 300В                                         45Гц - 1кГц

основні похибки при вимірюванні:

- напруга постійного струму        

напруга змінного струму    

сила постійного струму       

активний опір    

де Ак - кінцеве значення вимірювання

Ах - показання приладу

Споживана потужність                            25ВА

4.2 Діагностика працездатності субблоку SВ-884


Розробка діагностики працездатності оперативного запам'ятовуючого пристрою (ОЗП).

Перевірку ОЗП слід почати з зовнішнього огляду. При виявленні зовнішніх дефектів (розрив доріжок зв’язку,окислені контакти,відпаяний контакт та ін..) необхідно відповідно пропаяти доріжки або продублювати перемичкою,промити окислені контакти плати спиртом,припаяти контакт елемента,замінити пошкоджену деталь на нову,справну.

При відсутності зовнішніх дефектів або після їх усунення приступити до перевірки живлення плати. Для цього установлюємо плату через перехідну-технологічну вставку до пристрою ЧПУ,ввімкнути пристрій. На контактах субблоку перевірку робимо комбінованим приладом , а також пульсацію осцилографом С1-73. Величина пульсації не повинна перевищувати 50mВ .

Далі, коли живлення у нормі потрібно виконати перевірку вхідних сигалів,якщо вони в нормі - переходимо до перевірки селектора адреси після чого слід перевіряти -Інтерфейс- Формувач СЕ- Регістр адреси- Накопичувач. верстат мікросхема субблок інверсія

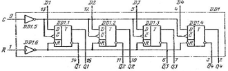
Розглянемо роботу ОЗП у циклі «Вивід». За початок циклу приймається встановлення ЦП на каналі КДА00Н...КДА15Н 16-розрядного коду адреси субблоку. Код адреси проходить через шинні формувачі D1...D4 з входів «В» на виходи «С» при рівнях, що дозволяють роботу, на входах «ВК» - низький рівень - за схемним рішенням, а на «УВ» - високий рівень, при відсутності сигналів «К ВВОД Н» та «К ВИВОД Н». 3 виходу шинного формувача D1 адреса А00, що відповідає за байтову операцію, поступає на регістр адреси D10/2,3, а адреси А1 ...А12 надходять на регістр адреси D11, D12 i на регістр вибору банку D13/1. Також адреса А13... А15 надходить на селектор адреси D14/13,3,1. Дозвіл на роботу селектора адреси D14 дає дозволяючий сигнал «К РГ Н», який формується високим рівнем (так як ОЗП статичне) і проходить крізь мікросхему D5.2 інвертується і низьким рівнем надходить на селектор адреси D14/2,14. В залежності від коду адреси сигнал з’являється на одному з виходів селектора адреси D14/10 йде сигнал низького рівня через замкнений контакт S1 на регістр вибору банку D13/2. При відсутності сигналу «К СИА Н» (високим рівнем) він надходить на входи «С» синхронізації регістрів адреси D10... D13. Розряди А00...А12, які надійшли на входи «D» регістрів адреси, запам’ятовуються в регістрах. При формуванні ЦП сигналу «К СИА Н» надходить низьким рівнем на входи «С» регістрів адреси D10... D13, і відбувається заборона на пере встановлювання регістрів адреси і відбувається запис до регістрів. З виходів регістрів адреси D10/15,10,3, D11/14,13,9,8, D12/14,13,9,8, D13/11 входять розряди А01...А12. Ці розряди надходять на накопичувачі D16... D31 на адресні входи «А00...А11». 3 виходу селектора адреси D13/13 сигнал надходить на мікросхему D6.1/10, який дає дозвіл на прийом сигналу «К ВЫВОД Н».

Розглянемо цикл запису слова. Після скидання коду адреси на каналі встановлюється код даних Д01...12 i ЦП формує сигнал «К ВЫВОД Н» низьким рівнем.

Внаслідок того, що сигнал «К БАЙТ Н» відсутній, з виходів мікросхеми D9.2/6,8 виходить низький piвень i надходить на входи «WE/RE» накопичувачів D16... D31. Сигнал «К ПОСТ Н» на каналі встановлений високим рівнем i надходить на мікросхему D15, на яку крім нього надходить сигнал високого рівня, який пройшов крізь мікросхеми D6.1, D6.2, D7.2. 3 мікросхеми D15/6 сигнал низького рівня надходить на входи «СЕ» накопичувачів D16... D31. Здійснюється запис даних до накопичувачів.

Розглянемо цикл при запису байтів. Сигнал «К БАЙТ Н» зберігається при наявності даних низьким рівнем. В залежності від piвня розряду А00 буде відбуватись запис старшого або молодшого байту. Якщо розряд А00 низький рівень він проходить через мікросхеми D1, D10, D9.1, D9.2, i відбувається запис до накопичувачів D16... D23 молодших байтів. Якщо розряд А00 високий рівень він проходить через мікросхеми Dl, D10, D9.1, D9.2 відбувається запис до накопичувачів D24... D31.

За сигналом «К ВЫВОД Н» крізь мікросхеми D6.1, D6.2, D7.2, D7.4 D7.3, D8.2 формується сигнал «К СИП Н», який сигналізує, що відбувся запис слова (байтів). ЦП приймаючи сигнал «К СИП Н» знімає з каналу код даних та сигнал «К ВЫВОД Н». За скиданням сигналу «К ВЫВОД Н» ОЗП знімає сигнал «К СИП Н» по цьому сигналу ЦП знімає «К СИА Н». на цьому цикл запису слова i запису байтів закінчено.

Розглянемо роботу ОЗП у циклі «Ввод» зчитування 16-розрядного слова. Адресна частина циклу «Ввод» співпадає з адресною частиною циклу «Вивод». Після зняття коду адреси з каналу ЦП формує сигнал «К ВВОД Н» низьким рівнем, який проходить через мікросхеми D6.1, D8.1, D7.2, D7.4, D8.2 i надходить низьким рівнем на управляючі входи «УВ» шинних формувачів D1... D4. Що дозволяє передачу даних з входів «А1...А4» на виходи «В1...В4». При відсутності сигналу «К ВЫВОД Н». високий рівень через мікросхеми D6.1, D9.2/6,1 сигнал високого рівня надходить на входи «WE/RE» накопичувачів D16... D31. Сигнал «К ПОСТ Н» високим рівнем через мікросхему D15/6 низьким рівнем надходить на входи «СЕ» накопичувачів D16... D31 i відбувається зчитування даних. З виходів даних накопичувачів, дані Д00...Д15 крізь шинні формувачі D1... D4 з виходів «А1...А4» на виходи «В1...В4». За сигналом «К ВВОД Н» формується «К СИП Н», який сигналізує що дані на каналі. ЦП записує дані i знімає сигнал «К ВВОД Н». У відповідь ОЗП скидає «К СИП Н» після цього ЦП скидає сигнал «К СИА Н» i на цьому цикл зчитування даних з накопичувачів закінчено.

Перелік прийнятих скорочень


АКК- Акумулятор;

БОСИ - Блок відображення символьної інформації;

БП - Блок перетворювачів;

БПК - Блок перетворювачів коду;

ГОТ - готовність;

КНМЛ - Касетний накопичувач на магнітній стрічці;

КСИ - Кадровий сверх імпульс;

ППР - Надання переривання;

Р - Розмір;

РА - Регістр адреси;

Р ЗАП - Дозвіл запису;

РД - регістр даних;

СИА - Сигнал синхронізації активного пристрою;

ПЗУ - Постійний запам’ятовуючий пристрій;

ПИЛП - Перетворювач, вимірюючих лінійних переміщень;

ПК - Пульт корекції;

П - Пам’ять;

ПО - Програмне забезпечення;

ППЗУ - Перепрограмуючий постійний запам’ятовуючий пристрій;

ТПР - Вимога переривання;

УП - Керуюча програма;

УСИ - Посилювач сигналу індуктивності;

ФК - Фільтр компаратор;

ФСУ - Фотозчитуючий пристрій;

ППД - Прямий доступ до пам’яті;

Н - Низький рівень даного сигналу;

К - Свідчить про приналежність даного сигналу каналу;

ТП - Вимога друку;

ТД - Сигнал з тригеру селектора адресного блока зв’язку БОСИ;

ЦАП - Цифрово-аналоговий пристрій;

ЦП - Центральний процесор;

ЄВМ - Електронна обчислювальна машина.- Дані верхньої магістралі; - Субблок.

Література


1. Герасимов В.Г. Основы промышленной электроники. Учебное пособие для вузов. - М.: Высшая школа. 1986. 336с.

. Сергиевский Л.В. Наладка и эксплуатация станков с устройствами ЧПУ. - М.: Машиностроение 1991 - 240с.

. Устройство 2Р22. Руководство по эксплуатации. 1Я3.035.090 РЭ. 1986 - 170с.

.Опис субблоку : http://www.cncinfo.ru/

. Опис мікросхем: www.microshemca.ru, www.asc-development.ru/, ippart.com

Похожие работы на - Верстати з системами програмних управлінь

 

Не нашли материал для своей работы?
Поможем написать уникальную работу
Без плагиата!
Без нейросетей!