Разработка автоматизированного рабочего места регионального менеджера по учету готовой продукции на складе ООО 'Аляска'
ФЕДЕРАЛЬНОЕ
АГЕНТСТВО ПО ОБРАЗОВАНИЮ
Исполнитель:
Студент Адресат: ВКР
Институт
ИКТ Кафедра ПЭИС
Специальность
Прикладная информатика в экономике
Специализация
Корпоративные информационные системы
Форма
обучения Очно-заочная
Группа ОКЕ 40
Выпускная
квалификационная работа
Тема
Разработка автоматизированного рабочего места регионального менеджера по учету
готовой продукции на складе ООО «Аляска»
Студент Гущина А.Н.
Руководитель Смирнова Г.Н.
МОСКВА
2008 г.
План
1. Аналитическая часть
1.1 Технико-экономическая характеристика предметной
области
1.1.1 Характеристика
предприятия
1.1.2 Краткая характеристика подразделения и видов его деятельности
1.2 Экономическая сущность задачи
1.3 Обоснование необходимости и цели использования вычислительной техники
для решения комплекса задач
1.4 Постановка задачи
1.4.1 Цель и назначение автоматизированного варианта решения задачи
1.4.2 Общая характеристика организации решения задачи на ЭВМ
1.4.3 Формализация расчетов
1.5 Анализ существующих разработок и обоснование выбора технологии
проектирования
1.6 Обоснование проектных решений
1.6.1 Обоснование проектных решений по техническому обеспечению
1.6.2 Обоснование проектных решений по информационному обеспечению
1.6.3 Обоснование выбора программного обеспечения
1.6.4 Обоснование технологического обеспечения
2. Проектная часть
2.1 Информационное обеспечение задачи
2.1.1 Информационная модель и ее описание
2.1.2 Используемые классификаторы и системы кодирования
2.1.3 Характеристика базы данных
2.1.4 Характеристика нормативно-справочной и входной оперативной
информации
2.1.5 Характеристика результатной информации
2.2 Программное обеспечение задачи
2.2.1 Общие положения (дерево функций и сценарий диалога)
2.2.2 Структурная схема пакета (дерево вызова процедур и программ)
2.2.3 Схема взаимосвязи программных модулей и информационных файлов
2.3 Технологическое обеспечение задачи
2.3.1 Организация технологии сбора, передачи, обработки и выдачи
информации
2.3.2 Схема технологического процесса сбора, передачи, обработки и выдачи
информации
3. Обоснование
экономической эффективности проекта
3.1 Выбор и обоснование методики расчета экономической эффективности
3.2 Расчет показателей экономической эффективности проекта
Заключение
Список
литературы
Приложение №1.
Структура документов
Приложение №2.
Структура таблиц
Приложение №3.
Схема бизнес-процесса «Как есть»
Приложение №4.
Схема бизнес-процесса «Как должно быть»
Приложение №5.
Фрагменты заполненных классификаторов
Приложение №6.
Схема технологического процесса сбора, передачи, обработки и выдачи информации
Приложение №7.
Экранные формы
Введение
В большинстве случаев повышение эффективности компаний, оказывающих своим
клиентам различные финансовые услуги, напрямую зависит от качества реализации
этих услуг. И сейчас, с усилением внутрирыночной конкуренции, а также давлением
со стороны западных компаний многие из российских организаций встают перед
проблемой потери части своих потенциальных клиентов.
Недостаточное знание своих потенциальных клиентов может привести не
только к замедленному развитию компании, но и потере уже имеющихся заказчиков.
Понимая эти проблемы, многие из участников рынка стремятся получить
конкурентные преимущества. Следует отметить, что в настоящее время экстенсивный
подход к развитию бизнеса уже не несет той выгоды, которую можно было получить
хотя бы пять лет назад. На первый план выходит интенсивное развитие, одним из
инструментов которого является клиентоориентированный подход. Компания ООО
"Аляска" занимает продвижением ювелирной продукции на Российском
рынке, политика данной организации нацелена на индивидуальный подход к каждому
покупателю. Что делает работу с ООО "Аляска" удобной и выгодной.
Целью данного дипломного проекта является проектирование и разработка
системы управления взаимоотношениями с клиентами. Представленная работа
является отражением реального проекта в организации ООО "Аляска", в
котором автор данной работы принимает участие в настоящее время. Разработка
проекта будет осуществляться на персональном компьютере с использованием
операционной системы Microsoft Windows
XP Professional и прототипного проектирования
Основой, на базе, которой будет выполнен проект, является Microsoft Access 2003. В настоящее время эта
программа является одной из наиболее удачных и распространенных.
Реализация проекта призвана обеспечить компании ООО "Аляска"
необходимую технологическую основу для качественного развития деятельности
компании в целях достижения отраслевого лидерства.
Представленная работа состоит из трех частей, в каждой из которых будет
подробно рассмотрено:
1. Аналитическая часть, включающая в себя технико-экономическую
характеристику предметной области, экономическую сущность поставленной задачи,
обоснование необходимости и цели использования вычислительной техники для
решения комплекса задач, постановка задачи, анализ существующих разработок и
обоснование выбора технологии проектирования, обоснование проектных решений.
2. Проектная часть, включающая в себя информационное обеспечение
задачи, программное обеспечение задачи, технологическое обеспечение задачи
. Заключительная часть, обоснование экономической эффективности
проекта, которая показывает сроки окупаемости данного проекта.
1. Аналитическая
часть
.1 Технико-экономическая
характеристика предметной области
1.1.1 Характеристика
предприятия
Ювелирная компания "Аляска", была создана 10 ноября
2007 года. Данная компания специализируется на оптовой торговле ювелирными
украшениями. За годы своей работы компания стала разветвленной коммерческой
структурой и успешно занимается продвижением ювелирной продукции на российском
рынке. Предлагает более 5000 наименований изделий, "Аляска"
обеспечивает высокопрофессиональный уровень работы с клиентами. Индивидуальный
подход к каждому заказчику, постоянно обновляемый ассортимент, гибкая система
скидок и разнообразные варианты расчетов делают работу с компанией удобной и
выгодной.
Имеется широкая оптовая сеть, охватывающую многие города и
регионы России,
Такие как:
1. Архангельская область;
2. Астраханская область;
. Брянская область;
. Свердловская область;
. Ямало-Ненецкий автономный округ и т.д.
Установлены прочные связи с зарубежным (Индия, Италия) и
отечественным (Кострома, Красная на Волге, Иваново) производителем,
осуществление прямых поставок позволяют создать наилучшие условия для
повышенной эффективности бизнеса своих партнеров:
- прогрессивная система скидок;
различные виды оплаты;
ускоренная доставка по Москве и регионам;
Организационная структура ООО "Аляска" представлена на рис.
1.1.
Генеральный директор выполняет функции:
· К компетенции Генерального директора относятся все вопросы руководства
текущей деятельностью Общества, за исключением вопросов, отнесенных к
компетенции Общего собрания акционеров и Совета директоров Общества.
· Генеральный директор организует выполнение решений Общего
собрания акционеров и Совета директоров Общества.
· Генеральный директор без доверенности действует от имени
Общества, в том числе:
· представляет интересы Общества, как в Российской Федерации,
так и за ее пределами, в том числе в иностранных государствах;
· совершает сделки от имени Общества, за исключением случаев,
предусмотренных Законом «Об акционерных обществах» и Уставом Общества;
· утверждает штаты, заключает трудовые договоры с работниками
Общества, применяет к этим работникам меры поощрения и налагает на них
взыскания;
· издает приказы, распоряжения и дает указания, обязательные
для исполнения всеми работниками Общества;
· осуществляет оперативное руководство деятельностью Общества;
· имеет право первой подписи под финансовыми документами;
· распоряжается имуществом Общества для обеспечения его текущей
деятельности в пределах, установленных Уставом;
· назначает своих заместителей, распределяет обязанности между
ними, определяет их полномочия;
· председательствует на Общем собрании акционеров по поручению
Совета директоров;
· принимает решения о предъявлении от имени Общества претензий
и исков к юридическим и физическим лицам;
· выдает доверенности от имени Общества;
· открывает в банках счета Общества;
· организует ведение бухгалтерского учета и отчетности
Общества;
· обеспечивает выполнение планово-мобилизационного задания и
мероприятий гражданской обороны по защите рабочих и служащих предприятия в
мирное и военное время;
На коммерческого директора возлагаются следующие функции:
· Руководство хозяйственно-финансовой деятельностью предприятия в области
планирования и управления его производственно-экономической политикой;
· Участие в разработке текущих и перспективных планов
предприятия, определении долговременной стратегии коммерческой деятельности и
финансовых планов предприятия;
· Изучение тенденций рынка и прогнозирование объема продаж в
зависимости от внешней среды;
· Координация и проведение маркетинговых действий, вытекающих
из решений руководства предприятия и других руководителей линейных служб;
· Организация работы складского хозяйства, создание условий для
надлежащего хранения и сохранности материальных ресурсов и готовой продукции;
· Организация работы по рекламе продукции, оказании
дополнительных услуг, торговых скидок и т. д.;
· Координация работы подчиненных ему подразделений.
· Коммерческий директор обеспечивает планирование будущих
поставок.
Исполнительный директор выполняет функции:
· Выполняет оперативное руководство и управление
текущей деятельностью Общества в соответствии с законами, иными нормативными
правовыми актами, Уставом Общества, решениями Общего собрания акционеров и
Совета директоров Общества, настоящим Положением, приказами и распоряжениями
Общества, изданными Генеральным директором ООО "Аляска" или уполномоченным им лицом, поручениями Генерального
директора ООО "Аляска", в пределах
полномочий предоставленных доверенностью;
· Исполнять приказы и распоряжения Общества,
изданные Генеральным директором ООО "Аляска" или
уполномоченным им лицом, поручения Генерального директора ООО
"Аляска";
· Обеспечивать осуществление Обществом
уставной деятельности в соответствии с целями Общества;
· Обеспечивать получение Обществом прибыли;
· Обеспечивать соблюдение законности в
деятельности Общества, обеспечивать финансовую и договорную дисциплину в
Обществе, в том числе обеспечивать своевременность исполнения обязательств
Общества, возникающих в связи с заключенными гражданско-правовыми договорами,
иными совершенными Обществом сделками;
· Обеспечивать выполнение Обществом
обязательств перед федеральным, региональным и местными бюджетами,
государственными внебюджетными фондами;
· Обеспечивать сохранность информации,
являющейся коммерческой тайной Общества, а также его контрагентов, не
разглашать сведения, составляющие коммерческую тайну Общества;
· Обеспечивать своевременную подготовку и
достоверность отчетности Общества и иных документов, необходимых для
составления отчетности;
· Обеспечивать организацию, надлежащее
состояние и достоверность бухгалтерского учета и отчетности в Обществе;
· Обеспечивать достижение установленных для
Общества ключевых показателей эффективности (КПЭ);
Отдел сбыта выполняет функции:
· Ведение клиентской базы;
· Поиск новых клиентов;
· Ведение и заключение новых договоров;
· Ведение переговоров с клиентами;
· Составление заявок;
· Составление счетов;
На бухгалтерию возлагаются следующие функции:
· Формирование полной и достоверной информации о деятельности организации и
ее имущественном положении, необходимой внутренним пользователям бухгалтерской
отчетности: руководителям, учредителям, участникам и собственникам имущества
организации, а также внешним: инвесторам, кредиторам и другим пользователям
бухгалтерской отчетности.
· К функциям бухгалтерского учета относятся также обеспечение
информацией, необходимой внутренним и внешним пользователям бухгалтерской
отчетности для контроля за соблюдением законодательства Российской Федерации
при осуществлении организацией хозяйственных операций и их целесообразностью,
наличием и движением имущества и обязательств, использованием материальных,
трудовых и финансовых ресурсов в соответствии с утвержденными нормами,
нормативами и сметами.
· Кроме того, к таким функциям можно причислить предотвращение
отрицательных результатов хозяйственной деятельности организации и выявление
внутрихозяйственных резервов обеспечения ее финансовой устойчивости.
1.1.2 Краткая
характеристика подразделения и видов его деятельности
Главным объектом, рассматриваемым в данном дипломном проекте будет
являться отдел сбыта. Деятельность этого подразделения характеризуется тем что,
региональные менеджеры работают по всем областям России, ведя переговоры с
клиентами, узнавая какой сейчас товар пользуется спросом, какова нынешняя
стоимость на него и общее положение бизнеса в целом.
Отдел сбыта является одним из основных подразделений данной организации,
благодаря которому выполняются следующие функции:
· Заказ товара;
· Актуальность товара на данный момент;
· Заключение договоров;
· Работа с клиентами;
· Формирование счетов;
· Отправка посылок;
· Отслеживание оплат от клиентов;
· Отслеживание доставки посылок.

На рис. 1.2 представлена структура данного отдела, который подчиняется
непосредственно начальнику отдела. Начальник отдела отдает распоряжение на
составление заявки в отдел сбыта, где региональный менеджер смотрит остатки
необходимого товара, проверяет спрос на товар и нынешнюю стоимость продукции.
Заявка составляется с использование средств Microsoft Office, такие как Word, Excel. Все данные об ассортименте товара
заносятся в таблицы и передаются для утверждения веса и количества генеральному
директору.
Табл. 1.1 Матрицы распределения функций
|
Операции (выполняемые
функции)
|
Начальник отдела сбыта
|
Региональный менеджер
|
|
1.Руководство отделом
сбыта. 2.Учет выполненных работ, составление предусмотренной отчетности.
3.Ведение переговоров по телефону, 4.заключение договоров, ведение клиентской базы,
поиск новых клиентов, выполнение заказов от покупателей, составление счетов,
отслеживание состояния доставки посылок, составление ежемесячных отчетов о
проделанной работе.
|
+ + + - - - - -
- - -
|
- - - + + + + + + + +
|
Ниже на рис. 1.3 представлена схема состава функции регионального
менеджера
На основании данной модели можно сделать анализ. Вся выполняемая работа
региональным менеджером производится вручную, т.е. заказ товара выполняется
путем проверки остатков на складе; учет поступления гп из цехов производится
проверкой товара по накладным прилагаемым к данной поставке; отпуск гп
потребителям делается на основании сделанных заявок клиентами и составления
счетов; учет реализации товаров ведется по итогам месяца, проверяется
количество проданных изделий по ведомостям; контроль выполнения плана реализации
производится в конце месяца на основе проверки количество проданной продукции и
оплаты полученной за проданный товар.
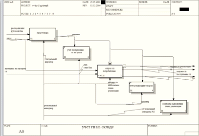
Функциональная модель бизнес - процесса с использованием BP Win «как есть».
На данных схемах представлен процесс работы регионального менеджера, где
происходит:
1. заказ товара;
2. учет поступления готовой продукции из цехов на склад;
. отпуск готовой продукции потребителям;
. учет реализации товара;
. контроль выполнения плана реализации.
Региональный менеджер делает «заказ товара», только после того, как
получает распоряжение от руководства. Как только поступает данное указание, он
начинает смотреть остатки товара на складе, ведя «учет реализации товара»,
затем после того как заявка составлена и отдана руководству, которое в свою
очередь направляет её в цеха для производства необходимого товара. Далее по
истечению времени идет поступление изготовленной продукции на склад, где
ведется «учет поступления готовой продукции из цехов на склад». При поступлении
товара на склад ведется накладная на передачу готовой продукции и ведомость
поступления готовой продукции. После того как готовая продукция поступила и
была учтена, происходит «отпуск готовой продукции покупателям». По итогам
месяца составляется «ведомость реализованного товара», а также осуществляется
«контроль выполнением плана реализации».
1.2 Экономическая
сущность задачи
Проанализировав функциональную модель регионального менеджера, выделим
следующий комплекс автоматизируемых задач, отраженный в схеме декомпозиции
комплекса задач на рисунке 1. 3. В её состав входят следующие задачи:
1. «Заказ товара»;
2. «Учет поступления ГП из цехов»;
. «Отпуск ГП потребителям»;
. «Учет реализации товаров»;
. «Контроль выполнения плана реализации»;
Рассмотрим экономическую сущность каждой задачи выделенного комплекса.
Экономическая сущность первой задачи «Заказ товара» региональный менеджер
получает распоряжение на составление заявки выявляет, при этом выявляя спрос на
товар и учитывая его стоимость, по каждому региону, в результате на выходе
получаем документ на «Утверждение заявки»
Экономическая сущность второй задачи «Учет поступления ГП из цехов»
рассчитывается количество выпущенной ГП по каждому цеху, в результате мы
получает документ «Ведомость поступления ГП»
Экономическая сущность третьей задачи «Отпуск ГП потребителям»
рассчитывается количество выпущенной ГП по каждому цеху, в результате мы получает
документ «Товарно-транспортная накладная»
Экономическая сущность четвертой задачи «Учет реализации товаров»
рассчитывается количество выпущенной ГП по каждому цеху, в результате мы
получает документ «Ведомость реализации товаров»
Экономическая сущность пятой задачи «Контроль выполнения плана
реализации» рассчитывается количество выпущенной ГП по каждому цеху, в
результате мы получает документ «Ведомость отклонения от плана реализации»
1.3
Обоснование необходимости и цели использования вычислительной техники для
решения комплекса задач
Необходимость осуществления проекта можно обосновать, только детально
проанализировав существующую в ООО "Аляска" технологию решения задач
сформулированных в п. 1.2. задач. Детальное графическое описание бизнес-процессов
представлено в приложении №1. Из цеха передается на склад готовая продукция
вместе с накладной. Склад принимает и ведет «Учет поступления готовой
продукции из цехов» при помощи ведомости поступления готовой продукции.
Затем ведомость передается в бухгалтерию. информационное обеспечение вычислительный
оперативный
Клиент подает заявку на выполнение заказа для менеджера, при этом
обговаривается:
· ассортимент;
· количество изделий на артикул и всего;
· сроки оплаты;
· адрес доставки.
На основании полученных данных менеджер составляет счет, и передает его
на склад.
Далее счет собирается на складе и на его основании делается
товарно-транспортная накладная и счет фактура. На этом этапе заканчивается
задача «Отпуск готовой продукции потребителю». Собрав посылку и
обговорив условия оплаты, посылка отправляется специальной почтовой службой.
При получении посылки клиент проверяет всё по накладной, если всё хорошо, то он
подписывает документы и отправляет один экземпляр товарно-транспортной
накладной обратно поставщику.
Следующей задачей является «учет реализованных товаров».
Менеджер получает от клиента документы, в соответствии со сформированным
перечнем. По мере поступления документов от клиента менеджер передает их в
бухгалтерию, где ведется ведомость реализации товаров.
После передачи документов в бухгалтерию, они переходят в отдел
планирования, где ведется план реализации и ведомость реализации товаров, затем
происходит «Контроль выполнения плана реализации».
Далее документы передаются в отдел реализации, после они вновь попадают к
бухгалтеру.
Таблица
1.2 Таблица потоков информации
|
№ п/п
|
Наименование
документа
|
Число строк в
документе
|
Число символов
в одной строке
|
Число действий
в одной строке
|
Число
документов в год
|
Число символов
в год
|
Число действий
в год
|
Число строк в
год
|
|
1
|
накладная на
передачу гп
|
10
|
100
|
2
|
1800
|
1800000
|
36000
|
18000
|
|
2
|
ттн
|
5
|
100
|
2
|
846
|
423000
|
8460
|
4230
|
|
3
|
заказ
материалов
|
10
|
100
|
2
|
1800
|
1800000
|
36000
|
18000
|
|
4
|
план реализации
|
20
|
100
|
2
|
646
|
1292000
|
25840
|
12920
|
|
ИТОГО
|
|
45
|
400
|
12
|
5092
|
2129200
|
106300
|
53150
|
|
1
|
ведомость
поступления гп
|
15
|
150
|
0
|
27000
|
60750000
|
0
|
405000
|
|
2
|
ведомость
реализации товаров
|
15
|
120
|
0
|
2160
|
3888000
|
0
|
32400
|
|
3
|
ведомость
отклонения от плана реализации
|
20
|
180
|
0
|
591
|
2127600
|
0
|
11820
|
|
ИТОГО
|
|
50
|
450
|
0
|
29751
|
66765600
|
0
|
449220
|
Данная таблица отражает объем работы в год и как мы видим, он очень
велик, т.е. за год обрабатывается огромный объем информации, который заносится
в таблицы с использованием средств MS Office.
Документация ведется на бумажных и электронных носителях. В данном дипломе мы
рассматриваем задачу по улучшению качества работы и сокращения временных затрат
на её исполнение.
Функциональная модель бизнес - процесса с использованием BP Win «как должно быть».
Проведем анализ характеристик потоков информации, возникающих в процессе
реализации комплекса задач регионального менеджера отдела сбыта.
Рассмотрим основной бизнес-процесс отдела сбыта и определим его основные
«узкие» места.
Региональный менеджер работает с клиентами, общаясь при помощи
телефон-факса, он выясняет потребительский спрос, ценовой фактор, определяет
уровень дохода по каждому региону. Также проверяет остатки на складе, заносит
их ведомость реализации товаров. Ведомость представляет собой таблицу,
созданную в MS Excel. Собрав минимум информации, региональный менеджер
осуществляет расчет, который ведется с использованием калькулятора,
составленного в MS Excel. После проведения расчетов
составляется заявка на товар и передается на рассмотрение руководителю отдела.
Использование вычислительной техники при решении комплекса задач,
описываемого в данной работе, обуславливается рядом факторов. Объем и качество
выходной информации не позволит решать задачи без использовании вычислительной
техники быстро и, что важно, корректно. Необходимость постоянной связи с различными
юридическими базами данных, возможность использования локальной вычислительной
сети, средств телекоммуникации - другие факторы, определяющие методы решения
поставленных задач с использование вычислительной техники.
Требования к создаваемой системе:
· Необходимо создать единую базу данных по заявкам, клиентам, сделкам и
партнерам компании с разграничением прав доступа к данным и функциям системы;
· Необходимо создать единое хранилище информации по готовой
продукции;
· Система должна предоставлять региональному менеджеру
инструмент контроля комплектности документов;
· Предусмотреть возможность создания в системе рабочих групп с
возможностью дальнейшего анализа данных по ним;
· Необходимо автоматизировать печать документов в зависимости
от типа которые необходимы в данном конкретном случае;
· Предусмотреть возможность создания в системе рабочих групп с
возможностью дальнейшего анализа данных по ним;
· Необходимо автоматизировать процесс обработки и распределения
готовой продукции на складе;
· В системе необходимо формировать следующие выходные
документы;
Достижение следующих результатов деятельности по отделу сбыта: улучшение качества работы, уменьшение времени на обработку информации, экономия денежных средств.
1.4 Постановка
задачи
1.4.1 Цель
и назначение автоматизированного варианта решения задачи
Целью разработки данного проекта с точки зрения получения косвенного
эффекта будет являться:
1. Ускорение продажи продукции;
2. Повышение качества обслуживания клиентов;
. Увеличение числа клиентов;
. Уменьшение количества возвратов от клиентов
. Будет обеспечен инструментарий для контроля текущей
деятельности, а также для финансового планирования и контроля выполнения
финансовых показателей:
Прямой эффект от внедрения данного проекта найдет свое отражение в достижении
следующих целей:
1. сокращение времени расчета комплекса задач;
2. сокращение стоимости решения задач;
. повышение достоверности расчетов;
. увеличение точности расчетов;
. увеличение степени аналитичности расчетов (увеличение количества
ведомостей и показателей);
. сокращение времени на рутинные операции и увеличение времени на
творческие операции;
1.4.2 Общая
характеристика организации решения задачи на ЭВМ
Данный комплекс задач решается на АРМе регионального менеджера, который
должен быть связан по каналу связи с АРМом бухгалтера и АРМом кладовщика по
снабжению:
В данном дипломном проекте рассматривается разработка новой отчетной
формы Прайс-лист по наличию товаров, разработка информационно-логической
модели данных, обеспечивающей бухгалтерский, оперативный и количественно-
суммовой учет продажи товаров.
Новая отчетная форма разрабатывается в существующей программе Microsoft Office Access 2003 с помощью Генератора отчетов. Наличие на фирме
такой отчетной формы позволит сократить время работы с клиентами. Это приведет
к расширению круга клиентов, и соответственно, к увеличению прибыли.
Данную отчетную форму рекомендуется получать ежедневно.
Автоматизация передачи данных из торговой программы значительно облегчит
работу бухгалтерии. Вместо того, чтобы постоянно ходить за документами в отдел
выписки, к кассиру и в отдел закупок и сбыта к менеджерам необходимую
информацию бухгалтерия сможет получать прямо на рабочем месте.
Источником поступления информации для разработки отчетной формы Заказы по
наличию является Справочник товаров.
Источниками поступления информации при передаче данных из торговой
программы в бухгалтерскую являются накладные из книги продаж в Microsoft Office Access 2003, а также все виды справочников в Microsoft Office Access 2003 при экспорте данных.
Требования к системе:
· Microsoft Windows® 2000 Server с пакетом обновления 2 (SP2)
или Microsoft Windows ServerTM 2003 с пакетом обновления 1 (SP1);
· Microsoft SQL Server 2000 с пакетом обновления 4 (SP4) или
Microsoft SQL Server 2005;
· Microsoft Exchange 2000 Server или Microsoft Exchange Server 2003.
В соответствии с декомпозицией задач, рассмотренной в п. 1.3. настоящей
работы можно выделить ряд этапов решения поставленных задач:
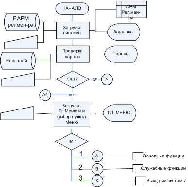
В диалоговом режиме всё происходит в следующей последовательности:
1) Региональный менеджер проверяет количество поступивших ГП и при
совпадении фактического значения их, вызывает форму ПО и заносит туда
"количество" и "цену", а стоимость считается автоматически.
Если фактическое количество не совпадает с количеством в "ТТН", то
региональный менеджер открывает экранную форму "АКТа" и заносит туда
: Фактическое количество ГП, количество ГП по "ТТН", цену из
"ТТН", считает отклонение по количеству, фактическую стоимость и отклонение
по стоимости и количеству.
2) При поступлении всех первичных документов:
1. Накладная на передачу готовой продукции;
2. Товарно-транспортная накладная;
. Заказ материалов;
. План реализации;
Региональный менеджер открывает форму соответствующего материала и вносит
туда данные о поступлении и расходе из этих документов, рассчитывая
автоматически остаток ГП на складе на данную дату.
В конце каждого дня остатки ГП на складах заносятся в "Ведомость
ГП" на дату. Данная ведомость передается по каналу связи на АРМ менеджеру,
а все первичные документы передаются на АРМ бухгалтера.
После сведения заносятся в систему.
После формирования полного комплекта документов, необходимых для
отчетности.
Таким образом, система обеспечивает ввод данных, их обработку и вывод
различной отчетности. Эта технология облегчит трудоемкий процесс работы с
документами, снизит вероятность потери информации, повысит надежность хранения
информации, увеличит достоверность результатной информации, обеспечит
оперативность получения выходной информации.
1.4.3 Формализация
расчетов
В данном пункте осуществляется формализация решения задачи, т.е.
рассмотрение последовательности проведения расчетов, а также выделение
алгоритмов расчета экономических показателей. Далее представлена таблица 1.3.,
на которой отражены входные показатели, а также их формализованное описание.
Таблица 1.3 Формализованное решение алгоритмов решения задач и исходное
описание первичных показателей
|
№
|
Наименование показателей
|
Идентификатор показателя
|
|
1
|
Количество поступивших i-
й ГП по накладной j-ю дату D
|
Kij где i от 1 до N j от 1
до M(количество цехов) d от 1 до D
|
|
2
|
Цена заказа i-того
ГП (материала)
|
Zi
|
|
3
|
Количество заказанной ГП
i-того товара
|
|
4
|
Количество отпущенного
товара по ТТН i-й ГП j-потребителю на дату D
|
Kodil l от 1 до L (число цехов)
|
|
5
|
Количество оставшейся
продукции на дату D
|
Qbxi
|
Таблица 1.4 Формализованное описание результатных показателей
|
№
|
Наименование показателя
|
Идентификатор показателя
|
Алгоритм расчета
|
|
1
|
Стоимость поступления по
накладной i-той ГП от j-того
|
Sпdij
|
Sпdij=Kпdij
* Zi
|
|
2
|
Заказ i-й на ГП на
дату d
|
Odi
|
Odi=Oвхdi
+ Kпdij
|
|
3
|
Остаток i-того ГП по
ТТН на дату d в Ведомости остатков
|
OBdi
|
OBdi=Odi
|
|
4
|
Общее количество товаров
i на
дату d по
всем клиентам j
|
Ki
|
Ki = ∑Kil
|
|
5
|
Общая стоимость товаров i на дату d по всем
клиентам j
|
Szdi
|
Szdi = ∑
Szdij
|
|
6
|
Общее количество
отпущенного товара i на
дату d по всем клиентам j
|
Kodi
|
Kodi = ∑Kodil
|
|
7
|
Общая стоимость отпущенного
товара товаров i на
дату d по всем клиентам j
|
Sodi
|
Sodi = ∑ Sodij
|
Расчеты по формированию выходных документов в данном случае крайне
примитивны. Это операции сложения, вычитания и умножения. Однако если учесть
большой объем обрабатываемой информации и получаемые в итоге крупные суммы,
использование ЭВМ избавляет менеджеров от работы требующей большого внимания и
значительных временных и трудовых затрат.
1.5
Анализ существующих разработок и обоснование выбора технологии
проектирования
Среди представленных на российском рынке систем автоматизации торговли
можно отметить предложения фирм "Tandem-Soft" ("Торговля и
учет" для Windows), "Эйс" ("Гепард"), "1С"
(1С:Торговля"), "Информационные системы и технологии (система
"Аспект"), "КомТех", "Атлант-Информ" (система
"Садко"), "Парус", "Мета" (Комплекс автоматизации
в розничной торговле), "Интеллект-Сервис", "Инфин",
"Веста-С" (Управление товарооборотом на базе системы StorS). Анализ
перечня свидетельствует об активности фирм, разрабатывающих бухгалтерские
программы.
Среди пользователей ПС - фирмы, торговые и страховые компании, промышленные
предприятия и строительные фирмы, бюджетные организации, издательства,
инвестиционные компании, фонды и др. Сейчас активно развивается направление,
связанное с предприятиями общественного питания. Но наибольший удельный вес
среди пользователей программ фирмы приходится на торговые организации.
«БЭСТ» - это комплексная система автоматизации оперативного и бухгалтерского
учета. Гибкая технология автоматизированного учета позволяет объединить в
единой системе специализированный продукт, компьютерную сеть, кассовые
аппараты, устройства считывания штрих-кодов и другое оборудование.
Система БЭСТ-3 отличается мощным аналитическим учетом, универсальностью,
простотой освоения и удобством работы, настраиваемостью и гибкостью системы,
отличной документированностью и хорошим уровнем автоматизации. Используемый в
системе подход работы "от документа" дает возможность пользователям
вести свои операции в естественном, привычном для них режиме, обрабатывая
первичные документы, а фирме позволяет просто и быстро вводить модули с новыми
функциональными возможностями. Так, для организаций, осуществляющих торговые
операции, в систему включены соответствующие модули учета и движения
товарно-материальных ценностей и готовой продукции на складах; модули
управления продажами, анализа движения товаров и ГП, их прибыльности. Для
предприятий розничной торговли обеспечивается связь с электронными кассовыми
аппаратами торговых залов и пр.
Недостатки
После установки обновления, перестает печататься название услуги в счете
на оплату. Данная система непредназначенная для работы в ювелирной сфере, при
попытке подстроить систему под такого под рода продукцию, происходит сбой, в
результате происходит потеря данных.
В условиях возрастающих требований к управлению и управляемости предприятием,
«Парус» сумела отойти от решения только лишь учетных задач, например,
бухгалтерского, налогового, производственного и складского учета, и сумела
создать технологию комплексной автоматизации управления предприятием, решающую
задачи текущего(бюджетирование) и оперативного планирования, управление
дебиторско-кредиторской задолженностью, управление финансовыми ресурсами
предприятия и др.
Обобщая весь спектр программной продукции Парус, по области и уровню
своего применения ее можно сгруппировать следующим образом:
Программные продукты для учета финансов частных предпринимателей.
Программные продукты, автоматизирующие управление организаций, состоящих
на государственном бюджете.
Программные продукты, ориентированные для работы в наиболее емком и
активном сегменте рынка - сегменте малых и средних предприятий. К этой линии
программных продуктов относятся комплексные системы для автоматизации
управления предприятий оптовой и розничной торговли, общественного питания и
гостиничного бизнеса, транспортных и страховых фирм, фармацевтических компаний
и аптек.
Программные продукты для автоматизации управления крупных предприятий,
корпораций и холдингов, в том числе предприятий нефтегазового и
топливно-энергетического комплекса, а также предприятий телекоммуникаций и связи.
Преимущества системы
· Использование современных программных решений (Windows,
ORACLE).
· Низкие системные требования, высокая скорость работы
приложения.
· Простота разработки:
визуальная методика создания
отсутствие необходимости написания кода и компиляции
Недостатки
Сложность в освоении данного программного продукта, его дороговизна, не
приспособлена под оптовую продажу ювелирных изделий.
Разрабатываемая мною система базы данных системы соответствует
реляционной модели, что позволяет провести всесторонний анализ содержащейся в
ней информации.
В состав системы входят пять модулей: базовые модули и Администратор
системы, аналитический модуль Генератор отчетов, Редактор бланков выходных
документов.
Базовый модуль осуществляет управление складами и движением товаров,
регистрацию платежей и ведение баланса с партнерами, с его помощью решаются
задачи учета продаж. В его функции входит:
·
выполнение
товарных операций: Продажа товаров, Закупка товаров, Перемещение товаров со
склада на склад, Корректировка наличия товаров на складе, Возврат товара;
·
выполнение
расчетно-денежных операций: Расчеты с покупателями, Расчеты с поставщиками и
Перевод денег со склада на склад;
·
резервирование
товаров при выписке счетов;
·
регистрация
пользователей при оформлении всех документов;
·
поддержка
справочников системы;
·
печать документов
на поставку и отпуск товаров со склада и платежных документов в формате;
·
автоматический
расчет себестоимости по средневзвешенному методу;
·
осуществление
интерфейса с другими системами через Импорт и Экспорт данных;
·
получение и
печать отчетов по готовым формам, входящим в библиотеку отчетов.
Администратор
Модуль Администратор системы выполняет специфические функции, доступные
только администратору базы данных компании. К их числу относятся следующие
функции:
создание новой компании:
настройка ее параметров;
регистрация пользователей компании и определение их прав доступа к данным
и документам;
выполнение операций, влекущих за собой существенные изменения в базе
данных.
Редактор бланков
Используя этот модуль, пользователь может самостоятельно сконструировать
бланки для различных документов: счета, накладной, коммерческого предложения,
заказа, чека, платежного поручения и проч., содержащие текст, поля базы данных,
сканирование изображения, любые шрифты, формулы и таблицы. В бланк документа
можно вставлять вычисляемые поля (например, НДС или процент скидки). Если, в
связи с изменением законодательства, правила, по которым вычисляются такие
поля, будут изменены, то пользователь без труда отредактирует форму документа,
приведя ее в соответствие с новыми правилами.
Для одного типа документов можно иметь несколько различных бланков и при
печати выбирать нужный в зависимости от обстоятельств. Более того, можно
создать многостраничные бланки. Так, например, удобно иметь бланк, первая
страница которого является накладной, вторая - счет-фактурой, а третья -
приходно-кассовым ордером. В другом случае бланк может содержать, например,
несколько страниц договора, куда будут при печати автоматически вставляться
нужные поля базы данных.
Можно, наоборот, на одной странице разместить несколько документов. В
документ можно вставить логотип или рекламу фирмы, дополнить бланк счета
отсканированным изображением печати фирмы и подписью руководителя для отправки
счета по факсу и т.п.
Генератор отчетов
Генератор отчетов дает возможность создавать различные отчеты по
содержимому складов, движению товаров и денежных средств, истории создания
документов. Он будет использован для формирования документа. Отчет формируется
в два этапа. Сначала при помощи Генератора отчетов пользователь разрабатывает
форму отчета, определяя содержание и внешний вид отчетов, которые будут
получены по этой форме. На втором этапе разработанные заранее формы
используются уже непосредственно для получения отчета, т.е. для формирования
списка записей базы данных и для вывода его в виде, заданном в форме отчета.
Однажды разработанная форма может быть многократно использована для получения
отчетов. Генератор отчетов предоставляет пользователю богатый арсенал
средств для построения отчетов. Он позволяет включать в отчеты поля базы
данных, различные формулы и расчетные функции, переменные, определенные
пользователем, а также произвольным образом отфильтровать записи, входящие в
отчет. В фильтр можно включить, например, определенный склад, товар или группу
товара, временной период, пользователя, оформившего документ, и даже ключевые
слова или особые пометки.
С помощью этих отчетов можно провести всесторонний анализ деятельности
компании: проследить рентабельность операций, проведенных компанией,
проанализировать товарные запасы на каждый момент времени, эффективность работы
персонала, динамику отношений с партнерами, определить количество товара,
находящегося в гарантийном ремонте, или товара, отданного на консигнацию,
определить общее количество зарезервированного товара и возможность его
оперативного использования с учетом товара, находящегося в пути от поставщика.
Можно иметь различные формы для внутреннего учета и для внешней
отчетности. При желании в отчеты можно включать или не включать некоторые
товары или документы, помеченные определенным образом, причем предлагается
несколько способов делать такие пометки.
Осуществление проектирования предполагает использование
определенной технологии проектирования, соответствующей масштабу и особенностям
разрабатываемой системы.
Технология проектирования
- это
совокупность методологии и средств проектирования, а также методов и средств
организации проектирования.
К основным требованиям, предъявляемым к
выбираемой технологии проектирования, относятся следующие:
· созданный с помощью этой
технологии проект должен отвечать требованиям заказчика;
· выбранная технология
должна максимально отражать все этапы цикла жизни проекта;
· выбираемая технология
должна обеспечивать минимальные трудовые и стоимостные затраты на
проектирование и сопровождение проекта;
· технология должна быть
основой связи между проектированием и сопровождением проекта;
· технология должна
способствовать росту производительности труда проектировщика;
· технология должна
обеспечивать надежность процесса проектирования и эксплуатации проекта;
· технология должна
способствовать простому ведению проектной документации.
В настоящее время широко используются
следующие методы проектирования: оригинальное (каноническое) проектирование,
типовое проектирование, автоматизированное проектирование.
Технология оригинального
проектирования основана на принципе создания уникального проектного решения для
сложной системы. Данная технология поддерживает следующие методы: средства
регламентации труда разработчиков (организационные структуры, схемы, ГОСТы и
т.д.), средства организации труда программистов (различные библиотеки
программистов) и средства частичной автоматизации проектирования (утилиты ОС
ПЭВМ, СУБД, операционные оболочки).
Типовое проектирование основано на разбиение
существующей системы на типовые модули или задачи, также данная технология
проектирования предусматривает возможность настройки типовых проектных решений
и разработку оригинальных недостающих модулей. В зависимости от объекта
типизации выделяют три метода данной технологии: метод элементного
проектирования, метод подсистемного проектирования, метод системного
проектирования.
Основные недостатки оригинального и
типового проектирования: низкая степень автоматизации проектировочных работ,
длительные сроки разработки, высокая стоимость, нет преемственности проектных
решений. Данные отрицательные моменты технологий проектирования привели к тому,
что проектировщики стали разрабатывать технологии автоматизированного
проектирования:
· Модельное проектирование, которое отражало модель
всей системы. Модельное проектирование дало увеличение жизненного цикла
проекта, с сокращением времени и стоимости проектирования. Основным недостатком
технологии является отрыв требований конечного пользователя от готового
продукта.
· Прототипное
проектирование - получение проекта в основных чертах на стадии технического
задания, и в дальнейшем, сокращение трудовых и стоимостных затрат и повышение
качества проектной документации.
· CASE-технология - это автоматизированное
проектирование с графическими образами. Данная технология ускоряет время
проектирования, повышает качество проекта, сохраняет положительные качества
предыдущих технологий.
· RAD-технология - это совмещение CASE-технологий и
объектно-ориентированного проектирования. Применение последней технологии
эффективно по ряду причин: быстрое проектирование, удобный и дружественный
интерфейс, наличие прототипного проектирования. Данная технология включает в
себя инструменты быстрой разработки приложений (например, Delphi, Builder и др.), а это означает
наличие солидной библиотеки классов компонентов, которая минимизирует
утомительное программирование.
Успех проекта во многом зависит от используемой технологии внедрения. Технология
проектирования - совокупность методологий, инструментальных средств и
организационных приемов, ориентированных на создание или модернизацию проекта
системы, и которая имеет определенную цель, задачу, и предмет проектирования.
Требования к выбираемой технологии проектирования:
· технология проектирования должна отражать все этапы цикла жизни модели;
· должна обеспечить снижение стоимостных и трудовых затрат на
проектирование и обработку данных;
· должна быть основой для связи между разработкой и сопровождением проекта;
· должна способствовать повышению производительности труда
проектировщика;
· должна обеспечить проект, который должен соответствовать
требованиям заказчика;
· выбранная технология должна обеспечивать надежность получения
проекта и надежность функционирования проекта;
· должна обеспечивать высокую эффективность сопровождаемости
проекта;
· возможность адаптировать проект к изменениям требований
окружающей среды
1.6 Обоснование
проектных решений
1.6.1 Обоснование
проектных решений по техническому обеспечению
Поскольку внедряемая ТО, структура ТО, является типовым и весьма
распространенным продуктом требования к техническому обеспечению (далее - ТО)
являются также стандартизированными.
Проведенные анализы, а также опыт тысяч успешно осуществленных внедрений
позволили обобщить данные об применимых технических средствах и вывести средние
значения технических параметров различных компонентов технического обеспечения,
при котором обеспечивается высокая надежность и приемлемая эффективность
информационной среды. Ниже приведены официальные требования корпорации
Microsoft к техническому обеспечению.
Стоит особо отметить, что данные требования во многом зависят от числа
предполагаемых автоматизированных рабочих мест.
В таблице 1.5. представлены требования к ТО, при работе до 25
пользователей (поддерживает до 40 пользователей).
Требования клиентским машинам при любых количествах активных
пользователей остаются всегда неизменными.
Таблица 1.5
|
Параметр
|
Модель 1
|
Модель 2
|
Модель 3
|
|
Тактовая частота, Мгц
|
Celeron 1700
|
Pentium III 1000
|
Pentium IV
2800
|
|
Объем ОЗУ, МБ
|
256
|
256
|
512
|
|
Видеокарта, МБ
|
MSI/32
|
Albatron/64
|
ATI/128
|
|
Разрядность шины
|
133
|
133
|
533
|
|
Объем HDD,
Гб
|
20
|
40
|
80
|
|
Интерфейс HDD
|
IDE
|
IDE
|
SATA
|
|
Наличие flash drive
|
-
|
+
|
+
|
|
Вид ОЗУ
|
Dimm DDR
|
DDR 333
|
DDR 400
|
|
Максимальная скорость CDROM,
Мб/сек
|
16
|
32
|
52
|
|
Наличие USB
порта
|
-
|
+
|
+
|
|
Сетевая карта
|
100 Mb/s
|
100 Mb/s
|
100 Mb/s
|
|
Средняя стоимость USD
|
300
|
450
|
800
|
Персональный компьютер (ПК), который будет использоваться в нашем проекте
должен обладать рядом качеств:
· простота использования, обеспеченная с помощью диалогового взаимодействия
с компьютером;
· высокие возможности по переработке информации (скорость
порядка несколько миллионов операций в секунду);
· высокая надежность и простота ремонта, основанные на
интеграции компонентов компьютера;
· возможность расширения и адаптации к особенностям применения
компьютеров, то есть один и тот же компьютер может быть оснащен различными
периферийными устройствами и разным программным обеспечением;
· наличие программного обеспечения, охватывающего практически
все сферы человеческой деятельности;
· персональный (IBM
совместимый) компьютер не ниже PC PIII;
· объем оперативной памяти не менее 128 Мб;
· видеокарта с объемом памяти не менее 16 Мб;
· объем свободного пространства на диске не менее 10 Гб;
· наличие подключенного принтера;
· наличие CD-привода;
· наличие сетевой карты;
· наличие клавиатуры и мыши.
Наиболее подходящим по своим параметрам и соответствию цены и качества
для является персональный компьютер Модели 2,
Таблица 1.6. Технические характеристики рабочих станций.
|
Модель
|
HP xw4400 PW391EA
|
HP xw6400
PW363EA
|
|
Операционная система
|
Windows XP Professional
|
Windows XP
Professional
|
|
Процессор
|
Intel® Core® 2
Quad QX6700
|
Процессор Intel® Xeon® 5100
|
|
Быстродействие процессора
|
2,40 ГГц
|
3,0 ГГц
|
|
Внешняя кэш-память
|
8 Мб кэш-памяти 2-го уровня
|
4 Мб кэш-памяти 2-го уровня
|
|
Системная шина
|
Шина FSB 1066 МГц
|
Шина FSB 1333 МГц
|
|
Стандартное ОЗУ
|
2 x 1 Гб DDR2
|
2 x 1 Гб
DDR2
|
|
Внутренний накопитель на
жёстком диске
|
250 ГБ
|
250 ГБ
|
|
Оптические приводы
|
DVD+/-RW, двухслойный, LightScribe
|
16х DVD+/-RW,
двухслойный, LightScribe
|
|
Дисковод для гибких дисков
|
Дисковод для гибких дисков
на 1,44 Мб
|
Дисковод для гибких дисков
на 1,44 Мб
|
|
Цена, руб
|
45300
|
47200
|
Проведем сравнительный анализ двух принтеров: HP LaserJet P1005 и Низкая
стоимость печатной страницы, высокая надёжность и экономичность цветных
устройств "всё в одном" обеспечивают высокую производительность
печати, обмена факсами, копирования и сканирования, что повышает производительность
рабочих групп.
Таблица 1.6. Технические характеристики принтеров.
|
Модель
|
|
|
|
Скорость печати
(чёрно-белая, обычное качество, A4)
|
До 14 стр./мин.
|
До 23 стр./мин
|
|
Качество печати
(черно-белая, высшее качество)
|
До 600 x 600 т/д
|
До 1200 x 1200 т/д
|
|
Нагрузка (А4, в месяц)
|
до 5000
|
До 10000
|
|
Максимальная емкость подачи
(листов)
|
До 150
|
До 550
|
|
Готовность к работе в сети
|
Нет
|
Дополнительно
|
|
Цена, руб.
|
3100
|
4900
|
Принтер предназначен для вывода информации на бумагу. По принципу
формирования изображения на бумаге различают принтеры следующих видов:
матричные, струйные и лазерные.
В матричных принтерах элементы изображения на бумаге формируется с
помощью точечной матрицы.
В струйных принтерах изображение формируется микрокаплями специальных
чернил. Этот способ обеспечивает более высокое качество печати, удобен для
цветной печати.
Самое высокое качество печати в настоящее время обеспечивается лазерными
принтерами. В этих принтерах изображение наносится на бумагу со специального
барабана, к которому электрически притягиваются частички краски. Барабан
электризуется за счет облучения лазером.
Рассмотрим теперь необходимое периферийное устройство - принтер. В
таблице 1.7 приведено несколько моделей компании Hewlett-Packard, как лидера в
области производства принтеров. Рассматриваются только ч/б лазерные принтеры,
т.к. отсутствует необходимость цветной печати.
Таблица 1.6 Сравнительные характеристики принтеров Hewlett-Packard
|
Модель Характеристика
|
HP LJ 1010
|
HP LJ 1200
|
HP LJ 1300
|
HP LJ 2200
|
|
Класс принтера
|
Для малых рабочих групп
|
Для малых рабочих групп
|
Для малых рабочих групп
|
Для средних рабочих групп
|
|
Скорость печати, стр/мин
|
До 12
|
До 17
|
До 19
|
До 22
|
|
Разрешение, dpi
|
600*600
|
600*600
|
1200*1200
|
1200*1200
|
|
Нагрузка, стр/мес
|
5000
|
До 10000
|
До 10000
|
40000
|
|
Стоимость картриджа, у.е.
|
66
|
67
|
66 (82)
|
92
|
|
Ресурс картриджа, стр
|
До 2000
|
До 2500
|
До 2500 (до 4000)
|
5000
|
|
Стоимость принтера, у.е.
|
200
|
300
|
330
|
700
|
Сервер Системы размещен в центральном офисе. К параллельным портам
сервера Системы (LPT1, LPT2, LPT3) подключаются следующие принтеры:
§ HP LaserJet 1010 - 128 шт.
§ HP LaserJet 1300 - 254 шт.
Таблица 1.7 Характеристика используемого в проекте принтера
|
Параметр
|
Модель 1
|
Модель 2
|
Модель 3
|
|
Модель принтера
|
Canon LBP-3200
|
Epson EPL-6200
|
HP LaserJet
1010
|
|
Тип принтера
|
Лазерный, монохромный
|
Лазерный, монохромный
|
Лазерный, монохромный
|
|
Память
|
2 Мб
|
8 Мб
|
8 МБ
|
|
Типы печатных носителей
|
Бумага, конверты, пленки
|
Бумага, конверты, карточки,
специальная пленка
|
Обычная бумага, конверты,
прозрачные пленки, картон, почтовые открытки, наклейки
|
|
Лоток для бумаги
|
Кассета на 259 листов
|
250 листов
|
До 150 листов, 10
конвертов
|
|
Формат бумаги
|
A4, B5, A5,
Letter, monarch
|
A4, A5, B5,
Legal, Half-Letter
|
A4, A5, Letter,
Legal, Corn-10
|
|
Потребляемая мощность
|
360 Вт
|
357 Вт
|
214 Вт
|
|
Уровень шума
|
55 дБ
|
54 Дб
|
58 дБ
|
|
Вес
|
6,1 Кг
|
7 Кг
|
5,9 Кг
|
|
Размеры
|
367x376x245 мм
|
407x436x261 мм
|
370x230x208 мм
|
|
Скорость печати
|
6/мин
|
8/мин
|
12/мин
|
|
Стоимость USD
|
240
|
325
|
180
|
Наиболее подходящим для нашего проекта будет принтер Модели 3, данная
модель принтера является сочетанием цены и качества и очень подходит для
распечатки различных офисных документов.
Скорость передачи данных в локальной сети составляет 100 Мб/сек. Она
достаточна для эксплуатации, поэтому реорганизации сети не потребуется.
1.6.2 Обоснование
проектных решений по информационному обеспечению
Под информационным обеспечением понимается
совокупность единой системы классификации и кодирования технико-экономической
информации, уницифицированной системы документации и информационной базы.
Информационное обеспечение представляет собой совокупность внемашинного и
внутримашинного информационного обеспечения. Примером внемашинного обеспечения
могут являться документы, методы классификации и т.п. К внутримашинному относят
данные представленные в машинном виде; составляющими данного вида
информационного обеспечения также можно назвать экранные формы ввода/вывода
информации, а также структуру информационной базы.
При этом вводятся единые формы документов в результате осуществления
синтаксической и семантической унификации. Унифицированная система
документации (УСД) представляет собой рационально организованный
комплекс взаимосвязанных документов, который отвечает единым правилам и
требованиям и содержит информацию, необходимую для оптимального управления
некоторым экономическим объектом. УСД можно классифицировать в зависимости от
масштаба на межотраслевые, отраслевые и локального уровня. Перейти на полностью
безбумажную технологию не представляется возможным, ввиду взаимодействия с
множеством сторонних организаций. Таким образом, в ООО "Аляска",
целесообразно ввести систему УСД.
УСД должна удовлетворять следующим требованиям.
ü УСД должна содержать полную информацию, необходимую для
оптимального управления объектом, для которого разрабатывается система;
ü УСД должна обеспечить информационную совместимость ЭИС
различных уровней;
ü Все документы должны быть закодированы с использованием
международных, общесистемных или локальных классификаторов.
В разрабатываемой системе будет ряд входных и выходных документов.
Входными являются заказ клиента. В перечень выходных документов относится
товарно-транспортная накладная.
Для всех документов не существует установленных законодательством форм,
что обусловливает необходимость проведения оригинального проектирования
установленных документов согласно шаблонам, полученным от заказчика. Таким
образом, УСД будет иметь локальный характер.
Выбор метода построения в первую очередь обуславливается типом
информации, содержащейся в документе соответствующем электронной форме. При
построении структур макетов для первичных документов с оперативной информацией
используют комбинированную форму документ, максимально приближенную к той,
которая была использована для построения самого документа. Расположение полей
должно соответствовать логической структуре документа и файлов с оперативной
информацией, что позволяет сокращать трудоемкость операций загрузки информации
в информационную базу.
При построении макетов для документов с постоянной информацией следует
иметь ввиду, что эти макеты используются для ввода и актуализации записей
информационной баз, поэтому для их проектирования применяют, как правило,
анкетную форму расположения данных, удобную для выполнения этих операций.
Макеты, предназначенные для вывода на экран результатной информации,
строятся по методике проектирования результатных документов, то есть на основе
использования комбинированной формы с трехзонным расположением реквизитов и
многострочной содержательной частью.
Выбирая формы макетов, в первую очередь следует обратить внимание на
трудоемкость работ с формами, на стоимость ввода информации, степень ее
читаемости через результативные формы. Не менее важны показатели уровня
надежности и достоверности выполнения операций.
Информационная база представляет собой основную часть внутримашинного
обеспечения. Она являет собой определенным способом организованную совокупность
данных, хранимых в памяти вычислительной системы в виде файлов, с помощью
которых удовлетворяются информационные потребности управленческих процессов
решаемых задач.
Принято выделять два способа организации информационной базы:
ü Совокупность локальных файлов
ü Интегрированная база данных.
Таким образом организация базы будет использована в данном дипломном
проекте. При этом стоит отметить, что интегрированная информационная база - это
совокупность взаимосвязанных, хранящихся вместе данных при такой минимальной
избыточности, которая допускает их использование оптимальным образом для
множества приложений.
Способы организации характеризуется:
ü Совместимостью данных;
ü Уменьшением синтаксической и семантической избыточности;
ü Соответствием данных реальному состоянию объекта;
ü Разделением хранения данных между пользователями;
ü Возможностью подключения новых пользователей.
В проекте АРМ регионального менеджера будет использоваться как первый,
так и второй способы регистрации информации. Ввод, обработка и выдача
информации производятся в диалоговом режиме.
При диалоговом режиме обеспечивается поиск необходимой информации,
быстрая обработка команд, сообщений, активное воздействие пользователя на ход
обработки данных.
Организация диалога осуществляется посредством установки связей между
данными, которые представляют собой информационные модели.
По способу установления связей между данными различают реляционную,
иерархическую и сетевую модели. Реляционная модель является простейшей и
наиболее привычной формой представления данных в виде таблиц. Иерархическая и
сетевая модели предполагают наличие связей между данными, имеющими какой-либо
общий признак. В иерархической модели такие связи могут быть отражены в виде
дерева-графа, в сетевой возможны связи “всех со всеми”.
В настоящее время реляционные системы лучше соответствуют техническим
возможностям персональных компьютеров. Скоростные характеристики этих СУБД
поддерживаются специальными средствами ускоренного доступа к информаци и-
индексирование баз данных. Для АРМ менеджера можно предложить FoxPro , которая
располагает большим количеством мощных средств, работающих с базами данных.
1.6.3 Обоснование
выбора программного обеспечения
Программное обеспечение (ПО) представляет собой совокупность компьютерных
программ, описаний и инструкций по их применению на ЭВМ. ПО делится на два
класса:
ü Общее ПО (операционные системы, операционные оболочки,
компиляторы, интерпретаторы, программные среды для разработки прикладных
программ, СУБД, сетевые программы и так далее);
ü Специальное ПО (Совокупность прикладных программ,
разработанных для конкретных задач в рамках функциональных подсистем).
Операционные системы могут различаться особенностями реализации
внутренних алгоритмов управления основными ресурсами компьютера (процессорами,
памятью, устройствами), особенностями использованных методов проектирования,
типами аппаратных платформ, областями использования и многими другими
свойствами.
Характеристики различных операционных систем представлены в таблице 1.8
Таблица 1.8 Характеристика операционных систем
|
Параметр
|
Модель 1
|
Модель 2
|
Модель 3
|
|
Название ОС
|
ASPLinux 9.0
|
Windows 95
|
Windows XP
|
|
Совместная работа различных
текстовых и графических редакторов
|
+
|
+
|
+
|
|
Системные требования
|
высокие
|
низкие
|
Средние
|
|
При разработке применялся
объектно-оринтированный подход
|
-
|
+
|
+
|
|
Использование метода
объектного связывания и метода OLE
|
-+
|
+
|
+
|
|
Использование стандарта Plug and Play
|
-
|
+
|
+
|
|
Многозадачность
|
+
|
+
|
+
|
|
Разрядность операционных
систем
|
32
|
32
|
32
|
|
Спулер печати
|
+
|
+
|
+
|
|
Средства мультимедиа
|
+
|
+
|
+
|
|
Ограничение на длину файла
|
+
|
-
|
-
|
|
Возможность сетевой работы
|
средние
|
низкие
|
высокие
|
|
Пользовательский интерфейс
|
средний
|
средний
|
высокий
|
В качестве операционной системы мной была выбрана Windows XP, этот выбор был сделан в связи со с тем что данная
операционная система удовлетворяет всем современных требований к операционным
системам.
Для дипломного проектирования была выбрана операционная система Microsoft Windows XP Professional.
Данная операционная система обладает несколькими преимуществами:
· Надежная и безопасная операционная система, обеспечивающая
стабильную и эффективную работу
· Более высокий уровень безопасности, включая возможность
шифрования файлов и папок с целью защиты корпоративной информации
· Поддержка мобильных устройств для обеспечения возможности
работать автономно или подключаться к компьютеру в удаленном режиме
· Встроенная поддержка высокопроизводительных многопроцессорных
систем
· Возможность работы с серверами Microsoft Windows Server и
системами управления предприятиями
· Эффективное взаимодействие с другими пользователями по всему
миру благодаря возможностям многоязычной поддержки
Выбор СУБД.
База данных (БД) - это поименованная совокупность структурированные
данных, относящихся к определенной предметной области.
Система управления базами данных (СУБД) - это комплекс программных и
языковых средств, необходимых для создания баз данных, поддержания их в
актуальном состоянии и организации поиска в них необходимой информации.
По технологии обработки данных базы данных:
· централизованные;
· распределенные.
Централизованная база данных хранится в памяти одной вычислительной системы.
Если эта вычислительная система является компонентом сети ЭВМ, возможен
распределенный доступ к такой базе. Такой способ использования баз данных часто
применяют в локальных сетях ПК.
Распределенная база данных состоит из нескольких, возможно пересекающихся
или даже дублирующих друг друга частей, хранимых в различных ЭВМ вычислительной
сети. Работа с такой базой осуществляется с помощью системы управления
распределенной базой данных (СУРБД).
По способу доступа к данным базы данных бывают двух типов:
· с локальным доступом;
· с удаленным (сетевым доступом).
Системы централизованных баз данных с сетевым доступом предполагают
различные архитектуры подобных систем:
· файл-сервер;
· клиент-сервер.
По степени универсальности различают два класса СУБД:
· системы общего назначения;
· специализированные системы.
СУБД общего назначения не ориентированы на какую-либо предметную область
или на информационные потребности какой-либо группы пользователей. Каждая
система такого рода реализуется как программный продукт, способный
функционировать на некоторой модели ЭВМ в определенной операционной системе и
поставляется многим пользователям как коммерческое изделие. Такие СУБД обладают
средствами настройки на работу с конкретной базой данных. Использование СУБД
общего назначения в качестве инструментального средства для создания
автоматизированных информационных систем, основанных на технологии баз данных,
позволяет существенно сокращать сроки разработки, экономить трудовые ресурсы.
Этим СУБД присущи развитые функциональные возможности и даже определенная
функциональная избыточность.
Специализированные СУБД создаются в редких случаях при невозможности или
нецелесообразности использования СУБД общего назначения.
На выбор СУБД при построении системы автоматизации во многом определяет
такие ее параметры, как:
1. Надежность и устойчивость;
2. Быстродействие;
. Масштабируемость;
. Защищенность;
. Наличие средств разработки приложений;
. Совместимость с другими платформами и ОС;
. Возможность установки СУБД на существующий сервер;
. Стоимостные затраты на приобретение лицензионной версии
используемой в проекте СУБД должны быть минимальны.
Выбор СУБД (система управления базами данных). Сравнительные
характеристики реляционных СУБД представлены в таблице 1.9
Таблица 1.9 Характеристики СУБД
|
Характеристики
|
Access 2003
|
Paradox 7.0
|
|
Работа в среде MS Windows XP
|
+
|
-
|
|
Дополнительные возможности
работы с памятью
|
+
|
-
|
|
Сетевые возможности по
пятибалльной шкале
|
4
|
3
|
|
Максимальное число открытых
файлов
|
150000
|
Не огран.
|
|
Создание EXE модулей
|
+
|
-
|
|
Работа в SQL
|
+
|
+
|
|
Работа в QBE
|
-
|
-
|
|
Генератор отчетов
|
+
|
+
|
|
Генератор форм
|
+
|
+
|
Access является СУБД реляционного типа, в которой сбалансированы все
средства и возможности, типичных для современных СУБД. Реляционная база
упрощает поиск, анализ, поддержку и защиту данных, поскольку они сохраняются в
одном месте. Access в переводе с английского означает «доступ». MS Access - это
функционально полная реляционная СУБД. Кроме того, MS Access одна из самых
мощных, гибких и простых в использовании СУБД. В ней можно создавать
большинство приложений, не написав ни единой строки программы, но если нужно
создать нечто очень сложное, то на этот случай MS Access предоставляет мощный
язык программирования - Visual Basic Application.
Преимущества СУБД Microsoft Access:
· доступность в изучении и понятность позволяют Access являться одной из
лучших систем быстрого создания приложений управления базами данных;
· возможность использования OLE технологии;
· интегрированность с пакетом Microsoft Office;
· полная поддержка Web-технологий;
· визуальная технология позволяет постоянно видеть результаты
своих действий и корректировать их;
· наличие большого набора «мастеров» по разработке объектов
Основными видами объектов, с которыми работает программа, являются:
Таблица - это объект, который используется для хранения данных. Каждая
таблица включает информацию об объекте определенного типа. Таблица содержит
поля(столбцы), в которых хранятся различного рода данные, и записи(которые
называются также строками). Для каждой таблицы должен быть определен первичный
ключ(одно поле, имеющее для каждой записи уникальное значение или несколько
полей, совокупное значение которых для каждой записи уникально). Т.е. первичный
ключ - это однозначный идентификатор каждой записи таблицы.
Для увеличения скорости доступа к данным отдельные поля таблицы (или их
совокупность) могут быть объявлены индексами. Индекс - средство, ускоряющее
поиск и сортировку в таблице за счет использования ключевых значений, которое
позволяет обеспечить уникальность строк таблицы. Первичный ключ таблицы
индексируется автоматически. Не допускается создание индексов для полей с
некоторыми типами данных.
Запрос - это объект, который позволяет пользователю получить нужные
данные из одной или нескольких таблиц. С помощью запросов можно также создавать
новые таблицы, используя данные одной или нескольких таблиц, которые уже
существуют. Наиболее распространенный тип запросов - запрос на выборку. Запрос
на выборку отбирает данные из одной или более таблиц по заданным условиям, а
затем отображает их в нужном порядке.
Форма - это объект, предназначенный в основном для ввода данных,
отображения их на экране или управления работой приложения.
Отчет - объект, предназначенный для создания документа, который
впоследствии может быть распечатан или включен в документ другого приложения.
Страница - используется для доступа к данным текущей базы данных Access.
Макрос - объект, представляющий собой структурированное описание одного
или нескольких действий, которые должен выполнить Access в ответ на
определенное событие.
Модуль - объект, содержащий программы на Microsoft Visual Basic, которые
позволяют разбить процесс на более мелкие действия и обнаружить те ошибки,
которые нельзя было бы найти с использованием макросов.
1.6.4 Обоснование
технологического обеспечения
Под технологическим процессом обработки экономический информации
(ТПОЭИ) понимается определенный комплекс операций, выполняемых в строго
регламентированной последовательности с использованием определенных методов
обработки и инструментальных средств, охватывающих все этапы обработки данных,
начиная с регистрации первичных данных и заканчивая передачей результатной
информации пользователю для выполнения [методичка].
Можно выделить три этапа в составе ТПОЭИ:
ü Домашинный - на этом этапе выполняется сбор, контроль, прием и
регистрация первичных документов, а также передача их на ввод;
ü Машинный - ввод и обработка первичных документов;
ü Послемашинный - печать выходных документов.
На первом этапе документы проходят контроль поступивших документов
(полнота, а также качество заполнения). Затем осуществляется сортировка
документов на правильно и неправильно заполненные. В свою очередь правильно
заполненные документы регистрируются. Документ считается неправильно
заполненным, если он не соответствует предъявляемым к нему требованиям. В этом
случае, на его исправление формируется запрос и отсылается к источнику
информации. Если первичная информация поступила на магнитном носителе
необходимо проверить качество записи информации на диск. Фиксируются такие
параметры как имя файла, его объем, от кого и когда поступила информация. В том
случае, если данные поступают по каналам связи, то определяется от кого, когда
и какое количество записей пришло.
Данные вводятся в ПК двумя способами:
ü Вручную с клавиатуры, способ характеризуется большим
количеством ошибок, необходим контроль (визуально, методом контрольной суммы,
методом верификации, методом двойного массива)
ü Автоматизированное чтение с бумажных носителей.
Проверенные и исправленные данные заносятся в файл информационной базы.
Процесс загрузки в информационную базу файлов с информацией необходимо
контролировать.
При этом следует отметить, что данный контроль может быть двух типов:
ü Синтаксический. Данный тип контроля может осуществляться на нескольких
уровнях:
Ø Структуры файла;
Ø Структуры записи;
Ø Структуры поля.
ü Семантический. Может осуществляться с помощью арифметических, либо
логических методов. Логический контроль применяется для реквизитов-признаков и
оснований.
Применяемый ТПОЭИ должен удовлетворять следующим требованиям:
ü Обеспечивать пользователей своевременной информацией;
ü Обеспечивать высокую степень достоверности полученной
информации;
ü Обеспечивать минимальные трудовые и стоимостные затраты,
связанные с обработкой данных.
Исходя из определенных выше требований, принято организовать ТПОЭИ
следующим образом. Ввод информации будет осуществляться как автоматически с
помощью сканера, так и в ручном режиме. Автоматический метод будет
использоваться для ввода информации. Ручной метод будет задействован для ввода
всей остальной первичной информации.
Ввод информации целесообразно осуществлять в диалоговом режиме, то есть
посредством обмена сообщениями между пользователем и ЭВМ. Важнейшей
особенностью данного режима является постоянная смена ролей информатора и
реципиента (пользователя, принимающего информацию), причем смена ролей должна
быть оперативной. Диалоговый режим будет реализован посредством разработки диалоговой
системы, представляющей собой совокупность технического, информационного,
программного, лингвистического обеспечения, предназначенную для выполнения
функций управления диалогом, информирования пользователя, ввода информационных
сообщений, обработки их с помощью прикладных программ и выдачи результатов.
Диалоговая система Microsoft Office Access 2003
основана на системе экранных форм и различных элементов управления (кнопок,
гиперссылок и т.п.). Для хранения обработки и контроля информации будет
использована СУБД Microsoft Office Access 2003.
Данная СУБД позволяет в полной мере осуществлять поддержку целостности данных
(осуществлять синтаксический и семантически-логический и арифметический
контроль.
С точки зрения безопасности Microsoft Office Access 2003 отвечает всем современным требованиям, что
означает поддержку системы разделения прав доступа ко всем объектам
информационной системы. Доступ к Microsoft Office Access 2003 возможен только после ввода логина и пароля.
Таким образом, несанкционированный доступ в систему представляется в
значительной степени затрудненным.
В заключение следует отметить, что представленная последовательность
операций ТПОЭИ полностью удовлетворяет всем имеющимся требованиям к снижению
затрат, как трудовых, так и стоимостных на обработку информации, а также в
полной мере способствует повышению достоверности данных.
2.
Проектная часть
2.1 Информационное
обеспечение задачи
.1.1 Информационная
модель и ее описание
Информационная модель комплекса задач (рис.2.1.) служит для отображения
взаимосвязи входных, промежуточных, а также результатных информационных
потоков, функций предметной области и файлов с условно-постоянной информацией.
Ниже на рис. 2.1. приведена подробная информационная модель
рассматриваемого комплекса задач.
2.1.1
Используемые классификаторы и системы кодирования
В проектируемой системе предполагается использование системы
классификации и кодирования.В таблице 2.1. представлены используемые системы
классификации.
Состав и структура классификаторов
Следующие классификаторы:
. Справочник «Покупатели»
. Справочник «Цехов»
. Справочник «ГП»
. Справочник «Единицы измерения»
Таблица 2.1
|
№ п/п
|
Наименование классификатора
|
Система классификации
|
Система кодирования
|
Длина кода
|
Тип классификатора
|
|
1
|
Покупатели
|
иерархическая
|
Разрядная система
|
6 знака
|
локальные
|
|
2
|
Цехи
|
иерархическая
|
Разрядная система
|
6 знаков
|
локальные
|
|
3
|
ГП
|
иерархическая
|
Разрядная система
|
6 знаков
|
локальные
|
|
4
|
Единицы измерения
|
иерархическая
|
Разрядная система
|
6 знака
|
локальные
|
) Покупатели
R1 =
[форма собственности] = 1 признак
L1 = lg10+ lg20 = 3
Фкс = [ХХ +ХХХХ]:[ФИО покупатели]
Код покупателя
Код формы собственности
) Цехи
R2 =
[тип подразделения] = 1 признак
L2 = lg2 + lg40 = 6
Фкс = [ХХ +ХХХХ]:[ФИО работника]
Код наименование организации
Код цеха
3) Готовая продукция
R3 =
[страна- производитель] = 2 признака
L3 = lg9 + lg99 + lg200=
6
Фкс = [Х +ХХ+ХХХ]:[ФИО работника]
Код наименования гп
Код работника
Код цеха
) Единицы измерения
R3 =
[тип единицы измерения] = 1 признак
L3 = L3 = lg3 = 3
Фкс = [ХХ +ХХХХ]:[наименование единицы измерения]
Код единицы измерения
Код типа единиц измерения
2.1.2 Характеристика
нормативно-справочной и входной оперативной информации
При решении поставленных в дипломном проекте задач используется ряд
входных документов:
· Заявка;
Содержит краткую информацию об обратившемся клиенте. Поступает в
электронном типе. В документе содержатся показатели:
Ø Срок кредитования;
Ø Максимальный ежемесячный платеж;
Ø Размер первоначального взноса;
Ø Совокупный ежемесячный доход семьи;
Ø Размер предполагаемого кредита.
Документ поступает из call-центра
компании, либо в качестве анкет. Совокупный объем заявок по всем каналам
составляет около 100 штук. Ввод данных осуществляется через экранную форму
«Заявка». Форма связанна с таблицей «Lead».
· Пакет документов, необходимых для предоставления в
банк; пакет
включает в себя:
Ø паспорт (все страницы, вне
зависимости от наличия отметок на них);
Ø свидетельство о регистрации по месту
пребывания (при наличии);
Ø страховое свидетельство
государственного пенсионного страхования;
Ø свидетельство о постановке на
налоговый учет (ИНН) - при наличии;
Ø документы об образовании (аттестаты,
дипломы, свидетельства, сертификаты и т.п.);
Ø военный билет для лиц мужского пола призывного возраста (все
заполненные страницы);
Характеристика инфологической модели
базы данных
Инфологическая модель (далее ИЛМ) - представляет собой формализованное
описание предметной области, выполненное без жесткой ориентации на используемые
в дальнейшем программные и технические средства
Создание базы данных начинается с построения построении комплекса
взаимосвязанных моделей данных. Наиболее важным этапом проектирования является
создание инфологической модели предметной области.
Ниже на рис. 2.3 представлена инфологическая модель компании
ООО «Аляска", соответствующая автоматизируемому бизнес-процессу, где
данные представлены в интегрированном виде, а также отражается состав и
структура данных. Инфологическая модель является основой для создания
даталогической модели базы данных, она является промежуточным звеном между
специалистом и администратором самой системы в процессе проектирования и
разработки базы данных. Определив объекты и атрибуты можно выделить сущность
проектируемой базы данных и, приняв решение о создании реляционной базы данных,
построить ее инфологическую модель на языке "Таблицы-связи".
К стержневым сущностям можно отнести:
1. Покупатели (Код покупателя, наименование покупателя)
Эта сущность отводится для хранения сведений об основных людях,
принимавших участие в товарообороте. Так как наименование покупателя может быть
достаточно громоздким то их целесообразно нумеровать и ссылаться на эти номера.
Для этого вводится целочисленный атрибут "Код_покупателя", который
будет автоматически наращиваться на единицу при вводе в базу данных нового
клиента.
Аналогично создаются: Номер_ заказа, наименование_заказа,
код_покупателей, код_группы, количество_заказа, ФИО_покупателя.
2. Цехи (Код_цеха, наименование_цеха)
3. Готовая продукция (Код_готовой продукции,
наименование_готовой продукции, код_единицы изиерения)
. Единицы измерения (Код_единицы измерения,
наименование_единицы_измерения)
Выделение этой сущности позволит сократить объем данных и снизить
вероятность возникновения противоречивости (исключается необходимость ввода
длинных текстовых названий).
5. Накладная на готовую продукцию (Номер_накладной готовой
продукции, наименование_накладной _ готовой продукции, код_цеха,
код_готовой продукции, еденица измерения, цена, стоимость)
6. ТТН (Номер_ттн, наименование_ттн, код_покупателя,
код_готовой продукции, стоимость)
. План реализации (Номер_плана реализации, наименование_плана
реализации, код_покупателя, код_готовой_продукции, код_плана_реализации)
Характеристика даталогической модели базы данных
Даталогическая модель (ДМ) используется для отображения состава таблиц,
содержащих информацию о сущностях ИЛМ, а также взаимосвязей между ними. На
рисунке 2.3. представлена Даталогическая модель, построенная на основании
разработанной инфологической модели. Перечень полей, содержащихся в таблицах
даталогической модели, находится в приложении №4.
Рис.
2.2. Схема даталогической модели
базы данных
В целях обеспечения надлежащего уровня безопасности, а также целостности
данных права доступа к системе будут разграничены между сотрудниками ООО
"Аляска" в соответствии с рис. 2.2.
Рис.
2.3. Схема инфологической
модели базы данных;
Список используемых в системе справочников выглядит следующим образом:
· Цехи (таблица Cehi)
· Единицы измерения (таблица Edinici_izmereniya )
· Готовая продукция (таблица GP )
· Накладная на готовую продукцию (таблица Naklad_GP)
· План реализации (таблица Plan_real)
· Покупатели (таблица Pokupateli)
· Товарно-транспортная накладная (таблица TTN )
· Заказ (таблица Zakaz)
Описание таблиц, а также полный перечень полей показан ниже
Таблица цехи
|
N п\п
|
Наименование поля
|
Идентификатор поля
|
Тип данных
|
Длина
|
Признак ключа
|
|
1
|
Код цеха
|
Kod_ceha
|
Числовой
|
4
|
PК
|
|
2
|
Наименование цеха
|
Naim_ceha
|
Текстовый
|
10
|
|
Таблица Единицы измерения
|
N п\п
|
Наименование поля
|
Идентификатор поля
|
Тип данных
|
Длина
|
Признак ключа
|
|
1
|
Код единицы измерения
|
Kod_ed_izm
|
Числовой
|
4
|
РК
|
|
2
|
Наименование единицы
измерения
|
Naim_ed_izm
|
Текстовый
|
2
|
|
Таблица Готовая продукция
Наименование поля
|
Идентификатор поля
|
Тип данных
|
Длина
|
Признак ключа
|
|
1
|
Код готовой продукции
|
Kod_gp
|
Числовой
|
4
|
РК
|
|
2
|
Наименование готовой
продукции
|
Naim_gp
|
Текстовый
|
10
|
|
|
3
|
Код единицы измерения
|
Kod_ed_izm
|
Числовой
|
4
|
|
Таблица Накладная на готовую продукцию
|
N п\п
|
Наименование поля
|
Идентификатор поля
|
Тип данных
|
Длина
|
Признак ключа
|
|
1
|
Номер накладной на готовую
продукцию
|
Nom_nakl_gp
|
Числовой
|
4
|
РК
|
|
2
|
Наименование накладной
готовую продукцию
|
Naim_nakl_gp
|
Текстовый
|
10
|
РК
|
|
3
|
Единицы измерения
|
Ed_izm
|
Числовой
|
4
|
|
|
4
|
Цена
|
Cena
|
Числовой
|
7
|
|
|
5
|
Стоимость
|
Stoimost
|
Числовой
|
7
|
|
|
6
|
Код цеха
|
Kod_ceha
|
Числовой
|
4
|
РК
|
|
7
|
Код готовой продукции
|
Kod_gp
|
Числовой
|
6
|
РК
|
Таблица План реализации
|
N п\п
|
Наименование поля
|
Идентификатор поля
|
Тип данных
|
Длина
|
Признак ключа
|
|
1
|
Номер плана реализации
|
Nom_plana_real
|
Числовой
|
4
|
РК
|
|
2
|
Наименование плана
реализации
|
Naim_plana_real
|
Текстовый
|
10
|
РК
|
|
3
|
Код плана реализации
|
Kod_plana_real
|
Числовой
|
4
|
|
|
4
|
Код покупателей
|
Kod_pokupateley
|
Числовой
|
7
|
РК
|
|
5
|
Код готовой продукции
|
Kod_gp
|
Числовой
|
7
|
РК
|
Таблица Покупатели
|
N п\п
|
Наименование поля
|
Идентификатор поля
|
Тип данных
|
Длина
|
Признак ключа
|
|
1
|
Код покупателей
|
Kod_pokupateley
|
Числовой
|
4
|
РК
|
|
2
|
Наименование покупателей
|
Naim_pokupateli
|
Текстовый
|
20
|
|
Таблица ТТН
|
N п\п
|
Наименование поля
|
Идентификатор поля
|
Тип данных
|
Длина
|
Признак ключа
|
|
1
|
Номер ттн
|
Nom_ttn
|
Числовой
|
4
|
РК
|
|
2
|
Наименование ттн
|
Naim_ttn
|
Текстовый
|
10
|
РК
|
|
3
|
Код покупателей
|
Kod_pokupateley
|
Числовой
|
4
|
РК
|
|
4
|
Код группы
|
Kod_gp
|
Числовой
|
7
|
РК
|
|
5
|
Стоимость
|
Stoim
|
Числовой
|
7
|
|
Таблица Заказ
|
N п\п
|
Наименование поля
|
Идентификатор поля
|
Тип данных
|
Длина
|
Признак ключа
|
|
1
|
Номер заказа
|
Nom_zakaza
|
Числовой
|
4
|
РК
|
|
2
|
Наименование заказа
|
Naim_zakaza
|
Текстовый
|
10
|
РК
|
|
3
|
Количество заказов
|
Kol_zakaza
|
Числовой
|
4
|
|
|
4
|
ФИО покупателя
|
Fio_pokup
|
Текстовый
|
20
|
|
|
5
|
Код покупателей
|
Kod_pokupateley
|
Числовой
|
7
|
РК
|
|
6
|
Код готовой продукции
|
Kod_gp
|
Числовой
|
|
РК
|
Заказ товара
|
N п\п
|
Наименование поля
|
Идентификатор поля
|
Тип данных
|
Длина
|
Признак ключа
|
|
1
|
Номер заказа товара
|
Nom_zakaza_tovara
|
Текстовый
|
4
|
|
|
2
|
Наименование заказа
|
Naim_zakaza
|
Текстовый
|
10
|
РК
|
|
3
|
Код заказа
|
Kod_zakaza
|
Числовой
|
4
|
|
|
4
|
Код единицы измерения
|
Kod_ed_izm
|
Числовой
|
20
|
РК
|
|
5
|
Распоряжение на заказа
|
Rasp_na_zakaz
|
Текстовый
|
7
|
|
|
6
|
Количество заказа
|
Kol_zakaza
|
Числовой
|
5
|
|
|
7
|
Утверждение заказ
|
Utverg_zakaza
|
Текстовый
|
12
|
|
2.1.3 Характеристика
результатной информации
Результатная информация не хранится в системе, а выводится в форме
отчетов и документов. Заполненные макеты отчетов и документов представлены в
приложении №5. Результатными документами, генерируемыми внедряемой системой,
будут:
· Выходные документы:
1. Ведомость остатков материалов на складе
2. Ведомость поступления ГП
3. Ведомость реализации товаров
4. Ведомость отклонения от плана реализации;
· Отчеты:
Отчет по соответствию каждого бухгалтера и подразделения в
целом нормативам.
При работе с отчетом необходимо иметь возможность выборки данных за любой
период.
При формировании отчета используются данные из следующих таблиц и
справочников:
· Цехи (таблица Cehi)
· Единицы измерения (таблица Edinici_izmereniya )
· Готовая продукция (таблица GP )
· Накладная на готовую продукцию (таблица Naklad_GP)
· План реализации (таблица Plan_real)
· Покупатели (таблица Pokupateli)
· Товарно-транспортная накладная (таблица TTN )
· Заказ (таблица Zakaz)
2.2 Программное
обеспечение задачи
2.2.1 Общие
положения (дерево функций и сценарий диалога)
На рисунке 2.4. представлено графическое описание функций управления и
обработки данных, осуществляемых посредством внедряемой системы. Функции можно
разделить на две группы: основные и служебные. К основным функциям относятся:
Рис.
2.4. Дерево функций
Ввод данных. Данная функция подразумевает ввод в систему исходных данных
накладная на готовую продукцию, товарно-транспортная накладная, заказ
материалов, план реализации. Возможно выполнение актуализации хранимой
информации, ее просмотр и печать.
Обработка хранимой информации. К этому типу относится: ведомость
поступления готовой продукции, ведомость реализации товаров, ведомость
отклонения от плана реализации, а также печать документов и отчетов.
· Управление справочниками. Функция позволяет пользователю
системы хранить сведения обо всех: покупателях, цехах, готовой продукции,
единицы измерения Возможен просмотр перечисленной информации, ее актуализация,
а также вывод на печать.
Также можно выделить ряд служебных функций:
· Ведение пароля;
· Ведения архива;
· Ведение календаря;
· Работа со справкой
Взаимодействие с пользователем в системе Microsoft Dynamics CRM 3.0
реализовано на принципах диалога. Система имеет графический интерфейс, общение
пользователя с «машиной» происходит посредством передачи сообщений через
терминальные устройства. В приложении №6 представлены скриншоты экранных форм.
На рисунках 2.5. и 2.6. отображена общая схема сценария диалога.
Доступ к данным разграничен настройками прав (ролей), назначенных каждому
пользователю. В верхней части экрана слева расположено меню и панель
инструментов, справа - имя пользователя, выполнившего вход в систему. Слева
расположена область переходов. Область переходов предоставляет быстрый
доступ к любой области. Эта область содержит следующие подчиненные области:
· Рабочая область (Эта область является индивидуальной рабочей
областью пользователя);
· Параметры (Эта область содержит ссылки на все параметры и
настройки, средства управления организацией и пользователями, а также средства
личной настройки, которые могут потребоваться руководителям и системным
администраторам для управления и сопровождения).
Для начала работы необходимо перейти к нужному разделу базы данных
(одинарным кликом мыши).
Меню «Справки» содержит ссылки на следующие разделы (справочники):
· Покупатели (стандартные системные параметры);
· Цехи (настройки объектов и интерфейсов системы);
· Готовая продукция - перечень товаров;
· Единицы измерения - дополнительные ОБЩИЕ настройки системы,
необходимые для функционирования доработок,
Печать документов будет осуществляться из меню экранной формы
2.2.2 Структурная
схема пакета (дерево вызова процедур и программ)
Microsoft Access является
стандартизированным программным средством, построенным по наиболее актуальной
на сегодня методике модульного проектирования. Таким образом, каждая копия
данного программного комплекса содержит ряд идентичных программных модулей. Настройка
возможна как с использованием встроенного инструментария, так и с применением
внештатных средств программирования. Ниже, на рисунке 2.6. представлено дерево
программных модулей, разработанных специально для ООО «Аляска»
Рис.
2.6 Схема древа программных модулей
2.2.3 Описание
программных модулей
Идентификатор модуля Выполняемые функции ПМ Заставка Проверка наличия
возможности входа в программу пользователя, вошедшего под конкретным именем
пользователя и паролем ПМ Пароль Проверка доступа к системе ПМ Загрузка Модуль
работы с анкетами покупателей. Программный модуль запускается при необходимости
введения анкеты заявки нового покупателя. В рамках модуля предусмотрены
возможности введения данных новых покупателей, корректировка записей
анкет-заявок, удаление отработанных заявок, также имеется возможность задание
параметров запросов для выбора необходимых заявок в соответствие с параметрами.
ПМ Загрузка исходные данные Модуль работы с первичными документами.
Запуск данного модуля осуществляется при введение данных из нового платежного
поручения, а также при необходимости корректировки или удаления записей.
Имеется возможность выбора необходимых платежных поручений в соответствие с
параметрами запроса ПМ Ввод накладной Модуль работы с документами запускается
для нового составления документа в системе. Данные программного модуля
покупатели попадают в справочник покупателей. В рамках данного модуля также
предусмотрены ввод корректировка и удаление записей, а также выбор записей в
соответствие с запросом ПМ Корректировка накладной Запуск модуля осуществляется
при необходимости изменения данных в документе
ПМ Печать накладной Модуль позволяет осуществлять работу со всеми
справочниками, предусмотренными в системе. Осуществлять просмотр, удаление и
корректировку записей по системным справочникам. ПМ Загрузка модуля обработки
резервной информации Модуль формирования копии данных. Возможно добавление
новых данных, удаление старых и корректировка существующих.
ПМ Загрузка модуля ведомости поступления готовой продукции Модуль
составления загрузки ведомости поступления гп. Помимо корректировки, ввода и
удаления данных возможен вывод расписания на печать. Просмотр записей на
конкретную дату ПМ Обработка и загрузка ведомости поступления гп Модуль
запускается при загрузки поступлении гп
ПМ Печать Модуль вывода на печать запускается при необходимости переноса
некоторых элементов из электронной формы на бумажный носитель.
ПМ Загрузка модуля ведение справочников Модуль предусматривает
формирование различных отчетов по отдельным категориям
ПМ Загрузка модуля ведение справочников покупателей Модуль
предусматривает формирование различных отчетов по категории клиентов.
2.2.4 Схема
взаимосвязи программных модулей и информационных файлов
Схема взаимосвязи программных модулей и информационных файлов отражает
взаимосвязь программного и информационного обеспечения комплекса задач.
Упомянутая схема представлена в приложении №7. Справа и слева от модуля
изображены информационные потоки- выходящие и входящие.
Описание возможностей программных модулей разрабатываемой системы
приведено на рис.2.7
Рис. 2.7 Схема взаимосвязей модулей и файлов
2.3 Технологическое
обеспечение задачи
2.3.1 Организация
технологии сбора, передачи, обработки и выдачи информации
Технологический процесс обработки информации последовательно состоит из
домашинного, внутримашинного и послемашинного этапов обработки информации.
Домашинный этап включает в себя прием входных документов от клиента и их
проверку. Контроль данных производится со стороны пользователя системы. На
внутримашинном этапе происходит ввод информации из первичных документов в
систему, и ее дальнейшая обработка. Взаимодействие пользователя с системой осуществляется
по принципу диалога. При этом следует отметить, что процесс машинной обработки
информации являет собой совокупность операций. Особенностью диалогового режима
работы с ПК является то, что данные операции могут выполняться в произвольной
последовательности. Таким образом, можно сказать, что последовательность
технологических операций определяется в процессе диалога пользователя с ПК.
Послемашинный этап характерен тем, что на нем полученную в результате обработки
информацию выводят на печать. Применительно к данному проекту внедрения можно
сказать, что пользователь системы на основании обработанных данных имеет
возможность распечатать ряд документов, таких как договор оказания услуг,
приложения к договору оказания услуг, сопроводительные письма, акты выполненных
работ и другие. После формирования документов и отчетности пользователь
осуществляет визуальный контроль, и в случае необходимости вносит корректировки
исходные данные и выполняет повторную печать документов. Далее следует
подписание документов ответственными лицами и направление их в соответствующие
инстанции.
2.3.2 Схема
технологического процесса сбора, передачи, обработки и выдачи информации
Технологический процесс машинной обработки экономической информации
представляет собой совокупность операций, осуществляемых в строго определенной
последовательности с начального момента до окончательного получения заданных
результатов. Его можно подразделить на четыре укрупненных этапа: первичный,
подготовительный, основной и заключительный. На первичном этапе осуществляется
сбор исходных данных, их регистрация и передача для ввода в ЭВМ.
Подготовительный этап охватывает операции по приему, контролю и регистрации
входной информации и переносу ее на машинные носители. Основной этап
обеспечивает непосредственную обработку информации на ЭВМ. На заключительном
этапе осуществляется контроль, выпуск и передача результатной информации
потребителю.
В условиях диалоговой обработки внемашинная и внутримашинная технологии
тесно связаны друг с другом и не имеют четкой границы, также как и нет четкого
разграничения подготовительного, основного и заключительного этапа
технологического процесса. Это происходит по причине того, что работа в
диалоговом режиме не имеет заранее определенной последовательности действий.
Поэтому схема технологического процесса в диалоговом режиме представляет собой
совокупность технологических операций, соответствующих схеме диалога задачи и
представлена в виде схемы работы системы рис. 2.8
Рис. 2.8 Схема технологического процесса сбора, передачи,
обработки и выдачи информации (СТП) в графическом виде
Описание схемы дано в приложении №8. Схема технологического процесса
сбора, передачи, обработки и выдачи информации (СТП) в графическом виде
представлена ниже.
3.
Обоснование экономической эффективности проекта
3.1 Выбор
и обоснование методики расчета экономической эффективности
В разделе выбор и обоснование методики расчета экономической
эффективности проекта в зависимости от выбранного направления расчета
должна быть изложена методика и специфика расчета экономической эффективности
проекта, указаны все необходимые для выводов показатели и формулы их расчетов.
Как правило, наиболее востребованными оказываются трудовые, стоимостные
показатели, срок окупаемости проекта.
Экономическая эффективность проекта (Э) складывается из двух
составляющих:
1. Косвенного эффекта, который, например, характеризуется увеличением
прибыли, привлечением большего числа клиентов, снижением уровня брака в
производстве, уменьшение количества рекламаций клиентов, снижение затрат на
сырье и материалы, уменьшение сумм штрафов, неустоек и т. д.
2. Прямого эффекта, который характеризуется снижением трудовых,
стоимостных показателей.
К трудовым показателям относятся следующие:
· абсолютное снижение трудовых затрат (DТ): DТ=Т0-Т1,
где Т0 - трудовые затраты на обработку информации по базовому
варианту,
Т1 - трудовые затраты на обработку информации по предлагаемому
варианту.
· коэффициент относительного снижения трудовых затрат (КТ): КТ=DТ/T0*100%.
· индекс снижения трудовых затрат или повышение
производительности труда (YT): YT=T0/T1.
К стоимостным показателям относятся: абсолютное снижение стоимостных
затрат (DC), коэффициент относительного снижения стоимостных затрат (КC)
индекс снижения стоимостных затрат (YC), рассчитываемые аналогично.
Помимо рассмотренных показателей целесообразно также рассчитать срок
окупаемости затрат на внедрение проекта машинной обработки информации (Ток):
Ток=КП/DC, где КП - затраты на создание
проекта машинной обработки информации (проектирование и внедрение).
3.2 Расчет
показателей экономической эффективности проекта
Результаты расчета показателей экономической эффективности проекта
представлены в форме таблиц, графиков, повышающих наглядность восприятия. Здесь
определим улучшение качественных характеристик процесса управления
соответствующим объектом и оценим влияние автоматизированного комплекса задач
на эффективность деятельности органов управления и конечные результаты.
Ниже показаны расчеты экономической эффективности при базовом и
автоматизированном вариантах.
Также рассчитываются:
. Приведенный показатель годовой экономии:
Эг=(C0 +Eн*K0) - (Cj + Eн*Kj),
Где Kj, K0 - капитальные затраты предлагаемого
и базового периодов.
. Показатель срока окупаемости капитальных затрат:
Tок=(Kj - K0)/ΔC
Таблица 3.2 затрат базового варианта
|
№ п/п
|
Наименование
операций технологического процесса решения комплекса задач
|
Оборудование
|
Ед.
Измерения
|
Объем работы
в год
|
Норма
выработки / производительность устройств ЭВМ (опер/в час.)
|
Трудоем-кость
(гр5: гр6)
|
Средне-часовая
зарплата специалиста (руб.)
|
Часовая
норма аморти-зации (руб. за час) /ст. 1 маш.часа (руб.)
|
Часовая
стоимость накладных расходов (руб.)
|
Стоимостные
затраты [(гр8+гр/9 +гр10 )*гр.7] для операций, вып. на ЭВМ
|
|
1
|
2
|
3
|
4
|
5
|
6
|
7
|
8
|
9
|
10
|
11
|
Прием,
контроль, регистрация информации
|
КВМ
|
Док/Строки
|
53150
|
400
|
133
|
150
|
0,1
|
105
|
33928
|
|
2
|
Заполнение
данных в ЭВМ
|
|
Символы
|
2129200
|
5600
|
380
|
150
|
-
|
105
|
96900
|
|
3
|
Обработка на
ЭВМ
|
ЭВМ
|
Операции
|
5092
|
200
|
25
|
150
|
0,1
|
105
|
63776
|
|
4
|
Анализ и выпуск
рез. Док.
|
-
|
Документ
|
29751
|
4
|
7438
|
150
|
-
|
105
|
1896690
|
|
5
|
Итого затрат
по базовому варианту
|
|
|
|
|
7976
|
|
|
|
2091294
|
Таблица 3.2 затрат для автоматизированного варианта
|
№ п/п
|
Наименование
операций технологического процесса решения комплекса задач
|
Оборудование
|
Ед. Изм.
|
Объем работы
в год
|
Норма
выработки / производительность устройств ЭВМ (опер/в час.)
|
Трудоемкость
(гр5: гр6)
|
Среднечасовая
зарплата специалиста (руб.)
|
Часовая
норма аморти-зации (руб. за час)/ст. 1 маш.часа (руб.)
|
Часовая
стоимость накладных расходов (руб.)
|
Стои-мостные
затраты [(гр8+гр/9 +гр10)*гр.7] для операций, вып. на ЭВМ
|
|
1
|
2
|
3
|
4
|
5
|
6
|
7
|
8
|
9
|
10
|
11
|
|
1
|
Прием,
контроль, регистрация информации
|
КВМ
|
Док/Строки
|
53150
|
400
|
133
|
150
|
0,1
|
105
|
33928
|
|
2
|
Ввод данных в
ЭВМ
|
ЭВМ
|
Символы
|
1500000
|
7200
|
208
|
150
|
50
|
105
|
53061
|
|
3
|
Обработка на
ЭВМ
|
ЭВМ
|
Операции
|
10646000000
|
3600000000
|
3
|
150
|
50
|
105
|
765
|
|
4
|
Печать
результатной информации
|
Принтер
|
Страницы
|
1800
|
1000
|
2
|
150
|
50
|
105
|
610
|
|
5
|
Анализ и выпуск
рез. Док.
|
-
|
Документ
|
29751
|
6
|
4958
|
150
|
-
|
105
|
1264290
|
|
5
|
Итого затрат
по базовому варианту
|
|
|
|
|
5304
|
|
|
|
1352654
|
. Расчетный коэффициент эффективности капитальных вложений,
который является обратной величиной к показателю срока окупаемости:
Ep=1/Tок
Таким образом формируются показатели Т0, Т1 (гр. 7)
и С0, С1 (гр. 12). С их использованием вычисляются все
остальные показатели, описанные в пункте 1. Результаты расчетов оформляются в
табличной форме (см. табл. 3.3). Может быть избрана и другая табличная форма,
основными требованиями к которой являются наглядность и простота.
Таблица 3.3. Показатели эффективности от внедрения проекта автоматизации.
|
|
Затраты
|
Абсолютное изменение затрат
|
Коэффициент изменения
затрат
|
Индекс изменения затрат
|
|
базовый вариант
|
проектный вариант
|
|
|
|
|
Трудоемкость
|
T0 (час)
|
T1 (час)
|
∆Т=Т0 -Т1
(час)
|
КТ=∆Т/T0х100%
|
YT=T0/T1
|
|
|
7976
|
5304
|
2672
|
33%
|
1,5
|
|
Стоимость
|
C0 (руб.)
|
C1 (руб.)
|
∆C=C0-C1
(руб.)
|
КC=∆C/C0х100%
|
YC=C0/C1
|
|
|
2091294
|
1352654
|
738640
|
35%
|
1,5
|
Желательно охарактеризовать связь показателей YT и YC,
объяснив их равенство или неравенство с точки зрения функциональной
информационной технологии.
При достижении оптимальных величин показателей, следующим этапом
рассчитываются капитальные затраты на создание и внедрение проекта. Затраты
могут быть разбиты по категориям.
После расчета срока окупаемости проекта, все показатели эффективности
должны быть проиллюстрированы диаграммами (например, круговыми или
столбчатыми).
Показатель оценки капитальных затрат Кj на j-ый технологический процесс рассчитывается по формуле:
Кj = Кэвмj+Кпоj+Кпрj,
Где: Кэвмj - доля
затрат, приходящаяся на разрабатываемую задачу, комплекс задач по j-му варианту. Кпоj - затраты на приобретение ППП, как средство
проектирования для j -го варианта
технологического процесса, Кпрj -затраты на проектирование j -го варианта технологического процесса. Кпрj -затраты на проектирование j -го варианта технологического процесса
Кпрj=å Кпрij,
где Кпрij -капитальные
затраты на i-й компонент j-го варианта ТПОД:
Кпрj= Косвj+Крпj + Кпрогj+ Котлj +Квнj,
где Кпрij =Tпрij *rij*(1+Кнр) + tпрij*Смч*(1+Кмз)
Таблица 3.4. расчет капитальных затрат на j-й вариант ТПОД
|
№ п/п
|
Наименование компонента
|
Трудоемкость (час)
|
Часовая тар. ставка
|
Затраты на з/пл
|
Затраты на накл.р
|
Затраты на м. время
|
Всего затраты на комп.
расхода
|
|
1
|
Кэвмj
|
60
|
150
|
9000
|
100
|
8900
|
9100
|
|
2
|
Кпоj
|
50
|
170
|
8500
|
150
|
8350
|
8650
|
|
3
|
Кпрij 1)освоение
пакета 2)проектирование АРМ 3)программирование 4)отладка 5)внедрение
|
40 80 80 20 10
|
200 200 200 200 200
|
8000 16000 16000 4000 5000
|
200 3500 3500 1500
400
|
1000 1000 1000
1000 1000
|
9200 20500
20500 6500 6400
|
|
Итого
|
Кпрj
|
230
|
1000
|
46000
|
9100
|
5000
|
63100
|
|
Итого
|
Кj
|
340
|
1320
|
63500
|
9350
|
22250
|
80850
|
Т окупаемости = Kj/∆C
Т окупаемости = 80850/738640=0,2года
Е рассч. = ∆C/Кj
Е рассч. = 738640/80850 = 9,1
Рис. 3.1 Диаграмма изменения трудовых затрат
Рис. 3.2 Диаграмма изменения стоимостных затрат
Заключение
В результате дипломного проектирования была разработана прототип
программы «АРМ регионального менеджера в ООО «Аляска», предназначенная для по
учету готовой продукции на складе.
Программа предназначена для того, чтобы облегчить рутинный труд
регионального менеджера отдела сбыта, тратящего ежедневно массу времени на
бумажную работу.
У данного приложения удобный интерфейс, рассчитанный на не
подготовительного пользователя.
Дальнейшее развитие данного проекта предусматривает увеличение функций,
реализованных в системе.
Для контроля эффективности функционирования отдела существует следующая
система отчетности, формируемая по сотруднику, по рабочей группе (отделу), продукту,
по подразделению в целом с возможностью задать любой период анализа:
· Прогноз продаж (по сумме вознаграждений, умноженной на
субъективную оценку менеджера вероятности получения заявок) на месяц;
· Личный план сотрудников отдела сбыта;
· Отчет по работе менеджера;
· Сводный отчет по всем менеджерам за месяц по конвертации
заявок (с разбивкой по неделям поступления заявок);
Основные цели проекта внедрения Microsoft Access
2003 в ООО "Аляска":
· Организация эффективного процесса работы регионального менеджера,
включая анализ результативности проделанной работы;
· Организация эффективного процесса, включая создание единую
систему базы данных компании;
Список
литературы
1.
Руководство
пользователя "Trade Assistant Программный комплекс управления торговлей.
Основные модули". М.: ,1999.
2.
Руководство
пользователя "Trade Assistant Программный комплекс управления
торговлей. Дополнительные модули". М.:, 1999.
3. Качайлов А.Е. Автоматизация учета на базах и складах. М.:
Экономика, 1970.
. Титоренко Г.А. Автоматизированные информационные технологии
в экономике. М.: Компьютер, ЮНИТИ, 1998.
. Трубилин И.Т., Семенов М.И., Лойко В.И., Барановская Т.П.
Автоматизированные информационные технологии в экономике. М.: Финансы и
статистика, 1999
. Карминский А.М., Нестеров П.В. Информатизация бизнеса. М.:
Финансы и статистика, 1997.
. Руководство пользователя. Многопользовательский сетевой
комплекс полной автоматизации фирмы "Галактика". М.:, 1997.
. Ивлиев М.К., Порошина Л.А. Автоматизация оперативного и
бухгалтерского учета товаров/Учебное пособие. М.: МУПК, 1997.
. Чистов Д.В. Основы компьютерной бухгалтерии / Учебный
практикум по ведению бухгалтерского учета в «1С:Бухгалтерии-Проф 6.0»для Windows. М.: Компьютер пресс, 1998.
. Киевский С.В. «Самоучитель по работе с программой
«1С:Бухгалтерия» Доля пользователей локальных и сетевых версий: 5.0 и Проф-2.0
для DOS, 6.0 и Проф-6.0 для Windows и
Windows 95,-М.: Компьютер пресс, 1998.
. Информационные системы бухгалтерского учета: Учебник / Под
ред. В.И.Подольского -М.: Аудит, ЮНИТИ, 1998.
. Руководство пользователя "Инфо-Бухгалтер - Комплексная
автоматизация бухгалтерского учета. М.:, 1999.
Приложение №1
Структуры документов.
|
ООО "Аляска"
|
Дата
|
Код клиента
|
Код склада
|
|
|
накладная поступления №___
|
|
|
|
|
|
Наименование клиента
|
|
|
Наименование склада
_________
|
|
|
№ п/п
|
Наименование материала
|
Код материала
|
Единица измерения
|
Кол-во
|
Цена
|
Стоимость
|
|
|
|
|
|
|
|
|
|
Подпись:
|
|
|
|
|
|
|
|
ООО "Аляска"
|
Дата
|
Код клиента
|
Код склада
|
|
|
Товарно-транспортная
накладная №___
|
|
|
|
|
|
Наименование клиента
|
|
|
Наименование склада
_________
|
|
|
№ п/п
|
Наименование материала
|
Код материала
|
Единица измерения
|
Кол-во
|
Цена
|
Стоимость
|
|
|
|
|
|
|
|
|
|
Подпись:
|
|
|
|
|
|
|
|
|
|
|
|
|
|
|
|
ООО "Аляска"
|
Дата
|
Код клиента
|
Код склада
|
|
|
ведомость отклонения от
плана реализации №___
|
|
|
|
|
|
Наименование клиента
|
|
|
Наименование склада
_________
|
|
|
|
|
|
|
№ п/п
|
Наименование материала
|
Код материала
|
Единица измерения
|
Кол-во
|
Цена
|
|
|
|
|
|
|
|
|
|
Подпись:
|
|
|
|
|
|
|
|
|
|
|
|
|
|
|
|
|
Наименование организации -
OOO "Аляска"
|
Кол-во экземпляров -
|
|
|
Номер экземпляров
|
|
|
Ведомость поступления
материалов от цехов за ___________ месяц 200_ года
|
Кол-во листов -
|
Номер листа -
|
|
|
|
Код цеха
|
Наиме-нование цеха
|
Код склада
|
Наиме-нование склада
|
Наименование документа
|
Дата документа
|
Номер документа
|
Наиме-нование гп
|
Количество
|
Цена
|
Стоимость
|
|
|
9(3)
|
a(15)
|
9(2)
|
A(10)
|
a(10)
|
d(8)
|
9(3)
|
a(15)
|
9(3)
|
9(2)
|
9(4)
|
|
|
Итого по коду гп
|
|
|
|
|
|
|
|
*
|
|
|
|
|
Итого по коду склада
|
|
|
|
|
|
|
|
|
|
|
|
|
Итого по коду цеха
|
|
|
|
|
|
|
|
|
|
|
|
|
Итого за период
|
|
|
|
|
|
|
|
|
|
|
|
|
Дата __________
|
|
|
|
|
|
|
|
|
|
Подпись __________
|
|
|
|
|
|
|
|
|
|
|
|
|
|
|
|
|
|
|
|
|
|
|
|
|
|
|
|
|
|
|
|
|
Наименование организации -
OOO "Аляска"
|
|
|
|
ведомость реализации
товаров за ___________ месяц 200_ года
|
|
|
|
|
|
|
|
|
код товара
|
По документу
|
|
Код цеха
|
Наименование цеха
|
Код склада
|
Наименование склада
|
Наименование документа
|
Дата документа
|
Номер документа
|
Количество
|
Цена
|
Стоимость
|
|
|
|
|
|
|
|
|
9(3)
|
9(2)
|
9(4)
|
|
Итого за период
|
|
|
|
|
|
|
|
|
|
|
Дата __________
|
|
|
|
|
|
|
|
|
|
|
Подпись __________
|
|
|
|
|
|
|
|
|
|
|
|
|
|
|
|
|
|
|
|
|
|
|
Наименование организации -
OOO "Аляска"
|
|
|
ведомость отклонения от
плана реализации за ___________ месяц 200_ года
|
|
|
Код цеха
|
Наиме-нование цеха
|
Код склада
|
Наименование склада
|
Наименование документа
|
Дата документа
|
Номер документа
|
план реализации
|
код плана реализации
|
Коли-чество
|
Цена
|
Стои-мость
|
|
9(3)
|
a(15)
|
9(2)
|
A(10)
|
a(10)
|
d(8)
|
9(3)
|
a(15)
|
9(3)
|
9(3)
|
9(2)
|
9(4)
|
|
Итого по коду плана
реализации
|
|
|
|
|
|
|
|
|
|
|
|
|
Итого по коду склада
|
|
|
|
|
|
|
|
|
|
|
|
|
Итого по коду цеха
|
|
|
|
|
|
|
|
|
|
|
|
|
Итого за период
|
|
|
|
|
|
|
|
|
|
|
|
|
Дата __________
|
|
|
|
|
|
|
|
|
|
|
|
|
Подпись __________
|
|
|
|
|
|
|
|
|
|
|
|
Приложение
№2
Структура таблиц
Таблица цехи
|
N п\п
|
Наименование поля
|
Идентификатор поля
|
Тип данных
|
Длина
|
Признак ключа
|
|
1
|
Код цеха
|
Kod_ceha
|
Числовой
|
4
|
PК
|
|
2
|
Наименование цеха
|
Naim_ceha
|
Текстовый
|
10
|
|
Таблица Единицы измерения
|
N п\п
|
Наименование поля
|
Идентификатор поля
|
Тип данных
|
Длина
|
Признак ключа
|
|
1
|
Код единицы измерения
|
Kod_ed_izm
|
Числовой
|
4
|
РК
|
|
2
|
Наименование единицы
измерения
|
Naim_ed_izm
|
Текстовый
|
2
|
|
Таблица Готовая продукция
|
N п\п
|
Наименование поля
|
Идентификатор поля
|
Тип данных
|
Длина
|
Признак ключа
|
|
1
|
Код готовой продукции
|
Kod_gp
|
Числовой
|
4
|
РК
|
|
2
|
Наименование готовой
продукции
|
Naim_gp
|
Текстовый
|
10
|
|
|
3
|
Код единицы измерения
|
Kod_ed_izm
|
Числовой
|
4
|
|
Таблица Накладная на готовую продукцию
|
N п\п
|
Наименование поля
|
Идентификатор поля
|
Тип данных
|
Длина
|
Признак ключа
|
|
1
|
Номер накладной на готовую
продукцию
|
Nom_nakl_gp
|
Числовой
|
4
|
РК
|
|
2
|
Наименование накладной
готовую продукцию
|
Naim_nakl_gp
|
Текстовый
|
10
|
РК
|
|
3
|
Единицы измерения
|
Ed_izm
|
Числовой
|
4
|
|
|
4
|
Цена
|
Cena
|
Числовой
|
7
|
|
|
5
|
Стоимость
|
Stoimost
|
Числовой
|
7
|
|
|
6
|
Код цеха
|
Kod_ceha
|
Числовой
|
4
|
РК
|
|
7
|
Код готовой продукции
|
Kod_gp
|
Числовой
|
6
|
РК
|
Таблица План реализации
|
N п\п
|
Наименование поля
|
Идентификатор поля
|
Тип данных
|
Длина
|
Признак ключа
|
|
1
|
Номер плана реализации
|
Nom_plana_real
|
Числовой
|
4
|
РК
|
|
2
|
Наименование плана
реализации
|
Naim_plana_real
|
Текстовый
|
10
|
РК
|
|
3
|
Код плана реализации
|
Kod_plana_real
|
Числовой
|
4
|
|
|
4
|
Код покупателей
|
Kod_pokupateley
|
Числовой
|
7
|
РК
|
|
5
|
Код готовой продукции
|
Kod_gp
|
Числовой
|
7
|
РК
|
Таблица Покупатели
|
N п\п
|
Наименование поля
|
Идентификатор поля
|
Тип данных
|
Длина
|
Признак ключа
|
|
1
|
Код покупателей
|
Kod_pokupateley
|
Числовой
|
4
|
РК
|
|
2
|
Наименование покупателей
|
Naim_pokupateli
|
20
|
|
Таблица ТТН
|
N п\п
|
Наименование поля
|
Идентификатор поля
|
Тип данных
|
Длина
|
Признак ключа
|
|
1
|
Номер ттн
|
Nom_ttn
|
Числовой
|
4
|
РК
|
|
2
|
Наименование ттн
|
Naim_ttn
|
Текстовый
|
10
|
РК
|
|
3
|
Код покупателей
|
Kod_pokupateley
|
Числовой
|
4
|
РК
|
|
4
|
Код группы
|
Kod_gp
|
Числовой
|
7
|
РК
|
|
5
|
Стоимость
|
Stoim
|
Числовой
|
7
|
|
Таблица Заказ
|
N п\п
|
Наименование поля
|
Идентификатор поля
|
Тип данных
|
Длина
|
Признак ключа
|
|
1
|
Номер заказа
|
Nom_zakaza
|
Числовой
|
4
|
РК
|
|
2
|
Наименование заказа
|
Naim_zakaza
|
Текстовый
|
10
|
РК
|
|
3
|
Количество заказов
|
Kol_zakaza
|
Числовой
|
4
|
|
|
4
|
ФИО покупателя
|
Fio_pokup
|
Текстовый
|
20
|
|
|
5
|
Код покупателей
|
Kod_pokupateley
|
Числовой
|
7
|
РК
|
|
6
|
Код готовой продукции
|
Kod_gp
|
Числовой
|
|
РК
|
Приложение
№3
Схема бизнес-процессов «как есть»
Приложение
№4
Схема бизнес-процессов «как должно быть»
Приложение
№5
Фрагменты заполненных классификаторов
|
№ п/п
|
Наименование классификатора
|
Система классификации
|
Система кодирования
|
Длина кода
|
Тип классификатора
|
|
1
|
Покупатели
|
иерархическая
|
Разрядная система
|
3 знака
|
локальные
|
|
2
|
Цехи
|
иерархическая
|
Разрядная система
|
6 знаков
|
локальные
|
|
3
|
ГП
|
иерархическая
|
Разрядная система
|
6 знаков
|
локальные
|
|
4
|
Единицы измерения
|
иерархическая
|
Разрядная система
|
2 знака
|
локальные
|
Таблица Покупатели
|
Наименование формы
собственности
|
ФИО покупателя
|
Код покупателя
|
|
ПБОЮЛ Жигунов А.С.
|
Жигунов А.С.
|
040095
|
|
ИП Савичев Н.Г.
|
Савичев Н.Г.
|
089209
|
|
ООО «Заря»
|
Синчук А.В.
|
320018
|
|
ЗАО «Мега-Принт»
|
Чернова Е.А.
|
040035
|
Таблица Цехи
|
Тип подразделения
|
Наименование
подразделения
|
Код
|
|
Система управления
|
|
100
|
|
Бухгалтерия
|
101
|
|
Приемный отдел
|
102
|
|
Объект управления
|
|
200
|
|
Склад
|
201
|
Таблица Готовая продукция
|
Страна
|
Производитель
|
Наименование гп
|
Код гп
|
|
Индия
|
|
|
01000000
|
|
Индия
|
|
01001000
|
|
|
цепи
|
01001001
|
|
|
браслеты
|
01001002
|
|
Иваново
|
|
01002000
|
|
|
серьги
|
01002001
|
|
|
кольца
|
01002002
|
|
Россия
|
|
|
02000000
|
|
Кострома
|
|
02001000
|
|
|
подвески
|
02001001
|
|
|
|
03000000
|
|
Красное на Волге
|
|
03001000
|
|
|
иконы
|
03001001
|
|
|
|
04000000
|
Таблица Единицы измерения
|
Тип единицы измерения
|
Наименование единиц
измерения
|
Код единицы измерения
|
|
базовые
единицы
|
шт., тонны, кг.
|
521
|
|
|
455
|
|
|
102
|
|
Производные единицы
измерения
|
"0.1",
"0.01", "10", "1000"
|
430
|
|
|
201
|
Приложение
№6
Схема технологического процесса сбора, передачи, обработки и выдачи
информации
Приложение
№7
Экранные формы.
Основное окно программы
Диалог ввода и регистрации
Заказ товара