Проектування цифрового автомата в cистемі автоматизованого проектування MAX+PLUS II
Реферат
Пояснювальна записка до курсової
роботи "Проектування цифрового автомата в САПР "MAX+PLUS II"" .
Об'єкт проектування - цифровий
автомат з двома режимами роботи, керований вхідним сигналом М.
Мета роботи - проектування цифрового
автомата в САПР MAX+PLUS II
Результати курсової роботи
рекомендується використовувати при роботі над дипломним проектом та в СНТО на
кафедрі.
Цифрові автомати з
пам’яттю
Комбінаційні пристрої
Логічні елементи
Коди
ПЛІС
Тригери
MAX+PLUS II
Зміст
Вступ
1. Цифрові автомати
. Короткі теоретичні відомості
. Проектування цифрового автомата
Висновок
Список літератури
Вступ
Курсова робота має за мету навчити студента самостійно
розробляти складні нестандартні цифрові пристрої, провести його підготовку для
використання у подальшому сучасних ПЛІС і програмного забезпечення.
Курсова робота надає студенту можливість здобуття практичних
навичок для праці на рівні фахівця певної галузі діяльності з використанням
комп"ютерних технологій при обробці числової та графічної інформації та проведенні
обчислень. Закріпити вивчений раніше матеріал, і продемонструвати навички
роботи в графічному редакторі САПР "MAX+PLUS II".
1.
Цифрові автомати
Автоматами називаються цифрові схеми,
стан виходів яких залежить не тільки від значень вхідних сигналів в даний
момент часу, а й від внутрішнього стану схеми в даний та попередній моменти
часу. З цього визначення випливає, що автомат має не один елемент пам'яті,
інформація в яких залежить як від комбінації вхідних сигналів, так і від
значення цієї інформації в попередні моменти часу. Аналогічний взаємозв'язок
має місце і для вихідних сигналів. Таким чином, однією з особливостей цієї
схеми є те, що вона має свій внутрішній стан, від якого залежить реакція на
вхідні сигнали. Наявність елементів пам'яті, які можуть бути синхронним і
працювати строго у відповідності з тактовими сигналами зовнішнього генератора,
або асинхронним, і працювати у відповідності з зовнішніми сигналами. Він
використовується для керування окремими механізмами та електронними пристроями.
2. Короткі теоретичні відомості
САПР MAX+PLUS II представляє собою інтегроване
середовище для розробки цифрових програмованих логічних інтегральних схем
(ПЛІС) фірми Altera та пристроїв на базі
забезпечує виконання усіх етапів, необхідних для виготовлення готових виробів:
§ створення проектів пристроїв;
§ синтез структур і розводку
внутрішніх зв"язків ПЛІС;
§ підготовку даних для
програмування або конфігурування ПЛІС;
§ верифікацію проектів
(функціональне моделювання і часовий аналіз);
§ програмування або
конфігурування ПЛІС
У склад пакету "MAX+PLUS II" входять наступні
пов"язані між собою середовища, які реалізують усі вищесказані етапи
розробки цифрових пристроїв на ПЛІС фірми Altera: Graphic Editor, Text Editor, Waveform Editor, Symbol Editor, Floorplan Editor.
"Graphic Editor" - графічний редактор, слугує для вводу проекту у
вигляді схеми з"єднань символів елементів, взятих зі стандартних бібліотек
пакета або з бібліотеки користувача.
"Waveform Editor" - редактор часових діаграм, що виконує подвійну
функцію: на етапі вводу забезпечує ввід логіки проекту у вигляді діаграм станів
входів і виходів, а на етапі моделювання забезпечує ввід тестових вхідних
станів модельованого пристрою і завдання низці тестованих виходів.
"Floorplan Editor" - редактор зв"язків, котрий на плані розміщення
основних логічних елементів дозволяє вручну розподіляти виводи ПЛІС та
перерозподіляти деякі внутрішні ресурси ПЛІС.
3. Проектування цифрового автомата
Порядок виконання роботи:
1. Складаємо початкове завдання функціонування.
2. Подаємо автомат у вигляді графа.
. Виконуємо кодування вхідних сигналів і станів.
. Визначаємо кількість і типи елементарних автоматів
(тригерів)
. Будуємо кодовану таблицю переходів і виходів
автомата.
. Створюємо схему проекту за допомогою Graphic Editor САПР "MAX+PLUS II", здійснюємо компіляцію проекту
та проводимо тестування пристрою за допомогою редактора Waveform Editor та модуля "Simulator".
. Здійснюємо розміщення проекту на кристалі за
допомогою Floorplan
Editor.
. Огляд ієрархічної структури проекту.
Складаємо початкове завдання функціонування
Проектуємо автомат Мура з двома режимами роботи керованими
вхідним сигналом М, згідно заданим варіантом №1 (додаток 1). Коефіцієнт лічення
- 16. М=0 - прямий код М=1 -код Грея.
Код Грея - система нумеровання, в якій два сусідніх
значення розрізняю-ться тільки в одному розряді. Найбільш часто на практиці
застосовується рефлексні двійковий код Грея, хоча в загальному випадку існує
нескінченна безліч кодів Грея для систем числення з будь-якою основою. У
більшості випадком, під терміном "код Грея" розуміють саме
рефлексивний бінарний код Грея. Спочатку призначався для захисту від
помилкового спрацьовування електро-механічних перемикачів. Сьогодні коди Грея
широко використовуються для спрощення виявлення та виправлення помилок у
системах зв'язку, а також у формуванні сигналів зворотного зв'язку в системах
управління.
В інформатиці прямий код використовується головним
чином для запису невід'ємних цілих чисел. Його легко отримати з подання цілого
числа в будь-якій іншій системі числення. Для цього досить перевести число в
двійкову систему числення, а потім заповнити нулями вільні ліворуч розряди
розрядної сітки машини.
Кодована таблицю переходів автомата:
|
Десятковий код
|
Прямий код
|
Код Грея
|
|
0
|
0000
|
0000
|
|
1
|
0001
|
0001
|
|
2
|
0010
|
0011
|
|
3
|
0011
|
0010
|
|
4
|
0100
|
0110
|
|
5
|
0101
|
0111
|
|
6
|
0110
|
0101
|
|
7
|
0111
|
0100
|
|
8
|
1000
|
1100
|
|
9
|
1001
|
1101
|
|
10
|
1010
|
1111
|
|
11
|
1011
|
1110
|
|
12
|
1100
|
1010
|
|
13
|
1101
|
1011
|
|
14
|
1110
|
1001
|
|
15
|
1111
|
1000
|
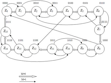
Будуємо граф автомата
Кодування вхідних сигналів автомата
будується на тому, що керуючому сигналу М ставиться або 0 або 1, тому що
використовується два режими роботи автомату.
стан
автомата, коли він працює як двійковий лічильник
стан
елементарного автомата (тригера)
стан
автомату коли він працює як лічильник в коді Грея
стан
елементарного автомата (тригера)
Визначимо кількість і тип тригерів.
Число тригерів n при модулі рахунку N=16 визначається формулою
n = ┐┌
і буде дорівнювати n = ┐┌ = 4. Беручи до уваги вимогу
завдання, вибираємо RS-тригери.
Для синтезу цифрового автомата на цих тригерах треба використовувати матрицю
його переходів .
У першому стовпці записані дворозрядні двійкові числа, перші розряди
яких відповідають попередньому стану тригера в момент часу t , а у другому розряді - наступний стан в момент
часу t+1. У
останніх стовпцях записані значення вхідних логічних змінних R і S для кожного переходу
тригера. Рискою позначені невизначені значення змінних R і S .
Таблиця 5
|
SR
|
|
|
|
0 0
|
0
|
-
|
|
0 1
|
1
|
0
|
|
1 0
|
0
|
1
|
|
1 1
|
-
|
0
|
Будуємо кодовану таблицю переходів автомата
Для визначення функцій збудження елементарних автоматів
(тригерів) складається кодована таблиця переходів (табл.6.).
Таблиця 6.
|
М
|
              
|
|
|
|
|
|
|
|
|
|
|
|
|
|
|
|
|
Z0
|
0
|
0
|
0
|
0
|
0
|
0
|
0
|
0
|
1
|
-
|
0
|
-
|
0
|
-
|
0
|
0
|
1
|
|
Z1
|
0
|
0
|
0
|
0
|
1
|
0
|
0
|
1
|
0
|
-
|
0
|
-
|
0
|
0
|
1
|
1
|
0
|
|
Z2
|
0
|
0
|
0
|
1
|
0
|
0
|
0
|
1
|
1
|
-
|
0
|
-
|
0
|
0
|
-
|
0
|
1
|
|
Z3
|
0
|
0
|
0
|
1
|
1
|
0
|
1
|
0
|
0
|
-
|
0
|
0
|
1
|
1
|
0
|
1
|
0
|
|
Z4
|
0
|
0
|
1
|
0
|
0
|
0
|
1
|
0
|
1
|
-
|
0
|
0
|
-
|
-
|
0
|
0
|
1
|
|
Z5
|
0
|
0
|
1
|
0
|
1
|
0
|
1
|
1
|
0
|
-
|
0
|
0
|
-
|
0
|
1
|
1
|
0
|
|
Z6
|
0
|
0
|
1
|
1
|
0
|
0
|
1
|
1
|
1
|
-
|
0
|
0
|
-
|
0
|
-
|
0
|
1
|
|
Z7
|
0
|
0
|
1
|
1
|
1
|
1
|
0
|
0
|
0
|
0
|
1
|
1
|
0
|
1
|
0
|
1
|
0
|
|
Z8
|
0
|
1
|
0
|
0
|
0
|
1
|
0
|
0
|
1
|
0
|
-
|
-
|
0
|
-
|
0
|
0
|
1
|
|
Z9
|
0
|
1
|
0
|
0
|
1
|
1
|
0
|
1
|
0
|
0
|
-
|
-
|
0
|
0
|
1
|
1
|
0
|
|
Z10
|
0
|
1
|
0
|
1
|
0
|
1
|
0
|
1
|
1
|
0
|
-
|
-
|
0
|
0
|
-
|
0
|
1
|
|
Z11
|
0
|
1
|
0
|
1
|
1
|
1
|
1
|
0
|
0
|
0
|
-
|
0
|
1
|
1
|
0
|
1
|
0
|
|
Z12
|
0
|
1
|
0
|
0
|
1
|
1
|
0
|
1
|
0
|
-
|
0
|
-
|
-
|
0
|
0
|
1
|
|
Z13
|
0
|
1
|
1
|
0
|
1
|
1
|
1
|
1
|
0
|
0
|
-
|
0
|
-
|
0
|
1
|
1
|
0
|
|
Z14
|
0
|
1
|
1
|
1
|
0
|
1
|
1
|
1
|
1
|
0
|
-
|
0
|
-
|
0
|
-
|
0
|
1
|
|
Z15
|
0
|
1
|
1
|
1
|
1
|
0
|
0
|
0
|
0
|
1
|
0
|
1
|
0
|
1
|
0
|
1
|
0
|
|
Z0
|
1
|
0
|
0
|
0
|
0
|
0
|
0
|
0
|
1
|
-
|
0
|
-
|
0
|
-
|
0
|
0
|
1
|
|
Z1
|
1
|
0
|
0
|
0
|
1
|
0
|
0
|
1
|
1
|
-
|
0
|
-
|
0
|
0
|
1
|
0
|
-
|
|
Z2
|
1
|
0
|
0
|
1
|
1
|
0
|
0
|
1
|
0
|
-
|
0
|
-
|
0
|
0
|
-
|
1
|
0
|
|
Z3
|
1
|
0
|
0
|
1
|
0
|
0
|
1
|
1
|
0
|
-
|
0
|
0
|
1
|
0
|
-
|
-
|
0
|
|
Z4
|
1
|
0
|
1
|
1
|
0
|
0
|
1
|
1
|
1
|
-
|
0
|
0
|
-
|
0
|
-
|
0
|
1
|
|
Z5
|
1
|
0
|
1
|
1
|
1
|
0
|
1
|
0
|
1
|
-
|
0
|
0
|
-
|
1
|
0
|
0
|
-
|
|
Z6
|
1
|
0
|
1
|
0
|
1
|
0
|
1
|
0
|
0
|
-
|
0
|
0
|
-
|
-
|
0
|
1
|
0
|
|
Z7
|
1
|
0
|
1
|
0
|
0
|
1
|
1
|
0
|
0
|
0
|
1
|
0
|
-
|
-
|
0
|
-
|
0
|
|
Z8
|
1
|
1
|
1
|
0
|
0
|
1
|
1
|
0
|
1
|
0
|
-
|
0
|
-
|
-
|
0
|
0
|
1
|
|
Z9
|
1
|
1
|
1
|
0
|
1
|
1
|
1
|
1
|
1
|
0
|
-
|
0
|
-
|
0
|
1
|
0
|
-
|
|
Z10
|
1
|
1
|
1
|
1
|
1
|
1
|
1
|
1
|
0
|
0
|
-
|
0
|
-
|
0
|
-
|
1
|
0
|
|
Z11
|
1
|
1
|
1
|
1
|
0
|
1
|
0
|
1
|
0
|
0
|
-
|
1
|
0
|
0
|
-
|
-
|
0
|
|
Z12
|
1
|
1
|
0
|
1
|
0
|
1
|
0
|
1
|
1
|
0
|
-
|
-
|
0
|
0
|
-
|
0
|
1
|
|
Z13
|
1
|
1
|
0
|
1
|
1
|
1
|
0
|
0
|
1
|
0
|
-
|
-
|
0
|
1
|
0
|
0
|
-
|
|
Z14
|
1
|
1
|
0
|
0
|
1
|
1
|
0
|
0
|
0
|
0
|
-
|
-
|
0
|
-
|
0
|
1
|
0
|
|
Z15
|
1
|
1
|
0
|
0
|
0
|
0
|
0
|
0
|
0
|
1
|
-
|
0
|
-
|
0
|
-
|
0
|
За умовою завдання комбінаційна схема на елементах І - НЕ.
Тому запишемо МДНФ функції збудження для тригерів за допомогою Карт Карно. Карта Карно - графічний спосіб мінімізації булевих
функцій що забезпечує простоту роботи з великими виразами.











Створюємо схему за допомогою Graphic Editor САПР "MAX+PLUS II"
Компоненти схеми:
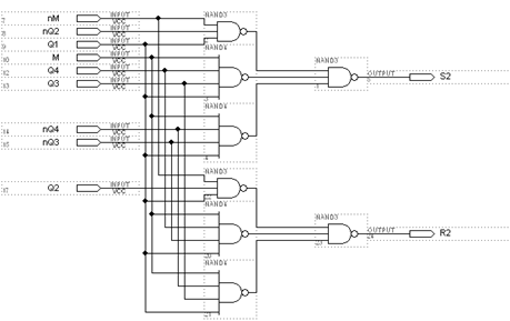
Перший елемент схеми (І-НЕ)
. В графічному редакторі САПР "MAX+PLUS II" створюємо елемент К1, на
елементах І - НЕ (використовували 2-х, 3-х, 4-х і 6-ти входові елементи з бази
САПРу):


. Після компіляції проекту отримуємо:
2.Виконуємо компіляцію проекту:
. Проводимо тестування за допомогою редактора часових діаграм
- Waveform Editor та модуля "Simulator".
Для цього створюємо файл часових діаграм з розширенням *.SCF, задаємо стани входів, вибираємо виходи і запускаємо "Simulator".
Часові діаграми:
. Створюємо символ елементу в Symbol Editor:
програмований логічний інтегральний пакет
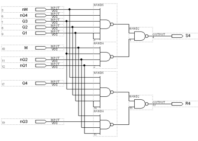
Другий елемент схеми (І-НЕ)
. За допомогою графічного редактора САПР "MAX+PLUS II" створюємо елемент К2
(використовували елементи І - НЕ 3-х, 4-х входові):


2.Виконуємо компіляцію проекту:
3. Часові діаграми
.Створюємо символ елементу в Symbol Editor:
Третій елемент схеми (І-НЕ)
. За допомогою графічного редактора САПР "MAX+PLUS II" створюємо елемент К3:
.Виконуємо компіляцію проекту:
1. Часові діаграми
4. Створюємо
символ елементу в Symbol Editor
Четвертий елемент схеми (І-НЕ)
. За допомогою графічного редактора САПР "MAX+PLUS II" створюємо елемент К4:
.Виконуємо компіляцію проекту:
2. Часові діаграми
4. Створюємо
символ елементу в Symbol Editor
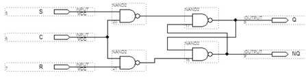
RS -
триггер
. За допомогою графічного редактора САПР "MAX+PLUS II" створюємо RS - триггер на елементах І-НЕ:
. Виконуємо компіляцію
проекту
1. Створюємо символ елементу в Symbol Editor:
Таблица 2. Таблица истинности синхронного RS-триггера.
|
С
|
R
|
S
|
Q(t)
|
Q(t+1)
|
Пояснения
|
|
0
|
x
|
x
|
0
|
0
|
Режим хранения информации
|
|
0
|
x
|
x
|
1
|
1
|
|
|
1
|
0
|
0
|
0
|
0
|
Режим хранения информации
|
|
1
|
0
|
0
|
1
|
1
|
|
|
1
|
0
|
1
|
0
|
1
|
Режим установки единицы S=1
|
|
1
|
0
|
1
|
1
|
1
|
|
|
1
|
1
|
0
|
0
|
0
|
Режим записи нуля R=1
|
|
1
|
1
|
0
|
1
|
0
|
|
|
1
|
1
|
1
|
0
|
*
|
R=S=1 запрещенная
комбинация
|
|
1
|
1
|
1
|
1
|
*
|
|
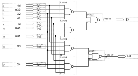
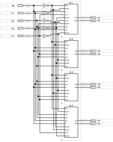
1. Матриця затримки
Комбінаційні схеми
. За допомогою графічного редактора САПР "MAX+PLUS II" створюємо комбінаційну схему:
5. Виконуємо компіляцію
проекту
. Часові діаграми
. Часові затримки
. За допомогою символьного редактора створюємо символ
комбінаційної схеми:
Схема пам"яті (лічильник)
. За допомогою графічного редактора САПР "MAX+PLUS II" створюємо схему пам"яті
на основі RS-тригерів:
. Виконуємо компіляцію проекту:
. Часові діаграми
. Часові затримки
. За допомогою символьного редактора створюємо символ схеми
пам"яті
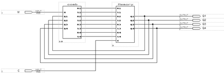
Схема цифрового автомату
. Схема автомату складається з побудованої раніше
комбінаційної схеми і схеми пам"яті:
. Виконуємо компіляцію проекту:
. Часові діаграми
. За допомогою символьного редактора створюємо символ
цифрового автомату.
Розміщення проекту за допомогою Floorplan Editor
Тип ПЛІС необхідний для реалізації проекту, може бути вибрати
автоматично або вручну. При створенні проекту по замовчуванню встановлений
режим автоматичного вибору мінімальної за об"ємом ПЛІС, в якій може бути
реалізований даний проект.
Виводи ПЛІС також призначаються автоматично. Після завершення
роботи над проектом необхідно закріпити або перевизначити виводи ПЛІС, щоб при
подальшій відладці проекту у складі всього виробу компілятор не зміг змінити їх
призначення.
Огляд ієрархічної структури проекту за допомогою Hierarchy Display
Hierarchy Display - підпрограма, що забезпечує
огляд ієрархічної структури проекту який може складатися з безлічі складених в
різних редакторах і згорнутих в символи проектів більш низьких рівнів, причому
число рівнів не обмежується.
Ієрархічна структура цифрового автомату:
Висновок
В результаті виконання даної курсової роботи я ознайомилася з
проектуванням цифрового автомата в САПР MAX+PLUS II.
Тригери - це елементарні елементи пам’яті. У відповідь на сигнал на одному
з входів виходи тригерів переходять у нові стани. Автомат працює з двома
режимами роботи. Режим роботи залежить від керуючого сигналу М.
При М=0 автомат працює як двійковий лічильник, при М=1 - як
лічильник в коді Грея.
Список літератури
1. Корчинський А.П. Основи цифрової схемотехніки.
- К., 2000.
2. Комолов Д.А. ПЛИС Altera - MAX+PLUS II и Quartus II, 2002.
. Стешенко В.Б. ПЛИС фирмы ALTERA.
Проектирование устройств обработки сигналов, 2000.
. Рябенький В.М., Ушкаренко О.О. MAX+PLUS II. Основи проектування цифрових
пристроїв на ГОПС. - К.:"Корнійчук", 2004, -253с.