Построение модели системы определения мест на стеллаже

  • Вид работы:
    Курсовая работа (т)
  • Предмет:
    Информационное обеспечение, программирование
  • Язык:
    Русский
    ,
    Формат файла:
    MS Word
    1,03 Мб
  • Опубликовано:
    2014-07-22
Вы можете узнать стоимость помощи в написании студенческой работы.
Помощь в написании работы, которую точно примут!

Построение модели системы определения мест на стеллаже

Министерство образования и науки

Российской Федерации

Федеральное государственное бюджетное образовательное учреждение высшего профессионального образования "Ивановский государственный энергетический университет имени В.И. Ленина"

Кафедра программного обеспечения компьютерных систем







Пояснительная записка к курсовому проекту

по дисциплине "Моделирование систем"


Выполнил:

студент гр. 3-42 Кудрявцев А.Д.

Проверила:

к.т.н. Новосельцева С.С.




Иваново 2014

Содержание

Задание

. Концептуальная модель

. Структурная схема модели верхнего уровня

. Описание отдельных блоков подлежащих моделированию

.1 Сборочный цех

.2 Стеллаж 1

.3 Контролёр 1

.4 Контролёр 2

3.5 Стеллаж 2

.6 Наладчик

. Модель СМО в среде Simulink

. Функционирование блоков системы в среде Simulink

.1 Генератор заявок

.2 Стеллаж 1

.3 Контролер 1

.4 Контролер 2

.5 Стеллаж 2

.6 Наладчик

. Серия экспериментов

Заключение

Список литературы

Задание


Модель технического контроля изделий

Условие:

Собранные телевизионные приемники после сборки проходят испытания на станции технического контроля. Если в процессе контроля оказывается, что функционирование телевизора ненормально, его переправляют на участок наладки, после которой он вновь возвращается на станцию контроля для повторной проверки. После одной или нескольких проверок телевизор попадает в цех упаковки. Описанная ситуация иллюстрируется схемой, приведенной на рисунке. Телевизионные приемники попадают на станцию контроля каждые 5±2 мин. На станции работают два контролера, каждому из них на проверку телевизора нужно 9±3 мин. Примерно 85% телевизоров проходят проверку успешно и попадают в цех упаковки, остальные 15% попадают на участок наладки, на котором работает один рабочий-наладчик. Наладка занимает 30±10 мин.

Задание:

Построить имитационную модель системы и оцените с ее помощью, сколько мест на стеллажах необходимо предусмотреть на станции технического контроля и на участке наладки. На одном месте на стеллаже может храниться один телевизор, ожидающий контроля или наладки, соответственно.

1. Концептуальная модель


Представим данные о системе в виде концептуальной модели (Рис. 1).

Рис. 1. Концептуальная модель системы тех. контроля

Для полной проверки телевизор должен пройти несколько стадий проверки: сборочный цех - стеллаж контроля - контролёр - упаковочный цех. Если телевизор неисправен, то он следует по пути: контролёр - стеллаж наладки - наладчик - стеллаж контроля, и снова попадает в первоначальный поток.

В данной модели по заданию работает 2 контролера, 2 стелажа и 1 наладчик телевизоров.

На стеллаже контроля хранится K телевизоров, на стеллаже наладки хранится N телевизоров. Значения K и N необходимо найти в хоте работы.

2. Структурная схема модели верхнего уровня

На основе исходных данных была построена модель верхнего уровня (Рис. 2.).

Рис. 2. Структурная схема модели верхнего уровня- событие "Поступление телевизора в систему",- состояние "Количество телевизоров на стеллаже контроля",- событие "Отправление на наладку",- событие "Отправление на упаковку",- событие "Начало проверки телевизора",- состояние "Передача телевизора второму контролёру",- состояние " Количество телевизоров на стеллаже наладки",- событие "Начало наладки телевизора",- событие "Отправление на контроль".

3. Описание отдельных блоков подлежащих моделированию

На схеме представлены следующие элементы СМО:

.        Сборочный цех - Генератор заявок,

.        Стеллаж 1 - Очередь 1,

.        Контролёр 1 - Обслуживающее устройство 1,

.        Контролёр 2 - Обслуживающее устройство 2,

.        Стеллаж 2 - Очередь 2,

.        Наладчик - Обслуживающее устройство 3

Описание отдельных блоков подлежащих моделированию

Определим блоки системы, особенности их функционирования и согласования между собой.

.1 Сборочный цех

Рисунок 3. Генератор "Сборочный цех"

Принцип работы:

Генерирует событие Y1 каждые 5±2 единицы модельного времени.

Выходной поток:- событие "Поступление телевизора на контроль"

Рисунок 4. Диаграмма состояний генератора заявок "Сборочный цех"

Изменение состояний:- В начальный момент времени задаётся время поступления следующего телевизора и Генератор переходит в состояние "Активен" (tc= tc0).- В момент времени заданный функцией UNIFRND(3,7) на выход поступает событие Y1, задаётся время поступления следующего телевизора и Генератор переходит в состояние "Активен" ([Tc = tc]: tc = unifrnd() + Tc: Y1^;).

.2 Стеллаж 1

Рисунок 5. Очередь "Стеллаж 1"

Принцип работы:

Входной поток:- событие "Поступление телевизора на контроль"- событие "Начало обслуживания(проверки) телевизора"

Выходной поток:- состояние "Количество телевизоров на стеллаже"

Рисунок 6. Диаграмма состояний очереди "Стеллаж 1"

Изменение состояний:- Длина очереди.- В начальный момент времени количество телевизоров равно нулю очередь переходит в состояние "Не заполнена" (Z=0;Y1 = Z).- Поступление события X2 означает, что телевизор был взят на проверку, поэтому уменьшается количество на стеллаже, а очередь переходит в состояние "Не заполнена" (X2^:Z--;Y1=Z).- Поступление события X1 увеличивает количество хранимых на стеллаже телевизоров на единицу, очередь переходит в состояние "Не заполнена" (X1^:Z++;Y1=Z).

.3 Контролёр 1

Рисунок 7. ОУ "Контролёр 1"

Принцип работы:

Проверяет телевизор в течение 9±3 единиц времени. По окончании проверки определятся исправен телевизор (вероятность 85%) или нет (вероятность 15%).

Входной поток:- состояние "Количество телевизоров на стеллаже"

Выходной поток:- событие "Телевизор неисправен. Отправление на наладку"- событие "Телевизор исправен. Отправление на упаковку"- событие "Начало обслуживания(проверки) телевизора"- состояние "ОУ 1 занято. Поступление телевизора на контроль"

Рисунок 8. Диаграмма состояний ОУ "Контролёр 1"

Изменение состояний:- Занятость ОУ- В начальный момент времени ОУ переходит в состояние "Свободно"

(Z=0).

- Если на вход поступает X1 длина очереди, а ОУ "Свободно", то телевизор берётся на проверку и определяется время его контроля с помощью UNIFRND(6,12)

([X1>0 && Z=0] Z=1;Y3^;Y4=Z;too = Tc + unifrnd();).

III - Когда на вход поступает X1 длина очереди, а ОУ "Занято", передаётся состояние Y4

([X1>0]:Y4=1).

- Как только телевизор проверен, то с вероятность 85 процентов он исправен и вызывается событие Y2, иначе телевизор неисправен и вызывается событие Y1

([Tc = too]: Z=0; Y4=Z; [rand(1)<0.15]:Y1^;[rand(1)>0.15]:Y2^;).

.4 Контролёр 2

Рисунок 9. ОУ "Контролёр 2"

Принцип работы:

Проверяет телевизор в течении 9±3 единиц времени. По окончании проверки определятся исправен телевизор(вероятность 85%) или нет (вероятность 15%).

Входной поток:- состояние "ОУ 1 занято. Поступление телевизора на контроль"

Выходной поток:- событие "Телевизор неисправен. Отправление на наладку"- событие "Телевизор исправен. Отправление на упаковку"- событие "Начало обслуживания(проверки) телевизора"

Рисунок 10. Диаграмма состояний ОУ "Контролёр 2"

Изменение состояний:- Занятость ОУ- В начальный момент времени ОУ переходит в состояние "Свободно".

(Z=0)

- Если на вход поступает X1, а ОУ "Свободно", то телевизор берётся на проверку и определяется время его контроля с помощью UNIFRND(6,12)

([X1>0 && Z=0] Z=1;Y3^;Y4=Z;too = Tc + unifrnd();).

- Как только телевизор проверен, то с вероятность 85 процентов он исправен и вызывается событие Y2, иначе телевизор неисправен и вызывается событие Y1

([Tc = too]: Z=0; Y4=Z; [rand(1)<0.15]:Y1^;[rand(1)>0.15]:Y2^;).

3.5 Стеллаж 2

Рисунок 11. Очередь "Стеллаж 2"

Принцип работы:

Хранит телевизоры, ожидающие освобождения одного из контролёров для прохождения проверки. На стеллаж ТВ-приемники поступают от Сборочного цеха и Наладчика.

Входной поток:- событие "Телевизор неисправен. Поступление на наладку"- событие "Начало обслуживания(наладки) телевизора"

Выходной поток:- состояние "Количество телевизоров на стеллаже 2"

Рисунок 12. Диаграмма состояний очереди "Стеллаж 2"

Изменение состояний:- Длина очереди.- В начальный момент времени количество телевизоров равно нулю очередь переходит в состояние "Не заполнена"

(Z=0;Y1=Z).

- Поступление события X2 означает, что телевизор был взят на наладку, поэтому уменьшается количество телевизоров на стеллаже, а очередь переходит в состояние "Не заполнена"

(X1^:Z++;Y1=Z).

- Поступление события X1 увеличивает количество хранимых на стеллаже телевизоров на единицу, очередь переходит в состояние "Не заполнена"

(X2^:Z--;Y1=Z).

.6 Наладчик

Рисунок 13. ОУ "Наладчик"

Принцип работы:

Про телевизор в течении 30±10 единиц времени. По окончании проверки определятся телевизор отправляется на повторный контроль.

Входной поток:- состояние "Количество телевизоров на стеллаже 2"

Выходной поток:- событие "Начало обслуживания (наладки) телевизора"- событие "Телевизор починен. Отправление на контроль"

Рисунок 14. Диаграмма состояний ОУ "Наладчик"

Изменение состояний:- Занятость ОУ- В начальный момент времени ОУ переходит в состояние "Свободно"

(Z=0).

- Если на вход поступает X1, а ОУ "Свободно", то телевизор берётся на наладку и определяется время его наладки с помощью UNIFRND(20,40)

([X1>0 && Z=0]: Z=1; Y1^; too = Tc+unifrnd()).

- Как только телевизор налажен, он направляется на участок контроля

([Tc = too]:Z=0; Y2^;).

 


4. Модель СМО в среде Simulink


На основе предыдущего пункта были смоделированы блоки и система в целом. Время моделирования работы системы равно одному месяцу работы при 5-ти дневной рабочей неделе с 8-ми часовом рабочем дне, т.е. 12 480 минутам.

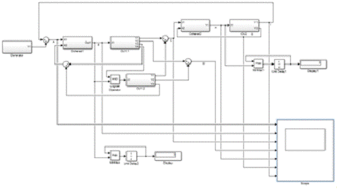
Рисунок 15. Общая модель СМО

. Генератор заявок "Сборочный цех" -- GEN.

. Очередь "Стеллаж 1" - Stellazh 1.

. Обслуживающее устройство "Контролёр 1" - Kontroler 1.

. Обслуживающее устройство "Контролёр 2" - Kontroler 2.

. Очередь "Стеллаж 2" - Stellazh 2.

. Обслуживающее устройство "Наладчик" - Naladchik.

Основные события происходящие в системе:- событие "Поступление телевизора в систему",- состояние "Количество телевизоров на стеллаже контроля",- событие "Телевизор исправен. Отправление на упаковку",- событие "Телевизор неисправен. Отправление на наладку",- состояние " Количество телевизоров на стеллаже наладки",- событие "Телевизор отремонтирован. Отправление на контроль".

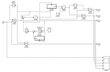
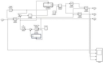
Рисунок 16. Проверка работы модели технического контроля

 


5. Функционирование блоков системы в среде Simulink


.1 Генератор заявок

Рисунок 17. Модель генератора заявок

Внутри блока random расположен блок подающий на выход функцию unifrnd(3,7).

Выходы:- Поступление заявки в систему.

Рисунок 18.Проверка работы генератора заявок

.2 Стеллаж 1

Рисунок 19. Модель очереди "Стеллаж 1"

Входы:- Поступление заявки в очередь.- Уход заявки из очереди - отправление на контроль.

Выходы:- Длина очереди.

Рисунок 20. Проверка работы модели очереди "Стеллаж 1"

.3 Контролер 1

Рисунок 21. Модель ОУ "Контролер 1"

Внутри блока random расположен блок подающий на выход функцию unifrnd(6,12).

Внутри блока percent86 расположен блок подающий на выход функцию rand(1).

Входы:- Длина очереди.

Выходы:- Отправление телевизора на наладку- Отправление телевизора на упаковку- Начало обслуживания(проверки) телевизора- ОУ 1 занято

Рисунок 22. Проверка работы модели ОУ "Контролер 1"

.4 Контролер 2

Рисунок 23. Модель ОУ "Контролер 2"

Внутри блока random расположен блок подающий на выход функцию unifrnd(6,12).

Внутри блока percent86 расположен блок подающий на выход функцию rand(1).

Входы:- ОУ 1 занято

Выходы:- Отправление телевизора на наладку- Отправление телевизора на упаковку- Начало обслуживания (проверки) телевизора

Рисунок 24. Проверка работы модели ОУ "Контролер 2"

.5 Стеллаж 2

Рисунок 25. Модель очереди "Стеллаж 2"

Входы:- Поступление заявки в очередь.- Уход заявки из очереди - отправление на наладку.

Выходы:- Длина очереди.

Рисунок 26. Проверка работы модели очереди "Стеллаж 2"

.6 Наладчик

Рисунок 27. Модель ОУ "Наладчик"

Внутри блока random расположен блок подающий на выход функцию unifrnd(20,40).

Входы:- Длина очереди

Выходы:- Отправление телевизора на участок контроля- Начало обслуживания(наладки) телевизора

Рисунок 28. Проверка работы модели ОУ "Наладчик"

 


6. Серия экспериментов

моделирование стеллаж место имитационный

Для определения числа мест на стеллажах контроля и наладки проведём серию из 10 экспериментов. Время моделирования возьмём равным 12 480 минутам. Остальные данные о блоках можно найти в разделе "Описание отдельных блоков подлежащих моделированию".

Таблица 1. Серия экспериментов модели технического контроля

Номер эксперимента

Максимальная длина очереди на стеллаже 1

Максимальная длина очереди на стеллаже 2

1

7

8

2

4

6

3

5

4

7

15

5

4

10

6

8

4

7

6

5

8

8

10

9

4

5

10

8

8


По результатам серии экспериментов количество мест на стеллаже перед станцией контроля определим равным 8 местам, а перед станцией наладки 15 местам.

 


Заключение


После моделирования системы и в результате проведения серии экспериментов было определено число мест на стеллажах: 8 мест - Стеллаж 1, 15 мест - Стеллаж 2. Полученные данные можно использовать в дальнейшем, для оптимизации процессов протекающих в системе.

Список литературы


1. В.М. Кокин. Моделирование систем: Учеб. пособие.- Иваново: ИГЭУ, 2002. - 116 с.

Похожие работы на - Построение модели системы определения мест на стеллаже

 

Не нашли материал для своей работы?
Поможем написать уникальную работу
Без плагиата!
Без нейросетей!