Четырёхразрядный двоичный счётчик

  • Вид работы:
    Контрольная работа
  • Предмет:
    Информационное обеспечение, программирование
  • Язык:
    Русский
    ,
    Формат файла:
    MS Word
    853,65 Кб
  • Опубликовано:
    2014-10-13
Вы можете узнать стоимость помощи в написании студенческой работы.
Помощь в написании работы, которую точно примут!

Четырёхразрядный двоичный счётчик














КУРСОВАЯ РАБОТА

по дисциплине «Схемотехника ЭВМ»

Тема проекта: «Четырёхразрядный двоичный счётчик»

1. Техническое задание. Синтезировать электрическую принципиальную схему двоичного четырёхразрядного счётчика, функциональная схема которого представлена на рис. 1.

Рис.1 Функциональная схема двоичного четырёх разрядного счётчика

Требования:

1.   Формирование импульсной последовательности осуществляется как вручную (кнопочным переключателем) так и с использованием генератора импульсов с частотой F=1+(0,T№ варианта),Гц. В формирователе импульсов предусмотреть схему защиты от дребезга механических контактов..

2.   В двоичном 4-х разрядном счётчике предусмотреть возможность установки его разрядов в '0', то есть предусмотреть сброс.

3.   Узел индикации выполнить с использованием светодиодов (возможен также вариант индикации с использованием 7-сегментных индикаторов)

Содержание

Введение

Постановка и анализ задачи. Выбор технических средств

Описание работы счётчика

Заключение

Список использованной литературы

Введение

Счетчиками называют устройства для подсчёта числа поступивших на их вход импульсов (команд), запоминания и хранения результата счёта и выдачи этого результата. Основным параметром счётчика является модуль счёта(емкость) Кс. Эта величина равна числу устойчивых состояний счётчика. После поступления импульсов Кс счётчик возвращается в исходное состояние.

Счётчики используются для построения таймеров или для выборки инструкций из ПЗУ в микропроцессорах. Они могут использоваться как делители частоты в управляемых генераторах частоты (синтезаторах). При использовании в цепи ФАП счётчики могут быть использованы для умножения частоты как в синтезаторах, так и в микропроцессорах.

Счетчики можно классифицировать:

1.По основанию системы - двоичные и десятичные.

2.По способу организации счета - асинхронные и синхронные.

3.По направлению переходов - суммирующие, вычитающие, реверсивные.

4. По способу построения цепей сигналов переноса - с последовательным, сквозным, групповым и частично - групповым переносом.

В суммирующем счётчике приход каждого входного импульса увеличивает результат счёта на единицу, в вычитающем - уменьшает на единицу; в реверсивных счётчиках может происходить как суммирование, так и вычитание.

. Постановка и анализ задачи. Выбор технических средств

1. Формирование импульсной последовательности осуществляется как вручную (кнопочным переключателем) так и с использованием генератора импульсов с частотой

В формирователе импульсов предусмотреть схему защиты от дребезга механических контактов.

2.   В двоичном 4-х разрядном счётчике предусмотреть возможность установки его разрядов в 'О', то есть предусмотреть сброс.

3.   Узел индикации выполнить с использованием светодиодов (возможен также вариант индикации с использованием 7 сегментных индикаторов).

В задании на курсовую работу к разрабатываемой схеме счётчика не предъявляется каких либо особых требований ни по габаритам, ни по другим техническим требованиям.


В качестве источника импульсных сигналов выбрана схема генератора прямоугольных импульсов (Рис.1), на основе отечественной микросхемы К561ЛЕ5.

Схема обладает следующими характеристиками:

Таблица 1. Параметры генератора прямоугольных импульсов

Экспериментальная

Нижняя граница

Высшая частота

Скважность

формула

R1,kOm

генерации, МГц

выходных




импульсов

1

2

2

 





Микросхемы представляют собой четыре логических элемента 2ИЛИ-НЕ Содержат 49 интегральных элементов. Рабочее напряжение +5В.

Исходя из варианта (№14), представленная схема должна генерировать импульсы частотой F = 2,4 Гц. Для этого необходимо подобрать номиналы конденсатора С1 и резистора R1. Из предоставленной таблицы 1 было взято минимальное значение сопротивления резистора R1 = 1кОм.

В экспериментальной формуле для расчёта частоты (см. табл.1) используются следующие единицы измерения: F-Гц, Rl-Ом, С1-Ф.

Найдём по экспериментальной формуле ёмкость конденсатора С1:

Выбираем ближайшее значение по номиналу равное 200 мкФ

Дребезг контактов - это явление многократного неконтролируемого замыкания и размыкания контактов в моменты их контактирования (замыкания и размыкания). Это явление приводит к формированию нескольких импульсов (вместо требуемого одиночного импульса или перепада напряжения), могущих вызвать многократное непредсказуемое срабатывание схемы цифрового устройства.

Причины возникновения дребезга:

/ первая связана с механической конструкцией кнопки, которая не позволяет надежно за короткое время зафиксировать контакт; S вторая связана с самим контактом, который покрыт тончайшим слоем оксида, не проводящим электричество. В момент замыкания происходит ионизация промежутка и возникает дуга, спекающая контакты вместе.

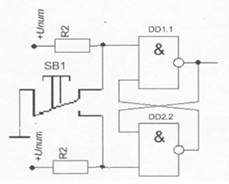
Схема защиты от дребезга организована на основе RS-триггера (интегральная микросхема К155ЛАЗ).

RS-триггер - триггер, который сохраняет своё предыдущее состояние при нулевых входах. При подаче логического нуля на вход S (Set - установить) выходное состояние становится равным логической единице. А при подаче логического нуля на вход R (Reset -сбросить) выходное состояние становится равным логическому нулю.

Рис. 3 Условное графическое обозначение и реализация в виде МС RS- триггера

Состояние RS-триггера при поступлении сигналов на его входы можно проанализировать посредством таблицы 2.

Таблица.2 Таблица истинности RS-триггера

R

s


Q(t+i)

Пояснения

0

0

*

R=S=0 запрещённый режим

1

0

о

l

Режим установки в единицу S=l

0

1

1

0

Режим сброса в ноль R=l

1

1

0

0

R=S=1 режим хранения


Для реализации RS-триггера воспользуемся логическими элементами "2И-НЕ". Данная микросхема содержат 56 интегральных элементов. Принципиальная схема и расположение выводов приведены на рисунке 4.


Схема защиты от дребезга выглядит следующим образом (см. рис.5):

Рисунок 5. Схема защиты от дребезга с кнопочным генератором импульсов

На оба входа RS-триггера через токоограничивающие резисторы подведено напряжение питания для поддержания логической единицы, когда SA1 не подключен к соответствующему входу.

При замыкании и размыкании ключа в следующий момент времени происходит переход с одного контакта на другой, при котором образуется дребезг, в следствие чего на входы RS- триггера поступает не один, а несколько импульсов ('0' и 1').

Любой дребезг это причина того, что за короткое время происходит множество замыканий и размыканий подвижного контакта с неподвижным.

У RS- триггера по его конструктивным особенностям активный уровень равен '0' и на логическую Т реагировать не будет, следовательно, при возникновении дребезга триггером будет замечен только один логический ноль. Используя это свойство и организуем защиту от дребезга.


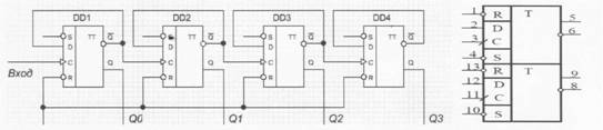
Развёрнутая схема четырёхразрядного двоичного счётчика выглядит следующим образом:

Данный счётчик реализован на 2-х микросхемах К155ТМ2, содержащих по 2 D-триггера. В состав этой микросхемы входит 70 интегральных элементов.

Назначение выводов:

1 - инверсный вход установки в 60' R1,    8 -инверсный выход Q2,

2 - вход D1,                               9 - выход Q2;

3 - вход синхронизации С1,     10 - инверсный вход установки «1» S2,

4 - инверсный вход установки «1» S1;     11 -вход синхронизации С2,

5 - выход Q1;                            12 - вход D2;

6 - инверсный выход 01;          13 - инверсный вход установки в 'О' R2,

7 - общий;                                 14 -напряжение питания

Схематически счётчик представляет собой несколько Т-триггеров построенных на основе D-триггеров.

Данная схема счётчика, позволяет посчитать не больше пятнадцати импульсов. Количество поступивших на вход импульсов можно узнать, подключившись к выходам счётчика Q0 ... Q3. Это число будет представляться в двоичном коде.


Работу схемы двоичного четырёхразрядного счётчика можно проанализировать, воспользовавшись временными диаграммами сигналов на входе и выходах этой схемы (рис.7).

Описание работы счётчика

счётчик двоичный импульс генератор

Триггеры данного счетчика срабатывают по переднему фронту счетного импульса. Вход старшего разряда счетчика связан с прямым выходом (Q) младшего соседнего разряда.

В начальный момент времени состояния всех триггеров равны лог.0, после кратковременного нажатия на кнопку SB1 (сброс счётчика). Общее состояние счетчика можно охарактеризовать двоичным числом (0000). После прихода первого импульса 0-ой разряд (Qo) счётчика переходит в состояние равное лог.1. На входе С микросхемы DD 3.1 (см. рис.9) появляется передний фронт счетного импульса. Состояние счетчика (0001). После прихода на вход счетчика второго импульса Qo переключается в противоположное состояние равное лог.0, на входе 1-разряда появляется лог.1. и общее состояние счетчика будет равно (0010) и т.д. Таким образом, счетчик накапливает число входных импульсов, поступающих на его вход.

Продолжая анализировать временную диаграмму, можно определить, что на выходах приведённой схемы счётчика последовательно появляются цифры от 0 до 15. Эти цифры записаны в двоичном виде (табл.3).

При поступлении 16-го импульса на его вход счетчик возвращается в исходное состояние (0000), коэффициент счета данного счетчика равен 16.

При поступлении на счётный вход счётчика очередного импульса, содержимое его разряда увеличивается на 1. Поэтому такие счётчики стали называть суммирующими.

Таблица 3

Q3

Q2

Ql

GO

0

0

0

0

0

1

0

0

0

1

2

0

0

1

3

0

0

1

1

4

0

1

0

0

5

0

1

0

1

6

0

1

1

0

7

0

1

1

1

8

1

0

0

0

9

1

0

0

1

 

10

1

0

1

0

 

11

1

0

1

1

 

12

1

1

0

0

 

13

1

1

0

1

 

14

1

1

1

0

 

15

1

1

1

1

 

16

0

0

0

0

0

0

0

1

 


Блок индикации

Для отображения результата счёта были использованы светодиоды рисунок 8.

Выбранные светодиоды (HL1- HL4) необходимо включать с токоограничивающими резисторами т.к. номинальный ток них не должен превышать 20мА, то сопротивление резисторов необходимо выбрать исходя из , следовательно должно быть не меньше 250 Ом.

Выберем сопротивления этих резисторов равным 330 Ом с номинальной мощностью О,125 Вт (т.к. P=U*I=5B*20mA=0,125 Вт).

Полная электрическая принципиальная схема четырёхразрядного двоичного счётчика приведена на рисунке 9.

Электрическая схема будут иметь следующий вид:

































Все работы по конструированию, размещению и трассировке печатной платы выполнены на ЭВМ с использованием системы автоматизированного проектирования Sprint Layout. Чертёж печатной платы представлен на рисунке10.

 

Заключение

В ходе выполнения курсовой работы была разработана электрическая принципиальная, монтажная, структурные схемы четырёх разрядного двоичного счётчика. Был осуществлен выбор соответствующей элементной базы с заданными характеристиками и номиналом.

С помощью системы Sprint Layout был разработан монтажный чертёж печатной платы, на которой реализован счётчик. Разработанная схема полностью соответствующее техническим требованиям и способна вести подсчёт с шагом +1 отображая текущее состояние счётчика посредством светодиодной индикации в двоичном представлении.

Кроме того, были получены фотошаблоны печатного монтажа как лицевой, так и оборотной сторон этой печатной платы. Отдельное внимание уделялось и оптимальному размещение элементов на печатной плате.

В результате курсового проектирования были закреплены навыки, полученные в курсе изучения «Схемотехники ЭВМ».

Список использованной литературы

1.   Методическое руководство к лабораторной работе №4 Схемотехника. МИКТ

2.   Лэнди, Р. / Справочник радиоинженера / Дэвис, Д. / Справочник радиоинженера // «ГЭИ», Москва - 2009;

3.   Смирении, Б.А. / Справочник по радиотехнике // «ГЭИ», Москва - 2010;

4.   В.Л. Шило, «Справочник по интегральным схемам» 2007.


Не нашли материал для своей работы?
Поможем написать уникальную работу
Без плагиата!
Без нейросетей!