|
Датчик угла Rα Ом
|
Ток ~Iп1,А
|
Напряжение Uп1, В
|
Граничная
частота спектра FГР, Гц
|
|
|
510
|
800
|
380
|
1
|
|
|
Погрешность
датчиков
|
Дрейф нуля VОУi, мкВ/град
|
Диапазон температуры
∆t°, град
|
Число разрядов
АЦП, n
|
Погрешность
интерполяции мкЭВМ δинтерп
|
|
0,001
|
5
|
100
|
8
|
0,008
|
Дата выдачи задания"___" _____________ 2014
г.
Руководител Сильвашко С.А.
Исполнитель
студент группы З-09ПЭ Ахмеров С.Н.
Срок
защиты работы"_____" ___________2014 г.
Содержание
Задание на курсовую работу
1. Структурное проектирование
2. Функциональное проектирование
2.1 Расчет функциональных узлов
2.2 Расчет параметров функциональных элементов
3. Определение погрешностей каналов ввода сигналов
Список использованных источников
Приложения
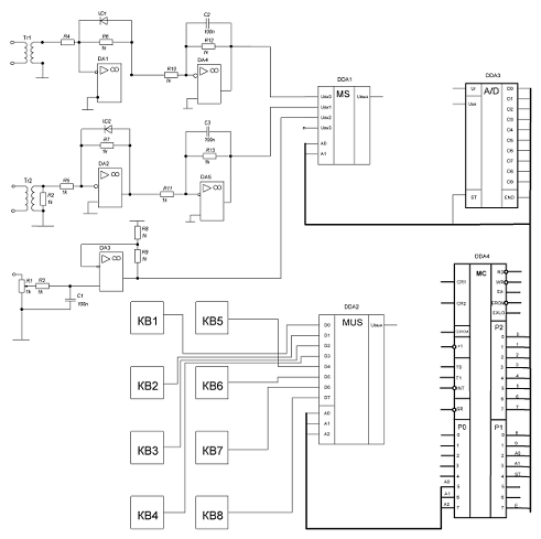
1.
Структурное проектирование
Рис. 1. Структурная схема ИВС
Структурная схема ИВС построена исходя из следующих принятых
решений.
) Для ввода трёх различных видов аналоговой информации
необходим аналоговый мультиплексор с числом коммутируемых каналов k=3. Тогда число m разрядов адреса Aiдля выбора одного из
каналов вычисляется по формуле
,
откуда m=2.
) Для ввода цифровых сигналов с концевых датчиков необходим
цифровой мультиплексор.
) Сигнал нужно выпрямить, для этого используем выпрямитель.
) Нам нужно усилить сигнал до нужного рабочего параметра, для этого
используем усилители.
) Что бы снимать качественный сигнал его еще нужно отфильтровать.
Для этого мы используем фильтр низких частот.
) Что бы контролировать и управлять процессом берем
микроконтроллер
2.
Функциональное проектирование
2.1 Расчет функциональных
узлов
а) Для съема параметра угла используем стандартную схему
включения резистивного датчика Rα с использованием
эталонного источника напряжения Ест. показанного на рисунке 2.
Рис. 2. Переменный резистор.
б) Для обеспечения помехоустойчивости в области высоких
частот поставим ФНЧ первого порядка показанного на рис.3. Включаем его между
резистивным датчиком и высокоомным входом масштабирующего усилителя.
Рис. 3. Типовой RC-фильтр первого порядка.
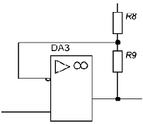
в) Для усиления сигнала используем типовой масштабирующий
усилитель с высокоомным входным сопротивлением показанного на рисунке 4.
Рис. 4. Операционный усилитель.
г) В качестве датчика переменного тока возьмем типовой
трансформатор тока с шунтирующим резистором показанного на рисунке 5.
Рис. 5. Понижающий трансформатор тока.
д) В качестве датчика напряжения будем использовать типовой
трансформатор напряжения (см. рис. 6)
Рис. 6. Понижающий трансформатор напряжения.
е) В качестве выпрямителя возьмем полупроводниковый диод (см.
рис. 7)
Рис. 7. Полупроводниковый диод.
2.2 Расчет
параметров функциональных элементов
а) Для съема параметра угла используем стандартную схему
включения резистивного датчика Rα с использованием
эталонного источника напряжения Ест. Выходное напряжение на верхней
границе шкалы UR=Ест=9В, что меньше UАЦП=10В. Включаем между
резистивным датчиком и мультиплексором масштабирующий усилитель с высокоомным
входным сопротивлением с коэффициентом передачи:
,

Следовательно, сопротивления R8, R9 должны соотносится следующим образом: R8/R9 = 1/9
(Например R8=1 кОм, R9=9 кОм).
Для обеспечения помехоустойчивости в области высоких частот
поставим ФНЧ первого порядка. Включаем его между резистивным датчиком и
высокоомным входом масштабирующего усилителя. При этом должно быть выполнено
следующее условие: RФ1>>Rα;
откуда RФ1=5,6 кОм.
Определяем СФ1:
,
СФ1
мкФ
б) Определяем для датчика переменного напряжения выходное
напряжение UТ1 (действующее значение) с трансформатора напряжения Т1:
,

В
Для выделения постоянной составляющей ставим два функциональных
элемента: нелинейный преобразователь и ФНЧ.
В качестве нелинейного преобразователя выбираем стандартную схему.
При этом выбираем сопротивление R6 таким образом
чтобы выполнялось условие: R6≥rV1*104, где rV1 -
сопротивление открытого перехода диода V1. Задамся максимальным значением выходного напряжения с
нелинейного преобразователя UНлmax=10B. Тогда коэффициент передачи по положительной огибающей.
,

(например: R6=100 кОм, R4=53,74 кОм).
В качестве фильтра выбираем ФНЧ первого порядка. Поскольку
постоянная составляющая для однополупериодного нелинейного преобразования
определяется выражением UСР=Umax/π, то для нашего варианта коэффициент КФНЧ
передачи ФНЧ будет определяться:
,

5
(например: R6=314,15 кОм, R4=100кОм). Учитывая, что граничная частота fГР=1 Гц << 50 Гц, выбираем ее в качестве частоты среза
ФНЧ, и определяем выражение для С2:
С2=
при R6=314,15 кОм:
,
С2=0,42 мкФ
в) Определим падение напряжения UТ1
(действующее значение) на шунте RШ, подключенного к выходу трансформатора
тока Т2:
,

5
Для выделения постоянной составляющей необходимы функциональные
элементы: нелинейный преобразователь и ФНЧ.
В качестве нелинейного преобразователя выбираем стандартную схему.
При этом должно выполнятся следующее условие:
где:
rVD2 - сопротивление открытого перехода диода VD2.
Зададимся максимальным значением выходного напряжения с НП:
. Тогда коэффициент передачи по
положительной огибающей:

Следовательно, сопротивления R7, R5 должны соотносится следующим образом: R7/R5 = 10/0,495
(например R8=100 кОм, R7=4,95 кОм).
В качестве фильтра, выделяющего постоянную составляющую, выбираем
стандартную схему ФНЧ первого порядка. Поскольку по всем параметрам он
адекватен предыдущему ФНЧ, то берем его со всеми полученными соотношениями по
коэффициенту передачи по частоте среза: R10 = R11, R12 = R13, C2 = C3.
3.
Определение погрешностей каналов ввода сигналов
Для оценки суммарной погрешности
необходимо определить все погрешности передаточных коэффициентов структурных
элементов СОД.
) погрешность δД для всех трех датчиков одинакова и равна: δД=0,005
) погрешность, вносимая стабилитроном
Д818Е δСТАБ, рассчитывается:
3) относительная погрешность
коэффициента передачи δМУ, вызванная дрейфом
"нуля” на входе МУ, приводящего к паразитному смещению входного сигнала, в
заданном диапазоне ∆t температур эксплуатации:
δМУi=VМУi*∆t/UДimax
Погрешностями ОУ DA1
пренебрегаем, т.к. на его входе действует напряжение, близкое к 10В, и ошибка,
вносимая дрейфом нуля ОУ, приведенная к этому напряжению, пренебрежимо мала.
) Определим погрешность АЦП, которая (будем считать) заключается
только в погрешности квантования δКВ:
) Определим среднеквадратическую δ∑ и предельную δ∑пр погрешности для каждого канала
модуля ИУВС с учетом полученных выше погрешностей, а также заданной погрешности
интерполяции δинтер,
обусловленной преобразованием в микроЭВМ выборок дискретизированных входных
аналоговых сигналов в аналитические функции времени:

сигнал передача нелинейный преобразователь
Список
использованных источников
1.
Булатов В.Н. Элементы и узлы информационных и управляющих систем (Основы теории
синтеза): Учебное пособие. - Оренбург: ГОУ ВПО ОГУ, 2003. - 200 с.
.
Алексенко А.Г., Шагурин И.И. Микросхемотехника: Учеб. пособие для вузов. - 2-е
изд. - М.: Радио и связь, 1990. - 496 с.
Приложения
Приложение А
Схема электрическая функциональная