Моделирование движения иглы в замке вязального механизма

  • Вид работы:
    Курсовая работа (т)
  • Предмет:
    Информационное обеспечение, программирование
  • Язык:
    Русский
    ,
    Формат файла:
    MS Word
    959,04 Кб
  • Опубликовано:
    2015-05-14
Вы можете узнать стоимость помощи в написании студенческой работы.
Помощь в написании работы, которую точно примут!

Моделирование движения иглы в замке вязального механизма



КУРСОВАЯ РАБОТА

по дисциплине «Математические модели механизмов машин и моделирование на ЭВМ»

«Моделирование движения иглы в замке вязального механизма»

Содержание

Введение

.   Динамическая модель движения иглы в замке вязального механизма

2.      Математическая модель движения иглы в замке вязального механизма

.        Синтез закона движения иглы

.        Математическое моделирование движения иглы

Описание графиков

Заключение

Список использованных источников

Приложения

Введение

Внимание, последнее время уделяемое трикотажной промышленности и трикотажному машиностроению объясняется тем, что трикотажные изделия пользуются большим спросом населения из-за удобства носки, гигиеничности и красоте внешнего вида. Помимо этого, трикотажные станки обладают производительностью в несколько раз больше, чем ткацкие станки. Существует несколько типов станков по конструктивным признакам.

В данной работе будем рассматривать вязальный механизм однофонтурной машины с язычковыми иглами, подвижными относительно игольницы. У этой машины есть одна игольница, она поперечновязальная из-за кулирной формы клина. Элементы кругловязальной трикотажной машины, осуществляющей вязание, образуют ее вязальный механизм. Такие машины предназначены для выпуска полотна для бельевого и верхнего трикотажа.

Для данной работы следует рассмотреть задачу моделирования движения игл по поверхности клиньев игольных замков кругловязальной трикотажной машины.

При проектировании кругловязальных машин особое внимание приходится уделять устройству этих замков, представляющих собой, по сути, кулачковые механизмы, в которых роль толкателя играют сами иглы или платины, а кулачки из-за их формы называют соответственно клиньями игольных или платинных замков.

Как показывает практика, иглы и клинья игольных замков работают в наиболее тяжелых условиях. Поскольку, скорость движения игл имеет тенденцию к возрастанию, важным становится вопрос о снижении вибрации игл в процессе движения по клиньям. На вибрацию игл оказывают влияние следующие факторы: профиль клиньев, зазоры в паре игла-клин, материал клина.

Целью курсовой работы является разработка алгоритмического и программного обеспечения для математического моделирования движения иглы по поверхности игольного замка кругловязальной трикотажной машины с заданной формой игольного замка.

В процессе работы изучается конструкция и работа вязального механизма однофонтурной кругловязальной машины, динамическая и математическая модели движения иглы в замке вязального механизма. Затем выполняется синтез профиля клиньев игольного замка вязального механизма. Для дальнейшего изучения разрабатывается алгоритмическое и программное обеспечение для моделирования законов движения иглы в замке вязального механизма, выполняется математическое моделирование движения иглы. По результатам математического моделирования движения иглы в замке вязального механизма анализируется характер взаимодействия иглы и клина и даются соответствующие инженерные рекомендации.

1. Динамическая модель движения иглы в замке вязального механизма

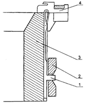
Рассмотрим вязальный механизм однофонтурной кругловязальной машины с язычковыми иглами, подвижными относительно игольницы. Процесс петлеобразования на такой машине осуществляется путем взаимодействия игл 1 и платин 4, в соответствии с рисунком 3. Иглы 1 расположены в пазах цилиндра 3 и вращаются вместе с ним, одновременно получая вертикальное движение от неподвижных клиньев 2 игольных замков. Платины расположены в пазах платинного кольца, которое вращается синхронно с игольным цилиндром, и получают горизонтальные радиальные перемещения от соответствующих клиньев платинных замков (на рисунке не показаны).

Рисунок 3 - Упрощенное изображение вязального механизма однофонтурной вязальной машины

Каждый отдельный замок 2 состоит из двух клиньев: заключающего и кулирного. Заключающий клин обеспечивает подъем игл, а кулирный - их опускание. Во время подъема иглы по заключающему клину уже образованная (старая) петля проходит из-под крючка иглы,открывая собой язычок, на стержень иглы. После этого возможно осуществление всех последующих моментов процесса петлеобразования - от прокладывания нити до кулирования и формования петли [2].

В дальнейшем продолжим рассмотрение только механизма перемещения игл, изображенного на рисунке 4, составными частями которого являются игла и система клиньев. При анализе данного механизма удобно использовать принцип обращенного движения: вращающийся игольный цилиндр условно останавливается, а клин получает движение в противоположном направлении. По принципу действия клинья игольных замков кругловязальной машины и илы фактически образуют пространственные механизмы с вращающимися вокруг вертикальной оси торцовыми кулачками (рис. 3). Но если развернуть клинья на плоскости, то они могут рассматриваться как плоские кулачки. Таким образом, пренебрегая кривизной клиньев, будем считать механизм перемещения игл плоским кулачковым механизмом с поступательно движущимися кулачками (клиньями), где толкателем является сама игла.

Рисунок 4 - Взаимодействие иглы и заключающего клина

Основными факторами, влияющими на надежность и долговечность вязального механизма, являются динамические нагрузки, возникающие в зоне взаимодействия игл с клиньями игольных замков. Одним из методов снижения динамических нагрузок является разработка рационального профиля клина, обеспечивающего безударное перемещение игл. Вместе с тем, важную роль играет выбор оптимальной величины зазора между пяткой иглы и стенкой замкового канала. Указанные параметры являются определяющими при проектировании вязального механизма. Для их выбора необходимо составить динамическую и математические модели движения иглы в пространстве. В дальнейшем путем моделирования движения иглы по клину с помощью ЭВМ выберем профиль клина, а также величины зазоров между пяткой иглы и стенками замкового канала.

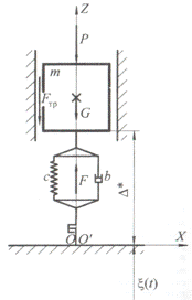
Будем считать, что динамическая модель [2] движения иглы по заключающему клину имеет вид, представленный на рисунке 5. Во время движения иглы ее пятка входит в канал игольного замка. Канал игольного замка образуют заключающий и кулирный клинья. На динамической модели взаимодействие между пяткой иглы и клиньями замка учтено упругим элементом типа «люфт». Введем неподвижную систему координат OXZ. Будем использовать принцип обращенного движения, в котором игла движется вдоль оси OZ, а клин движется вдоль оси OX. Пренебрегая поворотами иглы в пазу игольницы относительно оси OX, будем считать, что игла перемещается лишь вертикально, и характеризовать ее положение координатой z (перемещение по оси OZ центра масс иглы - точки O1). Примем поверхность клиньев в виде задаваемой из технологических соображений функции положения ξ(t) ( перемещение точки О вдоль оси OZ, совпадающей с осью иглы при обращенном движении). Тогда

 

z=ξ(t)+Δ*,                                                                                               (1)

где ξ(t) - функция положения (закона движения), характеризующая рабочую поверхность клиньев игольного замка;

Δ* - длина пружины с учетом элемента «люфт»;

m - игла (тонкий стержень, в котором сосредоточена вся масса);

с - упругий элемент (характеризует взаимодействие пятки иглы с клином);

b - демпфирующий элемент (учитывает взаимодействие иглы с клином).

Предположим, что на иглу, в основном, оказывают влияние следующие силы:

F - сила, действующая на иглу со стороны клиньев игольного замка;

Fтр - сила трения, возникающая придвижении иглы в пазу игольницы;

Р - сила технологического сопротивления, действующего на иглу со стороны старой петли;

G - сила тяжести иглы.

Рисунок 5 - динамическая модель

 

2. Математическая модель движения иглы в замке вязального механизма

Перейдем к составлению математической модели рассматриваемой системы по выбранной модели, изображенной на рисунке 5. Для этой цели удобно воспользоваться уравнением Лагранжа ΙΙ рода [3] в форме

, (2)

где Т - кинетическая энергия иглы; Qz - активная сила, действующая на иглу вдоль обобщенной координаты z.

Нетрудно показать, что

, (3)

где m - масса иглы.

Элементарная работа δА активных сил на возможных перемещениях может быть представлена в виде

. (4)

C учетом (1) - (4) математическая модель рассматриваемой системы в установочном положении может быть записана в виде

, (5)

при t=0 Δ*(0)=0, .

Запишем аналитические выражения всех сил, входящих в правую часть уравнения (5). При рассмотрении движения пятки иглы относительно клиньев ее поверхность принята упруго-деформирующей. Таким образом, сила, действующая на иглу со стороны пружины с элементом типа «люфт» вдоль направления движения иглы, может быть принята равной

,                                                                            (6)

Δ=Δ* -Δ0,

где Δ - величина деформации пружины с учетом элемента типа «люфт»;

Δ1 - максимальная величина зазора в паре игла - клин;

Δ0 - длина пружины с учетом элемента типа «люфт» в установочном положении;

,

Δ,

где с - приведенная жестккость материала иглы, b - коэффициент демпфирования.

Будем считать, что сила трения,возникающая при движении иглы в пазу игольницы,в первом приближении имеет вид

,                                            (7)

где Fтр - амплитудное значение силы трения.


,                                                      (8)

где Р0 - усилие оттяжки.

Выражение (5) с учетом (6)-(8) представляет собой математическую модель движения иглы в замке вязального механизма.

3. Синтез закона движения иглы

Исходными данными для проектирования клина являются величины подъема (для заключающего клина) или опускания иглы (для кулирного клина) на каждом участке, а также углы наклона прямолинейных участков клиньев. Величина z1 соответствует необходимому перемещению иглы из ее нижнего положения до уровня отбойной плоскости О - О. Величина z2 соответствует необходимому перемещению иглы в момент сбрасывания. Величина z3 соответствует максимальному перемещению иглы. Угол наклона прямолинейного участка заключающего клина - ψn.

На рисунке изображена одна из возможных форм заклющего клина, имеющая три фазы движения: ускорение, с постоянной скоростью и замедленное. Криволинейная траектория клина на Ι участке обеспечивает плавный подъём иглы от нижнего положения до уровня отбойной плоскости. На ΙΙ участке перемещение с постоянной скоростью обеспечивает быстрый подъём иглы вверх. При этом угол наклона траектории прямолинейного участка клина к горизонтали должен быть выбран таким, чтобы на расширенных частях чаш язычков у рядом расположенных игл одновременно находилась только одна петля. Угол наклона прямолинейного участка ψn в рамках данной работы зафиксирован в задании. После того, как петля сошла с язычка, криволинейная траектория ΙΙΙ участка способствует плавному переходу иглы на кулирный клин

Как видно из рисунка, заключающий клин имеет центральный участок с прямолинейным профилем, сопряженный переходными криволинейными участками. В качестве криволинейных участков целесообразно проанализировать законы движения с использованием кривых 3-го и 4-го порядков. Запишем аналитические выражения функций положения.

На Ι участке, изображенном на рисунке, кривая имеет форму параболы. Закон движения для криволинейного профиля Ι участка записывается в следующем виде

 

Где λ=0, тогда закон движения примет вид:

 (9)

найдем производную по l от данного закона движения:

 (10)

В рассматриваемом случае неизвестными являются f, e, d и l. Для их определения воспользуемся граничными условиями в виде

при l=0 ;

при l=l1                   (11)

Подставив данные граничные условия (11) в формулы (9) и (10), получим

,

.

,

.

После преобразования найдем

, e=0, d,  (12)

Рассмотрим участок ΙΙ. На участке ΙΙ игла движется по прямой линии. Для прямолинейного участка ΙΙ закон движения иглы имеет вид

.                                                                  (13)

Коэффициент b1=tgβk, величина λ2=l1. На этом участке неизвестными величинами являются a и l2. Для их определения необходимо составить граничные условия

при l=l1 ;

при l=l2 .                                         (14)

Подставляя (14) в выражение (13), получим

,

.                                                       (15)

Решая (15), найдем

, .                                                                    

Таким образом, на участке ΙΙ закон имеет вид

.

Рассмотрим участок ΙΙΙ. На данном участке закон движения иглы соответствует синусоиде и может быть записан в виде

,

где .

После подстановки закон движения примет вид

,                                             

найдем производную от данного закона движения

.

Граничные условия записываются в виде

при l=l2 ;

при l=l3 .                                                                

С учетом граничных условий нетрудно получить, что

,

,

,

.                                                

На данном участке неизвестные величины r, s и l3. Найдем их, решив (20)

.

Рисунок - Форма заключающего клина

Введем полученные данные в таблицу 1.

 

4. Математическое моделирование движения иглы в замке вязального механизма на ЭВМ

Математическая модель (5) движения иглы в замке вязального механизма представляет собой нелинейное дифференциальное уравнение второго порядка.

Для решения математической модели (5), с учетом (1), (6), (7) и (8) воспользуемся численным методом Рунге-Кутта ΙV, предварительно воспользовавшись заменой

, ,

приведем (5) к каноническому виду

, (16)

при t=0 .

Для решения математической модели на ЭВМ воспользуемся системой инженерных и научных расчетов MATLAB [4] и входящей в нее функцией ode45( ), предназначенной для решения дифференциальных уравнений методом Рунге-Кутта четвертого и пятого порядка с автоматическим выбором шага интегрирования. Обращение к функции ode45( ) в программе на языке программирования системы MATLAB имеет вид

[t,Y]=ode45(@fundydt,[t0,tk],y0);

где выходные параметры:

@fundydt - имя функции, в которой вычисляются правые части системы дифференциальных уравнений, записанных в каноническом виде;

[t0,tk] - интервал времени, на котором производится инегрирование системы дифференциальных уравнений;

y0 - вектор начальных условий;

выходные параметры:

Y - выходной массив, каждая строка которого соответствует решению дифференциальных уравнений в моменты времени t.

Данная программа состоит из головного модуля и трех подпрограмм - функций ksi( ), sila( ), sysdif( ).

Блок-схема работы данной программы представлена на рисунке 7. В головном модуле происходит ввод исходных данных, решение дифференциального уравнения математической модели, расчет значений и построение графиков зависимостей .

Подпрограмма ksi( ) вычисляет зависимости  и их первой и второй передаточных функций соответственно на участках Ι, ΙΙ, ΙΙΙ по зависимостям, определенным в результате синтеза профиля клиньев замка. Длины l1, l2, l3 соответствующих участков вычисляются в головном модуле после задания исходных данных.

Подпрограмма sila( ) вычисляет значения сил F, Fтр и Р в функции времени t и обобщенных координат .

Подпрограмма sysdif( ) вычисляет правые части системы дифференциальных уравнений (16).

5. Описание графиков

По результатам работы программы, представленной в «Приложении Д», были представлены графики положения, сил и деформаций иглы в замке вязального механизма.

На рисунке 1 представлены графики функции положения, первой и второй передаточной функций. Данные графики описывают зависимость перемещения, скорости и ускорения от длины участка.

Первый график представляет собой функцию положения . Единицы измерения на данном графике для длины L и перемещения ξ - м. Движение начинается из точки z=0 м и заканчивается в точке z=0,014. На Ι участке закон движения - парабола, на ΙΙ - прямая, на ΙΙΙ - синусоида. Стыки между Ι и ΙΙ, ΙΙ и ΙΙΙ участками плавные, скачков нет.

Второй график - это первая передаточная функция  или скорость. На данном графике единицы измерения скорости - м/с, длины - м. Движение начинается из точки со значением 0. Ι участок: прямая, скорость изменяется по линейному закону от 0 до 0,8. Переход на второй участок излом. На ΙΙ участке прямая, что означает что скорость постоянная. Переход на третий участок плавный. На ΙΙΙ участке - косинусоида. Скорость меняется по закону косинусоиды от 0,8 до 0.

Третий график - вторая передаточная функция или ускорение.

На участке Ι прямая. Ускорение постоянное и равно 160 м/с2. Переход на второй участок - скачёк. ΙΙ участок прямая. Ускорение равно 0. Переход на третий участок - скачёк. На ΙΙΙ участке изображена синусоида. Максимальное ускорение на данном участке равно -160 м/с2.

Стык между Ι и ΙΙ, ΙΙ и ΙΙΙ участками в виде излома. Это свидетельствует о мягком ударе.

 

Рисунок 1 - графики функции положения, первой и второй передаточной функций

На рисунке 2 изображены графики затухающих гармонических колебаний, представляющих собой деформацию Δ, ее скорость Δ′ и ускорение Δ′′. игла вязальный механизм движение

На первом графике деформация начинается из точки 0 до -0,4*10-4 м, с максимальной амплитудой равной 0,7*10-4. Затем переходит в затухающие гармонические колебания.

На втором графике представлена скорость деформации. Из начального положения, равного 0 м, скорость деформации изменяется линейно, доходя до максимума в точке 0,11 м/с. После этого скорость изменяется в виде затухающих гармонических колебаний переходя в нулевое значение.

Ускорение деформации на третьем графике изначально колеблется между максимальным и минимальным значениями, которые равны -650 м/с2 и 800 м/с2. Это происходит за время, равное 0,0008 с, и соответствует движению в зазоре или виброудару. После этого начинаются затухающие колебания, с небольшим изломом вначале, который описывает мягкий удар.

Рисунок 2 - графики деформации

На рисунке 10 представлены графики силы трения Fтр, силы полезного сопротивления P, и силы, действующей со стороны замка на иглу. Все силы имеют размерность Н.

На первом графике сила трения колеблется от -0,21 Н до 0,21 Н. Это свидетельствует о том, что в данном месте зона зазора. Со времени t=0,0007 с сила трения постоянна и равна -0,21 Н, скорость убывает в данном случае.

Сила полезного сопротивления, представленная на втором графике, попадает в зазор и колеблется там от -0,1 Н до 0,1 Н. При значении времени t=0,0003 с сила сопротивления становится постоянной и равной -0,1 Н.

На третьем графике сила действовет по гармоническому закону затухающих колебаний. С максимальной амплитудой от 0 до 0,25.

ΙΙ и ΙΙΙ участок - зеркальное отображение графика деформации

Рисунок 3 - графики сил

При увеличении усилия полезного сопротивления в два раза происходят изменения предоставленные на следующем графике


При увеличение Силы в 2 раза произошли изменения на графике ускорения деформации. Максимальная амплитуда увеличилась в 0,8 раз и колебаний до полной остановки стало больше.

Заключение

В курсовой работе была построена динамическая модель иглы в замке механизма. С помощью нее были определены все силы, действующие на иглу. Затем была сформирована математическая модель движения иглы в замке вязального механизма, по которой был выполнен закон синтеза по варианту задания номер 23, представленного в таблице 3 [5]. Для анализа движения были построены графики. По ним были проанализированы все величины перемещений, деформаций и сил.

К замкам вязального механизма с подвижными иглами предъявляется одно из важных требований: конструкция замков должна быть надежна в эксплуатации, должна обеспечивать длительную работу машины без перебоев.

Сравнив графики на рисунках 1, 2, 3 и 4, стало ясно, что повышая усилие полезного сопротивления повышается амплитуда и уменьшается период. Увеличении амплитуды приводит к более жёстком процессу петлеобразования. Следовательно лучше уменьшать усилие полезного сопротивления. Сделать это можно улучшив обработку иглы, либо смазать нить.

Список использованных источников

1. Антонов, Г.К., Антонов, А.Г. Ремонт и обслуживание отечественных и зарубежных ручных трикотажных машин/ Г.К. Антонов, А.Г. Антонов. - М.; Л.: Легпромбытиздат, 2010. -144 с.

2.      Гарбарук, В. Н. Проектирование трикотажных машин/ В. Н. Гарбарук. - М.; Л.: Машиностроение, 1980. -472 с.

3.      Вульфсон, И. И. Динамические расчеты цикловых механизмов / И. И. Вульфсон. - Л.: Машиностроение, 2009. -328 с.

4.      Поршнев, С. В. MATLAB 7. Основы работы и программирования: учебник / С. В. Поршнев. -М.: ООО «Бином-Пресс», 2012.

5.      Анашкина, Е. В, Бабкина Н. М., Беспалова И. М., Мазин Л. С., Марковец А. В. Методические указания по выполнению курсовой работы по дисциплине «Математические модели механизмов машин и моделирование на ЭВМ»/ Е. В Анашкина, Н. М. Бабкина, И. М. Беспалова, Л. С. Мазин, А. В. Марковец. Отпечатано в типографии СПБГУТД, -28 с.

Приложение А

Блок-схема головного модуля


Приложение Б

Блок-схема подпрограммы вычисления зависимости ksi(L) и ее первой и второй передаточной функции

Приложение В

Блок-схема подпрограммы вычисления сил, действующих в модели


Приложение Г

Блок-схема подпрограммы вычисления правых частей системы дифференциальных уравнений


Приложение Д

Программа моделирования динамики иглы в замке вязального механизма на языке программирования системы MATLAB

igla_okr

% IGLA_OKR - программа моделирования движения иглы по заключающему клину.

% Первый участок - парабола

% Второй участок - прямая

% Третий участок - синусоида

% Глобальные переменные программы

global c b dlt1 m Ft0 P0 g v mub1 z1 z2 z3L1 L2 L3

% Параметры участков клина= 2.23e-03;

z2 = 7.00e-03;= 14.04e-03;= 50;= tan(Bt*pi/180);

% Параметры динамической модели= 1e+04

psi = 0.6;= 0.24e-03;= 0.713e-03;= 0.24;= 0.1;= 9.81;= 0.7;= sqrt(c/m);= c*psi/(2*pi*w);= 100000;

% Определение законов движения по участкам

% Первй участок - парабола= 2*z1/b1;

% Второй участок - прямая= L1 + z2/b1;

% Задание интервала интегрирования= 0; tk = L3/v;

% Начальные условия= [0, 0];

% Интегрирование дифференциального уравнения математической модели

[t,y1] = ode45(@sysdif, [t0, tk], y0);

% Транспонирование массива времени= t';

% Выделение из двумерного массива y1 массивос dlt (деформация) и vdlt

% (скорость деформации в зазоре)= y1(:,1)';= y1(:,2)';

% Вычисление сил, действующих в зазоре игла-клин и ускорения деформации для

% построения графиковk=1:length(t)

L(k) = t(k)*v;

[y(k), vy(k), wy(k)] = ksi(L(k));

[F(k), Ft(k), P(k)] = sila(t(k), dlt(k), vdlt(k));(k) = (F(k)-Ft(k)-P(k)-m*g-m*v*v*wy(k))/m;

end;

% Построение графиков законов движения иглы

figure(1)(311); plot(L, y, '-k', 'LineWidth', 2);on, xlabel('L, m'), ylabel('\xi, m');(312); plot(L, vy*v, '-k', 'LineWidth', 2);on, xlabel('L, m'), ylabel('\xi\prime, m/c');(313); plot(L, wy*v^2, '-k', 'LineWidth', 2);on, xlabel('L, m'), ylabel('\xi\prime\prime, m/c^2');

% Построение графиков зависимостей деформации, скорости и ускоерния

% деформации в зазоре игла-клин(2)

subplot(311), plot(t, dlt, '-k', 'LineWidth', 2), grid on('t, c'), ylabel('\Delta, m')(312), plot(t, vdlt, '-k', 'LineWidth', 2), grid on('t, c'), ylabel('\Delta\prime, m/c')(313), plot(t, wdlt, '-k', 'LineWidth', 2), grid on('t, c'), ylabel('\Delta\prime\prime, m/c^2')

% Построение графика зависимости силы в зазоре игла-клин

figure(3);(311), plot(t, Ft, '-k', 'LineWidth', 2), grid on('t, c'), ylabel('Ft, H')(312), plot(t, P, '-k', 'LineWidth', 2), grid on('t, c'), ylabel('P, H')(313), plot(t, F, '-k', 'LineWidth', 2), grid on('t, c'), ylabel('F, H')

%=========================================================================

% ПОДПРОГРАММЫ

%=========================================================================

% Подпрограмма вычисления зависимости ksi(L) и ее первой и второй

% передаточных функций[y, vy, wy] = ksi(L)

% Описание глобальных параметровL1 L2 L3 R1 R2 b1 z1 z2 z3

% Перебор участковL <= L1

% Первый участок

y = b1^2*L^2/(4*z1);= b1^2*L/(2*z1);= b1^2/(2*z1); L >= L2

% Если движение на третьем участке

y = z3+(z3-z2-z1)*((L-L3)/(L3-L2)-1/pi*sin(pi*(L-L3)/(L3-L2)));= (z3-z2-z1)/(L3-L2)*(1-cos(pi*(L-L3)/(L3-L2)));= (z3-z2-z1)*(pi/(L3-L2)^2)*sin(pi*(L-L3)/(L3-L2));

else

% Если движение на втором участке

y = z1 + b1*(L-L1);= b1;= 0;

% -----------------------------------------------------

% Подпрограмма вычисления сил, действующих в модели

function [F, Ft, P] = sila(t, dlt, vdlt)

% Описание глобальных параметровc b dlt1 m Ft0 P0 g v mu

% Вычисление силы F(dlt<0)

F=-c*dlt-b*vdlt;(dlt>=0 & dlt<=dlt1)=0.0;=-c*(dlt-dlt1)-b*vdlt;

end

% Вычисление внешнего кинематического воздействия= v*t;

[y, vy, wy] = ksi(L);= v*vy + vdlt;

% Вычисление зависимости изменения знака vx= sign(vx);

zn = k*(1-exp(-k*mu*vx));

% Сила трения= Ft0*zn;

% Сила полезного сопротивления= P0*zn;

% -----------------------------------------------------

% Подпрограмма вычисления правых частей системы дифференциальных уравнений

function dzdt = sysdif(t, z)

% Описание глобальных параметровm v g

% Вычисление внешнего кинематического воздействия= v*t;

[y, vy, wy] = ksi(L);= v*vy;

wy = v^2*wy;

% Вычисление сил, действующих в модели

[F, Ft, P] = sila(t, z(1), z(2));

% Вычисление правых частейdt = z(2);

dz2dt = (F-Ft-P-m*g-m*wy)/m;

% Формирование выходного массива= [dz1dt; ...dt];

Похожие работы на - Моделирование движения иглы в замке вязального механизма

 

Не нашли материал для своей работы?
Поможем написать уникальную работу
Без плагиата!
Без нейросетей!