Разработка системы контроля управления доступом с анализом рисунка радужной оболочки глаза
ДИПЛОМНАЯ
РАБОТА
Разработка
системы контроля управления доступом с анализом рисунка радужной оболочки глаза
Реферат
Объект разработки - система
безопасности доступа путем сканирования радужной оболочки глаза.
Цель работы - прототипирование и рассмотрение
основных компонентов системы контроля управления доступом.
В сфере СКУД наиболее активно
внедряются такие тенденции как многоуровневая гибко конфигурируемая
архитектура, биометрические идентификаторы, сближение и интеграция контроллеров
доступа с УПУ (устройствами преграждающее управляемыми) и УС (устройствам
считывающими) в одном «дверном решении». Эти тенденции были рассмотрены и,
насколько возможно, реализованы в разрабатываемой системе.
Прогнозные предположения о развитии
объекта разработки - разработка базы данных для хранения записей, разработка
клиентского приложения.
СКУД, БИОМЕТРИЯ, РАДУЖНАЯ ОБОЛОЧКА
ГЛАЗА, СЧИТЫВАТЕЛИ, АДМИНИСТРИРОВАНИЕ СКУД
of development is the system of
restriction of access with an analysis of an iris of the eye.purpose of work is
prototyping and consideration of the main components of the monitoring system
of management of access.SKUD sphere such tendencies as multilevel flexibly
configured architecture, biometric identifiers, rapprochement and integration
of controlers of access with unitary enterprise (devices blocking operated) and
the DR (reading out devices) in one «door decision» most actively take root.
These tendencies were considered and, as far as possible, are realized in
developed system.ahead assumptions of development of research object is a
development of a database for storage of records, development of the client
application., BIOMETRY, EYE IRIS OF THE EYE, INPUT READERS, ADMINISTRATION OF
SKUD.
Содержание
Перечень условных обозначений
Введение
. Постановка задачи
.1 Анализ предметной области
.1.1 Назначение, классификация и состав СКУД
.1.2 Идентификатор пользователя
.1.3 Контроллеры
.1.4 Устройства идентификации личности (считыватели)
.1.5 Классификация и основные характеристики биометрических средств
идентификации личности
.1.6 Идентификация по радужной оболочке глаз
.2. Постановка задачи
.3 Обзор существующих решений
. Разработка
.1 Разработка схемы электрической структурной
.2 Анализ и выбор элементной базы
.2.1 Выбор считывателя
.2.2 Выбор микроконтроллера
.3 Разработка алгоритма функционирования устройства
.4 Разработка конечной схемы
.5 Перечень используемых элементов
. Расчетная часть
.1 Расчёт надёжности
.2 Расчет максимально потребляемой мощности
. Экономическая часть
.1 Описание продукта
.2 Оценка рынка сбыта
.3 Оценка стоимости и дни работы
.4 Вывод по экономической части
. Охрана труда
.1 Выявление и анализ опасных и вредных производственных факторов,
действующих в офисном помещении
.2 Разработка мероприятий по предотвращению или ослаблению
возможного воздействия опасных и вредных факторов на работников офисных
помещений
.3 Расчет искусственного освещения световых проемов в офисном
помещении
.4 Выводы по охране труда
Вывод
Перечень ссылок
Перечень условных обозначений
Таблица 1 - Сокращённые обозначения
|
Сокращенное обозначение
|
Полное наименование
|
|
СКУД
|
Система контроля управления доступом
|
|
УПУ
|
Устройство преграждающее управляемое
|
|
УИ
|
Устройство исполнительное
|
|
УС
|
Устройство считывающее (считыватель)
|
|
ИД
|
Идентификатор
|
|
КД
|
Контроллер доступа
|
|
СИ
|
Система питания
|
|
ПО
|
Программное обеспечение
|
|
МК
|
Микроконтроллер
|
|
ИУ
|
Индикаторные устройства
|
Введение
Темой данной выпускной работы
является разработка системы контроля управления доступом с анализом рисунка
радужной оболочки глаза.
В настоящее время биометрическая
аутентификация не только является неотъемлемой процедурой для допуска к
объектам повышенной секретности, но и входит в нашу повседневную жизнь.
Огромный интерес к биометрии обусловлен рядом объективных причин. В
классических парольных системах, а также системах на основе карт доступа
подглядывание или угадывание пароля, кража или изготовление дубликата карты
приводит к компрометации всей системы. Более того, законный пользователь,
потеряв или испортив карту, теряет возможность доступа к системе. Системы на
основе биометрии практически лишены этих недостатков - идентификатор неразрывно
связан с самим пользователем, поэтому потеря или изменение идентификатора
возможны только в чрезвычайных происшествиях, а современные сканеры биометрических
данных позволяют обнаруживать попытки использования муляжей.
Одной из недавно проявившихся
перспективных технологий идентификации является распознавание по радужке глаза.
Человеческая радужка имеет специфическую структуру и содержит много текстурной
информации. Пространственные структуры, наблюдаемые в радужке, уникальны для
каждого индивида. Индивидуальные различия появляются в процессе анатомического
развития. В частности, в биомедицинской литературе предполагается, что радужка
также индивидуальна, как и рисунок сосудов сетчатки. Однако изображение радужки
может быть получено более простыми средствами, чем изображение сетчатки. В
сравнении с другими биометрическими объектами (такими как лицо, отпечатки
пальцев, голос и т.д.), идентификация по радужке более стабильна и надежна.
В ходе разработки необходимо:
изучить и описать основные системы биометрической аутентификации личности,
выяснить их преимущества и недостатки, определить способы работы с такими
системами, разработать систему контроля доступом с анализом радужной оболочки
глаза, описать алгоритм ее работы, сделать ее структурную, функциональную и
принципиальные схемы.
1. Постановка задачи
.1 Анализ предметной области
Защита любого объекта включает
несколько рубежей, число которых зависит от уровня режимности объекта. При этом
во всех случаях важным рубежом будет система управления контроля доступом
(СКУД) на объект.
Хорошо организованная с
использованием современных технических средств СКУД позволит решать целый ряд
задач. К числу наиболее важным можно отнести следующие:
противодействие промышленному
шпионажу;
противодействие воровству;
противодействие саботажу;
противодействие умышленному
повреждению материальных ценностей;
учет рабочего времени;
контроль своевременности прихода и
ухода сотрудников;
защита конфиденциальности
информации;
регулирование потока посетителей;
контроль въезда и выезда транспорта.
Кроме этого, СКУД является барьером
для «любопытных». При реализации конкретных СКУД используют различные способы и
реализующие их устройства для идентификации и аутентификации личности.
В качестве наиболее часто
используемых СКУД можно назвать такие:
турникеты обычные и настенные;
турникеты для прохода в коридорах;
шлюзовые кабины;
автоматические калитки;
роторные турникеты;
вращающиеся двери;
дорожные блокираторы;
шлагбаумы;
парковочные системы;
круглые раздвижные двери;
трехштанговые турникеты;
полноростовые турникеты;
раздвижные турникеты.
Очень важным является вопрос о
возможности интеграции СКУД с любой системой безопасности с использованием
открытого протокола.
.1.1 Назначение, классификация и
состав СКУД
Рассмотрим более подробно, что же
представляет собой современная система контроля и управления доступом (СКУД).
Будем понимать под СКУД объединенные в комплексы электронные, механические,
электротехнические, аппаратно-программные и иные средства, обеспечивающие
возможность
доступа определенных лиц в
определенные зоны (территория, здание, помещение) или к определенной
аппаратуре, техническим средствам и предметам (персональный компьютер (ПК),
автомобиль, сейф и т. д.) и ограничивающие доступ лицам, не имеющим такого
права. Такие системы могут осуществлять контроль перемещения людей и транспорта
по территории охраняемого объекта, обеспечивать безопасность персонала и
посетителей, а также сохранность материальных и информационных ресурсов
предприятия. Системы контроля и управления доступом используются на
промышленных предприятиях, в офисах, магазинах, на автостоянках и автосервисах,
в жилых помещениях.
Интерес к системам контроля и
управления доступом растет еще и потому, что наличие такой системы важно для
эффективной работы предприятия.
Контроль не только существенно
повышает уровень безопасности, но и позволяет оперативно реагировать на
поведение персонала и посетителей. Также важной задачей для многих предприятий
является необходимость контролировать график и вести учет рабочего времени.
Особое внимание уделяется системам, позволяющим выстраивать необходимые
конфигурации из стандартных блоков, учитывая все особенности предприятия.
Существующий ГОСТ Р 51241-98
«Средства и системы контроля и
управления доступом», который
устанавливает классификацию, общие технические требования и методы испытаний,
подразделяет СКУД:
по способу управления;
числу контролируемых точек доступа;
функциональным характеристикам;
виду объектов контроля;
уровню защищенности системы от
несанкционированного доступа.
В соответствии с документом Р
78.36.005-99 все СКУД делятся на четыре класса.
СКУД 1-го класса -
малофункциональные системы малой емкости, работающие в автономном режиме и
осуществляющие допуск всех лиц, имеющих соответствующий идентификатор. В такой
системе используется ручное или автоматическое управление исполнительными
устройствами, а также световая или/и звуковая сигнализация.
СКУД 2-го класса - монофункциональные
системы. Они могут быть одноуровневыми и многоуровневыми и обеспечивают работу
как в автономном, так и в сетевом режимах. Допуск лиц (групп лиц) может
осуществляться подате, временным интервалам. Система способна обеспечить
автоматическую регистрацию событий и автоматическое управление исполнительными
устройства.
СКУД 3-го и 4-го классов, как
правило, являются сетевыми. В них используются более сложные идентификаторы и
различные уровни сетевого взаимодействия (клиент-сервер, интерфейсы считывателей
карт Виганда или магнитных карт, специализированные интерфейсы и др.).
На сегодняшний день существует очень
много разновидностей СКУД разных производителей, а также ее компонентов.
Несмотря на уникальность каждой конкретной системы контроля доступа, она
содержит 4 основных элемента: идентификатор пользователя (карта-пропуск, ключ,
биометрический признак), устройство идентификации, управляющий контроллер и
исполнительные устройства. Общая схема СКУД показана на рис. 1.1.1.
Рисунок 1.1.1 - Общая схема СКУД
.1.2 Идентификатор пользователя
Идентификатор пользователя - это
устройство или признак, по которому определяется пользователь. Для
идентификации применяются атрибутные и биометрические идентификаторы. В
качестве атрибутных идентификаторов используют автономные носители признаков
допуска: магнитные карточки, бесконтактные проксимити-карты, брелки
«тач-мемори», различные радиобрелки, изображение радужной оболочки глаза,
отпечаток пальца, отпечаток ладони, черты лица и многие другие физические
признаки. Каждый идентификатор характеризуется определенным уникальным двоичным
кодом. В СКУД каждому коду ставится в соответствие информация о правах и
привилегиях владельца идентификатора. В настоящее время применяются:
бесконтактные радиочастотные
проксимити-карты (proxmity) -
магнитные карты
карты Виганда (Wiegand)
штрих-кодовые карты
ключ-брелок «тач-мемори»
(touch-memory)
биометрические идентификаторы.
.1.3 Контроллеры
Контроллеры - устройства,
предназначенные для обработки информации от считывателей идентификаторов,
принятия решения и управления исполнительными устройствами. Именно контроллеры
разрешают проход через пропускные пункты. Контроллеры различаются емкостью базы
данных и буфера событий, обслуживаемых устройств идентификации.
Любой контроллер СКУД состоит из
четырех основных частей (рис. 1.1.3.): считывателя, схем обработки сигнала,
принятия решения и схемы буфера событий.
Рисунок 1.1.3 - Схема контроллера
СКУД
По способу управления (возможности
объединения) контроллеры СКУД делятся на три класса: автономные, сетевые
(централизованные) и комбинированные.
Независимо от типа применяемых
считывателей контроллеры должны поддерживать следующие режимы доступа:
по одной карте и/или ПИН-коду;
доступ с подтверждением оператором;
контроль количества людей в
помещении (минимум и максимум).
Последнее важно в ситуациях когда,
например, по условиям службы в заданном помещении не должно оставаться менее
одного (двух, трех) человек.
Основу современных СКУД составляют
автоматические и автоматизированные СКУД. В них процедура проверки может
включать также сопоставление лица проверяемого с видеопортретом на мониторе
контролера. Современные автоматические и автоматизированные СКУД в зависимости от
способа управления подразделяются на автономные, сетевые (централизованные) и
распределенные (комбинированные)
Автономные контроллеры - полностью
законченные устройства, предназначенные для обслуживания, как правило, одной
точки прохода. Возможность объединения с другими аналогичными контроллерами не
предусмотрена. Существует много видов таких устройств: контроллеры, совмещенные
со считывателем, контроллеры, встроенные в электромагнитный замок и т. д.
В автономных контроллерах
применяются считыватели самых разных типов.
Как правило, автономные контроллеры
рассчитаны на обслуживание небольшого числа пользователей, обычно не более 500
человек. Они работают с одним исполнительным устройством без передачи
информации на центральный пункт охраны и без контроля со стороны оператора.
Примером подобной системы контроля доступа может служить достаточно простая
комбинация: «электромагнитный замок + считыватель карт идентификации». Если
необходимо контролировать только одну дверь и в будущем расширение системы
контроля доступа не планируется, это оптимальное и достаточнонедорогое решение.
Сетевые контроллеры могут работать в
сети под управлением компьютера. В этом случае решение принимает персональный
компьютер с установленным специализированным программным обеспечением. Сетевые
контроллеры применяются для создания СКУД любой степени сложности. Число
сетевых контроллеров в системе может быть от двух до нескольких сотен с обменом
информацией с центральным пунктом охраны и контролем, управлением системой со
стороны дежурного оператора. В этом случае размеры системы контроля доступа
опеределяются по числу устройств дентификации, а не по числу контролируемых
дверей, поскольку на каждую дверь может быть установлено одно-два устройства
идентификации в зависимости от применяемой технологии прохода.
Используя сетевые контроллеры,
администрация получает ряд дополни тельных возможностей:
получение отчета о присутствии или
отсутствии сотрудников на работе;
уточнение местонахождения
конкретного сотрудника;
ведение табеля учета рабочего
времени;
составление отчета о перемещении
сотрудников практически за любой
период времени;
формирование временных графиков
прохода сотрудников;
ведение базы данных сотрудников
(электронной картотеки).
Сетевые СКУД используются на крупных
предприятиях и в тех случаях, если нужны ее специфические возможности, такие,
как учет рабочего времени сотрудников. Сетевые контроллеры объединяются в сеть.
К базовым характеристикам сетевых
контроллеров относят следующие количественные характеристики:
число поддерживаемых точек прохода;
объем базы данных пользователей,
объем буфера событий.
.1.4 Устройства идентификации
личности (считыватели)
Для идентификации личности
современные электронные системы контроля доступа используют устройства
нескольких типов в зависимости от применяемого вида идентификатора
пользователя.
Устройства идентификации
(считыватели) расшифровывают информацию, записанную на карточках или ключах
других типов, и передают ее в контроллер чаще в виде цифровой
последовательности. Считыватели карточек доступа могут быть контактные и
бесконтактные. Возможны следующие способы ввода признаков:
ручной, осуществляемый путем нажатия
клавиш, поворота переключателей и т. д.;
контактный - в результате
непосредственного контакта между считывателем и идентификатором;
дистанционный (бесконтактный) при
поднесении идентификатора к считывателю на определенное расстояние.
Для съема информации о биологических
признаках человека используют специальные биометрические считыватели
(терминалы), а ввод ПИН-кода осуществляется с клавиатур различных типов.
.1.5 Классификация и основные
характеристики биометрических средств идентификации личности
Достоинства биометрических
идентификаторов на основе уникальных биологических, физиологических
особенностей человека, однозначно удостоверяющих личность, привели к
интенсивному развитию соответствующих средств. В биометрических идентификаторах
используются статические методы, основанные на физиологических характеристиках
человека, т. е. на уникальных характеристиках, данных ему от рождения (рисунки
папиллярных линий пальцев, радужной оболочки глаз, капилляров сетчатки глаз,
тепловое изображение лица, геометрия руки, ДНК), и динамические методы (почерк
и динамика подписи, голос и особенности речи, ритм работы на клавиатуре).
Предполагается использовать такие уникальные статические методы, как
идентификация по подноггевому слою кожи, по объему указанных для сканирования
пальцев, форме уха, запаху тела, и динамические методы идентификация по
движению губ при воспроизведении кодового слова, по динамике поворота ключа в
дверном замке и т. д. Классификация современных биометрических средств
идентификации показана на рис. 3.1.
Биометрические идентификаторы хорошо
работают только тогда, когда оператор может проверить две вещи: во-первых, что
биометрические данные получены от конкретного лица именно во время проверки, а
во-вторых, что эти данные совпадают с образцом, хранящимся в картотеке.
Биометрические характеристики являются уникальными идентификаторами, но вопрос
их надежного хранения и защиты от перехвата по-прежнему остается открытым
Биометрические идентификаторы
обеспечивают очень высокие показатели: вероятность несанкционированного доступа
- 0,1 - 0,0001 %, вероятность ложного задержания - доли процентов, время
идентификации - единицы секунд, но имеют более высокую стоимость по сравнению
со средствами атрибутной идентификации. Качественные результаты сравнения
различных биометрических технологий по точности идентификации и затратам
указаны на рис. 3.2. Известны разработки СКУД, основанные на считывании и
сравнении конфигураций сетки вен на запястье, образцов запаха, преобразованных
в цифровой вид, анализе носящего уникальный характер акустического отклика
среднего уха человека при облучении его специфическими акустическими импульсами
и т. д.
Тенденция значительного улучшения
характеристик биометрических идентификаторов и снижения их стоимости приведет к
широкому применению биометрических идентификаторов в различных системах
контроля и управления доступом. В настоящее время структура этого рынка представляется
следующим образом: верификация голоса - 11 %, распознавание лица - 15 %,
сканирование радужной оболочки глаза - 34 %, сканирование отпечатков пальцев -
34 %, геометрия руки - 25 %, верификация подписи - 3 %.
Рисунок 1.1.5 - Классификация
современных биометрических средств идентификации
Основные биометрические средства
защиты информации, предоставляемые сегодня международным рынком обеспечения
безопасности, приведены в табл. 1.1.5.
Таблица 1.1.5 - Современные
биометрические средства защиты информации
|
Наименование
|
Производитель
|
Биопризнак
|
Примечание
|
|
SACcat
|
SAC Technologies
|
Рисунок кожи пальца
|
Приставка к компьютеру
|
|
TouchLock, TouchSafe
|
TouchNet Identix
|
Рисунок кожи пальца
|
СКУД объекта
|
|
Eye Dentification System 7,5
|
Eyedentify
|
Рисунок сетчатки глаза
|
СКУД объекта (моноблок)
|
|
Ibex 10
|
Eyedentify
|
Рисунок сетчатки глаза
|
СКУД объекта (порт, камера)
|
|
eriprint 2000
|
Biometric Identification
|
Рисунок кожи пальца
|
СКУД универсал
|
|
ID3D-R Handkey
|
Recognition Systems
|
Рисунок ладони руки
|
СКУД универсал
|
|
HandKey
|
Escape
|
Рисунок ладони руки
|
СКУД универсал
|
|
ICAM 2001
|
Eyedentify
|
Рисунок сетчатки глаза
|
СКУД универсал
|
|
Secure Touch
|
Biometric Access Corp
|
Рисунок кожи пальца
|
Приставка к компьютеру
|
|
BioMouse
|
American Biometric Corp
|
Рисунок кожи пальца
|
Приставка к компьютеру
|
|
Fingerprint Identification Unit
|
Sony
|
Рисунок кожи пальца
|
Приставка к компьютеру
|
|
Ыecure Keyboard Scanner
|
National Registry Inc
|
Рисунок кожи пальца
|
Приставка к компьютеру
|
|
Рубеж НПФ
|
«Кристалл»
|
Динамика подписи, спектр голоса
|
Приставка к компьютеру
|
|
Биометрическая сис- тема контроля Iris Access 3000
|
LG Electronics, Inc
|
Рисунок радужной оболочки глаза
|
Интеграция со считывателем карт
|
.1.6 Идентификация по радужной
оболочке глаз
На сегодняшний день существует много
различных биометрических технологий. И все они используют различные признаки
человека, уникальные для каждой личности. Наибольшее распространение среди
биометрических технологий получила идентификация по отпечаткам пальцев. Правда,
в последнее время все большую и большую популярность приобретает использование
в качестве рабочего признака радужной оболочки глаза. И, если задуматься, в
этом нет абсолютно ничего удивительного. Дело в том, что радужная оболочка -
элемент достаточно уникальный. Во-первых, она имеет очень сложный рисунок, в
ней много различных элементов. Поэтому даже не очень качественный ее снимок
позволяет точно определить личность человека. Во-вторых, радужная оболочка
является объектом довольно простой формы (почти плоский круг). Так что во время
идентификации очень просто учесть все возможные искажения изображения,
возникающие из-за различных условий съемки. Ну и, наконец, в-третьих, радужная
оболочка глаза человека не меняется в течение всей его жизни с самого рождения.
Точнее, неизменной остается ее форма (исключение составляют травмы и некоторые
серьезные заболевания глаз), цвет же со временем может измениться. Это придает
идентификации по радужной оболочке глаза дополнительный плюс по сравнению со многими
биометрическими технологиями, использующими относительно недолговечные
параметры, например геометрию лица или руки.
Кстати, у идентификации личности по
радужной оболочке глаза есть еще одно серьезное преимущество. Дело в том, что
некоторые биометрические технологии страдают одним недостатком. При установке в
настройках системы идентификации высокой степени защиты от ошибок первого рода
(вероятность ложного допуска) вероятность появления ошибок второго рода (ложный
недопуск в систему) возрастает до непозволительно высоких величин - нескольких
десятков процентов. Так вот, идентификация по радужной оболочке глаза полностью
избавлена от этого недостатка. В ней соотношение ошибок первого и второго родов
является одним из лучших на сегодняшний день. Для примера можно привести
несколько цифр. Исследования показали, что при вероятности возникновения ошибки
первого рода в 0,001% (отличный уровень надежности) вероятность появления
ошибок второго рода составляет всего лишь 1%.
К сожалению, есть у рассматриваемой
технологии и недостатки. И первым из них является относительно высокая
стоимость оборудования. И действительно, для проведения исследования нужна как
минимум камера, которая будет получать начальное изображение. А стоит это
устройство гораздо дороже, чем, например, сенсор отпечатков пальцев. Кроме
того, она требует довольно много места для размещения. Все это ограничивает
область использования идентификации личности по радужной оболочке глаза. На
сегодняшний день она применяется в основном в системах допуска на различные
объекты как гражданского, так и военного назначения.
Первым этапом идентификации по
радужной оболочке глаз, является получение исследуемого изображения. Делается
это с помощью различных камер. Причем стоит отметить, что большинство
современных систем предполагает использование для идентификации не одного
снимка, а нескольких. Они необходимы для получения более полного изображения
радужки, а также могут использоваться при некоторых способах защиты от муляжей.
Второй этап - выделение изображения
радужной оболочки глаза. Вообще-то, особой сложности он не представляет.
Радужка - это достаточно темная (относительно белка глаза) почти плоская
фигура, более или менее похожая на круг. Кроме того, внутри нее должна
находиться еще одна окружность, дающая сильные блики (зрачок). Сегодня
разработано множество способов точного получения границы радужной оболочки по
описанным признакам. Единственной проблемой являются области, закрытые веками.
Впрочем, она решается с помощью создания в течение одного сеанса нескольких
снимков. Ведь векам присущи непроизвольные движения, дрожание. Таким образом,
то, что скрыто на одном снимке, может оказаться видно на другом. Кроме того, на
радужной оболочке глаза настолько много разнообразных элементов, что, по
некоторым данным, для надежной идентификации достаточно всего лишь 30-40
процентов из них. Так что многие системы вообще игнорируют закрытые области без
заметного ущерба для надежности.
Следующий этап идентификации - это
приведение размера изображения радужки к эталонному. Это нужно по двум
причинам. Во-первых, в зависимости от условий съемки (освещенность, расстояние
для объекта) размер изображения может изменяться. Соответственно и элементы
радужки тоже будут получаться разными. Впрочем, с этим особых проблем не
возникает, так как задача решается путем масштабирования. А вот со второй
причиной дела обстоят не так хорошо. Дело в том, что под воздействием некоторых
факторов может меняться размер самой радужки. При этом расположение ее
элементов относительно друг друга становится несколько иным. Для решения этой
задачи используются специально разработанные алгоритмы. Они создают модель
радужной оболочки глаза и по определенным законам воссоздают возможное
перемещение ее элементов.
Следующим действием является
преобразование полученного изображения радужной оболочки глаза в полярную
систему координат. Это существенно облегчает все будущие расчеты. Ведь радужка
- это почти круг, а все основные ее элементы располагаются по окружностям и
перпендикулярным им прямым отрезкам. Кстати, в некоторых системах идентификации
этот этап неявный: он совмещен со следующим.
Пятым шагом в процессе идентификации
личности является выборка элементов радужной оболочки глаза, которые могут
использоваться в биометрии. Это самый сложный этап. Проблема заключается в том,
что на радужной оболочке нет каких-то характерных деталей. А поэтому нельзя
использовать ставшими привычными в других биометрических технологиях
определения типа какой-то точки, ее размера, расстояния до других элементов и
т. д. В данном случае используются сложные математические преобразования,
осуществляющиеся на основе имеющегося изображения радужки.
Ну и, наконец, последним этапом
идентификации человека по радужной оболочке глаза является сравнение полученных
параметров с эталонами. И у этого действия есть одно отличие от многих других
подобных задач. Дело в том, что при выделении уникальных характеристик
необходимо учитывать закрытые области. Кроме того, часть изображения может быть
искажена веками или бликами от зрачка. Таким образом, некоторые параметры могут
существенно отличаться от эталонного. Впрочем, эта проблема довольно легко
решается благодаря избыточному содержанию на радужной оболочке глаза уникальных
для каждого человека элементов. Как мы уже говорили, совпадения 40% из них достаточно
для надежной идентификации личности. Остальные же могут считаться
«испорченными» и просто-напросто игнорироваться.
Несмотря на некоторые недостатки,
технология идентификации личности по радужной оболочке глаза является весьма
перспективной. Особенно хороша она благодаря своей надежности и хорошему
соотношению ошибок первого и второго рода для систем доступа к различным
гражданским и военным объектам. Ну а если учесть еще и неизменность радужки в
течение всей жизни человека, то становится понятно, что эта технология вполне
может быть использована для создания биометрических паспортов, о которых в
последнее время ведется множество споров во многих странах мира.
.2 Постановка задачи
В ходе данной разработки необходимо
реализовать систему ограничения доступа с анализом радужной оболочки глаза.
Данная система должна работать в
нескольких режимах:
Автоматический режим.
Режим настройки.
Режим тестирования.
Режим обучения.
Система должна обеспечивать:
открывание УПУ при считывании
зарегистрированного в памяти системы идентификационного признака;
запрет открывания УПУ при считывании
незарегистрированного в памяти системы идентификационного признака;
запись идентификационных признаков в
память системы;
защиту от несанкционированного
доступа при записи кодов идентификационных признаков в памяти системы;
сохранение идентификационных
признаков в памяти системы при отказе и отключении электропитания;
ручное, полуавтоматическое или
автоматическое открывание УПУ для прохода при аварийных ситуациях, пожаре,
технических неисправностях в соответствии с правилами установленного режима и
правилами противопожарной безопасности;
автоматическое формирование сигнала
сброса на УПУ при отсутствии факта прохода
Более подробное окончательное
описание требуемых характеристик будет описано в техническом задании.
.3 Обзор существующих решений
доступ идентификация радужная
оболочка
Разработкой технологии идентификации
личности на основе принципа сканирования радужной оболочки глаза в настоящее
время занимаются более 20 компаний, в том числе British Telecom, Sensar,
японская компания Oki.
На рынке биометрических продуктов,
наряду с устоявшимися лидерами - Identix, Digital Persona, Precise Biometrics,
Visionics, Ethentica, BioScript, Secugen, AcSys Biometrics - появились
корпорации, не специализирующиеся в области биометрии - Sony, LG, Compaq и др.
Это говорит о значительном увеличении привлекательности рынка и о том, что в
скором будущем биометрические устройства станут привычной частью нашего быта.
Сканер сетчатки глаза в мобильных устройствах.
Японской компанией Oki Electric уже закончены работы над программой Mobile Iris
Scanner, которая может распознавать владельцев мобильных устройств по сетчатке
глаз. Причем для этого используется камера, встроенная в сам аппарат. Mobile
Iris Scanner - действительно революционное решение. Благодаря программной
реализации сканирования изображения сетчатки, он окажется полезным и для уже
существующих устройств (например, смартфонов), так как не потребует никакого
вмешательства в их аппаратную часть. Пока программа имеет версию 1.0 и может
работать в Windows Mobile и Symbian, но в будущем должны появиться версии для
Linux и Brew. Конечно, технология распознавания по сетчатке появилась не вчера,
но в большинстве устройств для ее реализации применяются специальные
инфракрасные камеры. Быстрота работы Mobile Iris Scanner, то есть время
опознавания владельца, зависит в первую очередь от самих устройств, главным
образом, производительности их процессора. Также разработчики отметили, что для
правильной работы их программы потребуется камера минимум на 1 Мп.
(рекомендуется 2 или больше).
Система IrisAccess позволяет менее
чем за секунду отсканировать рисунок радужной оболочки глаза, обработать и
сравнить с 4 тыс. других записей, которые она хранит в своей памяти, а затем
послать соответствующий сигнал в охранную систему. Технология - полностью
бесконтактная. На основе изображения радужной оболочки глаза строится
компактный цифровой код размером 512 байт. Устройство имеет высокую надежность
по сравнению с большинством известных систем биометрического контроля,
поддерживает объемную базу данных, выдает звуковые инструкции на русском языке,
позволяет интегрировать в систему карты доступа и PIN-клавиатуры. Один
контроллер поддерживает четыре считывателя. Система может быть интегрирована в
LAN.3000 состоит из оптического устройства внесения в реестр EOU3000,
удаленного оптического устройства ROU3000, контрольного устройства опознавания
ICU3000, платы захвата изображения, дверной интерфейсной платы и PC-сервера.
Если требуется осуществлять контроль
за несколькими входами, то ряд удаленных устройств, включая ICU3000 и ROU3000,
может быть подключен к PC-серверу через локальную сеть (LAN). Описания основных
компонентов системы представлены на врезке.
ПАПИЛОН iScan-3
Рисунок 1.3.1 - Папилон iScan-3
В сканере радужной оболочки ПАПИЛОН
iScan-3 реализована функция автофокуса. Используемая в сканере инфракрасная
подсветка безопасна для зрения.
Сканер поворачивается в вертикальной
плоскости для настройки положения камеры на рост конкретного человека.
В системе используются только
черно-белые изображения для того, чтобы на результат идентификации личности не
влияло цветовое изменение радужной оболочки, происходящее в результате
перенесенных заболеваний.
Технические характеристики сканера
ПАПИЛОН iScan-3:
Подсветка ИК-диапазон - 850 нм
ПАПИЛОН iScan-3
Угол поворота сканера по вертикали от
-15o до +30o
Рабочее расстояние (от наружных
обводов объектива камеры до ближайшей точки радужной оболочки или зрачка глаза)
20-30 см
Интерфейс - USB 2.0 (480 Мбит/с)
Питание - 12В
Размеры (ширина х глубина х высота) 120
х 83 х 114 мм
Вес - 0,52 кг
Дополнительные возможности:
Индикация режима работы устройства и
результата проверки текущего объекта. Голосовые подсказки.
Циркон
Сканер радужной оболочки глаза
Циркон предназначен для сканирования радужной оболочки глаза. В составе с
вычислительным модулем, может быть применено для:
первичной регистрации радужной
оболочки глаза с целью занесения в базу данных;
распознавания личности человека по
радужной оболочке глаза.
Технические характеристики:
Время захвата: < 2 сек
Скорость оцифровки:: 15 кадров/сек
Рабочее расстояние: 20 - 40 см
Размеры (ШхГхВ): 138х126х98 мм
Вес: 1,23 кг
Интерфейс: PCI
Компания Panasonic выпускает на
рынок такие продукты:
Таблица 1.3 - Сканеры радужной
оболочки глаза компании Panasonic
Все эти системы имеют один общий
недостаток, у них нет функции выявление ложного изображения. Разрабатываемая
система должна выявлять ложное изображение с помощью нистагма. Нистагм -
непроизвольные колебательные движения глаз высокой частоты (до нескольких сотен
в минуту). Название происходит от др.-греч. νυσταγμός
- дремота. Нистагм представляет собой ритмичные движения глазных
яблок.
2. Разработка
.1 Разработка схемы электрической
структурной
Составим схему электрическую
структурную. В соответсвии с техническим заданием, наша схема должна состоять:
МК - управляющий микроконтроллер. В
данном случае LM3S9C97 производства Texas Instruments.
УС - устройство считывания, камера
для считывания радужной оболочки глаза.
АИ - Адаптеры хост-интерфейсов. У
нас имеется три хост-интерфейса - это Ethernet,USB и RS-485.
УПУ - адаптер устройства преграждающего
управляемого. Представляет собой логический компонент, так как фактически
представляет собой обвязку портов микроконтроллеров, предназначенных для
управления УПУ.
ИУ - индикаторные устройства, набор
светодиодов, для индикации режимов работы системы.
СП - система питания.
.2 Анализ и выбор элементной базы
В этом разделе будут рассмотрены
варианты выбора элементной базы.
.2.1 Выбор считывателя
Так или иначе, но без возможности
осуществления операций с видеокамерой наше устройство не сможет осуществлять
свои основные функции. Поэтому далее мы рассмотрим варианты
считывателей(камер).
В современных цифровых камерах
применяется два типа матриц: CCD матрица (Charged Coupled Device), по другому
называют еще камеры с ccd сенсором и CMOS матрица (Complementary Metal-Oxide
Semiconductor) - камеры с cmos сенсером.
Камеры на основе технологии CMOS
потребляют меньше энергии (почти в 100 раз по сравнению с CCD камерами). CMOS
камеры проще в производстве, следовательно и стоят дешевле в сравнении с
камерами со CCD матрицей. Еще одно достоинство технологии CMOS - это интеграция
различных процессов в одном чипе, что ведет к миниатюризации устройств.
К недостаткам CMOS камер можно
отнести низкий коэффициент заполнения пикселов, что снижает их
чувствительность. Поэтому у камер на основе CMOS матриц чаще возникают
трудности с подавлением помех и увеличением чувствительности, то есть с
качеством получаемого изображения.
Ключевое различие между CCD камерой
и CMOS камерой состоит в том, что CCD матрица (сенсор) преобразует заряды
пикселей в аналоговый сигнал, а CMOS матрица в цифровую информацию.
Если раньше все видеокамеры
использовали CCD-технологию, то на сегодняшний день основным направлением
развития индустрии видеокамер становятся CMOS матрицы, которые дешевле и проще
в производстве.
Исходя из этих соображений, в
качестве камеры для разрабатываемого устройства будем рассматривать только CMOS
камеры.CMOS Camera Cube Module 25-pin
Рисунок 2.2.1.1 - VGA CMOS Camera
Cube Module 25-pin
Характеристики:
Данные назначение Image Sensor
Size 640x480 Pixels Sensing Colour Count 25 Operating
Supply Voltage 2.6V Operating Supply Voltage 3V
максимальная рабочая температура 70°C
Operating Temperature -20°C M-328
Представляет собой модуль VGA камеры
цветного изображения, поддерживающий сжатие изображения в формате JPEG. Данный
модуль предназначен для дальнейшей интеграции в различные мобильные устройства.
По команде управляющего устройства камера производит захват изображения для
того, чтобы получить высококачественную картинку. Затем изображение сжимается в
JPEG формат и передается на устройство управления. В настоящее время эта камера
поставляется в шести модификациях, отличающихся типом применяемых объективов.
Разрешение камеры VGA/CIF/SIF/QCIF 160×128 и 80×64
Напряжение питания, В 3,3
Потребляемый ток, мА 60
Режим пониженного энергопотребления да
Передача данных до 115.2
Кбит/сек (RS-232)
Габаритные размеры, мм 20 x 28
Фирма Alps предлагает серию FPDJ8
1/10-дюймовых (1,8 мм) модулей VGA-камер для использования в мобильных
телефонах, наладонных игровых консолях и т.п. Они имеют корпус размером 5,0мм x
5,0мм x 2,2мм (Ш x Г x В) и показатель диафрагмы 2,8. При двух линзах и датчике
изображения размером 1/10 дюйма модули достигают VGA (Video Graphic Array)
разрешения до 640 x 480 точек изображения. Диапазон фокусировки от 20 см до
бесконечности. Другими техническими параметрами являются искажение изображения
менее одного процента и угол обзора по горизонтали 54,2 градуса, по вертикали
42,0 градуса и по диагонали 65,4 градуса. Камеры способны представлять при
VGA-разрешении 30 кадров в секунду.
Учитывая такие факторы как стоимость
камеры, простота в использовании, наличие в свободной продаже мы остановим свой
выбор на модуле VGA камеры ITC-M-328.
.2.2 Выбор микроконтроллера
В это разделе будет рассмотрен выбор
управляющего микроконтроллера.
Требования
В плане набора команд, количества
адресов в команде, программно-доступных особенностей (регистров и т.п.) мы не
выдвигаем никаких прямых требований, т.к. связать подобные характеристики с
особенностями нашей системы вряд ли представляется возможным на данной стадии
разработки.
Для осуществления задач модуля
требуется наличие подсистемы часов реального времени или возможности её беспроблемной
организации.
Для осуществления общения по сети и
уменьшения дополнительных компонентов в системе было бы желательным наличие
встроенного контроллера Ethernet.
Для осуществления коммуникации со
считывателем наличие аппаратного интерфейса(ов) SPI(I2C или UART) облегчило бы
такое взаимодействие. Взаимодействие с контроллером более высокого уровня (при
его наличие) происходит по RS-485. Практически все современные микроконтроллеры
имеют аппаратную реализацию всех этих интерфейсов, поэтому данное требование
является чисто формальным.
По поводу количества внешних выводов
скажем, что у нашей системы нет нужды в микроконтроллере с большим числом
пинов.
Наш модуль предполагает
необходимость хранения достаточно больших объёмов данных. Поэтому объём flash-памяти
для нашей системы будет иметь определяющее значение - чем больше объём памяти,
тем более автономным может быть наш дверной контроллер. На данном этапе ещё не
разработаны форматы хранения указанных данных, поэтому мы не сможем провести
точный анализ. Тем не менее с учётом примерных оценок, возможности расширения
функциональности системы и максимизации её возможностей, объём flash памяти в
512 Кб вполне можно считать неким ориентиром. Конечно, больший объём памяти
позволит увеличить возможности нашей системы, но не стоит выходить за разумные
пределы, ведь стоимость микроконтроллера в значительной части зависит от объёма
встроенной flash-памяти, к тому же дверной контроллер с огромным количеством
возможных записей вряд ли будет иметь оправданные места для применения.
Так как обычно энергонезависимая
память часто бывает подключена к системной шине и прямо адресуется по ней, то
размерность шины будет зависеть и от объёма flash-памяти.
Варианты
Микроконтроллерное ядро ARM было
разработано одноименной английской компанией, организованной в 1990 году.
Название ARM происходит от "Advanced RISC Machines". Следует
заметить, что компания специализируется сугубо на разработке микропроцессорных
ядер и периферийных блоков, при этом, не имеет производственных мощностей по
выпуску микрокон-троллеров. Компания ARM поставляет свои разработки в
электронной форме, на основе которой клиенты конструируют свои собственные
микроконтроллеры. Клиентами компании являются свыше 60 компаний-производителей
полупроводников, среди которых можно выделить таких популярных производителей
на рынке полупроводниковых компонентов стран СНГ, как Altera, Analog Devices,
Atmel, Cirrus Logic, Fujitsu, MagnaChip (Hynix), Intel, Motorola, National
Semiconductor, Philips, ST Microelectronics и Texas Instruments.
В настоящее время архитектура ARM
занимает лидирующие позиции и охватывает 75% рынка 32-разр. встраиваемых
RISC-микропроцессоров. Распространенность данного ядра объясняется его
стандартностью, что предоставляет возможность разработчику более гибко
использовать, как свои, так и сторонние программные наработки, как при переходе
на новое процессорное ARM-ядро, так и при миграциях между разными типами
ARM-микроконтроллеров.GG380F512
-битный микроконтроллер на базе ядра
ARM Cortex-M3
Ядро Cortex-M3
ЦПУ: F,МГц от 0 до 48
Память: Flash,КБайт 512
Память: RAM,КБайт 128 /O
(макс.),шт. 81
Таймеры: 16-бит,шт 4
Таймеры: Каналов ШИМ,шт 1
Таймеры: RTC Да
Интерфейсы: UART,шт 7
Интерфейсы: I2C,шт 2
Интерфейсы: USB,шт 1
Интерфейсы: DMA,шт 1
Аналоговые входы: Разрядов АЦП,бит
12
Аналоговые входы: Каналов АЦП,шт
12
Аналоговые входы: Быстродействие
АЦП,kSPS 1000
Аналоговые входы: Аналоговый
компаратор,шт 2
Аналоговые выходы: Разрядов ЦАП,бит
12
Аналоговые выходы: Каналов ЦАП,шт 3
,В от 1.8 до 3.8 ,°C от -40 до 85
Корпус LQFP-100F103ZET6Processor: ARM®
Cortex-M3™Size: 32-Bit : 72MHz
Connectivity: CAN, I²C, IrDA,
LIN, SPI, UART/USART, USB
Peripherals: DMA, Motor
Control PWM, PDR, POR, PVD, PWM, Temp Sensor, WDTOf I /o: 112Memory
Size: 512KB (512K x 8)Memory Type: FLASHSize: 64K x 8- Supply
(vcc/vdd): 2 V ~ 3.6 VConverters: A/D 21x12b; D/A 2x12bType: InternalTemperature: -40°C
~ 85°C/ Case: 144-LQFPSeries: STM32F103x: ARM Cortex M3Bus Width: 32
bitRam Size: 64 KBType: CAN, I2C, SPI, USARTClock Frequency: 72
MHzOf Programmable I/os: 112Of Timers: 8Operating Temperature: +
85 CStyle: SMD/SMT
Малопотребляющие МК серии LPC17xx,
выполненные на основе 32-битного ядра ARM Cortex-M3, отличаются мощным набором
периферии, включающим контроллер графического дисплея, интерфейсы Ethernet, USB
2.0 с поддержкой Host/OTG/Device и CAN 2.0B
Новые микроконтроллеры поддерживают
максимальную рабочую частоту 120 МГц и интегрируют FLASH память, объемом до 512
КБайт, и SRAM память, объемом до 96 КБайт. LPC177x/LPC178x также оснащены
многоуровневой высокопроизводительной шиной (AHB), позволяющей одновременно
использовать периферийные устройства с высокой пропускной способностью, такие
как Ethernet и USB, без снижения производительности процессора.
Микроконтроллеры доступны в 144- и
208-выводных корпусах LQFP и 180- и 208-выводных TFBGA. Устройства серии
LPC177x/LPC178x совместимы по выводам с популярными микроконтроллерами NXP
серий LPC2400 и LPC237x/238x на базе ядра ARM7. Это позволяет разработчикам
сравнить производительность ядер Cortex-M3 и ARM7 в одном и том же приложении и
выбрать наиболее подходящий вариант. Архитектура LPC1700, отличающаяся широким
набором периферии и высокой производительностью, является идеальным решением
для систем отображения информации, сканеров, промышленного сетевого
оборудования, охранно-пожарных сигнализаций, медицинского диагностического
оборудования и систем управления электродвигателями.
Таблица 2.2.2.2.1 - Сравнительная
характеристика микроконтроллеров серии LPC178x
® LM3S9C97 Microcontroller
ARM Cortex-M3 Processor Core
High Performance: 80-MHz operation;
100 DMIPS performance
512 KB single-cycle Flash memory
64 KB single-cycle SRAM
Internal ROM loaded with
StellarisWare® software
Advanced Communication Interfaces:
UART, SSI, I2C, I2S, CAN, Ethernet MAC and PHY, USB
System Integration: general-purpose
timers, watchdog timers, DMA, general-purpose I/Os
Advanced motion control using PWMs,
fault inputs, and quadrature encoder inputs
Analog support: analog and digital
comparators, Analog-to-Digital Converters (ADC), on-chipregulator
JTAG and ARM Serial Wire Debug (SWD)
100-pin LQFP package
108-ball BGA package
Industrial (-40°C to 85°C) temperature
range
Исходя из вышеперечисленных
требований к микроконтроллеру, а также учитывая его стоимость ми остановим свой
выбор на микроконтроллере LM3S9C97 производства Texas Instruments.
.3 Разработка алгоритма
функционирования устройства
Рисунок. 2.3 - Алгоритм
функционирования устройства
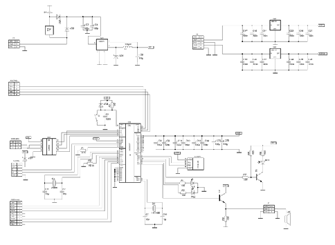
2.4 Разработка конечной схемы
Рисунок 2.4.1 - Схема принципиальная
.5 Перечень используемых элементов
Таблица 2.5 - Перечень используемых
элементов
|
Поз. обозначение
|
Наименование
|
Кол
|
Примечание
|
|
Микроконтроллеры
|
|
|
|
DD2
|
LM3S9С97
|
1
|
|
|
Приёмо-передатчики
|
|
|
|
DD1
|
ADM485
|
1
|
|
|
Преобразователи питания
|
|
|
|
DA1
|
LM2575
|
1
|
|
|
DA2,DA3
|
LM1117
|
2
|
|
|
Резисторы
|
|
|
|
R1
|
9.1k
|
1
|
|
|
R2
|
12.4k
|
1
|
|
|
R3,R4,R5,R6, R7,R8,R9
|
100
|
7
|
|
|
Конденсаторы
|
|
|
|
С1,С2
|
15p
|
2
|
|
|
С3,С4,C5
|
100m
|
3
|
|
|
C6
|
330m
|
1
|
|
|
C7,C10
|
15p
|
2
|
|
|
C8,C9,C11, C12,C13,C14, C15,C16,C17, C18,C19,C20, C21,C22,C23,
C24,C25,C26, C27,C28
|
100m
|
20
|
|
|
Дроссели
|
|
|
|
L1
|
330m
|
1
|
|
|
Диоды
|
|
|
|
VD1,VD2, VD3,VD4, VD5
|
BH150
|
5
|
|
|
Светодиоды
|
|
|
|
HL1,HL2, HL3
|
|
3
|
|
|
Камеры
|
|
|
|
CAMERA
|
ITC-M-328
|
|
|
3. Расчетная часть
.1 Расчёт надёжности
Исходя из технического задания
разрабатываемая система должна обеспечивать следующие относящиеся к надёжности
показатели:
Срок эксплуатации устройства не
менее 5 лет.
Вероятность безотказной работы в
течение срока эксплуатации - не менее 0,95.
Ресурс работы устройства - не менее
43200 часов.
Срок эксплуатации не менее 5 лет и
ресурс работы устройства являются практически аналогическими показателями, так
как устройство предполагается для работы в режиме 24/7/365. К тому же эти
свойства реализуется за счёт выбора элементной базы с соответствующим сроком
эксплуатации. Поэтом нас интересует вероятность безотказной работы в конце
срока эксплуатации.
Для осуществления расчёта
характеристик надёжности в первую очередь рассмотрим модуль в виде его схемы
надёжности. В качестве блоков мы примем основные микросхемы, а более простые
элементы (резисторы, конденсаторы, дроссели) и дорожки платы будем считать
абсолютно надёжными в пределах заданных сроков эксплуатации.
Рисунок. 3.1 - Структурная схема
надёжности
Из рисунка 3.1 мы
получаем, что вероятность безотказной работы периферийного модуля 
можно записать как:
|
 , (3.1.1)
|
|
где 
- вероятность
безотказной работы подсистемы питания;

- вероятность
безотказной работы адаптера хост-интерфейса;

- вероятность
безотказной работы управляющего МК;

- вероятность
безотказной работы считывателя;

- вероятность
безотказной работы развязки на УПУ;

- вероятность
безотказной работы индикаторных устройств;
|
|
(3.1.2)
|
Реальных данных по интенсивности
отказов составляющих подсистем нет, поэтому мы будем применять следующие
обобщённые интенсивности отказов:
Исходя из 3.1.1, 3.1.2:
|
|
(3.1.3)
|
Тогда вероятность того,
что система проработает без отказов до конечного момента времени t = 43200
равна: 
Данное значение
надежности выше указанной величины в техническом задании и позволяет сделать
вывод о том, что при заданных условиях для реализации заданных параметров
надёжности данная система не требует дополнительных изменений.
3.2 Расчет максимально
потребляемой мощности
Мощность, потребляемая
микроконтроллером LM3S9C97:
=I*Uмк=101mA U=3,3В
Рмк=0,3333Вт
Мощность, потребляемая
камерой:
к=60mA U=3,3В
Рк= Iк*Uк=0,198Вт
Мощность, потребляемая
резисторами:
=100Ом U=3,3В N=6
Рр= N*Iр*Uр=U2/R=0,6Вт
Мощность. потребляемая
APM485:
АР=1,1mA U=5В
РАР= IАР*UАР=0,0055Вт
Для расчета мощности
устройства берем такие характеристики преобразователей питания LM2575 и LM117
как КПД=80%.
Конечная мощность:
Ркон=((Рмк+ Рк+
Рр)*1,25+ РАР)*1,25=1,7745Вт
4. Экономическая часть
.1 Описание продукта
В ходе данной работы
разрабатывались компоненты системы ограничения доступом с анализом рисунка
радужной оболочки глаза. Система предназначается для управления физическим
доступом на объектах с некритическими требованиями безопасности.
Хорошо организованная с
использованием современных технических средств СКУД позволит решать целый ряд
задач. К числу наиболее важных можно отнести следующие:
противодействие
промышленному шпионажу;
противодействие
воровству;
противодействие
саботажу;
противодействие
умышленному повреждению материальных ценностей;
контроль своевременности
прихода и ухода сотрудников;
защита
конфиденциальности информации;
регулирование потока
посетителей;
уменьшить загруженность
сотрудников охраны
Система состоит из:
МК - управляющий
микроконтроллер.
УС - устройство
считывания.
АИ - Адаптеры
хост-интерфейсов.
УПУ - адаптер устройства
преграждающего управляемого.
ИУ - индикаторные
устройства.
БП - система питания.
4.2 Оценка рынка сбыта
Автоматизированные
системы контроля доступа имеют длительную историю развития в несколько десятков
лет. Разнообразие вариантов физических и логических конфигураций, используемых
идентификаторов среди того, что имеется на рынке довольно велико. К тому же эта
сфера активно развивается и меняется с появлением новых и усовершенствованием
старых методов идентификации, усиливается степень интеграции с соприкасающимися
сферами, растёт сложность систем и их задач.
Количество фирм и
впечатляет, но не все они предоставляют одинаковые возможности:
Одни занимаются только
установкой и реконфигурированием готовых продуктов
Другие занимаются только
разработкой программной и (или) аппаратной части.
Наиболее гибкие фирмы разрабатывают
и устанавливают свои комплексы, а так же реконфигурируют готовые продукты
Что же касается
численных данных по состоянию рынка, то с этим имеются значительные
затруднения, в виду отсутствия каких-либо общих статистик и поэтому опираться
приходиться либо на те данные, которые были представлены, либо на общие фразы
специалистов в области.
Разработанная система
использует относительно новый метод идентификации с анализом радужной оболочки
глаза. Система будет иметь преимущество, по сравнению с аналогами, в ней будет
предусмотрено распознавание ложного изображения. И так как рынок СКУД довольно
динамичный и имеет весьма разнообразный спрос, то подобные системы при
соответствующей цене могут найти покупателя, если у него нет особых
предпочтений.
4.3 Оценка стоимости и
дни работы
Таблица 4.3.1 -
Стоимость конструкции
|
№
|
Наименование
|
Ед. изм-ия
|
Цена за ед. грн.
|
Кол-во
|
Стоимость
|
|
1
|
LM3S9C97
|
шт.
|
100
|
1
|
100
|
|
2
|
TGA130V10
|
шт.
|
280
|
1
|
280
|
|
3
|
LM2575
|
шт.
|
60
|
1
|
60
|
|
4
|
LM1117
|
шт.
|
8
|
2
|
16
|
|
5
|
HC49U(50Mhz)
|
шт.
|
5
|
1
|
5
|
|
6
|
HC49U(25Mhz)
|
шт.
|
2
|
1
|
2
|
|
7
|
HC49U(27Mhz)
|
шт.
|
2
|
1
|
2
|
|
8
|
CD54NP -100MC
|
шт.
|
2.5
|
6
|
15
|
|
9
|
STTH102
|
шт.
|
1,2
|
5
|
6
|
|
10
|
HC0901A
|
шт.
|
5
|
1
|
5
|
|
11
|
4N25
|
шт.
|
2
|
1
|
2
|
|
12
|
smd1206(1Ом)
|
шт.
|
0,05
|
2
|
0,1
|
|
13
|
smd1206(27Ом)
|
шт.
|
0,05
|
2
|
0,1
|
|
14
|
smd1206(100Ом)
|
шт.
|
0,05
|
6
|
0,3
|
|
15
|
smd1206(4кОм)
|
шт.
|
0,05
|
2
|
0,1
|
|
16
|
smd1206(9,1кОм)
|
шт.
|
0,05
|
1
|
0,05
|
|
17
|
smd1206(10кОм)
|
шт.
|
0,05
|
1
|
0,05
|
|
18
|
smd1206(12кОм)
|
шт.
|
0,05
|
1
|
0,05
|
|
19
|
smd1206(27кОм)
|
шт.
|
0,05
|
1
|
0,05
|
|
20
|
smd1206(47кОм)
|
шт.
|
0,05
|
1
|
0,05
|
|
21
|
smd1206(68кОм)
|
шт.
|
0,05
|
1
|
0,05
|
|
22
|
smd1206(33x25V)
|
шт.
|
0,05
|
4
|
0,2
|
|
23
|
smd1206(220x6Ом)
|
шт.
|
0,05
|
4
|
0,2
|
|
24
|
smd1206(750p)
|
шт.
|
0,05
|
1
|
0,05
|
|
25
|
smd1206(100p)
|
шт.
|
0,05
|
8
|
0,4
|
|
26
|
smd1206(18p)
|
шт.
|
0,05
|
6
|
0,3
|
|
27
|
TDK TLA-6T704
|
шт.
|
24
|
1
|
24
|
Плата
|
шт.
|
20
|
1
|
10
|
|
29
|
Корпус
|
шт.
|
50
|
1
|
45
|
|
30
|
Производство
|
час
|
20
|
4
|
80
|
|
Всего
|
|
|
|
654,05
|
Таблица 4.3.1.2 - Стоимость платного
ПО необходимого для разработки
|
№
|
Наименование
|
Кол-во
|
Цена, грн
|
|
1
|
Windows 7 Professional
|
1
|
1599
|
|
2
|
Office 2010 Home
|
1
|
700
|
|
Всего
|
|
2299
|
Таблица 4.3.1.3 - Разработка
программной части
|
№
|
Наименование работы
|
Длительность (часы)
|
Оплата грн./час)
|
Всего
|
|
1
|
Предварительное рассмотрение системы
|
4
|
20
|
80
|
|
2
|
Составление базового списка требований к системе
|
4
|
20
|
80
|
|
3
|
Разработка схем
|
20
|
20
|
400
|
|
4
|
Разработка алгоритмов
|
4
|
20
|
80
|
|
5
|
Уточнение, сверка заданий и требований
|
10
|
20
|
200
|
|
6
|
Тестирование
|
4
|
20
|
80
|
|
7
|
Исправление обнаруженных недочётов и выпускное тестирование
|
10
|
20
|
200
|
|
8
|
Сдача проекта
|
5
|
20
|
100
|
|
Сумма
|
|
196
|
|
1220
|
Суммарная стоимость = Стоимость
конструкции + Стоимость платного ПО + Стоимость разработки программной части =
654.05+2299+1220 = 4173(грн)
.4 Вывод по экономической части
Стоимость конечной системы при
установке зависит от многих факторов, к тому же объективное сравнение провести
практически невозможно из-за закрытости большеё части информации.
Конечно, цена данной разработки
вычисленная из расчётов исключительно по физическому производству, в несколько
раз ниже чем у серийных модулей известных производителей. Подобное соотношение
вполне естественно для такого подсчёта цены производимого модуля, когда не
учитываются практически все дополнительные затраты на поддержание его как
полноценного продукта (реклама, оплата вспомогательному персоналу, участвующему
в его рыночном цикле и т.п.). К тому же данный продукт естественно проигрывает
по возможностям, качеству и техподдержке, что и даёт такую разницу.
Для опытной разработки модуль вполне
имеет право на существование, однако его более или менее серьёзное
распространение естественно невозможно без дальнейшей модернизации.
5. Охрана труда
Введение
Современный научно-технический
прогресс способствует тому, что практически во всех отраслях деятельности
человека широко применяются компьютерные технологии с использованием
электронно-вычислительных машин (ЭВМ). Внедрение компьютеров в сферу управления
производством, транспортные и банковские системы, в бизнес и образование, в
отрасли теле-, радио- коммуникаций и сферу обслуживания привело к тому, что
десятки миллионов людей во всем мире оказались участниками взаимодействия
человек - компьютер.
Охрана жизни и здоровья людей в
процессе их трудовой деятельности, обеспечение безопасных условий труда - одна
из наиболее важных задач современности. Поэтому возрастает актуальность
разработки и внедрения новых способов нормализации условий труда, обеспечения
здоровья работников, чья деятельность тесно связана с компьютером.
Состояние организма пользователя в
значительной мере зависит от типа работы с ЭВМ и условий ее выполнения.
Например, для программистов, работающих на компьютере целый день, предъявляются
особые требования к машинам и рабочему месту.
В данном случае производственным
помещением является офисное помещение размером 6´7´3 м, где
расположены персональные ЭВМ (12 штук) и два лазерных принтера. В помещении 2
световых проема (2,5´1,3.
Помимо естественного освещения помещение оснащено люминесцентными лампами
дневного света в количестве 6 штук.
5.1 Выявление и анализ опасных и
вредных производственных факторов, действующих в офисном помещении.
Под микроклиматом подразумевается
состояние воздуха производственного помещения, которое определяется
температурой, относительной влажностью, циркуляцией воздуха и тепловым
излучением нагретых поверхностей. В совокупности все перечисленные факторы
влияют на состояние людей, находящихся в этом помещении. В процессе трудовой
деятельности человек находится в постоянном тепловом взаимодействии с
производственной средой. При нормальных микроклиматических условиях в организме
работника, благодаря терморегуляции, поддерживается постоянная температура
(36,6ºC).
Количество тепла, образующегося в
организме, зависит от физической нагрузки работника, а уровень теплоотдачи - от
микроклиматических условий производственного помещения. Поскольку работа за
компьютером характеризуется незначительными физическими нагрузками, то этот вид
деятельности принадлежит к категории легких работ по критерию энергозатрат
организма (ГОСТ 12.1.005-88). Для того, чтобы физиологические процессы в
организме человека происходили нормально, тепловая энергия, выделяющаяся во
время работы, должна полностью выделятся в окружающую среду.
Оптимальными микроклиматическими
условиями считается такое соотношение параметров микроклимата, при котором в
условиях длительной и систематической деятельности у человека возникают
комфортные тепловые ощущения и происходит сохранение нормального теплового
состояния организма без напряжения механизмов терморегуляции. Допустимые
микроклиматические условия предусматривают возможность возникновения
дискомфортных ощущений и изменения теплового состояния организма, однако они
быстро проходят и нормализуются за счет механизмов терморегуляции в рамках
физиологических возможностей.
Ионный состав воздуха
В воздухе внешней окружающей среды,
как и в воздушном пространстве помещений, всегда есть определенное количество
заряженных частиц - ионов (на 1 см³ приходится 1000 отрицательных ионов и более 1200 положительных).
Ионный состав воздуха может значительно изменятся в зависимости от ряда
причинных факторов, которые также зависят от специфики производственной
деятельности. Так, проведенные исследования подтвердили факт значительного
изменения ионного состава воздуха на рабочих местах с ВДТ в течение рабочего
дня. Установлено, что через 5 минут работы ВДТ концентрация легких
отрицательных ионов уменьшилась приблизительно в 8 раз, а через 3 часа была
практически равна нулю. Значительно изменяется концентрация средних и тяжелых
негативно заряженных частиц. В тоже время концентрация положительных ионов
возрастает, и через 3 часа работы с ВДТ в воздухе рабочей зоны доминировали
положительно заряженные частицы всех размеров. Такое изменение баланса ионного
состава воздуха приводит к неблагоприятному влиянию на здоровье пользователей
ВДТ. Подтверждается негативное влияние, обусловленное увеличением количества
позитивных ионов на умственную и физическую трудоспособность, развитие
усталости, деятельность сердечно-сосудистой системы, дыхательных путей,
кроветворения, нервной вегетативной системы. Отмечено значительное влияние на
систему регистрации информации, прежде всего на краткосрочную память. В тоже время
доказано, что отрицательные ионы оказывают благоприятное воздействие на
здоровье человека.
Производственный шум и вибрации
Известно, что шум неблагоприятно
влияет на слуховой аппарат и другие органы и системы организма человека.
Определяющим фактором такого влияние является интенсивность шума, его частотный
состав, длительность каждодневного влияния, индивидуальные особенности
человека, а также специфика производственной деятельности и интенсивность
использования компьютера характеризуется ощутимым влиянием даже на первый
взгляд незначительного уровня шума. Это влияние выражается в снижении
умственной работоспособности, быстрой утомляемости, появлении головной боли и
т.д.
На компьютеризированных рабочих
местах основными источниками шума являются вентиляторы системного блока,
накопители, принтеры (например, матричные).
Электромагнитные излучения
Как было отмечено ранее, дисплеи на
основе ЭЛТ являются потенциальным источником излучения нескольких диапазонов
электромагнитного спектра: рентгеновского оптического и радиочастотного. Каждый
вид излучения отличается своими особенностями влияния на организм человека.
При исследовании на предмет
рентгеновских излучений видеотерминалов компьютеров было выявлено, что
источником ‘мягкого’ рентгеновского излучения является экран. Наиболее высокий
уровень рентгеновского излучения зарегистрирован при максимальной яркости и при
густо заполненном экране. Однако во всех случаях рентгеновское излучение от ВДТ
не превышало фонового уровня.
Оптическое излучение возникает в
результате взаимодействия электронов со слоем люминофора, нанесенного на экран
ВДТ. Область оптического излучения включает ультрафиолетовое (УФ), световое и
инфракрасное (ИК) излучения.
Большинство физиологических
эффектов, связанных с УФ-излучением, проявляется достаточно быстро. Это
излучение, как правило, влияет на кожу и глаза человека. Глаза в отличие от
кожи не приобретают устойчивости к повторному УФ-излучению.
Видимое излучение охватывает узкий
диапазон частот между длинными волнами УФ-излучения (400 нм) и короткими
волнами ИК-излучения (760 нм). По мнению медиков, такой вид излучения не может
причинить вреда зрительному аппарату. Влияние ярких источников света может
вызвать утомление глаз, воспаление радужной оболочки и спазм век. Эти симптомы
быстро проходят и не вызывают патологических изменений.
.2 Разработка мероприятий по
предотвращению или ослаблению возможного воздействия опасных и вредных факторов
на работников офисных помещений
Для обеспечения оптимальных
микроклиматических условий в любое время года помещения, в которых расположены
компьютеризованные рабочие места, должны быть оснащены системами
кондиционирования воздуха, которая автоматически поддерживает заданные
параметры микроклимата.
Необходимую концентрацию
положительных и отрицательных ионов в атмосфере рабочих мест можно обеспечить
путем применения:
генераторов отрицательных ионов;
установок искусственного увлажнения;
кондиционеров;
принудительной вентиляции
(проветривание, приборов локальной вентиляции);
защитных заземленных экранов.
В виду высокой вероятности
содержания в воздухе рабочей зоны вредных химических соединений, необходимо
выключать ВДТ за ненадобностью, а лазерный принтер желательно расположить
подальше от рабочего места. Однако основными мероприятиями по предупреждению
неблагоприятного влияния озона и других вредных веществ на здоровье работника
отдела бухгалтерии являются обеспечение функционирования вытяжной вентиляции.
Для того чтобы вредные вещества не проникали из соседних помещений в помещения
с ВДТ, необходимо создать некоторое излишнее давление.
Основными способами борьбы с шумом
являются:
снижение уровня шума в источнике его
возникновения (на этапе проектирования);
использование звукопоглощающих и
звукоизолирующих материалов;
рациональное планирование помещений
и рабочих мест.
Для снижения уровня шума на рабочих
места матричные принтеры рекомендуется размещать в других помещениях, или
оградить их звукоизолирующими экранами.
Поскольку внешние шумы (улица,
смежные помещения) также могут негативно влиять на функциональное состояние
работников с ВДТ, то стены помещений, в которых расположены компьютеризованные
рабочие места, желательно облицовывать звукопоглощающими материалами. Однако
целесообразность их использования должна быть согласована со специалистами по
акустике. Звукопоглощающие материалы должны обладать максимальный коэффициент
звукопоглощения в диапазоне частот 31,5 - 8000Гц и должны быть разрешены
органами государственного санитарно-эпидемиологического наблюдения.
Для снижения уровня вибрации
оборудования, приборов их необходимо устанавливать на специальных
амортизирующих прокладках, предусмотренных нормативными документами.
С целью профилактики
неблагоприятного влияния электромагнитных излучений от ВДТ на пользователя
необходимо:
установить на рабочем месте видеотерминалы,
соответствующие современным требованиям по защите от излучений;
установить на ВДТ заземленный
приэкранный фильтр;
не перегружать помещения большим
количеством рабочих мест с ВДТ;
не нагромождать рабочие места
большим количеством радиоэлектронных приборов;
выключать ВДТ за ненадобностью,
когда кто-либо присутствует вблизи видеотерминала.
Для промывания деталей необходимо
использовать негорючие моющие средства. В случае необходимости проведения
мелкого ремонта или технического обслуживания ЭВМ непосредственно в
компьютерном зале и невозможности использования негорючих моющих средств
разрешается иметь не более 0,5 л легкогорючего вещества в плотно закрывающейся
небьющейся таре.
Помещения, в которых
размещаются персональные ЭВМ, должны быть оснащены системой автоматической
пожарной сигнализации с дымовыми пожарными сигнализаторами и переносными
углеродными огнетушителями с расчетом 2 шт. на каждые 20 м
площади
помещения в соответствии с допустимой концентрацией огнетушащих веществ.
.3 Расчет искусственного
освещения световых проемов в офисном помещении
Искусственное освещение
может быть двух типов: общее и комбинированное, состоящее из общего и местного
освещения рабочих мест. Общее освещение делится на общее равномерное, когда
необходимо осветить все помещение или площадь работ с равномерно расставленным
оборудованием, требующем одинаковой освещенности, и общее локализованное, когда
необходимо усилить освещение отдельных рабочих мест или оборудование
разнотипно, и требует различной освещенности. Для искусственного освещения
применяют лампы накаливания и газоразрядные лампы (люминисцентые, типа ДРЛ, ДРИ
и др.).
Источник света вместе с
осветительной арматурой называется светильником, или осветительным прибором.
Расположение светильников общего освещения в помещении определяется высотой H
помещения, расстоянием hс от светильников до перекрытий, высотой hп=H-hc, на
которой светильники расположены над полом, высотой hp, на которой находится
рассчетная поверхность над полом, рассчетной высотой h=hп-hp, расстоянием L
между рядами светильников.
Рассчитаем необходимое
количество светильников для общего равномерного освещения отдела бухгалтерии по
формуле:
, (5.2.1)
где N - количество светильников,
шт.;
Ф - освещенность
светового потока ламп в светиьнике, лм;
Фл - нормированное
значение освещенности при искусственном освещении Фл=590 лм(табл.2.3 [3]).
Освещенность светового
потока можно найти из соотношения:
, (5.2.2)
где Е - нормируемая
освещенность. Так как характер зрительной работы имеет очень малую точность, то
Е=150 лк(табл.2.5 [3]);
Кз - коэфициент запаса
Кз=1.65 [3];- освещаемая площадь, м2, определяется по формуле (7.6);-
коэфициент неравномерности освщения Z=1.15 [3];
η - коэфициент
использования светового потока.
Коэфициент использования
светового потока определяется из таблицы 2.8 [3] при известных коэфициентах
отражения стен(%) - 50(светлые), потолка - 70(светлый), рабочей поверхности -
10(темная) и индекса помещения, который определяется по формуле:
, (5.2.3)
где i - индекс
помещения;- длина помещения A=5.2 м;
В - ширина помещения
В=4.7 м;- рассчетная высота помещения, которая определяется из соотношения:
, (5.2.4)
где hр - высота, на
которой находится рассчетная поверхность над полом hp = 0.7;п - высота, на
которой светильники расположены над полом, которая определяется по формуле:
, (5.2.5)
где H - высота помещения
H=3 м;- расстояние от светильников до перекрытий hс=0 м.
Освещаемую площадь можно
рассчитать по формуле:
, (5.2.6)
где A - длина помещения
А=5,2 м;
В - ширина помещения
В=4,7 м.
Таким образом, из
формулы (7.5) видно, что высота, на которой светильники расположены над полом
равна:
Рассчетная высота
помещения равна:
Индекс помещения равен:
Освещаемая площадь
равна:
Коэффициент
использования светового потока найдем из таблицы η=0.49.
Освещенность светового
потока можно найти из соотношения:
Наконец вычислим
необходимое количество светильников:
В помещении имеется 6
светильников, расположенных в 2 ряда по 3 в каждом. Каждый светильник состоит
из 4 ламп дневного света, что в общей сложности составляет 24 лампы. Таким
образом, видно, что помещение освещено достаточным образом.
.4 Выводы по охране
труда
Помещение, где
производились исследования на предмет безопасности и комфортности рабочей
обстановки, соответствует установленным нормам и правилам.
Оптимальные
микроклиматические условия обеспечиваются установленными современными
кондиционерами, которые поддерживают несколько режимов работы с регулированием
влажности, температуры и других параметров микроклимата. Кондиционеры также
способствуют необходимой концентрации положительных и отрицательных ионов в атмосфере
рабочих мест путем увлажнения воздуха.
Сотрудники офиса следуют
рекомендациям по снижению содержания в воздухе рабочей зоны вредных химических
соединений и стараются выключать мониторы за ненадобностью, кроме того, все
принтеры максимально удалены от рабочих мест и не причиняют вреда. Это в свою
очередь также снижает уровень шума в помещении и уменьшает неблагоприятное
воздействие электромагнитных излучений.
Проведенные расчеты по
искусственному освещению показали, что помещение имеет достаточное количество
светильников, которые позволяют обеспечить необходимое освещение помещения.
Вывод
В ходе данного проекта
разработана система ограничения доступа с анализом радужной оболочки глаза.
Рассмотрены виды СКУД, дверных контроллеров, методы биометрических
идентификаций. Проведёны разработки схемы структурной устройства, схемы
электрической принципиальной, алгоритма работы.
В дальнейшем, для
модернизации устройства, планируется разработка базы данных для хранения
записей, а также разработка клиентского программного обеспечения. Данные работы
планируются быть выполнены при разработке выпускной работы квалификации
"специалист" или "магистр".
Перечень ссылок
1. В.А. Ворона В.А. Тихонов Системы контроля и управления
доступом: Москва Горячая линия - Телеком, 2010.
. Горлицин И. Контроль и управление доступом - просто и
надежно КТЦ «Охранные системы», 2012.
. Гинце А. Новые технологии в СКУД. Системы безопасности,
2005.
. Гинце А. Биометрические считывания - практика применения.
ААМ Системз. 2007.
. Кондратьев Д.Р. Биометрические устройства для СКУД.
Системы безопасности, 2009.