Разработка системы 'Управление умным домом'

  • Вид работы:
    Дипломная (ВКР)
  • Предмет:
    Информационное обеспечение, программирование
  • Язык:
    Русский
    ,
    Формат файла:
    MS Word
    1,17 Мб
  • Опубликовано:
    2014-09-24
Вы можете узнать стоимость помощи в написании студенческой работы.
Помощь в написании работы, которую точно примут!

Разработка системы 'Управление умным домом'

Содержание

 

Введение

1. Анализ технологий "умного дома"

1.1 Базовые понятия "умного дома"

1.2 Протоколы передачи для автоматизации зданий

1.3 Описание технологического процесса и модель автоматизации

2. Разработка системы управления зданием

2.1 Анализ и выбор контроллера

2.2 Выбор модулей ввода-вывода

2.3 Разработка микропроцессорной сети

3. Детальная разработка систем автоматизации

3.1 Анализ программного обеспечения для работы с контроллером

3.2 Система обогрева помещений

3.3 Система вентиляции

3.4 Система управления освещением и ландшафтным отоплением

3.5 Система мониторинга

3.6 Разработка человеко-машинного интерфейса

4. Технология производства программного продукта

4.1 Проектирование модели жизненного цикла системы

4.2 Технология отладки и тестирования системы

4.2.1Отладка системы

4.2.2 Тестирование системы

5. Бизнес-план разработки микропроцессорной системы автоматизация здания

5.1 Резюме

5.2 Научно-технический раздел

5.3 Анализ положения дел в отрасли

5.4 Суть разрабатываемого проекта

5.4.1 Назначение

5.4.2 Преимущества перед аналогами

5.5 План маркетинга

5.5.1Описание товара

5.5.2 Анализ рынка сбыта

5.6 Производственный план

5.6.1 Место разработки

5.6.2 Перечень технологических процессов и необходимого оборудования

5.7 Финансовый план

5.7.1 План разработки программного обеспечения

5.7.2 Определение себестоимости разработки программного обеспечения

5.7.3 Оценка экономической эффективности инвестиционного проекта

5.7.3.1 Критерии эффективности коммерческих инвестиций

5.7.3.2 Расчёт экономической эффективности инвестиционного проекта

Заключение

Введение

В современных интеллектуальных зданиях системы автоматизации и управления зданиями занимают ключевое место, обеспечивая взаимосвязь всего инженерного оборудования и систем здания.

В ряде исследований последних лет показана устойчивая тенденция к возрастанию доли стоимости и объема инженерных систем и систем автоматизации в общей стоимости строительных объектов. Развитие этой тенденции к настоящему моменту привело к качественному изменению места и роли систем автоматизации и управления зданиями с одной стороны и концепции взаимной увязки инженерного оборудования объектов и организационно-технических решений по эксплуатации с использованием систем автоматизации и управления зданиями с другой стороны.

В то же время, системы автоматизации и управления зданиями формируют базу для создания новых сервисов для пользователей в рамках объекта. Это находит выражение в повышении потребительской привлекательности интеллектуальных зданий, выражающейся, в частности, в снижении страховых рисков за счет повышения устойчивости интеллектуальных зданий к различным дестабилизирующим факторам и снижении расходов на эксплуатацию, т.е. в повышении эффективности интеллектуальных зданий по сравнению с традиционными решениями.

Дешевая рабочая сила и энергоносители замедляют продвижение технологий автоматизаций зданий на российский рынок, однако конкуренция на рынке недвижимости делает их все более востребованными.

Вместе с тем, экономический рост последних лет, ведет от избытка электроэнергии в прошлом к ее дефициту в будущем, что, в свою очередь, создает предпосылки более широкого внедрения энергосберегающих технологий и алгоритмов управления, которые, в первую очередь, обеспечиваются системами автоматизации зданий.

программный продукт умный дом

Целью работы является создание микропроцессорной системы управления зданием, внедрение которой даст возможность управлять работой ее объектов (освещением, электроснабжением, вентиляцией, отоплением) в автоматическом режиме.

Основные задачи разработки системы: анализ существующих методов построения системы автоматического управления зданием, выбор наиболее подходящей аппаратной базы, выбор средств разработки программного обеспечения для контроллера и человеко-машинного интерфейса, разработка алгоритмов управления работой объекта и реализация этих алгоритмов в программном обеспечении для контроллера и человеко-машинного интерфейса.

1. Анализ технологий "умного дома"


1.1 Базовые понятия "умного дома"


За последние 20.30 лет системы автоматизированного управления перестали быть модной экзотикой. Вне зависимости от области применения, будь то здание, сборочный цех или поезд метро, целью внедрения таких систем являются снижение эксплуатационных расходов, обеспечение важной информацией, повышение безопасности и комфорта. Но, несмотря на то, что журналистов модных изданий сейчас больше интересуют достижения традиционных IT-компаний, прогресс в области автоматики управления может в ближайшем будущем оказать на наше мироощущение не меньшее воздействие, чем появления сотовых телефонов и Internet. [1]

Для того чтобы понять, как сильно изменились возможности в области автоматизации за последние годы и как они еще поменяются, важно осознать значение некоторых технологических прорывов, которые произошли за последние годы. Разработчики не стоят на месте. Предсказать, как далеко они уйдут вперед всего через несколько лет, можно только, бросив взгляд назад.

После завершения эры мэйнфрэймов, широкое развитие получили сети миникомпьютеров, а затем, дешевых персональных ЭВМ, способных, тем не менее, решать достаточно сложные профессиональные задачи. В данной дипломной работе некоторые фрагменты текста отсутствуют или замещены на текст не соответствующий теме этого диплома. Отсутствуют или не соответствуют некоторые необходимые формулы, расчеты, диаграммы и таблицы. Для получения оригинальной версии работы пишите на электронный адрес, указанный в конце дипломной работы, в заключении. Объединенные в сети, подобные устройства находят все более широкое применение в системах автоматики различного назначения.

Правда, на пути технического прогресса оказалось немало серьезных препятствий. Мало того, что системы автоматики различного назначения были автономны, но и сходные по управляющим функциям системы различных производителей были, как правило, несовместимы между собой. Фирмы-разработчики использовали свои закрытые коммуникационные протоколы и не предусматривали интерфейсов для взаимодействия с системами других производителей. Являясь собственностью отдельных компаний, соответствующие продукты и технологии автоматизации с трудом поддавались интеграции друг с другом. Для решения этой проблемы требовались дорогостоящие технические решения, связанные с написанием нового программного обеспечения, изменения топологии сети и закупки дополнительных компонентов.

Таким образом, в определенный момент на рынке сложились объективные предпосылки для успешного внедрения новых подходов в области автоматизации.

В данной дипломной работе некоторые фрагменты текста отсутствуют или замещены на текст не соответствующий теме этого диплома. Отсутствуют или не соответствуют некоторые необходимые формулы, расчеты, диаграммы и таблицы. Для получения оригинальной версии работы пишите на электронный адрес, указанный в конце дипломной работы, в заключении.

Как комплексное решение задачи сначала появились Intelligence Buildings (интеллектуальные здания), основой которых были структурированные кабельные сети. Система позволяла коммутировать и использовать один и тот же кабель для нужд АТС, компьютерной сети, системы безопасности и т.д. Потом начали появляться системы мультиплексирования каналов связи, позволяющие передавать по одному кабелю различную информацию одновременно. Бурно развивающаяся информатика позволила форсировать эти работы, когда всем стало ясно, что любой проект кабельной системы здания устаревает к моменту завершения строительства.

Поскольку развитие данного направления представлялась более чем сверхприбыльным, на него были пущены немалые средства, и в результате появилась идея "умного дома". Типичный пример такого здания показан на рисунке 1.1.

Рисунок 1.1 - "Умный дом"

"Умный дом" - это комплекс электроники, которая работает внутри или снаружи дома и выполняет централизованное управление всеми (или почти всеми) инженерными системами. Под инженерными системами понимается всё техническое оборудование дома (от канализации до аудио-видео техники). Идея "умного дома" состоит в том, что единый комплекс электроники согласованно управляет работой всего инженерного обеспечения дома. [2]

Очень важно, чтобы алгоритмы взаимодействия подсистем в доме были гибкими, и могли приспосабливаться под изменяющиеся нужды владельца дома. В данной дипломной работе некоторые фрагменты текста отсутствуют или замещены на текст не соответствующий теме этого диплома. Отсутствуют или не соответствуют некоторые необходимые формулы, расчеты, диаграммы и таблицы. Для получения оригинальной версии работы пишите на электронный адрес, указанный в конце дипломной работы, в заключении. Самая главная аксиома "умного дома" состоит в том, что система управления и её инженерные подсистемы должны быть построены по блочному принципу. Это означает, что каждая подсистема должна уметь работать автономно, чтобы её работу можно было отладить и обслуживать, отключив оборудование от центрального управления.

"Умный дом" имеет ряд преимуществ: позволяет экономить до 10-18% электроэнергии, повышать комфорт и безопасность и т.д.

Принцип работы "умного" дома заключается в центральном компьютере, принимающем сигналы от командных устройств, затем эти сигналы передаются исполнительным системам. Управление различными устройствами осуществляется простейшей системой автоматики.

Впервые задача по созданию "умного дома" была решена в 1978 году компаниями Х10 USA и Leviton, которые разработали технологию для управления бытовыми приборами по проводам бытовой электросети. В данной дипломной работе некоторые фрагменты текста отсутствуют или замещены на текст не соответствующий теме этого диплома. Отсутствуют или не соответствуют некоторые необходимые формулы, расчеты, диаграммы и таблицы. Для получения оригинальной версии работы пишите на электронный адрес, указанный в конце дипломной работы, в заключении. Но технология эта была рассчитана на напряжение 110В и частоту сети 60 Гц, поэтому не получила распространения в России. Впрочем, Х10 сегодня уже считается устаревшим, поскольку создавался для управления электроосветительными устройствами и поддерживал всего шесть команд управления питанием. Для создания "интеллектуального дома" этого явно недостаточно. Аудио - и видеотехника требуют как минимум команд смены каналов, изменения громкости, перемотки и управления воспроизведением; а ведь требуется управлять еще системой HVAC (отопление, вентиляция, кондиционирование воздуха). В поисках решений этой проблемы различными компаниями предпринимались попытки к разработкам новых протоколов передачи данных.

1.2 Протоколы передачи для автоматизации зданий


На сегодняшний день насчитывается более трех сотен разных протоколов передачи данных в системах автоматики. Все они должны соответствовать определённым требованиям.

В системах автоматизации ошибка в передаваемых от контроллера или к нему данных означает сбой исполнительного механизма. Стоимость такой ошибки может быть очень велика. Поэтому краеугольными требованиями, предъявляемыми к протоколу передачи данных, является надежность протокола, его устойчивость к ошибкам и возможным обрывам линии. В таблице 1.1 приведены возможные варианты инженерных решений этой задачи.

Таблица 1.1 - Варианты решений, применяемые для повышения устойчивости протоколов передачи данных к ошибкам

Задача, решаемая системой передачи данных

Применяемое решение.

Надежная передача сообщений, контроль целостности

 В данной дипломной работе некоторые фрагменты текста отсутствуют или замещены на текст не соответствующий теме этого диплома. Отсутствуют или не соответствуют некоторые необходимые формулы, расчеты, диаграммы и таблицы. Для получения оригинальной версии работы пишите на электронный адрес, указанный в конце дипломной работы, в заключении.

Защита от сбоев

 Избыточность посредством дублирования узлов, линий, сетей. Кольцевая топология, позволяющая сохранить связь при локализованном обрыве.

Изоляция сбойных участков и восстановление.

 Автоматическая идентификация сбойного узла. Дистанционное управление посредством удаленных команд процессом изоляции и отключения сбойных узлов.


Системы контроля и управления зданий подвергаются расширению несколько раз в течение жизненного цикла. В данной дипломной работе некоторые фрагменты текста отсутствуют или замещены на текст не соответствующий теме этого диплома. Отсутствуют или не соответствуют некоторые необходимые формулы, расчеты, диаграммы и таблицы. Для получения оригинальной версии работы пишите на электронный адрес, указанный в конце дипломной работы, в заключении. Как правило, если предприятие осваивает новую продукцию или расширяет производство, существующие датчики либо заменяются, либо дополняются более точными. При этом, протягивая линии связи к новым контроллерам или интеллектуальным адресным датчикам, зачастую приходится сталкиваться с жесткими требованиями топологии используемого протокола. Поэтому в данном случае, идеальным будет протокол, имеющий минимальные требования к топологии линий. Такой протокол принято называть протоколом со свободной топологией. В данной дипломной работе некоторые фрагменты текста отсутствуют или замещены на текст не соответствующий теме этого диплома. Отсутствуют или не соответствуют некоторые необходимые формулы, расчеты, диаграммы и таблицы. Для получения оригинальной версии работы пишите на электронный адрес, указанный в конце дипломной работы, в заключении. Эти процедуры должны быть определены недвусмысленно, ясно и четко и быть безошибочно реализованы так, чтобы всевозможные узлы и контроллеры могли взаимодействовать между собой. [4]

Основными доступными сейчас и в будущем вариантами протоколов являются:

Решения, основанные на CAN, такие как CAN автоматизация,, J1850 и SDS;

Шины простых сенсоров Seriplex и Bitbus;

Технология LonWorks;;;

Промышленная шина EtherCat;

Естественно существуют и другие схемы, предназначенные для решения специфических задач. Компании, разработчики протоколов, не предполагали продавать их третьим организациям, а планировали использовать их в своей работе. В таблице 1.2 сведены несколько характеристик вышеприведенных протоколов.

Таблица 1.2 - Основные характеристики протоколов передачи

Характеристики

BACnet

CAN-based (SDS, DeviceNet

CEBus

EtherCat

LONWORKS

Область применения

Автоматизация зданий

Трнаспорт (J1850,J1939) Дискретная автоматизация (SDS, DeviceNet)


Автоматизация здания

Автоматизация зданий Управление производством Автоматизация фабрик Транспорт Автоматизация жилища

Уровни OSI/ISO

1,2,3,7


1,2,3,7

1,2,3,4,5,6,7

1,2,3,4,5,6,7

Поддерживаемые среды передачи


Витая пара (SDS, DeviceNet) Альтернативные решения на основе оптоволокна для сетей CAN

Силовые электрические линии (FCC) Коаксиальный кабель RF

Витая пара. Оптоволокно

Витая пара со свободной топологией Витая пара Линии электропитания (решение, совместимое со стандартами FCC и CENELEC) Оптоволокно Коаксиальный кабель RF (несколько диапазонов)

Скорость передачи данных

10 Mbps

1 Mbps (CAN) 1 Mbps (SDS) 500 Kbps (DeviceNet)

6.666 kbps (или 10 kbps

10 Mbps


Максимальное адресное пространство

248


216

65535 узлов в сети

248 доменов, 32000 узлов в домене

Поддержка маршрутизаторов сетевого уровня

Есть

Нет

Нет


Есть

Аутентификация

Есть

Нет

На уровне проложения

Есть

Есть



Промышленная шина EtherCAT разработана немецкой фирмой Beckhoff. EtherCAT - это Ethernet-решение для автоматизации, которое отличается высокой производительностью и простотой использования. С помощью EtherCAT можно дополнить Ethernet-топологию типа "звезда" простой линейной структурой. В данной дипломной работе некоторые фрагменты текста отсутствуют или замещены на текст не соответствующий теме этого диплома. Отсутствуют или не соответствуют некоторые необходимые формулы, расчеты, диаграммы и таблицы. Для получения оригинальной версии работы пишите на электронный адрес, указанный в конце дипломной работы, в заключении. [3]

С позиции Ethernet шина EtherCAT является ни чем иным, как самостоятельным большим пользователем Ethernet. Этот "пользователь" принимает и посылает Ethernet-пакеты. Но внутри "пользователя" нет никакого Ethernet-контроллера с подсоединенным процессором. Вместо этого там находится множество подчиненных EtherCAT компонентов системы. Они обрабатывают поступающий поток пакетов и вынимают из них необходимые данные или, говоря другими словами, они обрабатывают и передают пакет дальше следующему подчиненному компоненту EtherCAT. В данной дипломной работе некоторые фрагменты текста отсутствуют или замещены на текст не соответствующий теме этого диплома. Отсутствуют или не соответствуют некоторые необходимые формулы, расчеты, диаграммы и таблицы. Для получения оригинальной версии работы пишите на электронный адрес, указанный в конце дипломной работы, в заключении. Достоинством шины EtherCAT является короткое время цикла и высокая скорость осуществления передачи. EtherCAT может в 30 мс опрашивать 1000 устройств ввода-вывода с любым цифровым распределением, при этом считывая и записывая с полным дублированием. Для передачи 200 аналоговых значений необходимо 50 мс. EtherCAT поддерживает почти любую сетевую топологию. При использовании кабеля UTP максимальное расстояние между двумя пользователями может достигать 100 м. Количество узлов в сети практически неограниченно, так как их число может доходить до 65535.

С точки зрения аппаратного обеспечения технология EtherCAT находит применение в модулях ввода-вывода. В отличие от контроллеров ввода-вывода, у которых отличается внешний и внутренний протокол обмена, протокол EtherCAT полностью сохраняется вплоть до отдельного модуля ввода-вывода.

Следующий протокол передачи для управления системами "умного дома - это протокол X 10. Торговая марка Х-10 принадлежит американской корпорации, расположенной в Сиэтле. За годы существования технологии (с 1978 года) продано уже более 100 миллионов устройств. И популярность систем Х-10 продолжает нарастать.это протокол передачи управляющих сигналов по проводам силовой сети (220В, 50Гц) внутри дома. Формат кода был впервые представлен в 1978 для Sears Home Control System and the Radio Shack Plug 'n Power System. С тех пор многие компании, включая такие как Leviton Manufacturing Co., General Electric, C & K Systems, Schlage Lock Co., Stanley and Heath/Zenith Co развили и воспроизвели стандарт X-10 в своих изделиях, предназначенных для систем управления домом. Система Х-10 получила широкое распространение во многих развитых странах.

Большое преимущество Х-10 состоит в том, что любой модуль начинает работать сразу после установки. В данной дипломной работе некоторые фрагменты текста отсутствуют или замещены на текст не соответствующий теме этого диплома. Отсутствуют или не соответствуют некоторые необходимые формулы, расчеты, диаграммы и таблицы. Для получения оригинальной версии работы пишите на электронный адрес, указанный в конце дипломной работы, в заключении. Потребности, вкусы и интересы обитателей любого дома со временем меняются. Технология X-10 позволяет создавать системы управления домом, которые несложно перестраивать и развивать в соответствии с меняющимися запросами Несмотря на то, что у X10 существует множество конкурентов и она имеет свои недостатки, на сегодня это едва ли не самая популярная технология автоматизации домов и квартир. Поскольку для внедрения и возможной последующей модернизации практически не требует прокладки дополнительных сетевых проводов. При переезде на новое место жительства систему можно забрать с собой.

На рисунке 1.3 изображена система EIB, которая также предназначена для создания микропроцессорной сети "умного дома". Она устанавливается как в больших зданиях (банки, больницы, школы, производство), так и в частных коттеджах и квартирах. Система управляет всем комплексом электрики. [4]

-3 - датчики (освещённости, температуры, движения, дыма);

- устройства мониторинга и контроля; 5-8 - исполнительные устройства (освещение, кондиционеры, приводы ворот, жалюзи);

- управляющий элемент

Рисунок 1.3 - Пример системы EIB

протокол поддерживает обмен по витой паре (Twisted Pair), непосредственно по силовой линии (Power Line), по радиочастоте (Radio Frequency), по ИК-каналу (Infra-Red). [12] В данной дипломной работе некоторые фрагменты текста отсутствуют или замещены на текст не соответствующий теме этого диплома. Отсутствуют или не соответствуют некоторые необходимые формулы, расчеты, диаграммы и таблицы. Для получения оригинальной версии работы пишите на электронный адрес, указанный в конце дипломной работы, в заключении.

Выбор протоколов для системы "умный дом" во многом зависит от свойств технологического процесса, имеющегося инженерного оборудования, которое является объектом автоматизации и типа применяемых ПЛК.

 

1.3 Описание технологического процесса и модель автоматизации


Объектом автоматизации, который рассматривается в данной дипломной работе, является здание в загородном посёлке. В здании уже имеются определённые инженерные системы, такие как:

отопление;

вентиляция;

освещение;

электроснабжение.

Как видно из вышеперечисленного, все самое необходимое для условий быта есть. Это обычные "радости жизни". В данной дипломной работе некоторые фрагменты текста отсутствуют или замещены на текст не соответствующий теме этого диплома. Отсутствуют или не соответствуют некоторые необходимые формулы, расчеты, диаграммы и таблицы. Для получения оригинальной версии работы пишите на электронный адрес, указанный в конце дипломной работы, в заключении. Вентиляция существует как пассивная система без возможной регулировки и толком не несет основных функций. Освещение выполняет лишь 2 функции - включение и выключение без создания какого-либо комфорта особенно по утрам. Поэтому и встал вопрос о создании "умного дома".

Автоматика должна:

управлять работой функциональных элементов;

включать и выключать приводы электромоторов;

осуществлять слежение за оборудованием;

формировать аварийные сигналы: контроль вентиляции контроль отопления, контроль освещения и т.д.

Автоматики позволяет исключить человеческий фактор. Не редко бывает так, что человек по определенным причинам забыл выключить газовую плитку или воду в ванной. Это неминуемо проводило бы к нежелательным последствиям. Автоматики же не даст развития подобным ситуациям и вовремя примет соответствующие действия.

В данной дипломной работе некоторые фрагменты текста отсутствуют или замещены на текст не соответствующий теме этого диплома. Отсутствуют или не соответствуют некоторые необходимые формулы, расчеты, диаграммы и таблицы. Для получения оригинальной версии работы пишите на электронный адрес, указанный в конце дипломной работы, в заключении.

Когда определены основные объекты автоматизации, проводится тщательный анализ всего инженерного оборудование и определяется необходимое количество точек входа-выхода для управления системой. В данном случае будут необходимы модули как с дискретными входами-выходами так и с аналоговыми. Общее количество точек ввода-вывода для каждой из систем приведено в таблице 1.3.

Таблица 1.3 - Количество точек входа-выхода для систем автоматизации.

СИСТЕМЫ АВТОМАТИЗАЦИИ

Точки ввода

Точки вывода


DI

AI

DO

AO

Управление подогревом тёплых полов





Управление подогревом батарей





Управление системой вентиляции





Управление освещением





Управление подогревом ливнестоков





Мониторинг





Итого






Как видно из таблицы 1.3 количество точек ввода - вывода относительно не велико. Этот показатель имеет существенное значение при построении микропроцессорной сети и выборе программируемых контроллеров, а также модулей ввода-вывода.

2. Разработка системы управления зданием

 

2.1 Анализ и выбор контроллера


В системе управления работой "умного дома" на контроллер возлагается функции по управлению, коммуникации и настройке внешних устройств (датчики, исполнительные механизмы, регуляторы и т.д.) При этом он является одним из наиболее важных компонентов в цепи обмена данными между полевым оборудованием (датчиками и исполнительными механизмами) и средствами АСУТП верхнего уровня (диспетчерским пунктом).

ПЛК были разработаны для замены релейно-контактных схем управления, собранных на дискретных компонентах: реле, таймерах, счетчиках, элементах жесткой логики. Принципиальное отличие ПЛК от релейных схем заключается в том, что в нем все алгоритмы управления реализованы программно. В данной дипломной работе некоторые фрагменты текста отсутствуют или замещены на текст не соответствующий теме этого диплома. Отсутствуют или не соответствуют некоторые необходимые формулы, расчеты, диаграммы и таблицы. Для получения оригинальной версии работы пишите на электронный адрес, указанный в конце дипломной работы, в заключении. ПЛК может обрабатывать дискретные и аналоговые сигналы, управлять клапанами, сервоприводами, преобразователями частоты и другими устройствами. Типовая структура ПЛК показана на рисунке 2.1

Рисунок 2.1 - Типовая структура ПЛК

Цепи ПЛК разделаны на три основные гальванические изолированные зоны. Электрическая изоляция обеспечивает безопасность, когда отказ в одной зоне не приводит к нарушениям в другой. В данной дипломной работе некоторые фрагменты текста отсутствуют или замещены на текст не соответствующий теме этого диплома. Отсутствуют или не соответствуют некоторые необходимые формулы, расчеты, диаграммы и таблицы. Для получения оригинальной версии работы пишите на электронный адрес, указанный в конце дипломной работы, в заключении. Гальваническая изоляция защищает интерфейс оператора (и самого оператора) от сбоев во входном электропитании или сбоев в схемах. Очень важно при монтаже ПЛК исключить создание внешних связей, соединяющих цепи логической стороны с любой другой.

Современный рынок средств автоматизации предлагает широкий спектр аппаратных и программных устройств для построения надежных и удобных в эксплуатации систем. Очень трудно правильно сориентироваться в море контроллеров, промышленных компьютеров, пакетов ПО, чтобы выбрать оптимальное по производительности оборудование и сохранить при этом одного поставщика технических средств и единую среду разработки ПО.

В настоящее время на рынке автоматизации представлен достаточно большой набор ПЛК. Все они имеют различные технические и эксплуатационные характеристики. Среди известных фирм производителей можно выделить такие, как: Advantech, Siemens, Honeywell, Beckhoff и т.д.

Для автоматизации зданий компания Advantech выпускает контроллеры серии ADAM, работающие по интерфейсу RS 485 и протоколу TCP. Одним из представителей серии ADAM является контроллер ADAM 5000/TCP. В данной дипломной работе некоторые фрагменты текста отсутствуют или замещены на текст не соответствующий теме этого диплома. Отсутствуют или не соответствуют некоторые необходимые формулы, расчеты, диаграммы и таблицы. Для получения оригинальной версии работы пишите на электронный адрес, указанный в конце дипломной работы, в заключении.

Из серии контроллеров фирмы Siemens можно выделить компактный ряд PXC…D. Эти контроллеры очень часто выбирают фирмы-разработчики в качестве базовых для создания "умных домов". В таблице 2.1 показана классификация входов-выходов контроллера PXC36-T. D Цены на эти ПЛК колеблются от 800 до 1800 EUR.

Таблица 2.1 - Классификация входов-выходов контроллера PXC36-T. D

Контроллер

PXC36-T. D

Общее количество вход/выход


Универсальных входов (UI)

 

Дискретных входов (DI)

 

Аналоговых выходов (AO)

 

Дискретных выходов (DO)

 


В последнее время, как во всём мире, так и в нашей стране приобретают популярность контроллеры фирмы Beckhoff, которая разработала передовую технологию для любых типов сигналов и любых видов промышленных шин Стоимость контроллеров Beckhoff составляет в среднем от 300 до 1100 EUR. Среди разработок Beckhoff имеется широкий ассортимент модулей ввода-вывода и интерфейсных шлюзов, поддерживающий все наиболее распространенные промышленные шины.

Проведенный анализ контроллеров таких фирм как Advantech, Siemens и Beckhoff показал, что разрабатываемые этими компаниями контроллеры удовлетворяют современным требованиям по автоматизации. В данной дипломной работе некоторые фрагменты текста отсутствуют или замещены на текст не соответствующий теме этого диплома. Отсутствуют или не соответствуют некоторые необходимые формулы, расчеты, диаграммы и таблицы. Для получения оригинальной версии работы пишите на электронный адрес, указанный в конце дипломной работы, в заключении. Это позволит значительно снизить затраты на оборудование.

На рисунке 2.2 показан внешний вид контроллера BC9000 Конструктивно контроллер серии ВС9000 выполнен в виде отдельного блока из негорючего пластика. Блок содержит центральный процессор, источник питания, панель управления, коммуникационные порты и объединительную плату для установки модулей ввода-вывода. Контроллер без труда установливается на DIN-рейку или на панель. Причем для монтажа не требуется никаких дополнительных конструктивных элементов. При этом обеспечивается открытый и удобный доступ к панели управления, к слотам для установки или замены модулей ввода-вывода и коммуникационным разъемам.

Рисунок 2.2 - Внешний вид контроллера ВС9000

Контроллер BC9000 работает по протоколу TCP/IP. Программирование и загрузка программы в контроллер осуществляется посредством использования программное обеспечение TwinCAT. [8] Основные характеристики контроллера BC9000 приведены в таблице 2.2

Таблица 2.2 - Основные характеристики контроллера BC9000

Память для программ


Длительность цикла обработки команды


Число подключаемых модулей


Протокол передачи данных


Язык программирования


К-во цифровых периферийных сигналов


К-во аналоговых периферийных сигналов


Сетевой разъём


Электропитание


Рекомендуемый плавкий предохранитель



Из таблицы 2.1 видно, что данный контроллер полностью подходит для построения микропроцессорной сети "умного дома" и удовлетворяет основные требования по количеству поддерживаемых точек ввода-вывода.

 

2.2 Выбор модулей ввода-вывода


В настоящее время разводка входных и выходных сигналов производится децентрализовано к устройствам, подключенным напрямую к промышленной шине и централизованно к программируемым логическим контроллерам. Нередко используются специфичные устройства с фиксированной конфигурацией сигналов входов/выходов, что приводит к необходимости применения целых групп однотипных устройств.

Этот дорогостоящий способ сбора сигналов требует дополнительных затрат на материалы, монтаж, проектирование и документацию, особенно при дальнейшей модификации или расширении системы, ложась дополнительным бременем на плечи обслуживающего персонала. В данной дипломной работе некоторые фрагменты текста отсутствуют или замещены на текст не соответствующий теме этого диплома. Отсутствуют или не соответствуют некоторые необходимые формулы, расчеты, диаграммы и таблицы. Для получения оригинальной версии работы пишите на электронный адрес, указанный в конце дипломной работы, в заключении.

Для подключения датчиков выбраны модули ввода KL1408 и KL3204. Эти модули совместимы с теми типами датчиков, которые используются для построения "умного дома".

Модуль дискретного ввода KL1408 предназначен для получения управляющих сигналов от датчиков и передачи их в контроллер. Подробные технические характеристики приведены в таблице 2.3.

Таблица 2.3 - Технические характеристики модуля KL1408

Количество входов


Номинальное напряжение


"0" напряжение сигнала


"1" напряжение сигнала


Потребление тока


Вес


Диапазон рабочих температур


Относительная влажность воздуха



Модуль аналогового ввода KL3204 предназначен для подключения датчиков температуры (терморезисторов) При возникновении неполадок, например обрыв кабеля между модулем и датчиком, на корпусе модуля загорается соответствующий светодиод. Подробные технические характеристики KL3204 приведены в таблице 2.4.

Таблица 2.4 - Технические характеристики модуля KL3204

Количество входов


Тип поддерживаемых датчиков


Диапазон температур считываемых с датчиков


Время отклика


Потребление тока


Вес


Диапазон рабочих температур


Относительная влажность воздуха



Для подключения исполнительных механизмов используются модули вывода KL2408 и KL4404. Внешний вид модуля KL2408 изображён на рисунке 2.3

Рисунок 2.3 - Внешний вид модуля KL2408

KL2408 - это модуль дискретного вывода. KL2408 имеет встроенную защиту от смены полярности питания. Световая индикация на модуле отображает наличие обмена данными между технологическим оборудованием, подключенным к выходам модуля и контроллером. Подробные технические характеристики приведены в таблице 2.5.

Таблица 2.5 - Основные технические характеристики модуля KL2408

Количество выходов


Напряжение питания нагрузки


Максимальный выходной ток


Защита от смены полярности напряжения питания


Вес


Диапазон рабочих температур


Относительная влажность воздуха



KL4404 - это модуль аналогового вывода. Световая индикация на модуле отображает наличие обмена данными между технологическим оборудованием, подключенным к выходам модуля и контроллером.

Подробные технические характеристики приведены в таблице 2.6.

Таблица 2.6 - Основные технические характеристики модуля KL4404

Количество выходов


Напряжение питания нагрузки


Напряжение питания модуля


Время отклика


Погрешность


Вес


Диапазон рабочих температур


Относительная влажность воздуха



Управление каналами ввода-вывода осуществляется по "промышленной шине" через интерфейсный модуль Bus coupler, который выбирается по типу шины, в соответствии с необходимыми требованиями. Использование технологии распределенного ввода-вывода при проектировании, конструировании, кабельной разводке, пуско-наладке и эксплуатации систем домашней автоматизации экономически выгодно.

В данной дипломной работе некоторые фрагменты текста отсутствуют или замещены на текст не соответствующий теме этого диплома. Отсутствуют или не соответствуют некоторые необходимые формулы, расчеты, диаграммы и таблицы. Для получения оригинальной версии работы пишите на электронный адрес, указанный в конце дипломной работы, в заключении.

Модули стыкуются один за другим, в произвольной последовательности, образуя прочную наборную конструкцию. Электрический контакт осуществляется соединением до щелчка без дальнейших манипуляций. При этом каждый модуль может заменяться по отдельности. [1]

Клеммная панель со светодиодными индикаторами статуса и съемные поля для нанесения текста обеспечивают четкую идентификацию. Трехпроводная технология, дополняемая защитным соединением, позволяет напрямую соединять кабелем датчики и исполнительные механизмы. В таблице 2.7 приведён список и порядок подключения модулей ввода-вывода к контроллеру, на основании которого будет осуществляться программирование и построение микропроцессорной сети.

Таблица 2.7 - Последовательность подключения модулей к контроллеру

№ модуля

Марка

Назначение

1


DO

2

KL 4404


3


AO (0-10 B)

4

KL 4404


5


AO (0-10 B)

6

KL 4404


7


DI

8

KL 1408


9


DI

10

KL 1408


11


DO

12

KL 2408


13


DO

14

KL 2408


15


AI (RTD)

16

KL 3204


17


AI (RTD)

18

KL 3204


19


AI (RTD)

20

KL 3204


21


AI (RTD)

22

KL 3204



2.3 Разработка микропроцессорной сети


Для удобства монтажа часть модулей ввода-вывода будет располагаться в другом здании. В связи с этим возникает необходимость в создании микропроцессорной сети для "умного дома".

Сеть автоматики типичного здания обычно состоит из трех уровней:

уровень управления;

уровень автоматизации;

уровень оборудования.

Уровень управления - это средства отображения информации, диспетчеризации и управления узлами здания. Контроль посредством человеко-машинного интерфейса, компактных диспетчерских модулей-мониторов, рассылка уведомлений на мобильные телефоны, пейджеры, факсы и электронную почту.

В данной дипломной работе некоторые фрагменты текста отсутствуют или замещены на текст не соответствующий теме этого диплома. Отсутствуют или не соответствуют некоторые необходимые формулы, расчеты, диаграммы и таблицы. Для получения оригинальной версии работы пишите на электронный адрес, указанный в конце дипломной работы, в заключении.

Уровень оборудования - датчики и исполнительные механизмы системы автоматизации. Датчики и исполнительные механизмы обеспечивают связь системы автоматики с технологическим оборудованием. Модули ввода/вывода для интегрирования оборудования третьих фирм и обеспечения полной совместимости. На рисунке 2.4 представлены основные компоненты системы автоматики здания.

Рисунок 2.4 - Основные компоненты системы автоматизации здания

Основные инженерные системы, которые рассмотрены для сети умного дома:

управление подогревом тёплого пола;

управление подогревом батарей;

управление освещением;

управление обогревом ливнестоков.

Системы друг от друга независимые, но соединены в единую сеть для общего и детального мониторинга с операторского пульта или комнатных модулей.

Аппаратное обеспечение микропроцессорной системы включает в себя: контроллер BC 9000; устройство сопряжения BK9000; модули дискретного вывода KL 2408; модули аналогового вывода KL 4404; модули дискретного ввода KL 1408; модули аналогового ввода KL 3204;

Общая архитектура системы управления представлена на рисунке 2.5

Рисунок 2.5 - Общая архитектура сети

К сегменту сети с контроллером BC9000 подключаются модули ввода-вывода, датчики и исполнительные механизмы, отвечающее за управление тёплым полом, радиаторами и вентиляцией. В данной дипломной работе некоторые фрагменты текста отсутствуют или замещены на текст не соответствующий теме этого диплома. Отсутствуют или не соответствуют некоторые необходимые формулы, расчеты, диаграммы и таблицы. Для получения оригинальной версии работы пишите на электронный адрес, указанный в конце дипломной работы, в заключении. Микропроцессорная сеть с модулями ввода-вывода, датчиками и исполнительными механизмами показана на рисунке 2.7

Рисунок 2.7 - Микропроцессорная сеть с датчиками и модулями

3. Детальная разработка систем автоматизации


3.1 Анализ программного обеспечения для работы с контроллером


Автоматизированные системы управления могут успешно внедряться в производство лишь при наличии надежного аппаратного оснащения и проработанного, отлаженного программного обеспечения. Первое условие - внедрение аппаратной части - в большинстве случаев не вызывает особых затруднений ввиду широкого выбора и качества устройств для промышленной автоматизации. Основной проблемой при внедрении АСУ ТП может стать программное обеспечение.

Задачи программирования контроллеров для систем автоматизации весьма специфичны, сложны, трудоемки и, естественно требуют для своего решения соответствующих инструментальных средств программирования. Использование универсальных языков программирования высокого уровня (С, Pascal, Fortran, Basic) и языков Ассемблера позволяют решать эти задачи, но требуют при этом обширных знаний теории и технологии программирования, особенностей конкретной операционной системы и тонкостей аппаратного обеспечения (контроллеров, модулей сопряжения и т.п.). В данной дипломной работе некоторые фрагменты текста отсутствуют или замещены на текст не соответствующий теме этого диплома. Отсутствуют или не соответствуют некоторые необходимые формулы, расчеты, диаграммы и таблицы. Для получения оригинальной версии работы пишите на электронный адрес, указанный в конце дипломной работы, в заключении Так как для автоматизации здания выбран контроллер фирмы Beckhoff, то все работы по конфигурированию и написанию программного обеспечению будут осуществляться в TwinCAT. На рисунке 3.1 приведена общая структура системы TwinCAT.

Рисунок 3.1 - Структура системы TwinCAT

В данной дипломной работе некоторые фрагменты текста отсутствуют или замещены на текст не соответствующий теме этого диплома. Отсутствуют или не соответствуют некоторые необходимые формулы, расчеты, диаграммы и таблицы. Для получения оригинальной версии работы пишите на электронный адрес, указанный в конце дипломной работы, в заключении.

Из общей структуры системы TwinCAT необходимо выделить TwinCAT PLC. TwinCAT PLC предназначен для создания программы, управляющей логикой работы ПЛК. Программы для ПЛК создаются на одном или нескольких языках стандарта IEC 61131-3:(язык линейных инструкций);(язык контактно-релейных схем);/CFC (язык программирования с использованием функциональных блоков);(язык программирования с использованием последовательных функциональных схем);

Программирование осуществляется:

локально

через TCP/IP

На каждом из пяти приведённых языков программирования можно реализовать практически любой алгоритм. Поэтому выбор наиболее удобного языка программирования остаётся за разработчиком. Для написания основной логики работы "умного дома" в качестве базового языка был использован язык ST. На рисунке 3.2 показано диалоговое окно, в котором происходит выбор языка программирования.

Рисунок 3.2 - Выбор языка программирования в PLC Control

 

3.2 Система обогрева помещений


В здании используется два типа обогрева:

тёплый пол;

радиаторы.

Первый метод состоит в том, что при обогреве водяным теплым полом источником тепла служит нагретый теплоноситель, как правило, это вода из горячего стояка или из центрального отопления, которая проходит по трубам в полу.

В данной дипломной работе некоторые фрагменты текста отсутствуют или замещены на текст не соответствующий теме этого диплома. Отсутствуют или не соответствуют некоторые необходимые формулы, расчеты, диаграммы и таблицы. Для получения оригинальной версии работы пишите на электронный адрес, указанный в конце дипломной работы, в заключении. На рисунке 3.3 приведён график зависимости изменения сопротивления от изменения параметров температуры окружающей среды.

Рисунок 3.3 - График зависимости сопротивления от изменения температуры


Рисунок 3.4 - Схема подключения датчиков температуры к модулю KL3204

Контроллер обрабатывает полученные данные от модуля KL3204 и если порог заданной пользователем температуры больше текущей температуры в данном помещении, то с соответствующего выхода одного из модулей вывода KL2408 подаётся напряжение питание технологического оборудования соответствующее "24 В". Схема подключения технологического оборудования к модулю KL2408 показана на рисунке 3.5.

Рисунок 3.5 - Схема подключения технологического оборудования к модулю KL2408

В данном случае напряжение питания поступает на двух позиционный термоэлектрический сервопривод, внешний вид которого изображён на рисунке 3.6 Сервопривод может иметь только два состояния - ОТКРЫТ и ЗАКРЫТ.

Рисунок 3.6 - Термоэлектрический сервопривод

При подаче напряжения питания клапан на сервоприводе принимает положение ОТКРЫТ и вода из горячего стояка поступает в трубы. После того как достигнут заданный порог температуры клапан меняется своё состояние на противоположное и подача воды в систему прекращается. В таблице 3.1 показано соответствие номеров модулей ввода-вывода и номеров входов-выходов, использованных при программировании данной системы управления.

Таблица 3.1 - Номера входов-выходов модулей ввода-вывода

№ модуля

№ входа

Значение

№ модуля

№ выхода


2

тп гараж


1

AI 16


тп гладильная


2


4


DO11

4

AI 17


тп сан узел 1эт


3


2

тп сан узел 25


5

AI 20



DO11

6


4

тп сан узел 28


7


На рисунке 3.7 изображён алгоритм работы системы отопления.

Рисунок 3.7 - Алгоритм работы системы отопления.

Ниже приведён фрагмент программы на языке программирования ST реализующий алгоритм работы системы отопления:

IF NOT read. kl3204_16. error [2] THEN

********************************************************

write. kl2408_11 [1]: = FALSE;

**********************************************************

write. kl2408_11 [1]: = TRUE;

**********;_IF;

************************************

IF read. kl3204_16. temp [4] <= (write. predTemp. tempDush - 2.5) THEN. kl2408_11 [4]: = FALSE;

*********************************************************

write. kl2408_11 [4]: = TRUE;_IF;

В основу работы второго метода обогрева заложен тот же самый принцип и используются практически такое же оборудование. В данной дипломной работе некоторые фрагменты текста отсутствуют или замещены на текст не соответствующий теме этого диплома. Отсутствуют или не соответствуют некоторые необходимые формулы, расчеты, диаграммы и таблицы. Для получения оригинальной версии работы пишите на электронный адрес, указанный в конце дипломной работы, в заключении.

 

3.3 Система вентиляции


Системы вентиляции устанавливаются во всех жилых и офисных помещениях. При отсутствии вентиляции в закрытых помещениях возрастает концентрация углекислого газа и других вредных веществ. Это негативно сказывается на самочувствии людей, вызывает головную боль, сонливость, потерю работоспособности. Частично проблему можно решить, периодически открывая окно или форточку для проветривания помещения, однако в этом случае вместе со свежим воздухом внутрь попадает пыль, разные запахи, уличный шум.

Для решения всех этих проблем и существуют системы вентиляции воздуха.

По способу перемещения воздуха системы вентиляции делятся на:

естественную вентиляцию;

искусственную вентиляцию.

Естественная вентиляция создается без применения электрооборудования (вентиляторов, электродвигателей) и происходит вследствие естественных факторов - разности температур наружного воздуха и воздуха в помещении, вследствие изменения давления в зависимости от высоты, а так же вследствие ветрового давления. Естественные системы вентиляции недороги и просты в монтаже. Однако их эффективность сильно зависит от внешних факторов (температуры воздуха, направления и скорости ветра и т.д.). Поэтому с помощью таких систем не удается решить все задачи в области вентиляции.

В данной дипломной работе некоторые фрагменты текста отсутствуют или замещены на текст не соответствующий теме этого диплома. Отсутствуют или не соответствуют некоторые необходимые формулы, расчеты, диаграммы и таблицы. Для получения оригинальной версии работы пишите на электронный адрес, указанный в конце дипломной работы, в заключении.

В здании используется искусственная вентиляция. Пользователь имеет возможность управлять оборотами электродвигателя вентилятора и температурой подогрева воздушного потока. Это даёт возможность изменять скорость прохождения потоков воздуха комфортной температуры по вентиляционным шахтам здания. Для изменения оборотов электродвигателя между контроллером и электрическим двигателем используется вспомогательное оборудование - блоки управления, внешний вид которых изображён на рисунке 3.8.

Рисунок 3.8 - Блоки управления скоростью вращения вентилятора

На блоки управления поступают управляющие сигналы от "0" до "10 В" с выходов модуля аналогового вывода KL2408. Схема подключения блоков управления к KL4404 приведена на рисунке 3.9.

Рисунок 3.9 - Подключение блоков управления к модулю KL4404

Далее воздушный поток поступает на электрический тэн, который обеспечивает подогрев воздуха в холодное время до заданной пользователем температуры. Рядом с тэном устанавливается датчик температуры Ni 1000. Данные с датчика передаются на модуль дискретного ввода KL3204. Контроллер обрабатывает полученные данные и если заданная температура выше, чем температура поступившая с датчика, на блок управления подогревом тэна с модуля KL 4404 подаётся управляющее напряжение от "0" до "10 В". Общая схема подключения системы вентиляции к модулям ввода-вывода показана на рисунке 3.10.

Рисунок 3.10 - Схема подключения системы вентиляции к модулям Beckhoff

В таблице 3.2 показано соответствие номеров модулей ввода-вывода и номеров входов-выходов, использованных при программировании данной системы управления.

Таблица 3.2 - Номера входов-выходов модулей ввода-вывода

№ модуля

№ входа

Значение

№ модуля

№ выхода

Выход


1

Темп возд. в калориф №1


3


AI 22



АО 5







1

Управл скор. вращ вентил.


Фрагмент программы на языке программирования ST реализующий алгоритм работы системы вентиляции.

IF NOT read. kl3204_22. error [1] THEN

************************************************************* K: =_K, T0: = _T0, Ti: = _Ti, Td: = _Td);NOT fb_pidCtrl [10]. bErr THEN

***********************************;_IF;_IF;NOT read. kl3204_22. error [2] THEN

*************************************************************, K: =_K, T0: = _T0, Ti: = _Ti, Td: = _Td);NOT fb_pidCtrl [11]. bErr THEN

**************************************;_IF;_IF;. kl4404_5. data [1]: = write. misc. polarBeer;

 

3.4 Система управления освещением и ландшафтным отоплением


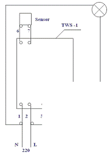
Система управления освещением подразумевает в себе включение осветительных приборов от сумеречного реле в автоматическом режиме, либо пользователем в ручном режиме. При работе в автоматическом режиме фоточувствительный элементом соотносит степень освещенности внешней среды с установленным уровнем и если результат положительный происходит срабатывание сумеречного реле. Схема подключения сумеречного реле TWS-1 показана на рисунке 3.11.

Рисунок 3.11 - Схема подключения сумеречного реле TWS-1

В данном случае в качестве нагрузки используется реле. При срабатывании датчика контакты реле замыкаются и на выходе появляется напряжение "24 В". К выходам реле подключен модуль дискретного ввода KL1408. На рисунке 3.12 показана схема подключения нагрузки к KL 1408.

Рисунок 3.12 - Схема подключения нагрузки к KL 1408.

В данной дипломной работе некоторые фрагменты текста отсутствуют или замещены на текст не соответствующий теме этого диплома. Отсутствуют или не соответствуют некоторые необходимые формулы, расчеты, диаграммы и таблицы. Для получения оригинальной версии работы пишите на электронный адрес, указанный в конце дипломной работы, в заключении. В таблице 3.3 показано соответствие номеров модулей ввода-вывода и номеров входов-выходов, использованных при программировании данной системы управления.

Таблица 3.3 - Номера входов-выходов модулей ввода-вывода

№ модуля

№ выхода

Значение

Выход


3

Свет домофона

220 В

DO 13



220 В


5


220 В

DO 13


Фонари в яме

220 В


7


220 В

DO 13



220 В


1

Свет столбики

220 В

DI 10



1-если ночь


Алгоритм работы системы освещения показан на рисунке 3.13

Рисунок 3.13 - Алгоритм работы системы управления освещением

Ниже приведён фрагмент программы на языке программирования ST реализующий алгоритм работы системы освещения.

IF NOT write. misc. bManualLand THEN

*****************************

write. kl2408_13 [3]: = TRUE;

***********************;. kl2408_13 [5]: = TRUE;

***********************;. kl2408_13 [7]: = TRUE;. kl2408_13 [8]: = TRUE;

***********************;. kl2408_13 [3]: = FALSE;

************************;. kl2408_13 [5]: = FALSE;

************************;. kl2408_13 [7]: = FALSE;

************************;. kl2408_14 [1]: = FALSE;_IF;

В холодное время года, во время временного потепления, а потом резкого понижения температуры, на ливнестоках и ступеньках очень часто образуется наледь, что может представлять непосредственную угрозу для здоровья людей. В данной дипломной работе некоторые фрагменты текста отсутствуют или замещены на текст не соответствующий теме этого диплома. Отсутствуют или не соответствуют некоторые необходимые формулы, расчеты, диаграммы и таблицы. Для получения оригинальной версии работы пишите на электронный адрес, указанный в конце дипломной работы, в заключении. Его выходы подключены к модулю ввода KL3204.

Рисунок 3.14 - Внутренняя часть датчика PT1000

При подпадания снега или дождя на датчик осадков, он резко меняет свою проводимость и на входы модуля KL1408 подаётся напряжение "24 В" - это логическая "1". Одновременно с этим контроллер анализирует данные на входах модуля KL3204 и если температура на улице меньше 0 ºC, то на выходах модуля вывода 2408 появляется напряжение питания обогревательных элементов. Алгоритм работы системы подогрева ливнестоков показан на рисунке 3.15

Рисунок 3.15 - Алгоритм работы системы подогрева ливнестоков

Ниже приведён фрагмент программы на языке программирования ST реализующий алгоритм работы системы обогрева ливнестоков.

IF NOT write. misc. bManualLandObogrev THEN

**************************************************** read. kl1408_10 [1]) THEN(IN: = TRUE, PT: = t#10s);

*******************************

write. kl2408_12 [3]: = TRUE;_IF;

**************************;_IF;timerLivStockOn. Q THEN. kl2408_12 [3]: = FALSE;

*****************************;_IF;timerLivStockOff. Q THEN

*************************;(IN: = FALSE);_IF;(IN: = FALSE);

**************************;_IF;

 

3.5 Система мониторинга


При наличии в здании большого числа инженерных систем необходимо постоянно следить за их техническим состоянием, для этих целей используется система мониторинга. Во всех технических помещениях зданиях на напольном покрытии установлены датчики протечки, их принцип аналогичен принципу работы датчика осадков TWS01. В данной дипломной работе некоторые фрагменты текста отсутствуют или замещены на текст не соответствующий теме этого диплома. Отсутствуют или не соответствуют некоторые необходимые формулы, расчеты, диаграммы и таблицы. Для получения оригинальной версии работы пишите на электронный адрес, указанный в конце дипломной работы, в заключении. Все события в режиме реального времени выводятся на дисплей ПК, а также при возникновении неисправностей через GSM модуль, подключенный к модулю дискретного вывода KL2408, происходит отправка сообщения на сотовый телефон владельцу здания, либо в соответствующую службу и пользователь имеет возможность визуально контролировать техническое состояние оборудования, которое установлено в помещениях здания. Всё это позволяет при возникновении аварии в минимальные сроки приступить к её ликвидации.

 

3.6 Разработка человеко-машинного интерфейса


Для управления всеми системами "умного дома" разработан человеко-машинный интерфейс - это пользовательская программа, которая устанавливается на ПК и выполняет следующие функции:

позволяет управлять температурой в помещениях, где установлены тёплые полы и радиаторы;

вести мониторинг технического состояния большинства инженерных систем, установленных в здании;

управлять системой уличного освещения, обогревом ливнестоков и ступенек;

Для разработки ЧМИ был выбран программный продуктStudio.net. В данной дипломной работе некоторые фрагменты текста отсутствуют или замещены на текст не соответствующий теме этого диплома. Отсутствуют или не соответствуют некоторые необходимые формулы, расчеты, диаграммы и таблицы. Для получения оригинальной версии работы пишите на электронный адрес, указанный в конце дипломной работы, в заключении.

На рисунке 3.12 изображена вкладка управления температурой помещений, в которых установлена система отопления, основанная на применении системы подогрева пола. Пользователь имеет возможность просматривать текущую температуру в помещении и задавать желаемую температуры.

Рисунок 3.12 - Управление подогревом пола

На рисунке 3.13 изображена вкладка системы мониторинга, которая показывает пользователю текущее техническое состояние инженерных систем, а также наличие аварий бытового характера.

Рисунок 3.13 - Система мониторинга

4. Технология производства программного продукта


4.1 Проектирование модели жизненного цикла системы


Под жизненным циклом системы обычно понимается непрерывный процесс, который начинается с момента принятия решения о необходимости создания системы и заканчивается в момент ее полного изъятия из эксплуатации.

В данной дипломной работе некоторые фрагменты текста отсутствуют или замещены на текст не соответствующий теме этого диплома. Отсутствуют или не соответствуют некоторые необходимые формулы, расчеты, диаграммы и таблицы. Для получения оригинальной версии работы пишите на электронный адрес, указанный в конце дипломной работы, в заключении. На каждом этапе возникает определенный круг задач, для решения которых необходимо привлечение людей, соответствующей квалификацией: системных аналитиков, экспертов в предметной области, проектировщиков, разработчиков, тестеров, и прочих специалистов.

Современные системы разрабатываются на основе стандартов, что позволяет обеспечить, во-первых, их высокую эффективность и, во-вторых, возможность их взаимодействия между собой.

Все стандарты можно разбить на следующие два основных класса:

Функциональные стандарты, определяющие порядок функционирования системы в интересах достижения цели, поставленной перед нею ее создателями.

Стандарты жизненного цикла, определяющие то, как создается, развертывается, применяется и.

Модели, определяемые стандартами этих двух классов, конечно же взаимосвязаны, однако решают совершенно разные задачи и характеризуются принципиально различными подходами к их построению.

В данной дипломной работе некоторые фрагменты текста отсутствуют или замещены на текст не соответствующий теме этого диплома. Отсутствуют или не соответствуют некоторые необходимые формулы, расчеты, диаграммы и таблицы. Для получения оригинальной версии работы пишите на электронный адрес, указанный в конце дипломной работы, в заключении.

Таким образом, жизненный цикл системы охватывает все стадии и этапы ее создания, сопровождения и развития:

предпроектный анализ (включая формирование функциональной и информационной моделей объекта, для которого предназначена информационная система);

проектирование системы (включая разработку технического задания, эскизного и технического проектов);

разработку системы (в том числе программирование и тестирование прикладных программ на основании проектных спецификаций подсистем, выделенных на стадии проектирования);

интеграцию и сборку системы, проведение ее испытаний;

эксплуатацию системы и ее сопровождение;

Основным нормативным документом, регламентирующим жизненный цикл, является международный стандарт ISO/IEC 12207. Данный стандарт определяет структуру жизненного цикла, содержащую процессы, которые должны быть выполнены во время создания программного обеспечения системы.

Эти процессы подразделяются на три группы:

основные (приобретение, поставка, разработка, эксплуатация и);

вспомогательные (документирование, управление конфигурацией, обеспечение качества, верификация, аттестация, оценка, аудит и);

организационные (управление проектами, создание инфраструктуры проекта, определение, оценка и улучшение самого жизненного цикла, обучение).

Однако стандарт ISO/IEC 12207 не предлагает конкретной модели жизненного цикла и методов разработки, его рекомендации являются общими для любых моделей жизненного цикла. В данной дипломной работе некоторые фрагменты текста отсутствуют или замещены на текст не соответствующий теме этого диплома. Отсутствуют или не соответствуют некоторые необходимые формулы, расчеты, диаграммы и таблицы. Для получения оригинальной версии работы пишите на электронный адрес, указанный в конце дипломной работы, в заключении. Суть различий в том, что в каскадной модели информационная система является однородной и ее программное обеспечение определяется как единое целое.

Суть каскадного метода, который изображён на рисунке 4.1, заключается в разбиении всей разработки на этапы, причем переход от предыдущего этапа к последующему осуществляется только после полного завершения работ предыдущего этапа. В данной дипломной работе некоторые фрагменты текста отсутствуют или замещены на текст не соответствующий теме этого диплома. Отсутствуют или не соответствуют некоторые необходимые формулы, расчеты, диаграммы и таблицы. Для получения оригинальной версии работы пишите на электронный адрес, указанный в конце дипломной работы, в заключении.

Рисунок 4.1 - Каскадная модель жизненного цикла

В данной дипломной работе некоторые фрагменты текста отсутствуют или замещены на текст не соответствующий теме этого диплома. Отсутствуют или не соответствуют некоторые необходимые формулы, расчеты, диаграммы и таблицы. Для получения оригинальной версии работы пишите на электронный адрес, указанный в конце дипломной работы, в заключении. Результатом такого конфликта стало появление модели с промежуточным контролем (рисунок 4.2), которую представляют или как самостоятельную модель, или как вариант каскадной модели. Эта модель характеризуется межэтапными корректировками, удлиняющими период разработки изделия, но повышающими надежность.

Рисунок 4.2 - Модель жизненного цикла с промежуточным контролем

Однако эти две модели обладают серьезным недостатком - запаздыванием с получением результатов. Данное обстоятельство объясняется тем, что согласование результатов возможно только после завершения каждого этапа работ. На время же проведения каждого этапа требования жестко задаются в виде технического задания. Так что существует опасность, что из-за неточного изложения требований или их изменения за длительное время создания программного обеспечения конечный продукт окажется невостребованным. В данной дипломной работе некоторые фрагменты текста отсутствуют или замещены на текст не соответствующий теме этого диплома. Отсутствуют или не соответствуют некоторые необходимые формулы, расчеты, диаграммы и таблицы. Для получения оригинальной версии работы пишите на электронный адрес, указанный в конце дипломной работы, в заключении. В спиральной модели (рисунок 4.3) основной упор делается на этапы анализа и проектирования, на которых реализуемость технических решений проверяется путем создания прототипов.

Рисунок 4.3 - Оригинальная спиральная модель жизненного цикла

Спиральная модель позволяет начинать работу над следующим этапом, не дожидаясь завершения предыдущего.

В данной дипломной работе некоторые фрагменты текста отсутствуют или замещены на текст не соответствующий теме этого диплома.

Отсутствуют или не соответствуют некоторые необходимые формулы, расчеты, диаграммы и таблицы. Для получения оригинальной версии работы пишите на электронный адрес, указанный в конце дипломной работы, в заключении.

На рисунке 4.4 показана обновленная спиральная модель с контрольными точками проекта.

Рисунок 4.4 - обновленная спиральная модель с контрольными точками проекта

Сравнивая эти модели, можно сказать, что каскадная модель более универсальна, т.е. она применима к производству разных изделий, таких как разрабатываемая система управления, поэтому она предпочтительнее остальных.

К процессу проектирования разрабатываемой системы можно отнести следующие этапы:

анализ;

проектирование;

На этапе анализа происходит выработка требований к микропроцессорной системе управления "умным домом". При проектировании описывается функциональная система и программное обеспечение. На этапе разработки реализуются элементы системной архитектуры.

 

4.2 Технология отладки и тестирования системы

 

4.2.1Отладка системы

На данном этапе разработчик тестирует систему, выявляет все ошибки и недочеты, устраняет их, тем самым, приводя систему в состояние, полностью готовое к реализации.

Программирование является творческим процессом, поэтому ошибки встречаются постоянно. Различают следующие типы ошибок:

1)      Синтаксические ошибки.

Языки в общем случае характеризуются набором правил (синтаксисом), который касается правильного использования всех утверждений.

)        Ошибки времени выполнения. Данные ошибки появляться при взаимодействии программы с другими событиями или условиями. Например, при обращении к несуществующему файлу.

3)      В данной дипломной работе некоторые фрагменты текста отсутствуют или замещены на текст не соответствующий теме этого диплома. Отсутствуют или не соответствуют некоторые необходимые формулы, расчеты, диаграммы и таблицы. Для получения оригинальной версии работы пишите на электронный адрес, указанный в конце дипломной работы, в заключении.

 

4.2.2 Тестирование системы

Во время тестирования проводится полный контроль функционирования программы разработчиком системы.

В используемой инструментальной среде TwinCAT встроены средства отладки и тестирования с помощью которых можно проверить работоспособность схемы, а так же те или иные отдельные особенности ее функционирования можно прямо в процессе разработки.

В режиме пошаговой отладки довольно просто выявляются алгоритмические ошибки, а отладка в режиме "on-line" позволяет в процессе исполнения всей программы вносить необходимые изменения в режиме реального времени.

5. Бизнес-план разработки микропроцессорной системы автоматизация здания

 

5.1 Резюме


Темой дипломной работы является разработка автоматической системы управления работой умного дома. Цель работы разработка и реализация микропроцессорной системы, выполняющей основные функции управления освещением, вентиляцией, отоплением в автоматическом или полуавтоматическом режиме.

Проанализировав современный рынок, был сделан вывод о том, что уровень конкуренции в данной сфере не высок. В данной дипломной работе некоторые фрагменты текста отсутствуют или замещены на текст не соответствующий теме этого диплома. Отсутствуют или не соответствуют некоторые необходимые формулы, расчеты, диаграммы и таблицы. Для получения оригинальной версии работы пишите на электронный адрес, указанный в конце дипломной работы, в заключении. Ценовая политика является ключевым фактором стратегии успешного продвижения данного товарного продукта на рынок.

Исследованный в ходе разработки дипломной работы современный опыт создания и внедрения подобных систем автоматического управления показал, что затраты заказчика подобной системы окупаются меньше, чем через 5 лет.

 

5.2 Научно-технический раздел


Промышленности и сфера обслуживания страны заметно повысился по сравнению с 90-ми годами прошлого века. Что, безусловно, приводит к повышенному спросу на комфортные условия проживания. В данной дипломной работе некоторые фрагменты текста отсутствуют или замещены на текст не соответствующий теме этого диплома. Отсутствуют или не соответствуют некоторые необходимые формулы, расчеты, диаграммы и таблицы. Для получения оригинальной версии работы пишите на электронный адрес, указанный в конце дипломной работы, в заключении.

С развитием рыночной экономики многие промышленные предприятия, офисы перешли из государственной собственности в частную. А, следовательно, теперь они функционируют по законам рынка, когда на первое место выходят критерии качества продукции и ее себестоимости, а также функциональности.

 

5.3 Анализ положения дел в отрасли


Обзор показал, что в настоящее время на рынке России увеличился спрос на технологии и программно-аппаратные средства для управления объектами и системы диагностики оборудования, поскольку именно автоматизация становится наиболее доступным, а иногда и единственным средством повышения эффективности, надежности и безопасности сложных технических объектов.

Одной из важных проблем, решаемых в процессе создания современных систем автоматизации технологических процессов, является выбор технических, программных и инструментальных средств для реализации алгоритмов контроля и управления. В данной дипломной работе некоторые фрагменты текста отсутствуют или замещены на текст не соответствующий теме этого диплома. Отсутствуют или не соответствуют некоторые необходимые формулы, расчеты, диаграммы и таблицы. Для получения оригинальной версии работы пишите на электронный адрес, указанный в конце дипломной работы, в заключении.

На рынке контроллеров и промышленных компьютеров, на базе которых проектируются автоматические системы управления, представлено большое число производителей, таких как Beckhoff, Siemens, Advantech, Koyo, WAGO и д. р. Продукция большинства производителей обладает многофункциональностью, универсальностью, модульностью. Устройства разных производителей имеют свои преимущества и недостатки. Системы, собранные на базе устройств данных производителей, обладают следующими возможностями:

подключение различных датчиков и исполнительных механизмов к аналоговым и дискретным входам;

управление объектом по аналоговым и дискретным выходам;

поддержка различных коммуникационных интерфейсов (RS-232, USB, Ethernet);

программирование режимов работы;

Среда разработки программного обеспечения для устройств конкретного производителя, как правило, уникальная. Программное обеспечение многих из устройств работает под управлением встраиваемой операционной системы (например, Windows XP/NT Embedded). Среда разработки программного обеспечения для таких устройств может быть универсальной для разных производителей. Однако стоимость таких устройств существенно выше.

 

5.4 Суть разрабатываемого проекта


Целью дипломной работы является разработка микропроцессорной системы автоматизации здания. Разработка системы включает в себя:

Анализ технологического оборудования;

Выбор программно-аппаратной базы для построения промышленной сети;

Разработку структуры микропроцессорной сети;

Разработку человеко-машинного интерфейса оператора.

5.4.1 Назначение

Разрабатываемая система предназначена для управления инженерными

систем здания (вентиляция, освещение, управление отоплением).

Система автоматизации здания позволит:

поддерживать определённую температура воздуха в помещениях;

управлять освещением в автоматическом режиме;

размораживать ливнестоки в холодное время года;

экономить электроэнергию;

следить за состоянием всех инженерных систем;

осуществлять блокировку работы исполнительных механизмов

аварийной ситуации;

в автоматическом режиме управлять работой систем вентиляции, отопления, освещения, обеспечивая в каждом помещении наиболее комфортные условия для жизни людей;

в данной дипломной работе некоторые фрагменты текста отсутствуют или замещены на текст не соответствующий теме этого диплома. Отсутствуют или не соответствуют некоторые необходимые формулы, расчеты, диаграммы и таблицы. Для получения оригинальной версии работы пишите на электронный адрес, указанный в конце дипломной работы, в заключении;

ввести оптимальный режим управления инженерным оборудованием с целью сокращения затрат на использование энергоресурсов, потребляемых инженерными системами здания (тепла, электроэнергии);

обеспечить централизованный контроль и управление при нештатных ситуациях:

осуществлять своевременную локализацию аварийных ситуаций;

 

5.4.2 Преимущества перед аналогами

Разрабатываемая система обладает рядом преимуществ по сравнению с системами-аналогами, таких как:

Управление объектом автоматизации на двух уровнях:

В данной дипломной работе некоторые фрагменты текста отсутствуют или замещены на текст не соответствующий теме этого диплома. Отсутствуют или не соответствуют некоторые необходимые формулы, расчеты, диаграммы и таблицы. Для получения оригинальной версии работы пишите на электронный адрес, указанный в конце дипломной работы, в заключении;

Уровень управления процессами реализован в главном модуле человеко-машинного интерфейса. Этот модуль отвечает за управление инженерными системами, визуализацию данных на экране и помогает принять соответствующее решение;

Стоимость данной системы автоматизации на порядок ниже.

 

5.5 План маркетинга


5.5.1Описание товара

Товар представляет собой аппаратно-программный комплекс. Аппаратное обеспечение микропроцессорной системы автоматического управления системой отопления, освещения, вентиляцией, обогревом ливнестоков включает в себя:

контроллер BC 9000;

устройство сопряжения BK9000;

модули дискретного вывода KL 2408;

модули аналогового вывода KL 4404;

модули дискретного ввода KL 1408;

модули аналогового ввода KL 3204;

Программное обеспечение системы разрабатывается в процессе дипломной проекта и состоит из двух частей:

Программное обеспечение контроллера BС9000 разрабатывается в программной среде TwinCAT на языке программирования ST.

Человеко-машинный интерфейс оператора, разрабатывается в Microsoft Visual Studio на языке программирования С++.

 

5.5.2 Анализ рынка сбыта

Результаты анализа категорий возможных потребителей и прогноз объемов продаж представлены в таблице 5.1 Динамика объемов продаж за первые три год представлена на рисунке 5.1

Таблица 5.1 - Характеристики сегментов рынка

Сегмент рынка сбыта

Описание сегмента

Прогнозируемый объем продаж



1

2

3



2

3

5


Рисунок 5.1 - Динамика объемов продаж за три года

Анализ рынка сбыта показал о незначительной конкуренции в данной области. Это связано с тем, что автоматизация зданий в нашей стране ещё не значительно развита и только приобретает популярность.

В данной дипломной работе некоторые фрагменты текста отсутствуют или замещены на текст не соответствующий теме этого диплома. Отсутствуют или не соответствуют некоторые необходимые формулы, расчеты, диаграммы и таблицы. Для получения оригинальной версии работы пишите на электронный адрес, указанный в конце дипломной работы, в заключении. В таблице 5.2 показаны основные стратегии продвижения продукта на рынок.

Таблица 5.2 - Применение стратегии продвижения продукта на рынок

Элементы стратегии

Действия

Льготы и скидки


Рекламная деятельность

 - "Горячая линия" Рассылка по электронной почте

 

5.6 Производственный план

 

5.6.1 Место разработки

Место разработки предоставляется заказчиком, а всё необходимое оборудование для разработки и реализации системы приобретается в счет капитального бюджета.

В соответствии с санитарно-гигиеническими нормами труда данное помещение должно удовлетворять следующим требованиям:

площадь на одно рабочее место - не менее 6 м2, объём - не менее 20 м3;

температура в помещении должна быть в диапазоне 22-24°С в холодное время года и 23-25°С - в тёплое. В помещении должна быть установлена система кондиционирования, которая будет обеспечивать соблюдение температурных норм;

 

5.6.2 Перечень технологических процессов и необходимого оборудования

При разработке системы автоматизации здания можно выделить следующие технологические процессы:

Разработка структуры промышленной сети;

Выбор элементной базы для реализации сети;

Разработка программного обеспечения контроллера BC9000;

Разработка человеко-машинного интерфейса;

Отладка программного обеспечения;

Согласование с заказчиком и внедрение;

Для осуществления процесса разработки необходимо использования ПК, дополнительного оборудования для отладки и программирования контроллера BC9000 и соответствующего программного обеспечения.

Для создания системы "умный дом" следует приобрести:

В данной дипломной работе некоторые фрагменты текста отсутствуют или замещены на текст не соответствующий теме этого диплома. Отсутствуют или не соответствуют некоторые необходимые формулы, расчеты, диаграммы и таблицы. Для получения оригинальной версии работы пишите на электронный адрес, указанный в конце дипломной работы, в заключении. Таким образом, балансовая стоимость вычислительной техники ЦВТ составит:

ЦВТ = 12000+8000+20000+23000+16000+33000+16000+2500+2000 = 132500

 

5.7 Финансовый план

 

5.7.1 План разработки программного обеспечения

Целью планирования разработки программного обеспечения (ПО) является определение затрат трудовых и машинных ресурсов для разработки ПО с заданными в ТЗ на дипломную работу характеристиками.

Упорядоченная последовательность действий и оценка их длительности при разработке информационно-вычислительной системы в днях приведена в таблице 5.3.

Таблица 5.3 - Упорядоченная последовательность действий и оценка длительности при разработке информационно-вычислительной системы

Действия

Ai

Mi

Bi

Moi

Di

1.

8



10


2. Уточнение технического задания



3


0,66

3.


 7


7


4. Обучение технологии программирования и освоение среды разработки


16



1

5. Разработка алгоритмов






6.

35

43

50

43

3,33

7. Тестирование и отладка ПО


10


10


8. Перенос ПО на аппаратную платформу контроллера

1

1

2



9.




12

0,66

10. Установка контроллера и модулей на объекте


6

8



11

7

8

9

8

0,33

Итого







Мо = (А+4М+В) /6; D = (B-A) /6;


Аi - оценка продолжительности действий при благоприятном стечении обстоятельств;

Мi - наиболее вероятная продолжительность действий;

Di - стандартное отклонение;

Таким образом, длительность разработки составляет 194 дня с учетом того, что в проекте будет задействовано 2 человека. Тестирование ПО может проводится частями (независимые модули), и может быть совмещено с написанием других модулей. После разработки ПО, происходит его окончательное тестирование (все модули совместно). Перенос ПО на аппаратную платформу контроллера также может быть совмещен с разработкой и отладкой ПО

На рисунке 5.2 изображена диаграмма Ганта, на которой показана вероятная продолжительность разработки программного комплекса.

Рисунок 5.2 - Диаграмма длительности разработки (диаграмма Ганта)


, где

З - заработная плата разработчиков с начислениями на социальные нужды;

А - амортизация оборудования;

В данной дипломной работе некоторые фрагменты текста отсутствуют или замещены на текст не соответствующий теме этого диплома. Отсутствуют или не соответствуют некоторые необходимые формулы, расчеты, диаграммы и таблицы. Для получения оригинальной версии работы пишите на электронный адрес, указанный в конце дипломной работы, в заключении.

Заработная плата составит:

З = Зп + Зм, где

Зп - заработная плата инженера-программиста с начислениями на социальные нужды;

, где

m - среднее число дней в месяц, m=22;

Амортизационные отчисления при линейном методе расчета амортизации составят:

, где

- среднее количество рабочих дней в году

tBT - Длительность применения ВТ для разработки ПО (дней).

Прочие производственные затраты включают затраты на техническое обслуживание, ремонт ВТ и расходные материалы и определяются по формуле:

, где


Плановая себестоимость составит:

С = (151665+5900+1966) (1 + 0,2) = 191437руб.

5.7.3 Оценка экономической эффективности инвестиционного проекта

 

5.7.3.1 Критерии эффективности коммерческих инвестиций

Наиболее распространённым критерием эффективности инвестиций в мировой практике является чистая приведённая стоимость (NPV), представляющая собой приведённую (современную) стоимость будущих потоков денежных средств, генерируемых инвестиционным проектом за жизненный цикл.

, где

t - интервал, год;

Дt - чистый поток денежных средств, генерируемых проектом на t-м интервале инвестиционного периода, руб.;

(1+i) - t - коэффициент дисконтирования (дисконтный множитель по ставке i для периода планирования t).

Чистый поток денежных средств Дt, генерируемых инвестиционным проектом за каждый год жизни проекта рассчитывается по формуле:

 

Дt = ЧПt + Аt - ИЗt, где

ЧПt - чистый поток денежных средств;

Аt - годовые амортизационные отчисления, руб.;

Годовая чистая прибыль может быть рассчитана как:

 

ЧП = (ВР-ЭР) (1-Т), где

ВР - годовой объём продажи продукции, руб.;

Т - ставка налога на прибыль, Т = 0,24.

Инвестиционные затраты определяются суммой затрат в основной и в оборотный капитал:

 

ИЗ = ИЗО + ИЗОБ, где

ИЗО - инвестиционные затраты в основной капитал, руб.;

ИЗОБ - инвестиционные затраты в оборотный капитал, руб.

Инвестиционные затраты показаны в таблице 5.5.

Таблица 5.5 - Инвестиционные затраты (капитальный бюджет)

Вид капиталовложений

Всего

Сметная стоимость проектно-изыскательных работ (плановая себестоимость), руб.

151665


132500


20000

Всего капиталовложений, руб.

304165


Жизненный цикл инвестиционного проекта приведен на рисунке 5.3

Рисунок 5.3 - Жизненный цикл инвестиционного проекта

 

5.7.3.2 Расчёт экономической эффективности инвестиционного проекта

Предлагаемый продукт - микропроцессорная система умный дом. Прогнозируемый объём продаж за три года по данным маркетингового анализа составит 10 шт. В таблице 5.6 показана калькуляция себестоимости единицы изделия.

Таблица 5.6 - Калькуляция себестоимости единицы изделия

Статьи затрат

Затраты на единицу, руб.

Обоснование


132500 30000 25000 151665

По ценам Интернет-магазина По данным биржи труда

ИТОГО полная себестоимость (СП)

314190



В первый год планируется 2 продажи.

В соответствии с рекомендациями маркетинговых исследований выбираем метод формирования цены методом исходящим из ощущаемой ценности товара. Цена единицы изделия составит 600000 руб.

В этом случае годовой объём продаж за первый год составит:

ВР = 600000 * 2 = 1200000 руб. /год

Годовые эксплуатационные (операционные) расходы:

ЭР = СП * 2 = 314190* 2 = 628380 руб.

Чистая прибыль за первый год:

ЧП = (1200000-628380) * (1 - 0,24) = 434431руб.

 


Заключение


Во время разработки дипломной работы был проведен детальный анализ систем автоматизации зданий. Исследованы протоколы и стандарты, используемые в автоматизации, основные инженерные системы умных домов, принципы построения микропроцессорных сетей. В результате анализа современных логических контроллеров для реализации системы управления был выбран контроллер немецкой фирмы серии BC9000.

Исходя из особенностей системы и проведенного анализа методов разработки программного обеспечения для контроллеров был выбран мощный программный продукт TwinCAT. Для написания основной логики управления работой ПЛК был выбран язык программирования ST.

Функции управления были разделены между контроллеров и человеко-машинным интерфейсом таким образом, чтобы контроллер выполнял диагностику оборудования и аварийных ситуаций, а человеко-машинный интерфейс - функции управления оборудованием.

Таким образом, в дипломной работе реализованы общие принципы автоматизации здания. Внедрение автоматической системы управлением зданием позволит серьезно снизить расходы на содержание здания, обеспечит комплексную защиту жизни и здоровья людей, предотвращение серьезных аварий, значительное снижение ущерба от них, обеспечит комфортные условия проживания. Все это говорит об эффективности внедрения системы, особенно в современном мире.

В данной дипломной работе некоторые фрагменты текста отсутствуют или замещены на текст не соответствующий теме этого диплома. Отсутствуют или не соответствуют некоторые необходимые формулы, расчеты, диаграммы и таблицы. Для получения оригинальной версии работы пишите на электронный адрес: BarS-Kovd (собака) ya.ru

Практика проектирования подобных систем управления зданиями говорит о том, что при грамотной политике продвижения товара на рынке у него будет спрос, а значит и доход у фирмы-разработчика.

Похожие работы на - Разработка системы 'Управление умным домом'

 

Не нашли материал для своей работы?
Поможем написать уникальную работу
Без плагиата!
Без нейросетей!