Разработка проекта информационной системы 'Склад'
МИНИСТЕРСТВО ОБРАЗОВАНИЕ РОССИИ
ФЕДЕРАЛЬНОЕ ГОСУДАРСТВЕННОЕ БЮДЖЕТНОЕ
ОБРАЗОВАТЕЛЬНОЕ УЧРЕЖДЕНИЕ
ВЫСШЕГО ПРОФЕССИОНАЛЬНОГО ОБРАЗОВАНИЯ
«РОССИЙСКИЙ ГОСУДАРСТВЕННЫЙ
УНИВЕРСИТЕТ ТУРИЗМА И СЕРВИСА» (ФГБОУВПО «РГУТиС»)
Факультет: «Сервис»
Кафедра: «Информационные системы»
КУРСОВОЙ ПРОЕКТ
по дисциплине: Проектирование
информационных систем
на тему: Разработка проекта
информационной системы «Склад»
Выполнил студент группы ИСД-08-1
дневной формы обучения
2011 г.
СОДЕРЖАНИЕ
ВВЕДЕНИЕ
.
Создание модели ИС с помощью AllFusion Process Modeler 4.1 (Bpwin4.1)
1.1 Создание
модели в стандарте IDEF0
2. Создание модели данных с помощью AllFusion Erwin
.1 Информационная модель в нотации IDEF1X
ЗАКЛЮЧЕНИЕ
СПИСОК ЛИТЕРАТУРЫ
ВВЕДЕНИЕ
информационный база
данные bpwin
Руководители многих российских предприятий имеют слабое представление о
современных компьютерных интегрированных системах и предпочитают содержать
большой штат собственных программистов, которые разрабатывают индивидуальные
программы для решения стандартных управленческих задач.
Процедура принятия решения о выборе наиболее эффективной компьютерной
системы управления нова для большинства отечественных руководителей, а ее
последствия во многом будут оказывать значительное влияние на предприятие в
течение нескольких лет. Т.к. применение интегрированной ИС, которая отвечала бы
требованиям предприятия (масштабу, специфике бизнеса и т.д.), позволила бы
руководителю минимизировать издержки и повысить оперативность управления
предприятием в целом.
Информационная система - это взаимосвязанная совокупность средств,
методов и персонала, используемых для хранения, обработки и выдачи информации в
интересах достижения поставленной цели.
Экономическая информационная система (ЭИС) - это совокупности внутренних
и внешних потоков прямой и обратной информационной связи экономического
объекта, методов, средств, специалистов, участвующих в процессе обработки
информации и выработке управленческих решений.
Автоматизированной информационной системой (АИС) называется комплекс, включающий
вычислительное и коммуникационное оборудование, программное обеспечение,
лингвистические средства, информационные ресурсы, а также персонал,
обеспечивающий поддержку динамической информационной модели предметной области
для удовлетворения информационных потребностей пользователей.
В автоматизированных ИС часть функций управления и обработки данных
выполняется компьютерами, а часть человеком.
1. Создание модели ИС с помощью AllFusion Process Modeler 4.1 (Bpwin
4.1)
Для проведения анализа и реорганизации бизнес - процессов предназначено
CASE-средство верхнего уровня AllFusion Process Modeler (BPwin), поддерживающее
методологии:
· IDEF0 (функциональная модель);
· DFD (DataFlow Diagram);
· IDEF3 (Workflow Diagram).
1.1 Создание
модели в стандарте IDEF0
Функциональная модель предназначена для описания существующих бизнес -
процессов на предприятии (так называемая модель AS-IS «как есть») и идеального положения вещей - того, к чему
нужно стремиться (модель ТО-ВЕ «как должно быть»). Методология IDEF0 предписывает
построение иерархической системы диаграмм - единичных описаний фрагментов
системы.
Построение модели ИС начинается с описания функционирования предприятия
(системы) или отдельной ее части (в нашем случае это деятельность складского
хозяйства) в целом в виде контекстной диаграммы. На Рис.4 представлена
контекстная диаграмма ИС «Деятельность склада»:
Контекстная диаграмма
функционирования склада AS-IS
Взаимодействие системы с окружающей средой описывается в терминах,
необходимых для нормального функционирования склада:
Входы (слева)
· Клиент
· Счет клиента оплаченный
· Товар от поставщика
· Возврат товара от клиента
· Сопроводительные документы
Выходы (справа)
· Выходные документы
· Выданный товар
· Списанный товар
Механизмы и управление (сверху)
· Действующее законодательство
· Должностные инструкции
· Инструкции по охране труда и технике безопасности
Ресурсы
· Персонал склада
· Оборудование (складское и офисное)
· Информационные ресурсы
· Упаковочные (расходные) материалы
v Функционирование склада предполагает оказание услуг клиентам. Клиент -
тот объект, для которого, собственно, функционирует предприятие, а склад, в
частности. Клиент оплачивает товар и обращается с оплаченным счетом на склад
для получения товара, а также документов на товар.
Помимо клиентов, входом также является товар (от поставщика либо возврат
от клиента по какой-либо причине) с сопроводительными документами. Для товара
от поставщика это товарная накладная и счет-фактура, для возврата от клиента
это акт о браке, либо возвратные документы (как от поставщика).
v Действующее законодательство и инструкции - регламентирующие правила,
которыми управляется процесс функционирования склада.
В оказании услуг клиентам важнейшую функцию выполняют ресурсы. Персонал
склада участвует во всех. Информационные ресурсы выполняют прямую функцию
(обеспечение информацией о клиенте, поставщике, товаре и т.п.). Без
материальных ресурсов (оборудование и расходные материалы) в настоящее время
невозможно представить ни одно функционирующее предприятие.Name: Деятельность
склада: Модель описывает деятельность склада, а конкретно, выполняемые им
функции:
· Приемка товара
· Отгрузка и возврат товара
· Хранение
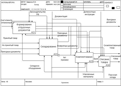
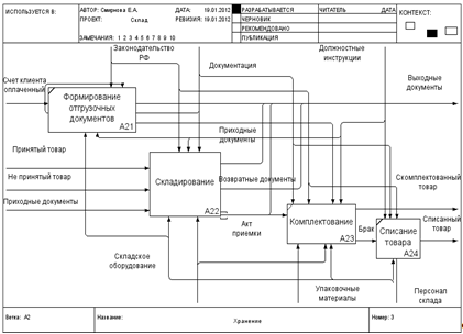
Диаграмма декомпозиции IDEF0.
Деятельность склада AS-IS
После описания контекстной диаграммы проводится функциональная
декомпозиция - система разбивается на подсистемы и каждая подсистема
описывается отдельно (диаграммы декомпозиции). Затем каждая подсистема, при
необходимости, разбивается на более мелкие и так далее до достижения нужной
степени подробности. В результате такого разбиения, каждый фрагмент системы
изображается на отдельной диаграмме декомпозиции (см. Рис.2.1).
Весь процесс деятельности склада подразделяется на:
· Приемку товара (Принятие товара по сопроводительным документам и передача
его на хранение)
На данном этапе товар с сопроводительными документами поступает на склад
и подвергается подсчету. Но, каким бы ни был результат подсчета товара
(положительным либо отрицательным), он после этого вместе с сопроводительными
документами передается на хранение.
· Отгрузку и возврат товара (Выдача скомплектованного товара клиенту, либо
возврат поставщику)
Данный этап подразумевает отгрузку клиенту товара, скомплектованного по
отгрузочным документам
· Хранение (Основная и самая сложная функция склада, подразумевает все
остальные действия с товаром, не описанные выше, например, складирование,
комплектование, оформление документации на товар, списание). Подлежит дальнейшей
декомпозиции.

Процесс хранения, в свою очередь подразделяется на:
· Формирование отгрузочных документов (Согласно оплаченного счета от
клиента)
На данном этапе формируются отгрузочные документы, а также документы,
согласно которым будет произведено комиссионирование (комплектация) товара для
дальнейшей отгрузки клиенту, либо возврата поставщику.
· Складирование (Непосредственное размещение товара на складе)
В зависимости от характера товара (прошел или не прошел приемку) товар
размещается на соответствующем складе. Товар, не прошедший приемку размещается
на возвратном складе, прошедший же - на оптимальном. На товар, размещенный на
возвратном складе формируются возвратные документы. Подлежит дальнейшей
декомпозиции.
В результате дальнейшего разбиения (декомпозиции) функции Складирование
получаем конечную диаграмму декомпозиции (см. Рис.7)
· Комплектование (Комплектация товара согласно отгрузочных документов для
дальнейшей выдачи клиенту, либо возврата поставщику)
На данном этапе, при комплектации товара производится внешний осмотр
товара и выявляется брак, который, при его обнаружении, передается на списание
· Списание товара (Списание и дальнейшая передача на утилизацию брака).
Диаграмма складирования, в свою очередь подразделяется на:
· Складирование на оптимальный склад (При поступлении товара, принятого в
соответствии с приходными документами)
На данном этапе производится непосредственное складирование поступившего
товара на оптимальный склад и передача соответствующих приходных документов для
заведения товара в базу (в отделе снабжения)
· Складирование на возвратный склад
(При поступлении товара, не принятого в соответствии с приходными документами)
Диаграмма декомпозиции IDEF0. «Складирование»AS-IS.
На данном этапе производится непосредственное складирование поступившего
товара на возвратный склад, и передача несоответствующих приходных документов
для заведения товара в базу (в отделе снабжения)
· Формирование возвратных документов (Формирование и передача документов на
комплектование товара для возврата поставщику)
Контекстная диаграмма функционирования склада AS-TO-BE
Диаграмма декомпозиции IDEF0.
Деятельность склада AS-TO-BE
Диаграмма декомпозиции IDEF0.
«Хранение» AS-TO-BE
Диаграмма декомпозиции IDEF0.
«Складирование»AS-TO-BE
Диаграмма
дерева узлов
Диаграмма дерева узлов показывает иерархию работ в модели и позволяет
рассмотреть всю модель целиком, но не показывает взаимосвязи между работами.
(См. Рис.8)
· Диаграмма «Деятельность склада» - первый уровень дерева узлов (top level
activity);
· Диаграммы «Приемка товара», «Отгрузка и возврат товара» и
«Хранение» - второй уровень дерева узлов;
· Диаграммы «Формирование отгрузочных документов», «Складирование»,
«Комплектование» и «Списание товара» - третий уровень дерева узлов;
· Диаграммы «Складирование на оптимальный склад»,
«Складирование на возвратный склад» и «Формирование возвратных документов» -
четвертый уровень дерева узлов, последний уровень декомпозиции - достаточная, в
ходе нашей работы, степень подробности.
Диаграмма дерева узлов AS-IS
Диаграмма дерева узлов AS-TO-BE
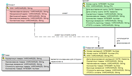
ER-диаграмма
потоков данных «Сущность-связь»
Схема базы данных «Склад»
«Поставщики»
Рис.5.2 «Заказы»

Рис.5.3«Отчеты
о сотрудниках»
2. Создание модели данных с помощью AllFusion Erwin Data Modeler 4.1
.1 Информационная модель в нотации IDEF1X
Для представления информационной модели данных используется CASE-средство ERWin. С его помощью при проектировании модели ИС «Склад»
была создана физическо-логическая модель базы данных (см. рис.8 и Рис.9).
Рис.8. Модель данных в нотации IDEF1X (логический уровень)
Рис.8. Модель данных в нотации IDEF1X (физический уровень)
ЗАКЛЮЧЕНИЕ
Отношение к информационным технологиям со стороны собственников и
руководителей бизнеса неоднозначно. Для одних это мода, которой надо следовать
только потому, что это современно, для других это престиж и одно из средств
повышения стоимости активов предприятия. Но еще больше таких предпринимателей
(особенно в малом и среднем бизнесе), для кого информационные технологии
представляют исключительно головную боль и неоправданные дополнительные
расходы. Один из руководителей небольшой розничной сети магазинов искренне
хвастался, как он «отказался» от автоматизации: заменил кассовые терминалы
обычными кассовыми аппаратами, сэкономил на программистах и, главное, стал
«спать спокойно» - компьютерные сбои остались в прошлом.
Использование информационных технологий для управления предприятием
делает любую компанию более конкурентоспособной за счет повышения ее
управляемости и адаптируемости к изменениям рыночной конъюнктуры.
Подобная автоматизация позволяет повысить эффективность управления
компанией за счет обеспечения руководителей и специалистов максимально полной, оперативной
и достоверной информацией на основе единого банка данных.
Снизить расходы на ведение дел за счет автоматизации процессов обработки
информации, регламентации и упрощения доступа сотрудников компании к нужной
информации. Изменить характер труда сотрудников, избавляя их от выполнения
рутинной работы и давая возможность сосредоточиться на профессионально важных
обязанностях. Обеспечить надежный учет и контроль поступлений и расходования
денежных средств на всех уровнях управления. Руководителям среднего и нижнего
звеньев анализировать деятельность своих подразделений и оперативно готовить
сводные и аналитические отчеты для руководства и смежных отделов.
Повысить эффективность обмена данными между отдельными подразделениями,
филиалами и центральным аппаратом. Гарантировать полную безопасность и
целостность данных на всех этапах обработки информации.
СПИСОК
ЛИТЕРАТУРЫ
1. Балдин К.В., Уткин В.Б.
Информационные системы в экономике. М.- Издательский центр Академия, 2005 - 288
с.
2. Вендров А.М. Проектирование
программного обеспечения экономических информационных систем: Учебник. - 2-е
изд., перераб. и доп.- М.: Финансы и статистика, 2006. - 544 с: ил.
3. Робинсон, С. Microsoft Access 2000: учебный курс / С. Робинсон. - СПб.: Питер,
2000. - 512 с.
4. Смирнова, Г.Н. Проектирование
экономических информационных систем: учебник / Г.Н. Смирнова, А.А. Сорокин,
Ю.Ф. Тельнов; под ред. Ю.Ф. Тельнова. - М.: Финансы и статистика, 2001. - 512
с.