Разработка технологического процесса механической обработки детали 'Серьга'
Содержание
Введение
. Описание конструкции детали, анализ ее технологичности
2. Выбор и технико-экономическое обоснование метода получения
заготовки
. Описание типа производства
. Выбор и обоснование принятого варианта технологического
процесса
. Расчет и назначение промежуточных припусков на обработку
. Проектирование заготовки
. Расчет и выбор режимов резания
. Выбор и обоснование оборудования
. Нормирование операций
. Описание режущего инструмента
Введение
Машиностроительная
промышленность является ведущей отраслью, так как это главный потребитель сырья
и рабочей силы. От нее зависит материально техническая база и
обороноспособность страны. Именно в машиностроении материализуются
научно-технические идеи, создаются новые системы машин, определяющий прогресс,
в других отраслях.
Современный
технический прогресс, создание совершенных высокопроизводительных,
автоматизированных и высокоточных машин, основанных на использовании новейших
достижений науки, требует подготовки высокообразованных специалистов, обладающих
глубокими знаниями и хорошо владеющих новой техникой и технологией
производства.
Целью
данного курсового проектирования является:
расширение,
систематизация и закрепление теоретических и практических знаний, полученных во
время лекционных, лабораторных, практических занятий, а также в период
прохождения учебной и производственной практики на базовом предприятии.
практическое
применение этих знаний для решения конкретных технических, организационных и
экономических задач;
развитие
и закрепление навыков ведения самостоятельной работы;
проведения
поиска научно-технической информации и работа со справочной и методической
литературой, стандартами и нормами;
обучение
студента краткому изложению сущности проделанной работы, аргументировано
объяснять принятые решения при ответах на вопросы.
Основной
задачей курсового проекта является разработка технологического процесса
механической обработки детали «Серьга».
1.
Описание конструкции детали, анализ ее технологичности
Деталь “Серьга” изготовлена из легированной
конструкционной стали 30ХГСА. Сталь 30ХГСА содержит углерода 0,03 %, хрома,
марганца и кремния не более 1 %. Ниже приведены таблицы с химическим составом и
механическими свойствами стали 30ХГСА.
Таблица 1 Химический состав стали
30ХГСА
|
Химический элемент
|
Сера (S)
|
Кремний (Si)
|
Медь (Cu)
|
Марганец (Mn)
|
Никель (Ni)
|
Фосфор (Р)
|
Хром (Cr)
|
|
%
|
не более 0,025
|
0,90-1,20
|
не более 0,30
|
0,80-1,10
|
не более 0,30
|
не более 0,025
|
0,80-1,10
|
Таблица 2 Механические свойства
стали 30ХГСА
|
Термообработка, состояние поставки
|
Сечение, мм
|
s0,2, МПа
|
sB, МПа
|
d5, %
|
y, %
|
KCU, Дж/м2
|
HB
|
HRCэ
|
|
Пруток. Закалка 880 °С, масло Отпуск 540 °С, вода или масло.
|
|
25
|
830
|
1080
|
10
|
45
|
49
|
|
|
|
Поковки. Закалка. Отпуск.
|
|
КП 490
|
<100
|
490
|
655
|
16
|
45
|
59
|
212-248
|
|
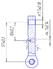
Деталь “Серьга” имеет форму
вилки, в которой имеется 3 сквозных отверстия 
8Н9 и одно глухое 
5Н8. Требования по
шероховатости для сквозных отверстий 
1,6; для наружных
обрабатываемых поверхностей и глухого отверстия 
12,5. Габаритные размеры
детали 77×29 мм, масса детали составляет 0,106 кг.
Под технологичностью
конструкции изделия понимается совокупность свойств конструкции изделия,
проявляемых в возможности оптимальных затрат труда, средств, материалов и
времени при технической подготовке производства, изготовлении, эксплуатации и
ремонте по сравнению с соответствующими показателями однотипных конструкций
изделий того же назначения при обеспечении установочных значений показателей
качества и принятых условий изготовления, эксплуатации и ремонта.
Качественная оценка
технологичности конструкции детали:
заготовкой для детали
«Серьга» служит штамповка. Штамповка проста по конфигурации и не требует
применения специальной оснастки;
деталь имеет удобные и
надежные технологические базы в процессе обработки;
жесткость детали;
все поверхности можно
обработать универсальными инструментами, кроме отверстия Ø
5Н8, для которого спроектирована специальная развертка;
все поверхности детали
можно считать технологичными, так как к ним не предъявляются высоких требований
точности.
Исходя из вышесказанного
деталь “Серьга” является технологичной.
2. Выбор и
технико-экономическое обоснование метода получения заготовки
Метод выполнения заготовок деталей
машин определяется назначением конструкции детали, материалом, техническими
требованиями, масштабом и серийностью выпуска, а также экономичностью
изготовления. Выбрать заготовку- значит установить способ ее получения,
наметить припуски на обработку каждой поверхности, рассчитать размеры и указать
допуски на неточность изготовления. От правильного выбора заготовки зависит
трудоемкость и себестоимость обработки.
Для изготовления детали “Серьга”
сравним два метода получения заготовка- штамповка и ковка.
Ковка- один из способов обработки
металлов давлением, при котором инструмент оказывает многократное прерывистое
воздействие на заготовку, в результате чего она, деформируясь, постепенно
приобретает заданную форму и размеры. Штамповка- способ обработки давлением
металлов и других материалов, при котором форма и размеры изделия определяются
конфигурацией инструмента-штампа. Штамповка позволяет получить заготовку
приближенными значениями требуемых размеров детали.
Рис.1 Эскиз заготовки, полученный
методом штамповки
Рис.2 Эскиз заготовки, полученный
методом ковки
Рассчитываем массу заготовки,
полученной методом штамповки

- объем штамповки (2.1)
где:

- объем сферы;

- объем трапеции;

- объем
параллелепипеда.

- масса заготовки (2.2)
где:

- плотность материала.
Определяем объем сферы

- объем сферы (2.3)
где:- радиус сферы;
π
- отношение длины окружности к ее диаметру.

h -объем трапеции (2.4)
где:, b - основания
трапеции;- высота трапеции.

- объем параллелепипеда (2.5)
где:, b, c - стороны
параллелепипеда

(2.6)
Находим объем заготовки
полученной методом штамповки

- плотность
легированной стали 30ХГСА
Находим массу заготовки
полученной методом штамповки
Рассчитываем массу
заготовки, полученной ковкой

- объем параллелепипеда
(2.7)
где:, b, c - стороны
параллелепипеда.
Находим массу заготовки
полученной методом ковки

(2.8)
Определяем себестоимость
заготовки из ковки

(2.9)
М- затраты на материал
заготовки, руб.;

- технологическая
себестоимость операций правки, калибрования прутков, разрезки их на штучные
заготовки:

(2.10)

- приведенные затраты на
рабочем месте, коп/ч;

- штучное или
штучно-калькуляционное время выполнения заготовительной операции

руб.;

мин;
Определяем затраты на
материал заготовки

(2.11)
масса заготовки, кг; S-
цена 1 кг материала заготовки, руб.; q- масса готовой детали, кг; 
- цена 1 т отходов, руб.
Определяем себестоимость
заготовки полученной ковкой

4417,6+0,22=4417,82 руб.
Определяем себестоимость
заготовки из штамповки

(2.12)

- базовая стоимость 1 т
заготовок, руб; 
, 
, 
, 
, 
- коэффициенты,
зависящие от класса точности, группы сложности, массы, марки материала и объема
производства заготовок.

=1- коэффициент
точности;

- коэффициент группы
сложности;

- коэффициент массы;

- коэффициент марки
материала;
Вывод: проанализировав два метода
получения заготовки, принимаем штамповку, так как этот метод более эффективен с
экономической точки зрения.
. Описание типа производства
Выделяют следующие типы производств:
единичное (проектное), серийное, массовое.
Под единичным типом производства
понимают форму организации производства, при которой различные виды продукции
изготавливаются в одном или нескольких экземплярах (штучный выпуск).
Под серийным производством понимают
форму организации производства, для которой характерен выпуск изделий большими
партиями (сериями) с установленной регулярностью выпуска.
Под массовым производством понимают
форму организации производства, характеризующуюся постоянным выпуском строго
ограниченной номенклатуры изделий, однородных по назначению, конструкции,
технологическому типу, изготовляемых одновременно и параллельно.
Серийное производство -
характеризуется ограниченной номенклатурой изделий, изготавливаемых или
ремонтируемых периодически повторяющимися партиями, и сравнительно большим
объемом выпуска.
Партия или производственная партия -
это группа заготовок одного наименования и типоразмера, запускаемых в обработку
одновременно или непрерывно в течение определенного интервала времени.
Серийное производство является
основным типом современного производства, и предприятиями этого типа
выпускается в настоящее время 75-80 % всей машиностроительной продукции. По
всем технологическим и производственным характеристикам серийное производство
занимает промежуточное положение между единичным и массовым производством.
В зависимости от числа изделий в
партии или серии и значения коэффициента серийности (коэффициента закрепления
операций) различают мелкосерийное, среднесерийное и крупносерийное
производство.
В зависимости от размеров партий
выпускаемых изделий характер технологических процессов серийного производства
может изменяться в широких пределах, приближаясь к процессам массового или
единичного производства. Правильное определение характера проектируемого типа
производства и степени его
технической оснащенности, наиболее рациональных для данных условий конкретного
серийного производства, является очень сложной задачей, требующей от технолога
понимания реальной производственной обстановки, ближайших перспектив развития
предприятия.
. Выбор и обоснование принятого
варианта технологического процесса
Технологический маршрут обработки
заготовки служит для установления последовательности выполнения технологических
операций с соблюдением принципа единства и постоянства технологических баз.
Технологический процесс - это часть
производственного процесса, содержащая действия по изменению и последующему
определению состояния предмета производства.
Операция - это законченная часть
технологического процесса, выполняемая на одном рабочем месте.
Технологический переход -
законченная часть технологической операции, характеризуемая постоянством
применяемого инструмента и поверхностей, образуемых обработкой или соединяемых
при сборке.
Разработанный технологический
процесс на изготовления детали “серьга” приведен в таблице 4
Таблица 4 Технологический процесс на
изготовление детали “Серьга”
010 фрезерная 6Р12

025 сверлильная 2А125

|
|
|
|
030 расточная
|
2У430
|
|
|
035 фрезерная
|
6Р12
|
|
|
040 фрезерная
|
6Р12
|
|
|
045 фрезерная
|
6Р12
|
|
|
050 фрезерная
|
6Р12
|
|
|
080 шлифовальная
|
3Г71
|
|
|
085 шлифовальная
|
3Г71М
|
|
|
|
|
|
|
. Расчет и назначение промежуточных
припусков на обработку
Припуском на обработку называют слой
металла, подлежащий удалению с поверхности заготовки в процессе обработки для
получения готовой детали.
Припуски бывают двух видов:
. Общий - слой металла,
удаляемый с поверхности исходной заготовки в процессе механической обработки с
целью получения готовой детали.
. Промежуточный - слой
металла, удаляемый при выполнении технологического перехода обработки резанием.
Промежуточный припуск измеряется по перпендикуляру к обработанной поверхности и
равен разности размеров, полученных после предшествующего и после выполняемого
переходов.
Таблица 5 Расчет промежуточных
припусков на обработку
|
Технологические переходы обрабатываемой поверхности 12f9
|
Элементы припуска, мм
|
Расчетные припуски  , мкмРасчетный размер,
ммдопускПредельный размер, ммПредельные значения припусков мкм
|
|
|
|
|
|
|
Т
|
ρ
|
|
|
|
|
|
|
|
|
Заготовка
|
150
|
150
|
380
|
|
14,01
|
430
|
14
|
|
|
|
Обтачивание: Предварительное Окончательное
|
100
|
100
|
19
|
2*680
|
12,65
|
270
|
12,7
|
12,97
|
1300
|
1460
|
|
30
|
30
|
15
|
2*219
|
12,226
|
110
|
12,2
|
12,31
|
500
|
606
|
|
Шлифование: Предварительное Окончательное
|
10
|
20
|
8
|
2*75
|
12,076
|
70
|
12,0
|
12,07
|
200
|
240
|
|
5
|
15
|
|
2*38
|
11,82
|
41
|
11,8
|
11,86
|
200
|
210
|
|
Итого
|
|
2200
|
2516
|
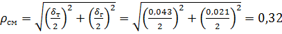
Суммарное значение пространственных
отклонений, возникающих при штамповке, будут равны:
механическая обработка серьга
резание

м (5.1)

погрешность заготовки
по смещению

мм (5.2)
Суммарные отклонения
расположения(пространственные отклонения) после обработки являются следствием
копирования исходных отклонений, они определяются для каждого перехода.
Определяем остаточные
пространственные отклонения:

(5.3)
где:- коэффициент
суммарных отклонений, и он зависит от вида обработки: при черновой он равен
0,05; при получистовой - 0,04; при чистовой - 0,02.

- припуск заготовки

0,05*380=19 мкм

=0,04*380=15 мкм

=0,02*380=7,6=8 мкм
Расчет минимальных
значений припусков на механическую обработку производим, пользуясь основной
формулой:

(5.4)
Определяем минимальное
значение припуска для предварительного обтачивания:
Для окончательного
обтачивания:
Для предварительного
шлифования:

мкм
Для окончательного
шлифования:
Находим расчетный размер

, он заполняется начиная
конечного(чертежного) размера путем последовательного прибавления расчетного
минимального припуска каждого технологического перехода:

Находим наибольшие
предельные размеры, их вычисляем прибавлением допуска к округленным наименьшим
предельным размерам:
Предельные значения
припусков 
определяем как разность
наибольших предельных размеров, а 
как разность наименьших
предельных размеров предшествующего и выполняемого переходов:
Номинальный припуск
определяем с учетом несимметричного расположения поля допуска заготовки:

(5.5)
Номинальный расчетный
размер находим путем суммарного значения минимального расчетного припуска и
номинального припуска заготовки:
Рис. 3 Схема расположения
операционных припусков и допусков на различных стадиях обработки для наружных
поверхностей(валов)
. Проектирование заготовки
При выборе заготовок(отливка,
штамповка, прокат) учитывают форму, размеры и массу детали, материал, объем
производства, периодичность повторения размеров, припусков на обработку и
точность размеров.
Обычно материал заготовок задается
конструктором и обозначается на рабочем чертеже. Вид заготовки, формы и размеры
определяют исходя из условий наибольшей простоты и экономичности обработки.
Правильный выбор заготовки если по
техническим условия применимы различные их виды можно осуществить только на
основе техно- экономическим путем сопоставления технологической себестоимости
детали из того или другого вида заготовок.
.
Расчет и выбор режимов резания
Операция 015 Фрезерная
Обработка ведется на вертикально-фрезерном
станке 6Р12, дисковой фрезой Т15К6 Ø120 с шириной фрезерования 10 мм и числом зубьев 22.
Заготовка устанавливается в машинные
тиски 7209-4004, и базируется по боковым и торцовой поверхностям.
) устанавливаем подачу на зуб
(таблица 75)

=0,1 мм/зуб=22
2) находим скорость резания

· Kv (7.1)

=
·1,52=213,03 м/мин
Сv=690; q=0,2; x=0,3;
y=0,4; u=0,1; p=0; m=0,35v= Kм ·Kп ·Kи (7.2)
м- коэффициент, учитывающий качество обрабатываемого материала
(таблица 1-4);п- коэффициент, учитывающий состояние поверхности
заготовки (таблица 5);и - коэффициент, учитывающий
материал инструмента (таблица 6).
) находим частоту вращения
шпинделя

(7.3)

об/мин
корректируем по станку
6Р12 n=500 об/мин
4) находим действительную
скорость резания
V=
(7.4)=
=188,4 м/мин
5) находим силу резания
Pz=
(7.5)z=
Cp=261; x=0,9; y=0,8;
u=1,1; q=1,1; w=0,1;
) находим минутную подачу
м= Sz∙z∙n (7.6)
м =0,1∙22∙500=1100 мм/мин
) находим мощность
затрачиваемую на резание
N=
(7.7)
Проверяем достаточна ли
мощность
рез≤Nшпдв=7,5
кВтшп =Nдв∙η=7,5∙0,8=6
кВт
,5≤6
Условие соблюдается,
обработка на данной операции возможна.
Операция 025 Фрезерная
Обработка ведется на
вертикально-сверлильном станке 2А125, сверлом Р6М5 Ø7,7
ГОСТ 10902.
Заготовка устанавливается в машинные
тиски 7209-4004, и базируется по боковым и торцовой поверхностям.
) находим глубину резания
=0,5·D D-диаметр сверла (7.8)
=0,5·7,7=3,85 мм
) находим подачу=0,28 мм/об
) находим скорость резания

· Kv (7.9)

·0,7=8,06 м /мин
v=
Km ·Kи ·Kl =0,7·1·1=0,7 - общий поправочный
коэффициент на скорость резания
4) находим крутящий момент
Мкр=10См·Dq·Sy·Kp
(7.10)
) находим мощность резания
N=
(7.11)=
=0,26 кВт

(7.12)

корректируем n по станку
355 об/мин
Проверяем достаточна ли мощность
рез≤Nшпдв=7,5 кВтшп = Nдв∙η= 4∙0,75=3 кВт
,26≤3
Условие соблюдается, обработка на
данной операции возможна.
8. Выбор и обоснование
оборудования
Выбор металлорежущего станка для
операции определяется методом обработки, габаритными размерами заготовки с
учетом их конфигурации, определяющими точность и шероховатость обрабатываемых
поверхностей, производства и себестоимости в соответствии с типом производства.
При выборе конкретной модели станка
необходимо обязательно учитывать его технические характеристики, основными из
которых размерные, скоростные и силовые.
Режущий инструмент необходимо
выбирать в зависимости от метода обработки, свойств обрабатываемого материала,
предусмотренной точности обработки и качества поверхности. Следует отдавать
предпочтение быстродействующим автоматизированным, многоместным
приспособлениям, перекрытиям основного и вспомогательного времени.
Измерительные средства применяемые в
машиностроении делятся на следующие основные группы:
калибры;
концевые и штриховые меры
длины;
универсальные, специальные
и автоматизированные средства.
Выбирая средства измерения нужно
стремиться, что погрешность измерения была незначительной по сравнению с
допусками измеряемого параметра изделия.
Для изготовления детали “Серьга”
назначаем оборудование, приспособление, мерительный, режущий инструмент и
заносим в таблицу 6.
Таблица 6 Выбор оборудования
|
Номер и наименование операции
|
Оборудование
|
Режущий инструмент
|
Мерительный инструмент
|
Приспособление
|
|
010 фрезерная
|
вертикально-фрезерный 6Р12
|
фреза торцовая Ø 100 ГОСТ
16222
|
ШЦ II-160-0,05 ГОСТ 166
|
тиски 7209-4004
|
|
015 фрезерная
|
вертикально-фрезерный 6Р12
|
фреза дисковая Ø120 b=10 ГОСТ
13838
|
ШЦ II-160-0,05 ГОСТ 166 ШГ 160-0,05 ГОСТ 162
|
тиски 7209-4004
|
|
025 сверлильная
|
вертикально-сверлильный 2А125
|
сверло спиральное Ø
7,7 ГОСТ 10902
|
пробка гладкая Ø 7,7Н13 ГОСТ
14810 ШР-II-250-0,05 ГОСТ 164
|
УСП
|
|
030 расточная
|
координатно-расточной 2Е440
|
сверло спиральное Ø
7,7 ГОСТ 10902 сверло спиральное Ø
4,7 ГОСТ 10902
|
пробка гладкая Ø 7,7Н13 ГОСТ
14810 ШР-II-250-0,05 ГОСТ 164 пробка гладкая Ø
4,7Н13 ГОСТ 14810
|
УСП
|
|
035 фрезерная
|
вертикально-фрезерный 6Р12
|
фреза концевая Ø 40 ГОСТ 17026
|
ШЦ II-160-0,05 ГОСТ 166
|
тиски 7209-4004
|
|
040 фрезерная
|
вертикально-фрезерный 6Р12
|
фреза концевая Ø 20 с R3 ГОСТ
17026
|
ШЦ II-160-0,05 ГОСТ 166 ШР-II-250-0,05 ГОСТ 164
|
тиски 7209-4004
|
|
045 фрезерная
|
вертикально-фрезерный 6Р12
|
фреза концевая Ø 20 ГОСТ 17026
|
радиусомер № 3 ТУ 2.034-228-87
|
стол поворотный
|
|
050 фрезерная
|
вертикально-фрезерный 6Р12
|
фреза концевая Ø 20 ГОСТ 17026
|
радиусомер № 3 ТУ 2.034-228-87
|
стол поворотный
|
|
080 шлифовальная
|
плоско шлифовальный 3Г71
|
шлифовальный круг ПП 250×32×20
24А40ПСМ1К5 ГОСТ 2424
|
МК 25.I ГОСТ 6507 ШР-II-250-0,05 ГОСТ 164 технологический штырь
Ø 8
|
УСП
|
плоско шлифовальный 3Г71М
|
шлифовальный круг ПП 250×32×10
24А40ПСМ1К5 ГОСТ 2424
|
калибр пазов 12,2Н9 8150-2358 № 5 ШР-II-250-0,05 ГОСТ 164
технологический штырь Ø 8
|
УСП
|
|
|
|
|
|
|
|
|
|
9. Нормирование операций
Разработка технологического процесса
обычно завершается установлением технических норм времени для каждой операции.
Техническую норму времени определяют на основе расчета режимов резания с учетом
полного использования режущих свойств инструмента и производственных
возможностей оборудования. Техническая норма времени характеризует время
необходимое для выполнения определенной работы в условиях данного производства
с учетом передового опыта и современных достижений техники и технологии
производства.
Основным является время
затрачиваемое рабочим на качественное или количественное изменение предмета
труда, то есть на изменение формы, размеров, внешнего вида состояния и
положения обрабатываемого предмета труда в пространстве, которые повторяются
либо с каждой обрабатываемой деталью, либо с каждой одновременно обрабатываемой
технологической установочной партией детали.
Вспомогательным является время
затрачиваемое исполнителем на действия, обеспечивающие выполнение основной
работы.
В серийном производстве определяется
норма штучно-калькуляционного времени:
(9.1)
где
-
подготовительно-заключительное время на партию, мин.- количество деталей в
партии,
.- годовая программа, N=16000 шт.з=12 - число запусков
в год,
.
-
штучное время на выполнение операции,
,
где
-
основное время;
-
вспомогательное время;
-
время на организационное обслуживание рабочего места;
-
время на техническое обслуживание рабочего места;
-
время на отдых и личные надобности рабочего;
-
подготовительно-заключительное время.
Для большинства видов механической
обработки величина
определяется
по формуле:
,
Где
- длина перемещения инструмента;
-
число ходов;
-
минутная подача.
Длина перемещения инструмента
складывается из следующих составляющих:
,
где
-
длина обработки;
-
длина врезания;
-
длина перебега.
Вспомогательное время
складывается из следующих элементов:
,
где
-
время на установку и снятие заготовки;
-
время, связанное с выполнением перехода;
-
время на контрольные измерения.
Время на организационное
обслуживание
,
техническое обслуживание
и на
отдых
принимают в процентах от оперативного времени, которое равно:
.
. Описание режущего инструмента
При проектировании технологического
процесса механической обработки необходимо стремиться к использованию
стандартного режущего инструмента, который исключает дополнительные
производственные затраты. В крупносерийном и массовом производствах следует
применять специальный режущий инструмент, который позволяет производить
одновременную обработку нескольких поверхностей или одну сложную поверхность,
которая требует совмещения продольных и поперечных подач или специальных
приспособлений. Применение специального режущего инструмента позволяет
сократить машинное и вспомогательное время в процессе обработки на одной
операции или перехода.
Для обработки детали серьга
используются режущий инструмент: фрезы концевые, торцовые, дисковые; спиральные
сверла, шлифовальный круг. Концевые фрезы по металлу выполняют обработку
уступов, плоскостей и пазов.
Также было спроектировано
специальный режущий инструмент развертка Ø 5H8 мм.
Развёртка представляет собой
инструмент для обработки точно и начисто (развертывания) отверстий, как
цилиндрических, так и конических. Это стержень с острозаточенными продольными
зубьями.
Развертка подобно сверлам и зенкерам
во время работы не только вращается вокруг своей оси, но и поступательно
перемещается вдоль, делая движение подачи. Работа с этим инструментом позволит
получить отверстие второго или даже третьего класса точности, а по чистоте
обработанной поверхности достигнет седьмого или восьмого класса.
По форме создаваемых ею отверстий
развертку можно подразделить на цилиндрическую и коническую, а по функции
применения - ручные и машинные. Развертки могут быть также еще насадные или
хвостовые, сборные или цельные, с постоянным диаметром.
Развёртки цельные - наиболее простые
по конструкции, но зато не регулируются по диаметру. И поэтому, как правило,
применяются сборные или разжимные инструменты, которые после истечения срока
службы и переточек могут быть отрегулированы на нужный размер. А это в свою
очередь повышает их срок службы.
Рис. 4 Эскиз развертки