Процесс производства бетонных строительных конструкций методом трехмерной печати
Содержание
Введение
. Обзор технологии
механизации малоэтажного строительства
.1 Технология изготовления
конструкционных элементов для жилищного строительства
.2 Технологии механизации
жилищного строительства
. Технология трехмерной
печати для послойного изготовления строительных конструкций
.1 Описание технологии
трехмерной печати для послойного изготовления трехмерных конструкций
.2 Организация технического
обслуживания машин комплекта (выбор места, времени и метода проведения работ)
.3 План производства работ по
сооружению малоэтажных жилых зданий с использованием послойных строительных
конструкций
. Разработка удлинителя
рукояти и установки для выплавления церезина
.2 Разработка удлинителя
рукояти. Проведение расчетов
.3 Разработка установки для
выплавления церезина
. Оценка необходимых
инвестиций и срока окупаемости цеха по послойному изготовлению бетонных
строительных конструкций
. Определение опасных и
вредных факторов в цехе по послойному изготовлению строительных конструкций
.1 Характеристика условий
труда для цеха по послойному изготовлению бетонных строительных конструкций по
опасности поражения людей электрическим током
.3 Назначение элементов
зануления и требования к ним
.3.1 Назначение нулевого
защитного проводника
.3.2 Назначение заземления
нулевой точки (нейтрали) трансформатора
.3.3 Назначение повторного
заземления нулевого защитного проводника
.3.4 Недостатки зануления
.4 Требования к устройству
проектируемой сети зануления
.4.1 Нулевой провод
.4.2 Нейтраль источника тока
(трансформатора) к заземление нейтрали
.4.3 Повторные заземления
.4.4 Предохранители
.4.5 Выбор сечений
проводников и защитной аппаратуры
.5 Расчет на отключающую
способность автоматической защиты
Заключение
Список использованных
источников
Введение
Одним из наиболее перспективных сегментов строительного рынка России
является малоэтажное домостроение. Среди причин развития данного сегмента:
увеличение благосостояния населения, рождающее желание жить в более комфортных
условиях, с одной стороны, и высокая потребность в недорогом жилье, с другой.
Соответственно рынок малоэтажного строительства развивается в двух основных
направлениях. Первое - это элитное загородное жилье, коттеджные поселки. И
второе - сфера внимания федеральной программы «Доступное и комфортное жилье -
гражданам России» (или «Свой Дом») - строительство дешевых быстровозводимых
домов.
При современных ценах на квартиры в городах малоэтажный загородный
коттедж является прямой альтернативой городской квартире, особенно если
квартира находится в крупном центре, где стоимость квадратного метра перевалила
за 1000 долларов. При всем многообразии стройматериалов на рынке предпочтение
будет отдано либо деревянным коттеджам, либо кирпичным (большинство коттеджных
поселков, построенных к этому времени, либо из кирпича, либо из дерева, либо
каркасно-щитовые). Каждый материал имеет свои определенные преимущества и свои
некоторые недостатки.
Сегодня для малоэтажного домостроения - новизна заключается в применении
современных строительных технологий, использование которых позволяет сократить
строительный цикл, увеличить качество и комфорт, а главное, снизить
себестоимость квадратного метра.
Данная работа является исследованием введения в рынок строительства
малоэтажного строительства новой технологии производства строительных конструкций
для малоэтажного строительства, такой, как производство бетонных строительных
конструкций методом трехмерной печати.
Данная тема чрезвычайно актуальна в последний год, так как последствия
экономического кризиса сильно отразились на строительной отрасли и многие
эксперты считают, что развитие малоэтажного строительства способно дать толчок
к скорейшему выходу из сложившейся ситуации и развитию отрасли в целом.
В центре нашего внимания разработка производственной программы
производства и применения, рассмотрение нюансов при работе с новой технологией.
В процессе работы решаются следующие задачи:
исследование применяемых на сегодняшней день технологий и использующихся
в них типовых элементов;
описание производственного процесса и расчет производственного цеха
исходя из производственной мощности и необходимых складских запасов;
укомплектование цеха техникой и составление программ ТO и Р;
проектирование одной из установок, участвующих в процессе производства;
проектирование необходимого сменного оборудования на принятое средство
механизации, во избежании применения нескольких средств механизации;
экономические расчеты;
опасные и вредные факторы в цехе по производству конструкций и решение
проблемы электробезопасности.
1. Обзор
технологии механизации малоэтажного строительства
В настоящее время применяются следующие традиционные технологии:
Деревянные технологии
Дерево, как строительный материал, человечество использует много тысяч
лет. Но на сегодняшний день известны всего несколько технологий изготовления
деревянного дома из массива: русская, норвежская и канадская.
Русская рубка наиболее традиционная и востребованная в нашей стране.
Норвежская и канадская широко известны в Северной Европе и Северной Америке, но
всего лет десять назад появились на нашем рынке. Надо сказать, что канадская
рубка является разновидностью норвежской. Дома канадской рубки делаются из
круглого леса, норвежской - из лафета (двухкантового бруса).
Кто придумал эти технологии, неизвестно. Скорее всего, это были люди,
жившие на территории современных Архангельской, Вологодской областей, Карелии и
Скандинавии. Основная их задача заключалась в нахождении способа крепления
между собой бревен для строительства жилища.
Если рассуждать, что человек развивался от простого к сложному, то сначала
появилась русская рубка. Основным минусом ее является то, что бревно не плотно
сидит в срубе. В результате в чашу (место соединения двух бревен) может попасть
вода и начнется процесс загнивания древесины. Следует учитывать и повышенные
теплопотери в угловых соединениях. Из-за неплотного соединения бревна в срубе
начинает крутить, особенно, если лес неспелый и повышенной влажности. Также
сруб, изготовленный по традиционной русской технологии, требует подконопатки
через год после постановки сруба на фундамент. Это увеличивает проблемы с
усадкой, так как дом в результате дополнительного уплотнения стыков между
бревнами может подняться на целый венец. Многие заказчики не любят круглый
профиль, в результате чего дома обкладываются кирпичом, обшиваются досками. В
результате происходит значительное удорожание строительства и нарушается
экология дома.
Человечество задумалось, как убрать недостатки, присущие русской рубке, и
изобрело норвежский замок. Это было довольно сложное техническое решение.
Основным свойством норвежского замка (норвежской чаши) стало
самозаклинивание. То есть, соединение было настолько плотным, что исключало
попадание воды и воздуха. При нагрузке верхние венцы давят на нижние, а на весь
сруб давит крыша, на которую предприимчивые норвежцы насыпают больше полтонны
земли (уж очень они любят травяные крыши), процесс самозаклинивания
усиливается.
рис 1.1
В результате значительно уменьшился риск загнивания древесины в угловых
соединениях, исчезла потребность в дополнительной конопатке сруба, уменьшились
теплопотери и проблемы с усадкой. Очень важно, что норвежская рубка делается
исключительно из лафета. То есть не требуется дополнительная отделка стен
вагонкой и другими материалами.
рис 1.2
Крыша в норвежском срубе - единое целое со стеной. «Осы», русское
название «конь» и «слеги» врубаются в фронтоны. В норвежском срубе нет
традиционного русского потолка. Потолок устроен таким образом, чтобы «осы» -
здоровые круглые бревна диаметром 30-36 см - были видны. Получается довольно
интересный и необычный интерьер. Правда и увеличиваются при этом расходы на
отопление. Растрескивание лафеты немного больше, чем круглого бревна.
Дом из лафета похож на дом из клееного бруса. Но, так как при норвежской
рубке используется лес очень большого диаметра, от 28 до 45 см, внешний вид
получается более внушительным. Про экологию и говорить нечего, так как при
ручной рубке никаких клеев и формальдегидов не используется.Начало формы
Применяется и цилиндрованное бревно. Чтобы стать оцилиндрованным,
древесина проходит определенную обработку, пропитывается специальными
составами, ограждающим дерево от разного рода атмосферных воздействий и
гниения, на нее автоматизированным способом наносятся все элементы соединений.
Оцилиндровка - одна из самых дорогих деревянных технологий, она находится
в одном ценовом сегменте с клееным брусом. Этот строительный материал появился
на российском рынке недавно, около 6 лет назад. Для производства клееного бруса
используется только «здоровая» древесина, в процессе обработки из нее убираются
все изъяны. Далее из древесины изготавливается пиломатериал, так называемые
ламели, которые клеятся в пять слоев - это позволяет в дальнейшем использовании
избежать деформаций.
В зависимости от технологии обработки можно выделить два вида бревенчатых
домов из оцилиндрованного бревна промышленного производства: из строганного
бревна (по методу строгания вдоль волокон и придания профиля посредством
обработки бревна с четырех сторон фрезами) или фрезерованного (методом
фрезерования поперек волокон дерева , по принципу точилки для карандашей).
Первый метод дает более качественную обработку и позволяет получить сложный
профиль бревна.
Метод фрезерования не позволяет получить сложный профиль бревна, а только
цилиндрический профиль и более низкое качество поверхности обработки.
Протяжные станки, где бревно протягивается через вращающуюся режущую
головку работают как "копир" - сохраняя естественную кривизну по
длине бревна, что отрицательно влияет на плотность стены при сборке дома.
Центровые станки - режущая головка вращаясь движется вдоль бревна выбирая
кривизну по длине бревна, позволяющие получить при монтаже более плотные стены.
Бревна различных производителей отличаются не только по профилю, чистоте
обработки, диаметру бревна, но и возможностями производственной базы
производителя, позволяющей:
выфрезеровать прямую и косую чашку
отторцевать бревно под косым углом
сверление под шканты и шпилечную систему
фрезерование паза под установку столярных изделий
фрезеровать компенсационный и утеплительный пазы
создать сложный профиль бревна
Следует учесть - сложный профиль бревна обеспечивает меньшую
ветропродуваемость за счет плотности прилегания бревен и лабиринтного
уплотнения утеплителя внутри утеплительного паза, тогда как в простом
цилиндрическом профиле данные факторы создать невозможно. При этом, следует
учесть, что при сложном профиле бревен последние примыкают друг к другу по всей
длине через заплечики шириной до 10 мм, с двух сторон утеплительного паза по
всей длине.
В простом профиле примыкание бревен осуществляется по узкой линии с двух
сторон утеплительного паза.
В период эксплуатации, изделия собранные из оцилиндрованного бревна
естественной влажности (зимой 30-35% влажности, летом больше) подвергаются
естественной сушке, при этом по длине бревна образуются трещины, бревно
уменьшается в диаметре и как следствие уменьшается высота сруба. Это означает,
что Ваш дом во время отопительного сезона и в летнее время, ориентировочно в
течении одного- полутора лет после монтажа, высохнет на 5-7% (собранный из
зимнего леса) и больше (собранный из летнего леса).
Очень важна ширина соединения бревен по длине - ширина утеплительного
паза. Чем паз шире, тем стена дома будет теплее.
Обычное рубленое и оцилиндрованное бревно подвергается усадке, как бы эти
материалы не сушили - за полгода-год дом «садится» на 10-15 см. В этом
заключается неудобство дома, построенного по данным технологиям - сразу в него
въехать нельзя.
При использовании же клееного бруса усадка минимальна, либо ее нет
совсем. Поэтому жить в таком доме можно сразу после окончания строительства.
Более высокая цена на этот материал объясняется тем, что он проходит много
ступеней переработки и обработки.
Еще один вариант клееного бруса, более дешевый, который сейчас выходит на
рынок - это клееный брус, в середине которого находится утеплитель.
Строительство дома по одному из видов деревянных технологий обойдется
приблизительно в 25-35 тысяч рублей за квадратный метр.
Строительство из камня.
Дома из натурального или искусственного камня, кирпича. Они
характеризуются долговечностью, большая масса этих конструкций требует
строительства ленточных фундаментов из тяжелых материалов. Камень обладает
исключительной прочностью и долговечностью. Сооружения из камня живут веками и
даже тысячелетиями. Дома с каменными стенами требуют повышенных расходов на
отопление из-за присущей им сырости и плесени. Меньшую массу и лучшую
теплоемкость имеют стены сложенные из дырчатого кирпича, арболита,
керамзитобетона. Такие стены нуждаются в менее массивных фундаментах, возможно
возведение экономичных столбчатых фундаментов. Дома со стенами из кирпича и
легких бетонов имеют хороший микроклимат и рекомендуются в любой климатической
зоне.
Ячеистые бетоны производят путем смешивания нескольких компонентов:
вяжущего (например, цемент, известь, гипс), дисперсного (песок, зола) и пено-
или газообразователя.
Для изготовления пенобетона вяжущий и дисперсный компоненты смешиваются с
пенообразователем или готовой пеной; полученной смесью заполняют специальные
формы для получения блоков; также ее можно использовать для заливки полов, для
утепления кирпичных стен и в монолитном строительстве. Так как поры в
пенобетоне получаются закрытыми, он обладает лучшими показателями влагостойкости,
чем газобетон. Технология производства пенобетона достаточно проста и позволяет
изготовлять пеноблоки прямо на строительной площадке из подручных материалов
(если таковые имеются). Однако он более хрупок по сравнению с газобетоном.
При производстве газобетона в смесь вяжущего и дисперсного компонентов
вводят газообразователь (чаще всего алюминиевую пудру), перемешивают все это и
заливают в формовочные ванны, где в результате химических реакций смесь
наполняется газом. После завершения процесса вспучивания с полученной формы с
помощью металлических струн срезают «горбушку», нарезают газобетон на блоки
(благодаря точности нарезки швы в кладке при строительстве получаются
минимальной толщины), затем проводят автоклавную обработку (температурой и
давлением) для придания прочности.
Кирпич - самый древний искусственный материал (первые кирпичи
изготовляли, смешивая глину с резаной соломой), и самый популярный, пожалуй, на
сегодняшний день.
В настоящее время выпускается масса разновидностей кирпича - разных размеров,
форм, рельефов, цветов, плотности (с полостями внутри), с разными значениями
технических характеристик, что позволяет выбрать оптимальную комбинацию для
достижения требуемых свойств строения.
В основном в жилищном строительстве используются два вида кирпича:
силикатный и глиняный (керамический).
Силикатный кирпич - один из самых дешевых, но по свойствам значительно
уступает керамическому. Так, он обладает меньшей влагостойкостью и разрушается
под действием высоких температур. Зато его звукоизолирующие свойства лучше, чем
у глиняного кирпича. Силикатный кирпич нельзя применять для закладки
фундамента, а также для изготовления каминов, печей и дымоходных труб (для
этого существует специальный огнеупорный кирпич).
Стоимость квадратного метра кирпичного дома - 30-35 тысяч рублей за
квадратный метр.
А также современные технологии:
Каркасное домостроение.
Каркасное домостроение распространено в Скандинавии, Финляндии, Германии,
Канаде, США, на Украине.
Существует три вида каркасов - деревянные, каркас из ЛСТК (легкие
стальные тонкостенные конструкции), каркасно-панельные конструкции.
Технология строительства каркасного дома выглядит примерно так. На месте
строительства дома, либо на заводе строится каркас, затем устанавливается
утеплитель, который закрывается снаружи и изнутри различным видами обшивки.
Возможен и такой вариант, когда домокомплект собирается прямо на заводе
(блоками, либо сразу целым домом).
Теплый комбинированный клееный брус, представляет из себя многослойный
монолит, в котором под давлением склеены все три слоя: наружные ламели из сухой
строганной древесины, как и в клееном брусе и внутренний утеплитель -
экструдированный пенополистирол.
Благодаря этой технологии деревянные дома возводятся очень быстро, без
дополнительной дорогой строительной техники. Стены, собранные из такого бруса,
не требуют дополнительной отделки как в каркасно-панельной (по типу
"канадской технологии") и в тоже время являются существенно более
теплыми, чем из клееного бруса. Толщина стены из комбинированного бруса в 160мм
эквивалентна толщине стены из клееного бруса в 400мм, а кирпичной кладки в
2,5метра. Дома собранные из такого материала обеспечивают комфортное проживание
в морозы (-50° и ниже) и летний зной (+50°).
Экструдированный пенополистирол, является не только прогрессивным
утеплителем, но и конструкционным элементом, который удерживает деревянные
ламели, параллельно друг другу, что обеспечивает дополнительную прочность
брусу. Он экологически безопасен, не содержит соединений фенола и при его
изготовлении не применяются вещества и газы, опасные для окружающей среды и
здоровья человека, является отличным теплоизолятором, практически не впитывает
влагу (влагопоглощение 0,3%). Толщина в 12 мм эквивалентна толщине сухого
клееного бруса в 50мм.
Используя технологию с комбинированным клееным брусом при строительстве
деревянного дома, застройщик получает очень теплый дом с внешним видом элитного
коттеджа из клееного бруса, не требующего дополнительной отделки и готового к
проживанию и экономя при этом:
во-первых, на фундаменте, так как брус имеет небольшой вес (в 2.5 раза
легче клееного бруса и в 5 раз - оцилиндрованного бревна),
во-вторых, на стеновом комплекте, толщина бруса в 120 или 160мм отвечает
всем нормам ( по теплозащите ограждающих стен, что дает экономию по сравнению с
клееным брусом на 35%! и более,
в-третьих, отопление дома из такого бруса обойдется застройщику в 3 раза
дешевле, чем из дома клееного бруса или другого деревянного дома,
в-четвертых, дом возводится быстро, не требуя дополнительной строительной
техники и отделки, а качество и внешний вид соответствует существенно более
дорогому элитному клееному брусу.
Комбинированный, теплый клееный брус с экструдированным полистиролом
является современным строительным материалом, отвечающий по своим свойствам
последним изменениям, внесенным в строительные нормы (СНиП) и с успехом
применяемый в малоэтажном строительстве
Преимущества каркасных технологий - возможность строительства в любое
время года, при любой погоде, отсутствие усадки, высокие темпы строительства
(от нескольких дней до месяца), низкая цена - от 16 до 22 тысяч рублей за
квадратный метр.
Монолитное домостроение
Упрощенно
технология возведения стен из монолитного бетона состоит в следующем -
непосредственно на стройплощадке монтируются специальные формы - опалубки,
повторяющие контуры будущего конструктивного элемента, например, колонны, стены
и т.д., в которые устанавливается по проекту арматура и заливается
конструкционный бетон. После затвердевания бетона получается готовый
конструктивный элемент здания. Опалубочные элементы либо демонтируются (при
применении сборно-разборных опалубок
<#"780321.files/image003.gif">
Рис
1.3. Схема каркасно-монолитного строительства
Каркасно-монолитные
дома собираются непосредственно в построечных условиях, либо монтируются из
узлов и деталей, изготовленных промышленным способом.
Стеновой
каркас состоит из П-образных стоек, изготовленных из остроганных по одной
кромке пиломатериалов влажностью 18%, сечением 50х100 мм. Оптимальное
расстояние между стойками - 750 мм. Ширина стоек наружных стен обусловлена
толщиной утеплителя, которая, в свою очередь, зависит от его теплотехнических
свойств.
Устойчивость
под воздействием всех видов нагрузок обеспечивается диагональными раскосами,
верхней и нижней обвязками стоек и обшивкой. Деревянный каркас обшивают с двух
сторон листовым или погонажным материалом. В качестве наружной обшивки наиболее
удобны асбоцементные листы 3000х1500х10 мм, внутренняя обшивка - фанера СФС
1520х1520х8 мм или гипсокартон водостойкий 10 мм. Применение легких ячеистых
бетонов - пенобетона, пеностиролбетона, газобетона в качестве монолитного
заполнителя в стеновых конструкциях и перекрытиях делает дом долговечным,
теплым, негоримым, в нем сохраняется хороший микроклимат в связи с естественным
воздухообменом. При заливке стен в пенобетон вводятся специальные добавки,
обеспечивающие ускоренное твердение материала, в том числе и при отрицательных
температурах, а также повышающие гидроизоляционные свойства стенового массива.
Технологическая оснастка каркасно-монолитного строительства может быть
рассчитана на производство стеновых конструкций различных форм, с любым углом
сопряжения и высотой до трех этажей.
Благодаря
своей легкости каркасно-монолитные здания не нуждаются в массивных фундаментах.
Для домов без подвала можно строить ленточные монолитные фундаменты, при
сложных грунтах необходимы буронабивные сваи, объединенные монолитным
ростверком. Каркасно-монолитные дома имеют крыши мансардного типа, стропильная
конструкция которых является частью каркаса. Возведение каркасных домов не
требует применения большегрузного автотранспорта и тяжелой строительной
техники, поэтому транспортные издержки минимальны, а при строительстве
максимально сохраняется природный ландшафт.
Технология
строительства каркасно-монолитных домов предусматривает строительство несущего
каркаса и крыши сразу после выдержки фундамента. Сроки сборки и ее трудоемкость
минимальны. Как правило, уже через два-три дня, максимум через неделю, основная
коробка готова. Заливка пенобетона в стены и перекрытия осуществляется на месте
передвижными легкими установками, весьма разнообразными по конструкции. Кроме
указанных выше материалов для наружной обшивки используются асбоцементные,
ориентированно-стружечные (OSB) и цементно-стружечные (ЦСП) плиты, влагостойкая
фанера, деревянный строганный погонаж, сайдинг, доска "блокхаус",
имитирующая рубленый дом, или любой вид отделочного кирпича, а также
специальная пластмасса и штукатурка.
Каркасно-монолитные
дома не подвержены осадке, поэтому их отделку можно начинать сразу же после
завершения сборки. При использовании съемной внутренней опалубки для отделки
применяются дерево, гипсокартон, оштукатуривание поверхности с последующей
наклейкой обоями или окраской. Наружный облик здания, в зависимости от
возможностей заказчика, может быть весьма разнообразным: от покраски
водоэмульсионными или акриловыми красками до отделки керамогранитом, деревом и
другими фасадными материалами.
Продолжительность
строительства в основном зависит от объема работ, связанных с возведением
фундаментов, заливкой пенобетона, внутренней и наружной отделкой, прокладкой
коммуникаций и установкой инженерного оборудования. В отличие от панельных
домов, у которых в местах, где установлены деревянные стойки каркаса,
термическое сопротивление стены ниже по сравнению с остальным пространством,
заполненным утеплителем, образуются "мостики холода",
каркасно-монолитные дома таких точек не имеют. Другая серьезная проблема,
которая может возникнуть при эксплуатации деревянных домов - гниение. Но эта
"болезнь" также не опасна каркасно-монолитным строениям - каркас
надежно защищен от проникновения микозных спор пенобетоном.
При
использовании плит ЦСП или АЦЛ в качестве наружной опалубки не требуется
применения ветрозащитных пленок, но парозащита на внутренних обшивках
обязательна. При несъемной обшивке стен листами АЦЛ их поверхностную отделку
производят акриловыми модифицированными красками, пластиками, мраморной крошкой
или керамогранитной плиткой. При этом дома, особенно отделанные изнутри
деревом, смотрятся весьма респектабельно и служат веками.
Как
показывает опыт строительства, коробку дома площадью 100 кв. метров "под
крышу" возводит в течение 10 дней бригада из 4-х человек. Заливку
пенобетона обеспечивают три работника, при использовании серийной установки
БС-0,25 за неделю. Стоимость всего комплекта мобильного оборудования для заливки
пенобетона - 150 тыс. рублей. Оборудование весит 0,5 тонны и умещается в кузове
грузовой "Газели".
Стоимость
1 кв.метра каркасно-монолитного строения составляет 13-14 тыс. рублей.
Производственные мощности такого домостроения требуют затрат только на лесопиление,
столярку и мобильную установку для изготовления неавтоклавного пенобетона,
поэтому технология каркасно-монолитного строительства является наименее
капиталоемкой. В соответствии с этим данный метод домостроения может быть
освоен в небольших городах, лесных поселках и агропромышленном комплексе, где
другие виды строительства жилья весьма дороги и наименее эффективны.
Особенность
каркасно-монолитного строительства заключается еще и в том, что этим способом
можно вести комплексную застройку поселений. При использовании большепролетных
клееных балок, ферм, арок появляется возможность возведения зданий
социально-бытовой и промышленной сферы, безопасных в пожарном отношении и
достаточно долговечных.
Домостроительная
система «Русская стена»
«Русская
стена» - технология быстрого строительства коттеджей, домов до пяти этажей, а
также ограждающих конструкций в высотном строительстве, в 3-4 раза увеличивает
экономическую эффективность. Она с успехом применяется в Европе, Канаде, США,
Израиле, странах Ближнего Востока, России более 50 лет.
При
использовании данной технологии не требуется монтировать опалубку. Основной
элемент системы - панель «Русская стена» - состоит из металлического каркаса и
пенополистирола. Бетон на панели наносится методом торкретирования - набрызга
под давлением. Также можно нанести бетон вручную.
Такая
технология оригинальным образом объединила методы панельного и монолитного
домостроения. Некоторое сходство с первым методом ей придает использование
произведенных в заводских условиях стеновых панелей - их называют 3D-панелями.
Они представляют собой пространственную конструкцию, состоящую из плиты
пенополистирола плотностью 15 кг/м3 (ее принято называть сердечником), с обеих
сторон которой закреплены арматурные сетки, изготовленные из проволоки
диаметром 3 мм и имеющие ячейки 50 × 50 мм. Сетки соединены пронизывающими пенополистирол
стержнями-раскосами диаметром 4 мм из оцинкованной стали, приваренными к сеткам
под углом, что придает конструкции пространственную жесткость, а заодно не
позволяет смещаться сердечнику плиты. Количество раскосов в панелях колеблется
в зависимости от назначения: 100 шт./м2 - для стеновых панелей, 200 шт./м2 -
для используемых в конструкции перекрытия.
Рис 1.4. Схематичный разрез стены
Схематичный разрез стены:
- арматурная сетка 50 × 50 мм;
- стержни, приваренные к сеткам под углом;
- слой бетона, нанесенный методом торкретирования;
- сердечник из пенополистирола
Размер панелей стандартный: длина - 3 или 6 м, ширина - 1,2 м (на заказ
можно изготовить панели любой длины с шагом, кратным 100 мм). Сердечник из
пенополистирола может иметь различную толщину. Так, у 3D-плит для наружных стен
она составляет 120 мм, для внутренних несущих стен и перекрытий - 100 мм, для
перегородок - 50 мм. Арматурная сетка отстоит от сердечника в панелях,
используемых для несущих стен, на 19 мм, в перегородочных - на 16 мм. Масса
трехметровой панели с пенополистиролом толщиной 120 мм составляет всего 27 кг,
что и позволяет производить монтаж без применения тяжелой строительной техники.
Конструкцию дома собирают из таких плит - на этом и заканчивается
сходство с панельным домостроением. Сетчатый каркас панелей связывают воедино,
усиливают арматурой, а затем на него (с обеих сторон) наносят сплошную бетонную
оболочку. Таким образом, стены, перекрытия и несущие элементы объединяются в
единую монолитную конструкцию.
Бетон на обе стороны стен и нижнюю сторону перекрытия наносят методом
торкретирования (о сути метода - чуть ниже): на несущие стены - слой толщиной
50-60 мм, на внутренние - 40 мм.
И самое главное. Приведенное сопротивление теплопередаче (Ro) наружных
стен по расчету составляет 3,24 м2 • °С/Вт, что отвечает требованиям СНиП 23-02
- 2003 "Тепловая защита зданий" для средней полосы России. Индекс снижения
воздушного шума для внутренних стен, перегородок и перекрытий - не менее 50 дБ.
Для монтажа стен дома по рассматриваемой технологии более подходят два
типа фундамента - монолитный ленточный и монолитная плита.
Для возведения стены необходимо наличие арматурных выпусков из фундамента
диаметром 10 мм с шагом около 500 мм, причем наружные стены должны примыкать к
ним одной стороной - обычно внутренней. Задача этих выпусков - предотвратить
смещение монтируемых панелей как по горизонтали, так и по вертикали.
Выпуски можно сделать двумя способами. Первый - предварительно
просверлить отверстия, установить в них арматурные стержни, а затем заполнить
зазоры цементным раствором. Более простой путь (второй) - установить стержни в
еще не застывший бетон. Именно поэтому и предпочтительны фундаменты двух
упомянутых типов.
Монтаж панелей 1 этажа занимает 2-3 дня.
Небольшие проемы вырезаются в установленных в проектное положение
стеновых панелях. Большие проемы выполняются путем предварительной резки панели
до установки.
Перекрытия здания выполняются также из панелей «Русская стена».
Горизонтальное выравнивание панелей перекрытия осуществляется при помощи
системы временных распорок. Бетон на нижнюю часть плит перекрытия наносится
методом торкретирования. Верхний слой перекрытий заливается после набора
прочности нижним слоем. Слой бетона составляет 50 мм с каждой стороны.
До процесса бетонирования должна быть завершена прокладка всех
коммуникаций, проложенных в стене согласно проекту.
Окончательная отделка стен из панелей «Русская стена» может быть любой -
штукатурка и окраска, облицовка кирпичом или камнем.
С помощью 3D-панелей можно создавать не только стандартные прямоугольные
конструкции, но и фигурные. Их, как правило, используют при изготовлении
балконных плит и козырьков над входными группами, балюстрад балконов и заборов.
Наиболее трудоемким является их применение для выполнения кровельных
конструкций сложной формы и лестничных маршей - эти работы требуют проведения
дополнительных расчетов конструкций на прочность и разработки специальных схем
армирования. Ну и конечно же, более высокой квалификации строителей.
Заявленных разработчиком преимуществ по сравнению с традиционной
кирпичной кладкой у новой технологии довольно много:
• производительность труда примерно в 5-6 раз выше, а сроки строительства
в 2-3 раза короче;
• не требуется применения подъемных механизмов, транспортные расходы
сведены к минимуму;
• за счет меньшей толщины стен можно получить дополнительно около 1,5 м2
площади на каждые 6 пог. м наружной стены;
• строительство возможно при температуре до -10 °С;
• стоимость возведенных стен примерно в 2 раза ниже, чем стен, которые
строят по другим технологиям;
• нет необходимости в квалифицированных строительных кадрах.
По этой технологии строится сейчас большинство таун-хаусов, применяется
она и в капитальном строительстве.
Основные приемущества технологии - быстрота и простота возведения,
возможность строительства зданий любой конфигурации и формы.
Цена - 20-22 тысяч рублей за квадратный метр.
Строительство с использованием теплоэффективных блоков
Недавно появилась технология теплоэффективных блоков (керамических,
газобетонных, газосиликатных либо блоков «теплостен»).
Строительство с использованием теплоэффективных блоков с наружным
декоративным слоем, позволяет возводить стены толщиной в один блок, не
требующие никакой наружной отделки, что значительно сокращает сроки
строительства. Все это позволяет значительно снизить стоимость строительства
дома. По нашим подсчетам дом, площадью 160 м2 построенный с использованием
трехслойных теплоэффективных блоков будет стоить не более 60 тыс. долларов.
Наличие форм для изготовления рядовых, угловых, перемычных, поясных и доборных
блоков, позволяет выпускать полный комплект блоков для строительства дома с
заданной покупателем фактурой декоративной отделки наружной стены, с заданным
значением сопротивления теплопередаче.
Стеновые блоки имеют трехслойную конструкцию, состоящую из несущего слоя
поризованного керамзитобетона класса В10 - В12, плотностью 1100-1300 кг/м3,
внутреннего слоя из эффективного пенополистирола плотностью 10 - 25 кг/м3 и
наружного защитно- декоративного слоя из обычного или цветного бетона класса
В15 - В20. Все слои связаны между собой арматурными стержнями. Многослойные
блоки применяются в наружных несущих стенах при строительстве зданий до 3
этажей. Блоки изготавливаются с высокой точностью геометрических размеров
(1мм). Поэтому кладка стен осуществляется на пастах или растворах при толщине
швов 5мм. Масса блока 40х20х30мм составляет 20-22 кг.
При своей кажущейся простоте теплоэффективные блоки полностью
соответствуют своему названию, что хорошо характеризует представленный ниже
график:
Рис. 1.5. Теплопередача различных конструкций стен
Практика возведения стен из многослойных теплоэффективных блоков показала
следующие преимущества строительства по сравнению с традиционными:
. Высокие теплотехнические характеристики стен.
При эксплуатации домов, построенных из этих блоков, затраты на отопление
в 3 -3,5 раз меньше, чем в кирпичных домах. Стены из этих блоков создают так
называемый эффект "термоса", то есть они не пропускают через себя ни
холод, ни тепло. Поэтому в таком доме зимой - тепло, а летом - прохладно.
. Снижение сроков строительства.
Кладка стен из многослойных теплоэффективных блоков с декоративным
наружным слоем ведется в один ряд (цепная система). Поэтому работа не требует
высокой квалификации. Положил блок - стена готова: снаружи блок имеет
декоративную отделку, а изнутри стена отделывается гиспсокартоновыми листами
или штукатурится. Такая кладка позволяет достигнуть большой скорости возведения
стен.
. Экономия стоимости стеновых материалов.
. Экономия при сооружении фундаментов.
Стены из многослойных блоков в 3 раза легче кирпичных, поэтому создают
значительно меньшую нагрузку на фундаменты, что приводит к снижению стоимости и
трудоемкости этих работ. Экономия составляет примерно 15-20%.
. Снижение транспортных расходов.
Расходы на транспортировку зависят от объема и веса конструкций стен и
перекрытий. Толщина стен из трехслойных теплоэффективных блоков в два раза
меньше, чем из кирпича, а вес в три раза. Таким образом, и объем перевозок, а
следовательно, транспортные расходы в 2 раза ниже.
. Получение дополнительной площади.
Без дополнительных затрат площадь дома увеличивается, из-за меньшей
толщины стены по сравнению с кирпичной.
Таким образом, преимущества возведения стен из трехслойных
теплоэффективных блоков очевидны. Эта технология дешевле традиционного кирпича,
но дороже каркасной технологии - порядка 25-27 тысяч рублей за квадратный метр.
Среди ее главных преимуществ - быстрота возведения.
Технология панельного домостроения
Идеальным решением для реализации программы «Доступное и комфортное
жилье» и других правительственных социальных программ, а также для возведения
загородного семейного дома является технология панельного домостроения,
позволяющая в кратчайшие сроки создавать эстетичные, привлекательные строения
любой сложности, высокой надежности, рентабельные в эксплуатации и
соответствующие всем требованиям, предъявляемым к современному жилью.
Преимуществом технологии панельного домостроения является также простота
отделочных работ, низкая себестоимость строительства и, как уже упоминалось,
дальнейшей эксплуатации. Особенно рентабельно применение новейшей технологии
малоэтажного строительства.
Технология панельного домостроения основана на применении
теплоизоляционных сэндвич-панелей (SIP). Сэндвич-панели, представляющие собой
трехслойную энергосберегающую конструкцию, используются в качестве несущих
элементов здания: стен, перекрытий и кровельных конструкций.
Сэндвич-панель состоит из трех слоев: между двумя высокоплотными
стружечными плитами (OSB-3) под давлением приклеивается слой твердого
пенополистирола в качестве утеплителя. Благодаря этой современной технологии
достигается превосходная термическая изоляция панелей, которая существенно
уменьшает расходы на нагрев и охлаждение. Благодаря этой методике проникновение
воздуха в помещение ограничивается, обеспечивается требуемый воздушный и
паровой барьер. Постройка из сэндвич-панелей дает возможность сэкономить от 40%
до 60% энергии, если сравнивать здание с с деревянно-каркасным домом того же
размера и термостойкости. Еще одним неоспоримым преимуществом постройки из
сэндвич-панелей является отличная звукоизоляция, благодаря использованию
пеноплистирола. Этот материал отличается великолепными шумоподавляющими
свойствами, оптимизирует акустику помещения.
Рис 1.6. Структура SIP-панели
Следует подчеркнуть, что речь идет именно о панельном (а не о каркасном)
домостроении. При панельном строительстве несущими являются стены, и
особенностью технологии является совмещение функций панелей: несущих и
ограждающих. Как обоснованно утверждают эксперты, панельная конструкция в разы
прочнее каркасного деревянного строения (если точнее, в пять раз). Кроме того,
панельная конструкция рентабельнее потому, что для нее не требуется усиленного
фундамента. Современная методика дает возможность монтировать здания
круглогодично.
Соединение панелей осуществляется по принципу "шип-паз".
Обшивка держится на всей поверхности твердо. Уникальные свойства плит OSB
обеспечивают жесткость. Каждая из панелей имеет свойства цельного композита и
отличается высокой сопротивляемостью нагрузкам и воздействиям ветра (в
частности, по сравнению с конструкциями из деревянного бруса).
Здания по технологии панельного строительства возводятся чрезвычайно
быстро. Масса панелей сравнительно невелика, и каждую из них вполне в состоянии
смонтировать двое рабочих, да и подвозит панели на стройплощадку транспорт
небольшой грузоподъемности.
Область применения «сэндвич»-панелей достаточно широка. Из них
изготавливаются почти все основные конструктивные элементы здания: панели
наружных стен, панели полов и межэтажных перекрытий, балки и перемычки большого
сечения, подоконные панели, перегородки несущие и ненесущие, панели кровельных
конструкций и т.д.
Для соединения SIP-панели в каркасную конструкцию используются
специальные гвозди и саморезы.
Дополнительного утепления эти конструкции не требуют. Кровельное покрытие
кладется прямо на панель крыши, без дополнительной изоляции.
При строительстве не используется отдельно возводимый каркас здания. Его
роль выполняют верхний и нижний обвязочный брус и отдельные бруски, вклеенные в
панель на заводе.
Жесткость конструкции достигается благодаря исключительным свойствам плит
OSB. Сами SIP-панели являются основным несущим элементом конструкции.
При изготовлении теплоизоляционных SIP-панелей и монтаже домов не нужна
рабочая сила высокой квалификации. Достаточно иметь одного специалиста по
шефнадзору на изготовлении и сборке домов. Процесс производства модулей и
сборки домов настолько прост, что рабочие могут освоить его в течение
нескольких дней. Быстрый монтаж стеновых панелей достигается с помощью замков
типа «шип-паз».
Электропроводка, как правило, проходит снаружи панелей, отопление в
трубах под полом, а отверстия для сантехники и водопровода делаются обычным
образом. При строительстве домов небольшого размера стропильные конструкции не
нужны, вполне достаточно одной коньковой балки.
При одной и той же толщине стен все здания из SIP-панелей почти в 1,5
раза теплее обычных деревянно-каркасных и в 8 раз теплее кирпичных домов. Кроме
того, экологически они считаются гораздо более чистыми, чем кирпичные и
бетонные.
Внутренняя и внешняя финишная отделка дома может быть выполнена с
использованием абсолютно любых материалов, в соответствии с желанием и
финансовыми возможностями заказчика.
Панели применяются также для внутренних перегородок, что способствует
дополнительной звуко- и термоизоляции. На панельный пол накладываются также
чистовые покрытия всех типов. Фасады панельных домов отделываются штукатуркой,
облицовываются фасадным кирпичом, обшиваются сайдингом. Здания, построенные из
панелей, надежны и долговечны, удобны и рентабельны в эксплуатации.
.1 Технология
изготовления конструкционных элементов для жилищного строительства
При использовании разных технологий используются свои типовые
конструкционные элементы, рассмотрим технологии их производства.
Деревянные технологии
В деревянной технологии основными элементами являются брус и
цилиндрованное бревно.
Клееный брус изготавливается из пиломатериалов сосны или ели,
Вологодской, Пермской, Омской, Иркутской, Новосибирской областей и республики
Коми.
Сушка материалов осуществляется до 10% влажности (как для производства
мебели) в сушильных камерах.
Затем на специальной технологической линии вырезаются нездоровые сучки,
производится сращивание досок до длины 12м (ламели).
После чего ламели, в специальном прессе под давлением 10кг/см2,
склеиваются экологически чистым клеем
Окончательная фаза производства клееного бруса - профилирование заготовок
и нарезание узловых соединений, позволяющих изготавливать продукцию в жёстких
допусках.
Каждая деталь конструкции деревянного дома из клееного бруса проходит
индивидуальный контроль и маркируется.
Затем из готовых деталей формируются пакеты. Их упаковывают в
многослойную полиэтиленовую пленку и отправляют по месту назначения.
Типовая технология изготовления сруба оцилиндрованного бревна
представляет собой последовательность операций:
. Изготовление заготовок.
Рис. 1.8.
Оцилиндровка и профилирование бревна. Полный цикл изготовления бревна
15-30 минут.
Рис. 1.9.
Оцилиндровка и профилирование бревна. В комплексе смонтирована
высокопроизводительная ленточнопильная часть, позволяющая изготавливать доски,
брус, бруски и рейки.
Рис. 1.10.
Оцилиндровочный комплекс проходного типа для крупных домостроительных
производств. Переработка кругляка, максимальный диаметр Ø320
мм с целью изготовления
оцилиндрованных и срубовых бревен, бруса и обрезной доски.
. Торцевание бревен в размер по длине
Рис. 1.11.
Оцилиндрованное бревно подается на торцовочный станок для задания базы,
от которой ведется разметка для зарезки чаши.
. Фрезерование чашек в бревне
Рис. 1.12.
После установки в заданной точке и выставления необходимого угла
происходит механический или пневматический прижим и зарезка поперечного паза
(чашки) соответствующего диаметра.
Строительство из камня
В большинстве случаев для производства пенобетона используют одну из двух
технологий - баротехнологию или классическую технологию.
Мобильные установки без пеногенератора, работающие по принципу
баротехнологии. Данные установки позволяют получать пенобетон без
пеногенератора. Производительность установок 20 и 40 куб.м. пенобетона в сутки,
соответственно. Плюсами данных установок являются дешевизна и простота
получения пенобетона. Минусами повышенный расход пенообразователя, сравнительно
небольшая производительность и меньшая прочность получаемого пенобетона, по сравнению
с оборудованием на базе пеногенераторов.
Установки
для пенобетона <#"780321.files/image012.gif">
Рис 1.13. Кассетная форма для пенобетона
Данный метод прост и производителен. Большой недостаток: привязанность к
одному типоразмеру выпускаемых блоков. Установку автоматической распалубки
невозможно перенастроить на производство блоков других типоразмеров.
Способы производства кирпича изменялись с течением времени от столетия к
столетию. До ХIX века эта процедура была весьма трудоемкой, так как кирпич
формовался вручную. Его сушка возможна была только в летнее время, а формовка
производилась в больших напольных печах, выложенных из высушенного
кирпича-сырца. Примерно двести лет назад были изобретены кольцевая обжиговая
печь и ленточный пресс, что весьма облегчило процесс производства. Также в XIX
веке стали выпускаться и глинообрабатывающие машины.
На сегодняшний день больше всего кирпича производится круглогодично на
крупных заводах. Эти предприятия выпускают более 200 миллионов кирпичей в год.
В производстве кирпича обычно применяются легкосплавные песчанистые и
мергелистые глины.
На сегодняшний день существуют две основные технологии производства этого
стройматериала. Первая основана на обжиге глины, а вторая осуществляется без
него.
Технология обжигового кирпича. Подготовка материала для будущего кирпича
может быть произведена следующим способом. Глина, извлеченная из карьера,
помещается в бетонированные творильные ямы, в которых ее разравнивают и
заливают водой. В таком состоянии материал оставляют на 3-4 дня. Только после
этого глина доставляется на завод для произведения машинной переработки.
Для удаления из глинистой массы камней обычно применяются специальные
камневыделительные вальцы. После проведения этой процедуры глина поступает в
ящичный питатель. У выходного отверстия этой машины размещаются подвижные
грабли, которые частично разбивают куски и выталкивают глину на бегуны. Здесь
глина хорошо размалывается. Затем материал проходит через одну или две пары
гибких вальцов и поступает в ленточный пресс, соединенный с резательным
аппаратом. Кирпич отрезается от глиняной ленты и попадает на подкладочные
деревянные рамы. После такой расфасовки материал помещается в сушильную камеру.
Когда камера полностью заполняется, ее запирают и разогревают.
Сушка кирпича чаще всего производится искусственным способом, так как она
не требует большого складского пространства и не зависит от погодных условий.
Для такой сушки используют тепло отработанного пара. В результате постепенного
подъема температуры в сушильной камере образуются водяные испарения без
движения воздушных потоков. Это благоприятно влияет на сушку кирпича. Кирпич во
влажном воздухе нагревается, что обеспечивает равномерное высыхание всей массы.
Высушенный кирпич поступает в кольцевую или туннельную печь для обжига. Эта
операция происходит при температуре около 1000 градусов. Обжиг длится до начала
спекания.
Хороший кирпич должен иметь матовую поверхность, и при ударе давать
звонкий звук. Требуется, чтобы на изломе он был однородным пористым и легким.
Кирпич считается бракованным, если в нем есть внутренние пустоты и трещины на
внешней стороне.
Технология безобжигового кирпича. В данном случае применяется гипер- или
трибо-прессование. Это технология сварки минеральных сыпучих материалов под
воздействием высокого давления в присутствии вяжущих компонентов и воды,
завершающаяся выдержкой на складе в течение 3-5 суток до созревания. На первой
стадии исходное сырье дробится до фракции 3-5 мм, после чего поступает в
приемный бункер. Затем, пройдя по ленточному транспортеру через расходный
бункер и питательный дозатор, материал попадает в бетоносмеситель. Там
происходит его смешивание с цементом до получения однородной массы. На второй
стадии осуществляется поставка готового материала по ленточному конвейеру через
двухрукавную течку на установку формования. После прессования кирпич можно
сразу помещать на технологические поддоны. На них он и размещается на складе,
где происходит естественная выдержка в течение 3-7 суток. После этого
производится отгрузка готового кирпича потребителю.
Каркасное домостроение.
Деревянные сборные дома возводятся по архитектурному проекту, «скелетом»
здания являются деревянные заготовки - балки, стропильные фермы (системы),
фермы перекрытия, стеновые панели. Стропильные конструкции, составляющие основу
каркасно-панельных сборных домов, изготавливаются в соответствии со всеми
строительными нормами. Параллельно идет процесс возведения фундамента.
После того, как каркасно-панельные дома будут укомплектованы основными
конструкциями, они отправляются на объект. Далее проводится монтаж деревянного
быстросборного панельно каркасного дома согласно чертежам. Такие постройки
имеют самый высокий уровень заводской готовности, все элементы дома и его
комплектование происходит в заводских условиях и прибывают на строительную
площадку полностью подготовленные к сборке.
Рис 1.14. Структура панели
Панели состоят из двух ориентированных стружечных плит OSB (ОСП), между которыми под давлением
приклеивается слой пенополистирола в качестве утеплителя. Толщина панелей в
готовом виде составляет от 160 мм до 220 мм. Стандартный размер панели 1,25
метра на 2,5 метра.
Исходным сырьем для ОСП-плит (OSB) сосновые деревья небольшого диаметра,
так называемая тонкомерная древесина. При этом, что очень важно, древесные
отходы не используются. Это гарантирует однородность структуры плиты и
соблюдение главного правила: толщина каждой стружки должна составлять 0,4 мм.
Таким образом, около 90 % бревна, очищенного от коры, лущится на щепу для
ОСП-плиты (OSB).
Краткое описание технологического процесса позволяет лучше понять
особенности ОСП-плиты (OSB). Бревна сортируют, затем проводят специальную
обработку, окоривают и строгают на щепу. Средняя длина щепы составляет 150 мм,
а ширина вирируется в зависимости от части ствола. Щепу сушат в специальных
центрифугах. Далее, пропитывая водостойкими смолами и воском, укладывают
конвейерным способом в двух направлениях, создавая так называемый ковер. Затем
щепу подвергают воздействию высоких температур и давления. В заключение полотно
ОСП-плиты (OSB) разрезают по размерам заказчика. Произведенные плиты
подвергаются постоянно физическим тестам основанным на специальных методах
контроля и тестах стандартизации.
Различают 4 вида плит OSB - в зависимости от влагостойкости и прочности.
Наибольшим спросом на рынке сегодня пользуются плиты OSB-3, благодаря своей
универсальности и более низкой стоимости, в сравнении с плитами
OSB-4.-предназначена для использования в условиях пониженной влажности (мебель,
обшивка, упаковка);- используется при изготовлении несущих конструкций в сухих
помещениях;- материал, выдерживающий более тяжелые режимы эксплуатации при
изготовлении несущих конструкций в условиях повышенной влажности.
Домостроительная система «Русская стена»
В
основе технологии строительства с применением трехслойной панели «Русская
стена» лежит использование стеновых панелей (3D panel), представляющих собой
пространственную ферменную конструкцию, состоящую из арматурных сеток и
оцинкованных или нержавеющих стержней, приваренных под углом к сеткам,
сердечника из пенополистирола <#"780321.files/image014.gif">
Рис
1.15. 3D panel
.
Наружный слой торкретбетона 50-60 мм (класс не ниже В20).
.
Сварная арматурная сетка из высокопрочной проволоки диаметром 3 мм и размером
ячейки 50×50
мм.
.
Сердечник из вспененного полистирола (для наружных стен 120 мм, для внутренних
- 50 мм, для несущих - 100 мм.
.
Диагональ из нержавеющей или оцинкованной проволоки диаметром 4 мм.
.
Внутренний слой торкретбетона 50 мм (класс не ниже В20).
Размеры
панели
Длина
- 3 м или 6 м
Ширина
- 1,20 м
Строительство
с использованием теплоэффективных блоков
В
процессе научных исследований создан и внедрён в производство новейший строительный
материал, совмещающий в себе одном практически все составляющие стены
современного каменного дома. Применение теплоэффективного блока избавляет
строителей от таких трудоемких и дорогостоящих операций, как утепление стены и
декоративное ее оформление. Блок легкий и сравнительно большой: 400 х 300 х 200
мм. Это способствует ускорению процесса возведения стены, тем более что блоки,
благодаря своим точным геометрическим размерам (± 1 мм.), укладываются на слой
специальной мастики (клея) толщиной не более 2-4 мм. Это, в свою очередь,
предоставляет возможность немедленно, по окончании возведения даже одного
первого этажа приступать к внутренней отделке. Технология возведения стен из
теплоэффективных блоков предусматривает почти полное отсутствие «мокрых» процессов.
Основным
сырьем для производства теплоэффективных многослойных стеновых блоков являются:
портландцемент
М500;
керамзитовый
гравий;
вода;
пенообразователь;
пластификатор.
в
качестве теплоизоляционного слоя применяется вкладыш из пенополистирола.
Также
могут применяться самые разнообразные местные сыпучие материалы. В частности
золы «уносы», отходы черной металлургии. Причем при использовании местного
сырья себестоимость получаемой продукции - Теплоэффективного блока, может
значительно сокращаться без снижения его потребительских качеств. Например,
применение золы «уноса» снижает потребность в портландцементе почти на 30%.
С
учетом последних требований СНиП II-3-79 «Строительная теплотехника» стеновые
блоки имеют трехслойную конструкцию:
несущий
слой - поризованный керамзитобетон класса В10-В12 плотностью 900-1100 кг/куб.
м.;
внутренний
слой - эффективный пенополистирол плотностью 25 Кг/куб. м.,
наружный
защитно-декоративный слой из обычного бетона класса В15-В20 плотностью
1600-1700 Кг/куб. м.
Все
слои связаны между собой арматурными стержнями.
Рис
1.16. Структура теплоэффективного блока
Защитно-декоративный
наружный слой выполнен из плотного бетона и может иметь любую фактуру и, в
дальнейшем, окрашиваться в любой цвет. При этом при окраске применяются
минеральные пигменты - оксиды металлов не меняющие цвета в процессе
эксплуатации. Перечисленные особенности блока дают неограниченный простор для
воплощения любых фантазий архитектора.
Технология
панельного домостроения
Для
выпуска «сэндвич»-панелей высочайшего свойства используют технологию,
основанную на применении непрерывного метода. Она обеспечивает изготовление
широкого диапазона «сэндвич»-панелей.
Сборка
сэндвич-панелей (SIP-панелей):
На
сборочный стол поместить первый лист OSB (плита с ориентированной плоской
стружкой) и нанести на него клеевой состав.
Затем
уложить плиту пенополистирола и нанести следующий слой клея.
Поверх
клеевого слоя поместить второй лист OSB.
В
результате произведённых манипуляций получается трёхслойная панель, состоящая
из двух слоёв OSB и вклеенного промежуточного слоя пенополистирола. Необходимо
отметить, что при укладке второго слоя OSB необходимо обеспечить такое его
положение относительно первого слоя, при котором рёбра, образованные углами
листов, располагаются перпендикулярно общей плоскости панели.
На
данном этапе производственного цикла производится раскрой заготовок, которыми
являются «сэндвич»-панели, вклеивание и монтаж в них деревянного бруса, а также
изготовление других сопутствующих деревянных конструктивных элементов (клееные
балки, кронштейны и т.п.).
На
раскроечных столах по периметру панелей выбираются пазы, равные по толщине
пенополистирола. При этом их глубина должна соответствовать размерам
деревянного каркаса.
Следующим
шагом является выпиливание в панелях проёмов под окна, двери и т.д.
По
окончании операции раскроя панелей в образованные пазы вклеиваются деревянные
брусья, образующие каркас. После вклеивания бруса он дополнительно крепится
винтовыми или кольцевыми гвоздями длиной 45 или 70 миллиметров, в зависимости
от требований проектной документации.
По
завершению сборки конструктива происходит подготовка комплекта дома к отправке
на строительную площадку.
Скорость
начала полимеризации клея
Скорость
начала полимеризации клеевого состава составляет около 12 минут, поэтому на
столе можно склеивать столько слоёв панелей сразу, сколько за это время
работники сумеют их набрать.
Склеивание
панелей под прессом
Под
давлением плиты следует держать приблизительно 60 минут. Точное время
нахождения плит под давлением определяется характеристиками применяемого клея.
Конструкционная
теплоизоляционная панель
Конструкционная
теплоизоляционная панель состоит из двух слоев ориентированной стружечной плиты
OSB, между которыми впрессовывается с помощью специального связующего состава
пенополистирольная плита толщиной от 100 до 200 миллиметров, марки не ниже 25
кг/м. По торцам панели вставляется деревянный брус.
Толщина
SIP-панелей варьируется в зависимости от их назначения и в готовом виде
составляет от 110 до 250 миллиметров.
.2 Технологии
механизации жилищного строительства
Механизация строительства - это не только способ производства работ, но и
особая организация производства, обеспечивающая выполнение больших объемов
работ высокими темпами. Реализация механизации строительства требует подготовки
и решения ряда инженерных задач, заключающихся в разработке технологических
процессов выполнения работ, формировании звеньев и комплектов машин,
организации их работы и управлении ходом строительного процесса.
Существующий термин “Комплексная механизация строительства” является
следствием инерции мышления прежними терминами и категориями строительного
производства, стремления обеспечить стопроцентную механизацию выполнения работ
всеми средствами и усилиями.
Опыт механизации строительства в нашей стране свидетельствует о том, что
наибольшая степень механизации (около 99,5 %) достигнута на земляных работах в
дорожной, мелиоративной, энергетической и других отраслях строительства. И,
несмотря на это, 0,5 % общего объема земляных работ выполняется вручную, и на
них занято около 19 % от списочного состава рабочих в строительстве. Это
работы, связанные с доработкой грунта под основания фундаментов в котлованах,
инженерные сооружения в траншеях, работы в стесненных условиях и др.
Однако до сих пор есть работы, уровень механизации которых невысок. Доля
ручного труда на этих работах составляет: кирпичная кладка - 90 %, штукатурные,
малярные и облицовочные работы - 72 %, плотницкие и столярные - 76 % и т. д.
В настоящее время невозможна или экономически нецелесообразна комплексная
механизация этих работ:
из-за отсутствия машин, с помощью которых можно было бы вести работы с
требуемой точностью;
отсутствия машин как таковых для механизации этих работ.
В условиях рыночного производства механизация должна быть выгодна, т. е.
экономически целесообразна, приносить наибольшую прибыль при обеспечении
необходимых темпов работ, безопасности и без нарушения экологических условий.
Условиями социально-экономического развития России определено постепенное
повышение темпов роста жилищного, промышленного и дорожного строительства,
коммунальных услуг и, соответственно, устойчивый рост емкости рынка с темпом 45
% в год.
Целью стратегии реформирования строительно-дорожного и коммунального
машиностроения является обновление наличного парка машин отечественных
потребителей техникой, отвечающей требованиям мирового уровня,
конкурентоспособной на внутреннем и внешнем рынках, обеспечивающей внедрение
современных технологий выполнения работ в жилищном и промышленном, дорожном
строительстве и содержании дорог, в коммунальном хозяйстве.
Подъемно-транспортные, строительные, дорожные машины и оборудование,
представляя собой бесконечное множество различных типоразмеров машин и
оборудования, используются для механизации работ в любой отрасли строительства.
При этом они взаимодействуют с различными рабочими средами, материалами, служат
для изготовления множества изделий и конструкций, оставляют после себя готовый
конструктивный элемент или часть строящегося объекта в целом.
2. Технология
трехмерной печати для послойного изготовления строительных конструкций.
2.1 Описание
технологии трехмерной печати для послойного изготовления трехмерных
конструкций.
Технология основана на современных достижениях в области так называемой
«трехмерной печати». Технология «трехмерной печати» изначально была
предназначена для быстрого прототипирования, то есть для быстрого получения
реальных копий компьютерных моделей произвольной формы. Однако в настоящее время
эта технология интенсивно внедряется в другие отрасли производства, такие как
строительство. Однако эта технология основана на непосредственной укладке
быстротвердеющего бетона в монолитную конструкцию дома специальным принтером,
размеры которого превышают размеры возводимого здания, что требует значительных
капитальных вложений, специальных условий строительства и т.д.
Технология
принципиально отличается от указанной технологии трехмерной печати. Ближайшим
аналогом технологии является технология трехмерной печати фирмы Z Copr
(<#"780321.files/image016.gif"> 1 - исходная позиция
4 - распределение компаунда
|
|
2 - распределение парафина
|
5 - напыление отвердителя
|
|
3 - дозирование компаунда
|
6 - готовое изделие после выплавления термопласта
|
Рис. 2.1. Иллюстрации стадий технологического процесса работы установки
По завершении формирования всех слоев строительной конструкции кассета
может быть заменена на пустую, а кассета со сформированной конструкцией ожидает
завершения схватывания и набора прочности на складе технологического хранения 3
дня, после чего помещается в устройство для выпаривания где в кассету подается
горячий пар, который выплавляет термопласт, а готовая конструкция подается на
окончательную отделку и на склад готовой продукции.
Достоинства и недостатки технологии относительно основных существующих
технологий домостроения сведены в нижеприведенную таблицу. Как видно из неё,
практически по всем позициям технология превосходит существующие технологии
малоэтажного строительства. К некоторым недостаткам технологии можно отнести
неэффективность армирования стальной арматурой, что в полной мере
компенсируется возможностью армирования в открытых каналах и микроармированием
компаунда и небольшую производительность, что компенсируется устройством
нескольких установок.
Таблица 2.2
Сравнение наиболее популярных технологий.
|
Характеристика
|
Панельное
|
Монолитное
|
Каркасное
|
3х мерная печать
|
|
Быстрота возведения
|
Высокая
|
Низкая
|
Средняя
|
Высокая
|
|
Энергоэффективность
|
Низкая
|
Средняя
|
Высокая
|
Высокая
|
|
«Мокрые» процессы
|
Мало
|
Много
|
Отсутствуют
|
Мало
|
|
Чистота отделки лицевых
поверхностей
|
Высокая
|
Низкая
|
Высокая
|
Высокая
|
|
Экономичность
строительства.
|
Высокая
|
Низкая
|
Средняя
|
Высокая
|
|
Индивидуальность проекта
|
Низкая
|
Средняя
|
Средняя
|
Высокая
|
|
Свобода выбора
архитектурных решений зданий
|
Низкая
|
Низкая
|
Высокая
|
|
Стены являются несущими
|
Да
|
Нет
|
Нет
|
Частично
|
|
Экологичность
|
Средняя
|
Средняя
|
Высокая
|
Высокая
|
|
Сейсмостойкость
|
Низкая
|
Высокая
|
Высокая
|
Высокая
|
|
Свобода выбора современных
фасадных материалов.
|
Низкая
|
Низкая
|
Высокая
|
Не требуются
|
К возможному ассортименту продукции, выпуск которой эффективен с
применением технологии относятся:
плиты монолитно-плитного фундамента с тепло- и гидроизолирующими слоями и
встроенными системами подогрева пола (воздушного или жидкостного);
стеновые панели наружных стен с готовой фактурой лицевых поверхностей,
отделкой цоколя, отмосткой, наличниками, элементами архитектурных украшений
фасада, подготовкой под установку окон и дверей;
стеновые панели внутренних стен с готовой фактурой лицевых поверхностей,
элементами архитектурного дизайна интерьера (декоративные панно, карнизы,
колонны, бордюры, купола, ниши, обрамления, пилястры), встроенными каналами под
прокладку инженерных сетей, встроенными воздуховодами, печными трубами,
каминами;
панели перекрытий с армированием в открытых каналах, с готовой фактурой
лицевых поверхностей, слоями гидроизоляции, встроенными системами подогрева
пола (воздушной или жидкостной), встроенными каналами под прокладку инженерных
коммуникаций;
отдельные элементы дизайна интерьеров и экстерьеров зданий и их
инженерной инфраструктуры: колонны, скульптуры, лестницы, перила, чаши
бассейнов;
кровельные панели с любой фактурой существующих кровельных материалов,
слоями гидроизоляции, возможностью установки систем подогрева кровель и
системами водостока;
малые архитектурные формы для ландшафтного дизайна территории: фонтаны,
бассейны, пруды, канавы, беседки, скамейки, дорожки, столбы, портики, заборы.
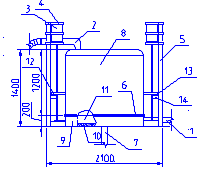
В основе такой технологии возведения зданий находится специальная
конструкция панелей, которая с легкостью реализуется посредством технологии. В
общем случае эти панели имеют в своей конструкции следующие элементы:
Пазы для установки опорных пластин, которые необходимы для равномерного
распределения нагрузки от армирующих канатов на поверхность бетона с
обеспечением контактной прочности конструкции.
Каналы для пропуска арматурных канатов по ГОСТ 13840-68. Канаты
необходимы для стягивания панелей между собой и создания предварительного
поджатия панелей, что обеспечивает нераскрываемость межпанельного стыка и
повышение несущей способности панелей на 50÷80%. Для большей эффективности каналы
повторяют форму эпюры изгиба панелей в конструкции.
Пазы для установки креплений канатов. Крепления представляют собой самозатягивающиеся
анкерные болты, которые фиксируют канат и обеспечивают его требуемый натяг.
Выступы и пазы для обеспечения герметичности межпанельного шва и
самоцентрирования панелей между собой при их стягивании. Эти элементы
обеспечивают непродуваемость стыков и высокую точность установки панелей.
Рис. 2.2. Сечение и основные элементы панели (принципиальная схема):
- пазы для установки креплений панелей, 2 - пазы для установки
строповочных креплений, 3 - теплоизолирующие ячейки, 4 - канал для армирующего
каната, 5 - пазы для установки уплотнителя, 6 - центрирующие выступы.
Пазы для установки цилиндрического полимерного или резинового
уплотнителя, который обеспечивает высокую гидро- и теплозащиту межпанельного
стыка.
Различного рода инженерные полости, которые служат для снижения
теплопроводности панели, пропуска инженерных коммуникаций, воздушного подогрева
пола и т.п.
Замковые пазы для установки строповочных креплений. Конструкция паза
обеспечивает надежную строповку и монтаж панели в любом положении на
строительной площадке.
.1.1 Расчет производительности установки для производства бетонных
строительных конструкций методом трехмерной печати
Техническая производительность установки:
,
где
- толщина слоя, 1…3 мм;
F - операционная
площадь установки, 18 м2;
-
коэффициент заполнения операционной площади установки сечением строительной
конструкции в i-том слое, 50-90%;
-
коэффициент использования рабочего времени, учитывающий замену кассет и
непроизводительные потери времени, 0,9;
-время
создания i-того слоя конструкции;
,
где
- время распределения термопласта;
- время
нанесения компаунда;
- время
напыления отвердителя;
- время
виброобработки, 5-10 с;
где
n - число проходов, 1-3;
L - длина
операционной зоны установки, 6 м;
-
скорость рабочего перемещения каретки, 0,2 м/с;
-
скорость холостого перемещения каретки, 0,5 м/с;
Таким
образом техническая производительность установки составляет 0,5 м3/ч
Расчет
производительности в год:
где
- коэффициент использования рабочего времени, 0,9;
- число
смен в течение дня, 3;
-
продолжительность смены, 8 часов;
- число
рабочих дней в году, 250 дней;

- число
установок для послойного изготовления строительных конструкций, 8шт;

-
теоретическая производительность, 0,5 м3/ч.
Годовая
максимальная эксплуатационная производительность 1 установки - 2700 м3.
.1.2
Расчет времени выплавки церезина в установке для выплавки церезина
Для
расчета времени выплавки расчитаем 2 варианта, первый - самый критичный вариант
производства, при котором температура помещения и конструкции равна 0°C и
размер выплавляемого объекта 1200х1600х900мм. Второй - размер выплавляемого
объекта типовой, 1200х1600х400мм, температура помещения и конструкции равна 20°C.
вариант:
,
где
- энергия водного потока поступающего в установку;
- энергия
водного потока выходящего из установки;
-
энергия теплоотдачи;
-
энергия нагрева объекта.
,
где
V- объем объекта нагрева (1,728
);
- средняя
плотность конструкции, кг/м³;
- средняя
теплоемкость конструкции, кДж/(кг °С));
-
разность температур (75°С).
Найдем
среднюю плотность конструкции:
,
где
- плотность парафина (881-905кг/м³)
-
плотность бетона (тяжелый бетон 1800-2500кг/м³)
Найдем
среднюю теплоемкость конструкции:
кДж/(кг
°С),
где
- теплоемкость парафина (2,19 кДж/(кг °С))
-
теплоемкость бетона (1,0 кДж/(кг °С))
Рассчитываем
мощность водного потока:
,
где
- мощность прямого потока воды;
-
мощность выходного потока воды;
-
теплоемкость воды (4,193 кДж/(кг °С) при 75°С);
-
разность температуры на входе и выходе(5°С);
- расход
воды (60 л/мин = 3,6 м3/час=1кг/сек).
,
где
- площадь корпуса установки закрытого пенополиуретаном
(12,72 м²)
-
тепловое сопротивление пенополиуретана (0,032 Вт/(м²°С) при толщине 50мм);
-
тепловое сопротивление пластикового корпуса (0,19 Вт/(м²°С))
Рассчитываем
время выпаривания нашей конструкции:
=
Полученное
время для выплавления церезина из конструкции составляет 4 часа.
вариант:
,
где
V- объем объекта нагрева (0,768
);
- средняя
плотность конструкции, кг/м³;
- средняя
теплоемкость конструкции, кДж/(кг °С));
-
разность температур (55°С).
Рассчитываем
мощность водного потока:
,
где
- мощность прямого потока воды;
-
мощность выходного потока воды;
-
теплоемкость воды (4,193 кДж/(кг °С) при 75°С);
-
разность температуры на входе и выходе(5°С);
- расход
воды (60 л/мин = 3,6 м3/час=1кг/сек).
,
где
- площадь корпуса установки закрытого пенополиуретаном
(12,72 м²)
-
тепловое сопротивление пенополиуретана (0,032 Вт/(м²°С) при толщине 50мм);
-
тепловое сопротивление пластикового корпуса (0,19 Вт/(м²°С))
Рассчитываем
время выпаривания нашей конструкции:
=
Полученное
время для выплавления церезина из конструкции составляет 1,3 часа.
Среднее
время выплавки 1 м3 конструкции:
.2.2
Расчет времени производства конструкций на один коттедж
Для
производства коттеджа площадью 200м2 необходимо следующее кол-во конструкций.
Таблица
2.3
Необходимые
конструкции для коттеджа площадью 200м2
|
Номенклатура изделий
|
Площадь конструкций, м2
|
Средняя толщина
конструкции, мм
|
Объем конструкций, м3
|
|
Наружные стеновые панели
|
285
|
0,3
|
85,5
|
|
Внутренние стены
|
120
|
0,15
|
18
|
|
Фундаментные плиты
|
110
|
0,4
|
44
|
|
Панели перекрытий
|
300
|
0,2
|
60
|
|
Кровельные панели
|
150
|
0,3
|
45
|
|
Итого:
|
965
|
|
252,5
|
Зная производительность цеха, время набора прочности и выплавки
рассчитаем время t производства.
,
где,
- время производства;
- время
набора прочности (3 дня);
- время
выплавки.
=V/
3+3+1=7
дней
Время,
необходимое для производства конструкций для коттеджа на 200м2 равно 7 дням.
.2
План производства работ по изготовлению строительных конструкций и планировка
цеха.
.2.1
Планировка цеха
Оборудование
размещаться в утепленном ангаре, цехе предприятия и подобных производственных
площадях общей площадью 1550 м2. На этих площадях располагается: собственно
установка, склад расходных материалов, склад технологического хранения до
предварительного набора прочности (3 суток) кассет с готовыми строительными
конструкциями, установка выплавления и рециклирования парафина, склад готовой
продукции. Помещение должно быть оборудовано грузоподъемной техникой для
манипулирования и погрузки готовых строительных конструкций - двумя вилочными
электрическими погрузчиками грузоподъемностью от 1т и возможностью поднятия
груза на высоту до 5 метров, типа Linde E10. Должна быть обеспечена свободная
погрузка строительных конструкций в автотранспорт и выгрузка расходных материалов.
Рис.
2.3. Вилочный электропогрузчик Linde E10.
Таблица
2.4
Технические
характеристики электропогрузчика Linde E10
|
Производитель
|
Linde
|
|
Наименование модели
|
E 10 Триплекс
|
|
Блок питания:
|
Аккумулятор
|
|
Грузоподъемность Q (кг)
|
1000
|
|
Центр тяжести груза 1,6 с
(мм)
|
600
|
|
Ось центра вил х (мм)
|
138
|
|
Колесная база у 1,9 (мм)
|
966
|
|
Эксплуатационная масса 1973
|
2189
|
|
Нагрузка на ось с грузом,
передняя / задняя кг
|
2706/501
|
|
Нагрузка на ось без
нагрузки, передние / задние кг
|
942/1265
|
|
Шины: эластичная резина,
фасонной твердого тела (суперэластик), пневматические
|
Полиуретан
|
|
Размер передних шин
|
250/80-170
|
|
Размер шины, задние
|
254/100-210
|
|
Колеса, количество спереди
и сзади (х = ведущие)
|
2/1x
|
|
Ширина колеи, передние b10
(мм)
|
770
|
|
Ширина колеи, задние b11
(мм)
|
0
|
|
Маст / каретка наклон
вперед / назад α/β(град)
|
1,4 / 4 +1)
|
|
Высота мачты, опустил h1
(мм)
|
2230 (2110)
|
|
Свободный ход h2 (мм)
|
1685 (1565)
|
|
Люфт h3 (мм)
|
5255 (4895)
|
|
Высота мачты, расширенные
h4 (мм)
|
5795 (5435)
|
|
Высота защитной крыши
(кабина) H6 (мм))
|
2130 (2010)
|
|
Высота сиденья / стоит на
платформе H7 (мм)
|
95-195
|
|
Общая длина L1 (мм)
|
2402
|
|
Длина вил L2 (мм)
|
1252
|
|
Общая ширина B1/B2 (мм)
|
850
|
|
Размеры вил S / E / l
(мм)
|
40/80/1150
|
|
Каретка с DIN 15173, класс
/ форма A, B
|
II /А
|
|
Ширина каретка b3 (мм)
|
612
|
|
Дорожный просвет, мачты m1
(мм)
|
48
|
|
Дорожный просвет, по центру
колесной базы м2 (мм)
|
56
|
|
Ширина прохода с поддоном
1000 х 1200 поперек Аst (мм)
|
2600
|
|
Ширина прохода с поддоном
800 х 1200 вдоль Аst (мм)
|
2710
|
|
Радиус поворота Wa (мм)
|
1114
|
|
Скорость передвижения с
/без груза км/ч
|
8.0/9.0
|
|
Скорость подъема, с /без
груза м/с
|
0.16/0.25
|
|
Скорость опускания, с /без
нагрузки м/с
|
0.30/0.30
|
|
Максимальная
скороподъемность, с /без груза% 8 / 15
|
8/15
|
|
Время разгона, с /без
нагрузки ,с
|
7.5/6.7
|
|
Тип тормоза
|
Гидравл. / мех.
|
|
Тяговый (S2 60 мин.) кВт
|
2,2
|
|
Мощность двигателя 6,2 (S3
15%) 3,0 кВт
|
3
|
|
Тип батареи в соответствии
с IEC
|
254-2
|
|
Напряжение / мощность (5 ч)
В / A
|
24/420
|
|
Вес батареи (± 5%) ,кг
|
385
|
|
Тип управления
|
Цифровой с микропроцессором
|
|
Рабочее давление для
навесного оборудования, бар
|
200
|
|
Расход масла для крепления
л/мин
|
8
|
|
Уровень шума на рабочем
месте дБ (А)
|
68
|
.2.2 Персонал цеха
В цехе по послойному изготовлению бетонных строительных конструкций методом
трехмерной печати необходимо следующее количество персонала исходя из
трехсменного режима работы:
Таблица
2.5
Персонал цеха
|
Должность
|
Кол-во чел.
|
|
Главный инженер
|
1
|
|
Водитель погрузчика
|
3
|
|
Главный технолог
|
1
|
|
Инженер ОТК
|
3
|
|
Оператор
|
6
|
|
Наладчик оборудования
|
3
|
.2.3 Доставка и складирование
В цеху по трехмерному производству строительных конструкций склад
расходных материалов занимает площадь 630 м2. На стеллажах хранятся все
расходные материалы необходимые для производства, такие как:
цемент;
песок;
жидкое стекло;
церезин;
красители;
базальтовая фибра;
Цемент обычный и белый поступает на предприятие с завода изготовителя
цемента в биг-бэгах весом 1т. Хранится цемент в сухом не обветриваемом
помещении, на деревянных стеллажах, покрытых одним слоем рубероида и
находящихся на возвышенности от земли не менее чем в 20-ти сантиметрах.
Необходимое количество цемента необходимого для непрерывного производства в
течении 15 дней и страхового запаса на 5 дней составляет 172,8 т
Песок также поступает в биг-бэгах весом 1т. Качественный сухой песок -
это песок определенной влажности, просеянный, определенного гранулометрического
и фракционного состава, с известным содержанием глинистых частиц. Для
сохранения указанных параметров должны быть строго соблюдены условия сушки,
доставки и хранения сухого песка. Упаковка сухого песка в биг-бэги также дает
ряд преимуществ:
влажность и состав сухого песка, упакованного в биг-бэги, гарантируется;
вес сухого песка строго фиксирован;
герметичность упаковки позволяет хранить сухой песок под открытым небом;
экономия складских площадей для хранения сырья;
упрощение учета сухого песка, использованного в производстве, и остатка
на складе;
удобство подачи в производстве;
чистота производства и отсутствие отходов.
Необходимое количество песка необходимого для непрерывного производства в
течение 15 дней и страхового запаса на 5 дней составляет 1036,8 т
Жидкое
стекло поступает с завода изготовителя в металлических бочках (Евро-стандарт) с
внутренним покрытием, объемом 216,5 литров <#"780321.files/image086.gif">=252/0,4=630
м2
Отношение
полезной площади к общей называют коэффициентом использования площади склада и
обозначают ки. Он колеблется от 0,3-0,4 (стеллажное хранение в закрытом складе)
до 0,6-0,7 (штабельное хранение сыпучих материалов в открытом складе).
Зона
технологического хранения
Зона
технологического хранения необходима для хранения изготовленных изделий до
конца срока набора их прочности - 3 дней с конца изготовления.
Расчет
необходимой площади проводим исходя из того, что все конструкции будут
находиться на стеллажах, занимаемых площадь 1,7х1,3м, высотой в 5 метров с 11
полками. Запас - объем конструкций коттеджа площадью 200м2.
Таблица
2.8
Площадь
и объем конструкций коттеджа площадью 200 м2
|
Номенклатура изделий
|
Площадь, м2
|
Объем, м3
|
|
Наружные стеновые панели
|
285
|
85,5
|
|
Внутренние стены
|
120
|
18
|
|
Фундаментные плиты
|
110
|
44
|
|
Панели перекрытий
|
300
|
60
|
|
Кровельные панели
|
150
|
45
|
|
Итого:
|
965
|
252,5
|
Зная площади можно определить необходимое количество и площадь, занимаемую
стеллажами.
Для производства коттеджа необходимо 46 стеллажей и площадь 100м2.
Для запаса еще 46 стеллажей и площадь 100м2
Для обслуживания данных стеллажей еще 250м2.
Итого суммарная площадь = 450м2.
Другие зоны
В зоне производства строительных конструкций находятся 8 установок для
трехмерного изготовления послойных строительных конструкций и устройства для
выпаривания парафина из набранных прочность в течении трех дней изделий.
Необходимая площадь - 100м2.
В зоне упаковки происходит упаковка готовых изделий на паллетах.
Необходимая площадь - 10м2.
В зоне зарядки аккумуляторов происходит зарядка разряженных аккумуляторов
вилочных электропогрузчиков. Необходимая площадь - 16м2.
Зона складирования палетт и кассет - 100м2
Зона готовой продукции - аналогична зоне технологического хранения -300м2
Суммируя все произведенные расчеты получаем:
+450+300+100+10+16+100=1506м2.
Исходя из полученных расчетов произведем планировку цеха.
.2.5 Подготовка к производству
Перед началом производства все части установки, все контейнеры и каналы
прохода смеси промывают и очищают от пыли и грязи.
Цемент, песок, в биг-бэгах, базальтовую фибру в мешках и жидкое стекло в
металлической бочке устанавливают в держатели и подсоединяют к установке.
Церезин выкладывают в бочку на установке, где его нагревают до
температуры плавления 75°С и держат в таком состоянии во избежании
затвердевания, сюда же через систему каналов поступает «отработанный» церезин,
прошедший через сепаратор.
Пигменты в обязательном порядке перед применением высыпают в специальные
бочки оборудованные устройствами для перемешивания растворов на установке и
смешивают с водой до образования сметанообразной консистенции и настаивают в
таком состоянии не меньше 1 часа для увеличения дисперсности, величина которой
и характеризует красящую способность. Следует помнить о том, что это дорогой
компонент бетона, кроме того, увеличение его содержания ухудшает качество
бетона, поэтому снижение его доли в бетоне при достаточной насыщенности
является желательным. Приготовленный пигмент может храниться достаточно долго,
так как имеет стабильную формулу, но цвет по мере хранения может быть ярче
из-за увеличения дисперсности пигмента. Перед добавлением пигмента его
перемешивают.
На установку вилочным электропогрузчиком устанавливается чистая кассета.
В компьютерный центр установки загружается программа послойного
изготовления детали и начинается производство строительной конструкции.
.2.6 Производство
В зависимости от типа и формы конструкции установка формирует слои изделия
по заданной программе.
После окончания процесса производства вилочным электропогрузчиком изделие
переносится с установки на склад технологического хранения, где оно набирает
прочность в течении 3-х дней с момента окончания производства.
После истечения трехдневного срока изделие электропогрузчиком
перемещается в установку для выплавления церезина.
Установка 13 герметично закрывается и внутрь подается горячая вода выше
температуры плавления церезина (80°С). Церезин растворяется в воде и через
отверстие в верху устройства прокачивается в систему трубопроводов откуда
попадает в сепаратор 4 , где фракция разделяется на воду загрязнители и
церезин. Загрязнители, обладая наибольшей плотностью осаждаются и по окончании
работы установки сливаются открытием крана 9 если разрешено местным водоканалом
в канализацию иначе собираются в специальные емкости 3 и вывозятся организацией
у которой имеется лицензия на такой вид работ. Вода в сепараторе нагревательным
элементом 8 нагревается до 80°С и снова поступает в устройство для выпаривания.
Рис. 2.5. Схема усановки для выплавки церезина.
- фильтр грубой очистки для воды, поступающей из напольный накопительного
водонагреватель закрытого типа; 2 - распределитель; 3 - емкость для сбора
загрязнителей; 4 - сепаратор; 5 - датчик уровня воды; 6 - датчик уровня
парафина; 7 - аварийный байпас; 8 - нагревательный элемент; 9 - вентиль
запорный; 10 -циркуляционный фильтр; 11 - насос; 12 - емкость для церезина на
установке для печати; 13 - установка для выплавления церезина.
Поплавковые датчики 5 и 6 регистрируют количество воды и парафина и в
случае необходимости регулируют подачу воды, работу насосов и распределителей
2.
Очищенный церезин поступает в емкость 13 на установке по производству
строительных конструкций. Цикл его работы повторяется. После окончания работы,
остатки сливаются через открытие крана 9.
Готовые изделия погрузчиком перевозят на площадку по упаковке, где ее
перемещают на объединенные 2 паллеты размером 1200х800х145 и упаковывают в
пленку, после чего уже упакованное изделие переносят на склад готовой продукции
и устанавливают в стеллажи. Использованную кассету чистят и складируют в зоне
складирования палетт и кассет для последующего использования.
.2.7 Управление техническим состоянием машинного комплекса.
Разработаем информативное и техническое обеспечение технического
обслуживания электропогрузчиков в цеху для повышения его качества на основе
организации работ «по техническому состоянию» и их технологической
специализации.
Исходные данные
Разработаем систему управления техническим состоянием 2 вилочных
электропогрузчиков.
Для выбранных машин из справочников и эксплуатационной документации
выписываются нормативы периодичности, трудоемкости и продолжительности всех
видов технического обслуживания и ремонта. Поиск нормативов для каждого
типоразмера машины производится по ее главному параметру и основным параметрам
технической характеристики.
Вся информацию сводим в таблицу 2.9.
Таблица
2.9
Данные для расчета
|
№
|
Наименование и марка машины
|
Количсетво единиц
|
Запас мото-ресурса,%
|
Текущий ремонтный цикл
|
Виды ТО и Р
|
Периодичность проведения ТО
и Р, мото-час.
|
Трудоемкость работ, чел-час
|
Продолжительность работ,
дни.
|
|
1
|
Вилочный электропогрузчик
Linde E10
|
2
|
90
|
Н-К1
|
То-1
|
50
|
3
|
0,2
|
|
|
|
|
|
То-2
|
250
|
10
|
1
|
|
|
|
|
|
СО
|
2р в год
|
6
|
1
|
|
|
|
|
|
Т
|
2000
|
100
|
3
|
|
|
|
|
|
К
|
6000
|
380
|
9
|
Расчет временных режимов работы машин.
Под режимом работы понимается поведение машины во времени, а именно
распределение календарного фонда времени на время непосредственной работы
машины на объекте, время транспортирования ее с объекта на объект и ТО и Р на
эксплуатационную базу, время пребывания в зоне ТО и Р.
Рассчитаем коэффициент p,
определяющий число дней нахождения машины в зоне ТО и Р в пересчете на мото-ч
работы по формуле:
,
где
Bi - продолжительность i-го вида
обслуживания, дни;
ni - число
обслуживаний i-го вида в ремонтном цикле;
m - число видов
обслуживаний и ремонтов;
Тц
- периодичность ремонтного цикла машин, ч.
p =
(0,2*96+1*21+3*2+9*1)6000 = 0,0092 дн/мото-ч
Определим
Дтор - среднегодовые затраты времени на техническое обслуживание и ремонт
машины.
Дтор
= (Дк-Дв-Дтр)*Ксм*tсм* p = (365-114-0,1 Дтор)*3*8*0,0092
Дтор=56,67
≈ 57 дней
Дтр
= 0,1*57 ≈ 5,7,
где
Ксм - коэффициент сменности работы машины
Tсм -
продолжительность рабочей смены,ч
Дк
и Дв - соответственно число календарных и выходных дней в расчетном году
Дтр
и Дтор - среднегодовые затраты времени на транспортирование машины и ее
техническое обслуживание и ремонт, дни. Среднегодовые затраты времени на
транспортирование машины Дтр принимаются равными 0,1*Дтор.
Найдем
Др = 365-(114+57+6) = 188
Вычислим
Тпл - плановую наработку в рассматриваемом году:
Тпл
= Др*Ксм*tсм*Кв = 188*3*8*0,9 = 4068 мото-ч.
где
Кв - коэффициент использования сменного времени.
Результаты
сведем в таблицу 2.10.
Таблица
2.10
Временной
режим работы
|
Наименование и марка машины
|
Коэффициент P, дни/мото-ч
|
Среднегодовые затраты
времени на ТО и Р, Дтор, дни
|
Годовой фонд рабочего
времени Др, дни
|
Плановая наработка Тпл,
мото-ч
|
|
Вилочный электропогрузчик
Linde E10
|
0,0092
|
57
|
188
|
4068
|
Построение структур ремонтных циклов машины и графическое определение
числа ТО и Р .
Рис. 2.6. Структура ремонтного цикла вилочного электропогрузчика Linde
E10
Аналитическое определение числа ТО и Р машин в расчетном виде.
Расчет числа ТО и Р производится по формуле:
где
Tфi - фактическая наработка машины на начало года со времени проведения
последнего обслуживания i-го вида, ч.;- периодичность выполнения i-го вида
обслуживания, ч;бп - число видов ТО и Р данной машины в расчетном году,
периодичность которых больше периодичности i-го вида;
Фактическая
наработка машины после капитального ремонта находится как часть ремонтного
цикла:
фk
= Тц * (1-Hзр),
где
Hзр - запас моторесурса машины п (по заданию) в долях
единицы.
Фактическая
наработка машины после текущего ремонта и периодических технических
обслуживаний определяется как произведение периодичности соответствующего вида
обслуживания i на дробную часть частного от деления Tфk на Ti.
фk
= Ti * {, (Tфk/ Ti)}
Расчет:
Капитальный
ремонтфk = 6000*(1-0,9) = 600 мото-ч
nк =
(600+4068)/6000 = 0,778
Принимаем
число капитальных ремонтов nк =0
Текущий
ремонтфт = 2000* {, (600/ 250)}= 2000*0,4 = 800 мото-ч
nк =
(800+4068)/2000 - 0= 2,43
Принимаем
число текущих ремонтов nт = 2
Техническое
обслуживание ТО-2
ТФТО-2
= 250*{, (600/ 50)}= 250*0,0 = 0 мото-ч
nk =
(0+4068)/240 - 0 - 2 = 14,95
принимаем
число технический обслуживаний ТО-2 = 14
Техническое
обслуживание ТО-1
ТФТО-1
= 50*{, (600/ 50)}= 60*0,0 = 0 мото-ч
nk = (0+4068)/60
- 0 - 2 - 14 = 51,8
принимаем
число технических обслуживаний ТО-1=51
Результаты
сводятся в табл. 2.11.
Таблица
2.11.
Число
ТО и Р машин
|
Наименование и марка машины
|
Фактические наработки,
мото-ч
|
Число ТО и Р
|
|
ТФК
|
ТФТ
|
ТТО-2
|
ТТО-1
|
nк
|
nт
|
nТО-2
|
nТО-1
|
|
Вилочный электропогрузчик
Linde E10
|
600
|
800
|
0
|
0
|
0
|
2
|
14
|
51
|
Определение времени выведения машин в обслуживание и ремонт
Для составления годовых и месячных планов-графиков проведения
обслуживаний и ремонтов машин рассчитываются порядковые месяцы и рабочие дни
остановки техники для проведения работ.
Для организации работ на рабочем объекте и в ремонтном органе важно знать
время выведения машины из производственного процесса в ремонт или обслуживание
и нормативное время на выполнение этих работ.
При выведении машины в ремонт необходимо обеспечить бесперебойность
производственного процесса путем замены обслуживаемой машины другими из
собственного парка или арендованными у смежных организаций.
Порядковый месяц остановки машины на ремонт i-го вида Mi рассчитывается
по формуле:
Порядковый
рабочий день месяца Дi для остановки машины на ТО i-го вида находится из
выражения:
Дрм
- число рабочих дней в расчетном месяце (в январе 2011 - 16)
Расчет:
Капитальный
ремонт
Мк
= (12*(6000-600)/4068)+1 = 16,93
Принимаем
Мк = 16, т.е. капитальный ремонт в текущем году выполнен не будет.
Текущий
ремонт
Мт
= (12*(2000-800)/4068) + 1 = 4,54
Принимаем
Мт =4, т.е. текущий ремонт будет выполнен в апреле.
Мт'
= (12*(2*2000-800)/4068) + 1 = 10,44
Принимаем
Мт ' =10, т.е. второй текущий ремонт будет выполнен в октябре.
Техническое
обслуживание ТО-2 (в январе)
ДТО-2
= (12*16*(250-0))/4068+ 1 = 12,79
Принимаем
ДТО-2 =12, т.е. тех.обслуживание ТО-2 будет проводиться 12 января.
ДТО-2
'= (12*16*(2*250-0))/4068+ 1 = 24,59
Принимаем
ДТО-2' =24, т.е. второе тех.обслуживание ТО-2 будет проводиться 24 января.
Техническое
обслуживание ТО-1 (в январе)
ДТО-1
= (12*16*(50-0))/4068) + 1 = 13,36
Принимаем
Д'ТО-1 =13, т.е. тех.обслуживание ТО-1 проводится 26 января.
Далее
расчет не производится, т.к в январе 16 рабочих дней.
Построение
годового и месячных планов-графиков ТО и Р машинного комплекса.
По
расчетам на предприятии строятся (разрабатываются) годовые (на весь расчетный
период) планы ТО и Р машинных парков, необходимые для подсчета потребности в
материально-технических, кадровых и денежных ресурсов. Это необходимо для обеспечения
ремонтного органа в расчетном периоде.
Для
непосредственной организации ежедневной работы подразделения ремонтного органа
строятся месячные планы-графики, которые разрабатываются в конце каждого месяца
на следующий с учетом изменения ситуации в предыдущем.
Формы
годовых и месячных планов-графиков стандартны для всех ремонтных производств
строительных и путевых подразделений (табл 2.12,2.13)
Таблица 2.12
План технического обслуживания и ремонта машин на 2011 г.
|
Инвентарный номер машины
|
Наименование и марка
(индекс) машины
|
Заводской номер машины
|
Фактическая наработка на
начало года,ч
|
наработка в планируемом
году,ч
|
Число ТО и Р в планируемом
году
|
|
|
|
с начала эксплуатации
|
со времени проведения
|
|
К
|
Т
|
ТО-2
|
ТО-1
|
|
|
|
|
К
|
Т
|
ТО-2
|
ТО-1
|
|
число
|
месяц проведения
|
число
|
месяц проведения
|
|
|
|
1
|
Вилочный электропогрузчик
Linde E10
|
|
600
|
600
|
800
|
0
|
0
|
4068
|
-
|
-
|
0
|
Апрель, Октябрь
|
14
|
51
|
Таблица 2.13
План-график технического обслуживания и ремонта машин на 2011 год
|
Инвентарный номер машины
|
Наименование и марка
(индекс) машины
|
Заводской номер машины
|
Фактическая наработка
|
Планируемая наработка на
месяц, ч
|
Числа месяца и виды ТО и Р
|
|
|
|
с начала эксплуатации
|
со времени проведения
|
|
Январь
|
|
|
|
|
К
|
Т
|
ТО-2
|
ТО-1
|
|
1
|
2
|
3
|
4
|
5
|
6
|
7
|
8
|
9
|
10
|
11
|
12
|
13
|
14
|
15
|
16
|
17
|
18
|
19
|
20
|
21
|
22
|
23
|
2425262728293031
|
| 1 |
Вилочный электропогрузчик
Linde E10
|
|
600
|
600
|
800
|
0
|
0
|
339
|
х
|
х
|
х
|
х
|
х
|
х
|
х
|
х
|
х
|
х
|
|
2
|
|
|
х
|
х
|
|
|
|
|
|
х
|
х
|
2 1 хх
|
| |
|
|
|
|
|
|
|
|
|
|
|
|
|
|
|
|
|
|
|
|
|
|
|
|
|
|
|
|
|
|
|
|
|
Условные обозначения:
|
|
|
|
|
|
|
|
|
|
|
|
|
|
|
|
|
|
|
|
|
|
|
|
|
|
|
|
|
|
|
|
|
|
|
х
|
- выходной день
|
|
|
|
|
|
|
|
|
|
|
|
|
|
|
|
|
|
|
|
|
|
|
|
|
|
|
|
|
|
|
|
|
|
|
|
|
|
|
|
|
|
|
|
|
|
|
|
|
|
|
|
|
|
|
|
|
|
|
|
|
|
|
|
|
2
|
- день ТО-2
|
|
|
|
|
|
|
|
|
|
|
|
|
|
|
|
|
|
|
|
|
|
|
|
|
|
|
|
|
|
|
|
|
|
|
|
|
|
|
|
|
|
|
|
|
|
|
|
|
|
|
|
|
|
|
|
|
|
|
|
|
|
|
|
|
1
|
- день ТО-1
|
|
|
|
|
|
|
|
|
|
|
|
|
|
|
|
|
|
|
|
|
|
|
|
|
|
|
|
|
Расчет годовой программы ремонтного органа по обслуживанию и ремонту
заданного комплекта машин
Планируемый на год объем ремонтных работ вычисляется по формуле:
,
где
qij - трудоемкость i-го ТО и Р j-той
машины комплекта
nij -
рассчитанное ранее число ТО и Р i-го вида для j-ой машины комплекта- количество
машин заданного комплекта
m - число видов
ТО и Р
=2*(2*150+14*10+51*3)
= 1186 чел.-ч.
Общая
загрузка распределяется по структурным элементам ремонтного органа за вычетом
объема, приходящегося на капитальный ремонт, который производится на
специализированных ремонтных предприятиях:
где
и
составляют
загрузку зоны ТО (профилактория эксплуатационно-ремонтной базы) при
незначительном удалении от базы и мобильных машинах, либо загрузку передвижных
мастерских (при удалении машин на незначительное расстояние от базы), либо того
и другого при смешанной ситуации работы машин;
составляет
загрузку ремонтной зоны эксплуатационно-ремонтной зоны (ремонтных мастерских)
эксплуатационно-ремонтной базы. Коэффициент 1,3 учитывает увеличение объемов
работ за счет неплановых ремонтов (при внезапных отказах).
Q∑k =
2*150= 300 чел.-ч.
Qpo= 1186-300=
886 чел.-ч.
Qто-1 = 2*3*51=
306 чел.-ч.
Qто-2 =2*10*14=
280 чел.-ч.
Qт= 1,3(2*150*2)
= 780 чел.-ч.
Расчет
потребности в рабочих
Количество
ремонтных рабочих, необходимых для обслуживания машин комплекта, определяется
по формуле:
,
где
Фр - фонд времени одного рабочего в расчетном году, определяемый из выражения:
Фр
= (Дк-Дв-До)*tсм*Кот,
где
До - время отпуска рабочего, дни
Кот
= 0,8 - коэффициент, учитывающий организационные и технологические перерывы в
работе.
Фр
= (365-114-24)*8*0,8 = 1452,8 ч
Р
= 886/1452,8 = 0,61
Принимаем
количество ремонтных рабочих Р=1 человек:
-
механик
Организация
технического обслуживания машин комплекта (выбор места, времени и метода
проведения работ)
Продолжительность, качество и материальные затраты при ТО машин зависят
от его организации. Рационально организовать обслуживание машин - значит
правильно назначить место, время и метод производства ТО.
Место проведения ТО зависит от мобильности машин, удаленности
производственного объекта от эксплуатационной базы, вида и состояния
транспортных путей, наличия технических средств перевозки. Правильный выбор
места обслуживания машин позволяет определить загрузку структурных элементов
ремонтного органа, рассчитать их потребность в ресурсах, чтобы в нормативные
сроки и с меньшими потерями времени и средств выполнить работы.
Производство ТО машин возможно в межсменное время - после окончания смены
или перед ее началом, а также в обеденный перерыв (при проведении ТО-1) в
течение смены. Обслуживание в межсменное время предпочтительнее, но сложнее в
организации работы ремонтников.
.3 План
производства работ по сооружению малоэтажных жилых зданий с использованием
послойных строительных конструкций
Произведем календарное планирование и рассмотрим процесс производства
работ по сооружению двухэтажного коттеджа общей площадью 200м2 с использованием
послойных строительных конструкций, длина здания - 15 м, ширина здания - 13 м,
высота здания - 8 м, высота этажа - 3,0 м, объем здания составляет 1100м3.
Нормативная продолжительность строительства жилого здания в соответствии
со СНиП 1.04.03-85* составляет 4 месяца (120 дней):
Подготовительный период - 0,5 месяца
Подземная часть - 0,5 месяца
Надземная часть - 2,5 месяца
Отделочные работы - 0,5 месяца
Таблица 2.14
График работ производственных и строительных
|
График работ
|
|
Наименование
|
июн.11
|
|
1
|
2
|
3
|
4
|
5
|
6
|
7
|
8
|
9
|
10
|
11
|
12
|
13
|
14
|
15
|
16
|
17
|
19
|
20
|
21
|
22
|
23
|
24
|
|
Изготовление фундаментных
панелей
|
|
|
|
|
|
|
|
|
|
|
|
|
|
|
|
|
|
|
|
|
|
|
|
|
|
Изготовление стеновых,
кровельных панелей и панелей перекрытий
|
|
|
|
|
|
|
|
|
|
|
|
|
|
|
|
|
|
|
|
|
|
|
|
|
|
Разбивка участка
|
|
|
|
|
|
|
|
|
|
|
|
|
|
|
|
|
|
|
|
|
|
|
|
|
|
Земляные работы
|
|
|
|
|
|
|
|
|
|
|
|
|
|
|
|
|
|
|
|
|
|
|
|
|
|
Установка фундаментных
панелей и работа во дворе
|
|
|
|
|
|
|
|
|
|
|
|
|
|
|
|
|
|
|
|
|
|
|
|
|
|
Стены и крыша, внутренние
конструк ции
|
|
|
|
|
|
|
|
|
|
|
|
|
|
|
|
|
|
|
|
|
|
|
|
|
|
Отделка (двери, окна и
т.д.)
|
|
|
|
|
|
|
|
|
|
|
|
|
|
|
|
|
|
|
|
|
|
|
|
|
|
Соору жения на поверх ности
|
|
|
|
|
|
|
|
|
|
|
|
|
|
|
|
|
|
|
|
|
|
|
|
|
|
Мебель и принадлежности
|
|
|
|
|
|
|
|
|
|
|
|
|
|
|
|
|
|
|
|
|
|
|
|
|
|
Работы во дворе, устройство
дорожек и площадок
|
|
|
|
|
|
|
|
|
|
|
|
|
|
|
|
|
|
|
|
|
|
|
|
|
Однако использование послойных строительных конструкций позволяет
сократить данный срок до 24 дней, таблица ___. Это обусловлено следующими
факторами:
Все элементы здания привозят с производства уже в готовом виде и нет
необходимости проводить дополнительные отделочные работы;
Установка и монтаж готовых блоков занимает минимальное кол-во человеко- и
машино-часов;
Используется одно средство механизации - экскаватор;
Основные общестроительные работы и специальные работы (монтаж внутреннего
санитарно-технического оборудования, электромонтажные и другие работы),
выполняемые преимущественно специализированными организациями, ведутся
параллельно.
Технология монтажа панелей:
Технология монтажа панелей состоит из следующих этапов:
В панели, доставленные на строительную площадку устанавливаются
строповочные крепления. В соответствующие пазы закладывается уплотнитель.
Панель при помощи экскаватора с увеличителем рукояти устанавливается в
монтажное положение. В соответствующие пазы устанавливаются опорные пластины, и
через каналы протягиваются арматурные канаты.
В соответствующие отверстия устанавливаются стяжные анкера и панели
подтягиваются друг к другу за канаты. В крайнем положении анкера ввинчиваются в
опорные пластины, обеспечивая фиксацию и требуемое натяжение арматурных
канатов.
По завершении монтажа анкерные крепления и каналы для полной герметизации
заливаются монтажной пеной, а строповочные крепления отсоединяются от панели.
Рис. 2.7. Установка уплотнений и строповочных захватов.
Рис. 2.8. Установка в пазы стальных опорных пластин и протягивание через
канал армирующего каната.
Рис. 2.9. Установка стяжного анкера и стягивание панелей.
Рис. 2.10. Удаление строповочных захватов.
Машины, оборудование, приспособления.
Для эффективного строительства помимо ручного инструмента требуются
следующие машины, оборудование и приспособления:
главный электрический щит, на котором должны быть одно- и трехфазные
розетки и разъемы;
приспособления для обработки и натяжения стальных канатов;
сверлильный станок, в качестве которого может быть использована дрель с
электрическим приводом.
При строительстве с использованием данной технологии предлагается
использовать один экскаватор JCB JS460L со следующим комплектом сменного
оборудования:
обратная лопата;
- удлинитель рукояти (см. главу 3).
Естественно, не стоит приобретать себе все перечисленные машины и
оборудование. Часть инвентаря на время использования на рабочей площадке лучше
взять напрокат или в аренду. Часто самым экономичным является приобретение
подержанного оборудования и продажа его после завершения работы другому
строителю.
Для рациональной организации строительных работ необходимо определить их
этапы. На основе анализа индивидуального строительства можно предложить 5
этапов освоения территории участка:
. Подготовительный этап:
На данном этапе производят изучение участка, составляют проекты:
§ функционального зонирования территории;
§ организация проектного рельефа;
§ размещения коттеджа и хозяйственных построек (выбор типового
проекта или разработка индивидуального решения);
Рис. 2.11. Планировочные работы на участке.
Подготавливают территорию участка к выполнению планировочных работ:
o расчистка территории;
o снятие и складирование растительного грунта;
Выполняют планировочных работ по созданию проектного рельефа (перемещение
земляных масс), прокладка инженерных коммуникаций и дренажа;
Подготавливают участок к строительству и составляют стройгенплан и проект
использования территории участка, выделяют территории под:
o временные здания и сооружения;
o места складирования строительных материалов;
o отвалы земли;
o временные дороги и подходы;
Привозят временные здания (бытовки и склада строительных материалов),
временные дороги и подходы, подводки воды, подготовки площадок складирования
строительных материалов и выполняют подготовительные работы по разбивке осей
зданий на участке и закрепляют этой разбивкой;
Отрывка котлована выполняется экскаватором JCB JS460L с
обратной лопатой и ковшом емкостью 1,6 м3. Работа ведется в 2 смены. Экскавация
грунта планируется в одну захватки. Разработка грунта осуществляется лобовой
проходкой при перемещении экскаватора по зигзагу. Работу осуществляет машинист
6 р. 1 человек. После механизированной разработки для добора грунта вручную
должно оставаться не более 10 см грунта.
Рабочий процесс одноковшового экскаватора состоит из рабочего цикла, т.
е. разработки и перемещения грунта, и передвижения экскаватора к котловану,
после того как с места стоянки экскаватора станет неудобно или невозможно
продолжать дальнейшую разработку грунта. Во время передвижения экскаватора
работа не производится, поэтому время, затрачиваемое на передвижки, следует
максимально сокращать.
Рабочий цикл экскаватора состоит из следующих операций:
. Собственно копание грунта (срезание грунта и заполнение им ковша).
. Выведение ковша с грунтом из забоя, чтобы обеспечить возможность
беспрепятственного поворота платформы.
. Перемещение заполненного грунтом ковша к месту разгрузки, для чего или
поворачивают платформу с рабочим оборудованием.
. Разгрузка грунта из ковша в отвал или в транспортное средство.
. Поворот платформы к забою.
. Опускание ковша для подготовки к следующей операции копания.
Далее экскаватором JCB JS460L разрабатываются необходимые траншеи
прокладки инженерных сетей и дренажа;
К месту строительства подводятся инженерные сети;
Дренажную подушку из песка ведут послойно и выполняют его уплотнение.
Работы ведутся бетонщиком 3 р.
Рис. 2.12. Бортовая машина МАЗ6303А8-323
Таблица 2.15
Технические характеристики МАЗ6303А8-323:
|
Колёсная формула :
|
6х4
|
|
Двигатель :
|
ЯМЗ-6581.10 (Евро-3)
|
|
Мощность двигателя, кВт
(л.с.) :
|
294 (400)
|
|
Полная масса автомобиля,
кг:
|
24500 (26500)*
|
|
Полная масса автопоезда,
кг:
|
44500 (46500)*
|
|
Распределение полной массы:
(на переднюю ось/на тележку), кг:
|
6500 / 18000 (20000)*
|
|
Масса снаряженного
автомобиля, кг:
|
11300
|
|
Грузоподъёмность
автомобиля, кг:
|
13200 (15200)*
|
|
Объём платформы, куб.м*:
|
12,7
|
|
Площадь платформы, кв.м:
|
18,14
|
|
Максимальная скорость, км/ч
:
|
100
|
|
Коробка передач :
|
ЯМЗ-239-02 9ст.
|
|
Передаточное число ведущего
моста :
|
3,97
|
|
Размер шин :
|
11,00R20
|
|
Топливный бак, л:
|
350
|
|
Тип кузова:
|
бортовой
На этом подготовительный этап заканчивается, с предприятия по
производству строительных конструкций на бортовых машинах типа МАЗ 6303А8-323 в
два ряда по 3 паллеты в каждой пачке вывозятся бетонные строительные
конструкции произведенные методом послойного изготовления и доставляются по
месту строительства. На строительную площадку пребывает строительная техника.
. Выполнение общих строительных работ:
Первым выполняется кладка стен подвала или фундаментов - нулевой цикл.
Экскаватором JCB JS460L с удлинителем рукояти в соответствии с технологией монтажа
панелей производится установка панелей фундамента по маячками. С помощью
нивелира и теодолита проверяют горизонтальное и вертикальное отклонение
конструкции.
Рис. 2.13. Разметка и отрывка котлована под сборно-монолитный фундамент
Инженерные сети вводят в конструкции в специально приготовленные
отверстия в конструкциях. Устройство выпусков и вводов коммуникаций
(канализации, водостока, водопровода, теплосети, газа, электроснабжения,
телефонизации, диспетчерской связи) выполняют до засыпки пазух котлована
снаружи. Трубопроводы подвала, укладываемые в земле, должны быть выполнены до
устройства панелей фундамента. Работы ведутся сантехниками 4р.-2чел.
Фундаментные и стеновые панели соприкасающиеся с грунтом, защищают
гидроизоляцией и при необходимости утепляют. Гидроизоляцию стен выполняют после
окончания монтажа стен до засыпки внешних пазух. Работу выполняют каменщики
3р.-2чел.
Рис. 2.14. Установка и монтаж панелей фундамента
Засыпка пазух котлована изнутри выполняется после монтажа первого ряда
стеновых блоков (в уровне пола или немного выше). Засыпка производится вручную.
Устройство отмостки производят непосредственно после обратной засыпки, если
позволяют грунтовые и сезонные условия из трех слоев: песчаного основания
толщиной 100 мм; щебеночного основания толщиной 150 мм; и выбранного покрытия,
например с использованием брусчатки
Песок и щебень засыпают до определенной толщины и уплотняют ручными
трамбовками. Брусчатку укладывают в соответствии с выбранным рисунком и
уплотняют деревянными валиками или ручными металлическими катками. Работу
осуществляет бетонщик 3р. - 1 чел.
Экскаватором JCB JS460L с удлинителем рукояти в соответствии с технологией монтажа
панелей производится установка панелей наружных стен. Между стыками конструкции
закладывают утеплитель;
Рис. 2.15. Установка и монтаж внешних стеновых панелей
Экскаватором JCB JS460L с удлинителем рукояти устанавливаются внутренние стеновые
панели;
Рис. 2.16. Установка и монтаж внутренних стеновых панелей
Экскаватором JCB JS460L с удлинителем рукояти производят монтаж и установку
перекрытий. Панели стягиваются стальными канатами. Места стыков с наружными
панелями во избежание образования мостиков холода утепляются минеральной ватой;
Рис. 2.17. Установка и монтаж панелей перекрытий
Экскаватором JCB JS460L с удлинителем рукояти устанавливают панели фронтона здания;
Рис. 2.18. Установка и монтаж стеновых панелей фронтона.
Внутри дома осуществляется монтаж специальных панелей, реализующих
лестничные марши, камины, печные трубы, элементы интерьера. В случае
необходимости используют экскаватор с манипулятором.
Рис. 2.19. Установка и монтаж лестницы, элементов интерьера, каминов и
т.п.
Проводится монтаж панелей кровли, которые скрепляются между собой,
стенами и перекрытиями первого и мансардного этажей. В местах стыков
устраивается гидроизоляция.
Рис. 2.20. Установка и монтаж панелей кровли.
Работы по монтажу плит перекрытия, кровельных плит, лестничных маршей
осуществляют: машинист экскаватора JCB JS460L 5р.- 1чел., монтажники- 4р.-2чел.,
каменщик 4р.-1чел., такелажник 2р.-2чел.
Рис. 2.21. Готовая конструкция дома.
Далее производят установку (с застеклением) окон и дверей. При установке
дверного блока расчищают основание проема. Устанавливают блоки с проверкой
правильности установки по отвесу и уровню. Далее заклинивают установленный блок
с изготовлением клиньев и крепят коробки блоков к стене ершами.
Остекление оконных и дверных проемов выполняют до начала отделочных работ
внутри здания, что необходимо для защиты от увлажнения.
Настилают полы и сооружают дополнительные перегородки.
Устанавливают оборудование и кладку печей.
. Отделочные работы:
o наружных лестниц;
o отделка крыльца и веранды;
o установка наличников на окна и двери;
o навеска оборудования;
4. Четвертый этап:
o строительство хозяйственных построек;
o монтаж и наладка систем инженерного оборудования;
o ограждение территории участка;
5. Пятый этап:
o завершение отделочных наружных работ жилого дома;
o монтаж молниезащитных устройств;
o формирование пешеходных дорожек, площадок;
o посадка фруктовых и декоративных растений;
Календарный план строительства
Календарный план устанавливает сроки проведения подготовительных и
общеплощадочных работ, распределение объема капитальных вложений и объемы
строительно-монтажных работ по этапам и срокам строительства. Сроки
строительства должны учитывать нормы продолжительности строительства.
Календарный план объекта должен охватывать весь комплекс работ по возведению
здания, начиная с подготовительного периода и кончая пуско-наладочными работами
и благоустройством.
3. Разработка
удлинителя рукояти и установки для выплавления церезина
.1 Обоснование необходимости проектирования дополнительного устройства
При строительстве из бетонных панелей, произведенных методом трехмерной
печати, предлагается использовать лишь одно средство механизации - экскаватор JCB JS460L со
сменным оборудованием - обратная лопата и разработанного устройства для
удлинения рукояти с грузозахватным приспособлением.
Рис. 3.1. Положение экскаватора при подъеме блоков.
Из рис.3.1. видно, что длины рукояти экскаватора не хватает для подъема и
переноса конструкции на необходимое расстояние. Разработаем конструкцию
удлинителя рукояти исходя из приспособления его на экскаватор JCB JS460L
исходя из необходимой длины увеличения 5500мм.
Технические характеристики экскаватора JCB JS460L.
Рис. 3.2. Экскаватор JCB JS460L
Таблица 3.1
СТАТИЧЕСКИЕ РАЗМЕРЫ
|
A Длина гусеницы на земле
|
4,4 м
|
|
B Габаритная длина ходовой части
|
5,38 м
|
|
C Ширина
гусеничной колеи
|
2,75 м
|
|
D Ширина между внеш.краями гусениц 24'' (600мм )
|
3,35 м
|
|
Длина рукояти
|
4,76 м
|
|
E
Транспортировочная длина
|
11,94 м
|
|
F
Транспортировочная высота
|
3,9 м
|
|
G Дорожный
просвет противовеса
|
1,38 м
|
|
H Радиус поворота задней части
|
3,47 м
|
|
I Ширина верхней поворотной
части
|
2,99 м
|
|
J Высота до верхней части кабины
|
3,29 м
|
|
K Высота до верхней части поручня
|
2,59 м
|
|
L Дорожный
просвет
|
0,6 м
|
|
M Высота
гусеницы
|
1,2 м
|
Таблица
3.2
ДВИГАТЕЛЬ
|
Модель
|
Isuzu AA-6DSITS
|
|
Тип
|
С водяным охлаждением, 4-х
тактный, 6 цилиндров в ряд, с верхним вертикальным расположением
распределительного вала, прямой впрыск, дизельный с турбонаддувом. Низкий
уровень выбросов с воздушно-воздушным промежуточным охлаждением.
|
|
Полезная мощность
|
228 кВт (160 л.с.) при 2000
об/мин.
|
|
Объем
|
9.839 л
|
|
Диаметр цилиндра
|
120 мм
|
|
Ход поршня
|
145 мм
|
|
Воздушный фильтр
|
Сухой элемент с
дополнительным предохранительным элементом и предупредительным индикатором,
расположенным в кабине.
|
|
Система пуска
|
24 Вольт
|
|
Аккумуляторы
|
2 х 12 Вольт
|
|
Генератор
|
2 Вольта 50 Ампер
|
Таблица
3.3
ПОВОРОТНАЯ СИСТЕМА
|
Поворотный мотор
|
Аксиальный поршневого типа
|
|
Поворотный тормоз
|
Гидравлическое бесскачковое
торможение, авт. парковочный тормоз дискового типа.
|
|
Тип редуктора
|
Двухступенчатый планетарный
редуктор
|
|
Скорость поворота
|
9.2 об/мин
|
|
Поворотный механизм
|
Большого диаметра,
внутреннего зацепления, полностью герметичный, смазка посредством масляной
ванны.
|
|
Блокировка поворота
|
Переключаемая
мультипозиционная.
|
Таблица
3.4
ХОДОВАЯ ЧАСТЬ
|
Варианты ходовой части
|
Фиксированная колея
гусеничного хода длинной ходовой части
|
|
Конструкция
|
Полн. сварная, Х-образная
рама с нижней защитой центр. части и пологими лонжеронами.
|
|
Точка буксировки
|
Спереди и сзади
|
|
Варианты траков
|
600 мм (24 дюйма), 700 мм
(27.5 дюймов), 800 мм (31.5 дюйм), 900 мм (35.5 дюймов)
|
|
Гусеничная лента
|
Усиленная, необслуживаемая.
|
|
Нижн./верхн. опорн. катки
|
Прошедшие термическую
обработку, необслуживаемые.
|
|
Рег. натяжения гусеницы
|
Гидравлический цилиндр со
смазкой.
|
|
Натяжное колесо
|
Необслуживаемое, с
подрессоренным обратным ходом пружины. гусеницы
|
|
Кол-во нижних
|
9 с каждой стороны опорных
катков
|
|
Кол-во верхних
|
2 с каждой стороны опорных
катков
|
|
Кол-во траков
|
52 с каждой стороны
|
|
Направляющие гусеницы
|
Двойные по всей длине.
Установлены с обеих сторон нижних опорных катков.
|
Таблица
3.5
ГУСЕНИЧНАЯ ТЯГА
|
Тип
|
Полностью гидростатический,
планетарная коробка передач, три скорости с автопереключением.
|
|
Рабочий тормоз
|
Гидравлический клапан
противовеса, чтобы избежать превышения скорости на уклонах.
|
|
Парковочный тормоз
|
Дискового типа, с
применением пружины, автоматическое гидравлическое отсоединение
|
|
Преодолеваемый уклон
|
70% (35 град) непрерывный
|
|
Скорость движения
|
Высокая
|
4.0 км/час
|
|
Средняя
|
2.7 км/час
|
|
Низкая
|
2.0 км/час
|
|
Тяговое усилие
|
38,700 кг-сила
|
Таблица
3.6
ГИДРАВЛИЧЕСКАЯ СИСТЕМА
|
Сенсорная система с
регулируемой нагрузкой, регулируемой подачей жидкости в зависимости от
потребности, регулируемой выходной мощностью, непрямым и многофункциональным
открытым центром управления.
|
|
Насосы
|
Главные насосы
|
2 аксиальных, поршневых
регулируемых насоса
|
|
Максимальная подача
|
2 х 340 л/мин
|
|
Серво насос
|
Шестеренный
|
|
Максимальный расход
|
31 л/мин
|
|
Дополнительный насос
|
40 л/мин
|
|
Гидрораспределитель -
комбинированный с четырьмя и пятью золотниками контрольный клапан с
дополнительным рабочим золотником в стандартном исполнении. При необходимости
двухпотоковый насос комбинируется с работой стрелы и ковша для большей
скорости и производительности.
|
|
Установки
предохранительного клапана
|
Стрела/Рукоять/Ковш
|
325 бар
|
|
С форсированным наддувом
|
355 бар
|
|
Поворотный контур
|
300 бар
|
|
Контур хода
|
325 бар
|
|
Управление сервоклапаном
|
45 бар
|
|
Гидравлические цилиндры -
двойного действия, с заглушками болтов и втулками на подшипниках из
закаленной стали. Амортизирующие ограничители установлены на стреле и
гидроцилиндрах ковша.
|
|
Размеры
|
Стрела
|
Диаметр
|
160 мм
|
|
|
Шток
|
110 мм
|
|
|
Ход поршня
|
1580 мм
|
|
Лопата
|
Диаметр
|
180 мм
|
|
|
Шток
|
130 мм
|
|
|
Ход поршня
|
1910 мм
|
|
Ковш
|
Диаметр
|
160 мм
|
|
|
Шток
|
110 мм
|
|
|
Ход поршня
|
1306 мм
|
|
Фильтрация (фильтры)
|
В резервуаре
|
150 микрон, фильтр
засасываемого воздуха
|
|
Основная обратная
магистраль
|
10 микрон, волокнистый
элемент
|
|
Обводная магистраль Plexus
|
1,5 микрон, бумажный
элемент
|
|
Контрольная магистраль
|
10 микрон, бумажный элемент
|
|
Возврат гидромолота
|
10 микрон, усиленный
волокнистый элемент
|
|
Охлаждение - охлаждение
осуществляется через продувочный кулер с полной обратной магистралью,с
антиблокирующимися волнообразными пластинами радиатора и легкой в очистке
густой сеткой решетки.
|
|
|
|
|
|
|
|
|
|
СТРЕЛА ЭКСКАВАТОРА
Стрела и рукоять оборудованы втулками, не требующими технического
обслуживания, что увеличивает интервалы между техническим обслуживанием до 1000
часов. Стандартная стрела модели JS460
с возможностью выбора 4 видов длины рукояти, чтобы удовлетворять требованиям по
области действия, глубине копания, высоте подъема груза и отрывному усилию.
Дополнительная прочность сварных конструкций для гидромолота и прочих тяжелых
операций. В качестве стандартного оборудования поставляются усиленные
опрокидывающие рычаги для ковша.
КАБИНА ОПЕРАТОРА
Прокатная сталь, высокопрочный профиль. Затонированное небьющееся стекло
с полностью открывающимися двумя частями переднего стекла. Газовая стойка.
Прямоугольный стеклоочиститель/омыватель. Открывающиеся окна на двери.
Кондиционер и отопитель с устройством против запотевания лобового стекла.
Полностью регулируемое сиденье на пневмоподушке с регулируемыми подлокотниками,
подголовником и углом наклона спинки сиденья. Управление сиденьем и серворычаги
установлены на токосъемники для комбинированной или независимой настройки -
ручные рычаги регулируются вперед и назад. Кассетный плеер с радиоприемником.
Прикуриватель, цифровые часы, держатель для чашки и контейнер для хранения
вещей входят в стандартную комплектацию.
AMS -
УСОВЕРШЕНСТВОВАННАЯ СИСТЕМА УПРАВЛЕНИЯ
Усовершенствованная система управления AMS связывает мощность двигателя и производительность
насоса, чтобы обеспечить максимальную производительность машины при работе в
четырех режимах:
Н (Тяжелый) - 100% мощности двигателя и гидравлической мощности для
максимальной производительности.
S
(Стандартный) - 90% мощности двигателя и гидравлической мощности для
экономичной производительности.
L
(Легкий) - 70% мощности двигателя и гидравлической мощности для точного
профилирования и низкого потребления топлива.
F
(Точный) - 50% мощности с постоянным форсированием наддува для обеспечения
максимальной грузоподъемности.
Монитор и инструмент для сервисного обслуживания могут использоваться для
проверки исправной работы датчиков давления, соленоидов и текущих значений на
мониторе. Язык, установленный на мониторе, может быть изменен. С помощью
сервисного инструмента могут быть установлены дополнительные языки.
По истечении рекомендованного интервала индикатор техобслуживания
предупреждает оператора о необходимости проведения технического обслуживания. Все
базовые и эксплуатационные проверки могут быть проведены, используя всего лишь
дисплей в кабине. Инструмент для технического обслуживания, подключенный к
монитору, может быть использован для получения более подробной диагностики и
проведения анализа истории машины.
Таблица
3.7
ЭКСПЛУАТАЦИОННЫЕ ЕМКОСТИ
|
Топливный бак, л
|
650
|
|
Охлаждающая жидкость
двигателя, л
|
48
|
|
Редуктор поворотного
механизма (с каждой стороны) , л
|
8.5
|
|
Редуктор механизма хода (с
каждой стороны) , л
|
9
|
|
Гидравлическая система, л
|
450
|
|
Гидробак, л
|
210
|
Таблица
3.8
|
КОВШИ
|
|
Максимальная ширина
|
Вместимость (с шапкой по SAE)
|
|
1200 мм
|
1.39 куб.м
|
|
1350 мм
|
1.59 куб.м
|
|
1500 мм
|
1.84 куб.м
|
|
1750 мм
|
2.00 куб.м
|
|
1900 мм
|
2.25 куб.м
|
Все ковши типа JCB-Esco из сварной стали, с герметичными
усиленными стальными пальцами и сменными коронками.
СТАНДАРТНОЕ/ДОПОЛНИТЕЛЬНОЕ ОБОРУДОВАНИЕ
Стандартное оборудование: ограждение вентилятора двигателя; предпусковой
подогрев при холодном запуске; автоматический прогрев двигателя; воздушный
фильтр с двойным элементом; густая сетка решетки радиатора; электрический
заправочный насос, усиленный генератор; разъединитель электрической системы;
аккумуляторные батареи для тяжелых условий эксплуатации; шумоизоляция кабины и
двигателя, отопитель кабины и антизапотеватель лобового стекла; кондиционер;
тонированные стекла; кассетный плеер с радиоприемником; внутреннее освещение;
крючок для одежды; прикуриватель; контейнер для хранения вещей оператора;
съемный коврик на полу кабины; омыватель/очиститель лобового стекла; встроенное
гнездо питания; форсированный наддув; автоматический холостой ход; управление
скоростью двигателя в одно касание; переключатель стрела/поворот; управление
гидравлическим амортизатором; система фильтрации гидравлического масла Plexus; наконечники для измерения давления
в гидравлической системе; крепежные кронштейны для дополнительного
трубопровода; рабочее освещение - на стреле и основной раме; защита нижней
части ходовой части; нижнее защитное ограждение верхней конструкции; защита
поворотной системы; наружные зеркала; поручни и мостки с нескользящим
покрытием.
Рис. 3.3. Рабочий диапазон экскаватора JСB JS460L
Дополнительное оборудование: клапаны для проверки разрыва шланга и
система предупреждения перегрузки; опрокидывающие точки подъема, установленные
на звеньях; ковши общего назначения и усиленные ковши; быстросъемные ковши;
гидромолот; дополнительный трубопровод (полного или слабого потока); защита
кабины от падающих предметов (FOPS)
II уровня; рабочие фары, установленные на кабине и задние фары; вращающийся
сигнальный маяк; защита от дождя; масло, поддающееся биологическому разложению;
солнцезащитный козырек; сиденье на пневмоподушке; полноразмерные направляющие
гусениц.
Таблица
3.9
Основные характеристики рабочего диапазона
|
A Максимальный
радиус копания
|
13.13 м
|
|
B Максимальный радиус
копания (на земле)
|
12.91 м
|
|
C Максимальная
глубина копания
|
9.00 м
|
|
D Максимальная
высота копания
|
11.55 м
|
|
E Максимальная
высота выгрузки
|
8.46 м
|
|
F Максимальная глубина
вертикальной выемки
|
7.36 м
|
|
G Минимальный
радиус поворота
|
5.07 м
|
|
Поворот ковша
|
182 град.
|
|
Максимальное отрывное
усилие лопаты, кгс
|
14600
|
|
с форсированным наддувом,
кгс
|
15900
|
|
Максимальное отрывное
усилие ковша, кгс
|
25100
|
|
с форсированным наддувом,
кгс
|
27500
|
.2 Разработка
удлинителя рукояти. Проведение расчетов
Необходимо разработать удлинитель рукояти с возможностью крепления на
рукояти экскаватора с одной стороны и установкой грузозахватного приспособления
с другой стороны.
.2.1 Выбор материала
Задаемся материалом для изготовления конструкции - низколегированная
сталь 09Г2С, из нее изготавливаются металлоконструкции стрелы, рукояти и ковша.
Примем толщину стали - 20мм.
3.2.2 Конструктивное исполнение
Рис. 3.4. Увеличитель рукояти
Внутри конструкции устанавливается ребро жесткости (7) из такой же стали.
На конце увеличителя в качестве грузозахватного приспособления
устанавливается грузовой крюк с предохранительной скобой и стропы.
Присоединение устройства к рукояти такое же, как и у ковша или
гидромолота.
Рис. 3.5. Схема строповки панели
.2.3 Расчет на грузоподъемность
При максимальной высоте подъема у экскаватора JCB JS460L есть
ограничение по массе поднимаемого груза - 4974кг. Проведем расчет:
,
где
- ограничение по грузоподъемности (4974кг) ;
- масса
увеличителя рукояти;
-масса
грузозахватного устройства и строповочных канатов (35кг);
- масса
груза.
Рассчитаем
вес рукояти
,
где
S - площадь всех поверхностей устройства;
h - толщина
листов (0,02мм);
q - плотность
<#"780321.files/image127.gif">
Масса
груза рассчитываем исходя из максимального размера произведенной конструкции
1600х1200х900
,
где
V- объем объекта (1,728 );
- средняя
плотность конструкции (1450кг/м³);
-
пустотность конструкции (40%).
Тогда
Масса
увеличителя рукояти, грузозахватного устройства и поднимаемого груза меньше
ограничения.
.2.4
Расчет на устойчивость
Рассмотрим
устойчивость в следующем случае.
Экскаватор
с грузом стоит на горизонтальной площадке. Рабочее оборудование расположено на
максимальной дальности. Коэффициент устойчивости должен быть [Ky] ≥
1,15.
Расчетная
схема имеет вид:
Рис.
36. Расчетная схема на проверку устойчивости.
Коэффициент
устойчивости
Где
- сумма удерживающих моментов
- сумма
опрокидывающих моментов
,
где
- массы соответствующих частей экскаватора;
-
ускорение свободного падения
<#"780321.files/image142.gif">
отсюда
< устойчивость не гарантируется
Для
обеспечения устойчивости необходимо установить дополнительный противовес,
рассчитаем его массу до обеспечения необходимой устойчивости [Ky]=1,15.
,
где
- необходимая сумма удерживающих моментов.
Тогда
масса дополнительного противовеса будет равна:
Устойчивость
экскаватора не гарантируется, но компенсируется установкой дополнительного
противовеса на 16т.
.3 Разработка
установки для выплавления церезина
Принцип работы установки описывался ранее, но напомним для чего
предназначено это устройство.
В цехе для производства бетонных строительных конструкций методом
трехмерной печати проходит весь цикл производства конструкций. Одной из
операций в цеху является операция выплавки церезина из набравшей прочность
конструкции, отстоявшей 3 дня в зоне технологического хранения. Установка для
выплавления церезина как раз и выполняет эту операцию.
Напомним схему устройства и краткое описание работы после установки
конструкции в установку.
Рис. 3.7. Схема установки для выплавления церезина.
- фильтр грубой очистки для воды, поступающей из напольный накопительного
водонагреватель закрытого типа; 2 - распределитель; 3 - емкость для сбора
загрязнителей; 4 - сепаратор; 5 - датчик уровня воды; 6 - датчик уровня
парафина; 7 - аварийный байпас; 8 - нагревательный элемент; 9 - вентиль запорный;
10 -циркуляционный фильтр; 11 - насос; 12 - емкость для церезина на установке
для печати; 13 - установка для выплавки церезина.
Усановка 13 герметично закрывается и внутрь подается горячая вода выше
температуры плавления церезина (80°С). Церезин растворяется в воде и через
отверстие в верху устройства прокачивается в систему трубопроводов откуда
попадает в сепаратор 4 , где фракция разделяется на воду загрязнители и
церезин. Загрязнители, обладая наибольшей плотностью осаждаются и по окончании
работы установки сливаются открытием крана 9 если разрешено местным водоканалом
в канализацию иначе собираются в специальные емкости 3 и вывозятся организацией
у которой имеется лицензия на такой вид работ. Вода в сепараторе нагревательным
элементом 8 нагревается до 80°С и снова поступает в устройство для выпаривания.
Поплавковые датчики 5 и 6 регистрируют количество воды и парафина и в
случае необходимости регулируют подачу воды, работу насосов и распределителей
2.
Очищенный церезин поступает в емкость 13 на установке по производству
строительных конструкций. Цикл его работы повторяется.
.3.1 Конструкторское исполнение установки
Рис. 3.8. Установка для выплавления церезина.
- Подвод горячей воды из сепаратора; 2 - Вывод смеси в сепаратор; 3 -
Электродвигатель; 4- Хомуты; 5 - Конструкции; 6 - Резиновые уплотнители; 7 -
Сливной канал; 8 - Крышка устройства; 9 - Поддон устройства; 10 -
Пеноулитановый утеплитель; 11 - Подставка для кассет; 12 - Выступы на крышке
устройства с внутренней резьбой; 13 - Ограничительные амортизаторы; 14 -
Ограничители опускания на конструкциях.
Сама установка представляет собой емкость 9 из пластика толщиной 10мм с
внутренними размерами 1700х1300х150 мм, в ней подставки 11 для кассет и два
отверстия 1 и 2, одно сбоку, через которое происходит подача горячей очищенной
воды из сепаратора и одно на дне, через которое сливаются остатки смеси и воды
после работы установки. По контуру емкость закрыта слоем полиулитана 10
толщиной 50мм для уменьшения теплопотерь во время работы установки. Верхний
край окантован резиновой прокладкой 6.
Крышка 8 также выполнена из пластика тощиной 10 мм и закрыта полиулитаном
толщиной 50мм. В верхней части имеется отвесрстие для прокачки смеси в
сепаратор. Сбоку крышки есть выступы с внутренней резьбой, позволяющей
перемещаться крышке вверх-вниз по резьбе стержня ротора электродвигателя.
Нижний край окантован резиновой прокладкой 6.
4. Оценка
необходимых инвестиций и срока окупаемости цеха по послойному изготовлению
бетонных строительных конструкций
В цехе по производству бетонных строительных конструкций методом
трехмерной печати проводится полный цикл работ связанный с производством и
хранением выпускаемой продукции.
В нем расположено 8 установок трехмерной печати для производства и 8
установок для выплавления церезина. Большую площадь занимают стеллажи готовой
продукции и склад для хранения расходных материалов. В цехе работает 17
человек.
В качестве средств механизации в цехе используются электрические
погрузчики.
В качестве технико-экономического обоснования проведем расчеты
необходимых инвестиций и срока окупаемости цеха по послойному изготовлению
бетонных строительных конструкций.
Для оценки предстоящих затрат и результатов при определении эффективности
инвестиционного проекта осуществляется в пределах расчетного периода,
продолжительность которого (горизонт расчета) принимается с учетом:
продолжительности создания, эксплуатации и (при необходимости) ликвидации
объекта;
средневзвешенного нормативного срока службы основного технологического
оборудования;
достижения заданных характеристик прибыли (массы и / или нормы прибыли и
т.д.);
требований инвестора.
Горизонт расчета измеряется количеством шагов расчета. Шагом расчета при
определении показателей эффективности в пределах расчетного периода могут быть:
месяц, квартал или год.
Сравнение различных инвестиционных проектов (или вариантов проекта) и
выбор лучшего из них рекомендуется производить с использованием различных
показателей, к которым относятся:
чистый дисконтированный доход (ЧДД) или интегральный эффект;
срок окупаемости;
другие показатели, отражающие интересы участников или специфику проекта.
Чистый дисконтированный доход (ЧДД) определяется как сумма текущих
эффектов за весь расчетный период, приведенная к начальному шагу, или как
превышение интегральных результатов над интегральными затратами.
Величина ЧДД для постоянной нормы дисконта вычисляется по формуле:
где
Rt - доходы от инвестиций на t-ом шаге расчета, руб.;
Зt -
затраты, на том же шаге (стоимость основных средств и затраты на их
эксплуатацию), руб.;
αt- коэффициент
дисконтирования на t- ом шаге,
,
где
Et - норма дисконта, учитывающая уровень инфляции и
кредитной ставки на t - ом этапе;
Т
- горизонт расчета, лет.
Если
ЧДД инвестиционного проекта положителен, проект является эффективным (при
данной норме дисконта) и может рассматриваться вопрос о его принятии. Чем
больше ЧДД, тем эффективнее проект. Если инвестиционный проект будет
осуществлен при отрицательном ЧДД, инвестор понесет убытки, т.е. проект
неэффективен.
Для
оценки общей эффективности инвестиций необходимо определить чистый
дисконтированный доход и срок окупаемости инвестируемых средств.
Порядок
расчета:
.1
Определение капитальных вложений в цех
Сначала
определяют капитальные затраты на цех, руб.:
К=
Кзд + Коб,
где
Кзд - стоимость здания (Кзд= 20 млн. руб. (из практики по ценам 2010г);
Коб
- стоимость оборудования, руб.;
Расчет
Коб целесообразно выполнять в виде таблицы (табл. 4.1)
Таблица
4.1
Результаты
расчета стоимости оборудования
|
Наименование вида
оборудования
|
Количество оборудования
i-го вида, ni, ед.
|
Средняя стоимость единицы
оборудования, Цi, тыс. руб.
|
Стоимость оборудования,
млн. руб
|
|
Установка для трехмерной
печати
|
8
|
1000
|
8
|
|
Установка для выпаривания
|
8
|
300
|
2,4
|
|
Вилочный электропогрузчик
|
2
|
600
|
1,2
|
|
Итого:
|
-
|
-
|
11,6
|
В стоимость оборудования уже включены затраты на доставку и наладку.
Тогда капитальные затраты составят:
К= 20+11,6= 31,6 млн. руб.,
.2 Определение себестоимости
Определим себестоимость производства 1м3 конструкции (С).
Себестоимость- это выражение в денежной форме текущих затрат (издержек)
предприятия на производство и реализацию продукции.
Себестоимость машино-часа - это затраты на эксплуатацию установки,
исчисленные за час ее работы.
Зная себестоимость машино-часа можем определить себестоимость единицы
продукции по след формуле:
=
1918руб./ м3
где - себестоимость машино-часа эксплуатации оборудования,
руб;
- часовая
производительность 8 установок, м3/час;
-
стоимость материалов, необходимых на производство 1 м3 продукции 8 установками;
Себестоимость
машино-часа включает в себя следующие расходы:
амортизационные
отчисления ( );
зарплата
обслуживающего персонала( );
отчисления
на социальные нужды( );
топливно-энергетические
затраты ( );
накладные
расходы ( );
= ,
где
nсм - кол-во рабочих дней в году;
tсм -
продолжительность рабочей смены (8ч.);
nсмд - кол-во
смен в день (3 смены);
Амортизационные
отчисления считаются по всему оборудованию, участвующему в производстве:
= + + =0,96+0,288+0,18=1,428млн.руб,
где
- амортизационные отчисления на установки трехмерной
печати (исходя из 10 летней эксплуатации 8 установок);
=Sx nу/tлет+
(Sx nу/tлет
) k =8 1/10+(8 1/10) 0,2=0,96млн.руб,
где
Sx - стоимость 1 установки;
nу - количество
установок;
tлет - срок
окупаемости;
k - норма
амортизации (20%).
-
амортизационные отчисления на установки для выпаривания (исходя из 10 летней
эксплуатации 8 установок);
= Sx nу/tлет+
(Sx nу/tлет
) k =8 0,3/10+(8 0,3/10) 0,2=0,288млн.руб
-
амортизационные отчисления на электропогрузчики (исходя из 8 летней
эксплуатации 2 машин).
= Sx nу/tлет+ (Sx nу/tлет
) k =2 0,6/8+(2 0,6/8) 0,2=0,180млн.руб
Зарплата
основных производственных рабочих, руб.:
Сзп=
Аосн ЗПч Тгод,= 17 150 2000= 5,1 млн. руб.,
где
Аосн - суммарная численность производственных рабочих, чел, (см. табл. 2.5);;
ЗПч
- средняя часовая тарифная ставка одного рабочего, руб./ч. ЗПч=150 руб./ч;
Тгод
- количество часов работы за год, ч. При продолжительности рабочей смены t=8 ч
и количестве смен nсм=250 смен/год, составит Тгод = t nсм=2000 ч/год;
Отчисления
на социальные нужды с зарплаты основных производственных рабочих зависят от
взносов в социальные внебюджетные фонды. На 2010 год они составляют 26%. т.е.
Ссоц=0,26Сзп=1,326 млн. руб.
= nсм tсм x= 250 24 389=2,334 млн. руб.,
где
x - средневзвешенная стоимость электроэнергии за час в
г.Санкт-Петербурге для предприятия.
Накладные
расходы примем равным 12% к основным расходам:
=0,12 ( + + + )=0,12 ( )
=1,28млн.руб
= руб.
(1-0,4) 1400 8=6720руб.,
где
- средняя стоимость кубометра используемых материалов
на 1м3 изделия (1400руб);
-
пустотность конструкции (40%).
.3
Определение доходов и прибыли от функционирования спроектированного цеха за год
Прибыль
- конечный финансовый результат деятельности предприятия. Она определяется как
превышение доходов над расходами:
П=(Ц-С)
V,
где
Ц - отпускная цена 1м3 конструкции, руб.;
V - плановый
объем выпускаемой продукции цехом за год, м3/год;
С
- себестоимость 1м3 конструкции, руб.;
Цена
ремонта единичной машины Ц определяется по формуле:
Ц=С+П
где
П - плановый размер прибыли, руб.
В
условиях рыночной экономики цены на произведенные конструкции устанавливаются
предприятием самостоятельно с учетом конкурентоспособности, конъюнктуры рынка,
необходимости выплачивать проценты по банковским кредитам и т.д. Поэтому примем
прибыль в размере 25% от полной себестоимости продукции, т.е. П=0,25С, тогда:
Ц=С+0,25С=1918+0,25 1918=2397,5 руб.
П=(2400-1918)
21600=10,411млн. руб.
Чистая
прибыль Пч - это прибыль, которая остается у предприятия после уплаты налогов:
Пч=П-НП=0,76П=10411 0,76=7,913млн. руб.
где
НП- налог на прибыль, который составляет 24% , т.е. НП=0,24П, т.е. чистая
прибыль составит Пч= 0,76П, руб.
.4
Определение величины интегрального эффекта (чистого дисконтированного дохода)
На
практике, при постоянной норме дисконта, пользуются модифицированной формулой
для определения величины чистого дисконтированного дохода:
где
З*t - текущие затраты на шаге t, руб.;
Кt-
единовременные затраты (инвестиционные вложения) на шаге t,
руб.
Определим
интегральный экономический эффект (чистый дисконтированный доход) за 15 лет
эксплуатации предприятия.
Таблица
4.2
Результаты
расчета величины чистого дисконтированного дохода
|
Год, t
|
Единовременные затраты, К,
|
Чистая прибыль, Пч,
|
Коэффициент
дисконтирования, αt
|
Прибыль, млн. руб.
|
Превышение прибыли над
затратами, млн руб.
|
|
млн. руб.
|
млн. руб.
|
|
приведенная к расчетному
периоду
|
нарастающим итогом
|
|
|
0
|
31,60
|
|
|
|
|
-32
|
|
1
|
|
7,913
|
0,8547
|
6,8
|
6,8
|
-24,8
|
|
2
|
|
7,913
|
0,7305
|
5,8
|
12,5
|
-19,1
|
|
3
|
|
7,913
|
0,6244
|
4,9
|
17,5
|
-14,1
|
|
4
|
|
7,913
|
0,5337
|
4,2
|
21,7
|
-9,9
|
|
5
|
|
7,913
|
0,4561
|
3,6
|
25,3
|
-6,3
|
|
6
|
|
7,913
|
0,3898
|
3,1
|
28,4
|
-3,2
|
|
7
|
|
7,913
|
0,3332
|
2,6
|
31,0
|
-0,6
|
|
8
|
|
7,913
|
0,2848
|
2,3
|
33,3
|
1,7
|
|
9
|
|
7,913
|
0,2434
|
1,9
|
35,2
|
3,6
|
|
10
|
|
7,913
|
0,2081
|
1,6
|
36,9
|
5,3
|
|
11
|
|
7,913
|
0,1778
|
1,4
|
38,3
|
6,7
|
|
12
|
|
7,913
|
0,1520
|
1,2
|
39,5
|
7,9
|
|
13
|
|
7,913
|
0,1299
|
1,0
|
40,5
|
8,9
|
|
14
|
|
7,913
|
0,1110
|
0,9
|
41,4
|
9,8
|
|
15
|
|
7,913
|
0,0949
|
0,8
|
42,1
|
10,5
|
Рис. 4.1. График превышения прибыли над затратами
Определим срок окупаемости с учетом дисконтирования методом
интерполирования:
Простой
срок окупаемости, т.е. без дисконтирования:
Выводы.
Первоначальные
капиталовложения в цех равны 31,6млн.руб.
Себестоимость
производства 1м3 продукции равна 1918 руб.
Ежегодная
чистая прибыль цеха - 7,913млн.руб.
Полученный
срок окупаемости получился равным 4 года без дисконтирования и с учетом дисконтирования. Инвестиционные вложения
можно считать эффективными.
5.
Определение опасных и вредных факторов в цехе по послойному изготовлению
строительных конструкций
В цехе по послойному изготовлению бетонных строительных конструкций имеют
место быть согласно ГОСТ 12.0.003-74* физические, химические и психофизические
опасные и вредные производственные факторы.
Физические опасные и вредные производственные факторы:
движущиеся машины и механизмы, подвижные части производственного
оборудования, материалы;
повышенная запыленность воздуха рабочей зоны;
повышенная температура воздуха в районе рабочей зоны, поверхностей
оборудования;
повышенная влажность воздуха, его подвижность, ионизация;
повышенное значение напряжения в электрической цепи, замыкание которой
может пройти через тело человека;
недостаток естественного света.
Химические опасные и вредные производственные факторы:
раздражающие и токсические факторы проникающие в организм человека через
органы дыхания, кожные покровы и слизистую оболочку.
Психофизиологические опасные и вредные производственные факторы:
физические перегрузки;
нервно-психологические перегрузки;
Так как наибольшую опасность для жизни человека представляет поражение
электрическим током, решаем эту задачу.
5.1
Характеристика условий труда для цеха по послойному изготовлению бетонных
строительных конструкций по опасности поражения людей электрическим током
Возможность поражения людей электрическим током во многом зависит от
состояния окружающей среды в помещении. Помещение, в котором размещены
установки для производства и выпаривания строительных конструкций, можно
считать особо сырым, так как в процессе работы (особенно при загрузке и
разгрузке машины) в него поступают горячие пары, которые конденсируются на
стенах и окнах здания, на другом оборудовании. Остатки горячего раствора с
очищенных изделий сложной конфигурации иногда проливаются на пол.
Кроме того, при приготовлении красящих растворов могут использоваться химические
компоненты. Применение горячей воды для нагрева конструкций в выпаривателях
может привести к повышению температуры в помещении даже при исправной
вентиляции и наличии теплоизоляции на баках машины, повышает температуру и
поступление в помещение нагретых в машине изделий.
Поэтому согласно классификации помещений (условий работ) по опасности
поражения электрическим током, помещение в котором размещается моечный участок,
относится к особо опасным.
5.2 Выбор методов и средств обеспечения электробезопасности
В трехфазных четырехпроводных сетях до 1000В с глухозаземленной нейтралью
(в том числе и в сети напряжением 380/220В, которая получила наибольшее
распространение для электроснабжения промышленных предприятий и используется в
рассматриваемом предприятии) в качестве основного способа защиты от поражения
электрическим током применяют зануление.
Защитным занулением в электроустановках напряжением до 1кВ называется
преднамеренное соединение частей электроустановки, нормально не находящихся под
напряжением, с глухозаземленной нейтралью генератора или трансформатора в сетях
трехфазного тока, сглухозаземленным выводом источника однофазного тока, с
глузозаземленной средней точкой источника в сетях постоянного тока. Занулению
подлежат металлические корпуса электрических машин, трансформаторов, аппаратов,
электрических шкафов, щиты, металлические оболочки силовых кабелей,
металлические трубы электропроводки, корпуса переносных электроприемников и
т.п.
Нейтраль (нейтральная точка обмотки источника тока) - точка, напряжение
которой относительно всех внешних выводов обмотки одинаково. Ее напряжение
относительно земли при равенстве фазных напряжений равно нулю. Нейтраль имеется
у трехфазных источников, обмотка которых соединена звездой. Глухозаземленной
нейтралью называется нейтраль трансформатора или генератора, присоединенная к
заземляющему устройству непосредственно или через малое сопротивление.
Проводник, присоединенный к нейтральной точке, называется нейтральным
проводником, а присоединенный к нулевой точке (т.е. в случае заземления
нейтрали) - нулевым.
Нулевым рабочим проводником (N) в электроустановках до 1 кВ называется проводник, используемый для
питания электроприемников, соеде- ненный с глухозаземленной нейтралью
генератора или трансформатора в сетях трехфазного тока, с глухозаземленным
выводом источника однофазного тока. Защитным проводником (РЕ) в
электроустановках называется проводник, применяемый для защиты от поражения
людей и животных электрическим током. В электроустановках до 1 кВ защитный
проводник, соединенный с глухозаземленной нейтралью генератора или
трансформатора, называется нулевым защитным проводником. Совмещенным нулевым
защитным и нулевым рабочим проводником (PEN) в электроустановках до 1кВ называется проводник,
сочетающий функции нулевого защитного и нулевого рабочего проводников.
Назначение зануления - это устранение опасности поражения током в случае
прикосновения к корпусу электроустановки и к другим металлическим нетоковедущим
частям, оказавшимся под напряжением вследствие замыкания на корпус. Основная
цель зануления - снижение вероятности поражения электрическим током путем
сокращения времени возможного воздействия тока на человека.
Принцип действия заключается в превращении пробоя на корпус в однофазное
короткое замыкание, что вызывает отключение электроустановки в результате
срабатывания защиты (перегорания плавкой вставки предохранителя или
срабатывания автоматического выключателя соответствующей фазы).
Рис.
5.1. Схема поясняющая значение элементов зануления
В
качестве защитной аппаратуры могут быть использованы:
плавкие
предохранители;
магнитные
пускатели со встроенной тепловой защитой (тепловым реле);
автоматические
выключатели с электромагнитным расцепителем; автоматы с комбинированными
расцепителями (имеющими также тепловой элемент), осуществляющие защиту
одновременно от токов короткого замыкания и перегрузки.
.3 Назначение
элементов зануления и требования к ним
.3.1
Назначение нулевого защитного проводника
Защитный
нулевой провод служит для создания цепи с малым сопротивлением, что и
обеспечивает большой ток короткого замыкания при
пробое одной из фаз на корпус.
Сила
этого тока должна быть достаточной для срабатывания защиты и отключения
поврежденной установки, поэтому, согласно ПУЭ [38], проводимость нулевого
провода должна быть не менее 50 % от фазного.
Величина
тока короткого замыкания должна удовлетворять следующему условию:
(1.1)
где
- номинальный ток плавкой вставки или ток
срабатывания автомата;
-
коэффициент запаса ( = 3 для плавкой вставки, = 1,25...1,4 - для автоматических выключателей,
причем для автоматического выключателя с электромагнитным расцепителем при
номинальном токе, равным и менее 100 А, = 1,4 и
при > 100 А = 1,25).
5.3.2
Назначение заземления нулевой точки (нейтрали) трансформатора
Заземление служит для защиты в случае пробоя изоляции между обмотками
высшего и низшего напряжения трансформатора. Кроме того, оно снижает разность
потенциалов между зануленным оборудованием и землей при случайном замыкании
одной из фаз на землю. При случайном замыкании фазы на землю (при случайном
обрыве и падении провода, при нарушении изоляции кабеля, проложенного в земле,
или проводов, проложенных по металлическим заземленным конструкциям) между
землей и зануленным оборудованием при отсутствии заземления нейтрали может
возникнуть напряжение, близкое по величине к фазному напряжению сети, что
вызывает опасность поражения при случайном прикосновении человека к корпусу. Эта
опасность будет сохраняться до обнаружения и ликвидации замыкания на землю или
отключения сети.
Если нейтраль заземлена, то при замыкании одной из фаз на землю большая
часть тока пойдет не через человека (R = 1000 Ом), а через заземление нейтрали (R0 = 4 Ом). Без этого заземления нулевой провод в подобной
ситуации лишь увеличивал бы опасность образуя с человеком единую цепь с малым
сопротивлением.
5.3.3
Назначение повторного заземления нулевого защитного проводника
Повторное заземление, во-первых, снижает напряжение на корпусе при
замыкании на него фазы до момента отключения электроустановки, во-вторых,
уменьшает опасность поражения при обрыве нулевого магистрального провода и
замыкании фазы на корпус за местом обрыва. В этом случае поврежденная установка
автоматически не отключится. Но наличие повторного заземления приводит к
снижению потенциала на корпусе. Если возникает цепь тока через землю (через Rn и RJ, в результате чего снизится потенциал на корпусе-
Если
принять Rn=R0, то корп 0,5Uф. Таким образом, благодаря наличию повторного
заземления сохраняется замкнутая для тока цепь (через землю), что и приводит к
снижению напряжения на корпусах за местом обрыва при замыкании фазы на корпус
примерно в два раза.
Согласно
ПУЭ, повторное заземление должно выполняться на вводах в здание и на концах BJI
(или ответвлений) длиной более 200 м.
В
кабельных линиях повторные заземления не требуются, так как обрыв нулевого
провода в них маловероятен.
Для
всех повторных заземлителей должно выполняться условие Rn < 10 Ом, а
для каждого в отдельности [Rn,i ] < 30 Ом.
.3.4
Недостатки зануления
1. Обрыв нулевого провода может быть вовремя не замечен, а установка при
этом будет продолжать работать.
. Нулевой защитный проводник создает условия для выноса потенциала на все
зануленные электропотребители, что создает определенную опасность поражения
током, особенно в случае замыкания на корпус одного из этих
электропотребителей.
. В результате ошибок монтажа корпус может оказаться подключенным к фазе
через нулевой защитный провод.
5.4
Требования к устройству проектируемой сети зануления
.4.1 Нулевой
провод
Нулевой защитный провод прокладывают от щита распределительного
устройства, на который выведена нулевая точка трансформатора, по трассе фазных
проводов и возможно ближе к ним.
На воздушных линиях электропередач (BЛ) нулевой защитный проводник обычно не прокладывают. Его
роль выполняет нулевой рабочий провод, подвешиваемый на тех же опорах, что и
фазные провода. Этот провод должен быть изготовлен из того же материала, что и
фазные, и иметь полную проводимость, которая составляет не менее половины
проводимости фазного.
В цепи нулевых защитных проводников в отличие от нулевых рабочих не
должно быть разъединяющих приспособлений (рубильника) и предохранителя. В цепи
нулевых рабочих проводников, которые одновременно служат и для целей зануления,
допускается применять разъединительные приспособления, но последние
одновременно с отключением нулевого проводника должны отключать и фазные
проводники. Не допускается устанавливать плавкие предохранители в нулевом
проводе на участках, где он используется как защитный, так как в этом случае за
точкой обрыва может оказаться напряжение, равное фазному.
В качестве нулевых защитных проводников могут использоваться
металлические конструкции здания.
Чтобы уменьшить сопротивление цепи тока короткого замыкан защитный
нулевой провод соединяют со всеми заземленными металлическими конструкциями:
арматурой железобетонных строительных конструкций, металлоконструкций
производственного назначения и т.д. Для уравнивания потенциалов в тех
помещениях, где применяется зануление, зануляют также все строительные и
производственные металлоконструкции и трубопроводы всех назначений.
Соединения нулевого провода до защищаемого корпуса выполняются сварными.
Нулевой провод соединяется со всеми заземленными металлическими конструкциями,
создающими параллельные цепи короткого замыкания: металлическими конструкциями
зданий, стальными трубами электропроводок, свинцовыми и алюминиевыми оболочками
кабелей, металлическими трубопроводами, проложенными открыто, исключая
трубопроводы для горючих и взрывоопасных смесей. Эти проводники могут служить и
в качестве единственного нулевого провода, если по проводимости удовлетворяют
приведенным ниже требованиям.
.4.2 Нейтраль
источника тока (трансформатора) к заземление нейтрали
На стороне вторичной обмотки трансформатора нейтраль должна быть
присоединена к заземлителю и выведена на щит управления распределительного
устройства. В качестве заземляющего проводника для присоединения к заземлителю
обычно используется полосовая сталь сечение которой зависит от мощности
трансформатора, но не должно быть меньше 24 мм2 при прокладке в здании и меньше
48 мм2 при прокладке в земле.
Заземление нейтральной точки источника, хотя и имеет значение для
электробезопасности, но все же является не защитным заземлением, а рабочим, то
есть необходимым для обеспечения определенных условий работы электроустановки в
нормальном и аварийном режимах.
5.4.3
Повторные заземления
В качестве заземлителей для повторных заземлений нулевого провода должны
быть использованы в первую очередь естественные заземлители, например подземные
части опор, металлические и железобетонные конструкции сооружений, находящиеся в
земле и т.п. Если естественные заземлители отсутствуют или их сопротивление
превышает нормируемое значение, сооружают искусственные заземлители.
5.4.4
Предохранители
Предохранители применяют для защиты электроустановок от токов короткого
замыкания.
По конструктивному выполнению предохранители можно разделить на две
группы: с наполнителем (наполненные мелкозернистым кварцевым песком) и без
наполнителя. Наиболее распространенными предохранителями, применяемыми для
защиты электроустановок напряжением до 1000В, являются: ПР2-предохранитель
разборный; НПН-насыпной предохранитель неразборный; ПН2-предохранитель насыпной
разборный.
Предохранители по сравнению с другими аппаратами защиты (автоматическими
выключателями) обладают рядом преимуществ, к которым относят меньшую стоимость,
простоту и надежность в эксплуатации. К недостаткам следует отнести обеспечение
ими защиты в основном от токов короткого замыкания и в меньшей степени от токов
перегрузок, одноразовость действия.
Селективность (избирательность) защиты плавкими предохранителями
магистральной линии с ответвлениями достигается последовательным возрастанием
номинального тока плавких вставок на отдельных участках линии по мере
приближения к пункту питания.
Плавкие вставки предохранителей выдерживают токи на 30-50 % выше
номинальных токов вставки в течение 1 ч и более. При токах, превышающих
номинальный ток плавких вставок на 60-100 %, они плавятся меньше чем 1 ч.
Плавкие предохранители делят на инерционные (с большой тепловой инерцией,
т.е. способные выдерживать значительные кратковременные перегрузки, типа ИП) и
безынерционные (с малой тепловой инерцией, т.е. с ограниченной способностью к
перегрузкам, типа НПН, ПН2).
Номинальным током плавкой вставки называют ток, на который рассчитана
плавкая вставка для длительной работы в нормальном режиме. В предохранителе
может использоваться плавкая вставка с номинальным током, меньшим номинального
тока предохранителя.
Номинальный
ток плавкой вставки для инерционных предохранителей определяется только по
значению длительного расчетного тока линии :
 .
Номинальный
ток плавкой вставки для безынерционного предохранителя должен удовлетворять
дополнительно и второму условию:
где
- коэффициент снижения пускового тока, который при
редких и легких пусках, например, электродвигателей металлообрабатывающих
станков, вентиляторов, насосов, принимается не более 2,5, а при тяжелых пусках,
например электродвигателей кранов, центрифуг =1,6...2,0.
Эти коэффициенты вводятся при выборе плавких вставок для электродвигателей со
значительными пусковыми токами, превышающими номинальные токи.
Из
типичной характеристики предохранителя видно, что плавкая вставка не
перегорает: при кратности тока менее 2,5 и
времени действия короткого замыкания 8 с; при
кратности тока 1,6 и времени t 10 с.
Кроме
того, номинальные токи плавких вставок должны соответствовать:
а)
кратностям допустимых длительных токов ;
б)
кратностям токов однофазных замыканий в сетях с заземленной нейтралью.
5.4.5 Выбор
сечений проводников и защитной аппаратуры
От силового распределительного щита, установленного в цехе, получают
электрическое питание все стационарные электроустановки (технологическое
оборудование) цеха, включая электродвигатель установки для печати.
Суммарная
установленная номинальная мощность электроустановок в цехе составляет 120 кВт.
Воздушная линия (BЛ) длиной =250 м
(от трансформатора до силового распределительного щита цеха) выполнена из
алюминиевых проводов сечением 50 мм2 каждый (три фазных провода и один
нулевой). Линия питается от трансформатора 400 кВ А, 6/0,4 кВ со схемой
соединения обмоток треугольник - звезда .
Необходимо
определить номинальный ток плавких вставок и выбрать сечения проводов для
электродвигателя насоса исходя из условий нагрева и соответствия номинальному
току срабатывания защиты.
.
Для выбора плавких вставок предохранителей следует прежде всего определить
номинальный ток, А, электродвигателя:
где
( -номинальное напряжение, В; N-мощность
электродвигателя, кВт; -коэффициент мощности.
Для
подачи смеси из бака в сопла установки служит центробежный насос с приводом от
асинхронного электродвигателя серии 4А напряжением Un = 380 В с
числом оборотов n =3000 мин, тип 4А160М2. По справочным данным, для
этого электродвигателя мощность составляет N= 18,5 кВт, коэффициент мощности = 0,92, а коэффициент перегрузки (отношение пускового тока электродвигателя к
номинальному току) составляет
;
.
Далее необходимо определить пусковой ток электродвигателя:
= =31,2 • 7,5 = 234 А.
Находим
номинальный ток, А, плавкой вставки:
где
- коэффициент режима работ. Для двигателей с частыми
включениями а = 1,6 ... 2,0, для двигателей с редкими пусками а = 2 ... 2,5.
Принимаем а = 2.
= 234/2 =
117А.
Принимаем
плавкую вставку серии ПН2-250 с номинальным током 100 А при напряжении сети 380
В.
Помещение,
в котором размещено оборудование, не является взрыво- и пожароопасным, поэтому
принимаем, что линия силовой сети от распределительного щита будет
прокладываться в помещении, бронированным четырехжильным кабелем с алюминиевыми
жилами с резиновой изоляцией в поливинилхлоридной оболочке.
Сечение
проводов и кабелей для напряжения до 1000 В по условию нагрева определяется в
зависимости от расчетного значения длительно допустимой токовой нагрузки при
нормальных условиях прокладки (Iнорм доп). При этом должно соблюдаться два условия:
по
нагреву длительным расчетным током :
(1.2)
по
соответствию выбранному аппарату максимальной токовой защиты
(1.3)
где
- коэффициент защиты, т.е. отношение длительно
допустимого тока для провода или кабеля к номинальному току или току
срабатывания защитного аппарата; I - номинальный ток или ток срабатывания
защитного аппарата А.
Значения
определяют в зависимости от назначения принятого вида
защиты, характера сети, изоляции проводов, кабелей и условий их прокладки.
Согласно
ПУЭ, сети делят на две группы: защищаемые от перегрузки и токов короткого
замыкания (к.з.) и защищаемые только от токов к.з.
Защите
от перегрузки подлежат сети:
а)
внутри помещений, проложенные защищенными изолированными проводниками с горючей
оболочкой;
б)
внутри помещений, проложенные защищенными проводниками в трубах, в несгораемых
строительных конструкциях и т.п., а именно в следующих случаях:
осветительные
- в жилых и общественных зданиях, служебнобытовых помещениях промышленных
предприятий, а также сети для бытовых и переносных электроприемников в
пожароопасных производственных помещениях;
силовые
- на промышленных предприятиях, когда по условиям технологического процесса
может возникать длительная перегрузка проводов и кабелей;
всех
видов - во взрывоопасных помещениях.
Все
остальные сети не требуют защиты от перегрузки и защищаются только от токов
короткого замыкания.
Для
линии, идущей к электродвигателю насоса, установленного в невзрывоопасной зоне
помещения длиной L2 = 50 м, сечение проводов подбирают по длительному
току исходя из условия (1.2) c последующей проверкой (1.3).
Следовательно,
из условия (1.2) Iдоп > 31,2 А. Для выбранного ранее типа кабеля
(четырехжильного с алюминиевыми жилами и резиновой изоляцией в
поливинилхлоридной оболочке) определяем сечение жилы равным 6 мм2 для которого
допустимая токовая нагрузка равна 32 А. Выбранное сечение проверяют по
коэффициенту защиты из условия (1.3),
Для
невзрыво- и непожароопасных зон для сетей, не требующих защиты от перегрузки с
использованием в качестве защитного аппарата предохранителей, =0,33 Iзащ = =100 А,
Подставляя числовые значения в формулу (1.3), получим:
•Iзащ
= 0,33•100 = 33 > Iдоп =32А,
т.е.
требуемое условие не выполняется, поэтому окончательно выбирают сечение провода
равным 10 мм2, для которого I= 42 А. Сечение РЕ проводников должно равняться
сечению фазных при сечении последних до 16 мм2,16 мм2 при сечении фазных
проводников от 16 до 35 мм2, 50 % сечения фазных проводников при больших
сечениях. Согласно вышесказанному выбираем для проводников РЕ провод сечением
10 мм2.
5.5 Расчет на
отключающую способность автоматической защиты
Расчет зануления включает в себя расчет на отключающую способность и
расчет заземления нейтрали и повторных заземлителей. Ограничимся расчетом на
отключающую способность.
Схема сети к решаемой задаче приведена на рис.
Рис.
5.2. Схема сети для питания электродвигателя
Для
автоматического отключения электроустановки при замыкании фазы на корпус должно
выполняться условие (1.1). Чтобы проверить его выполнение, необходимо в первую
очередь определить расчетную величину тока однофазного короткого замыкания Iкз.
Рис.
5.3. Упрощенная расчетная схема зануления в сети переменного тока на
отключающую способность
В
этой схеме Zт-полное сопротивления соответственно трансформатора;
Хвн-внешнее индуктивное сопротивление петли (контура фаза- нуль); Rф и Rн -
активные сопротивления заземлений нейтрали трансформатора и повторного
заземления нейтрали.
Действительное
значение (модуль) тока короткого замыкания, Ом, может быть определено по
формуле
(1.4)
где
- полное сопротивление обмотки трансформатора; - сопротивление петли фаза-нуль;
здесь
- полное активное сопротивление; Хп - полное
индуктивн сопротивление.
В
практике проектирования принято значения и /3 складыват арифметически. Это дает небольшую
погрешность (до 5 %) в сторону уменьшения тока короткого замыкания, т.е. в
сторону запаса.
Полное
сопротивление обмотки трансформатора ZT определяется по справочным
данным. Для нашего случая Z = 0,056 Ом.
Полное
активное сопротивление для проводников из цветных металлов (меди, алюминия)
определяется по формуле
где
- активное сопротивление фазных проводов; - активное сопротивление нулевого провода; - удельное сопротивление i-го участка
проводника, Ом мм2/м, равное 0,018 - для меди, 0,028 - для алюминия; - длина 1-го проводника, м; - поперечное сечение i-го проводника,
мм2.
Таким
образом, для первого участка электрической сети (от трансформатора до
распределительного щита цеха), считая, что S =50 мм2.
и
Для
второго участка сети (от распределительного щита до моечной машины)
и
Полное
активное сопротивление проводников составит:
RП = 0,14 + 0,14
+ 0,14 + 0,14 = 0,56 Ом.
Полное
индуктивное сопротивление петли фаза нуль
Хп=
Хф + Хнул + Хвн
где
Хф, Хнул - внутреннее индуктивное сопротивление фазного и нулевого проводов.
Для медных и алюминиевых проводников этими значениями пренебрегают, так как они
сравнительно малы (около 0,0156 Ом/км). Для стальных проводников их определяют
с помощью таблиц; Хвн - внешнее индуктивное сопротивление петли фаза нуль,
которое в основном определяется взаимоиндукцией между фазным и нулевым
проводом. Погонное (в расчете на 1км линии) внешнее индуктивное сопротивление
находят по формуле
Хпог
= 0,1256 In
где
D - расстояние между проводами линии, м; d -
диаметр провода круглого сечения, м.
Из
этого уравнения видно, что Хпог зависит в основном от D, поскольку d
изменяется в незначительных пределах (с увеличением расстояния между проводами
растет сопротивление). Поэтому в целях уменьшения внешнего индуктивного
сопротивления петлим фаза-нуль нулевые защитные проводники целесообразно
прокладывать совместно с фазными проводниками или в непосредственной близости
от них. Нерационально вместо такой прокладки нулевого провода использовать так
называемый внутренний заземляющий контур, проложенный вдалеке от фазных проводов
по стенам помещения.
При
малых значениях D, т.е. когда фазный и нулевой провода расположены в
непосредственной близости друг or друга, сопротивление Хпог незначительно, и им можно
пренебречь (это возможно, если в качестве нулевого защитного проводника
используются алюминиевая оболочка кабеля; стальная труба, в которой проложены
фазные провода; четвертая жила кабеля, если провода совместно проложены в трубе
и т.п.).
Поэтому
в нашем случае для второго участка сети (четырехжильный кабель, проложенный в помещении)
можно принять Хвн(2) =0, а следовательно, и Хп(2)=0.
В
приближенных расчетах погонное внешнее индуктивное сопротивление Хпог принимают
равным 0,3 Ом/км для внутренней проводки (если нулевой проводник проложен
отдельно от фазного), для внешней проводки (воздушных линий - Хпог =0,6 Ом/км
(это соответствует расстоянию между проводами 0,7-1,0 м, которое обычно бывает
между нулевым проводом и наиболее удаленным фазным на BЛ).
Таким
образом, для первого участка рассматриваемой сети
Хп(1)=
Хвн(2)= Хпог L1 =0,6 0,250 = 0,15Ом.
Полное
индуктивное сопротивление петли фаза-нуль для рассматриваемого случая составит
Хп = 0,15 Ом.
В
результате произведенных расчетов можно определить значение тока однофазного
короткого замыкания, проходящего по петле фаза-нуль при замыкании фазы на
корпус двигателя,
346 А.
Выводы.
Условие (1.1) соблюдается, и вычисленное значение тока однофазного короткого
замыкания Itj превышает наименьшее допустимое по условиям
срабатывания защиты (к Iпл.вст =3 100 = 300 А).
Нулевой
защитный проводник выбран правильно, т.е. отключающая способность системы
зануления обеспечена.
Заключение
В дипломной работе были рассмотрены используемые на данный момент
технологии. Описан процесс производства с использованием технологии
производства бетонных строительных конструкций методом трехмерной печати.
Рассчитаны необходимые площади под здание и произведена планировка цеха.
Выбрана необходимая техника и произведен расчет программы ТО и Р комплекта.
Также была рассчитана производительность установок трехмерной печати и
выплавления церезина, время сроки выполнения типового заказа. Разработано
конструктивное исполнение установки выплавления церезина.
Для типового заказа поэтапно описан проект производства работ с
использованием единственного средства механизации - экскаватора JSB JS460L. Так
как при строительстве используется лишь экскаватор, для него разработано
устройство, позволяющее использовать машину в качестве грузоподъемного
манипулятора.
В экономической части проекта рассчитаны необходимые капиталовложения в
строительство цеха, рассчитана себестоимость 1м3 продукции, сроки окупаемости.
В разделе охрана труда описаны вредные факторы в цехе по производству
бетонных строительных конструкций методом трехмерной печати и в качестве
основного фактора выбрана защита оборудования от поражения электрическим током
при помощи зануления, произведены необходимые расчеты.
церезин трехмерный печать
бетонный
Список
использованных источников
. Техническое
описание технологии «3dgrow»
2. Константопуло
Г.С. Механическое оборудование заводов железобетонных изделий. Учебник для
техникумов. - М.: Стройиздат, 1982.
. Баженов
Ю.М., Алимов Л.А., Воронин В.В., Трескова Н.В. Проектирование предприятий по
производству строительных материалов и изделий. Учебник. - М.: Издательство
АСВ, 2005.
. Шестопалов
К.К. Подъемно-транспортные, строительные и дорожные машины и оборудование:
Учебное пособие. - М.: Мастерство, 2002.
. Домбровский
Н. Г., Экскаваторы. Общие вопросы теории, проектирования, исследования и
применения - М.: Машиностроение, 1969
. Абрамов
Н.Н. Курсовое и дипломное проектирование по дорожно-строительным машинам.
Учебное пособие для студентов дорожно-строительных вузов. М.: Высш. школа, 1972
. Шевченко
Е.П. Чтение машиностроительных чертежей. Справочное пособие. - СПБ:. Наука и
техника, 2003
. Гоберман
Л. А., Степанян К. В., Яркин А. А., Заленский В. С. Теория, конструкция и
расчёт строительных и дорожных машин - М.: Машиностроение, 1979
. Управление
техническим состоянием машинного комплекса. Методические указания к выполнению
курсового проекта по дисциплине «Эксплуатация подъемно-транспортных, строительных
и дорожных машин». - СПб.: ПГУПС, 2007.
. Методические
указания и задачи к практическим занятиям по курсу «Экономика предприятия» (для
студентов специальности ЭУТ и ПТМ). - СПб.: ПГУПС, 2003.
. Тихомиров
О.И., Зальцман Г.К., Пронин А.П. Инженерные решения по охране труда.
Электробезопасность: Учебное пособие для вузов ж.-д. транспорта - М.: Маршрут,
2005
. Маслов
Н.Н., Тягин Н.В., Алсуков В.А., Бадаев А.С. и др. Требования системы стандартов
безопасности труда к уровню опасных и вредных производственных факторов.
Методические указания к дипломному проектированию. - СПб.: ПГУПС, 1994.
. Интернет
ссылки:
- <http://www.teploskor.ru/index-3.html>
<http://www.brusidom.ru/techno.php>
<http://www.alldoma.ru/karkasnyie-tehnologii/karkasno-panelnyie-doma.html>
<http://www.alldoma.ru/srubyi/dom-otsilindrovannoe-brevno.html>
<http://www.alldoma.ru/press-relizyi/teplyiy-brus.html>
<http://www.e-kirpich.ru/texnpr_kirpich.html>
<http://www.ibeton.ru/intro_main.php>
<http://e-build.ru/selector/index.php?info=technology_panel>
<http://www.fininstroy.ru/ru/tehno/>
<http://www.stroyka.ru/School/detail.php?ID=117>
<http://www.know-house.ru/info_new.php?r=walls2&uid=24>
<http://www.all-sweden.info/teh_opisanie.htm>
<http://russtena.com.ua/>
<http://ru.wikipedia.org/wiki/>
Похожие работы на - Процесс производства бетонных строительных конструкций методом трехмерной печати
|