|

Рисунок 3 - Технические требования к фильтру
нижних частот.
Термин максимально допустимое затухание сигнала
в полосе прозрачности следует понимать таким образом, что на любой частоте в
границах полосы прозрачности затухание сигнала не должно превышать заданный
предел. Это означает также, что в границах полосы прозрачности коэффициент
передачи не будет опускаться ниже соответствующего значения.
Аналогично понимают термин минимально допустимое
затухание в полосе задерживания. Затухание всех сигналов с частотами в границах
полосы задерживания не должно быть менее указанного предела. Соответственно,
коэффициент передачи в полосе задерживания не должен превышать заданную
величину.
В ряде случаев указывают дополнительные требования
к виду амплитудно-частотной характеристики в полосе прозрачности. Это связано с
тем, что реализация некоторых видов фильтров приводит к различным сложным
формам АЧХ. В полосе прозрачности и в полосе задерживания могут иметь место
пульсации коэффициента передач. Тогда в технических требованиях указывают
максимально допустимый уровень пульсаций АЧХ в полосе прозрачности.
.2.3 Фильтр Чебышева
Рисунок 4 - Технические требования к фильтру
Чебышева.
В большинстве применений самым существенным
обстоятельством является то, что неравномерность характеристики в полосе
пропускания не должна превышать некоторой определенной величины, скажем 1 дБ.
Фильтр Чебышева отвечает этому требованию, при этом допускается некоторая неравномерность
характеристики во всей полосе пропускания, но при этом сильно увеличивается
острота ее излома. Для фильтра Чебышева задают число полюсов и неравномерность
в полосе пропускания. Допуская увеличение неравномерности в полосе пропускания,
получаем более острый излом. Фильтр Чебышева, как и фильтр Баттерворта имеет
фазочастотные характеристики, далекие от идеальных.
На самом деле фильтр Баттерворта с максимально
плоской характеристикой в полосе пропускания не столь привлекателен, как это
может показаться, поскольку в любом случае приходится мириться с некоторой
неравномерностью в полосе пропускания (для фильтра Баттерворта это будет
постепенное понижение характеристики при приближении к частоте среза, для
фильтра Чебышева - пульсации, распределенные по всей полосе пропускания). Кроме
того, активные фильтры, построенные из элементов, номиналы которых имеют
некоторый допуск, будут обладать характеристикой, отличающейся от расчетной, а
это значит, что в действительности на характеристике фильтра Баттерворта всегда
будет иметь место некоторая неравномерность в полосе пропускания. На рис. 5
проиллюстрировано влияние наиболее нежелательных отклонений значений емкости
конденсатора и сопротивления резистора на характеристику фильтра.
Рисунок 5. Влияние изменений параметров
элементов на характеристику активного фильтра
В свете вышеизложенного весьма рациональной
структурой является фильтр Чебышева. Иногда его называют равноволновым
фильтром, так как его характеристика в области перехода имеет большую крутизну
за счет того, что по полосе пропускания распределено несколько равновеликих
пульсаций, число которых возрастает вместе с порядком фильтра. Даже при
сравнительно малых пульсациях (порядка 0,1дБ) фильтр Чебышева обеспечивает намного
большую крутизну характеристики в переходной области, чем фильтр Баттерворта.
3. Расчётная часть
.1 Определение параметров фильтра-прототипа
Передаточная функция фильтра нижних частот
соответствует передаточной функции прототипа. Единственное преобразование,
которое необходимо выполнить, - это масштабирование частоты. Функция
фильтра-прототипа строится исходя из единичной частоты на границе полосы
прозрачности, а проектируемый фильтр может иметь меньшую или чаще большую
частоту границы полосы прозрачности.
Определяем параметры фильтра-прототипа:
,
,
,
.2 Определение порядка
фильтра-прототипа
При расчете порядка фильтра следует выбирать
целое число, большее, чем полученная по формуле величина. Исходные данные:
-граничная частота полосы
прозрачности, -максимально
допустимое затухание сигнала в полосе прозрачности или максимальный уровень
пульсаций АЧХ в полосе прозрачности, -граничная частота полосы
задерживания, -минимально
допустимое затухание в полосе задерживания.
Порядок фильтра Чебышева
определяется по формуле:
(3)
Подставляем численные значения, n=3,
следовательно, возможно
применение 2-х звенного фильтра
низкой частоты со звеньями первого и второго порядка.
.3 Определение передаточной функции
фильтра-прототипа
Выбираем нужную строку из таблицы
6.1. [1]
.4 Определение передаточной функции
проектируемого фильтра
Необходимо выполнить масштабирование
по частоте. Передаточная функция фильтра-прототипа определена для единичной
частоты среза на уровне затухания 3 дБ.
Передаточная функция проектируемого
фильтра имеет вид:
где:
Выполняя масштабирование по частоте
получаем:
;
3.5 Определение вида звеньев и исходных данных
для расчета элементов схем
Из таблицы 6.8 [1] выбираем добротность для 2-го
звена. Данные для расчета элементов схем сведены в таблицу 1.
Таблица 1. Параметры проектируемых звеньев.
|
Номер
звена
|
Частота
полюса
|
Добротность
полюса
|
|
1
|
613,249Гц
|
─
|
|
2
|
1878,6532Гц
|
3,07
|
Для обеспечения максимального динамического
диапазона фильтра оптимальной будет последовательность звеньев, при которой
добротность полюсов возрастает от входа к выходу.
.6 Выбор схемной реализации звеньев
Первое звено является цепью первого порядка. Его
схемная реализация представлена на рисунке 6.
Рисунок 6 - Схема звена 1.
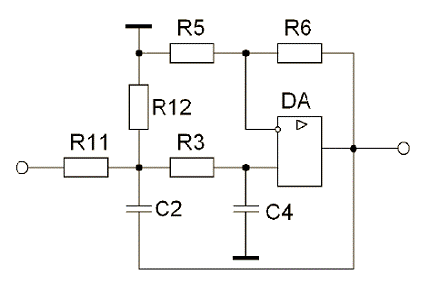
Второе звено является цепью нижних
частот 2-го порядка с добротностью полюсов . Его схемная реализация
представлена на рисунке 7.
Рисунок 7 - Схема звена 2.
.7 Расчёт номиналов элементов схем
Расчёт первого звена:
Передаточная функция первого звена имеет вид:
;
Задаёмся fCP=613,249
(Гц), R1=2000 (Ом);
;
Расчёт второго звена:
Передаточная функция второго звена
имеет вид:
;
Задаёмся fP=1878,6532
(Гц), qP=3,07, C2=33 (нФ), С4=10 (нФ), К=1,=1000 (Ом);
;
;
Так как , то:
Настройка:
настройка частоты полюса
производится изменением сопротивления резистора R3, для чего удобно разбить
номинал резистора R3 на две части, одна представляется постоянным резистором,
другая подстроечным;
настройка добротности звена
производится изменением сопротивления резистора R6, для чего удобно разбить
номинал резистора R6 на две части, одна представляется постоянным резистором,
другая подстроечным.
Результаты расчёта номиналов
элементов представлены в таблице 2.
Таблица 2 - Результаты расчёта
номиналов элементов
|
Звено
|
1
|
2
|
|
С1,
мкФ
|
0,13
|
─
|
|
С2,
нФ
|
─
|
33
|
|
С4,
нФ
|
─
|
10
|
|
R1,
Ом
|
2000
|
─
|
|
R2,
Ом
|
2000
|
─
|
|
R3,
Ом
|
─
|
6065,197
|
|
R5,
Ом
|
─
|
1000
|
|
R6,
Ом
|
─
|
581,984
|
|
R11,
Ом
|
─
|
5678,463
|
|
R12,
Ом
|
─
|
9757,072
|
При реализации фильтра номиналы всех элементов
во всех звеньях необходимо выбирать из номинального ряда, что может ухудшить
характеристики фильтра.
По результатам расчёта номиналов элементов
построены АЧХ и ФЧХ, которые приведены в приложениях А и Б соответственно.
4. Заключение
фильтр радиотехнический передаточный
аналоговый
В настоящем курсовом проекте проведен расчёт
активного аналогового фильтра. На основе технических требований и данных
источника [1] были вычислены характеристики и определена передаточная функция
ФНЧ-прототипа, которые были преобразованы к передаточной функции исходного
фильтра.
Полученная передаточная функцию была разбита на
отдельные сомножители, реализуемые простым звеньям, для которых выбрана
схемотехническая реализация и рассчитаны параметры элементов отдельных звеньев.
Построена АЧХ реализованного фильтра, вид которой
удовлетворяет заданным техническим требованиям.
Список литературы
1.
Донцов В.М. Проектирование активных фильтров. Методическое пособие. - 2005 - 66
стр.
.
Хоровиц П., Хилл У. Искусство схемотехники: В 3-х томах. Пер. с англ.- 4-е изд.
перераб. и доп.- М..:Мир,1993.
Похожие работы на - Основы проектирования активных аналоговых фильтров
|