|
Обрабатываемая
поверхность
|
Квалитет
|
Допускаемые
отклонения
|
Качество
Ra, мкм
|
Точность
формы и расположения
|
|
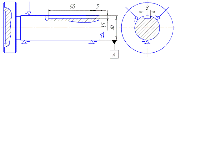
А
- ось цилиндрической поверхности
|
f9
|
-0,020 -0,072
|
База
А
|
|
Б
- торец
|
H14
|
|
1,6
|
Торцевое
биение поверхности относительно базы А с допуском 0,02мм
|
|
Д
- паз
|
H9
|
+0,039
|
1,6
|
|
|
Е
- резьбовое отверстие
|
f7
|
-0,016
-0,034
|
0,8
|
Радиальное
биение поверхности Относительно базы А с допуском 0,02мм
|
2.1.2 Обоснование схемы базирования детали
В любой технологической операции требуется
полная ориентация детали, то есть число опор и их расположение должно быть
таким, чтобы не возникало сдвигов или вращения заготовки относительно трех
координатных осей. В этом случае заготовка лишается всех степеней свободы и
положение ее баз в пространстве является определенным. Число опор, на которые
устанавливают деталь, должно быть равно шести или максимально возможным для
базирования обрабатываемой детали; их взаимное расположение должно обеспечить
устойчивую установку детали в приспособлении.
В соответствии с рисунком 3, деталь лишается
пяти степеней свободы, следовательно базирование детали является неполным.
Деталь “Плунжер”, обрабатывается на вертикально
- фрезерном станке.
Ось шпинделя и инструмента имеют вертикальное
расположение.
Поверхность А - обрабатываемая поверхность.
Поверхность З - опорная, явная база.
В качестве базирующих поверхностей принимают
поверхность А - установочная база.
По выбранной схеме базирования поверхность А и З
- опорная установочная база, деталь лишена 5 степеней свободы, тоесть
базирование является неполным.
Рисунок 3 - Теоретическая схема базирования
детали
.1.3 Выбор и обоснование технологического
оборудования и технологической оснастки
Для выполнения данной технологической операции
выбираем вертикально-фрезерный станок модели 6H10.
Станок предназначен для фрезерования деталей из
стали, чугуна и цветных металлов торцовыми, пальцевыми и другими фрезами.
Повышенная мощность и широкий диапазон скоростей и подач позволяют полностью
использовать преимущества быстрорежущего и твердосплавного инструмента.
Основные данные станка модели 6H10.
Основные размеры:
Размеры рабочей поверхности стола (ширина x
длину), мм 200 x 800
Расстояние от торца шпинделя до поверхности
стола, мм 50 - 350
Расстояние от задней кромки до вертикальных
направляющих, мм 80-240
Число Т-образных пазов 3
Ширина Т-образного паза, мм 14
Конус отверстия шпинделя (ГОСТ 836-62)
№2
Наибольшее перемещение стола, мм
продольное 00
поперечное 160
вертикальное 300
Число ступеней оборотов шпинделя 12
Число оборотов шпинделя в минуту 50-2240
Число ступеней подач стола 12
Подача стола, мм/мин:
продольное 25-1120
поперечное 18-800
вертикальное 9-400
Скорость быстрого перемещения стола, мм/мин:
продольного 2,3
поперечного 1,6
вертикального 0,8
Выбор данного станка обоснован тем, что он
позволяет обрабатывать детали данного типа, стол станка позволяет установить
данную деталь, а также позволяет обработать заданный шпоночный паз и обеспечить
требуемую точность исполнения.
Чтобы обработать шпоночный паз 8x3.5x60
на вертикально-фрезерном станке, выбираем режущий инструмент;
Фреза 2234-0363 Т15К6 ГОСТ 9140-78 (
8,d1=8 мм).
Инструмент выбираем по размерам
обработки.
2.2 Расчет погрешности базирования
приспособления
Чтобы приспособление обеспечило точность
обработки размера необходимо выдержать следующее неравенство:
, (1)
где Тдет - допуск на размер детали,
получаемый в данной операции;
Тпр - допуск на неточность
изготовление установочных элементов приспособления, влияющий на точность
обработки, мм;
Еобр - сумма погрешностей зависящая
от принятого метода обработки;
Еу - погрешность установки, мм;
Погрешность установки определяется по формуле:
, (2)
где Еб - погрешность базирования Еб
= 1,28 мм;[ c,]
Ез - погрешность закрепления,
принимаем Ез = 0,01 мм; [Методич. указания]
Выполняем проверку размера 8+0,21 в
соответствии с рисунком 4
Eу
= 1,28 + 0,01 = 1,29 мм
Тпр = (0,1…0,5) ∙ Тдет
, (3)
где обозначения прежние
Тпр = 0,5 ∙ Тдет =
0,5 ∙ 0,21 = 0,105 мм;
По формуле (1) определяем погрешность базирования:
;
,21 < 1,4
Равенство выполняется,
следовательно, такая схема базирования возможна для данной обработки.
2.3 Определение режимов резания по эмпирическим
формулам
Определение режимов резания
Глубина резания: t=h=3,5мм
[4,с 282]
Подача на зуб: Sz=0,12
мм/зуб [4,с 282]
Скорость резания V,
м/мин, определяется по формуле
, (1)
где C
, q, m, x, y, u, p -
коэффициент и показатели степени, Cv=234, q=0,44, m=0,37, x=0,24, y=0,26, u=0,1, p=0,13.
[4,с286]
D - диаметр
фрезы, D= 8 мм;
Т-стойкость, Т=80 мин; [4,с 290]
t - глубина резания,
t=3,5 мм;
S - подача на зуб, S=0,12
мм/зуб;
В - ширина фрезерования, В=8 мм;
z - число зубьев
фрезы, z=2;
Кv
-
поправочный коэффициент на скорость резания
Кv=Км
Кп Ки , (2)
где Км - коэффициент, учитывающий
качество обрабатываемого материала
Кп - коэффициент, учитывающий
состояние поверхности заготовки, Кп=1 [4,с 263]
Ки - коэффициент, учитывающий
материал инструмента, Ки=1,15; [4,с 263]
Км - коэффициент, учитывающий
качество обрабатываемого материала определяется по формуле

[ ,с261]
где Кr
- коэффициент
для расчёта коэффициента обрабатываемой стали;
Кr=0,95
[4,с262]

- фактический параметр,
характеризующий обрабатываемый материал,
= 980 МПа
п - показатель степени, n=1; [2, с
262]
По формуле (2)
Кv
=
1∙1,15∙0,727 = 0,83
По формуле (1)
Частота вращения шпинделя п, мин-1,
определяется по формуле
п=
, (3)
где обозначения прежние
Корректируем частоту вращения шпинделя по
паспортным данным станка пд= 2250 об/мин [3,с422]
Действительная скорость Vд,
м/мин, определяется по формуле
Vд=
, (4)
где обозначения прежние
Минутная подача Sм,
мм/мин, определяется по формуле
Sм=
, (5)
где обозначения прежние
Корректируем минутную подачу по паспортным
данным станка
Sмд=540
м/мин [3,с422]
Тогда используя формулу (5), действительная
подача на зуб Sz,
мм/зуб, определяется
Сила резания Рz,
Н, определяется по формуле
Кмр=
, (8)
nv -
показатель степени, п = 0,3
Крутящий момент Мкр ,
,
определяется по формуле
Мкр=
, (9)
где обозначения прежние
Мощность резания Nрез
,кВт, определяется по формуле
Nрез =
, (10)
где Рz
- сила резания, Н
Vд
- действительная скорость резания, м/мин
Мощность шпинделя станка Nшп,
кВт, определяется по формуле
Nшп=
, (11)
где Nдв-
мощность электродвигателя, кВт [ ,с422]; Nдв=7,5
кВт
-КПД,
=0,8; [3, с422]
Nшп =
= 6 кВт
>1,76
Так как условие Nшп
Nрез
выполняется, значит, обработка возможна.
Рисунок 5 - Схема усилий зажима детали в
приспособлении
В соответствии с рисунком 5, составляем
уравнение усилие зажима:
При зажиме заготовки в опоры возникают реакции.
Составим уравнение равновесия:
∑Fz
= 0,
Pз+2R
= 0,
Pз =
2R,
Pз
= 2N ∙cos
450,

, (1)
где N
- сила зажима
При обработке на заготовку действует сила
резания Pv.
∑M0
= 0
Pv a - Fтр1
∙ b - 2 Fтр2
∙ r = 0, (2)
где Pv
-
составляющая силы резания при фрезеровании паза, Н;
Fтр1 и
Fтр2
- силы трения, возникающие в месте контакта заготовки с элементами
приспособления при повороте заготовки, H;
а - расстояние от центра поворота до действия
силы Pv,,
является половиной диаметра цилиндра, на котором обрабатывается паз, мм;
b - расстояние от
центра поворота до действия силы трения, является половиной диаметра цилиндров,
по которым выполнена установка и закрепление заготовки, мм;
r - расстояние от
центра поворота до призмы, мм

,

, (3)
где 
и 
- коэффициенты трения.
остальные обозначения прежние 
Величина K
определяется по формуле
К = К0 · К1 · К2 ·
К4 , (4)
где К0 - коэффициент гарантированного
запаса, К0 = 1,5
К1- коэффициент, учитывающий
увеличение сил резания из-за случайных неровностей; К1= 1;
К2 - коэффициент, характеризующийся
увеличением сил резания вследствие затупления режущего инструмента, К2
= 1,6
К4 - коэффициент, учитывающий
постоянство силы закрепления в зажимном механизме, К4 = 1,3,
К = 1,5 · 1 · 1,6 ∙ 1,3 = 3,12
Подставляем в формулу (3):

2.5 Проектирование привода приспособления
В соответствии с рисунком 5 производим расчет
привода
Рисунок 6 - Эскиз привода приспособления
Рассчитываем диаметр гидроцилиндра D,
мм, исходя из формулы:
где Dц
- диаметр гидроцилиндра, мм;
ρ - давление
в гидросети, ρ = 5 МПа;
η - КПД, η
= 0,9;
Qпр
- усилия пружины; Qпр
= 98,100 Н - для пружины № 342 ГОСТ 13766-68
Q - усилие на штоке,
H. Ведичина Q
определяется по формуле (2) в соответствии с рисунком (6)
Из формулы (1) найдем Dц

=
59,89 мм
Принимаем стандартное значение
диаметра цилиндра 
.
Принимаем диаметр штока d=18
мм. [3, с.426]
.6 Расчет элементов приспособления на прочность
Расчет на прочность при изгибе прихвата
Рассмотрим прихват в сечении 1 - 1,
Wx
- осевой момент сопротивления прямоугольника.

, (2)
где h
- сторона прямоугольника, перпендикулярная оси, h
= 19 мм.
b - ширина в
сечении, b = 25 мм.

мм3
Прихват выполнен из Стали 20.
Условие прочности выполнено.
Проверяем винт на разрыв и
растяжение.
Напряжение в болте должно
удовлетворять условие:
,4 ∙ 780 = 312
,49 < 312
Условие выполнено.
.7 Технологические требования к
приспособлению
Отклонение от параметров оси
контрольного валика, установленного на призму относительно поверхности Б ( или
А или Б и А), не более…мм на длине…мм.
.8 Описание конструкции и работы
приспособления
Приспособление - специальное
фрезерное, предназначено для фрезерования паза в размер 8x3,5x60 мм в
детали «Плунжер» СС206.40.40.047
Деталь устанавливается в призмы
(поз.16), которые крепятся к корпусу (поз.16) штифтами (поз.24 )и винтами
(поз.8). Слева деталь упирается в палец (поз.4), а справа зажимается прихватом
(поз.5).
.9 Определение экономической
эффективности разработанного приспособления
Произведем расчеты для подтверждения
экономической целесообразности выбранного варианта конструкции специального
приспособления, будет ли оно экономически эффективным.
Для этого необходимо выполнение
неравенства:
, (43)
где Тшт - штучное время при обработке
детали без приспособления или в универсальном приспособлении, мин
- штучное время на операции после
внедрения приспособления (спе-циального), мин
ам - себестоимость одной
станко-минуты, ам=16 р/мин [15]
q - годовая
программа, q=20000 шт.
[9, с.24]
Ссп - стоимость
специального приспособления, Ссп=25000 р. [15]
Определяем штучное время по формуле:
, (44)
где
- основное время, мин
- вспомогательное время, мин
- время на обслуживание рабочего
места, мин
- время на отдых и личные
надобности, мин
, (45)
где L
- расчетная длина, мм
Sм
- минутная подача, Sм=540
мм/мин (см. пункт 2.3)
Определяем расчетную длину по формуле:
L=l+y+Δ, (46)
где l
- длинна фрезерования, l=60
мм (принимаем по чертежу детали)
y - врезание, мм
Δ - перебег, Δ=3
мм [17, с.204]
Определяем величину врезания по формуле:
y=
, (47)
где D
- диаметр фрезы, D=8 мм (см.
пункт 2.3)
y=
=4 мм
По формуле (46) определяем:
L=60+4+3=67
мм
По формуле (45) определяем:
=
=0,124 мин
Определяем вспомогательное время по
формуле:
, (48)
где
- время на установку и снятие
детали, вручную,
=0,09 мин
[17,с.54]
- время на переход,
=0,14 мин
[17, с.108]
- время связанное с переходом на
приемы, не вошедшие в комплекс,
=0,10 мин [17, с.109]
- время на контрольные измерения,
=0,10 мин
[17, с.191]
Кпер - коэффициент
периодичности контроля, Кпер=0,3 [17, с.200]
Кв- поправочный
коэффициент на вспомогательное время в зависимости от характера серийности
работ
Определим оперативное время по
формуле:
=
=0,09+0,14+0,10+0,10·0,3=0,36 мин
(49)
Определяем число смен по формуле:
ч.с.=
, (50)
где n
- размер партии, шт.
остальные обозначения прежние.
n=
,
(51)
где q
- годовая программа, q=20000
шт. [9, с.24]
а - коэффициент закрепления операции, согласно
ГОСТ 31108-74, для среднесерийного производства 11 ÷
20, [15] принимаем а=15;
F - число рабочих
дней, F=248 дней
n=
=1210 шт.
По формуле (50) определяем:
ч.с.=
=1,22
По формуле (48) определяем, где Кв=1,0
[16, с.31]:
=0,36 мин
Определяем время на обслуживание
рабочего места по формуле:
=
, (52)
где а1 - процент от оперативного
времени затрачиваемого на обслуживание рабочего места, а1=3% [17,
с.110]
=
=0,01 мин
Определяем время на отдых и личные
надобности по формуле:
=
, (53)
где а2 - процент от оперативного
времени затрачиваемого на отдых и личные надобности, а2=6% [17,
с.203]
=
=0,02 мин
По формуле (44) определяем:
=0,514 мин
Рассчитаем вспомогательное время с
учетом времени на установку и снятие детали, с помощью пневматического зажим.
По формуле (49), где
=0,04 мин
[17, с.58]; остальные обозначения прежние, определяем:
=0,04+0,14+0,10+0,10·0,3=0,31 мин
По формуле (50), где обозначения
прежние, определяем:
ч.с.=
=1,09
По формуле (48) определяем, где Кв=1,0
[16, с.31]:, остальные обозначения прежние:
По формуле (52), где обозначения
прежние, определяем:
=
=0,009 мин
По формуле (53), где обозначения
прежние, определяем:
=
=0,018 мин
По формуле (44) определяем:
=0,461 мин
По формуле (43) определяем:
р. >15000 р.
Условие неравенства соблюдается.
Следовательно, применение спроектированного специального приспособления
экономически целесообразно.
приспособление фрезерование резание
привод
Перечень использованной литературы
1. Андреев Г.Н., Новиков В.Ю.
Проектирование технологической оснастки машиностроительного производства:
Учебное пособие для специальных ву-зов. - М.: Высшая школа, 1999 - 415 с.
. Анурьев В.И. Справочник
конструктора-машиностроителя. - М.: Машиностроение, 1963. - 687 с.
. Баклунов Е.Д. Справочник
металлиста, Т.3 - М.: Машиностроение,
. - 748 с.
. Батурин А.Т. Детали машин. - М:
Машиностроение, 1970 - 467 с.
. Белоусов А.П. Проектирование
станочных приспособлений. - М.: Высшая школа, 1980. - 240 с.
. Болотин Х.Л. Станочные
приспособления. - М.: Машиностроение, 1973.- 344 с.
. Вардашкин Б.Н. Станочные
приспособления. Т.1 - М.: Машиностроение, 1984. - 591 с.
. Горошкин А.К. Приспособления для
металлорежущих станков.- М.: Машиностроение, 1979 - 303 с.
. Добрыднев И.С. Курсовое
проектирование по предмету «Технология машиностроения». - М.: Машиностроение,
1985. - 183 с.
. Ицкович Г.М. Сопротивление
материалов. - М: Высшая школа, 1987.- 352 с.
. Косилова А.Г., Мещеряков Р.К.
Справочник технолога-машиностроителя, Т1. - М.: Машиностроение, 1986. - 496 с.
. Косилова А.Г., Мещеряков Р.К.
Справочник технолога-машиностроителя, Т2. - М.: Машиностроение, 1986. - 496 с.
. Малов А.Н. Справочник металлиста.
Т.3 - М.: Машиностроение, 1977 - 752 с.
. Монахов Г.А. Обработка металлов
резанием. - М.: Машиностроение, 1974. - 598 с.
. Методические указания по
выполнению курсового проекта.
. Нефедов Н.А. Сборник задач и
примеров по резанию металлов и режущему инструменту. - М.: Машиностроение,
1984. - 399 с.
. Общемашиностроительные нормативы.
- М: Машиностроение, 1974.- 423 с.
. Сорокин В.Т. Марочник стали и
сплавов. - М.: Машиностроение, 1989. - 640 с.
. Черпаков Б.И. Технологическая
оснастка. - М.: Машиностроение, 2003. - 288 с.
. Эрдеди А.А. Теоретическая
механика. Сопротивление материалов. - М.: Высшая школа, 2002. - 318 с.