Назначение, структура и принцип действия SD/MMC Bootloader

  • Вид работы:
    Отчет по практике
  • Предмет:
    Информационное обеспечение, программирование
  • Язык:
    Русский
    ,
    Формат файла:
    MS Word
    315,75 Кб
  • Опубликовано:
    2014-11-21
Вы можете узнать стоимость помощи в написании студенческой работы.
Помощь в написании работы, которую точно примут!

Назначение, структура и принцип действия SD/MMC Bootloader

Министерство образования республики Беларусь

Белорусский государственный университет

информатики и радиоэлектроники

Кафедра ЭВМ








ОТЧЕТ

по производственной практике













Минск 2005

Содержание

Направления деятельности НИИЭВМ

. Индивидуальное задание

2. ПЭВМ ВМ2401

.1 Описание и работа ПЭВМ ВМ2401

.1.1 Назначение

.1.2 Технические характеристики

2.1.3 Устройство и работа

2.1.3.1 Состав

2.1.3.2 Конструкция и устройство системного модуля

2.1.3.3 Система вторичного электропитания

.1.4 Маркировка и пломбирование

.1.5 Упаковка и консервация

.2 Указания мер безопасности

.3 Использование по назначению

.3.1 Эксплуатационные ограничения

.3.2 Подготовка к использованию

.3.2.1 Ввод в эксплуатацию

.3.2.2 Распаковывание

2.3.2.3 Установка

2.3.2.4 Пуск (включение)

.3.2.5 Отключение

.3.3. Использование изделия

.3.3.1 Подготовка к работе

.3.3.2 Порядок работы

.3.3.3 Порядок контроля работоспособности

.3.3.4 Возможные неисправности и способы их устранения

2.3.3.5 Расширение функциональных возможностей

2.4 Техническое обслуживание

.5 Хранение

.6 Транспортирование

3. SD/MMC Bootloader

3.1 Архитектура SD/MMC Bootloader

3.2 Функционирование SD/MMC Bootloader

3.3 Компановка

3.4 Порты ввода-вывода

Заключение

вычислительный модуль электропитание bootloader

Направления деятельности НИИЭВМ

Научно-исследовательский институт электронных вычислительных машин (НИИЭВМ) является предприятием, входящим в состав Государственного военно-промышленного комитета (Госкомвоенпрома), головной организацией в Республике Беларусь по созданию технических и программных средств вычислительной техники и головной организацией в системе Госкомвоенпрома РБ и Министерства промышленности РБ по подключению к сети Internet. Он ведет разработки в области ЭВМ более 40 лет. В настоящее время НИИЭВМ разрабатывает и производит ЭВМ практически любых архитектур (Intel-IBM, AS/400, RS 6000, S/390, суперкомпьютеры) в любом требуемом исполнении для любых областей и условий применения, а также предлагает разнообразные другие разработки и услуги.

В октябре 1958 г. Вышло постановление о создании СКБ по разработке средств вычислительной техники и систем математического обеспечения при Минском заводе им. Г.К.Орджоникидзе, которое впоследствии было преобразовано в НИИЭВМ. Первой самостоятельной разработкой СКБ была ламповая ЭВМ "Минск-1" производительностью 1500 оп/сек., созданная за 18 месяцев и запущенная в производство в 1960 г.

Следующим важнейшим этапом было создание ЭВМ второго поколения (1960-1970 гг.) на полупроводниковых элементах: "Минск-2", "Минск-22", "Минск-23", "Минск-32", основными достоинствами которых были надёжность, доступность для пользователя, относительная простота освоения и - главное - крупносерийное производство; минские ЭВМ стали основой компьютеризации страны, так как составили порядка 70% всего компьютерного парка.

Очередным шагом в развитии коллектива стали разработка и внедрение в серийное производство ряда ЭВМ третьего поколения ЕС ЭВМ (начиная с 1968 г.) производительностью 20 млн. оп/сек.: ЕС 1020, ЕС 1022, ЕС 1035, ЕС 1036, ЕС 1130 и ряда возимых ЭВМ.

На минских ЭВМ решались многие задачи государственного уровня, например, оснащение АСУ промышленных предприятий и Министерства обороны, проведение всех переписей населения СССР, начиная с 1969 г.

Разработано и внедрено более 20 моделей универсальных ЭВМ, более 15 ПЭВМ, свыше 30 моделей периферийных устройств, множество разнообразных вычислительных систем.

Достижения НИИЭВМ были высоко оценены: сотрудники института награждены Ленинской премией - один человек, одиннадцать - государственными премиями, четыре - премиями Ленинского комсомола, восемь - премиями Министерства промышленности РБ, получены 32 диплома и 257 медалей ВДНХ, 12 дипломов и медалей международных выставок.

По мере становления и развития института формировались его жизненная философия и стиль разработок:

доведение разработок до серийного производства и далее до пользователя;

создание высококвалифицированной школы разработчиков;

последовательное проведение системного подхода в разработках, в первую очередь - в интересах пользователя.

К особенностям стиля УП "НИИЭВМ" следует отнести тщательную проработку всех технических решений, особое внимание к обеспечению надежности машин и безопасности информации, использование новейших достижений конструирования и технологии ЭВМ (современная элементная база, современный монтаж и т.д.).

Главными направлениями деятельности института в настоящее время являются:

суперкомпьютеры;

персональные ЭВМ, в том числе ПЭВМ для жестких условий эксплуатации, защищенные, носимые;

универсальные ЭВМ общего и специального назначения, включая возимые, с архитектурой IBM S/390;

терминальные ЭВМ как коммерческого, так и специального применения;

локальные вычислительные сети различных типов, программно-технические средства и системы телеобработки данных;

программное обеспечение ЭВМ;

проблемно-ориентированные системы на основе техники ЭВМ;

специальное оборудование (кассовые терминалы, оптические читающие устройства);

устройства пассажирской автоматики для метрополитена с использованием жетонов и бесконтактных карточек;

гибридные интегральные схемы и многокристальные электронные модули;

системы электропитания, в том числе бесперебойного;

системы и средства обеспечения безопасности информации;

Internet - технологии;

проведение испытаний (климатических, механических, компью-терной безопасности и т.д.) оборудования.

Все системы уже внедрены или находятся на стадии внедрения:

автоматизированный комплекс пограничного контроля;  

автоматизированная система контроля оплаты проезда в метрополитене;

многоуровневая система защиты объектов;

типовой автоматизированный комплекс для предприятий торговли;

модернизация автоматизированной системы комплексных расчетов по услугам связи в Гродненской области;

автоматизированный комплекс приема оплаты за услуги связи;

аппаратно-программный комплекс обработки переписных документов.

В начале XXI века - века информационных технологий - УП "НИИЭВМ" концентрирует внимание на следующих вопросах:

высокопроизводительные системы обработки информации, сети, телекоммуникации;

современные технические и программные средства построения систем обработки данных;

безопасность информации;

информационные технологии (например, технологии Internet).

В течение 45 лет своего существования институт был и остается в настоящее время творческим центром компьютеризации Республики Беларусь.

1. Индивидуальное задание

. Ознакомиться со структурой предприятия. 2. Ознакомится с машиной вычислительной электронной персональной ВМ2401 ЮИТС.466226.001:    - ознакомится с назначением, использованием, устройством и работой ПЭВМ ВМ2401;      - определить технические характеристики ПЭВМ ВМ2401; - ознакомиться с мерами безопасности при использовании ПЭВМ ВМ2401;     - ознакомиться с техническим обслуживанием, хранением и транспортированием ПЭВМ ВМ2401.

. Ознакомиться с назначением, структурой и принципом действия SD/MMC Bootloader.

2. ПЭВМ ВМ2401

2.1 Описание и работа ПЭВМ ВМ2401

.1.1 Назначение

Машина вычислительная электронная персональная ВМ2401 ЮИТС.466226.001 является высокопроизводительной микрокомпьютерной системой специального назначения, работающей в стационарных условиях и на ходу при установке ее в подвижных объектах на колесных шасси в закрытых кузовах. ПЭВМ предназначена для выполнения управляющих и вычислительных функций в системах обработки данных, в информационных и других системах как автономно, так и в составе локальных и глобальных вычислительных сетей.

.1.2 Технические характеристики

ПЭВМ обеспечивает возможность выполнения прикладных программ, функционирующих в среде операционной системы (ОС) Microsoft Windows NT версии 4.0. В ПЭВМ в качестве базового микропроцессора используется для исполнений: микропроцессор Intel Pentium II MMX с тактовой частотой не менее 333 МГц (ВМ2401); микропроцессор Intel Pentium ММХ с тактовой частотой не менее 200 МГц (ВМ2401.01).Емкость оперативной памяти составляет для исполнений: не менее 256 Мбайт (ВМ2401); не менее 128 Мбайт (ВМ2401.01). Емкость КЭШ-памяти составляет для исполнений: не менее 512 Кбайт (ВМ2401); не менее 256 Кбайт (ВМ2401.01). В ПЭВМ обеспечена возможность отображения алфавитно-цифровой и графической информации на видеомониторе с разрешающей способностью 1024 х 768 точек. Емкость видеопамяти видеоадаптера SVGA - 8 Мбайт. В исполнении ВМ2401.01 обеспечена возможность подключения двух видеомониторов, каждый из которых работает со своим окном. В каждом исполнении ПЭВМ установлены два накопителя на магнитных дисках (НМД) емкостью не менее 2,01 Гбайт каждый (в исполнении ВМ2401 НМД подключены по интерфейсу SCSI, в исполнении ВМ2401.01 - по интерфейсу ЕIDE), накопитель на гибком магнитном диске (НГМД) формата 3,5" емкостью 1,44 Мбайт и накопитель на компакт-диске. В ПЭВМ обеспечена возможность подключения к локальной сети Ethernet со скоростью передачи данных до 100 Мбит/с. В исполнении ВМ2401 установлены два адаптера локальной сети. В ПЭВМ обеспечена возможность работы cо следующими интерфейсами:

1 параллельным восьмиразрядным (стандартный/ЕСР/ЕРР порт);

2 последовательным асинхронным (два порта RS-232-C);

3 интерфейсом PS/2.

Базовая система управления вводом-выводом (БСУВВ), емкостью 256 Кбайт (одно запоминающее устройство Flash ROM), обеспечивает: выдачу сообщений на английском языке, установку и изменение настроек, автоматическое тестирование технических средств (ТС) ПЭВМ при включении электропитания, защиту ПЭВМ от несанкционированного доступа. Электропитание ПЭВМ осуществляется от бортовой сети постоянного тока напряжением 27 В. При аварийном отключении бортовой сети электропитание осуществляется от встроенной аккумуляторной батареи в течение 2 мин. В системе электропитания предусмотрена защита от коротких замыканий. Мощность, потребляемая ПЭВМ, - не более 190 Вт. Показатели надежности ПЭВМ:

4 средняя наработка на отказ - не менее 20 000 ч;

5 среднее время безотказной работы при двухсменной работе - не менее 5 лет;

6 средний срок службы до списания (полный) - не менее 15 лет.

Масса системного модуля ПЭВМ - не более 26 кг. Габаритные размеры системного модуля ПЭВМ - не более 297 х 465 х 439 мм. Максимальная площадь, занимаемая ПЭВМ на рабочем столе, - не более 1 м2. Величина смещения верхней точки системного модуля при амортизации: бокового - не более ± 20 мм; вертикального - не более ± 6 мм.

Открытая магистрально-модульная архитектура ПЭВМ и унифицированные интерфейсы позволяют, при необходимости, легко увеличивать ее вычислительную мощность и функциональные возможности путем подключения дополнительных модулей и устройств.

.1.3 Устройство и работа

.1.3.1 Состав

Внешний вид ПЭВМ приведен на рисунке 1. ПЭВМ включает в себя следующие составные части: системный модуль, видеомонитор/два видеомонитора, клавиатуру, манипулятор графической информации (МГИ), комплект монтажных частей (КМЧ), комплект инструмента и принадлежностей (КИП), комплект запасных частей, инструмента и принадлежностей на одно изделие (ЗИП-О).

.1.3.2 Конструкция и устройство системного модуля

Конструкция системного модуля приведена на рисунке 2. Системный модуль выполнен в металлическом корпусе. На днище корпуса закреплены распределительная коробка (помехоподавляющий сетевой фильтр), система вторичного электропитания и аккумуляторная батарея.

Над этими элементами на амортизаторах крепится шасси с платами и громкоговорителем, воспроизводящим звуковые сигналы. В шасси в горизонтальном положении установлена пассивная объединительная панель с соединителями для подключения электронных модулей. В соединители пассивной объединительной панели в вертикальном положении установлены плата процессора и платы адаптеров. В свободные соединители пассивной объединительной панели могут устанавливаться платы дополнительных электронных модулей. В ПЭВМ ВМ2401 в соединители пассивной объединительной панели установлены плата процессора (шинные интерфейсы PСI и ISA), адаптер видеомонитора (шинный интерфейс PСI, маркировка внешнего соединителя VIDEO1), два адаптера локальной вычислительной сети (шинный интерфейс PСI, маркировка внешних соединителей LAN1 и LAN2) и адаптер НМД (интерфейс SCSI).

Рис.1. Внешний вид ПЭВМ ВМ2401

На плате процессора ПЭВМ ВМ2401 размещены: микропроцессор в сборе с вентилятором; адаптер параллельного восьмиразрядного интерфейса (стандартный/ЕСР/ЕРР порт, маркировка внешнего соединителя LPT); адаптер последовательного асинхронного интерфейса (два порта RS-232-C, маркировка внешних соединителей СОМ1 и СОМ2); адаптер клавиатуры (интерфейс РS/2, маркировка внешнего соединителя KBD); адаптер МГИ (интерфейс РS/2, маркировка внешнего соединителя MOUSE); адаптер НГМД; адаптер НМД (интерфейс ЕIDE) для подключения накопителя на компакт-диске; три 168- контактных соединителя для установки DIMM-модулей памяти.

Рис.2. Конструкция системного модуля

В ПЭВМ ВМ2401.01 в соединители пассивной объединительной панели установлены плата процессора (шинные интерфейсы PSI и ISA), адаптер (два адаптера) видеомонитора (шинный интерфейс PSI, маркировка внешних соединителей VIDEO1 и VIDEO2) и адаптер локальной вычислительной сети (шинный интерфейс PSI, маркировка внешнего соединителя LAN1).

На плате процессора размещены: микропроцессор в сборе с вентилятором; адаптер параллельного восьмиразрядного интерфейса (стандартный/ЕСР/ЕРР порт, маркировка внешнего соединителя LPT); адаптер последовательного асинхронного интерфейса (два порта RS-232-C, маркировка внешних соединителей СОМ1 и СОМ2); адаптер клавиатуры (интерфейс РS/2, маркировка внешнего соединителя KBD); адаптер МГИ (интерфейс РS/2, маркировка внешнего соединителя MOUSE); адаптер НГМД; адаптер НМД (интерфейс ЕIDE) для подключения двух НМД и накопителя на компакт-диске; четыре 72- контактных соединителя для установки SIMM-модулей памяти.

На поворотных осях к каркасу крепится крышка корпуса. На крышке установлены: две панели для крепления внешних соединителей; свободная панель для установки и крепления внешних соединителей для дополнительных устройств; вентилятор (вытяжной); кронштейны (большой и малый) с накопителями.

В большом кронштейне установлен накопитель на компакт-диске и предусмотрена возможность установки съемного НМД с устройством MOBIL RACK. В малом кронштейне установлены НГМД размером 3,5" и НМД.

На передней панели системного модуля установлены: крышка с замком, который ограничивает доступ к органам управления (кнопочный переключатель RESET, выключатели FAN и POWER) и накопителям; панель индикации, предназначенная для отображения состояния ПЭВМ (индикаторы FAN1, FAN2, АLARM, НDD и POWER); крышка с пылезащитным фильтром, за которой расположен вентилятор (нагнетающий); клемма защитного заземления.

Выключатель POWER используется для включения (отключения) электропитания. Выключатель FAN используется для включения (отключения) вентиляторов. Кнопочный переключатель RESET используется для перевода системы в исходное состояние. Индикаторы FAN1 и FAN2 сигнализируют об аварийном состоянии вентиляторов (нагнетающего и вытяжного, соответственно). Индикатор АLARM сигнализирует о пропадании напряжения бортовой сети. Индикатор НDD загорается при обращении к НМД. Индикатор POWER загорается при включении электропитания.

На левой стороне системного модуля находится крышка, закрывающая держатель с предохранителем.

.1.3.3 Система вторичного электропитания

Система вторичного электропитания предназначена для: преобразования входного питающего напряжения 27 В постоянного тока бортовой сети в питающие напряжения постоянного тока (5, 12, минус 5 и минус 12 В) с заданными уровнями качества; поддержания в рабочем состоянии (в течение не менее 2 мин.) системного модуля при пропадании входного питающего напряжения бортовой сети; заряда (подзаряда) встроенной аккумуляторной батареи (АБ) и поддержания ее в режиме готовности; отключения АБ при ее разряде; контроля тока заряда (разряда) АБ и поддержания его в заданных пределах.

Система вторичного электропитания состоит из: узла преобразования входного питающего напряжения; схемы контроля входного питающего напряжения; схемы контроля напряжения АБ; преобразователя напряжения АБ; зарядного устройства; схемы электропитания и контроля вентиляторов системного модуля.

Узел преобразования входного питающего напряжения преобразует входное питающее напряжение 27 В постоянного тока бортовой сети в питающие напряжения постоянного тока (5, 12, минус 5 и минус 12 В) с заданными уровнями качества. Схема контроля входного питающего напряжения предназначена для: контроля напряжения бортовой сети; выдачи сигнала "PG" при наличии напряжения бортовой сети; выдачи сигнала "АLARM" при пропадании напряжения бортовой сети; подключения АБ к преобразователю напряжения АБ при аварии бортовой сети.

Схема контроля напряжения АБ предназначена для контроля напряжения на клеммах АБ при работе ПЭВМ от встроенной АБ, и ее (АБ) отключения при снижении напряжения на клеммах до предельно допустимого уровня. Преобразователь напряжения АБ предназначен для преобразования напряжения АБ в напряжение бортовой сети, обеспечивая тем самым рабочее состояние ПЭВМ для корректного завершения процесса обработки информации в течение заданного времени.

Зарядное устройство предназначено для: заряда АБ; поддержания тока заряда АБ; поддержания АБ в буферном режиме работы.

Схема электропитания и контроля вентиляторов предназначена для электропитания вентиляторов, встроенных в системный модуль. Она обеспечивает включение, отключение и сигнализацию аварийного состояния вентиляторов независимо от включения и отключения системного модуля.

Если ПЭВМ включена, то при стопорении крыльчатки или обрыве цепей питания вентиляторов включается световая и звуковая индикация. При включении ПЭВМ и обрыве цепей питания вентиляторов включается только световая индикация. Во избежание отказов от перегрева при срабатывании аварийной сигнализации вентиляторов время работы ПЭВМ не должно превышать 5 мин.

.1.4 Маркировка и пломбирование

Маркировка ПЭВМ нанесена на передней панели системного модуля и содержит: товарный знак предприятия-изготовителя; шифр ПЭВМ; четырехзначный порядковый номер ПЭВМ по системе нумерации, принятой на предприятии-изготовителе; дату изготовления (год и месяц); информацию о напряжении электропитания и потребляемом токе.

Пломбирование составных частей ПЭВМ произведено на предприятии-изготовителе пломбами отдела технического контроля (ОТК). Пломбирование системного модуля произведено с правой стороны в пломбировочной чашке над винтом крепления крышки к корпусу. Пломбирование клавиатуры и МГИ произведено на основании каждого из устройств. Место пломбирования видеомонитора указано в эксплуатационной документации на него.

2.1.5 Упаковка и консервация

Упаковывание ПЭВМ осуществляется в транспортную тару типа 1 (картонные коробки) или в транспортную тару типа 2 (деревянные ящики многоразового использования). Упаковка занимает два транспортных места (для одномониторного исполнения ПЭВМ) или три транспортных места (для двухмониторного исполнения ПЭВМ):

транспортная упаковка с системным модулем, клавиатурой, МГИ, КМЧ, КИП, ЗИП-О и комплектом ЭД; транспортная упаковка с видеомонитором; транспортная упаковка со вторым видеомонитором.

Первичное упаковывание ПЭВМ и пломбирование транспортной упаковки произведено на предприятии-изготовителе. Пломба ОТК установлена на замке деревянного ящика или верхней крышке картонной коробки. Ведомость упаковки находится в первом транспортном месте: в транспортной таре типа 1 - под крышкой; в транспортной таре типа 2 - снаружи на боковой стенке в рамке под органическим стеклом. Внутрь каждой упаковки вложен упаковочный лист. Повторное упаковывание в транспортную тару типа 1 не производится. Повторное упаковывание в транспортную тару типа 2 производится при необходимости транспортирования ПЭВМ или ее длительного хранения после эксплуатации. Перед упаковыванием ПЭВМ в качестве меры предосторожности рекомендуется делать резервную копию данных с НМД и транспортировать или хранить ее (копию) отдельно от ПЭВМ. Повторное упаковывание системного модуля, клавиатуры, МГИ, КМЧ, КИП, ЗИП-О и комплекта ЭД в транспортную тару типа 2 производится в следующей последовательности: к амортизаторам системного модуля прикрепить транспортные планки; системный модуль поместить в полиэтиленовый мешок. В мешок поместить мешочек с просушенным силикагелем. Мешок обжать и заварить; клавиатуру, МГИ и по одному мешочку с просушенным силикагелем для каждого изделия поместить в полиэтиленовые пакеты. Пакеты обжать и заварить; упакованные клавиатуру и МГИ поместить в соответствующие им картонные коробки; КМЧ, КИП, ЗИП-О и комплект ЭД уложить в полиэтиленовые пакеты. Пакеты обжать и заварить; пакет с системным модулем установить на дно ящика. Транспортные планки прижать к днищу ящика брусками. Бруски закрепить винтами к стенкам ящика; на бруски уложить фанерную перегородку и закрепить при помощи планок винтами к боковым стенкам; на фанерную перегородку уложить коробки с упакованными клавиатурой и МГИ и пакеты с упакованными комплектами. Образовавшиеся пустоты заполнить обрезками картона и бумаги; закрыть крышку, завинтить винты и опломбировать упаковку.

Переконсервацию составных частей ПЭВМ производится каждый раз при контрольных осмотрах в процессе хранения.

2.2 Указания мер безопасности

Перед началом работы с ПЭВМ необходимо изучить руководство по эксплуатации и эксплуатационную документацию, поставляемую с составными частями ПЭВМ. По способу защиты человека от поражения электрическим током составные части ПЭВМ относятся к устройствам класса 3 по МЭК 950-86. Помещения, предназначенные для установки и эксплуатации ПЭВМ, должны быть электробезопасными и исключать возможность возникновения пожара, а также обеспечивать пожарную безопасность людей и материальных ценностей. До включения электропитания ПЭВМ необходимо проверить визуально качество защитного заземления, целостность кабелей электропитания и соединительных кабелей. Перед подключением ПЭВМ к сети необходимо убедиться, что выключатели сети составных частей находятся в отключенном положении. Подключение и отключение кабелей должно производиться только при отключенном положении выключателей сети составных частей ПЭВМ. Категорически запрещается работать при снятом кожухе любого из устройств. При эксплуатации ПЭВМ запрещается: включать и отключать ПЭВМ при помощи кабеля электропитания; подключать и отключать соединительные кабели при подключенном кабеле электропитания любой из составных частей ПЭВМ; работать при открытой крышке с замком. Не рекомендуется оставлять включенную ПЭВМ без наблюдения.

2.3 Использование по назначению

.3.1 Эксплуатационные ограничения

ПЭВМ не предназначена для установки и эксплуатации во взрывоопасных и пожароопасных зонах.

При эксплуатации ПЭВМ необходимо выполняться следующие правила и требования: не допускать попадание жидкости в ПЭВМ; не располагать ПЭВМ на расстоянии менее 1 м от нагревательных приборов; не подвергать ПЭВМ воздействию прямых солнечных лучей; не закрывать вентиляционные отверстия в корпусе ПЭВМ посторонними предметами; не допускать перекосов при сочленении соединителей. Сочленение производить плавно. Усилия прилагать только к соединителю. При частом подключении/отключении кабелей рекомендуется резьбу гайки соединителя смазать жидкой смазкой. Не допускать попадания смазки на контакты соединителя.

.3.2 Подготовка к использованию

2.3.2.1 Ввод в эксплуатацию

Перед первым использованием ПЭВМ специалист предприятия-изготовителя или специалист центра технического обслуживания должен произвести ввод в эксплуатацию в следующей последовательности: распаковать ПЭВМ; установить ПЭВМ; произвести пуск (включение) ПЭВМ; проверить работоспособность ПЭВМ; отключить ПЭВМ; оформить свидетельство о вводе ПЭВМ в эксплуатацию, приведенное в документе ЮИТС.466226.001 ФО.

.3.2.2 Распаковывание

Распаковывание ПЭВМ производится в следующей последовательности: вскрыть транспортную упаковку первого транспортного места; вскрыть пакет с комплектом ЭД и изучить РЭ; при транспортировании или хранении ПЭВМ в климатических условиях, отличных от условий эксплуатации не допускается нарушать герметичность внутренней упаковки системного модуля, клавиатуры, МГИ, КМЧ, КИП, ЗИП-О и видеомонитора, не выдержав их на объекте в условиях эксплуатации в течение 6 ч.; вскрыть внутреннюю упаковку составных частей ПЭВМ, отрезав минимальную по ширине полоску со швом; извлечь составные части ПЭВМ из полиэтиленовых пакетов и произвести внешний осмотр на отсутствие повреждений и сохранность пломб; протереть ПЭВМ, используя мягкое хлопчатобумажное полотно.

.3.2.3 Установка

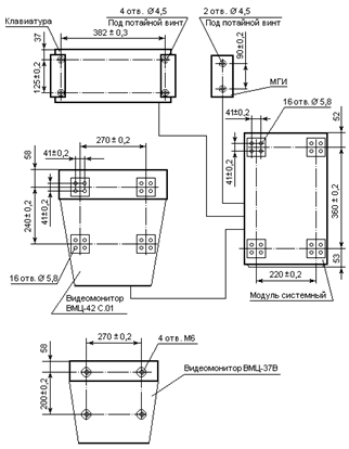
Установка ПЭВМ производится в следующей последовательности: изготовить кабели; установить составные части ПЭВМ на отведенные для них местах и закрепить в эксплуатационном положении в соответствии с рисунком 3. При установке необходимо учитывать, что при амортизации возможно смещение верхней точки системного модуля. Величина бокового смещения не превышает ± 20 мм, а вертикального - ± 6 мм; подключить клеммы защитного заземления металлических корпусов составных частей ПЭВМ к защитному заземлению медным проводом сечением не менее 4 мм2; подключить кабели к составным частям ПЭВМ согласно рисунку 1; подключить составные части ПЭВМ к сети электропитания согласно рисунку 1.

2.3.2.4 Пуск (включение)

Вентиляторы должны включаться раньше системного модуля. При работающей ПЭВМ категорически запрещается отключать вентиляторы.

Перед включением ПЭВМ проверить состояние соединителей, правильность их подключения согласно рисунку 1 и качество закрепления.

Включение ПЭВМ при электропитании от бортовой сети постоянного тока напряжением 27 В производится в следующей последовательности: открыть крышку на передней панели системного модуля ключом из состава КИП; включить электропитание вентиляторов, установив выключатель FAN на передней панели системного модуля в положение I; через 3 мин. включить электропитание системного модуля, установив выключатель POWER на системном модуле в положение I. При этом должен загореться индикатор POWER; закрыть крышку с замком на передней панели системного модуля; включить электропитание видеомонитора согласно эксплуатационной документации на него.

При эксплуатации ПЭВМ после включения электропитания автоматически производятся следующие процедуры: вырабатывается сигнал системного сброса, который приводит в исходное состояние все устройства ПЭВМ; начинается работа программы БСУВВ, которая производит настройку и тестирование оперативной памяти и основных функциональных узлов ПЭВМ; производится начальная загрузка ОС. В результате правильной загрузки на экране видеомонитора появляются сообщения ОС, вид которых описывается в эксплуатационной документации на ОС. При успешном завершении этих процедур ПЭВМ готова к работе.

Рис.3. Установочные размеры составных частей ПЭВМ

2.3.2.5 Отключение

Вентиляторы должны отключаться позже системного модуля. При работающей ПЭВМ категорически запрещается отключать вентиляторы.

Выключение ПЭВМ при электропитании от бортовой сети постоянного тока напряжением 27 В производится в следующей последовательности: закрыть активные программы пользователя, предварительно сохранив данные, и подготовить ОС к отключению ПЭВМ; выключить электропитание видеомонитора согласно эксплуатационной документации на него; открыть крышку с замком и выключить электропитание системного модуля, установив выключатель POWER в положение O. При этом должен погаснуть индикатор POWER; выключить электропитание вентиляторов, установив выключатель FAN на передней панели системного модуля в положение O; закрыть крышку на передней панели системного модуля ключом из состава КИП.

При аварийном отключении первичной сети электропитания при погасшем экране видеомонитора произвести корректное завершение работы, используя предусмотренное для этого сочетание клавиш клавиатуры.

.3.3 Использование изделия

.3.3.1 Подготовка к работе

Защита ПЭВМ от несанкционированного доступа реализована с помощью: накладного замка с ключами, ограничивающего физический доступ к ПЭВМ; личного пароля, устанавливаемого Вами с помощью средств БСУВВ; личного пароля доступа к ОС.

Процесс подготовки ПЭВМ к работе заключается во включении ПЭВМ и загрузке в основную память ОС, под управлением которой будет выполняться работа. ОС загружается с НМД. На НМД операционная система установлена специалистом, осуществлявшим ввод ПЭВМ в эксплуатацию. В результате правильной загрузки на экране видеомонитора появляются сообщения ОС, вид которых описывается в эксплуатационной документации на ОС, что свидетельствует о готовности ПЭВМ к работе.

.3.3.2 Порядок работы

Эксплуатацию ПЭВМ производит пользователь в соответствии с указаниями, содержащимися в РЭ. ОС организует выполнение системных и прикладных программ и различные режимы диалога. Необходимые директивы вводятся с помощью клавиатуры или МГИ. Вывод данных производится на видеомонитор. Звуковые сообщения поступают на громкоговоритель. При решении задач пользователя следует руководствоваться документами на соответствующее программное обеспечение. При использовании съемного НМД установку его завершить поворотом ключа на 90o по часовой стрелке на панели съемного НМД при отключенной ПЭВМ. После включения ПЭВМ при правильном подключении съемного НМД индикатор на его лицевой панели должен загореться. Для извлечения съемного НМД необходимо выключить ПЭВМ, повернуть ключ на 90o против часовой стрелки и потянуть на себя рукоятку съемного НМД.

При использовании дискет в качестве магнитного носителя необходимо протестировать их антивирусными программами перед обращением к ним. По окончании работы отключить ПЭВМ.

.3.3.3 Порядок контроля работоспособности

Целью контроля работоспособности ПЭВМ является установление ее пригодности для дальнейшего использования. Контроль работоспособности производится с помощью средств БСУВВ и ОС: при вводе в эксплуатацию; после перерыва в работе с отключением электропитания на длительный срок; при техническом обслуживании (ТО); после восстановления работоспособного состояния; в процессе функционирования изделия.

.3.3.4 Возможные неисправности и способы их устранения

Признаком неисправности ПЭВМ (в том числе, нарушение работоспособного состояния), возникающим при её эксплуатации, следует считать появление хотя бы одного из следующих событий: ПЭВМ не приводится в состояние готовности к выполнению установленного объема работы посредством выполнения предусмотренных для этого действий; возникло (или потребовалось) прерывание выполнения установленного объема работы, не предусмотренное алгоритмом ее выполнения; появились ошибки при выполнении работы.

Если восстановление работоспособного состояния ПЭВМ достигается действиями пользователя, направленными на повторное выполнение работы (ее части) без применения операций ремонта или регулирования, то происшедшее нарушение работоспособного состояния классифицируется как сбой ПЭВМ, в противном случае - как ее отказ. Отказы ПЭВМ следует разделять на частичные и полные.

Под частичным отказом следует понимать такое событие, при котором постепенное ухудшение одного или нескольких параметров ТС ПЭВМ позволяет временно продолжить работу ПЭВМ по назначению при снижении производительности и преодолении ряда неудобств в процессе выполнения работ. Примерами частичного отказа являются события: существенное ухудшение качества изображения на экране видеомонитора; полный отказ одного из видеомониторов, при работе ПЭВМ в двухмониторном режиме, при котором возможно временно продолжить работу в одномониторном режиме; замедленное перемещение шарика МГИ. При частичном отказе ПЭВМ восстановление ее работоспособности производится методом предупредительной замены ТС во время очередного ТО или методом функционального резервирования ТС между собой в составе ПЭВМ (частичная взаимозаменяемость между клавиатурой и МГИ) во время работы с последующей предупредительной заменой ТС.

Остальные отказы ПЭВМ классифицируются как полные отказы ПЭВМ.

Неисправности ПЭВМ выявляются аппаратурно-программными средствами контроля ПЭВМ или визуально. Сообщения о неисправностях выводятся на экран видеомонитора: при включении электропитания - средствами БСУВВ; при работе пользователя - средствами БСУВВ и ОС.

При нарушении работоспособности ПЭВМ необходимо выполнить действия в следующей последовательности: произвести перезагрузку ПЭВМ, нажав кнопочный переключатель RESET на передней панели системного модуля; если ситуация не изменяется - отключить ПЭВМ и проверить состояние соединителей и кабелей; включить ПЭВМ; если ситуация не изменяется - принять решение о восстановлении работоспособности ПЭВМ. При возникновении аварийной ситуации необходимо отключить ПЭВМ.

В случае невозможности устранения неисправностей на месте эксплуатации ПЭВМ осуществляется восстановление работоспособности на площадях предприятия-изготовителя или центра технического обслуживания.

.3.3.5 Расширение функциональных возможностей

По согласованию с изготовителем ПЭВМ пользователь имеет возможность увеличить вычислительную мощность ПЭВМ и ее функциональные возможности путем подключения дополнительных электронных модулей и устройств в системный модуль. При этом на ПЭВМ сохраняются гарантии предприятия-изготовителя. Гарантии изготовителя ПЭВМ не распространяются на подключенные дополнительные ТС.

Установку дополнительного ТС и контроль работоспособности ПЭВМ после установки производить с учетом указаний, приведенных в документации, поставляемой с ТС. После установки дополнительного ТС пользователь должен сделать соответствующие записи в документе ЮИТС.466226.001 ФО и опломбировать системный модуль пломбой, принадлежность которой определяется соглашением с предприятием-изготовителем ПЭВМ.

2.4 Техническое обслуживание

ТО производится пользователем ежедневно и ежемесячно с целью поддержания работоспособности ПЭВМ в течение срока службы.

Ежедневное ТО заключается в систематическом наблюдении за правильностью эксплуатации ПЭВМ и включает в себя следующие работы при отключенном электропитании ПЭВМ: визуальный осмотр устройств ПЭВМ, удаление пыли мягким хлопчатобумажным полотном и выполнение указаний, приведенных в эксплуатационной документации, поставляемой с устройствами; проверку качества крепления составных частей ПЭВМ на рабочем месте в эксплуатационном положении; проверку состояния соединителей и кабелей. Соединители должны быть прикреплены к ответным частям, гайки соединителей - закручены до упора, а кабели - уложены аккуратно и без резких перегибов.

После проведения внешнего осмотра включить ПЭВМ и произвести контроль работоспособности при номинальной загрузке ТС с целью обнаружения признаков необходимости предупредительной замены составных частей.

Средняя продолжительность ежедневного ТО составляет 10 мин. (без учета предупредительной замены составных частей ПЭВМ).

Ежемесячное ТО производится после ежедневного ТО путем контроля работоспособности при максимальной загрузке ТС с целью обнаружения признаков необходимости предупредительной замены составных частей. Средняя продолжительность ежемесячного ТО составляет 30 мин. (без учета предупредительной замены составных частей ПЭВМ).

При продолжительной эксплуатации или при эксплуатации в условиях с повышенным содержанием пыли необходимо производить чистку: механизма передачи движения шарика МГИ и самого шарика спиртосодержащими растворителями, не приводящими к короблению и растворению пластмассы. Для доступа к указанному механизму необходимо вывернуть кольцо против часовой стрелки на корпусе МГИ и извлечь шарик; головки НГМД с помощью чистящей дискеты с жидкостью (3,5" Disk drive head cleaning diskette); головок накопителя CD-ROM с помощью специального компакт-диска с жидкостью для чистки лазерной оптики.

Для замены пылезащитного фильтра на передней панели системного модуля необходимо снять крышку, нажав кнопки, расположенные над крышкой с фильтром, поднять крышку вверх и снять ее. При необходимости допускается повторное использование фильтра после его тщательной чистки.

2.5 Хранение

ПЭВМ должна храниться в упакованном виде в отапливаемых помещениях при температуре от 5 до 40 oС и относительной влажности воздуха не более 80 % при соблюдении действующих правил пожарной безопасности.

В складских помещениях не должно быть паров кислот, щелочей или других химически активных веществ, пары или газы которых могут вызвать коррозию. Если хранению предшествовала эксплуатация ПЭВМ, необходимо упаковать ее. Допускается хранение в составе объекта. Срок хранения ПЭВМ в упаковке типа 1 - 1,5 года. Срок хранения ПЭВМ в упаковке типа 2 - 3 года.

2.6 Транспортирование

ПЭВМ в транспортной таре или в составе объекта эксплуатации может транспортироваться автомобильным, железнодорожным, авиационным (в обогреваемых герметизированных отсеках) и водным видами транспорта по правилам перевозок грузов, действующим на транспорте соответствующего вида. Транспортирование автомобильным транспортом производить на любые расстояния со скоростью транспортирования по грунтовым и булыжным дорогам не превышающей 40 км/ч, по дорогам с асфальтобетонным и цементно-бетонным покрытием - без ограничения. Транспортирование железнодорожным, авиационным, водным видами транспорта производить без ограничения скоростей и расстояний. При транспортировании должна быть обеспечена защита транспортной упаковки от непосредственного воздействия атмосферных осадков. В транспортных средствах не должно быть паров кислот, щелочей или других химически активных веществ, пары или газы которых могут вызвать коррозию. Условиями транспортирования ПЭВМ являются: температура окружающего воздуха от -50 до +50 oC; атмосферное давление от 60 до 107 кПа (от 450 до 800 мм рт.ст.); относительная влажность воздуха до 98 % при температуре 25 oC; механические ударные нагрузки многократного действия с пиковым ударным ускорением до 147 м/c2 (15 g) при длительности действия ударных импульсов от 10 до 15 мс.

Если транспортированию в транспортной упаковке предшествовала эксплуатация ПЭВМ, необходимо упаковать ее.

Похожие работы на - Назначение, структура и принцип действия SD/MMC Bootloader

 

Не нашли материал для своей работы?
Поможем написать уникальную работу
Без плагиата!
Без нейросетей!