Проект пожарного аварийно-спасательного автомобиля

  • Вид работы:
    Дипломная (ВКР)
  • Предмет:
    Безопасность жизнедеятельности
  • Язык:
    Русский
    ,
    Формат файла:
    MS Word
    1,01 Мб
  • Опубликовано:
    2014-02-21
Вы можете узнать стоимость помощи в написании студенческой работы.
Помощь в написании работы, которую точно примут!

Проект пожарного аварийно-спасательного автомобиля

Введение

Состояние пожарной безопасности в определённой степени отражает уровень экономического развития нашей страны. Ежегодно в России происходит порядка 800 пожаров, материальные потери от которых по оценкам специалистов составляют порядка 100 млн. руб. В основном горят леса и промышленные предприятия, имеющие изношенное и устаревшее оборудование. Таким образом, мы стоим на грани необратимых техногенных катастроф.

Для того чтобы сократить степень риска техногенных катастроф и довести его до нормального уровня, потребуются инвестиции в размере 40 - 50 млн. долларов в год. Но даже при этом, по прогнозам Минэкономразвития, выходить из кризиса придется примерно 25 лет. Причём многие объекты восстанавливать окажется дороже, чем строить новое.

К сожаленью, в критическом состоянии находится не только основные фонды предприятий, но и парк пожарных автомобилей , состоящий на вооружении подразделений МЧС, защищающих промышленные объекты. При этом ситуация распространяется не только на возрастной состав парка, но и на его качественную структуру: они не адекватны складывающейся оперативной обстановке с пожарами.

За три последних года объём новых поступлений пожарных автомобилей в объектовые подразделения МЧС составил лишь 3% от всего парка. При такой динамике потребуются многие годы на обновление и восстановление пака.

Не менее проблематична качественная структура парка пожарных автомобилей подразделений МЧС. Она была сформирована в конце 80-ых годов. Когда отечественной промышленностью выпускались в основном пожарные автомобили среднего класса на шасси ЗИЛ и ГАЗ ( с цистерной вместимостью до 2500 л, насосом типа ПН-40У с подачей 40 л·с-1, лафетным стволом ЛС-20 или ЛС-40). Естественно, что парк пожарных автомобилей в настоящее время более чем 80% состоит из автоцистерн на базе ЗИЛ.

В настоящее время в подразделениях ФПС МЧС России эксплуатируется более 14000 основных пожарных автомобилей, более 3000 специальных пожарных автомобилей и 13000 единиц оперативно-служебного транспорта. На вооружении подразделений находятся более 200 наименований пожарно-технического вооружения и аварийно-спасательного оборудования. Но в настоящее время около 50% имеющегося парка подлежит списанию ввиду выработки установленных сроков эксплуатации. Для поддержания парка пожарной автотехники необходимо ежегодно приобретать до 2500 единиц только основных и специальных пожарных автомобилей.

Перспективный типаж пожарных автомобилей, разработанный ФГБУ ВНИИПО МЧС России по заданию ГУГПС МЧС Росси, предусматривает выпуск более 60 основных и специальных машин с повышенными тактико - техническими показателями и пониженным расходом топлива на привод специальных агрегатов. Намечены также меры по дальнейшему повышению надёжности и долговременности пожарных автомобилей, их универсализации и специализации.

В настоящее время пожарные автомобили выпускаются в Торжке, Варгашах, Москве, Мытищах, Давыдово, Жуковском, Туле, Тольятти, Миассе, Посевной и других городах страны. Головным предприятием по выпуску ПА является ОАО «Пожтехника» г. Торжок. Однако постоянно осуществляемая модернизация существующих всем требованиям сегодняшнего дня, в том числе и новых аварийно - спасательных автомобилей (АСА).

Главными задачами завода-изготовителя пожарной техники должны быть:

·   выпуск конкурентоспособной техники с зарубежными аналогами;

·   блочно-модульный принцип конструирования машин, который позволит трансформировать автомобиль по необходимому назначению;

·   разработка новых аварийно-спасательных автомобилей повышенной проходимости.

Особенно остро необходимость в автомобилях типа АСА ощущается в последнее время на объектах обслуживающих транспортные магистрали и предприятия, где возможно возгорание большого количества различных по структуре и свойств горючих веществ. К таким объектам можно отнести: нефтебазы, хранилища нефтепродуктов, авиационные и морские порты. Именно на таких территориях наиболее часто приходится ликвидировать аварии и последствия катастроф.

Выше отмеченное подтверждает актуальность тематики дипломного проекта и подчёркивает практическую значимость разработки объектовых пожарных машин, в том числе и аварийно - спасательные автомобилей.

1. Состояние вопроса

1.1 Анализ аварийно-спасательных работ, связанных с тушением пожаров подразделений ФГКУ «СУ ФПС №2 МЧС России» за 2010-2011 г

Анализ данных, характеризующих обстановку с пожарами в ЗАТО Железногорск за 2011 год, позволяет сделать вывод о том, что служба пожаротушения и дежурные караулы подразделений ФГКУ «Специальное управление ФПС №2 МЧС России», реализуя требования нормативных актов, приказов, указаний ДПСС МЧС России и Специального управления ФПС №2 МЧС России, в целом решили организационные и практические вопросы, связанные с тушением пожаров.

В 2011 года подразделения гарнизона совершили 2875 выездов, что на 105 выездов меньше, чем за аналогичный период прошлого года (АППГ) - 2980 выездов.

Сведения о выездах подразделений гарнизона за 2010 -2011 г.г. приведены в таблице 1.1.

Таблица № 1.1 - Сведения о выездах подразделений гарнизона за 2010 - 2011г.г.

№ п/п

Цель выезда

2010г.

2011г.

1.

Пожары (помощь ГУ МЧС по Красноярскому краю)

83(3)

76(2)

2.

Загорания

164

268

3.

Лесные пожары (трава, пух, мусор)

226

305

4.

Аварии

0

0

5.

На срабатывание установок АПС

1002

1374

6.

Ложные вызовы

1248

765

7.

Пожарно-тактические учения, отработки планов, ПТЗ и т.п.

102

108

8.

Оказание помощи населению, службам города, объектов и т.п.

155

69


Всего:

2980

2875


Анализируя обобщенные данные (табл. 1.1) работы подразделений ФГКУ «Специальное управление ФПС № 2 МЧС России» за 2011 год, следует отметить значительное увеличения количества выездов по сравнению с АППГ:

- загорания - в 1,8 раза (на 104 выезда);

- лесные пожары (трава, пух, мусор) - в 1,35 раза (на 79 выездов);

- на срабатывания АПС - в 1,7 раза (на 372 выездов);

- пожарно-тактические учения, отработки планов, ПТЗ - в 2,8 раза (на 6 выездов);

В 2011 году на пожарах погибло 6 человек (в АППГ - 4 человека), количество получивших травмы населения составило 8 человек (в АППГ - 9 человек). В процессе ликвидации пожаров спасено 55 человек (в АППГ - 30 человек).

Из 76 пожаров, произошедших в 2011 году, личным составом дежурных караулов потушено 75 пожаров, подручными средствами населением до прибытия подразделений пожарной охраны - 1 пожар. Сведения приведены на рисунке 1.1.

Рисунок 1.1 - Сведения по тушению пожаров подразделениями СУ ФПС № 2 в 2010 - 2011 гг.

В 2011 году на 16 пожарах работы по спасанию людей и ликвидации горения производились звеньями ГДЗС. В 30 случаях на пожары были привлечены специальные пожарные автомобили (таблица № 1.2).

Таблица № 1.2 - Сведения по использованию специальной пожарной техники на пожарах в 2010-2011 гг.

Специальные пожарные автомобили

2010 г.

2011 г.

АСА-20, АД-90

16

8

АЛ-50, АКП-50, АПТ-22, МШТС

17

20

АР-2

5

2

Всего:

38

30


Оперативное время реагирования, состоящее из времени обработки вызова, сбора личного состава и следования к месту вызова является одним из важных показателей действий подразделений при выезде дежурного караула по тревоге. Согласно требования Федерального закона от 22 июля 2008 года N 123-ФЗ «ТЕХНИЧЕСКИЙ РЕГЛАМЕНТ О ТРЕБОВАНИЯХ ПОЖАРНОЙ БЕЗОПАСНОСТИ» статья 76 п.1. время прибытия первого подразделения к месту вызова в городских поселениях и городских округах не должно превышать 10 минут, в сельской и приравненной к сельской местности не должно превышать 20 минут.

В таблице № 1.3 представлены сведения по оперативному реагированию подразделений на 31 пожаре, произошедших в городской черте СУ ФПС № 2 МЧС России за 2011 год, 2010 год и подразделений по Российской Федерации за 2010 год.

Таблица №1.3 - Показатели оперативного реагирования с момента сообщения о пожаре до момента прибытия к месту вызова (в городском округе)

Время прибытия первого подразделения (мин.)

Количество пожаров в городском округе (%)

Среднее время прибытия, мин.


2010 год

2011 год

2011 год

2010 год

РФ

До 5 минут

30 (81,0)

29(93)

3,12

5,9

 7,15

6 - 10 минут

7 (19,0)

2(7)




Более 10 минут

0 (0%)

0 (0)




Из данных указанных в таблице № 1.3 следует, что в 2011 году в сравнении с 2010 годом на 2,78 минуты улучшился показатель прибытия первых подразделений на пожары (ниже показателя по РФ на 4,03 минуты). Данный показатель улучшился в сравнении с 2010 годом на 52 %.

В таблице № 1.4 представлены сведения по оперативному реагированию подразделений Специального управления ФПС № 2 МЧС России на 30 пожарах, произошедших в сельских поселениях и приравненных к ним районах 2011 года.

Таблица №1.4 - Показатели оперативного реагирования с момента сообщения о пожаре до момента прибытия к месту вызова (в сельских поселениях и приравненных к ним районам)

Время прибытия первого подразделения (мин.)

Количество пожаров в сельских поселениях (%)

Среднее время прибытия, мин.


2010 год

2011 год

2010 год

2011 год

До 10 минут

23 (60,5)

32 (71)

13,5

8,7

10 - 20 минут

11 (29,0)

10 (22)



Более 20 минут

4 (10,5)

3 (7)




Из данных, указанных в таблице № 1.4 следует, что в 2011 году в сравнении с 2010 годом на 4,8 минуты улучшился показатель прибытия первых подразделений на пожары в сельских поселениях и приравненных к ним районах (ниже нормативного на 11,3 минуты).

Продолжительность локализации пожара в значительной мере зависит от продолжительности периода свободного развития пожара. По совокупному результату снижения средних показателей сообщения о пожаре и прибытия пожарных подразделений, прослеживается закономерное снижение среднего времени локализации пожара.

Время с момента прибытия первого подразделения к месту пожара до его локализации.

Рисунок 1.2 - Время момента подачи первого ствола до его локализации в первом полугодии 2010-2011 г.г.

В 2011 году показатель по локализации пожаров остался на уровне 2010 года. Количество пожаров локализованных за время менее 5 минут увеличилось на 2 %. Количество пожаров локализованных за время 6-15 минут практически не изменились в сравнении с 2010 годом (снизилось на 0,2 %). Количество пожаров локализованных за время 16-30 минут не изменилось. Количество пожаров локализованных за время 31-60 минут улучшилось на 1,2 %. Причинами улучшения показателя локализации явилось то, что в 2011 году возросло количество проведенных службой пожаротушения и руководством специальных пожарных частей решений ПТЗ с личным составом дежурных караулов, что способствовало практической отработке навыков РТП и личного состава по тушению пожаров.

Время с момента локализации пожара до ликвидации.

Рисунок 1.3 - Время с момента локализации пожара до ликвидации в первом полугодии 2010- 2011 г.г.

В 2011 году процент количества пожаров с временем ликвидации 31-60 минут уменьшился в сравнении с 2010 годом на 2,49 %. Увеличилось количество пожаров ликвидированных за время до 5 минут - 50,6 % (2010 год - 42,85 %). Так же вырос показатель по пожарам, ликвидированным с 6 до 15 минут - 34% (2010 год - 29,89 %). Значительно улучшился показатель ликвидации пожаров с 16-30 минут -14% (2010 год - 23,37 %).

Время с момента прибытия первого подразделения к месту вызова до его ликвидации

 

Рисунок 1.4 - Время тушения (%) с момента подачи первого ствола до его ликвидации открытого горения в первом полугодии 2009- 2010 г.г

Улучшение показателей локализации и ликвидации в 2011 году отразилось в целом на показателе тушения. Вместе с этим значительными остаются показатели времени в промежутках 31-60 минут и более 60 минут (в целом 17,8 %).

Основными недостатками при тушении пожаров в 2011 году остаются:

слабые знания оперативным составом расчета сил и средств;

не правильный выбор решающего направления;

проведение боевого развертывания, с временем превышающим нормативное;

недостаточное количество поданных на тушение пожарных стволов;

недостаточные навыки работы ствольщиков с пожарным стволом на позициях, при маневрировании и продвижении вглубь пожара по мере его ликвидации.

По итогам проверок ОСД подразделений, осуществляемых сотрудниками службы пожаротушения, в 2011 году, отмечался ряд замечаний к руководству подразделений по вопросам организации и совершенствования деятельности в области пожаротушения в подразделениях. Пожары произошедшие в районе выезда подразделения с личным составом разбираются формально, занятия по боевой подготовке проводятся за частую на низком профессиональном уровне. Проведение практических занятий нередко подменяется изучением оперативно-тактических особенностей объекта, методические планы проведения занятий разрабатываются некачественно. Руководство подразделений не проводит детальный разбор допущенных ошибок РТП и личным составом, а также не в полном объеме доводит до начальников караулов замечания, выявленные в других подразделениях.

В 2011 году в ходе проведения пожарно-тактических учений, отработки планов пожаротушения, при проверках боеготовности дежурных караулов было выявлено 398 тактических ошибок, допущенных РТП, что на 30 ошибок больше чем за АППГ. Результаты отражены в таблице 1.5.

Таблица №1.5 - Ошибки, допущенные РТП

№ п/п

Характер ошибок

2011 год

2010 год

1.

Не организована работа оперативного штаба.

14

15

2.

Отсутствие связи с ЕДДС (ПСЧ).

7

8

3.

Отсутствие связи с НТУ, звеньями ГДЗС.

30

35

4.

Не знание О.Т.О. объекта.

19

12

5.

Отсутствие взаимодействия с администрацией, службами жизнеобеспечения.

11

12

6.

Не созданы участки тушения пожара.

19

15

7.

Проведение развертывания сил и средств с временем превышающим нормативное.

21

18

8.

Недостаточное количество стволов, поданных на тушение.

15

10

9.

Не установлена АЦ на ПГ ( ПВ).

9

10

10.

Не задействованы стационарные установки пожаротушения.

3

5

11.

Не подтвержден вызов № 2, не объявлен сбор личного состава.

8

5

12.

Не организовано спасание людей, эвакуация материальных ценностей.

8

9

13.

Недостатки при тушении электроустановок: - не получен допуск на отключения электроустановок; - не заземлены пожарный ствол или насос; - не использовали диэлектрические средства.

13

10

14.

Недостатки в вопросах ГДЗС: - отсутствие постового на посту безопасности; - экипировка звена; - отсутствие связи со звеном; - ведение служебной документации постовым на посту безопасности; - не создан КПП.

63

58

15.

Не задействована спецтехника.

10

7

16.

Недостатки при проведении пожарной разведки. - разведка проведена в одном направлении; - неправильный выбор решающего направления; - неправильная прокладка рукавных линий.

57

60

17.

Отсутствие контроля исполнения распоряжений РТП.

33

25

18.

Нарушение правил охраны труда.

16

15

19.

Не создан резерв сил и средств.

5

7

20.

Не знание расчета сил и средств.

28

24

21.

Недостатки при тушении пожаров в резервуарах: -не использование ТОК; -не создан второй рубеж защиты с прокладкой резервных рукавных линий; - не организовано выполнение мероприятий по подготовке пенной атаки.

9

8


Итого:

398

368


Анализ данных, приведенных в таблице 1.5, свидетельствует о том, что 2011 году в сравнении с АППГ произошло увеличение количества ошибок допущенных оперативным составом управления по следующим направлениям: не знание оперативно-тактических особенностей охраняемых объектов, не своевременное создание участков тушения пожара, недостаточное количество пожарных стволов, поданных на тушение пожара, не подтверждение вызова № 2, контроль РТП качества исполнения своих указаний и распоряжений, знания порядка расчета сил и средств, порядок организации тушения пожаров в: резервуарах, электроустановках и своевременное привлечение спецтехники.

Наибольшее количество ошибок продолжает оставаться в вопросах проведения пожарной разведки - 57 ошибок, ГДЗС - 63 ошибки, организации пожарной связи - 37 ошибок, что составляет 14,4 %, 15,9 % и 9,2 % от общего количества ошибок.

В 2011 году начальствующий состав, выступающий в качестве РТП, не занимался планомерным повышением своего оперативного мастерства, руководством подразделений не осуществлялся контроль устранения ошибок, проведение личным составом развертывания сил и средств с временем превышающим нормативное, допускаемых начальниками караулов, не планировались мероприятия, направленные на повышение их тактической грамотности. Разборы ошибок, допускаемых РТП и личным составом при ведении действий по тушению пожара в подразделениях, зачастую проводились формально.

1.2 Анализ использования специальной пожарной техники

За период с 2007 года по 2011 год на пожары для проведения работ по спасанию людей и ликвидации горения 140 раз были привлечены специальные пожарные автомобили. Сравнительные данные по использованию специальной пожарной техники на пожарах в 2007 - 2011 годах приведены в таблице 1.6.

Таблица 1.6 - Сведения по использованию специальной пожарной техники на пожарах в 2007 - 2011г.г.

Специальные пожарные автомобили

 2007 год

 2008 год

2009 год

 2010 год

 2011 год

АСА-20, АД-90

6

8

8

10

8

АЛ-50, АКП-50, АПТ-22, МШТС

13

15

14

16

20

АР-2

5

5

8

2

2

Всего:

24

28

30

28

 30


Анализируя данные таблицы 1.6, можно увидеть, что для проведения работ по спасанию людей и ликвидации горения, очень часто привлекаются специальные пожарные автомобили. Значительную долю в использовании специальной техники занимают место аварийно-спасательные автомобили. За рассматриваемый период количество выездов автомобилей АСА-20 увеличилось и составляет 28,5% от общего количества выездов специальных пожарных автомобилей, рисунок 1.5. Это еще раз свидетельствует о необходимости в разработке аварийно-спасательного автомобиля.

Рисунок 1.5 - Сведения о привлечении специальной пожарной техники

1.3 Анализ наличия и состояния пожарной техники

Подразделения СУ ФПС № 2 МЧС России укомплектовано 84-мя пожарными автомобилями основного, специального и вспомогательного назначения на различных базовых шасси, год выпуска которых колеблется от 1980 до 2011.

Таблица 1.7 - Распределение пожарных автомобилей по назначению

Пожарные автомобили

Количество

Процентное отношение,%

Срок эксплуатации




до 10 лет, шт / (%)

свыше 10 лет, шт / (%)

Основные

42

50

15 / (35,7%)

27 / (64,3%)

Специальные

15

18

8 / (53,3%)

7 / (46,7%)

Вспомогательные

27

32

9 / (33,3%)

18 / (66,7%)

Всего

84


32 / (38,1%)

52 / (61,9%)


Больше половины имеющихся на вооружении СУ ФПС № 2 МЧС России пожарных автомобилей подлежит списанию, так как эксплуатируются более 10 лет. Это еще раз говорит о необходимости разработки новых пожарных автомобилей как основного, так и специального назначения.

2. Техника для проведения аварийно-спасательных работ

2.1 Зарубежные автомобили

Пожарный автомобиль технической службы RW 2 фирмы IVЕКО МАGIRUS, Германия (рис.2.1). Предназначен для доставки комплекта специального оборудования на место проведения аварийно-спасательных работ, удаление дыма, освещения рабочей зоны, обеспечение энергией специализированного электроинструмента.

Рисунок 2.1 - Пожарный автомобиль технической службы RW 2 фирмы IVЕКО МАGIRUS

На автомобиле с колесной формулой 4x4 и дизельным двигателем мощностью 189 кВт размещена канатная лебедка с гидравлическим приводом (5т), электрогенератор с защитно-отключающим устройством (20кВт), световая мачта со светильниками заливного света (высота выдвижения 7 м), потребляемая мощность 4кВт.

Автомобиль доставляет на место аварии комплект спасательных средств, специальную и защитную одежду, средства оказания первой медицинской помощи, набор гидравлического и электромеханического инструмента.

В России выпуск аналогичной техники Минстройдормашем прекращен в 1984 году.

Пожарный автомобиль технической службы RFС II фирмы ROSENBAUER, Австрия, рисунок 2.2. Предназначен для доставки комплекта спецоборудования на место проведения работ, освещения рабочей зоны, проведения грузоподъёмных операций.

Рисунок 2.2 - Пожарный автомобиль технической службы RFС II фирмы ROSENBAUER

Боевой расчет- 3 человека. Мощность двигателя 124 кВт. Колесная формула 4x4. Усилие лебедки - 5т. Генератор мощностью 20 кВт, напряжение 380/220 В. Осветительная мачта -7м. Грузоподъёмность крана при вылете стрелы 1,7м- 3,5 т; 2,4м- 2,5т; 5м- 1,2т. Полная масса 11800 кг.

Американская фирма «American la France» по заказам муниципалитетов изготовляет пожарные автомобили для проведения аварийно-спасательных работ при дорожно-транспортных происшествиях, авариях на предприятиях нефтехимической промышленности, авиа- и железнодорожных катастрофах и других случаях, требующих оказания срочной технической помощи.

Автомобили изготавливаются на шасси разных фирм с колесной формулой 4x2, полной массой 20 т и мощностью дизельного двигателя до 262 кВт. Автомобиль перевозит до 80 различных единиц спасательного оборудования.

2.2 Отечественные автомобили

Автомобиль аварийно-спасательный АСА (4310) ПМ- 523 предназначен для (рис.2.3):

· доставки к месту аварии или пожара личного состава, специального аварийно-спасательного инструмента, оборудования, средств связи и освещения;

· проведения аварийно-спасательных работ;

· освещения мест тушения пожара или аварии;

· удаления дыма и подачи свежего воздуха;

-        разборки строительных конструкций и поднятия грузов с помощью крана.

Рисунок 2.3 - Автомобиль аварийно-спасательный АСА (4310) ПМ- 523

Автомобиль рассчитан на эксплуатацию в районах с умеренным климатом, при температуре окружающего воздуха от -40° до + 40° С. Расчет 3 человека, мощность двигателя 162 кВт (220 л.с.), колесная формула 6x6. Максимальное тяговое усиление лебедки при подаче троса вперед -3,5 т; назад- 5 т. Генератор мощностью 20 кВт, напряжение 230 В, осветительная мачта- высота подъёма- 6м. Грузоподъёмность крана- Зт, угол поворота + 180градусов? максимальная высота подъёма груза - 6м. Полная масса автомобиля 15100 кг.

Пожарно-спасательный автомобиль ПСА 2,0-40/2 (43206) предназначен (рис.2.4):

для тушения пожаров и ликвидации чрезвычайных ситуаций в жилых и общественных зданиях, на промышленных объектах, транспортных средствах;

для доставки к месту пожара или чрезвычайной ситуации (аварии) пожарно-спасательного расчета, запаса огнетушащих веществ, пожарно-технического вооружения, специального оборудования и инструмента, средств радиосвязи и освещения;

для подачи в очаг пожара огнетушащих веществ (воды или воздушно-механической пены) через стационарный лафетный ствол, ручные стволы и ручной ствол-распылитель высокого давления с забором воды из цистерны, открытого водоема или гидранта, а пенообразователя из штатного пенобака или сторонней емкости;

насосная установка оборудована насосом центробежным пожарным комбинированным НЦПК-40/100-4/400, водо-пенные коммуникации оснащены стволом-распылителем высокого давления с катушкой рукавной СРВДК-2/400-60, на крыше ПСА установлен стационарный лафетный ствол ЛС-С20У;

для проведения аварийно-спасательных и специальных (вскрытие и разборка строительных конструкций, проведение спасательных работ с высот, освобождение пострадавших из-под завалов и т.п.) работ;

для освещения мест проведения работ;

система обогрева кабины боевого расчета и насосного отсека выполнена на основе автономной отопительной установки типа ОВ65-0010-В на дизельном топливе;

кузов для размещения пожарно-технического вооружения (ПТВ) и аварийно-спасательного оборудования и инструмента (АСО) изготовлен с широким применением листового материала из алюминиевого сплава и нержавеющей стали, двери боковых отсеков выполнены шторными.

Рисунок 2.4 - Пожарно-спасательный автомобиль ПСА 2,0-40/2 (43206)

Вся вышеперечисленная техника позволяет проводить аварийно-спасательные работы в местах, куда она может пройти по относительно хорошим дорогам. Но данная техника не позволяет проводить аварийно-спасательные работы в труднодоступных местах (горные районы, болота, тундра и т.д.), в условиях бездорожья и при наводнении.

3. Конструирование аварийно-спасательного автомобиля

3.1    Назначение и область применения АСА

Основным недостатком АСА является то, что при работе самостоятельно эта машина не может обеспечивать тушения очагов возгораний и машине требуется дополнительная кооперация с автоцистернами.

Современный мониторинг частей МЧС показывает, что остро востребованным сейчас являются автомобили первой помощи, быстрого реагирования и аварийно - спасательные машины. Однако всё чаще и чаще складываются ситуации, когда при ликвидации аварий остро встаёт вопрос о необходимости использования средств порошкового, газового и углекислого тушения, когда необходим запас пенообразователя (не менее 8% от количества вывозимой воды) и т.д.

3.2    Современная концепция развития аварийно-спасательных автомобилей

Необходимость в проведении пожарно-спасательных работ может возникнуть при каждом боевом въезде оперативных подразделений. В тоже время редкая авария или катастрофа обходятся без необходимости ликвидации возгорания или тушения пожара, Эти соображения необходимо учитывать при разработке типажа современных пожарных в ряде стран пожарных машин уже нельзя рассматривать как положительный фактор из-за проблем, возникающих при подготовке личного состава и эксплуатации автомобилей, а также высокой их стоимости.

Анализ пожарных машин показывает, что в основу типажа современных аварийно - спасательных автомобилей, являются составной частью общего типажа ПА, находящихся на вооружении пожарной охраны разных стран, положены следующие концептуальные соображения:

универсальность автомобилей, обеспечивающая экономичность их эксплуатации и обеспечивающая подготовку личного состава к действиям в экстремальных условиях.

серийность комплектующих элементов и возможность их комбинирования, позволяющая оптимизировать техническое обслуживание, сократить номенклатуру запасных частей, обеспечивать взаимозаменяемость элементов в случае их выхода из строя.

функциональная надёжность автомобилей, обеспечивающая их высокую боеготовность, сокращения затрат на приобретение и обслуживание техники.

разумное сочетание достаточности и экономичность типажа, обеспечивающего выполнения всего комплекса операций на месте инцидента с минимальными затратами средств на приобретение и содержание техники.

наличие в комплектации входящих в типаж автомобилей не только оборудования для выполнения технических работ, но и приборов контроля состояния среды на месте инцидента и снаряжения и защиты личного состава от опасных факторов, являющихся следствием аварии или катастроф.

Все приведённые соображения по-своему важны, однако вопросам универсальности, возможностям комбинирования и надёжности в настоящее время уделяется особое внимание.

В Германии, например, разработана концепция оптимизации типажа выпускаемых в стране пожарных автомобилей, в известной мере базирующийся на приведённых выше соображений. Предложенная концепция заключается в переходе от существующего широкого ассортимента пожарных автомобилей узкого назначения к универсальным базисным пожарным автомобилям трёх классов, оснащённым необходимым оборудованием для выполнения пожаротушения и технической помощи. Причём всё это оборудование для размещения пожарных автомобилях на пожарных автомобилях стандартизировано и объединено в 9 больших групп:

защитные костюмы и дыхательные аппараты

огнетушители и агрегаты для комплектации пожарных автомобилей

рукава, стволы и гидравлическая арматура

технические средства для проведения спасательных работ

медицинская техника

осветительное оборудование и тревожная сигнализация

вспомогательная техника и оборудование

специальные технические средства

ручные приборы и измерительная техника.

В группу приборов входят и приборы, используемые пожарными для измерения радиаций: 3 индивидуальных дозиметра, 3 сигнализатора опасной дозы облучения, измеритель уровня радиации, сигнализатор опасного уровня радиации, индикаторы дозы, измеренной индивидуальным дозиметром.

Предлагая данную концепцию базисных автомобилей, специалисты исходили из предложения, что они должны заменить автоцистерны и автонасосы, а также частично аварийно - спасательные автомобили. Например, этому предложению полностью соответствует третий (тяжёлый) класс базисного пожарного автомобиля, который пригоден для выполнения боевых задач любой сложности, связанных как с тушением пожара, так и с выполнением аварийно спасательных работ.

Этот автомобиль с полной массой 14 - 16 т. И боевым расчётом 6 человек, вывозит 2000 л воды и 200 л пенообразователя, оборудован автоматическим самовсасывающим насосом производительностью 45 л·с-1 при давлении 8 бар и 5 л·с-1 при давлении 35 бар. Высокая удельная мощность, около 15 кВт·т-1 обеспечивает высокие динамические показатели и проходимость машины. Спектр функциональных возможностей автомобиля расширен благодаря применению многочисленного комплектующего оборудования, в состав которого входят: комбинированный лафетный ствол с подачей воды или раствора пенообразователя 27 л·с-1, катушка первой помощи с жёсткими шлангами длинной 60 м, 5 ручных стволов и 2 пеногенератора, 4 изолирующих противогаза, 2 погружных электронасоса, выносной электроагрегат мощностью 8 кВт. В кузове пожарной надстройки размещён стационарный электрогенератор мощностью 20 кВт, привод которого осуществляется от коробки отбора мощности. В задней части кузова установлена световая мачта с тремя прожекторами заливающего света мощностью по 1000 Вт (высота мачты до 7 м). В комплектацию автомобиля входит специальное оборудование: комплект гидроинструмента, пневмодомкраты, вентилятор производительностью 10 тыс. м3·ч-1, защитная одежда для личного состава и др. Конструкция кузова современная - блочно-модульная.

Усиление базисных автомобилей при сложных пожарах, авариях, катастрофах, предлагается осуществлять с помощью автомобилей со съёмными надстройками. Пожарная охрана Германии первой начала использовать модульной компоновки, в том числе с прицепным ведущем модулём.

Что касается системы съёма кузова, более рациональной была признана компоновка со съёмными модулями, представлена на рисунке 3.1.

Идея автомобиля со съемными модулями заключается в том, что таким пожарным машинам придаются функции оперативных ПА, и они вводятся в боевой расчет частей, на вооружении которых находятся. Для этого создается гамма модулей - не только со специальным оборудованием и приборами, но и со средствами тушения и устройствами для их подачи

В первую очередь это порошковые установки, которые могут работать без отбора мощности от базового шасси, оборудованного баллонами со сжатым инертным газом. Емкости с пенообразователем, оборудованные пеносмесителями, арматурой и другими принадлежностями. Такой модуль может работать в паре, например, с автоцистерной для подачи воздушно-механической пены, что довольно часто случается в практике тушения пожаров.

Таким образом, автомобиль со сменным съёмным модулем (например с порошковым) может находиться в части в боевом расчёте и выезжать по тревоге на тушение любого пожара. В случае возникновения техногенной аварии, а также крупного или сложного пожара ставиться тот модуль, который необходим в сложившейся фактической обстановки, и прежний автомобиль выполняет новые другие функции.

Это гибкая тактика позволяет с максимальной эффективностью использовать находящуюся на вооружении пожарной охраны мобильную технику, предназначенную в первую очередь для применения в условиях чрезвычайных ситуаций. При этом сокращаются расходы, как на приобретение, так и на эксплуатацию пожарных автомобилей.

3.3 Выбор шасси, силового агрегата и пожарной надстройки

Для правильного выбора шасси и силового агрегата проектируемого АСА следует исходя из среднестатистической продолжительности следования и нормированного значения радиуса выезда, определить максимальную скорость движения - υА мах при заданных условиях эксплуатации:

υА мах = R / (τсл ∙с1∙с2∙с3 ∙с4),                                  (3.1)

где R - протяженность (радиус) выезда, км;

с1- коэффициент использования мощности (0,3...0,4);

с2 - коэффициент развития мощности (0,8);

с3- коэффициент учета климатических условий (0,5...0,9);

с4- коэффициент учета дорожных условий (0,3...1,0);

а мах - максимальная техническая скорость автомобиля, км·ч-1.

υА мах = 3 / (0,22 ∙ 0,4 ∙ 0,8 ∙ 0,5 ∙ 0,85) = 100 км·ч-1

В соответствии с исходными данными проекта, нами будут рассмотрены варианты шасси большой грузоподъемности 5...8 т.

Для удобства проведения сравнительного анализа прототипов и выбора шасси и силового агрегата для проектируемой машины, параметры технических характеристик сравниваемых моделей АСА сводим в табл. 3.1. В качестве прототипов разрабатываемой машины нами будут рассмотрены: концепткар пожарного иавтомобиля Европейского Содружества на шасси Мерседес (принят на вооружение в Германии в 2003 г.) и отечественный автомобиль АСА-20, выпускаемый ОАО «Пожтехника». Для всех автомобилей в качестве базы используется шасси повышенной проходимости с колесной формулой 6x6, и полной массой, не превышающей 16000 кг.

В таблице 3.1 использованы следующие сокращения: КЛ - классическая компоновка; ПП - переднеприводная компоновка; КЗД - кабина за двигателем; КНД - кабина над двигателем; КПД - кабина перед двигателем; БР6В - бензиновый рудный 6-и цилиндровый, расположенный вдоль двигатель; ДР4П - дизельный рядный 4 -цилиндровый, расположенный попе-рек двигатель; ДТV8В - дизельный турбированный V- образный 8 - цилиндровый, расположенный вдоль двигатель.

Таблица 3.1 - Характеристики аварийно-спасательных автомобилей

Наименование параметра

Обозначение

Страна, модель ПА



Россия

Германия

Проект

1.Тип

АСА

-20 КамАЗ (43114)

3 класс VMR30 ЕР820

-20 М УРАЛ(6370)

2.Колесная формула шасси


6x6

6x6 Мерседес 1929К38

6x6

3.Компоновочная схема


КЛ

КЛ

КЛ

4.Положение кабины


кнд 1+2

кнд 1+2

кнд 1+2

5.Номинальная грузоподьемность, кг

mH

7000

8000

8000

6.Полная масса, кг

mA

15100

17000

15000 до 15600

7. Запас огнетушащего вещества

Пена Порошок СО2

- - -

2250 или AFFF760

2000 1260 300 (0.3)

8. Габариты, мм.: длинна ширина высота

 LA BA HA

 7900 2500 3500

 9000 2500 3660

 7900 2500 3500

9. Максимальная скорость, км/ч

υAmax

85

90

До 100 рекомендован 85

10. Расход топлива, л/100 км.

QS

40

37,6

34

11. Тип, модель, двигатель


ДV8В 740

ДV8В 1929К38

ДV8

12. Максимальная мощность, кВт

NE max

191

190

176

13. Частота вращения коленвала при NE max

nN

2600

3150

2600

14. Максимальный вращающий момент, H·м

MEmax

663

875

656,7

15. Масса двигателя

740

1600

800


Выбор пожарной надстройки полностью зависит от заданного типа пожарной машины и современного дизайна. Проанализировав характерные для АСА сборочные единицы, агрегаты, крупное пожарно-техническое оборудование и количество личного состава боевого расчёта, заполним таблицу 3.2.

Таблица 3.2 - Характеристики сборочных единиц и агрегатов проектируемого ПА

Наименование сборочной единицы, агрегата

Масса, кг

Габариты, мм. 1 x b x h

Координаты центра масс

Статистические моменты, H/m




Xi

Zi

Mi·Xi

Mi·Zi

1. Шасси и кузов с ПТВ

3635 3315

8000x1000x 800

2

1

136220

68110

2. Двигатель.

740

1500x1000x 800

0,25

1,2

1113

7252

3. кабина и боевой расчёт.

550 +240

1400x2500x 1600

0,6

1,2

4645

9290

4. Генератор с оборудованием.

550 +160

700x2500x 1500

1,2

1,2

8349,6

8349,6

5. Осветительная мачта.

100

400x400x 1400

1

1,5

980

1470

6. Запасное колесо на крыше.

60

1000x1000x 400

1,1

3

646,8

1764

7. Малый отсек с оборудованием.

250

600x2500x 1500

1,8

1,6

4410

3920

8. Большой отсек или модуль.

2000

1200x2500x 1500

3,3

1,8

646820

35280

9. Сменный модуль.

2000

100x2500x 1500

4,6

1,8

90160

35280

10. Подъёмный кран.

1400

700x1200x 2700

5,7

1,4

78204

19208

Итого:

15000




X=2,57

Z=1,29


Проанализировав основные АСА, находящиеся на вооружении в нашей стране и за рубежом, выбираем первый способ создания проектируемой машины: на серийное шасси устанавливаем пожарную надстройку, т.е. кабину (салон) боевого расчета и специальную платформу с оборудованием.

В качестве прототипа ходовой части предлагаем использовать шасси автомобиля «Урал-6370» (6x6) с передним рулевым управлением. Дизельный двигатель обеспечит передвижение автомобиля, работу специальных агрегатов и приспособлений, работу насоса, гидравлической системы, привода подъемного крана. Передача мощности будет осуществлена через механическую зубчатую трансмиссию и сочленённые валы.

На выбранном шасси устанавливаем кабину для водителя и команды из двух человек с посадочной формулой 1+2, платформу с дополнительным оборудованием и огнетушащими веществами.

4. Разработка пожарных модулей надстройки автомобиля

Тушение большинства пожаров в настоящее время осуществляется водой, водными растворами минеральных солеи и воздушно-механической пеной различной кратности. Однако с развитием нефтяной, химической и некоторых других отраслей промышленности тушение водой и водными растворами не всегда становится эффективным и безопасным. Поэтому для тушения электроустановок под напряжением, щелочных металлов, кислородосодержащих веществ и т.п. применяют специальные огнетушащие вещества, включающие порошковые составы, инертные газы, галоидированные углеводороды и другие огнетушащие композиции. В связи с этим на пожарных автомобилях монтируются установки водопенного, полипенного, порошкового, газового, аэрозольного и комбинированного тушения.

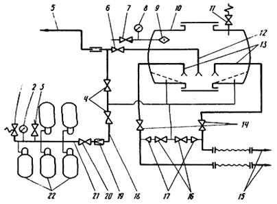
4.1 Разработка модуля порошкового тушения

На автомобильных установках порошкового тушения в основном используются три способа подачи огнетушащих порошковых составов (ОПС): пневматический, аэрозольный и комбинированный.

При пневматическом способе порошок подается за счет временно создаваемого в емкости избыточного давления газов или постоянного давления, поддерживаемого на уровне 3000...3500 кПа. Этот способ применялся на ранее выпускавшихся пожарных машинах АП-0,7(66)122 и современных автомобилях порошкового тушения АП-4(43101) 001-ТЛ.

При аэрозольном способе под наклонно установленное днище из многослойной воздухопроницаемой ткани компрессором ротационного типа РК-6/1 нагнетается воздух под небольшим давлением 150...200 кПа, достаточным для "псевдоожижения" порошка. При этом порошок по наклонному днищу стекает к сифонным заборникам и далее по трубопроводам поступает к стволам. Этот способ применяется на пожарных машинах АП-3(130) 148.

При комбинированном способе аэрация сочетается с пневматической подачей под действием избыточного давления.

Наиболее узкими местами этих систем подачи порошка, как и прежде, остаются не механизированные процессы заправки емкостей порошком и предупреждение слеживаемости порошковых составов при длительной эксплуатации порошковых установок.

На основании рассмотрения известные схемы, предлагается новая схема, объединяющая достоинства существующих систем подачи порошка и наиболее подходящая к заданным условиям эксплуатации проектируемого модуля порошкового тушения.

Предполагаемая схема представлена на рисунке 4.1.

Рисунок 4.1 - Схема порошковых коммуникаций разрабатываемого модуля:

- предохранительный клапан высокого давления; 2 - манометр высокого давления; 3 - вентиль; 4 - клапан низкого давления; 5 - лафетный ствол; 6 - клапан лафетного ствола; 7 - вентиль; 8 - манометр низкого давления на сосуде; 9 - фильтр линии вакуумной загрузки; 10 - сосуд; 11 - предохранительный клапан; 12 - труба лафетного ствола; 13 - труба рукавной линии; 14 - клапан трубы ручного ствола; 15 - ручной ствол-пистолет; 16 - клапан продувки рукавной линии; 17 - обратный клапан системы продувки; 18 - коллектор низкого давления; 19 - редуктор; 20 - клапан высокого давления; 21 - коллектор высокого давления; 22 - баллон

4.1.1 Расчет мобильных установок порошкового тушения

Расчет мобильных установок порошкового тушения производится в следующей последовательности.

Определяется расчетным путем объем емкости - VР для порошка:

Vp=GП/ρп+Vc,                                        (4.1)

где Gп - насыпная плотность порошка, кг;

ρп - масса огнетушащего порошка, кг;

Vс - объем свободного пространства - 10 %, м3

Масса порошка - Gп, вывозимого на ПА, определяется по формуле, аналогичной формуле:

Gп = k∙FП∙J∙τp,                                        (4.2)

где k - резервный запас порошка, принимается k=2;

FП - площадь пожара, м2;

J - интенсивность подачи, кг(см2)-1;

τp,- расчетное время тушения, с.

Расчет проводим исходя из максимальной предполагаемой площади пожара, равной для предполагаемых объектов тушения 70 м2. Интенсивность подачи принимаем для спирта т.е. 0,3.

Тогда масса порошка определится как:

Gп = 2∙70∙0,3∙30 = 1260 кг

VР= 1,1∙1260/1100 = 1,26 м3

Расчет требуемого количества сжатого газа (воздуха) проведем по нижеследующей формуле:

Gгаза = Gраб + Gтр. + Gпр.,                                     (4.3)

где Gраб. - масса газа, необходимая для создания рабочего давления, кг

Gтр. - масса газа для транспортирование порошка в зону горения, кг;

Gпр- масса газа, необходимая для продувки трубопроводов от оставшегося порошка, кг.

В свою очередь количество газа, необходимое для создания рабочего давления, определим по формуле:

Gраб = Vс∙ρР,                                          (4.4)

где ρР - плотность газа в емкости при рабочем давлении РР. и температуре ТР.

ρР = РР/(R∙Тр),                                        (4.5)

где R - газовая постоянная, Дж (кг·К)-1.

Количество газа, необходимое для транспортировки порошка в зону горения, определим по формуле:

Gтр. = qп∙τтр./kконц.,                              (4.6)

где qп - расход порошка (расчетный), кг·с-1;

τтр. - продолжительность транспортирования порошка, с;

kконц. - коэффициент концентрации газопорошковой смеси для состава марки ПСБ находится в пределах 10...25, (кг порошка / кг газа).

Количество газа, необходимое для продувки коммуникаций составляет:

Gпр = 0,2 ∙ Gраб.                                              (4.7)

По потребному количеству газа определим необходимое для его хранения число баллонов - ZБ:

ZБ = Gгаза / (VБ∙ρБ),                               (4.8)

где VБ - объём баллона, м3

ρБ - плотность газа в баллоне при давлении и температуре, кг·м-3.

Gраб = 0,252∙0,5 = 0,125

ρp = 4,3∙104/(287∙293) = 0,5

Gпр. = 0,2∙0,125 = 0,025

Gтр. = 30∙30/15 = 60

ZБ = (0,125 + 60 + 0,025) / (0,05∙500) = 2,4

Согласно расчетам принимаем с некоторым запасом три баллона.

Окончательный вариант схемы порошковых коммуникаций для сменного модуля, работающего автономно, без отвлечения мощности двигателя базового шасси представлен на рисунке 4.2.

Комплектация модуля включает: три баллона со сжатым воздухом или инертным газом; две катушки с рукавами по 16 м; емкость, рассчитанную на 1,5 м3 и обеспечивающую вывоз 1300 кг порошка.

Таким образом, спроектированный модуль может обеспечивать подачу 30 кг·с-1 порошка в течение 40...45 с, что достаточно для тушения проектной площади пожара.

Рисунок 4.2 - Схема порошковых коммуникаций сменного модуля

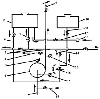
4.2 Разработка модуля газового тушения

Аналогично разработанному порошковому модулю может быть использован модуль газового тушения, предназначенный для тушения пожаров в закрытых объемах с большими материальными ценностями (музеи, банки, склады, архивы), в помещениях объектов спиртовой промышленности, а также в электроустановках и кабельных туннелях.

В целях снижения затрат при разработке модуля газового тушения целесообразно использовать стандартное оборудование. Одним из возможных вариантов может оказаться схема, представленная на рисунке 4.3. Модуль газового или углекислотного тушения содержит: 12 баллонов по 40 л, позволяющих транспортировать 300 кг жидкой двуокиси углерода (высшего и первого сортов по ГОСТ 8050-85), две катушки с возможностью подключения ломов пробойников или раструбов-распылителей с рукавом 25 м.

Рисунок 4.3 - Принципиальная схема углекислого тушения

4.3 Гидравлическая схема подъемного крана

Одной из особенностей разрабатываемой машины является укомплектованность ее грузоподъемные механизмом с гидроприводом. Принципиальная гидравлическая схема работы крана показана на рисунке 4.4. Кран имеет следующие характеристики: максимальный грузовой момент, кНм (т.м.) - 30 (3), вылет стрелы - 6 м, максимальная высота подъема груза - 6 м, угол поворота ± 120 град. Для обеспечения устойчивости АСА при работе подъемного крана машина снабжена управляемыми с помощью гидравлики двумя выдвижными опорами.

Рисунок 4.4 - Схема гидравлическая принципиальная

5. Компоновочный расчёт аварийно-спасательного автомобиля

5.1 Разработка компоновочной схемы

аварийный спасательный автомобиль пожарный

Разработка компоновочной схемы пожарного автомобиля начинается с определения его собственной (снаряженной) массы без учета массы вывозимого оборудования (надстройки). С учетом коэффициента снаряженной массы, собственная масса снаряженного пожарного автомобиля - mс определяется как:

,                                          (5.1)

где mн - номинальная грузоподъемность, кг (масса перевозимого груза, указанная в технической характеристике автомобиля);

q - коэффициент снаряженной массы.

mс = 8000∙0,65 = 5200 кг.

АСА относится к специальным машинам и требует при определении массы шасси учитывать массу оперения пожарной надстройки. В связи с этим в расчеты вводится поправочный коэффициент (коэффициент надстройки):

mс = 8000∙0,65∙1,3 = 6760 кг.

Полная масса ПА - mА (кг) определяется как сумма следующих масс:

mА = mн + mс + 80z = mн(1 + ч) + 80z,           (5.2)

где z - число мест в кабине (салоне) боевого расчета, включая водителя.

mА = 8000 + 6760 + 80∙3 = 15000 кг.

При определении числа осей пожарного автомобиля прежде всего следует учесть единые международные нормы весовых ограничений для автотранспортных средств, обусловленные прочностью дорожных покрытий. Для пожарных автомобилей, относящихся к автомобилям группы Б, предназначенным для эксплуатации по всей сети дорог, допустимая нагрузка на одинарную неуправляемую ось должна быть не более 60 кН, на одинарную управляемую ось - 45 кН. Общее число осей определяем по нижеследующей формуле:

к =(GА - куGу) / Gну + ку,                                         (5.3)

где GА - полный вес автомобиля GA = mA∙g, Н;

g - ускорение свободного падения, м·c-2;

ку - число управляемых осей;

Gу - весовая нагрузка на управляемую ось, Н;

Gну - допустимая весовая нагрузка на неуправляемую ось, Н.

k = (15000∙9,8 - 1∙45000) / 60000 + 1 ≈ 3.

Минимальное число осей - кmin определяется из условия возможности установившегося движения ПА с небольшой скоростью в заданных дорожных условиях по сцеплению:

кmin > GA· (1-0,3)/( GНУ · ),                           (5.4)

где  - максимальное значение коэффициента суммарного сопротивления дороги, для расчетов принимается 0,150;

 - расчетный коэффициент сцепления, принимается равным 0,4.

Кmin = 3 > 15000∙9,8∙0,150 (1 - 0,3∙0,4)/(60000∙0,4) = 0,8.

Колесная база - L является одним из наиболее важных параметров конструкции ПА. Ее значение определяется в соответствии с формулой:

L = Gн(lк + Δ + 0,5·1пл)/(Gн + Gо - G1),                            (5.5)

где Gн - номинальный вес груза, Н;

lК - расстояние от передней оси автомобиля до задней стенки кабины, мм;

Δ - зазор между задней стенкой кабины и кузовом Δ ≈ 100 мм;

lпл - длина грузовой платформы, выбирается по прототипу или в зависимости от габаритов размещаемого оборудования, мм;

Gо, G1 - весовая нагрузка на переднюю ось автомобиля без груза и с грузом, Н.

L = 8000∙9,8 (360 + 100 + 0,5 ∙ 5840) / (8000∙9,8 + 2700 - 3600) = 3340 мм.

Таким образом, определив основные параметры шасси, предлагаем следующую компоновочную схему пожарного автомобиля: полноприводное повышенной проходимости шасси 6x6, классическая компоновка, кабина над двигателем.

5.2 Определение координат центра масс и нагрузок по осям

Для выбранной компоновочной схемы шасси согласно рисунку 5.1:

G2 + G3 = 0,76∙15000 = 11400 => G2 = G3 = 5700 кг.

G1 = GA - (G2 + G3) = 15000 - 11400 = 3600 кг.

G0 = 0,75∙G1 = 0,75∙3600 = 2700 кг.

Координаты центра тяжести ПА (мм) определяем как:

ХGа = ∑(Gi∙хi) / GА; YGа = ∑(Gi∙yi); ZGя = (Gi∙zi) / GА,  (5.6)

где хGа, уGа, zGа -координаты Центра тяжести ПА по осям Ох, Оу, Оz;

Gi; - вес отдельных элементов конструкции ПА, Н;

GА- полный вес ПА, равный сумме Gi, Н;

xi, yi, zi - координаты центров тяжести отдельных элементов конструкции ПА по осям Ох, Оу, Оz, мм.

Рисунок 5.1 - Схема весовых нагрузок шасси

а = хGа = ∑(Gi∙хi)/ Gа = 2,57м.

hg = zGа = ∑(Gi∙zi)/ GA = 1,29 м

Так как расстояние от передней оси автомобиля до центра масс по оси координат ОХ а = хGа, то a = 2,57 м. hg = zGа = 1,29 м.

Полученные расчетным путем координаты центра масс проектируемого автомобиля показывают, что компоновка автомобиля осуществлена удачно, весовые нагрузки на отдельные оси соответствуют рекомендациям завода изготовителя шасси, так как около 74 % массы приводится на заднюю тележку и 26 % - на переднюю управляемую ось. Таким образом, принятая компоновка обеспечивает заданные параметры проходимости, управляемости, устойчивости и безопасности.

6. Тягово-динамический расчёт аварийно-спасательного автомобиля

Способность ПА в кратчайший срок прибывать к месту вызова оценивается главным образом его тягово-скоростными свойствами. Они предопределяют диапазон скоростей движения и предельные ускорения ПА, возможные на тяговом режиме по техническим характеристикам двигателя и сцеплению ведущих колес с дорогой в различных эксплуатационных условиях.

6.1 Выбор параметров тягового расчета

Для проведения тягового расчета необходимо выбрать типоразмер пневматических шин, относительную радиальную деформацию их профиля, механический КПД трансмиссии, коэффициент обтекаемости машины, коэффициент сопротивления движению и предварительно определить динамический и кинематический радиусы колеса, а также площадь Миделя.

6.1.1 Типоразмер шин и радиусы колеса

Выбор пневматических шин производится с учетом их номенклатуры по наиболее нагруженным колесам ПА.

Динамический радиус колеса - Rд(м) в первом приближении принимается равным статическому радиусу прототипа - rст, который приводится в ГОСТ на пневматические шины.

При отсутствии данных по статическому радиусу пользуемся для эластичных шин следующим выражением:

rд = 0,5 d + λш*Δ*Вш,                                               (6.1)

где d - посадочный диаметр обода колеса, указанный в маркировке шины в мм или дюймах, м;

λш - относительная радиальная деформация профиля шины (коэффициент смятия шины под нагрузкой), принимаемый λш = 0,89...0,9;

Δ - отношение высоты профиля шины к ее ширине: для обычных автомобильных шин принимается Δ = 1, для широкопрофильных и арочных указывается в маркировке шины;

Вш - ширина профиля шины, указанная в маркировке в мм, м.

Радиус качения колеса (кинематический) - rк определяется экспериментально. При отсутствии экспериментальных данных для диагональных шин принимаем rк = 1,02 rд, для радиальных шин rк = 1,04 rд.

rд = 0,5∙508 + 0,89∙1∙260 = 485,4 м.

rк = 1,04∙485 = 505 м.

6.1.2 Коэффициент полезного действия трансмиссии

КПД механической трансмиссии - ηТР равен произведению коэффициентов полезного действия входящих в трансмиссию механизмов:

ηтр = ηкп ·ηдк · ηк · ηГ ·ηкр                                       (6.2)

где : ηкп - КПД коробки передач (основной), принимаемый 0,96...0,98;

ηдк - КПД дополнительной коробки (раздаточной, демультипликатора) маркируемый в пределах 0,93.,.0,97;

ηк - КПД карданной передачи, для одного шарнира ηк = 0,995;

ηГ - КПД главной передачи, варьируемый в пределах 0,93...0,97;

ηкр - КПД колесного редуктора, принимаемый ηкр = 0,96...0,98.

ηТР = 0,98∙0,95∙0,995∙0,995∙0,96 = 0,885.

6.1.3 Коэффициент обтекаемости и площадь Миделя

Аэродинамические свойства ПА характеризуются фактором обтекаемости, представляющим собой произведение коэффициента обтекаемости и площади лобового сопротивления (Миделя).

Коэффициент обтекаемости - kв равен силе сопротивления воздуха, действующей на один квадратный метр лобовой площади ПА при скорости его движения 1 м·с-1.

Площадь Миделя - SМ равна площади проекции ПА на плоскость, перпендикулярную его продольной оси. В проектных расчетах она определяется из выражения:

SM = a∙BA∙HA,                                        (6.3)

где а - коэффициент заполнения площади:

для грузовых автомобилей и автопоездов а = 0,75...0,90;

ВА - габаритная (наибольшая) ширина ПА, определяемая по компоновочной схеме или принимаемая по прототипу, м в соответствие таблицы 1.1;

НА - габаритная (наибольшая) высота ПА, определяемая по компоновочной схеме или принимаемая по прототипу, м в соответствие таблицы 3.1.

SМ = 0,65∙2,5∙3,6 = 5,85 м2.

Фактор обтекаемости - Кв определяем как:

КВ = kВ∙SМ.                                                     (6.4)

Кв = 0,6∙5,85 = 3,51.

6.2 Расчет параметров двигателя пожарного автомобиля

Требуемая эффективная мощность двигателя определяется из уравнения мощностного баланса при движении ПА с максимальной скоростью:

NEυ = (ψυ∙GA∙υAmax + KВ∙SМ∙υA3max)/1000 ηтр.                   (6.5)

где NЕυ - эффективная мощность двигателя при максимальной скорости движения ПА (кВт);

ψυ - коэффициент сопротивления движению, соответствующий четвертой категории дорог, принимается ψυ = 0,02.

NЕυ = (0,02∙15000∙9,8∙27,8 + 0,6∙5,85∙27,83)/(1000∙0,885) = 176 кВт.

Максимальная эффективная мощность двигателя - NЕ (кВт) определяется с помощью следующего соотношения:

Для дизельных двигателей

NEmax = NEυ =176 кВт.                                   (6.6)

6.2.1 Внешняя скоростная характеристика двигателя

Внешняя скоростная характеристика является основой технического расчета проектируемого двигателя. Ее расчет ведется, как правило, по формуле С.Р. Лейдермана :

NE = NEmax∙(a(n/nN) + b(n/nN)2 - c (n/nN)3),                    (6.7)

где Nе - текущие значения эффективной мощности;

а, b, с - постоянные для каждого типа двигателя коэффициенты:

для дизельного двигателя а = 0,53, b = 1,56, с =1,09;

n - текущее значение частоты вращения коленчатого вала двигателя, об·мин-1;

nN - частота вращения коленчатого вала при максимальной мощности двигателя, об·мин-1, в соответствии с таблицей 3.1.

NЕ = 176∙(0,81(1000/2200)+0,87(1000/2200)2 - 0,68(1000/2200)3) = 85,4 кВт.

Коэффициенты а, b, с выбраны для турбодизеля.

Эффективный вращающий момент двигателя - МЕ при этом определяем как:

МЕ = 9550 NЕ/n,                                               (6.8)

где n - текущее значение частоты вращения коленчатого вала двигателя, об·мин-1.

МЕ = 9550∙85,4/1000 = 815,75 Н·м.

Результаты расчетов заносим в таблицу 6.1. По полученным значениям строим графики соответствующие внешней скоростной характеристики двигателя, рисунок 6.1.

Таблица 6.1 - Параметры внешней скоростной характеристики двигателя

n, об·мин-1

1000

1400

1800

2200

2600

3000

3400

NЕ, кВт

85,4

122,1

153,8

176

184,5

175

0,875

ME, H·м

815,75

833

815,75

764

677,75

557

0


Рисунок 6.1 - Внешняя скоростная характеристика двигателя

6.3 Расчет параметров трансмиссии

Правильный расчет параметров трансмиссии является необходимой предпосылкой получения высоких средних скоростей движения ПА и его хорошей топливной экономичности.

6.3.1 Передаточное число главной передачи

Передаточное число главной передачи - iГ определяется из условия обеспечения заданной максимальной скорости движения ПА на высшей ступени в коробке передач по формуле:

iГ = 0,377∙rк∙n9/ (iКПВ∙iДКВ∙υAmax),                      (6.9)

где rК - кинематический радиус качения колеса, м;

iКПВ - передаточное число высшей ступени основной коробки:

для коробок грузовых автомобилей с числом передач менее шести, iКПВ = 1;

для остальных автомобилей принимается 0,6...1,0;

iДКВ - передаточное число высшей передачи дополнительной коробки передач или демультипликатора, в расчетах принимается 1... 1,44 (1 - при ее отсутствии);

υAmax - максимальная скорость движения ПА на прямой передаче, км·ч-1;

nυ - частота вращения коленчатого вала двигателя, соответствующая максимальной скорости движения ПА, об·мин-1.

Частоту вращения коленчатого вала двигателя определяем через коэффициент его оборотистости:

nυ = υAmax∙ηод,                                      (6.10)

где ηод - коэффициент оборотистости двигателя, принимаемый для легковых автомобилей и грузовых с дизельным двигателем в пределах 30...35, для грузовых автомобилей с бензиновым двигателем - 35...45.

nυ = 100∙35 = 3500 об·мин-1.

iГ = 0,377∙0,508∙3500/(1∙1∙100) = 6,7.

6.3.2 Передаточное число низшей ступени коробки передач

Передаточное число низшей (первой) ступени основной коробки передач - iКПН находим из условия преодоления автомобилем максимального сопротивления дороги:

iКПН = GА∙ψmax∙rД/ (MEmax∙iДК∙iГ∙ηТП),                      (6.11)

где ψmax - максимальное значение суммарного коэффициента сопротивления дороги, принимаемое в расчетах равным 0,4.

iКПН = 15000∙9,8∙ 0,4∙0,508 / (833∙0,85∙6,7∙0,885) = 7,1

Полученное значение первой передачи основной коробки проверяем по условию буксования. Буксования не будет, если выполняется неравенство: для заднеприводных ПА

iКПН ≤ Gφ- φсц∙rд / (MEmax∙iДК∙ iГ∙ηТР)∙(L / (L - hg∙φсц));

где Gφ -сцепной вес ПА, т.е. вес приходящийся на ведущую ось, Н;

φсц - коэффициент сцепления шин с дорогой, принимаемый для сухого шоссе 0,7...0,8;

L - база автомобиля, принимается из компоновочной схемы, м;

hg - высота центра масс, принимается из компоновочной схемы, м.

iКПН = 7,1 ≤ 11400∙9,8∙0,8∙0,508 / (833∙0,85∙6,7∙0,885)(4,26 / (4,26 - 2∙0,8)) =17,3

6.3.3 Передаточные числа промежуточных ступеней коробки передач

Передаточные числа промежуточных ступеней коробки передач выбираются из условия обеспечения максимальной интенсивности разгона ПА, а также возможности длительного движения при повышенном сопротивлении дороги.

Для использования в процессе разгона ПА наибольшей средней мощности двигателя, частота вращения его коленчатого вала должна находиться в диапазоне частот, близких к частоте, соответствующей максимальной мощности. Тогда передаточное число каждой последующей ступени получается из предыдущего умножением на постоянный множитель ряда геометрической прогрессии. Для 1-й ступени коробки передач имеем:

iКП i = (iКПНm-I ∙ iКПВi-1)1/(m-1),                                   (6.12)

где iКП i - передаточное число i-й ступени коробки передач;

iКПН - передаточное число низшей ступени коробки передач;

iКПВ - передаточное число высшей ступени коробки передач;

m - количество ступеней коробки передач.

iКП 1 = 7,1; iКП 2 = 4,35; iКП 3 = 2,66; iКП 4 = 1,6; iКП 5 = 1.

6.4 Построение тяговой характеристики

Тяговое усилие на колесе определяем из следующего выражения:

FKi = МЕ∙ iКПi∙ iДК∙iГ∙ηТР/ rд,                                 (6.13)

где FKi - тяговое усилие при i-й ступени коробки передач, Н;

МЕ - эффективный вращающий момент двигателя, принимаемый в соответствии с выбранными частотами вращения коленчатого вала по внешней скоростной характеристике, Н·м;

iКПi -передаточное число i-й ступени коробки передач.

Скорость движения ПА - υА (м·с-1) при заданной частоте вращения коленчатого вала двигателя - n (об·мин-1) с учетам передаточного числа трансмиссии вычисляем по формуле:

υА = 0,105∙rк ∙п/iТР,                                (6.14)

где rк- кинематический радиус качения колеса, м;

iТР - общее передаточное число трансмиссии, определяемое как:

iТР = iКП∙ iДК∙ iГ,                                            (6.15)

iТР = 7,82∙1∙6,7 = 52,4.

υА = 0,105∙0,508∙1000/52,4= 1 м·с-1

FKi = 815,75∙ 7,82∙1 6,7∙ 0,885 / 0,508 = 74459 Н.

Полученные численные значения сводим в таблицу 6.2 и по ее данным строим тяговую характеристику ПА.

Таблица 6.2 - Параметры тяговой характеристики АСА

Передача

Параметр

Частота вращения коленчатого вала двигателя, об·мин-1



1000

1400

1800

2200

2600

3000

3400

1

FK1, H

74459

76033

7445

69730

61858

50837

0


υА , m·c-1

1

1,4

1,8

2,2

2,6

3,0

3,4

2

FK2, Н

38400

39190

38000

35900

31900

26200

0


υА , m·c-1

1,94

2,76

3,5

4,3

5

5,82

-

3

FK3, H

23804

24324

23804

22308

19790

16264

0


υА , m·c-1

3

4,2

5,4

6,6

7,8

9

-

4

FK4, H

14561

14869

14561

13637

12098

9942

0


υА , m·c-1

5

7

9

11

13

15

-

5

FK5, H

9544

9746

9544

8939

7930

6517

0


υА , m·c-1

8

11,2

14,4

17,6

20,8

4

-


Тяговая характеристика проектируемого пожарного автомобиля представлена на рисунке 6.2.

Рисунок 6.2 - Тяговая характеристика АСА

6.5 Построение динамической характеристики

Для построения динамической характеристики ПА пользуются уравнением так называемого динамического фактора:

D = (FK - FB)/GA,                                             (6.16)

где D - динамический фактор, предложенный академиком Е.А. Чудаковым для сравнительной оценки динамических свойств автомобилей с различными техническими характеристиками;

Fв - сила сопротивления воздуха, определяемая через фактор обтекаемости (формула 4.4) и скорость движения ПА, Н:

Fв = Кв∙( υА)2,                                        (6.17)

Fв = 3,51∙(1)2 = 3,51 Н.

D1 = (74459 - 3,51) / (15000∙9,8) = 0,506.

Результаты расчетов, аналогично порядку построения тяговой характеристики, сводим в таблице 6.3.

По данным таблицы строим зависимости динамического фактора от скорости движения, представленные на рисунке 6.3.

Таблица 6.3 - Параметры динамического фактора АСА

Передача

Параметр

Частота вращения коленчатого вала двигателя, об·мин-1



1000

1400

1800

2200

2600

3000

3400

1

Fк1, Н

74459

76033

74453

69730

61858

50837

0


υА , m·c-1

1

1,4

1,8

2,2

2,6

3,0

3,4


Fв,Н

3,51

7,12

11,37

17

23,7

31,6

40,6


D1

0,506

0,517

0,506

0,470

0,420

0,340

-

2

Fк2, Н

38400

39190

38000

35900

31900

26200

0


υА , m·c-1

1,94

2,76

3,5

4,3

5

5,82

-


Fв,Н

13,2

26,7

43

64,9

87,75

118,9

-


D2

0,26

0,27

0,258

0,243

0,216

0,177

-

3

Fк3, Н

23804

24324

23804

22308

19790

16264

0


υА , m·c-1

3

4,2

5,4

6,6

7,8

9

-


Fв,Н

31,59

61,9

102,35

152,9

213,5

284,3

-


D3

0,16

0,165

0,161

0,15

0,133

0,108

-

4

Fк4, Н

14561

14869

14561

13637

9942

0


υА , m·c-1

5

7

9

11

13

15

-


Fв,Н

87,75

171,99

284,3

424,7

593,2

789,75

-


D4

0,098

0,1

0,097

0,089

0,078

0,062

-

5

Fк5, Н

9544

9746

9544

8939

7930

6517

0


υА , m·c-1

8

11,2

14,4

17,6

20,8

24

-


Fв,Н

224,6

440,3

727,8

1087,2

1518,5

2021,8

-


D5

0,06

0,063

0,059

0,053

0,04

0,03

-


Рисунок 6.3 - Динамическая характеристика АСА

Ускорение ПА - jА на горизонтальной дороге определяем как:

JA = (Di - ψ)∙g/δ,                                       (6.18)

где ψ - суммарный коэффициент сопротивления дороги, принимаемый для расчетов равным 0,02;

g - ускорение свободного падения, м·с-1;

δ - коэффициент учета вращающихся масс, определяется как:

δ = 0,05 + 1 +0,07 (iкп)2,                                  (6.19)

где iкп - передаточное число коробки передач, выбирается в соответствии с рассчитываемой передачей.

δ = 0,05 + 1 + 0,07*(7,82)2 = 5,33.

JА = (0,506 - 0,02) 9,8 / 5,33 = 0,89 м с-2

Полученные величины ускорений заносим в таблицу 6.4, по данным которой строим для первой, третьей и пятой передач графические зависимости JА = F(υА), представленные на рисунке 6.4.

Таблица 6.4 - Значения ускорения АСА на различных передачах

Передача

Параметр

Частота вращения коленчатого вала двигателя, об·мин-1



1000

1400

1800

2200

2600

3000

3400

1

JА1 м·с-2

0,89

0,91

0,89

0,82

0,73

0,6

-


υА, м·с-1

1

1,4

1,8

2,2

2,6

3,0

3,4

3

JА2 м·с-2

0,92

0,96

0,93

0,86

0,74

0,58

-


υА, м·с-1

3

4,2

5,4

6,6

7,8

9

-

5

JА3 м·с-2

0,35

0,37

0,34

0,288

0,175

0,08

-


υА, м·с-1

8

11,2

14,4

17,6

20,8

24

-


Рисунок 6.4 - Графики ускорений АСА на разных передачах

6.6 Построение графиков времени и пути разгона

Графики времени τ = f (υА) и пути разгона s = f (υА) строятся на основании графика ускорений ПА графоаналитическим методом. На кривой ускорений (рис.6.4), выделяются участки, на которых скорость движения ПА соответствует его разгону на 1-й, 2-й и последующих передачах. Затем каждый из этих участков разбивается на четыре или более одинаковых интервалов скоростей, в пределах которых ускорение принимается постоянным. Значение интервала скоростей на 1-й передаче рекомендуется выбирать в пределах 0,5...1, на промежуточных - 1...3, на высшей - 3...4 м·с-1. Границы интервалов и участков скоростей последовательно обозначают υ1; υ2; υ3; υ и т.д., а соответствующие им значения ускорений - j1; j2; j3; j4; и т.д.

Время разгона ПА (с) определяется для каждого выбранного интервала скоростей:

τ 1 = 2 (υ1 - 0)/(j1 + 0);                                               

τ 2 = 2 (υ2 - υ1)/(j1 + j2);                                             (6.20)

τ 3 = 2 (υ3 - υ2)/(j2 + j3);       и т.д.                                     

τ 1 = 2 (8 - 0)/(0,35 + 0) = 45,7с

Затем для каждого интервала скоростей определяется путь разгона ПА (м):

S1 = (0 +υ1)∙τ1/2;                                                                 = (υ1 + υ2)∙τ2/2;                                                  (6.21)= (υ2 + υ3)∙τ3/2; и т.д.                                                

1 = (0+8)∙45.7/2 = 182,8 м

Суммарное время и суммарный путь разгона ПА определяется суммированием соответствующих значении на отдельных интервалах:

τ =Ʃ τi = τ1 + τ2 +…+ τn, c;                              (6.22)

τ =Ʃ τi = 45,7 +8,88 + 9 + 10,19 +13,82 +25 =112,59 с

s = Ʃ si = s1+ s2+…+sn, м                                          (6.23)

= Ʃ si = 182,8 + 85,2+ 115,2 + 163,0 + 265,3 + 560,0 = 1371,5 м.

Результаты вычислений заносим в таблицу 6.5, по данным которой строим графические зависимости τ = f (υ A) и з = s = f (υ A), представленные на рисунке 6.5.

Таблица 6.5 - Значения времени и пути разгона АСА

Величина

Интервал скоростей


1

2

3

4

5

Скорость в конце интервала - υ, м·с-1

11,2

14,4

17,6

20,8

24

Ускорение в конце интервала- ji, м·с-2

0,37

0,34

0,288

0,175

0,08

Время разгона в интервале - τi, с

8,88

9

10,19

13,82

25

Суммарное время разгона - τ =Ʃ τi., с

112,59

Путь разгона в интервале - si, м

85,2

115,2

163

265,3

560

Суммарный путь разгона - s = Ʃ si, м

1371,5


Рисунок 6.5 - Время и путь разгона АСА

6.7 Построение графика мощностного баланса

Для оценки эксплуатационных свойств ПА на практике удобно пользоваться графиком мощностного баланса. По значениям силы тяги на ведущих колесах, сведенным в табл. 6.2, для каждой передачи строим кривые тяговой мощности в функции скорости движения NKi = f (υA). При этом тяговую мощность на ведущих колесах - NKi (кВт) определяем по следующей формуле:

Ki = FKi∙υA / 1000                                   (6.24)

Мощность - Nв (кВт), затрачиваемую на преодоление сопротивления воздуха, определяем как:

NB = FB∙υA / 1000                                            (6.25)

Мощность - NД (кВт), затрачиваемую на преодоление суммарного сопротивления дороги, определяем как:

Nд = GА∙ψ∙υA/1000,                                (6.26)

где ψ - коэффициент сопротивления движению, принимается ψ= 0,02.

Результаты расчетов сводим в таблицу 6.6, по данным которой строим график мощностного баланса, общий вид которого показан на рисунке 6.6.

Таблица 6.6 - Параметры мощностного баланса АСА

Параметр

Частота вращения коленчатого вала двигателя, об·мин-1


1000

1400

1800

2200

2600

3000

υА, м·с-1

1

3

5

9

15

24

NВ, кВт

0,0035

0,095

0,439

2,559

11,846

48,52

NД, кВт

2,94

8,82

14,7

26,5

44,1

70,56

υА, м·с-1

1

1,425

1,8

2,2

2,6

3,4

NK1, кВт

74,46

107,96

134,0

153,4

160,8

152,5

υА, м·с-1

1,94

2,76

3,5

4,3

5

5,82

NK2, кВт

74,5

108,16

133,0

154,4

159,5

152,5

υА, м·с-1

3

4,2

5,4

6,6

7,8

9

NK3, кВт

69

102,16

128,5

147,2

154,3

146,4

υА, м·с-1

5

7

9

11

13

15

NK4, кВт

72,8

104,0

131,0

150,0

157,3

149,1

υА, м·с-1

8

11,2

14,4

17,6

20,8

24

NK5, кВт

76,3

109.15

137,4

157,3

164,9

156,4


Рисунок 6.6 - График мощностного баланса:

точка А соответствует максимально возможной скорости движения АСА в заданных условиях с учетом сил сопротивления движению, а именно сил сопротивления дороги т.е. качению и подъему, и аэродинамических составляющих сил сопротивления воздуха.

7. Определение технико-эксплуатационных свойств аварийно-спасательного автомобиля

.1 Показатели топливной экономичности

Основным оценочным показателем топливной экономичности ПА является общий расход топлива, отнесенный к пройденному пути.

Топливно-экономической характеристикой называется зависимость путевого расхода топлива от скорости ПА при установившемся движении по дорогам с различным коэффициентом сопротивления. Она может быть построена для каждой передачи.

Путевой расход топлива определяем по формуле:

Qs = qN(NД+NВ) kn∙kИ/(36 υA∙ηтр∙ρт),                   (7.1)

где Qs - путевой расход топлива, л /100 км;

qN- удельный расход топлива проектируемого двигателя при Nmах: для дизелей qN = 195...230 г·(кВт·ч)-1;

kn- коэффициент, учитывающий изменение удельного расхода топлива в зависимости от частоты вращения коленчатого вала двигателя;

kи - коэффициент, учитывающий изменение удельного расхода топлива в зависимости от степени использования мощности двигателя;

ρт - плотность топлива: для дизельного топлива рт= 0,86 г·см-3.

Qs =230(25 + 2,5)1,04∙1,1 /( 36∙8∙0,85∙0,86) = 34,16 л/100 км

Результаты расчетов сводим в таблицу 7.1, по данным которой строим зависимость Qs = f (υA), представленную на рисунке 7.1.

Таблица 7.1 - Параметры топливно-экономической характеристики АСА

Параметр

Частота вращения коленчатого вала двигателя, об·мин -1


1000

1400

1800

2200

3000

υА, м·с-1

8

9

13

15

24

NK, кВт

76,3

100

120

140

156,4

NД + NВ, кВт

27,5

29

37

56

119

И

0,35

0,29

0,32

0,4

0,76

1,1

1,1

1,1

0,8

kn

1,04

1,01

1

0,89

0,67

n0

0,9

1

1,4

1,66

2,66

Qs, л/100 км

34,16

31,28

28

29

34,66


7.2 Показатели тормозных свойств

Основными оценочными показателями динамичности ПА при торможении является замедление - j3 (м·с-2 ) и путь торможения - SТ(м):

JЗ = (φ∙соsα + f ± sinα);                                               (7.2)

SТ = υА2 / 2g (φ∙ соsα +f ± sinα),                      (7.3)

где φ - коэффициент сцепления шин с дорогой, принимается φ = 0,6;

υА - принимается для расчетов υА = 0,6*υAmax;

f - коэффициент сопротивления качению колес, принимается f = 0,02.

j3 = (0,6∙0,98 + 0,02 + 0,05) 9,8 = 6,45 мс2Т = (0,6∙26)2 /2*9,8 (0,6*0,98 + 0,02 + 0,05) = 18,87 м

Рисунок 7.1 - Топливно-экономическая характеристика АСА

7.3 Показатели устойчивости

За оценочные показатели поперечной устойчивости ПА на кривой полотна дороги принимаются критические скорости движения, при которых наступает боковое опрокидывание или занос автомобиля:

υоп = (g∙R∙B/2 hg) 1/2,                             (7.4)

υ3 = (g∙R∙φ)1/2,                                         (7.5)

где υоп - критическая скорость ПА по боковому опрокидыванию, м·с-1;

R - радиус кривой полотна дороги, м;

В - колея автомобиля, м;

hg - высота расположения центра масс, принимается из комп. схемы, м;

υ3 - критическая скорость движения ПА по боковому заносу, м·с-1

υоп = (9,8∙25∙2,2 / 2∙1,4) 1/2 = 13,29 м·с-1

υ3 = (9,8∙25∙0,6)1/2 = 12,12 м·с-1

По данным расчетов, в соответствии с заданными условиями, строим зависимости, представленные на рисунке 7.2.

Рисунок 7.2 - Зависимости критических скоростей от радиусов кривизны дороги

7.4 Показатели управляемости

Критическая скорость ПА по условиям управляемости -υупр(м·с-1) определяется по следующей формуле:

υупр = (((φу 2 - f2) / tgθ - f) L Cosθ∙g)1/2,                            (7.6)

где φу - коэффициент сцепления управляемых колес с дорогой, принимаемый в расчетах равным 0,6;

θ - максимальный средний угол поворота управляемых колес ПА, обычно θ = 0,62...0,7 рад. (35...40°);

L - колесная база ПА, м

υупр = (((0,62 - 0,022) / 0,7 - 0,02) 5,2∙0,55∙9,8)1/2 = 3,7 мс-1

Если ПА движется со скоростью большей, чем υупр, то управляемые колеса будут проскальзывать в поперечном направлении и поворот их на еще больший угол не изменит общего направления движения.

Предельный радиус поворота при эластичных шинах - RЭ (м) определяется как:

RЭ = L / (tg (θ - σ,) + tg σ2),                              (7.7)

где σ1 и σ2 - углы увода колес, соответственно, передней и задней оси, град:

σ1 = Fσ1 / Ʃkув,                                                

σ2 = Fσ2 / Ʃkув,                                       (7.8)

где kув - коэффициент сопротивления уводу одного колеса: для грузовых kув = 800...1500 Н·град-1

Предельные значения боковых сил на колесах передней - Fσ1 и задней - Fσ2 (Н) оси, при которых колеса катятся еще без бокового скольжения, определяются из выражений:

Fσ1 = 0,4φ∙G1;                                                  

Fσ2 = 0,4φ ∙G2;                                        (7.9)

где φ - коэффициент сцепления колес с дорогой, принимаемый в расчетах равным 0,6;

G1, G2 - силы тяжести от полной массы ПА, приходящиеся, соответственно, на переднюю, заднюю ось автомобиля, Н.

RЭ = 5,2 / (tg 40 +tg 0,6) = 9,9 м.

Путем сравнения предельного радиуса поворота при эластичных шинах с радиусом поворота при жестких шинах определяют поворачиваемость ПА:

R= L / tg θ.                                                (7.10)

R= 5,2 / 0,55 = 9,4 м.

В данном случае RЭ = 9,9 > R=9,4, поэтому можно констатировать, что АСА обладает поворачиваемостью, близкой к нейтральной. Это соответствует заводским характеристикам автомобилей КамАЗ и обеспечивает приемлемую характеристику с точки зрения безопасности.

8. Разработка устройства фиксации сменного модуля

.1 Разработка принципиальной схемы фиксатора

Анализ существующих схем фиксации и креплений сменных кузовов и модулей показал, что наибольшее распространение получили роликовые конструкции. Однако опыт немецких коллег по эксплуатации подобных конструкций выявил у последних целый ряд недостатков. Основным из них является высокая стоимость.

Нами в проекте предлагается максимально простая и надежная схема, показанная на рисунке 8.1. Разработанная схема фиксации позволяет в полуавтоматическом режиме, при помощи гидравлически перемещаемого штока, легко и надежно закрепить модуль на платформе.

Рисунок 8.1 - Принципиальная схема фиксатора:

-модуль; 2-ухо; 3-фиксирующий палец-шток; 4-гидроцилиндр; 5-дроссель; 6-электрогидрокран; 7-насос; 8-бак; 9-переключатель

8.2 Расчет штока фиксатора

Расчет удерживающих модуль штоков или пальцев по направлениям среза можно провести по ниже представленной методике.

Исходные данные:

максимальная нагрузка (масса модуля) - 2000 кг,

т.е. максимально возможное усилие составит F = 19600 Н;

число опорных пальцев n = 1;

предел прочности на срез для СТ 3 [τ] = 21*9,8 Н·мм-2;

i - число плоскостей среза i = 2.

Условия прочности по направлениям среза

σmax = (F / ( n(π/4)*d2*i)) ≤ [τ],                                 (8.1)

тогда диаметр пальца можно определить как:

d = (F / ( [τ]*п(π/4)*i))1/2 = 16,4 мм.                          (8.2)

С учетом динамических нагрузок, а это можно определить через коэффициент, для нашего случая коэффициент будет находиться в пределах 1,6...1,8, диаметр штока фиксатора одного запорного-удерживающего устройства не должен быть менее 29,52 мм, что позволит рекомендовать диаметр - 30 мм.

9. Оценка возможностей «модульного» пенобака

Автомобильные установки водопенного тушения обеспечивают хранение, смешивание, подачу огнетушащих веществ и определяют тактико-технические возможности пожарной машины.

Как правило, они включают цистерну (для воды, бак для пенообразователя, пожарный насос, вакуум-кран, стационарный пеносмеситель, соединенные между собой системой трубопроводов, оборудованных задвижками, вентилями, кранами, клапанами, контрольно-измерительными приборами.

Для управления установками водопенного тушения используется как ручной механический привод, так и дистанционные системы управления с пневматическим, гидравлическим и электромеханическим приводом. Контроль за работой систем осуществляется с помощью манометров, мановакуумметров, тахометров.

Принципиальные схемы установок водопенного тушения основных пожарных автомобилей являются однотипными и отличаются друг от друга лишь наличием стационарных лафетных стволов, числом емкостей для огнетушащих веществ, конструктивными особенностями запорной и питающей арматуры.

В водопенных установках пожаротушения так же, как и в других аналогичных установках, для хранения огнетушащих веществ применяются цистерны, баки, баллоны и другие емкости. В зависимости от вида и способа подачи огнетушащих веществ эти емкости делятся на емкости свободного заполнения и емкости, работающие под избыточным давлением.

Объем емкостей, устанавливаемых на пожарных автомобилях, зависит от назначения последних, свойств вывозимых огнетушащих веществ, интенсивности их подачи в зону горения, грузоподъемности используемого шасси и многих других факторов, которые необходимо учитывать при создании новых и модернизации существующих пожарных машин.

В нашем случае стоит задача оценить возможности дополнительного, автономно вывозимого пенобака. Очень часто, при ликвидации крупных аварий и тушении пожаров, запаса пенообразователя, вывозимого цистернами недостаточно. Поэтому предлагается оборудовать аварийно-спасательный автомобиль сменной емкостью для пенообразователя, что позволит использовать эту машину совместно с цистернами, автонасосами и другими внешними устройствами подачи воды.

Рисунок 9.1 - Автомобильная установка водопенного тушения:

-всасывающий патрубок; 2-пожарный насос; 3-вакуум-кран; 4-трубопровод подачи холодной воды в змеевик теплообменника; 5-напорные патрубки; 6-трубо провод подачи огнетушащей жидкости из цистерны; 7-трубопровод подачи воды в цистерну; 8-цистерна; 9-лафетный ствол; 10-пенобак; 11-трубопровод подачи пенообразователя из пенобака; 12-трубопровод подачи пенообразователя из цистерны; 13-штуцер; 14-напорный патрубок пеносмесителя; 15-мановакуумметр напорной полости . насоса; 16-пеносмеситель; 17-мановакуумметр всасывающей полости насоса; 18-трубопровод для возвращения воды в насос из змеевика теплообменника

На проектируемом автомобиле АСА возможна установка модуля с емкостью до 2000 л. Попробуем оценить площадь тушения пожара при помощи такого количества пенообразователя.

В практических расчетах известна методика определения объема емкости для вывозимого основного огнетушащего вещества - Vо определяется по формуле. В конкретной задаче с учетом того, что при тушении пожаров подача воды будет осуществляться от внешнего источника (автоцистерны, мотопомпы, автонасоса и т.д.) объем необходимого основного огнетушащего вещества (воды) определится как:

Vо = 60k ∙ FП ∙ J ∙τр,                                         (9.1)

где k - коэффициент запаса, принимается k = 1,1; 1,2;

FП - среднестатистическая площадь пожара, м2;

J - интенсивность подачи огнетушащего вещества, 0,1 л·(с·м2)-1;

τР - расчетное время тушения, 4,5 мин.

Минимальный объем дополнительной емкости - Vд для хранения химического вещества (пенообразователя, смачивателя и т.п.), добавляемого в воду с целью повышения ее огнетушащей способности, определяется по формуле:

Vд = VВ ∙ с / 100,                                              (9.2)

где VВ - вместимость цистерны, заполненной водой, л;

с - процентное содержание химвещества, добавляемого в воду, %.

Подставив все исходные значения в вышеприведенные формулы, определим, что для 2000 л пенообразователя потребуется 33000 л воды, а полученным раствором можно будет потушить 1000 м2 площади пожара.

Толщину стенки - 8 емкости для огнетушащего вещества определим по формуле:

s = Р ∙ Dвн / (200 ∙ φ ∙ [σ] - Р) + с.                               (9.3)

где Р - давление внутри емкости. Па;

Dвн - внутренний диаметр резервуара, см;

φ - коэффициент прочности оболочки емкости, равный 0,7;

с - прибавка к расчетной толщине стенки, равная 1 мм;

[σ] - допускаемое напряжение, Па.

s = 2,1+1 = 3,1 ≈ 3,5

Для металлических конструкций принимаем толщину стенки 3,5 мм. В случае установки баков из полимерных материалов необходимо использовать жесткий каркас и внешнюю защиту.

10. Экономическая оценка проекта

Экономическую оценку проектируемого аварийно-спасательного автомобиля проведем по «Инструкции по определению экономической эффективности новой пожарной техники, пожарно-профилактических мероприятий в области пожарной защиты» разработанной ФГБУ ВНИИПО МЧС России на основе обязательного для всех ведомств документа-«Методика определения экономической эффективности использования в народном хозяйстве новой техники, изобретений и рационализаторских предложений» утвержденной Госкомитетом СССР по науке и технике, Госпланом СССР, Академией наук СССР и Госкомитетом по делам изобретений и открытий в 1977году,в которой учтены специфические особенности внедрения новой техники.

По вышеуказанной инструкции экономическую эффективность нового пожарного автомобиля определяем из сопоставления приведенных затрат производства базовой(прототипа) и проектируемой спкциальной пожарной машины.

В общем случае расчет денежных затрат производим по формуле:

З = С + ЕН∙К, (10.1)

где З - приведенные затраты на единицу продукции, руб.;

С - себестоимость единицы продукции, руб.;

К - удельные капитальные вложения в производственные фонды, руб.;

ЕН - нормативный коэффициент капитальных вложений.

Таким образом, приведенные затраты представляют сумму себестоимости и нормативной прибыли.

При оценке экономической эффективности внедрения новой пожарной техники необходимо привести в сопоставимый вид качественные показатели базовой и новой машины.

Для этого находим коэффициент эквивалентности, который по каждому виду пожарной техники определяется как средневзвешенный арифметический показатель, где каждая составляющая качества взвешивается по коэффициенту значимости, определенному экспертным методом.

Таким образом, годовой экономический эффект от внедрения нового аварийно-спасательного автомобиля - АСА определяем по нижеследующей формуле:

Э ={З1∙Кэ∙(Р1+Ен)/(Р2+Ен)+[(И1∙Кэ-И2)-Ен(К2-К1)]/(Р2+Ен)-З2}А2, (10.2)

где З1 ,З2 - приведенные затраты единицы, соответственно, базавой и новой модели автомобиля, руб.;

Кэ - коэффициент эквивалентности;

(Р1+Ен)/(Р2+Ен) - коэффициент учета изменения срока службы новой техники по сравнению с базовой;

Р1, Р2 - доли отчислений от балансовой стоимости на полное восстановление базовой и новой техники;

И1, И2 - годовые эксплуатационные издержки потребителя при использовании сравниваемых вариантов, руб.;

К1, К2 - сопутствующие капитальные вложения потребителя по сравниваемым вариантам, руб.;

А2 - годовой объем внедрения, ед.

На основании вышеприведенной методики приведем расчет экономической эффективности от создания и использования при тушении пожаров и проведении аварийно-спасательных работ спроектированного пожарного автомобиля АСА-20М на шасси Урал 6370 с экономическим дизельным двигателем ЯМЗ-238. В качестве базового варианта принимаем аварийно-спасательного автомобиля АСА-20 на таком же шасси, но с менее экономичным дизельным двигателем КамАЗ-740.

Технико-экономические показатели сравниваемых моделей пожарных аварийно-спасательных машин представлены в таблице 10.

Таблица 10 - Технико-экономические показатели сравниваемых моделей аварийно-спасательных пожарных автомобилей

Наименование показателей

Единица измерения

Значение показателя



Базовый вариант

Новый вариант

1

2

3

4

Шасси Оптовая цена техники Себестоимость изготовления техники Емкость порошкового модуля Емкость пенного модуля Емкость газового модуля Полная масса автомобиля Мощность двигателя Подача огнетушащих веществ Скорость автомобиля Срок службы техники Приведенные затраты Эксплуатационные издержки потребителя Объем выпуска

- руб. руб. кг. л л кг кВт л∙с-1 км∙ч-1 год руб. руб. ед.

КамАЗ-43114 380000 355000 - - - 15100 191 - 85 10 379000 45408 -

Урал 6370 390000 365000 1260 2000 300 15300 176 40 100 10 382000 45505 100

Примечание: Одновременно машина может вывозить 2 сменных модуля тушения. Для подачи пены от пенного модуля используется вода, подаваемая насосом другой пожарной машины или сухотрубом

Из таблицы 10 видно, что новая пожарная машина АСА при сопоставимой с прототипом полной массе и более экономичном дизельном двигателе развивает большую скорость движения и вывозит различные модули тушения, значительно расширяющие область использования машины и делающие ее более универсальной.

При определении экономической эффективности необходимо учитывать качественные показатели в сочетании с экономическими. В данном случае увеличение затрат, связанных с внедрением новой пожарной машины АСА, обоснованно повышением ее качества и оснащенностью различными по назначению сменными модулями.

Показатели качества отражает коэффициент эквивалентности, который согласно инструкции ВНИИПО можно определить по следующей формуле:

Кэ=(Ne2∙GA1/Ne1∙GA2)∙α1+(Q2/Q1)∙α2+(П02/П01+НН2/НН1)∙α3+(V2/V1)∙α4, (10.4)

где Ne1,Ne2 - эффективная максимальная мощность двигателя, кВт (л.с);

GA1,GA2 - полная масса, кг;

Q1,Q2 - общий объем вывозимых огнетушащих средств, л;

П01,П02 - максимальная подача огнетушащих средств, л∙с-1;

V1,V2 - максимальная скорость движения, км∙ч-1;

НН1,НН2 - ступенчатость насоса;

α1… α4 - коэффициент значимости показателей качества.

Здесь индекс 1 принадлежит параметрам базового АСА, а индекс 2 - нового спроектированного аварийно-спасательного автомобиля.

По формуле (10.3) рассчитываем коэффициент эквивалентности без учета вывозимого в сменных модулях оборудования и огнетушащих веществ:

Кэ=176∙15100/191∙15300)0,24+(60/60)0,29+(25/25)0,13+(1/1)0,13+(100/85)0,21=1,02

Подставляем полученный коэффициент эквивалентности в формулу (10.2) и получаем годовой экономический эффект от создания и использования нового пожарного аварийно-спасательного автомобиля АСА-20М:

Э=[379000∙1,02∙1,0+(45408∙1,02-45505)/(0,0627+0,15)-382000]100=(386580+3813,63-382000)100=839363 руб.

Заключение

Таким образом, в соответствии с выданным заданием спроектирован пожарный аварийно-спасательный автомобиль, отвечающий современным требованиям и учитывающий основные тенденции развития пожарного машиностроения. В основу концепции спроектированной машины заложена экономичность, минимальные затраты на проектирование, изготовление и ее эксплуатацию.

В качестве прототипа выбран автомобиль АСА-20 на шасси УРАЛ-6370, по своим техническим параметрам отвечающий требованиям, предъявляемым к современным аварийно-спасательным автомобилям. Указанное шасси имеет достаточный запас по грузоподъемности и легко может быть приспособлено для эксплуатации совместно со сменными модулями.

Выбранный тип дизельного двигателя марки ЯМЗ-238 позволяет на 15 % снизить путевой расход топлива на каждые 100 км и обеспечить при этом более высокую эксплуатационную скорость машины, достигающую на пятой передачи 100 км·ч-1.

Проведенный в проекте компоновочный расчет показал, что на переднюю управляемую ось автомобиля приходится 26 % от полной нагрузки, а на заднюю тележку - 74 %, что при колесной базе равной 3340 мм до оси среднего моста обеспечивает хорошую управляемость и достаточное сцепление ведущих колес с дорогой.

Полученные по результатам расчетов координаты центра тяжести, в частности, его высота равная 1,29 м, свидетельствуют о хорошей поперечной устойчивости спроектированного автомобиля, особенно на поворотах и дорогах с поперечным уклоном (косогорах).

Сохраняя основные тактико-технические показатели прототипа, спроектированный АСА имеет в значительной степени расширенный спектр выполняемых работ, а следовательно, повышенную эффективность использования. Наличие сменных модулей, способных тушить локальные возгорания, позволяет по новому взглянуть ни тактику использования машин тяжелого класса. В некоторых случаях это позволит совсем отказаться от привлечения автоцистерн, автомобилей газового или порошкового тушения.

За счет применения сменных модулей универсальность использования спроектированного автомобиля возрастает. Такой машиной можно одновременно осуществлять тушение и производить аварийно-спасательные и восстановительные работы.

Необходимо отметить, что спроектированный автомобиль достигает заданной максимальной скорости 27,5 м·с-1 ≈ 100 км·ч-1 на нисходящем участке кривой мощностной характеристики. Однако разгон при падении мощности приводит к перерасходу топлива. Поэтому рекомендуемая скорость движения машины, из условий экономичности и безопасности должна находиться в пределах 85... 90 км·ч-1.

Проведенные расчеты показывают, что спроектированный автомобиль, благодаря правильной компоновке и распределению нагрузки по осям, обладает хорошими показателями тормозных свойств, устойчивости и управляемости, удовлетворяющими международным нормам безопасности.

С экономической точки зрения эффект от внедрения спроектированного аварийно-спасательного автомобиля может составить 839363 рублей в год. При задействовании при тушении пожаров вывозимых сменных модулей, экономический эффект от эксплуатации машины будет значительно выше.

Список использованной литературы

1.   ФЗ «Об аварийно-спасательных службах и статусе спасателей». - Собрание законодательства Российской Федерации, 1995, №35, ст.3503.

2.   Приказ МЧС от 25 июля 2006 года № 425 «Об утверждении норм табельной положенности пожарно-технического вооружения и аварийно-спасательного оборудования для основных и специальных пожарных автомобилей изготавливаемых с 2006 года»

3.   Приказ МЧС от 31 декабря 2002 года № 630 «Об утверждении и введение в действие правил охраны труда в подразделениях Государственной противопожарной службы МЧС России» (ПОТРО-01-2002)

4.   НПБ-163-97 Пожарная техника. Основные пожарные автомобили. Общие технические требования. Методы испытаний. ВНИИПО МВД России. 1997г. - 105 с.

5.   НПБ-176-98 Техника пожарная. Насосы центробежные пожарные. Общие технические требования. Методы испытаний. ВНИИПО МВД России. 1998.-18 с.

6.   НПБ-181-99 Автоцистерны пожарные и их составные части. Выпуск из ремонта. Общие технические требования. Методы испытаний.: ВНИИПО МВД России. 1999г.-28 с.

7.   НПБ 180-99. Пожарная техника. Автомобили пожарные. Разработка и постановка на производство. - М.:ГУГПС, ФГУ ВНИИПО МВД России, 1999 -27 с.

8.   НПБ 307-2002. Автомобили пожарные. Номенклатура показателей. - М.: ВНИИПО, 2003. - 45 с.

9.   ГОСТ 12.2.037-78. Техника пожарная. Требования безопасности.

10.ГОСТ 12.2.047 - 86. ССБТ Техника пожарная. Требования и определения.

11.ГОСТ 12.4. 009 - 85. ССБТ. Пожарная техника для защиты объектов.

12.Пожарные автомобили предприятий России. Сборник нормативных документов. Выпуск 8. - М.: ФГУ ВНИИПО МВД России, 2000.

13.Автомобильный справочник НИИАТ.- М.: Транспорт, 1989.-220 с.

14.Безбородько М.Д. Пожарная техника. М.: АГПС МЧС России, 2004 г. 550 с.

15.Вильмер Я.М., Ковалев Я.Г., Некрасов Б.В. Справочное пособие по гидравлике, гидромашинам и гидроприводам.-М.: Машиностроение, 1975г.

16.Орлов П.И. Основы конструирования. В 2-х кн. Кн. 1. Изд. 3-е, испр. - М.: Машиностроение, 1988 г. - 560 с.

17.Я.С. Повзик Справочник руководителя тушения пожара.-М.: ЗАО «СПЕЦТЕХНИКА», 2000 г.-361с.

18.Яковенко Ю.Ф. Современные пожарные автомобили. - М.: Стройиздат, 1988.-352 с: ил.

19.НПБ-163-97 Пожарная техника. Основные пожарные автомобили. Общие технические требования. Методы испытаний. ВНИИПО МВД России. 1997.-105 с.

20.Каталог. Продукция, выпускаемая Варгашиским заводом противопожарного и специального оборудования. ФГУП«ВЩ и СО»2001 г.-15 с.

21.http://pozarniy.ru/news(дата обращения 12.03.2012).

.http://mchs.gov.ru/Upload/2.6(дата обращения 15.03.2012).


Не нашли материал для своей работы?
Поможем написать уникальную работу
Без плагиата!
Без нейросетей!