Аспекты безопасности применяемых на производстве технологических процессов на примере Очистной водопроводной станции МУП ЖКХ 'Жилсервис'

  • Вид работы:
    Отчет по практике
  • Предмет:
    Безопасность жизнедеятельности
  • Язык:
    Русский
    ,
    Формат файла:
    MS Word
    268,21 Кб
  • Опубликовано:
    2014-02-26
Вы можете узнать стоимость помощи в написании студенческой работы.
Помощь в написании работы, которую точно примут!

Аспекты безопасности применяемых на производстве технологических процессов на примере Очистной водопроводной станции МУП ЖКХ 'Жилсервис'

Содержание

 

Введение

1. Анализ и оценка вредных и опасных производственных факторов

2. Анализ соблюдения требований электробезопасности оборудования

3. Анализ соблюдения требований безопасности организации вентиляции и отопления

4. Анализ соблюдения требований по обеспечению пожаровзрывобезопасности производства

5. Анализ соблюдения требований безопасности производственного оборудования и помещений, организации рабочих мест, проведению работ, хранению материалов

6. Анализ наличия средств индивидуальной защиты

7. Производственный контроль выполнения требований безопасности

8. План мероприятий по улучшению условий труда

Заключение

Список используемой литературы

Введение

Производственная практика проходила на Очистной водопроводной станции МУП ЖКХ "Жилсервис" в п. Мулино Володарского района Нижегородской области в качестве помощника мастера очистных сооружений в период с 10.02.2014 по 07.03.2014.

Мулинский водозабор состоит из двух участков: Участок №1 и Участок №2. Участок №1 расположен в 500 м севернее жилого городка Мулино. Водозабор Участка №1 состоит их четырёх эксплуатационных скважин (№№ 1, 2, 4,6) с суммарной производительностью 1632,0 куб. м/сут.

Участок №2 расположен в 2 км северо-восточнее жилого городка Мулино, а его водозабор состоит из пяти эксплуатационных скважин (№№ 1, 2а, 3, 4, 6а) с суммарной производительностью 4318,9 куб. м/сут.

Очистная водопроводная станция МУП ЖКХ "Жилсервис" осуществляет водоснабжение хозяйственно-питьевой водой жилого сектора посёлков Новосмолинский, Мулино, а также ряда воинских частей Мулинского гарнизона. Гарантийная эксплуатация водопроводной станции начата с декабря 1994 г.

Рабочий режим Очистной водопроводной станции МУП ЖКХ "Жилсервис" круглосуточный, организованный в две смены: 1-я смена - с 8-00 до 20-00 час., 2-я смена - с 20-00 до 8-00 час. Смена графика дежурств - помесячно.

Технологический процесс подготовки воды выглядит следующим образом. Первичная вода, извлекаемая с помощью насосов из артезианской скважины, поступает в аэрационные ёмкости, где аэрируется, освобождаясь от растворенных атомов железа и образуя при этом гидрат его окисла в виде мелкодисперсной взвеси, которая затем осаждается при прохождении в скоростных напорных фильтрах, выполненных по двухступенчатой схеме. С выходов фильтров вода с помощью насосов подается в резервуары чистой воды и далее в водопроводную сеть. Технологический процесс водоподготовки полуавтоматический, т.е. предусматривает контроль и управление процессом оператором. Основным энергетическим оборудованием водопроводной станции являются насосы, приводимыми в движение асинхронными двигателями. Электропривод двигателей не регулируемый. Первичными датчиками являются датчики температуры, напора и давления воды.

Выбранное место проведения практики, - Очистная водопроводная станция МУП ЖКХ "Жилсервис", - актуально с точки зрения исследования различных аспектов безопасности применяемых на производстве технологических процессов и получения необходимых практических навыков в реальных производственных условиях в соответствии со специальностью.

Задачей производственной практики являлось ознакомление с производством, его особенностями, коллективом рабочих, анализом вопросов безопасности и разработкой плана мероприятий по защите работников предприятия от вредных и опасных факторов производства.

безопасность оборудование очистная водопроводная

1. Анализ и оценка вредных и опасных производственных факторов


Анализ и оценку вредных и опасных производственных факторов проведём с использованием "Классификации вредных и опасных производственных факторов" по ГОСТ 12.0.003-74" (с измен. № 1, октябрь 1978 г., переиздание 1999 г.) [1].

Для анализа используем результаты аттестации рабочего места по условиям труда №56 "Машинист насосных установок", код 13910 (Приложение №13). По результатам аттестации рабочих мест по степени вредности и опасности факторов производственной среды и трудового процесса класс условий труда для машиниста насосных установок устанавливается 3.1 (Табл.1). При проведении аттестации рабочих мест рабочее место машиниста насосных установок по травмоопасности относится к классу - 2 (допустимый). Согласно протоколу оценки травмобезопасности рабочего места машиниста насосных установок производственное оборудование соответствует требованиям травмобезопасности; приспособления и инструмент соответствует требованиям травмобезопасности; средства обучения и инструктажа выполнены в соответствии с требованиями травмобезопасности. Вывод: рабочее место "Машинист насосных установок" не соответствует требованиям обеспеченности СИЗ.

Анализ и оценка вредных и опасных производственных факторов для других видов работ представлен в табл.2.

Таблица 1. Результаты аттестации рабочего места "Машинист насосных установок"

Наименование факторов производственной среды и трудового процесса

Класс условий труда

Химический

3.1

Биологический

-

Аэрозоли преимущественно фиброгенного действия

-

Шум

3.1

Инфразвук

-

Ультразвук воздушный

-

Вибрация общая

2

Вибрация локальная

-

Неионизирующие излучения

2

Ионизирующие излучения

-

Микроклимат

2

Световая среда

2

Тяжесть труда

3.1

Напряженность труда

2

Общая оценка условий труда по степени вредности и опасности факторов производственной среды и трудового процесса

3.1


Анализ вредных и опасных факторов проводился по группам природного воздействия - физического, химического, биологического и психофизиологического. Выявлено, что на производстве используется известь хлорная, оказывающее раздражающее действие, влияет на органы дыхания, кожные покровы и слизистую оболочку. Данное химическое вещество относится к классу умеренно опасных веществ (3-й класс опасности) [2, 3].

 

Таблица 2. Вредные и опасные производственные факторы на Очистной водопроводной станции МУП ЖКХ "Жилсервис" в п. Мулино

Наименование видов работ и параметров производственных процессов

Потенциально возможные факторы воздействия

Классифицированные факторы



Вредные

 Опасные

Использование извести хлорной для промывки резервуаров для хранения чистой воды

Раздражающее действие

Обнаружено


Влияющее на органы дыхания

Обнаружено

Обнаружено


Влияющее на кожные покровы и слизистую оболочку

Обнаружено

Обнаружено


2. Анализ соблюдения требований электробезопасности оборудования


В основу анализа соблюдения требований электробезопасности оборудования, используемого на Очистной водопроводной станции МУП ЖКХ "Жилсервис" в п. Мулино, взяты "Правила устройства электроустановок" [4].

На Очистной водопроводной станции используется следующее электрическое оборудование:

.        Силовое энергетическое оборудование - электродвигатели насосов (асинхронные трёхфазные с не регулируемым электроприводом);

2.      Коммутирующее оборудование (автоматические выключатели, УЗО, кнопочные и рычажные выключатели и др.);

.        Устройства контроля и автоматики;

.        Устройства освещения;

.        Тепловые электрические установки;

.        Питающие электрические кабели и их соединения.

В Приложениях №№01 - №05 представлены некоторые фотографии используемого на станции электрооборудования.

Поражение человека электрическим током возможно при замыкании электрической цепи через тело человека, т.е. при прикосновении человека к сети не менее, чем в двух точках. При этом повышенное значение напряжения в электрической цепи, замыкание которой может произойти через тело человека, является опасным фактором.

Согласно "Правилам устройства электроустановок" [4] помещения, в которых используются токопроводящие полы и имеется возможность одновременного прикосновения человека к имеющимся соединениям с землёй металлоконструкциями зданий, механизмов, с одной стороны, и к металлическим корпусам электрооборудования - с другой, относятся к помещениям с повышенной опасностью поражения людей электрическим током. К такому типу помещения относятся производственные помещения Очистной водопроводной станции МУП ЖКХ "Жилсервис" с бетонными полами и где установлено силовое энергетическое оборудование (электрические двигатели и насосы для перекачки воды). Поскольку факторов опасности два, то данные помещения относятся к особо опасным помещениям по условиям электробезопасности.

Остальные помещения, - административные, бытовые, служебные, - относятся к неопасным помещениям.

Все электроустановки, применяемые на Очистной водопроводной станции МУП ЖКХ "Жилсервис", питаются током промышленной частоты (50 Гц) напряжением до 1 кВ (переменное однофазное 220 В и переменное трёхфазное 380 В). Безопасность обслуживающего персонала и посторонних лиц обеспечивается выполнением следующих мер защиты:

соблюдением соответствующих расстояний до токоведущих частей и путём закрытия и ограждения токоведущих частей;

применением блокировки аппаратов и ограждающих устройств для предотвращения ошибочных операций и доступа к токоведущим частям;

применением предупреждающей сигнализации, надписей и плакатов.

Заземление станции естественное. В качестве заземлителя используется само производственное здание, т.е. элементы железобетонных и стальных конструкций (фундаменты, колонны, фермы и т.д.), сваренные друг с другом посредством стальных перемычек сечением более 100 кв мм. Каркас здания объединен посредством фундаментных балок, соединенных с арматурой фундаментов перемычками.

Для молниезащиты используются стальные стержни, соединенные с колоннами и регилями здания через закладные стальные пластины.

Заземление машинного отделения станции (трёхфазная сеть переменного тока), где установлены насосы, выполнено по схеме TN-C, при которой нулевой защитный и нулевой рабочий проводники совмещены в одном проводнике (рис. 1). Для безопасного функционирования машинного отделения введен контур защитного заземления и установлены автоматические выключатели токов нагрузки.

Рис. 1. Система TN-C (1 - проводник заземления, 2 - токоприёмники)

Заземление однофазной (осветительной) сети выполнено по схеме TN-S (рис.2), в которой функции нулевой рабочий и нулевой рабочий проводники разделены на всём протяжении питания.

Рис. 2. Система TN-S (1 - проводник заземления, 2 - токоприёмники)

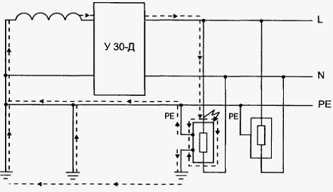
Для защиты от поражения электрическим током персонала Очистной водопроводной станции МУП ЖКХ "Жилсервис" в осветительной сети применено УЗО. Включение УЗО-Д в осветительную сеть представлено на рис. 3.

Рис. 3. Применение УЗО в системе TN-S

3. Анализ соблюдения требований безопасности организации вентиляции и отопления


На Очистной водопроводной станции МУП ЖКХ "Жилсервис" применена принудительная приточно-вентиляционная система рабочих помещений. Отопление помещений смешанного типа: основная - централизованная, дополнительная - электрокалориферы (Приложение №02).

Для анализа соблюдения требований безопасности организации вентиляции и отопления на очистной водопроводной станции МУП ЖКХ "Жилсервис" использована нормативная литература [5-8].

Анализируемые параметры относятся к параметру "Микроклимат помещения" с характерными показателями: температура воздуха, температура поверхностей (ограждающие конструкции, технологическое оборудование, ограждающие устройства), относительная влажность воздуха, скорость движения воздуха, интенсивность теплового облучения. Оптимальные величины показателей микроклимата на рабочем месте мастера очисных сооружений (цех водопровода) - табл.2.

Измерение показателей микроклимата в целях контроля их соответствия нормативным требованиям должны проводиться в холодный и теплый периода года комплексом соответствующих поверенных контрольно-измерительных приборов. Оценка показателей микроклимата на рабочих местах производилась в летний период (период практики) по результатам аттестации в машинном зале, согласно которым следует вывод, что рабочие места отвечают требованиям комфортности выполнения работ.

 

Таблица 2. Оптимальные величины показателей микроклимата на рабочих местах. (приложение № 13)

Период года

Температура воздуха, ПДК, ПДУ °C

Температура воздуха, фактическая °C

Относительная влаж- ность воз- духа, ПДК, ПДУ %

Относительная влажность воз- духа, фактическая %

Холодный

 18-25

 18

 15-75

 45

Тёплый

 21 - 28

 27

 15-75

 39


Период года

Скорость движения воздуха, ПДК, ПДУ м/с

Скорость движения воздуха, фактическая м/с

Холодный

0-0.2

0.1

Тёплый

0-0.2

0.1


4. Анализ соблюдения требований по обеспечению пожаровзрывобезопасности производства


Одним из наиболее вероятных и разрушительных видов чрезвычайной ситуации является пожар или взрыв на рабочем месте. Пожарная безопасность представляет собой единый комплекс организационных, технических, режимных и эксплуатационных мероприятий по предупреждению пожаров и взрывов.

Производственные помещения Очистной водопроводной станции МУП ЖКХ "Жилсервис" по пожарной опасности относятся к категории производств, связанных с обработкой несгораемых веществ и материалов в холодном состоянии (категория Д) [9,10]. На производстве для дезинфекции оборудования используется известь хлорная в стандартной упаковке [3], для хранения которой используются специальные закрытые помещения (склады). Склады сухие, затемненные и хорошо проветриваемые, температура воздуха не выше 20°C. В складах не допускается хранение других веществ - взрывчатых и огнеопасных, смазочных масел, пищевых продуктов, металлических изделий и баллонов с газом, что отвечает требованиям Инструкции [11].

Источниками пожаров может быть электрооборудование, эксплуатация которых допустима согласно [12]. Все работники предприятия проходят противопожарный инструктаж, электротехнический персонал проходит периодическую проверку знаний ППБ одновременно с проверкой знаний норм и правил работы в электроустановках. Электротехнические установки укомплектованы первичными средствами пожаротушения.

На производстве имеется следующая документация: утвержденная проектная документация, акты приемки скрытых работ, исполнительные рабочие схемы первичных и вторичных электрических соединений, технические паспорта основного электрооборудования, сертификаты, должностные инструкции. Эксплуатация электрооборудования ведется согласно инструкциям и паспортам на соответствующее оборудование.

Для повышения эффективности противопожарной защиты как самой Очистной водопроводной станции МУП ЖКХ "Жилсервис", так и прилегающих населенных пунктов, установлена связь с 101-ПЧ ГУ МЧС России по Нижегородской области [18, 19].

5. Анализ соблюдения требований безопасности производственного оборудования и помещений, организации рабочих мест, проведению работ, хранению материалов


К производственному оборудованию относятся: силовое энергетическое оборудование, емкости для хранения воды (Приложение №06 - Аккумуляторы резервной воды, Приложение №07 - Резервуары чистой воды), водопроводная сеть, фильтры (Приложение №08), оборудование для проведения лабораторного анализа (Приложение №09), шкафы управления, автоматики, сигнализации, первичные датчики (Приложения №№01, 03, 04,10). К производственным, административно-хозяйственным и вспомогательным помещениям относятся насосная станция, административно-бытовой корпус (приложение №11), склады для хранения расходных материалов для фильтров, например, кварцевого песка (Приложение №12).

Эксплуатация производственного оборудования осуществляется согласно ГОСТ, СНиП, СаНПиН, Инструкциям, Правилам и Требованиям [4-19]. Производственные, административно-хозяйственные и вспомогательные помещения также отвечают всем нормам и требованиям, предъявляемым к таким помещениям.

7. Производственный контроль выполнения требований безопасности


Производственный контроль выполнения требований безопасности возложено на руководителя и главного инженера Очистной водопроводной станции МУП ЖКХ "Жилсервис".

Директор обязан:

издавать приказ по результатам осуществления производственного контроля с анализом причин выявленных нарушений техники безопасности, указанием мер и сроков по их устранению, ответственных за устранением нарушений;

принимать меры воздействия к лицам, допустившим нарушение требований безопасности и поощрять лиц, создающих здоровые и безопасные условия труда;

обеспечить финансирование мероприятий по улучшению условий безопасного труда;

контролировать выполнение мер по улучшению условий безопасного труда;

утверждать должностные инструкции для специалистов, эксплуатирующих оборудование.

Главный инженер обязан:

анализировать причины нарушения техники безопасности;

запрещать работу, если при эксплуатации оборудования выявлены нарушения техники безопасности;

контролировать своевременное выполнение предписаний территориальных органов исполнительной власти, уполномоченные в области промышленной безопасности;

организовать разработку инструкций по охране труда, производственные инструкции, планы локализации и ликвидации аварий, графики проведения инструктажей (вводных, на рабочем месте).

8. План мероприятий по улучшению условий труда


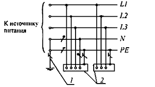
В задачу производственной практики входила также выявление недостатков в организации безопасных условий труда работников предприятия и внесение соответствующих предложений. В результате анализа безопасности использования производственного оборудования выявлен такой недостаток, как электробезопасность силового энергетического оборудования, в котором заземление выполнено по схеме TN-C, при которой нулевой защитный и нулевой рабочий проводники совмещены в одном проводнике (рис. 1). Такая схема не позволяет использовать УЗО-Д, реагирующего на разности протекания прямого и обратного токов в его плечах, и совместно с УЗО-Д запрещена к использованию (рис. 4).

Рис. 4. Система TN-C, где запрещено использовать УЗО-Д

Для достижения преимуществ использования УЗО-Д необходимо изменить схему питания электрооборудования и использовать систему TN-S (рис. 3) или систему TN-C-S (рис.5 - показано включение однофазной сети). В этом случае УЗО-Д входит в рабочий режим, защищая не только электрооборудование, но и человека при случайном прикосновении к открытым или поврежденным токоведущим частям оборудования или сети.

Рис. 5. Система TN-C-S (однофазная сеть)

Для изменения системы питания энергетического оборудования и установки УЗО-Д необходимы дополнительные капитальные затраты для разработки и утверждения проекта, приобретения более дорого кабеля, УЗО-Д, модернизации щитов управления, сигнальных кабелей, проведения монтажных работ.

Заключение


Производственная практика, которая проходила на Очистной водопроводной станции МУП ЖКХ "Жилсервис" в п. Мулино Володарского района Нижегородской области, позволила ознакомиться с работающим предприятием, его структурой, коллективом, особенностями эксплуатации очистного оборудования. Проведенный анализ и оценка вредных и опасных производственных факторов, соблюдения требований электробезопасности оборудования, безопасности организации вентиляции и отопления, пожаровзрывобезопасности производства, безопасности производственного оборудования и помещений, организации рабочих мест, проведению работ, хранению материалов, наличия средств индивидуальной защиты, производственного контроля, результатов аттестации рабочих мест по условиям труда позволили оценить исследуемое производство с точки зрения безопасности труда работников предприятия. В ходе анализа работы предприятия выявлен такой недостаток, как несовершенная система электробезопасности силового оборудования предприятия и предложено использовать более совершенную систему электропитания, в которой защита работающего персонала выполнена не с использованием автоматов токовой защиты (автоматические выключатели), а с использованием более совершенной дифференциальной токовой защиты (УЗО-Д). Для изучения вопроса безопасности производства была использована литература нормативно-технического и организационного характера [1-20].

Список используемой литературы


1.      Система стандартов безопасности труда. Опасные и вредные производственные факторы. Классификация. ГОСТ 12.0.003-74 (СТ СЭВ 790-77)

2.      Вредные вещества. Классификация и общие требования безопасности. ГОСТ 12.1.007-7 CC<N

.        Известь хлорная. Технические условия. ГОСТ Р 54562-2011

.        Правила устройства электроустановок. 7-е издание

.        СНиП 41-01-2003. Отопление, вентиляция и кондиционирование

.        Здания жилые и общественные. Параметры микроклимата в помещениях. ГОСТ 30494-96

.        Общие санитарно-гигиенические требования к воздуху рабочей зоны. ГОСТ 12.1.005-88

.        СаНПиН 2.2.4.548-96. Гигиенические требования к микроклимату производственных помещений

.        Правила пожарной безопасности в Российской Федерации (ППБ 01-03)

.        Правила противопожарного режима в Российской Федерации

.        Инструкция по дезинфекции хлором станции водопровода п. Мулино

.        Правила технической эксплуатации электроустановок потребителей

.        Инструкция по эксплуатации очистной станции водопровода п. Мулино от 09.09.2003

.        Технологический регламент очистной водопроводной станции п. Мулино от 18.12.2006

.        Правила производства инженерно-коммуникационных работ в МУП "ЖКХ Жилсервис" Володарского района от 15.12.08

.        Инструкция по дезинфекции хлором водопроводных сооружений при их строительстве и эксплуатации от 15.04.08

.        Инструкция по эксплуатации электрического освещения в МУП ЖКХ "Жилсервис" Володарского района от 10.09.2003

.        Соглашение о взаимодействии между 101-ПЧ ГУ МЧС России по Нижегородской области, МУП ЖКХ "Жилсервис" Володарского района при предупреждении и ликвидации пожаров от 12.12.2006

.        Инструкция по обмену информацией между 101-ПЧ и службами МУП ЖКХ "Жилсервис" Володарского района Нижегородской области от 12.12.2006

.        Порядок проведения аттестации рабочих мест по условиям труда. Приложение к приказу Минздравсоцразвития России от 31.08.2007 №569

Похожие работы на - Аспекты безопасности применяемых на производстве технологических процессов на примере Очистной водопроводной станции МУП ЖКХ 'Жилсервис'

 

Не нашли материал для своей работы?
Поможем написать уникальную работу
Без плагиата!
Без нейросетей!