Колонна стабилизационная установки каталитического риформинга бензиновых фракций
СОДЕРЖАНИЕ
Введение
. Цели и задачи
курсового проектирования колонного аппарата
. Безопасность и
экологичность проекта
3. Конструирование колонного
аппарата
.1 Назначение, схема обвязки и
принцип действия колонны
.2 Конструирование и выбор основных
элементов колонного аппарата
3.3 Разработка
эскизного проекта
. Расчет аппаратов
на прочность
4.1 Исходные данные
.2 Выбор материала корпуса и опорной
обечайки
.3 Определение расчетной
температуры, допускаемого напряжения и расчетного давления
.4 Определение коэффициента
прочности сварного шва
.5 Расчет исполнительной толщины
стенки цилиндрической обечайки и днищ, находящихся под воздействием внутреннего
избыточного давления
.6 Проверка условий применения
расчетных формул
.7 Выбор стандартного днища
.8 Проверка прочности
5. Расчет аппаратов
колонного типа от ветровых нагрузок
5.1 Область применения, цель и
задачи расчета, исходные данные
.2 Порядок расчета колонных
аппаратов от ветровых нагрузок
.3 Выбор расчетной схемы и
определение расчетных сечений аппарата
.4 Расчетные условия
.5 Определение веса колонного
аппарата и осевой сжимающей силы
.6 Определение ветровых нагрузок
.7 Определение расчетного
изгибающего момента от ветровой и сейсмической нагрузки
.8 Сочетание нагрузок (P,
F, M)
для каждого расчетного условия
.9 Проверка на прочность и
устойчивость стенки корпуса аппарата
5.10 Расчет опорной
обечайки
5.11 Расчет элементов нижнего
опорного узла
Заключение
Список
использованных источников
Приложение А (информационное).
Определение весов участков и общего веса колонного аппарата
Приложение Б (информационное).
Определение периода собственных колебаний
Приложение В (информационное).
Определение ветровой нагрузки на каждом участке
Приложение Г (информационное).
Определение изгибающего момента от действия ветровой нагрузки
ВВЕДЕНИЕ
Для осуществления современных
технологических процессов в нефтеперерабатывающей и нефтехимической
промышленности требуются высокоэффективные аппараты, к которым предъявляются
высокие требования по экономичности, надежности, технологичности и
эргономичности. Одним из этапов, реализующих данные требования в части
обеспечения их надежной работы, является этап, связанный с конструированием
аппаратов и машин.
Надежность работы оборудования во многом
определяется качеством его проектирования.
Поэтому цель дисциплины
«Конструирование и расчет машин и аппаратов отрасли» заключается в приобретении
студентами теоретических знаний и навыков инженерных расчетов, в освоении
методов и основных этапов конструирования оборудования нефтегазопереработки, необходимых
для осуществления самостоятельной профессиональной деятельности.
Темой курсового проектирования
является стабилизационная колонна С-501. На основе выбора вида и принципиальной
конструкции аппарата, его основных размеров и рабочих условий производятся
расчеты на прочность и ветровую нагрузку.
1.
Цели и задачи курсового проектирования
Цель дисциплины «Конструирование и расчет машин
и аппаратов отрасли» заключается в формировании у будущих специалистов
теоретических знаний в области конструирования и расчета нефтезаводского
оборудования, обучении студентов применению полученных знаний и навыков для
решения сложных задач, связанных с их будущей профессиональной деятельностью.
Цель курсового проектирования - систематизация и
обобщение знаний, полученных при изучении общепрофессиональных и специальных
дисциплин, изучение совокупности современных методов и средств конструирования,
расчета и компьютерного моделирования оборудования на примере колонного
аппарата, открывающих путь к их практическому применению на производстве.
Общими задачами курсового проектирования
являются:
конструирование колонного аппарата;
обоснование выбора основных элементов и
параметров колонного аппарата;
обеспечение безопасности и экологичности
проекта;
обеспечение прочности и надежности
конструируемого аппарата;
получение навыков использования справочной и
нормативной литературы.
Частными задачами данного курсового
проектирования являются:
- изучение основных принципов
расчета и конструирования колонного аппарата;
проверка прочности
конструируемого аппарата;
определение ветровых нагрузок;
изучение нормативно-технической
документации, которая применяются при расчете и проектировании оборудования
нефтегазопереработки.
2. Безопасность и
экологичность проекта
Основные опасности производства обусловлены
особенностями технологического процесса или выполнения отдельных
производственных операций, особенностями используемого оборудования и условиями
его эксплуатации, нарушениями правил безопасности работающими, а также наличием
в аппаратах и трубопроводах большого количества горючих газов в смеси с
водородом, сероводородом, жидких углеводородов и наличием в системе высокого
давления и высокой температуры.
Установка каталитического риформинга бензиновых
фракций относится к категории установок повышенной пожаровзрывоопасности и
токсичности. Особенностью процесса является наличие на установке большого
количества водородсодержащего газа с высоким давлением (до 5 МПа).
Процесс каталитического риформинга
сопровождается использованием в качестве сырья бензиновой фракции,
соответственно в смеси с водородсодержащим газом под высоким давлением и с
высокой температурой до 520 °С.
Процесс очистки водородсодержащего газа от
сероводорода с помощью раствора моноэтаноламина происходит с выделением
сероводорода, обладающего сильными ядовитыми свойствами.
В связи с этим, данные процессы является
вредными и пожаровзрывоопасными.
Основными опасными факторами являются:
наличие сероводорода и его смеси с
углеводородами, топливного газа и водородсодержащего газа;
наличие постоянного горения открытого пламени в
топках печей;
наличие большого теплового напряжения;
наличие высокого давления;
взрывы и пожары из-за разгерметизации
оборудования и трубопроводов, при нарушении норм технологического режима;
отравления работающих углеводородными газами и
сероводородом при разгерметизации оборудования и нарушении норм
технологического режима;
термические ожоги при соприкосновении с горячими
частями оборудования, трубопроводами, водяным паром, горячей водой;
падение при ремонте и обслуживании оборудования,
расположенного на высоте;
травмирование вращающимися частями механизмов.
Имеющиеся на установке нефтепродукты и реагенты
оказывают вредное воздействие на организм человека. Вредное действие может
проявляться как при попадании на тело работающего, так и при вдыхании их паров
и газа [1].
Показатели опасных свойств веществ, применяемых
в колонном аппарате, приведены в таблице 2.1.
Таблица 2.1 - Показатели опасных свойств
веществ, применяемых в колонном аппарате
|
Вещество
|
Горючесть,
воспламеняемость
|
ПДК,
мг/м3
|
Класс
опасности
|
|
Бензиновая
фракция
|
ЛВЖ
|
100
|
4
|
|
Углеводородный
газ
|
ГГ
|
300
|
4
|
Знание данных параметров необходимо для
определения группы сосудов и аппаратов, коэффициента прочности сварного шва и в
конечном итоге - расчета толщины стенки, при которой будет обеспечена надежная
и безопасная работа конструируемого аппарата.
3. Конструирование
колонного аппарата
.1 Назначение,
схема обвязки и принцип действия колонного аппарата
Стабилизационная колонна предназначена для
отпарки легких углеводородов.
Аппарат работает следующим образом: в колонну
поступает нестабильный риформат; из верхней части колонны выходит
углеводородный газ, проходит через аппарат воздушного охлаждения и поступает в
качестве холодного орошения в верхнюю часть колонны; с нижней части колонны
балансовое количество стабильного бензина выводится в товарный парк, а часть
его возвращается в нижнюю часть колонны в качестве горячего орошения.
Схема обвязки стабилизационной колонны
представлена на рисунке 3.1.
1 - ввод нестабильного риформата; 2 - вывод
стабильного бензина; 3 - вывод углеводородного газа; 4 - ввод холодного
орошения; 5 - ввод горячего орошения
Рисунок 3.1 - Схема обвязки стабилизационной
колонны
3.2 Конструирование и выбор
основных элементов колонного аппарата
.2.1 Выбор основных
элементов корпуса и опорной обечайки
Основные элементы и параметры
колонного аппарата приведены в таблицах 3.1, 3.2.
Таблица 3.1 -
Основные элементы и параметры колонного аппарата
|
№
п/п
|
Параметр
|
Значение
|
|
Корпус
|
|
1
|
Тип
корпуса
|
Цельносварной
|
|
2
|
Базовый
диаметр
|
Внутренний
|
|
3
|
Тип
днища верхнего
|
Эллиптическое
|
|
4
|
Тип
днища нижнего
|
Эллиптическое
|
|
5
|
Высота
кубовой зоны, мм
|
hкуб =2500
|
|
6
|
Высота
сепарационной зоны, , мм
|
hсеп =1000
|
|
7
|
Тип
массообменных устройств
|
Жалюзийно-клапанные
тарелки
|
|
8
|
Общее
количество тарелок, шт
|
35
|
|
9
|
Число
групп тарелок, шт
|
4
|
|
10
|
Число
тарелок в группах, шт
|
9,8,9,9
|
|
11
|
Расстояние
между тарелками в группах, мм
|
800
|
|
12
|
Количество
люков, шт
|
5
|
|
13
|
Диаметр
люка, мм
|
600
|
|
14
|
Количество
обслуживающих площадок, шт
|
5
|
15 Расстояние от
поверхности земли до обслуживающих площадок, мм
1 =33200
2 =25400
3 =18400
4 =11000
|
5 =2500
|
|
|
16
|
Тип
опоры
|
Юбочная
цилиндрическая
|
|
17
|
Высота
опорной обечайки, мм
|
hоп =2400
|
|
18
|
Тип
лаза
|
Окружность
|
|
19
|
Диаметр
лаза, мм
|
Dлаз =500
|
|
20
|
Расстояние
от поверхности земли до оси лаза, мм
|
=600
|
Таблица 3.2 - Таблица люков,
штуцеров, лазов
|
Обозначение
|
Наименование
|
Кол.
|
Проход
условный Dy, мм
|
Давление
условное, Ру
|
Вылет,
мм
|
|
|
|
|
МПа
|
кгс/см2
|
|
|
А1
|
Ввод
нестабильного риформата
|
1
|
250
|
2,5
|
25
|
259
|
|
Б1
|
Вывод
углеводородного газа
|
1
|
300
|
2,5
|
25
|
294
|
|
В1
|
Вывод
стабильного бензина
|
1
|
300
|
2,5
|
25
|
294
|
|
Г1
|
Ввод
горячего орошения
|
1
|
300
|
2,5
|
25
|
294
|
|
Д1
|
Ввод
холодного орошения
|
1
|
100
|
2,5
|
25
|
242
|
|
Е1,2
|
Для
манометра
|
2
|
80
|
2,5
|
25
|
233
|
|
Ж1,2
|
Для
уровнемера
|
2
|
80
|
2,5
|
25
|
233
|
|
З1,2
|
Для
термопары
|
2
|
80
|
2,5
|
25
|
233
|
|
И1
|
Воздушник
|
1
|
80
|
2,5
|
25
|
233
|
|
К1
|
Для
предохранительного клапана
|
1
|
80
|
2,5
|
25
|
233
|
|
Л1-5
|
Люк
|
5
|
600
|
2,5
|
25
|
344
|
|
М1
|
Лаз
|
1
|
500
|
-
|
-
|
-
|
.2.2 Устройство
и принцип действия массообменных устройств
В стабилизационной колонне установки каталитического
риформинга бензиновых фракций в качестве массообменных устройств используют
жалюзийно-клапанные тарелки.
Жалюзийно-клапанная тарелка состоит из плоского
основания с расположенными на нем жалюзийно-клапанными элементами. Основной
деталью тарелки является жалюзийно-клапанный элемент, состоящий из
металлической рамки с отверстиями, в которые входят цапфы подвижных пластинок.
При изменении расхода пара (газа), поступающего
под тарелку, пластинки поворачиваются на цапфах и пар (газ) проходит между
ними, перемещаясь над тарелкой под определенным углом. При незначительном
расходе пара (газа) пластинки поворачиваются на малый угол, при увеличении
расхода - до упора в перегородку, которой снабжена рамка. Жидкость перемещается
по тарелке за счет направленного движения пара на выходе из жалюзийных
элементов.
Достоинства жалюзийно-клапанных тарелок:
- высокий коэффициент полезного действия во всем
интервале нагрузок по пару и жидкости;
значительно более высокие допустимые скорости
паров в сечении колоны по сравнению с колпачковыми и клапанными тарелками;
малые потери давления;
очень малый объем сварочных работ при
изготовлении;
легкость монтажа и демонтажа тарелок.
Жалюзийно-клапанный элемент тарелки представлен
на рисунке 3.2.
Рисунок 3.2 - Жалюзийно-клапанный элемент
3.3
Разработка эскизного проекта
Эскиз колонного аппарата представлен на рисунке
3.3.
Рисунок 3.3 - Эскиз колонного аппарата
4. Расчет аппаратов на прочность
Целью данного раздела является:
определение толщины стенок цилиндрической
обечайки и днищ из условия прочности;
определение допускаемого внутреннего давления;
проверка прочности цилиндрической обечайки и
днищ, т.е. сравнение допускаемого давления с расчетным.
4.1
Исходные данные
Исходные данные, необходимые
для выполнения данного раздела, приведены в таблице 4.1.
Таблица 4.1 - Исходные данные
|
Параметр
|
Значение
|
|
Давление
рабочее, Рраб, МПа: внутреннее избыточное
|
Рраб=1,68
|
|
Температура
среды (рабочая) верха аппарата, t рабв, 0С
|
t рабв
=75
|
|
Температура
среды (рабочая) низа, t рабн, 0С
|
t рабн=238
|
4.2 Выбор материала
корпуса и опорной обечайки
Результаты выбора
конструкционного материала элементов корпуса и опоры представлены в таблице
4.2.
Таблица 4.2 - Результаты выбора конструкционного
материала элементов корпуса и опоры
|
Корпус
колонного аппарата
|
Опорная
обечайка
|
|
Название
среды в аппарате
|
стабильный
бензин, углеводородный газ
|
|
|
|
Воздействие
среды
|
неагрессивное
|
Воздействие
среды
|
неагрессивное
|
|
Температура
среды (рабочая), 0С
|
tраб =238
|
Температура
среды, 0С
|
tраб =20
|
|
Температура
наиболее холодной пятидневки, 0С
|
tх.п.=-37
|
Наличие
переходного участка в опоре
|
нет
|
|
Давление
рабочее, МПа
|
Рраб
=1,68
|
Материал
переходного участка
|
-
|
|
Материал
|
20К
|
Материал
опорной обечайки
|
20К
|
4.3 Определение
расчетной температуры, допускаемого напряжения и расчетного давления
4.3.1 Расчет в рабочих
условиях
Исходные данные для рабочих условий приведены в
таблице 4.3 и на рисунке 4.1.
Таблица 4.3 - Исходные данные для рабочих
условий
|
Параметр
|
Значение
|
|
Название
рабочей жидкости в кубовой части
|
стабильный
бензин
|
|
Плотность
рабочей жидкости, кг/м3
|
ρж =750
|
|
Высота
выпуклой части (глубина) верхнего днища без учета цилиндрической части
(высоты отбортовки), мм
|
hднв =0,25 Dв=0,25·2000=500
|
|
Глубина
нижнего днища без учета цилиндрической части (высоты отбортовки), мм
|
hднн =0,25 Dв=0,25·2600=650
|
|
Высота
кубовой части hкуб , мм
|
hкуб =2500
|
|
Высота
рабочей жидкости в корпусе hр.ж., мм
|
hр.ж = h ндн+ hкуб
=650+2500=3150
|
Результаты расчета для корпуса и опорной
обечайки представлены в таблице 4.4.
Таблица 4.4 - Результаты расчета для рабочих
условий
|
Корпус
колонного аппарата
|
Опорная
обечайка
|
|
Расчетная
температура стенки корпуса, 0С
|
tраскор=max{tраб;
200С}=max{200C; 2380C}=238
|
Расчетная
температура стенки опорной обечайки, 0С
|
t рас оп.=max{ tкор - ∆t; 20 0C}= max{238-6500C; 200C}=20
|
|
Поправочный
коэффициент к допускаемым напряжениям
|
η =1 для сварных аппаратов
|
Поправочный
коэффициент к допускаемым напряжениям
|
η =1 для сварных аппаратов
|
Допускаемое напряжение корпуса в
рабочих условиях при расчетной температуре tрас кор, МПа [σ]tкор=η·σ*t, = =
133
=133Допускаемое напряжение опорной обечайки в рабочих условиях при расчетной
температуре
t рас оп,
МПа[σ]tоп=η·σ*tоп=
|
=1·147=147
|
[σ]20
кор=η·σ20 кор = 147=147
|
|
|
Расчетное внутреннее избыточное
давление для рабочих условий, МПа
=Рраб +ρж·g·hр.ж.=
=1,68·106+750·9,81·3,15 = 1,7
|
так
как Pr не
превышает 5 % от Pраб, то Pr не
учитываем, следовательно Рtрас=1,68Расчетное
внутреннее избыточное давление, МПаРрас оп = 0,1
|
|
|

а) б)
Рисунок 4.1 - Расчетная схема аппарата с двумя
жесткостями
(диаметрами) в рабочих условиях (а) и в условиях
испытаний (б)
4.3.2 Расчет в условиях
испытаний
Испытанию подвергается только корпус колонного
аппарата.
Исходные данные для расчета приведены в таблице
4.5 и на рисунке 4.1. Результаты расчета приведены в таблице 4.6.
Таблица 4.5 - Исходные данные для условий
испытаний для корпуса колонного аппарата
|
Параметр
|
Значение
|
|
Вид
испытаний
|
гидроиспытания
|
|
Высота
выпуклой части верхнего днища, мм
|
h вдн =500
|
|
Глубина
днища нижнего, мм
|
h н дн = 650
|
|
Высота
корпуса, заполненная водой при гидроиспытании (без учета верхнего штуцера), hводы, мм
|
hводы = hвдн + hндн + Lк + L1+L2
=500+650+1200+7700+23200 =33250
|
Результаты расчета корпуса колонного аппарата в
условиях испытаний представлены в таблице 4.6.
Таблица 4.6 - Результаты расчета корпуса КА в
условиях испытаний
|
Параметр
|
Корпус
колонного аппарата
|
|
Предел
текучести при расчетной температуре, равной 20 0С, МПа
|
σт = 220
|
|
Коэффициент
запаса прочности по пределу текучести
|
nТ =1,1 при гидроиспытаниях
|
|
Поправочный
коэффициент к допускаемым напряжениям
|
η = 1
|
|
Допускаемое
напряжение в условиях испытаний при расчетной температуре, равной 200 С, МПа
|
|
|
Пробное
давление, МПа
|
=
|
Расчетное давление в условиях
испытаний, МПа
=Рпр +Рг
воды =Рпр + ρ
воды
g hводы. =
|
=2,32·106+1000·9,81·33,25=2,65
|
.4 Определение
коэффициента прочности сварного шва
Результаты определения коэффициента прочности
сварного шва представлены в таблице 4.7.
Таблица 4.7 - Результаты расчета коэффициента
прочности сварного шва
|
Наименование
параметра
|
Значение
|
|
Название
жидкой фазы (среды)
|
стабильный
бензин
|
|
Название
газообразной фазы
|
углеводородный
газ
|
|
Расчетное
избыточное внутреннее давление корпуса в рабочих условиях, МПа
|
Рt рас=1,68
|
|
Расчетная
температура стенки корпуса, 0С
|
tрас кор =238
|
|
Взрывопожароопасные
свойства среды
|
взрывопожароопасная
среда
|
|
Класс
опасности среды
|
4
|
|
Группа
аппарата
|
1
|
|
Аппарат
транспортируется целиком или частями
|
Целиком
|
|
Категория
аппарата (для аппаратов, транспортируемых целиком)
|
1
|
|
Длина
контролируемых швов, в % от общей длины
|
100
|
|
Коэффициент
прочности сварного шва
|
φ =1,0
|
4.5 Расчет
исполнительной толщины стенки цилиндрической обечайки и днищ, находящихся под
воздействием внутреннего избыточного давления
.5.1 Определение
расчетной толщины цилиндрической обечайки и днища без суммы прибавок
Расчет выполняется либо для рабочих условий,
либо для рабочих условий и условий испытаний.
Расчет на прочность цилиндрических
обечаек и выпуклых днищ для условий испытаний проводить не требуется, если
расчетное давление в условиях испытаний Рирас будет меньше, чем расчетное
давление в рабочих условиях, умноженное на
, т.е если
Рирас <
;
(4.1)
,65 > 1,35
1,68
МПа.
Данное условие не выполняется,
значит, необходимо проводить расчет и для условий испытаний.
4.5.1.1
Расчет толщины стенки в рабочих условиях
Расчетная толщина стенки цилиндрической
обечайки Sц р и днищ Sдн р (без
учета суммы прибавок С) производится, соответственно, по формулам (4.2) и
(4.3):
для цилиндрической обечайки
=
мм; (4.2)
для выпуклого эллиптического днища
=
мм, (4.3)
где R
- расчетный радиус днища, м.
Для эллиптического днища R
= Dв.
4.5.1.2 Расчет толщины
стенки в условиях испытаний
В этом случае расчетная толщина стенки
цилиндрической обечайки и днища (без учета суммы прибавок С) определяется,
соответственно, по формулам (4.4) и (4.5):
для цилиндрической обечайки
=
мм; (4.4)
для выпуклого эллиптического днища
=
мм. (4.5)
4.5.1.3 Определение
расчетной толщины
Так как не выполняется условие (4.1), то из
значений, найденных по формулам (4.2) - (4.5) выбираются большие для
цилиндрической обечайки и днища, по которым выполняются дальнейшие расчеты,
т.е.
Sцр = max
{Sцр (р.у) ; Sцр.
(у.и)}= max {16,55 ;
17,35}=17,35 мм, (4.6)
Sднр= max
{Sдн р (р.у.) , Sдн
р (у.и)}= max {16,5 ;
17,3}=17,3 мм.(4.7)
4.5.2 Определение суммы
прибавок к расчетной толщине
Сумма прибавок к расчетной толщине определяется
как сумма прибавки для компенсации коррозии и эрозии, мм, которая находится по
скорости коррозии металла, мм/год, в заданной среде. При отсутствии данных С1
может приниматься равной 2 мм. Далее учитываются прибавки для компенсации
минусового допуска по толщине листа и технологическая прибавка.
Исходные данные для расчета суммы прибавок представлены
в таблице 4.8.
Таблица 4.8 - Значения прибавок к расчетной
толщине
|
Наименование
параметра
|
Значение
|
|
Цилиндрическая
обечайка
|
Днище
|
|
Прибавка
для компенсации коррозии и эрозии, мм
|
С1
=2
|
С1
=2
|
|
Прибавка
для компенсации минусового допуска, мм
|
С2
=0,8
|
С2
=0,8
|
|
Прибавка
технологическая, мм
|
С3
=0
|
С3=1,8
|
|
Сумма
прибавок С2 и С3
|
С2
+ С3 = 0,8 + 0 =0,8 (˂5% расчетной толщины Sцр)
|
С2
+ С3 = 0,8 + 1,8= 2,6 (>5% расчетной толщины Sднр)
|
|
Сумма
прибавок к расчетной толщине стенки, мм
|
Сц=С1+С2+С3=
=2
|
Сдн=С1+С2+С3=
=2+0,8+1,8=4,6
|
4.5.3 Определение
исполнительной толщины стенки цилиндрической обечайки и днищ
Исполнительная толщина стенки цилиндрической
обечайки Sц и эллиптического
днища Sдн определяется
соответственно по формулам (4.8) и (4.9)
Sц ≥ S
цр + Сц=17,35+2=19,35 мм, (4.8)
Sдн ≥ Sдн
р + Сдн=17,3+4,6=21,9 мм. (4.9)
Исполнительная толщина стенки цилиндрической
обечайки и днища заносятся в таблицу 4.9.
Таблица 4.9 - Исполнительная толщина стенки
цилиндрической обечайки и днища
|
Наименование
параметра
|
Значение
|
|
Исполнительная
толщина цилиндрической обечайки, мм
|
Sцгост = 22
|
|
Исполнительная
толщина эллиптического днища, мм
|
Sднгост = 22
|
4.6 Проверка условий
применения расчетных формул
Проверяется условие применения расчетных формул
для цилиндрической обечайки корпуса аппарата, которое записывается в виде
(4.10)
Проверяется условие применения расчетных формул
для эллиптической оболочки, которое записывается в виде
(4.11)
(4.12)
Так как условия выполнятся, то
расчеты выполнены корректно.
4.7 Выбор
стандартного днища
Параметры эллиптического днища
представлены в таблице 4.10.
Таблица 4.10 - Параметры
эллиптического днища
|
D,мм
|
Sдн,(Sднгост),
мм
|
Ндн,
(hдн), мм
|
hц, мм
|
Fдн, м2
|
mдн, кг
|
Vдн, м3
|
|
2600
|
22
|
650
|
60
|
7,82
|
1375
|
2,6087
|
Эскиз эллиптического днища и конического
перехода представлены на рисунке 4.2.
а) б)
Рисунок 4.2 - Эскиз эллиптического днища (а) и
конического перехода (б)
4.8 Проверка прочности
.8.1 Проверка прочности
аппарата, работающего под действием внутреннего избыточного давления
Проверка прочности заключается в определении
допускаемых значений расчетных давлений в рабочих условиях [P]t
и в условиях испытаний [P]и
и сравнении их с расчетными Pрасt
и Pраси .
4.8.1.1 Определение
допускаемого давления в рабочих условиях
В рабочих условиях допускаемое внутреннее
избыточное давление [P]t
определяется по формулам:
- для цилиндрической оболочки
;
(4.13)
МПа;
- для днищ
;
(4.14)
МПа.
4.8.1.2 Расчет в
условиях испытаний
В условиях испытаний допускаемое внутреннее
избыточное давление [P]и
определяется по формулам:
для цилиндрической оболочки
;
(4.15)
МПа;
для днищ
;
(4.16)
МПа.
4.8.1.3 Проверка
прочности
Проверяется условие прочности цилиндрической
обечайки и днищ по следующим формулам:
в рабочих условиях
Pрасt
≤
[P]t
;
(4.17)
,68 МПа˂2,03 МПа;
,68 МПа˂1,88 МПа.
в условиях испытаний
Pраси ≤ [P]и
;
(4.18)
,65 МПа ˂3,05 МПа;
,65 МПа ˂2,83 МПа.
Условия (4.17) и (4.18) выполняются.
Результаты проверки прочности цилиндрической
обечайки и днищ приведены в таблице 4.11
Таблица 4.11 - Результаты проверки прочности
обечайки и днища
|
Наименование
|
Условие
прочности
|
|
Расчет
в рабочих условиях
|
Расчет
в условиях испытаний
|
|
Цилиндрическая
обечайка
|
1,68˂2,03
|
2,65˂3,05
|
|
Днище
эллиптическое
|
1,68˂1,88
|
2,65˂2,83
|
В таблице 4.12 приведены результаты, полученные
при выполнении раздела 4 курсового проекта.
Таблица 4.12 - Результаты, полученные при
выполнении раздела 4
|
Наименование
параметра
|
Значение
|
|
Сумма
прибавок к расчетной толщине, С, мм
|
С
=2
|
|
Расчетная
толщина стенки цилиндрической обечайки без учета суммы прибавок, мм
|
Sцр =17,35
|
|
Исполнительная
толщина стенки цилиндрической обечайки по ГОСТ, мм
|
Sцгост =22
|
|
Расчетная
толщина стенки эллиптического днища без учета суммы прибавок, мм
|
Sднр=17,3
|
|
Исполнительная
толщина эллиптического днища по ГОСТ, мм
|
Sднгост =22
|
По результатам выполнения разделов 2, 3 и 4
составляется техническая характеристика колонного аппарата.
5. Расчет аппаратов колонного
типа от ветровых нагрузок и сейсмических воздействий
Работа высоких колонных сооружений на
технологических установках проходит в тяжелых условиях при совместном
воздействии:
давления (внутреннего или наружного);
осевой сжимающей силы от собственного веса
аппарата;
изгибающих моментов, возникающих от ветровых и
сейсмических нагрузок.
Толщина же стенки обычно рассчитывается при
воздействии только внутреннего избыточного давления. Поэтому возникает
необходимость проверить прочность и устойчивость основных элементов колонного
аппарата при суммарном воздействии всех нагрузок, которые могут действовать на
аппарат.
5.1 Область применения,
цель и задачи расчета, исходные данные
Расчет аппаратов колонного типа от ветровых
нагрузок и сейсмического воздействия производится по ГОСТ Р 51273-99 (2006) [2]
и 51274-99 (2006) [3].
В курсовом проекте рассчитывается отдельно
стоящий аппарат колонного типа - стабилизационная колонна С-501 установки
каталитического риформинга бензиновых фракций.
Цели расчета в курсовом проекте:
проверка прочности корпуса колонного аппарата в
сечении В-В под совместным воздействием внутреннего давления Ррас, осевой
сжимающей силы F от
собственного веса и изгибающего момента МV,
возникающего от ветровых нагрузок (в курсовом проекте сечение В-В совмещается с
сечением Г-Г);
проверка прочности сварного шва (сечение Г-Г)
под воздействием изгибающего момента МV
и осевой сжимающей силы F;
проверка устойчивости опорной обечайки в
наиболее ослабленном отверстиями сечении (сечение Д-Д) под воздействием
изгибающего момента МV
и осевой сжимающей силы F;
расчет элементов опорного узла в месте
присоединения нижнего опорного кольца (сечение Е-Е) под воздействием
изгибающего момента МV
и осевой сжимающей силы F:
а) определение ширины нижнего опорного кольца
(проверка прочности бетона);
б) расчет на прочность анкерных болтов
(определение внутреннего диаметра резьбы анкерных болтов).
Необходимость в проверке прочности возникает
вследствие того, что толщина стенки корпуса была определена только под
действием внутреннего или наружного расчетного давления, без учета
дополнительного воздействия осевой сжимающей силы и изгибающего момента,
напряжения от которых могут достигать больших величин и привести к разрушению
колонного аппарата.
Исходные данные, необходимые для выполнения
данного раздела, приведены в таблицах 4.3-4.6, 4.12 и 5.1.
Таблица 5.1 - Исходные данные при расчете
колонного аппарата на воздействие ветровых нагрузок
|
Параметр
|
Значение
|
|
Территориальный
район установки аппарата
|
II
|
|
Диаметр
колонны наружный (без изоляции), Dн=Dв+2Sгост, мм
|
2044 / 2644
|
|
Толщина
стенки опорной обечайки Sоп,
|
22
|
|
Модуль
упругости Еt,Па, при
расчетной температуре tрас для рабочих условий
|
1,77∙1011
|
|
Модуль
упругости Е20 , Па, при расчетной температуре tрас = 20
0С
|
1,99∙1011
|
|
Тип
грунта
|
слабый
|
|
Коэффициент
неравномерности сжатия грунта Cf, Н/м3(выбирается в
зависимости от типа грунта)
|
60000000
|
|
Тип
массообменных устройств
|
клапанные
тарелки
|
|
Общее
число тарелок, шт.
|
35
|
|
Масса
тарелки*, кг
|
200
|
|
Учет
сейсмических нагрузок
|
нет
|
|
Наличие
изоляции
|
да
|
Расстояние от поверхности земли до
обслуживающей площадки,
i , мм:
первой; (нумерация сверху вниз)
второй;
третьей;
четвертой;
- пятой
|
33200
25400 18400 11000 2500
|
|
|
Расстояние
от поверхности земли до оси лаза Х 0Д-Д, мм
|
600
|
|
Диаметр
лаза, мм
|
500
|
5.2 Порядок расчета
колонных аппаратов от ветровых нагрузок
Расчет на ветровую нагрузку по
стандарту состоит из двух частей, в первой из которых определяются изгибающие
моменты от ветровых нагрузок в каждом расчетном сечении по ГОСТ 51273-99 [2], а
во второй - производится расчет на прочность и устойчивость отдельных элементов
аппарата по ГОСТ 51274-99 [3].
Порядок расчета колонного
аппарата от ветровой нагрузки следующий:
определяются исходные данные;
разрабатывается расчетная схема
аппарата, определяется количество участков z
и их параметры (высота участка hi,
расстояние от поверхности земли до центра тяжести i-го
участка - xi);
определяется период собственных
колебаний для трех расчетных условий υ = 1; 2;
3;
находятся ветровые нагрузки Рi
на каждом участке для трех расчетных условий υ = 1; 2;
3;
- определяются изгибающие
моменты Мv в каждом из
расчетных сечений аппарата (Г-Г, Д-Д, Е-Е) для υ = 1; 2;
3;
- проводится проверка прочности
стенки корпуса колонного аппарата для υ = 1; 3 в
поперечных сечениях, переменных по диаметру или толщине стенки, под суммарным
воздействием Ррас, F и Мυ
(в
КП ведется расчет только для сечения Г-Г);
выбирается тип опорной обечайки
и определяются все размеры опорного узла;
производится проверка прочности
сварного шва в сечении Г-Г под суммарным воздействием F
и Мυ
для
υ
= 1; 2;
- производится проверка
устойчивости опорной обечайки в сечении Д-Д под суммарным воздействием F
и Мυ
для υ
= 1; 2;
проводится расчет элементов
опорного узла для υ = 1; 2;
расчет анкерных болтов.
5.3 Выбор расчетной
схемы и определение расчетных сечений аппарата
.3.1
Расчетная схема аппарата
В качестве расчетной схемы
аппарата колонного типа принимают упруго защемленный стержень.
Из-за непостоянства скорости
ветра, аппарат по высоте разбивается на z
участков, высота каждого из которых не должна превышать hz
≤
10 м, нумерация участков производится сверху вниз.
При этом высоты участков могут
быть как равны друг другу (h1=h2=hi=hz),
так и не равны (h1≠h2≠hi≠hz).
Расстояние от поверхности земли
до центра тяжести соответствующего участка обозначается через xi
(таблица 5.2).
Таблица 5.2 - Исходные данные
для составления расчетной схемы
|
Номер
участка
|
Внутренний
диаметр колонны на участке, Dвi, мм
|
hi,м
|
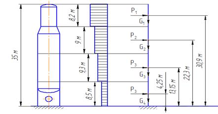
xi, м
|
|
1
|
2000
|
8,2
|
30,9
|
|
2
|
2600
|
9
|
22,3
|
|
3
|
2600
|
9,3
|
13,15
|
|
4
|
2600
|
8,5
|
4,25
|
К центру тяжести каждого из z
участков прикладываются нагрузки - ветровые Рi
и весовые Gi, которые
рассматриваются как сосредоточенные силы. Нагрузку от веса Gi
прикладывают вертикально, а ветровые и сейсмические Рi
нагрузки прикладываются горизонтально.
5.3.2 Расчетные сечения
При расчете колонного аппарата с переменным
поперечным сечением устанавливаются следующие расчетные сечения:
а) сечения В1-В1 и В2-В2 в местах изменения
диаметра КА;
б) сечение Г-Г - поперечное сечение корпуса и
опорной обечайки в месте их присоединения друг к другу (рисунок 5.2);
в) сечение Д-Д - поперечное сечение опорной
обечайки в местах расположения отверстий;
г) сечение Е-Е - поперечное сечение опорной
обечайки в месте присоединения нижнего опорного кольца.
Расстояние от земли до соответствующего
расчетного сечения обозначается через х0 (таблица 5.3).
Таблица 5.3 - Определение координат расчетных
сечений
|
Расчетное
сечение
|
х0,
мм
|
|
Хог-г
|
2400
|
|
Ход-д
|
600
|
|
ХоЕ-Е
|
0
|
Расчетная схема аппарата приведена на рисунке
5.1.
Рисунок 5.1 - Расчетная схема аппарата
Рисунок 5.2 - Стандартная цилиндрическая опора
5.4 Расчетные условия
Все расчеты аппарата необходимо проводить
параллельно для трех расчетных условий:
рабочее условие (условное обозначение - υ
= 1);
- условия испытания (υ
= 2);
- условия монтажа (υ
= 3).
Расчетные условия отличаются набором исходных
параметров, которые определяются следующим образом:
рабочее условие (υ = 1). В
этом случае:
а) вес аппарата - G1
включает вес корпуса и опорной обечайки, обслуживающих площадок, изоляции,
внутренних устройств, рабочей среды;
б) расчетное давление в рабочих условиях -
ррас=рtрас;
в) расчетная температура - tрас;
г) допускаемое напряжение при расчетной температуре
- [σ]t;
д) модуль упругости первого рода при расчетной
температуре tрас - Еt;
условие испытания (υ
= 2). Для
этих условий:
а) вес аппарата - G2
включает вес корпуса и опорной обечайки, обслуживающих площадок, изоляции,
внутренних устройств, воды;
б) расчетное давление в условиях испытаний равно
пробному с учетом гидростатического от столба воды - рирас=рпр+ Рг.в.;
в) расчетная температура - tрас
= 20°С;
г) допускаемое напряжение -
, где nт = 1,1 в
условиях гидроиспытания;
д) модуль упругости первого рода при
расчетной температуре tрас=20 0 С - Е 20;
а) вес имеет два значения:
) G3 -
максимальный вес аппарата в условиях монтажа
) G4 -
минимальный вес аппарата в условиях монтажа после установки его в вертикальное
положение, т.е. только вес колонного аппарата со штуцерами и люками, без
внутренних устройств, изоляции, рабочей среды, площадок;
б) расчетное давление равно нулю,
т.е. ррас=0;
в) расчетная температура - tрас = 20°С;
г) допускаемое напряжение -
, где nт= 1,2;
д) модуль упругости первого рода при
расчетной температуре tрас=20 0 С - Е 20.
Расчет проводится параллельно для
трех условий, поскольку для каждого из них характерно опасное сочетание
параметров:
для рабочих условий - это
возможность осуществления процесса при высокой рабочей температуре и,
соответственно, допускаемые напряжения будут иметь низкие значения;
для условий испытаний - это высокое
расчетное давление (сумма пробного и давления столба воды), которое больше чем
расчетное в рабочих условиях минимум в 1,25 раза, а также большое значение
осевой сжимающей силы из- за веса воды в корпусе;
для условий монтажа - это
минимальный вес аппарата. В этом случае могут преобладать растягивающие
напряжения от изгибающего момента над сжимающими напряжениями от веса КА, что
очень опасно для анкерных болтов.
5.5 Определение веса
колонного аппарата и осевой сжимающей силы
Вес колонны находится для каждого расчетного
условия, т.е. для υ = 1; 2; 3. Для
определения общего веса колонны G
рассчитывается вес каждого участка Gi,
который сосредоточен в середине участка.
Осевая сжимающая сила F
находится как сумма весов всех участков, т.е.:
F= G=
Gi .
(5.1)
Вес каждого участка, в зависимости
от условий работы, складывается из веса корпуса аппарата Gк, веса
изоляции Gиз, веса
рабочей жидкости Gр.ж. или веса воды Gв, веса
внутренних устройств Gвн.у., веса внешних устройств. В
курсовом проекте принимаем, что вес внешних устройств (площадок, штуцеров
фланцев, люков, лазов) составляет приблизительно 18 % от собственного веса
стального корпуса Gк и опоры.
В таблице 5.4 представлены исходные
данные для расчета, в таблице 5.5 - сочетание параметров для трех расчетных
условий.
Таблица 5.4 - Исходные данные для
расчета
|
Тип
аппарата
|
Тип
массообменных устройств
|
Изоляция
|
|
|
Материал
изоляции
|
Толщина
изоляции Sиз, мм
|
Плотность
изоляции, Н/м3
|
|
Переменного
сечения
|
Тарелки клапанные
|
стекловата
|
180
|
200
|
Методика расчета приведена в пунктах 5.5.1,
5.5.2. Результаты расчета представлены в таблицах 5.4 и 5.5.
Вес каждого участка и общий вес колонны для
каждого расчетного состояния был определен компьютерным расчетом.
Все исходные данные, промежуточные вычисления и
результаты компьютерного расчета приведены в приложении А.
Таблица 5.5 - Сочетание параметров для трех
расчетных условий
|
Расчетное
условие, индекс расчетных условий
|
Расчетное
давление Р, МПа
|
Расчетная
температура t рас,0С
|
Вес
колонного аппарата
|
Модуль
упругости, Па
|
Допускаемое
напряжение, МПа
|
Рабочие
условия
р1 = рtрас= 1,68tраскор =
238рас оп = 20G1включает
вес корпуса и опорной обечайки, обслуживающих площадок, изоляции, внутренних
устройств, рабочей средыЕtкор =1,77∙1011
Еt оп =1,99∙1011[
]tкор = 133
|
[ ]tоп =147
|
|
|
|
|
|
Условия
испытаний
р2=рирас=
2,65 tрас=20°С G2включает
вес корпуса и опорной обечайки, обслуживающих площадок, изоляции, внутренних
устройств, воды Е20=1,99∙1011
=200
|
=200
|
|
Условия
монтажа
р3=0 tрас=20 °С Вес
имеет два значения: 1) G3 - максимальный вес аппарата в
условиях монтажа, 2) G4 - минимальный вес аппарата в
условиях монтажа после установки его в вертикальное положение, т.е. только вес
колонного аппарата со штуцерами и люками, без внутренних устройств, изоляции,
рабочей среды, площадок. Е20=1,99∙1011
= 183,33
|
=183,33
|
|
5.5.1 Методика расчета
веса колонного аппарата и осевой сжимающей силы
Определение веса колонного аппарата и осевой
сжимающей силы осуществляется по следующей методике для трех расчетных условий.
Для рабочих условий (
) вес i-го участка
колонного аппарата рассчитывается по формуле:
Gi1 = Gк.i
+ Gиз.i
+ Gр.ж.i+
Gвн.y.i
+ 0,18∙Gк. , (5.2)
где Gк,i
- вес стального корпуса и опорной обечайки колонны на i-м
участке, Н;
Gиз,i
- вес изоляции на i-м участке,
Н;
Gр.ж,i
- вес рабочей жидкости на i-м
участке, Н;
Gвн.y.i
- вес внутренних устройств на i-м
участке, Н;
,18∙Gк.i-
вес штуцеров, площадок, люков, который в КП принимаем равным 18% веса Gк.i.
Вес материала корпуса и опоры аппарата определяется
по формуле
Gk.i
= Gцил.i
+ Gдн.i
, (5.3)
где Gцил.i
- вес металла цилиндрической части i-го
участка аппарата, Н;
Gдн.i
- вес металла днища i-го участка
аппарата, Н.
Теплоизоляционный материал - стекловата. Толщина
изоляции Sиз определяется
исходя из диаметра аппарата и рабочей температуры.
В качестве внутренних устройств в
стабилизационной колонне выступают тарелки.
При определении веса тарелок сначала
они распределяются группами по высоте аппарата в зависимости от расположения
люков и штуцеров ввода сырья, вывода продукта и т.д. Тип и общее количество
тарелок задаются в задании. Далее конструктивно определяется количество тарелок
на каждом участке
и
определяется их вес.
В стабилизационной колонне установлено 35 тарелок.
Расположение группы тарелок в корпусе колонного
аппарата представлено на рисунке 5.3.
Рисунок 5.3 - Группа тарелок в корпусе колонного
аппарата
Для условий испытаний (
) вес i-го участка
рассчитывается следующим образом:
Gi2 = Gk.i+
Gиз.i
+ Gв.i+
Gвн.y.i
+ 0,18·Gк.i,
(5.4)
где Gв.i-
вес воды на i-м участке, Н.
Для условий монтажа (
) принимаем,
что аппарат пустой, без изоляции, но с обслуживающими площадками и штуцерами.
Вес i-го участка
в этом случае определяется по формуле
Gi3 = Gк.i+
0,18·Gк.i.
(5.5)
5.5.2
Результаты определения осевой сжимающей силы
Результаты расчета представлены в виде таблиц 5.6
и 5.7.
Таблица 5.6 - Геометрические характеристики
аппарата и весовые нагрузки по участкам
|
Номер
участка
|
Внутренний
диаметр колонны DВ, мм
|
Наружный
диаметр DH, мм
|
Высота
участка hi ,м
|
Расстояние
от земли до центра тяжести i-го участка хi , м
|
Число
тарелок на участке
|
Вес
i-го
участка Gi, Н
|
|
|

|
|
|
|
|
|
|
1
(с изоляцией)
|
2
(с изоляцией)
|
3
(без изоляции)
|
|
|
|
1
|
2
|
3
|
|
1
|
2,00
|
2,404
|
2,404
|
2,044
|
8,20
|
30,90
|
9,00
|
125478
|
374731
|
107625
|
|
2
|
2,60
|
3,004
|
3,004
|
2,644
|
9,00
|
22,30
|
10,00
|
167440
|
656783
|
147543
|
|
3
|
2,60
|
3,004
|
3,004
|
2,644
|
9,30
|
13,15
|
11,00
|
175319
|
659456
|
153459
|
|
4
|
2,60
|
3,004
|
3,004
|
2,644
|
8,50
|
4,25
|
5,00
|
297286
|
523607
|
170456
|
|
Общий
вес колонны Gv = Gi, н765524
|
2214577
|
579085
|
|
Таблица 5.7- Значение осевой сжимающей силы для
трех расчетных условий
|
Расчетное
условие, Осевая
сжимающая сила, F= Gv , Н
|
|
|
Рабочее
условие, = 1765524
|
|
|
Условие
гидроиспытания, =
22214577
|
|
|
Условие
монтажа, = 3579085
|
|
5.6 Определение
ветровых нагрузок
Одна из задач при проведении расчета колонного
аппарата от ветровых нагрузок заключается в определении непосредственно силы
ветра (ветровой нагрузки).
При этом если несущие конструкции зданий и
строительных сооружений обычно рассчитывают в предположении действия
установившегося ветра, такое предположение оказывается недостаточным при
расчете вертикальных цилиндрических аппаратов нефтеперерабатывающих заводов,
устанавливаемых на открытом воздухе.
Сила ветра складывается:
из установившегося потока, который оказывает
статическое действие;
динамической составляющей, являющейся функцией
пульсации скоростного напора и периода колебаний колонного аппарата.
Поэтому прежде чем рассчитать ветровые нагрузки,
необходимо определить период собственных колебаний аппарата.
5.6.1 Определение
периода основного тона собственных колебаний аппарата
Период основного тона собственных колебаний
определяется либо для аппаратов постоянного поперечного сечения, либо
переменного в зависимости от расчетной схемы.
Величина Т для каждого расчетного состояния
определена компьютерным расчетом.
Исходные данные необходимые для расчета
представлены в таблице 5.8.
Таблица 5.8 - Исходные данные для расчета
|
Тип
аппарата
|
Тип
грунта
|
Коэффициент
неравномерности сжатия грунта СF, Н/м3
|
Наружный
диаметр корпуса (без изоляции) Dн, мм
|
Толщина
стенки опорной обечайки Sоп, мм
|
Внутренний
диаметр опорной обечайки Dоп, мм
|
|
Переменного
сечения
|
слабый
|
60000000
|
2644
|
22
|
2600
|
Промежуточные вычисления и результаты
компьютерного расчета приведены в приложении Б.
Определение периода собственных колебаний
аппарата осуществляется по следующей методике: для аппаратов переменного
сечения период собственных колебаний Т, с, определяется для трех расчетных
условий работы по формуле
(5.6)
где СF
- коэффициент неравномерности сжатия грунта;
- относительное перемещение i-го
участка
. (5.7)
Результаты расчета периода
собственных колебаний аппарата представлены в таблице 5.9.
Таблица 5.9 - Результаты расчета периода собственных
колебаний для различных расчетных условий
|
Расчетные
условия
|
Период
Т, с-1
|
|
υ=1
|
4,287
|
|
υ=2
|
6,028
|
|
υ=3
|
3,439
|
5.6.2 Определение
ветровой нагрузки на каждом участке
Ветровая нагрузка состоит из двух составляющих:
статической (по ГОСТ Р 51273 - 99 (2006) [2] -
это средняя составляющая ветровой нагрузки);
динамической (по ГОСТ Р 51273 - 99 (2006) [3] -
это пульсационная составляющая ветровой нагрузки).
Таким образом, ветровая нагрузка Рi
на i-м участке
находится как сумма двух слагаемых:
-
- средняя составляющая ветровой
нагрузки на i-м участке,
Н;
- пульсационная составляющая
ветровой нагрузки на i-м участке, Н.
Ветровые нагрузки определены
компьютерным расчетом.
Исходные данные необходимые для
выполнения расчета приведены в таблице 5.10.
Таблица 5.10 - Исходные данные для
расчета ветровой нагрузки
|
Параметр
|
Значение
|
|
Ветровой
район установки аппарата
|
II
|
|
Нормативный
скоростной напор ветра на высоте 10 м q 0 , Н/м2
|
300
|
|
Аэродинамический
коэффициент К
|
0,85
|
|
Количество
жесткостей аппарата (рисунок 5.4)
|
2
|
Промежуточные вычисления и результаты
компьютерного расчета приведены в Приложении В.
Рисунок 5.4 - Аппарат с тремя жесткостями I1,
I2, I3
(с тремя разными диаметрами)
5.6.2.1 Методика
расчета ветровой нагрузки
Ветровая нагрузка Рi на i-м участке
для трех расчетных условий (
) находится как сумма двух слагаемых
по формуле:
. (5.8)
Средняя составляющая ветровой нагрузки
рассчитывается по формуле
, (5.9)
где qist -
нормативное значение средней составляющей ветровой нагрузки на середине i-го участка,
Н/м2, которое определяется по формуле
, (5.10)
где q0 - нормативное
значение ветрового давления на высоте 10 м над поверхностью земли, Н/м2,
определяется в зависимости от ветрового района, в котором установлен аппарат,
г. Омск относится ко второму ветровому району;
- коэффициент, учитывающий
изменение ветрового давления по высоте аппарата, определяется по отношению
,
, (5.11)
где хi
- расстояние от поверхности земли до центра тяжести i-го
участка, м;
К - аэродинамический коэффициент, учитывающий
решетчатую пространственную конструкцию площадок и зависящий от формы площадки.
В курсовом проекте для колонного
аппарата принимаем К = 0,85, поскольку отсутствуют точные данные о форме
площадки и нет возможности рассчитать значение
.
Пульсационная составляющая ветровой
нагрузки определяется по формуле
(5.12)
где
- коэффициент, учитывающий
пространственную корреляцию пульсации давления ветра;
- коэффициент динамичности при
ветровой нагрузке;
- приведенное относительное
ускорение центра тяжести i-го участка.
5.6.2.2 Результаты
расчета ветровой нагрузки
Результаты расчета представлены в таблице 5.11.
Таблица 5.11 - Определение ветровой нагрузки для
трех расчетных условий
|
Показатель
|
Участки
аппарата
|
|
1
|
2
|
3
|
4
|
|
q0 , н/м2
|
300
|
|
k
|
0,85
|
|
1,419
|
1,282
|
1,089
|
0,767
|
|
|
qist, Н/м2
|
361,766
|
326,975
|
277,592
|
195,587
|
|
0,813
|
0,472
|
0,182
|
0,021
|
|
|
, 1/(Н*м)1(Et)3,70728E-09
|
2,63618E-09
|
1,52156E-09
|
4,78748E-10
|
|
|
|
|
|
2,3(E20)
|
3,67651E-09
|
2,61831E-09
|
1,51467E-09
|
4,7796E-10
|
|
mk=mi
|
0,642
|
0,674
|
0,729
|
0,864
|
|
Gk(Gi), н
|
1
|
125478
|
167440
|
175319
|
297286
|
|
|
|
2
|
374731
|
656783
|
659456
|
523607
|
|
|
3
|
107625
|
147543
|
153459
|
170456
|
|
 1
|
0,048
|
0,034
|
0,020
|
0,006
|
|
|
|
|
2
|
0,014
|
0,010
|
0,006
|
0,002
|
|
|
3
|
0,056
|
0,040
|
0,023
|
0,007
|
|
 1
|
0,094
|
|
|
|
|
2
|
0,132
|
|
|
3
|
0,075
|
|
 1
|
2,307
|
|
|
|
|
2
|
2,531
|
|
|
3
|
2,181
|
|
 1
|
0,819
|
|
|
|
|
2
|
0,819
|
|
|
3
|
0,819
|
|
Pkst(Pist), Н
|
1
|
7131
|
8840
|
7755
|
4994
|
|
|
|
2
|
7131
|
8840
|
7755
|
4994
|
|
|
3
|
6063
|
7781
|
6826
|
4396
|
|
, Н 1
|
11336
|
10757
|
6501
|
3468
|
|
|
|
|
2
|
11058
|
13803
|
8017
|
2009
|
|
|
3
|
10727
|
10473
|
6302
|
2209
|
|
, Н 1
|
18467
|
19597
|
14256
|
8462
|
|
|
|
|
2
|
18189
|
22643
|
7003
|
|
|
3
|
16791
|
18254
|
13127
|
6604
|
5.7 Определение
расчетного изгибающего момента от ветровой нагрузки и сейсмического воздействия
Значения изгибающих моментов находятся для
сечений Г-Г, Д-Д и Е-Е (рисунок 5.5).
Рисунок 5.5 - Расчетные сечения
Изгибающий момент от ветровой нагрузки определен
компьютерным расчетом. Промежуточные вычисления и результаты компьютерного
расчета приведены в Приложении Г.
Исходные данные необходимые для выполнения
расчета представлены в таблицах 5.12 и 5.13.
Таблица 5.12 - Исходные данные для расчета
изгибающего момента
|
Расчетное
сечение
|
Расстояние
от поверхности земли до расчетного сечения х0, мм
|
|
|
|
Г-Г
|
Хог-г=2400
|
|
Д-Д
|
Ход-д
=600
|
|
Е-Е
|
ХоЕ-Е=0
|
Таблица 5.13 - Исходные данные по обслуживающим
площадкам
|
Номер
площадки (нумерация сверху вниз)
|
Расстояние
от поверхности земли до j -ой площадки хj, мм
|
Высота
ограждения обслуживающей площадки hпл, м
|
Наружный
диаметр КА с изоляцией Dн, мм
|
Диаметр
площадки Dпл, мм
|
|
1
|
33200
|
1000
|
2404
|
4000
|
|
2
|
25400
|
1000
|
3004
|
4600
|
|
3
|
18400
|
1000
|
3004
|
4600
|
|
4
|
11000
|
1000
|
3004
|
4600
|
5.7.1 Определение
расчетного изгибающего момента от ветровой нагрузки
Расчетный изгибающий момент складывается из двух
составляющих:
- изгибающий момент от действия Рi-й ветровой
нагрузки на колонный аппарат (сумма произведений ветровой нагрузки на плечо,
где плечо - это расстояние от рассматриваемого сечения Г-Г, Д-Д или Е-Е до
центра тяжести i -го участка), т.е
;
изгибающий момент от действия ветра
на обслуживающие площадки и лестницы
.
Таким образом, расчетный изгибающий
момент в сечении на высоте x0 определяют по формуле
, (5.13)
где n
- число участков над рассматриваемым расчетным сечением;
m - число площадок над
рассматриваемым расчетным сечением;
- изгибающий момент в расчетном
сечении на высоте х0 от поверхности земли, возникающий от действия ветровой
нагрузки на i-й участок
колонны, H·м;
Mvj -
изгибающий момент в расчетном сечении на высоте х0 от действия ветровой
нагрузки на j - ю
обслуживающую площадку, Н∙м, определяемый по формуле
(5.14)
Аппарат имеет 5 обслуживающих
площадок, но для выполнения расчета принимаем, что их количество равно 4.
Расположены на расстоянии 0,8 м ниже оси люка.
Параметры обслуживающих площадок
представлены на рисунке 5.6.
Рисунок 5.6 - Параметры
обслуживающих площадок
5.7.2
Результаты определения расчетного изгибающего момента от ветровых нагрузок
Результаты расчета представлены в
таблицах 5.14 и 5.15.
Таблица 5.14 - Геометрические
характеристики обслуживающих площадок и результаты расчета изгибающего момента
на обслуживающие площадки
|
Показатель
|
Площадки
|
|
1
|
2
|
3
|
4
|
|
Диаметр
площадки DПЛ,J
|
4000
|
4600
|
|
Высота
площадки hпл,j
|
1000
|
|
Расстояние
от земли до низа площадки xj
|
33200
|
25400
|
18400
|
11000
|
|
1610
|
|
|
1,451
|
1,335
|
1,208
|
1,030
|
|
|
0,495
|
0,517
|
0,544
|
0,591
|
|
|
1,413
|
0,921
|
0,550
|
0,241
|
|
колонный аппарат обечайка
массообменный
Таблица 5.15 - Определение расчетных изгибающих
моментов от ветровых нагрузок для трех расчетных сечений и трех расчетных
условий
|
Условия
работы аппарата
|
Расчетное
сечение х0, м
|
Изгибающий
момент от ветровой нагрузки, Нм
|
на
обслуживающие площадки
на колонный
|
аппарат
(без площадок) суммарный
изгибающий момент
|
|
|
|
|
Рабочие
условия Хог-г80108
|
1085199
|
1165308
|
|
|
|
Ход-д
|
86581
|
1194608
|
1281188
|
|
ХоЕ-Е
|
88738
|
1231077
|
1319815
|
|
Условия
испытания Хог-г
|
83758
|
1151497
|
1235255
|
|
|
Ход-д
|
90498
|
1265990
|
1356488
|
|
ХоЕ-Е
|
92745
|
1304154
|
1396899
|
|
Условия
монтажа Хог-г
|
78056
|
995118
|
1073173
|
|
|
Ход-д
|
84377
|
1093714
|
1178091
|
|
ХоЕ-Е
|
86484
|
1126580
|
1213064
|
5.8 Сочетание нагрузок
(P, F, M) для каждого расчетного условия
Сочетание нагрузок для трех расчетных условий
работы аппарата и для трех расчетных сечений приведены в таблице 5.16.
Таблица 5.16 - Сочетание нагрузок для трех
расчетных условий работы аппарата и для трех расчетных сечений
|
Индекс
расчетных условий
|
Расчетное
сечение
|
Расчетное
давление Р, МПа
|
Осевое
сжимающее усилие F, H
|
Расчетный
изгибающий момент М, Нмм (кH м)
|
Расчетная
температура tрас,0С
|
Допускаемое
напряжение, МПа
|
|
1
|
2
|
3
|
4
|
5
|
6
|
7
|
Г-Гр1 = рtрас= 1,68F1=G1 = 765524M1=M
1 =1165,308tраскор
=
238
tрас оп
=20[
]tкор= 133
|
[ ]tоп=147
|
|
|
|
|
|
|
|
Д-Д
|
р1=0
|
F1=G1= 765524
|
M1=M 1
=1281,188tрас оп
=
20[ ]tоп=147
|
|
|
|
Е-Е
|
р1=0
|
F1=G1 = 765524
|
M1=M 1
=1319,815tрас оп
=20[ ]tоп=147
|
|
|
Г-Г р2=рирас
=2,65 F2=G2= 2214577 M2=0,6M
2=741,153t рас=20°С
= 200
|
= 200
|
|
|
|
|
|
Д-Д
|
р2=
0
|
F2=G2= 2214577
|
M2=0,6M 2=813,8928t
рас=20°С =200
|
|
|
|
Е-Е
|
р2=
0
|
F2=G2 = 2214577
|
M2=0,6M 2=838,1394t
рас=20°С =200
|
|
|
|
Г-Г
|
р2=0
|
F3=G3 = 579085
|
M3=M 3=1073,173t
рас=20°С =183,33 =183,33
|
|
|
|
|
Д-Д
|
р3=0
|
F3=G3= 579085
|
M3=M 3=1178,091t
рас=20°С =183,33
|
|
|
|
Е-Е
|
р3=0
|
F3=G3= 579085
|
M3=M 3=1213,064t
рас=20°С =183,33
|
|
|
5.9 Проверка на
прочность и устойчивость стенки корпуса аппарата
Необходимость в проверке прочности и
устойчивости возникает вследствие того, что толщина стенки корпуса была
определена только под действием внутреннего или наружного расчетного давления,
без учета дополнительного воздействия осевой сжимающей силы F
и изгибающего момента Mv,
напряжения от которых могут достигать больших величин и привести к разрушению
колонного аппарата. Поэтому стенка корпуса аппарата должна быть проверена на
прочность и устойчивость.
Для колонн, работающих под действием внутреннего
избыточного давления или без давления, производится только проверка прочности
стенки корпуса, проверка устойчивости не производится.
5.9.1 Проверка
прочности стенки корпуса аппарата
Проверку прочности в соответствии со
стандартом следует проводить для рабочего условия
и условия монтажа
в сечении,
где корпус присоединяется к опорной обечайке (сечение Г-Г), под суммарным
воздействием Ррас, Fи Мυ;
Продольные (меридиональные)
напряжения возникают от всех трех нагрузок Ррас, Fи Мυ и
определяются на наветренной
и подветренной
сторонах
соответственно по следующим формулам:
, (5.15)
. (5.16)
Кольцевые (тангенциальные)
напряжения
возникают
только от внутреннего (наружного) давления и рассчитываются по формуле
. (5.17)
Для рабочего условия
:
МПа;
МПа;
МПа.
Для условия монтажа
:
МПа;
МПа;
Па.
Рассчитываются эквивалентные
напряжения на наветренной
и
подветренной
сторонах
для
и
по формулам
(5.18)
(5.19)
Для рабочего условия
:
МПа;
МПа.
Для условия монтажа
:
МПа;
МПа.
Производится проверка прочности:
на наветренной стороне по формуле
. (5.20)
Для рабочего условия
:
;
.
Для условия монтажа
:
;
;
на подветренной стороне по формуле:
.(5.21)
Для рабочего условия
:
;
;
,5<133 МПа.
Для условия монтажа
:
;
;
,7<147 МПа.
Так как условия (5.20) и (5.21)
выполняются, то нет необходимости увеличивать толщину стенки корпуса.
5.9.2
Результаты проверки прочности стенки корпуса
Результаты проверки прочности
стенки корпуса колонного аппарата представлены в таблице 5.17.
Таблица 5.17 - Исходные данные
и результаты проверки прочности стенки корпуса колонного аппарата
|
Параметр
|
Рабочее
условие (υ
= 1)
|
Условие
монтажа (υ
= 3)
|
|
Расчетное
сечение
|
Г-Г
|
Г-Г
|
|
Расчетное
внутреннее давление, МПа
|
Рtрас =1,68
|
Рtрас =0
|
|
Расчетный
изгибающий момент, Н м
|
М1
=1165308
|
M3 =1073173
|
|
Осевая
сжимающая сила, Н
|
F1=765524
|
F3=579085
|
|
Исполнительная
толщина стенки корпуса, Sгост , мм
|
Sгост =22
|
Sгост =22
|
|
Допускаемое
напряжение для материала корпуса, МПа
|
[ ]tкор=133 =183,33
|
|
|
Проверка
прочности (сравнение допускаемых напряжений с эквивалентными), вывод
|
108,06<133
109,05<133
условие выполняется
|
7,55<147
15,7<147 условие выполняется
|
5.9.3 Проверка
устойчивости стенки корпуса колонного аппарата
По ГОСТ Р 51274-99 [3] проверку
устойчивости стенки колонного аппарата следует проводить для рабочих условий
и условий
испытания
в сечении
Г-Г.
Так как стабилизационная колонна
работает под внутренним избыточном давлением, проверка устойчивости стенки
корпуса не проводится. Расчет на устойчивость ведется только для опорной
обечайки.
5.10
Расчет опорной обечайки
Опорную обечайку проверяют на прочность для
рабочего условия (υ=1) и условия
испытания (υ=2).
Расчет опорной обечайки заключается в выборе
стандартной опоры и проверке прочности сварного шва, соединяющего корпус
колонны с опорной обечайкой в сечении Г- Г.
Прежде чем рассчитывать опорную
обечайку, необходимо выбрать тип опоры.
5.10.1 Выбор
стандартной опоры колонного аппарата
В соответствии с ОСТ 26-467-94 [4] разработано
пять типов стандартных опор, пределы применения которых зависят от внутреннего
диаметра колонны DB
и минимальной приведенной нагрузки Qmin.
Минимальные Qmin
и максимальные Qmax
приведенные нагрузки определяются соответственно по формулам
МН, (5.22)
МН, (5.23)
где М1, М2, М3 - расчетные
изгибающие моменты в нижнем сечении опорной обечайки (Е-Е) соответственно при
,
,
, Н·м;
F1=G1; F2=G2; F3=G3 - осевые
сжимающие силы, действующие в сечении Е-Е соответственно при
,
,
, Н.
Результаты выбора типа опоры
представлены в таблице 5.18.
Таблица 5.18 - Результаты выбора
типа и размеров опоры
|
Тип
опоры
|
Приведенная
нагрузка, МН
|
D, мм
|
S1, мм
|
S2, мм
|
S3, мм
|
d2, мм
|
dБ, мм
|
Число
болтов zБ
|
|
Qmax
|
Qmin
|
|
|
|
|
|
|
|
|
3
|
3,5
|
1,29
|
2600
|
22
|
30
|
25
|
42
|
М36
|
24
|
Юбочная цилиндрическая опора с кольцевым опорным
поясом представлен на рисунке 5.7.
Рисунок 5.7 -Юбочная цилиндрическая опора с
кольцевым опорным поясом
5.10.2 Проверка
прочности сварного шва
Прочность сварного шва проверяется в
сечении Г-Г при
и
по формуле
, (5.24)
где F, M - расчетная
осевая сжимающая сила и изгибающий момент, определяемые в сечении Г-Г при
и
, Н, Н·м;
D3=Dвн -
внутренний диаметр опорной обечайки, мм;
а1=S3 - толщина
сварного шва, мм (рисунок 5.8);
S3 -
исполнительная толщина стенки опорной обечайки, мм;
[σ]оп, [σ]к - допускаемые
напряжения соответственно опорной обечайки и корпуса колонны, при
или
, МПа.
В курсовом проекте принимаем, что
толщина опорной обечайки и соответственно толщина сварного шва равна толщине
стенки цилиндрической обечайки корпуса.
Узлы соединения опорной обечайки с
корпусом колонны показаны на рисунке 5.8.
Рисунок 5.8 - Узлы соединения
опорной обечайки с корпусом колонны
Для рабочих условий
:
;
;
,2 МПа < 106,4 МПа.
Для условий испытаний
;
;
,7 МПа < 160 МПа.
Условия выполняются, следовательно,
прочность сварного шва обеспечивается.
Результаты проверки представлены в
таблице 5.19.
Таблица 5.19 - Исходные данные и
результаты проверки прочности сварного шва
|
Параметр
|
Рабочее
условие(υ
= 1)
|
Условие
испытания (υ
= 2)
|
|
Расчетное
сечение
|
Г-Г
|
Г-Г
|
|
Изгибающий
момент, МН м
|
М1
=1165308
|
M2=741153
|
|
Осевая
сжимающая сила, Н
|
F1=765524
|
F2=2214577
|
|
Толщина
сварного шва а, мм
|
а=Sгост =22
|
а
=Sгост =22
|
|
Допускаемое
напряжение для материала корпуса, МПа
|
[ ]tкор=133 =200
|
|
|
Допускаемое
напряжение для материала опоры, МПа
|
[ ]tоп=147 =200
|
|
|
Проверка
прочности
|
14,2
МПа < 106,4 МПа прочность сварного шва обеспечивается
|
18,7
МПа < 160 МПа прочность сварного шва обеспечивается
|
5.10.3 Проверка
устойчивости опорной обечайки
Потеря устойчивости формы опорной обечайки может
произойти под действием осевой сжимающей силы и изгибающего момента.
Проверка устойчивости опорной
обечайки с одним отверстием проводится для сечения Д-Д, проходящего через
середину отверстия для рабочих условий (
) и для условий испытаний (
) по формуле
5.25
, (5.25)
где D0
- диаметр опорной обечайки, мм;
F, M - расчетная
осевая сжимающая сила и изгибающий момент, определяемые в сечении Д-Д при
и
, Н, Н·м;
Ψ1, Ψ2, Ψ3 - коэффициенты,
определяемые соответственно по формулам 5.26
(5.26)
где A,
W, Y
- соответственно площадь, м2 , наименьший момент сопротивления, м3, и
координата центра тяжести, м, наиболее ослабленного поперечного сечения.
В ослабленном сечении расположено только одно
отверстие, кольцевой сварной шов находится вне зоны отверстия.
В этом случае в первом приближении можно принять
Ψ1,
=1,Ψ2,= 1,Ψ3 = 0.
5.10.3.1 Методика
определения допускаемой осевой сжимающей силы
При воздействии осевой сжимающей силы
цилиндрическая оболочка может потерять устойчивость по двум вариантам в
зависимости от соотношения lр/D
, где lр - расчетная длина
оболочки:
при lр/D<10
происходит местная потеря устойчивости;
при lр/D≥10
происходит общая потеря устойчивости.
В курсовом проекте принимаем, что расчетная
длина оболочки равна высоте колонного аппарата, т.е. lр
= Н.
При местной потере устойчивости оболочек при
сжатии происходит потеря устойчивости внезапно, хлопком, с образованием
глубоких ромбических вмятин, обращенных к центру кривизны согласно рисунку 5.9,
а. Вдоль образующей располагаются несколько поясов вмятин. Такую форму потери
устойчивости называют несимметричной. Реже наблюдается осесимметричная форма с
образованием в окружном направлении одной кольцевой вмятины как на рисунке 5.9,
б, обычно на коротких оболочках, а на длинных - при одновременном нагружении
осевой силой и внутренним давлением.
а б
а - несимметричная, б - осесимметричная
Рисунок 5.9 - Формы потери устойчивости
цилиндров при осевом сжатии
Для стабилизационной колонны:
>10 - общая потеря устойчивости.
При общей потере устойчивости цилиндрическая
обечайка теряет устойчивость по всей длине как стержень. Допускаемое осевое
сжимающее усилие из условия общей устойчивости при lр/D≥10
в пределах упругости определяется по формуле
(5.27)
где Е- модуль упругости, МПа, для
соответствующего расчетного условия;
nу - коэффициент
запаса устойчивости;
Данный коэффициент имеет следующие значения:
- для рабочих условий nу
= 2,4;
- для условий испытаний и монтажа nу
= 1,8;
- гибкость, определяется по формуле
, (5.28)
где lпр =2Н -
приведенная длина, м;
Н - высота колонны, м.
.
В курсовом проекте принимаем, что
для колонного аппарата, расчетная схема которого представляет
упруго-защемленный стержень (рисунок 5.10)
Рисунок 5.10 - Расчетная схема
колонного аппарата
Допускаемая осевая сжимающая сила из
условия устойчивости для рабочих условий (
)
МН.
Допускаемая осевая сжимающая сила из
условия устойчивости для условий испытаний (
)
МН
В случае, если
; (5.29)
МН.
Разрушение сжимающего элемента может быть
следствием
потери устойчивости;
потери прочности;
потери того и другого.
В этом случае значение допускаемой осевой
сжимающей силы определяется по формуле 5.30
, (5.30)
где
-
допускаемое осевое сжимающее усилие из условия прочности, Н, которое
определяется по формуле 5.31
. (5.31)
Допускаемая осевая сжимающая сила из
условия прочности для рабочих условий (
)
МН.
Допускаемая осевая сжимающая сила из
условия прочности для условий испытаний (
)
МН.
Допускаемая осевая сжимающая сила из
условия устойчивости и условия прочности для рабочих условий (
)
Допускаемая осевая сжимающая сила из
условия устойчивости и условия прочности для условий испытаний (
)
5.10.3.2
Потеря устойчивости под действием изгибающего момента
Если обечайки нагружены изгибающим
моментом, то допускаемый изгибающий момент следует рассчитывать по формуле 5.32
(5.32)
где [М]П - допускаемый изгибающий момент из
условия прочности, Н·м, который рассчитывается по формуле 5.33;
[М]Е - допускаемый изгибающий момент из условия
устойчивости, Н·м, который рассчитывается по формуле 5.34.
, (5.33)
. (5.34)
Допускаемый изгибающий момент из
условия прочности для рабочих условий (
)
МН∙м
Допускаемый изгибающий момент из
условия прочности для условий испытаний (
)
МН∙м
Допускаемый изгибающий момент из
условия устойчивости для рабочих условий (
)
МН∙м
Допускаемый изгибающий момент из
условия устойчивости для условий испытаний (
)
МН∙м
Допускаемый изгибающий момент из
условия прочности и условия прочности для рабочих условий (
)
МН∙м
Допускаемый изгибающий момент из
условия прочности и условия прочности для условий испытаний (
)
МН∙м
Проверка устойчивости опорной
обечайки для рабочих условий (
) по формуле 5.25
Проверка устойчивости опорной
обечайки для условий испытаний (
) по формуле 5.25
5.10.3.3 Результаты
проверки устойчивости опорной обечайки
Результаты проверки устойчивости представлены в
таблице 5.22.
Таблица 5.22 - Исходные данные и результаты проверки
устойчивости опорной обечайки
|
Параметр
|
Рабочее
условие (υ
= 1)
|
Условие
испытания (υ
= 2)
|
|
Расчетное
сечение
|
Д-Д
|
Д-Д
|
|
Расчетный
изгибающий момент, Н м
|
М1
=1281188
|
M2=813893
|
|
Осевая
сжимающая сила, Н
|
F1=765524
|
F2=2214577
|
|
Допускаемое
осевое сжимающее усилие [F], МН
|
[F] =16
|
[F] =22,8
|
|
Допускаемый
изгибающий момент[M], МН·м
|
[M] =11,1
|
[M] =15,7
|
|
Проверка
устойчивости
|
0,163<1,0
Условие
устойчивости выполняется
|
0,149<1,0 Условие
устойчивости выполняется
|
5.11 Расчет элементов
нижнего опорного узла
Расчет нижнего опорного узла заключается:
в выборе марки бетона для фундамента;
определении ширины нижнего опорного кольца;
проверке на прочность и устойчивость всех
элементов опорного узла (верхнего и нижнего опорных колец, ребер, опорной
обечайки в месте соединения с верхним опорным элементом) при заданных их
размерах.
5.11.1 Определение
ширины нижнего опорного кольца опоры
Расчет элементов опорного узла следует проводить
для рабочего условия
(
) и условия испытания (
) в сечении
Е-Е.
Расчет заключается в проверке
прочности бетона в сечении Е-Е под суммарным воздействием F и Мυ.
Для этого находится расчетная ширина
нижнего опорного узла b1R по формуле
5.34
b1R
, (5.34)
где Dб
- диаметр окружности анкерных болтов, мм;
[
]бет - допускаемое напряжение бетона
на сжатие, МПа, выбирается из таблицы 5.23.
Затем конструктивное значение ширины
нижнего опорного кольца b1 сравнивается с расчетным значением
b1R
,
(5.35)
где D 1, D2 -
соответственно, наружный и внутренний диаметры нижнего опорного кольца, мм
(рисунок 5.11).
Допускаемые напряжения бетона на
сжатие приведены в таблице 5.23.
Таблица 5.23 - Допускаемые
напряжения бетона на сжатие, МПа
|
Вид
опорной поверхности
|
[ ]Б, МН/м2
(МПа)
|
Бетон марка 300 200 100
Расчетная ширина нижнего опорного
узла для рабочих условий (
)
b1R
мм.
Конструктивное значение ширины
нижнего опорного кольца
b1 =
2920-2450=470 ≥ 38,2 мм.
Расчетная ширина нижнего опорного
узла для условий испытаний (
)
b1R
мм.
Конструктивное значение ширины
нижнего опорного кольца
b1 =
2920-2450=470 ≥ 60 мм.
Результаты расчета ширины нижнего
опорного кольца представлены в таблице 5.24.
Таблица 5.24 - Исходные данные и
результаты расчета ширины нижнего опорного кольца
|
Параметр
|
Рабочее
условие (υ
= 1)
|
Условие
испытания (υ
= 2)
|
|
Расчетное
сечение
|
Е-Е
|
Е-Е
|
|
Изгибающий
момент, Н м
|
М1
=1319815
|
M2=838139,4
|
|
Осевая
сжимающая сила, Н
|
F1=765524
|
F2=2214577
|
|
Марка
бетона
|
100
|
100
|
|
Допускаемое
напряжение для бетона, МПа
|
[ ] Б = 8[ ] Б =8
|
|
|
Сравнение
конструктивного и расчетного значений ширины нижнего опорного кольца, мм
|
470
≥ 38,2
|
470
≥ 60
|
Рисунок 5.11 - Опорная обечайка с нижним опорным
кольцом (вид снизу)
5.11.2 Расчет анкерных
болтов
Расчет прочности анкерных болтов
производится для сечения Е-Е для условий монтажа (
), поскольку
именно в этих условиях аппарат имеет наименьший вес и, соответственно, осевую
сжимающую силу и положительные напряжения от изгибающего момента могут
превысить отрицательные напряжения от осевой сжимающей силы, часть болтов будет
работать на растяжение, что может привести к их разрыву.
Схема анкерного болта приведена на
рисунке 5.12.
Рисунок 5.12 - Схема анкерного болта
При расчете анкерных болтов
определяют, работают ли они под нагрузкой (воспринимают растягивающие
напряжения) или служат только для фиксации аппарата, по соотношению 5.36 или
5.37
, (5.36)
или
. (5.37)
Для сечения Е-Е для условий монтажа
(
)
соотношение следующее
Так как
, то
положительные напряжения (σM) от изгибающего момента М3 в
сечении Е-Е больше, чем отрицательные напряжения (σF) от осевой
сжимающей силы F3, т. е. суммарные напряжения с
наветренной стороны аппарата положительны, часть болтов работает на растяжение,
может произойти их разрыв (рисунки 5.12) и их необходимо рассчитать на
прочность.
Рисунок 5.13 - Болты в правой части
опоры воспринимают растягивающие напряжения (
), в левой части наблюдается местная
потеря устойчивости
В этом случае определяется
внутренний диаметр резьбы dБ рас анкерных болтов по формуле
+С, (5.38)
где n=zб - число
болтов;
[σ]бол - допускаемое напряжение
материала анкерных болтов, МПа;
Dб -диаметр
болтовой окружности, мм;
- коэффициент, определяемый по
рисунку 5.14 или по формуле
(5.39)
Рисунок 5.14 - Коэффициент
Внутренний диаметр резьбы болта
должен быть не менее стандартного значения dБ, т.е.
должно выполняться условие dБ.
dБ.рас .
мм
Результаты расчета анкерного болта
на прочность представлены в таблице 5.25.
Таблица 5.25 - Исходные данные и
результаты проверки прочности анкерных болтов
|
Параметры
|
Условия
монтажа ( )
|
|
Расчетное
сечение
|
Е-Е
|
|
Изгибающий
момент, МН м
|
M3=1213064
|
|
Осевая
сжимающая сила
|
F3=579085
|
|
Материал
болта
|
ВСт5
|
|
Допускаемое
напряжение для материала болта, МПа
|
[ ]бол = 126
|
|
Количество
болтов
|
zб = 24
|
|
Диаметр
болта (конструктивное значение)
|
М36
|
Необходимо рассчитывать болты на
прочность или можно выбрать конструктивно
Проверка прочности болта (сравнение
расчетного значения диаметра резьбы болта dБ с заданным
конструктивно), вывод dБ.
dБ.рас
ЗАКЛЮЧЕНИЕ
В ходе выполнения курсового проекта была
сконструирована и рассчитана стабилизационная колонна установки каталитического
риформинга бензиновых фракций.
В первом разделе проекта в
основной части сформулирована цель и задачи курсового проектирования
применительно к заданному аппарату.
Во втором разделе были
определены пожаровзрывоопасные свойства перерабатываемой среды в аппарате, а
также найден класс опасности вредных веществ, которые могут воздействовать на
организм человека при эксплуатации конструируемого аппарата.
Третий раздел посвящен конструированию колонного
аппарата. Здесь описывается его назначение, устройство, принцип работы, а также
осуществляется конструктивная проработка аппарата технологической установки.
Этот раздел содержит материалы, отражающие рациональную компоновку внутренних и
внешних устройств и узлов аппарата, наличие основных и вспомогательных
штуцеров, лазов, люков, приспособлений для установки средств КИП,
предохранительных клапанов, здесь же описывается конструкция и принцип действия
внутренних устройств аппарата.
В четвертом разделе производится расчет аппарата
на прочность под действием внутреннего давления. В процессе выполнения данного
расчета рассматриваются вопросы выбора конструкционных материалов, определяет
основные расчетные параметры и коэффициент прочности сварного шва, используя
при этом сведения из нормативно-технических документов.
Пятый раздел посвящен расчету колонных аппаратов
на действие ветровых нагрузок. В этом разделе проверяется прочность корпуса
колонного аппарата и опорной обечайки под совместном воздействием давления,
осевой сжимающей силы и изгибающего момента, возникающего от ветровых нагрузок.
Стабилизационная колонна, рассчитанная в данном
курсовом проекте, отвечает всем требованиям для аппаратов подобного типа, все
условия прочности выполняются.
СПИСОК ИСПОЛЬЗОВАННЫХ ИСТОЧНИКОВ
1
Технологический регламент установки каталитического риформинга бензина
газокаталитического производства ОАО «Ново-Уфимский нефтеперерабатывающий
завод», 2007. - 356 с.
2
ГОСТ Р 51273-99 (2006). Сосуды и аппараты. Нормы и методы расчета на
прочность.- М.: Госстандарт России, 1999. - 11 с.
ГОСТ
Р 51274-99 (2006). Сосуды и аппараты. Аппараты колонного типа.- М.: Госстандарт
России, 1999. - 11 с.
4
ОСТ 26 - 467 - 94. Опоры цилиндрические и конические вертикальных аппаратов.-
М.: Госстандарт России, 2005.- 21 с.
ГОСТ
24757 - 81. Сосуды и аппараты. Аппараты колонного типа. Нормы и методы расчета
на прочность.- М.: Госстандарт России, 2008.- 18 с.
ОСТ
26 - 291 - 87. Сосуды и аппараты стальные сварные. Общие технические условия.
ОСТ
26 - 467 - 78. Расчет опор для колонных аппаратов.- М.: Госстандарт России,
2003.- 15 с.
8
Конструкционные материалы: справочник. - М.: Машиностроение, 1990. - 688 с.
9
Тимонин, А.С. Основы конструирования и расчета химико-технологического и
природоохранного оборудования: учебник для вузов в 3 т.- М.: МГУИЭ, 2002. -2300
с.
10
Лащинский, А.А. Конструирование сварных химических аппаратов: Справочник. - Л:
Машиностроение, 1981. - 382 с.
11
Судаков, Е.Н. Расчеты основных процессов и аппаратов нефтепереработки.- М.:
Химия, 1999. - 568 с.
АТК
24.200.04. Опоры цилиндрические и конические вертикальных аппаратов.- М.:
Госстандарт России, 2005.- 11 с.
ПРИЛОЖЕНИЕ А
(информационное)
Определение весов участков и общего веса
колонного аппарата
ПРИЛОЖЕНИЕ Б
(информационное)
Определение периода собственных колебаний
ПРИЛОЖЕНИЕ В
(информационное)
Определение ветровой нагрузки на каждом участке
ПРИЛОЖЕНИЕ Г
(информационное)
Определение изгибающего момента от действия
ветровой нагрузки