|
Перегон
|
Длина, км
|
Время хода, мин
|
Расход энергии
|
Остановки
|
Кратная тяга
|
|
|
Полн.
|
Под током
|
кВт*ч
|
кВА*ч
|
-
|
-
|
|
Будагово -Худоеланская
|
36,5
|
148,3
|
110,4
|
4543,3
|
8912
|
-
|
-
|
|
Худоеланская - Нижнеудинск
|
45
|
46,5
|
36,5
|
501,2
|
1993
|
-
|
-
|
|
Нижнеудинск - Ук
|
32
|
34,7
|
25,7
|
1631,1
|
2220,8
|
-
|
-
|
|
Ук - Замзоp
|
40
|
38,0
|
24,5
|
518,7
|
1951,4
|
-
|
-
|
|
Будагово -Замзоp
|
153,5
|
148,3
|
110,4
|
4543,3
|
8912
|
-
|
-
|
Для четного направления
Участок: Замзоp - Будагово
Тип пути: звеньевой
Состав: Грузовой 100% скольжения
Поезд: 1, масса 6300 т, локомотив 2-ВЛ80р
Расход энергии: 14300,4 кВт·ч; рекуперация 1596,7 кВт·ч; (11.2%)
Удельный расход: активн. 14,8 Вт·ч/т·км; полн. 21,3 В·А·ч/т·км
Техническая скорость: 61,4 км/ч
Максимальный ток поезда 853 А на 4631 км
Максимальный перегрев обмоток двигателя 59° (доп. 120°) на 4648 км
Данные тягового расчета для нечетного направления сведены в таблицу 2.2.
Таблица 2.2 - Данные тягового расчета для четного направления
|
Перегон
|
Длина, км
|
Время хода, мин
|
Расход энергии
|
Остановки
|
Кратная тяга
|
|
|
Полн.
|
Под током
|
кВт*ч
|
кВА*ч
|
-
|
-
|
|
Замзоp - Ук
|
40
|
150
|
118,5
|
14300,4
|
20641
|
-
|
-
|
|
Ук - Нижнеудинск
|
32
|
34,6
|
31,8
|
1623,9
|
3908
|
-
|
-
|
|
Нижнеудинск - Худоеланская
|
45
|
47,1
|
35,8
|
5253,1
|
6468,5
|
-
|
-
|
|
Худоеланская - Будагово
|
36,5
|
29,4
|
17,6
|
1979
|
3498,1
|
-
|
-
|
|
Замзоp - Будагово
|
153,5
|
150
|
118,5
|
14300,4
|
20641
|
-
|
-
|
Также были получены файлы с тяговой нагрузкой для четного и нечетного
направления.
Графики изменения тока поезда для четного и нечетного направления с
учётом рекуперации энергии показаны на рисунках 2.1,2.2.
Рисунок - 2.1 График изменения тока поезда от координаты для четного направления
Рисунок - 2.2 График изменения тока поезда от координаты для нечетного
направления
Расчеты по определению параметров режима расчетного участка проводятся в
программном комплексе Fazonord.
.2 Назначение
программного комплекса Fazonord
Комплекс программ для проведения инженерных расчетов «Расчеты режимов и
нагрузочной способности систем тягового электроснабжения в фазных координатах»
предназначен для автоматизации расчетов режимов СТЭ. Комплекс программ позволяет
проводить имитационное моделирование движения поездов с расчетами режимов в
системах тягового электроснабжения переменного тока частотой 50 Гц (1х25 кВ,
2х25 кВ и новых типов) и расчеты установившихся токов коротких замыканий с
совместным учетом систем тягового и внешнего электроснабжения. Расчеты
проводятся с использованием визуальных компонент из набора элементов.
Рассчитываемая система может включать в свой состав воздушные линии и
контактные сети любой конфигурации, кабельные трехпроводные и четырехпроводные
линии, трехстержневые и пятистержневые трехфазные трансформаторы с любым
соединением обмоток, одностержневые однофазные трансформаторы с любым
соединением обмоток, асинхронные двигатели, источники тока, источники ЭДС,
балансирующие узлы, нагрузки в узлах и нагрузки между узлами.
Комплекс программ Fazonord обеспечивает выполнение следующих функций:
формирование элементов систем тягового электроснабжения и внешней сети с
помощью редактора элементов с моделированием решетчатыми схемами замещения трансформаторов
с любым соединением обмоток и воздушных и кабельных линий различного
конструктивного исполнения с учетом пространственного расположения проводов;
контроль правильности построения модели с вычислением паспортных
характеристик трансформаторов, погонных сопротивлений и емкостных проводимостей
ЛЭП;
ведение базы данных по элементам СТЭ;
составление расчетной схемы из подготовленных элементов на основе
графического интерфейса с совместным моделированием однофазных и трехфазных
сетей;
раскладку общей нагрузки радиальной линии на отдельные узлы по заданным
весовым коэффициентам (мощностям трансформаторов);
формирование цепочечной схемы для линий электропередачи с целью учета
распределенности параметров ЛЭП;
расчеты режима мгновенных схем методами Ньютона и Гаусса; в последнем
варианте возможны расчеты при наличии между узлами схемы источников ЭДС и тока,
асинхронных двигателей и нагрузок, заданных величинами активной и реактивной
мощностей;
расчет симметричных и несимметричных установившихся режимов электрических
сетей, включая контактные сети электрифицированных железных дорог переменного
тока 1х25 кВ и 2х25 кВ с системами внешнего электроснабжения, с автоматическим
расчетом электромагнитного влияния линий друг на друга;
сборку результатов расчета в таблицу с дальнейшим импортом данных в пакет
Microsoft Excel;
расчеты потерь мощности в отдельных элементах и по их группам;
расчеты режимов электрических сетей на частоте, отличной от номинальной;
определение неполнофазных режимов;
вычисление токов, напряжений и потоков мощности при сложнонесимметричных
повреждениях в трехфазной электрической сети;
расчет токов короткого замыкания в сетях, питающих тяговые подстанции
переменного тока напряжением 1х25 кВ, 2х25 кВ и в системах тягового
электроснабжения;
определение показателей качества электрической энергии для
синусоидального режима;
выделение элементов контактной сети на расчетной схеме и формирование
маршрута следования поезда с привязкой к узлам элементов контактной сети;
формирование последовательных мгновенных схем на основе графика движения
поездов и расчеты их режимов;
графическое и табличное представление результирующей информации
имитационного моделирования;
ведение базы данных по расчетным схемам и результатам их анализа с
текстовой и графической информацией;
построение векторных диаграмм с выводом до 15 векторов.
В результате расчета отдельной схемы определяются напряжения в узлах,
токи и перетоки мощности в ветвях, генерации в балансирующих узлах, потери
мощности в отдельных элементах с разделением потерь в стали и в меди
трансформаторов.
В итоге имитационного моделирования возможно получение следующей
информации:
зависимости от времени или от координаты положения выделенного поезда
напряжений на токоприемниках поездов, величин токов и потребляемых ЭПС мощностей;
зависимости от времени или от координаты положения выделенного поезда
напряжений, мощностей нагрузки, генерации и потребления шунтами для всех
стационарных узлов;
зависимости от времени или от координаты положения выделенного поезда
потерь мощности для элементов, токов, потоков мощности и транзита энергии для
RL-элементов;
зависимости от времени или от координаты положения выделенного поезда
температур перегрева проводов контактной сети;
интегральные характеристики для каждого поезда (минимальное напряжение на
токоприемнике, полный расход активной и реактивной энергии, расход энергии на
тягу, энергия рекуперации);
интегральная информация для узлов (расход и генерация активной и
реактивной энергии, расход энергии в шунте за время моделирования);
Комплекс Fazonord позволяет рассчитывать режимы схем, содержащих до 1000
узлов и 6000 ветвей (после эквивалентирования решетчатыми схемами число ветвей
не должно превышать 6000) и до 500 элементов. Максимальное количество
балансирующих узлов в схеме - 100 для узлов, балансирующих активную мощность и
100 для узлов, балансирующих реактивную мощность. В одном элементе может быть
до 200 узлов и до 10000 ветвей (после эквивалентирования решетчатой схемой
большое число ветвей получается при расчетах токов отдельных проводов
многопроводных систем) и до 75 примитивов в графическом изображении. В
многопроводной системе (ЛЭП или контактная сеть) может быть до 100 проводов.
Суммарное количество источников тока, источников ЭДС и нагрузок между узлами в
схеме не должно превышать 250, при этом количество источников ЭДС должно быть
не более 100. В допустимое количество источников тока входят и источники тока,
замещающие асинхронные двигатели (по три на один двигатель).
Максимальное количество обмоток в трансформаторе - 5, максимальное
количество соединительных линий при оформлении соединений проводов в элементе
ЛЭП или контактной сети - не более 100. Максимальное число текстовых вставок на
схеме - 500, максимальное количество ЛЭП и участков контактной сети в схеме -
250, максимальное количество трансформаторов в схеме - 200. При соединении элементов
друг с другом в одной точке можно объединять до 10 узлов разных элементов.
Максимальное время моделирования движения поездов составляет 1440 мин. С
помощью комплекса Fazonord можно корректно решать следующие актуальные
практические задачи:
определение пропускной способности участка дороги по системе
электроснабжения с выбором оптимальной схемы пропуска поездов;
минимизация потерь электроэнергии в элементах СТЭ;
выбор оптимального способа усиления СТЭ с учетом весовых норм поездов,
размеров движения и профиля пути;
определение влияния поездной ситуации на показатели качества
электрической энергии в районах электроснабжения нетяговых потребителей;
расчеты уравнительных токов и определение их влияния на
технико-экономические показатели СТЭ;
оценка режима напряжения на токоприемнике электровоза при движении
поезда;
оценка загрузки отдельных элементов СТЭ с возможностью прогнозирования их
состояния;
оценка максимальных рабочих токов фидеров и токов коротких
замыканий для выбора уставок защит;
определение эффективности работы устройств продольной и поперечной
компенсации реактивной мощности.
.3 Описание
расчетной схемы
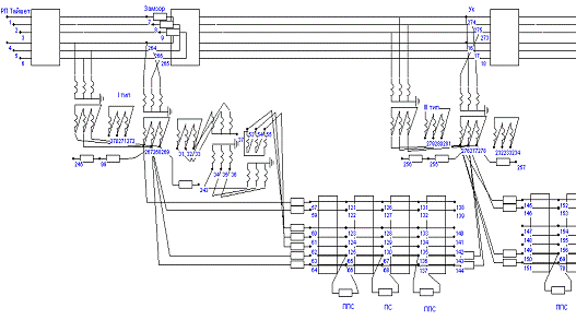
Расчетная схема участка, сформированная средствами комплекса Fazonord,
показана на рисунке 2.3. Схема включает семь элементов ЛЭП-110 кВ с
балансирующими узлами 1,2,3,4,5,6,104,102,106 отвечающими шинам электростанции
(фазные напряжения 67 кВ). Опорные подстанции Замзор и Нижнеудинск моделируются
путем соединения проводов ЛЭП шунтирующими RL-элементами по 0.01 Ом. Такие же
RL-элементы установлены в местах подключения фидеров тяговых подстанций для
получения возможности контроля токов и потоков мощности по окончании расчета.
Также RL-элементы установлены в местах подключения ПС и ППС, с активным
сопротивлением 0,01 Ом. Все соединения узлов отдельных элементов друг с другом
выполнены путем совмещения нужных узлов в одной точке схемы (минимум два узла,
максимально допускаемое комплексом Fazonord - десять узлов в одной точке).
В расчетной схеме использованы следующие модели:
для ЛЭП 110 кВ - модель двухцепной линии АС-185 с грозозащитным тросом
АС-70, в полученной семипроводной системе учитываются все взаимные
электромагнитные влияния,
модели трехобмоточных тяговых трансформаторов,
модели двухобмоточных трансформаторов автоблокировки,
модели тяговой сети двухпутного участка.элементы сопротивлением 0.01 Ом
для организации моделей опорных подстанций и контроля рассчитываемых
параметров.
Рисунок 2.3 - Расчетная схема участка Замзор - Будагово
В представленных моделях учитываются, как электрические параметры
элемента, так и геометрические. Данные модели можно изменять в редакторе
элементов. Модель двухцепной линии электропередач показана на рисунке 2.4.
а)
б)
Рисунок 2.4 - Модель двухцепной трехфазной воздушной линии
электропередачи а - изображение на схеме; б - вид модели в разрезе
Поперечное сечение тяговой сети показано на рисунке 2.5. Тяговую сеть
образуют провода контактной подвески ПБСМ95+МФ100, рельсы Р65 и провода АС-35
линии ДПР и линии 6 кВ автоблокировки. Для того чтобы исключить
электромагнитное влияние контактной сети, линии автоблокировки расположены на отдельных
опорах, на расстоянии 20 метров от контактной сети.
Рисунок 2.5 - Система проводов тяговой сети и изображение элемента
Модель трехфазного трехобмоточного трансформатора ТДТНЖ-40000/110/
27.5/11 с изолированной на вторичной обмотке фазой С, для присоединения
установки продольной емкостной компенсации показана на рисунке 2.6.
Характеристики трансформатора Sн=40МВА, Iх=0.9%, Pх=63 кВт,к=200 кВт,
UКвн-сн=11%, UКвн-нн=17%, UКсн-нн=6%.

Рисунок 2.6 - Модель трехобмоточного тягового трансформатора
Модель понизительного двухобмоточного трехфазного трансформатора
автоблокировки ТМ-63/10 показана на рисунке 2.7.
Характеристики трансформатора Sн=0,063 МВА, Iх=2,8%, Pх=0,265 кВт,
РК=1,28 кВт, Uк=4,5%.

Рисунок 2.7 - Модель двухобмоточного трансформатора ТМ-63/10
Модель повышающего двухобмоточного трехфазного трансформатора
автоблокировки ТМ-100/10 показана на рисунке 2.8.
Характеристики трансформатора Sн=0,1МВА, Iх=2,6%, Pх=0,365 кВт,
РКвн-нн=1,97 кВт, Uк=4,5%

Рисунок 2.8 - Модель двухобмоточного трансформатора ТМ-100/10
Также в схеме использованы модели трансформаторов автоблокировки: ТМ
160/10 с характеристиками Sн=0,16МВА, Iх=2,4%, Pх=0,54 кВт, РК=2,65 кВт,
Uк=4,5%,
ТМ 250/10 с характеристиками Sн=0,25МВА, Iх=2,3%, Pх=0,945кВт, РК=3,7
кВт, Uк=4,5%.
2.4 Расчет
параметров модели КУ
Устройства параллельной компенсации (КУ) применяют для компенсации
реактивной мощности в СТЭ переменного тока.
Особенностью КУ является их однофазное или двухфазное исполнение, наличие
защитного реактора для ограничения резонансных явлений. Установки параллельной
компенсации РМ являются многофункциональными: компенсируют реактивную
индуктивную мощность тяговой нагрузки,
повышают напряжение в точке включения, симметрируют токи и напряжения в
тяговом трансформаторе питающей сети, ослабляют уровень высших гармоник в СТЭ.
Устройства параллельной компенсации могут располагаться на тяговых подстанциях
в отстающей фазе, в тяговой сети на посту секционирования, на ЭПС. Мощность КУ
на ЭПС используется не эффективно и поэтому в настоящее время не используется.
На данном участке Замзор - Будагово установки параллельной компенсации
располагаются на подстанциях. Схемы включения КУ на подстанциях приведены на
рисунке 2.9
Рисунок
2.9 - Схемы включения КУ на тяговых шинах подстанции ТТ - тяговый
трансформатор, Кб - конденсаторная батарея, Р - защитный реактор, нв -
нейтральная вставка, кс - контактная сеть
Включение
КУ в виде КБ на шинах ТП создаёт условия для возникновения резонанса
напряжения. Колебательный контур имеет две параллельные ветви: одна ветвь -
индуктивность трансформатора и системы электроснабжения, другая - индуктивность
ТС и ЭПС.
Чтобы
расстроить резонанс напряжения на всех гармониках (3,5,7 и т.д.) необходимо
нарушить условие резонанса. Для этой цели последовательно с КБ включают
защитный реактор.
В
расчетной схеме, рисунок 2.3 устройства поперечной емкостной компенсации
представлены в виде двух последовательно соединенныхэлементов с
соответствующими сопротивлениями. Первый RL-элемент соответствует емкостному
сопротивлению конденсаторной батареи, а второй индуктивному сопротивлению
реактора.
На
всех подстанциях участка Замзор - Будагово установлены защитные реакторы
ФРОМ-35-3200 с индуктивностью 107 мГн.
Данные
устройств поперечной емкостной компенсации приведены в таблице 1.3.
Рассчитаем
сопротивления конденсаторной батареи и защитного реактора для каждой
подстанции.
Сопротивление
конденсаторной установки рассчитывается по формуле
(2.1)
где
- полезная реактивная мощность, квар,
-
номинального напряжения в тяговой сети = 27,5 кВ,
-
реактивное сопротивление КУ, Ом.
Сопротивление конденсаторной батареи
. (2.2)
Сопротивление реактора
т
(2.3)
где
- индуктивное сопротивление реактора, Ом,
-
угловая частота, Гц,
-
индуктивность, мГн.
.
Для ТП Замзор
Для ТП Ук
Для
ТП Нижнеудинск
Для
ТП Худоеланская
Для
ТП Будагово
2.5 Расчеты
для одного включенного трансформатора на ТП и включенными установками
параллельной компенсации
Для выполнения расчетов необходим график движения поездов, для
составления которого требуются файлы тяговых расчетов для каждого типа поездов,
полученные с помощью программного комплекса Кортэс.
На рисунке 2.10 представлен график движения поездов в четном и нечетном
направлениях. Время моделирования равно 1440 минутам.
Рисунок 2.10 - График движения поездов
Расчеты производятся при пропуске поездов массой 6300 тонн в четном
направлении и 3000 тонн в нечетном направлении, при среднем графике движения
поездов с интервалом равным 30 минутам. Минимальный уровень напряжения на
токоприемнике электровоза принимается 22 кВ.
Данные расчета приведены в таблице 2.1.
Пропускная способность данного участка с одним включенным трансформатором
на тяговых подстанциях и установками параллельной емкостной компенсации при
среднем графике движения составляет 48 пар поездов в сутки.
Минимальный уровень напряжения на токоприемнике электровоза четного
направления равен 22,1 кВ.
Рисунок 2.11 - График изменения напряжения четного поезда от координаты
На рисунке 2.11 показан график изменения напряжения на токоприемнике
электровоза одного из поездов четного направления, по которому видно, что
проблемными по уровню напряжения являются зоны Замзор - Ук и Нижнеудинск - Худоеланская,
это объясняется тем, что данные зоны имеют горный профиль с затяжными уклонами
на участке Замзор - Ук высота уклона равна 7.9‰ протяженность 18 километров,
Нижнеудинск - Худоеланская - 7.0‰ протяженность 5 километров и 6.8‰
протяженность 16 км. Для поездов нечетного направления минимальный уровень
напряжения составляет 22,7 кВ, график изменения напряжения на токоприемнике
электровоза показан на рисунке 2.12.
Рисунок
2.12 - График изменения напряжения нечетного поезда от координаты
Таблица
2.1 - Сводная таблица данных расчета при МПИ=30 минутам
|
Характеристика
|
Значения
|
|
1
|
2
|
|
Четное направление
|
|
Масса поезда
|
6300 тонн
|
|
Время хода по участку
|
150 мин
|
|
Минимальное напряжение
|
22,1 кВ
|
|
Полный расход активной
энергии
|
12710.0 кВт·ч
|
|
Расход энергии на тягу
|
14150.4 кВт·ч
|
|
Энергия рекуперации
|
1440.4 кВт·ч
|
|
Полный расход реактивной
энергии
|
13078.7 квар·ч
|
|
Нечетное направление
|
|
Масса поезда
|
3000 тонн
|
|
Время хода по участку
|
149 мин
|
|
Минимальное напряжение
|
22,7 кВ
|
|
Полный расход активной
энергии
|
3449.2 кВт·ч
|
|
Расход энергии на тягу
|
4375.5 кВт·ч
|
|
Энергия рекуперации
|
926.4 кВт·ч
|
|
Полный расход реактивной
энергии
|
6655,4 квар·ч
|
2.6 Расчеты
при двух включенных трансформаторах на ТП и включенными установками
параллельной компенсации
Расчетная схема с двумя трансформаторами представлена на рисунке 2.13.
Второй трансформатор подключается к шинам высокого напряжения параллельно
первому. Также соединяются вводы среднего напряжения.
Расчет производится при среднем графике движения МПИ= 30 минутам и при
максимальной пропускной способности.
Данные расчета при МПИ= 30 минут приведены в таблице 2.2
Рисунок 2.13 - Расчетная схема участка Замзор - Будагово с двумя
трансформаторами
Таблица 2.2 - Сводная таблица данных расчета при МПИ=30 минутам
|
Характеристика
|
Значения
|
|
Четное направление
|
|
Масса поезда
|
6300 тонн
|
|
Время хода по участку
|
150 мин
|
|
Минимальное напряжение
|
23 кВ
|
|
Полный расход активной
энергии
|
12710.0 кВт·ч
|
|
Расход энергии на тягу
|
14150.4 кВт·ч
|
|
Энергия рекуперации
|
1440.4 кВт·ч
|
|
Полный расход реактивной
энергии
|
13078.7 квар·ч
|
|
Нечетное направление
|
|
Масса поезда
|
3000 тонн
|
|
Время хода по участку
|
149 мин
|
|
Минимальное напряжение
|
23,6 кВ
|
|
Полный расход активной
энергии
|
3449.2 кВт·ч
|
|
Расход энергии на тягу
|
4375.5 кВт·ч
|
|
Энергия рекуперации
|
926.4 кВт·ч
|
|
Полный расход реактивной
энергии
|
13078.7 квар·ч
|
По результатам расчета минимальное напряжение на токоприемнике
электровоза составляет 23 кВ для четного направления и 23,6 кВ нечетного
направления это говорит о необходимости уменьшения МПИ до 25 минут и увеличению
пропускной способности до 58 пар поездов в сутки.
На рисунке 2.14 показаны графики изменения напряжения на токоприемнике
электровоза одного из поездов четного направления при МПИ=30 минутам (а) и при
МПИ= 25 минутам (б).
а)
б)
Рисунок 2.14 - Графики изменения напряжения на токоприемнике электровоза
одного из поездов четного направления: а) при МПИ= 30мнутам; б) при МПИ= 25
минутам
Из графиков видно, что уменьшение межпоездного интервала приводит к
увеличению нагрузки на ТП и снижению напряжения на токоприемнике электровоза в
проблемных зонах Замзор - Ук примерно на 0,7 кВ, Нижнеудинск - Худоеланская
около 1 кВ и равно 22,1 кВ.
Данные расчета при МПИ= 25 минутам приведены в таблице 2.3.
Таблица 2.3 - Сводная таблица данных расчета при МПИ=25 минутам
|
Характеристика
|
Значения
|
|
Четное направление
|
|
Масса поезда
|
6300 тонн
|
|
Время хода по участку
|
150 мин
|
|
Минимальное напряжение
|
22,1 кВ
|
|
Полный расход активной энергии
|
12710.0 кВт·ч
|
|
Расход энергии на тягу
|
14150.4 кВт·ч
|
|
Энергия рекуперации
|
1440.4 кВт·ч
|
|
Полный расход реактивной
энергии
|
13078.7 квар·ч
|
|
Нечетное направление
|
|
Масса поезда
|
3000 тонн
|
|
Время хода по участку
|
149 мин
|
|
Минимальное напряжение
|
22,6 кВ
|
|
Полный расход активной
энергии
|
3449.2 кВт·ч
|
|
Расход энергии на тягу
|
4375.5 кВт·ч
|
|
Энергия рекуперации
|
926.4 кВт·ч
|
|
Полный расход реактивной
энергии
|
6655.4 квар·ч
|
2.7 Сводные
результаты
) При среднем графике движения поездов с интервалом равным 30 минутам минимальное
напряжение на токоприемнике электровозов при схеме питания с одним
трансформатором и включенными КУ составляет для поездов четного направления
22,1 кВ и для поездов нечетного направления 22,7 кВ, а при схеме питания с
двумя трансформаторами и включенными КУ минимальное напряжение для поездов
четного направления равно 23 кВ и для поездов нечетного направления 23,6 кВ.
) При максимальной пропускной способности для схемы питания с двумя
трансформаторами и включенными КУ межпоездной интервал равен 25 минутам и
напряжение на токоприемнике электровозов составляет 22,1 кВ и 22,6 кВ для
поездов четного и нечетного направления.
) Лучшей схемой питания при пропуске поездов массой 6300 тонн в четном
направлении и 3000 тонн в нечетном направлении является схема с двумя
трансформаторами и включенными установками КУ, так как при этой схеме
пропускная способность поездов больше. При схеме питания с одним
трансформатором и включенными КУ максимальная пропускная способность составляет
48 пар поездов в сутки. При схеме питания с двумя трансформаторами и
включенными КУ максимальная пропускная способность равна 58 пар поездов в
сутки.
3. Применение
продольной емкостной компенсации в отсосах подстанций Замзор, Ук, Нижнеудинск,
Худоеланская
.1 Установки
продольной емкостной компенсации
Тяговые нагрузки характеризуются значительной величиной реактивного
электропотребления (tgφ = 1, Q = P) и резко переменным характером. Новые
технологии в организации грузового движения с помощью тяжеловесных поездов
весом 6000т, 9000т и 12000т приведут к значительному токопотреблению и низкому
уровню напряжения. Организация такого движения поездов на ряде
межподстанционных зон будет ограничена устройствами электроснабжения по уровню
напряжения.
Эффективным средством повышения напряжения в тяговой сети является
применение установок продольной емкостной компенсации реактивной мощности.
(УПК).
При наличии УПК полное сопротивление сети за точкой её включения
(3.1)
где
- емкостное сопротивление УПК,
-
индуктивное сопротивление сети внешнего электроснабжения и тягового
трансформатора,
-
активное сопротивление сети.
Емкостное
сопротивление УПК компенсирует индуктивное сопротивление сети и, следовательно,
уменьшаются потери напряжения в сети. Потеря напряжения при наличии УПК
(3.2)
где
- тяговый ток нагрузки,
-
угловой сдвиг между тяговым током и напряжением.
Вектор
падения напряжения на емкостном сопротивлении УПК
(3.3)
сдвинут по фазе на 1800 от вектора падения напряжения на индуктивном
сопротивлении сети
(3.4)
УПК компенсирует реактивную составляющую потери напряжения. Поэтому
применение УПК наиболее эффективно в тяговых сетях со значительным реактивным
электропотреблением. При этом напряжение повышается и стабилизируется на уровне
номинального. С помощью УПК можно повысить напряжение до 4 - 5 кВ и обеспечить
его стабилизацию.
УПК генерирует незначительную емкостную реактивную мощность
пропорциональную квадрату тока,
(3.5)
которая при больших нагрузках в зависимости от емкостного сопротивления
УПК составляет 10 - 15 % от величины потребляемой реактивной мощности. Поэтому
УПК целесообразно применять для повышения напряжения, а установки параллельной
компенсации (КУ) - для компенсации реактивной мощности. Применение УПК на
тяговых подстанциях обеспечивает стабилизацию напряжения на шинах тяговых
подстанций на уровне номинального при полной степени компенсации
(3.6)
где
- суммарное индуктивное сопротивление до тяговых шин
27,5 кВ, приведенное к треугольнику 27,5 кВ трансформатора.
Полная
степень компенсации
(3.7)
Установки продольной компенсации собирают из параллельно и последовательно
соединяемых друг с другом конденсаторов, типа КСП-0,66-40 (0,66- номинальное
напряжение между обкладками, кВ; 40- номинальная мощность, квар ).
На рисунке 3.1 изображена схема соединений однофазной УПК
Рисунок
3.1 - Схема соединений однофазной УПК
В
нормальных условиях схема УПК работает так.
Разъединитель
Р2 отключен, а Р1 - включен. Шунтирующий масляный выключатель В отключен и ток
тяговой нагрузки от узла а схемы вынужден протекать по двум параллельным секциям
конденсаторов С1 и С2 к узлу б.
Направление
тока через УПК показано стрелками.
Для
защиты от перенапряжений (коммутационных и при коротких замыканиях) в схеме
предусматривают роговые разрядники РР, которые настраиваются на 2,5-2,9 Uн.
Если РР срабатывают, то ток разряда конденсаторов проходит через трансформатор
тока ТТ2 и катушку индуктивности L. ТТ2 через токовое реле воздействует на
выключатель В, включение которого шунтирует конденсаторы секций С1 и С2 и
разрядники РР. Теперь ток нагрузки протекает от узла а к узлу б через В.
Катушка
индуктивности L необходима для ограничения тока разряда конденсаторов при
срабатывании РР. Разъединитель Р2 нужен для обеспечения бесперебойной работы
тяговой сети при отключении УПК. Сначала включается В, потом Р2, затем
отключается Р1 и УПК выведена из цепи тягового тока. Трансформатор ТТ1
включается на разность токов и служит для питания небалансовой защиты (защиты
от пробоя конденсаторов в параллельных ветвях УПК). Трансформатор напряжения ТН
является датчиком напряжения. Каждую ветвь монтируют обычно в металлической
кассете (штриховая линия).
Принцип
продольной компенсации потерь напряжения ясен из рисунка 3.2 на котором Хс и Rs
- индуктивное и активное сопротивление линии передачи и трансформаторов тяговой
подстанции, а также тяговой сети до места расположения конденсаторной батареи
УПК; Хс - емкостное сопротивление конденсаторной батареи; U1 - напряжение в
начале линии; U2 - напряжение в конце линии перед конденсаторной батареей; U2с
- напряжение после батареи;
Δ U' - потеря напряжения от источника питания до места
установки конденсаторной батареи; ΔUc - повышение напряжение благодаря продольной компенсации;
ΔU
- потеря напряжения при продольной
компенсации. В месте расположения конденсаторной батареи напряжение увеличивается
скачком на
ΔUc = U2с - U2 (3.8)
Рисунок 3.2 - Схема замещения (а), диаграмма распределения напряжения (б)
и векторная диаграмма (в) продольной емкостной компенсации: ИП - источник
питания; Пэ - потребитель электрической энергии (цифры на векторах показывают
последовательность построения диаграммы)
На векторной диаграмме, рисунок 3.2 (в) показаны: φ2c - угол сдвига фаз между током
нагрузки I и напряжением U2с в конце линии после конденсаторной батареи;-
вектор падения напряжения в конденсаторе, отстающий от тока нагрузки I на 90°.
Добавляя его к вектору U2с, получим U2. Вектор IRs представляет собой падение
напряжения в активном сопротивлении линии, а IXs - в индуктивном. Сумма этих
векторов и вектора U2 дает напряжение в начале линии U1. Как видно из
диаграммы, угол сдвига фаз φc между напряжением в конце линии до
конденсаторной батареи и током нагрузки уменьшается по сравнению с углом φ2c.
Это происходит за счет
реактивной мощности, генерируемой емкостью.
Угол сдвига фаз φ1 между напряжением в начале линии и током нагрузки
получается с учетом потерь реактивной мощности и индуктивного сопротивления
системы Хs, начиная от источника питания до места расположения установки
продольной компенсации.
Потеря напряжения от источника питания до конденсаторной батареи будет
равна разности модулей напряжения U1 и U2. Приближенно эта величина равна Δ
U'. В конце линии будет
напряжение U2с, а приближенное значение потери напряжения Δ
U. Из векторной
диаграммы видно, что с увеличением емкостного сопротивления Хс можно уменьшить
потерю напряжения при продольной компенсации Δ U до нуля и даже получить напряжение
U2с выше U1. Продольная емкостная компенсация наряду с уменьшением реактивного
сопротивления системы электроснабжения одновременно уменьшает потери реактивной
мощности, а следовательно, и угол сдвига фаз между током и первичным
напряжением в начале линии, т.е. улучшает коэффициент мощности всей системы
электроснабжения. На расчетной схеме установки продольной компенсации
изображаются в виде RL элементов, присоединенных к фазе С обмотки СН, с
соответствующими емкостными сопротивлениями, расчет которых производится по
следующей методике.
(3.9)
где
- номинальное напряжение тяговой сети, кВ,
-
мощность короткого замыкания, МВА.
(3.10)
где
- напряжение короткого замыкания ТТ, %,
-
номинальная мощность трансформатора, МВА.
(3.11)
где
- индуктивное сопротивление сети внешнего
электроснабжения, Ом,
-
индуктивное сопротивление тягового трансформатора, Ом.
Полная
степень компенсации
(3.12)
3.2 Расчет
сопротивлений продольной емкостной компенсации
Сопротивление УПК для ТП Замзор.
,
ХΣ=2,477+6,239=8,716
Ом,
Хупк= 8,716/3= 2,9 Ом.
Сопротивление УПК для ТП Ук.
,
ХΣ=3,4+6,239=9,639 Ом,
Хупк=
9,639/3= 3,213 Ом.
Сопротивление УПК для ТП Нижнеудинск.
,
ХΣ=2,997+6,239=9,236
Ом,
Хупк=
9,236/3= 3,255 Ом.
Сопротивление УПК для ТП Худоеланская.
,
ХΣ=3,255+6,239=9,494
Ом,
Хупк=
9,494/3= 3,16 Ом.
3.3 Расчеты
для одного включенного трансформатора на ТП и включенными установками
параллельной и продольной компенсации
Расчеты производятся при движении поездов массой 6300 тонн четного
направления и 3000 тонн нечетного направления при среднем графике движения
равным 30 минутам и при максимальной пропускной способности.
Время моделирования равно 1440 минутам.
График движения поездов представлен на рисунке 2.10.
Данные расчета при МПИ= 30 минут приведены в таблице 3.1.
По результатам расчета минимальное напряжение на токоприемнике
электровоза составляет 23,1 кВ для четного направления и 23,8 кВ нечетного
направления. При сравнении графиков напряжения рисунок 3.3, нормальной
схемы с КУ (а) и нормальной схемы с КУ и УПК (б) видно, что
напряжение в схеме с КУ и УПК повысилось в проблемных зонах Замзор - Ук,
Нижнеудинск - Худоеланская на 1 кВ.
При максимальной пропускной способности МПИ=24 минуты, в сутки проходят
60 пар поездов. Минимальное напряжение на токоприемнике составляет 22,2 кВ для
четного поезда и 22,6 для нечетного поезда.
Таблица 3.1 - Сводная таблица данных расчета нормальной схемы с КУ и УПК
при МПИ=30 минутам
|
Характеристика
|
Значения
|
|
Четное направление
|
|
Масса поезда
|
6300 тонн
|
|
Время хода по участку
|
150 мин
|
|
Минимальное напряжение
|
23,1 кВ
|
|
Полный расход активной
энергии
|
12710.0 кВт·ч
|
|
Расход энергии на тягу
|
14150.4 кВт·ч
|
|
Энергия рекуперации
|
1440.4 кВт·ч
|
|
Полный расход реактивной
энергии
|
13078.7 квар·ч
|
|
Нечетное направление
|
|
Масса поезда
|
3000 тонн
|
|
Время хода по участку
|
149 мин
|
|
Минимальное напряжение
|
23,8 кВ
|
|
Полный расход активной
энергии
|
3449.2 кВт·ч
|
|
Расход энергии на тягу
|
4375.5 кВт·ч
|
|
Энергия рекуперации
|
926.4 кВт·ч
|
|
Полный расход реактивной
энергии
|
6655.4 квар·ч
|
а)
б)
Рисунок 3.3 - а) График изменения напряжения на токоприемнике электровоза
от координаты при схеме с КУ; б) График изменения напряжения на токоприемнике
электровоза от координаты при схеме с КУ и УПК
3.4 Расчеты
для двух включенных трансформаторов на ТП и включенными установками
параллельной и продольной компенсации
Расчеты производятся при среднем графике движения поездов с интервалом
равным 30 минутам, и при максимальной пропускной способности.
Время моделирования составляет 1440 минут.
График движения поездов представлен на рисунке 2.10
По результатам расчета минимальное напряжение на токоприемнике
электровоза составляет 23,7 кВ для четного направления и 24,3 кВ нечетного
направления. При сравнении графиков напряжения на рисунок 3.4, нормальной схемы
с КУ (а) и нормальной схемы с двумя трансформаторами КУ и УПК (б) видно, что
напряжение в схеме с двумя трансформаторами КУ и УПК повысилось в проблемных
зонах Замзор - Ук примерно на 2 кВ, Нижнеудинск - Худоеланская на 1,7 кВ.
а)
б)
Рисунок 3.4 - а) График изменения напряжения на токоприемнике электровоза
одного из поездов при схеме с КУ; б) График изменения напряжения на
токоприемнике электровоза одного из поездов при схеме с двумя трансформаторами
с КУ и УПК
При максимальной пропускной способности 76 пар поездов в сутки
межпоездной интервал равен 19 минутам и минимальное напряжение на токоприемнике
электровоза составляет 22,4 кВ для поездов четного направления и 22,5 кВ для
поездов нечетного направления.
Для сравнения эффективности применения компенсирующих устройств в
дипломном проекте произведены расчеты следующих схем питания системы тягового
электроснабжения (СТЭ):
- нормальная схема без КУ,
нормальная схема без КУ+УПК,
нормальная схема с двумя трансформаторами без КУ,
Результаты параметров СТЭ при движении поездов при движении поездов
массой 6300 тонн в четном направлении и 3000 тонн в нечетном направлении с
МПИ=30 минутам сведены в таблицу 3.2
Результаты параметров СТЭ при движении поездов при движении поездов
массой 6300 тонн в четном направлении и 3000 тонн в нечетном направлении с
максимальной пропускной способностью сведены в таблицу 3.3
Таблица 3.2 - Сводная таблица параметров СТЭ при МПИ=30 минутам
|
Тип схемы
|
Направление
|
Интервал, мин
|
Мин. напряжение, кВ
|
|
1
|
2
|
3
|
4
|
|
Нормальная схема без КУ
|
четное
|
30
|
20,4
|
|
нечетное
|
30
|
21
|
|
Нормальная схема + КУ
|
четное
|
30
|
22,1
|
|
нечетное
|
30
|
22,7
|
|
Нормальная схема +КУ+УПК
|
четное
|
30
|
23,1
|
|
нечетное
|
30
|
23,8
|
|
Нормальная схема без КУ+УПК
|
четное
|
30
|
22,2
|
|
нечетное
|
30
|
22,8
|
|
Нормальная схема 2тр без КУ
|
четное
|
30
|
21,7
|
|
нечетное
|
30
|
22,3
|
|
Нормальная схема 2 тр+КУ
|
четное
|
30
|
23
|
|
нечетное
|
30
|
23,6
|
|
Нормальная схема 2
тр+КУ+УПК
|
четное
|
30
|
23,7
|
|
нечетное
|
30
|
24,3
|
|
Нормальная схема 2тр без
КУ+УПК
|
четное
|
30
|
23,1
|
|
нечетное
|
30
|
23,7
|
Сравнивая значения напряжений всех схем питания СТЭ можно сказать, что
наиболее эффективной является схема с двумя трансформаторами и включенными
установками параллельной и продольной емкостной компенсацией, так как эта схема
обеспечивает наибольшее значение напряжение на токоприемнике электровозов 23,7
кВ для четного направления и 24,3 кВ для нечетного направления движения поездов
Таблица 3.3 - Сводная таблица параметров СТЭ при максимальной пропускной
способности
|
Тип схемы
|
направление
|
Интервал, мин
|
Мин. Напряжение, кВ
|
|
Нормальная схема без КУ
|
четное
|
38
|
22,1
|
|
нечетное
|
38
|
22,3
|
|
Нормальная схема + КУ
|
четное
|
30
|
22,1
|
|
нечетное
|
30
|
22,7
|
|
Нормальная схема +КУ + УПК
|
четное
|
24
|
22,2
|
|
нечетное
|
24
|
22,6
|
|
Нормальная схема без КУ +
УПК
|
четное
|
30
|
22,2
|
|
нечетное
|
30
|
22,8
|
|
Нормальная схема 2 Тр без
КУ
|
четное
|
31
|
22,1
|
|
нечетное
|
31
|
22,2
|
|
Нормальная схема 2 Тр + КУ
|
четное
|
25
|
22,1
|
|
нечетное
|
25
|
22,6
|
|
Нормальная схема 2 Тр + КУ
+ УПК
|
четное
|
19
|
22,4
|
|
нечетное
|
19
|
22,5
|
|
Нормальная схема 2 Тр без
КУ + УПК
|
четное
|
22
|
22,2
|
|
нечетное
|
22
|
22,4
|
Расчеты, произведенные при максимальной пропускной способности
показывают, что лучшей схемой питания, является схема с двумя трансформаторами
и включенными установками параллельной и продольной емкостной компенсацией, так
как эта схема обеспечивает пропуск поездов с минимальным межпоездным интервалом
равным 19 минутам.
Минимальное значение напряжения на токоприемнике электровозов составляет
22,4 кВ в четном направлении и 22,5 кВ в нечетном направлении. Таким образом,
схема с двумя трансформаторами и включенными установками параллельной и
продольной емкостной компенсацией является эффективней по пропускной
способности (76 пар поездов в сутки).
3.5 Расчет
режима работы системы электроснабжения при движении пакета поездов после
технологического окна
Данный расчет производится для максимальной нагрузки на ТП в период
пропуска поездов после окна . Продолжительность окна составляет 120 минут.
При межпоездном интервале 30 минут, во время окна, на участке скопится по
четыре поезда в четном и нечетном направлениях, поэтому их необходимо
пропускать с минимальным МПИ и с поддержанием уровня напряжения на токоприемнике
22 кВ.
Для выполнения расчета выбирается схема 2тр+КУ+УПК, так как она
обеспечивает большее напряжения на токоприемнике электровоза.
График движения поездов показан на рисунке 3.5.
Рисунок 3.5 - График движения поездов массой 6300 в четном направлении с
интервалом 10 минут и 3000 тонн в нечетном направлении с интервалом 8 минут
По графику на рисунке 3.6 видно, что минимальный уровень напряжения на
токоприемнике электровоза в зоне Нижнеудинск - Худоелань не соответствует
заданному уровню 22 кВ и составляет 21,3 кВ для третьего поезда четного
направления, поэтому необходимо увеличить межпоездной интервал до 11 минут.
Рисунок 3.6 - График изменения напряжения от координаты расположения
поезда четного направления при МПИ = 10 минутам
Минимальный уровень напряжения на токоприемнике при межпоездном интервале
11 минут в четном направлении составляет 22,1 кВ и при межпоездном интервале 8
минут в нечетном направлении 25 кВ. График изменения напряжения поезда при
прохождении данного участка в четном направлении представлен на рисунке 3.7.
Рисунок 3.7 - График изменения напряжения от координаты расположения
поезда четного направления при МПИ = 11 минутам
Таким образом, после технологического окна равным 120 минутам следует
пропускать поезда с интервалом 11 минут в четном направлении 8 минут в нечетном
направлении.
3.6 Сводные
результаты
) При среднем графике движения поездов с интервалом равным 30 минутам
минимальное напряжение на токоприемнике электровозов при схеме питания с одним
трансформатором и включенными КУ + УПК составляет для поездов четного
направления 23,1 кВ и для поездов нечетного направления 23,8 кВ, а при схеме
питания с двумя трансформаторами и включенными КУ + УПК минимальное напряжение
для поездов четного направления равно 23,7 кВ и для поездов нечетного
направления 24,3 кВ.
) При максимальной пропускной способности для схемы питания с одним
трансформатором и включенными КУ + УПК, межпоездной интервал равен 24 минутам,
напряжение на токоприемнике электровозов составляет 22,2 кВ и 22,6 кВ для
поездов четного и нечетного направления. При схеме питания с двумя
трансформаторами и включенными КУ + УПК, минимальный межпоездной интервал составляет
19 минут, а напряжение на токоприемнике электровозов равно 22,4 кВ для четного
направления и 22,5 для нечетного направления движения поездов.
) Лучшей схемой питания при пропуске поездов массой 6300 тонн в четном
направлении и 3000 тонн в нечетном направлении является схема с двумя
трансформаторами и включенными установками КУ + УПК, так как при этой схеме
пропускная способность участка больше и составляет 76 пар поездов в сутки.
4. Качество
электрической энергии на шинах питающего напряжения тяговых подстанций
.1 Общие
положения
ГОСТ 13109-97 устанавливает показатели и нормы качества электрической
энергии (КЭ) в электрических сетях систем электроснабжения общего назначения
переменного трехфазного и однофазного тока частотой 50 Гц в точках, к которым
присоединяются электрические сети, находящиеся в собственности различных
потребителей электрической энергии, или приемники электрической энергии (точки
общего присоединения).
Нормы КЭ, устанавливаемые настоящим стандартом, являются уровнями электромагнитной
совместимости для кондуктивных электромагнитных помех в системах
электроснабжения общего назначения. При соблюдении указанных норм
обеспечивается электромагнитная совместимость электрических сетей систем
электроснабжения общего назначения и электрических сетей потребителей
электрической энергии (приемников электрической энергии).
Нормы, установленные настоящим стандартом, являются обязательными во всех
режимах работы систем электроснабжения общего назначения, кроме режимов,
обусловленных:
исключительными погодными условиями и стихийными бедствиями (ураган,
наводнение, землетрясение и т.п.);
непредвиденными ситуациями, вызванными действиями стороны, не являющейся
энергоснабжающей организацией и потребителем электроэнергии (пожар, взрыв,
военные действия и т.п.);
условиями, регламентированными государственными органами управления, а
также на время ликвидации последствий, вызванных исключительными погодными
условиями и непредвиденными обстоятельствами.
Нормы, установленные настоящим стандартом, применяют при проектировании и
эксплуатации электрических сетей, а также при установлении уровней
помехоустойчивости приемников электрической энергии и уровней кондуктивных
электромагнитных помех, вносимых этими приемниками.
Нормы КЭ в электрических сетях, находящихся в собственности потребителей
электрической энергии, регламентируемые отраслевыми стандартами и иными
нормативными документами, не должны быть ниже норм КЭ, установленных настоящим
стандартом в точках общего присоединения. При отсутствии указанных отраслевых
стандартов и иных нормативных документов нормы настоящего стандарта являются
обязательными для электрических сетей потребителей электрической энергии.
Несимметрия напряжений характеризуется следующими показателями:
коэффициентом несимметрии напряжений по обратной последовательности;
коэффициентом несимметрии напряжений по нулевой последовательности.
Нормально допустимые и предельно допустимые значения коэффициента
несимметрии напряжений по обратной последовательности в точках общего
присоединения к электрическим сетям равны 2,0 и 4,0 % соответственно.
Нормально допустимые и предельно допустимые значения коэффициента
несимметрии напряжений по нулевой последовательности в точках общего
присоединения к четырехпроводным электрическим сетям с номинальным напряжением
0,38 кВ равны 2,0 и 4,0 % соответственно.
Несинусоидальность напряжения характеризуется следующими показателями:
- коэффициентом искажения синусоидальности кривой напряжения;
коэффициентом n-ой гармонической составляющей напряжения.
Нормально допустимые и предельно допустимые значения коэффициента
искажения синусоидальности напряжения в точках общего присоединения к
электрическим сетям с разным номинальным напряжением приведены в таблице 4.1
Таблица 4.1 - Коэффициенты искажения синусоидальности кривой напряжения
|
Нормально допустимое
значение при Uном , кВ
|
Предельно допустимое
значение при Uном , кВ
|
|
0,38
|
6-20
|
35
|
110 - 330
|
0,38
|
6-20
|
35
|
110 - 330
|
|
8,0 %
|
5,0 %
|
4,0 %
|
2,0 %
|
12,0 %
|
8,0 %
|
6,0 %
|
3,0 %
|
Нормально допустимые значения коэффициента n-ой гармонической
составляющей напряжения в точках общего присоединения к электрическим сетям с
разным номинальным напряжением Uном приведены в таблице 4.2.
Таблица 4.2 - Коэффициенты n-ой гармонической составляющей напряжения в
процентах
|
Нечетные гармоники, не
кратные трем, при Uном , кВ
|
Нечетные гармоники, кратные
трем 2, при Uном , кВ
|
Четные гармоники при Uном ,
кВ
|
|
n1
|
0,38
|
6-20
|
35
|
110-330
|
n1
|
0,38
|
6-20
|
35
|
110-330
|
n1
|
0,38
|
6-20
|
35
|
110-330
|
|
5 7 11 13 17 19 23 25 >25
|
6,0 5,0 3,5 3,0 2,0 1,5 1,5
1,5 0,2+1,3´25/n
|
4,0 3,0 2,0 2,0 1,5 1,0 1,0
1,0 0,2+0,8´25/n
|
3,0 2,5 2,0 1,5 1,0 1,0 1,0
1,0 0,2+0,6´25/n
|
1,5 1,0 1,0 0,7 0,5 0,4 0,4
0,4 0,2+0,2´ 25/n
|
3 9 15 21 >21
|
5,0 1,5 0,3 0,2 0,2
|
3,0 1,0 0,3 0,2 0,2
|
3,0 1,0 0,3 0,2 0,2
|
1,5 0,4 0,2 0,2 0,2
|
2 4 6 8 10 12 >12
|
2,0 1,0 0,5 0,5 0,5 0,2 0,2
|
1,5 0,7 0,3 0,3 0,3 0,2 0,2
|
1,0 0,5 0,3 0,3 0,3 0,2 0,2
|
0,5 0,3 0,2 0,2 0,2 0,2 0,2
|
Предельно допустимое значение коэффициента n-ой гармонической
составляющей напряжения вычисляют по формуле:
KU(n)пред = 1,5 KU(n)норм (4.1)
где KU(n)норм - нормально допустимые значения коэффициента n-ой
гармонической составляющей, определяемые по таблице 4.2.
Измерение коэффициента n-ой гармонической составляющей напряжения K(n)i
осуществляют для междуфазных (фазных) напряжений. Для каждого i-го наблюдения
за период времени, равный 24 ч, определяют действующее значение напряжения n-ой
гармоники U(n)i, в вольтах, киловольтах.
Вычисляют значение коэффициента n-ой гармонической составляющей
напряжения KU(n)i в процентах как результат i-го наблюдения, по формуле:
(4.2)
где U(1)i - действующее значение напряжения основной частоты на i-ом
наблюдении в вольтах, киловольтах.
Допускается вычислять данный показатель КЭ по формуле:
(4.3)
Относительная погрешность вычисления KU(n)i с использованием формулы
(4.3) вместо формулы (4.2) численно равна значению отклонения напряжения U(1)i
от Uном.
Вычисляют значение коэффициента n-ой гармонической составляющей
напряжения KU(n) в процентах как результат усреднения N наблюдений KU(n)i на
интервале времени Tvs, равном 3 с, по формуле
(4.4)
Число наблюдений N должно быть не менее 9.
Качество электрической энергии по коэффициенту n-ой гармонической составляющей
напряжения в точке общего присоединения считают соответствующим требованиям
настоящего стандарта, если наибольшее из всех измеренных в течение 24 ч
значений коэффициентов n-ой гармонической составляющей напряжения не превышает
предельно допустимого значения, а значение коэффициента n-ой гармонической
составляющей напряжения, соответствующее вероятности 95% за установленный
период времени, не превышает нормально допустимого значения.
Допускается определять соответствие нормам стандарта по суммарной
продолжительности времени выхода за нормально и предельно допустимые значения.
Качество электрической энергии по коэффициенту n-ой гармонической
составляющей напряжения считают соответствующим требованиям настоящего
стандарта, если суммарная продолжительность времени выхода за нормально
допустимые значения составляет не более 5% от установленного периода времени,
т.е. 1 ч 12 мин, а за предельно допустимые значения - 0 % от этого периода
времени.
Измерение коэффициента искажения синусоидальности напряжения KU
осуществляют для междуфазных (фазных) напряжений.
Для каждого i-ого наблюдения за установленный период времени определяют
действующие значения гармонических составляющих напряжения в диапазоне гармоник
от 2-й до 40-й в вольтах, киловольтах.
Вычисляют значение коэффициента искажения синусоидальности кривой
напряжения KUi в процентах как результат i-го наблюдения, по формуле:
(4.5)
где U(1)i - действующее значение междуфазного (фазного) напряжения
основной частоты для i-го наблюдения, в вольтах, киловольтах.
При определении данного показателя КЭ допускается
) не учитывать гармонические составляющие, значения которых менее 0,1 в
процентах;
) вычислять данный показатель КЭ по формуле:
(4.6)
Относительная погрешность определения KUi c использованием формулы (4.6)
вместо формулы (4.5) численно равна значению отклонения напряжения U(1)i от
Uном.
Вычисляют значение коэффициента искажения синусоидальности кривой
напряжения KU в процентах как результат усреднения N наблюдений KUi на
интервале времени Tvs, равном 3 с, по формуле:
(4.7)
Число наблюдений N должно быть не менее 9.
Качество электрической энергии по коэффициенту искажения синусоидальности
напряжения в точке общего присоединения считают соответствующим требованиям
настоящего стандарта, если наибольшее из всех измеренных в течение 24 ч
значений коэффициентов искажения синусоидальности напряжения не превышает
предельно допустимого значения, а значение коэффициента искажения
синусоидальности напряжения, соответствующее вероятности 95% за установленный
период времени, не превышает нормально допустимого значения.
Допускается определять соответствие нормам настоящего стандарта по
суммарной продолжительности времени выхода за нормально и предельно допустимые
значения.
Качество электрической энергии по коэффициенту искажения синусоидальности
напряжения считают соответствующим требованиям настоящего стандарта, если
суммарная продолжительность времени выхода за нормально допустимые значения
составляет не более 5% от установленного периода времени, т.е. 1 ч 12 мин, а за
предельно допустимые значения - 0 % от этого периода времени.
В дипломном проекте производится проверка качества электрической энергии
по коэффициенту несимметрии напряжений по обратной последовательности и по
коэффициенту искажения синусоидальности кривой напряжения.
.2 Расчеты
несимметрии и несинусоидальности на шинах питающего напряжения для различных
схем питания
.2.1
Несимметрия напряжения при среднем графике движения поездов
Расчеты проведены в программном комплексе fazanord при движении поездов
массой 6300т в четном направлении и 3000т в нечетном с МПИ=30 минутам Время
моделирования составляет 1440 минут.
Результаты по вычислению коэффициента несимметрии напряжения по обратной
последовательности для различных схем питания сведены в таблицу 4.3.
Таблица 4.3 - Несимметрия напряжения на шинах питающего напряжения
тяговых подстанций для различных схем питания
|
Тяговая подстанция
|
Тип схемыК2U
|
Нормальная схема без КУ
|
Нормальная схема+КУ
|
Нормальная схема+К + УПК
|
Нормальная схема без КУ+УПК
|
Нормальная схема 2 Тр без
КУ
|
Нормальная схема 2 Тр+КУ
|
Нормальная схема 2Тр+КУ+УПК
|
Нормальная схема 2 Тр без
КУ+УПК
|
|
Замзор
|
Сред. %
|
2,414
|
1,971
|
1,867
|
2,276
|
2,337
|
1,92
|
1,811
|
2,206
|
|
Макс. %
|
4,7
|
3.84
|
3,61
|
4,36
|
4,41
|
3,65
|
3,48
|
4,17
|
|
Т1, %
|
61
|
51
|
47
|
54
|
58
|
47
|
44
|
54
|
|
Т2, %
|
3
|
0
|
0
|
3
|
3
|
0
|
0
|
3
|
|
Ук
|
Сред. %
|
3,182
|
2,636
|
2,56
|
3,075
|
3,096
|
2,58
|
2,543
|
3,026
|
|
Макс. %
|
5,96
|
4.81
|
4.5
|
5,53
|
5,57
|
4.53
|
4.3
|
5,28
|
|
Т1, %
|
84
|
75
|
74
|
84
|
84
|
74
|
74
|
84
|
|
Т2, %
|
28
|
16
|
6
|
25
|
25
|
9
|
6
|
25
|
|
Нудинск
|
Сред. %
|
2,769
|
2,258
|
2,153
|
2,653
|
2,687
|
2,184
|
2,097
|
2,598
|
|
Макс. %
|
4.63
|
4.29
|
5,2
|
5,27
|
4.35
|
4.08
|
4,93
|
|
Т1, %
|
77
|
51
|
45
|
74
|
74
|
48
|
45
|
70
|
|
Т2, %
|
16
|
6
|
3
|
16
|
16
|
3
|
3
|
16
|
|
Худоеланская
|
Сред. %
|
2,394
|
1,967
|
1,911
|
2,345
|
2,326
|
1,9
|
1,9
|
2,359
|
|
Макс. %
|
5,47
|
4,61
|
4,45
|
5,17
|
5,15
|
4,41
|
4,39
|
5,08
|
|
Т1, %
|
63
|
41
|
35
|
63
|
63
|
35
|
35
|
63
|
|
Т2, %
|
9
|
6
|
3
|
9
|
9
|
3
|
3
|
9
|
|
Будагово
|
Сред. %
|
1,412
|
1,29
|
1,209
|
1,304
|
1,358
|
1,258
|
1,181
|
1,25
|
|
Макс. %
|
3,06
|
2,74
|
2,42
|
2,65
|
2,82
|
2,57
|
2,25
|
2,42
|
|
Т1, %
|
19
|
13
|
9
|
13
|
16
|
13
|
9
|
9
|
|
Т2, %
|
0
|
0
|
0
|
0
|
0
|
0
|
0
|
0
|
Примечание: Т1 - относительное время превышения нормально допустимого
значения, %, Т2 - относительное время превышения предельно допустимого
значения, %.
Рисунок
4.1 - График изменения среднего значения коэффициента несимметрии напряжения по
обратной последовательности К2U, %, на тяговых подстанциях
По результатам расчета можно сказать, что качество электрической энергии
по коэффициенту несимметрии напряжения по обратной последовательности при
применении установок продольной компенсации не соответствует ГОСТ-13109-97, и
превышает нормально допустимое значение.
Значение коэффициента несимметрии при схеме питания 2 Тр + КУ + УПК
превышает нормально допустимое значение на тяговых подстанциях Замзор (К2U=3,48
%), Будагово (2,25 %) и предельно допустимое на тяговых подстанциях. Ук
(К2U=4,3 %) и Нижнеудинск (К2U=4,08 %), Худоеланская (К2U=4,39 %),
Качество электрической энергии не соответствует нормам стандарта по
суммарной продолжительности времени выхода за нормально допустимое значение на
подстанциях Замзор (Т1= 44 %) , Ук (Т1= 74 %), Нижнеудинск (Т1= 45 %),
Худоеланская (Т1= 35 %) , Будагово (Т1= 9 %) и предельно опустимое значение на
подстанциях Ук (Т2= 6 %), Нижнеудинск (Т2= 3 %), Худоеланская (Т2= 3 %).
По рисунку 4.1,при сравнении схемы питания 2 Тр + КУ + УПК и 2 Тр + КУ
можно сказать, что установки продольной компенсации (УПК) оказывают малое
влияние на улучшение качества электрической энергии в системе внешнего
электроснабжения по коэффициенту несимметрии напряжения.
4.2.2
Несинусоидальность напряжения при среднем графике движения поездов
Расчеты проведены в программном комплексе fazanord при МПИ = 30 минутам.
Время моделирования составляет 1440 минут.
Так как процесс вычисления коэффициента несинусоидальности занимает очень
много времени, поэтому расчеты были сделаны для следующих основных схем
питания:
нормальная схема 1 Тр + КУ,
нормальная схема 1 Тр + КУ + УПК,
нормальная схема 2 Тр + КУ,
нормальная схема 2 Тр + КУ+ УПК.
Расчеты производятся при движении поездов массой 6300т в четном
направлении и 3000т в нечетном
Результаты по вычислению коэффициента несинусоидальности напряжения при
МПИ = 30 минутам для указанных схем питания сведены в таблицу 4.4.
Таблица 4.4 - Несинусоидальность напряжения на шинах питающего напряжения
тяговых подстанций для различных схем питания
|
Название ТП
|
Коэффициент
несинусоидальности напряжения
|
|
Нормальная схема 1 Тр + КУ
|
|
Фаза А
|
Фаза В
|
Фаза С
|
|
95%
|
Сред%
|
Т1%
|
Т2%
|
95%
|
Сред%
|
Т1%
|
Т2 %
|
95%
|
Сред%
|
Т1%
|
Т2%
|
|
Замзор
|
6,5
|
4,3
|
11
|
85
|
8,3
|
4,4
|
14
|
76
|
12,9
|
7,3
|
1
|
96
|
|
Ук
|
10,3
|
5,4
|
10
|
83
|
7,8
|
5,2
|
8
|
89
|
15,7
|
8,9
|
1
|
97
|
|
Н-удинск
|
10,5
|
5,4
|
13
|
83
|
8
|
5,2
|
7
|
89
|
16,1
|
9
|
1
|
97
|
|
Худоелань
|
7,3
|
4,7
|
8
|
88
|
9,6
|
5
|
11
|
83
|
14,7
|
8,2
|
1
|
96
|
|
Будагово
|
5,4
|
3,4
|
30
|
62
|
10,3
|
5,8
|
8
|
88
|
6,8
|
3,5
|
24
|
59
|
|
Нормальная схема 2 Тр + КУ
|
|
Фаза А
|
Фаза В
|
Фаза С
|
|
95%
|
Сред%
|
Т1%
|
Т2%
|
95%
|
Сред%
|
Т1%
|
Т2%
|
95%
|
Сред%
|
Т1%
|
Т2%
|
|
Замзор
|
6,5
|
4,1
|
11
|
85
|
8,2
|
4,6
|
8
|
83
|
13,5
|
7,4
|
1
|
96
|
|
Ук
|
9,9
|
5,6
|
4
|
90
|
7,8
|
5
|
5
|
92
|
16,4
|
8,9
|
1
|
97
|
|
Н-удинск
|
10,1
|
5,7
|
7
|
90
|
8
|
5
|
5
|
92
|
16,9
|
9,1
|
1
|
97
|
|
Худоелань
|
7,3
|
4,5
|
5
|
91
|
9,3
|
5,2
|
4
|
89
|
15,4
|
8,3
|
1
|
96
|
|
Будагово
|
5,4
|
3,3
|
39
|
56
|
10,9
|
5,9
|
5
|
92
|
6,5
|
3,7
|
21
|
69
|
|
Нормальная схема 1 Тр + КУ
+ УПК
|
|
Фаза А
|
Фаза В
|
Фаза С
|
|
95%
|
Сред%
|
Т1%
|
Т2%
|
95%
|
Сред%
|
Т1%
|
Т2%
|
95%
|
Сред%
|
Т1%
|
Т2%
|
|
Замзор
|
6,5
|
4,2
|
14
|
82
|
7,9
|
4,6
|
4
|
86
|
13,3
|
7,3
|
1
|
96
|
|
Ук
|
9,7
|
5,6
|
4
|
90
|
7,8
|
5
|
2
|
95
|
16,1
|
8,9
|
1
|
97
|
|
Н-удинск
|
9,7
|
5,7
|
4
|
90
|
8
|
3,8
|
2
|
94
|
16,6
|
6,2
|
1
|
97
|
|
Худоелань
|
7,3
|
4,5
|
5
|
91
|
8,8
|
5,2
|
4
|
89
|
15,1
|
8,1
|
1
|
96
|
|
Будагово
|
5,2
|
39
|
56
|
10,7
|
5,7
|
5
|
92
|
6,3
|
3,7
|
21
|
69
|
|
Нормальная схема 2 Тр + КУ
+ УПК
|
|
Фаза А
|
Фаза В
|
Фаза С
|
|
95%
|
Сред%
|
Т1%
|
Т2%
|
95%
|
Сред%
|
Т1%
|
Т2%
|
95%
|
Сред%
|
Т1%
|
Т2%
|
|
Замзор
|
5,9
|
3,8
|
10
|
80
|
7,7
|
4,5
|
4
|
85
|
13
|
7,1
|
1
|
96
|
|
Ук
|
9,2
|
5,5
|
7
|
90
|
7,6
|
4,7
|
2
|
94
|
16,2
|
8,9
|
1
|
97
|
|
Н-удинск
|
9,3
|
5,5
|
7
|
90
|
7,8
|
4,7
|
2
|
94
|
16,7
|
9
|
1
|
97
|
|
Худоелань
|
7,2
|
4,3
|
14
|
82
|
8,4
|
4,9
|
4
|
89
|
15,3
|
8,3
|
1
|
96
|
|
Будагово
|
4,9
|
3
|
36
|
54
|
10,3
|
5,4
|
5
|
90
|
6,2
|
3,3
|
19
|
68
|
|
|
|
|
|
|
|
|
|
|
|
|
|
|
|
|
|
|
|
Из расчетов видно, что качество электроэнергии по несинусоидальности
напряжения при применении установок продольной компенсации не соответствует
нормам ГОСТ 13109-97:
значение коэффициента несинусоидальности с вероятностью 95% превышает
нормально допустимое значение при схеме питания 2 Тр + КУ + УПК на всех
подстанциях участка Замзор - Будагово. Превышение нормально допустимого
значения достигает по фазе С на подстанциях Ук 16,2 %, Нижнеудинск 16,7 %,
Худоеланская 15,3 %.
- по суммарной продолжительности времени выхода за нормально допустимое и
предельно допустимое значение качество электрической энергии не соответствует
нормам стандарта на подстанциях Замзор - фаза А (Т1= 10 %, Т2= 80 %), фаза В
(Т2=85 %), фаза С (Т2=96 %), Ук - фаза А (Т1= 7 %, Т2= 90 %), фаза В (Т2=94 %),
фаза С (Т2=97 %), Нижнеудинск - фаза А (Т1= 7 %, Т2= 90 %), фаза В (Т2= 94 %),
фаза С (Т2=97 %), Худоеланская - фаза А (Т1= 14 %, Т2= 82 %), фаза В (Т2=89 %),
фаза С (Т2=96 %), Будагово - фаза А (Т1= 36 %, Т2= 54 %), фаза В (Т2=90 %),
фаза С (Т1= 19 %, Т2= 68 %).
При сравнении схемы питания 2 Тр + КУ + УПК и 2 Тр + КУ можно сказать,
что установки продольной компенсации (УПК) оказывают малое влияние на улучшение
качества электрической энергии в системе внешнего электроснабжения по
коэффициенту несинусоидальности напряжения.
4.2.3
Несимметрия и несинусоидальность напряжения при максимальной пропускной
способности
Тяговая нагрузка относительно сети внешнего электроснабжения и тягового
трансформатора является несимметричной, это является причиной несимметрии
трехфазного напряжения в сети внешнего электроснабжения. Поэтому при увеличении
тяговой нагрузки увеличивается и несимметрия напряжения.
Так как ЭПС является нелинейным потребителем и потребляет
несинусоидальный ток, который содержит нечетный спектр высших гармоник, кроме
основной частоты 50 Гц (1-я гармоника) появляется 3-я 150 Гц, 5-я 250 Гц, 7-я
350 Гц, 9-я 450 Гц, 11-я 550 Гц, 13-я 650 Гц. Поэтому при увеличении нагрузки
также увеличивается и несинусоидальность напряжения.
Данные расчетов несимметрии и несинусоидальности напряжения при
максимальной пропускной способности для различных схем питания приведены в
таблицах 4.5, 4.6.
Расчеты поводятся при движении поездов массой 6300 тонн в четном
направлении и 3000 тонн в нечетном
Таблица 4.5 - Несимметрия напряжения на шинах питающего напряжения
тяговых подстанций
|
Тяговая Подстанция
|
Тип схемы К2U
|
Нормальная схема без КУ, 38
минут
|
Нормальная схема +
КУ,30минут
|
Нормальная схема + КУ
+УПК,24 минуты
|
Нормальная схемабез КУ +
УПК, 30 минут
|
Нормальная схем 2 тр без
КУ, 31 минута
|
Нормальная схема 2 тр + КУ,
25 минут
|
Нормальная схема 2 тр + КУ
+УПК, 19 минут
|
Нормальная схема 2тр без
КУ+УПК, 22 минуты
|
|
1
|
2
|
3
|
4
|
5
|
6
|
7
|
8
|
9
|
10
|
|
Замзор
|
Сред. %
|
1,788
|
1,97
|
2,284
|
2,276
|
2,261
|
2,271
|
2,94
|
3,031
|
|
Макс. %
|
3,62
|
3.84
|
4,1
|
4,36
|
4,16
|
4,61
|
5,07
|
5,73
|
|
Т1, %
|
33
|
51
|
56
|
54
|
59
|
54
|
86
|
83
|
|
Т2, %
|
0
|
0
|
4
|
3
|
3
|
7
|
20
|
22
|
|
Ук
|
Сред. %
|
2,281
|
2,64
|
3,041
|
3,075
|
2,972
|
3,006
|
3,923
|
4,038
|
|
Макс. %
|
5,25
|
4.81
|
5,26
|
5,53
|
5,72
|
5,93
|
6,88
|
7,52
|
|
Т1, %
|
55
|
74
|
81
|
84
|
87
|
77
|
97
|
84
|
|
Т2, %
|
5
|
16
|
28
|
25
|
15
|
15
|
40
|
48
|
|
Нижнеудинск
|
Сред. %
|
2,069
|
2,26
|
2,639
|
2,653
|
2,587
|
2,63
|
3,374
|
3,539
|
|
Макс. %
|
5,03
|
4.63
|
4,7
|
5,2
|
5,31
|
5,33
|
6,86
|
7,3
|
|
Т1, %
|
40
|
51
|
75
|
74
|
74
|
65
|
76
|
83
|
|
Т2, %
|
5
|
6
|
12
|
16
|
9
|
11
|
30
|
34
|
|
Худоеланская
|
Сред. %
|
1,843
|
1,97
|
2,396
|
2,345
|
2,225
|
2,307
|
3,144
|
3,301
|
|
Макс.,%
|
4,66
|
4,61
|
4,8
|
5,17
|
4,66
|
4,77
|
6,49
|
7,27
|
|
Т1, %
|
33
|
41
|
63
|
63
|
58
|
60
|
75
|
82
|
|
Т2, %
|
2
|
6
|
4
|
9
|
9
|
7
|
34
|
30
|
|
Будагово
|
Сред. %
|
1,106
|
1,29
|
1,448
|
1,304
|
1,273
|
1,527
|
1,375
|
1,631
|
|
Макс. %
|
2,8
|
2,74
|
2,97
|
2,65
|
2,66
|
3
|
3,81
|
3,87
|
|
Т1, %
|
7
|
13
|
20
|
8
|
15
|
15
|
30
|
34
|
|
Т2, %
|
0
|
0
|
0
|
0
|
0
|
0
|
0
|
0
|
По результатам расчета можно сказать, что качество электрической энергии
по коэффициенту несимметрии напряжения по обратной последовательности при
максимальной пропускной способности не соответствует ГОСТ-13109-97, и превышает
нормально допустимое значение.
Из таблицы 20 видно, что при схеме питания 2 Тр + КУ + УПК значение
коэффициента несиметрии напряжения превышает нормально допустимое значение на
подстанции Будагово (К2U= 3,81 %), и предельно допустимое значение на
подстанциях Замзор (К2U= 5,07 %), Ук (К2U= 6,88 %), Нижнеудинск (К2U= 6,86 %),
Худоеланская (К2U= 6,49 %).
Качество электрической энергии не соответствует нормам стандарта по суммарной
продолжительности времени выхода за нормально допустимое значение на
подстанциях Замзор (Т1= 86 %) , Ук (Т1= 97 %), Нижнеудинск (Т1= 76 %),
Худоеланская (Т1= 75 %) , Будагово (Т1= 30 %) и предельно допустимое значение
на подстанциях Замзор (Т2= 20 %), Ук (Т2= 40 %), Нижнеудинск (Т2= 30 %),
Худоеланская (Т2= 34 %).
Таблица 4.6 - Несинусоидальность напряжения на шинах питающего напряжения
тяговых подстанций
|
Название ТП
|
Коэффициент
несинусоидальности напряжения
|
|
|
Нормальная схема 1 Тр + КУ,
МПИ=30 минутам
|
|
|
Фаза А
|
Фаза В
|
Фаза С
|
|
|
95%
|
Сред%
|
Т1%
|
Т2%
|
95%
|
Сред%
|
Т1%
|
Т2 %
|
95%
|
Сред %
|
Т1%
|
Т2%
|
|
|
Замзор
|
6,5
|
4,3
|
11
|
85
|
8,3
|
4,4
|
14
|
76
|
12,9
|
7,3
|
1
|
96
|
|
|
Ук
|
10,3
|
5,4
|
10
|
83
|
7,8
|
5,2
|
8
|
89
|
15,7
|
1
|
97
|
|
|
Н-удинск
|
10,5
|
5,4
|
13
|
83
|
8
|
5,2
|
7
|
89
|
16,1
|
9
|
1
|
97
|
|
|
Худоелань
|
7,3
|
4,7
|
8
|
88
|
9,6
|
5
|
11
|
83
|
14,7
|
8,2
|
1
|
96
|
|
|
Будагово
|
5,4
|
3,4
|
30
|
62
|
10,3
|
5,8
|
8
|
88
|
6,8
|
3,5
|
24
|
59
|
|
|
Нормальная схема 2 Тр + КУ,
МПИ=25 минутам
|
|
|
Фаза А
|
Фаза В
|
Фаза С
|
|
|
95%
|
Сред%
|
Т1%
|
Т2%
|
95%
|
Сред%
|
Т1%
|
Т2%
|
95%
|
Сред%
|
Т1%
|
Т2%
|
|
|
Замзор
|
6,8
|
4,8
|
6
|
91
|
8,9
|
5,4
|
5
|
92
|
14,1
|
9
|
1
|
97
|
|
|
Ук
|
10,8
|
6,7
|
1
|
97
|
8,7
|
5,8
|
1
|
96
|
16,5
|
11
|
1
|
98
|
|
|
Н-удинск
|
11
|
6,7
|
1
|
97
|
9
|
5,9
|
1
|
96
|
17,3
|
11,3
|
1
|
98
|
|
|
Худоелань
|
8,2
|
5,3
|
6
|
92
|
10
|
6,2
|
1
|
96
|
15,7
|
10,3
|
1
|
97
|
|
|
Будагово
|
6,6
|
3,9
|
20
|
76
|
11,5
|
7,3
|
1
|
97
|
6,7
|
4,3
|
10
|
87
|
|
|
Нормальная схема 1 Тр + КУ
+ УПК, МПИ=24 минутам
|
|
|
Фаза А
|
Фаза В
|
Фаза С
|
|
|
95%
|
Сред%
|
Т1%
|
Т2%
|
95%
|
Сред%
|
Т1%
|
Т2%
|
95%
|
Сред%
|
Т1%
|
Т2%
|
|
|
Замзор
|
7,8
|
5,6
|
12
|
87
|
8,1
|
5,1
|
4
|
90
|
13,7
|
7,8
|
1
|
97
|
|
|
Ук
|
11,2
|
6,7
|
1
|
97
|
7,9
|
5,9
|
2
|
96
|
16,5
|
11,4
|
1
|
98
|
|
|
Н-удинск
|
11,3
|
6,8
|
1
|
97
|
8,3
|
6
|
2
|
96
|
16,8
|
11,6
|
1
|
98
|
|
|
Худоелань
|
7,4
|
5,3
|
2
|
95
|
10,3
|
6,2
|
1
|
97
|
15,6
|
10,6
|
1
|
98
|
|
|
Будагово
|
5,4
|
3,6
|
32
|
63
|
11,2
|
7,1
|
3
|
96
|
6,9
|
5,2
|
18
|
74
|
|
|
Нормальная схема 2 Тр + КУ
+ УПК, МПИ=19 минутам
|
|
Фаза А
|
Фаза В
|
Фаза С
|
|
95%
|
Сред%
|
Т1%
|
Т2%
|
95%
|
Сред%
|
Т1%
|
Т2%
|
95%
|
Сред%
|
Т1%
|
Т2%
|
|
Замзор
|
8,2
|
5,8
|
7
|
91
|
9,6
|
7,1
|
1
|
97
|
16,9
|
12,2
|
1
|
98
|
|
Ук
|
11,7
|
8,8
|
1
|
97
|
10
|
7
|
6
|
92
|
20,5
|
15
|
1
|
98
|
|
Н-удинск
|
11,8
|
8,9
|
1
|
97
|
10,3
|
7,1
|
6
|
92
|
21,1
|
15,3
|
1
|
98
|
|
Худоелань
|
9,4
|
6,4
|
6
|
92
|
10,7
|
8,2
|
1
|
97
|
19,6
|
14
|
1
|
98
|
|
Будагово
|
6,9
|
4,7
|
7
|
85
|
13,5
|
9,8
|
1
|
97
|
7,5
|
5,8
|
1
|
96
|
|
|
|
|
|
|
|
|
|
|
|
|
|
|
|
|
|
|
|
|
|
По расчетам видно, что качество электроэнергии по несинусоидальности
напряжения при максимальной пропускной способности не соответствует нормам ГОСТ
13109-97:
значение коэффициента несинусоидальности с вероятностью 95% превышает
нормально допустимое значение при схеме питания 2 Тр + КУ + УПК на всех
подстанциях участка Замзор - Будагово. Превышение нормально допустимого
значения достигает по фазе С на подстанциях Ук - 20,5 %, Нижнеудинск - 21,1 %,
Худоеланская - 19,6 %.
по суммарной продолжительности времени выхода за нормально допустимое и
предельно допустимое значение качество электрической энергии не соответствует
нормам стандарта на подстанциях Замзор - фаза А (Т1= 7 %,
Т2= 91 %), фаза В (Т2=97 %), фаза С (Т2=98 %), Ук - фаза А (Т2= 97 %),
фаза В (Т2=97 %), фаза С (Т2=98 %), Нижнеудинск - фаза А (Т2=97 %), фаза В (Т1=
6 %, Т2= 92 %), фаза С (Т2=98 %), Худоеланская - фаза А (Т1= 6 %, Т2= 92 %),
фаза В (Т2=97 %), фаза С (Т2=98 %), Будагово - фаза А (Т1= 7 %, Т2= 91 %), фаза
В (Т2=97 %), фаза С (Т2=96 %).
Анализируя состояние качества электрической энергии при среднем графике
движения равным 30 минутам и при максимальной пропускной способности можно
сказать, что с увеличением пропускной способности увеличивается несимметрия и
несинусоидальность напряжения на шинах питающего напряжения подстанции.
4.3 Сводные
результаты
) Применение установок продольной емкостной компенсации повышает
напряжение в системе тягового электроснабжения, тем самым увеличивается
пропускная способность участка Замзор - Будагово.
Максимальная пропускная способность участка при пропуске поездов массой
6300 тонн в четном направлении и 3000 тонн в нечетном направлении при схеме
питания 2 Тр + КУ составляет 58 пар поездов в сутки, а при схеме питания 2 Тр +
КУ + УПК пропускная способность участка равна 76 пар поездов в сутки, при этом
на токоприемнике электровозов поддерживается напряжение не менее 22 кВ.
) Качество электрической энергии на шинах питающего напряжения подстанций
при применении установок продольной компенсации не соответствует номам ГОСТ
13109-97
При среднем графике движения равным 30 минутам:
а) значение коэффициента несимметрии при схеме питания
Тр + КУ + УПК превышает нормально допустимое значение на тяговых
подстанциях Ук (К2U=2,54 %) и Нижнеудинск (К2U=2,097 %). Качество электрической
энергии не соответствует нормам стандарта по суммарной продолжительности
времени выхода за нормально допустимое значение на подстанциях Замзор (Т1= 44
%) , Ук (Т1= 74 %), Нижнеудинск (Т1= 45 %), Худоеланская (Т1= 35 %) , Будагово
(Т1= 9 %) и предельно допустимое значение на подстанциях Ук (Т2= 6 %),
Нижнеудинск (Т2= 3 %), Худоеланская (Т2= 3 %).
б) значение коэффициента несинусоидальности с вероятностью 95% превышает
нормально допустимое значение при схеме питания 2 Тр + КУ + УПК на всех
подстанциях участка Замзор - Будагово. Превышение нормально допустимого
значения достигает по фазе С на подстанциях Ук - 16,2 %, Нижнеудинск - 16,7 %,
Худоеланская - 15,3 %. Среднее значение KU превышает предельно допустимое
значение при той же схеме питания на всех подстанциях данного участка.
Превышение предельно допустимого значения достигает по фазе С на подстанциях Ук
- 8,9 %, Нижнеудинск - 9 %, Худоеланская - 8,3 %. Качество электрической
энергии не соответствует нормам стандарта по суммарной продолжительности
времени выхода за нормально допустимое и предельно допустимое значение на подстанциях
Замзор - фаза А (Т1= 10 %, Т2= 80 %), фаза В (Т2=85 %), фаза С (Т2=96 %), Ук -
фаза А (Т1= 7 %, Т2= 90 %), фаза В (Т2=94 %), фаза С (Т2=97 %), Нижнеудинск -
фаза А (Т1= 7 %, Т2= 90 %), фаза В (Т2= 94 %), фаза С (Т2=97 %), Худоеланская -
фаза А (Т1= 14 %, Т2= 82 %), фаза В (Т2=89 %), фаза С (Т2=96 %), Будагово -
фаза А (Т1= 36 %, Т2= 54 %), фаза В (Т2=90 %), фаза С (Т1= 19 %, Т2= 68 %).
При максимальной пропускной способности:
а) среднее значение коэффициента несиметрии напряжения при схеме питания
2 Тр + КУ + УПК превышает нормально допустимое значение на подстанциях Замзор
(К2U= 2,94 %), Ук (К2U= 3,92 %), Нижнеудинск (К2U= 3,37 %), Худоеланская (К2U=
3,14 %). Качество электрической энергии не соответствует нормам стандарта по
суммарной продолжительности времени выхода за нормально допустимое значение на
подстанциях Замзор (Т1= 86 %) , Ук (Т1= 97 %), Нижнеудинск (Т1= 76 %),
Худоеланская (Т1= 75 %) , Будагово (Т1= 30 %) и предельно допустимое значение
на подстанциях Замзор (Т2= 20 %), Ук (Т2= 40 %), Нижнеудинск (Т2= 30 %),
Худоеланская (Т2= 34 %).
б) значение коэффициента несинусоидальности с вероятностью 95% превышает
нормально допустимое значение при схеме питания 2 Тр + КУ + УПК на всех
подстанциях участка Замзор - Будагово. Превышение нормально допустимого
значения достигает по фазе С на подстанциях Ук - 20,5 %, Нижнеудинск - 21,1 %,
Худоеланская - 19,6 %. Среднее значение KU превышает предельно допустимое
значение при той же схеме питания на всех подстанциях данного участка.
Превышение предельно допустимого значения достигает по фазе С на подстанциях Ук
- 11,2 %, Нижнеудинск - 12,1 %, Худоеланская - 10,9 %. Качество электрической
энергии не соответствует нормам стандарта по суммарной продолжительности
времени выхода за нормально допустимое и предельно допустимое значение на
подстанциях Замзор - фаза А (Т1= 7 %, Т2= 91 %), фаза В (Т2=97 %), фаза С
(Т2=98 %), Ук - фаза А (Т1= 97 %), фаза В (Т2=97 %), фаза С (Т2=98 %),
Нижнеудинск - фаза А (Т2=97 %), фаза В (Т1= 6 %, Т2= 92 %), фаза С (Т2=98 %),
Худоеланская - фаза А (Т1= 6 %, Т2= 92 %), фаза В (Т2=97 %), фаза С (Т2=98 %),
Будагово - фаза А (Т1= 7 %, Т2= 91 %), фаза В (Т2=97 %), фаза С (Т2=96 %).
5. Расчет
параметров режима при применении регулируемых установок поперечной компенсации
.1 Описание
регулируемых КУ
Статические тиристорные компенсаторы реактивной мощности (СТК)
предназначены для стабилизации требуемых уровней напряжения, компенсации
реактивной мощности, компенсации несимметрии напряжения.
СТК включает в себя конденсаторную батарею КБ и тиристорно - реакторную
группу ТРГ.
Схема включения СТК на подстанциях приведена на рисунке 6.1
Рисунок
6.1 - Схема включения СТК: Р1 - компенсирующий реактор, Р2 - защитный реактор,
ТТ - тяговый трансформатор, кс - контактная сеть, ТК - тиристорный ключ, НВ -
нейтральная вставка, от - отстающая фаза, опер - опережающая фаза
Тиристорно
- реакторная группа состоит из тиристорного ключа и реактора типа РКОС 10000/35
«компенсирующий однофазный с естественным воздушным охлаждением».
Характеристики
реактора:
номинальная
мощность 10 Мвар,
номинальное
напряжение 35 кВ,
номинальный
ток 630 А.
Для
защиты конденсаторной батареи от резонансных явлений на высоких частотах
применяют защитный реактор типа ФРОМ 3200/35.
В
дипломном проекте предлагается установить СТК на подстанциях в место уже
установленных нерегулируемых КУ.
Для
сравнения параметров режима электроснабжения при установке регулируемых КУ на
подстанциях, произведен расчет следующих схем:
нормальная
схема + регулируемая КУ установленная на подстанциях Ук - в опережающую фазу,
Нижнеудинск - в отстающую фазу, Худоеланская - в отстающую фазу +
нерегулируемая КУ установленная в отстающую фазу на подстанциях Замзор,
Будагово и в опережающую фазу подстанции Нижнеудинск - нормальная схема +
регулируемая КУ установленная в отстающую фазу и опережающую фазу на
подстанциях Ук, Нижнеудинск, Худоеланская + нерегулируемая КУ установленная в
отстающую фазу на подстанциях Замзор, Будагово.
.2 Расчеты
параметров режима при применении регулируемых установок поперечной компенсации
на подстанциях при среднем графике движения поездов
Схемы с регулируемыми КУ на подстанциях рассчитываются при пропуске
поездов массой 6300 тонн в четном направлении и 3000 тонн в нечетном
направлении при МПИ=30 минутам
Время моделирования составляет 1440 минут.
Данные расчеты сведены в таблицу 5.1.
Таблица 5.1 - Параметры режима СТЭ при движении поездов с установкой
регулируемых КУ на подстанциях
|
Тип схемы
|
направление
|
Интервал, мин
|
Мин. Напряжение, кВ
|
|
|
|
|
|
|
|
|
|
Нормальная схема +
регулируемая КУ (Ук - в опер. фазе; Нижнеудинск - в отс. фазе; Худоеланская -
в отс. фазе) + нерегулируемая КУ (Замзор - в отс. фазе; Нижнеудинск - в опер.
фазе; Будагово - в отс. фазе)
|
четное
|
30
|
24,1
|
|
нечетное
|
30
|
24,5
|
|
Нормальная схема +
регулируемая КУ (Ук - в опер. фазе и отс. фазе; Нижнеудинск - в отс. фазе и
опер. фазе; Худоеланская - в отс. фазе и опер. фазе) + нерегулируемая КУ
(Замзор - в отс. фазе; Будагово - в отс. фазе)
|
четное
|
30
|
25,1
|
|
нечетное
|
30
|
25,7
|
Генерация реактивной мощности регулируемых КУ составляет в среднем 10
мвар.
По данным расчетов можно сказать, что лучшей схемой питания является
схема с установкой регулируемых КУ в две фазы на подстанциях Ук, Нижнеудинск,
Худоеланская, так как минимальное напряжение на токоприемнике электровозов
составляет в четном направлении 25,1 кВ и в нечетном направлении 25,7 кВ и соответственно
пропускная способность при этой схеме питания будет больше. Но с экономической
точки зрения статические тиристорные компенсаторы дороги и установка их в две
фазы на подстанциях Ук, Нижнеудинск, Худоеланская приведет к значительным
затратам. Поэтому предлагается установить СТК на подстанции Ук в опережающую
фазу, а на подстанциях Нижнеудинск и Худоеланская в отстающую фазу. Минимальное
напряжение на токоприемнике электровозов при выбранной схеме питания будет
составлять для поездов четного направления 24,1 кВ и для поездов нечетного
направления 24,5 кВ.
5.3 Расчеты
параметров режима при применении регулируемых установок поперечной компенсации
на подстанциях при максимальной пропускной способности
Расчет произведен при установке СТК в отстающую фазу на подстанциях
Нижнеудинск, Худоеланская и в опережающую фазу на подстанции Ук.
Время моделирования составляет 1440 минут.
Данные расчеты сведены в таблицу 5.2.
Таблица 5.2 - Параметры режима СТЭ при движении поездов массой 6300 тонн
в четном направлении и 3000 тонн в нечетном при максимальной пропускной
способности с установкой регулируемых КУ на подстанциях
|
Тип схемы
|
направление
|
Интервал, мин
|
Мин. Напряжение, кВ
|
|
Нормальная схема +
регулируемая КУ (Ук - в опер. фазе; Нижнеудинск - в отс. фазе; Худоеланская -
в отс. фазе) + нерегулируемая КУ (Замзор - в отс. фазе; Нижнеудинск - в опер.
фазе; Будагово - в отс. фазе)
|
четное
|
16
|
22,2
|
|
нечетное
|
22,6
|
Из расчетов видно, что при минимальном межпоездном интервале равным 16
минутам напряжение на токоприемнике электровозов составляет 22,2 кВ для поездов
четного направления и 22,6 кВ для поездов нечетного направления.
.4 Расчет
режима работы системы тягового электроснабжения при движении пакета поездов
после технологического окна
Данный расчет производится для максимальной нагрузки на ТП в период
пропуска поездов после окна (режим сгущения). Продолжительность окна составляет
120 минут.
При межпоездном интервале 30 минут, во время окна, на участке скопится по
четыре поезда в четном и нечетном направлениях, поэтому их необходимо
пропускать с минимальным МПИ и с поддержанием уровня напряжения на
токоприемнике 22 кВ.
График движения поездов показан на рисунке 6.2.
Рисунок 6.2 - График движения поездов массой 6300 в четном направлении с
интервалом 10 минут и 3000 тонн в нечетном направлении с интервалом 8 минут
Минимальный уровень напряжения на токоприемнике при межпоездноминтервале
10 минут в четном направлении составляет 22,1 кВ и при межпоездном интервале 8
минут в нечетном направлении 25,2 кВ. График изменения напряжения поезда при
прохождении данного участка в четном направлении представлен на рисунке 6.3.
Рисунок 6.3 - График изменения напряжения от координаты расположения
поезда четного направления при МПИ = 10 минутам
Таким образом, после технологического окна равным 120 минутам следует
пропускать поезда с интервалом 10 минут в четном направлении 8 минут в нечетном
направлении.
.5 Сводные
результаты
) При пропуске поездов массой 6300 тонн в четном направлении и 3000 тонн
в нечетном направлении и средним графике движения равным 30 минутам,
минимальное напряжение на токоприемнике электровозов, при схеме питания с одним
трансформатором и включенными регулируемыми КУ на подстанциях Ук в опережающую
фазу, Нижнеудинск и Худоеланская в отстающую фазу составляет для поездов
четного направления 24,1 кВ и для поездов нечетного направления 24,5 кВ.
) При максимальной пропускной способности 90 пар поездов в сутки
межпоездной интервал равен 16 минутам, напряжение на токоприемнике
электровозов для поездов четного направления составляет 22,2 кВ и нечетного
направления 22,6 кВ.
6. Качество
электрической энергии на шинах питающего напряжения при применении регулируемых
установок параллельной компенсации
Расчеты по вычислению несимметрии и несинусоидальности напряжения
производятся при движении поездов массой 6300 тонн в четном направлении и 3000
тонн в нечетном направлении.
.1
Несимметрия напряжения при среднем графике движения поездов
Расчеты несимметрии произведены за сутки.
Данные расчетов сведены в таблицы 6.1.
Таблица 6.1 - Несимметрии на шинах питающего напряжения тяговых
подстанций при МПИ = 30 минутам
|
Тяговая подстанция
|
Тип схемы К2U
|
Нормальная схема +
регулируемая КУ (Ук - в опер. фазе; Нижнеудинск - в отс. фазе; Худоеланская -
в отс. фазе) + нерегулируемая КУ (Замзор - в отс. фазе; Нижнеудинск - в опер.
фазе; Будагово - в отс. фазе)
|
|
1
|
2
|
3
|
|
Замзор
|
Сред. %
|
1,23
|
|
Макс.,%
|
2,46
|
|
Т1, %
|
10
|
|
Т2, %
|
0
|
|
Ук
|
Сред. %
|
1,639
|
|
Макс. %
|
2,92
|
|
Т1, %
|
12
|
|
Т2, %
|
0
|
|
Н-удинск
|
Сред. %
|
1,261
|
|
Макс. %
|
2,57
|
|
Т1, %
|
9
|
|
Т2, %
|
0
|
|
Худоеланская
|
Сред. %
|
1,14
|
|
Макс. %
|
2,28
|
|
Т1, %
|
4
|
|
Т2, %
|
0
|
|
Будагово
|
Сред. %
|
0,804
|
|
Макс. %
|
1,59
|
|
Т1, %
|
0
|
|
Т2, %
|
0
|
По результатам расчета видно, что при применении регулируемых КУ среднее
значение коэффициента несимметрии не превышает нормально допустимого значения
на подстанциях Замзор К2U=1,5 %, Ук К2U=1,5 %, Нижнеудинск К2U=1,3 %,
Худоеланская К2U=1 %, Будагово К2U=0,8 % и соответствует нормам ГОСТ-13109-97.
По суммарной продолжительности времени выхода за нормально допустимое
значение Т1 качество электроэнергии не соответствует ГОСТ. На подстанциях
Замзор Т1=10 %, Ук Т1=12 %, Нижнеудинск Т1= 9 %.
.2
Несинусоидальность напряжения при среднем графике движения поездов
Данные расчета сведены в таблицу 6.2.
Таблица 6.2 - Несинусоидальность напряжения на шинах питающего напряжения
тяговых подстанций при МПИ=30 минутам
|
Название ТП
|
Коэффициент
несинусоидальности напряжения
|
|
Нормальная схема 1тр +
регул. КУ
|
|
Фаза А
|
Фаза В
|
Фаза С
|
|
95%
|
Сред%
|
Т1%
|
Т2%
|
95%
|
Сред %
|
Т1%
|
Т2%
|
95%
|
Сред%
|
Т1%
|
Т2%
|
|
Замзор
|
1,3
|
0,2
|
3
|
0
|
1,6
|
0,3
|
0
|
3
|
1,8
|
0,4
|
0
|
3
|
|
Ук
|
1,8
|
0,3
|
0
|
3
|
1,5
|
0,3
|
0
|
3
|
1,9
|
0,5
|
6
|
3
|
|
Н-удинск
|
1,8
|
0,3
|
0
|
3
|
1,7
|
0,3
|
0
|
3
|
1,9
|
0,4
|
6
|
3
|
|
Худоелань
|
1,7
|
0,3
|
3
|
0
|
1,7
|
0,3
|
0
|
3
|
1,9
|
0,3
|
3
|
3
|
|
Будагово
|
1,3
|
0,2
|
0
|
0
|
1,5
|
0,3
|
0
|
3
|
1,3
|
0,2
|
3
|
0
|
Из расчета видно, что:
- значение КU с вероятностью 0,95 % соответствует ГОСТ и не превышает
нормально допустимого значения и достигает по фазе С на подстанциях Замзор -
1,8 %, Ук - 1,9 %, Нижнеудинск - 1,9 %, Худоеланская - 1,9 %, Будагово - 1,3 %;
- среднее значение КU не превышает предельно допустимого значения
достигает по фазе С на подстанциях Замзор - 0,4 %, Ук - 0,5 %, Нижнеудинск -
0,4 %, Худоеланская - 0,3 %, Будагово - 0,2 %;
- по суммарной продолжительности времени выхода за нормально допустимое и
предельно допустимое значение качество электроэнергии соответствует нормам ГОСТ
на подстанциях Замзор по фазе А (Т1=3 %), Худоеланская по фазе А (Т1=3 %),
Будагово по фазам А (Т1=0 %), и С (Т1=3 %). Для остальных фаз подстанций
качество электроэнергии не соответствует нормам ГОСТ.
.3
Несимметрия и несинусоидальность напряжения при максимальной пропускной
способности
Максимальная пропускная способность при установке регулируемых КУ
составляет 90 пар поездов в сутки при МПИ=16 минутам.
Расчеты произведены за сутки.
Данные расчетов сведены в таблицы 6.3, 6.4.
Таблица 6.3 - Несимметрия напряжения на шинах питающего напряжения
тяговых подстанций при максимальной пропускной способности
|
Тяговая Подстанция
|
Тип схемыК2U
|
Нормальная схема +
регулируемая КУ (Ук - в опер. фазе; Нижнеудинск - в отс. фазе; Худоелань - в
отс. фазе) + нерегулируемая КУ (Замзор - в отс. фазе; Нижнеудинск - в опер.
фазе; Будагово - в отс. фазе) 16 минут
|
|
Замзор
|
Сред. %
|
1,91
|
|
Макс. %
|
3,81
|
|
Т1(2%), %
|
41
|
|
Т2(4%), %
|
0
|
|
Ук
|
Сред. %
|
2,39
|
|
Макс. %
|
4,68
|
|
Т1(2%), %
|
52
|
|
Т2(4%), %
|
1
|
|
Нижнеудинск
|
Сред. %
|
1,75
|
|
Макс. %
|
3,4
|
|
Т1(2%), %
|
45
|
|
Т2(4%), %
|
0
|
|
Худоеланская
|
Сред. %
|
1,675
|
|
Макс. %
|
3,25
|
|
Т1(2%), %
|
12
|
|
Т2(4%), %
|
0
|
|
Будагово
|
Сред. %
|
1,1
|
|
Макс. %
|
2,1
|
|
Т1(2%), %
|
1
|
|
Т2(4%), %
|
0
|
По расчетам несимметрии напряжения по обратной последовательности при
максимальной пропускной способности видно, что качество электроэнергии
соответствует ГОСТ-13109-97 и не превышает нормально допустимое значение на
подстанциях Замзор К2U=1,91 %, Нижнеудинск К2U=1,75 %, Худоеланская К2U=1,75 %.
На подстанции Ук К2U=2,39 %, качество электроэнергии не соответствует нормам
стандарта и превышает нормально допустимое значение.
Таблица 6.4 - Коэффициент несинусоидальности напряжения на шинах
питающего напряжения тяговых подстанций при максимальной пропускной способности
|
Название ТП
|
Коэффициент
несинусоидальности напряжения
|
|
Нормальная схема 1тр +
регул. КУ, 16 минут
|
|
Фаза А
|
Фаза В
|
Фаза С
|
|
95%
|
Сред%
|
Т1%
|
Т2%
|
95%
|
Сред%
|
Т1%
|
Т2%
|
95%
|
Сред%
|
Т1%
|
Т2%
|
|
Замзор
|
1,9
|
0,9
|
10
|
2
|
2,2
|
1,2
|
5
|
10
|
2,5
|
1,4
|
5
|
10
|
|
Ук
|
2,5
|
1,1
|
5
|
8
|
2,1
|
1,1
|
7
|
4
|
2,7
|
1,6
|
9
|
5
|
|
Н-удинск
|
2,6
|
1,2
|
5
|
8
|
2,5
|
1,3
|
7
|
4
|
2,6
|
1,5
|
9
|
5
|
|
Худоелань
|
2,3
|
1,1
|
3
|
5
|
2,6
|
1,4
|
8
|
4
|
2,6
|
1,5
|
5
|
5
|
|
Будагово
|
1,9
|
0,9
|
10
|
0
|
2,1
|
0,9
|
8
|
3
|
1,8
|
0,9
|
6
|
0
|
Из расчета видно, что качество электроэнергии при максимальной пропускной
способности по коэффициенту искажения синусоидальности кривой напряжения не
соответствует нормам ГОСТ-13109-97 и превышает нормально допустимое значения с
вероятностью 95 % на подстанциях Замзор - фаза В 2,2 %, фаза С 2,5 %, Ук - фаза
А 2,5 %, фаза В 2,1 %, фаза С 2,7 %, Нижнеудинск - фаза А 2,6 %, фаза В 2,5 %,
фаза С 2,6 %, Худоеланская - фаза А 2,3 %, фаза В 2,6 %, фаза С 2,6 %, Будагово
- фаза В 2,1 %.
Среднее значение КU не превышает предельно допустимого значения достигает
по фазе С на подстанциях Замзор - 1,4 %, Ук - 1,6 %, Нижнеудинск - 1,5 %,
Худоеланская - 1,5 %, Будагово - 0,9 %.
По суммарной продолжительности времени выхода за нормально допустимое и
предельно допустимое значение качество электроэнергии не соответствует нормам
ГОСТ и достигает значения на подстанциях Замзор по фазе В и С Т1=5 %, Т2=10 %,
Ук по фазе С Т1=9 %, Т2=5 %, Нижнеудинск по фазе С Т1=9 %, Т2=5 %, Худоеланская
по фазе В Т1=8 %, Т2=4 %, Будагово по фазам В Т1=8 %, Т2=3 %.
6.4 Сводные
результаты
) Применение регулируемых статических компенсаторов реактивной мощности
повышает напряжения в тяговой сети, тем самым увеличивается пропускная
способность участка Замзор - Будагово.
При пропуске поездов массой 6300 тонн в четном направлении и 3000 тонн в
нечетном направлении пропускная способность участка при схеме питания 2 Тр + КУ
составляет 58 пар поездов в сутки, а при схеме питания 1 Тр + регулируемая КУ
(Ук - в опер. фазе; Нижнеудинск - в отс. фазе; Худоелань - в отс. фазе) +
нерегулируемая КУ (Замзор - в отс. фазе; Нижнеудинск - в опер. фазе; Будагово -
в отс. фазе) пропускная способность равна 90 пар поездов в сутки, при этом на
токоприемнике электровоза поддерживается напряжение не менее 22 кВ.
2) Качество электрической энергии при применении регулируемых КУ
а) при среднем графике движения
Среднее значение коэффициента несимметрии соответствует нормам
ГОСТ-13109-97 и не превышает нормально допустимого значения на подстанциях
Замзор К2U=1,5 %, Ук К2U=1,5 %, Нижнеудинск К2U=1,3 %, Худоеланская К2U=1 %,
Будагово К2U=0,8 %.
По суммарной продолжительности времени выхода за нормально допустимое
значение Т1 качество электроэнергии не соответствует ГОСТ. На подстанциях
Замзор Т1=10 %, Ук Т1=12 %, Нижнеудинск Т1= 9 %.
Значение коэффициента несинусоидальности с вероятностью 0,95 % не
превышает нормально допустимого значения и достигает по фазе С на подстанциях
Замзор - 1,8 %,Ук - 1,9 %, Нижнеудинск - 1,9 %, Худоеланская - 1,9 %, Будагово
- 1,3 %, что соответствует нормам ГОСТ.
Среднее значение КU не превышает предельно допустимого значения и
достигает по фазе С на подстанциях Замзор - 0,4 %, Ук - 0,5 %, Нижнеудинск -
0,4 %, Худоеланская - 1,9 %, Будагово - 0,2 % - соответствует ГОСТ
По суммарной продолжительности времени выхода за нормально допустимое и
предельно допустимое значение качество электроэнергии соответствует нормам ГОСТ
на подстанциях Замзор по фазе А (Т1=3 %), Худоеланская по фазе А (Т1=3 %),
Будагово по фазам А (Т1=0 %), и С (Т1=3 %). Для остальных фаз подстанций
качество электроэнергии не соответствует нормам ГОСТ.
б) При максимальной пропускной способности
Качество электроэнергии по несимметрии напряжения соответствует ГОСТ-13109-97
и не превышает нормально допустимое значение на подстанциях Замзор К2U=1,91 %,
Нижнеудинск К2U=1,75 %, Худоеланская К2U=1,75 %. На подстанции Ук К2U=2,39 %,
качество электроэнергии не соответствует нормам стандарта и превышает нормально
допустимое значение.
Превышение времени выхода за нормально допустимое значение наблюдается на
подстанциях Замзор Т1=41 %, Ук Т1=52 %, Нижнеудинск Т1=45 %, Худоелань Т1=12 %,
а за предельно допустимое значение на подстанции Ук Т2=1 %.
Качество электроэнергии по коэффициенту искажения синусоидальности кривой
напряжения не соответствует нормам стандарта и превышает нормально допустимое
значения с вероятностью 95 % на подстанциях Замзор - фаза В 2,2 %, фаза С 2,5
%, Ук - фаза А 2,5 %, фаза В 2,1 %, фаза С 2,7 %, Нижнеудинск - фаза А 2,6 %,
фаза В 2,5 %, фаза С 2,6 %, Худоеланская - фаза А 2,3 %, фаза В 2,6 %, фаза С
2,6 %, Будагово - фаза В 2,1 %.
Среднее значение КU не превышает предельно допустимого значения достигает
по фазе С на подстанциях Замзор - 1,4 %, Ук - 1,6 %, Нижнеудинск - 1,5 %,
Худоеланская - 1,5 %, Будагово - 0,9 %.
По суммарной продолжительности времени выхода за нормально допустимое и
предельно допустимое значение качество электроэнергии не соответствует нормам
ГОСТ и достигает значения на подстанциях Замзор по фазе В и С Т1=5 %, Т2=10 %,
Ук по фазе С Т1=9 %, Т2=5 %, Нижнеудинск по фазе С Т1=9 %, Т2=5 %, Худоеланская
по фазе В Т1=8 %, Т2=4 %, Будагово по фазам В Т1=8 %, Т2=3 %.
7. Проверка
оборудования тяговой подстанции Худоеланская
.1 Описание
тяговой подстанции
Тяговая подстанция Худоеланская - транзитная, включена в рассечку ЛЭП-110
кВ. Входное РУ-110 кВ подстанции выполнено по схеме два ввода подстанции с
двумя перемычками рабочей - содержащей выключатель и ремонтной. РУ - 110
выполнено гибкими шинами АС-185.
Исходя из условий бесперебойного питания тяговых потребителей, на
подстанции установлены два главных понижающих трансформатора. Понижающие
трансформаторы подключаются к шинам 110 кВ через выключатели МКП-110/1000 с
разъединителями со стороны шин 110 кВ. На каждом вводе в РУ-27.5 кВ установлен
выключатель и разъединители со стороны понижающего трансформатора и сборной
системы шин 27.5 кВ.
РУ-27.5 кВ предназначено для питания тяговой сети переменного тока,
нетяговых линейных железнодорожных потребителей по линиям ДПР, трансформаторов
собственных нужд. РУ-27.5 кВ имеет двухфазную рабочую систему шин,
секционированную разъединителем, и запасную шину. Третья фаза С обмоток
понижающего трансформатора соединена с контуром заземления подстанции и рельсами
подъездного пути.
Фидера контактной сети 1ФКС и 2ФКС питают левое плечо подстанции и
питаются от фазы В, 4ФКС и 5ФКС, питающие правое плечо подстанции, питаются от
фазы А. От 3ФКС питаются пути стации Худоеланская.
Запасной выключатель с помощью разъединителей может быть присоединен к
любой из фаз, обеспечивая питание любого фидера контактной сети при отключении
выключателя этого фидера.
Сборные шины каждой фазы выполнены проводом АС-300. 1ТСН и 2ТСН
присоединены к шинам РУ с помощью трехфазных выключателей МКП-35/630. Такие же
выключатели установлены на фидерах ДПР.
Компенсирующая установка КУ-27,5 присоединена к сборным шинам с помощью
выключателя ВВК-35/1000. Фидера 27,5 кВ выполнены проводами АС-185.
На фидерах контактной сети использованы однополюсные выключатели
ВБН-27,5/1600, на запасном фидере - ВБН-27,5/1600. РУ-10 кВ предназначено для
питания нетяговых районных потребителей. РУ-10 кВ выполнено по схеме, одна
рабочая система сборных шин секционированная разъединителем. К шинам подключены
четыре фидера для питания нетяговых районных потребителей и два фидера для
питания устройств СЦБ. 1Ф-10 питает РРС-88, 2Ф-10 - лесозаготовительный пункт,
3Ф-10 - освещение станции, 4Ф-10 - колхоз Хингуй. РУ-10 получает питание от
одного понижающего трансформатора. На вводах в РУ-10 установлены выключатели
ВВТЭ-10/1000 с разъединителями со стороны понижающего трансформатора и сборных
шин. На фидерах 10 кВ установлены вакуумные выключатели ВВТЭ-10/630 и
разъединители РВ-10/1000. Сборные шины 10 кВ выполнены жесткими шинами
АДО-100х8, ввода выполнены кабелем. Отходящие линии фидеров 10 кВ выполнены
кабелем АСБ.
В дипломном проекте необходимо произвести расчет токов короткого
замыкания для присоединений подстанции и проверить основное оборудование на
термическую и динамическую стойкость.
На присоединениях подстанции установлена следующая силовая аппаратура:
РУ-110 кВ - выключатель МКП-110/1000, разъединитель РНДЗ-110/1000,
трансформатор тока ТВ-110 600/5.
Транзитная перемычка 110 кВ - разъединители РНДЗ-110/1000, выключатель
МКП-110/1000, трансформатор тока ТВ-110 600/5
Ввода РУ-27.5 кВ - выключатель МКП-35/1000, разъединитель РНДЗ-35/1000,
трансформатор тока ТФЗМ-35 1500/5.
Сборные шины РУ-27.5 кВ - разъединитель РНДЗ-35/2000.
Фидера ДПР: выключатель МКП-35/630, разъединители РНДЗ-35/630,
трансформаторы тока ТФЗМ-35 1500/5.
ТСН - выключатель МКП-35/630, разъединители РНДЗ-35/630, трансформаторы
тока ТФЗМ-35 1500/5, трансформатор ТМ-160/35.
Фидера контактной сети - выключатели ВБН-27,5/1600, разъединители
РНДЗ-35/2000, трансформатор тока ТФЗМ-35 1000/5.
ТН-27.5 - разъединитель РНДЗ-35/1000, трансформатор напряжения
ЗНОМ-35-54, ограничитель перенапряжения ОПН-35 АУ.
КУ-27.5 - выключатель ВВК-35/1000, разъединитель РНДЗ-35/1000,
трансформатор тока ТФЗМ-35 200/5, трансформатор напряжения ЗНОМ-35-65.
Ввода в РУ-10 кВ - выключатель ВВТЭ-10/1000, разъединители РВ-10/630,
РВ-10/1000, трансформатор тока ТПЛ-10 1000/5.
Сборные шины 10 кВ - разъединитель РВ-10/630.
Фидера районных потребителей - выключатель ВВТЭ-10/630, разъединитель РВ-10/400,
трансформатор тока ТПЛ-10 400/5.
-Фидера СЦБ - выключатель ВМГ-10/630, разъединители РВ-10/1000,
трансформатор тока ТПЛ-10 300/5.
ТН-10 - разъединитель РВ-10/400, трансформатор напряжения НТМИ-10,
разрядники ОПН-П1-10 АУ.
.2 Проверка
аппаратуры и токоведущих частей тяговой подстанции
Для обеспечения надёжной работы аппаратуры и токоведущих частей
электроустановки необходимо правильно выбрать их по условиям длительной работы
в нормальном режиме и кратковременной работы в режиме короткого замыкания.
Выбор аппаратуры и токоведущих частей выполняется по следующим условиям:
по номинальному напряжению установки
Uуст £ Uн
- по номинальному току аппарата
раб.max £ Iн ,
где Uуст - номинальное напряжение установки,н - номинальное напряжение
аппарата,раб.max - максимальный рабочий ток присоединения, где установлен
аппарат,н - номинальный ток аппарата.
Расчёт максимальных рабочих токов основных присоединений тяговой
подстанции.
Максимальный рабочий ток вводов и перемычки тяговой подстанции определим,
используя выражение:

-
номинальная мощность трансформатора, ВА,
-
номинальное входное напряжение тяговой подстанции, В.
Используя выражение (9.1) получим
.
Максимальный
рабочий ток обмотки высокого напряжения силового трансформатора определим по
формуле
где составляющие формулы те же, что и в формуле (9.1), кроме
-
коэффициент перегрузки трансформатора, равный 1.4,
-
номинальное напряжение стороны высокого напряжения, В.
Используя выражение (9.2) получим
.
Максимальный
рабочий ток обмотки среднего напряжения силового трансформатора определим,
используя выражение
где составляющие формулы те же, что и в формуле (9.2) кроме
-
номинальное напряжение стороны среднего напряжения, В.
Используя формулу (9.3) получим
.
Максимальный
рабочий ток сборных шин среднего напряжения определим по формуле
где
- коэффициент распределения нагрузки на шинах
вторичного напряжения, равный 0.5 - 0.7 (0.5 при числе присоединений пять и
более; 0.7 - при меньшем числе присоединений),
n - число понижающих трансформаторов,
-
номинальная мощность трансформатора, В×А,
-
номинальное напряжение стороны среднего напряжения, В.
Согласно выражению (9.4) получим
,
Максимальные
рабочие токи фидеров 10 кВ.
Фидер
№1:
=120
Фидер
№2:
=145
Фидер
№3:
=120
Фидер
№4:
=165
Фидера
СЦБ:
=40
Максимальный
рабочий ток ввода низкого напряжения и сборных шин 10 кВ можно определить как
сумму токов фидеров районных потребителей:
=120+145+120+165+40+40=630
.
Максимальный
рабочий ток обмотки высокого напряжения ТСН, согласно выражению (9.3)
.
Максимальный
рабочий ток фидеров 27,5 кВ примем из расчета в программном комплексе Fazanord
Iрабmax = 896 А .
Результаты
расчёта максимальных рабочих токов сведём в таблицу 7.1.
Таблица 7.1 - Результаты расчёта максимальных рабочих токов присоединений
подстанции
|
Наименование присоединений
и сборных шин
|
Значение Iраб max, А
|
|
Вводы «Нижнеудинск» и
«Шеберта»
|
545.858
|
|
перемычка между вводами
|
293.924
|
|
Первичная обмотка
понижающего трансформатора
|
923.760
|
|
Ввод РУ - 27.5 кВ
|
1175.695
|
|
Сборные шины РУ - 27.5 кВ
|
839.782
|
|
Первичная обмотка ТСН
|
5.29
|
|
Фидер контактной сети
|
896
|
|
Ввод РУ - 10 кВ
|
630
|
|
Сборные шины РУ - 10 кВ
|
630
|
|
Районные потребители 10 кВ:
|
|
Фидер№ 1
|
88.487
|
|
Фидер№ 2
|
9.402
|
|
Фидер№ 3
|
41.715
|
|
Фидер№ 4
|
158.802
|
7.2.2 Расчет
токов короткого замыкания
Расчетным режимом для проверки аппаратуры тяговой подстанции является
режим трехфазного короткого замыкания.
Расчеты токов короткого замыкания производятся в программном комплексе
Fazanord.
Трехфазное короткое замыкание на шинах ВН
=3,499
кА.
Трехфазное
короткое замыкание на шинах СН
=6,617
кА.
Трехфазное
короткое замыкание на шинах НН
=9,231
кА.
7.2.3 Расчёт
величины теплового импульса для всех РУ
Для проверки аппаратуры и токоведущих частей выполняется расчёт величины
теплового импульса для всех РУ по выражению:
кА2×с
где
- начальное значение периодической составляющей тока
короткого замыкания,
-
постоянная времени затухания апериодической составляющей тока короткого
замыкания.
, с
где
- время срабатывания релейной защиты рассматриваемой
цепи,
- полное
время отключения выключателя до погасания дуги.
Исходные
данные и результаты расчёта сведём в таблицу 7.2.
Таблица 7.2 - Расчёт величины теплового импульса для всех РУ
Наименование
присоединений и сборных шин Uн, кВ τа, с tв, с tрз, с tоткл, с Iк, кА
|
кА2∙с
|
|
|
РУ
|
110
|
0.02
|
0.08
|
2
|
2.08
|
3.499
|
3.4992 ∙2.1 = 25.71
|
|
27.5
|
0.02
|
0.08
|
1
|
1.08
|
6.617
|
6.6172 ∙1.1 = 48.163
|
|
10
|
0.01
|
0.05
|
1
|
1.05
|
9.231
|
9.2312 ∙1.06 = 90.324
|
|
Фидеры
|
27.5
|
0.02
|
0.08
|
0.5
|
0.58
|
6.617
|
6.6172 ∙0.6 = 26.27
|
|
10
|
0.01
|
0.05
|
0.5
|
0.55
|
9.231
|
9.2312 ∙0.56 = 47.718
|
7.2.4
Проверка сборных шин и токоведущих элементов
В
РУ - 110 кВ шины выполнены проводом АС240/56, [4] диаметр - 22.4 мм; сечение -
240 мм2; допустимый ток - 610 А >
А.
)
Проверка шин на термическую стойкость.
Проверку
на термическую стойкость выполним по формуле:
, мм2
где
- величина теплового импульса;
=25.71 кА2× с,
С
- константа, значение которой для алюминиевых шин равно
.
Согласно
выражению получим
мм2,
Условие
проверки выполняется:
; 240 мм2 > 56.338 мм2.
)
Проверка по условиям коронирования.
где
E0 - максимальное значение начальной критической напряженности электрического
поля, при котором возникает разряд в виде короны, кВ/см,
, кВ/см
(9.9)
где
m - коэффициент, учитывающий шероховатость поверхности провода (для
многопроволочных проводов m = 0.82),пр - радиус провода, см,
E - напряжённость электрического поля около поверхности провода, кВ/см.
, кВ/см
(9.10)
где
U - линейное напряжение, кВ;ср - среднее геометрическое расстояние между
проводами фаз, см.
При
горизонтальном расположении фаз
. Здесь D
- расстояние между соседними фазами, см. Для сборных шин приняты расстояния
между проводами разных фаз -1.5; 3.0 и 4.0 м для напряжений 35; 110 и 220 кВ
соответственно.
Согласно
выражению (9.9) получим
кВ/см
Используя
выражение (9.10) получим
кВ/см
Согласно выражению (9.8) получим
Условие проверки выполняется.
В
РУ - 27.5 кВ шины выполнены двойным проводом АС185/29, [4] диаметр - 18.8 мм;
сечение - 185 мм2; допустимый ток - 1020 А >
А.
)
Проверка шин на термическую стойкость.
Согласно
выражению (9.7) получим
мм2.
Условие
проверки выполняется:
; 185 мм2 > 77.11 мм2.
)
Проверка по условиям коронирования.
Согласно
выражению (9.9) получим
кВ/см.
Используя
выражение (9.10) получим
кВ/см.
Согласно выражению (9.8) получим
В
РУ-10 кВ шины выполнены жёсткими алюминиевыми шинами прямоугольного сечения
А-100 ´ 8 при одной полосе на фазу; допустимый ток - 1625 ∙
0.95 = 1543.75А >
А. Сечение - 800 мм2.
)
Проверка шин на термическую стойкость.
Проверку
на термическую стойкость выполним по формуле
мм2.
Условие
проверки выполняется:
; 800 мм2 > 105.6 мм2.
)
Проверка на электродинамическую стойкость
Момент
сопротивления шин при расположении шин плашмя:
, м3
Механическое
напряжение в материале шины при длине пролёта l =1 м и расстоянии между шинами
фаз а = 0.25 м
, Мпа ,
Шины
механически устойчивы, так как для шин марки АДО
= 40 МПа.
Шины подвешивают на изоляторах марки ПС (подвесной, стеклянный),
собранных в гирлянды. Число подвесных изоляторов в соответствующих
распределительных устройствах указано в таблице 7.3.
Проверка изоляторов.
Таблица 7.3 - Количество изоляторов в гирлянде
|
Тип изолятора
|
Количество изоляторов в
гирлянде при напряжении установки, кВ
|
|
110
|
27,5
|
|
ПС - 70
|
9
|
3
|
Жёсткие
шины РУ- 10 кВ крепятся на опорных изоляторах ИО-10-3.75 У3
Проверка изоляторов по допускаемой нагрузке.
Проверка выполняется по формуле
где
- сила, действующая на изолятор при коротком
замыкании, Н.
= 0.176 ∙
22.1922 ∙ 1/0.25 = 0.346 кН,
где
- разрушающая нагрузка на изгиб изолятора по [4]
= 4 кН.
Условие
проверки выполняется:
. В РУ - 10 кВ используются проходные изоляторы
ИП-10/630-750-I У
.
Проверка по допускаемой нагрузке.
Проверку по допускаемой нагрузке выполним по формуле (9.11),
где
- сила, действующая на изолятор при коротком замыкании,
Н
= 0.088 ∙
22.1922 ∙1/0.25 = 42.848 Н.
Условие
проверки выполняется:
.
7.2.5 Проверка
коммутационной аппаратуры
Высоковольтные выключатели выбирают по следующим признакам:
По месту установки (наружная, внутренняя),
По номинальному напряжению
н ≥ Uр,
где Uн - номинальное напряжение, кВ,р - рабочее напряжение РУ, кВ.
По номинальному длительному току
н ≥ Iр max
где Iн - номинальный ток выключателя, А,р max - максимальный рабочий ток
присоединения, где устанавливают выключатель, А.
По отключающей способности
по номинальному периодическому току отключения
н отк ≥ Iк
где Iн отк - номинальный ток отключения выключателя по каталогу, кА,к -
максимальный ток к.з., который предстоит отключать выключателю по расчёту, кА.
по полному току отключения
,
где
iat - апериодическая составляющая тока к.з. в момент расхождения контактов
выключателя t, кА,
bн - номинальное
значение относительного содержания апериодической составляющей в отключаемом
токе,
По электродинамической стойкости:
по предельному периодическому току к.з.
пр с ≥ Iк,
где Iпр.с - эффективное значение периодической составляющей предельного
сквозного тока к.з. по каталогу, А.
по ударному току
пр.с ≥ iу,
где iпр.с - амплитудное значение предельного сквозного тока к.з. по
каталогу, кА,у - ударный ток к.з. по расчёту, кА.
По термической стойкости
,
где
Iт - предельный ток термической стойкости по каталогу, кА,т - время прохождения
тока термической стойкости по каталогу, с,
Вк
- тепловой импульс тока к.з. по расчёту, кА2 ∙с.
Проверку
выключателей сведем в таблицу 7.4
Таблица
7.4 - Проверка выключателей на электродинамическую стойкость
|
Наименование присоединения
|
Тип выключателя
|
iу, кА (расчетное значение)
|
iдин, кА (паспортные
данные)
|
Выполнение условия: iу ≤
iдин
|
|
РУ-110
|
МКП-110/1000
|
8.514
|
52
|
Да
|
|
Ввода РУ-27.5
|
МКП-35/1000
|
13.166
|
45
|
Да
|
|
Фидера ДПР
|
МКП-35/630
|
19.451
|
45
|
Да
|
|
ТСН
|
МКП-35/630
|
19.451
|
45
|
Да
|
|
Фидера контакт-ной сети
|
ВБН-27.5/1600
|
16.844
|
51
|
Да
|
|
КУ-27.5
|
ВВК-35/1000
|
16.844
|
51
|
Да
|
|
Ввода РУ-10
|
ВВТЭ-10/630
|
24.804
|
52
|
Да
|
|
Фидера район-ных
потребите-лей, СЦБ
|
ВМГ-10/630
|
24.804
|
52
|
Да
|
Таблица 7.5- Проверка выключателей на симметричный ток отключения
|
Наименование присоединения
|
Тип выключателя
|
Iн.отк, кА (паспортные
данные)
|
Iк, кА (расчетное значение)
|
Выполнение условия: Iн.отк ≥
Iк
|
|
РУ-110
|
МКП-110/1000
|
20
|
3.5
|
Да
|
|
Ввода РУ-27.5
|
МКП-35/1000
|
16.5
|
5.172
|
Да
|
|
Фидера ДПР
|
МКП-35/630
|
16.5
|
7.641
|
Да
|
|
ТСН
|
МКП-35/630
|
16.5
|
7.641
|
Да
|
|
Фидера контактной сети
|
ВБН-27.5/1600
|
20
|
6.617
|
Да
|
|
КУ-27.5
|
ВВК-35/1000
|
20
|
6.617
|
Да
|
|
Ввода РУ-10
|
ВВТЭ-10/630
|
20
|
9.231
|
Да
|
|
Фидера районных
потребителей, СЦБ
|
ВМГ-10/630
|
20
|
9.231
|
Да
|
Таблица 7.6 - Проверка выключателей отключение апериодической
составляющей
|
Наименование присоединения
|
Тип выключателя
|
iаt, кА
|
tа, с
|
βном
|
Iн.отк, кА
|
iа.ном, кА
|
Выполнение условия: iаt≤iа.ном
|
|
РУ-110
|
МКП-110/1000
|
0.192
|
0.02
|
0.641
|
20
|
18.130
|
Да
|
|
Ввода в РУ-27.5
|
МКП-35/1000
|
0.364
|
0.02
|
0.641
|
16.5
|
14.957
|
Да
|
|
Фидера ДПР
|
МКП-35/630
|
0.538
|
0.02
|
0.641
|
16.5
|
14.957
|
Да
|
|
ТСН
|
МКП-35/630
|
0.02
|
0.641
|
16.5
|
14.957
|
Да
|
|
Фидера контактной сети
|
ВБН-27.5/1600
|
0.283
|
0.02
|
0.641
|
20
|
18.130
|
Да
|
|
КУ-27.5
|
ВВК-35/1000
|
0.466
|
0.02
|
0.641
|
20
|
18.130
|
Да
|
|
Ввода РУ-10
|
ВВТЭ-10/630
|
0.970
|
0.05
|
0.329
|
20
|
9.306
|
Да
|
|
Фидера районных
потребителей, СЦБ
|
ВМГ-10/630
|
5.866
|
0.05
|
0.329
|
20
|
9.306
|
Да
|
Таблица 7.7- Проверка выключателей на термическую стойкость
|
Наименование присоединения
|
Тип выключателя
|
Iпо=Iк, кА
|
tз, с
|
tв, с
|
tотк = tз + tв, с
|
Та=τас
|
Вк, кА²с
|
Iт, кА
|
tт, с
|
Вн, кА²с
|
Выполнение условия: Вк≤Вн
|
|
|
1
|
2
|
3
|
4
|
5
|
6
|
7
|
8
|
9
|
10
|
11
|
12
|
|
|
РУ-110
|
МКП-110/1000
|
3,5
|
0.5
|
0.08
|
0.58
|
0.02
|
7,35
|
20
|
3
|
1200
|
Да
|
|
|
Ввода РУ-27.5
|
МКП-35/1000
|
5,172
|
0.8
|
0.08
|
0.88
|
0.02
|
24,1
|
16.5
|
5
|
1361
|
Да
|
|
|
Фидера ДПР
|
МКП-35/630
|
7,641
|
0.8
|
0.08
|
0.88
|
0.02
|
52,5
|
16.5
|
5
|
1361
|
Да
|
|
|
ТСН
|
МКП-35/630
|
7,641
|
0.8
|
0.08
|
0.88
|
0.02
|
52,5
|
16.5
|
5
|
1361
|
Да
|
|
|
Фидера контактной сети
|
ВБН-27.5/ 1600
|
6,617
|
0.5
|
0.08
|
0.58
|
0.02
|
26,3
|
20
|
3
|
1200
|
Да
|
|
КУ-27.5
|
ВВК-35/1000
|
6,617
|
0.5
|
0.07
|
0.57
|
0.02
|
25,8
|
20
|
3
|
1200
|
Да
|
|
Ввода РУ-10
|
ВВТЭ-10/630
|
9,231
|
0.5
|
0.14
|
0.64
|
0.05
|
58.8
|
20
|
4
|
1600
|
Да
|
|
Фидера районных
потребителей, СЦБ
|
ВМГ-10/630
|
9,231
|
0.5
|
0.05
|
0.55
|
0.05
|
51,1
|
20
|
3
|
1200
|
Да
|
|
|
|
|
|
|
|
|
|
|
|
|
|
|
|
|
|
|
|
|
|
|
Таблица 7.8 - Проверка выключателей на включающую способность
|
Наименование присоединения
|
Тип выключателя
|
Iк, кА (расчетное значение)
|
Iн.вкл, кА (паспортные
данные)
|
Iу, кА (расчетное значение)
|
Iн.вкл, кА (паспортные
данные)
|
Выполнение условия: Iк≤Iн.вкл
|
Выполнение условия: iу≤iн.вкл
|
|
1
|
2
|
3
|
4
|
5
|
6
|
7
|
8
|
|
РУ-110
|
МКП-110/1000
|
3,5
|
20
|
8,514
|
52
|
Да
|
Да
|
|
Ввода РУ-27.5
|
МКП-35/1000
|
5,172
|
16.5
|
13,166
|
45
|
Да
|
Да
|
|
Фидера ДПР
|
МКП-35/630
|
7,641
|
16.5
|
19,451
|
45
|
Да
|
Да
|
|
ТСН
|
МКП-35/630
|
7,641
|
16.5
|
19,451
|
45
|
Да
|
Да
|
|
Фидера контактной сети
|
ВБН-27.5/1600
|
6,617
|
20
|
16,844
|
51
|
Да
|
Да
|
|
КУ-27.5
|
ВВК-35/1000
|
6,617
|
20
|
16,844
|
51
|
Да
|
Да
|
|
Ввода РУ-10
|
ВВТЭ-10/630
|
9,231
|
20
|
24,804
|
52
|
Да
|
Да
|
|
Фидера районных
потребителей, СЦБ
|
ВМГ-10/630
|
9,231
|
20
|
24,804
|
52
|
Да
|
Да
|
Таблица 7.9 -
Проверка разъединителей на электродинамическую стойкость
|
Наименование присоединения
|
Тип разъединителя
|
iу, кА (расчетное значение)
|
iдин, кА (паспортные
данные)
|
Выполнение условия: iу ≤
iдин
|
|
РУ-110
|
РНДЗ-110/1000
|
8.514
|
80
|
Да
|
|
Рабочая перемычка 110 кВ
|
РНДЗ-110/1000
|
8.514
|
80
|
Да
|
|
Ремонтная перемычка110 кВ
|
РНДЗ-110/1000
|
8.514
|
80
|
Да
|
|
Ввода РУ-27.5
|
РНДЗ-35/1000
|
13.166
|
64
|
Да
|
|
Сборные шины 27.5 кВ
|
РНДЗ-35/2000
|
13.166
|
84
|
Да
|
|
Фидера ДПР
|
РНДЗ-35/630
|
19.451
|
64
|
Да
|
|
ТСН
|
РНДЗ-35/630
|
19.451
|
64
|
Да
|
|
Фидера контакт-ной сети
|
РНДЗ-35/2000
|
16.844
|
84
|
Да
|
|
КУ-27.5
|
РНДЗ-35/1000
|
16.844
|
64
|
Да
|
|
ТН-27.5
|
РНДЗ-35/1000
|
19.451
|
64
|
Да
|
|
Ввода РУ-10
|
РЛНД-10/630
|
24.804
|
35.5
|
Да
|
|
Ввода РУ-10
|
РВ-10/1000
|
24.804
|
100
|
Да
|
|
Сборные шины 10 кВ
|
РВ-10/630
|
24.804
|
52
|
Да
|
|
Фидера район-ных
потребите-лей, СЦБ
|
РВ-10/1000
|
24.804
|
52
|
Да
|
|
ТН-10
|
РВ-10/400
|
24.804
|
41
|
Да
|
Таблица 7.10 - Проверка разъединителей на термическую стойкость
|
Наименование присоединения
|
Тип разъединителя
|
Вк, кА²с (табл 11)
|
Iт, кА (пасп. данные)
|
tт, с (пасп. данные)
|
Вн, кА²с
|
Выполнение условия: Вк≤Вн
|
|
РУ-110
|
РНДЗ-110/1000
|
7.35
|
31
|
3
|
2883
|
Да
|
|
Рабочая перемычка 110 кВ
|
РНДЗ-110/1000
|
7.35
|
31
|
3
|
1452
|
Да
|
|
Ремонтная перемычка 110 кВ
|
РНДЗ-110/1000
|
7.35
|
31
|
3
|
2883
|
Да
|
|
Ввода РУ-27.5
|
РНДЗ-35/1000
|
31
|
3
|
3969
|
Да
|
|
Сборные шины 27.5 кВ
|
РНДЗ-35/2000
|
24.1
|
31.5
|
4
|
3969
|
Да
|
|
Фидера ДПР
|
РНДЗ-35/630
|
52.5
|
20
|
4
|
1600
|
Да
|
|
ТСН
|
РНДЗ-35/630
|
52.5
|
20
|
4
|
1600
|
Да
|
|
Фидера контактной сети
|
РНДЗ-35/2000
|
26.3
|
31,5
|
4
|
2500
|
Да
|
|
|
КУ-27.5
|
РНДЗ-35/1000
|
26.3
|
25
|
4
|
2500
|
Да
|
|
|
ТН-27.5
|
РНДЗ-35/1000
|
52.5
|
25
|
4
|
2500
|
Да
|
|
|
Ввода РУ-10
|
РЛНД-10/630
|
58.8
|
12.5
|
4
|
625
|
Да
|
|
|
Ввода РУ-10
|
РВ-10/1000
|
58.8
|
40
|
4
|
6400
|
Да
|
|
|
Сборные шины 10 кВ
|
РВ-10/630
|
58.8
|
20
|
4
|
1600
|
Да
|
|
|
Фидера районных
потребите-лей, СЦБ
|
РВ-10/1000
|
51.1
|
40
|
4
|
1024
|
Да
|
|
|
ТН-10
|
РВ-10/400
|
51.1∙10 1641024Да
|
|
|
|
|
|
|
|
|
|
|
|
|
|
|
|
Таблица 7.11 - Проверка трансформаторов тока на электродинамическую
стойкость
|
Наименование присоединения
|
Тип трансформатора тока
|
iу, кА (расчетное значение)
|
iдин, кА (паспортные
данные)
|
Выполнение условия: iу ≤
iдин
|
|
Фидера контактной сети
|
ТФЗМ-35АУ1 1000/5
|
16.844
|
100
|
Да
|
|
КУ-27.5
|
ТФЗМ-35АУ1 200/5
|
16.844
|
150
|
Да
|
|
Ввода РУ-10
|
ТПЛ-10 1000/5
|
24.804
|
140
|
Да
|
|
Фидера районных
потребителей
|
ТПЛ-10 1000/5
|
24.804
|
165
|
Да
|
|
Фидера СЦБ
|
ТПЛ-10 300/5
|
24.804
|
175
|
Да
|
Таблица 7.12 - Проверка трансформаторов тока на термическую стойкость
|
Наименование присоединения
|
Тип трансформатора тока
|
Вк, кА²с (табл. 11)
|
Iт, кА (пасп. данные)
|
tт, с (пасп. данные)
|
Вн, кА²с
|
Выполнение условия: Вк≤Вн
|
|
Фидера контактной сети
|
ТФЗМ-35АУ1 1000/5
|
26.3
|
65
|
3
|
12675
|
Да
|
|
КУ-27.5
|
ТФЗМ-35АУ1 200/5
|
26.3
|
65
|
3
|
12675
|
Да
|
|
Ввода РУ-10
|
ТПЛ-10 1000/5
|
58.8
|
55
|
3
|
9075
|
Да
|
|
Фидера районных
потребителей
|
ТПЛ-10 1000/5
|
58.8
|
35
|
3
|
3675
|
Да
|
|
Фидера СЦБ
|
ТПЛ-10 300/5
|
51.1
|
45
|
3
|
6075
|
Да
|
Итог проверки: Технические параметры всего установленного оборудования
соответствуют режимам работы подстанции - режиму короткого замыкания и режиму
максимальных рабочих токов.
8. Оценка
экономической эффективности применения регулируемых установок параллельной
компенсации
В данном дипломном проекте производится расчет экономической
эффективности применения регулируемых КУ.
Как показали расчеты, установка регулируемых КУ взамен нерегулируемых КУ
на подстанциях Ук, Нижнеудинск, Худоеланская приведет к увеличению пропускной
способности и улучшению качества электрической энергии.
Для того чтобы определить экономическую эффективность замены, нужно
расчетный срок окупаемости сравнить с нормативным, который для объектов
железнодорожного транспорта равен 8 годам.
По формуле 8.1 рассчитывается срок окупаемости
где К- капитальные вложения, млн. рублей,
СЭ1 - эффективность применения компенсирующих устройств,
млн. руб./ год.,
СЭ2- ежегодные эксплуатационные расходы, млн. руб./ год.
.1 Расчет
капитальных вложений
где
К1 -стоимость СТК, млн. руб,
Кмонт
- стоимость на монтаж и замену СТК, млн. руб
Кпуск
- вложения на выполнение пусконаладочных работ, млн. руб
Стоимость СТК с реактором РКОС 10000/35 составляет примерно 12,009
миллионов рублей:
Конденсаторная батарея - 9,985 млн. рублей,
Реактор РКОС 10000/35 - 1,294 млн. рублей, по данным [20] стоимость
реактора с выключателем составляет 5 дол. США за 1 квар установленной мощности.
Тиристорный ключ - 0,3 млн. рублей,
Реактор ФРОМ 3200/35 - 0,43 млн. рублей.
Суммарная стоимость трех установок СТК составляет 36,027 миллионов
рублей. Расчет стоимости монтажных работ на замену установок приведен в таблице
8.1.
Таблица 8.1 - Расчет монтажных работ
|
Состав бригады
|
Норма времени, ч
|
Заработная плата, руб
|
|
|
За 1 час
|
Всего
|
|
Работники МХ
|
|
|
|
|
Электромеханик 9р
|
35
|
31,89
|
1897,46
|
|
Электромеханик 8р
|
35
|
30,41
|
1809,40
|
|
Электромонтер 6р
|
35
|
28,59
|
1701,11
|
|
Электромонтер 5р
|
35
|
26,81
|
1595,20
|
|
Работники РЗА
|
|
|
|
|
Электромеханик 9р
|
35
|
31,89
|
1897,46
|
|
Электромеханик 8р
|
35
|
30,41
|
1809,40
|
|
Электромонтер 6р
|
35
|
28,59
|
1701,11
|
|
Испытытели
|
|
|
|
|
Электромеханик 8р
|
35
|
30,41
|
1809,40
|
|
Электромонтер 6р
|
35
|
28,59
|
1701,11
|
|
Машинист
|
35
|
35,12
|
2089,64
|
|
Помощник машиниста
|
35
|
28,57
|
1699,92
|
|
Сумма
|
|
|
19711,16
|
|
Итого с учетом 3 установок
|
|
|
59133,48
|
Капитальные вложения на проведение пусконаладочных работ составляют 10%
от стоимости установки.
Тогда
Кпуск= 12,009*0,1*3=3,6027 млн. рублей.
Суммарные капиталовложения равны
К=36,027+0,059133 +3,6027=39,7 млн. рублей.
8.2 Расчет
ежегодных эксплуатационных расходов
Ежегодные эксплуатационные расходы рассчитываются по формуле
, млн.
руб./ год
где Ка - коэффициент отчисления на амортизацию для компенсирующих
установок, равный 4,4 %,
Ктр - коэффициент отчисления на текущий ремонт, равный 3 %.
млн.
руб./год.
.3
Расчет эффективности применения компенсирующих установок
Так
как статические тиристорные компенсаторы улучшают качество электрической
энергии, то производится расчёт неустойки за ухудшение качества электрической
энергии без применения установок СТК и с применением установок СТК.
В
связи с отсутствием закона, устанавливающего размеры неустойки при нарушении
оговоренного качества электроэнергии, то неустойки согласовываются сторонами по
договору. Неустойки за ненадлежащее выполнение условий договора электроснабжения
применяются в случаях отсутствия расчёта фактического ущерба, нанесенного
стороной, виновной в ухудшении качества электроэнергии, или нежелания требовать
его возмещения в судебном порядке на основании законодательства Российской
Федерации.
Сторону, виновную в снижении качества электроэнергии, определяют в
соответствии с “Правилами присоединения потребителя к сети общего назначения и
заключения договоров электроснабжения по условиям качества электроэнергии”. При
отсутствии других оснований неустойку рекомендуется рассчитывать по таблице
8.2.
Таблица 8.2 - Значение скидки (надбавки) неустойки
|
Т1,%
|
Т2,%
|
|
0
|
1
|
2
|
3
|
4
|
5
|
более 5
|
|
до 5
|
0
|
1,0
|
2,0
|
3,0
|
4,0
|
5,0
|
10,0
|
|
6
|
0,2
|
1,2
|
2,2
|
3,2
|
4,2
|
5,2
|
10,0
|
|
7
|
0,4
|
1,4
|
2,4
|
3,4
|
4,4
|
5,4
|
10,0
|
|
8
|
0,6
|
1,6
|
2,6
|
3,6
|
4,6
|
5,6
|
10,0
|
|
9
|
0,8
|
1,8
|
2,8
|
3,8
|
4,8
|
5,8
|
10,0
|
|
10
|
1,0
|
2,0
|
3,0
|
4,0
|
5,0
|
6,0
|
10,0
|
|
11 - 12
|
1,3
|
2,3
|
3,3
|
4,3
|
5,3
|
6,3
|
10,0
|
|
13 - 14
|
1,7
|
2,7
|
3,7
|
4,7
|
5,7
|
6,7
|
10,0
|
|
15 - 16
|
2,1
|
3,1
|
4,1
|
5,1
|
6,1
|
7,1
|
10,0
|
|
17 - 18
|
2,5
|
3,5
|
4,5
|
5,5
|
6,5
|
7,5
|
10,0
|
|
19 - 20
|
3,0
|
4,0
|
5,0
|
6,0
|
7,0
|
8,0
|
10,0
|
|
21 - 25
|
4,0
|
5,0
|
6,0
|
7,0
|
8,0
|
9,0
|
10,0
|
|
26 - 30
|
5,0
|
7,0
|
8,0
|
9,0
|
10,0
|
10,0
|
|
31 - 35
|
6,0
|
7,0
|
8,0
|
9,0
|
10,0
|
10,0
|
10,0
|
|
36 - 40
|
7,0
|
8,0
|
9,0
|
10,0
|
10,0
|
10,0
|
10,0
|
|
41 - 45
|
8,0
|
9,0
|
10,0
|
10,0
|
10,0
|
10,0
|
10,0
|
|
46 - 50
|
9,0
|
10,0
|
10,0
|
10,0
|
10,0
|
10,0
|
10,0
|
|
Более 50
|
10,0
|
10,0
|
10,0
|
10,0
|
10,0
|
10,0
|
10,0
|
При расчётах за электроэнергию по двухставочному или дифференцированному
(зонному) тарифу скидки (надбавки) применяются к среднему (расчётному) тарифу,
включающему плату за мощность и энергию.
Значение неустойки распространяется на весь объём электрической энергии,
отпущенной (потреблённой) за расчётный период.
Для расчета неустойки необходимо рассчитать электроэнергию потребляемую
тяговыми подстанциями.
8.3.1 Расчет
потребляемой тяговыми подстанциями электрической энергии
Расчет производится в программном комплексе Fazanord при движении поездов
массой 6300 тонн в четном направлении и 3000 тонн в нечетном направлении при
среднем графике движения равным 30 минутам. Расчет производится для тех
подстанций, качество электроэнергии которых не удовлетворяет нормам ГОСТ.
Для схемы питания с нерегулируемыми КУ качество электроэнергии не
соответствует ГОСТ на подстанциях Замзор, Ук, Нижнеудинск, Худоеланская,
Будагово. Для схемы питания с регулируемыми КУ качество электроэнергии не
соответствует ГОСТ на подстанциях Замзор, Ук, Нижнеудинск.
.3.1.1 Расчет
потребляемой тяговыми подстанциями электроэнергии при схеме питания с
нерегулируемыми КУ
Суммарный расход электрической энергии подстанций Замзор, Ук,
Нижнеудинск, Худоеланская за сутки составляет 672644,1 кВт*ч.
Расход электроэнергии ТП Будагово за сутки составляет 97531,9 кВт*ч.
Соответственно, расход электроэнергии подстанциями Замзор, Ук,
Нижнеудинск, Худоеланская за год
,1*365= 245515096,5 кВт*ч .
Расход электроэнергии ТП Будагово за год
,9 *365= 35599143,5 кВт*ч.
Стоимость потреблённой электроэнергии (СПЭ. ГОД) за год определяется по
формуле
СПЭ. ГОД = Ст*W
где Ст - стоимость 1 кВт*ч на тягу равен 0,286 руб (по данным Энергосбыта
ВСЖД),- полное годовое энергопотребление участка.
Стоимость электроэнергии потреблённой подстанциями Замзор, Ук,
Нижнеудинск, Худоеланская за год
СПЭ. ГОД= 0,286* 245515096,5 = 70,217 млн. руб./год..
Стоимость электроэнергии, потреблённой подстанцией Будагово
СПЭ. ГОД= 0,286* 35599143,5 = 10,181 млн. руб./год..
.3.1.2 Расчет
потребляемой тяговыми подстанциями электроэнергии при схеме питания с
регулируемыми КУ
Суммарный расход электрической энергии подстанциями Замзор, Ук,
Нижнеудинск за сутки составляет 483058,3 кВт*ч.
Соответственно за год
,3 *365= 176316279,5 кВт*ч.
Стоимость потреблённой электроэнергии (СПЭ. ГОД) за год
СПЭ. ГОД= 0,286* 176316279,5 = 50,427 млн. руб/год.
.3.2 Расчет
неустойки за ухудшение качества электроэнергии
Расчет неустойки производится по коэффициенту несимметрии напряжения по
обратной последовательности. Время превышения нормально допустимых Т1 и
предельно допустимых Т2 значений при схеме питания с нерегулируемыми КУ
составляет для ТП Замзор Т1=51 %, для ТП Ук Т1=75 %, Т2=16 %, для ТП
Нижнеудинск Т1=51 %, Т2=6 % для ТП Худоеланская Т1 =41%, Т2 =6%, для ТП
Будагово Т1=13% .При схеме питания с регулируемыми КУ время превышения Т1 и Т2
составляет для ТП Замзор Т1=10 %, для ТП Ук Т1=12 %, для ТП Нижнеудинск Т1=9 %.
8.3.2.1
Расчет неустойки за ухудшение качества электроэнергии при схеме питания с
нерегулируемыми КУ
По таблице 8.2 надбавка за ухудшение качества электроэнергии равна 10%
для подстанций Замзор, Ук, Нижнеудинск, Худоеланская и 1,7 % для подстанции
Будагово.
За год суммарная неустойка для подстанций Замзор, Ук, Нижнеудинск,
Худоеланская составляет 70,217 *10 %=7,0217 млн. руб./год.
Для ТП Будагово неустойка составляет 10,181 *1,7 %=0,173 млн. руб./год.
Суммарная неустойка выплачиваемая железной дорогой в год составляет
7,0217 +0,173=7,195 млн. руб./год.
.3.2 Расчет неустойки
за ухудшение качества электроэнергии при применении регулируемых КУ
По таблице 8.2 надбавка за ухудшение качества электроэнергии для
подстанций Замзор, Ук, Нижнеудинск примерно равна 1 %
За год неустойка составляет
,427 *1 %=0,50427 млн. руб./год.
Тогда
СЭ1= 7,195 - 0,50427= 6,691 млн. руб./год.
Таким образом, при применении регулируемых КУ железная дорога будет
экономить 6 миллионов 691 тысячу рублей в год.
С учетом формулы (8.1) при неизменности тарифов на электроэнергию срок
окупаемости статических тиристорных компенсаторов будет равен
лет.
Срок окупаемости регулируемых КУ составляет 9,8 лет
8.3.3 Расчет
срока окупаемости с учетом изменения тарифа на электроэнергию
По данным РЭК Иркутской области стоимость 1 кВт*ч электроэнергии на
электротягу увеличилась по сравнению с 2006 годом на 5 %. Предполагается, что
увеличение тарифа на электротягу с каждым годом будет возрастать на 5 %
Данные расчета сведены в таблицу 8.3
Таблица 8.3 - Расчет срока окупаемости
|
Год
|
Стоимость 1 кВт*ч с учетом
индексации млн. руб/год
|
Неустойка без применения
регул. КУ
|
Неустойка с применением
регул. КУ
|
СЭ1, млн. руб./год
|
СЭ1-СЭ2, млн. руб./год
|
Накопительный эффект, млн.
руб.
|
|
1
|
0,286
|
7,195
|
0,50427
|
6,691
|
4,025
|
4,025
|
|
2
|
0,3
|
7,547
|
0,52895
|
7,018
|
4,352
|
8,377
|
|
3
|
0,315
|
7,924
|
0,5554
|
7,3686
|
4,7026
|
13,08
|
|
4
|
0,331
|
8,327
|
0,5836
|
7,7434
|
5,0774
|
18,157
|
|
5
|
0,348
|
8,755
|
0,6136
|
8,1414
|
5,4754
|
23,632
|
|
6
|
0,365
|
9,182
|
0,6436
|
8,5384
|
5,8724
|
29,505
|
|
7
|
0,383
|
9,635
|
0,6753
|
8,9597
|
6,2937
|
35,799
|
|
8
|
0,402
|
10,113
|
0,7088
|
9,4042
|
6,7382
|
42,537
|
По расчетам видно, что срок окупаемости регулируемых КУ с учетом
изменения тарифа на электроэнергию на 5% в год составляет 7,5 лет, а это меньше
нормативного срока, значит применение регулируемых КУ экономически эффективно.
9.
Безопасность и экологичность проекта
.1 Факторы,
определяющие опасность труда на железной дороге
Под термином «Условия труда» принято понимать совокупность факторов
производственной среды, оказывающих влияние на здоровье и работоспособность
человека в процессе труда. Благоприятные условия труда обеспечивают сохранение
высокой работоспособности человека, содействуют повышению плодотворности труда,
развитию творческой инициативы и превращению труда из обязанности в
потребность, а неблагоприятные - могут привести к ряду отрицательных явлений, к
которым относятся переутомление, различные заболевания профессионального
характера, снижение производительности труда, рост травматизма, развитие общих
заболеваний и нерациональное использование рабочего времени.
При определенном стечении обстоятельств условия труда могут
неблагоприятно влиять на организм человека вследствие воздействия на него
опасных и вредных производственных факторов, основными из которых являются:
повышенная или пониженная температура, влажность и подвижность воздуха рабочей
зоны; повышенный уровень шума на рабочем месте; недостаточная освещенность
рабочей зоны; повышенная яркость света, пониженная контрастность, прямая
блесткость; острые кромки, заусенцы и шероховатость на поверхности оборудования
(вагонах, локомотивах, стрелочных переводах и др.) и инструмента (тормозных
башмаках, вилках и др.); повышенное напряжение в электрической цепи, замыкание
которой может произойти через тело человека; движущиеся машины и механизмы
(подвижной состав, снегоуборочная техника, вагоноремонтные установки и др.);
химические факторы, источниками которых являются главным образом перевозимые
химические грузы; психофизиологические факторы: физические перегрузки
(составителей, регулировщиков скорости движения вагонов, дежурных стрелочных
постов при обслуживании нецентрализованных стрелок и др.), нервно-психические
перегрузки дежурного персонала станции (умственное перенапряжение,
эмоциональные перегрузки, монотонность).
Трудно провести грань по воздействию на организм человека между опасными
и вредными факторами, так как один фактор может оказаться причиной и
заболевания, и травмы.
Например, выделяющаяся на производстве пыль может вызвать
профессиональную болезнь, а попав в глаз - его травму; шум является причиной
профессиональных заболеваний, слуховых травм, он же часто является причиной
наезда подвижного состава на людей.
Условия для воздействия опасных и вредных производственных факторов на
организм человека создаются, прежде всего, в связи с неудовлетворительным в
отдельных случаях проектированием и содержанием территории станций, служебных
зданий и оборудования, низким качеством разработки технологических процессов и
организации работ. В этом случае не исключается проявление потенциальных причин
травматизма и профессиональных заболеваний. Чтобы выявить и исключить
воздействие на работающих опасных и вредных производственных факторов, при
проектировании и эксплуатации железнодорожных станций проводят всесторонний
анализ условий труда.
.2 Меры
безопасности при монтаже и эксплуатации конденсаторных установок
.2.1 Требования
к установке конденсаторов
Конструкция конденсаторной установки должна соответствовать условиям
окружающей среды.
Конденсаторные установки с общей массой масла более 600 кг в каждой
должны быть расположены в отдельном помещении, отвечающем требованиям
огнестойкости, с выходом наружу или в общее помещение.
Конденсаторные установки с общей массой масла до 600 кг в каждой, а также
конденсаторные установки, состоящие из конденсаторов с негорючей жидкостью,
могут размещаться в помещениях РУ до 1 кВ и выше или в основных и
вспомогательных помещениях производств, отнесенных к категориям Г и Д по
противопожарным требованиям СНиП Госстроя России.
При расположении внутри помещения конденсаторной установки выше 1 кВ с
общей массой масла более 600 кг под установкой должен быть устроен
маслоприемник, рассчитанный на 20% общей массы масла во всех конденсаторах. При
наружном расположении устройство маслоприемников под конденсаторами не
требуется.
Конденсаторные установки, размещенные в общем помещении, должны иметь
сетчатые ограждения или защитные кожухи. Должны быть также выполнены
устройства, предотвращающие растекание синтетической жидкости по кабельным
каналам и в полу помещения при нарушении герметичности корпусов конденсаторов и
обеспечивающие удаление паров жидкости из помещения.
Расстояние между единичными конденсаторами должно быть не менее 50 мм и
должно выбираться по условиям охлаждения конденсаторов и обеспечения
изоляционных расстояний.
Указатели перегорания внешних предохранителей конденсатора должны быть
доступны для осмотра при работе батареи.
Температура окружающего конденсаторы воздуха не должна выходить за
верхний и нижний пределы, установленные ГОСТ или техническими условиями на
конденсаторы соответствующего типа.
Помещение или шкафы конденсаторной установки должны иметь отдельную
систему естественной вентиляции; если она не обеспечивает снижения температуры
воздуха в помещении до наибольшей допустимой, необходимо применять
искусственную вентиляцию.
Для конденсаторов, устанавливаемых на открытом воздухе, должно
учитываться наличие солнечного излучения. Конденсаторы на открытом воздухе
рекомендуется устанавливать так, чтобы отрицательное воздействие на них
солнечной радиации было наименьшим.
Соединение выводов конденсаторов между собой и присоединение их к шинам
должны выполняться гибкими перемычками.
Конструкции, на которых устанавливаются конденсаторы, должны выполняться
из несгораемых материалов. При выборе способа крепления конденсаторов
необходимо учитывать тепловое расширение корпуса конденсатора. При наружной
установке маслонаполненные конденсаторы должны устанавливаться согласно
противопожарным требованиям группами мощностью не более 30 МВАр каждая.
Расстояние в свету между группами одной конденсаторной установки должно быть не
менее 4 м, а между группами разных конденсаторных установок - не менее 6 м.
В одном помещении с конденсаторами допускается установка относящихся к
ним разрядных резисторов, разъединителей, выключателей нагрузки, малообъемных
выключателей и измерительных трансформаторов.
При разделении конденсаторной батареи на части рекомендуется располагать
их таким образом, чтобы была обеспечена безопасность работ на каждой из частей
при включенных остальных.
На конденсаторной установке должны предусматриваться приспособления для
заземления несущих металлических конструкций, которые могут находиться под
напряжением при работе установки.
.2.2
Обслуживание конденсаторных установок
В помещениях конденсаторных батарей должны быть в наличии принципиальная
схема конденсаторной установки с техническими характеристиками аппаратов, ее
составляющих, термометр для измерения температуры окружающей среды, специальная
штанга для контрольного разряда конденсаторов, противопожарные средства (ящик с
песком, огнетушители и т. д.). Включение и отключение конденсаторных установок
напряжением 1000 В и выше осуществляют с помощью масляных выключателей.
Выполнять операции включения и отключения разъединителями не разрешается.
Сгоревшие или неисправные предохранители меняют на отключенной
конденсаторной батарее после контрольного разряда всех конденсаторов батареи
специальной штангой. Если конденсаторная установка отключилась под действием
защиты автоматически, ее повторное включение разрешается только после выявления
и устранения причины, вызвавшей отключение. Производство работ, при которых
возможно прикосновение к токоведущим частям отключенной конденсаторной
установки, до выполнения общих требований техники безопасности и контрольного
разряда конденсаторов не разрешается. Осмотр без отключения конденсаторных установок
напряжением до 1000 В и выше выполняют не реже 1 раза в месяц для установок
менее 500 квар и 1 раз в декаду - для установок мощностью выше 500 квар.
Снимать ограждения при осмотрах запрещается.
При осмотрах конденсаторных установок проверяют:
отсутствие пыли, грязи, трещин на изоляторах;
температуру окружающей среды;
исправность ограждений и отсутствие посторонних предметов;
отсутствие вспучивания стенок корпусов конденсаторов и следов вытекания
жидкости;
целостность плавких вставок у предохранителей открытого типа;
равномерность нагрузки отдельных фаз;
исправность контактов, блокировки;
наличие и качество средств защиты и тушения пожара.
Очистку от пыли и грязи поверхностей изоляторов, конденсаторов и
аппаратов выполняют на отключенной батарее в сроки, установленные главным
энергетиком предприятия.
В процессе эксплуатации нужно немедленно отключать конденсаторную
установку в случаях:
вспучивания стенок конденсаторов;
если напряжение на шинах, к которым подключена конденсаторная установка
превышает 110 % номинального напряжения конденсаторов;
увеличения тока батареи более чем на 30 % ее номинального значения или
неравномерной нагрузки фаз более 10 %;
появление капельной течи пропиточной жидкости;
повреждение фарфора изоляторов.
Текущий ремонт конденсаторных установок напряжением до 1000 В и выше
производят не реже 1 раза в год с обязательным отключением установки. При
ремонте проверяют затяжку гаек в контактных соединениях, целостность плавких
вставок и цепи разряда конденсатора, измеряют емкость каждого конденсатора,
заменяют выбывшие из работы секции батарей или отдельных конденсаторов,
опробывают устройства автоматики.
.3
Противопожарная безопасность
Устройство и эксплуатация оборудования, зданий и сооружений должны
соответствовать требованиям ППБ.
Энергообъекты должны быть оборудованы сетями противопожарного
водоснабжения, установками обнаружения и тушения пожара в соответствии с
требованиями нормативно - технических документов.
Каждый работник должен четко знать выполнять требования ППБ и установленный
на энергообъекте противопожарный режим, не допускать лично и останавливать
действия других лиц, которые могут привести к пожару или загоранию.
Работники энергообъектов должны проходить противопожарный инструктаж,
совершенствовать знания по пожарной безопасности при повышении квалификации,
при регулярном участии в противопожарных тренировках и проходить периодическую
проверку знаний ППБ в соответствии с требованиями действующих документов по
подготовке кадров.
Периодичность, тематика и объемы противопожарных тренировок должны
определяться с учетом того, что персонал должен приобрести практические навыки
тушения пожаров во взаимодействии с пожарными подразделениями, не прекращая
управления оборудованием.
На каждом энергообъекте должен быть установлен противопожарный режим и
выполнены противопожарные мероприятия исходя из особенностей производства, а
также совместно с работниками пожарной охраны и энергообъекта разработан
оперативный план тушения пожара.
Оперативный план тушения пожара должен быть основным документом, который
определяет действия персонала энергообъекта при возникновении пожара, порядок
тушения пожара в электроустановках, нахлдящихся под напряжением, взаимодействие
с личным составом прибывающих пожарных подразделений, а также применение других
сил и средств пожаротушения.
Техническое обслуживание автоматических и других установок тушения пожара
и пожарной сигнализации должно производиться персоналом энергообъекта в
соответствии с местными инструкциями по аналогии с обслуживанием противоаварийной
и релейной защиты.
Первичные средства пожаротушения должны содержаться в постоянной
готовности к работе, а их техническое обслуживание осуществляться в
соответствии с « Инструкцией по содержанию и применению первичных средств
пожаротушения на энергетических предприятиях».
Конденсаторные установки должны быть обеспечены противопожарным
оборудованием: огнетушителями, ящиками с песком. Кроме того, в установках
необходимо предусмотреть пожарную сигнализацию, одновременно действующую на
отключение напряжения с установки. Приступать к тушению возникшего пожара можно
только после надежного заземления конденсаторов.
Заключение
В дипломном проекте производился анализ эффективности применения
компенсирующих установок для усиления системы тягового электроснабжения. Для
этого были произведены расчеты следующих схем питания:
один трансформатор без КУ (1 Тр),
один трансформатор + КУ,
два трансформатора без КУ (2 Тр),
два трансформатора + КУ,
один трансформатор + УПК без КУ,
один трансформатор + КУ + УПК,
два трансформатора + УПК без КУ,
два трансформатора + КУ + УПК.
) Применение установок продольной емкостной компенсации, включенных в
отсос подстанций Замзор, Ук, Нижнеудинск, Худоеланская, повышает напряжение в
системе тягового электроснабжения, тем самым увеличивается пропускная
способность данного участка.
Максимальная пропускная способность участка при пропуске поездов массой
6300 тонн в четном направлении и 3000 тонн в нечетном направлении при схеме
питания 2 Тр + КУ составляет 58 пар поездов в сутки, а при схеме питания 2 Тр +
КУ + УПК пропускная способность участка равна 76 пар поездов в сутки, при этом
на токоприемнике электровозов поддерживается напряжение не менее 22 кВ.
Показатели качества электрической энергии при применении продольной
компенсации следующие.
а) При среднем графике движения с интервалом, равным 30 минутам:
максимальное значение коэффициента несимметрии при схеме питания
Тр + КУ + УПК превышает предельно допустимое значение на тяговых
подстанциях Ук (К2U=4,3 %), Нижнеудинск (К2U=4,08 %), Худоеланская (К2U=4,39
%),
- по суммарной продолжительности времени выхода за нормально допустимое
Т1 и предельно допустимое Т2 значение качество электрической энергии не
соответствует нормам стандарта на подстанциях Замзор (Т1= 44 %), Ук (Т1= 74
%,Т2= 6 %), Нижнеудинск (Т1= 45 %, Т2= 3 %), Худоеланская (Т1= 35 %, Т2= 3 %),
Будагово (Т1= 9 );
- значение коэффициента несинусоидальности с вероятностью 95% превышает
нормально допустимое значение при схеме питания 2 Тр + КУ + УПК на всех
подстанциях участка Замзор - Будагово. Превышение нормально допустимого
значения достигает по фазе С на подстанциях Ук - 16,2 %,
Нижнеудинск - 16,7 %, Худоеланская - 15,3 %;
по суммарной продолжительности времени выхода за нормально допустимое и
предельно допустимое значение качество электрической энергии не соответствует
нормам стандарта по всем фазам подстанций Замзор, Ук, Нижнеудинск,
Худоеланская, Будагово и достигает уровня (Т1= 36 %) по фазе А на подстанции
Будагово и уровня (Т2=97 %) по фазе С подстанций Ук, Нижнеудинск.
б) При максимальной пропускной способности:
- максимальное значение коэффициента несиметрии напряжения при схеме
питания 2 Тр + КУ + УПК превышает предельно допустимое значение на подстанциях
Замзор (К2U= 5,07 %), Ук (К2U= 6,88 %), Нижнеудинск (К2U= 6,86 %), Худоеланская
(К2U= 6,49 %);
по суммарной продолжительности времени выхода за нормально допустимое
значение Т1 и предельно допустимое значение Т2 качество электрической энергии
не соответствует нормам стандарта на всех подстанциях данного участка и
достигает уровня (Т1= 97 %, Т2= 40 %) на подстанции Ук;
- значение коэффициента несинусоидальности с вероятностью 95% превышает
нормально допустимое значение при схеме питания 2 Тр + КУ + УПК на всех
подстанциях участка Замзор - Будагово. Превышение нормально допустимого
значения достигает по фазе С на подстанциях Ук - 20,5 %, Нижнеудинск - 21,1 %,
Худоеланская - 19,6 %;
по суммарной продолжительности времени выхода за нормально допустимое и
предельно допустимое значение качество электрической энергии не соответствует нормам
стандарта по всем фазам всех подстанций данного участка и достигает уровня (Т1=
7 %) по фазе А подстанций Замзор, Будагово и уровня (Т2=98 %) по фазе С
подстанций Замзор, Ук, Нижнеудинск, Худоеланская.
2) Анализ эффективности применения регулируемых установок параллельной
компенсации
Применение регулируемых статических компенсаторов реактивной мощности на
подстанциях Ук, Нижнеудинск, Худоеланская повышает напряжения в тяговой сети,
тем самым увеличивается пропускная способность участка Замзор - Будагово.
При пропуске поездов массой 6300 тонн в четном направлении и 3000 тонн в
нечетном направлении пропускная способность участка при схеме питания
Тр + КУ составляет 58 пар поездов в сутки, а при схеме питания
Тр + регулируемая КУ установленная взамен нерегулируемой на подстанциях
Ук - в опережающую фазу, Нижнеудинск - в отстающую фазу, Худоеланская - в
отстающую фазу пропускная способность равна 90 пар поездов в сутки, при этом на
токоприемнике электровоза поддерживается напряжение не менее 22 кВ.
Показатели качества электрической энергии при применении регулируемых КУ
следующие.
а) При среднем графике движения:
максимальное значение коэффициента несимметрии соответствует нормам ГОСТ
по превышению предельно допустимого значения, на всех подстанциях;
по суммарной продолжительности времени выхода за нормально допустимое
значение Т1 качество электроэнергии не соответствует ГОСТ. На подстанциях
Замзор Т1=10 %, Ук Т1=12 %, Нижнеудинск Т1= 9 %;
- значение коэффициента несинусоидальности с вероятностью 95 % не превышает
нормально допустимого значения и достигает по фазе С на подстанциях Замзор -
1,8 %,Ук - 1,9 %, Нижнеудинск - 1,9 %,
Худоеланская - 1,9 %, Будагово - 1,3 %, что соответствует нормам ГОСТ;
- по суммарной продолжительности времени выхода за нормально допустимое и
предельно допустимое значение качество электроэнергии соответствует нормам ГОСТ
на подстанциях Замзор по фазе А (Т1=3 %), Худоеланская по фазе А (Т1=3 %),
Будагово по фазам А (Т1=0 %), и С (Т1=3 %). Для остальных фаз подстанций
качество электроэнергии не соответствует нормам ГОСТ.
б) При максимальной пропускной способности
максимальное значение коэффициента несимметрии не соответствует нормам
ГОСТ и превышает нормально допустимое значение на подстанциях Замзор
(К2U=3,81%), Нижнеудинск (К2U=3,4 %), Худоеланская (К2U=3,25 %). На подстанции
Ук (К2U=4,68 %), качество электроэнергии не соответствует нормам стандарта и
превышает предельно допустимое значение;
превышение времени выхода за нормально допустимое значение наблюдается на
подстанциях Замзор (Т1=41 %), Ук (Т1=52 %), Нижнеудинск (Т1=45 %), Худоеланская
(Т1=12 %), а за предельно допустимое значение на подстанции Ук (Т2=1 %).
Значение коэффициента несинусоидальности с вероятностью 95 % превышает
нормально допустимое значения на подстанциях Замзор - фаза В 2,2 %, фаза С 2,5
%, Ук - фаза А 2,5 %, фаза В 2,1 %, фаза С 2,7 %, Нижнеудинск - фаза А 2,6 %,
фаза В 2,5 %, фаза С 2,6 %, Худоеланская - фаза А 2,3 %, фаза В 2,6 %, фаза С
2,6 %, Будагово - фаза В 2,1 %;
по суммарной продолжительности времени выхода за нормально допустимое и
предельно допустимое значение качество электроэнергии не соответствует нормам
ГОСТ и достигает значения на подстанциях Замзор по фазе В и С (Т1=5 %, Т2=10
%), Ук по фазе С (Т1=9 %, Т2=5 %), Нижнеудинск по фазе С (Т1=9 %, Т2=5 %),
Худоеланская по фазе В (Т1=8 %, Т2=4 %), Будагово по фазам В (Т1=8 %, Т2=3 %).
Применение регулируемых КУ дает лучший технический эффект, чем применение
установок продольной компенсации.
3) Проверка оборудования тяговой подстанции Худоеланская по рабочим
нагрузкам, на термическую и динамическую стойкость, расчеты токов короткого
замыкания на стороне высокого, среднего и низкого напряжения показали, что
используемое оборудование на ТП Худоеланская может быть применено в условиях
движения тяжеловесных поездов.
4) Произведенный в экономической части проекта расчет экономической
эффективности применения регулируемых КУ показал, что срок окупаемости
регулируемых КУ с учетом изменения тарифа на электроэнергию на 5% в год
составляет 7,5 лет, а это меньше нормативного срока, значит применение
регулируемых КУ экономически эффективно.
) В главе « Безопасность и экологичность проекта» рассмотрен вопрос о
безопасности работ на конденсаторных установках в соответствии с «Правилами
устройства электроустановок», «Правилами технической эксплуатации
электроустановок» «Правилами техники безопасности в электроустановках»,
«Правилами пожарной безопасности»
тяговый
продольный емкостный отсос
Список литературы
1. Правила
устройства и технической эксплуатации контактной сети электрифицированных
железных дорог (ЦЭ-868). - М.: Трансиздат, 2002.- 184 с.
. Правила
устройства системы тягового электроснабжения железных дорог РФ / МПС РФ. М:
Транспорт, 1997.
. Правила
технической эксплуатации железных дорог Российской Федерации. М.: Трансиздат,
2000. - 190 с.
. Правила
тяговых расчётов для поездной работы. М.: Трансжелдориздат,
. Марквардт
К.Г. Электроснабжение электрических железных дорог. - М.: Транспорт, 1982. -
528 с.
.
Гринберг-Басин М.М. Тяговые подстанции. Пособие по дипломному проектированию. -
М.: Транспорт, 1986. - 168 с.
. Бей Ю.М.,
Мамошин Р.Р., Пупынин В.Н., Шалимов М.Г. Тяговые подстанции: Учебник для вузов
железнодорожного транспорта. - М.: Транспорт, 1986. - 319 с.
. Прохорский
А.А. Тяговые и трансформаторные подстанции. - М.: Транспорт, 1983. - 496 с.
. Неклепаев
Б.Н., Крючков И.П. Электрическая часть электростанций и подстанций. Справочные
материалы для курсового и дипломного проектирования. - М.: Энегроатомиздат,
1989. - 605 с.
. Справочник
по электроснабжению железных дорог // В 2-х т. Т. 1 / Под ред. К.Г. Марквардта.
- М.: Транспорт, 1980. - 256 с.
. Справочник
по электроснабжению железных дорог // В 2-х т. Т. 2 / Под ред. К.Г. Марквардта.
- М.: Транспорт, 1981. - 392 с.
. Справочник
по электрическим установкам высокого напряжения / Под ред. И.А. Баумштейна,
С.А. Бажанова. - 3-е изд., перераб. и доп. - М.: Энергоатомиздат, 1989. - 768
с.
. Дмитриева
В.А. Экономика железнодорожного транспорта. - М.: Транспорт, 1996. - 328 с.
14. Материалы сайта кафедры
электроснабжения ИрГУПС www.iriit.irk.ru/web-edu/~egt/
<http://www.iriit.irk.ru/web-edu/~egt/>
. Экономика железнодорожного
транспорта. Методические указания для выполнения экономической части дипломного
проекта. - Иркутск: ИрГУПС, 2002. - 26 с.
. Закарюкин В.П., Крюков А.В.
Сложнонесимметричные режимы электрических систем. - Иркутск: Изд-во Иркут.
ун-та. - 2005. - 273 с.
. Закарюкин В.П., Крюков
А.В.. Имитационное моделирование систем тягового электроснабжения / Учебное
пособие. Иркутск: ИрГУПС. - 2006.
с.
. Описание программного
комплекса Кортэс.
. ГОСТ 13109-97.
Электрическая энергия. Совместимость технических средств электромагнитная.
Нормы качества электрической энергии в системах электроснабжения общего
назначения.
20. Журнал «
Энергетические станции» - 2003 год.