|
5
|
0,0041
Рисунок 5 - Зависимость коэффициента
давления переходника от числа Маха
Коэффициент
сопротивления давления донной части
Донное сопротивление обусловлено
возникновением разряжения за тупым основанием тела. Величина разряжения,
устанавливающаяся за донным срезом корпуса, зависит от многих факторов: формы
кормовой части, наличия или отсутствия хвостового оперения, реактивной струи,
длины корпуса, состояния пограничного слоя, температуры поверхности и других
факторов.
При числах Маха >0,8
коэффициент донного сопротивления можно определить по формуле
,
где -
коэффициент донного давления для тел вращения без сужающейся кормовой части [2,
рисунок13];
- коэффициент,
учитывающий форму кормовой части [2, рисунок14];
- площадь донного среза.
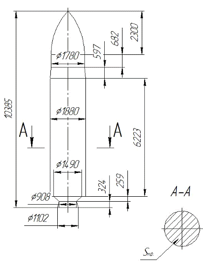
В случае РН «Посейдон
С-3» площадью донного среза будет площадь кольца, образованного миделевым
диаметром РН и фермой крепления ЖРД.
Расчет сопротивления
донной части при >0,8
представлен в таблице 5.
Таблица 5 -
Сопротивление давления донного среза при
|
M
|

|
|
|
0,9
|
0,148
|
0,006
|
|
1
|
0,195
|
0,008
|
|
1,1
|
0,200
|
0,009
|
|
1,3
|
0,195
|
0,008
|
|
1,5
|
0,185
|
0,008
|
|
2
|
0,157
|
0,007
|
|
2,5
|
0,120
|
0,005
|
|
3
|
0,096
|
0,004
|
|
3,5
|
0,080
|
0,003
|
|
4
|
0,068
|
0,003
|
|
4,5
|
0,059
|
0,003
|
|
5
|
0,050
|
0,002
|
При числах Маха коэффициент
донного сопротивления можно определить по формуле
где -
коэффициент донного давления для тел вращения без сужающейся кормовой части,
определяется по формуле
где -
коэффициент сопротивления трения плоской пластины, длина которой равна длине
корпуса с учетом влияния сжимаемости, определяется по формуле
Расчет коэффициента
сопротивления донной части при полете с
на высоте Н=10 км представлен
в таблице 6.
Таблица 6 -
Сопротивление давления донного среза при
|
M
|
   
|
|
|
|
|
|
0,1
|
0,0026
|
0,1292
|
0,0056
|
0,0026
|
0,9993
|
|
0,3
|
0,0026
|
0,1302
|
0,0056
|
0,0026
|
0,9940
|
|
0,5
|
0,0024
|
0,1360
|
0,0059
|
0,0024
|
0,9837
|
|
0,7
|
0,0023
|
0,1404
|
0,0060
|
0,0022
|
0,9686
|
Коэффициент
сопротивления давления корпуса
Коэффициент сопротивления давления
РН определяется по формуле
Значения коэффициента сопротивления
давления РН в диапазоне высот от 0 до 60 км представлены в таблице 7.
Таблица 7 - Сопротивление давления
РН
|
M
|
H, км
|
|
0
|
10
|
20
|
30
|
40
|
60
|
|
0,1
|
0,1537
|
0,1536
|
0,1528
|
0,1541
|
0,1515
|
0,1502
|
|
0,3
|
0,1545
|
0,1540
|
0,1538
|
0,1530
|
0,1530
|
0,1513
|
|
0,5
|
0,1430
|
0,1425
|
0,1423
|
0,1415
|
0,1419
|
0,1400
|
|
0,7
|
0,1676
|
0,1670
|
0,1664
|
0,1660
|
0,1667
|
0,1646
|
|
0,8
|
0,1980
|
0,1980
|
0,1980
|
0,1980
|
0,1980
|
0,1980
|
|
0,9
|
0,2401
|
0,2401
|
0,2401
|
0,2401
|
0,2401
|
0,2401
|
|
1
|
0,2886
|
0,2886
|
0,2886
|
0,2886
|
0,2886
|
0,2886
|
|
1,1
|
0,3396
|
0,3396
|
0,3396
|
0,3396
|
0,3396
|
0,3396
|
|
1,3
|
0,4515
|
0,4515
|
0,4515
|
0,4515
|
0,4515
|
0,4515
|
|
1,5
|
0,4659
|
0,4659
|
0,4659
|
0,4659
|
0,4659
|
0,4659
|
|
2
|
0,4711
|
0,4711
|
0,4711
|
0,4711
|
0,4711
|
0,4711
|
|
2,5
|
0,4608
|
0,4608
|
0,4608
|
0,4608
|
0,4608
|
0,4608
|
|
3
|
0,4574
|
0,4574
|
0,4574
|
0,4574
|
0,4574
|
0,4574
|
|
3,5
|
0,4428
|
0,4428
|
0,4428
|
0,4428
|
0,4428
|
0,4428
|
|
4
|
0,4223
|
0,4223
|
0,4223
|
0,4223
|
0,4223
|
0,4223
|
|
4,5
|
0,4172
|
0,4172
|
0,4172
|
0,4172
|
0,4172
|
0,4172
|
|
5
|
0,4069
|
0,4069
|
0,4069
|
0,4069
|
0,4069
|
0,4069
|
Рисунок 6 - Зависимость коэффициента
сопротивления давления РН от числа Маха и высоты
Так как на рисунке 6
невозможно различить зависимости при , на рисунке 7 приведен
график для этих зависимостей в увеличенном масштабе.
Рисунок 7 - Зависимость
коэффициента сопротивления давления РН от числа Маха и высоты при
Расчет коэффициента
продольной силы при нулевом угле атаки
Коэффициент продольной силы
летательного аппарата при нулевом угле атаки определяется как сумма
коэффициентов сопротивления трения летательного аппарата и коэффициента
сопротивления давления летательного аппарата при нулевом угле атаки
Коэффициент продольной силы является
функцией числа Маха набегающего потока воздуха. При нулевом угле атаки значения
коэффициентов продольной силы и лобового сопротивления совпадают [1].
Значения коэффициента продольной
силы РН при нулевом угле атаки в диапазоне высот от 0 до 60 км представлены
в таблице 8.
Таблица 8 - Коэффициент продольной
силы РН
|
M
|
H, км
|
|
0
|
10
|
20
|
30
|
40
|
60
|
|
0,1
|
0,2060
|
0,2077
|
0,2249
|
0,1989
|
0,2893
|
0,4845
|
|
0,3
|
0,1989
|
0,2073
|
0,2119
|
0,2330
|
0,2325
|
0,3441
|
|
0,5
|
0,1840
|
0,1914
|
0,1948
|
0,2127
|
0,2033
|
0,2890
|
|
0,7
|
0,2061
|
0,2129
|
0,2240
|
0,2316
|
0,2185
|
0,2902
|
|
0,8
|
0,2368
|
0,2434
|
0,2541
|
0,2611
|
0,2469
|
0,3138
|
|
0,9
|
0,2766
|
0,2834
|
0,2944
|
0,3013
|
0,2856
|
0,3505
|
|
1
|
0,3242
|
0,3308
|
0,3415
|
0,3479
|
0,3317
|
0,3931
|
|
1,1
|
0,3742
|
0,3807
|
0,3910
|
0,3971
|
0,3805
|
0,4389
|
|
1,3
|
0,4845
|
0,4906
|
0,5002
|
0,5057
|
0,5379
|
0,5424
|
|
1,5
|
0,4973
|
0,5031
|
0,5122
|
0,5171
|
0,5469
|
0,5501
|
|
2
|
0,4988
|
0,5037
|
0,5116
|
0,5156
|
0,5405
|
0,5428
|
|
2,5
|
0,4851
|
0,4895
|
0,4963
|
0,5056
|
0,5206
|
0,5237
|
|
3
|
0,4789
|
0,4827
|
0,4886
|
0,4973
|
0,5160
|
0,5138
|
|
3,5
|
0,4617
|
0,4650
|
0,4702
|
0,4778
|
0,4940
|
0,4939
|
|
4
|
0,4391
|
0,4420
|
0,4466
|
0,4532
|
0,4673
|
0,4692
|
|
4,5
|
0,4321
|
0,4347
|
0,4387
|
0,4446
|
0,4570
|
0,4606
|
|
5
|
0,4226
|
0,4261
|
0,4313
|
0,4423
|
0,4473
|
Рисунок 8 - Зависимость коэффициента
осевой силы от числа Маха и высоты
6. Производная по углу
атаки коэффициента аэродинамической нормальной силы ракеты-носителя
Состав производной по
углу атаки коэффициента нормальной силы летательного аппарата
Производная коэффициента нормальной
силы по углу атаки для всего летательного аппарата определяется через его
составляющие для отдельных частей аппарата. Однако в данном случае летательный
аппарат представляет собой только корпус и коэффициент продольной силы давления
Производная по углу
атаки коэффициента нормальной силы изолированного корпуса
Производная коэффициента нормальной
силы изолированного корпуса по углу атаки Cαy корп определяется для типичной схемы корпуса ракеты-носителя,
состоящей из носовой части с продолжающейся цилиндрической частью и кормовой
части по рисунку 19 [2]. Согласно теории тонких осесимметричных тел, нормальная
сила появляется только на участках корпуса с переменной площадью поперечного
сечения S = S(x1) и направление действия
этой силы определяется знаком производной площади поперечного сечения dS(x1)/dx1 по координате x1 вдоль продольной оси системы координат Ox1y1z1, ось Ox1 которой противоположна
оси Ox связанной системы координат Oxyz и направлена в сторону
хвостовой части корпуса. Расширяющиеся части корпуса (в данном случае юбка РН),
которым соответствует положительный знак производной, создают положительную
нормальную силу, направленная в сторону оси Oy связанной системы
координат, которая, в свою очередь, направлена в сторону увеличения угла атаки.
Сужающиеся части корпуса, которым соответствует отрицательный знак производной,
имеют отрицательную нормальную силу. При этом нормальная сила цилиндрических частей
с постоянной площадью поперечного сечения равна нулю.
Однако эксперименты показывают, что
при больших дозвуковых и при сверхзвуковых скоростях цилиндрические части
корпуса, примыкающие к его расширяющимся частям, также создают некоторую
нормальную силу. Этот факт отображен в экспериментальных зависимостях,
представленных на рисунке 20 [2].
Величина производной Cαy корп зависит от формы корпуса и определяется как сумма производных
коэффициентов нормальных сил по углу атаки отдельных частей корпуса, умноженных
на отношения характерных площадей этих частей к площади миделя корпуса
где Cyαн1, Cyαн2 - производные
коэффициентов нормальных сил, действующих на носовую и переходную часть
корпуса, 1/град;
S1, S2 - характерные площади оснований конических и кормовой частей, м2.
Расчет производной Cyαн2 и Cyαн3 для переходной части
имеет вид
Производные C’yαн2 и C’’yαн2 определяются по рисунку
20 [2]. Производная C’’yαн2 находится для псевдоконуса при условии отсутствия цилиндрической
части за этим конусом.
Результаты расчетов по определению
производной по углу атаки коэффициента аэродинамической нормальной
ракетоносителя приведены в таблице 9.
Таблица 9 - Производная коэффициента
аэродинамической нормальной и подъемной силы летательного аппарата на высоте h = 10 км
|
M
|
Cαу н1, 1/град
|
, 1/град
|
, 1/град
|
, 1/град
|
, 1/град
|
|
0,1
|
0,0340
|
0,0350
|
0,0348
|
0,0038
|
0,0343
|
|
0,3
|
0,0342
|
0,0353
|
0,0348
|
0,0041
|
0,0345
|
|
0,5
|
0,0344
|
0,0354
|
0,0348
|
0,0042
|
0,0349
|
|
0,7
|
0,0345
|
0,0355
|
0,0348
|
0,0043
|
0,0353
|
|
0,8
|
0,0347
|
0,0365
|
0,0348
|
0,0050
|
0,0375
|
|
0,9
|
0,0350
|
0,0370
|
0,0348
|
0,0058
|
0,0411
|
|
1
|
0,0370
|
0,0420
|
0,0348
|
0,0108
|
0,0440
|
|
1,1
|
0,0420
|
0,0465
|
0,0348
|
0,0153
|
0,0530
|
|
1,3
|
0,0455
|
0,0461
|
0,0348
|
0,0151
|
0,0558
|
|
1,5
|
0,0450
|
0,0450
|
0,0348
|
0,0138
|
0,0542
|
|
2
|
0,0410
|
0,0415
|
0,0348
|
0,0118
|
0,0460
|
|
2,5
|
0,0368
|
0,0410
|
0,0348
|
0,0094
|
0,0424
|
|
3
|
0,0360
|
0,0400
|
0,0348
|
0,0088
|
0,0411
|
|
3,5
|
0,0356
|
0,0390
|
0,0348
|
0,0078
|
0,0398
|
|
4
|
0,0354
|
0,0380
|
0,0348
|
0,0066
|
0,0380
|
|
4,5
|
0,0352
|
0,0375
|
0,0348
|
0,0062
|
0,0374
|
|
5
|
0,0350
|
0,0370
|
0,0348
|
0,0057
|
0,0371
|
Расчет производной
коэффициента аэродинамической подъемной силы летательного аппарата по углу
атаки
Коэффициент лобового сопротивления
при нулевом угле атаки Cxa0(M∞) и производная коэффициента нормальной силы летательного аппарата
по углу атаки Cαy позволяют определить продольную Х и нормальную Y силы, действующие на летательный
аппарат
При нулевом угле скольжения β = 0 подъемная сила
выражается через нормальную и продольную силы. Для малых углов атаки sinα ≈ α, cosα ≈ 1 выражение примет вид
где α
- угол атаки, выраженный в рад.
Представляем подъемную силу Ya через производную
коэффициента подъемной силы по углу атаки
В данной работе расчеты производной
коэффициента нормальной силы по углу атаки имеют размерность 1/град, в
этом случае производная Cαya будет определяться по формуле
График зависимости производной
коэффициента подъемной силы от числа Маха в нормальной и скоростной системе
координат изображен на рисунке 9.
Рисунок 9 - Зависимость производной
коэффициента нормальной силы по углу атаки в с коростной и нормальной системе
координат от числа Маха
7. Коэффициент силы
лобового сопротивления ракеты-носителя
Состав коэффициента силы
лобового сопротивления летательного аппарата
Коэффициент лобового сопротивления
летательного аппарата представляется в виде суммы двух коэффициентов -
коэффициента лобового сопротивления при нулевом угле атаки Cxa0, зависящего от числа Маха, и коэффициента индуктивного
сопротивления Cxai, зависящий от числа Маха и угла атаки. Поэтому коэффициент
лобового сопротивления является функцией числа маха и угла атаки
Коэффициент индуктивного
сопротивления летательного аппарата, состоящего только из корпуса, определяется
следующим образом
где Cxai, Cxai корп - коэффициенты индуктивного сопротивления соответственно
летательного аппарата и изолированного корпуса;
Коэффициент индуктивного
сопротивления корпуса
В диапазоне малых углов атаки
коэффициент индуктивного сопротивления корпуса определяется по формуле
в которой производная Cαy корп имеет размерность 1/град, а угол α град.
Коэффициент, учитывающий влияние
перераспределения давления по расширяющимся частям корпуса летательного
аппарата, определяется следующим образом
где ζн1, ζн2 - коэффициенты
перераспределения давления на носовой, переходной и кормовой частях ЛА;
S1, S2 - характерные площади оснований конических частей, м2.
Коэффициент ζн2 для переходной части корпуса, представляющей собой усеченный
конус, определяется по формуле
где ζ’н2 - коэффициент,
учитывающий перераспределение давления по конической носовой части продленного
корпуса длиной L’н2.
Коэффициенты ζн1, ζ’н2 определяются по рисунку 30 [2].
Результаты расчетов по определению
коэффициента индуктивного сопротивления ракетоносителя приведены в таблице 10,
и на рисунке 10.
Таблица 10 - Коэффициент
индуктивного сопротивления корпуса
|
M
|
ζн1
|
ζ н2
|
ζ к
|
Сxai
|
|
|
|
|
α = 2o
|
α = 4o
|
α = 6o
|
α = 8o
|
|
0,1
|
-0,3000
|
-0,0208
|
-0,2890
|
0,0017
|
0,0068
|
0,0152
|
0,0270
|
|
0,3
|
-0,3000
|
-0,0208
|
-0,2890
|
0,0017
|
0,0068
|
0,0153
|
0,0273
|
|
0,5
|
-0,3000
|
-0,0208
|
-0,2890
|
0,0017
|
0,0069
|
0,0156
|
0,0277
|
|
0,7
|
-0,3000
|
-0,0208
|
-0,2890
|
0,0018
|
0,0070
|
0,0158
|
0,0282
|
|
0,8
|
-0,3000
|
-0,0208
|
-0,2800
|
0,0019
|
0,0077
|
0,0174
|
0,0310
|
|
0,9
|
-0,2900
|
-0,0197
|
-0,2520
|
0,0023
|
0,0090
|
0,0203
|
0,0361
|
|
1
|
0,0200
|
-0,0176
|
0,0003
|
0,0031
|
0,0123
|
0,0276
|
0,0491
|
|
1,1
|
0,3700
|
-0,0062
|
0,3250
|
0,0045
|
0,0180
|
0,0404
|
0,0718
|
|
1,3
|
0,5000
|
-0,0010
|
0,4390
|
0,0050
|
0,0199
|
0,0447
|
0,0794
|
|
1,5
|
0,5700
|
0,0062
|
0,5130
|
0,0050
|
0,0201
|
0,0453
|
0,0805
|
|
2
|
0,7000
|
0,0208
|
0,6420
|
0,0048
|
0,0191
|
0,0430
|
0,0764
|
|
2,5
|
0,7200
|
0,0249
|
0,6900
|
0,0046
|
0,0186
|
0,0418
|
0,0743
|
|
3
|
0,7700
|
0,0301
|
0,7200
|
0,0046
|
0,0185
|
0,0416
|
0,0740
|
|
3,5
|
0,7800
|
0,0311
|
0,7290
|
0,0046
|
0,0182
|
0,0410
|
0,0729
|
|
4
|
0,7810
|
0,0311
|
0,7320
|
0,0044
|
0,0177
|
0,0399
|
0,0710
|
|
4,5
|
0,7820
|
0,0311
|
0,7350
|
0,0044
|
0,0176
|
0,0396
|
0,0704
|
|
5
|
0,7900
|
0,0311
|
0,7390
|
0,0044
|
0,0176
|
0,0395
|
0,0702
|
Рисунок 10 - Зависимость
индуктивного сопротивления от угла атаки и от числа Маха
Результаты расчетов по определению
коэффициента силы лобового сопротивления ракетоносителя приведены в таблице 11,
и на рисунке 11.
Таблица 11 - Коэффициент лобового
сопротивления корпуса
|
M
|
Сxa
|
|
α = 2o
|
α = 4o
|
α = 6o
|
α = 8o
|
|
0,1
|
0,2093
|
0,2144
|
0,2229
|
0,2347
|
|
0,3
|
0,2090
|
0,2141
|
0,2226
|
0,2345
|
|
0,5
|
0,1931
|
0,1983
|
0,2070
|
0,2191
|
|
0,7
|
0,2146
|
0,2199
|
0,2287
|
0,2410
|
|
0,8
|
0,2453
|
0,2511
|
0,2608
|
0,2743
|
|
0,9
|
0,2924
|
0,3037
|
0,3195
|
|
1
|
0,3339
|
0,3431
|
0,3585
|
0,3800
|
|
1,1
|
0,3852
|
0,3986
|
0,4211
|
0,4525
|
|
1,3
|
0,4955
|
0,5104
|
0,5352
|
0,5700
|
|
1,5
|
0,5081
|
0,5232
|
0,5484
|
0,5836
|
|
2
|
0,5085
|
0,5228
|
0,5467
|
0,5801
|
|
2,5
|
0,4941
|
0,5080
|
0,5312
|
0,5637
|
|
3
|
0,4873
|
0,5011
|
0,5243
|
0,5566
|
|
3,5
|
0,4696
|
0,4832
|
0,5060
|
0,5379
|
|
4
|
0,4464
|
0,4597
|
0,4819
|
0,5130
|
|
4,5
|
0,4391
|
0,4523
|
0,4743
|
0,5051
|
|
5
|
0,4269
|
0,4401
|
0,4621
|
0,4928
|
Рисунок 11-Зависимость коэффициента
лобового сопротивления ЛА от числа Маха
8. Координата фокуса
ракеты-носителя
Определение фокуса
летательного аппарата
Фокусом летательного аппарата по
углу атаки называют точку на продольной оси, характерную тем, что момент
аэродинамических сил относительно поперечной оси Oz, проходящей через эту
точку, не зависит от угла атаки. Для ракет-носителей, обладающих продольной
плоскостью симметрии и нулевой подъемной силой при нулевом угле атаки, в
диапазоне малых углов атаки, для которых нормальная сила линейно зависит от
величины угла атаки, фокус является точкой приложений этой нормальной силы.
Наличие координаты фокуса и координаты центра масс позволяет определить
величину статической устойчивости летательного аппарата.
Состав координаты фокуса
летательного аппарата
Координата фокуса летательного
аппарата xF определяется по оси Ox1 связанной с корпусом
системы координат Ox1y1z1, ось Ox1 которой противоположна оси Ox стандартной связанной
системы координат Оxyz и направлена в сторону хвостовой части корпуса, ось Oy1 направлена параллельно оси Oy стандартной связанной
системы координат, а ось Oz1 дополняет систему до
правой. При ненулевом угле атаки α ≠ 0 на корпус действует нормальная сила Yкорп., которая имеет свой центр давления, совпадающий с фокусом и
определяемый координатой XF корп. Для ЛА, состоящего
только из корпуса
Координата фокуса
корпуса летательного аппарата
Координата фокуса корпуса ЛА
определяется по формуле
Координата фокуса комбинации носовой
оживальной части с цилиндром определяется по теории удлиненных тел с учетом
эмпирических поправок
Координата фокуса комбинации носовой
оживальной части с цилиндром определяется по теории удлиненных тел с учетом
эмпирических поправок
где Lн1 - длина оживальной носовой части, м;
Wн1 - объем оживальной
носовой части, м3;
S1 - площадь основания
оживальной носовой части, м2;
ΔXF н - относительное смещение фокуса носовой оживальной части из-за
наличия цилиндрической части корпуса, примыкающей к носовой.
Относительная величина смещения
фокуса ΔXF н зависит от числа Маха М∞,
удлинений носовой λн1 и цилиндрической λц1 частей и определяется по эмпирической зависимости [2, рисунок
34].
Координата фокуса комбинации
усеченного конуса и примыкающего к нему цилиндра определяется следующим
образом. Усеченный конус достраивается до полного. Обозначая через X`’F Н2 и L’Н2 координату фокуса и длину полной конической носовой
части и соответственно через X`»F Н2 и L»Н2 координату фокуса и
длину фиктивного конуса, определяются моменты относительно вершины фиктивного
конуса от действия нормальных сил Y’Н2, Y»Н2 и YН2, действующие на полный
конус, фиктивный конус и усеченный конус соответственно
Выражая нормальные силы через
коэффициенты
координата фокуса усеченного конуса
переходной части определяется следующим образом
В этом выражении координата фокуса
полного конуса X`’F Н2, за которым следует
цилиндрическая часть, определяется по формуле
где W’H2 - объем полного конуса, м3;
ΔX’FH - относительное
смещение фокуса за счет влияния цилиндрической части аппарата;
L’н2 - высота продленного конуса.
Координата фокуса фиктивного конуса X`»F Н2 за которым отсутствует цилиндрическая часть, влияющая на смещение
фокуса, определяется по формуле
где W»H2 - объем фиктивного конуса, м3;
L’’н2 - высота фиктивного конуса.
Координата фокуса переходной части
относительно носка летательного аппарата находится с учетом расстояния вершины
фиктивного конуса от носка летательного аппарата А2
Результаты расчетов по определению
координаты фокуса ракетоносителя приведены в таблице 12, и на рисунке 12.
Таблица 12 - Определение координаты
фокуса ЛА
|
M
|
ΔxFн1
|
Δx'Fн2
|
X' Fн2, м
|
X'' Fн2, м
|
X` Fн2, м
|
X Fн2, м
|
X Fн1,
м
|
X F, м
|
|
0,1
|
0,0500
|
0,0500
|
8,0432
|
7,0840
|
15,9400
|
8,2950
|
1,3409
|
2,1114
|
|
0,3
|
0,0510
|
0,0500
|
8,0432
|
7,0840
|
15,5519
|
7,9069
|
1,3432
|
2,1215
|
|
0,5
|
0,0530
|
0,0500
|
8,0432
|
7,0840
|
15,1880
|
7,5430
|
1,3478
|
2,0984
|
|
0,7
|
0,0530
|
0,0500
|
8,0432
|
7,0840
|
14,9869
|
7,3419
|
1,3478
|
2,0770
|
|
0,8
|
0,0570
|
0,0560
|
8,1105
|
7,0840
|
15,0189
|
7,3739
|
1,3570
|
2,1086
|
|
0,9
|
0,0600
|
0,0700
|
8,2676
|
7,0840
|
14,6194
|
6,9744
|
1,3639
|
2,0284
|
|
1
|
0,0620
|
0,0900
|
8,4921
|
7,0840
|
12,5539
|
4,9089
|
1,3685
|
2,2390
|
|
1,1
|
0,0700
|
0,1100
|
8,7165
|
7,0840
|
12,0418
|
4,3968
|
1,3869
|
2,2574
|
|
1,3
|
0,0770
|
0,1240
|
8,8737
|
7,0840
|
12,4594
|
4,8144
|
1,4030
|
2,3281
|
|
1,5
|
0,0860
|
0,1400
|
9,0532
|
7,0840
|
13,5114
|
5,8664
|
1,4237
|
2,5530
|
|
2
|
0,0870
|
0,1280
|
8,9185
|
7,0840
|
12,6425
|
4,9975
|
1,4260
|
2,4211
|
|
2,5
|
0,0630
|
0,1180
|
8,8063
|
7,0840
|
14,8906
|
7,2456
|
1,3708
|
2,6743
|
|
3
|
0,0490
|
0,1000
|
8,6043
|
7,0840
|
13,9853
|
6,3403
|
1,3386
|
2,4101
|
|
3,5
|
0,0475
|
0,0978
|
8,5796
|
7,0840
|
14,5509
|
6,9059
|
1,3352
|
2,4257
|
|
4
|
0,0470
|
0,0973
|
8,5740
|
7,0840
|
15,8659
|
8,2209
|
1,3340
|
2,5438
|
|
4,5
|
0,0470
|
0,0971
|
8,5718
|
7,0840
|
16,2101
|
8,5651
|
1,3340
|
2,5451
|
|
5
|
0,0470
|
0,0970
|
8,5706
|
7,0840
|
16,8433
|
9,1983
|
1,3340
|
2,5436
|
Для оценки центра масс ракету
необходимо представить как летающую цистерну. Переходные участки не
используются для расположения топлива.
Координата центра определяется по
формуле
где -
вес топлива первого и второго цилиндрических участков, Н;
- вес РН, Н;
- координаты ЦМ
участков, м.
Вес топлива определяется
по формуле
где -
удельный вес топлива, Н/м3;
- объем топлива в баках
n ступени, м3.
В качестве горючего в
ракете используется полиуретан с , в качестве окислителя
- перохлорат аммония с .
Для приблизительной оценки положения ЦМ примем осредненное значение удельного
веса .
Определим вес топлива
Определим координату ЦМ
ЛА
Координата центра масс
изображена на рисунке 12.
Рисунок 12-Зависимость изменения
координаты фокуса от числа Маха
Заключение
В результате проведенных расчетов
для РН «Посейдон C-3» получены аэродинамические характеристики аппарата. Исходя
из полученных результатов можно судить, что коэффициент лобового сопротивления
достигает своего максимума (Сxa=0,5836, α = 8o) при значении числа
Маха M∞ = 1,5 после чего
начинает убывать. В свою очередь производная по углу атаки коэффициента
подъемной силы будет иметь наибольшее значение ( =0,0558) при значении числа Маха M∞ = 1,3. Координата фокуса ракеты-носителя лежит в диапазоне [2,1;
2,7] м в зависимости от чисел Маха. После проведенных расчетов можно сделать
вывод о том, что данный летательный аппарат неустойчив (координата фокуса
находится перед координатой центра масс летательного аппарата). Для обеспечения
устойчивости летательного аппарата необходимо установить крылья, которые
смещали бы фокус назад.
Полученные аэродинамические
характеристики позволяют определить динамическое воздействие внешней среды на
летательный аппарат на активном участке его полета в атмосфере.
Список использованных
источников
аэродинамический
летательный мах
1. http://ru.wikipedia.org/wiki/Посейдон_(ракета)
2. Расчет аэродинамических характеристик летательных
аппаратов [Электронный ресурс]: электрон. учеб пособие /В.В. Васильев, А.Н.
Никитин, В.А. Фролов, В.Г. Шахов; Минобрнауки России, Самар. гос. аэрокосм.
ун-т им. С.П. Королева (нац. исслед. ун-т). - Электрон. текстовые и граф. дан.
(2,315 Мбайт). - Самара, 2012. - 1 эл. опт. диск (CD-ROM).
Похожие работы на - Аэродинамические характеристики ракеты-носителя 'Посейдон С-3'
|