Установка автоматического повторного включения в системах промышленного энергоснабжения

  • Вид работы:
    Курсовая работа (т)
  • Предмет:
    Другое
  • Язык:
    Русский
    ,
    Формат файла:
    MS Word
    268,46 Кб
  • Опубликовано:
    2014-04-07
Вы можете узнать стоимость помощи в написании студенческой работы.
Помощь в написании работы, которую точно примут!

Установка автоматического повторного включения в системах промышленного энергоснабжения

Введение

Для повышения надежности питания электроэнергией промышленного предприятия, его цехов и установок в телемеханизируемой системе электроснабжения используют следующие виды автоматики:

а) автоматическое повторное включение АПВ, предназначенное для быстрого восстановления питания потребителей путем автоматического включения выключателей, отключенных устройством релейной защиты. АПВ предусматривают на воздушных и смешанных (кабельно-воздушных) линиях всех типов напряжением выше 1 кВ; на шинах электростанций и подстанций; на одиночных понижающих трансформаторах мощностью более 1 МВ·А, имеющих выключатель и максимальную токовую защиту с питающей стороны; на ответственных электродвигателях, отключаемых для обеспечения самозапуска других электродвигателей. Для осуществления АПВ предусматривают также устройства АПВ на обходных, шиносоединительных и секционных выключателях;

б) автоматическое включение резервного питания и оборудования (АВР);

в) автоматическое регулирование возбуждения (АРВ) напряжения и реактивной мощности;

г) автоматическое регулирование частоты и активной мощности АЧРМ;

д) автоматическое ограничение снижения частоты, осуществляющее автоматический частотный ввод резерва, автоматическую частотную разгрузку (АЧР), включение питания отключенных потребителей при восстановлении частоты (ЧАПВ);

е) автоматическое предотвращение перегрузки оборудования;

ж) самозапуск электродвигателей. При наличии АПВ и АВР, когда питание электроэнергией прерывается кратковременно (на 1-2 с), т. е. на время работы устройств автоматики, необходимо, чтобы ответственные электродвигатели, если это допускается условиями технологического процесса и техники безопасности, не отключались от сети. Это достигается применением самозапуска этих двигателей.

1. Описание технологического процесса

Защита элементов системы электроснабжения, осуществляемая релейными устройствами, автоматическими выключателями и плавкими предохранителями, отключает защищаемые элементы в случаях устойчивых и неустойчивых повреждений, а также неселективного и ложного срабатывания защиты. В последних трех случаях защищаемый элемент может сразу после срабатывания защиты снова включиться и оставаться в работе. Автоматическое включение элемента после срабатывания защиты называется автоматическим повторным включением (АПВ) и применяется в случаях, когда вероятность возникновения неустойчивых (преходящих) повреждений и неселективного срабатывания защиты достаточно высока.

Сущность АПВ состоит в том, что элемент системы электроснабжения, отключившийся под действием релейной защиты (РЗ), вновь включается под напряжение (если нет запрета на повторное включение), и если причина, вызвавшая отключение элемента, исчезла, то элемент остается в работе, и потребители получают питание практически без перерыва. Опыт эксплуатации показывает, что многие повреждения в системах электроснабжения промышленных предприятий являются неустойчивыми и самоустраняются. К наиболее частым причинам, вызывающим неустойчивые повреждения элементов системы электроснабжения, относят перекрытие изоляции линий при атмосферных перенапряжениях, схлестывание проводов при сильном ветре или пляске, замыкание линий различными предметами, отключение линий или трансформаторов вследствие кратковременных перегрузок или неизбирательного срабатывания. РЗ, ошибочных действий дежурного персонала и т.д. Стоимость устройства АПВ незначительна по сравнению с ущербами производства, вызываемыми перерывами электроснабжения. Применение устройств АПВ различных элементов системы электроснабжения значительно повышает надежность электроснабжения даже при одном источнике питания (ИП).[4]

При применении АПВ трансформаторов в схеме АПВ предусматривают запрет АПВ при внутренних повреждениях трансформатора, т.е. при отключении трансформаторов под действием газовой или дифференциальной защиты. Наиболее эффективным является применение АПВ для воздушных линий высокого напряжения, так как появление неустойчивых повреждений для них более вероятно, чем для других элементов.

В системах электроснабжения промышленных предприятий в основном применяют устройства АПВ однократного действия как наиболее простые и дешевые. С увеличением кратности действия АПВ их эффективность уменьшается. Так, эффективность применения однократного АПВ для воздушных линий в энергосистемах составляет 60-75%, при двухкратном - 30-35% и при трехкратном - всего лишь 1-5%.

В настоящее время разработано и внедрено много схем и конструкций типовых устройств АПВ для выключателей с приводами, работающими на постоянном и переменном токе.

Устройства АПВ должны удовлетворять следующим основным требованиям:

) устройства АПВ не должны действовать: при отключении выключателя персоналом дистанционно или при помощи телеуправления; при автоматическом отключении выключателя защитой непосредственно после включения его персоналом; при отключении выключателя защитой от внутренних повреждений трансформаторов и вращающихся машин, устройствами противоаварийной автоматики, а также в других случаях отключений выключателя, когда действие АПВ недопустимо;

) устройства АПВ должны быть выполнены так, чтобы была исключена возможность многократного включения на КЗ при любой неисправности в схеме устройства;

) устройства АПВ должны выполняться с автоматическим возвратом;

) при применении АПВ необходимо предусматривать ускорение действий защиты на случай неуспешного АПВ; ускорение действия защиты после неуспешного АПВ выполняют с помощью устройства ускорения после включения выключателя, которое используют и при включении выключателя по другим причинам (от ключа управления, телеуправления или устройства АВР); не следует ускорять действие защиты после включения выключателя, когда линия уже включена под напряжением другим своим выключателем;

) устройства трехфазного АПВ (ТАПВ) необходимо выполнять с пуском от несоответствия между ранее поданной оперативной командой и отключенным положением выключателя.

Ускорение защиты до АПВ сокращает до минимума время протекания тока КЗ, благодаря чему уменьшаются вызываемые им разрушения и увеличивается возможность успешного АПВ. Ускорение защиты до АПВ заключается в том, что выдержка времени максимальной защиты выводится из действия и первое отключение выключателя осуществляется мгновенно. Второе отключение выключателя после неуспешного АПВ выполняется избирательно, с выдержкой времени, которая к этому моменту автоматически вводится в действие.

Ускорение защиты после АПВ применяют на участках сети, имеющих несколько ступеней избирательной защиты, так как вывод из действия выдержки времени может привести к ложному срабатыванию защиты. Отключение выключателя после неуспешного АПВ производится мгновенно, для чего к этому моменту выдержка времени максимальной токовой защиты автоматически выводится из действия.

В системах промышленного электроснабжения применяют устройства ТАПВ однократного или двукратного действия (последнее - если это допустимо по условиям работы выключателя). Устройство ТАПВ двукратного действия применяют для воздушных линий, особенно для одиночных с односторонним питанием. В сетях 35 кВ и ниже устройства ТАПВ двукратного действия применяют для линий, не имеющих резервирования по сети.

В сетях с изолированной или компенсированной нейтралью применяют блокировку второго цикла АПВ в случае замыкания на землю после АПВ первого цикла. Выдержка времени ТАПВ во втором цикле должна быть не менее 15 с.

Для ускорения восстановления нормального режима работы сети выдержку времени устройства ТАПВ (для первого цикла АПВ двукратного действия на линиях с односторонним питанием) выбирают минимально возможной с учетом времени погасания дуги и деионизации среды в месте повреждения, а также с учетом времени готовности выключателя и его привода к повторному включению.

Выдержку времени устройства ТАПВ на линии с двусторонним питанием выбирают с учетом возможного неодновременного отключения повреждения с обоих концов линии. С целью повышения эффективности ТАПВ однократного действия его выдержку времени увеличивают, если это допускает работа потребителя.

На одиночных линиях с двусторонним питанием (при отсутствии шунтирующих связей) предусматривают один из следующих видов трехфазного АПВ (или их комбинации): а) быстродействующее ТАПВ (БАПВ); б) несинхронное ТАПВ (НАПВ); в) ТАПВ с улавливанием синхронизма (ТАПВ УС).

Время действия трехфазного однократного АПВ линий, питающих трансформаторы, со стороны высшего напряжения которых установлены короткозамыкатели и отделители, отстраивают от суммарного времени включения короткозамыкателя и отключения отделителя.

Так как согласно Правилам устройств электроустановок (ПУЭ) применение АПВ обязательно на всех воздушных и смешанных (кабельно-воздушных) линиях напряжением выше 1 кВ, далее будем рассматривать АПВ линий.

2. Анализ технологического процесса с целью выбора параметров контроля и управления

На рисунке 1 приведена принципиальная схема устройства электрического однократного АПВ с автоматическим возвратом для линии.

Рисунок 1. Принципиальная схема электрического однократного АПВ с автоматическим возвратом

На действующих промышленных предприятиях в устройствах АПВ применяют комплектные реле типа РПВ. В описываемой схеме в состав этого реле входят: реле времени КТ с добавочным сопротивлением R1, обеспечивающим термическую стойкость реле КТ; промежуточное реле KL с последовательной и параллельной обмотками (KLпосл, KLпар); конденсатор С, обеспечивающий однократность действия устройства АПВ; зарядное R2 и разрядное R3 сопротивления. В комплект АПВ входят также пусковое промежуточное реле KL1 с последовательно включенным сопротивлением R4, указательное реле КН, накладка Н для включения и отключения АПВ. [5]

В рассматриваемой схеме управления выключателем Q1 производится ключом SA, у которого предусмотрена фиксация положения последней операции. Поэтому после операции включении ключ SA остается в положении «включено» В2, а после операции отключения - в положении «отключено» О2.

Когда выключатель Q1 включен, ключ SA находится в положении B2 и к конденсатору С подводится плюс оперативного тока от « + 4» и минус - через контакт 3 ключа SA и R2. При этом С заряжен и вся схема АПВ находится в состоянии готовности к действию. Пуск устройства АПВ происходит при отключении Q1 в результате возникновения несоответствия между положением SA, которое не изменилось, и положением выключателя Q1, который теперь отключен. Несоответствие характеризуется тем, что через контакт 3 ключа управлении SA на схему устройства АПВ по-прежнему подается минус, вспомогательный контакт SQ1 выключателя при отключенном Q1 замкнет цепь обмотки реле KL1 через обмотку контактора включения YАС. Благодаря R4 YAC не сработает, а сработает реле KL1, которое подает минус на реле КТ и тем самым запустит устройство АПВ. При срабатывании КТ размыкается его размыкающий контакт и в цепь обмотки КТ включается R1. С выдержкой времени замыкается замыкающий контакт КТ и подключает KLпар к С. Реле KL срабатывает от тока разряда С и, самоудерживаясь через КLпосл (минус от YАС), подает импульс на включение Q1. Выключатель Q1 включается, размыкается его вспомогательный контакт SQ1, и возвращаются в исходное положение KL1, KL, КТ.

Если повреждение на линии было неустойчивым, то она остается в работе. Время заряда С составляет 20-25 с, т. е. через это время схема АПВ будет автоматически подготовлена к новому действию. В случае устойчивого повреждения на линии выключатель Q1 отключится защитой, сработают KL1 и КТ, а реле KL не сработает, так как С не успеет зарядиться. Таким образом, схема обеспечивает однократное действие при устойчивом КЗ на линии. При отключении линий защитой, когда действие устройства АПВ не требуется, через R3 происходит разряд С.

Орган контроля напряжения на защищаемой линии включает в себя три реле, реагирующие на фазное напряжение (РН1), на напряжение обратной последовательности (РН2) и утроенное напряжение нулевой последовательности (РНО). Одни и те же реле используются для контроля как отсутствия, так и наличия напряжения.

Структурная схема органов контроля напряжения на защищаемой линии приведена на рисунке 2.

Контроль отсутствия напряжения на защищаемой линии в принципе должен отличить режим ее двустороннего отключения во всех фазах от всех других возможных режимов ее работы. При соответствующем выборе параметров срабатывания реле напряжения обеспечивают такую избирательность во всех случаях за исключением случая, когда рассматриваемая линия с трехфазным КЗ включена с противоположного конца. Для предотвращения в этом случае заведомо неуспешного АПВ на данном конце линии по цепи отсутствия напряжения на линии предусматривается отстройка действия АПВ по времени от длительности режима, обусловленного выдержкой времени ступени дистанционной защиты, чувствительной к КЗ на всей длине защищаемой линии. Указанное замедление действия АПВ автоматически исключается, если при КЗ на линии на данном ее конце срабатывает быстродействующая защита. При этом имеется в виду, что отключение линии с противоположного конца также происходит без замедления (либо от основной защиты, либо по цепи ускорения резервных защит).

Рисунок 2. Структурная схема органа контроля напряжения на защищаемой линии.

КНН - контроль наличия напряжения; КОН - контроль отсутствия напряжения.

Контроль наличия напряжения должен отличить режим трехфазного одностороннего включения линии с противоположной стороны от всех других режимов.

Анализ технологического процесса позволяет сделать вывод, что основным параметром, который необходимо контролировать является восстановление питания потребителей путем автоматического включения выключателей, отключенных устройством релейной защиты при изменении напряжения сети более чем на 5-10%. Если данное условие не будет выполняться, то это повлечет за собой отключение энергопотребителей и наложение штрафных санкций на компанию, поставляющую электрическую энергию потребителям.

Рассмотрим структурную схему АПВ.

 

Рисунок 3. Структурная схема АПВ

Информацию о напряжении сети дает «Измерительное устройство». Далее полученная информация поступает по каналу связи («Передатчик» - «Линия связи» - «Приемник») в «Устройство сравнения». В «Устройстве сравнения» происходит сравнение полученных данных с датчика с допустимыми. Напряжение срабатывания задается с помощью задатчика. Если напряжение сети не отвечает этим требованиям, то «Устройство сравнения» формирует сигнал для приведения в действие «Корректирующего устройства». В данном случае «Корректирующее устройство» представляет собой механизм отключения потребителей электрической энергии от сети.

. Построение математической модели технологического процесса

Основными параметрами устройств АПВ, обеспечивающими их правильную работу, являются выдержки времени на повторное включение выключателя (время срабатывания) и время автоматического возврата схемы АПВ в исходное положение (деблокировка устройства АПВ).

По условиям бесперебойности питания потребителей и надёжности работы энергосистемы время срабатывания устройства АПВ (tАПВ) желательно иметь минимальным. Однако минимально возможное время восстановления схемы действием АПВ ограничивается рядом факторов: временем полного отключения места повреждения от всех источников питания, номинальным напряжением сети, конструкцией привода и выключателя и др.

Для одиночных линий с односторонним питанием время срабатывания устройства однократного АПВ tАПВ1 выбирается по двум условиям [3]:

. По условиям деионизации среды время от момента отключения линии до момента повторного включения и подачи напряжения должно определяться по выражению

tАПВ1=tд + tзап, (1)

где tд - время деионизации;  tзап - время запаса.

. По условию готовности привода выключателя tг,п к повторному включению после отключения.

Выдержка времени АПВ на повторное включение по условиям готовности привода:

tАПВ1 ≥ tг,п + tзап, (2)

где tзап - время запаса, учитывающее непостоянство времени готовности привода и погрешность реле времени АПВ, tзап = 0,3 - 0,5 с.

Из расчётных выдержек времени по выражениям (1) и (2) выбирается большее значение.

В схемах АПВ, возврат которых в исходное положение производит реле времени, запускаемое в момент отключения выключателя, выдержка времени автоматического возврата определяется выражением:

tАПВ2 = tАПВ1 + tвкл +tзащ + tотк + tзап, (3)

где tАПВ1 определяется из (1), (2);

tвкл - наибольшее время включения выключателя.

Угол срабатывания реле контроля синхронизма φс.р., т.е. угол, при котором якорь реле подтягивается и контакт в цепи пуска АПВ размыкается, блокируя его действие на включение выключателя, равен:

φс.р=kн∙φд, (4)

где kн - коэффициент надёжности, равный 1,2-1,3;

φд - угол между напряжениями по концам отключившейся линии.


Информацию о технологическом объекте можно считать полной, если на ее основе можно принять правильное управляющее решение. Излишняя информация может быть также вредна, как и недостаточная: на базе и той и другой могут быть приняты неверные решения. Информация должна быть достоверной и соответствовать объективной реальности, которую она отражает. Наряду с достоверностью информации существует понятие достоверности данных, которое определяет безошибочность отображения в кодовом виде соответствующей информации. Большое значение в доставке информации потребителю играет ее своевременность, которая должна незамедлительно учитываться при выработке управляющих решений.

Вопросы оптимизации отдельных параметров (скорости передачи информации, помехоустойчивости, надежности) должны рассматриваться без отрыва от экономических факторов, связанных с построением и эксплуатацией системы. Главной задачей при построении АСУ является цель, реализация которой в процессе создания и эксплуатации системы, позволит получить определенный экономический эффект.

Однако нельзя оценивать эффективность АСУ без учета конечного значения получаемой, передаваемой и перерабатываемой информации. Стоимость информации определяется затратами энергии, материалов, труда и т.п., связанными с получением информации. Ценность информации измеряется экономией материальных, энергетических и трудовых затрат при использовании информации для достижения определенной цели.

Обобщенным критерием выбора оптимального варианта построения информационно-управляющей системы является минимизация суммы затрат на добывание информации и потерь от несовершенства этой системы. [2]

Требуется определить наилучшие значения качественных параметров (скорости передачи данных, помехоустойчивости, надежности) с учетом стоимости обеспечения их значений и влияния на экономическую эффективность функционирования управляющего объекта - потребителя информации. Задача оптимизации сводится к выбору структуры и параметров информационной системы, при которых свойства этой системы оптимальны.

В этом случае достигается лучший вариант решения дислокации и получения технических характеристик средств контроля и управления с учетом стоимостных показателей.

Рассмотрим процесс АПВ. Перерыв электроснабжения, вызовет штрафные санкции для предприятия (). Очевидно, что минимизация потерь  может служить критерием оценки эффективности управления системой АПВ. Данный критерий можно расширить, если учесть еще затраты на оборудование для системы. Стоимость оборудования АСУ зависит от вероятности ошибки, скорости передачи данных, точности аппаратурных средств, надежности и т.п. (). Поэтому оптимальным будет вариант при котором сумма затрат на оборудование  и денежного эквивалента возможных потерь  будет минимальна. Т.е.

.

графическое изображение данного критерия представлено на рисунке 4.

капитальные расходы,

эксплутационные расходы,

сумма капитальных и эксплутационных расходов.

Рисунок 4. График критерия оценки эффективности средств контроля и управления

nопт - это оптимальное число приобретенных и установленных датчиков при котором сумма расходов и потерь будет минимальным.

. Определение закона распределения технологических параметров

Наиболее важным параметром в системе АПВ является восстановление питания.

Закон распределения восстановления питания может быть:

1)      нормальным;

2)      усеченным нормальным;

)        логарифмическим нормальным;

равномерным;

4)      экспоненциальным.

Вывод о законе распределения можно сделать на основе расчетов вероятностных характеристик восстановления питания. В нашем случае допустимо использовать усеченный с одной стороны нормальный закон распределения. Нормальный закон распределения усечен с одной стороны, т.к. восстановление питания ограничено только с одной стороны:

,

где  - математическое ожидание;

- дисперсия.

Определение объединяемости выборок по различным пунктам рассматриваемого участка производства не производим так как уменьшение числа датчиков резко сокращает информацию о технологическом объекте.

Рисунок 6. Графическое изображение усеченного нормального закона распределения

. Определение объединяемости выборок по различным пунктам рассматриваемого участка производства

Объединяемость технологических параметров в единую генеральную совокупность производится по критерию Вилькоксона. Он заключается в том, что, если один и тот же параметр контролируется несколькими датчиками можно определить корреляционную связь между показателями этих датчиков и выяснить какие датчики можно убрать. Это дает возможность уменьшить количество датчиков на производстве (стоимостные расходы), не увеличивая производственные расходы.

Количество, качество и дислокация следящих за состоянием рассредоточенного объекта источников информации являются определяющими факторами эффективного управления. Однако чрезмерное увеличение плотности и качественных показателей технических средств источников информации влечет за собой неоправданное повышение расходов на информационную систему [5].

Зависимости в стоимостном выражении от качественных показателей ИУС могут быть получены:

) методом непосредственного эксперимента на исследуемой системе с использованием накопленных эксплуатационных статистических данных по эффективности функционирования обслуживаемой системы при естественных или искусственных измерениях различных показателей ИУС.

) методом статистического моделирования на ЭВМ функционирования обслуживаемой системы при разных значениях показателей ИУС. Для определения расходов информация подвергается воздействию ошибок, сравнивается с истинной и анализируются экономические последствия от появления ошибок.

Ошибка в любом элементе приводит к увеличению потерь.

Снижения стоимости потерь можно добиться повышением точности и помехоустойчивости переданной информации с применением различных методов, реализация которых требует определенных затрат.

В данной работе выполнить объединяемость выборок не представляется возможным, поскольку контролируемый параметр (напряжение сети) контролируется только одним датчиком.

. Выбор структуры регулирования и расчет САР

По кривой разгона, представленной на рисунке 6, можно определить передаточную функцию объекта. Объект включает в себя: непосредственно объект регулирования, датчик и исполнительное устройство.

Рисунок 7. Кривая разгона

Анализируя представленную кривую разгона, можно определить передаточную функцию объекта:

,

где  - коэффициент усиления системы;

 - время запаздывания, с;

 - постоянная времени, с;

 - звено запаздывания;

 - инерционное звено 1-го порядка.

Т.е. ПФ объекта выглядит как

.

В качестве регулирующих устройств, как правило, используют следующие типовые структуры (типовые законы регулирования):

1)      пропорциональный (П-регулятор);

2)      пропорционально-интегральный (ПИ-регулятор);

)        пропорционально-интегрально-дифференциальный (ПИД-регулятор).

В данной курсовой работе принято решение использовать ПИ-регулятор. В ПИ-регуляторе сочетаются лучшие свойства П- и И-регуляторов. При скачкообразном отклонении текущего значения от заданного ПИ-регулятор сначала под действием пропорциональной составляющей быстро приводит систему к новому состоянию равновесия, соответствующему этому отклонению, а затем под действием интегральной составляющей ликвидирует это отклонение. Таким образом, интегральная составляющая обеспечивает необходимые динамические свойства системы, а интегральная - статические свойства системы, устраняет статическую неравномерность.

Передаточная функция ПИ-регулятора

,

где  - коэффициент усиления;

 - время изодрома.

Моделирование одноконтурной САР

В практике построения систем автоматизации объектов нефтяной и газовой промышленности широкое применение нашли одноконтурные системы автоматического регулирования (САР). Задача сводится к следующей: исходя из найденной ПФ объекта и выбранного регулятора, необходимо определить параметры настройки регулятора, которые бы обеспечивали бы устойчивость и заданное качество САР.

Рисунок 8. Структурная схема одноконтурной САР

Рассмотрим расчет одноконтурной САР методом расширенных амплитудно-фазовых характеристик. Оптимальная САР - это такие настройки регулятора, которые обеспечивают заданную степень колебательности .

С помощью АФХЧ в области параметров настройки регулятора строится «линия равного затухания», соответствующая заданной степени затухания  переходного процесса САР. Далее на этой линии выбирается точка, координаты которой определюят параметры настройки регулятора, обеспечивающие при заданном  наилучшее качество САР (оптимальные настройки).

Дано:

 - ПФ объекта;

 - ПФ ПИ-регулятора;


Расширенная АФХ объекта

.

Расширенная АФХ объекта в алгебраической форме


Выражения для определения настроек ПИ-регулятора

;

.

Подставляя действительную и мнимую части АФХ объекта в выражения для ПИ-регулятора, получаем:

;

.

Изменяя  в пределах , рассчитываем настройки регулятора. для случая . В плоскости настроечных параметров строим линию «равной степени затухания» для обоих случаев. Линии представлены на рисунках 9.

Полученные данные сводим в таблицу 1.

Таблица 1

00,050,10,120,150,180,20,244









П1

-1

-0,044

0,095

0,153

0,232

0,298

0,333

0,373

П2

0

0,007

0,021

0,026

0,03

0,029

0,024

0,001


Рисунок 9. Линия равной степени колебательности

Разным точкам на кривой равной степени затухания соответствуют различные процессы регулирования. Для выбора оптимальных настроек необходимо взять  соответствующего минимуму интегральной квадратичной оценки (Iкв)

По качеству переходного процесса можно судить о качестве САР. Оптимальными свойствами САР будет обладать при регуляторе с параметрами:

Для

 частота соответствующая максимальной П2=0,0306 при этом П1=0,254

Передаточные функции ПИ-регуляторов будут иметь вид:


Для проверки правильности нахождения параметров регулятора необходимо построить переходные процессы.

Возмущающее воздействие в замкнутой системе регулирования, приводящее к отклонению регулируемого параметра, может воздействовать на объект по различным каналам. На характер изменения регулируемого параметра влияют как величина и форма возмущающего воздействия, так и динамические свойства регулируемого объекта по каналу от источника возмущения до места установки измерительного устройства.

Рассмотрим 2 варианта построения графиков переходного процесса:

1)      при единичном скачкообразном изменении возмущающего воздействия , действующего по каналу регулирования;

)        при единичном скачкообразном изменении заданного значения .

Построение переходного процесса по возмущению

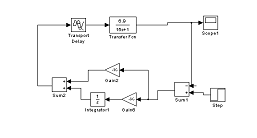
Рисунок 10. Структурная схема одноконтурной САР по каналу возмущения

Рисунок 11. Структурная схема одноконтурной САР по каналу возмущения в математическом пакете «Matlab»

С помощью математического пакета «Matlab» был получен переходной процесс, представленный на рисунке 12.

Рисунок 12. Переходной процесс в одноконтурной САР по каналу возмущения

Качественные параметры переходного процесса:

·        Установившееся значение: 0.0000;

·        Время регулирования: 100 с;

·        Max(Min) значение: 3.

Построение переходного процесса по заданию

Рисунок 13. Структурная схема одноконтурной САР по каналу задания

Рисунок 14. Структурная схема одноконтурной САР по каналу возмущения в математическом пакете «Matlab»

С помощью математического пакета «Matlab» был получен переходной процесс, представленный на рисунке 15.

Рисунок 15. Переходной процесс в одноконтурной САР по каналу задания

Качественные параметры переходного процесса:

Качественные параметры переходного процесса:

·        Установившееся значение: 1.0000;

·        Время регулирования: 100 с;

Полученным переходным процессам видно, что САР удовлетворяет необходимым требованиям. Каскадные системы применяются для автоматизации объектов, обладающих большой инерционностью по каналу регулирования. Применения каскадной САР возможно в случае, если допустимо выбрать промежуточную регулируемую переменную зависящую от того же регулирующего воздействия , что и основная регулируемая переменная . Очевидно, что в данной курсовой работе это условие не возможно выполнить, поэтому расчет каскадной САР не возможен. Хотя, сравнение одноконтурных и каскадных систем показывает, что вследствие более высокого быстродействия внутреннего контура в каскадной САР повышается качество переходного процесса, особенно при компенсации возмущений, поступающих по каналам регулирования.

8. Расчет исполнительного механизма

Исполнительное устройство предназначено для реализации сигнала управления, вырабатываемого регулируемым устройством автоматического регулятора. Исполнительные механизмы предназначены для управления регулирующими органами в соответствии с выходным сигналом регулирующего органа.

Для объективной оценки параметров и характеристик исполнительных механизмов необходимо определить основные требования, предъявляемые к ним со стороны регулирующего органа и системы регулирования в целом.

Необходимым условием качественной работы системы автоматического регулирования является правильный расчет и выбор исполнительного устройства.

Расчет параметров срабатывания реле напряжения органов контроля отсутствия и наличия напряжения на линии производится на основании предварительно рассчитываемых значений  и .

Принимаем кВ и кВ.

Расчет выдержек времени элементов времени устройств УТАПВ и ТАПВ производится на основании предварительно выбранных и принятых значений:

с; с;

с; с; с.

Расчет углов срабатывания реле сдвига фаз РСФ1 и РСФ2 и выдержек времени элементов времени ВС1, ВС2 и ВСЗ производится на основании значений , с, %, .

. Напряжение срабатывания реле напряжения РН1 органа контроля напряжения на линии:

В.

 

2. Напряжение срабатывания реле напряжения РН2 органа контроля напряжения на линии:

В.

. Напряжение срабатывания реле напряжения нулевой последовательности:

В.

. Выдержка времени элемента времени устройства УТАПВ, действующего с контролем отсутствия напряжения на линии:

с.

. Выдержка времени элемента времени устройства ТАПВ, действующего с контролем отсутствия напряжения на линии:

с.

. Угол срабатывания реле сдвига фаз РСФ2:

.

. Угол срабатывания реле сдвига фаз РСФ1:

.

8. Выдержка времени элемента времени ВС2:

с.

Принимается с.

. Выдержка времени элемента времени ВС1:

.

. Выдержка времени элемента времени ВСЗ:

.

9. Выбор комплекса технических средств (КТС)

Промышленностью (ЧЭАЗ) длительное время выпускалось типовое релейно-контактное автоматическое устройство - реле повторного включения однократного РПВ-58 и двукратного РПВ-258 действия. Находятся в эксплуатации релейно-контактные устройства БАПВ и ОАПВ линий напряжением 500 кВ.

Современная автоматика повторного включения представляется микросхемными реле повторного включения РПВ-01 и РПВ-02, панелями комплексных бесконтактных автоматических устройств ПДЭ 2004.01 и ПДЭ 2004.02 и разработанными микропроцессорными программными устройствами повторного включения.

Реле РПВ-01 и РПВ-02 выполнены на интегральных микросхемах и на унифицированной конструкции. Для гальванического отделения цепей реле от источников входных сигналов и выходных цепей включения выключателя используются электромагнитные реле с герметизированными контактами (герконы) и выходное реле с двумя обычными контактами.

В функциональной схеме автоматического устройства РПВ-01 (рисунок 16) различаются элементы формирования (контактами) дискретных потенциальных сигналов, а именно: пуска ЭП контактом KL1, запрета действия ЗД, разрешения подготовки к новому действию - возврату в исходное состояние РВ, защитного сигнала, предотвращающего ложные действия РПВ при перерывах его питания от источника постоянного напряжения Еп (элемент ЗП), элемент управления ЭУ выходным реле KL2 и элемент информации о действии РПВ (сигнализации) ИЭ.

Схема РПВ-01 содержит элементы формирования сигналов включения выключателей без выдержки времени БАПВ и АПВ с выдержкой времени, элемент однократности действия (запрета) ЭОД, элемент подготовки к новому действию ПД и элемент выдержек времени ЭВ срабатывания tС и подготовки к новому действию (возврата) tB.

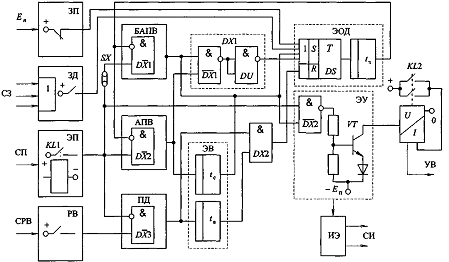
Рисунок 16. Функциональная схема устройства реле автоматического включения РПВ-01

Функции названных элементов, кроме контактных, выполняются взаимодействующими дискретными интегральными микросхемами DX (И) серий К175, К176, реализующими логические операции совпадения сигналов (логических единиц) и их отрицания  (И-НЕ). На функциональной схеме показан, например, синтезированный из двух микросхем  и DU (НЕ) элемент логического перемножения (конъюнкции) дискретных потенциальных сигналов DX1.

Элемент выдержки времени выполнен на пассивных RС-интеграторах и активном элементе сравнения постоянного напряжения, получаемого от источника питания, с напряжением на заряжающемся конденсаторе релейного действия на основе интегрального операционного усилителя типа К55ЗУД1 в дифференциальном включении, охваченного положительной обратной связью. Заряд конденсаторов от транзисторных источников токов обеспечивает линейное нарастание напряжений на них и, следовательно, более высокую, чем при экспоненциальном нарастании, четкость срабатывания бесконтактного реле времени. Источники токов включаются и отключаются дискретно изменяющимися напряжениями на выходах логических интегральных микросхем. Элемент запрета ЭОД, обеспечивающий однократность действия РПВ, содержит интегральные триггеры DS для запоминания сигнала.

В элемент управления ЭУ выходным электромагнитным реле KL2 входит выходной транзистор VT, переключаемый в открытое состояние дискретно изменяющимся током, возбуждаемым напряжением на выходе логической интегральной микросхемы . Реле KL2 имеет две обмотки, вторая из них (токовая) - удерживающая - включается последовательно в цепь управляющего воздействия УВ на возбуждение контактора электромагнита включения выключателя линии электропередачи, трансформатора, шин электростанции. Информационный элемент ИЭ выполнен на интегральных транзисторных переключателях и светодиодах.

На вход РПВ поступают дискретные потенциальные сигналы от цепей управления выключателем: сигнал пуска СП возникает при несоответствии положений ключа управления (включено) и выключателя (отключен); сигнал на разрешение подготовки к включению СРВ - от ключа управления включением выключателя; сигналы запрета СЗ действия РПВ - от ключа управления отключением выключателя, от устройств релейной защиты, срабатывающих только при внутренних повреждениях трансформатора, от дифференциальной защиты шин электростанции (кроме РПВ выключателя, предназначенного для их опробования).

На вход элемента ЗП защиты от неправильного действия при перерывах питания схемы поступает напряжение Еп от источника оперативного тока. При его наличии РПВ готово к действию, т.е. находится в состоянии ожидания (геркон ЗП разомкнут).

При поступлении сигнала пуска срабатывает реле KL1 элемента ЭП и возбуждает элемент БАПВ, выходной дискретный сигнал которого проходит через логическую микросхему  элемента управления ЭУ, благодаря поступлению на второй ее вход сигнала от ЭП. Появляющееся напряжение относительно отрицательного потенциала эмиттера VT на выходе  (нулевой потенциал) возбуждает ток через эмиттерный переход транзистора, переключающий его в открытое состояние; выходное реле KL2 срабатывает и возбуждает соответствующую цепь УВ управления воздушным выключателем линии электропередачи, осуществляющим БАПВ.

Элемент БАПВ одновременно переключает триггер DS сигналом, поступающим на его вход записи S, напряжение на выходе которого, появляющееся с небольшой задержкой t3, убирает, воздействуя на инверсный вход  (ЗАПРЕТ), выходной сигнал БАПВ, обеспечивая однократность его действия.

Если выключатель масляный, то его АПВ производится с выдержкой времени.

При этом цепь БАПВ выводится из действия, как условно показано на схеме накладкой SX. По сигналу ЭП срабатывает элемент АПВ и запускает реле выдержки времени срабатывания tc. Сигнал пуска поступает также на один из двух входов микросхем DX1 и . После срабатывания релейного элемента времени tc его сигнал поступает на второй вход микросхемы DX1 и разрешает прохождение пускового сигнала на вход S записи триггера DS элемента однократности действия ЭОД и второй вход микросхемы , которая переключается до нулевого потенциала 0 - положительного относительно отрицательного потенциала эмиттера транзистора VT. Напряжением, возбуждающим ток эмиттерного перехода, транзистор VT открывается, реле KL2 срабатывает. Его контакт, соединенный последовательно со второй (удерживающей) обмоткой, замыкает цепь возбуждения контактора цепи электромагнита включения масляного выключателя.

Выходной сигнал элемента DX1, как указывалось, поступает на вход записи S триггера DS, выходное напряжение которого с небольшой задержкой tB производит (через ) запрет действия АПВ, обеспечивая однократное повторное включение выключателя.

Как видно из схемы, пусковой сигнал ЭП через элемент подготовки к новому действию ПД запрещает запуск (микросхема ) элемента ЭВ выдержки времени tB возврата схемы в исходное состояние. После исчезновения СП и истечения времени tB (не менее 10 с) выходным сигналом ЭВ, проходящим через DX2, благодаря наличию на втором его входе сигнала от ПД, и поступающим на вход считывания R триггера DS снимается запрет действия АПВ. Схема в целом приходит в исходное состояние.

Выбранный комплекс технических средств - микросхемное реле повторного включения РПВ-01 и панель комплексных бесконтактных автоматических устройств ПДЭ 2004.01 удовлетворяет требованиям ГОСТа.

. Заказная спецификация на средства автоматизации

Зона

Поз.

Наименование

Кол.

Примечание



Микросхемное реле повторного включения РПВ-01

1




Панель комплексных бесконтактных автоматических устройств ПДЭ 2004.01

1




ПИ-регулятор

1




Блок управления

1


Заключение

В курсовой работе была спроектирована установка автоматического повторного включения в системах промышленного энергоснабжения. Установка и выбранный комплекс технических средств - микросхемное реле повторного включения РПВ-01 и панель комплексных бесконтактных автоматических устройств ПДЭ 2004.01.

электроэнергия математический технологический


1.      Ягубов З.Х. Автоматизация промышленных установок и технологических комплексов. Методические указания для выполнения курсовой работы. Ухта, УГТУ - 2005.

2.      Исакович Р.Я., Логинов В.И., Попадько В.Е. Автоматизация производственных процессов нефтяной и газовой промышленности. Учебник для вузов. М., «Недра» - 1983.

.        Овчинников В.В. Автоматическое повторное включение.- М.: НТФ “Энергопрогресс” - 2001.

.        Овчаренко Н.И. Автоматика электрических станций и электроэнергетических систем: Учебник для вузов/ Под ред. А.Ф. Дьякова.-М.: Изд-во НЦ ЭНАС - 2001.

.        Соскин Э.А., Киреева Э.А. Автоматизация управления промышленным энергоснабжением.- М.: Энергоатомиздат - 1990.

Похожие работы на - Установка автоматического повторного включения в системах промышленного энергоснабжения

 

Не нашли материал для своей работы?
Поможем написать уникальную работу
Без плагиата!
Без нейросетей!