Техническое обслуживание и ремонт Автомагнитолы JVC

  • Вид работы:
    Курсовая работа (т)
  • Предмет:
    Информатика, ВТ, телекоммуникации
  • Язык:
    Русский
    ,
    Формат файла:
    MS Word
    1,8 Мб
  • Опубликовано:
    2014-05-14
Вы можете узнать стоимость помощи в написании студенческой работы.
Помощь в написании работы, которую точно примут!

Техническое обслуживание и ремонт Автомагнитолы JVC














Курсовой проект

Техническое обслуживание и ремонт Автомагнитолы JVC


Введение

Ни один автолюбитель не откажется от поездки в авто под хорошую музыку. Современный водитель покупает автомагнитолу не в качества дополнительного аксессуара, а как незаменимую вещь, помогающую получить расслабление в авто после трудного дня. Также автомагнитола помогает автовладельцам удачно скоротать время, которое они вынуждены проводить, стоя в пробке. А для кого-то автомагнитола просто необходимый элемент каждого дня. Нет ничего удивительного, что свой день автолюбитель начинает с того, что садится в авто и включает магнитолу, после чего можно отправляться в путь. Но даже хорошо начавшийся день может испортить внезапный ремонт автомагнитол, который почему-то всегда возникает не вовремя.

Если говорить о штатной магнитоле, то это мультимедийное устройство, которое оснащено некоторыми опциями, позволяющими прослушивать музыкальные треки, используя различные носители. Среди последних моделей автомагнитол, наиболее часто отмечено наличие установленного сверхчеткого дисплея LCD. Его широкие функциональные возможности способствуют созданию в салоне определенной атмосферы, развлекая при этом пассажиров.

Современные производители автомагнитол стараются выделиться какими-то важными отличительными особенностями, чтобы пользователь выбрал именно то устройство, которое способно отвечать всем поставленным требованиям. Несмотря на все многообразие современных магнитол, есть у них и один общий момент - ремонт.

И ремонт автомагнитол становится довольно распространенной и востребованной услугой по той простой причине, что эксплуатация акустики в автомобиле порой не достаточно аккуратна. Возникающие поломки способны за счет своего самого непосредственного влияния легко испортить настроение водителю. Доверять ремонтные работы автомагнитол лучше специалистам, обеспечивающим гарантию на предоставляемые сервисные услуги.



1. Исследовательская часть

автомагнитола неисправность ремонт

1. Автомагнитола предназначена для приема радиовещательных (РВ) станций с амплитудной модуляцией (AM) в диапазоне ДВ, а также с частотной модуляцией (ЧМ) в диапазонах УКВ1 - 65,8…74 МГц и УКВ2 108 МГц. Кроме того, автомагнитола может воспроизводить монофонические и стереофонические фонограммы с магнитной ленты.

Применение в конструкции приемной части автомагнитолы двух УКВ диапазонов позволяет прослушивать радиовещательные станции в отечественном и зарубежном диапазонах частот.

Магнитофонная панель автомагнитолы имеет механизм автореверса и ручного управления, а также световую индикацию направления движения магнитной ленты.

В автомагнитоле предусмотрена регулировка громкости, тембра и баланса обоих каналов. Магнитола питается от бортовой сети автомобиля или стационарного блока питания напряжением 12,6±1,8 В.

Конструктивно автомагнитола состоит из моноплаты (А1), на которой находятся узлы радиоприемника, магнитофона и усилителя мощности звуковой частоты (УМЗЧ), лентопротяжного механизма (ЛПМ) магнитофона (А2) и фильтра питания (АЗ).

Радиоприемное устройство (РПУ) представляет собой супергетеродинный двухдиапазонный радиоприемник, выполненный по типовой схеме.

РПУ реализовано на специализированной микросхеме DA2 типа ТА2003Р фирмы JVC которая представляет собой однокорпусный радиоприемник с полностью раздельными АМ/ЧМ - трактами.

Работа радиоприемного устройства осуществляется следующим образом.

Сигнал с антенны через конденсатор С1 поступает на входной контур ЧМ-тракта Т1 С5 С4 СЗ, перестраиваемый с помощью варикапа VD1.

С входного контура Т1 сигнал через УРЧ, выполненный на полевом транзисторе VT2, подается на выв. 1 микросхемы DA2. УРЧ питается от стабилизатора 9 В, реализованного на микросхеме DA1 типа КР142ЕН8А.

На выв. 13 микросхемы DA2 подается опорный сигнал гетеродина, входящего в состав микросхемы. Перестройка гетеродина выполняется варикапом VD3.

Диапазоны УКВ1 и УКВ2 переключаются микропереключателем S2 (А1). Грубая регулировка границ диапазонов осуществляется резисторами R17 в диапазоне УКВ1 и R2 - в диапазоне УКВ2.

АМ-тракт автомагнитолы выполнен по схеме супергетеродинного радиоприемника с преобразованием входного РЧ-сигнала в сигнал ПЧ 465 кГц с последующим детектированием его в сигнал звуковой частоты. Эти функции выполняет также микросхема DA2.

С антенны сигнал по цепи С2 R1 R2 поступает на каскад УРЧ, выполненный на полевом транзисторе VT1. Нагрузкой транзистора служит контур Т2, который перестраивается варикапом VD2. Далее сигнал поступает на выв. 16 микросхемы DA2.

Настройка на рабочую частоту осуществляется изменением емкости варикапов VD2, VD4 в АМ-тракте и VD1, VD3, VD5 в ЧМ-тракте. Управляющее напряжение настройки снимается с переменного резистора R22.

Диапазоны переключаются с помощью микропереключателя S1 (А1).

Для переключения приемника в ЧМ-диапазо - не на выв. 14 DA2 подается положительное напряжение 5,6 В.

Для переключения радиоприемника в АМ-диа - пазон с выв. 14 DA2 подается О В. Конденсатор С38 является блокировочным.

Усиленный НЧ-сигнал с выв. 11 DA2 по цепи С42 R35 поступает на эмиутерный повторитель на транзисторе VT3.

Механизм настройки РПУ состоит из переменного резистора R2 и верньерно-шкального устройства.

Подсветка шкалы осуществляется лампой накаливания HL1.

.1 Комплектация автомагнитолы JVC

) Магнитофонная панель

2) Лентопротяжный механизм

3) Функциональное значение узлов

4) Магнитофон

5) Система управления индикации

6) Система питания

.2 Описание деталей входящих в комплектацию автомагнитолы

Магнитофонная панель

Магнитофонная панель состоит из ЛПМ (А2) и усилителя воспроизведения (А1).

Усилитель воспроизведения - двухканальный, который собран на микросхеме DA3 типа К157УЛ1Б.

Сигнал с магнитной стереофонической головки В1 (А2) через соединители ХР2 и XS2 и конденсаторы С29 СЗО подается на выв. 2 и 6 микросхемы DA3.

Лентопротяжный механизм

Лентопротяжный механизм (А2) выполнен по одномоторной кинематической схеме.

Конструкция его является стандартной для данного типа. автомагнитол.

Включение ЛПМ в режим воспроизведения происходит при установке кассеты. Питающее напряжение снимается с РПУ и подается на ЛПМ с помощью микропереключателя S1 (А2.1), который установлен непосредственно на ЛПМ.

Управление работой ЛПМ производится кнопками, расположенными на передней панели автомагнитолы.

С левой стороны окна кассетолриемника расположена клавиша выброса кассеты, а с правой - кнопки включения перемотки, одновременное нажатие которых изменяет направление движения ленты.

Переключение узла головки воспроизведения В1 (А2.1) при изменении направления движения ленты выполняется микропереключателем S3, установленным на ЛПМ.

Направление движения ленты индицируется светодиодами VD1 и VD2, с помощью микропереключателя S2 (А2.1).

Блок ФПП (АЗ) представляет собой фильтр питания автомагнитолы.

Функциональное значение узлов

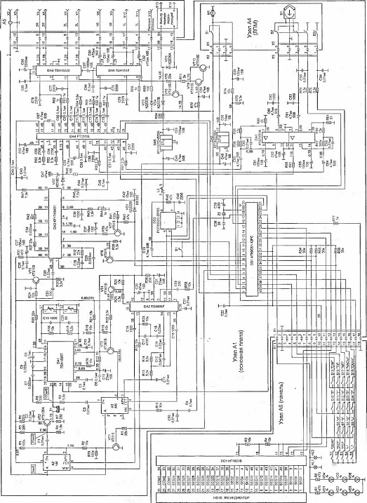
По функциональному назначению в автомагнитоле можно выделить следующие узлы: ЧМ- и АМ-тракты приема (тюнеры А2 и АЗ, микросхема DA1 типа TDA1599T), синтезатор частоты (DA2 типа TSA6057), управляющий микроконтроллер (DD1 типа АТ89С51-12РС), ' энергонезависимая память (DD2 типа PCF8582C-2P/03), двухсистемный стереодекодер (DA3 типа КР174ХА51), звуковой процессор с цифровым управлением (DA4 типа RT2313L), усилитель воспроизведения фонограмм с магнитной ленты (DA7 типа К157УЛ1А), двухканальные УМЗЧ (DA6 типа TDA1552Q - тыл и DA7 типа TDA1517 - фронт), ЛПМ и съемная панель. Панель состоит из клавиатуры, процессора индикации (DD1 типа НТ1621В) и ЖК индикатора (HG1). Как уже отмечалось, радиоприемник имеет два поддиапазона: ЧМ и AM. В каждом поддиапазоне используется свой тюнер (А2 - ЧМ и АЗ - AM). Тюнерами управляет микроконтроллер DD1 по цифровой шине I2C с помощью синтезатора частоты DA2. Дальнейшая обработка сигналов ПЧ тракта ЧМ производится в микросхеме DA1, которая имеет в своем составе УПЧ и демодулятор. ЧМ сигнал с антенного входа проходит по следующей цепи: тюнер А2 - выв. 5 А2 (выход ПЧ) - предварительный каскад УПЧ (VT2) - полосовой фильтр ПЧ (Z1) - выв. 20 DA1. В этой микросхеме сигнал ПЧ дополнительно усиливается и затем поступает на демодулятор. Опорный контур демодулятора (L1, L2, С19, С20) подключен к выв. 10, 11 DA1. Выходной сигнал демодулятора с выв. 4 DA1 поступает на предвари-тельный усилитель (VT5), а с него - на выв. 16 DA3 - двухстандартный стереодекодер. С него звуковые сигналы правого и левого каналов (выв. 9 и 10) поступают на выв. 11, 15 звукового процессора DA4, который выполняет следующие функции: выбоо источника сигнала, регулировку громкости, баланса, преобразование входных сигналов для 4-канального воспроизведения. Назначение выводов микросхемы PT2313L и ее рекомендованная схема включения представлены на рис. 1.1.3. Процессором управляет микроконтроллер DD1 по шине 12С. Выходные сигналы звукового процессора с выв. 22-25 поступают на УМЗЧ DA8, DA9, а с их выходов - на динамические головки.

Следует отметить, что для предотвращения щелчков в динамических головках в момент включения магнитолы служит схема блокировки на транзисторах VT8-VT10. Кроме того, микроконтроллер включает (ьыв. 1) указанный режим в моменты перестройки на станции, перемотки ленты и др.

АМ-сигнал с антенного входа проходит по следующей цепи: тюнер АЗ - выв. 9 АЗ - выв. 10, 14 звукового процессора DA4. Далее сигнал обрабатывается так же, как и ЧМ-сигнал.

Синтезатор частоты DA2 принимает сигналы с гетеродинов тюнеров (выв. 7 и 5), анализирует частоту настройки и формирует напряжение настройки для тюнеров (выв. 13 и 15).

Расположение выводов микросхемы TSA6057 показано на рис. 1.1.4.

Сигнал опорной частоты для синтезатора DA2 поступает с микроконтроллера по цепи: выв. 18 DD1 - R33 - С32 - выв. 2 DA2. Синтезатором часоты управляет микроконтроллер DD1 по шине 12С. Микросхемы DA1-DA3 питаются напряжением 9 В от отдельного стабилизатора DA6.

Магнитофон

При загрузке кассеты в ЛПМ замыкаются контакты переключателя S1 и питающее напряжение подается на мотор, одновременно через делитель R74 R73 сигнал высокого уровня поступает на выв. 16 микроконтроллера DD1. Он, в свою очередь, переключает звуковой процессор на прием сигналов с усилителя воспроизведения (выв. 9, 13 DA4). Одновременно на ЖК индикаторе отображается данный режим работы. Прямое или обратное направление движения магнитной ленты также отображаются на индикаторе передней панели. Усилитель воспроизведения выполнен на микросхеме DA7 типа К157УЛ1А, которая в описании не нуждается.

После звукового процессора сигналы обрабатываются так же, как и сигналы радиоприемного тракта.

ЛПМ магнитолы выполнен по стандартной схеме для данного класса аппаратов и каких-либо особенностей не имеет.

Система управления и индикации

Она построена на микроконтроллере DD1, выполняющем следующие функции:

•           прием информации о нажатии кнопок передней панели (узел А6) и изменении состояния служебных переключателей S1-S3 (узел А4, см. рис. 1.1.2);

•           отображение информации о режимах работы магнитолы на ЖК индикаторе;

•           управление настройкой радиоприемника (а также сохранение параметров настройки на станции);

•           управление звуковым процессором, синтезатором частоты, энергонезависимой памятью, процессором индикации.

Обмен информацией микроконтроллера с этими элементами производится по цифровым шинам. Причем с процессором индикации он соединен 3-проводной шиной (выв. 26-28), со звуковым процессором - первым интерфейсом 12С (выв. 4, 5), а с остальными элементами - вторым интерфейсом 12С (выв. 21, 22). Расположение выводов микроконтроллера АТ89С51-12РС и процессора индикации НТ1621 показаны на рис. 1.1.5 и 1.1.6. Следует отметить, что в магнитоле предусмотрен принудительный аппаратный начальный сброс микроконтроллера DD1. Для этого служит кнопка S1 (узел А1).

Энергонезависимая память, микроконтроллер и процессор индикации питаются напряжением 5 В от отдельного стабилизатора напряжения на микросхеме DA5.

Часть элементов магнитолы питается непосредственно от бортовой сети автомобиля, другая часть - через параметрические стабилизаторы. Входное напряжение фильтруется помехоподавляющим фильтром (в составе узла АЬ) и поступает на выв. 3, 10 DA8 и выв. 7 DA9.

Через ключ на транзисторах VT8-VT10, управляемый микроконтроллером DD1, питаются следующие элементы: стабилизаторы DA5, DA6, мотор ЛПМ, элементы подсветки индикации съемной панели, звуковой процессор DA4 и усилитель воспроизведения DA7.



2. Технологическая часть

.1 Возможные неисправности и способы их устранения

Магнитола не включается

В первую очередь проверяют исправность предохранителя, включенного в разрыв шины питания. Если он перегорел, проверяют элементы силовых цепей магнитолы: микросхемы DA8, DA9, диод VD5 и конденсаторы С86, С87. Если указанные элементы исправны, проверяют надежность соединителя передней панели, исправность кнопки включения, а также подачу питающего напряжения +5 В на следующие микросхемы: DD1 (узел А6, выв. 10, 17), DD1 (узел А1, выв. 40), DD2 (узел А1, выв. 8). Если напряжение отсутствует, проверяют стабилизатор напряжения DA5

Затем омметром проверяют линии цифровых шин магнитолы (все шины подключены к микроконтроллеру DD1) на предмет замыканий между собой, на шину питания или на общий провод. Следующим шагом с помощью осциллографа контролируют работоспособность тактового генератора микроконтроллера DD1 (выв. 18 и 19) и формирование сигнала начального сброса на выв. 9 DD1. Если проверка не выявила неисправного элемента, последовательно заменяют следующие элементы (все они размещены на основной плате): DD1 (предварительно в него необходимо записать управляющую программу), DD2, DA2.

Не работает индикатор, все остальные устройства магнитолы работоспособны

Причин подобного дефекта может быть несколько:

•           вследствие механического воздействия разрушился ЖК индикатор, соединитель с основной платой или печатная плата;

•           на панели управления (узел А6) нарушены контакты между микросхемой DD1 и ЖК индикатором;

•           нет контакта в соединителе передней панели (контакты 7, 10, 11 или 12);

•           неисправны микроконтроллер АТ89С51 - 12РС или процессор индикации НТ1621В.

Не сохраняются настройки на радиовещательные станции

•           Причиной подобного дефекта в большинстве случаев является микросхема энергонезависимой памяти DD2. В редких случаях бывает «виновата» управляющая программа, записанная в микроконтроллере. Если модификация mhkdo - контроллера допускает его многократное перепрограммирование, то перезаписывают заново управляющую программу.

Отсутствует прием в диапазоне УКВ

Причин подобной неисправности может быть несколько. Это дефекты тюнера А2, микросхем DA1-DA4, а также транзисторов VT2, VT5. В подобном случае проверяют цепи прохождения сигналов тракта ЧМ (см. описание), а также напряжения настосйки и АРУ на тюнере. В случае дефекта микросхемы стереодекодера DA3 может отсутствовать как прием стеоеопередач, так и звук в динамически/ головках. В редких случаях элементы (все они размещены на основной плате): DD1 (предварительно в него необходимо записать управляющую программу), DD2, DA2.

Не работает индикатор, все остальные устройства магнитолы работоспособны

Причин подобного дефекта может быть несколько:

вследствие механического воздействия разрушился ЖК индикатор, соединитель с основной платой или печатная плата;

на панели управления (узел А6) нарушены контакты между микросхемой DD1 и ЖК индикатором;

нет контакта в соединителе передней панели (контакты 7, 10, 11 или 12);

неисправны микроконтроллер АТ89С51 - 12РС или процессор индикации НТ1621В.

Не сохраняются настройки на радиовещательные станции

Причиной подобного дефекта в большинстве случаев является микросхема энергонезависимой памяти DD2. В редких случаях бывает «виновата» управляющая программа, записанная в микроконтроллере. Если модификация mhkdo - контроллера допускает его многократное перепрограммирование, то перезаписывают заново управляющую программу.

Радиоприемник не работает. Индикация работы радиоприемника может как присутствовать, так и нет

Причиной подобной неисправности чаще всего может быть синтезатор частоты DA2, а точнее, нарушение его пайки. Дело в том, что корпус микросхемы достаточно сильно нагревается, 1:то влече+ к разрушению пайки его выводов.

При появлении подобных признаков неисправности также проверяют наличие питающих напряжений, поступающих на микросхему синтезатора: +5 В на выв. 3 и +9 В на выв. 16.

Также причиной неисправности могут быть нарушения в «прошивке» управляющей программы микроконтроллера DD1.

Отсутствует прием в диапазоне УКВ

Причин подобной неисправности может быть несколько. Это дефекты тюнера А2, микросхем DA1-DA4, а также транзисторов VT2, VT5. В подобном случае проверяют цепи прохождения сигналов тракта ЧМ (см. описание), а также напряжения настосйки и АРУ на тюнере. В случае дефекта микросхемы стереодекодера DA3 может отсутствовать как прием стеоеопередач, так и звук в динамически/ головках. В редких случаях

возможны дефекты контура демодулятора (L1, L2, С19, С20), а также полосового фильтра Z1.

Низкая чувствительность при приеме в диапазоне УКВ

Наиболее вероятная причина подобной неисправности заключается в том, что тюнер А2 находится в режиме МЕСТНЫЙ ПРИЕМ. В этом случае открывается транзистор VT1 и на выв. 2 (АРУ) тюнера напряжение уменьшается с +7,7 до 0,5 В и чувствительность тюнера уменьшается более чем в 5 раз.

Отсутствует прием в диапазоне СВ

Наиболее вероятная причина подобной неисправности - тюнер f\3 и синтезатор частоты. Работоспособность синтезатора частоты (DA2) зачастую можно восстановить, просто пропаяв его выводы.

Отсутствует звук во всех режимах работы магнитолы

Причиной подобной неисправности может быть как дефект микросхемы звукового процессора DA4, так и микроконтроллера DD1. Также следует проверить наличие питающего напряжения +8,2 В на выв. 2 DA4. Если напряжение отсутствует, проверяют стабилитрон VD2 и резистор R49.

Следует отметить, что пониженное питающее напряжение звукового процессора может призес - ти к значительным искажениям звука в динамических головках. Это может быть вызвано утечкой конденсатора С47, неисправностью стабилитрона VD2, а также дефектом микросхемы DA4.

При отсутствии звука только в тыловых или фронтальных динамических головках вероятнее всего неисправна соответствующая микросхема УМЗЧ - DA8 или DA9.

В режиме МАГНИТОФОН звук в динамических головках воспроизводится с сильными искажениями

Наиболее вероятной причиной подобной неисправности может быть микросхема усилителя воспроизведения DA7. Это может быть вызвано как дефектом самой микросхемы, так и пониженным питающим напряжением ка ее выв. 10, 11.

После загрузки кассеты не включается двигатель, приемник продолжает работать

Причина неисправности - в отсутствии срабатывания переключателя S1 (узел А4) после загрузки кассеты. Питающее напряжение не поступает на двигатель ЛПМ - на выв. 16 микроконтроллера DD1 не поступает сигнал загрузки кассеты в ЛПМ.


3. Организационная часть

.1 Техника безопасности при техническом обслуживании и ремонте электрооборудования автомобиля

При выполнении работ по техническому обслуживанию электрооборудования непосредственно на автомобиле необходимо соблюдать следующее:

) контрольнорегулировочные работы, выполняемые при работающем двигателе (проверка работы генератора, регулировка реле-регулятора и т.п.), проводят на специальном посту, оборудованном местным отсосом отработавших газов;

) во избежание попадания одежды или рук во вращающиеся части (шкив генератора, лопасти вентилятора и т.п.) перед началом работы застегнуть обшлага рукавов и проверить, чтобы не было свисающих концов одежды, заправить волосы под головной убор;

) использовать передвижные подставки и переходные мостики через осмотровые канавы;

) пользоваться специализированным инструментом - комплектом инструментов (мод. 2443), а при производстве работ в электроотделении - комплектом инструментов (мод. 2444М), выпускаемых Казанским заводом «Автоспецоборудование»;

) при снятии стартеров (типа СТ26, СП 03 и др.) с автомобилей необходимо пользоваться приспособлениями, облегчающими выполнение этой операции;

) для транспортировки агрегатов электрооборудования, имеющих значительный вес, необходимо пользоваться тележками со стойками и упорами, предохраняющими агрегаты от возможного падения;

) работать только исправным, чистым и незамасленным инструментом;

) при работе гаечными ключами надо подбирать их по размеру гаек или болтов;

) приржавевшие и трудноотворачиваемые гайки необходимо предварительно обстучать легкими ударами молотка, затем смочить их керосином, после чего отворачивать;

) пользоваться молотками, надежно насаженными на деревянные рукоятки, изготовленные из прочного и упругого дерева (молодой дуб, рябина, береза и т.п.); пользоваться напильниками, шаберами и другими инструментом с хорошо укрепленными деревянными ручками и с металлическими кольцами, исключающими возможность их раскалывания; поверхность ручек инструментов должна быть гладкая, без заусенцев и трещин; использовать зубила и крейцмейсели длиной не менее 150 мм;

) нельзя пользоваться теми молотками, зубилами и крейцмейселями, ударная часть которых имеет наклеп и заусенцы;

) при осмотре автомобиля необходимо пользоваться переносной электрической лампой напряжением не выше 36 В, а при работе в осмотровой канаве - не выше 12 В. Лампа должна иметь предохранительную сетку для защиты от механических повреждений и отражатель. Применение переносных ламп 127-220 В запрещается.

) Безопасность работ электроинструментом, питающимся от электрической сети, напряжением выше 36 вольт, достигается соблюдением следующих правил:

) к работе допускаются рабочие, прошедшие специальное обучение;

) электроинструмент должен выдаваться рабочему после предварительной проверки его исправности, при этом необходимо проверить путем осмотра состояние изоляции токоведущих проводов, обратить особое внимание на места их вывода из корпуса электроинструмента;

) перед началом работы необходимо надеть защитные приспособления (диэлектрические резиновые перчатки, резиновые сапоги или галоши), имеющие отметку об испытании (штамп или клеймо);

) присоединение к сети питания разрешается только через штепсельные соединения, имеющие заземляющий контакт;

) если во время работы электроинструментом рабочий почувствует хотя бы слабое действие тока, электроинструмент необходимо немедленно отключить от сети и сдать в ремонт; 248

) запрещается держать электроинструмент за провод или касаться рукавом вращающихся частей до их полной остановки;

) при прекращении работы электроинструмент должен немедленно отключаться от сети.

) Все корпусы электродвигателей и оборудование электроотделения должны надежно заземляться или иметь зануление согласно действующим «Правилам устройства электротехнических установок». Использование электроустановок без заземления или зануления запрещается.

) Выключатели, рубильники к электродвигателям, стендам и другому электрическому оборудованию электроотделения должны располагаться в местах, обеспечивающих их выключение с минимальными затратами времени. Запрещается применять рубильники открытого типа или с кожухами, имеющими щель для рукоятки.

) При проверках генераторов, стартеров и прерывателейраспределителей на контрольноиспытательных стендах необходимо правильно центрировать и надежно закреплять эти агрегаты в зажимных устройствах во избежание травм работающих и поломки механизмов.

) Выпрессовка втулок, подшипников и других деталей должна производиться с помощью съемника и прессов.

) При сверлении на сверлильном станке мелких деталей необходимо закреплять их в специальных зажимных приспособлениях (тиски, кондуктор, призмы и т.д.).

) При работе на заточном станке необходимо надеть предохранительные очки, а при наличии на станке откидного прозрачного экрана следует опустить экран, чтобы в глаза не попадали частицы наждака и металла. Наждачный круг должен быть защищен стальным кожухом так, чтобы открытой оставалась только рабочая часть круга. Работать со снятым кожухом запрещается. Заточной станок должен иметь прочно укрепленный подручник, который устанавливается так, чтобы зазор между ним и наждачным кругом был не более 3 мм. Наждачный круг закрепляется зажимными фланцами, диаметр которых должен быть не менее 13 диаметра круга. Пользоваться поврежденным кругом, имеющим трещины, выбоины и т.д., запрещается.

) Правку кругов разрешается проводить только в защитных очках и специально предназначенным для этой цели инструментом.

.2 Охрана труда

) Техническое обслуживание и ремонт электрооборудования автомобилей должны производиться только в специально предназначенных для этого местах (постах технического обслуживания и электроотделениях).

) К работам по техническому обслуживанию и ремонту электрооборудования допускаются лица, прошедшие соответствующий инструктаж по технике безопасности.

) При выполнении работ, при которых выделяются вредные газы, пыль, искры и отлетают частицы металла и стружки, рабочие должны пользоваться индивидуальными защитными средствами (очками, масками и т.п.).

) В электроотделении должна быть аптечка, укомплектованная медикаментами, необходимыми для оказания первой помощи.

Требования охраны труда перед началом работы

1)      Работники обязаны следить за состоянием своей рабочей одежды, обуви и других средств индивидуальной защиты. Они должны быть исправны, надеты без свисающих частей, застегнуты на все крепления, соответствовать климатическим условиям в день работы.

2)      До начала работ необходимо осмотреть рабочие места, проверить их подготовленность к работе, наличие достаточного освещения, эвакуационных путей, отсутствие загроможденности.

3)      Подготовить необходимый инструмент, приспособления, материалы и средства (тару) для их переноса.

4)      Перед началом работ на высоте следует осмотреть используемые площадки, лестницы, стремянки, настилы и другие вспомогательные средства подмащивания, проверить их исправность. Переносные средства должны иметь непросроченную дату периодических испытаний, нескользящие основания и допуск к эксплуатации.

Требования охраны труда во время работы

)        Следует выполнять только ту работу, которая входит в постоянные обязанности работника или поручена отдельно непосредственным руководителем. Если выполнение какой-либо работы вызывает затруднения, необходимо обратиться за дополнительным инструктажем к непосредственному руководителю.

2)      В ходе работ необходимо выполнять требования инструкций по профессиям и видам работ, в том числе по охране труда, пожарной и электробезопасности.

3)      При работах на высоте следует руководствоваться инструкцией по охране труда при выполнении работ на высоте, выполнять соответствующие требования, в том числе:

§   Соблюдать требования действий на высотных площадках (отступы от краев площадок, применение предохранительных поясов, информирование расположенных ниже работников об опасностях и опасных зонах, ограждение опасных зон и т.д.);

§   Соблюдать требования работы с переносных лестниц и стремянок (устойчивое расположение основания, угол наклона лестницы, максимальная высота и условия работы с лестниц, поднятие груза, места использования этих средств и т.д.).

4)      При перемещении по территории организации следует использовать только принятые пути движения, внимательно следить за движущимися и остановленными транспортными средствами.

5)      При передвижении по территории организации следует обращать внимание на открытые колодцы, поднятые люки, углубления и другие неровности, которые могут привести к несчастному случаю.

6)      При обнаружении в ходе работ каких-либо несоответствий, недостатков и опасностей, выходящих за пределы задач и компетенции работника, необходимо обратиться в соответствующие организации или к своему непосредственному руководителю.

7)      Запрещается выполнять работы в состоянии алкогольного, наркотического, токсического опьянения.

8)      Запрещается перепоручать или привлекать к своей работе других работников без разрешения непосредственного руководителя.

9)      При выполнении работ на наружных площадках следует быть внимательным, не отвлекаться и не отвлекать других, не допускать в опасную зону посторонних лиц.

10)    Работы, при выполнении работ на высоте свыше 1,3 м от поверхности рабочего настила, перекрытия или грунта необходимо выполнять с применением страховочной привязи или монтажного пояска.

11)    Электромонтажные работы на высоте необходимо производить с лесов или подмостей с настилами шириной не менее 1 м, имеющих надежное ограждение в виде перил высотой не менее 1 м, а также с исправных стремянок и приставных лестниц.

12)    Раздвижные лестницы-стремянки должны иметь устройства, которые исключают возможность их самопроизвольного раздвигания.

13)    В необходимых случаях работать на высоте можно с не огражденных поверхностей или с постоянно укрепленных лестниц, но с обязательным применением проверенных и испытанных предохранительных поясов. Пользоваться поясами, на которые нет паспортов, запрещается.

14)    При работе с приставных лестниц и стремянок прикрепляться к ним предохранительными поясами запрещается.

15)    Запрещается работать с лестниц и стремянок около работающих машин, оборудования и над ними, а также вблизи токоведущих частей, находящихся под напряжением и не защищенных от случайного прикосновения к ним.

16)    При необходимости работы в таких местах машины и оборудование должны быть отключены, а токоведущие части отключены и заземлены.

17)    Для переноски и хранения инструментов, метизов, установочных элементов лица, работающие на высоте, должны быть снабжены индивидуальными сумками или инструментальными ящиками

18)    При выполнении работ на высоте запрещается подниматься и опускаться по тросам и канатам, пользоваться для этой цели подъемными монтажными механизмами, переходить по незакрепленным конструкциям и работать на них, а также перелезать через ограждения и садиться на них.

19)    Запрещается подбрасывание каких-либо предметов для подачи работающим наверху. Инструменты, материалы и другие предметы необходимо подавать с помощью веревки, к середине которой их привязывают. Второй конец веревки должен находиться в руках у стоящего внизу работника, который удерживает поднимаемые предметы от раскачивания.

20)    При выполнении монтажных работ разрешается применять только исправный ручной инструмент. Ручной инструмент не должен иметь повреждений (трещин, сколов, выбоин) рабочих кромок, заусенцев и зазубрин в месте захвата инструмента рукой работающего, трещин и заусенцев на затылочной части рукояток.

21)    Деревянные рукоятки ручных инструментов должны быть изготовлены из древесины твердых и вязких пород, гладко обработаны и надежно закреплены. На поверхности рукояток не допускаются выбоины и сколы.

22)    Инструмент с изолированными рукоятками применяют для работы под напряжением в электроустановках до 1000 V в качестве основного средства защиты. Изолирующие рукоятки такого инструмента должны быть выполнены в виде чехлов или в виде не снимаемого покрытия из влагостойкого, маслобензостойкого, нехрупкого электроизоляционного материала с упорами со стороны рабочего органа

23)    При индивидуальном испытании аппаратуры и оборудования систем безопасности соблюдают следующие требования охраны труда:

§   Перед пробным включением убеждаются в отсутствии людей вблизи токоведущих частей установки;

§   Пробное включение аппаратуры и оборудования систем безопасности (постановка схемы под напряжение) производят только после тщательной проверки правильности монтажа схемы согласно проекту, надежности контактных соединений в приборах, аппаратуре, оборудовании, шкафах, соединительных коробках и других элементах схемы.

24)    При работе в электроустановках напряжением до 1000 В, к которым относятся и системы безопасности, без снятия напряжения на токоведущих частях и вблизи них необходимо:

§   Оградить расположенные вблизи рабочего места другие токоведущие части электроустановки, находящиеся под напряжением, к которым возможно случайное прикосновение;

§   Работать в диэлектрических галошах или стоя на изолирующей подставке либо на диэлектрическом коврике;

§   Применять инструмент с изолирующими рукоятками (у отверток, кроме того, должен быть изолирован стержень). При отсутствии такого инструмента пользоваться диэлектрическими перчатками;

§   Работать в головном уборе и в одежде с рукавами, застегнутыми или завязанными тесемками у кистей рук.

25)    Перед началом всех видов работ в электроустановках напряжением до 1000 В со снятием напряжения необходимо проверить отсутствие напряжения на участке работы.

26)    Проверка напряжения между фазами, каждой фазой по отношению к земле и к нулевому проводу должна быть проведена после отключения той части электроустановки, на которой будут проводиться работы, и вывешивания предупреждающих и запрещающих плакатов.

27)    Проверка напряжения производится указателем напряжения или переносным вольтметром. Пользоваться контрольными лампами запрещается.

28)    Монтаж, регулировка, замена или ремонт оборудования систем безопасности и их составных частей, соединительных линий производятся только при снятом напряжении.

29)    Металлические корпуса приборов, аппаратуры, оборудования и других систем безопасности, за исключением аппаратуры, питающейся от автономных источников питания постоянного тока ниже 110 В и переменного тока ниже 42 В, должны быть надежно заземлены.

30)    При монтаже, техническом обслуживании и ремонте дверных извещателей, доводчиков, электрозомков необходимо закреплять дверь для предотвращения травм при ее случайном закрытии или открытии.

31)    Если пробиваются или сверлятся сквозные отверстия в стенах и перекрытиях, а по другую сторону пробиваемого отверстия могут находиться или проходить люди, то специально выделенный работник должен предупреждать их об опасности.

32)    При штроблении и пробивке стен необходимо строго следить за тем, чтобы не повредить инструментом скрытой в стене электропроводки и не подвергнуться тем самым опасности поражения электрическим током, при выполнении таких работ их необходимо выполнять в средствах защиты органов зрения.

33)    Провода, кабели и стальную проволоку следует выправлять на огороженных площадках, расположенных в отдалении от находящихся открытых электроустановок под напряжением.

34)    Запрещается сверлить сквозные отверстия в стенах и междуэтажных перекрытиях с приставных и раздвижных лестниц, натягивать горизонтально расположенные провода сечением более 4 мм2, ходить по смонтированным коробам, лоткам, трубам и т.п.

35)    Перед установкой оборудования, аппаратуры, шкафов, щитков и других элементов систем безопасности нужно проверять прочность закрепления конструкций, на которые их устанавливают.

36)    Разрешается поднимать и поддерживать вручную монтируемое оборудование, конструкции массой не более 10 кг. При массе более 20 кг установка должна производиться не менее чем двумя рабочими.

37)    Аппаратура, оборудование, конструкции, блоки, узлы после подъема должны быть немедленно закреплены на основаниях.

38)    Запрещается проверять пальцами совмещение отверстий собираемых конструкций и устанавливаемого оборудования.

39)    Затяжку проводов и кабелей в трубы производят после удаления заусенцев на трубах: вручную при небольших усилиях тяжения, а при тяжелых условиях, когда усилия одного человека недостаточно, - ручной или электрической лебедкой или специальным приспособлением.

40)    Захват провода или кабеля должен быть надежным, исключающим обрыв при натяжении.

41)    Запрещается проводить затяжку проводов и кабелей на высоте стоя на приставной или раздвижной лестнице, для этого необходимо пользоваться лесами или специальными настилами.

42)    Смену плавких вставок предохранителей в аппаратуре и оборудовании систем безопасности может производить один работник, имеющий группу по электробезопасности не ниже третьей, и только после отключения напряжения питания. Запрещается замена плавких предохранителей «жучками».

43)    На каждую систему безопасности должна быть утвержденная проектная документация или акт приемки ее в эксплуатацию, паспорта на оборудование, аппаратуру и приборы, исполнительные схемы электрических соединений, блокировок, размещения оборудования.


Заключение

В данном курсовом проекте рассмотрены принципы работы, описание автомагнитолы JVC. Подробно описаны методы эксплуатации. Приведены принципиальные схемы подключения.


Список литераторы

1) Ходасаевич А.Г «Справочник по устройству и ремонту электронных приборов автомобилей»

) Трудовой кодекс РК


Приложение





Похожие работы на - Техническое обслуживание и ремонт Автомагнитолы JVC

 

Не нашли материал для своей работы?
Поможем написать уникальную работу
Без плагиата!
Без нейросетей!