Розрахунок радіомовного приймача
ЗМІСТ
Анотація
Вступ
.
Попередній розрахунок
.1
Вибір структурної схеми приймача
.2
Розрахунок структурної схеми тракту радіо частоти
.2.1
Вибір проміжної частоти
.2.2
Вибір числа піддіапазонів і їх меж
.2.3
Вибір підсилювального елементу для тракту радіочастоти та визначення його
високочастотних параметрів
.2.4
Вибір блоку змінних конденсаторів
.2.5
Розподіл послаблення по трактах приймача
.2.6
Знаходження частотних спотворень по трактах радіоприймачів
.3
Визначення числа і параметрів вибіркових систем тракту проміжної частоти
.3.1
Розрахунок фільтру зосередженої селекції
.3.2
Розрахунок підсилення до детектора
.4
Розрахунок структурної схеми тракту низької частоти
.4.1
Вибір типу електродинамічного гучномовця
.4.2
Вибір типу транзистора вихідного каскаду підсилювача низької частоти
.4.3
Визначення кількості каскадів попереднього підсилення
.
Кінцевий розрахунок
Висновок
Література
АНОТАЦІЯ
В даному курсовому проекті необхідно розрахувати радіомовний
радіоприймальний пристрій з амплітудною модуляцією: вибрати тип схеми,
розрахувати підсилювальні елементи, кількість вибіркових систем у тракті радіо
та проміжної частоти відповідно до підсилювальних каскадів і до технічного
завдання.
Вступ
Радіо - область науки й техніки, пов’язана з передаванням на
відстань електромагнітних коливань ВЧ, з допомогою, якого здійснюється зокрема
радіомовлення, а також радіо являється результат робіт і відкриттів вчених та
інженерів, що вивчають природу електромагнітних процесів.
Істотний стрибок відзначається і в розвитку таких традиційних
радіотехнологій, як телебачення, радіомовлення, радіорелейний зв'язок. Так,
наприклад, розроблено принципи телебачення високої чіткості (ТВЧ),
інформаційного телебачення та ін.
З розвитком науки і техніки також розвивалось і радіо, яке може
працювати в наступних діапазонах частот:
) наддовгі хвилі - 100-10 км, (3кГц-30кГц );
) довгі хвилі - 10-1 км, (30кГц-300кГц);3) середні хвилі -
1000-100 м, (300кГц-3МГц);4) короткі хвилі - 100-10 м, (3МГц-30МГц);5)
ультракороткі хвилі - 10-1 м, (30МГц-300МГц);6) надвисокочастотні хвилі -
1м-0,1 мм, (300МГц-300Ггц);
В наш час найбільш розповсюдженою для радіомовного приймача
являється схема супергетеродинного приймача , так як супергетеродинний приймач
легкий в налаштуванні і основне підсилення сигналу відбувається на проміжній
частоті. За рахунок цього супергетеродинний приймач має значну перевагу над
іншими радіоприймачами.
1. Попередній розрахунок
.1 Вибір структурної схеми приймача
Так як приймач радіомовний, то найчастіше використовується
супергетеродинні схеми, а також тому, що в завданні дано вибірковість по
сусідньому, дзеркальному каналах та проміжній частоті, тому вибрали
супергетеродину схему.
Переваги:
) простота налаштування;
2) основне підсилення відбувається на проміжній частоті
яка є меншоюза частоту вхідного кола, спотворень відносно менше.
Недоліки:
) наявність сусідніх каналів(це близькі частоти до
робочої, щоб їх позбутися необхідно використовувати контури вхідного кола ВЧ, з
високою добротністю);
2) наявність дзеркального каналу (друга вхідна частота).

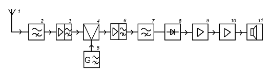
Рисунок 1 - Структурна
схема супергетеродинного радіоприймача
Принцип роботи схеми:
1 - антена - приймає електромагнітні хвилі і
перетворює їх електромагнітний сигнал;
2 - вхідне
коло - налаштовує приймач на
необхідну частоту;
- підсилювач радіочастоти (ПРЧ) - підсилює сигнал до
необхідного рівня і фільтрує його;
- змішувач
- поступає два сигнали: fпр = fг - fр (465кГц), внаслідок биття частот
утворюється проміжна частота для амплітудних 465 кГц;
- гетеродин
- високочастотний генератор який виробляє сигнал високої частоти;
- фільтр зосередженої селекції (ФЗС) - відфільтровує
комбінаційні частоти і є налаштованим на проміжну частоту;
- підсилювач
проміжної частоти
(ППЧ) - основне підсилення;
- детектор
- з промодульованого високочастотного сигналу виділяє низькочастотний корисний
сигнал;
- попередній
підсилювач низької частоти (ППНЧ) - підсилює корисний сигнал до необхідного
рівня;
- кінцевий підсилювач низької частоти (КПНЧ) - забезпечує
необхідну потужність;
- гучномовець
- перетворює електричний сигнал в акустичний.
Переваги даної схеми:
) основне підсилення відбувається на проміжній частоті, тому
менше спотворень;
)легкість налаштування внаслідок застосовування змінного
конденсатора.
Недоліки: наявність сусідніх та дзеркальних каналів.
1.2 Розрахунок
структурної схеми ТРЧ
.2.1 Вибір проміжної частоти
Величину проміжної частоти вибираю таким чином:
а) проміжна частота (fnp) не повинна знаходитися в
діапазоні частот приймача чи близько від границь цього діапазону;
б) проміжна частота не повинна збігатися з частотою
якого-небудь потужного передавача;
в) для одержання хорошої фільтрації проміжної частоти на
виході детектора повинна бути виконана наступна умова:
fпр ≥ 10 Fв ,(1)
де fпр - проміжна частота, Гц;
Fв - верхня звукова частота, Гц;
fпр≥ 10∙4,5 кГц;fпр≥45кГц;
г) зі збільшенням проміжної частоти:
збільшується вибірковість по дзеркальному каналу;
зменшується вибірковість по сусідньому каналу;
розширюється смуга пропускання;
зменшуються вхідний і вихідний опори електронних приладів, що
приводить до збільшення шунтування контурів, а також знижується крутизна
характеристики транзисторів;
погіршується стійкість ППЧ;
зменшується коефіцієнт підсилення на каскад за рахунок
зменшення резонансного опору контуру і погіршення параметрів електронних
приладів;
зменшується шкідливий вплив шумів гетеродина на чутливість
приймача;
полегшується поділ трактів проміжної і низької частоти, що
дозволяє спростити фільтр на виході детектора;
збільшується надійність роботи пристрою автоматичного
підстроювання частоти;
зменшуються розміри контурів і блокувальних елементів;
д) зі зменшенням проміжної частоти:
збільшується вибірковості по сусідньому каналу;
зменшується вибірковість по дзеркальному каналу;
звужується смуга пропускання;
збільшуються вхідний і вихідний опори електронних приладів,
що приводить до зменшення шунтування контурів, а також збільшується крутизна
характеристики транзисторів;
поліпшується стійкість ППЧ;
збільшується коефіцієнт підсилення на каскад;
знижується коефіцієнт шуму.
Застосування дворазового перетворення частоти дозволяє
використовувати переваги високої і низької проміжних частот.
Вибираю загально прийняте значення частоти для всіх
радіомовних АМ приймачів рівним 465 кГц, [1 табл.2.1]
.2.2 Вибір числа піддіапазонів та їх меж
Вхідні дані:
fmax = 0,14МГц;
fmin = 0,27МГц;
kпд≤ (1,5
2,0).УКХ, [1 ст.22];
kпд. - коефіцієнт перекриття піддіапазону.
.2.2.1 Розраховую коефіцієнт перекриття по діапазону
,
(2)
де kд- коефіцієнт перекриття діапазону;
fmax
- максимальна границя діапазону,
МГц;
fmin - мінімальна границя діапазону, МГц.
Так, якkд <kпд, тому не потрібно розбивати весь діапазон на піддіапазони.
.2.2.2 Визначаю максимальну частоту з запасом
=
(1,01
1,03) · fmax, (3.1)
де
- максимальна
частота з запасом, МГц;
- максимальна частота сигналу, МГц;
=
1,02 · 0,27= 0,275 МГц (3.2)
1.2.2.3 Визначаю мінімальну частоту з запасом
=
(0,97
0,99) ·
, (3.3)
де
- мінімальна частота з запасом, МГц,
-
мінімальна частота сигналу, МГц;
= 0,98 · 0,14 = 0,137МГц
1.2.2.4 Визначаю коефіцієнт перекриття діапазону з запасом
,
(4)
де
- коефіцієнт перекриття з запасом;
Оскількиkд<kпд., то рішення не розбивати на під
діапазони було вірним. В подальших розрахунках буду використовувати коефіцієнт
перекриття по діапазону (kд) замість коефіцієнта перекриття по піддіапазону (kпд.), так як використовується
один діапазон.
1.2.3 Вибір підсилювального елементу для тракту радіочастоти
та визначення його високочастотних параметрів
1.2.3.1 Визначаю параметри транзистора з загальним емітером
по даних з загальною базою
По довіднику вибрав транзистор КТ817А, який має такі
параметри:
Ом;
;
(20...250),30;
0,98;
сім;
В;
мА;
МГц;
150
псек.;
пФ;
Тепловідвід не потрібен.
Потрібно визначити: g, S0, gобр., gi, t, rб.
а) Визначаю вхідну провідність, [1 табл.2.4 ст.15]:
,
(5)
де
- вхідний опір, Ом;
-
коефіцієнт підсилення по струму;
сим;
б) Визначаю розподілений опір бази, [1 табл.2.4 ст.15]:
,
(6)
де Ск - ємність колекторного переходу, пФ;
м
у мк сек.
в) визначаю крутизну характеристик, [1 табл.2.4 ст.15]:
,
(7)
де
- коефіцієнт підсилення по струму;
-
вхідний опір, Ом;
г) визначаю провідність зворотнього зв’язку, [1 табл.2.4 ст.15]:
(8)
де
- вхідна провідність;
сім;
д) визначаю вихідну провідність, [1 табл.2.4 ст.15]:
, (9)
де h22б -
вхідна провідність транзистора, сім;
h21 - коефіцієнт підсилення по струму;
h12б - коефіцієнт зворотнього зв’язку по напрузі;
h11б - вхідний
опір транзистора;
сім;
е) визначаю постійну часу входу транзистора, [1 табл.2.4
ст.15]:
,
(10)
де m= 1,6;
fа. - частота транзистора, МГц;
h11б - вхідний опір, Ом;
rб - опір бази, Ом;
мк
сек.
Отримані результати записую в таблицю 1.
Таблиця
1
Параметри транзистора КТ3102
|
Режим транзистора
|
Параметри
|
|
Uk,В
|
,мАS0 ,сім ,сім ,
сімrб, Омt, мксек
|
|
|
|
|
|
|
|
1
|
10
|
32,7
|
0,66
|
5
|
8,7
|
37,5
|
0,000331
|
1.2.3.2 Обчислення високочастотних параметрів транзистора
КТ817А на частоті 2,87МГц, [1 табл.2.5 ст.16]
Вхідні дані:
S0 = 32,7
;
g = 0,63×10-3 сім;
gi = 8,7×10-5 сім;
t =
0,000331 мксек;
rб = 50 Ом;
Ск = 3 пФ;
f0 = 465
кГц;
а) визначаю допоміжні коефіцієнти
,
(11)
де S0 - крутизна характеристики,
;
rб - опір бази, Ом;
;
,
(12)
де S0 - крутизна характеристики,
;
rб - опір бази, Ом;
Ck - ємність колекторного переходу, мк Ф;
t -
постійна часу бази транзистора, мк сек.;
сім;
,
(13)
де t - постійна часу бази транзистора, мк сек.;
rб - опір бази, Ом;
g - вхідна провідність, сім;
,
(14)
де p = 3,14;
f0 - максимальна
робоча частота;
t -
постійна часу бази транзистора, мк сек.;
б) визначаю вхідний опір
,
(15)
де g - провідність, сім;
n -
коефіцієнт частотного використання транзистора;
rб - опір бази, Ом;
сім
,
(16)
де gвх. - вхідна провідність;
Ом
в) визначаю вихідний опір
,
(17)
де gі. - вихідна провідність, сім;
n та Ф
- коефіцієнти;
сім
,
(18)
де gвих. - вихідна провідність;
Ом
г) визначаю вхідну ємність
пФ;
(19)
д) визначаю вихідну ємність
,
(20)
де Ск- ємність колекторного переходу;
Н - допоміжний коефіцієнт;
пФ
е) визначаю крутизну характеристики транзистора

,
(21)
де S0 - крутизна характеристики,
Отримані дані записую в таблицю 2.
Таблиця
2
Високочастотні параметри транзистора КТ817А на частоті 5,202
МГц
|
,мА , Ск, пФСвх.,пФСвих,
пФRвх.,ОмRвих, Омt, мксек
|
|
|
|
|
|
|
|
|
10
|
32,7
|
3
|
6,4
|
7,89
|
1448
|
11664
|
0,000331
|
.2.3.3 Обчислення високочастотних параметрів транзистора
КТ817А на частоті 1,5МГц , [1 табл.2.5 ст.16]
Вхідні дані:
S0 = 32,7
;
g = 0,66×10-3 сім;
gi = 8,7×10-5 сім;
t =
0,000331 мк сек.;
rб = 50 Ом;
Ск = 3 пФ;
f0 = 800 кГц;
а) визначаю допоміжні коефіцієнти по формулам
;
(22)
де S0 - крутизна характеристики,
;
rб - опір бази, Ом;
;
,
(23)
де S0 - крутизна характеристики,
;
rб - опір бази, Ом;
Ck - ємність колекторного переходу, мкФ;
t- постійна часу бази транзистора, мк сек.;
сім
,
(24)
де t-
постійна часу бази транзистора, мк сек.;
rб - опір бази, Ом;
g -
вхідна провідність, сім;
,
(25)
де p = 3,14;
fпр. - проміжна
частота, МГц;
t- постійна часу бази транзистора, мк сек.;
Так, як n< 0,3 веду
розрахунок по спрощених формулах, [1 табл.2.5 ст.16]
б) визначаю вхідний опір
,
(26)
де g - провідність, сім;
n -
коефіцієнт частотного використання транзистора;
rб - опір бази, Ом;
сім;
, (27)
де gвх. - вхідна провідність;
Ом
в) визначаю вихідний опір:
,
(28)
де gі - вихідна провідність, сім;
n та Ф
- коефіцієнти;
сім
,
(29)
де gвих. - вихідна провідність;
Ом
г) визначаю вхідну ємність:
пФ,
(30)
де Б - допоміжний коефіцієнт;
д) визначаю вихідну ємність:
,
(31)
де Ск- ємність колекторного переходу;
Н - допоміжний коефіцієнт;
пФ
е) визначаю крутизну характеристики транзистора

,
(32)
де S0 - крутизна характеристики,
Отримані дані записую в таблицю 3.
Таблиця
3
Високочастотні параметри транзистора КТ817А на частоті
2,87МГц
|
,мА , Ск , пФСвх.,пФСвих. ,
пФRвх.,ОмRвих., Омt, мксек
|
|
|
|
|
|
|
|
|
10
|
32,7
|
3
|
6,4
|
7,89
|
1448
|
11494
|
0,000331
|
.2.3.4 Обчислення високочастотних параметрів транзистора
2,87МГц на частоті 800 кГц, [1 табл.2.5 ст.16]
Вхідні дані:
S0 = 32,7
;
g = 0,66×10-3 сім;
gi = 8,7×10-5 сім;
t =
0,000331 мк сек.;
rб = 50 Ом;
Ск = 3 пФ;
f0 = 800 кГц;
а) визначаю допоміжні коефіцієнти:
,
(33)
де S0 - крутизна характеристики,
;
rб - опір бази, Ом;
;
,
(34)
де S0 - крутизна характеристики,
;
rб - опір бази, Ом;
Ck - ємність колекторного переходу, мкФ;
t- постійна часу бази транзистора, мк/сек.;
сім
,
(35)
де t-
постійна часу бази транзистора, мк сек.;
rб - опір бази, Ом;
g -
вхідна провідність, сім;
,
(36)
де p = 3,14;
fпр. - проміжна
частота, МГц;
t- постійна часу бази транзистора, мк сек.;
Так, як n< 0,3 веду
розрахунок по спрощених формулах, [1 табл.2.5 ст. 16]
б) визначаю вхідний опір:
,
(37)
де g - провідність, сім;
rб - опір бази, Ом;
сім
(38)
де gвх. - вхідна провідність;
Ом
в) визначаю вихідний опір:
,
(39)
де gі. - вихідна провідність, сім;
n та Ф
- коефіцієнти;
сім
(40)
де gвих. - вихідна провідність;
Ом
г) визначаю вхідну ємність:
пФ,
(41)
де Б - допоміжний коефіцієнт;
д) визначаю вихідну ємність:
,
(42)
де Ск - ємність колекторного переходу,
Н - допоміжний коефіцієнт;
пФ

,
(43)
де S0 - крутизна характеристики,
.
Отримані дані записую в таблицю 4.
Таблиця
4
Високочастотні параметри транзистора КТ817А на частоті 465
кГц
|
,мА , Ск , пФСвх.,пФСвих. ,
пФRвх.,ОмRвих.,Омt,мксек
|
|
|
|
|
|
|
|
|
10
|
32,7
|
3
|
6,4
|
7,89
|
1515
|
11628
|
0,000331
|
.2.4 Вибір блоку змінних конденсаторів
Вхідні дані:
f 'max= 0,275 МГц;
f 'min= 0,137 МГц;
k' = 2,07;
Вибраний конденсатор - “Сириус-5”;
Cmin= 20 пФ (12
25)
Cmax = 495 пФ (450
750)
1.2.4.1 Визначення еквівалентної ємності схеми, при якій
вибрав елементи перестройки, чи забезпечує перекриття під діапазону
С'сх =
(44)
де С’cx - еквівалентна ємність схеми,
Сmax - максимальна ємність вибраного конденсатора,
пФ,
Cmin -
мінімальна ємність вибраного конденсатора, пФ,
K’пд - коефіцієнт перекриття діапазону з
запасом;
С’сх =
= 406,03 пФ
.2.4.2 Оскільки С’cx більше 0, визначаю дійсну ємність схеми.
Ссх=Свн+ Сm+ Сl (45)
Оскільки приймач транзисторний і працює на середніх хвилях,
приймаю:
Ст - ємність монтажу для ультракоротких хвиль
С
-власна
ємність котушки індуктивності, пФ (беру 4 пФ)
Свн - ємність яка вноситься в контур настройки каскаду.
У схемах на транзисторах звичайно m2<<1, а
m1=1,6, тому вважаємо, що Свх= 0.
Свн=Свхm22+ Свихm12, (46)
де Свх - вхідна ємність електричного приладу
наступного каскаду,
Свих - вихідна ємність електричного приладу
каскаду УРЧ;
Свн = 4,86 пФ
Знаходжу дійсну ємність схеми:
Ссх=4,86+5,5+4=14,36пФ
1.2.4.3 Оскільки С’сх = 406,03 пФ >Ссх=
14,36пФ, то потрібно розрахувати додаткову ємність, яку потрібно включити в
контур для забезпечення заданого перекриття
Сдод =
, (47)
де Сдод - додаткова ємність, пФ;
Сдод = 406,03-14,36 = 391,67 пФ
1.2.4.4 Визначаю еквівалентну ємність контуру вхідного кола
Се=(Сmin+С’сх)
(Cmax+С’сх) (48)
Се=(20+406,03)
(495+406,03)=(426
901) пФ
1.2.5 Розподіл послаблення по трактах радіоприймача
Сумарне послаблення всього пристрою не повинно перевищувати 14 дБ (для АМ>250 кГц не більше 14 дБ), [1 табл.2.13 ст.29]
Підсилювач радіочастоти - 3 дБ (1,42)
Підсилювач проміжної частоти - 7 дБ (2,24)
Попередній підсилювач низької частоти - 2 дБ (1,26)
Кінцевий підсилювач низької частоти - 2 дБ (1,26)
.2.6 Знаходження частотних спотворень по трактах
радіоприймача
Частотні спотворення М = 11 дБ
Підсилювач радіочастоти - 1 дБ
Підсилювач проміжної частоти - 6 дБ
Тракт низької частоти - 4 дБ
.2.7 Визначення кількості контурів та їх еквівалентної
добротності в тракті радіочастоти
Вхідні дані:
f’min= 140кГц;
f’max= 270 кГц;
дБ;
П = 8 кГц;
fпр. = 465 кГц;
дБ,
(1,42), [1 табл.2.13 ст.29]
y =
0,6, [1 табл.2.15 ст.31]
Qк = 100, [1 табл.2.14 ст.30]
.2.7.1 Приймаю число одиночних вибіркових контурів
nс = 2
.2.7.2 Визначаю необхідну добротність контурів, що забезпечує
задане ослаблення на краях смуги пропускання, [1 ст.29]
,
(49)
де
- нижня границя діапазону з запасом;
П - смуга пропускання;
nc - кількість одиночних контурів;
sп
- ослаблення на краях смуги
тракту радіочастоти;
=
11.2
1.2.7.3 Визначаю необхідну добротність контурів, що задає задану
вибірковість по дзеркальному каналу, [1 ст.30]
,
(50)
,
(51)
де nс - число одиночних контурів;
sдз. - вибірковість по дзеркальному каналу, раз;
- верхня границя діапазону з запасом, кГц;
-
верхня дзеркальна частота, кГц;
кГц
тому, що частоту гетеродина приймаю нижче частоти сигналу;
;
1.2.7.4 Визначаю конструктивну еквівалентну добротність
контуру, [1 ст.30]
,
(52)
де y- коефіцієнт шунтування контуру електронним
пристроєм,
Qк - конструктивна добротність контуру;
.2.7.5 Оскільки Qи = 4<Qп = 21<Qекв. = 60 , то вибираю Qє з проміжку Qи<Qп<Qєк.., [1 мал. 2.21 б ]
ПриймаюQє max=21 число
одиночних контурів nс= 2.
.2.7.6 Приймаючи, що узгодження входу транзистора з контуром буде
здійснюватися на максимальній частоті діапазону, визначаю еквівалентну
добротність контуру на нижній частоті діапазону, [1 ст.33]
,
(53)
де
- еквівалентна якість контуру на максимальній частоті
,
(54)
де Qk- конструктивна добротність контуру
;
,
(55)
де
тому, що ці опори майже рівні, [1 ст.34];
-
мінімальна частота сигналу, МГц,
-максимальна
частота сигналу,МГц;
;
(56)
Оскільки
.
=1.818
˂ Qп = 21, то розрахунок зроблений правильно і остаточно
приймаю : nc= 2 , Qє max= 21 ; Qєmin
= 1,818[1 ст.34]
.2.7.7 Для крайніх точок діапазону
і
визначаю, [1 ст.37]
а) допоміжні коефіцієнти:
;
(57)
;
(58)
;
(59)
;
(60)
де
- розстрочка,вибірковість по сусідньому каналу, кГц;
-максимальна частота сигналу,МГц,
-
мінімальна частота сигналу, МГц,
П- смуга пропускання,
-
еквівалентна якість контуру на максимальній частоті,
-
еквівалентна якість контуру на мінімальній частоті;
б) визначаю дзеркальні частоти
,
(61)
де
- мінімальна частота сигналу, кГц,
fпр - проміжна частота, кГц;
кГц;
кГц;
в) визначаю вибірковість по сусідньому каналу:
;
(62)
;
(63)
г) визначаю ослаблення на краях смуги:
(64)
;
(65)
=
2,83Б <
= 3,04 дБ <
=3,06 дБ
Вихідні дані виконані.
д) визначаю вибірковість по дзеркальному каналу
;
(66)
(54,9
дБ);
;
(67)
(57,3
дБ);
де
-максимальна
частота сигналу , мГц,
-
мінімальна частота сигналу, МГц,
-
еквівалентна якість контуру на максимальній частоті,
-
еквівалентна якість контуру на мінімальній частоті.
Оскільки
дБ >
дБ >
дБ,
то розрахунок зроблений правильно, [1 ст.37]
.3 Визначення числа і параметрів вибіркових
систем тракту проміжної частоти
1.3.1 Розрахунок ФЗС
Вхідні дані:
кГц,
П = 8 кГц,
дБ,
кГц,
рази, [1 табл.2.13 ст.29]
y = 0,6, [1
табл.2.15 ст.31]
Qк = 100, [1 табл.2.14 ст.30]
.3.2.1 Задаюся числом ФЗС
nпр. = 1
.3.1.2 Визначаю ослаблення на краях смуги пропускання sфп
і вибірковість по сусідньому каналу sфс , що повинна забезпечувати одна ланка ФЗС, [1
ст.43]
,
(68)
де sп - ослаблення на краях смуги фільтра, дБ,
nпр. - кількість прийнятих ФЗС;
дБ;
,
(69)
де sс - вибірковість по сусідньому каналу, дБ,
nпр. - кількість прийнятих ФЗС,
дБ
.3.1.3 Оскільки
дБ,
дБ, то задаюся величиною
, [1 ст.43]
.3.1.4 Визначаю ширину розрахункової смуги ФЗС, [1 ст.43]
,
(70)
де П - смуга пропускання, кГц, aп - коефіцієнт;
кГц;
.3.1.5 По формулі визначаю необхідну добротність контурів, [1 ст.43]
,
(71)
де fпр - проміжна частота, кГц,
Пр - ширина розрахункової смуги ФЗС;
Оскільки
˂Qк = 140, то розрахунок можна продовжувати, [1 ст.44].
1.3.1.6 Визначаю величину відносної розстрочки:
а) на краях смуги пропускання ППЧ [1 ст.46]
,
(72)
де П - смуга пропускання, кГц,
Пр - ширина розрахункової смуги ФЗС;
б) по сусідньому каналу, [1 ст.46]
,
(73)
де 2Dfc - розстрочка, кГц ;
Пр - ширина розрахункової смуги ФЗС,
.3.1.7 Визначаю величину узагальненого загасання, [1 ст.46]
,
(74)
де fпр- проміжна частота, кГц ;
Qк - конструктивна добротність контуру,
Пр-ширина розрахункової смуги ФЗС;
Приймаю b=0,5.
.3.1.8 Дивлячись на рисунку 2, по кривій при b=0,9відшуковую точку, що лежить на перетині кривої з
лінією на вертикальному рівні aс= 2, і відраховую відповідне цій точці
ослаблення на одну ланку ФЗС sс1 = 4,2 дБ, [1 ст.46]
.3.1.9 На рисунку 2, на цій же кривій відшуковую точку, що лежить на її
перетині з вертикальною лінією на рівні aп=0,8 , і відраховую відповідне цій точці
ослаблення на краях sп1 = 1,6 дБ,[1 ст.46]
Рисунок 2 -Узагальнені резонансні криві триелементної
П-подібної ланки ФЗС, [1 мал.2.23 ст.44]
.3.1.10 Число ланок ФЗС, необхідне для забезпечення
вибірковості по сусідньому каналу [1 ст.46]
,
(75)
де sфс- вибірковість по сусідньому каналу, що повинна забезпечувати
одна ланка ФЗС,
sс1 - вибірковість по сусідньому каналу,
забезпечені одним ФЗС;
Округлюю до цілого числа 2.
.3.1.11 Число ланок ФЗС, необхідне для забезпечення ослаблення на краях
смуги фільтру, [1 ст.46]
,
(76)
де sфп- ослаблення на краях смуги, що повинна забезпечувати одна ланка ФЗС,
sп1 - ослаблення на краях, забезпечене одною
ланкою ФЗС;
Так як
=
,
тому вибираю nф=
, [1 ст.46]
.3.2 Розрахунок підсилення до детектора
Вхідні дані:
Uд
вх = 0,5 В; [1
табл.2.16 ст.48]
Еа= 110 мкВ;
m= 0,33;
Kд= 0,7 [1 табл.2.16 ст.48]
тракт РЧ nc = 2;
Qк = 100 [1 табл.2.15 ст.31]
yс(0,6
0,8)
Вибираю yс= 0,6,[1 табл.2.15 ст.31]
тракт ПЧ nпр. = 1;
Qє = 34 [1 табл.2.15 ст.31]
yпр. (0,6
0,8)
Вибираю yпр.=0,6,[1 табл.2.15 ст.31]
b =
0,9
Параметри транзистора КТ817А на частоті 5,202 МГц з таблиці 2:
МГц,
S =32,7
,
Rвх. = 1448 Ом,
Rвих. = 11664 Ом,
Ск = 2 пФ;
Параметри транзистора КТ817А на частоті 465 кГц з таблиці 4:
кГц,
S=30,6
,
Rвх.=1587 Ом,
Rвих. =11764 Ом,
Ск=3 пФ.
Прийом здійснюється на зовнішню антену.
1.3.2.1 Визначаю необхідне підсилення [1 ст.49]
,
(77)
радіомовний підсилювальний високочастотний
транзистор
де Uд вх - напруга на вході детектора,В,
Еа - чутливість приймача , мкВ;
.3.2.2 Визначаю необхідне підсилення з запасом [1 ст.49]:
,
(78)
де
- необхідне підсилення
.3.2.3 Визначаю напругу на виході детектора, [1 ст.48]
,
(79)
де Kд- коефіцієнт передачі детектора,
m-
коефіцієнт передачі,
Uд
вх - напруга на вході
детектора, В
В
.3.2.4 Визначаю коефіцієнт включення транзистора КТ630Б у контур
вхідного ланцюга на частоті 5,202 МГц, [1
ст.49 ]
, (80)
де y - коефіцієнтшунтування
контуру електроннимприладом на f'max,
Rвх - вхідний опір електронного приладу на
частоті fmax, кОм,
Сэmin - мінімальна еквівалентна ємність контуру, пФ,
f'max - максимальна частота піддіапазону, МГц,
Qк - конструктивна добротність контуру;
.3.2.5 Задавшись коефіцієнтом передачі вхідного ланцюга Квц=8,
[1 ст.55], визначаю коефіцієнт передачі вхідного ланцюга з урахуванням
коефіцієнта включення першого транзистора.
К'вц=т2×Квц, (81)
де m2 - коефіцієнт включення транзистора у
контур вхідного кола,
Квц - коефіцієнт передачі вхідного ланцюга;
К'вц=2,26×6= 13,56
.3.2.6 Визначаю максимально стійкий коефіцієнт підсилення:
а) каскаду ПРЧ на транзисторі 2N4251,[1 ст.55]
,
(82)
де S - крутизна характеристики,
,
-максимальна
частота діапазону, МГц,
Ск- ємність колекторного переходу, пФ;
;
б) перетворювача частоти на транзисторі КТ630Б, [1 ст.55]
,
(83)
де Sс-крутизна характеристики,
,
-максимальна
частота сигналу, МГц,
Ск- ємність колекторного переходу, пФ;
,
в) каскаду ППЧ на транзисторі КТ630Б, [1 ст.55]
,
(84)
де S- крутизна
характеристики,
,
- проміжна частота, МГц,
Ск - ємність колекторного переходу, пФ;
;
.3.2.7 Попередньо приймаю, [1 ст.55]:
число каскадів радіочастоти
NПРЧ = nc- 1 = 2 - 1 = 1;
число каскадів тракту проміжної частоти
NППЧ = nпр.- 1 = 1 - 1 =0;
.3.2.8 Визначаю найбільш можливий коефіцієнт підсилення каскадів при
повному узгоджені, [1 ст.55]
а) каскаду ПРЧ на транзисторі КТ817А
,
(85)
де S- крутизна
характеристики,
,
yс-коефіцієнт шунтування контуру транзистором,
Rвх.- вхідний опір транзистора, кОм,
Rвих.
- вихідний опір
транзистора, кОм;
;
б) перетворювач частоти на транзисторі КТ817А
,
(86)
деS- крутизна
характеристики,
,
yпр-коефіцієнт шунтування контуру транзистором,
Rвх.- вхідний опір транзистора, кОм,
Rвих.
- вихідний опір
транзистора, кОм,
b -
фактор зв’язку між контурами фільтру;
,
в) каскаду ППЧ на транзисторі 2N4251:
,
(87)
де S- крутизна
характеристики,
,
yпр-коефіцієнт шунтування контуру транзистором,
Rвх.- вхідний опір транзистора, кОм,
Rвих.
- вихідний опір
транзистора, кОм,
b-
фактор зв’язку між контурами фільтру;
З порівняння результатів обчислень за коефіцієнт підсилення каскаду
приймаю для подальших розрахунків меншу величину.
.3.2.9 Розраховую загальне підсилення до детектора, [1 ст.56]
,
(88)
де
- коефіцієнт передачі вхідного ланцюга з урахуванням
коефіцієнта включення першого транзистора,
-
максимально стійкий коефіцієнт підсилення каскаду УРЧ,
-
максимально стійкий коефіцієнт підсилення каскаду ППЧ;
.3.2.10 Оскільки
<
,
то необхідно додати два аперіодичні ППЧ.
Оскільки
>
,
то розрахунок зроблено правильно.
Число каскадів ПРЧ приймаю: NПРЧ = 1,
Число каскадів ППЧ приймаю: NППЧ = 1.
.4 Розрахунок
структурної схеми тракту низької частоти
Щоб забезпечити передачу максимальної потужності в
навантаження, кінцеві підсилювачі виконую за схемою з безтрансформаторним
виходом.
Попередні підсилювачі виконую на транзисторах.
Для зменшення нелінійних і частотних спотворень в кінцевих
каскадах рекомендується охоплювати їх негативним зворотнім зв’язком, але, щоб
не ускладнювати схему, я не буду його (зворотній зв’язок) застосовувати.
Підсилювальні каскади низької частоти на транзисторах можуть
проектуватися по схемах як із загальним емітером, так і з загальною базою і
загальним колектором. Однак найчастіше застосовується схема з загальним
емітером, тому що вона легше поєднується з іншими каскадами і має більший
вхідний опір (приблизно в 10 разів) і менший вихідний (десятки кОм), ніж схема
з загальною базою. З цих міркувань я вибираю схему з загальним емітером.
Так як у моєму приймачі мала вихідна потужність (Рвих.
= 0,7Вт), у схемі вихідного підсилювача низької частоти використовую
двохтактний, транзисторний підсилювач з безтрансформаторним зв’язком, [1
ст.56].
1.4.1 Вибір типу електродинамічного гучномовця
Вихідними даними, необхідними для вибору динамічного гучномовця
є:
а) номінальна вихідна потужність (Рвих. = 0,7 Вт);
б) середній звуковий тиск при заданій номінальній потужності
в оговореній технічними вимогами смузі частот;
в) смуга відтворених частот (Fmin=2 кГц;Fmax=
6,3 кГц);
г) нерівномірність частотної характеристики;
При виборі гучномовця для настільного чи стаціонарного
приймача основна увага звертається на його акустичні дані і частотну
характеристику.
Також для стаціонарних приймачів важливий такий параметр як
маса. В поняття маси входить і маса гучномовця, яка має бути мінімальною.
Якщо вибирати гучномовець по потужності, то, в моєму випадку,
я вибираю гучномовець мінімальної потужності - на 1 Вт (1ГД-39В) - призначених
для стаціонарних приймачів. З вхідним опором - 8 Ом.
При виборі гучномовців необхідно, щоб їхній робочий діапазон
частот і середній звуковий тиск були більше чи дорівнювали діапазону частот і
звуковому тиску, заданих технічними умовами, [1 ст.57].
1.4.2 Вибір типу транзистора вихідного каскаду ПНЧ
У більшості випадків попередні каскади ПНЧ можуть бути
виконані на малопотужних транзисторах. При цьому, якщо частоти, що підсилюються
не перевищують одиниць кілогерц, вибір транзисторів виконується по
низькочастотних параметрах з наступних міркувань:
а) мінімальна вартість;
б) найбільшої величини коефіцієнта підсилення транзистора по
струму bв схемі з загальним емітером, [1 ст.58];
в) вибираю транзистори,які будуть працювати в парі «КТ812А і
КТ816А» різної структури але однакових параметрів:
Тепловий опір транзистора (40…100) приймаю: Rт п-с =40;
Максимальна потужність, що розсіюється на колекторі:Ркmax=1 Вт;
Максимально допустимий постійний струм колектора (без
радіатора):
Ікmax =0,5A;
Максимально допустимий струм бази: ІБ max =0,05 A;
Максимально допустима напруга колектор - емітер: Uкєmax =25 В;
Статичний коефіцієнт передачі струму біполярного транзистора
в схемі з загальним емітером: (40…70), h21є мін= 60.
.4.3 Визначення кількості каскадів попереднього підсилення
Вхідні дані:
Рн = 0,7 Вт;
hт=1, [1 ст.58]
x = 0,8, [1 ст.58]
Uд вих. = 58мВ;
Kд = 0,7, [1 табл.2.16 ст.48]
Параметри транзистора КТ316Б, [6 табл.1 ст.6]:
Ркmax = 0,15 Вт;
Вmin = 30;
Ек мax = 35 В;
Ікmax = 0,5 А;
Ібmax = 0,05 А;
Rвх ПНЧ=11,6кОм;
.4.3.1 Гранично допустима напруга колектора для обраного
транзистора, [1 ст.58]
Ек =(0,3
0,4)×
, (89)
де Ек мах - максимальна напруга на колекторі, В;
.4.3.2 Визначаю амплітуду струму колектора, що забезпечує задану
вихідну потужність кінцевого каскаду, [1 ст.58]
,
(90)
де Ек - напруга на колекторі, В,
hт - ККД
(1),
x -
коефіцієнт використання колекторної напруги,
Рн - номінальна вихідна потужність, Вт;
мА
мА<Ікmax = 0,5 А;
.4.3.3 Визначаю амплітуду струму бази кінцевого каскаду, [1 ст.59]
,
(91)
де Іmк- амплітуда струму колектора, мА,
Вmin - мінімальний коефіцієнт підсилення по струму
в схемі з загальним емітером обраного типу транзистора;
мА;
1.4.3.4 Постійна складова струму колектора [1 ст.60]
,
(92)
де Іmк - амплітуда струму колектора кінцевого каскаду, p = 3,14;
мА
.4.3.5 Вибирав схему послідовного однотактного детектора, що працює в
режимі малих напруг, для якого, [1 ст.59]
,
(93)
де
- вхідний опір підсилювача низької частоти,
-
коефіцієнт передачі;
кОм;
.4.3.6 Амплітуда струму бази при роботі від детектора, [1 ст.59]
,
(94)
де Uд вих - вихідна напруга детектора, В,
Rн - опір навантаження детектора, Ом;
А
= 0,0018 мА;
.4.3.7 Визначаю необхідне підсилення по струму, [1 ст.60]
;
(95)
де Іmб - амплітуда струму бази кінцевого каскаду, мА,
Іm б1 - амплітуда струму бази при роботі від детектора, мА;
Необхідне підсилення з запасом:
,
(96)
де
- необхідне підсилення по струму;
.4.3.8 Вибираю для попередніх каскадів ПНЧ транзистор КТ315Ж, що має
високий мінімальний коефіцієнт підсилення по струму Вmin = 10.
.4.3.9 Необхідне число каскадів попереднього підсилювача, [1 ст.60]
,
(97)
де
- необхідне підсилення по струму з запасом,
Вmin - мінімальний коефіцієнт підсилення по струму
в схемі з загальним емітером обраного типу транзистора;
Отже число потрібних каскадів попереднього підсилення
.
2.кінцевий розрахунок
2.1 Розрахунок вихідного безтрансформаторного каскаду
Рисунок 3 - Схема кінцевого підсилювача із
безтрансформаторним зв’язком
Таблиця
4
Відповідність елементів
|
№
|
Рисунок 3
|
Схема ел.
принципова
|
|
1
|
С1
|
C41
|
|
2
|
С2
|
C42
|
|
3
|
С3
|
C43
|
|
4
|
R1
|
R43
|
|
5
|
R2
|
R44
|
|
6
|
VT1
|
VT11
|
|
7
|
VT2
|
VT12
|
|
8
|
VT3
|
VT13
|
|
9
|
VT4
|
VT14
|
|
10
|
BA1
|
BA1
|
Вхідні дані:
Вихідна потужність підсилювача, Рвих=0,7 Вт;
Нижня частота діапазону, Fн = 0,2кГц;
Верхня частота діапазону, Fв = 4 кГц;
Опір навантаження, Rн = 8 Ом;
Коефіцієнт частотних спотворень,Мн.вих.каск= 12 дБ
(4,07);
Коефіцієнт нелінійних спотворень,Кг= 5%;
Межі зміни навколишньої температури tотк.min … tотк.max -40 … 100
Параметри вибраних транзисторів які будуть працювати в парі
«КТ812А і КТ816А» різної структури, але однакових параметрів:
Тепловий опір транзистора (40…100) приймаю: Rт п-с =40;
Максимальна потужність, що розсіюється на колекторі: Ркmax=1 Вт;
Максимально допустимий постійний струм колектора (без
радіатора): Ікmax =1A;
Максимально допустимий струм бази: ІБ max =0,05 A;
Максимально допустима напруга колектор - емітер: Uкєmax=25 В;
Статичний коефіцієнт передачі струму біполярного транзистора
в схемі з загальним емітером: (40…70) h21є мін = 60;
.1.1 Знаходжу напругу джерела живлення, [1 ст.112]
,(98)
де Рвих - вихідна потужність приймача, Вт,
Rн -
опір гучномовця, Ом;
В
.1.2 Знаходжу мах. значення колекторного струму кінцевих
транзисторів,[1 ст.113]
,
(99)
де Ек - напруга джерела живлення, В,
Rн - опір гучномовця, Ом;
А;
.1.3 Вибираю значення струму спокою в кінцевих транзисторах
,
(100)
А;
.1.4 Знаходжу мах. потужність розсіювання кожним кінцевим транзистором
,
(101)
Вт;
.1.5 По отриманих значеннях Ек., Ркмах.розр., Ік
мах. роз. і заданому значенні fв.вибираєм тип кінцевих транзисторів (VT13 і VT14)
При цьому необхідно щоб максимально допустимі значення відповідних
параметрів транзисторів перевищувала наступні показники:
Uке
max.˃Ек
˃ 12,3
Ркmax˃Ркмах.розр
1˃ 0,47
Ікmax˃Ік мах. розр
1 ˃ 0,768
Зворотній струм колектора Ікб0 вибраного транзистора повинен
бути мінімальним. Крайня частота підсилення транзистора повинна перевищувати
верхню частоту заданого частотного діапазону не менше як в 2 рази:
Fh21э≥ 2 Fв, 60≥ 12,6;
При виборі кінцевих транзисторів треба взяти до уваги падіння
потужності розсіюча транзистором при підвищенні температури навколишнього
середовища.
Гранична потужність розсіюється колекторним переходом
транзистора, вираховуєм:
Ркmaxрозр=(tпmax ∙ tнавк.серед.
)/Rт.п-с, (102)
де tпmax - максимальна температура переходу,°С,навк.серед. -
максимальна напруга навколишнього середовища, °С,т.п-с - тепловий
опір навколишнє середовище, °С/Вт;
Ркmaxрозр=(60 ∙ 50)/40 = 0,25;
2.1.6 Визначаю максимальне значення колекторного струму
передкінцевих транзисторів
Ікmaxрозрпред=Ікmaxрозр/h21э min,
(103)
де Ікmaxрозр - максимальне значення колекторного
струму передкінцевих транзисторів,21э min - мінімальне значення
коефіцієнта передачі струму кінцевих транзисторів;
Ікmaxрозрпред= 0,768/ 40= 0,019А;
Опори резисторів R43 = R44 вибираю в межах (100…1000) Ом і
уточнюються при регулюванні підсилювача - резистор МЛТ-0,25-10 кОм.
2.1.7 Визначаю потужність розсіювання кожного із
передкінцевих транзисторів
Ркmaxрозрпред=Ркmaxрозр/h21э min(1
- 0,9/(R22 Ікmaxрозрпред)), (104)
деРкmaxрозр - гранична потужність, що розсіюється
колекторним переходом транзистора, Вт,
Ікmaxрозрпред - максимальне значення колекторного
струму передкінцевих транзисторів, А;
Ркmaxрозрпред= 0,25 / 40(1-0,9/500×0,019)=0,625Вт
.1.8 За отриманим значенням Ік вибираю
передкінцеві транзистори типу КТ315Ж(VT11 і VT12) п-р-п
При цьому необхідно, щоб максимально допустимі значення
параметрів вибраних транзисторів перевищували розрахункові значення:
Uкэ мах пред>Ек
25 > 12,3
Ркmaxпред>Ркmaxрозрпред
> 0,625
Ікmaxпред>Ікmaxрозрпред
,5 > 0,019А
Обраний струм колектора необхідних транзисторів Ікбо
перед повинний бути мінімальним. Крайня частота посилення передкінцевих
транзисторів повинна перевищувати верхню частоту заданого частотного діапазону
не менш ніж у 5 разів.
Fh21э пред³ 5Fв, 60>31,5
2.1.9 Знахожу ємність роздільного конденсатора С43
С43 ³1/pfнRн, (105)
де fн - максимальна звукова частота, Гц;
С43=1/3,14×500×8 =7,9мкФ-конденсатор К78-98 16В×6мкФ
Чим більше ємність тим краще працює підсилювач в області
нижніх частот діапазону.
.1.10 Опір резистора R43 звичайно не розраховую, а
підбираю експериментально при настроюванні каскаду (спочатку можна вибрати R43
» 10
кОм).
.1.11 Визначаю частотні викривлення каскаду в області низьких
і високих частот
,
(106)
де С1 - ємність розділового конденсатора;
,
(107)
де fв - максимальна звукова частота, Гц,h21э
- гранична частота посилення кінцевих транзисторів, Гц;
;
Отримані величини Мнрозрі Мв розр не повинні
перевищувати заданих величин.
.1.12 Коефіцієнт нелінійних спотворені безтрансформаторного вихідного
каскада визначається за наступними формулами. Для цього необхідно налаштувати
сковзну динамічну характеристику-графік залежності струму колектора Іквід
ЕРС Ер еквівалентного генератора вхідного сигналу. Розрахунок веду в
наступній послідовності:
а) задаюся внутрішнім опором еквівалентного генератора вхідного сигналу
Rи≈Rвх≈8кОм:
б) користуючись вхідними і вихідними характеристиками транзистора рис.
(5,6) визначаємо для деяких точок (1;2;3) значення Uке, Ік, Іб та Uбе:
Рисунок 5 - Вхідні характеристики транзистора
Рисунок 6 - Вихідні характеристики транзистора
в) визначаємо величину ЕРС еквівалентного генератора для
різних значень Uбе та Іб
відповідно вибраних точок (1;2;3) за формулою:
Ег=Uбэ+ІбRі,
(108)
де Uбэ - напруга транзистора база-емітер, В,
Іб - струм бази транзистора, А,и -
внутрішній опір еквівалентного генератора вхідного сигналу, Ом;
точка 1: Uке = 7 В; Ік = 150 мА; Іб = 1 мА;Uбе = 0,8 В;
Ег= 0,8+0,001∙12240 = 13,01;
точка 2: Uке = 3,8 В; Ік = 320 мА; Іб = 5 мА;Uбе = 1 В;
Ег= 1+0,005∙12240 = 62,2;
точка 3: Uке = 0,9 В; Ік = 470 мА; Іб = 10 мА;Uбе = 1,2 В;
Ег= 1,2+0,01∙12240 = 123,6;
г) за отриманими даними у прямокутній системі координат будую
графік залежності Ік=f (Ег) рис. 7:
Рисунок 6 - Залежність Ік від Ег
д) визначивши по графіку максимальне, середнє і мінімальне
значення струмів колектора:Ік мах. = 470 мА; Ік сер. = 320 мА; Ік мін. = 150
мА, рахуємо амплітудне значення гармонічних складових струму колектора за
формулами:
,
(109)
,
(110)
(111)
,
(112)
е) коефіцієнт нелінійних спотворень визначаємо за формулою:
(113)
де Ікт1,Ікт2,Ікт3,Ікт4
- амплітуди гармонійних складових струму колектора;
Необхідно щоб Кг розр. ≥ Кг, це для того щоб отримати в
результаті розрахунку значення коефіцієнта гармонік не перевищувало заданого
допустимого значення Кг=4%.
ВИСНОВОК
Розрахунок стаціонарного приймача, який приймає
амплітудно-модульовані сигнали. В його схемі є блок живлення. Зв'язок з антеною
- комбінований. Змішувач виконаний з окремим гетеродином по схемі “Клаппа”. В
кінцевому розрахунку двохтактний безтрансформаторний підсилювач, розраховано
вихідний підсилювач низької частотиі. Як видно з розрахунків, в приймачі
застосований фазоінвертор. Дана кількість каскадів підсилення забезпечує
потрібний коефіцієнт підсилення. Фазоінвертор перетворює основний сигнал в два
протифазні сигнали.
Таблиця
5
|
Вхідне коло
|
ПРЧ
|
Перетво-рювач
частоти
|
ППЧ
|
Детектор
|
ППНЧ
|
Фазо-інвертор
|
КПНЧ
|
|
Частотний аналіз
|
0,14-0,27 МГц
|
0,14-0,27МГц
|
465 кГц
|
465 кГц
|
0,2-4,0 кГц
|
0,2-4,0кГц
|
0,2-4,0кГц
|
0,2-4,0кГц
|
|
Послаблення по
краях смуги, ДБ
|
|
2
|
|
6
|
|
2
|
|
2
|
|
Коефіцієнт
підсилення, ДБ
|
|
3,27
|
3,27
|
18,76
|
|
|
|
|
|
Кількість каскадів
|
1
|
1
|
1
|
2
|
1
|
3
|
1
|
1
|
|
Кількість ФЗС та
коливальних контурів
|
1
|
1
|
1
|
1
|
|
|
|
|
|
Тип
підсилюваль-ного елементу
|
|
КТ817А
|
КТ817А
|
КТ817А
|
|
КТ630Б
|
КТ630Б
|
КТ812А і КТ816А
|
|
Схема включення
|
Однокон-турне,
комбіне-ване
|
Резонанс-ний по
схемі ЗЕ
|
З окремим гетероди-ном
|
Аперіодич-ний по
схемі ЗЕ
|
Послідов-ний
амплітуд-ний
|
Аперіодич-ний по
схемі ЗЕ
|
|
Двохтактний
безтрансфор-маторний
|
ЛІТЕРАТУРА
1. Методичні
вказівки до курсового проекту з радіоприймальних пристроїв, Чернівці, ДВНЗ
«Чернівецький політехнічний коледж» 2014 р.
2. Петренко
Т.А. “Методичні вказівки до курсового проекту по курсу "Радіоприймальні
пристрої" Вінниця, Технічний коледж, 2004 р.
. Петренко
Т. А. “Радіоприймальні пристрої” Вища школа, 2001 р.
4. Терещук
Р.М.,Терещук К.М., Сєдов С.А. “Напівпровідникові Приймально-підсилюючі
пристрої”, Київ “Наукова думка” 2000 р.
5. Горюнов
Н.Н. “Напівпровідникові прилади-транзистори”, Москва “Звязок” 2000 р.
6. ГОСТ
5651-82 “Приймальні пристрої”