Расчет двухкорпусной выпарной установки непрерывного действия
Расчет
двухкорпусной выпарной установки непрерывного действия
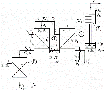
В двухкорпусной выпарной установке
непрерывного действия выпаривается водный раствор вещества MgCl2 от начальной
концентрации a0=5% масс до конечной концентрации a2=15% масс. Температура
водного раствора равна t0= t1.Первый корпус выпарной установки обогревается
водяным греющим паром, давление которого составляет pп=3,0 ата. Установка
снабжена барометрическим конденсатором смешения, питаемый водой температуры
tв=24˚C. Вакуум во втором корпусе равен Рвак=640 мм.рт.ст.. Из первого
корпуса отводится экстра - пар E1=880 кг/час. Производительность МВУ по
исходным раствора равна G0=12000 кг/час.
Рассчитать:
Расход греющего пара
Поверхности теплообмена одного
корпуса МВУ
Расход охлаждающей воды на
барометрический конденсатор смешения
Диаметр и высоту барометрической
трубы
Производительность вакуумного насоса
Рис 1. Схема 2-х корпусной установки
Определение количества выпарной воды
в установке в целом и предварительное распределение по корням.
Определение концентрации раствора в
I корпусe




Температурные репрессии
растворов в корпусах при стандартном давлении (760 мм рт. ст.) Температура
кипения раствора во II корпусе при рабочем давлении. Температура вторичного
пара во II корпусе. Температура депрессии во II корпусе при рабочем давлении
двухкорпусная выпарная
установка
Таблица 1. Температура
кипения MgCl2 при атмосферном давлении
|
T 0C
|
101
|
102
|
103
|
104
|
105
|
107
|
110
|
115
|
120
|
125
|
140
|
|
A %
|
4,67
|
8,42
|
11,65
|
14,31
|
16,59
|
20,32
|
24,41
|
29,48
|
33,07
|
36,02
|
38,61
|
Рис 2. График зависимости
температуры кипения t=f(a)
Принимаем температурную депрессию в
I корпусе равной температурной депрессии при стандартном давлении
Для определения температуры кипения
воспользуемся правилом Бабо
Опытное давление над раствором и
чистым раствором при одних температурах их кипения при данной концентрации есть
величина постоянная

|
P ата
|
T 0C
|
|
0,15
|
53,6
|
|
0,20
|
59,7
|
=58,48
0C
θ2=> P=0,163 ата
|
P атаT 0C
|
|
|
0,15
|
53,6
|
|
0,20
|
59,7
|
θ2=55,190C
Температурная репрессия во II
корпусе при рабочем давлении
Температурные депрессии вторичного
пара на участках: I корпус-II корпус, II корпус- барометрический конденсатор.
Полная полезная разность температур
МВУ для произвольного числа корпусов n



Распределение полной
полной разности по корпусам

Окончательно 
и 
.
Составление таблицы
предварительного варианта первого положения
|
№ п/п
|
Название
|
Символ
|
Ед. изм.
|
Предварительное
|
Окончательное
|
|
|
|
|
I корп.
|
II корп.
|
I корп.
|
II корп.
|
|
1
|
Температура греющего пара
|
|
°C
|
132,9
|
100,2
|
132,9
|
|
|
2
|
Полезная разность температур
|
Δ
|
°C
|
29,5
|
41,7
|
|
|
|
3
|
Температура кипящего раствора
|
t
|
°C
|
103,4
|
58,5
|
|
|
|
4
|
Температурная депрессия
|
δ
|
°C
|
1,6
|
3,3
|
1,6
|
|
|
5
|
Температура вторичных паров
|
θ
|
°C
|
101,8
|
55,2
|
Гидравлическая депрессия
|
|
°C
|
1,6
|
|
1,6
|
|
|
7
|
Давление греющего пара
|
|
ата
|
3
|
1,041
|
3
|
|
|
8
|
Давление вторичного пара
|
P
|
ата
|
0,910
|
0,19
|
|
0,19
|
|
9
|
Энтальпия
|
Гр. пара
|
h
|
|
2730
|
2678
|
|
|
|
|
Втор. пара
|
i
|
|
2681,19
|
2599,24
|
|
|
|
|
Кип
|
iк
|
|
558,9
|
419,99
|
|
|
|
10
|
Концентрация раствора
|
α
|
% масс
|
7,12
|
15
|
7,12
|
15
|
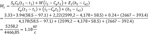
Расчет потоков вторичного пара I и
II корпуса
Запишем уравнение теплового баланса
для II корпуса W1=? W2=?
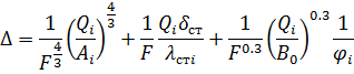
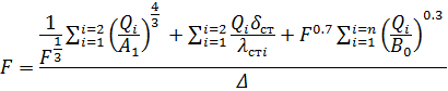
Расчет тепловых нагрузок корпусов
Расчетное выражение для определения
поверхности теплообмена одного корпуса при условии F1=F2=F
Ориентировочная поверхность
теплообмена выпарного аппарата


Расчет А1 и А2

=12873

Определение термического
сопротивления стенки трубы выпарного аппарата
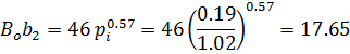
Определение В0 воды i
(В0b1, В0b2)
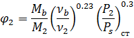
Определение
относительных коэффициентов теплоотдачи φ1
φ2

=
Заполнение
подготовительной таблицы для решения уравнения
|
Корпус
|
|
|
|
|
|
|
|
|
I
|
327
|
2257,066
|
303
|
5,551787
|
61600.9
|
27,34489
|
30,34275
|
|
II
|
270
|
1745,1
|
240,3
|
5,178764
|
119093
|
33,32467
|
43,47641
|
|
Σ
|
|
4002,166
|
|
10,73055
|
|
|
73,81916
|
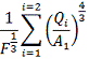
Решение уравнения методом простых
иттераций
|
|
|
|
|
|
|
«3»+ «4»+ «6» числители
|
F
|

|
2
|
3
|
4
|
5
|
6
|
7
|
8
|
9
|
|
37
|
3,33
|
1192,8
|
543,3
|
12,52395
|
923,6031
|
2657,681
|
37,3165
|
0,848139
|
|
37,3165
|
3,34
|
1189,396
|
543,3
|
12,59884
|
929,1263
|
2659,822
|
37,34656
|
0,080514
|
|
37,34656
|
3,34
|
1189,077
|
543,3
|
12,60595
|
929,6504
|
2660,027
|
37,34944
|
0,007696
|
|
37,34944
|
3,34
|
1189,046
|
543,3
|
12,60663
|
929,7004
|
2660,047
|
37,34971
|
0,000736
|
|
37,34971
|
3,34
|
1189,043
|
543,3
|
12,60669
|
929,7052
|
2660,049
|
37,34974
|
7,04E-05
|
|
37,34974
|
3,34
|
1189,043
|
543,3
|
12,6067
|
929,7057
|
2660,049
|
37,34974
|
0
|
=37,35 м2
Уточнение значений Δ1 и Δ2
Проверка найденных значений Δ
Неувязка составляет 71,2-71,15=0,05
Окончательно принимаем 

Заполняем таблицу
окончательными вариантами 1го приближения
|
№ п/п
|
Название
|
Символ
|
Ед. изм.
|
Предварительное
|
Окончательное
|
|
|
|
|
I корп.
|
II корп.
|
I корп.
|
II корп.
|
|
1
|
Температура греющего пара
|
t п
|
°C
|
132,9
|
100,2
|
132,9
|
93.9
|
|
2
|
Полезная разность температур
|
Δ
|
°C
|
29,5
|
41,7
|
35.8
|
35.4
|
|
3
|
Температура кипящего раствора
|
t
|
°C
|
103,4
|
58,5
|
97.1
|
58.5
|
|
4
|
Температурная депрессия
|
δ
|
°C
|
1,6
|
3,3
|
1,6
|
3.3
|
|
5
|
Температура вторичных паров
|
θ
|
°C
|
101,8
|
55,2
|
95.5
|
55.2
|
|
6
|
Гидравлическая депрессия
|
|
°C
|
1,6
|
|
1,6
|
|
|
7
|
Давление греющего пара
|
|
ата
|
3
|
1,041
|
3
|
0.835
|
|
8
|
Давление вторичного пара
|
P
|
0,910
|
0,19
|
0.885
|
0,19
|
|
9
|
Энтальпия
|
Гр. пара
|
h
|
|
2730
|
2678
|
2730
|
2667
|
|
|
Втор. пара
|
i
|
|
2681,19
|
2599,24
|
2670.2
|
2599,2
|
|
|
Кип
|
iк
|
|
558,9
|
419,99
|
558,9
|
393.4
|
|
10
|
Концентрация раствора
|
α
|
% масс
|
7,12
|
15
|
7,12
|
15
|
Уточнение значений W1, W2, Q1, Q2
Проверка результатов I приближения
Результаты расчета 1го приближения
можно считать удовлетворительными.
Определение t барометрического пара
на входе в конденсаторе смешения.
Определение давления в
конденсаторе и энтальпии вторичного пара на входе в конденсатор по найденному
значению пара 
Расход воды на
барометрическом конденсаторе смешения
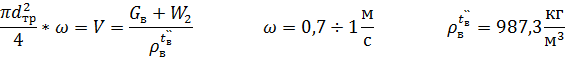
Расход парогазовой смеси
в конденсаторе (Производительность вакуумного насоса)



Удельный расход
первичного греющего пара.

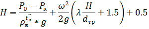
Диаметр барометрической
трубы
Высота барометрической
трубы

