|
Культура
|
Объемы производства по
годам, млн.т
|
|
2002 г
|
2003 г
|
2004 г
|
2005 г
|
2006 г
|
2007 г
|
2008 г
|
2009 г
|
2010 г
|
2011 г
|
|
Ячмень
|
2,0
|
2,1
|
1,5
|
1,5
|
1,9
|
2,0
|
2,0
|
2,8
|
3,0
|
3,0
|
|
Кукуруза
|
0,3
|
0,3
|
0,3
|
0,3
|
0,3
|
0,3
|
0,3
|
0,3
|
0,3
|
0,3
|
|
Рожь
|
0,8
|
0,5
|
0,5
|
0,5
|
0,6
|
0,6
|
0,7
|
0,6
|
0,6
|
0,6
|
|
Овес
|
0,1
|
0,1
|
0,14
|
0,14
|
0,14
|
0,16
|
0,17
|
0,16
|
0,17
|
0,17
|
|
Гречиха
|
0,4
|
0,4
|
0,3
|
0,3
|
0,2
|
0,2
|
0,2
|
0,2
|
0,3
|
0,3
|
В структуре производства зерновых культур в Казахстане, за период с
2000-2011 гг. произошли структурные изменения. Доля пшеницы существенно возросла
- с 68,7 до 80 %, доля ячменя снизилась с 23,4 до 13,9 %, доля овса - с 2,6 %
до 1,1 %, доля ржи - с 0,9 до 0,4 %, доля гречихи - с 0,6 до 0,3 %, доля проса
- с 0,4 до 0,2 %, лишь объемы производства зерна кукурузы выросли с 1,4 до 2,6
% и только за счет фуражного назначения. Такая структура зернового производства
обусловила доминирующее положение пшеницы в казахстанском экспорте зерновых -
до 92 % [11].
В Казахстане производится в среднем от 13,5 до 20,1 млн.т зерна пшеницы,
что дает право сохранять одно из лидирующих мест в СНГ после России и Украины.
Казахстанская пшеница поставляется до 28 странам мира. Средняя урожайность
зерна составляет 1,5-2,5 т/га. Рост производства зерна способствует увеличению
объемов его реализации и повышению инвестиционной привлекательности зерновой
индустрии. В среднем РК, в зависимости от урожайности, экспортирует порядка
2,8-7,0 млн. т зерна (см. таблицу 1). Расход на внутреннее потребление
составляет 7,4-7,5 млн.т. Переходящие запасы - 1,0-3,0 млн.т.
В июле по данным местных исполнительных органов в Казахстане стартовала
уборка зерновых. По состоянию на 19 июля текущего года убрано 246,9 тыс.га
зерновых культур, намолочено 254,5 тыс.т зерна при урожайности 10,3 ц/га (в том
числе в Алматинской области - 16,5 ц/га, Западно-Казахстанской - 10 ц/га,
Жамбылской - 6,8 ц/га, Кызылординской - 6 ц/га, Южно-Казахстанской области -
20,6 ц/га). Во всех вышеперечисленных областях урожайность ниже, чем в прошлом
году.
Более благоприятная ситуация складывается в областях северного региона
(Акмолинская, Костанайская, Павлодарская, Северо-Казахстанская области),
валовой сбор зерновых культур прогнозируется на уровне 11,4 млн.т при средней
урожайности 8,7 центнера с гектара. В областях западного, центрального и
восточного регионов (Актюбинская, Западно-Казахстанская, Карагандинская,
Восточно-Казахстанская области) - 1,4 млн.т при урожайности 6,3 центнера с
гектара, южного региона - 1,2 млн.т при урожайности 13,2 центнера с гектара
[12].
Международные эксперты прогнозируют, что урожайность в 2012 году составит
всего 86,5 % от уровня предыдущего года, что составляет 14 млн.т при средней
урожайности 8,7 ц/га. Таким образом, общий объем зерна к распределению с учетом
переходящих остатков прошлого МГ составит около 23,8 млн. тонн. Данного объема зерновых
культур достаточно для обеспечения внутренней потребности и отгрузки на экспорт
около 10 млн. тонн зерна [10].
Проведенный анализ показал, что Республика Казахстан обладает достаточной
сырьевой базой для зерноперерабатывающих предприятий и обеспечивает должный
уровень продовольственной безопасности на современном уровне развития. В
Республике наблюдаются недостаточные объемы производства гречихи,
продовольственной кукурузы, товарного ячменя и овса. Для решения сложившейся
ситуации потребуется усиление государственных мер по субсидированию и
диверсификации структуры растениеводства, перераспределения производственных
сил сельхозтоваропроизводителей на производство других важных крупяных и
фуражных культур. Только в этом случае будет сформирована развитая сырьевая
база, которая окажет системообразующий эффект в перерабатывающем секторе РК.
Немаловажное значение будет приобретать активизация мер по стимулированию и
переходу сельскохозяйственного производства на ресурсосберегающие технологии.
Для этих целей на сегодняшний день успешно функционирует инновационная среда
(НИИ, центры распространения знаний, технопарки и бизнес-инкубаторы и т. д.).
Необходимо продвигать новые технологии в отрасли пищевой и
перерабатывающей промышленности, в том числе био- и нанотехнологии, позволяющие
значительно расширить выработку продуктов нового поколения с заданными
качественными характеристиками, лечебно-профилактических, геронтологических и
других специализированных продуктов. Необходимо повысить глубину переработки, вовлечь
в хозяйственный оборот вторичные ресурсы, что позволит увеличить выход готовой
продукции с единицы перерабатываемого сырья.
Таким образом, в приоритетах среднесрочного периода (до 2015 гг.)
необходимо заложить реализацию следующих мероприятий:
– развитие сырьевой базы растениеводческой продукции и продукции
животноводства;
– проведение технического перевооружения организаций с внедрением
современных достижений научно-технического прогресса для снижения
энергопотребления, уменьшения вредных выбросов в окружающую среду и повышения
доходности и конкурентоспособности вырабатываемой продукции на внутреннем и
внешних рынках;
– в социальной сфере - повышение мотивации к
высокопроизводительному труду и сохранение трудовых ресурсов;
– в экономической сфере - рост прибыльности организаций как
основное условие перехода к инновационной модели развития;
– в институциональной сфере - развитие конкуренции, кооперации,
интеграционных связей и формирование продуктовых подкомплексов, территориальных
кластеров, внедрение новых технических регламентов и стандартов;
– в сфере научного и кадрового обеспечения - формирование
инновационного ядра промышленности в качестве важнейшего условия.
Приоритетами долгосрочного периода до 2020 года должны выступить:
– развитие импортозамещающих отраслей пищевой и перерабатывающей
промышленности, включая мукомольную, крупяную, пищеконцентратную и другие
отрасли зерновой индустрии;
– переход пищевой и перерабатывающей промышленности к
ресурсосберегающим технологиям, обеспечивающим безотходное производство и
производство с минимальным воздействием на экологию;
– производство комбинированных продуктов питания на основе
растениеводческого сырья, полученных по научно-обоснованному рецепту,
повышающих питательную ценность;
– переработка новых видов сырья, полученных с использованием био- и
нанотехнологий;
– усиление контроля производства экологически чистых продуктов
питания;
– обеспечение экологической безопасности продовольствия;
– наращивание экспорта продовольствия по мере насыщения внутреннего
рынка продуктами питания.
В ходе реализации мероприятий необходимо скорректировать прогнозные
показатели развития пищевой и перерабатывающей промышленности, а также вносить
корректировки в отдельные ее показатели и экономические механизмы с учетом
реально складывающейся ситуации на внутреннем и внешнем рынках.
1.4 Анализ структуры производства продуктов на
зерновой основе
За период 2005-2007 гг. в рамках реализации государственной программы
"Ауыл" Министерством сельского хозяйства проведена активная работа по
субсидированию отечественных сельхозтоваропроизводителей, что позволило многим
предприятиям пищевой и перерабатывающей промышленности адаптироваться к
условиям рыночной экономики. В этой связи перед пищевой и перерабатывающей
промышленностью стоит задача повышения эффективности работы организаций,
диверсификации структуры производства и повышения конкурентоспособности
вырабатываемой продукции.
В последние годы наблюдается стабильное увеличение объемов производства
пищевой промышленности. Пищевая и перерабатывающая (зерноперерабатывающая)
промышленность сохраняет свое лидирующее положение в структуре промышленного
производства РК. Среди факторов, создавших предпосылки для ускорения развития
предприятий по переработке сельскохозяйственной продукции и производству
продуктов питания, стали: рост доходов населения, повышающий потребительский
спрос, быстро развивающаяся сырьевая база и рост инвестиций в отрасль.
За период реализации отраслевой государственной программы в сельском
хозяйстве сформировался определенный пул производственных компаний, активно
привлекающих зарубежные инвестиции, успешно конкурирующих как на внутреннем
продовольственном рынке, так и на рынках государств-участников СНГ. В
производственном потенциале РК имеются большие зерноперерабатывающие мощности,
обеспечивающие внутренний рынок РК, составляющие в среднем 2500 тысяч тонн/год
продукции на зерновой основе.
Согласно прогнозу международных организаций ОЭСР и ФАО мировое
потребление пшеницы к 2018 году увеличится на 15 %, при этом в соответствии с
рисунком 3 рост цен на зерновые прогнозируется на 10-20 % в реальном выражении.
Рисунок 3 - Прогноз мирового потребления пшеницы по направлениям
использования, млн. тонн (по данным АО "НК "Продкорпорация")
В соответствии с рисунком 4 мировой импорт пшеницы возрастет на 18 %, в
т.ч. в Египте - на 24 %, Китае - на 50 %, Турции - на 21%. В случае отказа от
неэффективного внутреннего производства Саудовская Аравия к 2018 году будет
импортировать 3,6 млн. тонн зерна, что позволит укрепить экспортный потенциал
казахстанского зернового сырья.
Рисунок 4 - Прогноз мирового импорта пшеницы, млн. тонн (по данным АО
"НК "Продкорпорация")
Зерноперерабатывающая промышленность РК включает в себя более 10
отраслей, объединяющих более 500 действующих организаций. Спрос на продукцию
отраслей, производящих социально значимые пищевые продукты
(мукомольно-крупяная, хлебопекарная, рыбная, молочная, мясная, сахарная и
масложировая отрасли), имеет устойчивый характер ввиду усиленного развития
сырьевой базы для этих отраслей и приток инвестиций в модернизацию
технологической базы организаций пищевой и перерабатывающей промышленности.
Анализ структуры производства по объемам производства зернопродуктов в
разрезе регионов Республики Казахстан (таблица 3) показал неравномерность распределения
производственных сил зерноперерабатывающих предприятий.
Таблица 3 - Производство продуктов мукомольно-крупяной промышленности,
производство крахмалов и крахмалосодержащих продуктов
|
Наименование региона
|
Объемы производства, тонн
по годам*
|
|
|
2006 г
|
2007 г
|
2008 г
|
2009 г
|
|
Республика Казахстан
|
57 887 013
|
79 289 421
|
133 242 106
|
127 924 001
|
|
|
Акмолинская область
|
3 482 769
|
4 914 207
|
9 309 531
|
6 382 595
|
|
|
Актюбинская область
|
1 770 296
|
2 915 282
|
4 001 401
|
4 231 632
|
|
|
Алматинская область
|
4 079 079
|
4 191 975
|
7 987 864
|
7 262 453
|
|
|
Атырауская область
|
243 178
|
-
|
16 538
|
3 173
|
|
|
Западно-Казахстанская
область
|
1 394 273
|
3 058 049
|
5 151 221
|
4 869 307
|
|
|
Жамбылская область
|
2 554 239
|
3 789 557
|
2 004 050
|
1 313 904
|
|
|
Карагандинская область
|
4 816 777
|
6 219 595
|
10 366 559
|
11 774 535
|
|
|
Костанайская область
|
10 610 910
|
19 332 243
|
32 209 806
|
33 374 826
|
|
|
Кызылординская область
|
2 863 497
|
3 803 069
|
5 280 618
|
4 349 360
|
|
|
Мангистауская область
|
3 856
|
32 740
|
-
|
11 351
|
|
|
Южно-Казахстанская область
|
11 470 169
|
11 855 150
|
23 373 034
|
24 531 091
|
|
|
Павлодарская область
|
2 504 748
|
1 302 259
|
2 404 438
|
2 133 318
|
|
|
Северо-Казахстанская
область
|
2 539 916
|
4 241 374
|
8 139 901
|
9 465 870
|
|
|
Восточно-Казахстанская
область
|
4 073 516
|
6 059 044
|
9 604 063
|
|
|
г. Астана
|
3 466 491
|
4 791 351
|
7 837 499
|
6 340 644
|
|
|
г. Алматы
|
2 013 299
|
2 783 526
|
3 612 700
|
2 275 879
|
|
|
|
|
|
|
|
|
По данным Агентства Республики Казахстан по статистике (в соответствии с
рисунком 5) с 2010 года наблюдается тенденция снижения объемов производства
крупы, муки грубого помола, гранул и продукты из зерновых культур
зернопродуктов в Республике Казахстан.
Рисунок 5 - Производство крупы, муки грубого помола, гранул и продуктов
из зерновых культур зернопродуктов в Республике Казахстан
Аналогичная ситуация (в соответствии с рисунком 6) складывается и в
области производства муки из других зерновых культур и мучных смесей тонкого
помола из различных злаковых культур.
В настоящее время на крупных перерабатывающих предприятиях наблюдаются
положительные тенденции: увеличение объемов переработки крупяных культур,
совершенствование и расширение ассортиментной базовой номенклатуры выпускаемой
продукции.
Характеристика базисных показателей перерабатываемого зерна приобретает
особую значимость при получении различных сортов круп. Основными
компаниями-производителями круп в отчетном году были ТОО "Концерн
"Цесна-Астык", ТОО "Зерновая индустрия", ОАО
"Желаевский комбинат" (Уральск), ТОО "Рамазан" (Актюбе) и
многие другие.
Рисунок 6 - Производство муки из других зерновых культур и мучных смесей
тонкого помола из различных злаковых культур в Республике Казахстан
Проведенный анализ структуры крупяного производства в разрезе регионов
Республики Казахстан показал увеличение внутреннего потребления зерновых
крупяных культур, для удовлетворения которого необходимо увеличение объемов
производства крупяных культур.
Выпускаемый ассортимент крупяной продукции имеет ограниченный
характер.Структура ассортимента выпускаемых круп представлена на рисунке 7.
Рисунок 7.Структура выпускаемого в РК ассортимента круп в 2011 году
В соответствии с данными Агентства Республики Казахстан по статистике в
2011 году было произведено 226 тыс. тонн крупы, в том числе 175 тыс. тонн
рисовой крупы, что составляет 78 % от общего производства круп, 14 тыс. тонн
крупы из пшеницы, что составляет 6 % общего производства круп, а также 37 тыс.
тонн круп, полученных из зерна ячменя, кукурузы, овса и проса.
Производство рисовой крупы. Большой сырьевой потенциал производства
риса-сырца в Кызылординской области позволяет вырабатывать качественную рисовую
крупу, которая является основной производимой в Казахстане крупой.
Технологические возможности крупозаводов позволяют перерабатывать весь объем
производимого зерна на пищевые цели, в крупу. Проведенный анализ объемов
производства рисовой крупы показал, объемы производства рисовой крупы напрямую
зависят от валового сбора риса-сырца.
Так, например, в 2007 году общее производство риса-сырца уменьшилось на
11,8 % и составило 210 тыс. тонн. В 2008 году производство риса уменьшилось еще
на 16 % по сравнению с 2007 годом и составило 175 тыс. тонн, что связано с
уменьшением посевных площадей на 14,3 % - до 75,7 тыс. га. При этом наблюдалось
увеличение импорта в 1,2 раза - до 35 тыс. тонн и уменьшение экспорта в 1,2
раза - до 30 тыс. тонн.
Следует отметить, что за последние несколько лет при росте численности
населения Казахстана внутреннее потребление риса увеличилось с 2002 года на 24
%. Таким образом, в 2012 году можно ожидать дальнейшего роста потребления риса.
Производство крупы из пшеницы. Современные крупяные заводы вырабатывают
манную и пшеничную шлифованную номерную крупу на основе зерна пшеницы. Объемы
производства манной крупы характеризуется 1-2 % от общего производства сортовой
муки. Ежегодный рост объемов производства сортовой пшеничной муки сохраняет
устойчивую тенденцию увеличения объемов производства манной и пшеничной крупы.
Остальные виды производимых круп, в том числе из зерна ячменя, кукурузы,
овса и проса, составляют незначительную долю в крупяном балансе Казахстана.
Недостаточны объемы производства гречневой, гороховой и кукурузной круп.
Вырабатываемая на промышленных предприятиях крупа имеет незначительные объемы
производства высших сортов, а сельскохозяйственные крупяные цеха не
обеспечивают требований действующих стандартов на готовую продукцию.
Несмотря на малые производственные мощности крупяных предприятий,
дефицита крупяных продуктов не наблюдается. Основное потребление круп покрывает
импорт пищевой продукции в основном из стран ближнего зарубежья, что формирует
жесткие условия конкуренции среди товаропроизводителей. В этой связи повышение
уровня конкурентоспособности отечественной крупяной продукции и
совершенствование технологического процесса производства круп является
приоритетным направлением для развития крупяной промышленности в РК.
Проведенный анализ структуры производства крупяной продукции показал, что
крупяная продукция является основой продовольственной безопасности нашего
государства и играет важную роль в рационе питания населения. Основной
производимой крупой страны является рисовая, которую в прошлом году произвели в
достаточном количестве как для обеспечения внутреннего потребления республики,
так и на экспорт. Помимо рисовой крупы, ощутимые объемы производства и,
соответственно, потребления приходятся на крупу манную и пшеничную шлифованную.
Доля остальных круп крайне мала, как в объемах производства, так и в объемах потребления.
1.5 Анализ технического оснащения
зерноперерабатывающих производств
Зерноперерабатывающая промышленность составляет основу пищевой
промышленности Республики Казахстан. В соответствии с данными 2011 года
Агентства по статистике РК, насчитывается более 300 предприятий (таблица 4).
Таблица 4 - Количество предприятий по производству зернопродуктов в
разрезе регионов
|
Регион
|
Производители муки
|
Производители отрубей,
зерноотходов и т.д.
|
Производители крупы
|
Производители каш
|
|
Акмолинская область
|
35
|
7
|
1
|
-
|
|
Актюбинская область
|
9
|
-
|
3
|
-
|
|
Алматинская область
|
19
|
-
|
7
|
-
|
|
г. Алматы
|
4
|
-
|
2
|
1
|
|
Атырауская область
|
-
|
-
|
-
|
-
|
|
Карагандинская область
|
11
|
-
|
1
|
-
|
|
Костанайская область
|
72
|
1
|
4
|
-
|
|
Кызылординская область
|
1
|
-
|
-
|
-
|
|
Мангистауская область
|
1
|
-
|
-
|
-
|
|
Павлодарская область
|
8
|
-
|
7
|
-
|
|
Северо-Казахстанская
область
|
50
|
3
|
4
|
-
|
|
Южно-Казахстанская область
|
33
|
2
|
-
|
-
|
|
Восточно-Казахстанская
область
|
24
|
6
|
13
|
-
|
|
Жамбылская область
|
5
|
-
|
-
|
-
|
|
ВСЕГО:
|
272
|
19
|
42
|
1
|
Мукомольная промышленность. В соответствии со статистическими данными
Центрального Государственного архива Республики Казахстан в 1990 году в системе
хлебопродуктов РК насчитывалась 31 мельница, в том числе 2 мельницы макаронного
помола и 1 одна мельница односортного ржаного помола. Общая производственная
мощность предприятий по переработке зерна в муку составляла более 8000
тонн/сутки (или около 3 млн. тонн в год), из них 390 тонн приходились на
мельничные мощности макаронного помола, 150 тонн - ржаного и 7850 тонн - для
помола продовольственной пшеницы. Эти мощности вполне обеспечивали население
республики мукой высшего, первого и второго сортов, при этом мельничные
мощности, вводимые в эксплуатацию в 90-х гг. отличались высокой
производительностью, до 500 тонн в сутки. Мониторинг производственных мощностей
мукомольных предприятий представлен на рисунке 8.
Рисунок 8 - Количество производственных мощностей мукомольной
промышленности
В период обретения Казахстаном независимости, мукомольная отрасль
Казахстана характеризовалась бурным технологическим ростом производственных
мощностей. Проведенный анализ показал значительный рост численности
предприятий, так например если в 1990 г. в стране насчитывалась 31 мельница, то
к 1995 году общее количество мельниц в стране уже составляло 71. А в 1998 году
по статистическим данным был зарегистрирован резкий рост производственных
предприятий до 2300, которые в основном виде своей деятельности указали
"переработку зерна", как приоритетное направление.
В условиях жесткой конкуренции рыночной экономики, в период с 2000 года
наблюдается снижение численности предприятий. В 2001 году общее количество
зарегистрированных предприятий, составило 1920 мельниц. В сфере переработки
зерновых культур на 1 января 2004 г. функционировало 1922 мельницы, суммарная
мощность которых составила 20558,2 т в сутки. Потенциальная мощность этих
предприятий за год равнялась 5139 тыс.т муки.
В соответствии со статистическими данными в 2009 году, в республике
зарегистрировано 650 действующих мельниц, причем бесперебойно функционирующих -
500, которые составляли общую мельничную мощность не менее 9,0 млн. тонн (в
зерне) в год. В условиях жесткой конкуренции с рынка уходят мельницы мощностью
до 50 тонн в сутки, малые мельницы мощностью 10-30 тонн в сутки работают, как
правило, это подсобные мельницы в сельхозформированиях, производящие муку для
собственных целей.
На сегодняшний день производственные мощности способны переработать для
внутреннего рынка 5,5 млн. тонн зерна. А в 2011 году общая установленная
мощность мельниц составила более 10 млн. тонн зерна в год, что в 2 раза
превышает внутреннею потребность рынка, даже с учетом экспорта. Вместе с тем
наблюдается положительная тенденция увеличения численности предприятий путем
строительства мельниц средней мощностью 150-200 тонн в сутки. В настоящее время
общая численность мельничных предприятий по данным статистики составляет 334
предприятия.
Проведенный анализ показал, что лидерами по наличию мельничных мощностей
является ТОО "Зерновая индустрия", располагающая суммарной
производственной мощностью более 1350 тонн в сутки (в зерне), в трех областных
центрах (гг. Уральск, Актобе, Костанай). Также в число крупных производителей
муки также входят ТОО "Концерн "Цесна-Астык" (г. Астана), ТОО
"Восточно-Казахстанский мукомольно-комбикормовый комбинат" (г.
Семей), ТОО "Алтын-Дән"
(г. Шымкент), ТОО "Романа" (г. Костанай), ОАО "Сеймар"
(Капчагайский комбинат хлебопродуктов), ТОО "Концерн Цесна-Астык"
(Акмолинский мелькомбинат), ОАО "Корпорация Алтын Дирмен" (ТОО
"Алматинский мукомольный комбинат"), ТОО "Интер Трайд"
(Атбасарская мельница), ТОО "Ак бидай" (ОАО "Костанайский
мелькомбинат"), Агропромышленный комплекс "Голден Грейн"
(Мамлютская мельница) и многие другие.
Анализ распределения производственных сил мукомольного производства
показал, что крупные и средние мукомольные предприятия сосредоточены в
Костанайской и Северо-Казахстанской областях - основных зернопроизводящих
регионах страны. Объем продукции, выпускаемой промышленными мельницами
северного региона, составляет более 54 % общего выпуска муки в республике.
Уже сегодня имеющиеся мельничные мощности позволяют поставлять на экспорт
только муку, перерабатывая весь экспортный объем казахстанского зерна.
Мельничные комплексы, которые действуют сейчас в республике, построены или
полностью модернизированы в последние 10-12 лет.
Крупяная промышленность. Республика Казахстан характеризуется слабым
уровнем развития производственных мощностей, обусловленным непропорциональным
размещением крупяных предприятий и ограниченным ассортиментом вырабатываемой
растениеводческой продукции, преимущественно крупяных культур. Вместе с тем,
существуют передовые селекционные разработки отечественных аграриев, которые
отличаются высокой пищевой и питательной ценностью. Такая ситуация подтверждает
необходимость диверсификации структуры растениеводства, путем ухода от
монокультурного возделывания зерна пшеницы, что в конечном результате приведет
к технологическому развитию крупяного производства в Республике Казахстан.
Анализ статистических данных Центрального Государственного архива
Республики Казахстан показал, что в 1986 г. зарегистрировано лишь 8 крупяных
заводов по производству ячменной и пшеничной круп. В настоящее время
численность крупяных предприятий увеличилась в сторону сокращения численности
высокопроизводительных заводов и увеличения численности крупозаводов средней и
малой мощности.
Современная производственная мощность предприятий позволяет вырабатывать
до 40 тыс.тонн крупы в год. Однако, данные о количестве крупяных предприятий
значительно разнятся, в связи с технологическими простоями, вследствие
отсутствия зернового сырья для производства круп.
Проведенный анализ размещения производственных сил по производству
крупяной продукции показал, что распределение крупяных заводов тяготеет к
районам производства сырья. Основными регионами производства круп являются
Кызылординская - производство рисовой крупы, Актюбинская - производство пшенной
и ячменной крупы, Павлодарская - производство овсяной и ячменной крупы,
Уральская область - производство ячменной крупы. В начале 90-х годов были
запроектированы и введены в эксплуатацию крупяные заводы в Чимкентской и
Целиноградской областях по производству ячменной и пшеничной круп. Недостаточны
объемы производства гречневой, овсяной, кукурузной и гороховой круп.
Повышение эффективности зерноперерабатывающих
предприятий должно предполагать организацию машиностроительных заводов по
сборке технологического оборудования для крупных, средних и малых предприятий.
В Казахстане изготавливается ограниченный перечень оборудования для производства
зернопродуктов, в основном несложные конструкции, предназначенные для малых
предприятий: мини-мельниц, крупорушек. Продукция отличается невысоким
техническим уровнем. Главная проблема изготовителей - низкий спрос на продукцию
и ограниченные возможности по изготовлению и поставке полного комплекта
оборудования для мельницы или крупозавода. В этой связи низкая
конкурентоспособность отечественной продукции дает возможность заполнения рынка
оборудованием дальнего и ближнего зарубежья.
В соответствии с разработанной в 2006 году Системой машин и технологий
для зерноперерабатывающего комплекса в информационной базе данных
технологического оборудования зарегистрировано более 200 предприятий стран СНГ,
которые предлагают оборудование для зерноперерабатывающей отрасли. По данным
МСХ РК, транспортно-технологический комплекс отечественных предприятий по
производству зернопродуктов укомплектован в большей степени оборудованием
турецкого производства, мощностью в среднем 150-250 тонн в сутки. Имеется
оборудование российского и украинского производства. Высокотехнологичные
предприятия оснащены технологическим оборудованием швейцарской компании
"Buhler".
Несмотря на тенденции снижения объемов
машиностроительного производства, из-за отсутствия заказов на капитальное
строительство и реконструкцию, номенклатура оборудования для
мукомольно-крупяной промышленности расширилась. Машиностроительные предприятия
России, Украины и Беларуси предлагают более 900 наименований
высокотехнологичного оборудования для мукомольно-крупяной промышленности,
оснащенных современными автоматизированными системами и измерительными
средствами. Налажено производство более 150 моделей вспомогательного
оборудования.
Вместе с тем актуальным направлением является освоение
машиностроительными предприятиями оборудования для крупяных заводов,
пищеконцентратной промышленности, продуктов высокой степени готовности и многие
виды шелушильного, упаковочно-фасовочного, взвешивающего оборудования.
Проведенный анализ современного состояния транспортно-технологического комплекса
предприятий по переработке зерна показал, что имеются предприятия, которые
работают по сокращенным и упрощенным технологическим схемам и на оборудовании,
которое не обеспечивает производство высококачественной и конкурентоспособной
продукции. Такие предприятия требуют модернизации материально-технической базы,
применения современных технологий и новых достижений науки.
В результате проведенного анализа установлены следующие основные
системные проблемы, характерные для всех отраслей пищевой и перерабатывающей
промышленности:
– недостаток сельскохозяйственного сырья с определенными качественными
характеристиками для промышленной переработки;
– неразвитость системы экспресс-анализа качества зерна;
– моральный и физический износ технологического оборудования,
недостаток производственных мощностей по отдельным видам переработки
сельскохозяйственного сырья;
– низкий уровень конкурентоспособности производителей пищевой
продукции на внутреннем и внешнем продовольственных рынках, за исключением
пшеничной муки;
– неразвитая инфраструктура хранения, транспортировки и логистики
товародвижения пищевой продукции;
– недостаточное соблюдение экологических требований в промышленных
зонах организаций пищевой промышленности.
Слабая материально-техническая база организаций пищевой и
перерабатывающей промышленности и неразвитая инфраструктура хранения,
транспортировки сырья не позволяют комплексно перерабатывать исходное сырье и
создавать оптимальные условия для хранения, что приводит к дополнительным
потерям, снижению безопасности и качества.
Недостаточен уровень внедрения в производство современных видов упаковки,
что позволит решить вопросы повышения качества и безопасности продукции,
оптимизации процесса товародвижения.
Отсутствие высвобожденных финансовых средств у предприятия, что в
значительной степени тормозит процесс модернизации и внедрения
ресурсосберегающих безотходных технологий, диверсификацию производства, решение
экологических проблемы.
Наряду с внедрением нового оборудования необходимо повысить уровень автоматизации
технологических процессов; внедрить систему автоматического контроля операции
взвешивания, очистки зерна от мелких и легких примесей, контроля влажности
зерна и расхода воды; системы автоматической стабилизации увлажнения зерна,
контроля и управления эффективностью сортирования промежуточных продуктов,
степени измельчения; систему контроля выходов и качества готовой продукции.
Для решения задачи повышения конкурентоспособности продукции
отечественных товаропроизводителей, создания условий для обеспечения
импортозамещения в отношении социально значимых продуктов питания и наращивания
экспортного потенциала необходимо осуществить:
– разработку государственных мер по проведению разумной
протекционистской политики с целью обеспечения импортозамещения в отношении
продукции, имеющей социальное значение;
– выстраивание приоритетов для проведения модернизации
промышленности;
– внедрение современных методов управления и системы интегрального
контроля показателей качества и безопасности продовольственного сырья и пищевых
продуктов на этапах переработки, транспортирования и хранения;
– внедрение технологий производства продуктов высокой степени
готовности, полуготовности, а также разработка щадящих режимов переработки
растениеводческой продукции, с сохранением питательных веществ в химическом
составе;
– внедрение биотехнологий, технологий замкнутого цикла с более
эффективной выработкой целевого продукта, с сокращением потерь сырья,
производством пищевых и кормовых продуктов с различными функциональными
свойствами, что позволит повысить степень переработки сырья, расширить
ассортимент выпускаемой продукции и нарастить кормовую базу для животноводства
и птицеводства, решить экологические проблемы;
– обеспечение всей продукции упаковкой, которая позволит сохранить
ее качество и безопасность, создание и внедрение в производство новых
упаковочных материалов с антимикробными добавками, которые продлевают срок
годности продукции, а также биоразлагаемой упаковки;
– подготовку современного квалифицированного промышленно-производственного
персонала с учетом требований инновационной экономики;
– внедрение энергосберегающих технологий, обеспечивающих глубокую
переработку зерна, повышающих выход готовой продукции с единицы зернового
сырья;
– упорядочить производство мукомольно-крупяной продукции,
расширение ее ассортимента и повышение качества, сокращение импорта продуктов
на злаковой основе за счет увеличения собственного производства;
– внедрение новых технологий по утилизации отходов крупяного
производства (лузги) с получением кормовых продуктов, сырья для
фармацевтической промышленности;
– внедрение современного технологического оборудования,
обеспечивающего улучшенную подготовку зерна к помолу, и за счет этого снижение
на 30 % расходов энергоресурсов на переработку зерна и повышение выхода готовой
продукции;
– внедрение технологий по выпуску продуктов быстрого приготовления
или готовых к употреблению продуктов.
Принимаемые меры по развитию пищевой и перерабатывающей промышленности
будут ориентированы на решение основных системных проблем, формирование нового
промышленного потенциала, модернизацию и развитие инноваций в отраслях пищевой
и перерабатывающей промышленности, повышение качества жизни различных
социальных слоев населения. Проведение модернизации мукомольно-крупяной промышленности
позволит повысить степень переработки зерна, расширить ассортимент
вырабатываемой продукции, вовлечь в хозяйственный оборот вторичные ресурсы,
снизить удельный расход энергоресурсов на единицу выпускаемой продукции.
1.6 Основные технологические процессы
производства полизлаковых продуктов
Построение технологического процесса переработки зерновых культур в крупы
повышенной пищевой ценности сводится к соблюдению следующих условий [13]:
– размещение поступающего на предприятие зерна с учетом показателей его
качества;
– рациональное и равномерное использование различных по качеству
партий зерна путем составления заранее разработанной смеси;
– расширение ассортимента крупяной продукции и улучшение
экономических показателей предприятия;
– построение взаимозаменяемого технологического процесса по схеме,
т.е. возможность на одном комплекте технологического оборудования
перерабатывать раздельно две-три крупяные культуры, что обеспечивает
максимальное использование существующей базы предприятия;
– основной комплект оборудования зерноочистительного отделения
может быть использован для очистки нескольких культур;
– при необходимости установки дополнительного технологического
оборудования необходимо устанавливать обводные самотечные трубы, предусматривая
возможность исключения той или иной машины из процесса переработки;
– вместимость емкостей должна быть рассчитана по той культуре, у
которой натура меньше, а углы наклона самотечных труб и уклон днищ емкостей по
культуре, у которой угол естественного откоса больше;
– при переводе завода (цеха) с переработкой одной культуры на
другую заменять сита в сепарирующих и просеивающих машинах и режим
аспирационного оборудования;
– однотипным является комплект машин для сортирования продуктов
сортирования зерна (рассева, крупосортировочные машины), камнеотделительные;
– для рекомендуемой технологии характерно использование и одного
типа шелушителя ударно-истирающего действия, предусматривая переработку
пшеницы, ячменя, овса, (можно включить и переработку таких культур как рожь,
кукуруза, горох), изменение режима предварительного их увлажнения и
кратковременного отволаживания и режима работы шелушильной системы;
– построение технологического процесса по комбинированной
(унифицированной) схеме предусматривает наиболее эффективное использование
сырья и оборудования;
– правильный режим работы отдельных машин с учетом технологических
особенностей перерабатываемого зерна, равномерной загрузки технологического и
энергетического оборудования;
– упаковку готовой продукции установленной стандартной массой и
маркировку в строгом соответствии с вырабатываемым ассортиментом;
– систематический контроль технологического процесса и качество
сырья, промежуточных продуктов и готовой продукции;
– строгое соблюдение санитарно-гигиенического режима,
установленного действующими санитарными правилами;
– оформление операций с зерном, готовой продукцией, побочными
продуктами, отходами и тарой в соответствии с действующими инструкциями;
– установку и уход за магнитной защитой (аппаратами) в соответствии
с нормами и правилами.
Контроль технологического процесса, качества сырья и готовой продукцией
ведется с целью выявления и налаживания режимов переработки зерна на условия,
обеспечивающих получение продукции наиболее высокого качества, с высоким выходом,
наиболее полного использования сырья и оборудования. Контроль ведется
лабораторией путем лабораторного анализа поступающего зерна, промежуточных
продуктов, готовой крупой и отходов, отобранных в контрольных точках
технологического процесса, и обслуживающим персоналом на рабочих местах.
Технологическое оборудование по очистке должно обеспечивать эффективное
разделение примесей (таблица 5).
Таблица 5 - Эффективность работы зерноочистительных машин
|
Оборудование
|
Эффективность работы
|
|
Сепараторы, аспираторы с
замкнутым циклом воздуха (после всех последовательных пропусков)
|
Полное отделение крупного
сора; Отделение мелкого и легкого сора не менее 95 %
|
|
Камнеотборники
|
Отделение минеральной
примеси не менее 95 %
|
|
Триера
|
Отделение длиной и короткой
примеси не менее 80-85 %
|
Технологическая эффективность работы шелушильных машин характеризуется
следующими данными (таблица 6).
Таблица 6 -
Эффективность работы шелушильных машин
|
Культура
|
Наименование шелушильного
оборудования
|
Эффект работы
|
|
Просо
|
Вальцедековый станок
|
Количество шелушенных зерен
после системы шелушения должно составлять 90-95 %. Количество дробленого ядра
после шелушения не должно превышать 5 %
|
|
Овес
|
Шелушитель истирающего
принципа действия
|
Количество шелушенных зерен
после шелушения должно составить не менее 96 %. Количество дробленых частиц
ядра не должно превышать 5-6 %
|
|
Ячмень
|
Шелушитель истирающего
принципа действия
|
Количество нешелушенных
зерен в пенсаке не должно превышать 5 %
|
|
Пшеница
|
Шелушитель истирающего
принципа действия
|
Количество дробленых зерен
не должно превышать 15 %, снижение зольности после шелушения должно составить
0,07-0,09 %
|
Качество зерна перед 1-ой шелушильной системой, после очистки и
увлажнения, должно соответствовать следующим показателям (таблица 7).
Таблица 7 - Качество партий зерновых культур, направляемых на шелушение
|
Культура
|
Влажность, %, не более
|
Сорная примесь, %, не более
|
в том числе, %, не более
|
|
|
|
минеральной примеси
|
куколя
|
головни и спорыньи
|
горчака и вязеля
|
|
Просо
|
13,5 14,5
|
0,3
|
0,1
|
-
|
0,03
|
0,02
|
|
Овес
|
10,0 14,0
|
0,3
|
0,1
|
0,1
|
0,03
|
0,02
|
|
Ячмень
|
15,0
|
0,4
|
0,1
|
-
|
0,03
|
0,02
|
|
Пшеница
|
14,5
|
0,4
|
0,1
|
0,1
|
0,03
|
0,02
|
Подготовка зерновых культур в зерноочистительном отделении крупозавода.
Технологический процесс подготовки зерновых культур в зерноочистительном
отделении должен обеспечить:
– производительность, необходимую для ритмичной работы завода в целом;
– эффективную очистку зерна от примесей;
– эффективную обработку поверхности (шелушение) зерна;
– кондиционирование зерна в соответствии с установленными режимами.
При построении схемы подготовки зерна следует руководствоваться
рекомендуемой последовательностью технологических операций и порядком
применения систем и машин, указанной в таблице 8.
Технологический процесс переработки ячменя в крупу повышенной пищевой
ценности. Схема подготовки ячменя к переработке в крупу ведется по
взаимозаменяемой технологии (рисунок 9).
Таблица 8 - Порядок применения системы машин для подготовки зерновых
культур к переработке в крупу (по взаимозаменяемой схеме)
|
Наименование операций
технологического процесса
|
Ячмень
|
Овес
|
Просо
|
Допускается переработка
ржи, тритикале, риса, кукурузы
|
|
Прием зерна из
зернохранилища
|
+
|
+
|
+
|
+
|
|
Формирование помольных
партий
|
+
|
+
|
+
|
+
|
|
Взвешивание
|
+
|
+
|
+
|
+
|
|
Сепарирование
|
+
|
+
|
+ (трехкратное)
|
+
|
|
Выделение минеральной
примеси
|
+
|
+
|
+
|
+
|
|
Выделение коротких примесей
|
+
|
+
|
-
|
+
|
|
Выделение длинных примесей
|
+
|
+
|
-
|
+
|
|
Выделение металломагнитных
примесей
|
+
|
+
|
+
|
+
|
|
Увлажнение зерна
|
+
|
+
|
-
|
+
|
|
Кратковременное
отволаживание
|
+
|
+
|
-
|
+
|
|
Интенсивная обработка
поверхности зерна (шелушение)
|
+
|
+
|
3-х системное шелушение на
вальцедековом станке
|
+
|
|
Выделение легкой примеси
|
+
|
+
|
+
|
+
|
|
Сортирование продуктов
шелушения
|
+
|
+
|
+
|
+
|
Рисунок 9 - Технологическая схема подготовки зерновых культур к
переработке в крупу (взаимозаменяемая схема)
В соответствии с рисунком 9, ячмень в зерноочистительном отделении
очищают путем:
– однократного пропуска всей зерновой массы через сепаратор с кольцевым
ситом, в котором производят очистку от примесей, отличающихся от основного
зерна по ширине, толщине, плотности с установкой сит 2,4х20 (мм) и 2,2×20
(мм);
– однократного пропуска через камнеотделитель для выделения
минеральной примеси;
– однократного пропуска через овсюгоотборники, для выделения овса,
овсюга и других примесей, отличающихся от ячменя по длине;
– при необходимости однократного пропуска через куколеотборник, для
выделения куколя, вьюнка и гречишки вьюнковой.
Мелкий ячмень, получаемый на сепараторе проходом через сито 2,2×20 мм, направляют в бурат для
контроля мелкого зерна, где проходом через сито Ø 1,6 мм из мелкого зерна извлекают отходы
III категории.
Перед шелушением без сортирования на фракции ячмень подвергают
предварительному увлажнению в увлажнительных машинах с последующим
отволаживанием 10-15 мин, прирост влаги в зерне составляет не более 1,0- 1,5 %.
Шелушение ячменя производят на машинах ударно-истирающего принципа действия. К
нешелушенным зернам в пенсаке относят зерна, полностью сохранившие цветковую
пленку.
Продукт (пенсак), провеивают в аспираторе для отделения лузги и
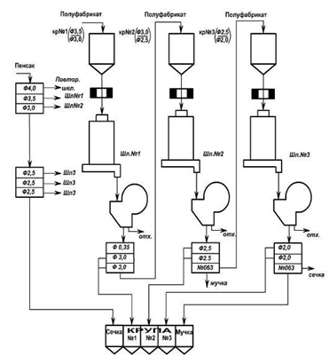
направляют на сортирование в рассевах по фракциям крупности (рисунок 10).
В соответствии с рисунком 10 сортирование пенсака по крупности
осуществляют на ситах Ø4,0, Ø3,5, Ø3,0 мм. Проход сит Ø3,0
мм пропускают через
рассев с ситами Ø2,5 мм и Ø2,0 мм. Сходом сита Ø3,5-3,0
мм получают фракцию
пенсака, который направляется на шлифовальные системы для получения крупы № 1,
№ 2 лишь только для небольшого округления ядра.
Рисунок 10 - Технологическая схема получения крупы повышенной пищевой
ценности из ячменя (типа перловой)
Проход сита Ø3,0 мм дробленая фракция пенсака
направляется на дополнительное просеивание на сита Ø2,5
мм, Ø2,0
мм, схода которых
направляются на получение крупы № 3.
Шелушенный ячмень (пенсак) пофракционно направляют на шлифование,
используя машины типа А1-ЗШН, с последующим провеиванием на аспирационных
машинах.
Сортирование продуктов шлифования осуществляют в рассевах А1-БРУ с
использованием следующих сит (мм):
– крупа № 1 - Ø3,5; 3,0;
– крупа № 2 - Ø2,5; № 063;
– крупа № 3 - Ø3,0; № 063.
Крупу каждого номера пропускают через магниты и направляют в емкости
готовой продукции.
В результате переработки ячменя в крупу повышенной ценности выход
продукции соответствует данным таблицы 9.
Таблица 9 - Ассортимент и выход продукции при переработке ячменя
|
Продукты переработки
|
Выход, %
|
|
Крупа перловая:
|
|
|
№ 1
|
38-40
|
|
№ 2
|
25-28
|
|
№ 3
|
|
Итого крупы
|
70
|
|
Кормовая мучка
|
17,0
|
|
Лузга
|
7,0
|
|
Мелкий ячмень
|
3,0
|
|
Отходы I-II
категории
|
1,0
|
|
Отходы III
категории и механические потери
|
0,7
|
|
Усушка
|
1,3
|
Технологический процесс переработки овса в крупу повышенной пищевой
ценности. Технология подготовки овса к переработке в крупу осуществляется по
взаимозаменяемой схеме (см. рисунок 9). Очистку зерна от сорных примесей,
щуплых и недоразвитых зерен производят путем однократного пропуска через
сепаратор с кольцевым рабочим ситом, которое устанавливают с размером отверстий
1,8×20 мм. Затем зерновую массу
дополнительно очищают в триерах, куколеотборнике (мелкую фракцию) и
овсюгоотборнике (крупную фракцию) от примесей, отличающихся от овса по длине.
Мелкое зерно контролируют в буратах, где проходом сит с отверстиями (1,3÷1,5)×20 мм выделяют мелкие примеси.
Перед шелушением без сортирования зерна по фракциям крупности овес
подвергают предварительному увлажнению в увлажнительных машинах с последующим
отволаживанием 5-10 мин, прирост влаги составит в зерне не более 1,0-1,5 %.
Шелушение овса осуществляют без деления на фракции на машине
ударно-истирающего действия. Продукты шелушения провеивают для отбора мучки от
лузги. Отделение ядра от шелушенных зерен производят на падди-машинах. Для этой
цели можно применить дисковый овсюгоотборник.
После отвеивания лузги в аспираторе смесь ядра овса, дробленки,
нешелушеных зерен сортируют в рассеве А1-БРУ.
Сходом сита с отверстиями 1,8×20 мм получают овсяную крупу целую,
проходом - дробленку, сходом сита с отверстиями 2,0×20 мм оставшиеся зерна нешелушенного
овса направляют на повторное шелушение.
Выход продуктов переработки овса представлен в таблице 10.
Таблица 10 - Ассортимент и выход продукции при переработке овса
|
Продукты переработки
|
Выход, %
|
|
Крупа овсяная недробленая
|
53
|
|
Мучка и дробленка кормовая
|
8
|
|
Отходы I-II
категории
|
2,8
|
|
Лузга
|
27
|
|
Мелкий овес
|
5
|
|
Отходы III
категории и механические потери
|
0,7
|
|
Усушка
|
3,5
|
|
Итого
|
100
|
Технологический процесс переработки проса в крупу повышенной пищевой
ценности. В соответствии с рисунком 11 очистку проса от сорных примесей, мелких
и недоразвитых зерен (остряка) производят путем:
– однократного пропуска через экспериментальный сепаратор с кольцевым
ситом;
– однократного пропуска через камнеотборную машину;
– дополнительного пропуска через сепаратор для разделения на две
фракции крупности или рассев АI-БРУ.
Рисунок 11 - Технологическая схема получения овсяной недробленой крупы
повышенной пищевой ценности
Обработку поверхности проса производят путем трехкратного
последовательного пропуска через однодековые шелушители (вальцедековые станки).
Шелушение крупной и мелкой фракции проса на 1-й шелушильной системе производят
раздельно. Характеристика валков вальцедековых станков представлена в таблице
11.
Таблица 11 - Характеристика валков вальцедековых станков
|
Система
|
Окружная скорость, м/с
|
Зернистость абразивного
материала
|
|
|
№ по ГОСТ 3647-71
|
соотношение
|
|
1-я шелушильная
|
15,5
|
80, 63
|
1:1
|
|
2-я шелушильная
|
15,5
|
63, 50
|
1:1
|
|
3-я шелушильная
|
15,5
|
63, 50
|
1:1
|
Количество шелушенных зерен и дробленого ядра в продуктах, которое должно
быть после шелушения проса в вальцедековых станках, представлено в таблице 12.
Таблица 12 - Количество шелушенных зерен и дробленого ядра в продуктах
после шелушения проса в вальцедековых станках
|
Система
|
Шелушенные зерна, % не
менее
|
Дробленое ядро, % не более
|
|
После 1-й системы
|
80-90
|
2,0
|
|
После 2-й системы
|
90-95
|
3,7
|
Полученное пшено-дранец не подвергают шлифованию, а направляют на
двукратное провеивание и в емкость готовой продукции.
Выход продукции при переработке проса в крупу повышенной ценности
соответствует данным таблицы 13.
Технология производства полизлаковых продуктов высокой степени готовности
на основе цельносмолотого зернового сырья. Составляется мучная смесь в
соответствии с разработанной рецептурой. В качестве сырья для составления
полизлаковой смеси используют муку из цельносмолотого зерна ячменя, кукурузы,
овса, гречихи и проса.
Таблица 13 - Ассортимент и выход продукции при переработке проса
|
Продукты переработки
|
Выход, %
|
|
Крупа пшено-дранец
|
69
|
|
Дробленка кормовая
|
2
|
|
Мучка
|
5,5
|
|
Лузга
|
15,5
|
|
Отходы I-II
категории
|
7
|
|
Отходы III
категории и механические потери
|
0,5
|
|
Усушка
|
0,5
|
|
Итого
|
100
|
В соответствии с рисунком 12 технологический процесс производства
полизлаковых продуктов питания высокой степени готовности предусматривает
эффективное ведение следующих технологических процессов: дозирование,
смешивание, экструдирование, охлаждение, упаковка и складирование готовой
продукции.
Способ производства полизлаковых продуктов питания высокой степени
готовности заключается в следующем. Для ведения технологического процесса
производства полизлаковых продуктов высокой степени готовности применяют
следующее технологическое оборудование: транспортирующие механизмы 1,
просеиватель муки 2, оперативные бункера 3, дозаторы 4, цепной (или шнековый)
транспортер 5, смеситель 6, экструдер 7, барабанная сушилка 8 и бункер для
готовой продукции 9.
Исходное мучное сырье (мука из цельносмолотого зерна овса, гречихи,
проса, кукурузы и соевая обезжиренная мука) в соответствии с
научно-обоснованной рецептурой подается транспортирующим устройством 1 в
просеиватель муки 2, в результате чего удаляется крупная примесь (слежавшиеся
комочки муки и посторонние включения).
Рисунок 12 - Технологическая схема производства экструдированных
полизлаковых продуктов высокой степени готовности
При этом режим работы просеивателя должен обеспечивать максимальное
отделение выделение крупной примеси (слежавшихся комочков муки) и исключать
попадание в отходы более 1 % муки. В просеивателях устанавливают металлотканые
ситовые полотна размером 056.
Номера сеток проволочных тканых с квадратными ячейками принимают по ГОСТ
3826-66, ГОСТ12184-66 и ГОСТ 3924-74.
Содержание посторонней примеси в очищенной муке, а также металломагнитной
примеси (следы) не допускается.
Далее мучное сырье подается в оперативные бункера 3 для создания
сырьевого запаса на технологической линии. После чего равномерным потоком в
соответствии с заданной рецептурой сыпучее мучное сырье подается в
автоматические дозаторы 4, отвешенные порции мучного сырья цепным (или
шнековым) транспортером 5 подаются в лопастной смеситель 6, для получения
однородной по составу полизлаковой смеси. Полученная смесь загружается в
пищевой экструдер 7, где в результате высокотемпературной экструзии происходит
разрушение полимерной структуры основных компонентов крахмалосодержащего сырья,
клейстеризация и желатинизация, вызванная действием высокой температуры,
возникающей при переходе механической энергии (энергии трения материала о
поверхность экструдера и внутреннего трения материала при его перемещении) в
тепловую энергию, вызывая при этом набухание крахмала в полизлаковой смеси.
Экструдирование полизлаковой смеси осуществляется горячим способом. Оптимальные
параметры процесса приведены в таблице 14.
Оптимальный режим работы экструдера отрабатывали на пробах муки 1 сорта.
Установив равномерную нагрузку на рабочие органы экструдера, поочередно
засыпались экспериментальные пробы полизлаковой смеси в приемный бункер
питателя экструдера. Для различия продуктов высокой степени готовности в
полизлаковую смесь добавили незначительное количество пищевого красителя,
который придает продукту светло-зеленую окраску.
Таблица 14 - Технологические параметры процесса экструзии
|
Наименование параметра
экструзии
|
Значение
|
|
начальное
|
конечное
|
|
Виды экструзии
|
горячий
|
|
Массовая доля влаги, %
|
10
|
20
|
|
Температура, °С (на выходе,
готовой продукции)
|
130
|
250
|
|
Давление, МПа
|
12
|
25
|
|
Число оборотов, об/мин
|
80
|
250
|
|
|
|
|
Преимуществом процесса экструзии методом "горячей экструзии"
является то, что в зоне плавления экструдера достигается средняя температура
170-180 °С, при этом происходит разрушение полимерной структуры основного
компонента (крахмалосодержащего сырья), клейстеризация и желатинизация набухших
зерен крахмала, которая может быть вызвана действием высокой температуры,
возникающей при переходе механической энергии (энергии трения материала о
внутреннюю поверхность рабочих органов экструдера и внутреннего трения
материала при его перемещении) в тепловую энергию. В результате экструзии
наблюдается сохранение белковых веществ наряду с превращением полисахаридов в
более легкоусвояемые олигосахариды.
Наибольшим изменениям в процессе экструзионной обработки подвергается
углеводный комплекс сырья, особенно крахмал. Степень изменения крахмала в этом
случае зависит от ряда факторов: свойств исходного материала; скорости и
предела повышения температуры нагрева; интенсивности механического воздействия;
состояния крахмальных полисахаридов; количества влаги.
По мере поступления продукта в зону выпускного устройства подключали
барабанную сушилку 8. Полученные гранулы (экструдат) после экструдера охлаждают
в барабанной сушилке 8, при установившемся режиме работы, который обеспечивает
температуру охлажденных гранул не более чем на 10 °С выше температуры
окружающей среды.
Барабанная сушилка представляет собой консольно закрепленный, вращающийся
перфорированный цилиндр, на внутренней поверхности которого радиально
закреплены лопасти, направленные в сторону выпуска готовой продукции.
После охлаждения продукт поступает в бункер для готовой продукции 9,
оборудованный выпускными устройствами, и далее в склад готовой продукции.
1.7 Структурно-механические свойства
полизлакового сырья
Зерновое сырье представляется собой твердую дисперсную систему, которую в
процессе переработки в продукты питания подвергают различным механическим
воздействиям.
В результате механического нагружения зернового сырья, в процессе
переработки, имеют значение такие реологические свойства, как упругость,
прочность, твердость (жесткость), текучесть, хрупкость, внешнее трение и т.д.
[14-29].
Прочность определяет способность материала оказывать сопротивление
разрушающему воздействию внешних сил в процессе технологической обработки
(измельчение, смешивание, гранулирование).
Для оценки прочности используют различные меры контроля: предел
текучести, временного сопротивления, предел прочности и т.д.
Предел прочности σр представляет собой такое напряжение, в результате
которого происходит разрушение материала. В свою очередь величина σр зависит от вида деформации (разрыв,
сжатие, сдвиг, срез и т.д.), так как предел прочности различен у каждого
материала.
Для описания упругих свойств материалов используют особые величины
[14-29]:
– модуль упругости Юнга
(1)
– коэффициент Пуассона
(2)
– модуль сдвига
(3)
– объемный модуль упругости
(4)
где σ - нормальное напряжение; τ - касательное напряжение; ε1
- продольная деформация;
ε2
- поперечная деформация;
γ
- деформация сдвига.
Жесткость - свойство материала сопротивляться деформирующему воздействию
приложенных сил, при этом сохраняя неизменную форму и взаимное расположение
структурных элементов.
В случае простых деформаций, в пределах выполнимости закона Гука,
жесткость численно определяется как произведение модуля упругости или модуля
сдвига на некоторые физические характеристики тела [14-29]:
– при
растяжении-сжатии, произведение модуля упругости на площадь поперечного
сечения:
;
– при
сдвиге, произведение модуля сдвига на площадь поперечного сечения:
;
– при
изгибе, произведение модуля упругости на осевой момент инерции:
.
В таблице 15 приведены показатели структурно-механических свойств зерна
различных культур при двух значениях влажности [30].
Все приведенные выше величины не являются постоянными, они подвержены
изменениям под влиянием ряда факторов (влажность, температура, геометрические
параметры материала и т.д.). Для большинства материалов значения коэффициента
Пуассона лежат в границах 0,2-0,5, отношение модуля упругости к модулю сдвига -
в пределах 2…3, отношение модулей упругости при всестороннем и одностороннем
сжатии - 0,3…3,3.
Существенное влияние на прочностные свойства зерна оказывает консистенция
эндосперма, его стекловидность. Пластические свойства сильнее выражены у зерна
с мучнистым эндоспермом, особенно повышенной влажности [30].
Таблица 15 - Структурно-механические свойства зерна различных культур
|
Культура
|
Влажность, W,%
|
Предел прочности, σр, МПа
|
Модуль упругости, Е, МПа
|
|
Пшеница
|
11,6 17,0
|
5,20/5,68 3,20/3,70
|
40,2/45,0 19,8/20,5
|
|
Ячмень
|
11,6 17,0
|
4,90/5,10 3,40/3,89
|
37,7/42,5 18,9/22,8
|
|
Овес
|
11,6 17,0
|
3,60/3,80 1,25/1,80
|
15,0/19,0 3,7/4,6
|
|
Кукуруза
|
11,6 17,0
|
9,50/10,2 7,80/8,30
|
100,8/110,5 14,5/15,8
|
|
Гречиха
|
11,6 17,0
|
3,89/4,15 1,87/2,49
|
21,6/27,7 7,9/9,8
|
|
Просо
|
11,6 17,0
|
4,30/4,56 2,36/2,86
|
26,9/32,6 9,9/13,7
|
По своей структуре зерновое сырье является сыпучим материалом, в этой
связи имеется способность принимать форму емкости и возможность движения
потоком делают сыпучий материал похожим на жидкость, но каждая отдельная,
индивидуальная частица проявляет все свойства твердого тела. В отличие от
жидкостей сыпучие материалы имеют ограниченную подвижность, определяемую силами
взаимодействия частиц в местах контакта их поверхностей. Эти силы зависят от
сил трения, возникающих при перемещении частиц относительно друг друга, и сил
сцепления, которые определяются их физико-механическими свойствами [14-29].
Каждая отдельная зерновка является примером простого поведения материала
при нагружении и является идеально упругим телом, состояние которого
описывается уравнением Гука [14-29]:
(5)
где
G - напряжение сдвига, Па; γ - скорость сдвига, с-1.
Реологическое
состояние простейшего вязкоупругого твердого тела описывается законом Кельвина
[14-29]:
(6)
Уравнение
кинетики деформации выводят, интегрируя уравнение (6):
(7)
где
- период упругого последствия.
Скорость
деформации [14-29]:
(8)
Причем
состояние равновесия достигается при значении
.
После
нагрузки негуковского тела деформация медленно уменьшается и может быть описана
уравнением [14-29]
(9)
Сложным
же вязкоупругим телам, которые обладают упругим последствием и релаксацией,
дается описание уравнением Максвелла-Томсона [14-29]
(10)
где
- период упругого последствия (ползучести);
- период релаксации.
Течение
твердых тел наблюдается при превышении критического напряжения - предела
текучести. Но при этом, кроме обратимой упругой деформации, происходит
остаточная пластическая деформация. При длительном нагружении достигается
предел прочности, при превышении которого твердое тело разрушается. Это явление
можно наблюдать при таких процессах, как измельчение, дробление и резка, и
поэтому имеет важное технологическое значение.
При разрушении без существенных изменений формы, говорят о хрупком
разрушении, а при значительном изменении формы, говорят о вязком разрушении
[14-29].
полизлаковый
смесь зерновой экструдирование
1.8 Анализ существующих технических и
технологических решений по производству продуктов высокой степени готовности и
круп быстрого приготовления
Современные технологии по приданию потребительских свойств пищевым
продуктам применяют большое многообразие различных технологических средств и
оборудованиями. Так, например, для придания более выровненного
гранулометрического состава применяют измельчающие устройства, для равномерного
распределения компонентов, входящих в рецептуру полизлакового продукта,
применяют смесители, для повышения степени готовности применяют машины для
экструдирования [31-66].
На сегодняшний день казахстанский спрос на технологическое оборудование
для зерноперерабатывающей промышленности в большей степени удовлетворяется за
счет продукции машиностроительных комплексов ближнего и дальнего зарубежья. Так
на рынке технологического оборудования присутствуют такие компании как ОАО
"ВНИИКП", ЗАО "Агроэскорт" (РФ, г.Санкт-Петербург), АО
"КБ Химмаш" (РФ, г.Москва), фирмы "Спроут-матадор",
"Амандус Каль" и "Элеваатормельмаш", ЗАО
"Совокрим", НПО "Агро-Симо-Машбуд", АО
"Мельинвест", АО "Белохолуницкий машзавод", Кропоткинский
завод "ЭММ", ЗАО "Жаско", ОАО "Прибордеталь",
Днепропетровский завод "Продмаш", открытые акционерные общества
"Точмаш", "Тензом", "Технекс" (РФ, г.
Екатеринбург), АО "Ростпродмаш", фирма "TRIPL-F"
и многие другие [67].
Измельчающие машины. Процесс измельчения зернового сырья является
основным и энергоемким технологическим процессом на зерноперерабатывающих
предприятиях. Современный уровень энергетических затрат в зависимости от вида
вырабатываемой продукции составляет от 40 до 70 % всех энергетических затрат на
их производство [32, 33, 39, 57,58, 68].
Разнообразие физико-механических свойств зернового сырья и
технологические требования к степени измельчения частиц предусматривает
использование различных методов измельчения [69,70-72]. При этом эффективность
процесса измельчения зависит от характера и вида приложенной на тело нагрузки.
Условное обозначение и краткая характеристика измельчающих машин приведена в
таблице 16.
Таблица 16 - Условные обозначения измельчающих устройств
|
Наименование и краткая
характеристика устройства
|
Условное обозначение
|
|
Дисковая мельница с
перфорированными дисками. Конструкция устройства позволяет измельчать
следующие продукты: сахар, какао-бобы (порошок), крахмал, горчица, мускатные
орехи, перец. Скорость вращения рабочего органа 80-160 м/с
|
|
|
Машина типа дробоструйного
аппарата. Конструкция устройства позволяет измельчать следующие продукты:
сахар, какао-бобы (порошок), сухой белок, желатин, пектин, перец,
гранулированные супы. Скорость вращения рабочего органа 40-120 м/с
|
|
|
Крыльчатая ударная
мельница. Конструкция устройства позволяет измельчать водоросли, перец,
лекарственные растения, жмых, сухие овощи. Скорость вращения рабочего органа
50-70 м/с
|
|
|
Дисковая ударная мельница.
Конструкция устройства позволяет измельчать следующие продукты: сухое молоко,
лактоза, сухая молочная сыворотка, пластмассы, обычные хлебные злаки.
Скорость вращения рабочего органа 70-90 м/с
|
|
|
Шаровая вибрационная
мельница. Конструкция устройства предназначена для тонкого или сверхтонкого
помола какао-массы
|
|
|
Вальцовая дробилка.
Конструкция устройства позволяет измельчать зерновое сырье, солод, плоды,
жмых
|
|
|
Молотковая корзиночная
мельница. Устройство позволяет измельчать альгинат, лекарственные корневища и
кору, листья и стебли табака. Скорость вращения рабочего органа 40-50м/с
|
|
|
Зубчатая дисковая мельница.
Конструкция устройства позволяет измельчать грильяж, кофейный экстракт,
головки и кубики сахара, пластмассу, зерновые продукты. Скорость вращения
рабочего органа 4-8 м/с
|
|
|
Молотковая мельница.
Конструкция устройства предназначена для измельчения крупнокусковых
продуктов, жмыхов, обезжиренной кости, зерна и зерновые продукты. Скорость
вращения рабочего органа составляет 40-50 м/с
|
|
|
Машины типа жернова
(жерновой постов). Конструкция устройства позволяет измельчать зерно и
продукты его переработки.
|
|
|
Шаровая мельница.
Конструкция устройства позволяет измельчать какао-массу
|
|
|
Гранулятор. Конструкция
устройства предназначена для измельчения сухих овощей, фруктов и других
пищевых продуктов, которым необходимо придать определенный гранулометрический
состав. Скорость вращения основного рабочего органа составляет 5-18 м/с
|
|
|
Воздушно-электронная
мельница. Устройство не применяется в пищевом производстве
|
|
|
Струйная мельница.
Устройство не применяется в пищевом производстве
|
|
|
Машина роторно-барабанного
типа с винтовыми ножами. Конструкция устройства предназначена для измельчения
грубых и сочных кормов
|
|
|
Бичевая машина. Конструкция
устройства позволяет измельчать зерновое сырье и продукты его переработки
|
|
|
Соломосилосорезка.
Конструкция устройства предназначена для измельчения грубых кормов для
крупнорогатого скота
|
|
|
Машина системы шнек-нож-решетка.
Устройство предназначено для измельчения овощей, фруктов, мясных и других
пищевых продуктов в пастообразную среду
|
|
|
Шнековая или челюстная
дробилка. Конструкция устройства позволяет измельчать известковую и
каменистую породу при производстве строительных материалов
|
|
|
Конусная дробилка.
Устройство предназначено для измельчения хрупких и не очень прочных
материалов.
|
|
|
Ножевая мельница.
Конструкция устройства позволяет измельчать мясокостное сырье, крупнокусковые
материалы.
|
|
|
Конусная коллоидная
мельница. Конструкция устройства предназначена для измельчения овощей и
фруктов при приготовлении концентрированных соков
|
|
|
Дробилка с зубчатыми
рифлеными валками. Конструкция устройства предназначена для измельчения
крупнокусковых продуктов растительного происхождения, а также для
предварительного измельчения
|
|
Классификация измельчающих машин приведена в зависимости от методов
воздействия рабочих органов на обрабатываемый материал (таблица 17) [69,
70-72]. Обзор существующих инженерных решений показал, что существует большое
количество конструкций измельчаемых устройств, применяемых в технологических
схемах пищевых производств.
При этом установлено, что наиболее часто конструкции измельчающих
устройств совмещают несколько способов воздействия рабочих органов на
обрабатываемый материал.
Например, вальцовый станок реализует одновременно сжатие, сдвиг и срез
зернового сырья, машина типа жернова реализует сжатие и истирание, молотковая
дробилка совмещает следующие виды измельчения - свободный удар и срез, а также
сдвиг и истирание продуктов размола между рабочими органами.
Для измельчения зернового сырья на зерноперерабатывающих предприятиях
наибольшее применение нашли вальцовые станки и молотковые дробилки. Для
доизмельчения промежуточных продуктов размола применяют дезинтеграторы,
дисковые, ножевые, штифтовые, зубчатые, а также плющильные станки и др.
Анализ конструкций измельчающих устройств показал, что применяемые в
пищевой и зерноперерабатывающей промышленности оборудования имеют существенные
технологические недостатки. В связи с этим, повышение эффективности процесса
образования новых поверхностей и разработка усовершенствованных конструкций
измельчающих устройств представляет собой практический интерес.
Смешивающие машины. На предприятиях по переработке зернового сырья после
дозирования измельченного сырья для получения однородной по составу смеси, в
которой содержание компонентов в любом ее объеме не должно отличаться от
содержания их во всей смеси, применяют самые разнообразные смесители,
отличающиеся как по принципу действия, так и по конструктивному исполнению. Их
можно подразделить на две группы по принципу действия: периодического и
непрерывного. По конструктивным признакам различают смесители: лопастные,
барабанные, шнековые, вибрационные, вертикальные, горизонтальные, одновальные и
двухвальные. Ниже приведена классификация смешивающих машин (таблица 17)
Таблица 17 - Классификация смешивающих устройств
|
Наименование смесителя
|
Условное обозначение
|
|
1
|
2
|
|
I. Лопастные смесители
|
|
Смеситель с прямыми
лопастями и вертикальным вращающимся валом
|
|
|
Смеситель с вращающимися
пропеллерными лопастями и цилиндрическим неподвижным корпусом
|
|
|
Смеситель с фигурными
лопастями различной конфигурации, имеющий вертикальные и наклонные оси
вращения
|
|
|
Высокоинтенсивный смеситель
со штыревыми и фигурными месильными лопастями
|
|
|
Горизонтальный смеситель с
вращающимися лопастями и неподвижной емкостью
|
|
|
II. Шнековые смесители
|
|
Одновальные горизонтальные
шнековые смесители непрерывного действия
|
|
|
Червячно-лопастные
смесители; одно- и двухвальные с горизонтальными камерами
|
|
|
Шнековые смесители с
вертикальными камерами
|
|
|
III. Дисковые
смесители
|
|
Вертикальный смеситель с
гладким диском
|
|
|
С оребренным диском для
более интенсивного смешивания
|
|
|
С гладким диском и приемным
оребренным конусом
|
|
|
С тормозными сегментами,
применяются для вязкопластичных смесей
|
|
|
С дисками в форме тарелок,
способствующие усилению осевого перемещения
|
|
|
IV. Барабанные смесители
|
|
Горизонтальный смеситель
периодического принципа действия
|
|
|
Горизонтальный смеситель с
несколькими радиальными перегородками
|
|
|
Горизонтальный смеситель,
выполненный в виде многогранного цилиндра
|
|
|
Горизонтальный смеситель с
закрепленными направляющими лопастями
|
|
|
Барабанный, наклонный
смеситель с внутренней поверхностью, имеющей наклонные рифли
|
|
|
Барабанный, наклонный
бочкообразный смеситель, с внутренними лопастями
|
|
|
Лопастной смеситель,
размещенный на вибрирующей платформе
|
|
|
Горизонтальный лопастной
вибросмеситель с неподвижным корпусом
|
|
|
|
|
Тарельчатый смеситель, где вибрация возникает в
результате течения жидкости по волнистой поверхности тарелки
|
|
|
Горизонтальный
вибросмеситель с цилиндрической камерой, разделенной на две зоны
|
|
|
Наклонный смеситель,
представляющий собой закрепленный на качающихся опорах наклонный или
горизонтальный металлический желоб
|
|
|
Гидродинамический
вибрационный смеситель
|
|
Повышение требований к качеству выпускаемых полизлаковых смесей
потребовало создания нового поколения смесителей, обеспечивающих однородность
готовой смеси не менее 92...95 %.
Ведущими машиностроительными заводами разработаны смесители
периодического и непрерывного действия, позволяющие смешивать с высокой
однородностью компоненты комбикормов, премиксов, белково-витаминно-минеральных
добавок и сыпучих продуктов с жидкостями: мелассой, жиром животным, маслом
растительным.
В основу конструкции двухвальных лопастных смесителей периодического
действия положен "псевдоожиженный" метод смешивания, позволяющий
смешивать компоненты с различными размерами частиц и разной объемной массой, и
обеспечивающий получение однородной смеси за достаточно короткий промежуток
времени.
Смесители выпускаются в двух исполнениях: для смешивания сыпучих
продуктов и для смешивания сыпучих продуктов с жидкими компонентами. Во втором
исполнении в смесителе дополнительно устанавливается роторный разрыхлитель и
распределительный коллектор с форсунками.
Основные достоинства смесителей: высокое качество смешивания,
однородность смеси составляет 95 %, быстрое смешивание; время смешивания для
сыпучих продуктов не превышает 1 мин; время смешивания сыпучих продуктов с
жидкими компонентами составляет 2...5 мин в зависимости от количества ввода
жидких компонентов в диапазоне от 1 до 4 %; быстрое время разгрузки; время
разгрузки составляет 5...10 с, возможность ввода жидких компонентов (жира,
мелассы, масла растительного и др.) в количестве от 1 до 4 %.
Анализ технических характеристик, приведенных выше, показал, что
увеличение производительности устройства приводит к увеличению энергоемкости
процесса, а также замедлению кинетики смешивания увеличивая продолжительность
технологической операции.
Ввиду малой изученности процесса, отсутствия универсальной физической
модели перераспределения частиц материала внутри смесителя, необходимы
экспериментальные и теоретические исследования кинетики смешивания с целью
совершенствования методов расчета и конструкций смесителей.
Таким образом, создание новых и модернизация существующих смесителей
часто базируется на данных экспериментальных исследований без детального
изучения кинетики процесса смешивания сыпучих компонентов полизлаковой смеси. Одним
из возможных путей совершенствования смесительного оборудования для сыпучих
материалов является применение конструкций смесителей с возможностью
упорядоченного перемещения частиц внутри рабочей камеры смесителя, а также
разработка методики расчета основных режимных и конструктивных параметров,
которые обеспечивают данные перемещения частиц и стабильное достижение
требуемого качества смеси имеет практический интерес [78-80].
Машины для экструдирования. В настоящее время все большее распространение
и признание в рационе человека получают пищевые продукты высокой степени
готовности, полученные путем применения различных способов экструзионной
обработки зернового сырья [81].
На рынке технологического оборудования присутствуют следующие марки
экструдеров: КМЗ-2У, КМЗ-2М, КМЗ-2, ПЭК-125×8, экструдеры фирмы "TRIPL-F" модель "Insta-pro" и др. Например, в экструдере
ПЭК 125×8 сырье нагревается как в результате
преобразования механической энергии рабочих органов машины в тепловую энергию,
так и вследствие дополнительно регулируемого внешнего источника теплоты
электрообогрева.
Основной технологической машиной для производства продуктов высокой
степени готовности является экструдер. В соответствии с принятой классификацией
экструдеров систематизированы типы машин по различным признакам. В соответствии
с рисунком 13, по типу основного рабочего органа, экструдеры подразделяют на
одно- и двухшнековые, многошнековые, дисковые, поршневые, валковые, винтовые,
шестеренные и комбинированные. Конструкции экструдеров также могут быть
классифицированы: по частоте вращения рабочего органа на тихоходные и
быстроходные; по конструктивному исполнению - на стационарные, с вращающимся
корпусом, с горизонтальным расположением рабочего органа; по физическим
признакам - с коротким шнеком (автогенные), с большим уклоном режущей кромки
матрицы, с незначительным уклоном режущей кромки матрицы [82-89].
Конструкция экструдера состоит из следующих основных узлов и деталей:
корпуса, оснащенного нагревательными и охлаждающими элементами, рабочего органа
(в данном случае, шнека), размещенного в корпусе, профилирующей матрицы с
фильерами различной конфигурации, узла загрузки перерабатываемого продукта,
силового привода, системы задания технологических параметров процесса и
поддерживания температурного режима и других контрольно-измерительных и
регулирующих устройств.
Основным рабочим органом экструдера является шнек усиленной конструкции,
который компонуется из отдельных взаимозаменяемых элементов различной
конфигурации. Конструктивные и кинематические параметры шнека определяют
технологические режимы обработки сыпучих материалов, производительность
установки и качество готового продукта.
Сущность процесс экструзии заключается в том, что в зоне плавления
экструдера, под действием вращающегося прессующего шнека с возрастанием
давления Р (горячая экструзия - до 25 МПа), происходит разрушение полимерной
структуры основных компонентов крахмалосодержащего сырья, клейстеризация и
последующая его желатинизация, вызванные высокой температурой t (до 120-250 °С), возникающей при
переходе механической энергии (энергии трения материала о поверхность
экструдера и внутреннего трения материала при его перемещении между рабочими
поверхностями рабочего органа) в тепловую энергию, в результате чего происходит
активная термомеханическая деструкция. После, при выходе массы из матрицы,
происходит "взрывание" продукта и разрыхление его структуры в
результате резкого падения давления и температуры [81].
Такая обработка приводит к различным по глубине изменениям в сырье. В
результате экструзии наблюдается сохранение белковых веществ наряду с
превращением полисахаридов в более легкоусвояемые олигосахариды, при этом
наблюдается повышение питательной ценности пищевых продуктов.
Экструдеры могут функционировать в автономном (заданном) режиме с помощью
автоматизированной системы задания и контроля технологическими параметрами
давления и поддержания температурного режима процесса экструзии, а также других
контрольно-измерительных и регулирующих устройств.
Для контроля эффективности предусмотрена автоматизированная система,
позволяющая регистрировать возрастающие значения частоты вращения шнека - n (мин-1), переменные значения
давления в предматричной зоне устройства Р (МПа).
Эффективность работы устройства регулируется путем контроля следующих
параметров:
– влажности экструдируемого материала, W (%);
– температуры в различных зонах экструдера t, (°С);
– частоты (скорости) вращения шнека экструдера n, (мин-1);
– давления в рабочей зоне Р (МПа).
Влияние влаготермической обработки на свойства основных компонентов
сырья. Для оптимизации технологического процесса производства экструдированных
продуктов необходимо знать физико-механические и биохимические свойства
перерабатываемых материалов и их возможные изменения в процессе переработки.
Помимо свойств экструдируемого материала на консистенцию продукта
оказывает влияние эффект полного взаимодействия целого ряда факторов, таких как
частота вращения шнека и температура. Это подтверждает положение о том, что
экструзия является процессом комплексного воздействия на материал
влаготермических напряжений.
Наибольшим изменениям в процессе экструзионной обработки подвергается
углеводный комплекс сырья, особенно крахмал. Степень изменения крахмала в этом
случае зависит от ряда факторов: свойств исходного сырья; скорости и предела
повышения температуры нагрева; интенсивности механического воздействия;
состояния крахмальных полисахаридов; количества воды.
Таким образом, взаимодействие основных параметров экструдирования и
индивидуальные особенности обрабатываемого материала определяют глубину
изменения свойств производимой продукции.
Рассматривая преимущества экструдера необходимо отметить то, что
конструкция экструдера позволяет совмещать несколько технологических операций в
одной машине: перемешивать, сжимать, нагревать, стерилизовать, варить и
формовать сырье практически одновременно.
Рассматривая протекание процесса экструзии в установке, можно выделить
несколько основных зон конструкции: зона питания, зона плавления и дозирования,
а также - головка экструдера с фильером.
В зоне дозирования происходит выпрессование, обрабатывание материала под
давлением, через отверстия матрицы, и в результате за счет перепада давления и
температуры в прессе по отношению к окружающей среде происходит вспучивание
материала и образуется высокопористая структура. Наиболее интенсивно процесс
образования биополимеров протекает под действием сил сдвига и растяжения в
головке экструдера и в фильере матрицы, что обусловлено изменением
реологических условий течения сырья в этих зонах [81].
В зависимости от конструкций фильеров можно получить экструдаты всех
типов микроструктур - пористой, волокнистой, однородной; а также различной
формы: в виде колец, снеков, палочек. Экструдаты пористой структуры получают,
используя короткие неохлажденные фильеры. При выходе биополимеров через такую
фильеру происходит резкий сброс давления, так называемое "взрывное"
испарение воды и образование пористой микроструктуры. Волокнистую охлажденную
микроструктуру получают, используя охлаждаемые фильеры [82-86].
Одним из основных достоинств экструдеров является то, что они имеют
большой коэффициент теплоотдачи, то есть в течение короткого времени (30 с) в
них возможен гомогенный теплообмен. Многие продукты питания чувствительны к
термическому воздействию, поэтому подвергать их нагреву нужно быстро. Кроме
того, в экструдере можно получить высокое давление сжатия до 25 МПа (при
горячей экструзии) без применения дополнительных воздействий. Благодаря
особенностям конструкций происходит быстрое перемешивание материала в
экструдере, а совмещение в нем нескольких операций позволяет сократить время
всего технологического процесса, а также снизить трудоемкость и
энергопотребление [82-86].
Таким образом, экструзия пищевых продуктов является прогрессивным
способом получения перспективных продуктов питания высокой степени готовности.
К ее основным преимуществам можно отнести гибкость технологических схем,
высокую производительность при малых габаритах оборудования, непрерывность
процесса и сравнительно низкую себестоимость продукции.
Выводы
В целях укрепления казахстанских позиций на внутренних и внешних рынках
необходимо создание развитой системы производства качественной
конкурентоспособной сельхозпродукции и продовольствия для покрытия потребностей
внутреннего рынка.
Проведенный анализ современного состояния зерноперерабатывающей отрасли
показал, что на современном этапе развития отрасли необходимо уделить внимание
разработке принципиально новых технологий и оборудования, обеспечивающих
глубокую, комплексную, энерго- и ресурсосберегающую переработку
сельскохозяйственного сырья на основе современных физико-химических и
электрофизических способов (в том числе мембранные,
экструзионно-гидролитические, гипербарические, кавитационные и
биотехнологические способы) для создания экологически безопасного производства
социально значимых пищевых продуктов с различными функциональными свойствами.
Инновационные разработки должны быть направлены на создание научных
разработок в области современных принципов пищевой комбинаторики технологий
производства качественно новых, импортозамещающих пищевых продуктов с
направленным изменением состава и свойств, с использованием нано- и микрокапсул
для адресной доставки биологически активных веществ в продукты массового
потребления для различных возрастных групп населения, продукты
лечебно-профилактического назначения.
В этой связи основной целью работы является совершенствование технологии
производства продуктов высокой степени готовности на основе отечественного
районированного полизлакового сырья.
В рамках реализации I-го
этапа работ по проекту научно-исследовательской работы за 2012 год достигнуты следующие результаты:
– проведен международный обзор объемов производства зернового сырья.
Дана оценка рынка производства зерновых культур стран Содружества Независимых
Государств;
– проведен анализ производства зерна злаковых культур в Республике
Казахстан;
– проведен анализ структуры производства продуктов на зерновой
основе;
– проведен анализ технического оснащения крупяных предприятий;
– проведен обзор теоретических основ технологических процессов
(измельчения и смешивания) и оборудования (экструдирования);
– проведен патентный поиск по направлению проекта;
– проведен анализ существующих технических и технологических
решений по производству продуктов высокой степени готовности и круп быстрого
приготовления;
– разработана программа и методика проведения исследований. Дана
характеристика уровня научно-технологического оснащения реализации проекта,
приведено краткое описание научного и экспериментального оборудования.
Представлено краткое описание методик проведения экспериментальных исследований
по изучению физико-механических свойств объектов исследования.
2. АНАЛИЗ ТЕОРЕТИЧЕСКИХ ОСНОВ ТЕХНОЛОГИЧЕСКИХ ПРОЦЕССОВ И ОБОРУДОВАНИЯ
2.1 Теоретические основы процесса измельчения
зернового сырья
Измельчение - относится к тем важнейшим и наиболее энергоемким
технологическим процессам в пищевой промышленности, для которых еще не
разработана надежная теория, как это уже удалось сделать для других основных
процессов. И если еще не разработана количественная теория измельчения, то это
объясняется отнюдь не малой заинтересованностью или же недостаточным
количеством проведенных исследований, а сложностью процесса измельчения [14,
69, 70-72, 90-93].
Все множество работ в области измельчения можно условно разделить на
четыре основных направления [95-123].
К первому направлению относятся работы, которые выявляют взаимосвязь
между дисперсностью измельчаемых тел и затратами энергии на процесс
измельчения. Эта группа исследователей наиболее близко соприкасается с физикой
твердого тела и пользуется ее открытиями. Представителями этого направления
являются: Риттингер П., Кирпичев В.А., Кик Ф., Танака, Бонд Ф., Чарльз Р.,
Гарднер Р., Оспанов А.А. и др.
В работах второго направления представлены исследования закономерностей
разрушения и методы исчисления характеристик гранулометрического состава
измельчаемых материалов. К этому направлению относятся материалы Колмогорова
A.Н., Розина П., Раммлера Е., Хусид С.Д., Шумана Р., Андреева С.Е., Мартина Ж.,
Гаудина А., Свенсона И., Товарова В.В., Басса Д., Седлачека К., Аустина Л.,
Глебова Л.А. и многих других.
К третьему направлению можно отнести исследования в области
конструктивного оформления мельниц. Данному направлению посвящены работы
Акунова В.И., Романдина В.П., Смирнова Н.М., Розе Г., Беренса Д., Блиничева
В.Н., Мизонова В.Е., Севостьянова В.С., Барабашкина В.П., Жайлаубаева Д.Т. и
других.
В работах, относящихся к четвертому направлению, представлены
исследования физико-механических и физико-химических явлений, происходящих при
механическом воздействии (растирание, раздавливание, измельчение) на
исследуемый объект. Представителями этого направления являются: Вильям Освальд,
Таманн Ж., Вонетич П., Хейнике И., Болдырев, Аваккумов, Хинт И.А., Ходаков
Г.С., Спандияров Е. и многие другие.
Первые попытки по выявлению взаимосвязи между дисперсностью измельчаемых
тел и затратами энергии на процесс измельчения были предприняты в конце
прошлого столетия Ритинггером П., Кирпичевым В.А., Киком Ф. и Бондом Ф. Каждый
из них обосновал свою теорию, подробно описанную во многих работах. Впоследствии
эти три закона были объединены Чарльзом Р. и Рунквистом А.К. и описаны одним
уравнением.
Нет сомнения, что в следующем столетии научно-технического прогресса
вполне возможно создание большого числа теорий измельчения. С этой целью многие
исследователи изучали измельчение образцов различных материалов. Основой этих
опытов явились первые работы Гриффитса А., который применил разработанные
Инглизом С. методы математического анализа напряжений [14, 69, 70-72, 90-93].
В результате решения дифференциальных уравнений для напряжений деформации
Инглиз С. показал, что наличие дефектов в находящемся в напряженном состоянии
теле может вызвать концентрацию напряжений. Таким образом, предполагается, что
начало трещин обусловлено дефектами частиц.
Теория дефектов Гриффитса А. безусловно верна лишь в случае, когда
рассматривается развитие процесса раскалывания малых дефектов. Однако
математический анализ является неполным, поскольку при составлении
энергетического баланса не учитывалась, например, кинетическая энергия волн
напряжения, распространяющихся одновременно с раскалыванием, пластической
деформацией материала и многое другое. Со времени появления работ Гриффитса А.
был предпринят ряд исследований изменения внутренних напряжений и
энергетических условий распространения трещин.
Из этих работ видно, что при наличии трещин, рассматриваемых Гриффитсом
А., разрушение материала наступает при напряжениях в 100 и даже в 1000 раз
меньше, чем при максимальных, определяемых теоретически.
Перечисленные выше законы измельчения преследуют цель - установить связь
между затратами энергии на процесс измельчения и средней степенью измельчения
материала. Однако главной задачей этого направления является определение, на
какие процессы при разрушении затрачивается механическая энергия.
Согласно закона Ребиндера П.А., подведенная к телу энергия затрачивается
на образование новой поверхности и на деформацию измельчаемого материала.
Кафаров В.В. с сотрудниками предложил выделить три составляющие затрат
подведенной к измельчаемому телу энергии. Первая составляющая связана с чисто
процессом измельчения. Вторая составляющая затрачивается на сопутствующие
процессы и третья составляющая, не связанная с процессом измельчения.
Ходаков Г.С. считает, что при тонком измельчении энергия затрачивается
(кроме упругой энергии) на образование новой поверхности и пластическую
деформацию. При этом работа разрушения частицы (ΔАр) может быть записана в следующем
виде:
ΔАp = b, i, x3+ [a(β · l+σ)]x2 (11)
где i - степень измельчения; β - средняя объемная плотность
энергии, затраченной на пластические деформации; х - размер частиц; a, b - постоянные; σ - предел прочности частиц.
При грубом измельчении величины энергий пластического деформирования и
поверхностной энергии малы по сравнению с величиной упругой деформации, и
поэтому ими можно пренебречь.
Разрушающие силы, возникающие в большинстве промышленных машин для
измельчения, в значительной мере являются комплексными и сочетают в себе
ударные воздействия, давление, а также трение и сдвиг, вследствие чего они не
поддаются четкому математическому анализу.
В постсоветском пространстве сформировалась целая плеяда ученых, которые
занимались исследованием и совершенствованием процессов измельчения и
оборудования для их механизации, а именно, доктора технических наук, профессора
Хусид С.Д. (измельчение зерна), Храпач Е.И. (измельчение кормовых материалов),
Злачевский В.Л (измельчение зернового материала), Демидов А.Р. (измельчение
комбикормов), Глебов Л.А. (измельчение комбикормов), Голиков В.А. (измельчение сено-соломистых
материалов), Дулаев В.Г. (измельчение в мукомольной промышленности), Оспанов
А.А. (измельчение кормовых и пищевых материалов), Спандияров Е. (измельчение
кормовых средств при производстве комбикормов), Жайлаубаев Д. (измельчение
мясокостного сырья), Абилжанов Т. (измельчение сено-соломистых материалов),
А.И. Смирнов (измельчение в химической промышленности), Севостьянов Н.В.
(измельчение строительных материалов) и др.
Нестандартный подход к изучению хрупкого разрушения твердых тел
осуществил в своих работах профессор Родин Р.А. Впервые процесс разрушения
предложено оценивать не по необходимым энергозатрататам, как главному критерию,
определяющему конечный результат разрушения, а на основе силового воздействия в
течение последовательно протекающих стадий, составляющих физическую сущность
процесса разрушения. Согласно проведенных исследований Родин Р.А. установил,
что процесс разрушения твердого изотропного тела можно представить в виде
последовательных стадий: контактного взаимодействия и упругих деформаций в
материале; создания зоны всестороннего сжатия до момента появления эффективной
трещины; появления эффективной трещины и ее увеличения до критических разборов;
полной реализации потенциального запаса упругой энергии путем скоростного
развития эффективной трещины и окончательного разрушения куска материала.
По данным Клушанцева Б.В., расход энергии на первой стадии разрушения
тела не превышает 10 % общего расхода энергии. Если всю полезную работу
дробления принять за 100 %, то на образование зоны всестороннего сжатия
расходуется 73,4 %, на развитие эффективной трещины до критического размера -
22,5 % и на скоростное развитие трещин - 4,4 %. Поверхность частиц, находящихся
в зоне всестороннего сжатия, составляет около 97 % вновь образованной поверхности.
Частицы подвергаются огромному напряжению (до нескольких тысяч мегапаскалей) и
интенсивному трению между собой, до момента появления первой трещины, на что
расходуется 95 % всех энергозатрат.
Из приведенных данных можно сделать важный вывод для теории и практики
измельчения в свете современных представлений о механизме разрушения хрупких
тел. Учитывая доминирующие энергозатраты, расходуемые на создание напряженного
состояния деформируемого тела до появления в нем первой трещины, поиск
неиспользуемых резервов (снижения энергозатрат) следует вести в области
совершенствования механизма силового воздействия на измельчаемый материал.
В
реальных условиях мы вряд ли сможем реализовать в чистом виде энергетически
выгодный способ разрушения материалов разрывом, то при создании
дробильно-помольного оборудования целесообразно стремиться к рациональному
сочетанию в них нормальных (S) и касательных (
) напряжений, воздействующих на разрушаемый материал.
Кроме того, учитывая утвердившееся в настоящее время теоретическое положение о
разрушении твердых тел под воздействием локальных пиков напряжений,
концентрирующихся по краям дефектных трещин, развитое в трудах Гриффитса А. и
его последователей, то при обеспечении раздавливающе- сдвигового силового
воздействия на деформируемое тело следует ожидать появление трещин критических
размеров при меньших энергозатратах. При этом создаются наиболее благоприятные
условия для проявления разрывающих моментов (по Родину Р.А.), обеспечивающих
напряжения растяжения, возникающих в устье микротрещин.
Касаясь
теоретических воззрений ученых-сторонников теории трещинообразования (Гриффитса
А.) следует отметить, что, соглашаясь с основополагающими положениями теории,
каждый из авторов привнес в нее некоторые отличительные особенности.
Таким
образом, проведенный нами анализ научных работ в области теории разрушения
хрупких тел и связанных с ней процессов позволяет сделать вывод о
жизнеспособности и перспективности развития теории трещинообразования (теории Гриффитса
А.), дополненной и развитой в трудах отечественных и зарубежных ученых.
Подтверждена целесообразность рационального сочетания нормальных и касательных
напряжений на всех стадиях измельчения материала. Для достижения критической
прочности разрушаемых частиц при минимальных энергозатратах и повышения
эффективности свешенных с разрушением процессов целесообразно обеспечить
непрерывное сдвиговое силовое воздействие на деформируемые частицы при
постоянном их внутреннем рецикле [14, 69, 70-72, 90-93].
Как
уже отмечалось, что одна из проблем состоит в изучении и определении в общем
виде связи между затратами энергии и характеристиками измельчаемых продуктов по
крупности до и после размола. Предложенные гипотезы для частных случаев
(например, для процессов измельчения в пищевой, мукомольной и комбикормовой
промышленностей) не позволяют достаточно точно определять расчетным путем
необходимые затраты энергии на дробление в зависимости от степени измельчения и
физико-механических свойств исходного продукта.
Известно,
что при измельчении рабочие органы машины преодолевают силы молекулярного
сцепления частиц, в результате чего образуются новые поверхности, величина
которых в процессе измельчения зависит от прочности измельчаемого материала,
характера воздействия окружающей среды, а также от вида и схемы приложения
механической нагрузки. Существующие основные гипотезы теории Кирпичева-Кика,
Афанасьева-Риттингера, Бонда, Ребиндера, Танака и др. имеют преимущественно
качественный характер, не учитывающий такого многообразия явлений, протекающих
в измельчаемых материалах и не могут быть использованы для количественного
описания конкретных процессов [14, 69, 70-72, 90-93].
С
другой стороны, имеющиеся гипотезы, исходили из того, что прочность материалов
является физической константой, хотя она может изменяться в интервале 103 ...
104 порядков и зависит от свойств материала, конструкции мельницы, состояния
рабочих органов. Поэтому необходимые связи устанавливаются экспериментально с
учетом свойств материала, заданной степени измельчения, вида и конструкции
рабочих органов.
Согласно
закону Риттингера (1867 г.) удельная энергия Е, затраченная на дробление,
пропорциональна вновь образовавшейся в результате дробления поверхности
измельчаемого материала. Этот закон определяется равенством

(12)
где
х1 и х2 - линейные размеры кусков исходных параметров и частиц конечных
продуктов измельчения; k - постоянная величина.
Предполагается,
что закон Риттингера справедлив для хрупких веществ, имеющих плоскости распада
и характеризующихся появлением новых трещин. Когда дробление твердого материала
при достижении определенного значения напряжения происходит сразу с
образованием частиц одного класса независимо от исходного размера x1
объекта измельчения, справедлив закон Кика (1885 г.)
(13)
Обе
формулы (12-13) показывают, что бесконечно большие затраты удельной энергии
достигаются только при дроблении тел до минимального предельного размера
определяемый по технологическим соображениям, то есть х2 = х min
при достижении которого дальнейшее дробление становится нецелесообразным
(рисунок 14).
В
связи с этим, Танака Т. предложил следующий закон дробления:
(14)
где
S - удельная поверхность материала; S∞ - предельная
поверхность, при достижении которой дробление практически прекращается.
Рисунок 14 - Изменение эффективности измельчения в зависимости от
крупности частиц
Высказанные соображения позволили профессору Оспанову А.А. [14, 69,
70-72, 90-93] предложить некоторую коррекцию законов Риттингера (13) и Кика
(14).
Суть этой коррекции сводится к следующему. Законы (13-14) сформулированы
на основе гипотезы о том, что затраты удельной энергии на дробление зависит
только от линейных размеров предмета и продукта дробления, то есть E=f(x1, х2).
С учетом последнего утверждения, нами представляется более естественным
считать удельную энергию, зависящей от отклонений линейных размеров (х1 и х2)
от их минимального (хmin)значения.
В таком случае законы Риттингера и Кика приобретают следующие виды [14, 69,
70-72, 90-93]:

(15)
где
∆х1 = х1-х min ; ∆х2= х2-х min ; х min -
минимальное значение крупности частиц (см. рисунок 14).
Аналогично
видоизменяется закон Кика:
(16)
Из
двух последних формул (15-16) видно, что с ростом х, удельная энергия
разрушения возрастает со скоростью ve = k/x12
до значения k/x2 и не более. Вместе с тем, опыт показывает, что
неограниченное количество увеличение линейного размера продукта измельчения
требует неограниченного увеличения величины затрат удельной энергии дробления
до размера х2= х min. По этой причине было бы разумно предложить такую
формулу зависимости удельной энергии от размеров х1 и х2, которая отражала бы
наличие линейных затрат энергоемкости. Среди таких математических зависимостей
по нашему утверждению представляется более подходящей зависимость вида [14, 69,
70-72, 90-93]:
(17)
где
k* , а* , β* - параметры, зависящие от вида измельчаемого
материала, их физико-механических и прочностных характеристик, которые
определяются экспериментальным путем;
- поправка профессора Оспанова А.А. к существующей
научной гипотезе.
Значения
составляющих зависимости (17) колеблются в следующих диапазонах [14, 69, 70-72,
90-93]:
(18)
(19)
По
величинам параметров k*, а*, β* можно подобрать значения x1 и x2,
при которых удельная энергия Е достигает минимума в диапазоне (19). Этим самым
появляется возможность разработки рекомендации наиболее рационального
(эффективного) использования измельчающих машин конкретной целевой конструкции
и методики их универсальной классификации [14, 69, 70-72, 90-93].
2.2 Теоретические основы процесса смешивания
полизлаковой смеси
Смешивание - механический процесс, образования однородной смеси сыпучих
компонентов. Процесс смешивания материалов широко применяется во всех отраслях
пищевой промышленности для различных целей [123-128]:
– равномерного распределения продуктов, составляющих смесь;
– интенсификации массообмена, т.е. переноса вещества из одной фазы
в другую;
– интенсивности теплообмена в различных тепловых аппаратах;
– ускорения биохимических, химических и других процессов;
– получения суспензий, эмульсий и т.п.
Смешивание проводится в специальных аппаратах, которые называются
смесителями, либо в аппаратах, где проводятся процессы массо- и тепло- обмена,
биохимические, химические и др. [73-77, 129-142].
Смешиванию подвергают различные материалы - жидкие, газообразные, твердые
(сыпучие). При этом перемешиванию могут подлежать как продукты, находящиеся в
одинаковом агрегатном состоянии, например, две жидкости, два твердых (сыпучих)
материала, так и в разном - жидкости и твердые тела.
Существуют следующие способы перемешивания материалов [136-139]:
поточный; механический; пневматический.
Различают три механизма смешивания [73-77, 129-142]:
– диффузионное смешивание, т.е. беспорядочное движение отдельных частиц
в ограниченном пространстве, при этом каждая частица имеет равные возможности
отклониться в любую сторону при столкновении с другой частицей;
– конвективное смешивание, при котором смежные частицы группами
перемещаются из одного положения в другое;
– сдвиговое - смежные слои частиц движутся относительно друг друга.
В общем виде эффективность процесса зависит от конструктивных,
технологических и кинематических параметров [123-128, 136-139]:

(20)
где
К3 - коэффициент заполнения; W1………Wn-1,Wn - соотношение компонентов в смеси; n -
частота вращения рабочего органа; t - время смешивания.
Применяя
теорию вероятностей [143-152] к кинетике смешивания и эмульгирования, величина
поверхности раздела в момент определенного времени будет равна [119-124,
133-139]
(21)
где
S - величина поверхности раздела; t -
время смешивания; Sp - максимально возможная поверхность; (
) - максимально возможная поверхность раздела;
.
Уравнения
(20, 21) справедливы для всех смесительных систем, так как при работе всех
устройств преследуется цель - увеличение поверхности раздела фаз и
предусматривается возможность перемещения компонентов поверхности раздела к
отдельным составляющим объема загрузки [126-131].
Часть
общего количества элементарных объемов, которая состоит из равных объемов,
содержащих по крайне мере один из элементов поверхности, раздела, полученной
при перемешивании в течение времени определится по формуле [123-128, 136-139]
(22)
где
R - коэффициент пропорциональности.
Значение
той доли общего числа объемов V, которая состоит из объемов Vo, содержащих
один из компонентов смеси, определяется по формуле [123-128, 136-139]
(23)
где
V - общий объем смеси; Vo - объем проб
отобранных из смеси.
Таким
образом, в том случае, когда (Pt)E принимается как конечное значение для
удовлетворительного результата перемешивания, можно получить искомое время,
решая относительно уравнение (23) [123-128].
На практике эффективность смешивания оценивается по коэффициенту вариации
распределения ключевого компонента в микрообъемах смеси [123-128, 136-139]
(24)
где
x - среднее арифметическое наблюдение значений величины, т.е. среднее
содержание ключевого компонента в пробах; xi - значение
случайной величины в i-ом опыте; n - число проб.
При
этом для прогнозирования оценки качества смешивания применяют методы
статистики.
Процесс смешивания многокомпонентной сыпучей смеси - это вероятностный
процесс, к исследованию которого привлечены статистические методы и теория
вероятностей. Фишер Ф.К. приводит уравнение диффузионного смешивания для
горизонтального цилиндрического смесителя [123-128]
(25)
где
W - плотность распределения вероятностей, имеющая смысл концентрации частиц; D0
и Dz - коэффициенты осевой и радиальной диффузии; r и z - расстояние в
радиальном и осевом направлениях; t - время смешивания.
Продольное
перемешивание частиц подчиняется следующему закону
(26)
где
Dl - коэффициент продольного перемешивания.
Модель
называется двухкомпонентной, если перемешивание происходит одновременно в
продольном и поперечном направлениях
(27)
где
r - радиус аппарата; Dr - коэффициент поперечного перемешивания.
Вследствие различных физико-механических свойств смешивание сыпучих
компонентов сопровождается одновременно процессом противоположным приведенным -
сегрегацией готовой смеси. Сегрегация - сосредоточение частиц, имеющих близкую
характеристику (массу, размер, форму и др.), под действием гравитационных и
инерционных сил. Окончание процесса смешивания необходимо устанавливать в тот
момент, когда явление сегрегации не начало проявляться [136-139].
Для лучшего представления физической картины смешивания строят график
зависимости: коэффициента вариации (Vс) от времени смешивания (t). Кривая,
характеризующая процесс смешивания называется "кривой смешивания".
Анализ кинетики смешивания (рисунок 15) показывает наличие трех зон [136-139]:
– I зона - зона интенсивного смешивания в результате сдвиговых и
конвективных процессов;
– II зона - зона замедленного диффузионного смешивания;
– III зона - проявление процесса сегрегации, увеличивающий
коэффициент вариации.
Причем первые два процесса (сдвиговой и конвективный) в отличие от
диффузионного смешивания не зависят от характеристики смешиваемых компонентов.
За время смешивания компонентов следует принимать то, при котором Vс →
min. Учитывая данную физическую картину смешивания необходимо различать два
главных параметра - качество процесса и продолжительность операции до
достижения заданного качества [136-139].
Рисунок 15 - Кривая кинетики смешивания сыпучих компонентов в смеси
Таким образом, в существующих смесителях смешивание осуществляется по
принципу случайного процесса с ожиданием вероятности благоприятного исхода, что
является существенным недостатком существующих конструкций смесителей.
.3 Теоретические основы процесса экструдирования
полизлаковой смеси
Экструдирование - механический процесс, использующий статистические
режимы воздействия, так и динамический эффект давления, температур, осмоса и
т.д. В основе процесса экструдирования имеется два процесса -
"механохимическая деструкция", наблюдаемая на всех этапах процесса, и
"взрыв" или "декомпрессионный шок", происходящий на выходе
продукта из матричной зоны экструдера [136-139].
На практике для описания течения сыпучего материала в процессе экструзии
чаще применяется степенное уравнение Оствальда-де Виля.
(28)
где
τ
- напряжение сдвига в материале;
- коэффициент консистенции материала; γ - скорость сдвига; n - индекс
течения.
Степенной
закон получил широкое распространение для выражения течения различных
неньютоновских материалов [157], что связано с его простым математическим
видом, минимальным числом реологических параметров (два), достаточно хорошим
приближением результатов при практическом использовании. Он позволяет легко
описать реологическое поведение материала.
Это
позволяет сделать заключение, что определение реологических свойств сыпучей
массы в процессе экструдирования, непосредственно влияющих на качество готового
изделия, представляет значительный интерес и является актуальной задачей в
настоящее время.
При исследовании течения вязко-пластических материалов в каналах
различной формы обнаружена [27, 154] возможность их движения с проскальзыванием
по контактным поверхностям. При этом физический смысл явления проскальзывания
не рассматривается. Гипотетически возможность проскальзывания прессуемого
материала по дну канала шнека рассмотрена Бостанджияном С.А. и Столиным А.М.
[154, 155]. Эта гипотеза получила подтверждение при экспериментальном
исследовании некоторых режимов экструдирования комбикорма [154, 156-157].
Ранее было показано [154, 157], что "поршневое" движение
материала, прессуемого в цилиндрическом канале, можно представить как послойное
течение, когда вязкость пограничного слоя материала меньше вязкости ядра
потока. Применим такой подход для определения скорости проскальзывания
материала по дну канала шнека.
Пренебрегая
влиянием лопастей, представим канал шнека двумя параллельными плоскостями,
соотнесенными с декартовой системой координат, как показано на рисунке 16.
Верхняя пластина движется со скоростью
с относительно
нижней. На верхней пластине проскальзывание материала отсутствует и действует
касательное напряжение
. Напряжения сжатия по модулю возрастают в направлении
скорости
с.
Уравнение
равновесия для данного случая имеет вид [154]:
(29)
где
- напряжение сдвига в прессуемом материале;
- градиент нормальных напряжений в прессуемом
материале;
- координата плоскости, на которой касательные
напряжения
= 0.
Рисунок 16 - Схема модели шнекового канала
- плоскость, замещающая дно шнекового канала; 2 - плоскость, замещающая
шнековый цилиндр
Выделим пограничный слой толщиной hn, прилегающий к нижней пластине. Граница этого слоя
обозначена пунктирной линией (см. рисунок 16).
Будем
считать, что зависимость напряжения сдвига
от
скорости сдвига
(градиента скорости
) в
пограничном слое удовлетворительно описывается уравнением Освальда-де Виляя
[154]
(30)
где
- коэффициент консистенции прессуемого материала в
пограничном слое; nn - индекс течения прессуемого материала в пограничном
слое.
Уравнение
Оствальда-де Виля справедливо также вне пограничного слоя. При этом его
параметры не имеют нижнего индекса.
Обозначим
скорость движения материала в области y>yo через νx1, а
в области
через
.
Рассмотрим
движение материала в пограничном слое, когда производная скорости изменяет свой
знак в области течения между пластинами вне слоя проскальзывания, то есть при
выполнении условия 
Для
этого случая уравнение (29) с учетом зависимости (30) в области
имеет вид [154]
(31)
где
Примем
начальное условие
при y = 0 и, проинтегрировав уравнение (31) в границах
пограничного слоя, получим [154]
(32)
Для
случая
с учетом направления касательного напряжения
уравнение (29) преобразуется в уравнение [154]
(33)
Проинтегрировав
его при тех же условиях, что и уравнение (31), получим [154]
(34)
Уравнение
(32) и (34) позволяют определить скорость пристенного скольжения в пограничном
слое при известной толщине и реологических параметрах прессуемого материала.
Возможно
распределение касательных напряжений в прессуемом материале, при котором
Для этого случая скорость пристенного скольжения
определим, решив дифференциальное уравнение (30) при начальных условиях
при
, а
дифференциальное уравнение (33) при начальных условиях
при
. Приняв
[154]
при
(35)
получим
(36)
Для
иллюстрации характера движения прессуемого материала в канале шнека построены
эпюры скоростей по ранее полученным решением уравнений (30) и (32) зависимостям
[154, 158]
(37)
(38)
Если
, используя граничное условие
при
можно
определить из уравнений (37) и (38) величину
,
задавшись скоростью верхней пластины
(см.
рисунок 8), либо определить необходимую для данного распределения скоростей
величину
, задавшись величиной
. Если
, аналогичные решения можно получить из уравнений (38)
и (34) или (38) и (36), используя граничное условие
при
.
В
результате проведенных экспериментальных исследований Зубковым Т.М.,
Абдрафиковым Д.А. и Мусиенко Д.А. установлено, что предположение о
происхождении слоя проскальзывания за счет локального разогрева материала не
подтверждается, поскольку в этом случае отсутствует заметное проскальзывание по
дну канала шнека.
В
результате чего авторы эксперимента дают следующее объяснение возникновения
пограничного слоя с реологическими параметрами, отличающимися от параметров
основного материала в канале шнека, которое заключается в распределении
мощности послойного течения в материале. Таким образом, уравнение удельной
мощности послойного течения величины примет следующий вид [154]
(39)
В
формуле (39) учтено, что скорость прессуемого материала рассматривалась выше в
обращенном движении шнекового прессующего механизма. Скорость
определена уравнениями (9) и (10). С учетом уравнения
(29) формула (39) преобразуется к виду [154]
(40)
Исследование
слепков прессуемого материала, извлеченного из канала шнека, дает основание
предположить, что толщиной пограничного слоя
можно
пренебречь по сравнению с высотой шнекового канала
, поэтому при определении расхода материала в канале
потоком в пограничном слое можно пренебречь [154].
Таким образом, экструдирование является недостаточно изученным процессом.
Причиной этого является недостаточная технологическая база для разработки и
создания универсальных экспериментальных установок и дефицит теоретических
знаний о закономерностях протекания процесса, что препятствует выбору
оптимальных технологических параметров экструзионной обработки различного
растительного сырья [154].
Выводы
Процесс измельчения выбираем на основе существующих технологических схем
измельчения с учетом проделанного нами анализа.
Проведенный анализ теоретических основ процесса смешивания показал, что
за время смешивания компонентов следует принимать то, при котором Vс →
min. Учитывая данную физическую картину смешивания необходимо различать два
главных параметра - качество процесса и продолжительность операции до
достижения заданного качества [136-139].
Таким образом, в существующих смесителях смешивание осуществляется по
принципу случайного процесса с ожиданием вероятности благоприятного исхода, что
является существенным недостатком существующих конструкций смесителей.
. Проведенный анализ теоретических основ экструдирования показал, что
экструдирование является недостаточно изученным процессом. Причиной этого
является недостаточная технологическая база для разработки и создания
универсальных экспериментальных установок и дефицит теоретических знаний о
закономерностях протекания процесса, что создает препятствие выбору оптимальных
технологических параметров экструзионной обработки различного растительного
сырья.
3. ПРОГРАММА И МЕТОДИКА ПРОВЕДЕНИЯ НАУЧНО-ИССЛЕДОВАТЕЛЬСКОЙ РАБОТЫ
.1 Организация научных исследований, выбор и
характеристика объектов исследования
В соответствии с поставленной целью и сформулированными задачами
экспериментальных исследований по разработке технологии производства продуктов
высокой степени готовности, необходимо изучить и оптимизировать основные
технологические процессы (измельчение, смешивание и экструдирование) на
экспериментальном оборудовании.
Экспериментальные исследования планируется провести в создаваемых
научно-исследовательских лабораториях (далее - НИЛ): технологии зерна и
продуктов его переработки и экструзионной технологии пищевых продуктов, а также
в условиях Казахстанско-Японского инновационного центра (далее - Инновационный
центр) РГП на ПХВ "Казахский национальный аграрный университет".
В НИЛ технологии зерна и продуктов его переработки планируется включить
следующее оборудование: 1 - тестомесилка лабораторная для пробной выпечки
У-1-ЕТВ; 2 - тестозаверточная машина; 3 - шкаф для расстойки ШРЛ-0,65; 4 - шкаф
для выпечки ШХЛ-0,65; 5 - холодильник; 6 - вентилятор вытяжной HV-230А.
В НИЛ экструзионной технологии пищевых продуктов планируется включить
следующее оборудование: 1 - дробилка универсальная ДУ500; 2 - смеситель муки; 3
- винтовой конвейер; 4 - экструдер LT 65L; 5 - пульт управления; 6 -
начинконаполнитель; 7 - формообразующее устройство; 8 - бункер для продукции; 9
- микронизатор; 10 - вентилятор вытяжной HV-230А.
В состав Инновационного центра входят 2 (две) лаборатории: лаборатория
инженерного профиля "Электронная микроскопия" и лаборатория пищевой и
экологической безопасности. Материально-техническая оснащенность Инновационного
центра соответствует мировым стандартам.
Контрольные и сертификационные испытания опытных образцов будут
исследованы в условиях ТОО "Алматинское бюро по сертификации"
Объектом исследования является зерновое сырье отечественной селекции. В
качестве объектов исследования определены следующие зерновые культуры, которые
условно разделили на три группы:
– зерновое сырье, как научная продукция отечественных селекционеров;
– сыпучее сырье, мука из цельносмолотого зерна злаковых культур и
полизлаковая смесь на ее основе, являющаяся ценным источником питательных и
минеральных веществ;
– продукты высокой степени готовности, укрепляющие функциональный
статус, т. е. продукты направленного действия с максимальным сохранением
биологически активных веществ, сосредоточенных в периферийных частях зернового
сырья.
Зерновое сырье. В качестве объектов исследований на экспериментальных
установках определено зерно злаковых культур: пшеница, ячмень, кукуруза, овес,
гречиха и просо. Зерно будет представлено основными зерносеющими регионами
Казахстана: Акмолинской, Карагандинской, Актюбинской, Южно-Казахстанской,
Северо-Казахстанской, Алматинской областей. Отобранные пробы зернового сырья
будут представлять собой последние селекционные разработки ведущих
научно-исследовательских центров.
Злаковые культуры принадлежат к различным ботаническим семействам:
хлебным злакам, которые подразделяются на типичные (пшеница, рожь, овес,
ячмень, тритикале) и просовидные (просо, рис, кукуруза, сорго); гречишные
(гречиха) и зернобобовые. Ниже приведено описание объектов исследования.
Пшеница - продовольственная культура, занимающая лидирующее место в
объеме производства злаковых культур на территории РК.
В качестве объектов исследования будут отобраны образцы зерна пшеницы,
представляющие собой современные селекционные достижения отечественных
ученых-селекционеров.
Ячмень - важная продовольственная, зернофуражная и техническая культура,
морозо- и жароустойчива. Зерно ячменя идет на продовольственные, технические и
кормовые цели.
В качестве объектов исследования будут отобраны образцы зерна ячменя,
представляющие собой современные селекционные достижения отечественных
ученых-селекционеров.
Овес - типичный хлебный злак, имеющий важное продовольственное и фуражное
значение. Пищевое и кормовое достоинство овса определяется его высокой
биологической ценностью, ввиду высокого содержания незаменимых аминокислот,
особенно - лизина (до 8,5 %).
В качестве объектов исследования будет отобрана партия зерна овса,
представляющая собой современную селекционную разработку отечественных
ученых-селекционеров.
Кукуруза - важная продовольственная и фуражная культура, занимающая одно
из ведущих место в мировом производстве зерна.
В качестве объектов исследования будут отобраны экспериментальные партии
зерна кукурузы, представляющие собой современные селекционные разработки
отечественных ученых-селекционеров.
Просо - важная крупяная культура. Отличительной особенностью зерна проса
является значительное содержание жира в химическом составе, что характеризуется
повышенной кислотностью. В результате чего зерно проса и продукты на его основе
отличаются нестабильностью в процессе хранения.
В качестве объектов исследования будут отобраны экспериментальные партии
зерна проса, представляющие собой современные селекционные разработки
отечественных ученых-селекционеров.
Гречиха - важная продовольственная (крупяная) культура. В зерновом
производстве представлена единственная культура - гречиха (Fagorpyrum Mill).
В качестве объекта исследования будут отобраны экспериментальные партии
зерна гречихи, представляющие собой современные селекционные разработки
отечественных ученых-селекционеров.
Отобранные пробы зернового сырья будут соответствовать
требованиям, изложенным в СТ РК и ГОСТах.
.2 Физико-химические методы исследований
Физико-химические характеристики объектов исследований дают возможность
получить представление о качестве сырья и продукции, о химическом составе, о
технологических и потребительских свойствах объектов исследования.
Установленные значения физико-химических характеристик в значительной
степени оказывают влияние на эффективность ведения технологических процессов
производства продуктов питания на зерновой основе.
В этой связи с целью рационального построения технологического процесса
производства продуктов высокой степени готовности на основе полизлаковой смеси,
необходимо изучить физико-механические и биохимические свойства полизлакового
сырья, которые в совокупности дают оценку технологическим достоинствам
зернового сырья.
Определение показателей качества и безопасности зернового сырья
казахстанской селекции и муки, приготовленной из полизлакового сырья,
проводится в соответствии со следующими ГОСТированными методиками.
Отбор и формирование проб зернового сырья будет проводиться в
соответствии с ГОСТ 13586.3-83 Зерно. Правила приемки и методы отбора проб.
Настоящий стандарт распространяется на заготовляемое и поставляемое зерно
зерновых и зернобобовых культур, предназначенное для продовольственных,
кормовых и технических целей, и устанавливает правила приемки и их методы.
Согласно действующему нормативно-техническому документу будут
предусмотрены следующие этапы:
– приемка;
– отбор проб;
– составление объединенной пробы;
– подготовка средней пробы и выделение навесок для проведения
физико-химических анализов;
– порядок и хранение выделенных проб.
Определение органолептических характеристик зернового сырья будет
проводиться в соответствии с ГОСТ 10967-90 Зерно. Методы определения запаха и
цвета [159-160]. Анализ по определению запаха и цвета проводится на отобранных
пробах зернового сырья, имеющего комнатную температуру, при влажности зерна не
более 14,5-15 %.
Определение влажности отобранных проб зернового сырья будет проводиться в
соответствии с ГОСТ 13586.5-93 Зерно. Метод определения влажности [159-160].
Показатель влажности имеет важное технологическое значение в производстве
продуктов на зерновой основе, существенно оказывает влияние на эффективность протекания
технологических процессов. В лабораторных исследованиях будет применен
воздушно-тепловой метод определения влажности, согласно которому нужно
обезвоживать навеску измельченной экспериментальной навеки зерна в
воздушно-тепловом шкафу при фиксированных параметрах: температуры и
продолжительности сушки. Далее аналитическим путем будем определять убыль массы
навески по формуле:
(41)
где
m1 - масса пробы целого зерна после предварительного
подсушивания; m2 - масса навески размолотого зерна после
просушивания.
За
окончательное значение будем принимать среднеарифметическое значение
результатов двух параллельных анализов. Полученные значения будут фиксироваться
и заноситься в лабораторный журнал.
Определение
химического состава зернового сырья будем проводить в соответствии с ГОСТ Р
50817-95 Корма, комбикорма, комбикормовое сырье. Метод определения содержания
сырого протеина, сырой клетчатки, сырого жира и влаги с применением
спектроскопии в ближней инфракрасной области [159-160]. Лабораторные
исследования будем проводить на анализаторах цельного и молотого зерна,
использующих метод отражения в ближней инфракрасной области с набором
калибровок. Показания приборов будут занесены в лабораторный журнал.
Определение содержание минеральных веществ в зерновом сырье будем
проводить в соответствии с ГОСТ Р 50852-96 Комбикорма, комбикормовое сырье.
Метод определения содержания сырой золы, кальция и фосфора с применением
спектроскопии в ближней инфракрасной области [161, 162]. Лабораторные анализы
по определению содержания минеральных веществ в зерне будем проводить на
анализаторах цельного и молотого зерна, использующих метод отражения в ближней
инфракрасной области, путем автоматизированного замера интенсивности диффузионного
отражения излучения от исследуемого объекта и дальнейшим расчетом содержания
определяемого компонента по уравнению регрессии.
Определение солей тяжелых металлов будем проводить в соответствии с ГОСТ
Р 51301-99 Продукты пищевые и продовольственное сырье.
Инверсионно-вольтамперометрические методы определения содержания токсичных
элементов (кадмия, свинца, цинка, меди) [159, 160]. Лабораторные исследования
по определению концентрации солей тяжелых металлов будем проводить путем
измерения массовой концентрации ионов металлов, в частности, свинца, меди,
кадмия, ртути и др. в водных растворах.
Определение патогенной микрофлоры зерна и зернопродуктов будем проводить
в соответствии с ГОСТ 10444.15-94 Продукты пищевые. Методы определения
количества мезофильных аэробных и факультативно-анаэробных микроорганизмов
[159, 160]. Лабораторные исследования по определению количества мезофильных
аэробных и факультативно-анаэробных микроорганизмов будем проводить путем
посева на агаризованные питательные среды и дальнейшим инкубированием посевов
при температуре 30±1 °С в течение 72±3 часа в аэробных условиях. После процесса
инкубирования проведем подсчет количества колоний, выросших на чашке Петри в
соответствии с установленным методом. Полученные значения при подсчете образовавшихся
колоний будут зарегистрированы в лабораторном журнале.
Определение количества дрожжей и плесневых грибов будем проводить в
соответствии с ГОСТ 10444.12-88 Продукты пищевые. Метод определения дрожжей и
плесневых грибов [159, 160]. Лабораторные исследования будем проводить методом
высева гомогената зерна и зернопродуктов в питательные среды и дальнейшим
определением принадлежности выделенных микроорганизмов к плесневым грибам и
дрожжам по характерному росту на питательных средах и по морфологии клеток.
Обработку результатов исследований будем вести раздельно для дрожжей и
плесневых грибов, количество будем вычислять по формуле:
(42)
где
ΣС - сумма всех подсчитанных колоний на чашках Петри в
двух последовательных десятикратных разведениях; n1 - количество
чашек Петри, подсчитанное для меньшего разведения, т. е. для более
концентрированного разведения продукта; n2 - количество
чашек Петри, подсчитанное для большего разведения; n - степень
разведения продукта (для меньшего разведения).
В
ходе проведения лабораторных исследований по изучению микробиологической
обсемененности будет применены следующая аппаратура [163]:
– весы аналитические лабораторные;
– чашки Петри;
– петля бактериологическая;
– стекла предметные и покровные;
– микроскоп световой биологический с увеличением 900-1000;
– термостат с диапазоном рабочих температур 28-55 °С;
– питательные среды.
Полученные значения при подсчете образовавшихся колоний будем
регистрировать в лабораторном журнале.
Определение органолептических показателей зернопродуктов будем проводить
в соответствии с ГОСТ 27558-87 Мука и отруби. Методы определения цвета, запаха,
вкуса и хруста [159, 160]. Лабораторные исследования по определению цвета
зернопродуктов будем проводить визуальным способом при дневном свете.
Определение запаха зернопродуктов будем проводить путем согревания дыханием
экспериментальной навески, для усиления запаха будет применен способ заливания
горячей водой, после чего устанавливается присутствующий запах. Определение
вкуса и хруста муки будем проводить путем разжевывания экспериментальной
навески. Результаты лабораторных наблюдений будут занесены в лабораторный
журнал.
Определение влажности муки из цельносмолотого зерна злаковых культур
будем проводить в соответствии с ГОСТ 9404-88 Мука и отруби. Метод определения
влажности [159, 160]. Настоящий метод предназначен для определения влажности
мучной продукции путем обезвоживания муки в воздушно-тепловом потоке при
фиксированных значениях температуры и продолжительности сушки.
Обработку результатов лабораторных анализов по определению влажности
мучной продукции будем проводить по формуле [159, 160]:
(43)
где
m1 - масса навески муки до высушивания, г; m2 -
масса навески муки после высушивания, г.
За
окончательный результат принимается среднее арифметическое значение результатов
двух параллельных определений. Полученные значения будем записывать в
лабораторный журнал.
Определение
влажности полизлаковых продуктов питания высокой степени готовности будем
проводить в соответствии ГОСТ 26312.7-88 Крупа. Метод определения влажности
[159, 160]. Лабораторные исследования будем проводить по аналогичной методике
указанной выше, обработку результатов лабораторных исследований будем проводить
по формуле (41).
За
окончательный результат принимается среднее арифметическое значение двух
параллельных определений.
Определение
крупности муки будем проводить в соответствии с ГОСТ 27560-87 Мука. Метод
определения крупности [159, 160]. Для определения крупности муки из
цельносмолотого зерна применяется набор сит, предназначенных для обойной муки.
Далее устанавливается процентное содержание остатка частиц муки на сите и
проход через сито. При выборе размеров сит будем руководствоваться ГОСТ ИСО
2591-1-2002 Ситовой анализ. Часть 1. Методы с использованием контрольных сит из
проволочной ткани и перюрированных металлических листов.
Определение реологических свойств (упругости, растяжимости, эластичности,
энергии) теста на основе муки из цельносмолотого зерна будем проводить в
соответствии с ГОСТ Р 51415-99 Мука пшеничная. Физические характеристики теста.
Определение реологических свойств с применением альвеографа.
Методика проведения исследований заключается в следующем. Образец теста
(мука+вода+соль) замешивается в тестомесилке и в виде шарика подвергается
воздушному давлению, раздуваясь до разрыва в альвеографе. При определении
реологических свойств теста на приемный столик альвеографа укладывается блинок
теста (образец теста), фиксируемый с помощью кольца. На начальном этапе
эксперимента при увеличении давления воздуха проба теста проявляет свои упругие
свойства. Далее под давлением воздуха тесто раздувается в шар и проявляет свои
упруго-пластические свойства. В определенный момент времени происходит разрыв
шара, тесто проявляет свои прочностные свойства.
Процесс деформации теста будем фиксировать посредством приставки
Альвеолинк в виде графических кривых альвеограмм (рисунок 17), которые
изображаются на экране компьютера и могут быть распечатаны на принтере.
Рисунок 17 - Вид графических кривых альвеограмм
Основные определяемые характеристики альвеограммы:
1. P - упругая деформация теста;
2. L - общая деформация теста;
. W - работа деформации;
. Iе - индекс эластичности (P200/P).
Определение калорийности и энергетической ценности проб зерна и
зернопродуктов будем определять по результатам анализа химического состава
методом ближней инфракрасной спектроскопии. Энергетическая ценность
представляет собой количество тепловой энергии, образующейся в организме
человека в процессе биологического окисления органических веществ зерна и
зернопродуктов. Принято считать, что при окислении в организме 1 г белков
образуется 4,0 ккал/г, жиров - 9, а углеводов - 3,75 ккал/г. В соответствии с
Международной системой измерений (СИ) количество теплоты (энергии) выражается в
джоулях или кДж (1 ккал = 4,184 кДж). Следовательно, энергетическая ценность в
международных единицах составит (в кДж): белков - 16,7, жиров - 37,7 и
углеводов - 15,7 [164-167].
Теоретическую калорийность зерна и зернопродуктов будем определять как
сумму калорийности всех органических соединений в исследуемой пробе зерна по
формуле:
(44)
где
xб, xж и xу - содержание соответственно белка, жира и углеводов
(клетчатка + крахмал).
Полученные значения калорийности и энергетической ценности зерна и
зернопродуктов будут занесены в таблицу.
.3 Методические предпосылки лабораторных исследований
Для оценки эффективности технологических процессов измельчения зернового
сырья, смешивания и экструдирования полизлаковой смеси будем проводить
исследования на экспериментальных установках.
Процесс измельчения зернового сырья является сложным повторительным
процессом. В этой связи эффективность процесса измельчения зернового сырья на
экспериментальных установках будем оценивать по показателям: степень
измельчения (гранулометрический состав) объектов исследования,
производительность устройства (Q,
кг/час) и удельные энергетические затраты на ведение процесса измельчения (кВт∙ч/т).
Методика проведения экспериментальных исследований по изучению и
определению эффективности процесса измельчения заключается в следующем.
Степень измельчения испытуемого образца зерна оценивается через модуль
крупности размола М по формуле:
(45)
где
m0 - остаток на сборном дне рассева-анализатора, г; m1, m2, m3 -
остаток на ситах с отверстиями диаметром 0,001, 0,002 и 0,003м; г.
Значения m0, m1, m2 и m3
гранулометрического состава измельченной массы будем определять путем
просеивания навески на наборах штампованных сит с круглыми отверстиями
установленного диаметра, составленных в порядке уменьшения их размеров сверху
вниз. Сходы с сит Ø 1, 2 и 3 мм и остаток на сборном дне будем взвешивать
на аналитических весах, результаты взвешивания будем заносить в таблицу
экспериментального журнала. После чего подставляя числовые значения
экспериментальных данных в формулу (45) будем рассчитывать модуль крупности М.
Производительность экспериментальной установки будем измерять весовым
методом, который заключается в следующем. Экспериментальная навеска массой 10
кг загружается в приемное устройство и запускается измельчающая установка, при
этом нужно фиксировать время, за которое экспериментальная навеска будет
переработана. Полученные значения выражаются к массе зерна переработанной за
час работы устройства (кг/час). Полученные значения будут занесены в
лабораторный журнал.
Энергетические затраты будем фиксировать на основании значений лабораторного
электроизмерительного стенда. Полученные значения энергетических характеристик
процесса измельчения при различной частоте вращения рабочего органа, влажности
измельчаемого материала, кратности обработки и производительности будут
занесены в таблицы лабораторного журнала.
Эффективность технологического процесса измельчения зернового сырья
зависит от многих факторов. Влажность измельчаемого материала в значительной
степени влияет на эффективность ведения технологического процесса переработки
зернового сырья. Также значительное влияние на эффективность процесса обработки
зерна оказывает частота вращения рабочего органа и количество циклов повторной
обработки, так при построении технологических схем зерноперерабатывающих
производств применяются повторительные процессы обработки зернового сырья.
Экспериментальные исследования будут проведены при различных значениях
влажности измельчаемого зерна, различной частоте вращения рабочего органа.
Частоту вращения рабочего органа регулируют путем замены диаметра шкива
приводного вала, или путем увеличения или понижения поступающего напряжения
через реостат. Далее инструментальным методом замеряют частоту вращения вала
рабочих органов измельчающей установки.
Влажность измельчаемой массы зерна контролируют путем обезвоживания
экспериментальной навески, по следующей методике. В производственных условиях
величина влажности (W) измельчаемого зернового сырья обычно колеблется в
интервале от 11,0 до 18,0 %. Поэтому с целью изучения влияния (W, %) на степень измельчения (модуль
крупности М, мм) измельчаемого зернового сырья количество воды, необходимой для
достижения заданной влажности зерна, определяем по формуле
(46)
где
Gk - масса взятого для увлажнения зерна, г; Wk ,Wн -
начальная и конечная влажность зерна, %.
В отобранную массу зерна будем добавлять рассчитанное количество воды, а
затем увлажненную массу тщательно будем перемешивать и выдерживать в плотно
закрытой стеклянной емкости (эксикаторе) при комнатной температуре.
Окончательно влажность зерна будем контролировать по ГОСТ 13496.3-70. Далее
зерновое сырье с установленной влажностью будет подвергнуто измельчению.
Результаты экспериментальных исследований будут занесены в лабораторную
ведомость.
Методика проведения эксперимента по изучению эффективности процесса
измельчения заключается в следующем. Предварительно подготовленная
экспериментальная навеска объекта исследования (зерно пшеницы, ячменя, овса,
кукурузы, гречихи и проса) массой по 10 кг поочередно загружается в приемное
устройство измельчающей установки и подвергается измельчению при переменных
значениях частоты вращения рабочих органов, кратности измельчения и влажности
измельчаемого материала.
Результаты экспериментальных исследований заносятся в таблицы текстового
процессора Microsoft Exсel Windows 2007, на основе которых будет
построена модель в трехмерном пространстве, представляющая собой плоскость, которая
характеризует зависимость модуля крупности от двух переменных факторов, частоты
вращения рабочего органа экспериментальной установки и влажности измельчаемого
материала, при четырех постоянных, т.е. при четырехкратном цикле обработки в
экспериментальной установке. Описание трехмерных моделей будет представлено на
втором этапе исследований (этап 2013 года).
Для обработки результатов экспериментальных исследований при
однофакторном эксперименте планируется применять аппроксимации
экспериментальных данных кубических функций методом наименьших квадратов, в
результате будут установлены оптимальные кинематические и технологические
параметры технологических процессов.
Для оптимизации результатов экспериментальных исследований при
многофакторных экспериментах для разработки математической модели процесса
измельчения зерна на экспериментальной установке, будем применять ротатабельный
план второго порядка (план Бокса), когда число факторов К=3, число опытов плана
более 20, число опытов в нулевой точке 6 и число коэффициентов уравнения - 10.
Процесс смешивания объектов исследования является сложным технологическим
процессом, от эффективности которого зависит однородное распределение всех
питательных веществ в любом объеме полизлаковой смеси.
Методика проведения экспериментальных исследований заключается в
следующем. Предварительно подготовленные сыпучие компоненты полизлаковой смеси,
в соответствии с разработанной рецептурой, загружаются поочередно в
смесительную емкость устройства.
На практике для количественной оценки эффективности процесса смешивания
используется метод определения коэффициента вариации (Vc, %), характеризующий однородность распределения компонентов
по составу смеси за определенный промежуток времени. Однако, данный метод
отличается большой трудоемкостью в связи с применением глубоких химических
методов исследования.
С целью упрощения методики исследования в качестве показателя
эффективности процесса смешивания будем применять переменные значения
калорийности отобранных проб образуемой смеси, при фиксированных значениях
времени смешивания и частоте вращения рабочего органа.
Оценку эффективности процесса смешивания будем производить путем контроля
следующих параметров: значений калорийности отборных проб мучной полизлаковой
смеси (Эц, ккал) и времени смешивания (t, с) сыпучих компонентов смеси, частоты вращения рабочего
органа (n, мин-1) при фиксированных значениях
энергоемкости процесса смешивания.
Методика проведения экспериментальных исследований заключается в
следующем. Предварительно подготовленные сыпучие мучные компоненты полизлаковой
смеси, в соответствии с разработанной рецептурой, загружаются поочередно в
смесительную емкость устройства, далее запускается установка. Экспериментальные
исследования будем проводить при различных фиксированных значениях частоты
вращения рабочего органа смесителя. Частоту вращения рабочего органа будем
изменять путем замены диаметра шкивов на приводном валу электродвигателя. Для
регистрации значений n
будем применять министробоскоп Тesto 470.
После истечения каждых 10 секунд будем отбирать экспериментальную пробу
мучной полизлаковой смеси, где будем определять химический состав (содержание
протеина, клетчатки, жира) методом ближней спектроскопии в инфракрасной
области, после чего расчетным путем будем определять калорийность всех
органических соединений в исследуемом образце по формуле. Для определения
химического состава отобранной пробы смеси будем применять инфракрасный
спектрометр для анализа молотого зерна и продуктов размола INFRAMATIC
8611/8620. Показания приборов будут занесены в лабораторный журнал.
Экспериментальные исследования будем проводить до достижения заданной
(расчетной) калорийности мучной полизлаковой смеси.
Полученные результаты экспериментальных исследований будут занесены в
таблицы текстового процессора Microsoft Exсel, на основании которых будем строить
график зависимости калорийности отборных проб мучной полизлаковой смеси (Эц,
ккал) и времени смешивания (t, с)
сыпучих компонентов смеси при различной частоте вращения рабочего органа (n, мин-1).
Процесс экструдирования объектов исследования является важным
технологическим процессом по приданию уникальных пищевых и вкусовых достоинств
вырабатываемой продукции.
Методика проведения экспериментальных исследований по изучению процесса
экструдирования заключается в следующем. Предварительно подготовленная
полизлаковая смесь, в соответствии с разработанной рецептурой, загружается в
приемное устройство экспериментального экструдера. После чего запускается
установка при фиксированных значениях частоты вращения рабочего органа -
прессующего шнека. При этом фиксируются переменные значения давления, и
температуры экструдата на выходе из матрицы прессующего шнека.
Результаты экспериментальных исследований заносятся в таблицы текстового
процессора Microsoft Exсel Windows 2007, на основе которых будет
построена модель в трехмерном пространстве, представляющая собой плоскость,
которая характеризует зависимость модуля крупности от двух переменных факторов,
частоты вращения рабочего органа экспериментальной установки и влажности
измельчаемого материала, при четырех постоянных, т.е. при четырехкратном цикле
обработки в экспериментальной установке. Описание трехмерных моделей будет
представлено на втором этапе исследований (этап 2013 года).
3.4 Приборно-аппаратурная база лабораторных
исследований
Для изучения физико-химических свойств объектов исследования будет
использована материально-техническая база Казахского национального аграрного
университета (далее - КазНАУ). Как уже выше упоминалась,
материально-техническая обеспеченность КазНАУ соответствует мировым стандартам.
В 2010 году в рамках международного проекта сформирован Казахстанско-Японский
инновационный центр, в составе которого функционируют 2 лаборатории:
лаборатория инженерного профиля "Электронная микроскопия" и
лаборатория пищевой и экологической безопасности.
В 2013 году планируется открытие двух научно-исследовательских
лабораторий: НИЛ зерна и продуктов его переработки и НИЛ экструзионной
технологии пищевых продуктов. Об их основном составе упоминалось выше, в пп.
3.1. Ниже приведен перечень вспомогательных измерительных приборов и
аппаратуры:
- устройство УДИМ-1 для извлечения металломагнитных примесей;
- анализатор влажности МОС-120Н (d чаши - 130 мм, вес образца
0,001-120 г, диапазон измерения 0,01-100 %, 4,5 кг);
- влагомер цифровой, измеритель влажности зерна и
зернопродуктов с термощупом WILE-65;
- белизномер портативный СКИБ-М;
- устройство для отмывания клейковины МОК-3М;
- измеритель деформации клейковины ИДК-3М, автомат;
- прибор для определения пористости хлеба (типа Журавлева)
УОП-01;
- прибор для определения объема хлеба ОХЛ-2;
- прибор для измерения формоустойчивости хлеба ИФХ-250;
- тестомесилка со встроенным дозатором для анализов клейковины
У1-ЕТК;
- диафаноскоп ДСЗ-2м для определения стекловидности зерна;
- спектрофотометр (инфракрасный анализатор) СПЕКТРАН-119М;
- весы электронные лабораторные ВЛТ-1500-П, до 1500 г, цена
деления 0,01 г.
Научно-исследовательская и инновационная деятельность лаборатории
"Электронная микроскопия" (далее - ЭМ) осуществляется в рамках
приоритетных направлений научно-технического развития. Внедренные в условиях
лаборатории ЭМ апробированные методики, позволяют получать качественно новую
информацию о физических и структурных свойствах биологических и полимерных
материалов на уровне индивидуальных макромолекулярных компонентов и проводить
исследования трехмерных наноструктур в объеме материалов.
Лаборатория инженерного профиля "Электронная микроскопия" имеет
следующую оснащенность научным оборудованием и приборами:
– низковакуумный растровый электронный микроскоп JSM-6510LA в комплекте с энергодисперсионным рентгеновским
спектрометром "JEOL"
(Япония);
– просвечивающий электронный микроскоп JEM-1011 в комплекте с CCD-цифровой фотокамерой Morada (OLYMPUS)
"JEOL" (Япония);
– вакуумная напылительная установка JEE-420 "JEOL" (Япония);
– ультрамикротом Leica EM UC-7 (Австрия);
– аппаратный комплекс для микроскопии и цифровой микрофотографии на
базе микроскопа научно-исследовательского класса - Leica DM 4000B (Германия);
– атомно-абсорбционный спектрометр Shimadzu серии AA-6300;
– газовый хроматограф Shimadzu серии GC-2010;
– жидкостной хроматограф Shimadzu серии LC-2010;
– система идентификации микроорганизмов Sherlock на базе газового хроматографа Agilent 6850;
– ИФА Ридер Stat Fax 2100;
– спектрофотометр NanoDrop 2000 UV-Vis.
Описание аппаратуры и приборов лаборатории инженерного профиля
"Электронная микроскопия" и лаборатории пищевой и экологической
безопасности, применяемых при проведении экспериментов, измерений и испытаний,
приведено в приложении А.
При проведении запланированных лабораторных анализов будут применяться
следующие средства измерений:
– при отборе проб - металлические щупы, исключающие травмирование зерна;
– при определении массы лабораторных навесок - весы лабораторные с
погрешностью взвешивания не более 0,01 г;
– при определении массы экспериментальных навесок - весы с пределом
взвешивания до 20 кг;
– для составления объединенных проб - делительно-смешивающие
устройства;
– для определения стекловидности - диафаноскоп ДСЗ-2М;
– для определения натуры - литровую пурку ПХ-1 с падающим грузом;
– для определения влажности зерна и зернопродуктов - сушильный шкаф
СЭШ-3М;
– для определения зольности зерна и зернопродуктов - электропечь
СНОЛ-1,6.2,5.1/11-И1М;
– для оценки технологических свойств зерна пленчатых культур -
показатель пленчатости;
– для определения крупности муки и продуктов измельчения - сита
полиамидные, металлотканые и штампованные (ГОСТ ИСО 5223-2002 Сита лабораторные
для анализа зерновых культур. Технические требования);
– для просеивания зерна и зернопродуктов - лабораторный рассев;
– для стерилизации оборудования лабораторный Автоклав ВК-75;
– для обугливания лабораторных проб будем применять печи муфельные SNOL 6,7/1300;
– для измельчения объектов исследования - планетарная шаровая
мельница РМ 100;
– гомогенизатор (диспергатор);
– бидистиллятор и другое оборудование, используемое для
вспомогательных работ и пробоподготовке.
.5 Экспериментальные установки
Экспериментальные исследования по разработке технологии производства
полизлаковых продуктов высокой степени готовности будут проводиться на
промышленном двухшнековом экструдере (рисунок 18) типа LT65L. В конструкции
устройства реализованы современные инженерные решения, направленные на
совершенствование технологии производства экструдированных продуктов.
Рисунок 18 - Экструдер двухшнековый LT65L
Экструдер, оснащен электрическим приводом мощностью 46 кВт и обладает
производительностью 120-150 кг/час.
Отличительной особенностью конструкции устройства является
автоматизированная система задания и контроля терморегулирования, которая
включает pit-регуляторы, обеспечивающие стабильность теплового режима в зонах
экструзии. Специально спроектированные самоочищающиеся шнеки позволяют
исключить наличие канцерогенов и твердых частиц в конечном продукте, что
позволяет не проводить разборку и чистку экструзионной зоны установки при
завершении работы.
Преимуществами экспериментального экструдера:
– простота конструкции и эксплуатации устройства;
– автоматическая система управления нагревом и охлаждением
технологических зон;
– регулирование частоты вращения двигателей экструдера, режущего
устройства и дозатора с помощью частотных преобразователей;
– конструкция экструдера укомплектована бункером-накопителем сухой
смеси, который устанавливается над дозатором сухих компонентов объемом 1 м3;
– конструкция экструдера оснащена кондиционером;
– устройство оснащено системой регистрации и запоминания параметров
технологического процесса с выводом данных в реальном времени. Для измельчения
экспериментальных проб зерна будет применяться универсальная молотковая
дробилка ДУ500 (рисунок 19).
Молотковая дробилка ДУ500 (в дальнейшем мельница) используется для
изготовления различных круп из зерновых, бобовых и других легко сыпучих
продуктов, близких по физическим свойствам к зерновым.
Рисунок 19 - Универсальная молотковая дробилка ДУ500
Технические параметры молотковой дробилки следующие: производительность -
0,5 т/ч, максимальное количество получаемых фракций - 4, влажность материала
для просеивания - до 13 %, установленная мощность - 5 кВт.
ЗАКЛЮЧЕНИЕ
В результате международного обзора объемов производства зернового сырья
установлено, что лидерство в области производства и экспорта зерновых культур
занимают страны с развитой экономикой, ориентированной на внедрение передовых
агротехнологий.
Суммарные экспортные предложения зерна со стороны основной
"пятерки" экспортеров составляют более 85 % всего объема мировой
торговли. Ведущее положение на рынке зерна отводится США, на долю которых
приходится 28 % объема торговли, далее Канада - 17 %, Австралия и Европейский
Союз - по 15 %, Аргентина - 11 %.
Обзор объемов производства зернового сырья странами ближнего зарубежья
показал, что основными производителями зерновых культур являются Россия,
Украина и Казахстан. Сырьевой потенциал трех государств позволяет обеспечивать
внутреннее потребление зерновых в стране, кроме того у этих государств имеется
достаточно высокий экспортный потенциал.
Проведенный анализ показал, что Республика Казахстан обладает достаточной
сырьевой базой для зерноперерабатывающих предприятий и обеспечивает должный
уровень продовольственной безопасности на современном уровне развития. В
Республике наблюдаются недостаточные объемы производства гречихи,
продовольственной кукурузы, товарного ячменя и овса. Для решения сложившейся
ситуации потребуется усиление государственных мер по субсидированию и
диверсификации структуры растениеводства, перераспределения производственных
сил сельхозтоваропроизводителей на производство других важных крупяных и
фуражных культур.
Только в этом случае будет сформирована развитая сырьевая база, которая
окажет системообразующий эффект в перерабатывающем секторе РК. Немаловажное
значение будет приобретать активизация мер по стимулированию и переходу
сельскохозяйственного производства на ресурсосберегающие технологии. Для этих
целей на сегодняшний день успешно функционирует инновационная среда (НИИ,
центры распространения знаний, технопарки и бизнес-инкубаторы и т.д.).
Производимое зерно является сырьевой базой зерноперерабатывающей
промышленности РК, которая включает более 10 отраслей, объединяющих более 500
действующих предприятий. Наблюдается устойчивый характер технологического
развития предприятий, ввиду усиленного развития сырьевой базы и притока
инвестиций в модернизацию технологической базы организаций пищевой и
перерабатывающей промышленности.
Анализ структуры производства по объемам выпуска зернопродуктов в разрезе
регионов Республики Казахстан показал неравномерность распределения
производственных сил зерноперерабатывающих предприятий. В настоящее время на
крупных перерабатывающих предприятиях наблюдаются положительные тенденции:
увеличение объемов переработки крупяных культур, совершенствование и расширение
ассортиментной базовой номенклатуры выпускаемой продукции.
В соответствии с данными Агентства Республики Казахстан по статистике с
2010 года наблюдается тенденция снижения объемов производства крупы, муки
грубого помола, гранул и продуктов из зерновых культур и зернопродуктов в
Республике Казахстан. Аналогичная ситуация складывается и в области
производства муки из других зерновых культур и мучных смесей тонкого помола из
различных злаковых культур.
Проведенный анализ структуры производства крупяной продукции показал, что
крупяная продукция является основой продовольственной безопасности нашего
государства и играет важную роль в рационе питания населения. Основной
производимой крупой страны является рисовая, которую в прошлом году произвели в
достаточном количестве как для обеспечения внутреннего потребления республики,
так и на экспорт. Помимо рисовой крупы, ощутимые объемы производства приходятся
на крупу манную и пшеничную шлифованную. Доля остальных круп крайне мала, как в
объемах производства, так и в объемах потребления.
Одним из способов повышения питательной ценности продуктов питания
является производство цельноплющенного, цельносмолотого продукта на зерновой
основе, а также составление полизлаковых смесей, сбалансированных по
аминокислотному, минеральному и витаминному составу. Также следует отметить
необходимость применения новых подходов в технологии переработки зерна, которые
дают возможность повысить степень готовности продуктов питания путем применения
современной экструзионной технологии или процесса микронизации готовой зерновой
полизлаковой смеси.
Анализ состояния производства продуктов высокой степени готовности
показал, что для Казахстана возможность конкурентного (импортного) замещения
составляет до 99,0 %. То есть в силу специфической ситуации на рынке продуктов
быстрого приготовления, произведенных на основе зернового сырья, для
организации нового производства данных пищевых продуктов, возможности для
захвата рынка продуктов быстрого приготовления в Казахстане представляются
просто уникальными. Фактически можно считать, что производство пищевых
продуктов быстрого приготовления, изготовленных на основе зернового сырья,
находится в Республике Казахстан на самой начальной стадии своего развития.
В результате проведенного анализа современного состояния
транспортно-технологического комплекса предприятий по переработке зерна
установлено, что основная часть предприятий работает по упрощенным технологиям
и на оборудовании, которое не обеспечивает в полной мере производство
высококачественной и конкурентоспособной продукции. Такие предприятия требуют:
модернизации материально-технической базы; применения современной техники и
технологии; новых достижений науки.
Для модернизации оборудования и перепрофилирования деятельности
высокопроизводительных предприятий требуются значительные капиталовложения.
Многие предприятия, не имеют возможности высвобождения финансовых средств в
отличие от малопроизводительных цехов, которые более приспособлены и гибки по
отношению к растущему спросу на готовую продукцию. Перед ними возникает задача
обеспечения эффективной эксплуатации материально-технической базы в условиях
развивающегося экспортного рынка готовой продукции и обеспечения сохранности и
конкурентоспособности предприятий на должном техническом уровне.
По мере интенсификации производства, путем применения новой техники и
технологии, будет возрастать проблема утилизации отходов производства и
использования вторичного сырья (повышение эффективности использования сырья).
Разработана Программа и методика проведения экспериментальных
исследований по изучению объектов исследования; по разработке технологии
производства продуктов высокой степени готовности.
Проведены патентные исследования, по результатам которого составлен отчет
о патентных исследованиях (Приложения Б, В). Подготовлены заявки на
предполагаемое изобретение (Приложение Г).
По результатам I-го
этапа исследований опубликованы:
– аналитический обзор "Современное состояние производства
зернопродуктов";
– обзорная информация "Современный уровень технологического
оснащения крупяных предприятий";
– научная статья "Об эффективности процесса экструдирования
полизлаковой смеси".
СПИСОК ИСПОЛЬЗОВАННЫХ ИСТОЧНИКОВ
1 Послание
Президента Республики Казахстан - Лидера Нации Н.А. Назарбаева народу
Казахстана "Социально-экономическая модернизация - главный вектор развития
Казахстана" от 27 января 2012 года.
2 Государственная
программа по форсированному индустриально- инновационному развитию Республики
Казахстан на 2010-2014 годы.
Оспанов
А.А., Муслимов Н.Ж., Джумабекова Г.Б. и др. Пути повышения
конкурентоспособности крупяной промышленности Аналитический обзор. - Астана:
ЦНТИ, 2006. - 42 с.
Оспанов
А.А., Тлегенов Ш.К. Основы эффективного измельчения и механики разрушения. -
Алматы, 2000. - 107 с.
Гийо
Роже. Проблемы измельчения материалов и ее развитие: Пер с франц. - М., 1990. -
49 с.
Антипов
С.Т., Кретов И.Т., Остириков А.Н. и др. Машины и аппараты пищевых производств.
- М.: Высшая школа, 2001. - 703 с.
7 <#"730216.files/image149.gif">
Рисунок 1 - Низковакуумный растровый электронный микроскоп JSM-6510LA с аналитической системой энергодисперсионного рентгеновского
спектрометра "JEOL"
Микроскоп серии JSM-6510LA соответствует низковакуумной (LV)
модификации, которая позволяет исследовать образцы без напыления
токопроводящего слоя, в том числе биологические и полимерные образцы
материалов, стекло, нефтематеринские породы и т. д. Прибор оснащен
аналитической приставкой для определения химического состава (спектрометры с
энергетической и волновой дисперсией).
Основными преимуществами низковакуумного растрового электронного
микроскопа JSM-6510LA с аналитической системой энергодисперсионного рентгеновского
спектрометра "JEOL"
являются:
– электронная оптика высшего класса;
– высокое разрешение;
– автоматическая настройка лазерной пушки;
– дружественный интерфейс;
– предустановленное увеличение, навигация и управление;
– многообразие информации;
– режим множественного представления;
– полностью автоматизированная электронная пушка;
– катод высокой яркости из LaB6;
– уникальный зум-конденcор JEOL;
– совместимость с персональным компьютером позволяет создавать
информативные отчеты. Система удобна в управлении, снабжена программным
обеспечением для MS Windows ME/2000/XP, что упрощает измерения и получение
данных, и позволяет получать более точную информацию о химической связи в
исследуемом образце;
– эвцентрический столик для образца;
– непроводящие и обводненные образцы;
– аналитическая станция. Высокоточный анализ химического или
молекулярного состава;
– высокая производительность. Минимум усилий при эксплуатации.
Электронный микроскоп JEМ-1011. Для исследования структуры биологической
среды будет применен электронный микроскоп JEМ-1011 (рисунок 2). Компактный,
исключительно простой в управлении просвечивающий электронный микроскоп, был
разработан на основе последних достижений электронной оптики для работы
исследователей в области биологических исследований.
Рисунок 2 - Просвечивающий электронный микроскоп JEM-1011
Основными особенностями микроскопа JEМ-1011 являются:
– минимальное число необходимых органов управления, удобно расположенных
на панели управления. Каждый пользователь может создать свой персональный файл,
содержащий набор параметров, что дает возможность использовать все возможности
JEМ именно для конкретных задач и условий эксперимента. Автоматизация таких
процессов, как регулирование высокого напряжения, нагрев нити накала, выбор
образца и возможность установки таймера упрощает работу оператора микроскопа;
– 3х-блочный (конденсорный блок, объективная линза, проекционный
блок), 6-линзовая оптическая система, формирующая изображение, покрывает
широкий диапазон увеличений, давая при этом замечательную картинку без ее
нежелательного вращения;
– электромагнитный дефлектор позволяет легко проводить измерения
длины, площади и других параметров образца по изображению во время наблюдений
его в микроскоп.
Комплектация микроскопа цифровой камерой позволяет получать превосходные
снимки без использования фотопленки. Система управления микроскопом снабжена
подсистемой управления ПЗС камерой, и автоматизировано реализует функции
фокусировки, выравнивания оптической оси и коррекции астигматизма. Для
получения цифровых отчетов на дисплее персонального компьютера микроскоп
оснащен CCD-цифровой фотокамерой Morada (OLYMPUS).
Вакуумная напылительная установка JEE-420 "JEOL". Для подготовки биологических образцов объектов
исследования для работы на высокотехнологичных микроскопах будет применена
вакуумная напылительная установка JEE-420 "JEOL" (Япония) (рисунок 3).

Рисунок 3 - Вакуумная напылительная установка JEE-420 "JEOL"
Установки серии JEE-420 оптимизированы для быстрого приготовления
образцов для рентген (просвечивающего) электронного микроскопа JEM-1011. Они идеально подходят для
нанесения углеродных пленок и пленок различных металлов осаждением из паровой
фазы на непроводящие образцы, чтобы сделать их электропроводящими, а также для
затенения и наблюдения изображений с высоким разрешением.
– напыление углерода и различных металлов;
– создаваемый вакуум 3·10-4 Па;
– установка образца под различными углами к источнику;
– возможность вращения образца.
Ультрамикротом Leica EM UC-7. Для изучения структуры и
химического состава объектов исследования необходимо изготовить полу- и
ультратонкий срез образцов тканей, т. е. провести пробоподготовку образца. Для
пробоподготовки с химической фиксацией образца будет применен ультрамикротом Leica EM UC-7 (рисунок 4).
Рисунок 4 - Ультрамикротом Leica EM UC-7 (Австрия)
Ультрамикротом Leica EM UC7 позволяет получать для микроскопии полу- и
ультратонкие срезы с идеально гладкой поверхностью биологических и промышленных
образцов. Основные преимуществами ультромикротома:
– скорость резки: от 0.05 до 100 мм/сек, 35 шагов регулировки, с
ЖК-индикацией;
– диапазон "окна резки" - от 0.2 до 15 мм (с разрешением
0.03 мм).
Микроскоп
Leica DM 4000B. Для тонкого распознавания объектов, например
изучения показателей пищевой безопасности, наличия патогенной микрофлоры, а
также для исследований в люминесцентном свете
<#"730216.files/image153.gif">
Рисунок 5 - Микроскоп научно-исследовательского класса - Leica DM 4000B
Основными преимуществами микроскопа Leica DM 4000 B
являются:
– модульная конструкция;
– методы контрастирования в проходящем свете: светлое поле, темное
поле, фазовый контраст и поляризация;
– револьверное устройство для установки 6 или 7 объективов;
– возможность установки в люминесцентный блок до 5 наборов
люминесцентных фильтров;
– FIM-устройство управления интенсивностью свечения люминесценции;
– кнопки управления функциями на штативе;
– большой дисплей, отображающий текущие установки;
– осветитель 12 В, 100 Вт.
Атомно-абсорбционный
спектрометр Shimadzu. Для проведения количественного элементного анализа
<#"730216.files/image154.gif">
Рисунок 6 - Атомно-абсорбционный спектрометр Shimadzu серии AA-6300
Основная область применения атомно-абсорбционных спектрометров (серии АА)
в проводимых исследованиях - анализ пищевых продуктов и сырья.
Газовый
хроматограф Shimadzu. Для изучения объектов исследования методом анализа
<#"730216.files/image155.gif">
Рисунок
7 - Газовый хроматограф Shimadzu серии GC-2010 (Япония)
Отличительной
особенностью газового хроматографа является исключительная чувствительность
детекторов - пламенно-ионизационного (ПИД) и пламенно-фотометрического (ПФД),
которые обеспечивают надежный и высокоточный анализ следовых количеств.
Сочетание современных технологий контроля газовых потоков с новой системой
высокоскоростного нагрева и охлаждения термостата сокращает время анализа и
гарантирует высокую воспроизводимость результатов.
В
газовый хроматограф GC-2010 Plus может быть установлено до 4-х детекторов с
индивидуальным контролем температуры для каждого и полным электронным контролем
потоков газов, а также до 3-х инжекторов с независимым контролем температуры
для каждого образца.
Жидкостный
хроматограф Shimadzu. Для изучения химической природы объектов исследования,
методом хроматографического разделения компонентов смеси будем применять
жидкостный хроматограф Shimadzu серии LC-2010 (рисунок 8).
Рисунок
8 - Жидкостной хроматограф Shimadzu серии LC-2010
Жидкостный хроматограф серии LC-2010 представляет собой интегрированную
моноблочную систему, обеспечивающую высокоскоростную (время инжекции 15 с для 10
мкл) и автоматизированную диагностику объектов исследования.
Основным преимуществом прибора является высокая производительность
аналитической системы, которая позволяет проводить до 1536 последовательных
анализов с высокой степенью повторяемости результатов при однократной загрузке
автодозатора. Прибор быстро стабилизируется в рабочем режиме. После анализа
промывка колонки автоматизирована. Обеспечена точность фиксирования окончания
времени анализа и оставшегося количества подвижной фазы.
Система идентификации микроорганизмов Sherlock. Анатомические особенности объектов
исследования, способствуют накоплению высокой обсемененности микроорганизмами.
В этой связи, с целью изучения патогенной микрофлоры объектов исследования
будет проведена серия экспериментов по определению состава комплекса жирных
кислот, входящих в клетки бактерий или грибов, а затем их идентифицируем,
сравнивая с комплексами жирных кислот известных микроорганизмов, которые
хранятся в обширной базе данных системы идентификации микроорганизмов Sherlock на базе газового хроматографа Agilent 6850 (рисунок 9).
Рисунок 9 - Система идентификации микроорганизмов Sherlock на базе газового хроматографа Agilent 6850
Особенностью бактериологического анализатора Sherlock является
возможность идентификации микроорганизмов на твердой питательной среде. Кроме
того, система используется, наряду с другими методами, для идентификации
микобактерий, изолированных от других видов традиционными методами
культивирования. Sherlock использует готовые образцы и ВЭЖХ для качественного и
количественного воспроизводимого анализа профилей жирных кислот и сравнивает их
с профилями, сохраненными в библиотеках, для идентификации. Программное
обеспечение также калибрует и контролирует систему, чтобы гарантировать
надлежащее функционирование. Система идентификации микобактерий Sherlock проста
в использовании, и как следствие, оператору не требуется большого опыта работы
с хроматографией.
Иммуноферментный анализатор. Для количественно-качественной оценки
результатов иммуноферментного анализа объектов исследования используется ИФА
Ридер Stat Fax 2100 (рисунок 10)
Рисунок 10 - ИФА Ридер Stat Fax 2100
Применение ИФА Ридер Stat Fax 2100 в
исследованиях по данному направлению позволит определить наличие бактериальных
вирусных и протозойных инфекций в объектах исследования.
Для определения концентрации и чистоты нуклеинових кислот в объектах
исследования, количественного анализа протеинов, конъюгатов, метало-протеинов,
определение интенсивности флуоресценции при связывании метки с нуклеиновыми
кислотами в биочипах будем применять спектрофотометр NanoDrop 2000 UV-Vis (рисунок 11).
Рисунок 11 - Спектрофотометр NanoDrop 2000 UV-Vis
Основные преимущества прибора: расширен доступный для исследователя
диапазон длин волн, существенно повышена верхняя граница допустимых
концентраций, вдвое уменьшен объем образца.
Для контрольных измерений и воспроизведения повторного анализа будет задействована
лаборатория пищевой и экологической безопасности, оснащенная следующим
современным научным оборудованием:
– газовый хроматограф GC-2010 Plus (Shimadzu), детекторы пламенно-ионизационный, пламенно-фотометрический;
– жидкостный хроматограф LC20AD (Shimadzu), детекторы
спектро-фотометрический, спектро-флуоресцентный;
– атомно-абсорбционный спектрофотометр AA-7000F (Shimadzu),
приставки гидридная и ртутная;
– лампы на 14 элементов: Cu, Hg, Fe, Mn, Pb, As, Cr, Ni, Se, Zn,
Cd, Co, Na, K;
– система идентификации микроорганизмов Sherlock на базе газового хроматографа Agilent 6850 с программным обеспечением MIDI;
– анализатор вольтамперометрический АКВ-07МК.
Для изучения химического состава объектов исследования методом отражения
в ближней ИК области будем применять анализатор цельного зерна реализующий -
INFRAMATIC 9200 (рисунок 12). Контролируемые параметры: влажность, белок,
зольность, жир, клетчатка.
Рисунок 12 - Анализатор INFRAMATIC 9200
Преимущества прибора: простота эксплуатации, современный дизайн,
объективность анализа, надежность в работе, высокая достоверность полученных
результатов, экономия рабочего времени, высокая скорость определения измеряемых
параметров - до 6 параметров 1 минуту.
Для определения химического состава в размолотых продуктах будем
применять инфракрасный спектрометр, для анализа молотого зерна и продуктов
размола - INFRAMATIC 8611/8620 (рисунок 13). Определяемые параметры: белок,
клетчатка, крахмал, сахар, влажность, жиры.
Для измельчения лабораторных навесок зерна и зернопродуктов с целью
придания сыпучей массе однородного состава будем использовать лабораторную
мельницу молоткового типа "3100" фирмы "Perten Instruments" (рисунок 14).
Рисунок 13 - Анализатор INFRAMATIC 8611/8620
Рисунок 14 - Лабораторная молотковая мельница
Преимуществом устройства является возможность измельчения любых видов
проб зерна влажностью до 25 %, что позволяет облегчить обработку образцов зерна
и семян с высокой масличностью или влажностью, а также автоматизированная
подача образцов в рабочую зону устройства.
Мельница является оптимальным техническим решением для подготовки проб
для определения числа падения, отмывки клейковины и для ИК-анализа. В мельнице
установлены стандартные сита с размером отверстий 0,8 мм, дополнительно
возможен заказ сит с отверстиями от 0,5 до 2,0 мм.
Для измерения реологических свойств теста на основе муки из
цельносмолотого зерна будем применять устройство Альвео-консистограф Шопена
(фирма CHOPIN, Франция) (рисунок 15).
Рисунок 15 - Альвео-консистограф Шопена
Работа прибора заключается в определении упругости, растяжимости,
эластичности и энергии теста. Процессы деформации теста фиксируются посредством
приставки "Alve Olink", которая записывает
альвеограммы и подсчитывает значения полученных параметров теста.
Альвео-консистограф представляет собой альвеограф, имеющий в своем составе
месилку-консистограф, с помощью которой производится определение консистенции
(вязкости) замешиваемого теста. Консистограф оборудован датчиком давления. По
консистенции теста судят о водопоглотительной способности муки (далее - ВПС) и,
исходя из этого значения, дозируют на замес теста для последующего
альвеографического определения такое количество воды, которое приводит к
получению теста оптимальной консистенции.
Для определения показателей пищевой безопасности, наличия массовой
концентрации ионов тяжелых металлов в зерне и зернопродуктах (свинца, меди,
кадмия, ртути и др.) будем использовать анализатор вольтамперометрический ХАН-2
(рисунок 16) с диапазон измерения от 1 до 500 мкг/л, погрешность ±20 %.
Рисунок 16 - Анализатор вольтамперометрический ХАН-2
ПРИЛОЖЕНИЕ Б
Патентно-информационный отчет по устройствам обработки
поверхности (шелушения), измельчению, пропариванию, экструдированию зерновых
культур
«УТВЕРЖДАЮ»
Начальник управления науки КазНАУ
____________________ Ш.К. Сыдыков
"____"_____________________ 2012 г.
ЗАДАНИЕ
на проведение
патентных исследований
Наименование темы: «Разработка технологии производства продуктов высокой
степени готовности из отечественного полизлакового сырья»
Шифр темы Г. 2012
Этап - Теоретические исследования
Задачи патентных исследований: исследование технического уровня,
обоснование технического уровня по выявлению устройств по обработке поверхности
(шелушению), измельчению, пропариванию и экструдированию зерновых культур и
использование результатов исследования для создания новых технических решений.
КАЛЕНДАРНЫЙ ПЛАН
|
Виды патентных исследований
|
Ответственные исполнители
(Ф.И.О.)
|
Сроки выполнения патентных
исследований Начало. Окончание
|
Отчетные документы
|
|
1.Определение
патентно-лицензионной ситуации состояния исходных требований, технических
заданий по выявлению устройств для обработки поверхности (шелушению),
измельчению, пропариванию, экструдированию зерновых культур 2. Анализ
состояния исходных требований, технических заданий по выявлению устройств для
обработки поверхности (шелушению), измельчению, пропариванию, экструдированию
зерновых культур 3. Исследование технического уровня состояния исходных
требований, технических заданий по выявлению устройств для обработки
поверхности (шелушению), измельчению, пропариванию, экструдированию зерновых
культур 4. Обоснование технического уровня состояния исходных требований,
технических заданий по выявлению устройств для обработки поверхности
(шелушению), измельчению, пропариванию, экструдированию зерновых культур
5.Оформление отчета о патентных исследованиях
|
Джумабекова Г.Б.
Джумабекова Г.Б. Баймуратов Д.Ш., Дуйсенбекова О.О. Джумабекова
Г.Б. Джумабекова Г.Б., Тимурбекова А.К.
|
Март, апрель т.г. Май
т.г. Сентябрь т.г. Октябрь т.г. Ноябрь т.г.
|
Формы 2.2; 2.3 Форма
2.1 Форма 1.1 Форма 1.2 Таблицы 6.1; 6.2; 6.3; 6.4; 6.5; 6.6
и Формы 1.1; 1.2; 2.1; 2.2; 2.3
|
Руководитель ____________ Дука О.Н. ______________
Руководитель темы ________ Оспанов А.А. ______________
Обоснование регламента поиска
Краткое обоснование регламента поиска на этапе теоретические исследования
НИР по теме «Разработка технологии производства продуктов высокой степени
готовности из отечественного полизлакового сырья»
Шифр темы Г. 2012
Задачей патентных исследований является определение технического уровня
объекта разработки в сравнении с лучшими отечественными и зарубежными
аналогами, установление исходных требований, технических заданий по выявлению
устройств для обработки поверхности (шелушению), измельчению, пропариванию,
экструдированию зерновых культур и использование результатов исследования для
создания технических решений, направленных на решение данной проблемы, а также
патентно-лицензионной ситуации.
По результатам предварительно проведенного поиска по научно-технической
информации и патентно-правовой документации выявлено, что ведущими странами
являются Россия, Казахстан, США, Германия, Польша. Эти страны выбраны в
качестве стран поиска.
Глубина поиска по источникам патентной и научно-технической информации
принята 10 лет, исходя из потребности в информации для решения поставленных
задач (исследование технического и технологического уровня и его обоснование,
анализ патентно-лицензионной деятельности ведущих фирм на мировом рынке и
исследование новизны разрабатываемого объекта НИР).
Глубина поиска по источникам конъюнктурно-экономической информации
принята 5 лет, что достаточно для выбора лучших аналогов способов производства
муки, круп и изучения производственно-сбытовой деятельности фирм.
Поиск по патентной документации проводился по следующим рубрикам
международной патентной классификации: А01N 1/00 - A01N /65/00; А01Н 1/02-А01Н 4/00; А01G1/00 -А01G25/06; А01С1/00--А01С25/02; А01В 21/08- А01В 79/02; А23L 3/30; В05В 3/02, В04С 9/00,
В09С1/08; С02F1/28 - С02F 3/34; С12 N 1/20
С05F 3/00- С05 F11/08; С09К 17/00; С07D 239/00; С05В 11/04; Е01В 3/06; Е02В11/00-Е02В 15/04; Е02D3/046; F02В13/00; F04 F1/04; F 01G
25/02.
Поиск по научно-технической информации проводился по следующим рубрикам
УДК: А01N 1/00- 65/00; А01Н 1/00-4/00; А01G 1/00- 25/06; А01С 1/00-25/02; А01В
21/00-79/02; В04С9/00, С02F 1/28
- 3/34
РЕГЛАМЕНТ ПОИСКА
Наименование темы теме «Разработка технологии производства продуктов
высокой степени готовности из отечественного полизлакового сырья»
Шифр темы Г. 2012
Дата и номер задания на проведение патентных исследований № ___ от
01.03.2012 г.
Цель поиска информации: Определение технического уровня объекта
разработки в сравнении с лучшими отечественными и зарубежными аналогами,
установление исходных требований, технических заданий по выявлению устройств
для обработки поверхности (шелушению), измельчению, пропариванию,
экструдированию зерновых культур и использование результатов исследования для
создания технических решений, направленных на решение данной проблемы.
Этап выполнения НИР - Теоретические и экспериментальные исследования
Начало поиска 01.03.2012 года Окончание поиска 30.12.2012 года
|
Предмет поиска
|
Страна поиска
|
Источники информации, по
которым проведен поиск
|
Ретроспективность
|
Наим.е инфор. базы
|
|
|
патентные
|
научно-технические
|
конъюнктурные
|
другие
|
|
|
|
|
наименование
|
Классификация МКИ
|
наименование
|
Рубри-ки УДК
|
Наменов.
|
Код то-вара ГС, СМТК
|
Наимен.
|
Кл. инд.
|
|
|
|
1
|
2
|
3
|
4
|
5
|
6
|
7
|
8
|
9
|
10
|
11
|
12
|
|
1
|
2
|
3
|
4
|
5
|
6
|
7
|
8
|
9
|
10
|
11
|
12
|
|
Устройства для обработки
поверхности (шелушению), измельчению, пропариванию, экструдированию зерновых
культур
|
Россия, Франция, США,
Великоб-ритания, ФРГ, Япония, Казахстан
|
РЖ «Изобретения за
рубежом», Официальный бюллетень «Про-мышленная соб-ственность РК», Описание
изобретений к патентам
|
А01N 1/00- 65/00;
А01Н 1/00-4/00; А01G 1/00- 25/06; А01С 1/00-25/02; А01В 21/00-79/02;
В04С9/00,С02F 1/28 - 3/34
|
РЖ ВИНИТИ «Сельское
хозяйство», «Растениеводство», ж. «Вестник с/х науки Казахстана», Ж. «Новости
науки Казахстана», Ж. «Сельское хозяйство за рубежом»
|
632.693.2; 633.273; 632.35;
631.85; 631.674.6; 631.879.1; 631.628.381; 631.8
|
Агро НТИ
|
Бизнес Рынок
|
|
|
С 2000- по 2007г.
|
РПФ РК РНТБ, РСХНБ
|
Руководитель _______________ Дука О.Н. ______________
Руководитель темы _______________ Оспанов А.А. ______________
ОТЧЕТ О ПОИСКЕ
В.1 Поиск проведен в соответствии с заданием на тему теме «Разработка
технологии производства продуктов высокой степени готовности из отечественного
полизлакового сырья»
Шифр темы Г. 2012
Дата и номер Задания и Регламента на проведение патентных исследований
№___ от 01.03.2012 г.
В.2 Теоретические исследования
В.3 Начало поиска 01.03.2012 г Окончание поиска 30.12. 2012 г.
В.4 Регламент поиска по патентной и научно-технической информации выполнен
в полном объеме и в соответствии с рубриками МКИ и УДК
В.5.Поскольку в тематику входят исследования по установлению исходных
требований, технических заданий по выявлению устройств для обработки
поверхности (шелушению), измельчению, пропариванию, экструдированию зерновых
культур, то данная научно-исследовательская работа классифицируется как
патентоспособная и подлежит защите патентами РК.
В.6 Материалы, отобранные для последующего анализа
Таблица 6.1 - Патентная документация
|
Предмет поиска (объект
исследования, его составные части)
|
Страна выдачи, вид и номер
охранного документа. Классификационный индекс
|
Заявитель
(патентообладатель), страна. Номер заявки, дата приоритета
|
Название изобретения
|
|
Устройства по обработке
поверхности (шелушению), измельчению, пропариванию, экструдированию зерновых
культур.
|
Казахстан, В 02В 3/08
|
Таразский государственный
университет имени М.Х. Дулати, Казахстан. З. №960004.1 от 03.01.1996
|
Машина для шелушения зерна,
шлифования, полирования и очистки крупы
|
|
Казахстан, В 02С 2/10
|
Научно-производственное
объединение по механизации и электрификации сельского хозяйства
«Целинсельхозмеханизация» З №950496.1 от 15.06.1995
|
Измельчитель зерна
|
|
Казахстан, В 02В 3/00, В
02В 3/10
|
Абдели Д.Ж. З. №981206.1 от
23.12.1998
|
Машина для шелушения зерна
и очистки крупы
|
|
Казахстан, В 02В 3/02
|
Мельдебекова Ш.С.,
Спандияров Е.С., Горбатовская Н.А., Кенжеходжаев М.Д. З. №980421.1 от
21.04.1998
|
Шелушитель крупяных культур
|
|
Казахстан, В 02В 3/12
|
ЗАО «Алматинский
технологический университет» З. №2003/0666.1 от 21.05.2003
|
Устройство для шелушения
зерна крупяных культур
|
|
Казахстан, В 02В 1/08
|
Румянцев А.А.. Борзов Н.А.
З. №2005/1179.1 от 07.10.2005
|
Пропариватель для зерна
|
|
Казахстан, В 02С 7/08
|
ДГП
«Научно-исследовательский институт зерна и продуктов его переработки» З.
№2006/1147.1 от 19.10.2006
|
Измельчитель-смеситель
|
|
Казахстан, В 02С 7/08
|
ТОО «Казахский
научно-исследовательский институт переработки сельскохозяйственной продукции»
З. №2009/0001.1 от 05.01.2009
|
Измельчитель-смеситель
|
|
Казахстан, В 02В 1/08
|
Румянцев А.А.. Борзов Н.А.,
Беспалько Л.Д. З. №2009/1018.1 от 10.08.2009
|
Пропариватель для зерна
|
|
Казахстан, В 02В 3/00, В
02В 3/08
|
ТОО «Казахский
научно-исследовательский институт переработки сельскохозяйственной продукции»
З.№2011/0023.1 от 11.01.2011
|
Установка для шелушения
зернопродуктов
|
|
Россия, А 23 Р1/12, В
29С471/38
|
Воронежская государственная
технологическая академия З.№2000131809/12 от 18.12.2000
|
Экструдер для переработки
пищевых продуктов
|
|
Россия, А 23 Р1/12, А23L1/10,
А23L1/18
|
ООО «Снэйк»
З.№2001114237/13 от 23.05.2001
|
Устройство и способ для
изготовления пищевого экструдированного продукта
|
|
Россия, А 23 Р1/12, А23L1/10,
А23L1/18
|
Титаренко Н.В., Селезнев
В.Ю. З.№2004122175/13 от 19.07.2004
|
Устройство для изготовления
пищевого экструдированного продукта
|
|
Россия, В02С13/04
|
Федеральное государственное
образовательное учреждение высшего профессионального образования «Челябинский
государственный агроинженерный университет» З.№2009139694/21 от 27.10.2009
|
Устройство для измельчения
сыпучих материалов
|
|
Россия, А 23 N17/00,
В 29С471/12
|
Государственное
образовательное учреждение высшего профессионального образования «Воронежская
государственная технологическая академия» З.№2009141063/05 от 05.11.2009
|
Экструдер-измельчитель
|
|
Казахстан, С 04В 2/10, С
04В 7/44, F 27В 15/00
|
РГКП «Южно-Казахстанский
государственный университет им.М.Ауэзова» З. №2003/0777.1от 09.06.2003г.
|
Способ термообработки
зернистых материалов
|
|
Казахстан, В 02В 3/00, В
02С 18/00
|
Узабаев Б.К., Татенов А.М.
З. №2003/022.2 от 26.05.2003г.
|
Универсальная
зернообрабатыва-ющая машина «ТУ-01»
|
|
Казахстан, В 02В 3/12
|
ЗАО «Алматинский
технологический университет» З. №2003/0666.1 от 21.05.2003г.
|
Устройство для шелушения
зерновых культур
|
|
Казахстан, В 02В 3/00, В
02В 3/08
|
Баймуханов Г.Б., Татенов
А.А. З. №2003/032.2 от 13.06.2003г.
|
Шелушильная машина
«Рисорушка ТУ-02»
|
|
Казахстан, В 02В 3/08
|
Абдели Д.Ж., Мамыров Б.К.
З. №2003/0070.1 от 20.01.2003г.
|
Шелушильная машина
|
|
Россия, В02В1/00,
А21Д13/02, В02С18/02
|
Калниш Г.И., Антонов В.М. Заявка
№2000122913/13 от 2002 г.
|
Способ производства
зерновой массы, комплект оборудования для ее производства и измельчитель
зерна
|
|
Россия, В02В3/00
|
Нуруллин Э.Г., Дмитриев
А.В. Заявка №2003100567/15 от 2005 г.
|
Пневмомеханическое
устройство для шелушения зерна
|
|
Россия, В02В3/02
|
Маркин В.Ф., Овчинников
А.А., Болдырева Н.А. Заявка №2003116552/13 от 2005 г.
|
Установка для шелушения
зернопродуктов
|
Таблица 6.2 - Научно-техническая, конструкторская, нормативная
документация и материалы государственной регистрации (отчеты о
научно-исследовательских работах)
|
Предмет поиска
|
Наименование источника
информации с указанием страницы источника
|
Автор, фирма (держатель)
технической документации
|
Год, место и орган издания
(утверждение депонирования источника)
|
|
Устройства по обработке
поверхности (шелушению), измельчению, пропариванию, экструдированию зерновых
культур.
|
Измельчение сыпучих
материалов пищевых производств
|
Оспанов А.А., Попелюшко
А.В.
|
1999. - Алматы
|
|
Измельчение зерна и
продуктов его переработки
|
Оспанов А.А., Глебов Л.А.
|
1998. - Алматы, Мектеп.
|
|
Микробиология.
|
Мишустин Е.Н., Емцев В.Т.
|
1987. - М.: Агропромиздат.
|
|
Техническая микробиология.
|
Гриневич А.Г., Босенко А.М.
|
1986. - Минск: Высшая
школа.
|
|
Хранение зерна
|
Трисвятский Л.А.
|
1986. - М.: Агропромиздат.
|
|
Мука. Исторический анализ
развития технологии сортового помола зерна.
|
Егоров Г.А.
|
2003. - М.: Хлебпродинформ.
|
|
Исследование
технологического процесса размола пшеницы при сортовом помоле с целью
установления оптимального общего выхода муки.
|
Горбатовская Н.А.
|
1975. -М. Дисс…к.т.н.
|
|
Управление технологическими
свойствами зерна. - 292 с.
|
Егоров Г.А.
|
2005. -М.: Изд. Комплекс
МГУПП.
|
|
Правила организации и
ведения технологического процесса на мукомольных заводах.
|
-
|
1991. - М.: ВНПО
Зернопродукт, часть 1, 2.
|
|
Технология муки, крупы и
комбикормов.
|
Егоров Г.А. и др.
|
1984. - М.: Колос.
|
|
Технология и оборудование
мукомольной, крупяной и комбикормовой промышленности.
|
Егоров Г.А., Мартыненко
Я.Ф., Петренко Г.П.
|
1996. - М.: Изд. комплекс
МГАПП.
|
Куприц Я.Н.
|
1965. - М.: Колос.
|
|
Прочность связи между
оболочками зерна пшеницы.
|
Гросул Л.И., Котляр Л.И.,
Дударев И.Р.
|
1973. «Известия вузов.
Пищевая технология», №2.
|
|
|
|
Гинзбург М.Е.
|
1981. - М.: Колос.
|
|
Об основных физических
проблемах при измельчении./
|
Румпф Г.
|
1966. Тр. Европ.совещание
по измельчению.
|
|
Повышение технологической
эффективности шелушения ячменя при производстве крупяных продуктов.
|
Мелдбекова Ш.С.
|
2001. -Алматы. Дис…к.т.н.
|
|
Разработка способа
обработки зерна пшеницы для улучшения его технологических свойств.
|
Саржанова Т.Ш.
|
2000. -Алматы. Дис…к.т.н.
|
|
Основы теории и
моделирования процессов измельчения пищевого сырья и кормов. - 244 с.
|
Оспанов А.А., Остапчук Н.В.
|
1992. - Алма-Ата: Гылым.
|
|
Разработка и
совершенствование процессов и оборудования производства комбикормов. - 49 с.
|
Спандияров Е.
|
1994. -М.: Автореф. дисс.
д-ра техн. наук.
|
|
Введение в механику
разрушения. - 80 с.
|
Работнов Ю.Н.
|
1987. - М.: Наука.
|
Таблица 6.3 - Перечень покупных комплектующих изделий, по которым запрошена
документация
|
Дата запроса. Реквизиты
письма запроса
|
Наименование и обозначение
покупных комплектующих изделий
|
Запрашиваемая документация
(Ответ о ПИ, выписка из Отчета, ТУ, ПФ, выписка из ПФ). Цель получения
запрашиваемой документации
|
Вид и номер документа,
полученного при запросе или причина отказа. Реквизиты письма-ответа
|
Наименование запрашиваемой
организации или предприятия с указанием местонахождения (адрес)
|
|
|
|
|
|
По комплектующим изделиям документация не запрашивалась
Таблица В 6.4 - Количество опубликованных охранных документов по годам
(изобретательская активность)
|
Объект техники и его
составные части
|
Страна подачи заявки
|
Количество патентов,
предпатентов, опубликованных заявок по годам подачи заявки (исключая
патенты-аналоги)
|
|
Устройства по обработке
поверхности (шелушению), измельчению, пропариванию, экструдированию зерновых
культур.
|
|
1995
|
1996
|
1997
|
1998
|
1999
|
2000
|
2001
|
2002
|
2003
|
2004
|
2005
|
2006
|
2007
|
2008
|
2009
|
2010
|
2011
|
|
Казахстан
|
1
|
1
|
-
|
2
|
-
|
-
|
-
|
-
|
5
|
-
|
1
|
1
|
-
|
1
|
1
|
-
|
2
|
|
Россия
|
-
|
-
|
-
|
-
|
-
|
1
|
1
|
1
|
-
|
1
|
2
|
-
|
-
|
-
|
2
|
-
|
-
|
ПРИЛОЖЕНИЕ В
Патентно-информационный отчет по способам производства цельносмолотой
муки и крупы высокой степени готовности
«УТВЕРЖДАЮ»
Начальник управления науки КазНАУ
____________________ Ш.К. Сыдыков
"____"_____________________ 2012 г.
ЗАДАНИЕ на
проведение патентных исследований
Наименование темы: «Разработка технологии производства продуктов высокой
степени готовности из отечественного полизлакового сырья»
Шифр темы Г. 2012 Этап - Теоретические исследования
Задачи патентных исследований: исследование технического уровня,
обоснование тенденций развития технических и технологических способов
переработки зерна в муку и переработки зерна в крупу и использования
результатов исследования для создания новых технических и технологических решений.
КАЛЕНДАРНЫЙ ПЛАН
|
Виды патентных исследований
|
Ответственные исполнители
(Ф.И.О.)
|
Сроки выполнения патентных
исследований. Начало. Окончание
|
Отчетные документы
|
|
1.Определение
патентно-лицензионной ситуации состояния технологических регламентов для создания
технологий по производству цельносмолотой муки, крупы быстрого приготовления.
2. Анализ состояния исходных технологических регламентов для создания
технологий по производству цельносмолотой муки с направленным изменением
качества, крупы повышенной пищевой ценности 3. Исследование технического и
технологического уровня состояния технологических регламентов для создания
ресурсосберегающих технологий по производству муки с направленным изменением
качества, крупы повышенной пищевой ценности 4. Обоснование технического и
технологического уровня технологических регламентов для создания
ресурсосберегающих технологий по производству муки с направленным изменением
качества, крупы повышенной пищевой ценности 5.Оформление отчета о патентных
исследованиях
|
Джумабекова Г.Б.
Джумабекова Г.Б. Баймуратов Д.Ш., Дуйсенбекова О.О. Джумабекова
Г.Б. Джумабекова Г.Б., Тимурбекова А.К.
|
Март, апрель т.г. Май
т.г. Сентябрь т.г. Октябрь т.г. Ноябрь т.г.
|
Формы 2.2; 2.3 Форма
2.1 Форма 1.1 Форма 1.2 Таблицы 6.1; 6.2; 6.3; 6.4; 6.5; 6.6
и Формы 1.1; 1.2; 2.1; 2.2; 2.3
|
Руководитель _________________ Дука О.Н. ______________
Руководитель темы _________________ Оспанов А.А. ______________
Обоснование регламента поиска
Краткое обоснование регламента поиска на этапе теоретические исследования
НИР по теме «Разработка технологии производства продуктов высокой степени
готовности из отечественного полизлакового сырья»
Шифр темы Г. 2012
Задачей патентных исследований является определение технического уровня
объекта разработки в сравнении с лучшими отечественными и зарубежными
аналогами, установление технологического регламента для создания
ресурсосберегающей технологии получения муки с направленным изменением качества
и круп повышенной ценности и использование результатов исследования для
создания технических и технологических решений, направленных на решение данной
проблемы, а также патентно-лицензионной ситуации.
По результатам предварительно проведенного поиска по научно-технической
информации и патентно-правовой документации выявлено, что ведущими странами
являются Россия, Казахстан, США, Германия, Польша. Эти страны выбраны в
качестве стран поиска.
Глубина поиска по источникам патентной и научно-технической информации
принята 10 лет, исходя из потребности в информации для решения поставленных
задач (исследование технического и технологического уровня и его обоснование,
анализ патентно-лицензионной деятельности ведущих фирм на мировом рынке и
исследование новизны разрабатываемого объекта НИР).
Глубина поиска по источникам конъюнктурно-экономической информации
принята 5 лет, что достаточно для выбора лучших аналогов способов производства
муки, круп и изучения производственно-сбытовой деятельности фирм.
Поиск по патентной документации проводился по следующим рубрикам
международной патентной классификации: А01N 1/00 - A01N /65/00; А01Н 1/02-А01Н 4/00; А01G1/00 -А01G25/06; А01С1/00-А01С25/02; А01В 21/08- А01В 79/02; А23L 3/30; В05В 3/02, В04С 9/00,
В09С1/08; С02F1/28 - С02F 3/34; С12 N 1/20
С05F 3/00- С05 F11/08; С09К 17/00; С07D 239/00; С05В 11/04; Е01В 3/06; Е02В11/00-Е02В 15/04; Е02D3/046; F02В13/00; F04 F1/04; F 01G
25/02.
Поиск по научно-технической информации проводился по следующим рубрикам
УДК: А01N 1/00- 65/00; А01Н 1/00-4/00; А01G 1/00- 25/06; А01С 1/00-25/02; А01В
21/00-79/02; В04С9/00, С02F 1/28
- 3/34
РЕГЛАМЕНТ ПОИСКА
Наименование темы «Разработка технологии производства продуктов высокой
степени готовности из отечественного полизлакового сырья»
Шифр темы Г. 2012
Дата и номер задания на проведение патентных исследований №___ от
01.04.2012 г.
Цель поиска информации: Определение технического и технологического
уровня объекта разработки в сравнении с лучшими отечественными и зарубежными
аналогами, установление технологического регламента для технологии производства
цельносмолотой муки и крупы высокой степени готовности и повышенной пищевой
ценности для создания технических и технологических решений, направленных на
выполнение данной проблемы.
Этап выполнения НИР - Теоретические и экспериментальные исследования.
Начало поиска 01.04.2012 года Окончание поиска 30.12.2012 года
|
Предмет поиска
|
Страна поиска
|
Источники информации, по
которым проведен поиск
|
Ретро-спектив-ность
|
Наим.е инфор. базы
|
|
|
патентные
|
Научно-технические
|
конъюнктурные
|
другие
|
|
|
|
|
наименование
|
Классификация МКИ
|
наименование
|
Рубри-ки УДК
|
Наименов.
|
Код то-вара ГС, СМТК,
|
Наи- мен.
|
Кл. инд.
|
|
|
|
Способ производства
цельносмолотой муки из зерновых культур Способ производства круп высокой
степени готовности и повышенной пищевой ценности из зерновых культур
|
Россия, США, Польша,
Германия, Турция, Казахстан
|
РЖ «Изобретения за
рубежом», Официальный бюллетень «Промышленная соб-ственность РК», Описание
изобре-тений к патентам
|
А01N 1/00- 65/00;
А01Н 1/00-4/00; А01G 1/00- 25/06; А01С 1/00-25/02; А01В 21/00-79/02;
В04С9/00, С02F 1/28 - 3/34
|
РЖ ВИНИТИ «Сельское
хозяйство», «Растениеводство», ж. «Вестник с/х науки Казахстана», Ж. «Новости
науки Казахстана», Ж. «Сельское хозяйство за рубежом», Ж.: «Хлебопродукты»,
«Вестник пищевой и перерабатывающей промышленности», «Зерно и зернопродукты»
|
664.00; 664.66; 664.68;
664.72; 664.78; 664.7
|
Агро НТИ
|
Бизнес Рынок
|
|
|
С 2000- по 2008г.
|
РПФ РК РНТБ, РСХНБ
|
|
|
|
|
|
|
|
|
|
|
|
|
|
|
|
|
|
|
|
|
Руководитель __________________ Дука О.Н. ______________
Руководитель темы __________________ Оспанов А.А. ______________
ОТЧЕТ О ПОИСКЕ
В.1 Поиск проведен в соответствии с заданием №??????? на тему теме
«Разработка технологии производства продуктов высокой степени готовности из
отечественного полизлакового сырья»
Шифр темы Г. 2012
Дата и номер Задания и Регламента на проведение патентных исследований
№____ от 01.04.2012 г.
В.2 Разработка технологических регламентов
В.3 Начало поиска 01.04.2012 г Окончание поиска 30.12. 2012 г.
В.4 Регламент поиска по патентной и научно-технической информации
выполнен в полном объеме и в соответствии с рубриками МКИ и УДК
В.5.Поскольку в тематику входят исследования по установлению
технологического регламента производства цельносмолотой муки и крупы высокой
степени готовности и повышенной пищевой ценности, то данная научно-исследовательская
работа классифицируется как патентоспособная и подлежит защите патентами РК.
В.6 Материалы, отобранные для последующего анализа
Таблица 6.1 - Патентная документация
|
Предмет поиска (объект
исследования, его составные части)
|
Страна выдачи, вид и номер
охранного документа. Классификационный индекс
|
Заявитель
(патентообладатель), страна. Номер заявки, дата приоритета
|
Название изобретения
|
|
Способ производства
цельносмолотой муки из зерновых культур Способ производства круп высокой
степени готовности и повышенной пищевой ценности из зерновых культур
|
Казахстан, А 23 L 1/10
|
РГКП «Казахский
научно-исследовательский институт плодоводства и виноградарства» З.
№2000/0763.1 от 10.07.2000
|
Зерновой пищевой продукт
|
|
Казахстан, А 23 L
1/10
|
ЗАО «Алматинский
технологический университет» З.№2003/0943.1 от 09.07.2003
|
Зерновой пищевой продукт
«Алтын астык плюс»
|
|
Казахстан, А 23 L
1/10
|
Умиралиева Л.Б., Изтаев
А.И., Витавская А.В., Оразалиев Р.А., Умиралиев Б.М. З.№2003/1100.1 от
15.08.2003
|
Зерновой пищевой продукт
«Алтын астык»
|
|
Казахстан, А 23 L
1/10
|
Баймагамбетов Е.Б.,
Витавская А.В., Баймаганбетова Г.Б. З.№2003/0675.1 от 23.05.2003
|
Зерновой пищевой продукт
|
|
Казахстан, А 23 L
1/10
|
Аскарова А.А., Апбозов О.Ж.
З.№2009/0043.1 от 14.01.2009
|
Способ производства крупы
быстрого приготовлении, непосредственного употребления на основе казахской
национально-традиционной технологии и установка для его осуществления
|
|
Россия А 23L1/164,
А 23L1/18
|
Сосьете де Продюи Нестле
З.№4831968/13 от 30.11.1990
|
Способ производства хлопьев
из зерновых и установка для его осуществления
|
|
Россия, А 23L
1/18
|
Манаенков В.В., Турбин Н.В.
З.№94011793/13 от 05.04.1994
|
Способ производства сухого
завтрака экструзинной технологии
|
|
Россия, США А 23L
1/18
|
М.Дж.Квинлэн энд Ассоминэйт
с ПТИ Лимитед З.№4356457/13 от 20.09.1988
|
Способ приготовления полого
пищевого изделия
|
|
Россия, А 23L
1/18, А 23L 1/18
|
Кубанская государственная
академия физической культуры З.№95107954/13 от 19.05.1995
|
Продукт экструзионной
технологии - сухой завтрак «Новинка»
|
|
Россия, А 23L
1/18
|
Государственное
научно-производственное предприятие «Прибор» З.№96100606/13 от 10.01.1996
|
Состав смеси на основе
зерна и способ изготовления брикетов из зернового сырья
|
|
Россия, А 23L
1/10, А 23L 1/308. А 21D 13/02
|
ОАО «Рыбинский комбинат хлебопродуктов»
З.№96123889/13 от 24.12.1996
|
Способ производства пищевых
продуктов с повышенным содержанием балластных веществ и композиция
|
|
Россия, А 23L
1/10
|
Всероссийский
научно-исследовательский институт зерна и продуктов его переработки
З.№96117029/13 от 15.08.1996
|
Способ производства
лечебно-профилактического продукта из пшеничных отрубей
|
|
Россия, А 23L
1/10, А 23L 1/29
|
Восточно-Сибирский
государственный технологический университет Институт общей и
экспериментальной биологии Сибирского отделения РАН З.№97113212/13 от
31.07.1997
|
Способ получения сухой
питательной смеси
|
|
Россия, А 23L
1/10, А 23L 1/29
|
Восточно-Сибирский
государственный технологический университет Институт общей и
экспериментальной биологии Сибирского отделения РАН З.№99107257/13 от 30.03.1999
|
Способ получения сухой
питательной смеси
|
|
Россия, А 23L
1/18
|
Шаскольская Н.Д.,
Шаскольский В.В., Трофимов И.Б. З.№2000116989/13 от 30.06.2000
|
Способ приготовления
пищевых брикетов из зерна
|
|
Россия, А 23L
1/164, А 23L 1/48
|
ЗАО Фирма Эликом З.№2000121954/13
от 30.03.1999
|
Способ производства
питательной смеси на зерновой основе
|
|
Россия, А 23L
1/164, А 23L 1/48
|
ЗАО Фирма Эликом
З.№2000122645/13 от 31.08.2000
|
Способ производства
питательной смеси на зерновой основе
|
|
Россия, А 23L
1/164, А 23L 1/48
|
ЗАО Фирма Эликом
З.№2000122646/13 от 31.08.2000
|
Способ производства
питательной смеси на зерновой основе
|
|
Россия, А 23L
1/164, А 23L 1/48
|
ЗАО Фирма Эликом
З.№2000122647/13 от 31.08.2000
|
Способ производства
питательной смеси на зерновой основе
|
|
Россия, А 23L
1/164, А 23L 1/48
|
ЗАО Фирма Эликом
З.№2000128748/13 от 20.11.2000
|
Способ производства
питательной смеси на зерновой основе
|
|
Россия, А 23L
1/164, А 23L 1/48
|
ЗАО Фирма Эликом
З.№2000128749/13 от 20.11.2000
|
Способ производства
питательной смеси на зерновой основе
|
|
Россия, А 23L
1/10, А 23L 1/30
|
ОАО Завод экологической
техники и экопитания «Диод» З.№2010149356/13 от 03.12.2010
|
Способ получения
обогащенного пищевого продукта
|
|
Россия, А 23L
1/10, А 23L 1/30, А 23L 1/29
|
Малышев В.К.
З.№2011108409/13 от 04.03.2011
|
Продукт диетического,
профилактического и функционального питания для спортивного питания
|
|
Россия, А 23L
1/10, А 23L 1/164, А 23D13/02
|
Крафт фудз глобал брэндс
ЭлЭлСи З.№2007124649/13 от 29.06.2007
|
Производство составных
пищевых продуктов, содержащих цельное зерно
|
|
Россия, А 23L
1/00, А 23L 1/212, А 23Р1/00
|
Фрито-Лей Северная Америка
З.№2009139797/13 от 14.03.2008
|
Способ изготовления
экструдированного бобового закусочного пищевого продукта
|
|
Россия, А 23L
1/00
|
Государственное
образовательное учреждение высшего профессионального образования «Московский
государственный университет пищевых производств» З.№2006121371/13 от
19.06.2006
|
Способ производства
многокомпонентных зерновых хлопьев
|
|
Россия, А 23L
1/09, А 23L 1/10, А 23L 1/164,
|
Крыжановский А.В.
З.№2010126472/13 от 29.06.2010
|
Способ производства и
состав продукта на основе хлопьев злаковых культур
|
|
Россия, А 23L
1/00
|
Романчук Н.П.
З.№2010112810/13 от 05.04.2010
|
Способ производства
зернового компонента для пищевого продукта быстрого приготовления и способ
производства функционального пищевого продукта быстрого приготовления
|
|
Россия, А 23L
1/18, А 23Р 1/12
|
Кычаков А.А.
З.№2009128363/13 от 21.07.2009
|
Состав для производства
зернового экструдированного продукта типа пшеничных сухариков
|
|
Россия, А 23L
1/18
|
Фрито-Лей Норд Америка
З.№2008143044/13 от 06.04.2008
|
Способ получения гранул и
закусок типа крекеров увеличенного объема на основе риса
|
|
Россия, А 23L
1/10
|
Фрито-Лей Северная Америка
З.№2009109348/13 от 23.08.2007
|
Получение слоистых мягких и
хрустящих закусочных продуктов из цельного зерна различных видов злаков
|
|
Россия, А 23Р 1/00
|
Государственное
образовательное учреждение высшего профессионального образования «Воронежская
государственная технологическая академия» З.№2009103368/13 от 02.02.2009
|
Способ производства
экструдированных текстуратов
|
|
Россия, А 23Р 1/164,
А23Р1/12
|
Дженерал Миллз
З.№2008110064/13 от 15.08.2006
|
Воздушные зерновые хлопья и
способ их получения
|
|
Россия, В02В1/00,
А21Д13/02, В02С18/02
|
Калниш Г.И., Антонов В.М.
Заявка №2000122913/13 от 2002 г.
|
Способ производства
зерновой массы, комплект оборудования для ее производства и измельчитель
зерна
|
|
Россия, А 23L
1/168, А 23L 1/10
|
Крафт Фудз Глобал Брэндс
ЭлЭлСи З.№2006114617/13 от 28.04.2006
|
Производство продуктов из
дробленого цельного зерна
|
|
Россия, А 23L
1/00
|
Маслова А.С.
З.№2008126745/13 от 02.07.2008
|
Способ производства
продукта на зерновой основе для детского и диетического питания
|
|
Россия, А 23L
1/164, А 23L 1/00
|
Дзе Квакер Оутс компании
З.№ 2006139016/13 от 03.11.2006
|
Зерновые продукты
длительного хранения с высоким содержанием влаги
|
|
Россия, А 23L
1/18, А 23Р 1/12
|
Сосьете де продюи Нестле
С.А. З.№ 2003129274/13 от 28.02.2002
|
Экструзионная матрица и
способ изготовления расширившихся зерновых продуктов
|
|
Россия, А 23L
1/20, А 23Р 1/12
|
ООО «Олис+»
З.№2005109520/13 от 04.04.2005
|
Экструдированный пищевой
продукт и способ его производства
|
|
Россия, А 21D
13/00, А 23Р 1/12
|
Государственное
образовательное учреждение высшего профессионального образования «Воронежская
государственная технологическая академия» З.№2004116611/13 от 31.05.2004
|
Способ производства
зерновых палочек
|
|
Россия, А 21D
13/00, А 23Р 1/12
|
Государственное
образовательное учреждение высшего профессионального образования «Воронежская
государственная технологическая академия» З.№2004106824/13 от 03.09.2004
|
Способ производства
экструдированных гороховых палочек
|
|
Россия, А 21D
13/00, А 23Р 1/12
|
Государственное
образовательное учреждение высшего профессионального образования «Воронежская
государственная технологическая академия» З.№2004106393/13 от 04.03.2004
|
Способ производства
хрустящих палочек
|
|
Россия, А 23L
1/10, А 23Р 1/12
|
Иквант Ресорсез Лимитед
З.№2004103221 от 16.01.2004
|
Способ производства
экструдированного продукта и композиция
|
|
Россия, А 21D
13/00, А 23Р 1/12
|
Государственное
образовательное учреждение высшего профессионального образования «Воронежская
государственная технологическая академия» З.№2004109744/13 от 30.03.2004
|
Способ производства
экструдированных зерновых палочек
|
|
Россия, А 23L
1/18
|
ОАО «Воронежская
кондитерская фабрика» З.№ 2002120547/13 от 29.07.2002
|
Способ производства
продуктов экструдирования
|
|
Россия, А 23L
1/18, А 23L 1/20
|
ООО «Олис+» З.№
2003110521/13 от 15.04.2003
|
Способ производства
пищевого продукта «хрустящий» горох
|
|
Россия, А 23L
1/03, А 23L 1/31, А 23L 1/314, А 23Р 1/02
|
Рык М.А. З.№2002108062/13
от 02.04.2002
|
Пищевой продукт быстрого
приготовления
|
|
Россия, А 23L
1/10, А 23L 1/18, А 23L 1/29
|
Восточно-Сибирский
технологический университет З.№2001100240/13 от 03.01.2001
|
Способ производства сухих
завтраков
|
|
Россия, А 23L
1/164
|
Кирдяшкин В.В.
З.№2001132750/13 от 05.12.2001
|
Линия производства не
требующих варки хлопьев
|
|
Россия, А 23L
1/18, А 23Р 1/12
|
ООО «Пеликан»
З.№2000116826/13 от 23.06.2000
|
Пищевая композиция на
основе зернового сырья (варианты)
|
Таблица 6.2 - Научно-техническая, конструкторская, нормативная
документация и материалы государственной регистрации (отчеты о
научно-исследовательских работах)
|
Предмет поиска
|
Наименование источника
информации с указанием страницы источника
|
Автор, фирма (держатель)
технической документации
|
Год, место и орган издания
(утверждение депонирования источника)
|
|
Способ производства
цельносмолотой муки из зерновых культур Способ производства круп высокой
степени готовности и повышенной пищевой ценности из зерновых культур
|
Мука. Исторический анализ
развития технологии сортового помола зерна.
|
Егоров Г.А.
|
2003. - М.: Хлебпродинформ.
|
|
Исследование
технологического процесса размола пшеницы при сортовом помоле с целью
установления оптимального общего выхода муки.
|
Горбатовская Н.А.
|
1975. -М. Дисс…к.т.н.
|
|
Управление технологическими
свойствами зерна.
|
Егоров Г.А.
|
2005. -М.: Изд. Комплекс
МГУПП.
|
|
Разработка технологического
регламента на производство перспективных сортов муки с повышенной и биологической
ценностью
|
Оспанов А.А., Тлегенов
Ш.К., Омаров К.К.
|
2005. «Зерно и
зернопродукты», №3
|
|
Новая система безопасности
и качества: начало пути (обсуждение технического регламента «О требованиях к
безопасности зерна, процессов его производства, хранения, перевозки,
реализации переработки и утилизации».
|
Юкиш А.
|
2005. «Хлебопродукты», №4
|
|
От зерна - до муки.
|
Пикулин Н.
|
2005. «Хлебопродукты», №12
|
|
Обсуждение проекта
технического регламента «Крупяные продукты для здорового питания».
|
Иунихина В., Мельников Е.
|
2005. «Хлебопродукты», №12
|
|
Фортификация муки в
Казахстане.
|
Ган Е.
|
|
Расширение крупозавода.
|
Бюпер К.
|
2005. «Хлебопродукты», №10
|
|
Улучшение качества пшена.
|
Антимонов К., Антимонов А.,
Михайлов А.
|
2005. «Хлебопродукты», №8
|
|
Технология и ассортимент
ржаного хлеба.
|
Кузнецов Л.
|
2005. «Хлебопродукты», №1
|
|
Применение пищевых добавок
на мельницах.
|
Мелешкина Е.
|
2005. «Хлебопродукты», №10
|
|
Крупы повышенной пищевой
ценности для детей и подростков.
|
Зенкова А. и др.
|
2005. «Хлебопродукты», №10
|
|
Мука с повышенной пищевой и
биологической ценностью из цельносмолотого зерна
|
Оспанов А.А., Омаров К.К.
|
2006. «Зерно и
зернопродукты», №1
|
|
Мукомолье - вчера, сегодня,
завтра
|
Ноян Галип Эрик
|
2006. «Торговая марка «Milleral», №4, Турция
|
|
Правила организации и
ведения технологического процесса на мукомольных заводах.
|
|
1991. - М.: ВНПО
Зернопродукт, часть 1, 2.
|
|
Технология муки, крупы и
комбикормов.
|
Егоров Г.А. и др.
|
1984. - М.: Колос.
|
|
Технология и оборудование
мукомольной, крупяной и комбикормовой промышленности.
|
Егоров Г.А., Мартыненко
Я.Ф., Петренко Г.П.
|
1996. - М.: Изд. комплекс
МГАПП.
|
|
Повышение технологической
эффективности шелушения ячменя при производстве крупяных продуктов.
|
Мелдбекова Ш.С.
|
2001. -Алматы. Дис…к.т.н.
|
|
Разработка способа обработки
зерна пшеницы для улучшения его технологических свойств.
|
Саржанова Т.Ш.
|
2000. -Алматы. Дис…к.т.н.
|
|
Мукомольная отрасль России
- новые аспекты развития.
|
Гуревич А.
|
2007. «Хлебопродукты», №11
|
|
Качество муки и крупы для
потребителя.
|
Зелинский Г.
|
2007. «Хлебопродукты», №5
|
|
Разработка технического
регламента
|
Зелинский Г.
|
2008. «Хлебопродукты», №3
|
|
Ресурсосберегающая
технология переработки зерна гречихи.
|
Марьин В., Федотов Е.,
Верещагин А.
|
2008. «Хлебопродукты», №8
|
|
Техническая оснащенность
мельниц и крупозаводов страны и пути развития их в современных условиях.
|
Рыбаков Н.А. и др.
|
2008. «Хлебопродукты», №9
|
|
Состояние и перспективы
развития мукомольной отрасли в Украине.
|
Рыбчинский Р.
|
2008. «Хлебопродукты», №2
|
Таблица 6.3 - Перечень покупных комплектующих изделий, по которым
запрошена документация
|
Дата запроса. Реквизиты
письма запроса
|
Наименование и обозначение
покупных комплектующих изделий
|
Запрашиваемая документация
(Ответ о ПИ, выписка из Отчета, ТУ, ПФ, выписка из ПФ). Цель получения
запрашиваемой документации
|
Вид и номер документа,
полученного при запросе или причина отказа. Реквизиты письма-ответа
|
Наименование запрашиваемой
организации или предприятия с указанием местонахождения (адрес)
|
|
|
|
|
|
По комплектующим изделиям документация не запрашивалась
Таблица В 6.4 - Количество опубликованных охранных документов по годам
(изобретательская активность)
|
Объект техники и его
составные части
|
Страна подачи заявки
|
Количество патентов,
предпатентов, опубликованных заявок по годам подачи заявки (исключая патенты-аналоги)
|
|
Способ производства
цельносмолотой муки из зерновых культур Способ производства круп высокой
степени готовности и повышенной пищевой ценности из зерновых культур
|
|
1999
|
2000
|
2001
|
2002
|
2003
|
2004
|
2005
|
2006
|
2007
|
2008
|
2009
|
2010
|
2011
|
|
Казахстан
|
|
-
|
-
|
1
|
2
|
-
|
1
|
1
|
-
|
|
|
|
|
|
Россия
|
|
-
|
2
|
-
|
-
|
-
|
2
|
-
|
-
|
|
|
|
|