Разработка технологии изготовления проволоки
Содержание
Введение
.
Волочильный инструмент
.
Устройство машин многократного волочения без скольжения
.
Подготовка поверхности металла к волочению
.1
Строение и количество окалины
.2
Способы удаления окалины
.3
Дополнительные операции по подготовке металла к волочению
.
Патентирование заготовки
.
Задание на проектирование
.
Выбор маршрута волочения
.1
Определение размера исходной заготовки для волочения
.2
Расчет маршрута волочения
.
Расчет энергосиловых параметров при волочении
.1
Определение свойств исходной заготовки и их изменение в процессе волочения
.2
Определение силы волочения
.3
Определение скорости волочения
.4
Расчет напряжений волочения
.5
Расчет мощности волочения
Введение
металл волочение окалина заготовка
Назначение процесса волочения и сортамент
изделий
Обработка металла волочением, т. е. протягивание
прутка через отверстие, выходные размеры которого меньше, чем исходное сечение
прутка, находит широкое применение в металлургической, кабельной и
машиностроительной промышленностях. Волочением получают проволоку с минимальным
диаметром 0.002 мм. прутки диаметром до 100 мм. причем не только круглого
сечения, трубы главным образом небольшого диаметра и с тонкой стенкой.
Волочением обрабатывают стали разнообразного химического состава, прецизионные
сплавы, а также практически все цветные металлы (золото, серебро, медь,
алюминий и др.) и их сплавы. Изделия, полученные волочением, обладают высоким
качеством поверхности и высокой точностью размеров поперечного сечения. Если
изделию требуется придать в основном эти характеристики, то такой вид обработки
называют калибровкой.
Волочение чаще всего выполняют при комнатной
температуре, когда пластическую деформацию большинства металлов сопровождает
наклеп. Это свойство в совокупности с термической обработкой используют для
повышения некоторых механических характеристик металла. Так, например,
арматурная проволока диаметром 3...12 мм из углеродистой конструкционной стали
(0.70...0.90%С) при производстве ее волочением обеспечивает предел прочности
1400... 1900 МПа и предел текучести 1200... 1500 МПа.
Волочение выгодно отличается от механической
обработки металла резанием (строганием), фрезерованием, обточкой и пр.. так как
при этом отсутствуют отходы металла в виде стружки, а сам процесс заметно
производительнее и менее трудоемок.
Волочением можно изготовлять полые и сплошные
изделия часто сложного поперечного сечения, производство которых другими
способами не всегда представляется возможным (например, тонкие изделия, прутки
значительной длины).
Теоретические основы процесса волочения
Волочение представляет собой один из древнейших
способов обработки металла давлением. Впервые волочение начали применять
3...3.5 тыс. лет до н. э. Однако, систематическое опытное и теоретическое
изучение процесса по существу началось лишь в XX в.
Неравномерное деформирование сечения прутка
некоторые исследователи объясняют также появлением искажения плоского среза
заднего конца прутка в процесс е волочения. Па основании этого же явления
иногда утверждают о разности скоростей течения отдельных слоев прутка при
сформировании, хотя по данному вопросу имеется и другое мнение. О характере и
условиях деформирования металла при волочении можно судить по изменению
твердости или разнице размера зерна в сечении прутка после волочения. Неравномерность
напряженного состояния можно также наблюдать оптическим методом при волочении
образцов из оптически активных материалов (синтетических смол).
Рассматривая процесс волочения, можно видеть,
что взаимодействие деформируемого металла с волокон характеризуется наличием
трения скольжения по всей контактной поверхности. Это существенно влияет па
силовые условия процесса, вызывает неравномерное распределение деформации по
диаметру протягиваемого прутка. В любом слое, находящемся на некотором
расстоянии от центрального, как указывал С. И. Губкин, элементы слоя испытывают
не только растяжение, но и деформацию дополнительного сдвига и деформацию
изгиба, причем тем большую, чем дальше слой удален от оси протягиваемого
прутка. При волочении в результате имеющихся сил трения на контактной
поверхности металла и инструмента возникает задерживающее действие
поверхностных слоев прутка, что наряду с влиянием других факторов процесса
создает условия для появления разности продольных скоростей по сечению
деформируемого тела. Однако ввиду целостности прутка и сдерживающего действия
его внешних, недеформируемых в данный момент участков скорости течения
периферийных и центральных слоев, как показали опыты И.К.Суворова и др.,
принудительно выравниваются. Вследствие этого появляются продольные
растягивающие напряжения в поверхностных слоях и сжимающие - в центральных.
Возможность протягивания прутка через отверстие
волоки ограничивается предельными условиями: усилие волочения 0 не должно
вызывать в переднем конце прутка пластическую деформацию, иначе передний конец
будет иметь остаточную деформацию и в конечном итоге произойдет его разрыв. По
этой причине волочение горячего металла или металла с низким значением предела
текучести может быть использовано весьма ограниченно вследствие уменьшенной
прочности переднего конца. Поскольку прилагаемое усилие волочения к переднему
концу прутка определяется податливостью металла пластическом)' деформированию,
значением контактного трения и площадью соприкосновения прутка с волокой. то.
следовательно, для данной геометрии волочильного очка усилие волочения будет
тем выше, чем больше степень деформирования и чем больше контактные силы
трения. Установлено, что до 30...50%, а иногда и до 80% общего усилия волочения
расходуется на преодоление контактного трения. Это ограничивает практическое
значение единичной вытяжки Ц. которое чаще всего составляет 1.2... 1.3 и редко
поднимается до 1.5. Кроме того, контактные силы трения и работа деформации,
большая часть которой превращается в теплоту, повышают среднюю температуру
проволоки до 250°С, а температуру контактной поверхности - до 700°С. Это
создает условия повышенного износа инструмента, налипания металла на контактную
поверхность, увеличивает обрывы деформируемого тела и пр. Поэтому всегда
стремятся уменьшить силы трения. Наряду с улучшением качества самой смазки
большое значение имеет способ подачи смазки на контактные поверхности.
Наибольший эффект обеспечивает гидродинамический ввод смазки. Теория и
исследования этого способа ввода смазки принадлежат В. Л. Колмогорову и его
сотрудникам. В основе метода положено использование сборной волоки, состоящей
из напорного и рабочего твердосплавных вкладышей. Заметный эффект увеличения
вытяжки может дать противонатяжение. т. е. усилие, приложенное к заднему концу
прутка. Противонатяжение снижает сопротивление металла деформированию,
уменьшает влияние контактного трения и. следовательно, разогрев волок, а в
конечном итоге обеспечивает увеличение вытяжки µ.
Большое влияние на условия волочения оказывает
выбор профиля волочильного отверстия, поскольку это определяет условия
деформации металла и возможность успешной подачи смазки на рабочие поверхности,
т. е. снижение отгона смазки. Заметное снижение сопротивления трению и
необходимого усилия волочения наблюдается при замене обычной волоки роликовой
(дисковой). Но применение роликовых волок ограничено их конструктивной
сложностью. В процессе волочения металлу придают определенную норму,
необходимые размеры и специальные свойства. Схема волочения представлена на рис.
1.
Площадь поперечного сечения при волочении
изменяют при помощи волок. Волоки в основном готовят на основе карбидов
вольфрама и кобальта. Для волочения тончайшей проволоки используют волоки из
алмазов.
Основными параметрами волоки являются: углы
входного и выходного конусов, рабочий угол волоки и длина калибрующий зоны
(рис. 2).
Волока:
Обойма;
Волока;
Выходной конус;
Калибрующая зона;
Входной конус;
Рабочий конус.
Величины углов входного конуса, рабочего конуса
и выходного конуса волоки зависят от ряда технических причин, механических
свойств проволоки и применяемой смазки. На практике наибольшее распространение
имеют волоки с углом входного конуса 24°. а выходного 90° и углом рабочего
конуса 6-12°.
В большинстве случаев металл, обрабатываемый
волочением, предварительно не нагревают: он входит в волочильный канал при
комнатной температуре, а образующееся в канале тепло деформации и внешнего
трения отводят, непрерывно омывая волоки охлаждающей эмульсией, водой, или
окружающим воздухом. При таком холодном волочении с надлежащей смазкой и
инструментом протянутый металл имеет гладкую блестящую поверхность и достаточно
точные размеры поперечного сечения.
В некоторых специальных случаях, когда
деформируемый металл обладает недостаточной пластичностью, при комнатной
температуре или высоким сопротивлением деформированию, волочение ведут в
предварительно нагретом состоянии. Например, при волочении цинковой проволоки для
увеличения пластичности заготовки ее предварительно подогревают до 80-90°.
погружая моток в нагретую воду. В очаге деформации температура проволоки
доходит до 120- 150°, т. е. до температуры, при которой образуется максимальное
количество систем скольжения.
1.
Волочильный инструмент
Основной инструмент при волочении - это волоки
разнообразной конструкции.
Волока обычно состоит из двух деталей: обоймы I
и волоки 2 (см. рис.2). Такая конструкция волоки обусловлена особыми условиями
ее работы и свойствами материала, из которого она изготовлена. Для увеличения стойкости
волок против истирания их делают из твердых сплавов металлокерамическим
способом (из карбидов вольфрама и титана, иногда ванадий, молибдена, тантала,
бора и др). Применяют также волоки из керамических твердых сплавов - микролита,
термокорунда, которые отличаются высокой износостойкостью и в то же время их
стоимость во много раз ниже обычных волок из вольфрамовых сплавов. Все эти
материалы наряду с высокой твердостью и стойкостью против истирания отличаются
низкой вязкостью. Чтобы избежать разрушения такой волоки в процессе работы, ее
заключают с предварительной затяжкой (запрессовкой и пр.) в обойму из
достаточно вязкой и прочной стали. При этом заметно уменьшаются растягивающие
напряжения в кольцевом направлении волоки в момент волочения или исключаются
напряжениями сжатия со стороны обоймы.
Продольный разрез профиля наиболее часто
применяемой конической волоки (рис. 5) состоит из следующих участков.
Деформирующая или рабочая зона III имеет коническую форму с углом при - вершине
2а. Перед рабочей зоной находится смазочная зона II. которая заполнена
технологической смазкой. За деформирующей зоной расположен калибрующий поясок
IV. имеющий цилиндрическую форму. Выходная зона или распушка V выполняется в
форме конуса с углом γ или чаще
сферической формы.
2.
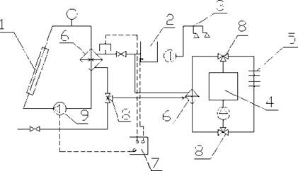
Устройство машин многократного волочения без скольжения
На многократных машинах проволока проходит
последовательно через несколько волок, изменяя за одну операцию свое сечение от
2 до 15 и даже более раз. Моток проволоки на этих машинах в каждый момент
времени обрабатывается в нескольких волоках.
Машины многократного волочения, работающие без
скольжения проволоки на промежуточных барабанах, применяют наиболее широко. Их
используют для волочения проволоки почти всего сортамента, при этом
обеспечивается высокая производительность. Кратность машин до 15 и более
барабанов, поэтому можно применять большие суммарные обжатия. Единичные обжатия
допускается изменять в широком диапазоне. Такие машины могут быть магазинного типа
и с автоматическим регулированием скоростей барабанов.
На рис. 5 приведены кинематические схемы
многократных волочильных машин с групповым и индивидуальным приводом.
Индивидуальные приводы обеспечивают большие возможности для выбора единичных
обжатий. Они увеличивают диапазон регулирования скоростей, но удорожают
стоимость машины.
Рис.5. Кинематические схемы волочильных машин:
•а-с общим приводом (Z1 - Z3 -шестерни коробки скоростей: Z9, K9, Z10, K10,
Z11, K11, Z12, K12 - червячные пары барабанов I-IV); б-с индивидуальным
приводом( Z1, K1 - Z6, K6 - червячные пары барабанов I-IV)
2.1
Машины магазинного типа
Схемы многократных волочильных машин магазинного
тина (машин с накоплением проволоки) показаны на рис. 6. Они различаются
конструктивным выполнением волочильных барабанов и некоторых узлов, но принцип
работы у них общий.
Благодаря определенному запасу витков проволоки
на промежуточных барабанах и специальным проводковым устройствам каждый барабан
машины в любой момент времени в течение всего цикла волочения получает заданный
запас проволоки, зависящий от фактического сечения канала волоки. Таким
образом, естественный износ канала волоки и связанное с ним изменение вытяжек
(единичных обжатий) компенсируются изменением запаса витков проволоки на
промежуточных барабанах.
Машины магазинного типа можно представить как
ряд однократных станов с увеличивающимися в определенной последовательности
скоростями барабанов, у которых каждый предыдущий является как бы размоточной
фигуркой с запасом проволоки для последующего барабана. Условием бесперебойной
работы любой многократной машины является соблюдение постоянства объема
протягиваемой проволоки на всех барабанах в единицу времени: 
, где 
- площади
поперечного сечения проволоки после 1,2, n-го переходов;
,- скорости 1, 2,
n-го переходов.
Рис. 6. Схема машин многократного волочения
магазинного типа с одинарными барабанами обычного типа (а), двухступенчатыми
барабанами (б), барабанами с внутренним полым валом для проводки проволоки (в),
сдвоенными двухъярусными барабанами (г), сдвоенным наружным и внутренним
барабанами (д): 1-промежуточный барабан, 2-чистовой барабан. 3-направляющий
ролик, 4-нижний направляющий ролик, 5-поводковое устройство, 6- промежуточный
двухступенчатый барабан. 7-чистовой двухступенчатый барабан, 8-верхний барабан.
9-нижний барабан, 10-внутренний барабан, 11-наружный барабан, 12-опорные валки.
Соблюдение условия постоянства объема
достигается установлением скорости протягивания, соответствующей изменению
сечения проволоки. Скорость протягивания меняют увеличением частоты вращения
каждого последующего барабана, или. в крайнем случае, увеличением его диаметра.
Вследствие колебания допусков на проволоку и
канал волоки, а также вследствие износа отверстия волок при неизменных
скоростях волочения постоянство объемов практически нарушается. Оно может быть
восстановлено путем изменения запаса проволоки на промежуточных барабанах. Для
регулирования запаса проволоки промежуточные барабаны снабжают проводковыми
устройствами, которые наматывают образующиеся излишки витков на барабаны или
компенсируют его нехватку вследствие смотки с барабана.
Ряд переходов волочения строят так, чтобы запас
витков проволоки на барабанах при возможных изменениях процесса волочения не
снижался, а несколько увеличивался. При снижении запаса проволоки требуются
периодические остановки отдельных барабанов для его пополнения. На рис. 6, а
приведена схема наиболее распространенной конструкции волочильных машин
магазинного типа.
Широкое распространение получили машины
магазинного типа с двухступенчатыми "барабанами (см. рис. 6; б).
Обе ступени барабана, вращаясь на одном валу с
одинаковым числом оборотов, из-за различных диаметров барабанов имеют разные
окружные скорости, что обеспечивает постоянную кинематическую вытяжку.
Двухступенчатые волочильные барабаны выгодно отличаются от одноступенчатых
барабанов тем. что при равной производственной площади и незначительно больших
первоначальных затратах позволяют применять обжатия в два раза и больше. При
этом удельный расход электроэнергии за один переход меньше на 10-20 %. чем при
волочении на одноступенчатых барабанах. В первом случае потеря мощности в
передаче (редуктор, клиноременная передача и т. д.) распределяется на два
перехода, во втором - на один.
Машина для волочения проволоки, принципиальная
схема которой показана на рис. 6. в. отличается от двух первых системой
проводки. Проводка проволоки на этом стане закрытая, она несколько сложней
обычной, но вероятность травмирования при такой проводке меньше.
3.
Подготовка поверхности металла к волочению
3.1
Строение и количество окалины
Окалина, образующаяся при обычном нагреве,
горячем деформировании и охлаждении стального изделия, а также при его
термической обработке, представляет собой комплекс химических соединений железа
и других элементов с кислородом (оксидов, гидратов, силикатов, сульфидов,
карбидов и др.).
Основными составляющими структуры окалины
являются оксиды железа: доля других элементов, а также их более сложных
соединений незначительна и зависит главным образом от марки стали и способа ее
раскисления.
В начальной стадии окисления металла протекает
химическая реакция его с окисляющим газом, при этом на поверхности металла
образуется тончайший слой оксидов. Дальнейшее окисление происходит путем
реакционной диффузии ионов кислорода и металла навстречу друг другу сквозь
непрерывно утолщающийся слой окалины.
В окалине присутствуют также сложные соединения
других элементов, которые попадают в сталь при раскислении (например, алюминия,
кремния, марганца) или при легировании (например, хрома, марганца, никеля,
вольфрама и др.)- Эти соединения образуют промежуточный слой, располагающийся
между основным металлом и окалиной.
Окалина углеродистой стали, образующаяся при
температурах выше 600 °С. состоит из оксидов железа 
(вюстит). 
(магнетит) и 
(гематит). Оксиды
располагаются слоями в соответствии с уменьшением содержания кислорода в
направлении от наружного слоя к внутреннему.
Вюстит (
) -наиболее мягкая
и рыхлая составная часть окалины с небольшой абразивностью. Он хорошо
растворяется в кислотах и полностью может быть удален механическим путем.
Поэтому окалина в виде вюстита предпочтительнее других оксидов. Магнетит (
) обладает
значительной абразивностью и почти не растворим в кислотах. Гематит (
) обладает высокой
абразивностью и плохо растворяется в кислотах. При твердости металла но
Виккерсу в 140 ед. твердость 
составляет 270-350.

420-500, 
1030 ед.
Следует иметь в виду разницу между окалиной и
ржавчиной: первая является комплексом химических соединений железа и других
элементов в стали, образующихся при высоких температурах; вторая представляет
собой продукт окисления металла при нормальной температуре в условиях действия
на пего влаги и загрязненного воздуха.
В составе этого продукта в основном находятся 
коричневого цвета
(гидротизированный магнетит 
). хлориды,
сульфаты и другие соединения. Указанные соединения не образуют на поверхности
изделия плот- ной пленки. При слишком долгом хранении металла ржавчина стареет
и ее трудно удалить как кислотами, так и механическими способами. Поэтому
следует избегать чрезмерно долгого хранения катанки в условиях сырой и
загрязненной атмосферы.
Количество и структура окалины при прокатке
катанки зависят от температуры, скорости и способа ее охлаждения.
Выше 950°С и при избытке кислорода медленно
охлажденная катанка имеет очень пористую окалину в количестве до 30 кг/т, почти
целиком состоящую из магнетита и гематита. В случае ускоренного одностадийного
охлаждения катанки окалина состоит в основном из 
в количестве 12-16
кг/т. Регулируемое ускоренное двухстадийное охлаждение снижает количество
окалины до 2-4 кг/т. Для уменьшения количества окалины японские фирмы
предлагают после водяного охлаждения помещать катанку в камеру с
безокислительной атмосферой для проведения второй ступени охлаждения. Катанка с
окалиной из вюстита в количестве до 1 кг/т при нанесении подсмазочного слоя
непосредственно на окалину может быть протянута без предварительного ее
удаления.
3.2
Способы удаления окалины
Окалина может быть удалена с поверхности металла
механическим, химическим, электрохимическим и комбинированным способами.
Механический способ удаления окалины заключается
в пропускании окисленной проволоки и катанки с окалиной через ряд роликов с
резкими перегибами, а также в обработке их дробью или абразивными материалами;
двумя последними способами очищается подкат. Механическое удаление окалины
основано на деформации изгибом, скручиванием или растяжением; прямом
воздействии на поверхность изделия специальных реагентов: металлической дроби,
песка и других абразивных материалов (дробеметная. пескоструйная обработка);
удаления поверхностного слоя металла при помощи, вращающегося микрорезцового инструмента
иглофрез. стальных проволочных щеток и т. д.
Удаление окалины деформацией является черновой
обработкой. В этом случае окалиноломателями удаляют большую часть окалины. Как
правило, окончательно поверхности металла обрабатывают щетками из стальной проволоки,
наждачными лентами, абразивными материалами во вращающихся барабанах и т. д.
Одним из методов удаления окалины является
дробеметная или пескоструйная обработка, при которой стальную или чугунную
дробь или песок (увлажненный) направляют на поверхность очищаемого изделия
центробежной силой быстровращающихся колес, снабжаемых специальными
лопаточками. По данным НИИметиза, при скорости движения катанки из
низкоуглеродистой стали 3,5-11,0 м/мин ее поверхность полностью очищается от
окалины за 0.8 с. Часть окалины осыпается с катанки или проволоки при
прохождении их через направляющие ролики, установленные перед входом в камеру.
Механическим способом удаляют окалину с мягкой
проволоки. После такой обработки поверхности несколько повышается расход волок
и требуется специальная смазка.
Процесс удаления окалины и оксидов с поверхности
металлов путем обработки изделий в растворах кислот и кислых солей или щелочей
называют травлением. Травление проволоки перед волочением и нанесением
металлопокрытий проводят химическим или электрохимическим способом. Выбор
способа травления зависит от природы металла, характера и толщины покрывающих
его оксидов, а также от его дальнейшей переработки. Другие способы удаления
окалины (например, механический, водородистонатриевый процесс) при подготовке
поверхности проволоки к металлопокрытию не нашли пока применения. Для травления
проволоки используют серную, соляную, иногда фосфорную, азотную, плавиковую
кислоты, а также смеси кислот.
Химическое травление в серной кислоте
Серная кислота - химическое вещество, в состав
которого отвечает формуле
. называется
моногидратом. При взаимодействии кислоты с металлом активно выделяется водород.
Находясь в атомарном состоянии, водород проникает в металл и вызывает
водородную (травильную) хрупкость. Такое явление нежелательно, так как приводит
к снижению механических свойств металла и затрудняет его дальнейшую
переработку. Уменьшают наводороживание нагревом (обычно при сушке) или
продолжительным выдерживанием металла после травления.
В горячем растворе серной кислоты сталь
растворяется с большой скоростью. Это растворение начинается с момента
погружения проволоки в раствор, а по мере освобождения металла от окалины в
контакт с раствором входят все большие и большие участки металла. Чтобы
сократить потери металла и его порчу в результате продолжительного
взаимодействия с кислотой (перетрав), в кислотный раствор вводят ингибиторы
(замедлители коррозии) -вещества., способные задержать разрушение металла.
В сталепроволочном производстве используют
органические ингибиторы травления (присадки) И-2В, С-5У. ПКУ, ХОСП-10.
Присадку (для черных металлов) вводят в
количестве 1.0-1.5 г/л травильного раствора. В качестве пенообразователя используют
добавку КЬЖ. Из неорганических присадок распространена поваренная соль ЫаС1.
Ингибиторы снижают потери металла на растворение, уменьшают наводороживание.
устраняют перетрав, сокращают выделение вредных испарений. Продолжительность
травлений в серной кислоте составляет от нескольких мину]- до 1 ч и более, она
зависит от условий травления, характера окалины.
Химическое травление в соляной кислоте
При травлении в соляной кислоте протекают
следующие химические реакции:

;

;

;

.
В соляной кислоте поверхность металла очищается
от оксидов в результате их растворения. С увеличением концентрации и
температуры кислоты скорость растворения непрерывно и быстро возрастает. В
отличие от серной соляная кислота оказывает активное воздействие на оксиды и
металл при травлении их в ней уже при комнатной температуре. Нагрев раствора
соляной кислоты выше 40°С приводит к интенсивному выделению вредных
хлороводородных соединений.
Травление стальной проволоки обычно проводят в
растворе, содержащем 100-230 г/л ПС1. иногда для травления мотков стальной
проволоки используют раствор е 40- 100 г/л 
.
Хлористые соли (
и 
)- образующиеся при
травлении в соляной кислоте, хорошо растворяются в травильном растворе и воде.
Увеличение их концентрации не замедляет травления, а даже несколько ускоряет
его благодаря образованию 
. Однако 
уменьшает
активность травильного раствора. Поэтому на практике при замене отработанного
травильного раствора в свежеприготовленный раствор для активации добавляют
небольшие количества отработанного отфильтрованного раствора. Раствор, в
котором накапливается более 120-160 г/л хлористых солей, необходимо частично
или полностью заменять. Травление в соляной кислоте обеспечивает большую чистую
поверхность проволоки, чем травление в серной кислоте. Соляная кислота в
меньшей степени наводороживает металл, чем серная.
Электрохимическое травление
Скорость снятия с поверхности проволоки окалины
и ржавчины в растворах кислот можно значительно увеличить электрохимическим
(электролитическим) травлением. Этот способ по сравнению с химическим
травлением сокращает расход кислоты и потери металла, уменьшает водородную
хрупкость. Различают анодный, катодный и катодно-анодный процессы
электролитического травления.
Анодное травлеиие, при котором проволока контактирует
с положительным полюсом источника тока, основано на электрохимическом
растворении металла и механическом отрывании оксидов выделяющимся кислородом.
При этом на катоде происходит бурное выделение водорода. В качестве
электролита применяю'!' большей частью крепкий раствор серной кислоты (до
200-250 г/л) и иногда раствор хорошо электропроводящей соли соответствующего
металла. Плотности тока при анодном травлении в серной кислоте обычно высокие:
50-200 А/дм2 и выше. Применяемое напряжение 3-12 В.
3.3
Дополнительные операции по подготовке металла к волочению промывка
Эту операцию производят непосредственно за
травлением, чтобы удалить с поверхности металла остатки кислоты, окалины, а
также сернокислые соли и грязи.
Промывку осуществляют брандспойтом или в струях
воды под давлением около 980 кПа в специальных баках. При этом проволоку (или
прутки) промывают до тех пор, пока с них не начнет стекать прозрачная вода.
Металл ответственного назначения, а также металл
перед скоростным волочением промывают предварительно в чистой горячей воде, а
затем обычным способом - холодной водой под давлением. При промывке в горячей
воде полнее растворяются выкристаллизовавшиеся на металле соли.
В некоторых случаях тонкую проволоку промывают
также перед травлением. Например, мотки патентированной в селитре проволоки
иногда помещают в горячую воду для растворения приставшей к поверхности металла
соли. Этим предотвращается возможность образования на поверхности проволоки
азотной кислоты, вызывающей местные перетравы. После травления и промывки
металл должен иметь матовый металлический цвет. Не допускается недотрав, при
котором поверхность металла получается шероховатой, что обнаруживается
визуально при проведении рукой по его поверхности. Перетрав фиксируют по
темному сажистому налету на тряпочке при проведении ею по поверхности металла.
Подсмазочный слой, наносимый па поверхность
металла, должен хорошо и прочно присоединять смазку и совместно с ней снижать
трение при протяжке, а также предотвращать прилипание к поверхности рабочей
зоны волоки.
Подсмазочный слой наносят на поверхность металла
после удаления окалины и промывки. Для этого проводят желтение, меднение,
фосфатирование, а затем известкование или обработку в растворе буры.
Меднение заключается в нанесении на поверхность стальной
проволоки тонкой пленки меди. Эта пленка образуется при погружении металла в
слабоподкисленный раствор медного купороса (
). Концентрация
медного купороса в растворе находится в пределах 30-40 г/л, а серной кислоты
10-15 г/л. Продолжительность меднения 1-2 мин. Для получения плотного хорошо
связанного с основным металлом осадка меди в раствор вводят иногда немного
столярного клея. Не рекомендуется проводить меднение в растворе, температура
которого выше 20 - 25 °С. При завышенной температуре раствора образуется рыхлая
пленка из крупных кристаллов меди.
Меднению подвергают стальную проволоку,
предназначенную для волочения с большими суммарными обжатиями (например,
пружинную).
Фосфатирование - химическая обработка
протравленной поверхности стали в растворах фосфорнокислых солей марганца,
железа или цинка. В результате такой обработки на поверхности стали образуется
плотная и достаточно устойчивая фосфатная пленка соответствующих металлов.
Фосфатированию целесообразно подвергать металл, предназначенный для получения
высокопрочной проволоки. Фосфатная пленка дает возможность повысить скорость
волочения и величину обжатия.
Оксалатирование применяют при обработке
высоколегированных сталей. Оно заключается в нанесении на поверхность металла
слоя солей щавелевой кислоты. При оксалатировании происходит растворение
поверхности стали и одновременно отложение на ней оксалата железа, который
является весьма хорошим подсмазочным слоем для волочения. Растворение
коррозионностойких сталей совершается в присутствии активаторов солей 
и др. Кроме
активаторов, необходимо иметь в оксалатирующем растворе также окислители -
днухромовокислый калий (
), перманганат
калия (
) и др,
способствующие переводу труднорастворимого щавелевокислого закисного железа в
окисное. хорошо растворимое. Кристаллы оксалатного покрытия сцеплены химически
с поверхностью металла и адсорбируют их (поглощают поверхностью) в количествах,
в несколько раз превышающих собственную массу кристаллов. В результате смазка
распределяется по всей поверхности металла и хорошо удерживается на ней"
Применение оксалатных покрытий имеет некоторые ограничения. Так. трудно
получить хорошее покрытие на сплавах с высоким содержанием никеля и хрома и
малым содержанием железа. Например, для нанесения достаточного слоя оксалата на
проволоку из сплава с 20% 
и 80% 
(нихрома)
требуется около 2 ч.
Известкование осуществляют путем неоднократных
погружений бунтов катанки и подката или мотков проволоки в горячий известковый
раствор. Получаемый на поверхности металла слой извести является наполнителем в
смазке и улучшает волочение. При известковании нейтрализуется оставшаяся на
металле после травления и последующих операций кислота, чем устраняется на
некоторое время ржавление металла при хранении.
Для приготовления известкового раствора
используют хорошо обожженную гашеную известь с небольшим содержанием вредных
примесей (кремнезема, силикатов и металлических оксидов). Особенно вредна окись
магния, ухудшающая прилипание извести к поверхности металла. В известковом
растворе содержится примерно 1 ч. гашеной извести на 6-12 ч. воды. В известь,
наносимую на поверхность металла из высоколегированной стали, добавляют
небольшое количество поваренной соли, что способствует стабильному процессу
волочения проволоки.
Обработку в растворе буры проводят, как правило,
взамен известкования. Обычно протравленную проволоку после меднения подвергают
обработке в водном растворе буры (
). Бура легко и
полно растворяется в горячей воде. Обработка в растворе буры заметно улучшает
условия волочения, предохраняет проволоку в течение длительного времени от
ржавления до и после волочения. Кроме того, при использовании буры на участках
волочения наблюдается незначительное пылевыделение из-за хорошего сцепления
буры "с металлом. Улучшаются условия сварки проволоки, так как бура
является флюсом' Повышается стойкость волок. При использовании буры иногда
исключается необходимость просушки проволоки в печах.
Концентрация буры в ванне должна быть в пределах
50-70 г/л. температура раствора выше 80 °С. время погружения составляет не более
5-1 0 мин. С' ростом скорости волочения необходимо увеличивать слой буры па
проволоке, чего можно достигнуть повышением концентрации буры или увеличением
времени выдержки проволоки в растворе. В этом случае считают также полезной
добавку фосфорнокислого натрия. Ванна с раствором буры должна иметь 
= 9,2. С течением
времени рН ванны снижается, что ухудшает сопротивление коррозии. Рекомендуют
для приведения рН к норме добавлять каустическую или кальцинированную соду.
Сушка - это заключительная операция при
подготовке металла к волочению. В процессе сушки с поверхности металла
удаляется влага (это предохраняет от ржавления) и. если при травлении произошло
наводороживание металла, устраняется травильная хрупкость. Результаты сушки
зависят от температуры, времени и условий циркуляции воздуха в сушилах. При
проведении сушки с усиленной циркуляцией нагретого до 300-350 °С воздуха
обеспечивается прочное прилегание подсмазочного слоя к проволоке благодаря
спеканию, но если верхний подсмазочный слой бура, то температуру сушки нельзя
повышать выше 200 °С. так как при высоких температурах возможно образование
стеклообразной массы буры, которая препятствует волочению. Время сушки 15-25
мин в садочных сушилах, в потоке 10-20 с.
4.
Патентирование заготовки
Патентирование - термообработка, применяемая для
получения высокопрочной проволоки. Проволоку нагревают в проходной печи до
температур на 150-200 градусов выше Ас3. пропускают через свинцовую или соляную
ванну при температур(450-550 °С) и наматывают на приводной барабан.
Патентирование - изотермическое превращение
переохлажденного аустенита в так называемой первой степени, когда происходит
непосредственный распад аустенита на смесь, состоящую из феррита и цементита.
Так же представляет собой превращение аустенита в области температур
(450....550 °С) охлаждающей среды.
Высокая температура нагрева необходима для
гомогенизации аустенита. Скорость движения проволоки должна быть такой, чтобы
время пребывания в ванне было несколько больше времени окончания перлитного
превращения. Иначе, при выходе проволоки из ванны аустенит, не успевший
претерпеть перлитный распад, превращается а нижний бейнит или мартенсит и
пластические свойства проволоки резко снижаются.
При этом температуры между началом и концом
превращения и температурой охлаждающей среды меньше, а распределение
ферритоцементитных составляющих тем равномернее, чем тоньше патентируемая
проволока при прочих равных условиях
При выходе из ванны проволока имеет ферритно -
пементитную структуру с очень малым межпластинчатым расстоянием и отсутствием
зерен избыточного феррита. Благодаря этому проволока способна выдерживать
большие обжатия при холодной протяжке без обрывов. Увеличение концентрации
углерода ускоряет процесс преобразования аустенита с уменьшением содержания
углерода следует повышать температуру нагрева, так как в этом случае
уменьшается скорость превращения перлита в аустенит, повышается температура
превращения Ре^ в Ре, снижается склонность стали к обезуглероживанию и
отслоению.
При увеличении диаметра проволоки так же
необходимо повышать температуру нагрева, так как это улучшает свойства
проволоки после волочения и создает предпосылки для увеличения скорости
патентирования. Даже в том случае, если температура нагрева достаточна, нельзя
допустить, чтобы было увеличение потому что процессы связанные превращением
сопровождаются в полной мере.
Эти процессы, также завися от продолжительности
пребывания проволоки в печи при заданной температуре и технологии нагрева.
Процесс патентирования протекает в зоне температур перлитного превращения в
довольно узком интервале температур 420-540 "С. В процессе патентирования
в производственных условиях проволока под действием различных причин совершает
некоторое движение. Характер микроструктуры патентирования проволоки определяют
скоростью охлаждения, устойчивость аустенита и температурой охлаждающей среды.
5.
Задание на проектирование
Разработка технологического процесса
изготовления стальной проволоки
|
Диаметр
заготовки. D, мм
|
Предел
прочности σ,
МПА
|
|
2,1
|
1450
|
6.
Выбор маршрута волочения
Процесс волочения осуществляют обычно в
несколько переходов, т.е. применяется дробный процесс пластической деформации.
Осуществить всю деформацию в один переход в большинстве случаев не удается по
многим причинам: требуются чрезмерно большие усилия волочения, возникают обрывы
проволоки и т.д. Поэтому, важное значение имеет распределение единичных
деформаций по маршруту волочения, поскольку от этого зависит стабильность процесса
(отсутствие обрывов), энергозатраты, а также формирование заданных
физико-механических свойств.
6.1
Определение размера исходной заготовки для волочения
Выбор размера проволоки (заготовки) или прутков,
предназначенных для волочения, сводится к определению их диаметра и является
ответственной задачей при построении технологического процесса их производства.
Во многих случаях необходимо знать, какие свойства должен иметь металл
заготовки после волочения. Диаметр заготовки для получения проволоки или прутков,
которые будут протягиваться на меньший диаметр после промежуточной термической
обработки или подвергаться окончательной термической обработке в готовом
состоянии (в этих случаях после волочения не требуется иметь строго
ограниченные физико-механические свойства), всецело определяется пластичностью
металла, его способностью протягиваться через волоку.

- содержание
углерода в стали.

- суммарное
обжатие

- единичное
обжатие
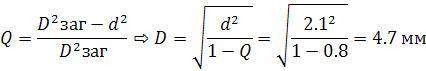
Задаем:



Расчет диаметра заготовки
6.2
Расчет маршрута волочения
Выбирая ряд последовательных значений, весьма
малых единичных обжатий неблагоприятно отражается на равномерность течения
металла и однородность деформаций по его сечению, а так же снижается производительность
и повышаются энергозатраты. Расчет числа протяжек:
Тогда маршрут волочения будет следующий:

Расчет диаметров проволоки:
Расчет суммарного обжатия:
Расчет среднего единичного обжатия
Определяем оставшиеся диаметры
Определение технологической вытяжки:
Определим суммарную деформацию:
7.
Расчет энергосиловых параметров при волочении
7.1
Определение свойств исходной заготовки и их изменение в процессе волочения
Временное сопротивление разрыву проволоки:

- временное
сопротивление разрыву заготовки;

- прирост предела
прочности;
Находим прирост предела прочности в результате
волочения:
Прирост предела прочности за одну протяжку:
Определим предел прочности







7.2
Определяем силы волочения







7.3
Определение скорости волочения








7.4
Расчет напряжений волочения







7.5
Расчет мощности волочения







Результаты расчетов сведем в таблицу 1
|
№
|
Показатели
|
Заготовка
|
1
|
2
|
3
|
4
|
5
|
6
|
|
1
|
Диаметр
проволоки, мм
|
4,7
|
4,1
|
3,6
|
3,3
|
2,7
|
2,3
|
2,1
|
|
2
|
Единичное
обжатие δ,
%
|
-
|
15%
|
20,6%
|
20,6%
|
20,6%
|
20,6%
|
15%
|
|
3
|
Вытяжка
µ
|
-
|
1,17
|
1,26
|
1,26
|
1,26
|
1,26
|
1,17
|
|
4
|
Суммарная
деформация, Q
|
-
|
24
|
45
|
54
|
60
|
74
|
80
|
|
5
|
Предел
прочности σв, МПа
|
-
|
1052,8
|
1136,6
|
1220,4
|
1304,2
|
1388
|
|
6
|
Напряжение
волочения σв, МПа
|
-
|
355,6
|
472,5
|
466,5
|
635
|
447,3
|
406,4
|
|
7
|
Сила
волочения Т, Н
|
-
|
4978,2
|
4819,5
|
4011,4
|
3619,2
|
1878,8
|
1422,4
|
|
8
|
Скорость
волочения v, м/с
|
-
|
0,98
|
1,08
|
1,5
|
2,1
|
2,9
|
4
|
|
9
|
Мощность
волочения N, кВт
|
-
|
5,45
|
6,12
|
7
|
8,95
|
6,4
|
5,7
|