Разработка автоматизированной системы контроля процессов пайки топливных коллекторов

  • Вид работы:
    Дипломная (ВКР)
  • Предмет:
    Информатика, ВТ, телекоммуникации
  • Язык:
    Русский
    ,
    Формат файла:
    MS Word
    2,11 Мб
  • Опубликовано:
    2014-04-17
Вы можете узнать стоимость помощи в написании студенческой работы.
Помощь в написании работы, которую точно примут!

Разработка автоматизированной системы контроля процессов пайки топливных коллекторов















Дипломная работа

Разработка автоматизированной системы контроля процессом пайки топливных коллекторов

Содержание

1. Введение

. Технологическая часть

.1 Выбор процесса и условий пайки

.2 Конструктивные и технологические особенности процесса

.3 Приспособления для пайки коллектора

.4 Обоснование выбора главных параметров

.5 Разработка алгоритма вакуумной пайки коллектора в среде аргона

.6 Вывод по разделу

. Конструкторская часть

.1 Разработка структурной схемы системы контроля.30

.2 Контроллер

.3 Обоснование выбора микроконтроллера

.4 Выбор и согласования датчиковой аппаратуры с ПЛК-63

.5 Разработка функциональной схемы измерительных каналов

.6 Расчет генератора с мостом Вина

.7 Расчет усилителя

.8 Расчет фильтра

.9 Вывод по разделу

. Программная часть

.1 Разработка алгоритма функционирования системы в среде CoDeSys

.2 Разработка интерфейса пользователя

.3 Разработка фрагмента программы в среде CoDeSys

.4 Вывод по разделу

. Экономическая часть

.1 Расчет затрат на создание системы контроля66

.2 Вывод по разделу

. Безопасность жизнедеятельности и охрана окружающей среды

.1 Безопасность жизнедеятельности

.1.1 Анализ опасных и вредных факторов, действующих на оператора

.1.2 Условия освещения

.2 Охрана окружающей среды

.2.1 Основные механизмы загрязнения природной среды в процессе производства

.2.2 Загрязнение атмосферного воздуха

.3Вывод по разделу

. Заключение

. Список используемой литературы

контроллер автоматизация пайка топливный коллектор

1. Введение


На современном этапе развития промышленности, обеспечение стабильной работы предприятий по выпуску конкурентоспособной продукции, является задачей первостепенной важности.

Снижение издержек производства, рациональное использование материальных ресурсов, достижение более высоких экономических показателей и, прежде всего повышение производительности труда и эффективности производства, и на этой базе снижение себестоимости - вот основные современные требования для конкурентоспособности любого производства. Для их решения огромное значение имеет совершенствование автоматизации процессов управления производства в целях повышения его эффективности.

Развитие микроэлектроники нашло широкое применение ее изделий в промышленном производстве, в устройствах и системах управления самыми разнообразными объектами и процессами.

В своем дипломном проекте я разработаю автоматизированную систему контроля процессом пайки топливных коллекторов, с помощью программируемого логического процессора фирмы «ОВЕН», которая практически не имеет аналогов, хотя многие зарубежные логические контроллеры более функциональные, но более дорогие.

2. Технологическая часть


Топливный коллектор основной камеры сгорания предназначен для подачи и распыла топлива. Для достижения оптимального распределения распыленного топлива по сечению и длине воздушного потока с целью создания наиболее равномерного поля температур перед входом в турбину, целесообразно подавать топливо в виде полого конического факела в область потока, примыкающую к зоне обратных токов, где градиент скоростей будет максимальным.

Чем обеспечивается хорошее смешение топлива с воздухом, необходимое для осуществления наиболее полного сгорания. В связи с этим средняя температура газа вокруг коллектора составляет 950-11500 С, однако на высоконагруженных режимах работы двигателя (например режим «Максимал») она может достигать 17000 С и ограничивается прочностью и долговечностью материалов деталей коллектора и самой камеры сгорания.

Таким образом становиться очевидно, что изготовление коллектора необходимо производить из термостойких сплавов с высокой прочностью например ХН62ВМЮТ-ВД.

В основу разработки технологии пайки принимаются требования к свойствам соединений, определяющиеся из условий работы паяных изделий (прочность при нормальной и повышенной температурах, коррозионная стойкость в определенных средах, теплопроводность и др., схема подходов к выбору технологического процесса пайки изделий приведена на рисунке 1.)

В связи с этим одним из главных вопросов при разработке технологии пайки является выбор системы и состава припоя.

При выборе припоя кроме прочностных и коррозионных характеристик учитывается способность его к взаимодействию с паяемым металлом (в нашем случае ХН62ВМЮТ-ВД.) и температурные границы процесса пайки. Нижней границей температуры пайки может служить температура плавления припоя, а верхней - допустимая температура нагрева металла (материала) при пайке.

Рисунок 1           - Схема выбора технологического процесса пайки

 

2.1 Выбор процесса и условий пайки


Особенности взаимодействия припоя с металлом и температурные границы пайки позволяют решить задачу выбора способов пайки по

Особенности взаимодействия припоя с металлом и температурные границы пайки позволяют решить задачу выбора способов пайки по механизму образования соединений и виду источника нагрева, а также способу активации поверхности при пайке. В соответствии со способом выбирают оборудование для пайки конкретных изделий.

С учетом всего выше изложенного для пайки коллектора выбран процесс автоматизированной пайки в вакууме, разряжением не мение 10-5 Бар, с присадочном флюсом, при непрерывной подаче аргона в область пайки с расходом 2-3 л/мин (контроль подачи и насыщенности среды ведется с помощью спец. зондов) с использованием припоя ВПр 4 ОСТ 1-90082-88 норма расхода на 1м/к-т - 81 шт.

 

2.2 Конструктивные и технологические особенности процесса


Одним из основных параметров влияющих на качество пайки является зазор между спаиваемыми элементами, особенно это важно при спайки сложных поверхностей. Величина зазора определяет расход припоя и влияет на весовые и прочностные характеристики конструкции.

Расход припоя при паяном соединении G = K*l*S*D*γ, где G - масса припоя, г; l - длина нахлестки см; S - ширина листов, см; D - зазор, см; γ - плотность припоя, г/см3; K - коэффициент, равный 1,3 ÷ 1,5 и предусматривающий некоторый избыток припоя на образование галтели.

Изменение величины зазора влияет также на кинетику заполнения припоем зазоров и максимальную высоту подъема припоя в вертикальных зазорах.

Заполнение припоем зазоров происходит под действием капиллярного давления


для цилиндрического капилляра при r1 = r2 = r


для плоского капилляра при r1 = ∞ и r2 =


Максимальная высота подъема L припоя в капилляре может быть найдена из условия равенства капиллярного давления металлостатическому:

 

В приведенных уравнениях r1; r2 - радиусы капилляра; σж - поверхностное натяжение жидкости; a- расстояние между пластинами; γ - плотность жидкости; g - ускорение свободного падения; L - высота подъема жидкости в капилляре. Рассмотрим, более подробно вопросы, связанные с формированием зазоров под пайку корпусов форсунок коллектора с кольцевыми трубами

Кольца коллектора изготавливаются из труб:

- 6х1 - для кольца I каскада;

- 14х1 - для кольца II каскада.

При изготовлении колец может происходить деформация трубы с овализацией её поперечного сечения, которое по форме становится близкой к эллипсу, большая ось которого перпендикулярна плоскости, в которой располагается кольцо коллектора.

 

Таким образом требованиями чертежа допустимая овальность поперечного сечения трубы должна быть ограниченна допуском круглости трубы d = 2a - 2b £ 0,08 мм.

I каскад

Наружный диаметр поперечного сечения трубы D = 6.

Периметр эллипса П = p D = 3,1416 . 6 = 18,8496

b = (2a - d) / 2. При dmax = 0,08 → b = a - 0,04

П = pÖ 2(a2 + b2) . b2 = (a - 0,04)2 = a2 -2. 0,04 . a + 0,042.

,8496 = 3,1416Ö 2 (a2 + a2 - 0,08 a + 0,0016) 2 - 0,04 a - 8,9932 = 0. А a2 + В a + С = 0.  = ( -В 6Ö В2 - 4АС ) / 2А.

А = 1. В = - 0,04. С = - 8,9932.

a = [0,04 6 Ö 0,042 - 4 . 1. (-8,9932) ] / 2. 1. =( 0,04 + 5,9976) / 2 = 3,0188.= 3,0188 - 0,04 =2,9788.

a = 2 . 3,0188 = 6,0376. 2b = 2 . 2,9788 = 5,9576.

d = 6,0376 - 5,9576 = 0,08.каскад

Наружный диаметр поперечного сечения трубы D = 14.

Периметр эллипса П = p D = 3,1416 . 14 = 43,9824

b = (2a - d) / 2. При dmax = 0,08 → b = a - 0,04

П = pÖ 2(a2 + b2) . b2 = (a - 0,04)2 = a2 - 2. 0,04 . a + 0,042.

,9824 = 3,1416Ö 2 (a2 + a2 - 0,08 a + 0,0016)

a2 - 0,04 a - 48,9992 = 0. А a2 + В a + С = 0.  = ( -В 6Ö В2 - 4АС ) / 2А.

А = 1. В = - 0,04. С = - 48,9992.

a = [0,04 6 Ö 0,042 - 4 . 1. (-48,9992) ] / 2. 1.

a =( 0,04 + 13,9999) / 2 = 7,01997.

b = 7,01997 - 0,04 =6,97997.

a = 2 . 7,01997= 14.03994. 2b = 2 . 6,97997= 13,9599.

d = 14.03994- 13,9599 = 0,08.

Таблица 1

I каска D = 6

d = 0, Dmin = 6

d = 0,08, Dmin = 5,9576


dотв min

dотв max

dотв min

dотв max


6,18

6,20

6,1376

6,1576

II каскад D = 14

d = 0, Dmin = 14

d = 0,08, Dmin = 13,9599.


dотв min

dотв max

dотв min

dотв max


14,18

14,20

14,1399

14,1599


При изготовлении коллектора требованиями чертежа необходимо предусмотреть обеспечение диаметральных зазоров под пайку корпусов форсунок с топливоподводящими кольцевыми трубами 2D = 0,1…0,2 мм, что при номинальном положении элементов коллектора должно соответствовать радиальным зазорам D = 0,05…0,1 мм.

При этом в каждом корпусе форсунки необходимо производить индивидуальную расточку соответствующего отверстия по месту сопряжения с кольцевой трубой в зависимости от фактического размера D этой трубы на участке её пайки с корпусом форсунки.

Размер диаметра, до которого растачивается отверстие в корпусе форсунки, должен подсчитывается по следующей формуле заложенной в технологическом процессе.


Здесь Dmin - минимальное значение размера по месту измерения наружного диаметра поперечного сечения трубы.

В таблице приведены минимальные и максимальные значения диаметра, до которого должны растачиваться отверстия I и II каскадов в корпусе форсунки, посчитанные для номинальных значениях диаметра соответствующих труб при минимальном и максимальном значения овальности их поперечного сечения.

Сопряжение кольцевой трубы коллектора с прямолинейным отверстием в корпусе форсунки приводит к несовпадении их осей в плоскости кольца коллектора.

При номинальном взаимном положении кольцевой трубы коллектора и соответствующего отверстия в корпусе форсунки по ТТ чертежа, когда в плоскости симметрии корпуса форсунки их оси совпадают, отклонение «h» оси трубы от оси отверстия в корпусе форсунки по длине паяного соединения может быть определено (в соответствии с расчётной схемой на рис. 2) следующим образом.

h = R (1- cos a). sin a = t / R

R - радиус осевой окружности кольца коллектора- расстояние от плоскости симметрии корпуса форсунки до рассматриваемого сечения паяного соединения. В корпусе форсунки 99.03.85.061:

для начального сечения tнач = 2,25;

для конечного сечения tкон = 6,50

Аналогично определяются отклонения наружной и внутренней образующих кольца коллектора по длине паяного соединения соответственно от наружной и внутренней образующих цилиндрического отверстия в корпусе форсунки.

hнар = (R + b) (1- cos a). sin a = t / (R + b)вн = (R - b) (1- cos a). sin a = t / (R - b)

нар - отклонение наружной образующей кольца коллектора;вн - отклонение внутренней образующей кольца коллектора.

При овальности d = 0 → b = D/2.

Рисунок 3. Расчетная схема определения радиальных зазоров под пайку в полости расположения кольцевой трубы коллектора при номинальном положении корпуса форсунки и кольцевой трубы

Ниже, в таблице, представлены значения hнар и hвн в начальном и конечном сечениях паяного соединения корпуса форсунки с топливоподводящим трубчатым кольцом, посчитанные для I и II каскадов коллектора при d = 0 и d = 0,08.

Таблица 2

δ

I каскад

II каскад


hнар

hвн

hнар

hвн


t=2,25

t=6,50

t=2,25

t=6,50

t=2,25

t=6,50

t=2,25

t=6,50

,00

0,02

0,079

0,02

0,077

0,02

0,078

0,02

0,074

,08

0,02

0,079

0,02

0,077

0,02

0,078

0,02

0,074


Для номинального положения корпуса форсунки и кольцевых труб максимальные и минимальные значения радиальных зазоров под пайку в плоскости кольца коллектора с наружной и внутренней сторон кольца, «Dнар» и «Dвн» соответственно, могут быть определены следующим образом. При d = 0,00 будет иметь место минимально возможная окружная неравномерность зазора. При этом →

 

 

При d = 0,08 будет иметь место максимально возможная окружная неравномерность зазора. При этом →

 

 

Ниже, в таблице приведены расчётные значения радиальных зазоров в плоскости расположения кольцевой трубы для I и II каскадов в начальном и конечном сечениях паяного соединения при номинальном положении корпуса форсунки и кольцевой трубы коллектора.

Таблица 3

t

I каскад


d = 0,00

d = 0,08


Dнар max

Dнар min

Dвн max

Dвн min

Dнар max

Dнар min

Dвн max

Dвн min

2,25

0,12

0,11

0,08

0,07

0,12

0,06

0,08

0,02

6,50

0,179

0,169

0,023

0,013

0,178

0,118

0,026

0,034

t

II каскад


d = 0,00

d = 0,08


Dнар max

Dнар min

Dвн max

Dвн min

Dнар max

Dнар min

Dвн max

Dвн min

2,25

0,12

0,11

0,08

0,07

0,12

0,06

0,08

0,02

6,50

0,179

0,169

0,023

0,013

0,178

0,118

0,026

0,034


Для номинального положения корпуса форсунки и кольцевых труб максимальные и минимальные значения радиальных зазоров под пайку в плоскости, перпендикулярной плоскости кольца коллектора, «D»могут быть определены следующим образом ( в первом приближении - без учёта отклонения «h»).

При d = 0,00 →


При d = 0,08


Ниже, в таблице, представлены значения радиальных зазоров D max и D min, посчитанные для I и II каскадов при предельных значениях круглости кольцевых труб коллектора.

Таблица 4

D D

I каскад

II каскад


d = 0,00

d = 0,08

d = 0,00

d = 0,08

D max

0,1

0,06

0,1

0,05998

 D min

0,09

0,05

0,09

0,04998


Как видно из таблицы все возможные зазоры под пайку укладываются в область принятых нами радиальных допусков D = 0,05…0,1 мм. Сложность, трудоемкость и точность необходимых расчетов предполагают проведение обмеров труб, расчетов зазоров и диаметров соответствующих им отверстий (по методике приведенной выше), с последующей расточкой до необходимых размеров корпусов с применением программируемых пяти-координатных станков, в автоматическом режиме, исключающем ошибку в расчетах или неточность изготовления детали (точность изготовления 0,0005 мм)

При конструировании паяных соединений следует учитывать возможность при сборке размещения, укладки и закрепления припоя. Припой может быть использован в виде фольги, ленты, проволоки, порошка, прутка, таблеток, стружки и т.д. Для обеспечения требуемой точности конструирование такого рода соединений необходимо производить по средствам создания трех мерных твердотельных моделей с последующей проверкой прочностных качеств, с применением пакетов программ типа UG и ANSis.

Для наиболее полного и качественного заполнения зазоров припоем необходимо предусмотреть равномерное распределения припоя по всему цилиндрическому каналу образованному трубкой и корпусом форсунки. С этой целью необходимо проводить вращение коллектора во время пайки в автоматическом режиме с параллельном контролем всех параметров среды.

 

2.3 Приспособления для пайки коллектора


Подготовка деталей к пайке включает следующие операции:

)   Механическую обработку деталей и очистку поверхности.

2)      Сборку деталей и укладку припоя.

Механическую обработку деталей производят с целью обеспечения, при последующей сборке, зазоров требуемой величины и иногда используют как средство предварительной подготовки поверхности. После механической обработки на поверхности деталей могут присутствовать различные загрязнения и окисные пленки. В общем случае очистка поверхности деталей перед пайкой заключается в удалении загрязнений, а также пленок, образовавшихся на поверхности деталей в процессе длительного их хранения или их производства, в тех случаях, когда механическую обработку поверхности не применяют.

Наиболее качественная очистка деталей достигается с использованием ультразвуковой чистки. Такую чистку производят в специальных ваннах в автоматическом режиме с периодически изменяемыми параметрами температурой и длинной волны. Изменение и отслеживание параметров производится при помощи программируемого центра ввода команд.

При сборке деталей под пайку необходимо выполнить два условия:

)     обеспечить требуемое взаимное расположение деталей и зафиксировать их в этом положении, исключив возможность их случайного смещения а процессе пайки;

2)      выдержать определенные соединительные зазоры между деталями в собранном состоянии.

Эти задачи решаются применением соответствующей конструкции деталей, обеспечивающей их взаимную фиксацию при сборке, или специальных приспособлений. Приспособления можно разделить на поддерживающие и скрепляющие, используемые при местном или общем нагреве деталей при пайке.

К конструкциям приспособлений предъявляются следующие общие требования:

)   масса приспособлений не должна быть большой, особенно при пайке в печи;

2)      площадь контакта приспособлений с деталью должна быть минимальной; при использовании местного нагрева при пайке зажимы приспособлений должны быть выведены из зоны нагрева;

)        при пайке в газовых средах должно быть обеспечено свободное поступление защитного или активного газа к деталям в местах пайки;

)        при изготовлении приспособлений и деталей из разных материалов должны быть учтены коэффициенты линейного теплового расширения.

Обеспечить выполнение данных требований возможно только с использованием автоматизированной системы проектировки термонагруженных деталей типа T-flex.

В нашем случаи для пайки коллектора используется стапель представленный на рис. 3. спроектированный с использованием T-flex. Он обеспечивает жёсткую фиксацию в номинальном положении всех элементов коллектора в окружном, радиальном и осевом направлениях в соответствии с требованиями чертежа.

Рисунок 4 Стапель для фиксации коллектора

2.4 Обоснование выбора главных параметров


Материал (ХН62ВМЮТ-ВД) коллектора относится к группе жаростойких деформируемых сплавов, имеющие в основе железо и содержащие в качестве легирующих элементов хром, никель, титан. Жаростойкие стали, отличаются от коррозионно-стойких сталей высоким содержанием никеля (от 18 до 37%) и титана (от 2,1 до 3,7%). Основное значение для этой группы материалов имеет высокотемпературная пайка, преследующая цель получения соединений, способных работать при высокой температуре.

Максимальная температура пайки коррозионно-стойких сталей и жаростойких сплавов, при которой сохраняются их исходные свойства, совпадает с температурой их термической обработки и для разных марок сталей и сплавов находится в пределах 920 - 1250°С.

Присутствие в рассматриваемых сталях и сплавах указанных легирующих элементов приводит, вследствие избирательного их окисления, к появлению на их поверхности окисных пленок сложного состава, содержащих окислы хрома, алюминия, титана и их комплексы. В связи с наличием окисных пленок сложного состава наибольшую трудность при пайке материалов этой группы является обеспечение смачиваемости жидким припоем их поверхности.

Имеются уравнение для расчета критической концентрации компонентов в сплаве, с превышением которой на поверхности сплава образуется только окисел этого элемента.

Уравнение для расчета критической концентрации компонентов удовлетворяет соотношению


где V - молярный объем сплава; ZB - валентность атомов компонента; MO - относительная атомная масса кислорода; D - коэффициент диффузии компонента B в сплаве; Rпар - константа параболической скорости исключительного образования окисла компонента В. Рассматривая структуру этого уравнения, можно сделать вывод, что окисел обогащается легирующим элементом в степени тем большей, чем больше сродство этого элемента к кислороду и чем легче условия диффузии иона через пленку. Последнее, как правило, облегчается при уменьшении ионного радиуса элемента.

Сопоставление полученных результатов позволяет утверждать:

)   Содержание хрома в сталях до 26-30% не является препятствием к смачиванию и затеканию припоя в зазор. При температуре 1250°С в вакууме обеспечивается смачиваемость и заполнение зазора при пайке даже чистого хрома.

2)      Элементами, ухудшающими смачиваемость, являются алюминий и титан. Присутствие алюминия в составе сталей более 1,3% приводит к резкому ухудшению смачивания и вызывает необходимость применения для пайки активных газов сред или дополнительного флюсования.

)        Действие титана проявляется в меньшей степени, и при содержании его в коррозионно-стойких сталях до 0,5% практически не влияет на смачиваемость. Ухудшение смачиваемости наблюдается при содержании титана от 1% и выше.

)        В жаростойких сплавах, основу которых составляет никель, присутствие алюминия и титана оказывает меньшее влияние на смачиваемость, видимо, в связи с тем, что часть алюминия и титана связываются никелем в соединение Ni3(Al,Ti), играющее роль упрочнителя.

Таким образом очевидно, что главными параметрами пайки наиболее сильно влияющими на качество являются:

)   Поле температур внутри печи

2)      Время и режим пайки

)        Способ и время охлаждения.

 

2.5 Разработка алгоритма вакуумной пайки коллектора в среде аргона


Алгоритм пайки должен обеспечивать однозначно высокое качество получаемого паяного соединения с наименьшем количество проводимых операций и затрачиваемых ресурсов (электроэнергии, материалов и трудозатрат)

Алгоритм пайки:

Установить коллектор в фиксирующий стапель.

) Установить стапель с коллектором в контейнер.

) Закрепить стапель от смещения.

) Засыпать в спец. пеналы присадочный флюс (KBF4)

) Предъявить БТК

) Установить крышку контейнера на основание.

) Выполнить герметичный кольцевой шов

) Установить заваренный контейнер на штангу манипулятора обеспечивающего вращение.

) Проверить герметичность заварки контейнера продувкой аргоном.

) Установить две термопары на контейнер.

) Подсоединить контейнер к вакуумно-аргонной системе.

) Задействовать систему автоматической пайки

Алгоритм работы системы автоматической пайки:

.1)     Включение вакуумного насоса

.2)     Проверка разряжения внутри контейнера (не менее 10-5 Бар) Падение вакуума не допускается.

.3)     При получении положительных результатов переход к п. 12.4 при отрицательных результатах выдать сигнал оператору.

.4)     Продувка контейнера аргоном в течении 15 мин.

.5)     Контроль среды внутри контейнера методом опроса термопар и анализаторов.

.6)     При получении положительных результатов переход к п. 12.6 при отрицательных результатах выдать сигнал оператору.

.7)     Включение электро печи.

.8)     Контроль среды внутри электро печи методом опроса термопар (средняя температура по пяти термопарам 1250±5 С0 равномерность поля температур 98%).

12.9)    При получении положительных результатов переход к п. 12.10 при отрицательных результатах выдать сигнал оператору с указанием конкретной ошибки (номер термопары).

12.10)         Начать подачу аргона в контейнер расход 2-3 л/час.

.11)    Начать вращение штанги с контейнером скорость 10 об/мин. с одновременным контролем среды внутри контейнера. (согласно п.12.5)

.12)    Открыть ворота печи

.13)    Ввести контейнер внутрь печи, скорость ввода 10 м/мин.

.14)    Закрыть ворота печи.

.15)    Вывести печь в рабочий режим нагрев до 1250±5 С0 время нагрева 10±0,5 мин.

.16)    Проверить температуру в контейнере (1250±5 С0)

.17)    При получении положительных результатов переход к п. 12.18 при отрицательных результатах выдать сигнал оператору.

.18)    Проверить среду в контейнере.

.19)    При получении положительных результатов переход к п. 12.20 при отрицательных результатах выдать сигнал оператору.

.20)    Проверить скорость подачи аргона.

.21)    При получении положительных результатов переход к п. 12.22 при отрицательных результатах выдать сигнал оператору.

.22)    Включить секундомер.

.23)    Пайку производить при температуре 1250±5 С0 с постоянном контролем температуры печи, температуры внутри контейнера, среды внутри контейнера и скорости подачи аргона. Время пайки 2 часа 30 мин. В случаи выхода за пределы допуска любого из параметров сообщить оператору.

.24)    По истечению 2 часов 30 минут равномерно снизить температуру до 950±5 С0 в течении 5 мин.

.25)    Открыть ворота печи

.26)    Вывести контейнер из печи, скорость ввода 10 м/мин.

.27)    Закрыть ворота печи.

.28)    Выключить печь.

.29)    Контролировать снижение температуру внутри контейнера до 250±5 С0.

.30)    Прекратить подачу аргона при достижении температуры 250±5 С0

.31)    При достижении температуры внутри контейнера 25±5 С0 прекратить вращение штанги.

.32)    Выключить вакуумный насос.

.33)    Записать файл с полученными данными контроля процесса пайки на жесткий диск с присвоением имени в соответствии с датой пайки.

.35)    Выключить все системы контроля и анализа.

13) Отсоединить термопары.

) Снять контейнер с вращающейся штанги.

15) Вскрыть герметичный шов.

) Снять крышку.

) Вынуть стапель с коллектором

) Снять коллектор со стапеля.

) Отгидровать коллектор при давлении 68±5 Атм.

20) Предъявить гидровку БТК.

 

2.6 Вывод по разделу


В данном разделе однозначно доказано, что для обеспечения стабильности качества паяных соединений коллектора с форсунками необходимо полная автоматизация системы пайки, контроля и регистрации основных параметров процесса пайки топливных коллекторов.

Предложен алгоритм процесса автоматической пайки коллектора в среде аргона позволяющий качественно провести пайку.

3. Конструкторская часть

 

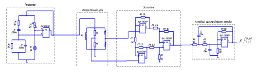
3.1 Разработка структурной схемы системы контроля


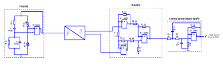
По заданию на дипломный проект, микроконтроллер ПЛК сопряжен с датчиковой аппаратурой. Поскольку информация с датчиков должна поступать в режиме реального времени на ЭВМ, то контроллер должен находиться недалеко от измерительной аппаратуры. Структурная схема системы контроля представлена на рисунке ниже.

Справа, в структурной схеме, изображен ПЛК-63 на базе которого и создается вся установка. Посредством интерфейса RS-232 происходит согласование с персональным компьютером. Поскольку контроллер не требовательный к технической составляющей вычислительной машины, то для корректной работы всей системы в целом достаточно будет даже слабой «машины» типа Pentium 4 или аналогичных моделей. Сигнал между ПЛК-63 и персональным компьютером передается в цифровом виде.. Связь между датчиками осуществляется при помощи аналоговых сигналов, причем, поток информации идет только в одном направлении с датчиков на ПЛК.

3.2 Контроллер


Для приема сигнала с термопар и последующей обработки необходим контроллер как минимум с 5 аналоговыми входами, пользовательским интерфейсом для контроля параметров, и несколькими выходами .

Под все вышесказанное подходит контроллер ОВЕН ПЛК63, который предназначен для создания систем автоматизированного управления технологическим оборудованием в различных областях промышленности.

В контроллере реализованы следующие функции:

Выполнение пользовательской программы работы контроллера (созданной в среде «CoDeSys 2.3);

Снятие измерительных значений со встроенных аналоговых и дискретных входов с последующей передачей их в пользовательскую программу;

Управление встроенными ВУ контроллера из пользовательской программы;

Расширение количества выходных устройств с использованием модуля MP1, подключаемого к контроллеру по специальному интерфейсу;

Обмен данными по интерфейсам RS-485 и RS-232;

Отображение символьных данных, формируемых в пользовательской программе, на ЖКИ;

Отсчет реального времени встроенными часами с автономным источником питания;

Настройка параметров функционирования встроенных входов, выходов и прочего периферийного оборудования контроллера и сохранение значений конфигурационных параметров в энергонезависимой памяти:

) изменение значений конфигурационных параметров контроллера на ЖКИ с помощью встроенный клавиатуры;

) изменение значений параметров из среды программирования CoDeSys

Рассмотрим основные технические параметры ПЛК-150. Общие сведения приведены в таблице 5.

Таблица 5

Конструктивное исполнение

Сборный пластмассовый корпус для крепления на DIN-рейку шириной 35 мм

Степень защиты корпуса

IP20

Напряжение питания, В

Для постоянного тока от 150 до 300 (номинальное 220)

Потребляемая мощность, Вт

для постоянного тока 12


Ресурсы логического контроллера ПЛК-150 приведены в таблице 6.

Таблица 6

Центральный процессор

RISC-процессор на базе ядра ARM-7, 32 разряда, 50 МГц

Объем оперативной памяти

8 МВ

Объем энергонезависимой памяти хранения ядра CoDeSys программ и архивов

4 МВ

Время выполнения цикла ПЛК

Минимальное 250 мкс (нефиксированное), типовое от 1 мс


Информация об аналоговых входах приведена в таблице 7.

Таблица 7

Количество аналоговых входов

4

Типы поддерживаемых унифицированных входных сигналов

Напряжение 0...1 В, 0...10 В, -50...+50 мВ Ток 0...5 мА, 0(4)...20 мА

Типы поддерживаемых датчиков

Термосопротивления: ТСМ50М, ТСП50П, ТСМ100М, ТСП100П,ТСН100Н, ТСМ500М, ТСП500П, ТСН500Н,ТСП1000П, ТСН1000Н Термопары:ТХК (L), ТЖК (J), ТНН (N), ТХА (K), ТПП (S),ТПП (R), ТПР (В), ТВР (А&1), ТВР (А&2)

Разрядность встроенного АЦП

15 бит

Время опроса одного аналогового входа

От 0.4 до 0.8 с

Предел основной приведенной погрешности измерения аналоговыми входами

0,688%

Гальваническая изоляция аналоговых входов

отсутствует


Синхронизация ПЛК с персональным компьютером производится при помощи «COM» порта, который есть на каждом персональном компьютере.

Контроллер ПЛК63 изготавливается в сборном пластмассовом корпусе, предназначенном для крепления на DIN-рейку. Поверхности корпуса обозначены на рисунке 3.1 буквами русского алфавита от А до К. Корпус контроллера имеет ступенчатую трехуровневую форму. На лицевой (передней) плоскости корпуса (поверхность Д) расположены элементы индикации и управления, на задней поверхности корпуса расположены защелки крепления прибора на DIN-рейке. На верхних и нижних ступенчатых поверхностях корпуса рационально (удобно для пользования) размещены разъемные соединения контроллера, через которые осуществляется подключение всех внешних связей.

Разъемные соединения, элементы индикации и управления контроллера ПЛК63

Контроллер имеет восемь аналоговых универсальных входов, осуществляющих:

− опрос значений с первичных преобразователей,

− обработку полученных данных и преобразование их в физические единицы,

− передачу данных в специальную область памяти - область входов, для дальнейшего использования в пользовательской программе.

К аналоговым входам напрямую может подключаться широкий спектр датчиков

− термометры сопротивления

− термоэлектрические преобразователи (термопары)

− активные преобразователи с выходным аналоговым сигналом в виде постоянного напряжения или тока),

− резистивные датчики

Градуировки датчиков расположены в памяти прибора. Пользователю достаточно просто указать тип подключаемого датчика. Выбор подключаемого датчика, настройка опроса датчиков и получение результатов производится с ЖКИ или из среды CoDeSys.

Перед использованием контроллер ПЛК63 необходимо запрограммировать, т.е. создать пользовательскую программу. После создания пользовательская программа может быть сохранена в энергонезависимой памяти контроллера и запускаться на выполнение после включения питания или перезагрузки, - см. раздел «Сохранение программы в памяти контроллера» в РП. Программирование осуществляется с помощью ПО CoDeSys 2.3 (версии 2.3.9.9). Для связи со средой программирования CoDeSys используется интерфейс RS-232 контроллера, - см. раздел «Проект. Установка связи с ПЛК» в РП. На рисунке 4.1 приведен пример подключения контроллера к ПК для программирования через интерфейс RS-232. При этом используется кабель программирования КС1, входящий в комплект поставки. Кабель включается в гнездо (RS-232), расположенное на поверхности А корпуса контроллера. Ответная часть кабеля подключается к СОМ-порту ПК.

 3.1           Обоснование выбора микроконтроллера

Микроконтроллер фирмы «ОВЕН» отечественного производства подходит по всем параметрам для создания на его базе системы контроля. К нему можно подключать как аналоговые, так и цифровые измерительные устройства с унифицированными сигналами. Контроллер легко согласуется с персональным компьютером при помощи «COM» порта, есть возможность удаленного доступа. Возможно согласование ПЛК-63 с программируемыми логическими контроллерами других производителей. Программируется ПЛК-63 при помощи Controller Development System (CoDeSys), на языке программирования высокого уровня.

Все выше сказанное позволяет создать на базе ПЛК-63 современную систему контроля с возможностью последующей модернизации или расширением аппаратной части. Стоит отметит, что затраты на аппаратную часть не значительны в сравнении с покупкой готовых частей зарубежного производства.

 

3.3 Выбор и согласования датчиковой аппаратуры с ПЛК-63


В настоящее время рынок датчиковой аппаратуры огромен. Легко подобрать датчики любого типа, любого производителя и для любого производства. Контроллер распознает унифицированные сигналы как по току (0(4)...20 мА ),так и по напряжению (0...10 В). Это облегчает задачу выбора до минимума.

Оптимально подходит под все выше указанные требования логический преобразователь избыточного давления типа ПД200-ДИВ, который изображен на рисунке 7.

Рисунок 7

ПД200-ДИВ - это современное продолжение серии датчиков давления ПД200 (Преобразователь избыточного-вакууметрического давления), выпускаемых компанией «ОВЕН». Благодаря новой цифровой схеме датчик ПД200-ДИВ обладает повышенной надежностью и помехоустойчивостью. В микропроцессорных датчиках давления реализована современная технология цифровой компенсации для корректировки «нуля» и диапазона измерения.

Преобразователи избыточного давления (тензопреобразователи или датчики давления) применяются на производственных мощностях автомобилестроения, распределительных сетях ЖКХ (вода, тепло), на тепловых пунктах, компрессорных станциях, в пищевой промышленности и др.

ПД200-ДИВ обладает следующими техническими особенностями и преимуществами:

измерение избыточного-вакуумметрического давления нейтральных к оксиду алюминия (Al2O3) сред (воздух, пар, различные жидкости).

преобразование давления в унифицированный сигнал постоянного тока 4...20 мА и HART-протокол.

перегрузочная способность 200% от ВПИ.

класс точности ±0,1 от ВПИ.

степень защиты корпуса корпуса датчика давления - IP65.

помехоустойчивость удовлетворяют требованиям к оборудованию класса А по ГОСТ Р 51522.

Поскольку выходной величиной ПД200-ДИВ является не только унифицированный сигнал, но и HART-протокол, то возможно подключение датчика непосредственно к ПК через HART-модем.протокол (англ. Highway Addressable Remote Transducer Protocol) - цифровой промышленный протокол передачи данных, попытка внедрить информационные технологии на уровень полевых устройств. Модулированный цифровой сигнал, позволяющий получить информацию о состоянии датчика или осуществить его настройку накладывается на токовую несущую аналоговой токовой петли уровня 4-20 мА. Таким образом, питание датчика, снятие его первичных показаний и вторичной информации осуществляется по двум проводам. Приём сигнала о параметре и настройка датчика осуществляется с помощью HART-модема или HART-коммуникатора. К одной паре проводов может быть подключено несколько датчиков. По этим же проводам может передаваться сигнал 4-20 мА. HART протокол построен по принципу "главный - подчиненный", то есть полевое устройство отвечает по запросу системы.

Существует два режима работы датчиков, поддерживающих обмен данными по HART протоколу, но, поскольку я рассматриваю протокол с точки зрения своей системы, будет представлен только один режим, а именно режим передачи цифровой информации одновременно с аналоговым сигналом. Обычно в этом режиме датчик работает в аналоговых АСУ ТП, а обмен по HART-протоколу осуществляется посредством HART коммуникатора или компьютера. При этом можно удаленно (расстояние до 3000 м) осуществлять полную настройку и конфигурирование датчика. Теперь оператору нет необходимости обходить все датчики на предприятии, он может их настроить непосредственно со своего рабочего места.

Схема подключения преобразователя давления ПД200-ДИВ представлена на рисунке ниже.

Рисунок 8 Подключение ПД200-ДИВ к ПК.

Для измерение температуры вокруг спая нам понадобятся термопары с высоким пределом измеряемой величины. С этой задачей отлично справится термоэлектрический преобразователь типа ТПП изготовленный из материалов «платина-родий». Диапазон измерения данного преобразователя от 0 до 1300 градусов, что позволяет изменять высокую температуру в камере.

Рисунок 9

Термопреобразователь предназначен для непрерывного измерения температуры различных рабочих сред (пар, газ, вода, сыпучие материалы, химические реагенты и т.п.), не агрессивных к материалу корпуса датчика.

Термопара представляет собой два разнородных металлических проводника, одним концом соединенных между собой.Соединенные концы проводников называются «холодным» (соединительным) спаем, а свободные концы, подверженные изменению температуры - «рабочим» (измерительным) спаем.

Для преобразования температуры в унифицированный сигнал, нам потребуется нормирующий преобразователь температуры. Фирма ОВЕН выпускает преобразователи НПТ-2, которые позволяют:

подключать отечественные датчиками температуры к контроллерам зарубежных производителей

увеличивать длину линии связи «измерительный прибор \ датчик температуры»

снизить влияние помех на линию связи «прибор \ датчик

Преобразователь предназначен для работы с термопарами и термометрами сопротивления. НПТ-2, применяются во вторичной аппаратуре систем автоматического контроля, регулирования и управления технологическими процессами в различных отраслях промышленности, в том числе подконтрольных Ростехнадзору, а также в коммунальном хозяйстве, диспетчеризации, телемеханических информационно-измерительных комплексах и т. д.

Конструкция НПТ-2 изображена на рисунке 10.

Рисунок 10 - Внешний вид преобразователя

НПТ-2 подключается непосредственно в корпус термопреобразователя, для этого в корпусе НПТ расположены четыре сквозных отверстия диаметром 4,5 мм с запрессованными клеммными втулками. Этими отверстиями преоб-разователь надевается на клеммные винты корпуса коммутационной головки.

Данное конструктивное исполнение изображено на рисунке 11.

Рисунок 11

Для контроля и изменения подачи аргона в область пайки необходим расходомер. Возьмем продукцию фирмы ОВЕН, а именно расходомер РМ1. Конструкция данного прибора изображена на рисунке 12.

Рисунок 12

Прибор РМ1 предназначен для измерения, индикации, регистрации и коррекции текущего и суммарного расходов жидкости, пара или газа в режиме реального времени с учетом температуры и давления в трубопроводе. РМ1 производит определение расхода путем измерения перепада давления на стандартном суживающем устройстве (диафрагме, специальном сопле и др.).

Прибор может выполнять следующие функции.

измерение текущего и суммарного расходов жидкости или газа.

измерение давления и температуры в трубопроводе.

автоматическая коррекция массового расхода в зависимости от

температуры и давления в трубопроводе.

регистрация среднечасового значения расхода, температуры и

давления во внутренней энергонезависимой памяти прибора.

калибровка канала измерения расхода совместно с датчиком.

Основные технические характеристики РМ1 представлены в таблице 8.

Таблица 8

Напряжение питания, В

187…….245

Потребляемая мощность, Вт

Менее 6

Габаритные размеры без элементов крепления, мм

96х96х180

Степень зашиты

IP20


Для оцифровки аналогового сигнала с расходометра РМ1, в персональном компьютере предусмотрена плата серии L-7, являющееся быстродействующим, надежным устройством на базе высокопроизводительной шины PCI 2.1, предназначенной для ввода, вывода и обработки аналоговой и цифровой информации в персональных IBM-совместимых компьютерах.

Плата серии L-7.

Благодаря интерфейсу PCI обеспечивается высокая скорость обмена информацией (данными) с программой пользователя, исключаются конфликты с другими платами, установленными в PC. На платах полностью отсутствуют какие бы то ни было конфигурационные перемычки и переключатели. Все режимы работы таких плат задаются чисто программным образом.

В соответствии с заданием дипломного проекта, расходомер РМ1 будет использоваться только для контроля и изменения расхода в трубопроводе.

Для преобразователя давления ПД200 и расходомера РМ1 требуется источник питания. Для этого используем недорогой двухканальный блок питания БП07-Б. Конструктивное исполнения БП07-Б представлено на рисунке.

Блок питания БП07-Б.

Блок питания БП07-Б предназначен для питания стабилизированным напряжением постоянного тока различных радиоэлектронных устройств. Применяется для построения систем электропитания различной сложности, в том числе распределенных. Блок питания изготавливается в пластмассовом корпусе с креплением на DIN-рейку, так же как и логический контроллер ПЛК-63. Крепление на DIN-рейку позволяет достигать максимальной функциональности при минимальных габаритных размерах. Ниже, на рисунке, приведена схема подключения блока питания в электрическую цепь.

Схема подключения блока питания

Так как длина провода от блока питания до преобразователя давления и расходометра будет составлять менее 1 метра, то дополнительный конденсатор в цепи не потребуется.

Используя все имеющиеся схемы подключения, составим функциональную схему подключения датчиковой аппаратуры к контроллеру ПЛК-63 и персональному компьютеру.

 

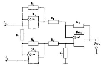
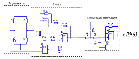
3.4 Разработка функциональной схемы измерительных каналов


Для получения сигнала с датчиков нам понадобятся:

измерительная цепь, для преобразования измеряемого параметра в напряжение;

генератор, для питания измерительной цепи;

усилитель, для усиления слабого напряжения от измерительной цепи;

фильтра низких частот, чтобы сигнал на выходе не содержал гармоник несущей частоты

Поскольку неизвестны чувствительные эллементы датчиков ОВЕН, расчитаем стандартные схемы для АЦП с диапазоном входного сигнала -10 до 0В, усилителя, состоящего из ОУ К153УД1, с коэффициентом усиления 100, и фильтра 2го порядка с частотой среза 90 Гц.

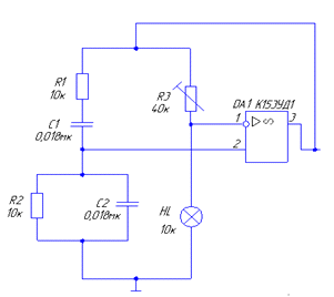
3.5 Расчет генератора с мостом Вина


В качестве источника питания в некоторых измерительных каналах представлен генератор с мостом Вина.


fср = 90 Гц

ПД = -10…0 В

Выбираем R1=R2=R, C1=C2=C

fг ³ 10*fср = 10*90 = 900 Гц

Uг = 10 В ( справочные данные для К153УД1)

fг =   C = 1 / 2πfгR = 1/ 2*3,14*10000*900 = 17 нФ

Выбираем 0,018 мкФ в соответствии со шкалой ГОСТа.

Для запуска генератора необходимо обеспечить условие: k*β >1, а для надёжной работы усилителя в линейном режиме k*β = 1.

β - коэффициент ПОС

k - коэффициент усиления ОУ

Выбираем RHL = 10кОм, тогда R3 = 2,05RHL (в режиме работы) = 20 кОм. Выбираем из шкалы ГОСТа резистор номиналом 22кОм.

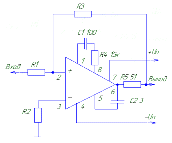
3.6 Расчет усилителя


Выбор и расчета усилителя определяется параметрами источника входных сигналов (датчик, измерительная цепь) и АЦП.

В современной электронике основным "строительным материалом" являются интегральные схемы. Для преобразования аналоговых сигналов, являющихся носителями информации, используются операционные усилители (ОУ). Усовершенствованные дифференциальные усилители, называемые инструментальными, имеют высокие входные сопротивления и обеспечивают установку заданного коэффициента усиления с помощью одного изменяемого сопротивления R1.

В данном измерительном канале для преобразования аналоговых сигналов используется операционный усилитель К153УД1.

Электрические параметры усилителя

Электрические параметры

Единицы

К153УД1

Коэффициент усиления

В/мВ

20000

Напряжение смешения нуля

мВ

5

Входные токи

нА

30

Разность входных токов

нА

600

Частота единичного усиления

МГц

1

Скорость нарастания выходного напряжения

В/мкс

0.06

Коэф. ослабления синфазного сигнала

дБ

65

Максимальный выходной ток

мА

5

Максимальное выходное напряжение

В

10

Напряжение источника питания

В

15

Ток потребления

мА

6


Полный диапазон входного сигнала АЦП: -10 до 0В

ПД=0-(-10)=10Вг= 10В

Типовая схема усилителя представлена на рисунке 16.

Рисунок 16

 

Напряжение на выходе усилителя может быть определено по формуле:

Ubыx = UBхR6/R4((R2+R3)/R1+1),

где: UBх = UB - UA.

Коэффициент усиления:

КU= UВых./UВх. = ПД/(UB - UA),

Uг=10В, тогда

КU= 10/0,1=100

UВых./UВх.= KU =R6/R4((R2+R3)/R1+1)

В соответствии с типичными значениями компоненты усилителя будут:

R2 =R3 = 1,2 кОм,

R1 = 2,4 кОм, тогда

Результаты расчета представлены в таблице 10.

Таблица 10

KU

R1

R2

R3

R4

R5

R6

R7

100

2,4 к

1,2 к

1,2 к

 300

300

15 к

15 к

 

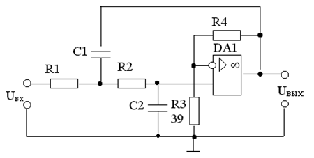
3.7 Расчет фильтра


Для того, чтобы сигнал на выходе сигнал не содержал гармоник несущей частоты, его пропускают через низкочастотный фильтр с границей полосы пропускания равной максимальной частоте исследуемого сигнала. Проникновение высокочастотных помех в аналого-цифровой преобразователь недопустимо, поэтому для лучшей фильтрации необходимо применить активный фильтр.

Название активный фильтр происходит потому, что в них используются активные элементы. В качестве активных элементов используются операционные усилители в интегральном исполнении. Схема простого активного фильтра низких частот второго порядка рассмотрена на рисунке 19.

Этот фильтр называется фильтром второго порядка, так как описывается характеристическим уравнением второго порядка. Его передаточная функция имеет следующий вид:



Операционный усилитель DA1 работает в линейном режиме. При расчете исходно задаются частота среза fср = ωср/2π и коэффициент усиления К0 в полосе пропускания, который не должен превышать 3.

fср = 90 Гц, К0 = 2.

Чтобы определить значения R1, R2, R3, R4, C1, C2 примем

R1 = R2 = R, C1 = C2 = C.

При этом fср = 1/(2πСR).

Емкость С определяем по формуле:

С = 10/ fср = 10/90 = 0,1 мкФ.

R = 1/(2π fср С) = 1/(2π·90·0,1·10-6) = 17692Ом

Округляем до табличного значения R = R1 =R2 =18 кОм.

Для определения значений R3 и R4 запишем формулу для определения коэффициента усиления в полосе пропускания

К0 = 1 + R3/R4 = 2, откуда получим R3/R4 = 2 - 1 = 1

Из нормированного ряда выбираем R3 = R4 = 22 кОм.

Fгр = 5 Гц (в 10 раз меньше несущей частоты - 50 Гц)

T = 1/fгр = 1/5 = 0,2 с

В соответствии с заданием на дипломный проект, получим каналы для измерения температуры, давления и расхода.

Измерительный канал расхода

Измерительный канал давления

Измерительный канал температуры

3.8 Вывод по разделу


В данной главе, в соответствии с заданием на дипломный проект были разработаны: структурная схема системы контроля и функциональная схема подключения датчиковой аппаратуры. Был произведен подбор современных датчиков, а также подключения их к микроконтроллеру ПЛК-63.

4. Программная часть

 

4.1 Разработка алгоритма функционирования системы в среде CoDeSys


Разработаем блок-схему алгоритма функционирования нашей системы. Опишем составляющие блок-схемы:

«Начало работы» - анализ исходных данных.

«Комбинирование модулей» - составление конфигурации контроллера с помощью программы CoDeSys во вкладке PLC Configuration и описание переменных, используемых в программе.

«Запрос состояния системы» - определение ошибок в программе.

«Проверка состояния датчиковой аппаратуры» - проверка датчиков.

«Сбор данных с датчиков» - сбор информации с датчиковой аппаратуры.

«Запуск программы» - запуск управляющей программы в среде CoDeSys.

«Контроль параметров системы» - контроль оператором во время работы системы.

«Окончание работы программы» - завершение работы программы в среде CoDeSys.

«Диагностика системы» - проверка на наличие ошибок, возникших во время работы программы.

«Окончание работы» - завершение работы системы.

Ниже представлены составляющие блок-схемы, в случае неисправной работы датчиковой аппаратуры:

«Определение нерабочего датчика» - определение вышедшего из строя датчика.

«Запрос о замене/ремонте датчика» - запрос в техническую поддержку о замене/ремонте вышедшего из строя датчика.

«Ожидание замены/ремонта датчика» - ожидание починки или замены испорченного датчика.

«Настройка датчика» - переподключение и настройка вышедшего из строя датчика.

Используя вышепредставленные данные, составим блок-схему алгоритма функционирования системы в среде CoDeSys.

Блок-схема алгоритма функционирования системы

 

4.2 Разработка интерфейса пользователя


Интерфейс пользователя в данной программе будет служить «монитором» рабочих параметров, то есть показателей датчиков. В качестве датчиковой аппаратуры используются: 5 термопар, для контроля температуры, 1 датчик давления для контроля давления в камере, 1 расходомер, расположенный у баллона с аргоном, для контроля расхода.

Для отображения этих параметров, нам понадобится интерфейс, который изображен на рисунке ниже.

Интерфейс пользователя

 

4.3 Разработка фрагмента программы в среде CoDeSys


Для программирования Микропроцессорной Системы Технических Средств (МСТС), используется программа CoDeSys v2.3.6.1.- это современный инструмент для программирования контроллеров (CoDeSys образуется от слов Controllers Development System).предоставляет программисту удобную среду для программирования контроллеров на языках стандарта МЭК 61131-3. Используемые редакторы и отладочные средства базируются на широко известных и хорошо себя зарекомендовавших принципах, знакомых по другим популярным средам профессионального программирования (такие, как Visual C++).

Проект программы включает следующие объекты: POU, типы данных, визуализации, ресурсы, библиотеки. Каждый проект сохраняется в отдельном файле.

К программным компонентам (POU) относятся функциональные блоки, функции и программы. Отдельные POU могут включать действия (подпрограммы). Каждый программный компонент состоит из раздела объявлений и кода. Для написания всего кода POU используется только один из МЭК языков программирования (IL, ST, FBD, SFC, LD или CFC).поддерживает все описанные стандартом МЭК компоненты. Для их использования достаточно включить в свой проект библиотеку standard.lib.могут вызывать другие POU, но рекурсии недопустимы.

Функция - это POU, который возвращает только единственное значение (которое может состоять из нескольких элементов, если это битовое поле или структура). В текстовых языках функция вызывается как оператор и может входить в выражения.

При объявлении функции необходимо указать тип возвращаемого значения.

Объявленная нами функция выглядит следующим образом:Fct: INT;

Имя функции используется как выходная переменная, которой присваивается результат вычислений.

Объявление функции должно начинаться с ключевого слова FUNCTION и заканчиваться ключевым словом END_FUNCTION

Фрагмент ввода функции

Функциональный блок - это POU, который принимает и возвращает произвольное число значений. В отличие от функции функциональный блок не формирует возвращаемое значение. Объявление функционального блока начинается с ключевого слова FUNCTION_BLOCK и заканчивается ключевым словом END_FUNCTION_BLOCK.

Фрагмент функционального блока

Программа PLC_PRG - это специальный POU, который должен быть в каждом проекте. Эта программа вызывается один раз за цикл управления. Если определить последовательность выполнения задач в Конфигураторе задач (Task Configuration), то проект может не содержать PLC_PRG.

Программы или функциональные блоки могут быть дополнены действиями. Фактически действия - это дополнительный набор встроенных в POU подпрограмм. Действия могут описываться на языке, отличном от того, на котором выполняется соответствующий функциональный блок или программа. Действие оперирует с теми же данными, что и функциональный блок или программа, к которой оно принадлежит.

Фрагмент действия

В случае программирования ПЛК-63 используется язык релейных диаграмм (LD). Более удобный и простой в использовании графический язык программирования.

Язык релейных или релейно-контактных схем (РКС) - графический язык, реализующий структуры электрических цепей.

Лучше всего LD подходит для построения логических переключателей, но достаточно легко можно создавать и сложные цепи. Кроме того, LD достаточно удобен для управления другими компонентами POU.

Диаграмма LD состоит из ряда цепей.

Слева любая цепь начинается набором контактов, которые посылают слева направо состояние "ON" или "OFF", соответствующие логическим значениям ИСТИНА или ЛОЖЬ. Каждому контакту соответствует логическая переменная. Если переменная имеет значение ИСТИНА, то состояние передается через контакт. Иначе правое соединение получает значение выключено ("OFF").

Фрагмент графического кода программы

Контакты обозначаются двумя параллельными линиями и могут иметь состояния "ON" или "OFF". Эти состояния соответствуют значениям ИСТИНА или ЛОЖЬ. Каждому контакту соответствует логическая переменная. Если значение переменной ИСТИНА, то контакт замкнут. Контакты могут быть соединены параллельно, тогда соединение передает состояние "ON", когда хотя бы одна из ветвей передает "ON". Если контакты соединены последовательно, то для того, чтобы соединение передало "ON", необходимо, чтобы оба контакта передавали "ON".

В правой части схемы может находиться любое количество обмоток (реле), которые обозначаются круглыми скобками (). Они могут соединяться только параллельно. Обмотка передает значение соединения слева направо и копирует его в соответствующую логическую переменную. В целом цепь может быть либо замкнутой (ON), либо разомкнутой (OFF). Это как раз и отражается на обмотке и соответственно на логической переменной обмотки (ИСТИНА/ЛОЖЬ). Проанализировав исходные данные по программированию контроллера, напишем простейшую программу управления двумя клапанами, семью каналами входа.

Программирование контроллера начинается с создания нового проекта.

Для реализации программы нужно выполнить следующие действия:

. Собрать контроллер ПЛК-63.

. Подключить контроллер к компьютеру нуль-модемным кабелем.

. Включить контроллер. На лицевой панели модуля ЦП должны гореть индикаторы ПРЦ и СВУ.

. Включить компьютер и запустить CoDeSys.

. Начать новый проект (File, New). Выбрать соответствующие настройки задачи и определить параметры генератора кода. Флажок No address checking должен быть установлен.

. Далее в диалоговом окне New POU выбрать для первого программного блока язык LD.

Создание нового проекта

Теперь настроим ресурсы нашего проекта. Перейдите на вкладку ресурсы (Resources) менеджера проекта и выберете папку глобальные переменные (Global Variables). И опишем выходы нашего контроллера:

Описание выходов.

Теперь можно выполнить проверку всех выполненных настроек проекта, правильность сборки и подключения контроллера. Откомпилируем проект (Project, Rebuild all). Ошибок компиляции нет.

. Проверим правильность настроек коммуникационных параметров и выполним соединение (Online Login

. Отключим соединение (Online Logout).

Вся предварительная работа и проверка окончена, приступаем непосредственно к программированию алгоритма управления. Программа для управления клапанами камеры написана на языке IL(язык релейно-контактных схем). Она представляет собой ряд схем, состоящих из контактов и обмоток реле. Каждая схема устанавливает значение реле в зависимости от состояния контактов - входов.

. Перейдем в режим графического редактора и введем программу как показано на рисунке ниже.

Определение типа переменных

Фрагмент переменных:

PROGRAM PLC_PRG

VAR SWon1: BOOL;

SWon2: BOOL;

SWon3: BOOL;

SWon4: BOOL;

SWon5: BOOL;

END_VAR

SW1: BOOL;

SW2: BOOL;

SW3: BOOL;

SW4: BOOL;

SW5: BOOL;

END_VAR

VAR_OUTPUT

EXIT1: BOOL;

EXIT2: BOOL;

EXIT3: BOOL;

EXIT4: BOOL;

EXIT5: BOOL;_VAR

Графически программа выглядит так:

Графический фрагмент программы

Схемы предназначены для контроля пяти термопар, где SW- ключи замыкания.

Таймер срабатывает на замыкание ключа через 0,06 сек, после отправки выходного сигнала из модуля.

SW ON - срабатывает на включение, через время заданное в таймере.

Exit - завершение программы.

 

4.4 Вывод по разделу


Проанализировав основные возможности среды программирования, мной была разработана блок-схема алгоритма функционирования системы в среде CoDeSys. Разработанный фрагмент программы, наиболее просто отображает основной алгоритм функционирования системы.

5. Экономическая часть

 
5.1 Расчет затрат на создание системы контроля

Смета затрат на разработку системы контроля включает в себя следующие статьи расходов:

затраты на основное оборудование;

затраты на дополнительное оборудование;

стоимость машинного времени;

Затраты на материалы См составляют:

С1 - стоимость Микроконтроллера ПЛК-63;

С3 - стоимость датчиковой аппаратуры;

С4 - стоимость затрат на дополнительные устройства, такие как вакуумный насос и баллон с аргоном;

С5 - стоимость проводов;

С6 - стоимость ПК;

С7 - прочие расходы (детали крепления),

См = С1 + С2 + С3 + С4 + С5+ С6 + С7

С1 =9194 руб.

С2 = 1816 руб.

С3 =5*1200+7832+1239+19470=34541 руб.

С4 =20000+5000=25000 руб.

С5 = 450 руб.

С6 =2500+3400+300+355+14141=20696 руб.

С7 = 230 руб.

См =9194+1816+34541+25000+450+20696+230=91927 руб

Стоимость машинного времени определяется по формуле:

Смв = Тмаш * Цмч,

где Тмаш - время использования технических средств, ч;

Цмч - стоимость машино-часа, которая включает амортизацию технических средств, затраты на техническое обслуживание и ремонт, стоимость электроэнергии, руб-ч. Время использования технических средств равно трудоемкости работы исполнителей и составляет 416 ч.

Стоимость машино-часа Цмч составляет 15 руб.

Смв = 416 * 15 = 6240 руб.

Смета затрат на разработку автоматизированной системы предприятия представлена в таблице 11.

Таблица 11 Затраты на разработку

Статья расходов

Сумма, руб.

Процент к итогу

Затраты на материалы

91927

93.6

Стоимость машинного времени

6240

6.4

Всего

98167

100


Таким образом, затраты, связанные с разработкой системы контроля, составляют 98 167рублей. Для оценки экономической эффективности рассчитаем стоимость системы с теми же параметрами и функциональными возможностями, но зарубежного производства.  Стоимость аналогичной системы с теми же функциональными возможностями фирмы SIEMENS стоит 308500 руб. без учета доставки и установки, а также технического обслуживания. Составим таблицу 12:

Таблица 12 Стоимость готовой системы

Статья расходов

Сумма, руб.

Процент к итогу

Стоимость готовой системы

308500

96.6

Доставка

4500

1.4

Сборка и установка

6300

2

Всего

319300

100


Построим диаграммы сравнения экономической эффективности:



 
5.3 Вывод по разделу

Учитывая анализ расчета и отображенные на диаграммах результаты, приходим к выводу, что при небольших затратах на разработку, мы получаем эффективную систему контроля, причем эта система ничем не уступает по своим функциональным возможностям зарубежным аналогам. Разработка системы экономически выгоднее, чем покупка уже готовой

6. Безопасность жизнедеятельности и охрана окружающей среды

 
6.1 Безопасность жизнедеятельности
 
6.1.1 Анализ опасных и вредных факторов, действующих на оператора

Опасные и вредные производственные факторы по природе возникновения разделяют на следующие категории:

физические;

химические;

психофизиологические;

биологические.

В помещении на оператора могут негативно действовать следующие физические факторы:

повышенная и пониженная температура воздуха;

чрезмерная запыленность и загазованность воздуха;

повышенная и пониженная влажность воздуха;

недостаточная освещенность рабочего места;

превышающий допустимые нормы шум;

повышенный уровень ионизирующего излучения;

повышенный уровень электромагнитных полей;

повышенный уровень статического электричества;

опасность поражения электрическим током;

блеклость экрана дисплея.

6.1.2 Условия освещения

Рассмотрим более подробно один из факторов, а именно недостаточную освещенность рабочего места оператора. Для этого проведем расчет освещенности и оценим соответствие полученных данных требуемым нормам. В связи с тем, что естественное освещение в помещении не достаточное, на рабочем месте должно применяться искусственное освещение. Далее произведем расчет искусственного освещения.

Исходные данные:

Размеры помещения. длина помещения 9 мширина помещения 5 м= 3,5 м. - высота помещения= 0,5 м. - расстояние светильников от перекрытияп = h - hс = 3,5 - 0,2 = 3,3 м. - высота светильников над полом= высота расчетной поверхности = 0,7 м (для помещений, связанных с работой ПЭВМ)= hп - hр = 2,5 - 0,7 = 1.8 - расчетная высота.

Светильник ЛВО 11-4х18-401 классификация по ГОСТ 17677-82.

Прямой трубчатый люминесцентный светильник с номером серии 11, с количеством ламп в светильнике 4, и мощностью лампы 18 вт, 401-й модификации.

Конструкция светильника

Технические характеристики светильника.

Наименование светильника

P,вт

L

b

h

ЛВО 11-4х18-401

72

595

595

100


Конструкция светильника: тип крепления светильника - встраиваемый в ячейки размерами 600x600 мм, корпус светильника изготовлен из листовой стали и окрашен полимерным составом, рассеиватель - алюминиевый отражатель с экранирующей решеткой.

Технические данные:

использование ЭПРА.

источник света - люминесцентные лампы Т8.

степень IP20.

класс защиты I,II.

климатическое исполнение УХЛ4.

тип кривой силы света ”Г”.

защитный угол - условный > 30°.

КПД 70%.

На данный момент в светильниках 4 люминесцентные лампы Т8 мощностью 18 ВТ, номинальный размер ламы 600х25, цоколь G13, схема со стартером, и номинальным световым потоком 1020 лм по ГОСТ 6825-91 «Лампы люминесцентные трубчатые для общего освещения»

Похожие работы на - Разработка автоматизированной системы контроля процессов пайки топливных коллекторов

 

Не нашли материал для своей работы?
Поможем написать уникальную работу
Без плагиата!
Без нейросетей!