Разработка проекта производства энергии и тепла с очисткой дымовых газов и утилизацией отходов

  • Вид работы:
    Курсовая работа (т)
  • Предмет:
    Другое
  • Язык:
    Русский
    ,
    Формат файла:
    MS Word
    545,57 Кб
  • Опубликовано:
    2014-04-06
Вы можете узнать стоимость помощи в написании студенческой работы.
Помощь в написании работы, которую точно примут!

Разработка проекта производства энергии и тепла с очисткой дымовых газов и утилизацией отходов

Введение

Производство электроэнергии является одним из главных показателей экономического уровня страны и отражает общее состояние производственных сил. Развитие энергетики характеризуется высокими темпами и опережает рост других отраслей промышленности.

Среди проблем защиты окружающей среды наиболее актуальной проблемой является охрана воздушного бассейна, так как загрязненный воздух является основным фактором, обусловливающим экологическую обстановку. Охрана воздушной среды от загрязнений промышленными выбросами является важнейшей социальной и общественной задачей, входящей в комплекс задач глобальной проблемы охраны природы и улучшения использования природных ресурсов.

Ежегодно в мире в атмосферный воздух поступает более 200 млн т оксида углерода, до 150 млн т диоксида серы (сернистого газа), свыше 50 млн т оксида азота, более 50 млн т различных углеводородов, более 250 млн т мелкодисперсных аэрозолей и т. д. Известно, что загрязнение воздуха промышленными выбросами наносит значительный материальный ущерб народному хозяйству и приводит к увеличению заболеваемости населения.

Целью данного курсового проекта является разработка проекта производства энергии и тепла с очисткой дымовых газов и утилизацией отходов.

Задачами курсового проекта являются разработка системы очистки дымовых газов, расчет материального и теплового баланса котлоагрегата, выбор и расчет основного оборудования. И на основе всего этого - разработка общей технологической схемы.

1. Краткое описание теории горения топлива

Горение - это сложный физико-химический процесс взаимодействия топлива с окислителем, сопровождающийся интенсивным выделением теплоты и быстрым подъемом температуры.

Процесс горения характеризуется быстрым протеканием реакций окисления горючих элементов топлива кислородом воздуха, при котором имеет место значительное тепловыделение и создается высокий уровень температуры. Реакции с выделением теплоты называются экзотермическими. Преимущественное тепловыделение при горении топлив определяется содержанием в топливе углерода. Горение углерода в основном характеризуется протеканием трех химических реакций:

- полное окисление углерода кислородом с образованием диоксида углерода

С + О2 = СО2 + 409,1 МДж/моль, (1.1)

частичное окисление с выходом монооксида углерода

С + О2 = 2СО + 2*123,3 МДж/моль, (1.2)

доокисление монооксида до диоксида в объеме около поверхности горения

СО + О2 = 2СО2 + 2 • 285,8 МДж/моль. (1.3)

Реакции по уравнениям (1.1) и (1.2) являются гетерогенными, так как в реакции участвуют горючее и окислитель, находящиеся в разном фазовом состоянии (твердое горючее и газообразный окислитель - кислород). Реакция по уравнению (1.3) относится к гомогенной, так как здесь оба вещества, вступающие в реакцию, являются газообразными (возможны гомогенные реакции веществ в жидком состоянии).

В условиях высоких температур в ядре факела могут протекать реакции с поглощением тепла. Они являются эндотермическими. К ним, например, относятся реакция образования оксидов азота:

N2 + О2 = 2NO - 180 кДж/моль (1.4)

или восстановление диоксида углерода на раскаленной поверхности углерода при недостатке кислорода:

С + СО2 = 2СО - 162,5 кДж/моль. (1.5)

Реакция является химически обратимой, если она может идти как в прямом, так и в обратном направлении, однако внешне условия для протекания реакции в том или другом направлении могут существенно отличаться. Так, реакция образования окислов азота имеет место только в зоне весьма высоких температур, а обратная реакция их разложения на газообразные кислород и азот протекает в земной атмосфере под действием солнечной радиации. При горении топлива в топочных камерах скорость прямого процесса окисления горючих кислородом несоизмеримо больше скорости обратного, поэтому химическое равновесие этих реакций смещено в сторону образования конечных продуктов, и в указанных условиях эти реакции можно считать необратимыми.

Однако всегда по мере роста концентрации продуктов реакции и температуры в зоне горения находится в равновесии с конечными продуктами какое-то количество исходных веществ.

Этот процесс связан с термической диссоциацией части образовавшихся продуктов сгорания. В топочных камерах при температуре горения выше 1600°С подвергаются термической диссоциации в заметном количестве диоксид углерода СО2 и водяные пары Н2О:

СO2 ↔ 2CO + O2 (1.6)

H2O ↔ 2H2 + O2. (1.7)

Таким образом, в зоне высоких температур горения всегда останется небольшое количество СО, Н2 и О2, догорание которых возможно при более низких температурах.

2. Подготовка твердого топлива для камерного сжигания

Дробление. На электростанцию топливо поступает в виде кусков различных размеров: от долей миллиметра до 150-200 мм и более. В процессе подготовки топливо измельчают и подсушивают. Превращение твердого кускового топлива в порошок осуществляют в два этапа: первый этап - дробление до размеров 15-25 мм; второй этап - размол до пылевидного состояния с одновременной подсушкой. Схема наиболее распространенной одноступенчатой дробильной установки показана на рис. 6.1. В дробильную установку кусковое топливо подается ленточным конвейером. До поступления в дробилку из потока топлива удаляют металлические предметы, повышающие износ и вызывающие поломку оборудования, а также древесную щепу.

Металлические предметы, несущиеся на поверхности потока топлива, улавливаются подвесными электромагнитными сепараторами 4, а находящиеся в глубине потока - барабанными электромагнитными сепараторами 5. Щепоуловитель 8 представляет собой вращающийся гребенчатый барабан, который прочесывает поток топлива.

Прошедшее между гребнями дробленое топливо проваливается в бункер 9, а щепа сбрасывается в отдельный бункер.

Рис. 1 Схема дробильной установки: 1 - ленточный конвейер; 2 - грохот; 3 - дробилка; 4 - подвесной электромагнитный сепаратор; 5 - барабанный электромагнитные сепаратор: 6 - отвод металлических предметов; 7 - конвейер; 8 - щепоуловитель; 9 - бункер дробле          ного угля; 10 -отвод щепы

В топливе содержится много мелочи, не требующей дробления. Чтобы не перегружать дробилку и более эффективно ее использовать, мелкие кусочки топлива отсеивают на грохотах 2 и затем смешивают их с дробленым топливом, прошедшим через дробилку 3. Грохоты различают неподвижные и подвижные (качающиеся). Неподвижные грохоты выполняют в виде наклонных колосников (угол наклона около 40°). Качающиеся грохоты представляют собой опирающуюся на пружинные опоры наклонную решетку (сито), которую приводят в колебательное движение от специального механизма. Непрошедшие через грохот крупные куски топлива поступают в дробилку.

Размер кусочков топлива после дробления оказывает существенное влияние на работу системы пылеприготовления в отношении ее производительности, эффективности сушки, износа мелющих элементов и расхода электроэнергии на пылеприготовление. С увеличением размеров кусочков топлива эти показатели снижаются.

На выбор конечного размера кусочков топлива после дробления сильное влияние оказывает влажность, так как с ее увеличением наблюдаются потеря сыпучести топлива и замазывание рабочих органов дробильного и пылеприготовительного оборудования. Максимальный размер кусочков после дробления для влажного топлива принимают равным 20-25 мм, для сухого - около 15 мм.

Дробленое топливо превращают в пылевидное состояние в мельницах, в которых получают полидисперсный порошок, т. е. смесь частиц различных размеров - от 0,1 до 300-500 мкм, а при грубом размоле бурых углей - до 1000 мкм. Полидисперсный характер пыли является следствием того, что размольные устройства не могут выдавать монодисперсную пыль, состоящую из частиц одного, наперед заданного размера, определяемого требованиями наиболее эффективного сжигания топлива.

3. Создание технологической схемы и ее описание

На основании цели и задачи курсового проекта и материалов производственной практики мною была разработана технологическая схема производства энергии и тепла и очистки дымовых газов. Рассмотрим её.

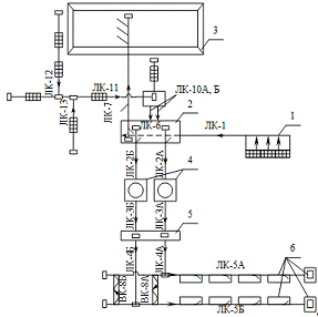
На станции не применяется торф, она сразу была спроектирована на использование более калорийного твердого топлива - каменного угля. Схема основных потоков угля дана на рисунке 2. Разгрузочное устройство 1 предназначено для приемки железнодорожных вагонов и их выгрузки в три приемных бункера стационарным роторным вагоноопрокидывателем ВРС-134, производительность которого составляет до 25 вагонов в час (1250 т/ч угля). Из разгрузочного устройства топливо может подаваться конвейерами через узел пересыпки 2 либо на склад угля 3, либо в дробильное отделение 4 и далее через отделение сепарации 5 в бункера 6 сырого угля (БСУ) котлов.

Для подачи угля на склад из разгрузочного устройства имеется одна линия, состоящая из трех последовательно расположенных ленточных конвейеров ЛК-1, ЛК-6 и ЛК-7. При подаче угля со склада к узлу пересыпки используются конвейеры ЛК-12, ЛК-11, а также ЛК-10А, Б. С узла пересыпки и до БСУ топливо может подаваться по двум параллельным линиям (А и Б) конвейеров 3 - 5 через дробильное и сепарационное отделения. Конвейер ЛК-13 с питателем и часть конвейера ЛК-11 служат для подачи топлива при выгрузке неисправных вагонов, которые не могут быть разгружены вагоноопрокидывателем. Технические характеристики конвейеров, используемых на станции.

Для улавливания металла и длинномерных включений в головной части конвейера ЛК-1 установлены сепараторы: магнитный марки ЭПР-160 и роликовый. Магнитные сепараторы марки ЭПР-120 установлены также над конвейерами ЛК-2 и ЛК-3. Кроме того, последняя группа конвейеров оснащена шкивными магнитными сепараторами Ш100-80УЗ. В совокупности они образуют отделение сепарации 5. Цель установки сепараторов - защита дробилок и мельниц котлов от попадания металла.

Рис. 2- Схема основных потоков угля в системе топливоподачи

1 - разгрузочное устройство с вагоноопрокидывателем; 2 - узел пересыпки; 3 - склад угля; 4 - дробильное отделение; 5 - отделение сепарации; 6 - бункера сырого угля;  - бункера питателей;  - плужковые сбрасыватели.

4. Материальный баланс котлоагрегата

Для расчета материального баланса котлоагрегата выбираем каменный уголь Донецкого бассейна, характеристики которого указаны в таблице 1.

Исходные данные к расчету.

Низшая теплота сгорания топлива QнР = 19500кДж/кг (рассчитана ниже).

Таблица 1 - Характеристики каменного угля Донецкого бассейна (марка Д).

Показатель

Значение, %

Влажность, Wр

13,0

Сера, Sр

3,0

Азот, Nр

1,0

Водород, Нр

3,6

Углерод, Ср

49,3

Кислород, Ор

8,3

Зольность, Ар

21,8

Выход летучих компонентов, Vр

43,0


Расчет горения топлива производим, зная элементарный состав топлива.

Теоретическое количество воздуха, необходимого для полного сгорания топлива, определяем по формуле:

, (4.1)

где  - содержание горючих компонентов в топливе на рабочую массу, %.

 м3/кг.

Действительный расход воздуха:

, (4.2)

где α - коэффициент избытка воздуха, равный 1,2.

 м3/кг.

Избыточный объем воздуха:

 м3/кг. (4.3)

Теоретический объем продуктов сгорания угля определяем по формуле:

 (4.4)

где - объем трехатомных газов, м33;

 - объем азота, м33;

 - объем водяных паров, м33.


Состав и объем продуктов сгорания. В случае полного сгорания дымовые газы состоят из диоксида углерода, диоксида серы, водяного пара, образующегося при испарении влаги топлива и сгорания водорода, азота, подводимого в топку с воздухом, и кислорода, не использованного при горении.

Таким образом, объем продуктов сгорания определяется по формуле

. (4.5)

Объем сухих дымовых газов определяется по формуле:

. (4.6)

Объемное количество неиспользованного кислорода:

. (4.7)

Объем продуктов полного сгорания топлива с теоретически необходимым количеством воздуха (α=1) рассчитываем по следующим формулам.

Теоретический объем трехатомных газов:

, (4.8)

 м3/кг.

, (4.9)

 м3/кг.

Теоретический объем азота:

, (4.10)

 м3/кг.

Теоретический объем водяных паров

, (4.11)

где  - объем водяных паров, м3/кг;

 - содержание водорода в топливе на рабочую массу, м3/кг;

 - содержание влаги в топливе на рабочую массу, % ;

 - объем теоретического воздуха необходимого для сжигания 1 кг твердого топлива, м3/кг.

 м3/кг.

Объем паров при α больше 1, м3/кг

, (4.12)

 м3/кг.

Таким образом, объем продуктов сгорания дымовых газов при α>1

 м3/кг.

 м3/кг. (4.13)

Масса продуктов сгорания. Теоретически количество воздуха, необходимого для полного сгорания твердого топлива определяется по формуле

, (4.14)

где 0,231 - массовая доля кислорода в воздухе,

 кг/кг.

Действительный (массовый) расход воздуха определяется по формуле

 кг/кг. (4.15)

Масса продуктов сгорания

, (4.16)

 кг/кг.

, (4.17)

 кг/кг.

, (4.18)

 кг/кг.

, (4.19)

 кг/кг.

, (4.20)

 кг/кг.

, (4.21)

 кг/кг.

Масса золы в продуктах сгорания

, (4.22)

где μ - концентрация золы в продуктах сгорания;

VГ - объем продуктов сгорания дымовых газов.

, (4.23)

где αун - доля золы топлива уносимая газами,

АР - доля золы в рабочей массе топлива.

Примем αун = 0,8 (для открытых топок с жидким шлакоудалением).

 г/м3.

 кг/кг.

Содержание оксида азота в продуктах сгорания принимаем по номограмме равной 0,9 г/м3.

Тогда масса NO будет равна

, (4.24)

 кг/кг.

Расход топлива определяется по формуле

, (4.25)

где D - паропроизводительность котла, кг/с;

iп. п. , iп. в. - энтальпия перегретого пара и питательной воды, кДж/кг;

π - доля непрерывной продувки, %;

r - энтальпия парообразования питательной воды, кДж/кг;

 - коэффициент полезного действия котельного агрегата, %;

 - низшая теплота сгорания топлива, кДж/кг.

Температура перегретого пара и питательной воды 545 и 230 оC соответственно. Давления перегретого пара 180 атм и давление питательной воды 140 атм. По таблицам находим значения энтальпий для данных условий:

iп. п. = 3444 кДж/кг,

iп. в. = 995 кДж/кг,

r = 1009 кДж/кг.

Низшая теплота сгорания топлива определяется по формуле:

, (4.26)

 кДж/кг.

Отсюда

.

Зная расход топлива можно сосчитать соответствующие расходы продуктов сгорания, исходя из следующего уравнения

, (4.27)

 кг/ч,

 кг/ч,

 кг/ч,

 кг/ч,

 кг/ч,

 кг/ч,

 кг/ч,

 кг/ч,

 кг/ч.

Количество шлака, образуемого при сгорании, вычисляется по уравнению

, (4.28)

кг/кг.

Представляем материальный баланс системы сгорания топлива в виде таблицы и диаграммы.

Таблица 2 - Материальный баланс системы сгорания топлива

Приход

Расход

Статья баланса

кг/ч

%

Статья баланса

кг/ч

%

1

2

3

4

5

6

воздух  топливо 

2415000  300000 

88,95  11,05 

азот диоксид углерода водяные пары диоксид серы оксид азота кислород, неиспользованный при горении зола шлак

1522800 536160 175200 17550 1800 93000 52200 316290

56,09 19,74 6,45 0,65 0,07 3,43 1,92 11,65

Итого

2715000

100


2715000

100


Таблица 3 - Статьи расхода

Номер статьи

Статья баланса

Размерность



кг/ч

%масс.

1

Азот

1522800

56,09

2

Диоксид углерода

536160

19,74

3

Шлак

316290

11,65

4

Водные пары

175200

6,45

5

Кислород

93000

3,43

6

Зола

52200

1,92

7

Диоксид серы

17550

0,65

8

Оксид азота

1800

0,06


5. Тепловой баланс котлоагрегата

Ниже приведен баланс котлоагрегата для твердого топлива (на 1 кг).

Приход

, (5.1)

где  - количество располагаемой теплоты, кДж/кг;

 - низшая теплота сгорания, кДж/кг;

 - физическая теплота твердого топлива, кДж/кг.

Физическая теплота твердого топлива:

, (5.2)

где Ср - теплоемкость топлива, кДж/кг;

Т - температура топлива после сушки, принимают 85 °С.   

Теплоемкость топлива определяется по формуле:

, (5.3)

где  - теплоемкость сухого топлива, принимают 1,3 кДж/кг,

 кДж/кг*К,

 кДж/кг.

Низшая теплота сгорания  кДж/кг (см. расчет материального баланса).

Количество располагаемой теплоты

кДж/кг.

Расход

, (5.4)

где Q1 - использованная теплота в котлоагрегате, кДж/кг;

Q2, Q3, Q4, Q5, Q6 - потеря теплоты с уходящими газами, от химической и механической неполноты сгорания топлива, от наружного охлаждения и с физической теплотой шлака, кДж/кг.

В процентах подведенной к котлоагрегату теплоты тепловой баланс имеет вид

, (5.5)

Использованная теплота в котлоагрегате Q1 вычисляется по формуле

, (5.6)

где h - к.п.д. котла, вычисляется по формуле

. (5.7)

Таблица 4 - Тепловые потери

 Потери

%

 q2

5,5

 q3

0,5

 q4

1,5

 q5

0.4

 q6

0,1

 Всего

8


.

 кДж/кг.

Потери теплоты рассчитаем по формуле

, (5.8)

где  - относительные потери, %.

Потери теплоты с уходящими газами равны

 кДж/кг.

Потери теплоты от химической неполноты сгорания топлива равны

 кДж/кг.

Потери теплоты от механической неполноты сгорания топлива равны

 кДж/кг.

Потери теплоты от наружного охлаждения равны  кДж/кг. Потери теплоты с физической теплотой шлака равны  кДж/кг. Представим тепловой баланс котлоагрегата в виде таблицы.

Таблица 5 - Тепловой баланс котлоагрегата

Приход, кДж/кг

Расход, кДж/кг

Низшая теплота сгорания, 19500Использованная теплота в котлоагрегате Q118071




Физическая теплота твердого топлива, Qт

142,4

Потери теплоты с уходящими газами Q2

1080,3



Потери теплоты от химической неполноты сгорания топлива Q3

98,2



Потери теплоты от механической неполноты сгорания топлива Q4

294,7



Потери теплоты от наружного охлаждения Q5

78,6



Потери теплоты с физической теплотой шлака Q6

19,6

Всего

19642,4

Всего

19642,4


Таблица 6 - Статьи прихода

Номер статьи

Статья баланса

Размерность



кДж/кг

%

1

Физическая теплота твердого топлива

142,4

0,72

2

Низшая теплота сгорания

19500

99,28


Таблица 7 - Статьи расхода

Номер статьи

Статья баланса

Размерность



кДж/кг

%

1

Q6

19,6

0,1

2

Q5

78,6

0,4

3

Q3

98,2

0,5

Q4

294,7

1,5

5

Q2

1080,3

5,5

6

Q1

18071

92

6. Продукты сгорания твердого топлива

Атмосферный воздух является жизненно важным компонентом окружающей природной среды, представляющим собой естественную смесь газов атмосферы, находящуюся за пределами жилых, производственных и иных помещений.

Органические топлива, используемые на ТЭС и в котельных для получения электрической и тепловой энергии, наряду с углеродом и водородом часто имеют в своем составе серу и азот. При сжигании топлива на ТЭС образуются продукты сгорания, содержащие летучую золу, частицы недогоревшего пылевидного топлива, сернистый и серный ангидрид, оксиды азота и газообразные продукты неполного сгорания, а при сжигании мазута, кроме того соединения ванадия, соли натрия, коксик и частицы сажи. В золе некоторых топлив имеются мышьяк, свободный диоксид кремния, свободный оксид кальция и др.

Проектирование и сооружение электростанций ведут с соблюдением требований по предельно допустимым концентрациям основных выбросов, загрязняющих атмосферу отходящими газами, на уровне дыхания человека. Это обеспечивается установкой эффективных золоуловителей и сооружением дымовых труб, позволяющих рассеивать дымовые газы на большие расстояния, снижая тем самым локальные концентрации вредных веществ.

6.1 Оксиды углерода CO, CO2

При сжигании углеродных топлив происходит окисление углерода и его соединений кислородом воздуха с образованием диоксида углерода в качестве продукта полного окисления (сгорания).

В то же время вследствие локальных недостатков воздуха или неблагоприятных тепловых или аэродинамических условий в топках и камерах сгорания образуются продукты неполного сгорания, основную долю которых составляет монооксид углерода CO.

Объемная доля СО в продуктах сгорания паровых котлов обычно не превышает сотых долей процента и характеризует потери тепла в котле от химической неполноты сгорания.

Объемная доля СО2 в уходящих газах значительно выше, она составляет 10-14% в зависимости от вида топлива. Больше всего от углей, меньше всего от природного газа.

6.2 Оксиды серы SO2, SO3 [5]

Содержащаяся в топливе сера служит источником образования оксидов серы SOx: сернистого SO2 и серного SO3 ангидридов. Суммарный массовый выброс SOx зависит только от содержания серы в топливе Sr. Сера в твердых топливах может содержаться в трех видах: органическая Sор, колчеданная Sк и сульфатная Sс.

Органическая сера входит в состав сложных высокомолекулярных органических соединений топлива. Колчеданная сера - это ее соединения с металлами (чаще железный колчедан FeS2), она входит в состав минеральной части топлива. Сульфатная сера находится в минеральной части топлива в виде сульфатов щелочных металлов (CaSO4 и MgSO4) и поэтому в процессе горения дальнейшему окислению не подвергается и переходит в золу. Сера в мазуте находится главным образом в составе сероорганических соединений и в меньшей степени в виде H2S и серы элементарной. В состав газообразных топлив сера входит только в виде сероводорода H2S или сернистого ангидрида SO2.

.3 Оксиды азота NOх

При сжигании органических топлив азот, содержащийся в воздухе и топливе, становится реакционно-способным и, соединяясь с кислородом, образует оксиды:

NOx=NO+NO2+N2O. (6.1)

Экспериментальные и промышленные исследования показали, что основная доля образовавшихся NOx, а именно 95-100%, приходится на монооксид (оксид) азота NO. Диоксид NO2 и гемиоксид N2O азота образуются в значительно меньшем количестве, их доля приблизительно составляет: для NO2 4%, а для N2O сотые доли процента от общего выброса NOx.

Существуют два принципиально различных источника образования оксида азота NO при горении органических топлив: это окисление атмосферного (молекулярного) азота N2 воздуха, используемого в качестве окислителя при горении, и окисление азотсодержащих составляющих топлива.

Гемиоксид азота N2O, образующийся при сжигании топлива, является по всей видимости, кратковременным промежуточным веществом, он практически отсутствует в продуктах сгорания за котлами.

6.4 Зола твердого топлива

Основная часть минеральной составляющей топлива переходит в процессе сжигания в летучую золу, уносимую дымовыми газами. Зольность отечественных углей колеблется в широких пределах (10-55%). Соответственно изменяется и запыленность дымовых газов, которая для высокозольных углей становится равной 60-70 г/м3.

Химический состав золы твердого топлива весьма разнообразен. Обычно зола состоит из оксидов кремния, алюминия, титана, калия, натрия, железа, кальция и магния. Кальций находится в виде свободного оксида, а также в составе силикатов, сульфатов и других соединений. От содержания оксида кальция зависит токсичность золы.

Масштаб загрязнения окружающей среды выбросами золы твердого топлива значителен. В отличие от газовых компонентов, которые в процессе диффузии распространяются как на нижние, так и на верхние слои атмосферы, вследствие чего их концентрация в приземном слое значительно снижается, золовые частицы в основном оседают на землю. Кроме этого в золе топлив содержатся в малых дозах примеси металлов, имеющих высокую токсичность, например мышьяк, свинец, ртуть и др.

7. Очистка дымовых газов от оксидов серы

Диоксид серы наносит большой вред здоровью людей, отрицательно действует на растительный и животный мир, способствует усиленной коррозии металлических конструкций, разрушающе действует на памятники архитектуры.

Впервые решение проблемы снижения выбросов диоксида серы в атмосферу тепловыми электростанциями в нашей стране было начато в конце тридцатых годов прошлого века.

7.1 Методы на основе аммиака [2]

При этих методах поглощение диоксида серы производится аммиачной водой или водными растворами сульфит-бисульфита аммония с последующим его выделением. Достоинством метода является высокая эффективность процесса, доступность сорбента и получение необходимых продуктов (сульфит и бисульфит аммония).

Имеются циклические и нециклические методы. В аммиачно-нециклическом методе бисульфит аммония выпускают в качестве товарного продукта. В цикличном методе получают концентрированный диоксид серы.

Существенным недостатком таких методов очистки дымовых газов от диоксида серы является образование аэрозолей сульфита аммония на выходе очищенных газов в атмосферу при использовании аммиака в качестве сорбента. Кроме того требуются специальные меры по складированию аммиака и высокая степень обеспыливания дымовых газов.

7.2 Магнезитовый метод [2]

Диоксид серы в этом случае поглощается оксид-гидроксидом магния. В процессе хемосорбции образуются кристаллогидраты сульфита магния, которые сушат, а затем термически разлагают на SО2-содержащий газ и оксид магния. Газ перерабатывают в серную кислоту, а оксид магния возвращают на абсорбцию.

Достоинства магнезитового метода:

1) возможность очищать горячие газы без предварительного охлаждения;

2) получение в качестве продукта рекуперации серной кислоты;

3) доступность и дешевизна хемосорбента, высокая эффективность очистки.

Недостатки:

1) сложность технологической схемы;

2) неполное разложение сульфата магния при обжиге;

3) значительные потери оксида магния при регенерации.

7.3 Цинковый метод [2]

Абсорбентом служит суспензия оксида цинка, при этом идет реакция

SO2 + ZnO + 2,5H2O = ZnSO3 2,5H2O (7.1)

Образующийся сульфит цинка не растворим в воде, его отделяют в гидроциклонах, а затем сушат и обжигают при 350оС. Сульфит цинка разлагается по реакции:

ZnSO3 2,5H2O = SO2 + ZnO + 2,5H2O (7.2)

Образующийся диоксид серы перерабатывают, а оксид цинка возвращают на абсорбцию.

Достоинством метода является возможность проводить процесс очистки при высокой температуре (200-250оС). Недостаток - образование сульфата цинка, который экономически не целесообразно подвергать регенерации, а необходимо непрерывно выводить из системы и добавлять в нее эквивалентное количество диоксида цинка.

7.4 Методы на основе известняка (извести)

7.4.1 Сухой метод сероочистки

В этом методе используется размолотый известняк, который подается в верхнюю часть топки, где под действием высоких температур сначала протекает процесс кальцинирования известняка с образованием активной извести, а затем на его поверхности происходит химическая реакция связывания оксидов серы.

Наибольший эффект получен при очистке дымовых газов при сжигании бурых углей. Несколько худшие показатели дает применение этого метода при сжигании каменных углей.

В целом сухой метод сероочистки характеризуется сравнительно низкой степенью связывания оксидов серы (30-55%) и невысоким коэффициентом использования известняка. Другими недостатками сухих систем сероочистки являются значительный расход реагента (повышенные значения соотношения Са/S=2,0-2,5); образование большого количества твердых отходов, которые невозможно утилизировать и при складировании которых в отвалах из-за наличия нестабильного СаSО3 могут возникать трудности; появление отложений на котельных поверхностях нагрева из-за изменения свойств летучей золы. Это во многих случаях ограничивает применение сухой сероочистки дымовых газов на ТЭС.

7.4.2 Мокросухая сероочистка

При реализации мокросухого абсорбционного метода сероочистки сорбент вводится в поток газов в виде распыленной жидкости, содержащей достаточно влаги, чтобы обеспечить быструю абсорбцию кислых газов. При этом в результате процесса абсорбции и испарения влаги в потоке дымовых газов получаются только сухие твердые частицы, поступающие вместе с газами в золоуловитель.

Данный метод применим только при использовании электрофильтров или рукавных фильтров. Кроме того требуется специальный абсорбер-сушилка, размещаемый между котлом и золоуловителем. По сравнению с другими методами сероочистки мокросухой метод имеет высокую стоимость удаления диоксида серы.

7.4.3 Мокрый известняковый (известковый) метод сероочистки

В 2007 году разработаны технические предложения по улавливанию двуокиси серы мокрым известняковым способом. Длительное время исследователи зарубежных стран искали пути по преодолению процесса зарастания оборудования отложениями сульфата и сульфита кальция, которые представляют собой соединения, которые ни в кислотах, ни в щелочах не растворяются.

Единственным способом удаления отложений с поверхностей было механическое. Были попытки применять различные типы аппаратов: абсорберы с шаровой насадкой, трубы Вентури и другие, чтобы исключить зарастание поверхностей оборудования, однако, это не дало желаемых результатов.

В конце 70-х годов было найдено решение этой проблемы путем снижения рН суспензии с увеличением плотности орошения. Удельная плотность орошения в зависимости от количества улавливаемой двуокиси серы может колебаться от 3 до 20 литров суспензии на один м³ газа.

При этих параметрах зарастание не происходит. При эксплуатации сероулавливающих установок было установлено так же, что для надежной работы требуется постоянная нагрузка котла при постоянном составе угля по теплоте сгорания и по содержанию серы.

При изменениях нагрузок котла и состава топлива появляются условия для кристаллизации солей кальция на поверхностях оборудования. После того как был достигнут высокий уровень надежности, мокрый известняковый способ стал самым распространённым методом сероочистки в мире. В настоящее время в эксплуатации находятся несколько сот установок.

Преимущества данного способа:

доступность сорбента, широко распространённого природного известняка;

простота технологической схемы;

получаемый продукт утилизации двуокиси серы - двухводный сульфат кальция - является сырьем в производстве вяжущего строительного материала гипса или при отсутствии потребителя его можно сбрасывать вместе с золой на золоотвал, не загрязняя грунтовые воды и способствуя герметизации днища хранилища.

использование оборотной воды.

Для очистки газов от оксидов серы в данном курсовом проекте используем мокрый известковый метод с получением в качестве продукта утилизации гипса. Этот метод один из самых применяемых в мире технологий. Дымовые газы, покидающие котел, первоначально очищаются от летучей золы в золоуловителе и электрофильтре, охлаждаются в регенеративном газоподогревателе до температуры точки росы водяных паров (около 55оС). Охлажденные газы затем подаются в абсорбер, в котором продукты сгорания и суспензия извести движутся противотоком. При этом протекает целый ряд ионных реакций, в результате которых происходит связывание оксидов серы SO2 и SO3 с образованием сульфитов и сульфатов кальция и углекислого газа СО2.

Кроме того, раствор содержит некоторое количество непрореагировавшей гашеной извести Са(ОН)2.

Очищенные продуты сгорания при температуре около 45оС направляются в каплеуловитель, а затем в газоподогреватель, после чего поступают на очистку от оксидов азота.

Путем дальнейшего доокисления сульфитов до сульфатов может быть получен товарный гипс СаSO4 2H2O, который является экологически безвредным и используется в строительстве при производстве готовых конструкций в качестве добавки в цемент.

Степень десульфуризации газов при реализации мокрого известкового метода составляет 85-90%. Капиталовложения составляют 15-25% стоимости энергетической установки, а эксплуатационные затраты - до 10% производства электроэнергии. Одними из главных проблем, возникающими при эксплуатации абсорберов, являются предотвращение отложений за счет выпадения остатка и нарушение циркуляции суспензии из-за закупорки линий ее подачи.

8. Очистка дымовых газов от оксидов азота

Отходящие газы очищают по методу каталитического восстановления при умеренных температурах. Восстановителем служит аммиак, с помощью которого происходит восстановление оксидов азота до элементарного азота по следующей реакции:

6NO +4NH3 ↔ 5N2 + 6H2O (8.1)

Восстановление проводят при избыточном содержании аммиака по сравнению со стехиометрическим для обеспечения высоких степеней превращения оксидов. Для процесса очистки используют алюмованадиевый и алюмомарганцевованадиевый катализаторы, срок службы которых примерно 5 лет. Необходимо достаточно точно регулировать температуру процесса (180 - 320°С), так как при низких температурах возможны образование и отложение нитрит-нитрата аммония, при высоких температурах будет происходить окисление аммиака до оксидов азота.

Газы для очистки при температуре примерно 200°С направляют в смеситель аммиака с дымовыми газами. Аммиак дозируется в газы из блока подготовки, состоящего из испарителя аммиака и аппарата для его очистки от масла и катализаторной пыли. Основным аппаратом в схеме является каталитический реактор, который должен иметь высокую пропускную способность и низкое гидравлическое сопротивление. Избыток аммиака необходимо обезвредить. Поэтому смесь газов обрабатывают нитратом кальция. Полученный нитрат аммония отправляют на производство минеральных удобрений. Очищенный газ через дымовую трубу выбрасывается в атмосферу.Степень восстановления оксидов азота достигает 98%.

9. Материальный баланс очистки дымовых газов

.1 Материальный баланс очистки от оксидов серы

Суммарную реакцию очистки можно представить следующим образом:

2СаСО3 + 2SO2 + 4H2O + O2 = 2СаSO4 2H2O + 2CO2 (9.1)

Приход и расход веществ рассчитываем по данному уравнению реакции в зависимости от массовых расходов и молярных масс веществ.


Карбонат кальция и воду берем в 20% избытке:

В качестве окислителя возьмем кислород, неиспользованный при горении (93000 кг/ч).

Кислород, необходимый для реакции:

Таблица 8 - Материальный баланс очистки от оксидов серы

Приход

Расход

Статья баланса

Количество, кг/ч

Статья баланса

Количество, кг/ч

Карбонат кальция

15402,09

Карбонат кальция

2567,01

Диоксид серы

17550

Диоксид углерода

12065,63

Вода

5544,75

Вода

924,13

Кислород

93000

Кислород

68774,44



Гипс

47165,63

Итого:

131496,84

Итого:

131496,84


Таблица 9 - Статьи прихода

Номер статьи

Статья баланса

Размерность



кг/ч

%масс.

1

Кислород

93000

70,72

2

Карбонат кальция

15402,09

11,71

3

Диоксид серы

17550

13,35

4

Вода

5544,75

4,22


Таблица 10 - Статьи расхода

Номер статьи

Статья баланса

Размерность



кг/ч

%масс.

1

Кислород

93000

53,44

2

Гипс

47165,63

27,1

3

Диоксид углерода

17550

10,08

4

Карбонат кальция

15402,09

8,85

5

Вода

924,13

0,53

.2 Материальный баланс очистки от оксидов азота

По уравнению реакции (8.1) рассчитываем материальный баланс.


Аммиак возьмем в 3% избытке:

Материальный баланс очистки от оксидов азота представлен в таблице 11.

Таблица 11 - Материальный баланс очистки от оксидов азота

Приход

Расход

Статья баланса

Количество, кг/ч

Статья баланса

Количество, кг/ч

Оксид азота

1800

Азот

1400

Аммиак

700,4

Вода

1080



Аммиак

20,4

Итого:

2500,4

Итого:

2500,4


Таблица 12 - Статьи прихода

Номер статьи

Статья баланса

Размерность



кг/ч

%масс.

1

Оксид азота

1800

72

2

Аммиак

700,4

28


Таблица 13- Статьи расхода

Номер статьи

Статья баланса

Размерность



кг/ч

%масс.

1

Азот

1400

56

2

Вода

1080

43,2

3

Аммиак

20,4

0,8


Избыток аммиака реагирует с водой с образованием гидроксида аммония, который при взаимодействии с нитратом кальция образует нитрат аммония и гашеную известь. Нитрат аммония можно использовать в дальнейшем в качестве удобрения.

2NH3 + 2H2O + Ca(NO3)2 = 2NH4NO3 + Ca(OH)2 (9.2)

В соответствии с уравнением реакции (8.2) составим материальный баланс, который представим в виде таблицы 14.



Таблица 14 - Материальный баланс рекуперации аммиака

Приход

Расход

Статья баланса

Количество, кг/ч

Статья баланса

Количество, кг/ч

Вода

21,6

Нитрат аммония

96

Аммиак

20,4

Гашеная известь

44,4

Нитрат кальция

98,4



Итого:

140,4

Итого:

140,4


Таблица 15 - Статьи прихода

Номер статьи

Статья баланса

Размерность



кг/ч

%масс.

1

Нитрат кальция

98,4

70,1

2

Вода

21,6

15,4

3

Аммиак

20,4

14,5

Таблица 16- Статьи расхода

Номер статьи

Статья баланса

Размерность



кг/ч

%масс.

1

Нитрат аммония

96

68,3

2

Гашеная известь

44,4

31,7


10. Выбор основных единиц оборудования

топливо сжигание энергия котлоагрегат

10.1 Выбор котлоагрегата

Котлoaгрегаты делятся на паро- и теплогенераторы. Парогенератором называется агрегат, состоящий из топки, поверхностей нагрева, находящихся под давлением рабочей среды (жидкого теплоносителя, парожидкостной смеси, пара), и воздухоподогревателя, предназначенный для получения пара заданных параметров. На рисунке 10 изображена принципиальная схема парогенератора с естественной циркуляцией в нем жидкого теплоносителя, например воды. В топке 1 сжигается топливо, образующиеся продукты сгорания в виде факела передают часть своей внутренней энергии (в основном излучением) кипящей воде, движущейся в кипятильных трубах 2, расположенных на стенках топки. Эти испарительные поверхности нагрева называются экранами. Далее продукты сгорания проходят через верхнюю часть заднего экрана 3, называемого фестоном (разреженные трубы экрана), и последовательно омывая пароперегреватель 4, экономайзер 5, воздухоподогреватель 6, охлаждаются до 180 - 120 °С и с помощью дымососа через дымовую трубу выбрасываются в атмосферу.

Прошедшая водоподготовку вода питательным насосом 7 подается в экономайзер 5, где она подогревается до температуры близкой температуре насыщения при данном давлении, после чего поступает в барабан 8 парогенератора. Отсюда она по опускным трубам 9 поступает в трубы экрана 2. Образующаяся в трубах экрана парожидкостная смесь поступает в барабан 8, где происходит ее сепарация: жидкость поступает в опускные трубы 9, а насыщенный пар - в пароперегреватель 4 и далее к потребителю. Атмосферный воздух с помощью вентилятора 10 поступает в воздухоподогреватель 6, где он подогревается до заданной температуры, после чего поступает в топку для сжигания топлива.

В данном курсовом проекте подбираем паровой котел ТПП-315С3, паропроизводительностью 1000 т/ч.

Рисунок 10 - Принципиальная схема парогенератора с естественной циркуляцией

- топка; 2 - кипятильные трубы; 3 - фестон; 4 - пароперегреватель; 5 - экономайзер; 6 - воздухоподогреватель; 7 - питательный насос; 8 - барабан; 9 - отпускные трубы; 10 - вентилятор

10.2 Выбор и расчет мокрого пылеуловителя [2,7]

Для очистки дымовых газов подбирается скруббер Вентури. Он относится к наиболее распространенным типам мокрого пылеуловителя. Скруббер Вентури обеспечивает эффективную очистку газов от частиц пыли практически любого дисперсного состава.

Скруббер Вентури типа СВ-Кк предназначен для очистки нетоксичных и невзрывоопасных газов, параметры которых (расход, температура, давление) изменяются во времени, от частиц пыли, не склонных к образованию отложений.

Для регулирования сечения горловины установлен эллиптический обтекатель. Скруббер Вентури компонуется из трубы Вентури с регулируемым сечением горловины и отдельно стоящего центробежного каплеуловителя с нижним подводом газа. В нижней части каплеуловителя соосно с ним расположен конический завихритель. Орошающая жидкость подается в конфузор трубы Вентури с помощью форсунок, равномерно распределенных по периметру конфузора.

Рисунок 11 - Скруббер Вентури типа СВ-Кк с одним сепаратором

- эллиптический обтекатель; 2 - система орошения; 3 - труба Вентури; 4 - циклон - каплеуловитель; 5 - центробежный сепаратор с коническим завихрителем.

10.3 Выбор электрофильтра

Для очистки подбирается также электрофильтр типа ЭГВ1-26-7,5-6-3 (рисунок 12). Электрофильтры - одно- или двухсекционные стальные аппараты прямоугольной формы с наружной теплоизоляцией; состоят из 2-8 электрических полей, установленных последовательно по ходу газа.

Активная зона электрофильтра состоит из пластинчатых осадительных электродов и коронирующих электродов (расщепленных зубчатых элементов, натянутых на плоскую трубчатую раму).

Осадительные электроды каждого поля, размещенные параллельно оси входа газа, делят поперечное сечение электрофильтра на отдельные газовые проходы, по центру которых расположены коронирующие электроды.

Коронирующие электроды установлены на рамах подвеса, которые вне активной зоны опираются на изоляторы, расположенные в ригелях корпуса.

Очистка дымовых газов в электрофильтре происходит в результате создания неравномерного электрического поля высокого напряжения (примерно 50 кВт) и образования коронного разряда между электродами. Образующиеся в зоне коронного разряда ионы и электроны вызывают ток от коронирующих к осадительным электродам - ток короны. Частицы золы, находясь между электродами, заряжаются под действием сил электрического поля, двигаются к осадительным электродам и осаждаются на них.

Удаление уловленной пыли с электродов и газораспределительных решеток - механическое с периодическим встряхиванием их ударами молотков.

Рисунок 12 - Односекционный электрофильтр типа ЭГВ

- механизм встряхивания осадительных электродов; 2 - люк обслуживания; 3 - газораспределительная решетка; 4 - защитная коробка для подвода тока; 5 - механизм встряхивания коронирующих электродов; 6 - коронирующий электрод; 7 - осадительный электрод; 8 -корпус; 9 - токоподводы.

10.4 Выбор абсорбера

Для процесса очистки дымовых газов от оксидов серы выбирается противоточный распыливающий абсорбер. В аппаратах этого типа тесный контакт между фазами достигается путем распыливания или разбрызгивания различными способами жидкости в газовом потоке.

Полый распыливающий абсорбер (рисунок 13) представляет собой колонну, в верхней части корпуса 1 которой имеются форсунки 2 для распыливания жидкости (главным образом механические). Оросители (форсунки) в этих аппаратах обычно устанавливают на нескольких уровнях. Через пространство, заполненное мелкими брызгами, пропускается абсорбируемый газ.

К достоинствам полых распыливающих абсорберов относятся: простота устройства, низкое гидравлическое сопротивление, возможность работы с загрязненными газами, легкость осмотра, очистки и ремонта. Недостатки этих аппаратов: невысокая эффективность, значительный расход энергии на распыливание жидкости, трудность работы с загрязненными жидкостями, необходимость подачи больших количеств абсорбента для увеличения количества капель и соответственно поверхности контакта фаз, низкие допустимые скорости газа, значения которых ограничены уносом капель жидкости.

Распыливающие абсорберы применяются главным образом для поглощения хорошо растворимых газов, так как вследствие высокой относительной скорости фаз и турбулизации газового потока коэффициенты массоотдачи в газовой фазе в этих аппаратах достаточно высоки.

Рисунок 13 - Полый распыливающий абсорбер

- колонна; 2 - форсунки.

.5 Выбор каталитического реактора [2]

Для процесса очистки дымовых газов от оксидов азота выбирается трубчатый контактный аппарат. Он относится к каталитическим реакторам с фильтрующим слоем катализатора, принцип действия которого основан на фильтрации газа через слой неподвижного катализатора. Достоинства таких аппаратов: простота конструкции. К недостаткам следует отнести отсутствие теплообмена, что позволяет проводить в них только те реакции, которые сопровождаются небольшими тепловыми эффектами.

В зависимости от функционального назначения контактные аппараты с фильтрующим слоем катализатора имеют несколько вариантов конструктивного оформления: реакторы каталитические с твердым катализатором, размещенном в отдельном корпусе (тип К); реакторы каталитические, в которых в общем корпусе размещены контактный узел и подогреватель (тип ТК); реакторы термокаталитические, в которых в общем корпусе размещены контактный узел и рекуператор тепла (тип КВ); реакторы каталитические, в которых в общем корпусе размещены подогреватель, контактный узел и рекуператор тепла (тип ТКВ). Выберем аппарат типа ТКВ, так как он является наиболее перспективным и в максимальной степени отвечает экологическим требованиям.

Недостатком аппаратов с фильтрующим слоем является возможность засорения катализатора твердыми частицами. В этом случае могут быть использованы трубчатые реакторы с нанесенными на внутреннюю поверхность катализаторами.

Рисунок 14- Трубчатый контактный аппарат

Заключение

Для очистки дымовых газов ТЭЦ была разработана технологическая схема, рассчитан материальный и тепловой баланс котлоагрегата, приведен материальный баланс очистки дымовых газов, подобрано основное оборудование.

Существуют два основных направления природоохранной деятельности предприятий. Первое - очистка вредных выбросов.

Необходимо процесс очистки вредных выбросов совместить с процессом утилизации уловленных веществ, что сделает возможным объединение первого направления со вторым.

Второе направление - устранение самих причин загрязнения, что требует разработки малоотходных, а в перспективе и безотходных технологий производства, которые позволяли бы комплексно использовать исходное сырье и утилизировать максимум вредных для биосферы веществ.

При всем огромном арсенале современной газоочистительной техники радикальным решением все-таки остается создание технологических процессов, основанных на комплексном использовании сырья, вообще не дающем отходов, способных загрязнять природную среду.

Библиографический список

1.       Стерман, Л.С. Тепловые и атомные электростанции: учеб. для вузов / Л.С. Стерман, С.А.Тевлин, А.Т. Шарков; под ред. Л.С. Стермана. - 2-е изд., испр. и доп. - М.: Энергоиздат, 1982. - 456 с.

.         Липов Ю. М., Третьяков Ю. М. Котельные установки и парогенераторы. Учебник. - М.; Ижевск: НИЦ Регулярная и хаотическая динамика, 2005. - 592 с.: ил.

.         Хитрин С. В., Фукс С. Л., Колотилова Н. В. Дипломное и курсовое проектирование. Методическое пособие. - Киров: Издательство ВятГУ, 2008. - 45 с.

.         Росляков П.В. Методы защиты окружающей среды: учебник для вузов/ П.В. Росляков. - М.: Издательский дом МЭИ, 2007. - 336 с.

.         Бесков, В.С. Общая химическая технология: Учеб. / Бесков, В.С. - М.: ИКЦ "Академкнига", 2005. - 452 с.: ил.

.         Газоочистное оборудование. Аппараты мокрой очистки газов. Каталог./ Ю.А. Попов, Н.М. Васильченко, А.Ю. Вальдберг, Ф.Е. Дубинская, Е.И. Петренко, В.П. Приходько, А.И. Пирумов.

.         Газоочистное оборудование. Электрофильтры. Каталог./ Ю.С. Миловидов, Ю.А. Бобров, В.И Маркин, А.А. Мошкин, Т.М. Казакова, И.М. Лямина.

.         Тимонин А.С. Инженерно-экологический справочник. Т.1. - Калуга: Издательство Н.Бочкаревой, 2003. - 917с.

.         Чечеткин, А.В. Теплотехника: Учеб. для хим.-технол. спец. вузов / А.В. Чечеткин, Н.А. Занемонец - М.: Высш. шк., 1986. - 344 с.: ил.

Похожие работы на - Разработка проекта производства энергии и тепла с очисткой дымовых газов и утилизацией отходов

 

Не нашли материал для своей работы?
Поможем написать уникальную работу
Без плагиата!
Без нейросетей!