Проектирование системы устройств автоматического управления и защиты судовой электростанции, отвечающей требованиям регистра РФ

  • Вид работы:
    Курсовая работа (т)
  • Предмет:
    Информатика, ВТ, телекоммуникации
  • Язык:
    Русский
    ,
    Формат файла:
    MS Word
    3,05 Мб
  • Опубликовано:
    2014-03-31
Вы можете узнать стоимость помощи в написании студенческой работы.
Помощь в написании работы, которую точно примут!

Проектирование системы устройств автоматического управления и защиты судовой электростанции, отвечающей требованиям регистра РФ

Министерство образования и науки

Российской Федерации

федеральное государственное автономное образовательное учреждение

высшего профессионального образования

«Северный (Арктический) федеральный университет

имени М.В. Ломоносова»

Специальность Судовая электроэнергетика и электротехника




Курсовой проект

по дисциплине «Системы и устройства судовой автоматики»

Тема: Проектирование системы устройств автоматического управления и защиты судовой электростанции, отвечающей требованиям регистра РФ



Выполнил: студент 4 курса

группы

Тугаринов Иван Александрович

Преподаватель: к.т.н. М.Л. Ивлев

Содержание

1. Краткая характеристика СЭС и требования, предъявляемые к объёму её автоматизации

. Выбор устройств стабилизации параметров напряжения и частоты синхронного генератора

. Выбор устройств автоматизации управления параллельной работой синхронных генераторов

.1 Выбор устройств синхронизации

.2 Управление распределением активной нагрузки параллельно работающих генераторов

.3 Управление распределением активной нагрузки

. Выбор автоматической защиты СЭС

.1 Устройство автоматической разгрузки генераторов (УРГ)

.2 Устройство автоматического включения резерва (УВР)

.3 Устройство контроля изоляции (УКИ)

.4 Защита от обрыва фазы при питании с берега

.5 Реле обратной мощности (тока)

.6 Выбор генераторного автоматического выключателя

.7 Устройство звуковой и световой сигнализации типа УЗСС-1

. Расчёт изменения напряжения и частоты

.1 Режим включения статической нагрузки

.2 Включение статического преобразователя

.3 Режим прямого пуска асинхронного двигателя

Список литературы

1. Краткая характеристика СЭС и требования, предъявляемые к объёму её автоматизации

Судовой электроэнергетической системой (СЭС) называется совокупность электротехнических устройств, объединённых процессом производства, преобразования и распределения электроэнергии, предназначенной для питания судовых приёмников электроэнергии. Отсюда следует, что СЭС состоит из источников электроэнергии, линий электропередачи, электрораспределительных щитов и преобразователей электроэнергии. Приёмниками электроэнергии в состав СЭС не входят, однако оказывают существенное влияние на структуру и основные параметры СЭС.

Совокупность линий электропередачи с распределительными щитами называется электрической сетью.

В качестве источников электроэнергии на судах используют генераторы переменного и постоянного тока, имеющие привод от турбин или дизелей, а также аккумуляторные батареи. Линии электропередачи выполняются с помощью кабелей или шинопроводов.

Электрораспределительные щиты представляют собой устройства, предназначенные для подключения линий электропередачи. В качестве преобразователей электрической энергии применяют трансформаторы, выпрямители и др.

Электрораспределительный щит, к которому подключены основные источники электроэнергии и судовая силовая электрическая сеть, называется главным распределительным щитом (ГРЩ).

Электроэнергетический щит, к которому подключены аварийный источник энергии и аварийная сеть, называется аварийным распределительным щитом (АРЩ). Совокупность аварийного источника электроэнергии с аварийным распределительным щитом принято называть аварийной судовой электростанцией.

Основная электростанция (ОЭ) предназначена для обеспечения судна электроэнергией во всех нормальных эксплуатационных режимах работы.

Аварийная электростанция (АЭ) обеспечивает судно электроэнергией в аварийных режимах работы (например, при затоплении основной электростанции). Аварийная электростанция расположена в отдельном помещении в кормовой части надстройки теплохода.

По правилам классификации и постройки морских судов Российского морского регистра судоходства НД №2-020101-052 судам и плавучим сооружениям, оборудование автоматизации которых отвечает требованиям части XV «Автоматизация», к основному символу класса добавляется один из следующих знаков автоматизации:

) AUT1 - если объем автоматизации позволяет эксплуатацию механической установки без постоянного присутствия обслуживающего персонала в машинных помещениях и в центральном посту управления (ЦПУ);

2) AUT2 - если объем автоматизации позволяет эксплуатацию механической установки одним оператором из ЦПУ без постоянного присутствия обслуживающего персонала в машинных помещениях;

3) AUT3 - если объем автоматизации позволяет эксплуатацию механической установки судна с мощностью главных механизмов не более 2250 кВт без постоянного присутствия обслуживающего персонала в машинных помещениях и ЦПУ;

4) AUT1-C, AUT2-C или AUT3-C - если автоматизация выполнена с применением компьютеров или программируемых логических контроллеров (PLC), отвечающих требованиям разд. 7 части XV «Автоматизация»,

) AUT1-ICS, AUT2-ICS или AUT3-ICS - если автоматизация выполнена с применением компьютерной интегрированной системы управления и контроля, отвечающей требованиям разд. 7 части XV «Автоматизация»

Исходя из задания на курсовое проектирование, выбираем степень автоматизации AUT2.- вторая степень автоматизации предусматривает обслуживание энергетической установки в ходовом режиме одним человеком, находящимся в центральном посту управления, без вахты в машинном отделении (80% судов), это:

стабилизация напряжения и частоты генераторов;

автоматическая синхронизация генераторов;

распределение активной и реактивной нагрузок между параллельно-работающими генераторами в пределах ±10%;

автоматическая защита генераторов;

при необходимости, ввод или отключение генераторного агрегата;

защита генераторов от перегрузки с помощью отключения второстепенных потребителей;

защита от короткого замыкания;

защита от обрыва фазы при питании с берега;

непрерывный контроль сопротивления изоляции под напряжением;

защита от обратной мощности;

дистанционный пуск и остановка генераторных агрегатов.

Проектируемая электростанция состоит из 4-х генераторов серии МСК 91-4, которые относятся к классу дизель-генераторов.

 

2. Выбор устройств стабилизации параметров напряжения и частоты синхронного генератора


В процессе работы судовой электроэнергетической системы происходит непрерывное изменение нагрузки потребителей и изменение отдаваемой мощности генераторов. Эти изменения вызывают отклонение напряжения в системе, и если отсутствует регулирование, то качество электрической энергии, вырабатываемой генераторами, ухудшается.

Нормальная работа судовых потребителей электроэнергии может быть обеспечена в том случае, если напряжение в системе с изменением режима работы сохраняется на определённом уровне при допустимом отклонении от нормального значения. Поэтому Правилами Регистра РФ предусматривают установку автоматических регуляторов напряжения (АРН).

Применяемые в настоящее время в судовых электроэнергетических установках (ЭЭУ) переменного тока автоматические системы регулирования напряжения синхронных генераторов по принципу регулирования можно подразделить на следующие три группы:

системы с регулированием по отклонению;

системы регулирования по возмущению;

системы с комбинированным регулированием - по отклонению и возмущению.

Наибольшее распространение получили системы, относящиеся ко второй и третьей группам, причём в них основную функцию выполняет регулирование по возмущению, воздействию по отклонению отводится вспомогательная роль. Это улучшает динамические характеристики, уменьшает габариты и повышает надёжность систем. Следовательно, в курсовом проекте используется комбинированный принцип регулирования.

Преимущественное применение имеют системы фазового компаундирования, позволяющие осуществить регулирование по двум основным возмущающим воздействиям: по модулю тока и по фазовому сдвигу относительно напряжения. К ним, в частности, относится система регулирования напряжения серии МС, применяемая на некоторых судах различного назначения. Однако кроме основных возмущений на систему оказывает влияние ряд второстепенных воздействий (например, изменение температуры окружающей среды и параметров отдельных элементов, нелинейность статических характеристик ряда узлов, не идентичность характеристик однотипных машин, возможная неточность настройки системы и др.). Поэтому связь по основному возмущению не будет реагировать на указанные воздействия и в системе могут возникнуть отклонения напряжения, превышающие требуемые номиналы. Для повышения точности регулирования, помимо связи по основному возмущению, должна быть предусмотрена возможность устранения влияния таких второстепенных факторов. Для данной цели используется обратная связь по отклонению напряжения генератора, реализуемая обычно в виде корректора напряжения.

Частота, как и напряжение, является основным параметром, определяющим качество электроэнергии. Поэтому регулирование частоты, а также распределение активной нагрузки в судовых электроэнергетических установках являются одними из важнейших эксплуатационных функций управления ЭЭУ в нормальных и аварийных режимах работы.

Как правило, эти функции в системе параллельно работающих агрегатов тесно связаны между собой, так как поддержание частоты и нагрузки на заданном уровне осуществляется путём их соответствующего изменения.

Существующие Правила Морского Регистра РФ предусматривают следующие требования к точности стабилизации напряжения:

. Каждый генератор переменного тока должен иметь отдельную независимую систему для автоматического регулирования напряжения.

. Повреждения в системе регулирования напряжения генераторов не должны вызывать недопустимо высоких напряжений на его зажимах.

. Генераторы переменного тока должны обладать достаточным резервом возбуждения для поддержания в течение 2 мин номинального напряжения с точностью 10% при перегрузке генератора током, равным 150% номинального, и коэффициенте мощности, равном 0,6.

. Генераторы переменного тока должны иметь системы регулирования напряжения, подобранные таким образом к регулировочным характеристикам приводных двигателей, чтобы при изменении нагрузок от холостого хода до номинальных при номинальном коэффициенте мощности поддерживалось номинальное напряжение с точностью ± 2,5% (аварийные генераторы до ± 3,5%). Для генераторов основного источника электрической энергии допускается поддержание постоянства напряжения в пределах ± 3,5% номинального при коэффициенте мощности от 0,6 до 0,9, исключая номинальный.

Указанное требование относится к работе агрегата при номинальной частоте вращения и номинальной нагрузке генератора.

. При отсутствии точных данных о внезапной максимальной нагрузке, включаемой при имеющейся нагрузке генератора, можно применять нагрузку величиной 60% номинального тока с индуктивным коэффициентом мощности 0,4 и менее, включаемой при холостом ходе и потом выключаемой.

Внезапное изменение симметричной нагрузки генератора, работающего при номинальной частоте вращения и номинальном напряжении при имеющихся токе и коэффициенте мощности, не должно вызывать снижения номинального напряжения ниже 85% и повышения выше 120%. После этого напряжение генератора должно в течение не более 1,5 с восстанавливаться в пределах ± 3% номинального напряжения. Для аварийных агрегатов эти значения могут быть увеличены по времени до 5 с и по напряжению до ± 4% номинального.

. Мгновенное изменение частоты вращения дизель-генераторов при набросе или сбросе 100%-ной нагрузки не должно превышать 10% номинальной частоты вращения, отсчитанных от частоты вращения, предшествующего установившегося режима; частота вращения вновь установившегося режима не должна отличаться от частоты вращения предшествовавшего режима более чем на 5% номинальной частоты вращения.

Кроме качественных показателей при выборе автоматических систем стабилизации напряжения и частоты учитывают надёжность действия системы, простоту и удобство обслуживания, массу и габариты. Таким образом, автоматические системы стабилизации напряжения и частоты генераторов должны удовлетворять многим иногда противоречивым требованиям. При разработке систем в каждом случае следует исходить из конкретных условий работы генераторов, а также режимов его нагрузки и отдавать предпочтение какой-либо определённой части требований к системам, другую же часть требований рассматривать как второстепенную.

Для генератора МСК 91-4 применяется система прямого фазового компаундирования с корректором напряжения.

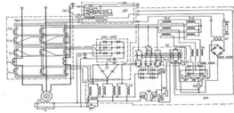
На рис.1 представлена схема синхронного генератора Г с самовозбуждением без использования возбудителя постоянного тока.

Рис.1 Схема синхронного генератора с самовозбуждением и неуправляемым выпрямителем

Схема системы включает трансформатор фазового компаундирования с магнитным шунтом ТФК, блок силовых выпрямителей В1, корректор напряжения КН и добавочное устройство параллельной работы ДУ.

Корректор напряжения КН содержит измерительное устройство, магнитный усилитель МУ и дроссель отбора ДО. Трансформатор ТФК имеет пять обмоток: токовую ωТ, напряжения ωН, питания дросселя отбора ωД, питания магнитного усилителя и нелинейного узла ωМ.Н и вторичную суммирующую ω2.

Обмотки ωН и ωМ.Н расположены на общем участке магнитопровода сердечника (до магнитного шунта) и являются обычными обмотками понижающего трансформатора. Вторичная обмотка ω2 и обмотка ωД расположены на трансформаторе за магнитным шунтом. Обмотка ω2 осуществляет питание цепи возбуждения генератора, а обмотка ωМ.Н - питание МУ и нелинейного узла КН. Обмотка ωД с подключенными к ней блоком конденсаторов 1К и дросселем ДО обеспечивает надёжное самовозбуждение генератора и корректирующее воздействие при отклонениях напряжения.

Измерительное устройство корректора напряжения КН состоит из линейной и нелинейной частей. В линейную часть входит линейный трансформатор 1ТЛ, ток выхода которого пропорционален напряжению генератора, и выпрямитель В5. Нелинейная часть образована сочетанием линейного 2ТЛ и нелинейного трансформаторов с выпрямителем В4.

Токи линейной и нелинейной частей измерительного устройства направлены навстречу друг другу и в обмотке ОУ1, ОУ2 магнитного усилителя МУ электрически вычитаются.

Ток выхода МУ через выпрямитель В3 поступает в обмотки дросселя отбора ДО. Рабочие обмотки последнего соединены в две трёхфазные звезды, к нулевым точкам которых и подаётся выпрямленный ток от МУ. Изменение этого тока вызывает изменение сопротивления дросселя ДО, а следовательно, и величины рабочего тока в цепи обмотки ωД трансформатора ТФК.

Таким образом, одни и те же обмотки дросселя отбора ДО являются одновременно и рабочими, и управляющими. При увеличении напряжения генератора размагничивающий ток в обмотке ОУ1, ОУ2 магнитного усилителя уменьшается, его результирующий магнитный поток возрастает, а значит, уменьшается сопротивление рабочих обмоток ОР. Ток выхода магнитного усилителя, намагничивающий дроссель ДО, возрастает, сопротивление рабочих обмоток уменьшается. Это приводит к возрастанию тока в обмотке ТФК и уменьшению тока возбуждения генератора. В результате напряжение генератора снизится до установленного значения. И, наоборот, уменьшение напряжения генератора вызовет увеличение тока возбуждения, благодаря чему также будет восстановлено номинальное напряжение генератора.

Функциональная схема АРН приведена на рис.2

Рис.2 Функциональная схема АРН

ПД - приводной двигатель; Г - генератор; ВО - выходная обмотка; В - неуправляемый выпрямитель; ТФК - трансформатор фазового компаундирования; КН - корректор напряжения. (ДО - дроссель отсоса, МУ - магнитный усилитель, ИУ - измерительное устройство)

Основные характеристики АРН:

общая величина реактивной нагрузки распределяется автоматически между генераторами пропорционально мощности каждого с точностью ±10%;

система самовозбуждения поддерживает напряжение генератора в пределах ±2,5% от его номинальной величины при изменении нагрузки от 0 до 100%, cosj от 0,6 до 1 и скорости вращения на ±2%;

при прямом пуске короткозамкнутого синхронного двигателя мощностью 40% от мощности генератора время первого восстановления напряжения не превышает 0,8с;

в динамических режимах генераторов с системой самовозбуждения переходной процесс сокращается более чем в три раза по сравнению с системами возбуждения, имеющими машинные возбудители.

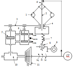
Для регулировки частоты вращения используется центробежный регулятор (ЦР), основным достоинством которого является высокая точность (±0,5%) при корректировке электрическими устройствами.

При отклонении частоты вращения от заданной, например, в сторону увеличения грузы центробежного измерителя частоты 1 разойдутся. Муфта 4 пойдёт вверх, перемещая рычаг 3, что приведёт к перемещению поршня гидроусилителя и золотника. Верхняя полость цилиндра золотника соединяется с каналом подачи масла, а нижняя - со сливом. Поршень пойдёт вниз, уменьшая подачу пара. Одновременно опустится левый край рычага 3 вместе с золотником. Окно подачи масла закроется, движение поршня прекратится. В установившемся режиме оба окна масла перекрыты.

Рис.3 Принципиальная схема центробежного регулятора

- центробежный измерительный орган; 2 - вал центробежного регулятора, связанный с валом генератора; 3 - гидрорычаг; 4 - подвижная муфта; 5 - гидроусилитель; 6 - золотник; 7 - пружина; 8 - червячная передача; 9 - серводвигатель; 10 - запорный клапан; 11 - турбина.

Центробежный регулятор имеет зоновую чувствительность в механических узлах, целесообразно использование, комбинированное регулирование (используют ПРЧ). В данном случае можно использовать червячную передачу 8, которая служит для введения закона регулирующего сигнала от серводвигателя 9. СД воздействует на 8, меняя точку подвеса пружины 7. Тем самым вводится сигнал по активной мощности.

Принцип работы ПРЧ основан на сравнении регулируемой частоты генератора (сети) с эталонной частотой, стабилизируемой кварцевым резонатором. Эталонная и регулируемая частоты поступают на трансформаторы биений. При рассогласовании частот, сигналы с трансформаторов поступают в схему и через каналы подгонки частоты формируют импульсные сигналы, в зависимости от изменения частоты в большую или меньшую сторону от номинальной. Затем эти сигналы усиливаются прибором УРМ - 35ФУ, в результате происходит изменение подачи топлива через серводвигатель приводного двигателя.

Функциональная схема устройства ПРЧ приведена на рис.4.

Рис.4 Функциональная схема устройства ПРЧ

Принципиальная схема устройства ПРЧ приведена на рис.5

Рис.5 Принципиальная схема устройства ПРЧ

Основные технические характеристики:

1) подключается к шинам напряжения 380В через типовые трансформаторы U=380/127 В;

) уставка по частоте 50 Гц;

) должен иметь точность поддержания частоты на уставке ± 0,5% fН;

) характеристика прибора и точность регулировки частоты не должны зависеть от формы кривой напряжения регулируемой сети и от её cosφ;

5) должен надёжно и чётко работать при длительных колебаниях напряжения ± 10% от номинального и кратковременных колебаниях напряжения -35% ÷ +13% от номинального.

 

3. Выбор устройств автоматизации управления параллельной работой синхронных генераторов

 

.1 Выбор устройств синхронизации


Синхронизация судовых синхронных генераторов принципиально может осуществляться методами точной синхронизации, самосинхронизации и грубой синхронизации (через реактор). Однако области применения этих методов далеко не одинаковы и определяются целым рядом особенностей, вытекающих из назначения электроэнергетических установок, принятых схем генерирования и распределения электрической энергии, а также составом оборудования судовых ЭЭУ и их параметров.

Точная синхронизация. Этот метод следует считать основным для включения синхронных генераторов на параллельную работу. Он в наибольшей степени отвечает всем требованиям, предъявляемым к процессу синхронизации, обеспечивая оптимальные условия его протекания с точки зрения влияния переходных токов и моментов на синхронизируемые генераторы.

Вместе с тем проведение данного процесса вручную достаточно сложно и требует от оператора определённых навыков. Продолжительность процесса ручной синхронизации может сильно меняться в зависимости от режима сети. Неправильное определение момента включения приводит к толчкам тока и мощности, снижающим качество электроэнергии, а также может вызвать нарушение устойчивости режима системы и отключение генераторов. В связи с этим крайне важно осуществлять точную синхронизацию генераторов без применения ручных операций.

В настоящее время разработано несколько вариантов схем и устройств, которые позволяют обеспечивать автоматическую синхронизацию в различных режимах работы электроэнергетической системы, практически без толчков тока и провалов напряжения. Эти схемы и устройства уже широко применяются на отечественных судах различного назначения.

Самосинхронизация. Для ускорения процесса синхронизации, особенно на береговых электростанциях, значительное распространение получил метод самосинхронизации. Сущность его заключается в том, что синхронная машина с помощью, первичного двигателя доводится до скорости вращения, примерно равной синхронной, включается без возбуждения в сеть, после чего или одновременно с этим подаётся возбуждение и машина втягивается в синхронизм.

Применение этого метода исключает возможность несинхронных включений, подобных тем, которые могут иметь место при точной синхронизации, осуществляемой вручную. Он позволяет также ускорить включение генераторов в сеть, особенно в аварийных условиях.

В судовых системах метод самосинхронизации может без ограничений применяться в установках электродвижения переменного тока различных мощностей и напряжений для включения синхронных генераторов на параллельную работу при частотах и напряжениях, значительно отличающихся от номинальных значений. Особенно целесообразно его применение в установках малой энергетики, где используются дизельные установки с большой неравномерностью работы регулятора скорости, а также когда мощность подключаемого генератора равна или меньше мощности работающего генератора или системы.

К недостаткам метода самосинхронизации, применительно к системе с генераторами соизмеримой мощности, следует отнести большие провалы напряжения, толчки тока и момента и, что самое главное, невозможность осуществить синхронизацию нагруженного генератора. Автоматизация процесса самосинхронизации не вызывает каких-либо затруднений.

Грубая синхронизация (включение через реактор). Метод грубой синхронизации, позволяющий включать синхронные генераторы на параллельную работу без контроля синхронизма, был одним из первых, используемых в судовых установках переменного тока. Этому способствовало главным образом то обстоятельство, что технический уровень оборудования и средства автоматизации в то время не позволял ещё применять метод точной синхронизации.

Сущность данного метода состоит в том, что при выполнении допустимых условий по разности частот и напряжений сети и подключаемого генератора последний включается в сеть через активное или реактивное сопротивление при нормальном или ослабленном возбуждении. После затухания переходного процесса и втягивания генератора в синхронизм сопротивление шунтируется и отключается. Процесс синхронизации на этом заканчивается. В судовых электроэнергетических системах грубая синхронизация может быть осуществлена с помощью токоограничивающих сопротивлений.

В целом метод грубой синхронизации с применением токоограничивающих сопротивлений имеет следующие преимущества:

) возможность включения генератора при резких и периодических изменениях частоты и напряжения;

) малую вероятность ошибочных операций при включениях;

) простоту осуществления подготовительных операций.

Этот метод имеет также недостатки:

) возможность возникновения толчков токов и провалов напряжения в начальный момент включения, синхронных качаний роторов, сопровождающихся колебаниями уравнительных токов и напряжений в системе параллельно включенных генераторов;

) возможность появления значительных динамических усилий на валах агрегатов;

) затягивание процесса синхронизации, сопровождающегося асинхронным режимом, при слабых связях между генераторами и значительных начальных скольжениях;

) увеличение количества коммутационно-защитной аппаратуры, распределительных устройств и, как следствие, увеличение габаритов главных распределительных щитов.

Отмеченные недостатки накладывают определённые ограничения на применение метода грубой синхронизации в судовых установках.

В связи с изложенным метод грубой синхронизации, так же как и метод самосинхронизации, может быть рекомендован для применения в установках малой энергетики, где используются дизель-генераторы с большой неравномерностью работы регуляторов скорости, то есть там, где затруднено применение метода точной синхронизации.

Автоматизация процесса включения генераторов по методу грубой синхронизации может быть выполнена с частичным использованием элементов автоматики, применяемых для точной синхронизации.

Таким образом, из рассмотрения указанных трёх методов синхронизации судовых синхронных генераторов следует, что каждый из них имеет определённые преимущества и недостатки, поэтому выбор того или иного метода должен решаться в каждом отдельном случае с учётом конкретных условий: структуры систем, состава оборудования, степени автоматизации, а также рекомендаций, подробно изложенных в работе.

В зависимости от степени автоматизации включения генераторов на параллельную работу системы синхронизации подразделяются на ручные, полуавтоматические и автоматические.

В системах ручной синхронизации подгонка частоты синхронизируемой машины и включение автоматического выключателя - автоматически, а выравнивание активных и реактивных нагрузок - также без специальных систем и устройств.

В системах полуавтоматической синхронизации подгонка частоты производится обслуживающим персоналом, включение выключателя - автоматически, а выравнивание активных и реактивных нагрузок - также без специальных систем и устройств.

В системах автоматической синхронизации все перечисленные выше операции - подгонка частоты, включение выключателя, выравнивание активных и реактивных нагрузок выполняются автоматически. Кроме того, в этих системах должны быть предусмотрены устройства автоматического ввода резервного генератора и контроля изоляции подключаемой электрической сети.

В зависимости от способа контроля напряжения и частоты различают системы синхронизации, контролирующие: напряжение и скорость вращения или частоту подключаемой машины и сети, либо разность напряжений и частот подключаемой машины и сети.

Системы синхронизации различают также по количеству синхронизирующих устройств, используемых для включения генераторов электростанции на параллельную работу.

На системы точной синхронизации, в общем случае возлагаются следующие функции:

) контроль равенства амплитуд напряжений;

) выравнивание амплитуд напряжений;

) контроль разности фаз напряжений;

) уравнивание фаз;

) контроль разности частот;

) выравнивание частот;

) выбор момента замыкания цепи для включения автоматического выключателя;

) включение автоматического выключателя в цепи статора;

) выравнивание активных и реактивных нагрузок после окончания процесса синхронизации;

) перевод нагрузки с одного генератора на другой.

В зависимости от степени автоматизации перечисленные функции выполняются элементами автоматических устройств и аппаратов или вручную (дистанционно) с пульта управления.

В качестве устройства синхронизации применяется УСГ-1П.

Устройство УСГ подключается к синхронизируемым сетям трёхфазного переменного тока через типовые трансформаторы напряжения с вторичным напряжением 127 В, частотой 50 Гц. Мощность, потребляемая устройством, не превышает 30 ВА.

Работа схемы устройства определяется режимами работы генераторов. К ним могут быть отнесены режимы холостого хода и неизменяющейся нагрузки, а также динамические режимы.

При включении устройства в работу при неизменных значениях напряжений и частот принцип действия схемы следующий. Ток заряда конденсатора С13 по цепи С13, В21, R20, Т2, R23 отпирает транзистор Т2. Транзистор Т3 запирается, и элементы запрета питания не получают.

В дальнейшем состояние триггера Т2, Т3 определяется напряжением огибающей биений, а состояние элементов запрета очерёдностью следования сигналов с элементов контроля разности частот и времени опережения. При напряжении огибающей биений меньшем запирающего напряжения на резисторе R23, транзистор Т2 запирается, Т3 - отпирается, и элементы запрета получают питание.. Затем при срабатывании элементов времени опережения конденсатор С16, разряжаясь по цепи Т10, R39, С14, Т5, В23, выдаёт на вход элементов запрета импульс времени опережения. Транзистор Т5 запирается, транзистор Т6 отпирается, и элементы запрета срабатывают. Состояние триггера Т11, Т12 изменяется, и выходное реле РП1 срабатывает.

Изменения напряжений и частот генераторов за время синхронизации могут быть кратковременными и длительными. При любых изменениях напряжений до значений, превышающих уставку транзистор Т1 запирается и состояние триггера Т2, Т3 меняется (Т2 открыт). В этом состоянии его удерживает триггер Т25, Т2625 открыт, Т26 закрыт). При уменьшении разности напряжений генераторов запрещающий сигнал с транзистора Т1 снимается. Но запрет на синхронизацию не будет снят до тех пор, пока триггер Т25, Т26 не изменит своего положения. В конце периода биений элементы времени опережения возвращаются в состояние покоя. Ток разряда С23 по цепи Т9, R39, R83, R84, В34 изменяет состояние триггера Т25, Т2625 закрывается) и Т2 запирается. Тем самым исключаются ошибочные срабатывания устройства при кратковременных изменениях напряжения за время с момента подачи питания на элементы запрета до зоны опережения.

При изменениях частот генераторов до значений, превышающих уставку, момент подачи питания на элементы запрета отдаляется в зону опережения. Импульс времени опережения не изменяет состояние элементов запрета, и устройство не срабатывает. С момента включения устройства при значениях разности частот генераторов, превышающих уставку, в работу вступают элементы подгонки частоты. Если генератор А2, В2, С2 принят в качестве работающего с частотой меньшей частоты подключаемого генератора А1, В1, С1, то сигнал на первом входе С17, R48, R49 будет опережать сигнал на втором входе С20, R69, R70. В этом случае первая часть схемы вырабатывает импульс на уменьшение частоты подключаемого генератора. Реле РП3 срабатывает и замыкает цепь серводвигателя. При обратном соотношении частот генераторов работает вторая часть схемы. Она вырабатывает импульс на увеличение частоты подключаемого генератора.

Рис.6 Функциональная схема устройства УСГ-1П

ФБ - функциональный блок (обеспечивает питанием остальные блоки и вырабатывает сигнал суммарного напряжения и производной суммарного напряжения);

БКН - блок контроля разности напряжения (имеет уставку 8±2% UH);

БПЧ - блок подгонки частоты;

БКЧ - блок контроля разности частот (имеет уставку 0,8±0,2 Гц при частоте сети 50 Гц. Представляет собой триггер, ячейку логического умножения, получающую питание от БКН, а запускающий импульс от ФБ);

БЗ - блок запрета (выдаёт сигнал каждый раз, когда суммарное напряжение равно «0»);

БВО - блок времени опережения (выдаёт сигнал каждый раз, когда суммарное напряжение равно «0»);

ВБ - выходной блок.

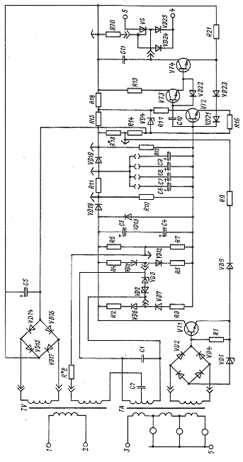
Принципиальная схема устройства УСГ-1П приведена на рис.7.

Основные технические характеристики:

Устройство рассчитано для работы в условиях:

) длительных колебаний напряжения ±5% и частоты ±2,5%;

) кратковременных колебаниях напряжения от -25 до +13% и частоты от -6 до +4%;

) температуры окружающей среды от 0 до 50ОС;

) относительной влажности 95±3% при температуре 40±2%.

Рис. 7

Устройство может настраиваться на следующие уставки:

) по разности напряжений работающего и подключаемого генераторов, выше которой наступает запрет на синхронизацию: ΔU = 8 ± 3% UH;

) по разности частот, выше которой наступает запрет на синхронизацию. Уставки по разности частот для основного и резервного каналов в зависимости от времени опережения:

Время опережения, мс

Уставка, Гц

от 50 до 100

от 0,8 до 0,6

от 100 до 300

от 0,6 до 0,4

от 300 до 400

от 0,4 до 0,6


) по времени опережения, т.е. по времени с момента подачи сигнала по каналу синхронизации до узла биений, в пределах от 50 до 400 мс. Точность уставок по времени опережения должна соответствовать следующим данным:

Время опережения, мс

Допустимое отклонение, мс

от 50 до 100

±20

от 100 до 300

±30

от 300 до 400

±40


Подгонка частоты производится при разности частот 10±2% от номинального значения путём воздействия на серводвигатель регулятора скорости генераторного агрегата.

 

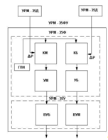
.2 Управление распределением активной нагрузки параллельно работающих генераторов


Стабилизация частоты судовой сети и распределение нагрузки между генераторами является общей задачей, так системы автоматизации через исполнительные органы воздействуют на изменение подачи энергоносителя (для дизеля это рейка топливного насоса, для турбины - положение золотника подачи пара).

Наиболее распространён на судах метод ведущего генератора, который предусматривает применение систем типа УРЧН, УРМ-35, РЧМ-50, РЧМ-400.

По методу ведущего генератора, один из генераторов, работающий на общую сеть, принимают за базовый (ведущий). Остальные параллельно работающие генераторы являются базисными (ведомыми).

Система автоматизации базового генератора отслеживает частоту судовой сети и при отклонении её от номинальной воздействует на исполнительные органы изменения подачи энергоносителя приводного двигателя этого генератора. Система автоматизации каждого базисного генератора сравнивает свою загрузку по активной мощности с загрузкой базового генератора и при её рассогласовании, через исполнительные органы (например, серводвигатель дизель-генератора), воздействует на изменение подачи энергоносителя своего приводного двигателя. Такая система, при изменении нагрузки судовой сети, включается в работу и обеспечивает стабилизацию частоты и равномерного распределения активной нагрузки между генераторами относительно их установленной мощности.

Для распределения активной нагрузки применим устройство УРМ-35.

Распределение нагрузки между генераторами и стабилизация частоты судовой сети является общей задачей УРМ-35 и ПРЧ. УРМ-35 предназначено в основном для выравнивания активной нагрузки параллельно работающих генераторов. Если в параллели больше двух генераторов, то у каждого используется свой ПРЧ.

Применение УРМ-35 с прибором ПРЧ обеспечивает поддержание частоты с точностью ±0,5% от номинальной и распределение нагрузок в статических режимах между параллельно работающими генераторами в пределах ±0,5% при условии изменения суммарной нагрузки системы от 20% до 110% от номинальной и при коэффициенте мощности в пределах от 1,0 до 0,7.

Рис.8 Функциональная схема устройства УРМ-35

На рис.8 представлена функциональная схема устройства УРМ-35 для системы, состоящей из двух генераторов с воздействием только на один серводвигатель.

Сигнал дифференциальной цепи, обусловливаемый разностью активных нагрузок ΔP генераторов, поступает на входы полупроводниковых реле «больше», «меньше» КБ и КМ. На эти же входы реле подается «запирающее» напряжение от генератора пилообразного напряжения (ГПН).

При разности активных нагрузок на генераторах, превышающей 5%, на входы реле КБ и КМ кроме пилообразного напряжения с генератора ГПН поступит постоянный сигнал из дифференциальной цепи датчиков, достаточный для срабатывания одного из реле в зависимости от полярности сигнала дифференциальной цепи в момент уменьшения пилообразного напряжения. Этот сигнал усиливается вначале усилителем «меньше» (УМ) или усилителем «больше» (УБ), а затем входным усилителем ВУБ или ВУМ. С выходного усилителя импульсное напряжение поступает на серводвигатель генераторного агрегата, воздействуя на первичный двигатель генератора таким образом, чтобы активные нагрузки генераторов выравнивались. При равенстве нагрузок генераторов ток в дифференциальной цепи уменьшится до нуля, и формирователь прекратит выдавать импульсы напряжения.

Принципиальная схема устройства приведена на рис. 9.1, 9.2, 9.3.

Рис. 9.1 Схема принципиальная электрическая блока УРМ-35У1

Рис. 9.2 Схема принципиальная электрическая блока УРМ-3Ф

Рис. 9.3 Схема принципиальная электрическая блока УРМ-35Д

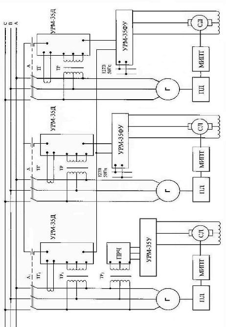
На рис.10. приведена схема включения устройства УРМ-35. На шины каждого генератора устанавливается датчик активного тока. Выходы датчиков соединяются по дифференциальной схеме. Т.к выходы датчиков соединены между собой встречно, то при равенстве нагрузок на генераторах напряжение на выходах блоков УРМ-35ФУ равно нулю. При неравенстве нагрузок генераторов датчики дают разный по величине выходной сигнал, что обуславливает на выходах блоков УРМ-35ФУ напряжение. На выходах последних появляется сигнал, подаваемый на серводвигатели, которые воздействуют на регуляторы первичных двигателей таким образом, что выравнивает нагрузки на параллельно работающих генераторах.

Рис.10 Схема включения устройства УРМ-35

 

.3 Управление распределением активной нагрузки


По правилам Морского Регистра РФ системы автоматического регулирования по классу AUT2 должны обеспечивать распределение реактивной нагрузки между генераторами с точностью ±10% от номинальной мощности генераторов. Такое распределение должно иметь место при любой суммарной реактивной нагрузке генераторов в пределах 20÷100% от номинальной. Для уменьшения неравномерности распределения реактивных нагрузок возможны различные меры:

. Настройка АРН изменением установок (меняется уставка в КН).

. Искусственное увеличение статизма по реактивному току.

Заводами изготовителями, совместно с автоматическими регуляторами напряжения поставляются блоки параллельной работы (БПР). С помощью БПР достигается распределение реактивных нагрузок при параллельной работе генераторов. В состав этого устройства входят трансформатор тока, делительный трансформатор и подстроечные резисторы:

Рис. 11 Функциональная схема БПР

При раздельной работе генераторов ток вторичной обмотки трансформатора тока делится на две равные части. При этом намагничивающие силы, создаваемые токами в двух частях первичной обмотки трансформатора, равны и направлены встречно и не оказывают влияния на выходное напряжение генератора. Изменением соотношения подстроечных сопротивлений можно получить статическую внешнюю характеристику генератора.

При параллельной работе генераторов дополнительные устройства соединяются между собой уравнительными проводами.

Если реактивная мощность равномерно распределяется между генераторами, то падения напряжения на подстроечных сопротивлениях равны и в уравнительных соединениях ток отсутствует.

Нарушение равномерного распределения реактивной нагрузки между генераторами вызовет неравенство падений напряжения на настроечных сопротивлениях и протекание тока в уравнительных соединениях. При этом нарушится также равенство намагничивающих сил в первичных обмотках делительных трансформаторов. В их вторичных обмотках появится напряжение, которое будет изменять напряжение на входе трансформатора линейной цепи. На входе линейного элемента генератора с относительно большой реактивной нагрузкой напряжение увеличится, а на входе линейного элемента генератора с относительно малой реактивной нагрузкой уменьшится. Измерительный орган корректора напряжения воспримет это изменение напряжения и подаст сигнал на уменьшение тока возбуждения генератора с большей реактивной нагрузкой и на увеличение тока возбуждения генератора с меньшей реактивной нагрузкой. Произойдет выравнивание реактивных мощностей, ток в уравнительных соединениях прекратится и наступит баланс намагничивающих сил в первичных обмотках делительных трансформаторов. Так как трансформатор тока включен в одну фазу, а линейный элемент в две другие, измерительный орган реагирует на изменение реактивной нагрузки генератора.

 

4. Выбор автоматической защиты СЭС


На судах могут быть как повреждения отдельных элементов, так и судовой сети. Защита элементов СЭС осуществляется как простейшими элементами (предохранители, автоматические выключатели, тепловые реле), так и унифицированными функциональными устройствами управления.

 

.1 Устройство автоматической разгрузки генераторов (УРГ)


УРГ предназначено для устранения перегрузки генераторных агрегатов посредством отключения части потребителей при увеличении нагрузки выше допустимой и рассчитано на работу по активному и полному току.

Устройство УРГ состоит из датчика активного тока ДАТ, электронного реле режима ЭРР и исполнительных элементов ИЭ1, ИЭ2, ИЭ3 - трёх ступеней отключения потребителей с реле времени РВ1, РВ2, РВ3.

Подключение устройства к генератору трёхфазного переменного тока выполняется через типовые измерительные трансформаторы напряжения с вторичным напряжением 127 В, частотой 50 Гц и трансформатор тока с вторичным током 5 А.

Устройство УРГ обеспечивает надёжную работу в условиях длительных колебаний напряжения в пределах ± 5% и частоты в пределах ± 3%, при кратковременных колебаниях напряжения от - 25 до +13% и частоты от -6 до +4%. Мощность, потребляемая устройством, составляет не более 10 ВА и 5 ВА соответственно от трансформаторов напряжения и тока, питающих датчик тока, и не более 40 ВА от трансформатора напряжения, питающего релейный блок.

Устройство УРГ состоит из датчика активного тока ДАТ, электронного реле режима ЭРР и исполнительных элементов ИЭ1, ИЭ2, ИЭ3 - трёх ступеней отключения потребителей с реле времени РВ1, РВ2, РВ3.

Структурная схема устройства аварийной разгрузки генератора приведена на рис.12.

Рис. 12 Функциональная схема УРГ

Датчик активного тока преобразует активную составляющую тока генератора в постоянное напряжение на выходе и выполнен в виде моста сопротивлений. На одну диагональ моста подаётся напряжение генератора, а с другой диагонали напряжение выхода снимается на электронное реле режима ЭРР. Таким образом, напряжение на выходе измерителя пропорционально активной составляющей тока генератора. Точность выражения активной составляющей тока тем выше, чем больше напряжение, поданное на мост от генератора. Реле времени РВ отключает потребителей электроэнергии с выдержкой времени между первой, второй и третьей ступенями срабатывания устройства (во избежание ложных срабатываний), т.е. включает питание на исполнительные элементы - электронные реле ступеней отключения (триггер, выполненный на транзисторах обеспечивающий срабатывание устройства при заданной величине уставки).

После отключения потребителей первой ступени и уменьшения нагрузки ниже уставки контакт реле РВ отпадает, и реле следующих ступеней не срабатывают.

Принципиальная схема устройства приведена на рис. 13.

Рис. 13 Принципиальная схема устройства УРГ

Принципиально реле и датчики УРГ можно совместить в одном корпусе, однако разделение блоков позволяет при необходимости увеличить число ступеней (добавить реле, используя один датчик).

 

.2 Устройство автоматического включения резерва (УВР)


Данное устройство предназначено для подачи импульса:

на запуск резервного генератора при повышении нагрузки сверх заданной;

на остановку резервного генератора при уменьшении нагрузки ниже заданной;

на отключение генераторного автомата, работающего генератора и запуск резервного при длительном снижении или исчезновении напряжения.

Устройство подключается к генератору трёхфазного переменного тока через типовые трансформаторы напряжения с вторичным напряжением 127 В, частотой 50 Гц и через трансформатор тока на 5 А. Питание устройства осуществляется от постороннего источника переменного тока напряжением 127 В, частотой 50 Гц или постоянного тока напряжением 24 В.

Мощность, потребляемая устройством, составляет не более 10 ВА и 15 ВА соответственно от трансформаторов напряжения и тока со стороны генератора и не более 25 ВА со стороны постороннего источника.

Для включения резервного генератора устройство выполняется для работы по полному или активному току нагрузки и настраивается на полный ток срабатывания в пределах 2,3 ÷ 5,0А или на активный ток срабатывания в пределах 1,8 ÷ 4,0 А.

Отключение резервного генераторного агрегата возможно по полному току срабатывания в предела 1 ÷ 1,8 А.

Точность срабатывания устройства находится в пределах ± 5% от тока уставки (для устройств, работающих по активному току, при изменении cosφ от 0,6 до 1,0). Срабатывание происходит также при снижении напряжения генератора до 80% ± 5% от номинального и ниже с выдержкой времени 5÷8 с.

Допускаются следующие перегрузки устройства по току генератора: 10% в течение 2 ч.; 25% в течение 30 мин и 50% в течение 5 мин.

Для данной СЭЭС будем использовать УВР - 1П1 для работы по полному току с напряжением питания от постороннего источника переменного тока 127 В, частотой 50 Гц.

Устройство состоит из двух датчиков активного или полного тока ДАТ, электронных реле повышения нагрузки РПН, снижения нагрузки РСН, контроля напряжения РКН и исполнительных элементов ИЭ. Датчики активного или полного тока не отличаются от датчиков, применяемых в УРГ.

Функциональная схема устройства УВР-1П1 изображена на рис.14

Рис. 14 Функциональная схема УВР

При увеличении нагрузки сверх уставки, выходной сигнал одного из датчиков нагрузки преобразуется, усиливается и выдаёт сигнал на включение резервного генераторного агрегата.

При номинальной работе генератора выходное реле канала снижения нагрузки через датчик активного тока, и преобразователь находится во включенном состоянии. Снижение нагрузки до величины уставки вызывает размыкание контактов (с выдержкой времени от ложных срабатываний) и выдаётся сигнал на отключение резервного генераторного агрегата.

Принципиальная схема устройства приведена на рис. 15.

Рис. 15 Принципиальная схема устройства УВР

4.3 Устройство контроля изоляции (УКИ)


Устройство контроля сопротивления изоляции предназначено для непрерывного контроля сопротивления изоляции сетей переменного тока с незаземлённой нейтралью напряжением от 0 до 400 В.

Питание устройства производится от сети однофазного переменного тока напряжением 127 В и частотой 50 Гц.

Устройство надёжно работает в корабельных условиях при длительных корабельных напряжениях ± 5% и частоты ± 3%, при кратковременных колебаниях напряжения от - 25 до + 13% и частоты от - 6 до + 4%.

Мощность, потребляемая устройством из сети, не превышает 45 ВА.

Устройство обеспечивает три нижеперечисленных уставок по сопротивлению изоляции контролируемой сети:

а) 500 Ком ± 20%;

б) 200 Ком ± 30%;

в) 100 Ком ± 40%;

г) 50 Ком ± 50%;

д) 30 Ком ± 60%;

Устройство обеспечивает выходной сигнал полезной мощностью 8 Вт, напряжением 24 В при значениях сопротивления изоляции соответствующих уставкам.

Функциональная схема прибора УКИ-1 представлена на рис.16.

Рис. 16 Функциональная схема УКИ-1

Прибор позволяет осуществить контроль изоляции двух независимых сетей. Он состоит из двух одинаковых блоков I и II, каждый из которых включает в себя элементы: усилитель постоянного тока с высоким входным сопротивлением, выполненный на кремниевых транзисторах, с переключателем уставок; несимметричный триггер на кремниевых транзисторах; выходной усилитель на кремниевом и германиевом транзисторах. Блок питания III состоит из: выпрямителя коллекторного напряжения, собранного по двухполупериодной схеме; выпрямителя напряжения смещения, собранного по двухполупериодной схеме; общего трансформатора питания.

При включении устройства в сеть блок питания УКИ-1 подает напряжение на обе частя схемы.

Если контролируемое сопротивление изоляции выше уставки, то падение напряжения на резисторе уставки Rу2 или Rу1, от тока утечки недостаточно для срабатывания устройства УКИ-1

При снижении сопротивления изоляции контролируемой сети ниже нормы падение напряжения на сопротивлении уставки увеличивается и вызывает срабатывание устройства УКИ-1. При этом напряжение на коллекторе строенного транзистора уменьшается. Стабилитрон СТ2 запирается, отсекая ток базы транзистора Т4. Транзистор Т4 запирается. Повышение отрицательного напряжения на коллекторе транзистора Т4 вызывает пробой стабилитрона СТ3 и, следовательно, запуск несимметричного триггера Т5, Т6. Триггер опрокидывается: при этом транзистор Т5 отпирается, а Т6 - запирается и на вход эмиттерного повторителя Т7 подается отрицательный сигнал. Сигнал с эмиттерного повторителя подается на мощный транзистор Т8. Этот транзистор отпирается н через исполнительный элемент протекает ток, достаточный для его срабатываний.

Структурная схема устройства УКИ-1 изображена на рис.17.

Рис. 17 Принципиальная схема УКИ-1

4.4 Защита от обрыва фазы при питании с берега


Для защиты электроэнергетической системы от работы на двух фазах и для подачи сигнала о снижении напряжения при питании с берега применяется устройство ЗОФН. Оно рассчитано на работу в сетях трёхфазного переменного тока напряжением 380 В, частотой 50 Гц при токе нагрузки 800 или 1500 А в зависимости от модификации трансформаторов тока.

Устройство работает в судовых условиях при температуре окружающего воздуха от + 5 до + 50º C, длительных отклонениях напряжения ± 10% и частоты ± 3% от номинальных значений, а также при перегрузках по току сверх номинальных значений (10% в течении 2 ч, 25% в течении 30 мин, 50% в течении 1 мин).

Устройство рассчитано таким образом, чтобы не происходило ложных срабатываний при возникновении следующих отклонений от нормального состояния в сети:

симметричных (трёхфазных) и несимметричных (двухфазных и однофазных) коротких замыканий;

симметрии токов нагрузки, доходящих до 25%;

набросов любой нагрузки (по величине и характеру) и сбросов нагрузки до нуля;

кратковременных колебаний напряжения от - 25 до + 13% и частоты тока от - 6 до + 4% относительно номинальных значений.

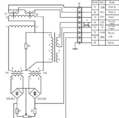
ЗОФН состоит из двух блоков: блока защиты и сигнализации, смонтированных в одном корпусе, и блока трансформаторов тока.

Функциональная схема ЗОФН изображена на рис.18.

Рис. 18 Функциональная схема ЗОФН

Блок защиты и сигнализации включает в себя три узла: измерительный, исполнительный и узел сигнализации.

Измерительную часть схемы составляют: выпрямительный мост В1, измерительное реле Р1, а также элементы форсировки и ограничения тока в обмотке этого реле - конденсатор C1 и сопротивление R1. Питание реле Р1 получает через выпрямитель В1, подключённый к вторичным обмоткам W2 трансформаторов тока, которые соединены в открытый треугольник.

Исполнительную часть схемы составляют: трёхфазный выпрямитель В2, исполнительное реле Р2, элементы выдержки времени срабатывания этого реле - конденсатор С2 и сопротивление R2, а также шунтирующее сопротивление Rш. Питание на выпрямитель В2 поступает от вторичных обмоток W3 трансформаторов тока, соединённых в звезду.

Узел сигнализации содержит реле Р3, получающее питание через выпрямитель В3 и блок стабилитронов Ст1 и Ст2 от понижающего трансформатора Тр, включённого на линейное напряжение системы.

Блок трансформаторов тока состоит из трёх специальных быстро насыщающихся двухобмоточных трансформаторов тока ТТ1, ТТ2, ТТ3.

Работа защиты от обрыва фазы основана на принципе суммирования третьих гармонических составляющих ЭДС, возникающей в обмотках W3, соединённых в звезду.

При ненасыщенной магнитной системе трансформаторов тока сумма ЭДС вторичных обмоток W2 будет равна нулю. В случае насыщения сердечников трансформаторов тока форма ЭДС вторичных обмоток резко отличается от синусоидальной и по обмотке W2 протекают третьи гармонические составляющие тока. На выводах обмоток трансформаторов тока, т.е. на выпрямителе В1, будем иметь утроенную величину третьей гармоники ЭДС.

Третьи гармонические составляющие ЭДС воздействуют на измерительную часть схемы, контролируя неисправность фаз.

ЭДС вторичной обмотки W2 воздействует на исполнительную часть схемы (реле Р2), приводя сигнал об обрыве фазы к исполнителю.

При нормальной работе системы и насыщенных сердечниках трансформаторов тока и в их вторичных обмотках W2 третьи гармоники ЭДС, суммируясь, воздействуют на измерительное реле Р1, которое, сработав, разомкнёт свой размыкающий контакт в цепи обмотки исполнительного реле Р2. Обмотки W3 трансформатора, соединённые в звезду через выпрямитель В2, нагружены только на сопротивление RШ.

В случае обрыва какой-либо фазы токи в исправных фазах будут равны по величине и сдвинуты по фазе на 180º. Во вторичных обмотках трансформаторов тока, соединённых последовательно, наводятся равные по величине и противоположные по направлению ЭДС, результирующая которых на выходе будет равна нулю. Реле Р1, потеряв питание, подключает своим размыкающим контактом реле Р2 на выход выпрямителя В2. При этом конденсатор C2 и сопротивление R2 создают медленное нарастание напряжения на реле Р2, т.е. выдержку времени при срабатывании. Реле Р2, сработав, подаёт импульс на отключение автомата питания с берега.

При нормальном напряжении в системе стабилитроны Ст1 и Ст2 открыты, реле Р3 находится под напряжением и его замыкающие контакты размыкают цепь сигнализации. Снижение напряжения системы на 15 - 20% приводит к тому, что стабилитроны запираются, реле Р3 теряет питание и замыкает свой контакт, подавая импульс на включение сигнализации.

Принципиальная схема ЗОФН изображена на рис.19

Рис. 19 Принципиальная схема ЗОФН

4.5 Реле обратной мощности (тока)

судовой электроэнергетический автоматизация генератор

При параллельной работе ГА возможен переход одного из них в двигательный режим вследствие изменения направления потока мощности в цепи генератора из-за нарушения нормальной работы первичного двигателя. На судах в СЭЭС при параллельной работе генераторов применяют реле обратной мощности, предназначенные для защиты генератора путём отключения автоматического выключателя.

Для проектируемой СЭЭС выбираем реле типа РОТ-51.

Реле предназначено для включения в контролируемую сеть через измерительные трансформаторы тока 5 А и напряжения 380/127 В.

Ток срабатывания реле практически не зависит от изменения напряжения в сети в пределах (0,5 ÷ 1,0)UН. С помощью реле осуществляется ступенчатая регулировка уставок по величине обратного тока и по времени срабатывания.

По обратному активному току срабатывания имеются три уставки: 5, 10 и 15% от IР.Н при cosφС = -1. С изменением cosφС в пределах от -1 до -0,2 начальный ток срабатывания реле увеличивается. Отрицательные значения cosφc определяются углом между обратным током и напряжением сети. Этот угол при срабатывании реле может находиться в пределах от 180 до 900.

По времени срабатывания имеется 7 уставок в пределах от 1 до 5 секунд. Выдержки времени реле на всех уставках находятся в обратной зависимости от величины тока. При обратном токе, равном току отсечки (0,5 ÷ 0,7)Iн, время срабатывания не превышает 100 мсек. Реле возвращается в исходное положение без срабатывания при снижении обратного тока до 0,9Iн по истечении времени, равного 0,9 от величины уставки срабатывания.

Функциональная схема устройства изображена на рис. 20.

Рис. 20 Функциональная схема РОТ-51

Принципиальная схема устройства изображена на рис. 21.

Рис. 21 Принципиальная схема реле обратного активного тока РОТ-51/401

4.6 Выбор генераторного автоматического выключателя


Для защиты СЭС и её элементов от коротких замыканий и перегрузок применяются автоматические выключатели (автоматы). Автоматическим выключателем (автоматом) называется электрический коммутационно-защитный аппарат с высокой коммутационной способностью, предназначенный для автоматического размыкания электрических цепей при аварийных ситуациях, а также для нечастых оперативных включений и отключений электрических цепей при нормальных условиях работы. В автоматы встраиваются так называемые расцепители, т.е. электромагнитные, электротепловые или полупроводниковые реле, которые при определённом значении тока дают импульс на размыкание контактов автомата. Этим автоматы обеспечивают так называемую максимальную токовую защиту.

Автоматические выключатели являются как аппаратами защиты электрооборудования, так и аппаратами, предназначенными для коммутации электрических цепей. Автоматы являются универсальными аппаратами защиты, что определяется количеством и назначением расцепителей, вставляемых в них, и возможностью использования внешних по отношению к автомату средств защиты, воздействующих на отключающий расцепитель, встроенный в автомат. Автоматы способны разрывать большие токи короткого замыкания и обеспечивают одновременное и обязательное отключение всех фаз защищаемого объекта. Автоматы обеспечивают местное и дистанционное включение и отключение электрических сетей (линий электропередачи). Использование автоматических выключателей позволяет автоматизировать работу СЭС.

На основании изложенного можно заключить, что автоматические выключатели являются наиболее распространёнными средствами защиты и управления СЭС.

Автоматические выключателя в большинстве случаев имеют два расцепителя. Один из них обеспечивает защиту от токов перегрузки, другой - от токов короткого замыкания.

Автоматические выключатели, имеющие устройство, объединяющее уставки по времени отключения токов короткого замыкания, принято называть селективными или избирательными.

Выбираем автоматические выключатели серии АС25-2М, которые являются селективными. Они изготавливаются с электромагнитными расцепителями мгновенного отключения (за время 0,04 с). Они осуществляют защиту от токов перегрузки более 10IНОМ ±20% (время срабатывания не более 0,04 с) и от токов короткого замыкания (ударный ток короткого замыкания 3200 А).

 

4.7 Устройство звуковой и световой сигнализации типа УЗСС-1


Такие устройства широко применяются в системах дистанционного автоматизированного управления СЭЭС для предупредительной сигнализации о несоответствии положения ключей управления состоянием коммутационной аппаратуры, а также для контроля параметров установки. Устройства надёжно работают в судовых условиях при длительных колебаниях напряжения в пределах ±5% и частоты ±2,5%, при кратковременных колебаниях напряжения от -25% до +13% и частоты от -6 до +4% относительно их номинальных значений и температуре окружающей среды до +500С.

Блок-схема устройства изображена на рис. 22.

Рис. 22 Функциональная схема УЗСС-1

УЗСС-1 рассчитано на десять каналов сигнализации с сигнальными лампами напряжением 26В, общей мощностью не более 40Вт и типа ЗВОФ24-70В1 напряжением 24В. Мощность, потребляемая устройством при одновременной работе звонка и ламп, не превышает 60ВА.

Принцип действия устройства следующий:

В момент подачи напряжения на первичную обмотку трансформатора Тр статический триггер устанавливается в исходное положение (П1 закрыт П2 открыт) с помощью диодно-емкостной цепочки 7С1-7Д6. В исходном положении транзисторы усилителя П3 и П4 закрыты. При замыкании контактов датчиков загорается соответствующая сигнальная лампа на пульте оператора и одновременно на базу транзистора П1 подаётся открывающий импульс, сформированный одной из пятидесяти диодно-емкостных цепочек устройства, связанной с контактом сработавшего датчика. При этом триггер переключается в другое состояние (П1 открыт П2 закрыт), открываются транзисторы усилителя П3 и П4, включается звонок. Для снятия звукового сигнала оператор нажимает нормально разомкнутую кнопку КС, устанавливая триггер в исходное состояние. Световой сигнал о неисправности объекта остаётся до её устранения и размыкания контактов датчика.

Устройство УЗСС-1 конструктивно представляет собой корпус и выдвигающееся шасси, выполненные из стали.

На шасси расположены 8 блоков устройства:

блок триггера и усилителя ТУБ;

5 диодно-конденсаторных блоков ДК1-ДК5;

блок диодов Д.

Из 8 блоков 7 выполнены съёмными (ДК1-ДК5, Д, ТУБ) на штепсельных разъёмах РП3-30 и РП3-16, что облегчает условия обслуживания и ремонт устройства.

Принципиальная схема УЗСС изображена на рис.23.

Рис. 23 Принципиальная схема УЗСС

5. Расчёт изменения напряжения и частоты

 

.1 Режим включения статической нагрузки


. Метод расчётных кривых

Структурная схема расчётного режима приведена на рис.25

Рис. 24

Перечень необходимых для расчета исходных данных приведён в таблице 1.

Таблица 1

Наименование

Обозначение

Численное значение

1. Тип генератора

МСК 91-4

-

2. Полная номинальная мощность генератора, кВА

S

94

3. Полная мощность включаемой нагрузки, кВА

SВКЛ

28

4. Коэффициент мощности включаемой нагрузки

cos φВКЛ

0,8


Определяем полную проводимость включаемой статической нагрузки в относительных единицах:


По графику заданному в приложении 1 методического пособия определяем максимальный «провал» напряжения.

ΔU = -4,9%

. Аналитический метод

Структурная схема расчетного режима приведена на рис.26.

Рис. 25

Перечень необходимых для расчета исходных данных приведён в таблице 2.

Таблица 2

Наименование

Обозначение

Численное значение

1. Тип генератора

MСK 91-4

-

2. Полная мощность включаемой нагрузки, кВА

SВКЛ

28

3. Коэффициент мощности включаемой нагрузки, о.е.

cos φВКЛ

0,8

4. Полная мощность предварительной нагрузки, кВА

SНО

30

5. Коэффициент мощности предварительной нагрузки, о.е.

cos φНО

0,6

Параметры синхронного генератора

6. Полная номинальная мощность, кВА

S

94

7. Синхронное индуктивное сопротивление по продольной оси, о.е.

xd

2,15

8. Синхронное индуктивное сопротивление по поперечной оси, о.е

xq

0,96

9. Переходное индуктивное сопротивление по продольной оси, о.е.

x`d

0,24

10. Сверхпереходное индуктивное сопротивление по продольной оси, о.е.

x``d

0,185

11. Сверхпереходное индуктивное сопротивление по поперечной оси, о.е.

x``q

0,246

12. Коэффициент магнитной связи фаз статора и поперечного демпферного контура, о.е.

μq

0,744


“Провал” напряжения рассчитывается следующим образом.

Определяем полную проводимость нагрузки в относительных единицах:


Определяем полную проводимость предварительной нагрузки в относительных единицах:


Определяем активную и реактивную проводимости включаемой нагрузки в относительных единицах:


Определяем активную и реактивную проводимости предварительной нагрузки в относительных единицах:


Определяем суммарные активную и реактивную проводимости нагрузки генератора в относительных единицах:


Определяем составляющие напряжения генератора в исходном статическом режиме:


Определяем составляющие тока статора и ток возбуждения генератора в исходном статическом режиме:

Определяем составляющие напряжения генератора с учётом демпферных обмоток в первый момент после включения нагрузки:


Определяем «провал» напряжения генератора с учётом демпферных обмоток в первый момент после включения нагрузки:


Определяем составляющие напряжения генератора без учёта демпферных обмоток в первый момент после включения нагрузки:


Определяем «провал» напряжения генератора без учёта демпферных обмоток в первый момент включения нагрузки:


Определяем максимальный «провал» напряжения генератора при включении статической нагрузки:


5.2 Включение статического преобразователя

Метод расчётных кривых

Структурная схема расчётного режима приведена на рис.26

Рис. 26

Перечень необходимых для расчёта исходных данных приведён в таблице 3.

Таблица 3

Наименование

Обозначение

Численное значение

1. Тип генератора

МСК 91-4

-

2. Полная номинальная мощность генератора, кВА

S

94

3. Мощность нагрузки, включаемой на стороне постоянного тока, кВт

Pd

35

4. Глубина регулирования напряжения преобразователя

λ

0,45


Определяем полную мощность включаемой нагрузки, приведённой стороне переменного тока:


Полная проводимость включаемой нагрузки в относительных единицах:


По графику определяем максимальный «провал» напряжения:

ΔU = -15%

Аналитический метод

Структурная схема расчётного режима приведена на рис.27.

Необходимые для расчета исходные данные и их численные значения приведены в таблице 4.

Рис. 27

Таблица 4

Наименование

Обозначение

Численное значение

1. Тип генератора

MСK 91-4

-

2. Мощность нагрузки, включаемой на стороне постоянного тока, кВт

Pd

35

3. Глубина регулирования напряжения преобразователя

λ

0,45

4. Полная мощность предварительной нагрузки, кВА

SНО

16

5. Коэффициент мощности предварительной нагрузки, о.е.

cos φНО

0,8

Параметры синхронного генератора

6. Полная номинальная мощность, кВА

S

94

7. Синхронное индуктивное сопротивление по продольной оси, о.е.

xd

2,15

8. Синхронное индуктивное сопротивление по поперечной оси, о.е

xq

0,96

9. Переходное индуктивное сопротивление по продольной оси, о.е.

x`d

0,24

10. Сверхпереходное индуктивное сопротивление по продольной оси, о.е.

x``d

0,185

11. Сверхпереходное индуктивное сопротивление по поперечной оси, о.е.

x``d

0,246

12. Коэффициент магнитной связи фаз статора и поперечного демпферного контура, о.е.

μq

0,744


Определяем полную мощность включаемой нагрузки, приведённой к стороне переменного тока:


Рассчитаем «провал» напряжения.

Определяем полную проводимость включаемой нагрузки в относительных единицах:

Определяем полную проводимость предварительной нагрузки в относительных единицах:


Определяем активную и реактивную проводимости включаемой нагрузки в относительных единицах:


Определяем активную и реактивную проводимости предварительной нагрузки в относительных единицах:


Определим суммарные активную и реактивную проводимости нагрузки генератора в относительных единицах:


Определяем составляющие напряжения генератора в исходном статическом режиме:


Определяем составляющие тока статора и ток возбуждения генератора в исходном статическом режиме:


Определяем оставляющие напряжения генератора с учетом демпферных обмоток в первый момент после включения нагрузки:


Определяем “провал” напряжения генератора с учетом демпферных обмоток в первый момент после включения нагрузки:


Определяем составлявшие напряжения генератора без учета демпферных обмоток в первый момент после включения нагрузки:


Определяем "провал" напряжения генератора без учета демпферных обмоток в первый момент после включения нагрузки:


Определяем максимальный "провал" напряжения генератора при включении статической нагрузки:


5.3 Режим прямого пуска асинхронного двигателя

Метод расчётных кривых

Структурная схема расчётного режима приведена на рис.28.

Рис. 28

Перечень необходимых для расчёта исходные данных приведён в таблице 5.

Таблица 5

Наименование

Обозначение

Численное значение

1. Тип генератора

МСК 91-4

-

2. Тип запускаемого двигателя

АМН-2

7 кВА

3. Полная номинальная мощность генератора, кВА

S

94

4. Базисное сопротивление генератора, Ом

zБГ

0.536


Определяем полную проводимость YДП= 0.83 Cm

Коэффициент мощности двигателя при пуске cos φдп = 0.42

Определяем полную проводимость двигателя в относительных единицах в момент включения:


По графику определяем максимальный «провал» напряжения: ΔU= -9%.

Аналитически метод:

Структурная схема расчетного режима приведена на рис. 29.

Рис. 29

Необходимые для расчета исходные данные приведёны в таблице 6.

Таблица 6

Наименование

Обозначение

Численное значение

1. Тип генератора

МСК 91 - 4

Проект конкретной электростанции

2. Тип запускаемого двигателя

АМН - 2


3. Полная мощность предварительной нагрузки, кВА

SНО

7

4. Усредненный коэффициент мощности предварительной нагрузки

cos φНО

0.9

Параметры генератора

5. Полная номинальная мощность, кВА

SНГ

94

6. Базисное сопротивление, Ом

zДП

0.563

7. Синхронное индуктивное сопротивление по продольной оси, о.е.

xd

2.15

8. Синхронное индуктивное сопротивление по поперечной оси, о.е.

xq

0.96

9. Переходное индуктивное сопротивление по продольной оси, о.е.

x`d

0.24

10. Сверхпереходное индуктивное сопротивление по продольной оси, о.е.

x``d

0.185

11. Сверхпереходное индуктивное сопротивление по поперечной оси, о.е.

x``q

0.246

12. Коэффициент магнитной связи фаз статора и поперечного демпферного контура, о.е.

μq

0.744


Рассчитаем «провал» напряжения.

Определим величины полной, активной и реактивной проводимостей двигателя в момент включения в относительных единицах:

Определим полную проводимость предварительной нагрузки генератора ротора в относительных единицах:


Определим активную и реактивную проводимости предварительной нагрузки генератора:


Определим суммарные активную и реактивную проводимости нагрузки генератора в момент включения двигателя:


Определим составляющие напряжения генератора в исходном статическом режиме:

Определяются составляющие тока статора и ток возбуждения генератора в исходном статическом режиме:


Рассчитываются составляющие напряжения генератора с демпферными обмотками в первый момент после включения двигателя:


Определяется “провал” напряжения генератора с демпферными обмотками в первый момент после включения двигателя:


Рассчитываются составляющие напряжения генератора без демпферных обмоток в первый момент после включения двигателя:


Определяется провал напряжения генератора без демпферных обмоток в первый момент после включения двигателя:


Определяется максимальный “провал” напряжения генератора при включении асинхронного двигателя:

Список литературы

1.   Гальперин В. Е., Мальнев А. Н., Чурносов А. И. Системы и устройства судовой автоматики: схемотехника средств автоматизации. - Северодвинск: Севмашвтуз, 2004. - 51с.

2.       Константинов В. Н. Системы и устройства автоматизации судовых электроэнергетических установок. Л.: Судостроение, 1972.

.        Мещанинов П.А. Автоматизация судовых электроэнергетических систем. Л., «Судостроение», 1970.

.        Справочник судового электромонтажника. // Под ред. Китаенко Г. И. Т.2. Л.: Судостроение, 1980.

.        Яковлев Г.С. Судовые электроэнергетические системы. Л.: Судостроение, 1987.

Похожие работы на - Проектирование системы устройств автоматического управления и защиты судовой электростанции, отвечающей требованиям регистра РФ

 

Не нашли материал для своей работы?
Поможем написать уникальную работу
Без плагиата!
Без нейросетей!