Радиотехничесакие средства

  • Вид работы:
    Отчет по практике
  • Предмет:
    Информатика, ВТ, телекоммуникации
  • Язык:
    Русский
    ,
    Формат файла:
    MS Word
    369,65 Кб
  • Опубликовано:
    2014-02-09
Вы можете узнать стоимость помощи в написании студенческой работы.
Помощь в написании работы, которую точно примут!

Радиотехничесакие средства

ФЕДЕРАЛЬНОЕ АГЕНТСТВО ПО РЫБОЛОВСТВУ

Федеральное государственное образовательное учреждение

Высшего профессионального образования

"МУРМАНСКИЙ ГОСУДАРСТВЕННЫЙ ТЕХНИЧЕСКИЙ

УНИВЕРСИТЕТ"

Кафедра радиотехники и радиотелекоммуникационных систем





ОТЧЕТ

ПО ПРОИЗВОДСТВЕННОЙ ПРАКТИКЕ












Мурманск

Реферат

Настоящий отчет составлен в соответствии с требованиями ГОС к организации практик специалистов по специальности 210302.65 "Радиотехника" (ГОС № 151тех/дс от 17.03.2000 г.) и учебными планами и графиками учебного процесса студентов заочной и очно-заочной форм обучения Мурманского государственного технического университета.

В отчете отражены основные этапы прохождения практики, сведения о содержании практики с приложением выполнения индивидуального задания и сопутствующей документации.

Оглавление

Введение

. Содержание программы практики

1.1 Прикладные основы радиотехники. Материальная часть средств радиосвязи

.2 Ведение практического радиообмена. Правила радиосвязи

. Особенности реализации программы практики

. Результаты выполнения программы и итоги практики

4. Индивидуальное задание

.1 Общие сведения

.2 Исходные данные для проектирования

.3 Структурная и электрическая принципиальная схемы передатчика

.4 Расчет параметров СВЧ передатчика

.5 Расчёт параметров СВЧ передатчика

.6 Расчёт предконечного усилительного каскада

.7 Расчёт мощного утроителя частоты

.8 Расчёт утроителя частоты

.9 Расчёт маломощного утроителя частоты

.10 Расчёт кварцевого генератора

.11 Расчёт цепи согласования генератора и маломощного умножителя

.12 Расчёт цепи согласования маломощного умножителя и утроителя

.13 Расчёт микрополосковых линий передач

.14 Расчёт радиаторов для мощных транзисторов

.15 Разработка конструкции радиопередатчика

Заключение

Список использованных источников информации

Введение

радиотехника передатчик генератор каскад

Практика была организована в радиотехническом учебном центре (РТУЦ) Ленинградской военно-морской базы (ЛенВМБ), базирующемся в г. Кронштадте. Основной задачей РТУЦ ЛенВМБ является специальная подготовка мичманов и прапорщиков, старшин и матросов, а также переподготовка офицеров запаса ВМФ, имеющая целью приобретение обучающимися знаний и навыков, необходимых для прохождения военной службы в радиотехнических подразделениях (боевых частях) кораблей и судов Военно-Морского Флота.

Содержательной и организационной основной практики явилась "Программа подготовки специалистов корабельных средств радиосвязи", утвержденная главкомом ВМФ России в 2008 году […].

В ходе практики изучались следующие радиотехнические средства :

· радиопередатчики: Р-631, Р-632МЛ, Р-654;

·        радиоприемники: Р-680, Р-683, (Р-399А, Р-678, Р-155);

·        радиостанции: Р-625, Р-143, Р-159, Р-163;

·        аппаратура: Р-069;

·        антенно-фидерные устройства;

·        контрольно-измерительные приборы: М4100/3, Ц4352, Ч3-63, C1-96, B3-55.

В ходе практики также изучались:

· индивидуальные средства защиты органов дыхания;

·        аварийное имущество и средства для борьбы с пожарами;

·        аварийное имущество для ликвидации повреждений трубопроводов и электрокабелей;

·        коллективные и индивидуальные спасательные средства;

·        требования безопасности при эксплуатации радиотехнических средств и при выполнении различных видов работ в радио- и электроустановках;

·        основы организации связи в действующих радиосетях соединений (объединений);

·        обязанности лиц радиотехнических служб;

·        особенности распространения радиоволн и электромагнитной совместимости радиоэлектронных средств;

·        основы электротехники и радиотехники в объеме, необходимом для понимания физических процессов, происходящих при работе средств связи;

·        назначение, основные тактико-технические параметры, устройство и размещение изучаемых образцов радиотехнических устройств (РТУ);

·        правила технического обслуживания и использования изучаемых образцов РТУ;

·        организацию связи с береговыми узлами связи и кораблями;

·        правила установления связи и ведения радиообмена;

·        классификацию нарушений безопасности связи и меры по ее обеспечению;

·        способы защиты радиосвязи от радиоэлектронного противодействия, мероприятия по обеспечению безопасности и радиоэлектронной защиты связи;

·        правила ведения эксплуатационной документации;

·        назначение и правила практического использования контрольно-измерительных приборов;

·        параметры изучаемых образцов РТУ, подлежащие контролю и способы их измерения;

·        характерные неисправности изучаемых образцов РТУ, методику их предупреждения, обнаружения и устранения;

·        первичные мероприятия по борьбе за живучесть средств связи;

·        правила хранения, учета и расходования ЗИП;

·        требования безопасности при эксплуатации средств связи.

Отрабатывались навыки:

· подготовки изучаемых образцов РТУ к использованию;

·        контроля их технического состояния;

·        осуществления практического радиообмена в канале связи;

·        проведения контрольного осмотра и ежедневного технического обслуживания изучаемых образцов РТУ;

·        использования контрольно-измерительных приборов для проверки и настройки средств связи;

·        обнаружения и устранения простейших неисправностей изучаемых образцов РТУ;

·        ведения эксплуатационной документации;

·        тушения возгораний и пожаров в РТУ и помещениях.

Выполнение программы практики осуществлялось на практических занятиях и тренировках, которые проводились обучающим составом в кабинетах и классах, имеющих необходимое методическое и материально-техническое обеспечение, в том числе учебные боевые посты, содержащие учебно-боевую технику, тренажеры и отдельные узлы, необходимые для отработки практических вопросов.

При изучении устройства и правил эксплуатации РТУ особое внимание уделялось твердому усвоению эксплуатационных инструкций, умению готовить к действию и обслуживать изучаемые образцы РТУ, устранять неисправности, предупреждать аварийность и травматизм, строгому и пунктуальному соблюдению требований безопасности.

1. Содержание программы практики порядок её реализации и результаты выполнения

.1 Прикладные основы радиотехники. Материальная часть средств радиосвязи

Теоретические основы электрорадиотехники

Замкнутая электрическая цепь, единицы измерения постоянного и переменного тока (напряжение, сила тока, частота). Понятие о фазе переменного тока. Закон Ома. Единицы измерения электрического сопротивления. Резисторы: назначение, маркировка, использование в изучаемой радиоаппаратуре. Конденсаторы и катушки индуктивности: назначение, маркировка, использование в изучаемой радиоаппаратуре. Единицы измерения индуктивности, емкости.

Радиолампы, полупроводниковые приборы, их устройство и назначение. Типы радиоламп и полупроводниковых приборов, применяемых в изучаемой аппаратуре. Маркировка полупроводниковых приборов и радиоламп. Устройство замкнутого колебательного контура. Свободные колебания в контуре. Явления резонанса. Понятие об электромагнитной волне. Деление радиоволн по диапазонам. Особенности распространения радиоволн различных диапазонов.

Назначение, устройство и принцип действия измерительных приборов М4100/3, Ц4352. Правила измерения параметров электрических цепей. Встроенные приборы для измерения величины тока и напряжения, установленные на изучаемой аппаратуре, их назначение, условные обозначения и технические характеристики.

Общие сведения о приборах Ч3-63, C1-96, B3-55. Требования безопасности при измерении параметров электрических цепей.

Основы радиосвязи

Принцип радиосвязи. Понятие о радиопередающих устройствах. Основные технические характеристики радио передатчиков (диапазон рабочих частот, стабильность частоты, излучаемая мощность, виды работы, потребляемая мощность и вид тока питающей сети, способы управления радиопередатчиками). Структурная схема радиопередатчика, понятие о настройке и управлении колебаниями.

Понятие о радиоприемных устройствах. Основные технические характеристики радиоприемников (диапазон рабочих частот, чувствительность, полосы пропускания, обеспечиваемые виды работы). Структурная схема радиоприемника, понятие о настройке. Оконечные устройства радиоприемников.

Понятие об антеннах. Виды антенн, фидеров, антенных коммутаторов. Понятие о направленности антенны. Особенности конструкции антенн для радиоволн различных диапазонов. Нормы сопротивления изоляции антенн. Способы измерения и повышения сопротивления изоляции антенн, фидеров и коммутаторов.

Требования электробезопасности при эксплуатации средств связи

Общие требования безопасности при работе с электрическим током. Поражающее действие электрического тока на организм человека. Опасные для жизни величины тока и напряжения. Основные причины электротравматизма. Факторы, повышающие опасность поражения электрическим током.

Организационные требования электробезопасности при эксплуатации электро и радиооборудования, производстве электрических измерений, пользовании электроинструментом и переносным электрооборудованием. Контроль за состоянием изоляции электро- и радиооборудования. Нормы сопротивления изоляции. Правила пользования индивидуальными защитными средствами. Порядок допуска личного состава к эксплуатации электроустановок.

Оказание первой помощи пострадавшему от действия электрического тока, освобождение от токонесущих поверхностей. Выполнение приемов искусственного дыхания и наружного (непрямого) массажа сердца. Оказание первой помощи при ожогах электрической дугой и ранениях.

Радиопередатчики Р-631, Р-632МЛ, Р-654, аппаратура Р-069

Назначение, тактико-технические параметры, структурные схемы и принцип работы радиопередатчиков. Приборы и органы настройки и управления, их назначение и размещение.

Источники питания радиопередатчиков: корабельная бортовая сеть, силовые электрические щиты, устанавливаемые в радиорубке, величины основных питающих напряжений. Требования безопасности при работе и правила ухода за радиопередатчиками. Проведение ежедневного технического обслуживания (ЕТО).

Назначение, тактико-технические параметры, структурные схемы и принцип работы аппаратуры Р-069. Приборы и органы настройки и управления, их назначение, размещение. Требования безопасности при работе и правила ухода за аппаратурой Р-069. Проведение ежедневного технического обслуживания (ЕТО).

Подготовка радиопередатчиков к работе, включение, настройка, проверка работоспособности, выключение.

Обнаружение и устранение простейших неисправностей радиопередатчиков. Замена предохранителей.

Радиоприемники Р-680, Р-683, (Р-399А, Р-678, Р-155)

Назначение, тактико-технические параметры, структурные схемы радиоприемников, прохождение принятого сигнала. Нормы сопротивления изоляции антенн.

Приборы и органы управления, их назначение, размещение, порядок использования. Режимы работы радиоприемников. Источники питания радиоприемников и величины основных питающих напряжений. Требования безопасности при работе с радиоприемниками.

Подготовка радиоприемников к работе, включение. Проверка работоспособности радиоприемника по системе встроенного контроля. Настройка, контроль установленной частоты.

Уход за радиоприемниками и их сбережение, выполнение ежедневного технического обслуживания, ведение технической документации, проверка исправности антенно-фидерных устройств и источников питания.

Обнаружение и устранение простейших неисправностей радиоприемников. Замена предохранителей. Измерение сопротивления изоляции антенн.

Радиостанции Р-625, Р-143, Р-159, Р-163

Назначение, основные тактико-технические параметры радиостанций. Состав комплекта радиостанций. Структурные схемы, принцип работы радиостанций.

Приборы, органы настройки и управления, их назначение, размещение и порядок использования. Антенно-фидерные устройства. Требования электробезопасности при работе с радиостанциями.

Подготовка радиостанций к работе, включение, проверка режимов питания и настройка, выключение.

Обнаружение и устранение простейших неисправностей радиостанций и антенно-фидерных устройств. Проведение ежедневного технического обслуживания радиостанций, ведение технической документации. Уход за радиостанциями и их сбережение.

.2 Ведение практического радиообмена. Правила радиосвязи

Общие сведения о радиосвязи ВМФ

Требования, предъявляемые к радиосвязи ВМФ. Способы организации радиосвязи (радионаправления и радиосети). Позывные радиостанций, их назначение, порядок применения.

Правила использования радиосвязи. Дисциплина радиосвязи.

Ответственность за незаконное изготовление и использование радиопередающих устройств. Подверженность радиосвязи радиоразведке противника.

. Правила радиосвязи. Ведение радиотелефонного и радиотелеграфного обмена

Классификация радиограмм и сигналов. Категории срочности радиограмм и очередность их передачи. Способы радиообмена. Бланки радиограмм, их назначение, порядок оформления. Правила оформления исходящих, входящих и проходящих радиограмм.

Правила установления радиосвязи и ведения обмена при работе по слуховым каналам. Правила передачи сигналов. Радиопароли, их назначение и применение.

Служебные радиокоды и сокращения, порядок их применения.

Установление двухстороннего обмена квитанционным способом ("KB") в классе приема-передачи с применением документации вахтенного радиотелеграфиста, выбор радиоданных, необходимых для радиосвязи, использование переговорной таблицы, ведение вахтенного журнала.

Радиотелефонный обмен в радионаправлении и радиосети.

Передача радиограмм и сигналов. Передача квитанций на принятую радиограмму. Прием циркулярных передач главной радиостанции полигона с уровнями помех от 1:5 до 1:3.

Двухсторонний обмен способом "KB" с оформлением документации вахтенного радиотелеграфиста в классе приема-передачи.

Двухсторонняя связь в радионаправлениях способами "KB", бесквитанционным ("БК") и обратной проверки ("ОП").

Связь в радиосети из трех радиостанций способами "KB", "БК".

Связь в радиосети способом "KB", "БК" с переходом для работы на запасные частоты. Передача радиограмм через промежуточную радиостанцию.

2. Особенности реализации программы практики

При реализации раздела № 1 программы практики использовались: "Учебник радиотелеграфиста флота", "Корабельный справочник по технике безопасности", "Инструкции по эксплуатации" и "Технические описания изучаемой аппаратуры".

При изучении тем использовались соответствующие образцы изучаемых РТУ, стенды, схемы, плакаты, поясняющие устройство, принцип работы, технические характеристики и эксплуатационные параметры РТУ, а также необходимые приборы, инструменты и материалы.

Устройство, технические характеристики и принцип действия соответствующих РТУ изучались в объеме, необходимом для правильного ее обслуживания и применения.

При изучении каждого образца РТУ обращалось особое внимание на какие типы и виды антенн работают эти образцы в условиях корабля и берегового радиоцентра.

При прохождении темы 3 обращалось внимание на причины электротравматизма, на то, что электротравмы чаще всего являются следствием незнания и несоблюдения элементарных требований электробезопасности личным составом, обслуживающим электроустановки, а гибель пострадавших от действия электрического тока - от грубого нарушения требований и неумения окружающих оказать пострадавшим первую помощь.

Правила эксплуатации и технического обслуживания материальной части и использования контрольно-измерительных приборов начиналось с объяснения требований электробезопасности применительно к конкретному образцу, акцентировалось внимание на неукоснительное соблюдение требований безопасности и правил эксплуатации материальной части, объяснялось, к чему приводит нарушение этих правил, подтверждалось это примерами из практики эксплуатации средств радиосвязи на кораблях и в частях флота.

При усвоении правил эксплуатации РТУ особое внимание уделялось подготовке их к работе по обеспечению слуховых видов связи.

При прохождении темы 4 особо подчеркивалось, что основной вид настройки радиопередатчиков - это настройка без выхода в эфир, что это требование радиомаскировки и противодействия разведке противника.

При прохождении тем 5, 6 обращалось внимание на технические возможности радиоприемников и радиостанций по уходу от помех, объяснялись, какие органы управления в каких случаях используются для этой цели.

Ввиду того, что отдельные образцы радиопередатчиков, радиоприемников и радиостанций имеют в своей основе одинаковые принципы построения, сходное конструктивное исполнение и несущественные отличия в вопросах технического обслуживания и боевого использования, в качестве базовых образцов РТУ более подробное изучались радиопередатчики Р-631, Р-654Н, радиоприемники Р-680, Р-683, радиостанции Р-625, Р-159.

Остальные образцы материальной части изучались в пределах общего ознакомления или отличия их от базовых образцов.

При отработке практических навыков по обнаружению и устранению простейших неисправностей в изученных средствах радиосвязи рассматривались следующие операции:

· обнаружение и замена перегоревших предохранителей;

·        замена неисправных электронных ламп;

·        определение по системе встроенного контроля неисправного элемента (блока) и его замена исправным;

·        проверка и регулировка контактов и блокировок.

При реализации раздела №2 программы практики использовались: "Руководство по радиосвязи Вооруженных сил СССР" (часть 2: Правила радиосвязи); "Учебник радиотелеграфиста флота"; "Таблица дежурного радиста"; "Типовая инструкция вахтенного радиотелеграфиста"; плакаты (стенды), раскрывающие и поясняющие порядок и правила установления радиосвязи и ведения обмена в радиосети и радионаправлении, оформления исходящих и входящих радиограмм, повторения и исправления радиограмм, перехода на запасную частоту и передачи сигналов; аппаратный журнал радиостанции; другие необходимые документы по связи.

При усвоении материала темы 2.1 обращалось внимание на то, чтобы прочно усвоить категории нарушений радиосвязи, и ответственность за нарушение требований Руководства по радиосвязи ВС, за использование табельных радиосредств для установления несанкционированных радиосвязей, какие сведения запрещается передавать по открытым каналам радиосвязи.

Занятия проводились в учебных кабинетах и на радиополигонах, используя средства связи, находящиеся на боевых постах. На всех занятиях заострялось внимание на необходимость строгого выполнения требований безопасности, подчеркивалось, что несоблюдение этих требований личным составом ведет к травмам, а порой и гибели от электрического тока.

При ведении радиотелеграфного обмена особое внимание было сосредоточено на совершенствовании навыков в обеспечении слуховой телеграфной связи в радионаправлении в условиях радиопомех днем, ночью и в индивидуальных средствах защиты. С этой целью часть учебных радиовахт проводились в ночное время, в том числе и на переносных радиостанциях.

При несении учебных вахт отрабатывались навыки по выбору оптимальных рабочих частот, используя результаты прослушивания контрольно-маркерных сигналов.

3. Результаты выполнения программы и итоги практики

Результатом отработки материала темы №1.1 явились знания: основ электрорадиотехники в объеме, необходимом для усвоения устройства и принципа работы радиопередающих и радиоприемных средств связи и измерительных приборов; единиц измерения электрического сопротивления, напряжения, тока, индуктивности, емкости; маркировки резисторов, конденсаторов, полупроводниковых приборов и радиоламп; назначения и основных технических характеристик измерительных приборов, принципа их работы и правил эксплуатации; особенностей распространения радиоволн различных диапазонов; требований электробезопасности при проведении измерений; и навыки: подготовки к работе измерительных приборов и пользования ими при измерении параметров электрических цепей.

Результатом отработки материала темы № 1.2 явились знания: назначения, основных технических характеристик, общего устройства и принципа работы радиопередатчиков и радиоприемников; типы, назначения и нормы сопротивления изоляции антенно-фидерных устройств; и навыки: измерения сопротивление изоляции антенн и антенных коммутаторов.

Результатом отработки материала темы № 1.3 явились знания: основных причин электротравматизма и требований электробезопасности при работе с электрическими приборами; и навыки: оказания первой помощи пострадавшему от действия электрического тока; выполнения искусственного дыхания и непрямого массажа сердца.

Результатом отработки материала темы № 1.4 явились знания: основных тактико-технических параметров, принципов работы изучаемых радиопередатчиков и аппаратуры Р-069 по структурным схемам; назначения, размещения и порядка пользования органами настройки и управления радиопередатчиков и аппаратуры Р-069; требований электробезопасности при эксплуатации радиопередатчиков и порядка допуска к их обслуживанию; и навыки: подготовки к работе радиопередатчиков и аппаратуры Р-069, включения и настройки радиопередатчиков для обеспечения слуховых видов связи без выхода в эфир; устранения простейших неисправностей радиопередатчиков и аппаратуры Р-069.

Результатом отработки материала темы №5 явились знания: основных тактико-технических параметров и принципов работы радиоприемников по структурным схемам; назначения, размещения и порядка пользования органами настройки и управления радиоприемников; организации и методик проведения ежедневного технического обслуживания радиоприемников; требований электробезопасности при эксплуатации радиоприемников; и навыки: подготовки к работе, включения и настройки радиоприемников для обеспечения слуховых видов связи; устранения простейших неисправностей радиоприемников, источников питания и антенно-фидерных устройств; выполнения ежедневного технического обслуживания радиоприемников.

Результатом отработки материала темы № 1.6 явились знания: основных тактико-технических параметров и принципа работы радиостанций по структурным схемам; назначения и порядка пользования органами настройки и управления радиостанций; организации и методики проведения ежедневного технического обслуживания радиостанций; требований электробезопасности при эксплуатации радиостанций; и навыки: подготовки к работе, включения и настройки радиостанции для обеспечения слуховых видов связи; устранения простейших неисправностей радиостанций, источников питания и антенно-фидерных устройств; выполнения ежедневного технического обслуживания радиостанций.

Результатом отработки материала темы № 2.1. явились знания: основных требований, предъявляемые к радиосвязи ВМФ; видов и способов радиообмена; обязанностей по защите радиосвязи от технической разведки и помех противника; категорий нарушений радиосвязи; ответственности за нарушение дисциплины радиосвязи, незаконное использование радиопередающих устройств.

Результатом отработки материала темы № 2.2 явились знания: обязанностей вахтенного (дежурного) радиотелеграфиста и радиотелефониста по типовым инструкциям; правил радиотелефонного и радиотелеграфного обмена; перечня документов вахтенного (дежурного) радиотелеграфиста; назначения и правил пользования радиоданными, необходимыми для радиосвязи; правил ухода от радиопомех противника; и

навыки: установления радиосвязи и ведения радиотелеграфного и радиотелефонного обмена по слуховым каналам в радиосети и радионаправлении; выполнения учебных задач согласно Сборника оперативно-технических нормативов по связи ВМФ; оформления документации по оперативно-технической службе, исходящих и входящих радиограмм; паролирования, повторения и исправления радиограмм, передачи сигналов и перехода на запасную частоту; классификации помех, ведения радиообмена в условиях помех и осуществление мероприятий по уходу от них; выбора рабочих частот по результатам прослушивания контрольно-маркерных сигналов; ведения двухстороннего радиообмена согласно установленным нормативам с соблюдением правил радиосвязи;

ведения документации вахтенного радиотелеграфиста и радиотелефониста, оформления документации по оперативно-технической службе, исходящие и входящие радиограммы; ведения слухового телеграфного обмена в радионаправлениях по способу приемной частоты с переходом на запасную частоту.

4. Индивидуальное задание

Направление: Устройства генерирования и формирования радиосигналов.

Тема: Проектирование транзисторного передатчика с ЧМ.

.1 Общие сведения

Радиопередающее устройство (РПУ) - необходимый элемент любой системы передачи информации по радио - будь то система радиосвязи, телеметрическая или навигационная системы. Параметры радиопередатчиков весьма разнообразны и определяются конкретными техническими требованиями к системе передачи данных.

РПУ представляют сложную систему, в состав которой входит высокочастотный тракт, модулятор для управления колебаниями высокой частоты в соответствии с передаваемой информацией, источники питания, устройства охлаждения и защиты. Диапазон СВЧ обладает огромной информационной емкостью.

Радиопередатчики в диапазоне СВЧ применяют в радиолокационных станциях (РЛС), телевидении, ретрансляционных линиях связи, для тропосферной и космической связи, для радиоуправления и бортовой аппаратуры радиопротиводействия и для многих других специальных назначений.

РПУ можно классифицировать по назначению, диапазону волн, мощности, виду модуляции, условиям работы и др. Эти признаки определяют специфику проектирования каждого вида передатчиков. Например, рабочий диапазон волн и мощность на выходе обуславливают выбор активного элемента и конструкцию колебательных систем.

Амплитудную и импульсную модуляцию колебаний осуществляют в выходных ступенях, частотную модуляцию - в возбудителях, причем для обеспечения высокой стабильности несущей частоты применяют систему автоматической подстройки частоты (АПЧ).

.2 Исходные данные для проектирования

Выходная мощность - 15 Вт,

Несущая частота - 1300 МГц,

Схема суммирования - бинарная,

Корпус герметизируется паяным швом,

Теплоотвод выбирается,

Рабочая температура - -60 ÷ +60 °С,

Модуляция - ЧМ 1%,

Стабилизация частоты - кварцевая.

.3 Разработка структурной и электрической принципиальной схем СВЧ передатчика

Структурная схема СВЧ передатчика изображена на рис. 1.

Принятые микрофоном 1 звуковые колебания должны быть преобразованы в электрические сигналы и поданы на вход предварительного усилителя 2. В указанном усилителе эти колебания преобразуются в модулирующее напряжение, которое подается на варикап 3, с помощью которого модулируется по частоте кварцевый автогенератор 4. Так как возбуждение кварцевого резонатора возможно осуществить только до частот примерно 100 МГц, то в тракте СВЧ передатчика предусмотрен блок умножения (утроения) частоты 5. Затем сигнал подается сначала на предоконечный 6, а потом на оконечный 7 усилители мощности и через цепь связи 8 в антенну 9.

Рис. 1. Структурная схема СВЧ передатчика

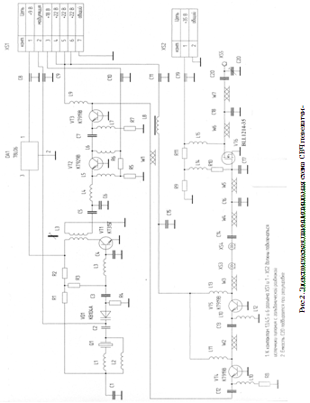
Принципиальная электрическая схема СВЧ радиопередатчика, соответствующая приведенной выше структурной схеме, представлена на рис.2.

.4 Расчет параметров СВЧ передатчика

Расчёт параметров элементов передатчика производим в направлении от выхода к задающему генератору.

Зададимся мощностью в антенне = 15 Вт, тогда требуемая выходная мощность выходного каскада = 15/0,8 = 18,75 Вт. Выберем МДП СВЧ транзистор типа BLL1214-35. Его максимальная выходная мощность при использовании стандартной схемы включения равна 25 Вт. Используем стандартную схему включения, приведённую в описании данного транзистора. Схема уже содержит цепи согласования и фильтрации. Для питания необходим внешний источник постоянного напряжения 35 В.

По графику зависимости выходной мощности транзистора от входной определяем, что для получения на выходе мощности 18,75 Вт требуется подать на вход сигнал, мощностью примерно 0,37 Вт. Примем суммарный коэффициент передачи во входном фильтре выходного каскада, выходном фильтре ближайшего к нему усилительного каскада (каскада 2), а также в соединительном кабеле равным 60%. Тогда требуемая выходная мощность эквивалентного генератора каскада 2 равна 0,37/0,6 = 0,6 Вт.


.5 Расчёт предконечного усилительного каскада

Как было определено выше, требуется получить мощность эквивалентного генератора PГ = 0,6 Вт.

Выходной транзистор включен по стандартной схеме. Входное сопротивление этой схемы активное и равно 50 Ом. На выходе предконечного каскада необходимо получить мощность 0,6 Вт. Для предконечного каскада усиления используем транзистор типа КТ919В. Частота усиливаемого сигнала - 1300 МГц. Параметры транзистора следующие:

·     EK = 22 B,

·        TП = 150°С,

·        ТК = 25°С,

·        RПК = 40 °С/Вт,

·        h21Э = 100,

·        СК =5 пФ,

·        СЭ = 10 пФ,

·        rБ = 2 Ом,

·        rК = 3 Ом,

·        rЭ = 0,1 Ом,

·        UКЭ мах = 45 В,

·        UЭБ мах = 3,5 В,

·        LЭ = 0,7 нГн,

·        LК = 1,5 нГн,

·        LБ = 0,14 нГн.

Крутизну линии граничного режима определим как:

А/В,

Коэффициент использования транзистора по коллекторному напряжению в граничном режиме равен:

,

Амплитуда напряжения эквивалентного генератора:

В,

Амплитуда тока первой гармоники:

А,

Проверим условие, что не будет превышено максимально допустимое напряжение на коллекторе:

UГ + ЕК < UКЭ мах

,78+22 < 45

Условие выполняется.

Вычислим сопротивление нагрузки эквивалентного генератора:

Ом.

Крутизна по переходу:

А/В.

Сопротивление рекомбинации неосновных носителей в базе:

Ом,

Крутизна статической характеристики:

А/В.

Выберем угол отсечки работы транзистора. Для получения хорошего коэффициента усиления по 1 гармонике, но чтобы при этом не усложнять схему выберем компромиссное значение угла отсечки θ = 90°. При этом коэффициенты разложения для нулевой (постоянная составляющая) и первой гармоники будут равны:

, ,

Пиковое обратное напряжение на эмиттерном переходе:


Это значение меньше чем UЭБ мах.

Далее рассчитываем комплексные амплитуды токов и напряжений первых гармонических составляющих. Управляющий ток:

А,

где с - время пролёта неосновных носителей.

Ток эмиттера:

А,

Напряжение на сопротивлении rэ с учетом индуктивности Lэ:

В,

Первая гармоника напряжения на переходе:


Напряжение на активной емкости коллекторного перехода (Ска):

В,

Ток через емкость Ска:

А,

Ток через сопротивление rб:

А,

Напряжение на rб:

В,

Напряжение на сkп (пассивной емкости коллекторного перехода):

В,

Ток через CКП:

,

Сопротивление потерь коллектора rk, приведенное к параллельному эквиваленту относительно пассивной емкости коллекторного перехода:

Ом,

Ток источника возбуждения транзистора:

,

Напряжение на индуктивности вывода базы:

B,

Напряжение возбуждения транзистора:

В,

Первая гармоника тока коллектора:

А,

Амплитуда напряжения на нагрузке:

В,

Входное сопротивление для первой гармоники:

Ом,

Мощность возбуждения:

Вт,

Мощность в нагрузке:

Вт,

Постоянная составляющая тока коллектора: А,

Потребляемая мощность: Вт,

Коэффициент полезного действия:

Коэффициент усиления по мощности: ,

Допустимая мощность рассеивания транзистора:

Вт,

где tндоп , tk - допустимая температура перехода и температура корпуса транзистора соответственно; Rпк - тепловое сопротивление перехода - корпус транзистора (°С/Вт).

Мощность, рассеиваемая в транзисторе, не должна превышать допустимую:


Сопротивление нагрузки на внешних выводах транзистора:

Ом,

.6 Расчёт мощного утроителя частоты

Исходные данные для расчёта следующие:

·        Коэффициент умножения: n = 3,

·        Мощность на входе следующего каскада: Р = 0,097 Вт,

·        Мощность на выходе каскада: Вт,

·        Рабочая частота на входе f = 433 МГц,

Используем транзистор типа КТ919В. Частота усиливаемого сигнала - 1300 МГц. Параметры транзистора следующие:

·     EK = 22 B,

·        TП = 150°С,

·        ТК = 25°С,

·        RПК = 40 °С/Вт,

·        h21Э = 100,

·        СК =5 пФ,

·        СЭ = 10 пФ,

·        rБ = 2 Ом,

·        rК = 3 Ом,

·        rЭ = 0,1 Ом,

·        UКЭ мах = 45 В,

·        UЭБ мах = 3,5 В,

·        LЭ = 0,7 нГн,

·        LК = 1,5 нГн,

·        LБ = 0,14 нГн.

Угол отсечки тока коллектора θ при умножении на 3 выбирается равным 60˚.

Коэффициенты гармоник α0, α1, αn, γ0, γ1, γn

, ,

,

, при n=3,

Сопротивление потерь коллектора rк приводим к параллельному эквиваленту относительно выхода транзистора

кОм,

Коэффициент использования транзистора по напряжению источника питания


Где Sкр- крутизна линии критического режима; Eп - напряжение источника питания.

Напряжение n-й гармоники коллекторного напряжения Ukn = ξкрEп=10,57В.

Необходимо проверить выполнение условия Eп + Ukn =22,57В< Uкэ доп

Амплитуда n-й гармоники тока коллектора Ikn = Pвых / Ukn=0,0092А

Сопротивление нагрузки относительно коллекторного перехода

Rkn = Ukn / Ikn=1151 Ом; Rkn < r’к.

Амплитуда n-й гармоники тока эквивалентного генератора

Irn = Ikn(1 + Rkn / r’к)

Амплитуда импульса тока коллектора Ikmax = Irn / αn(θ); Ikmax < Iкр.

Постоянная составляющая коллекторного тока Ik0 = α0(θ)Ikmax=0,023А

Амплитуда тока эмиттера


где ƒT - граничная частота транзистора

Коэффициент усиления тока ki = Irn / Iэ1=0,219

Пиковое обратное напряжение база-эмиттер

В,

Параметры транзистора: крутизна по переходу Sp, сопротивление рекомбинации неосновных носителей в базе rβ и статическая крутизна транзистора S вычисляются как

А/В,

где tP - температура перехода, ОС

b = H21 / SР=163,4(Ом) ,

 А/В,

Напряжение смещения, необходимое для обеспечения заданного угла отсечки

В,

Т.к. Eсм < 0, то его можно реализовать с помощью резистора в цепи эмиттера Rэ = -Eсм / Iк0=38,54(Ом)

Входное сопротивление в последовательном эквиваленте:

активное:

Ом,

реактивное:

Ом,

Входная проводимость в параллельном эквиваленте

Yвх = Gвх + jBвх = 1 / (Rвх + jXвх)=(0,047+I · 0,12)См

Потребляемая мощность P0 = Ik0 / Eп=0,42Вт

Коэффициент полезного действия η = Pвых / P0=26,19%

Мощность возбуждения на входе умножителя Pвх = Pвых / Kp=0,062Вт

Мощность, рассеиваемая в транзисторе Pрас = P0 - Pвых + Pвх =0,302Вт< Pрас доп

Допустимая мощность, рассеиваемая в транзисторе

Pрас доп = (tп доп - tк) / Rпк=3,13Вт

где tп доп , tк - допустимая температура перехода и температура корпуса транзистора соответственно; Rпк - сопротивление переход-корпус.

Сопротивление нагрузки с учетом индуктивности вывода коллектора и емкости коллекторного перехода в параллельном эквиваленте соответственно

Ом,

Ом,

Активная и реактивная составляющие проводимости Yн = Gн + jBн вычисляются как

Gн = 1 / Rн=0,00182 См;         Bн = -1 / Xн=-0,018См,

.7 Расчёт утроителя частоты

Исходные данные для расчёта следующие:

·        Коэффициент умножения n = 3,

·        Мощность на входе следующего каскада Р = 0,062 Вт,

·        Мощность на выходе каскада Вт,

·        Рабочая частота на входе f = 144 МГц,

Используем транзистор типа КТ919В. Частота усиливаемого сигнала - 1300 МГц. Параметры транзистора следующие:

·     EK = 22 B,

·        TП = 150°С,

·        ТК = 25°С,

·        RПК = 40 °С/Вт,

·        h21Э = 100,

·        СК =5 пФ,

·        СЭ = 10 пФ,

·        rБ = 2 Ом,

·        rК = 3 Ом,

·        rЭ = 0,1 Ом,

·        UКЭ мах = 45 В,

·        UЭБ мах = 3,5 В,

·        LЭ = 0,7 нГн,

·        LК = 1,5 нГн,

·        LБ = 0,14 нГн.

Угол отсечки тока коллектора θ при умножении на 3 выбирается равным 60˚.

Коэффициенты гармоник α0, α1, αn, γ0, γ1, γn

, ,

,

, при n=3,

Сопротивление потерь коллектора rк приводим к параллельному эквиваленту относительно выхода транзистора

кОм,

Коэффициент использования транзистора по напряжению источника питания

,

Где Sкр- крутизна линии критического режима; Eп - напряжение источника питания.

Напряжение n-й гармоники коллекторного напряжения Ukn = ξкрEп=19,05В.

Необходимо проверить выполнение условия Eп + Ukn =41,05В< Uкэ доп

Амплитуда n-й гармоники тока коллектора Ikn = Pвых / Ukn=3,05·10-3А,

Сопротивление нагрузки относительно коллекторного перехода

Rkn = Ukn / Ikn=5853 Ом, Rkn < r’к.

Амплитуда n-й гармоники тока эквивалентного генератора

Irn = Ikn(1 + Rkn / r’к)=3,02·10-3А,

Амплитуда импульса тока коллектора Ikmax = Irn / αn(θ)=0,0265А; Ikmax < Iкр.

Постоянная составляющая коллекторного тока Ik0 = α0(θ)Ikmax=0,0062А

Амплитуда тока эмиттера

A,

где ƒT - граничная частота транзистора

Коэффициент усиления тока ki = Irn / Iэ1=0,24

Пиковое обратное напряжение база-эмиттер

В, ,

Параметры транзистора: крутизна по переходу Sp, сопротивление рекомбинации неосновных носителей в базе rβ и статическая крутизна транзистора S вычисляются как

А/В,

где tP - температура перехода, °С,

b = H21 / SР=236,4 Ом ,

А/В,

Напряжение смещения, необходимое для обеспечения заданного угла отсечки

В,

Т.к. Eсм > 0, то его можно получить с помощью делителя питающего напряжения. Пусть один из резисторов, соединенный с землёй R1=100 Ом, тогда 2-й резистор кОм,

Входное сопротивление в последовательном эквиваленте:

активное:

Ом,

реактивное -

Ом,

Входная проводимость в параллельном эквиваленте

Yвх = Gвх + jBвх = 1 / (Rвх + jXвх)=(0,020+i·0,0499)См,

Потребляемая мощность P0 = Ik0 / Eп=0,175Вт

Коэффициент полезного действия η = Pвых / P0=35%

Коэффициент усиления по мощности Kp = k2iRkn / rвх1=6,17

Мощность возбуждения на входе умножителя Pвх = Pвых / Kp=0,0011Вт

Мощность, рассеиваемая в транзисторе Pрас = P0 - Pвых + Pвх =0,176Вт< Pрас доп

Допустимая мощность, рассеиваемая в транзисторе

Pрас доп = (tп доп - tк) / Rпк=3,13Вт

где tп доп , tк - допустимая температура перехода и температура корпуса транзистора соответственно; Rпк - сопротивление переход-корпус.

Сопротивление нагрузки с учетом индуктивности вывода коллектора и емкости коллекторного перехода в параллельном эквиваленте соответственно

Ом,

Ом,

Активная и реактивная составляющие проводимости Yн = Gн + jBн вычисляются как

Gн = 1 / Rн=0,345·10-3 См;

Bн = -1 / Xн=-3,11·10-3См,

.8 Расчёт маломощного утроителя частоты

Исходные данные для расчёта следующие:

·        Коэффициент умножения n=3,

·        Мощность на входе следующего каскада Р = 0,011 Вт,

·        Мощность на выходе каскада Вт,

·        Рабочая частота на входе f = 48 МГц,

Используем транзистор типа КТ929В. Частота усиливаемого сигнала - 1300 МГц. Параметры транзистора следующие:

·     EK = 8 B,

·        TП = 160°С,

·        ТК = 40°С,

·        RПК = 20 °С/Вт,

·        h21Э = 38,

·        СК =11 пФ,

·        СЭ = 75 пФ,

·        rБ = 4 Ом,

·        rК = 2 Ом,

·        rЭ = 0 Ом,

·        UКЭ мах = 30 В,

·        UЭБ мах = 3 В,

·        LЭ = 1,2 нГн,

·        LК = 2,4 нГн,

·        LБ = 2,6 нГн.

Коэффициент усиления каскада при последующем расчёте получился недопустимо большим, поэтому вводим резистор в цепи эмиттера rЭ = 16 Ом,

Коэффициенты гармоник a0, a1, an,g0, g1, gn и коэффициент формы тока gn=an / a0 вычисляются как:

g0 = (sinq - qcosq) / p=0,0233;

g1 = (q - sinqcosq) / p=0,0449;

g2 = 2(sinq)3 / 3p=0,04;

g3 = g2cosq=0,0328;

an = gn / (1 - cosq) = =0,128, n =3

Выбираем критический режим работы. Коэффициент использования транзистора по напряжению источника питания


где wT = 2pfT - граничная частота транзистора в схеме с ОЭ; СКА - активная емкость коллекторного перехода; SКР - крутизна линии граничного режима; ЕП - напряжение питания.

Напряжение n-й гармоники коллекторного напряжения Ukn = xКРEП=7,98В.

Амплитуда n-й гармоники коллекторного тока Ikn= 2PВЫХ / Ukn=2,9·10-3А

Максимальное сопротивление нагрузки RMAX = p / (qwTCKA)=5,38·108 Ом.

Сопротивление нагрузки умножителя RН = Ukn / Ikn=2751 Ом; RН < Rmax.

Амплитуда импульса тока коллектора

А,

Постоянная составляющая коллекторного тока

А,

Амплитуда первой гармоники тока коллектора Ik1=IMAX a1=1,68·10-3А,

Параметры транзистора:

Крутизна по переходу

А/В,

где tP - температура перехода, ОС

Сопротивление рекомбинации неосновных носителей rb и крутизна статической характеристики S определяются как

b = H21 / SР=188,85 Ом ,

А/В,

Диффузионная емкость эмиттерного перехода СД = SP / (2pfT)=7,86·10-5Ф

Постоянная времени открытого эммитерного перехода tS = CД(rб rb / ( rб + rb))=3,08·10-4с

Частота, на которой крутизна транзистора уменьшается до 0.7 от S: fS = 1 / (2ptS)=516,7МГц

Нормированная частота WS=fВХ/f=0,092

Косинус фазового аргумента крутизны на частоте fS


Амплитуда напряжения возбуждения

В,

Фаза первой гармоники тока коллектора в градусах

j1 = 18 + (47.4 - 22 / WS)(0.38 + g1)=-49,67°,

Входная проводимость (параллельный эквивалент)

Ом,

Входное сопротивление (последовательный эквивалент)

 Ом,

Мощность возбуждения Вт,

Коэффициент усиления мощности КР = РВЫХ / РВ=28,2

Потребляемая мощность Р0 = IК0EП=0,014Вт

Коэффициент полезного действия h = PН / P0=78%

Мощность, рассеиваемая на транзисторе в виде тепла, не должна превышать допустимую

РАС = Р0 - РВЫХ + РВХ=0,015Вт < РРАС.ДОП

Допустимая мощность, рассеиваемая на транзисторе

РАС.ДОП = (tН.ДОП - tК) / RПК=6Вт

где tН.ДОП, tК - допустимая температура перехода и температура корпуса транзистора соответственно; RПК - тепловое сопротивление переход-корпус транзистора (ОС/Вт).

Напряжение смещения

В,

Т.к. Eсм < 0, его можно реализовать с помощью резистора в цепи эмиттера Rэ = -Eсм / Iк0=643 Ом,

Обратное пиковое напряжение на эмиттерном переходе

UБЭ.ПИК = -UВ(1 + cosq) + E` - 2(2pfВХKArбUК=-2,94В

4.9 Расчёт кварцевого генератора

Исходные данные для расчёта следующие:

·        Мощность потерь в кварцевом резонаторе РДОП = 4 мВт,

·        Параметры кварцевого резонатора

·        Номер рабочей гармоники кварцевого резонатора n=2

·        Частота последовательного резонанса fКВ = fКВ2

·        Сопротивление потерь rКВ = 50 Ом,

·        Ёмкость кварцедержателя С0 = 5 пФ,

·        Добротность резонатора QКВ = 105

Выберем транзистор КТ315Г. Его параметры:

·     EK = 5 B,

·        TП = 150°С,

·        ТК = 40°С,

·        RПК = 670 °С/Вт,

·        h21Э = 100,

·        СК =7 пФ,

·        СЭ = 4 пФ,

·        rБ = 40 Ом,

·        rК = 2 Ом,

·        rЭ = 0 Ом,

·        UКЭ мах = 30 В,

·        UЭБ мах = 3 В,

Коэффициенты гармоник a0, a1, an,g0, g1, gn и коэффициент формы тока gn=an / a0 вычисляются

g0 = (sinq - qcosq) / p=0,05;

g1 = (q - sinqcosq) / p=0,055;

g2 = 2(sinq)3 / 3p=0,05;

a0 = gn / (1 - cosq)=0,16

an = gn / (1 - cosq)=0,1, n =2

Рассчитаем параметры транзистора:

Крутизна по переходу: А/В,

Сопротивление рекомбинации не основных носителей: Ом,

Статическая крутизна транзистора:

Диффузионная емкость эмиттерного перехода: пФ,

Постоянная времени открытого эммитерного перехода:

с,

Частота, на которой крутизна транзистора уменьшается до 0.7 от S: Гц,

Нормированная частота: , где fкв - частота последовательного резонанса для n-ой гармоники.

Модуль крутизны транзистора на уровне 0,707 от S:

Комплексная крутизна транзистора по току первой гармоники: А/В,

Модуль комплексной крутизны S2f: А/В,

Расчет параметров кварцевого резонатора.

Емкость кварца: Ф,

Разнос частот параллельного и последовательного резонанса: Гц,

Рассчитаем колебательный контур:

Коэффициент связи с потребителем примем равным:

Параметр емкостной трехточки автогенератора принимаем:

Емкости С1 и С2 Ф, Ф.

Реактивные сопротивления Х1 и Х2 емкостной трехточки:

 ,Ом,

Ом,

Реактивное сопротивление индуктивной ветви трехточки:


Реактивное сопротивление индуктивности трехточки: Ом,

Индуктивность: Гн,

Рассчитаем сопротивление нагрузки:

Управляющее сопротивление в схеме трехточки:

Ом,

Коэффициент обратной связи автогенератора:

,

Сопротивление нагрузки: Ом,

Фазовый аргумент нагрузки: °.

Рассчитаем емкостную связь с потребителем:

Сопротивление связи с учетом потребителя:

Ом,

Ёмкостная связь: Ф,

Рассчитаем электрический режим кварцевого генератора:

Мощность на выходе: Вт,

Мощность в нагрузке генератора: Вт,

Ток, протекающий через кварцевый резонатор: А,

Амплитуда колебаний на входе транзистора: В,

Вторая гармоника тока коллектора: А,

Амплитуда на нагрузке генератора: В,

Амплитуда импульса тока коллектора: А,

Постоянная составляющая тока коллектора: А,

Постоянная составляющая тока базы: А,

Напряжение смещения:

В,

RЭ=300 Ом, Ом,

Напряжение источника питания: В,

Напряжение смещения с учетом сопротивлений RЭ и RБ:

В,

Ток через делителей:

Величины сопротивлений:

кОм,кОм,

Потребляемая генератором мощность и КПД:  Вт, ,

Рассчитаем цепи перестройки по частоте. Задана глубина модуляции 1%. Тогда Δf = 0,24 МГц. Коэффициент перекрытия составляет:

,

Ёмкость варикапа СМАХ = 120 пФ, СMIN = 40 пФ. Определим изменение реактивного сопротивления варикапа:

Ом,

Тогда требуемая эквивалентная индуктивность кварца:

мГн,

Введём коэффициент:

,

Отсюда:

мкГн,

мкГн,

Принимая значение ёмкости монтажа СМАКС = 20 пФ, получим:

мкГн.

.10 Расчёт цепей согласования

Цепь согласования выходного каскада усилителя мощности и антенны, а также согласования входа выходного каскада и выхода предконечного каскада рассчитывать не требуется, т.к. необходимая форма элементов приведена в документации к использованному транзистору. Остальные цепи согласования рассчитаны далее. Ввиду сильных перепадов входных и выходных сопротивлений каскадов везде применены Т цепи согласования. Все цепи согласования изображены на принципиальной схеме передатчика.

.11 Цепь согласования генератора и маломощного умножителя

Рабочая частота f = 48 МГц,

Сопротивление потребителя : Ом,

Сопротивление нагрузки: Zn =300 Ом,

Сопротивление R0 = 1200 Ом,

Реактивное сопротивление Ом,

Ёмкость Ф,

Реактивное сопротивление L4 Ом,

Индуктивность Гн,

Реактивное сопротивление С6 Ом,

Ёмкость Ф,

КПД цепи ,

.12 Цепь согласования маломощного умножителя и утроителя частоты

Рабочая частота f = 144 МГц,

Блокировочные цепи предназначены для защиты источника питания от высокочастотного напряжения в цепях передатчика. Рассчитаем блокировочные цепи для питания каждого транзистора. Блокировочная цепь - фильтр нижних частот, номиналы индуктивности выбираются так, на высокой частоте цепь не влияла на передачу сигнала от каскада к каскаду.  . Для фильтрации высоких частот достаточно фильтра 1 порядка, поэтому блокировочные ёмкости не рассчитываются. Приведём результаты расчёта для каждого каскада в таблице 1. Блокировочные цепи для выходного каскада берём из испытательной схемы, приведённой в документации на транзистор.

Таблица 1.

L5

L6

L7

L8

L9

L10

L11

, Гн

0,51·10-3

0,1·10-3

0,07·10-3

0,06·10-3

0,02·10-3

0,01·10-3

0,006·10-3


.13 Расчёт микрополосковых линий передач

Расчёт микрополосковых линий передачи необходим для частот выше 300 МГц, в данном случае это все цепи согласования и каскады, начиная с выхода утроителя частоты. Микрополосковая линия передачи представляет собой двухслойную плату, с одной стороны которой расположены проводники, обеспечивающие требуемое волновое сопротивление и эквиваленты сосредоточенных элементов схемы, а с другой стороны оставлен сплошной слой фольги - подложка МПЛ. Расчёт МПЛ сводится к определению необходимой ширины полоски линии передачи и расчёту продольных малых индуктивностей, которые получаются за счёт резкого изменения волнового сопротивления линии, параллельных ёмкостей, если они менее 0,1 пФ, что как правило является пределом для сосредоточенных элементов. Для индуктивностей предел составляют единицы нГ. Волновое сопротивление линии передачи считается 50 Ом. Все остальные элементы по возможности заменяются сосредоточенными smd элементами. По справочнику [1, с.65] определим необходимую ширину полоски для 50 Ом. Принимаем диэлектрическую проницаемость ε = 10, соответственно используем для подложки высокочастотных печатных плат материал ФЛАН 10. По таблице для обеспечения 50 Ом требуется ширина полоски примерно равная толщине подложки. Возьмём подложку толщиной 2 мм. Последовательные индуктивности рассчитываются по формуле , где С = 3·108 м/с , ширину полоски возьмём равной 0,3 мм, тогда отношение ширины полоски и толщины подложки будет 0,15, что соответствует волновому сопротивлению индуктивности 90 Ом и эффективной εЭФ0 = 5,26. По известной из расчётов ЦС индуктивности определяем длину проводников во всех ЦС, выполняющих функции индуктивности по формуле . Если длина слишком мала, увеличиваем длину проводника на половину длины волны в диэлектрике:  . Приведём рассчитанные длины индуктивных проводников для каждой ЦС в таблице 2. Необходимо рассчитать длины проводников в W1 - W3. Длина и профиль W4 - W7 приводятся в документации транзистора VT5.

Таблица 2.

№ линии

W1

W2

W3

L, нГн

21

10

2,3

l, мм

14,4

6,3

10,4

,мм

-

-

4,3


4.14 Расчёт радиаторов для мощных транзисторов


Радиаторы необходимы для транзисторов, которые рассеивают мощности, соизмеримые с расчётными допустимыми рассеиваемыми мощностями. Рассеиваемая мощность транзистора в оконечном каскаде Вт. Рассчитаем тепловое сопротивление радиатор-среда по формуле , [7, с. 42]. Рассеиваемые мощности, их допустимые пределы и сопротивления радиатор/среда приведены в таблице 3.

Таблица 3

каскад

Маломощный умножитель

Утроитель частоты

Мощный троитель частоты

Предконечный каскад усиления

Выходной каскад усиления

РРАСС, Вт

0,01

0,07

0,1

0,51

19

РРАСС ДОП, Вт

0,1

2,2

5

10

125

RПК, °С/Вт

20

40

40

40

2,46


Из таблицы видно, что радиатор имеет смысл устанавливать на транзистор в оконечном каскаде. По таблице в [7, с. 42] определяем, что объём радиатора с рёбрами, соответствующий требуемому тепловому сопротивлению около 250 см3. Пусть высота радиатора 6 см, тогда площадь основания радиатора . Используем в качестве радиатора корпус устройства.

4.15 Разработка конструкция устройства

 

Выбор корпуса, расположение плат.

Для возбудителя выберем для передатчика рамочный корпус, потому что в нём прощё монтировать плату и необходимые элементы конструкции. Плата располагается на высоте 25 мм от нижней крышки, это обусловлено конструкцией транзисторов. Плата изготовлена из материала ФЛАН с . Все элементы размешены на одной плате, размер заготовки 145*95 мм. Плата считается сборочной единицей с уже размещёнными на ней элементами. В рамку корпуса устанавливаются и герметично опаиваются выводы проходных конденсаторов и коаксиальный разъём. Затем устанавливается печатная плата, и выводы коаксиального разъёма и гермовыводов пропаиваются. Плата крепится винтами М3 на выступах рамки. Крышки корпуса герметично опаиваются. Контакты выводов проходных конденсаторов соединяются с низкочастотными разъёмами питания и входа управляющего напряжения модуляции, а сами разъёмы устанавливаются на плату разъёмов на кожухе.

Для выходного каскада используется 2 платы. Платы изготовлены из материала ФЛАН с . Они устанавливаются вплотную на основание корпуса стороной с печатными проводниками наверх и закрепляются винтами М3. Далее на основание устанавливается транзистор и припаивается выводами к платам. Далее устанавливаются проходные конденсаторы и коаксиальные разъёмы. Крышки корпуса герметично опаиваются. Размеры плат выходного каскада - 40*20 и 40*23 мм.

Размеры корпуса в результате проектирования получились 490*120*40 мм. Толщина стенки была выбрана 5 мм.

Опайка корпуса, расположение выводов.

Высокочастотный выход передатчика выполним в виде коаксиального герметичного разъёма, на плате высокочастотных компонентов для этого выполняется переход с микрополосковой линии передачи (последняя цепь согласования) на коаксиальный разъём. Центральный вывод разъёма соединяем с проводником-полоской, выводы, соединённые с корпусом соединяем с подложкой полосковой линии передачи. Низкочастотный вход передатчика для осуществления частотной модуляции, а также выводы питания вводятся в корпус с помощью проходных конденсаторов КТП-3, которые фиксируют выводы и изолируют их от корпуса и при этом осуществляют фильтрацию высокочастотных помех.

Опайка корпуса описана в [2, стр. 84-85]. Предусмотрена тепловая канавка по контуру опайки корпуса снизу и сверху, необходима также опайка коаксиального выхода передатчика. Выберем в качестве материала корпуса латунь Л63, а в качестве покрытия Ср6.Н3.0-Ви(99,7)3.

На сборочном чертеже, представленном на рисунке 3, приведены: примерный вид платы; расположение на ней элементов схемы; общий вид конструкции корпуса.

Заключение


В результате разработки передатчик готов к эксплуатации после подбора небольшого числа элементов. Устройство требует блок питания с гальванически развязанными источниками. Конструкция устройства с отдельным блоком выходного каскада позволяет выбирать уровень выходной мощности путём установки блока требуемой мощности. При эксплуатации достаточно подключить источник питания, источник модулирующего напряжения и коаксиальный кабель 50 Ом, соединяющий передатчик с антенной.


Список использованной литературы

1. Справочник по расчёту и конструированию СВЧ полосковых устройств /С.И. Бахарев, В.И. Вольман, Ю.Н. Либ и др.; Под ред В.И. Вольмана. - М.:Радио и связь, 1982. - 328 с.,ил.

. Каганов В. И. Транзисторные радиопередатчики. Изд. 2-е, перераб. и доп. М., "Энергия", 1976.

. Каганов В. И. Проектирование транзисторных радиопередатчиков с применением ЭВМ. - М.: Радио и связь, 1988. - 256 с.: ил.

. Радиопередающие устройства: Учебник для вузов/В. В. Шахгильдян, В.Б. Козырев, А.А. Луховкин и др.; Под ред. В.В. Шахгильдяна. - 2-е изд., перераб. и доп. - М.: Радио и связь, 1990. - 432 с.: ил.

. Проектирование радиопередающих устройств: Учеб. Пособие для вузов/В.В. Шахгильдян, В.А. Власов, В.Б. Козырев и др.; Под ред. В.В. Шахгильдяна. - 3-е изд., перераб. и доп. М.: Радио и связь, 1993 - 512 с.: ил.

Похожие работы на - Радиотехничесакие средства

 

Не нашли материал для своей работы?
Поможем написать уникальную работу
Без плагиата!
Без нейросетей!