Проектирование автоматизированного реабилитационного устройства, предназначенного для реабилитации кистевого сустава человека
МИНОБРНАУКИ РОССИИ
Федеральное государственное бюджетное
образовательное учреждение высшего профессионального образования
«Юго-Западный государственный
университет»
Кафедра теоретической механики и
мехатроники
ВЫПУСКНАЯ КВАЛИФИКАЦИОННАЯ РАБОТА
БАКАЛАВРА
на соискание квалификации (степени)
бакалавра техники и технологии
«Проектирование автоматизированного
реабилитационного устройства, предназначенного для реабилитации кистевого
сустава человека»
по направлению подготовки 220200.62 «Автоматизация и управление»
Автор работы Дёмин В.А.
Группа МТ-91
Руководитель работы Е.С. Тарасова
Нормоконтроль В.Я. Мищенко
Работа допущена к защите
Заведующий кафедрой С.Ф. Яцун
Курск 2013г.
Содержание
Введение
. Современное состояние объекта
.1 Медицинская мехатроника
.2 Обзор существующих конструкций
.3 Цели и задачи выпускной квалификационной работы
. Описание и принцип работы разрабатываемой системы
.1 Описание кинематики сустава
.2 Описание кинематики и динамики устройства
.3 Описание конструкции устройства
.4 Расчет гидроцилиндра
.5 Расчет элетроклапанов
.6 Расчет гидронасоса
. Цифровая система управления
.1 Функциональная схема
.2 Моделирование системы автоматического управления средством
MATLAB
.3 Выбор компонентов САУ
.4 Принципиальная схема
4. Проектирование объекта
.1 Алгоритм управления системой
4.2 Построение 3D-модели
Заключение
Список использованной литературы
Введение
В современном мире нас повсюду окружают новейшие достижения техники.
Невозможно представить ни одну из сфер деятельности человека без использования
мехатронных систем. Одной из таких сфер деятельности человека является
медицина, в частности, реабилитационная.
Современная медицина озадачена не только спасением жизни пациента, но и
каково будет её качество после окончания лечения. В последние время большое
развитие получили мехатронные устройства, предназначение которых - не только
облегчить труд врача-физиотерапевта, но и существенно расширить его
возможности, позволяя имитировать естественные движения человека, подбирать
индивидуальные программы для каждого пациента, осуществлять непрерывный
контроль за его состоянием лечения.
Помимо устройств, работающих на принудительное сгибание конечностей,
огромное значение в реабилитационной практике имеют устройства - тренажеры,
задача которых заключается в тренировке естественных усилий при работе сустава.
Устройства такого рода необходимы для полного возвращения всего спектра функций
и полноты выполняемых движений. Примером таких разработок служат
устройства-тренажеры для реабилитации коленного сустава.
1. Современное состояние объекта
.1 Медицинская мехатроника
В последние годы бурно развиваются медицинские технологии, формирующие
облик медицины 21 века. Во многих развитых странах активно ведутся разработки
различных мехатронных устройств медицинского спектра направления. Основные
направления развития медицинской мехатроники - клиническая медицина, выполнение
сервисных операций и разработка систем для реабилитации инвалидов. Основные
направления развития медицинской мехатроники представлены на Рис. 1.1
Рис.1.1. Основные направления развития медицинской мехатроники
Роботы для реабилитации
Медицинские реабилитационные устройства предназначены для решения двух
задач: восстановления функций утраченных конечностей и жизнеобеспечения
инвалидов, прикованных к постели .
История протезирования берет свои истоки не одно десятилетие назад, но к
мехатронике непосредственно относятся лишь протезы с усилением. Современные
автоматизированные протезы не нашли широкого применения в обществе из-за малой
надежности в работе, своих конструктивных и эксплуатационных несовершенств и
дороговизне обслуживания. В настоящее время делается довольно многое, чтобы
улучшить их характеристики за счет внедрения в них новых конструктивных
элементов и материалов, таких, как пленочные тензодатчики для управления силой
сжатия пальцев руки-протеза, электронно-оптические датчики, монтируемые в
оправе очков для управления протезом руки с помощью глаз пациента и т.п.
Современные роботы для реабилитации больных, сделали огромный шаг вперед в
области мехатронной медицины. Механические протезы уже почти полностью смогут
заменить инвалидам руки, ноги и другие конечности.
Недавно в Японии была разработана механическая рука. Исполнительный орган
имеет шесть степеней свободы и систему управления протезом. В Великобритании
создана система управления манипуляторами, которые предназначены для
протезирования, их особенностью является способность выполнения заранее не
запрограммированных заданий. Они обеспечивают обработку сенсорной информации,
включая систему распознавания речи. Одной из проблем является управление
формирования управляющих сигналов пациентами без помощи конечностей. Ведутся
разработки конструкции механической руки с телесистемой, управление ею будет
осуществляется датчиками на голове больного. Датчики реагируют на движение
головы или бровей.
Для решения задач жизнеобеспечения больных потерявших способность
передвигаться самостоятельно были созданы различные варианты роботизированных
систем. Качественно новым конструктивным решением является антропоморфная рука
- манипулятор, смонтированная на инвалидной коляске и управляемая ЭВМ. Данная
система позволяет больному с минимальным уровнем подготовки управлять рукой -
манипулятором для удовлетворения физиологических потребностей, пользования
телефоном и т.д.
Широкую востребованность пациенты стали проявлять к медицинским
роботизированным комплексам. Их функционирование осуществляется через
центральный контрольный пост или с помощью различных командных устройств, задание
для которых пациент формирует самостоятельно, с помощью речевых команд. Система
включает в себя антропоморфную руку - манипулятор, управляющую аппаратуру,
командное устройство, телевизионный монитор, а также автоматизированную
транспортную тележку. По желанию больного включаются телевизор, радио,
осветительные приборы, изменяется положение больного на кровати, приводится в
действие манипулятор.
В Сеуле разработано автоматизированное рабочее место-с рукой
манипулятором для инвалидов, страдающих тяжелой формой опорно-двигательной
системой движения суставами. Благодаря медицинскому мехатронному устройству
пациент может принимать пищу ,питье, ухаживать за волосами, чистить зубы
,читать ,пользоваться телефоном и работать на персональном компьютере как обычный
человек.
.2 Обзор существующих конструкций
Многие пациенты, перенесшие инсульт, травматическое повреждение головного
мозга, другие неврологические заболевания или костно-мышечные повреждения
обладают остаточной нейромышечной функцией двигательных конечностей. Но
выраженная мышечная слабость и собственный вес конечности не дают возможность
пациентам в полной мере восстановить утраченную функцию. Кистевое реабилитационное
устройсво [Рис.1.1 ] предназначено для усовершенствования движений кисти. В
зависимости от положения ручки устройства можно тренировать или сгибания -
разгибания кисти или повороты влево - вправо. Во время занятий предплечья
пациента фиксируется на подлокотнике, который регулируется по высоте.
Рис.1.2.1 Кистевое реабилитационное устройство
Регулятором сопротивления устанавливается необходимая нагрузка, причем на
первых тренировках движения осуществляются с небольшим сопротивлением, которое
потом постепенно повышается.
Данное реабилитационное устройсво предназначено ,для разрабатывания
кистевого сустава ,после получения травм , у детей.
Рис.1.2.2. Ортопедическое приспособление СРМ L4.
Ортопедическое приспособление СРМ L4 [Рис.1.2.2] выполняет широкий
диапазон движений на сгибание в области кистевого сустава: от 0° до 110°.
Данный аппарат также регулируется по размерам каждого пациента и может
применяться как для детей, так и для взрослых. Преимущества при использовании
данной модели это: стабильная угловая скорость, которая предотвращает адгезии и
контрактуры.
Рис.1.2.3 Реабилитационное устройство Ортез
кистевой реабилитационный
проектирование
Ортез [Рис.1.2.3] предназначен для долечивания ранений сустава запястья,
пясти и фаланг пальцев. Также служит в качестве фиксационной шины. Основу
изделия представляет собой опора ладони и пальцев и опора предплечья
соответствующей формы. Обе опоры соединены распоркой из дюралюминия. Опора
предплечья имеет два привязных ремешка. Опора ладони и пальцев имеет сбоку
опорные упоры. Основные особенности:
Новое CPM-движение, создание противодействия большому пальцу, что еще
более разнообразит реабилитационное устройство.
Ручное управление, позволяющее запрограммировать каждое движение, что
повышает безопасность реабилитации.
Концепция двух осей, упрощающая переход с правостороннего режима не
левосторонний и обратно.
Универсальность и эффективность: подгоняется по размеру к кисти (и левой,
и правой руки; от самых малых, до самых больших размеров)
Портативность (легко использовать как в клинике, так и дома)
Рис.1.2.4 Реабилитационное устройство Kinetec Maestra Portable hand CPM
Портативный реабилитационный тренажер [Рис.1.2.4] для CPM-терапии
(постоянной пассивной разработки) кистей и пальцев рук. Этот тренажер позволяет
проводить быструю и простую в применении двигательную терапию для широкого
спектра показаний. Имеет 5 режимов работы. Диапазон движений От 15° -
гиперэкстензия до 270° - сгибание (сжатие в кулак).Рабочий цикл От 27 до 135
секунд( в зависимости от установленного скоростного режима).
Таким образом, проанализировав рассмотренные реабилитационные устройства,
можно сделать следующий вывод:
Необходимо создавать принципиально новые способы управления, позволяющие
в кратчайшие сроки восстанавливать двигательную функцию кистевого сустава.
.3 Цель и задачи выпускной квалификационной работы
Целью данной работы является расширение функциональных возможностей
реабилитационной системы для восстановления двигательных функций кистевого
сустава человека. Достигнуть этого можно только путем использования современных
технологий создания интеллектуальных систем управления, позволяющих
реализовывать различные законы управления системой рука - механическое
устройство.
Для достижения поставленной цели необходимо решить следующие задачи:
· Исследование особенностей строения кистевого сустава и проведение
кинематического анализа его движения как независимо, так и в составе системы
рука-устройство,
· Разработка и исследование математической модели, описывающей
динамику поведения системы,
· Разработка системы управления, позволяющей реализовывать
различные режимы работы устройства.
2. Описание и принцип работы разрабатываемой системы
.1 Описание кинематики сустава
Кистевой сустав - это подвижное соединение костей предплечья и кисти
человека.
Образован расширенной и вогнутой запястной суставной поверхностью лучевой
кости и дистальной [Рис 2.1.1. ] поверхностью треугольного хрящевого диска,
представляющих вогнутую суставную поверхность, сочленяющуюся с выпуклой
проксимальной суставной поверхностью первого ряда запястья: ладьевидной,
полулунной, трехгранной.
Рассмотрим движение кистевого устава в одной степени свободы.
Рис 2.1.1. Строение кистевого сустава
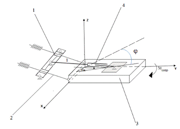
2.2 Описание кинематики и динамики устройства
Рис 2.2.1. Расчетная схема
-Локтевая кость
-Лучевая кость
-Плоскость ладони
- Реабилитационное устройсвон- Сила нагрузки
Мсопр- Момент сопротивления
φ - Угол поворота движения кисти-
расстояние между точками закрепления реабилитационного устройсва
Рассмотрим движение в плоскости YZ(Рис 2.2.2).
Рис 2.2.2.Динамическая схема реабилитационного устройстван- Сила
нагрузки, созданная устройством
Мсопр- Момент сопротивления
φ - Угол поворота движения кисти
Δl- расстояние на которое переместился
шток гидроцилиндра при работе реабилитационного устройства

-расстояние
от закрепленной манжеты на ладони до места сгибания кисти

-расстояние
от закрепленной манжеты на запястье до места сгибания кисти

-перпендикуляр
опущенный из шарнирного закрепления на реабилитационное устройство
Определим
связь между геометрическими параметрами устройства и положением руки:

(1)

. (2)

(3)

(4)
Для
составления динамических уравнений воспользуемся уравнением Лагранжа 2-го рода
(5)
(6)

(7)

(8)

(9)

(10)

(11)

(12)
Получили
уравнение движения:

(13)
Смоделируем
в среде MathCad, методом Рунге-Кутта 4 порядка:
При
заданной силе 
получили
следующие зависимости:
Рис.2.2.3.
Зависимость угла поворота от времени
Рис.2.2.4.
Зависимость скорости от времени
Рис.2.2.5.
Зависимость ускорения от времен
В
ходе моделирования мы получили , что в течении 4 секунд реабилитационное
устройство повернется на 90 градусов, максимальная скорость при этому будет
составлять 4.8 м/c. Исследуемые зависимости полностью удовлетворяют техническим
характеристикам разрабатываемого реабилитационного устройства.
2.3
Описание конструкции устройства
Устройство
предназначено для реабилитации кистевого сустава. Преимущественная цель -
вернуть полный диапазон движений лучезапястного сустава, улучшить баланс
сустава, достичь полной реабилитации.
Устройство
состоит из нескольких частей. Манжета, сделанная из эластичного материала,
одевается на ладонь и закрепляется с помощью ремней и застежек, плотно обхватывая
ладонь. Вторая манжета жестко закрепляется на предплечье. Поворотное движение
кисти осуществляет гидроцилиндр, на котором установлены предохранительные
датчики, для предотвращения травм у пациентов.
Реабилитационное
устройство работает таким образом, что гидроцилиндр прикладывает усилие
необходимое для сгибания лучезапястного сустава пациента.
Устройство
может работать в режиме-Сгибание с нагрузкой.
Устройство
с помощью датчиков контролирует усилия, создаваемые в суставе и прикладывает
необходимое «противоусилие».
Найдем
давление создаваемое цилиндром. Для этого составим уравнение моментов
относительно точки шарнирного закрепления:
где

полезная
нагрузка, приложенная к штоку, Н;

-
расстояние между шарнирным закреплением и осью штока гидроцилиндра, м;

-приведенная
масса, кг;

-
расстояние от шарнирного закрепления до точки приложения приведенной массы, м.

H
Определим
внутренний диаметр гидроцилиндра исходя из полученного значения полезной
нагрузки. Расчетное значение диаметра гидроцилиндра 
,мм
определяется по формуле:
где

-
расчетное давление рабочей жидкости на входе в гидроцилиндр, МПа;

- усилие
на штоке, Н;

-
механический КПД гидроцилиндра (рекомендуется принимать усредненное значение 
=0,95..0,96).
Принимаем

=0,95.
Давление 
предварительно
принимается равным: 

- номинальное
давление в гидросистеме, МПа;

Па
Из
стандартного ряда значений диаметров выберем ближайшее к полученному расчетному
значению внутренний диаметр и соответствующий ему диаметр штока, 
=10 мм 
=(0.3+0.45)
=7.5 мм.
Для
принятого диаметра 
рабочее
давление жидкости 
в
поршневой части гидроцилиндра и 
-
давление в штоковой части гидроцилиндра, МПа у гидроцилиндра составит:
Исходя
из полученных расчетных знаний и зная необходимую длину хода штока (40 мм)
выбираем подходящий цилиндр из каталога. Выбираем сварной гидроцилиндр
двустороннего действия ,уплотнением из эластомера и нитрила ( для
гидроцилиндров низкого давления).
Расход
жидкости, подводимой в поршневую полость гидроцилиндра 
составит:
где

-
заданная скорость движения поршня 
;

- объем
КПД гидроцилиндра, который для новых гидроцилиндров с манжетными уплотнениями
можно принять 
.
Необходимой
скоростью движения будем считать такую скорость перемещения штока при которой
он будет совершать полный ход за 8 секунд. Следовательно необходимая скорость
движения поршня будет равна:
где
- длина
хода штока, мм;

- время
хода штока, с;
При
механическом сжатии цилиндра существует возможность его продольного изгиба.
Соответственно длина хода ограничена и зависит от рабочего давления, вида
установки и рабочего режима.
.5
Расчет электроклапанов
Для
подачи и вывода рабочей жидкости в гидросистему будем использовать регулирующие
клапаны.
Зависимость
перепада давлений на клапане, объемного расхода жидкости через регулирующий
клапан, и условный объемный расход 
описывается
следующим соотношением:
где

-
характеристика пропускной способности клапана;

- перепад
давления на полностью открытом клапане, Бар;

- расход
жидкости, м3/час;

-
плотность жидкости (для воды 1000 кг/м3);
При
подборе клапана рассчитывается значение 
:

клапана
- характеристика пропускной способности клапана, есть условный объемный расход
воды через полностью открытый клапан, м3/час при перепаде давлений 1 Бар при
нормальных условиях. Указанная величина является основной характеристикой
клапана.
При
подборе клапана рассчитывается значение 
, затем
округляется в большую сторону до ближайшего значения соответствующего
паспортной характеристике 
клапана.
Выбираем
регулирующие клапаны с 
=1.0
Выбор
электродвигателя
В качестве двигателя для реализации открывания электроклапана
реабилитационного устройства был выбран двигатель, основные параметры которого
приведены в таблице 1.
Таблица 1. Основные параметры двигателя
|
Наименование параметра
|
Обозначение
|
Значение
|
|
Индуктивность якоря
|
Lя
|
0.0000345 Гн
|
|
Момент инерции, приведённый
к валу
|
J
|
43,5*10-6 Н∙м2
|
|
Номинальный ток якоря
|
i я ном
|
0,25 А
|
|
Номинальное напряжение
|
Uном
|
12 В
|
N
|
460 об/мин
|
|
Номинальный момент
|
Мном
|
0.0517 Н∙м
|
|
Сопротивление в цепи якоря
|
rя
|
0.98 Ом
|
2.6 Расчет
гидронасоса
Расчетная
подача гидронасоса 
определяется
из условия неразрывности потока жидкости. На стадии предварительного расчета
будем пренебрегать значениями утечек в гидролиниях и гидроаппаратуре и будем
принимать подачу насоса равной объему подачи рабочей жидкости в поршневую
полость гидроцилиндра 
Тогда
расчетный рабочий объем гидронасоса 
, 
определяют
по формуле:
где

-
номинальная частота вращения вала насоса, 
;

-
объемный КПД гидронасоса ( в соответствии со стандартными значениями КПД: 
=0,9..0,95,
примем 0,93).
Исходя
из полученного расчетного значения рабочего объема и необходимой скорости
подачи, а так же учитывая требования мобильности насоса выбираем
радиально-поршневой насос с постоянным рабочим объемом. Его прочность, долгий
срок службы ,низкая стоимость и простота обслуживания являются основными
особенностями. Наиболее хорошие гидравлические, механические и объемные КПД, а
так же низкий уровень шума у насосов фирмы Rexroth, не менее важным критерием
является низкое отношение веса к мощности.
3.
Цифровая система управления
3.1 Функциональная схема
На рисунке 3.1.1. представлена функциональная схема цифровой системы
автоматического управления.
Рис.3.1.1. Функциональная схема цифровой системы автоматического
управления
На функциональной схеме приняты следующие обозначения:
· Питание -питания установки;
· МК - микроконтроллер, включающий АЦП и ШИМ на кристалле.
Микроконтроллер обеспечивает реализацию необходимых законов управления, а также
управляет индикацией и обрабатывает.
· ЖКИ - жидкокристаллический дисплей с встроенным контроллером,
после включения кнопки START отображает значения измеряемой величины.
· DS- цифровой датчик, регистрирующий угловую скорость сгибания
сустава.
· DK-концевой датчик регулирующий конечное положение сгибания
сустава.
· DM - тензодатчик, регистрирующий усилия.
· Усилитель - усиливает сигнал с тензодатчиков.
· D1 - драйвер, осуществляют силовую развязку цифровой системы управления и
электроклапана.
· D2 - драйвер, осуществляют силовую развязку цифровой системы
управления и электроклапана.
· D3 - драйвер, осуществляют силовую развязку цифровой системы
управления и электроклапана
Структурно электрическая схема состоит из четырех групп:
· управляющий контроллер;
· сенсорная система устройства, включающая в себя абсолютные
энкодеры, тензодатчики, концевые датчики;
· силовая часть управления Электроклапанами;
· источник питания.
Устройство имеет три электроклапана с одинаковым принципом управления и
конструкцией. Системы управления электроклапанами аналогичны, следовательно,
можно рассматривать любой из них. На рис.4.1. приведена структурная схема
системы автоматического управления.
Рис.3.1.2. Структурная схема управленияус (p) - передаточная функция
усилителя;дпт.(p) - передаточная функция двигателя;ос (p) - передаточная
функция обратной связи;возм возд(p) - передаточная функция возмущающего
воздействия;
Управление осуществляется путем поддержания постоянного момента.
Пациент прикладывает усилие к устройству. Усилие измеряется с помощью
тензодатчиков и зависит в свою очередь от приложенного к устройству - момента,
создаваемого пациентом и момента сопротивления, создаваемого устройством. Затем
происходит открытие электроклапана и начинается подача рабочий жидкости в
гидроцилиндр с помощью насоса.
При полностью открытом электроклапане гидросистема обеспечивает максимальное
усилие. Второй электроклапан обеспечивает вывод рабочий жидкости из
гидросистемы.
Определение
передаточных функций
Так как при фиксированном возбуждении двигатель имеет две степени
свободы, то необходимо иметь для него два исходных дифференциальных уравнения.
Первое уравнение может быть получено, если записать второй закон Кирхгофа для
цепи якоря; второе же представляет собой закон равновесия моментов на валу
двигателя [2].
Таким образом, работу привода можно описать следующими уравнениями:
(14)
В
этих уравнениях
и
-
индуктивность и сопротивление цепи якоря;
и
(15)
где
и
-
коэффициенты пропорциональности, а
- поток
возбуждения;
- приведенный к оси двигателя суммарный момент
инерции,
- угловая скорость, М - момент нагрузки, приведенный
к валу двигателя/
Сe=
(15)
(16)е=
(17)
См=
(18)
Запишем систему уравнений (14) для пространства Лапласа:
(19)
(20)
Раскрывая
скобки, получим:
(21)
Преобразуем
выражение (20) к виду:
(22)
Отсюда
находим передаточную функцию двигателя:
(23)

(24)
Определяем передаточную функцию по возмущающему воздействию:
(25)
(26)
Передаточная
функция усилителя: Wус (p) = 20
Передаточная
функция обратной связи: Wос (p) = 1
.2
Моделирование системы автоматического управления средствами MATLAB
Исследование
непрерывной системы
Проведём моделирование системы автоматического управления средствами
программного пакета MATLAB. Воспользуемся расширением данного программного
продукта - средой моделирования Simulink.

Используя встроенные средства среды Simulink, получим график переходного
процесса системы, при воздействии на неё единичного ступенчатого сигнала (рис.
3.2.1).
Из графика можем определить следующие параметры система автоматического
управления:
· время переходного процесса - 0.00439 с;
· колебательность присутствует;
· коэффициент перерегулирования - 48,6%;
· Величина статической ошибки - 0%.
Рис. 3.2.2. График переходного процесса системы при воздействии на неё
единичного ступенчатого сигнала
Исходя из этих данных, можно сделать вывод о том, что система
автоматического управления не соответствует техническому заданию и нуждается в
корректировке. В качестве корректирующего звена выберем ПИД регулятор.
Настройка ПИД
регулятора
Для настройки ПИД регулятора - определения значений пропорционального,
интегрального и дифференциального коэффициентов - воспользуемся встроенными
средствами среды Simulink.
Подбор коэффициентов будем осуществлять с помощью блока NCD OutPort.
Включим его в схему, как показано на рисунке 5.2.1.
Рис.3.2.3 Схема,
собранная для настройки ПИД-регулятора
Зададим настройки NCD блока и ПИД регулятора.
Рис. 3.2.4. Настройки блока NCD OutPort
Рис. 3.2.5. Настройки блока NCD OutPort
Рис. 3.2.6. Параметры ПИД регулятора PID Controller
Значения коэффициентов, полученных оптимизацией в NCD блоке :
Kp = 1.5494= 1.6008= 0.7505
После корректировки переходная функция удовлетворяет техническому
заданию.
Рис.3.2.7. График переходного процесса системы при воздействии на неё
единичного ступенчатого сигнала
Получены следующие характеристики:
Время переходного процесса - 0.0354 с.
Колебательность отсутствует
Коэффициент перерегулирования - 0.
Ошибка - 0.
Определение
передаточных функций разомкнутой и замкнутой системы.
Определим передаточную функцию разомкнутой системы:
Определим
передаточную функцию замкнутой системы:
Характеристическое
уравнение замкнутой системы имеет вид:
Моделирование
цифровой системы.
Для исследования ЦСАУ необходимо провести z-преобразование передаточной
функции непрерывной системы. Для этого воспользуемся средствами математического
пакета VisSim .
Рис. 3.2.8. Переход в Z-пространство средствами VisSim.
После того как было проведено Z-преобразование, соберём схему и исследуем
вид переходных характеристик.
Рис.3.2.9. Схема для исследования замкнутой системы
Рис.3.2.10.Результат дискретизации.
Исследование
цифровой системы на устойчивость
Непрерывная
система устойчива, если все корни ее характеристического уравнения лежат в
левой полуплоскости. При исследовании дискретных систем вместо р используется
новая переменная z =
.Преобразование z =
отображает
левую полуплоскость плоскости р в область, ограниченную окружностью единичного
радиуса на плоскости z, при этом мнимая ось отражается в саму эту окружность
[1]. Следовательно, для того чтобы системы была устойчива необходимо и
достаточно, чтобы корни характеристического уравнения лежали внутри единичной
окружности.
Как видно из рис. 3.2.11, все корни характеристического уравнения лежат
внутри единичной окружности, следовательно, проектируемая цифровая система
устойчива.
Рис. 3.2.11. Проверка устойчивости ЦСАУ
3.3 Выбор компонентов САУ
Для управления и обработки сигналов устройств САУ выбираем
микроконтроллер фирмы Atmel, марки АTmega64, так как он имеет ряд особенностей,
которые были учтены при проектировании данной системы управления.- экономичный
8 битовый КМОП микроконтроллер, построенный с использованием расширенной RISC архитектуры
AVR т.е. архитектуры “с сокращенным набором команд” в отличии от CISC
архитектуры, обозначающего контроллер со сложным набором команд, что не нужно
для данной системы управления. Устройство имеет 2 кбайта EEPROM (Electrically
Erasable Programmable Read Only Memory) т.е.
ПЗУ с электрическим стиранием, что позволяет перепрограммировать контроллер не
выпаивая из платы. Исполняя по одной команде за период тактовой частоты,
Atmega64 имеет производительность около 16 MIPS на 16МГц (Million Instructions
Per Second), т.е. миллион команд в секунду, что позволяет создать систему
оптимальной по скорости и потребляемой мощности, а это важно, т.к. изменение
параметров системы происходит динамически и с большой частотой.
В основе ядра AVR лежит RISC архитектура, объединяющая развитый набор
команд и 32 8-разрядных рабочих регистра общего назначения. Все 32 регистра
непосредственно подключены к арифметико-логическому устройству (АЛУ), что дает
доступ к любым двум регистрам за один машинный цикл.
Подобная архитектура эффективно поддерживает языки высокого уровня и дает
высокую плотность ассемблерных программ. Atmega64 предлагает следующие
возможности:
· 64кБ загружаемой Flash памяти;
· 2кБ EEPROM;
· 53 двунаправленные линии ввода/вывода;
· 8 ШИМ-каналов;
· Рабочее напряжение 4,5 - 5,5 В;
· Рабочая частота 0 - 16 МГц.
Так же важно для данной системы соотношение "цена -
производительность - энергопотребление", что обеспечивает выбранный
контроллер. Управляющим элементом электрической схемы является микроконтроллер
ATmega64. Тактовая частота контроллера (16 МГц) задается кварцевым резонатором
Q1. Начальное программирование осуществляется через разъем X1, выводы PE0, PE1
(RXD, TXD) и SCK, что является особенностью контроллеров серии 64-128 (все
другие контроллеры mega программируются через последовательный интерфейс SPI -
выводы MISO, MOSI).
Рис.3.3.1. Внешний вид микроконтроллера Atmega64.
Рис.3.3.2. Микроконтроллер Atmega64.
Драйверная
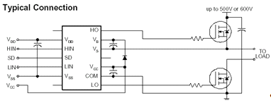
микросхема. В качестве усилителя мощности будем использовать драйверную
микросхему IR2113, выпускаемую фирмой «International Rectifier». Драйвер
представляет собой микросхему в стандартном корпусе. Входным сигналом служит
сигнал микросхемы управления стандартной амплитуды логического уровня. На
выходе драйвера имеются напряжения управления «верхним» и «нижним» силовыми
транзисторами. В драйвере приняты меры по обеспечению необходимых управляющих
уровней, создан эквивалент гальванической развязки, имеются дополнительные
функции: вход отключения, защита от пониженного напряжения питания, фильтр
коротких управляющих импульсов. Конденсаторы Сl и С9 фильтрующие (все пояснения
даны для одного канала управления), конденсатор С7 и диод VD1 - бyстрепный
каскад, обеспечивающий питание каскада, управляющего верхним ключом. Резисторы
Rl0 и R13 - затворные. Затворные резисторы также «спасают» драйвер от
защелкивания. Конденсатор С16 - фильтр в силовой цепи.
Рис.3.3.3. Внешний вид драйверных микросхем IR2113.
Рис.3.3.4. Драйверная микросхема IR2113.

Гидронасос. Исходя из полученного расчетного значения рабочего объема и
необходимой скорости подачи, а так же учитывая требования мобильности насоса
выбираем радиально-поршневой насос с постоянным рабочим объемом. Его прочность,
долгий срок службы ,низкая стоимость и простота обслуживания являются основными
особенностями. Наиболее хорошие гидравлические, механические и объемные КПД, а
так же низкий уровень шума у насосов фирмы Rexroth, не менее важным критерием
является низкое отношение веса к мощности.
Из
предложенного ряда насосов выбираем насос PR4WA01M01 c рабочим объёмом 
.
Рис.3.3.6.
Радиально-поршневой насос
Энкодер. Для
измерения угловой скорости сгибания кистевого сустава используем абсолютный
энкодер серии AMG 81.
Рис.3.3.7. Абсолютный энкодер серии AMG 81.
Абсолютные датчики вращения и датчики угла определяют текущую координату
без необходимости перемещения осей. На выходе у абсолютных энкодеров
генерируется цифровой код уникальный для каждого положения вала.
Таблица 2. Параметры абсолютного энкодера серии AMG 81
|
Однооборотный (= точность в
пределах одного оборота):
|
13 бит (= 8192)
|
|
Многооборотный (=
количество оборотов вала):
|
16 бит (= 65536)
|
|
Логический код (для
контроля скорости):
|
Логический код (для
контроля скорости):
|
|
Количество импульсов на
оборот:
|
2048
|
|
Maксимальная выходная
частота:
|
120 кГц
|
|
Присоединение:
|
12 пиновый коннектор
|
|
Допустимая рабочая
температура:
|
От -20 °C до +85 °C
|
|
Ударопрочность (6мс):
|
1000 м/с2
|
|
Вес:
|
от 1.0 до 1.5 кг
|
Датчик положения. Для предотвращения травм у пациентов, на
реабилитационное устройство установлены концевые датчики положения.
Рис.3.3.8.Концевой датчик положения
Бесконтактные датчики положения магнитного типа широко применяются в
пневмо и гидроцилиндрах. В системах управления они, как правило, выполняют
функции датчиков обратной связи, сигнализируя о завершении выполнения
конкретным элементом оборудования команды на перемещение.
Измерительный
блок. Измерительный блок состоит из тензомостов, инструментальных усилителей и
источника опорного напряжения. Из схемы видно, что в тензомостах установлено
два тензорезистора. Это сделано для увеличения чувствительности схемы и для
линеаризации выходной характеристики. Для тензодатчиков использовались
тензорезисторы с сопротивлением принулевой деформации 400 Ом,
тензокоэффициентом 2,1, базовой длиной 5 мм. Максимальная деформация составляет
0,003 от номинальной длины. Для определения коэффициента усиления измерительного
усилителя рассчитаем напряжение на выходе тензомоста при максимальной
деформации и опорном напряжении 5 В.


,
тензокоэффициент,-
базовая длина,- сопротивление при нулевой деформации,
Δl - абсолютное удлинение (деформация),
ΔR - изменение сопротивления вследствие деформации Δl,
Uоп
- напряжение питания моста (5 В).
Подставив
в формулы параметры выбранного сопротивления, получим, что при максимальной
деформации:
ΔR = 2,4 Ом,
ΔU = 15 мВ.
Чтобы
не допустить насыщение на выходе измерительного усилителя, зададим максимальный
размах:вых = 3В.вх = 2ΔU
= 30 мВ.= 100.
Рис.3.3.9.
Тензодатчик
В
настоящее время на рынке существует достаточное количество качественных
инструментальных усилителей известных мировых производителей. В нашем случае
удобно применить инструментальный усилитель с фиксированным коэффициентом
усиления, однополярным питанием, размахом выходного напряжения во всем
диапазоне питания
Рисунок
3.3.10. Внутренняя структура инструментального усилителя
Так
как выходное напряжение тензомоста может быть разнополярным в зависимости от
направления приложения нагрузки, то для нормального сопряжения с входами АЦП
микроконтроллера и увеличения динамического усиления измерительной схемы
необходимо задать смещение выходного сигнала. Эту функцию выполняет источник
опорного напряжения, реализованный на операционном усилителе MAX4335. Такой
подход обусловлен тем, что выходное сопротивление источников опорного напряжения
желательно делать как можно более низким для исключения влияния изменения
потенциалов внутри измерительных схем на значение опорного напряжения.
Назначение резисторов во входных цепях инструментальных усилителей - ограничить
втекающие - вытекающие токи через встроенные защитные диоды, предназначенные
для защиты от потенциального пробоя. Выходные интеграторы (RC цепь)
дополнительно снижают пульсации на входах в АЦП.
3.4
Принципиальная схема
На
рис.3.3.1 и 3.3.2. представлена принципиальная схема управления.
· Atmega 64 - микроконтроллер;
· AMG 81 - абсолютный энкодер;
· IR2313 - драйвер
· MAX 232 -
интегральная схема
<#"729974.files/image140.gif">
Рис. 3.4.1. Принципиальная схема управляющей тензомостом
4. Проектирование объекта
.1.Алгоритм управления системой
С учетом всех аппаратных особенностей проектируемой цифровой системы
автоматического управления, напишем алгоритм функционирования управляющей
программы для нее:

4.2.Построение 3-D модели устройства в системе трёхмерного моделирования
КОМПАС-3D V13
Основные компоненты:
- Гайка
2- Шток
- Манжета
- Винт
- Цилиндр
Заключение
В выпускной квалификационной работе бакалавра была спроектирована
автоматизированное реабилитационное устройство, предназначенное для
реабилитации кистевого сустава человека. Для этого был проведен анализ
существующих конструкций, рассмотрены достоинства и выявлены недостатки
реабилитационных устройств, предложена новая конструкция реабилитационного
устройства. Построена его конструктивная, функциональная и принципиальная
схема. Рассчитаны основные параметры гидросистемы.
Исследована цифровая система управления САУ. Разработан алгоритм работы
устройства. Построена виртуальная 3D модель.
2. Авдеев
О.Н., Мотайленко Л.В. Моделирование систем. Учебное пособие. СПб.: Изд-во
СПбГТУ, 2001. 170 с
3. Бесекерский,
В. А. Теория систем автоматического управления / В. А. Бесекерский, Е. П.
Попов. - СПб.: Профессия, 2003
4. Белов
В.Г. Самоучитель по микропроцессорной технике. 2003 г. - 244 с.
. Воротников
С. А. Информационные устройства робототехнических систем: Учеб. пособие - М.:
Изд-во МГТУ им. Н. Э. Баумана, 2005.- 384с.
6. Егоров,
О. Д. Мехатронные модули. Расчет и конструирование: уч.пос. / О. Д. Егоров, Ю.
В. - М.: ИЦ МГТУ «СТАНКИН», 2004.
7. Медицинская
реабилитация в неврологии и нейрохирургии. Коган О Г, Найдин В Л - М.:
Медицина. 1988.
8. Олссон,
Г. Цифровые системы автоматизации и управления / Г. Олссон, Пиани Д. - СПб.:
Невский Диалект, 2001.
9. Подураев,
Ю. В. Мехатроника : основы, методы, применение: уч. пос. / Ю. В. Подураев. -
М.: Машиностроение, 2006.
10. Физическая
реабилитация и профилактика наиболее часто встречающихся заболеваний суставов.
Сулимцев Т И, Морозов П Ю Учебное пособие. Малаховка 1999.
11. Яцун,
С. Ф. Аналого - цифровые системы автоматического управления: уч. пос. / С. Ф.
Яцун, Т.В. Галицына. - Курск: ИПО КГТУ, 2006.
12. Боголюбов
В.М., Пономаренко Г.Н. Общая физиотерапия. М.,СПб.: СЛП, 2008.
. Дунаев
П.Ф., Леликов О.П. Конструирование узлов и деталей машин: Учебное пособие для
машиностроит. спец. вузов//М.: Высш. шк., 1985. - 416 с.
14. Руководство
по реабилитации больных с двигательными нарушениями. Под редакцией А Н Беловой,
О Н Щепетовой М. “Антидор” 1998
. .
Справочник по функциональной диагностике. Под общ. ред. И.А. Кассирского. Изд.
”Медицина”. М.2000.
. Физическая
реабилитация и профилактика наиболее часто встречающихся заболеваний суставов.
Сулимцев Т И, Морозов П Ю Учебное пособие. Малаховка 1999.
17. Getting
Started with MATLAB//перевод с англ. Конющенко В.В.
. Фрайден
Дж. Современные датчики. Справочник.// M.; Техносфера 2008-592с.
19. Поляков,
К.Ю. Основы теории цифровых систем управления: учебное пособие [Текст]: / К.Ю.
Поляков- СПб.: СПбГМТУ, 2006. - 161 с.
20. Востриков,
А.С. Теория автоматического регулирования: Учеб. пособие для вузов [Текст]/
А.С. Востриков, Г.А. Французова. - 2-е изд., стер. -М.: Высш. шк., 2006.- 365
с: ил. ISBN 5-06-004686-9.
. Острем,
К. Системы управления с ЭВМ: Пер. с англ. [Текст]/ К. Острем, Б. Виттенмарк. -
М.: Мир, 1987. - 480 с., ил.
. Куо
Б. Теория и проектирование цифровых систем управления: Пер. с англ. [Текст]/ Б.
Куо. - М.: Машиностроение, 1986. - 448с., ил.
. Терехин,
В.В. Моделирование в системе MATLAB: Учебное пособие [Текст]/ В.В. Терехин. -
Новокузнецк: Кузбассвузиздат, 2004. - 376 с.
. Дьяконов,
В. Simulink. Специальный справочник [Текст]/ В. Дьяконов. - СПб.: Питер, 2002.
- 528 с.: ил.
. Зайцев,
Г.Ф. Теория автоматического управления и регулирования [Текст]/ Г.Ф. Зайцев. -
2-е изд., перераб. и доп. - К.: Высшая школа, 1989. - 431 с.
26. Анурьев
В. И. Справочник конструктора-машиностроителя: в 3-х т.: Т 2. - 8-е изд.,
перераб. и доп. Под ред. И. Н. Жестковой. - М.: Машиностроение, 2001. - 912 с.
27. Хоровиц
П., Хилл У. Искусство схемотехники: В 3-х т. Т. 2 Пер. с англ. - Изд. 3-е,
стериотип. - М.: Мир, 1986. - 560 с.
28. Хоровиц
П., Хилл У. Искусство схемотехники: В 3-х т. Т. 1 Пер. с англ. - Изд. 3-е,
стериотип. - М.: Мир, 1986. - 600 с.
29. Голубцов
М.С., Кириченкова А.В. Микроконтроллеры AVR: от простого к сложному. Изд. 2-е.
испр. и доп. -М.: СОЛОН-Пресс, 2005. -304 с.
30. Иванов
М. Н. Детали машин: Учеб. для студентов высш. техн. учеб. заведений. - 5-е
изд., перераб. - М.: Высш. шк., 1991. - 383 с.: ил.
31. Курмаз
Л. В., Скойбеда А. Т. Детали иашин проектирование: Справочное учебно-методическое
пособие - М.: Высш. шк., 2004. - 309 с.: ил.
32. Сайт:
<http://gendocs.ru/v4601/?cc=4>. режим доступа свободный.
. Сайт:<http://dic.academic.ru/dic.nsf/enc_medicine/17085/%D0%9B%D1%83%D1%87%D0%B5%D0%B7%D0%B0%D0%BF%D1%8F%D1%81%D1%82%D0%BD%D1%8B%D0%B9>
.режим доступа свободный.
. Сайт:<http://ru.wikipedia.org/wiki/%D0%9B%D1%83%D1%87%D0%B5%D0%B7%D0%B0%D0%BF%D1%8F%D1%81%D1%82%D0%BD%D1%8B%D0%B9_%D1%81%D1%83%D1%81%D1%82%D0%B0%D0%B2>.
режим доступа свободный.
. Сайт:<http://www.tkd.com.ua/item.php?item_type=18&item=2725>.
режим доступа свободный.
. Сайт:<http://www.gaw.ru/html.cgi/txt/ic/Atmel/micros/avr/atmega64.htm>
режим доступа свободный
. Сайт:<http://www.bibliorossica.com/book.html?currBookId=8241&ln=en>
режим доступа свободный
. Сайт:<http://www.tehnoinfa.ru/teorijasistempravlenija/20.html>
режим доступа свободный
. Сайт:<http://www.nina-ortomed.ru/ortex>
режим доступа свободный
. Сайт:
<http://www.med-group.ru/productdetail/Armeo/366/0/0/> режим доступа
свободный
. Сайт:<http://gendocs.ru/v4601/%D0%BB%D0%B5%D0%BA%D1%86%D0%B8%D0%B8_%D0%BF%D0%BE_%D0%BC%D0%B5%D1%85%D0%B0%D1%82%D1%80%D0%BE%D0%BD%D0%B8%D0%BA%D0%B5_5_%D0%BA%D1%83%D1%80%D1%81>
режим доступа свободный
. Сайт:<http://knowledge.allbest.ru/manufacture/2c0a65635b3bc68a5c53b88421306d37_0.html>
режим доступа свободный