Модуль аналого-цифрового ввода/вывода FESTO EasyPort

  • Вид работы:
    Дипломная (ВКР)
  • Предмет:
    Информатика, ВТ, телекоммуникации
  • Язык:
    Русский
    ,
    Формат файла:
    MS Word
    1012,88 Кб
  • Опубликовано:
    2014-04-17
Вы можете узнать стоимость помощи в написании студенческой работы.
Помощь в написании работы, которую точно примут!

Модуль аналого-цифрового ввода/вывода FESTO EasyPort

Введение

программирование гидравлический распределитель привод

В настоящее время множество промышленных предприятий используют гидравлические исполнительные устройства (гидромоторы, цилиндры, распределительную и регулирующую аппаратуру). Также сложно представить себе промышленное предприятие, на котором не применялись бы современные автоматизированные технологические комплексы, управляемые с помощью компьютеризированных систем. Применение этих комлексов обеспечивает гибкость производства, высокую производительность труда и качество готовой продукции, а также в целом увеличивает эффективность производства. Выбор средств автоматизации должен осуществляться с учетом возможности быстрого перестроения и расширения для выполнения других технологических процессов. Кроме того, важными критериями, которым должны соответствовать автоматизированные системы являются: высокое качество исполнения операций, компактность и надежность в совокупности с низкой стоимостью.

В связи с этим возникает проблема обучения персонала на предприятии основным принципам работы таких систем. Необходимо, чтобы сотрудники знали как работают гидравлические исполнительные элементы и на чем основывается управление, умели снимать характеристики. Данная работа посвящена разработке автоматизированного стенда для исследования гидроприводов и систем управления и представляет собой проектно-исследовательскую работу в области мехатроники и промышленной автоматизации. В работе производится проектирование аппаратной части системы управления и разработка программного обеспечения для осуществления управления гидроприводами. Кроме этого, проводится расчет параметров работы гидравлического контура, а также циклограмм работы, служащих основой для составления управляющей программы. Результатом работы должен явиться полноценный учебно-демонстрационнный автоматизированный стенд, собранный на основе реальных промышленных компонентов с комплектом соответствующей технической документации, который впоследствии может быть внедрен в процесс обучения в данном направлении, а система управления может быть использована для управления реальными промышленными комплексами.

Разработка стенда включает в себя проведение теоретических исследований и расчетов, разработку электрических и гидравлических схем, разработку системы управления механической частью и составление управляющей программы.

Механическая часть проектируемого стенда базируется на промышленных компонентах пропорциональной гидравлики фирмы FESTO, а основой системы управления является модуль аналого-цифрового ввода-вывода Festo EasyPort, работающий под управлением программного пакета LabView 7.1

Цели и задачи работы

Основными целями работы по теме «Разработка автоматизированного стенда для исследования гидроприводов и систем управления» являются:

1.       Разработка автоматизированного стенда для исследования характеристик гидроприводов и систем управления ими, построенного на базе пропорциональной гидравлики фирмы Festo. Стенд должен быть оснащен системой управления на базе модуля аналого-цифрового ввода-вывода.

2.       внедрение стенда в процесс обучения в области промышленной автоматизации.

Для достижения поставленных целей в процессе работы решаются следующие задачи:

·   Определить общую структуру и принцип работы исследовательского стенда. Построить структурную схему стенда.

·   Определить перечень необходимых исполнительных и управляющих компонентов и датчиков гидравлического контура поворотно-подъемного устройства. Разработать гидравлическую схему контура.

·   Выбрать необходимые усилительные блоки, подходящие по параметрам к пропорциональным распределителям. Разработать электрогидравлическую схему гидравлического контура исследовательского стенда.

·   Выбрать компоненты аппаратной и программной частей разрабатываемой системы управления на базе модуля ввода-вывода. Спроектировать интерфейс «система управления - блок усилителей» для данной системы управления и реализовать подключение к датчикам гидравлического контура.

·   Произвести расчет параметров работы (скорость, ускорение, время разгона и торможения) исполнительных компонентов гидравлического контура исходя из условий их нагружения.

·   Составить и рассчитать циклограммы управления гидравлическим контуром исходя из проведенного расчета параметров компонентов.

·   Составить и отладить контрольно-управляющее приложение для модуля ввода-вывода. Определить алгоритм его работы, необходимый для реализации полученных циклограмм.

·   Оценить преимущества и недостатки данной системы управления (точность позиционирования, быстродействие, простота и наглядность управления, возможность быстрого перепрограммирования и т.д.).

1. Разработка электрогидравлической схемы

.1 Пропорциональный гидравлический распределитель

Рис 1.1 пропорциональный 4/3 распределитель прямого действия

На рис. 1.1 представлен пропорциональный распределитель прямого действия.

Принцип работы пропорционального распределителя:

• Если электрический сигнал управления равен нулю, оба электромагнита выключены. Золотник центрирующими пружинами удерживается в среднем положении, при котором все каналы перекрыты.

• Если управляющий сигнал напряжения имеет отрицательное значение, ток поступает на правый электромагнит. Золотник смещается влево. Выход В соединяется с питанием Р, выход А - со сливом Т. Смещение золотника пропорционально силе тока, поступающего на электромагнит.

• Если управляющее напряжение имеет положительное значение, ток поступает на левый электромагнит. Золотник смещается вправо, соединяя Р с А и В с Т.

1.2 Расчет характеристик движения для привода с гидравлическим цилиндром

1. Гидравлические приводы способны развивать высокие усилия и перемещать большие массы нагрузки. С помощью пропорциональных клапанов движением привода можно управлять быстро и точно.

В зависимости от поставленной задачи в качестве исполнительного устройства может использоваться гидравлический линейный цилиндр, поворотный цилиндр или гидромотор. Наиболее часто используются цилиндры линейного перемещения. В нашем случае производится расчет для цилиндра двустороннего действия с односторонним штоком, имеющим разные площади поршня со стороны поршневой и штоковой камер (рис. 1.2). Максимальное усилие и скорость различны для прямого и обратного хода. Расчет производим с учетом нагрузки и сил трения.

. Фазы последовательности перемещения (рис. 1.3)

Последовательность перемещения в гидравлическом приводе состоит из нескольких фаз:

фазы разгона (длительность tB, дистанция XB);

фазы движения с максимальной постоянной скоростью (длительность tK, дистанция XK);

фазы торможения (длительность tV, дистанция XV);

Длительность всего движения обозначается tG. При этом шток цилиндра пройдет расстояние XG.

Рис. 1.2

Гидравлический привод с цилиндром двустороннего действия с односторонним штоком, имеющим разные площади поршня.


Рис. 1.3. Фазы последовательности перемещения

. Факторы, влияющие на длительность перемещения:

- вся гидравлическая система, включающая насос, предохранительный клапан, пропорциональный распределитель и цилиндр;

нагрузка (усилие и масса);

расстояние между начальной и конечной точкой перемещения;

Влияние этих факторов более подробно показано в таблице 1.1

Таблица 1.1 - Факторы, влияющие на длительность перемещения

Гидравлическая установка

Цилиндр

- равная, разная площадь поршня - ход - площадь поршня и штока - трение в уплотнениях

Пропорциональный распределитель

- номинальный расход - функция сигнал / расход

Система питания. Включая насос и предохранительный клапан

- рабочее давление - подача насоса

Нагрузка

Массовая

- значение массы - направление перемещения (горизонтальное, вертикальное, наклонное, подъем / опускание)

Позиционная

- тянущая / толкающая - трение в подшипниках, направляющих

4. Граничные условия для расчетов:

Для упрощения расчетов сделаем два предположения:

Пропорциональный 4/3-распределитель имеет все четыре кромки одинаковые и линейную расходную характеристику в функции сигнала управления.

Источник питания обеспечивает постоянство рабочего давления, т.е. насос подобран таким образом, что гарантирует требуемый расход даже при максимальной скорости работы привода.

При расчетах давление слива (в баке) принято равным нулю.

. Расчет расхода для пропорционального распределителя

а.) Номинальный расход пропорционального распределителя

Скорость, которую развивает исполнительный элемент гидропривода, зависит от значения расхода, протекающего через распределитель.

В паспортных технических данных распределителя указывается расход qN, который протекает через полностью открытый распределитель при перепаде на кромке pN.

б.) Расход через пропорциональный распределитель при его работе с исполнительным механизмом

При линейной расходной характеристике степень раскрытия распределителя и, следовательно, расход будут прямо пропорциональны значению управляющего сигнала.

Таблица 1.2 - Расход через пропорциональный распределитель

Параметры распределителя

- номинальный расход: qN - номинальное падение давления на кромке: pN - максимальное значение управляющего сигнала: уmax

Условия работы гидросистемы

- реальное падение давления на распределителе: ∆р - реальное значение сигнала управления: у

Формула расчета расхода



6. Отношение площадей в цилиндре с односторонним штоком.

В цилиндре с односторонним штоком площадь поршня со стороны поршневой полости больше площади поршня со стороны штоковой полости. Отношение этих площадей обозначается символом а и в таких цилиндрах оно всегда больше 1.

а.) Давление в полостях цилиндра и перепад давления на распределителе при выдвижении штока.

Давление в полостях цилиндра и перепад давлений на распределителе определяются равновесием сил на поршне и расходами жидкости, втекающим и вытекающим из цилиндра.

б.) Давление в полостях цилиндра и перепад давления на распределителе при втягивании штока.

При втягивании штока расход в напорном тракте в а раз меньше расхода в сливном тракте. Значения давлений и перепадов можно рассчитать из условий равновесия сил на поршне и соотношения расходов, втекающего и вытекающего из цилиндра.

Таблица 1.3 - Расчет скорости для цилиндра с односторонним штоком без учета нагрузки и сил трения

Формулы для цилиндра

Площадь поршня

Отношение площадей

Формулы расчета при выдвижении штока

Расход в напорном тракте

Скорость поршня

Формулы расчета при втягивании штока

Расход в напорном тракте

Скорость поршня

Формулы для расчета объемной подачи насоса


. Расчет скорости для привода с цилиндром, имеющим разные площади поршня, с учетом нагрузки сил трения.

а.) Усилие на поршне при движении с постоянной скоростью.

При движении с постоянной скоростью усилие на поршне F определяется усилием нагрузки FL и силами трения FR.

Чтобы поршень двигался в желаемом напрвлении, усилие F всегда должно быть меньше максимального усилия Fmax. Максимальное усилие определяется по формуле . Максимальное усилие при прямом ходе (выдвижение штока) будет в а раз больше, чем при обратном.

б.) Давление нагрузки, давления в полостях и перепад давлений на распределителе. При одинаковой нагрузке давление нагрузки pL при обратном ходе будет больше в a раз. Давления рA и рB в полостях цилиндра, а также перепады давлений н распределителе, показаны на рис. 1.4а для прямого и на рис. 1.4б для обратного хода.

в.) Влияние нагрузки.

При обратном ходе развиваемое цилиндром максимальное усилие Fmax меньше, чем при прямом ходе. Если нагрузка действует против перемещения поршня, то давление pL увеличивается. Поэтому при обратном ходе и встречной нагрузке скорость уменьшается.

г.) Определение требуемой подачи насоса.

Определяющим фактором для определения размеров насоса является обьемный расход qmax, протекающий через напорный тракт распределителя. Чтобы определить требуемую подачу насоса, следует рассмотреть движение поршня в обоих направлениях. В данном случае максимальный обьемный расход имеет место при выдвижении штока.

Рис. 1.4

Давление в полостях цилиндра с односторонним штоком и перепады давлений на распределителе (с учетом нагрузки и сил трения)

а.) Выдвижение штока

b.) Втягивание штока

Таблица 1.4 - Расчет скорости поршня для цилиндра с односторонним штоком с учетом нагрузки и сил трения

а) Параметры гидравлической системы

Питание энергией

Давление питания: р0

Параметры распределителя

- номинальный расход: qN - номинальное падение давления на кромке: pN - максимальное значение управляющего сигнала: уmax

Условия работы гидросистемы

- реальное падение давления на распределителе: ∆р - реальное значение сигнала управления: у

Цилиндр

Диаметр поршня: DK Диаметр штока: Ds

Площадь поршня

Эффективная площадь

Отношение площадей

b) Параметры нагрузки

Усилие нагрузки

FL

Сила трения

FR

с) Выдвижение штока

Формулы расчета цилиндра

Максимальное усилие

Реальное усилие

Давление нагрузки

Расчет скорости поршня при выдвижении штока

Расход через распределитель без нагрузки

Расход через распределитель с нагрузкой

Скорость с нагрузкой

Расчет скорости выдвижения, если известна эта скорость без нагрузки

Скорость без нагрузки

Скорость с нагрузкой

d) Втягивание штока

Формулы расчета цилиндра

Максимальное усилие

Реальное усилие

Давление нагрузки

Расчет скорости поршня при втягивании штока

Расход через распределитель без нагрузки

Расход через распределитель с нагрузкой

Скорость с нагрузкой

Расчет скорости втягивания, если известна эта скорость без нагрузки

Скорость без нагрузки

Скорость с нагрузкой

e) Формула для расчета объемной подачи насоса


 

 

Рис. 1.5. Цилиндр с односторонним штоком, массовой нагрузкой и силой трения

д.) Расчет скорости для привода с цилиндром, имеющим разные площади поршня с учетом сил трения и нагрузки.

.) Исходные данные:

Гидравлический привод состоит из следующих элементов:

а.) 4/3 - пропорционального распределителя со следующими характеристиками:

2.       номинальный расход qN = 1.2 л/мин при перепаде давления pN = 10 бар. Номинальный расход одинаков на всех кромках

3.       максимальное значение сигнала управления уmах= 10В

.        зависимость расход/ сигнал линейная

б.) Цилинда с односторонним штоком. Цилиндр установлен вертикально и перемещает нагрузку вверх и вниз (рис. 1.5).

-             Диаметр поршня: DK = 16 мм

-             Диаметр штока: Ds = 10 мм

-             Усилие нагрузки FL = 90 H

-             Сила трения в обоих направлениях движения равна FR = 3 Н

в.) Насоса постоянной производительности

г.) Предохранительного клапана, настроенного на рабочее давление: р0 = 30 бар

Определим максимальную скорость подьема и опускания и требуемую подачу насоса.

.) Расчет:

а.) Расчет цилиндра

Площадь поршня:  = (3.14/4)*(16)2 = 201.06мм2 = 0.020дм2

Эффективная площадь:  = (3.14/4)*(162-102) = 122.52мм2 = 0.012дм2

Отношение площадей:  = 1.64

б.) Расчет максимальной скорости при втягивании штока:

Поршень цилиндра втягивается.

Расход через распределитель без нагрузки:

 = 0.89 л/мин

Скорость при втягивании без нагрузки:

 = (0.89*1.64)/(60*0.02) = 0.122 м/с

Максимальное усилие на поршне:

 = 1.22см2*30 бар = 366 Н

Реальное усилие на поршне:

 = 90 + 3 = 93 Н

Скорость при максимальном открытии распределителя:

 = 0.112 м/с

в.) Расчет максимальной скорости при выдвижении штока:

Поршень цилиндра выдвигается.

Расход через распределитель без нагрузки:

 = 1.88 л/мин

Скорость при выдвижении без нагрузки:

 = 1.88/(60*0.02) = 1.57 дм/с = 0.157 м/с

Максимальное усилие на поршне:

 = 2.01см2*30 бар = 603 Н

Реальное усилие на поршне:

 

F = FR - FL = 3 - 90 = - 87 H

Скорость при максимальном открытии распределителя:

 = 0.168 м/с

г.) Расчет требуемой подачи насоса

Максимальный потребляемый объемный расход, протекающий по напорному тракту распределителя при выдвижении штока:

 

qA = vL*AK = 0.168 м/с*0.020дм2 = 2.016 л/мин

Максимальный потребляемый объемный расход, протекающий по напорному тракту распределителя при втягивании штока:

 

qB = vL*AR = 0.112 м/с*0.012дм2 = 0.806 л/мин

Требуемая подача насоса:

 = 2.016 л/мин

8. Влияние максимального усилия на поршне на процесс ускорения и замедления.

а.) Скорость и значение сигнала управления во время фазы ускорения поршня.

Для приближенного расчета примем ускорение постоянным. Скорость при этом непрерывно растет (рис. 1.3). Степень открытия распределителя увеличивается в форме задаваемой рампы.

б.) Усилия во время фазы ускорения.

При ускорении усилие на поршне определяется силами трения FR, нагрузки FL и ускорения FB. Максимальное усилие ускорение и максимальное значение ускорения аmах имеют место при максимальном усилии на поршне Fmax. Это усилие достигается, если в одной полости цилиндра давление равно давлению питания ро, а другая полость соединена со сливом.

в.) Длительность фазы ускорения и проходимая дистанция.

Для сокращения времени перемещения поршня ускорение должно быть максимально возможным. Максимальное ускорение определяется максимальным усилием FBmax и перемещаемой массой нагрузки. Общая перемещаемая масса складывается из массы собственно нагрузки и массы подвижных частей привода (шток). Длительность фазы ускорения и проходимая при этом дистанция рассчитываются по формулам:

;

г.) Скорость и значение сигнала управления во время фазы торможения поршня.

Пусть ускорение торможения также постоянно, и скорость при этом равномерно падает (рис. 1.3). Степень открытия распределителя уменьшается в соответствии с задаваемым параметром рампы до полного закрытия прохода жидкости.

д.) Направление действия усилий во время торможения

Во время торможения результирующее усилие на поршне направлено против перемещения. Т.е. в расчетах оно становится положительным. Усилие трения FR в данном случае способствуют торможению, уменьшая усилие на поршне F.

е.) Кавитация и колебания давления

Чтобы затормозить гидравлический поступательный привод, пропорциональный распределитель следует закрыть. Если это сделать очень быстро, могут иметь место два эффекта:

• В полости, где жидкость подвержена сжатию из-за перемещения нагрузки, давление резко превысит давление питания, в результате чего могут пострадать цилиндры, трубопроводы и элементы соединений.

• В противоположной полости давление может упасть ниже давления слива и появится кавитация.

ж.) Предельно допустимые усилия на поршне при торможении

Для предотвращения кавитации и забросов давления при торможении поршня цилиндра с двусторонним штоком распределитель следует закрывать медленно, чтобы усилие на поршне не превышало предельного значения Fmax.

• При торможении обратного хода в цилиндре с односторонним поршнем риск возникновения кавитации минимален, поскольку расход в напорном тракте относительно мал. Желательно тормозить такой поршень таким образом, чтобы давление в поршневой полости цилиндра не превышало давление питания.

• Особенно критично торможение поршня цилиндра с односторонним штоком при выдвижении, так как в этом случае кавитация может возникнуть при относительно небольшом значении Fmax.

з.) Длительность фазы торможения и проходимая дистанция

Максимальное ускорение торможения аmax достигается, когда против направления перемещения действует усилие Fmax.

Значение ускорения аmax, длительности фазы торможения tv и проходимая при этом дистанция Xv: ;

Таблица 1.5 - Воздействие максимального усилия на поршне на процессы ускорения и торможения

а) Формулы расчета усилий для фазы ускорения

Усилие на поршне при ускорении

Максимальное усилие на поршне цилиндра с двусторонним штоком

Максимальное усилие на поршне цилиндра с односторонним штоком при выдвижении

Максимальное усилие на поршне цилиндра с односторонним штоком при втягивании

b) Формулы расчета длительности фазы ускорения и проходимой дистанции

Допустимое значение ускорения

Длительность фазы ускорения

Дистанция, проходимая во время фазы ускорения

с) Формулы расчета усилий для фазы торможения

Усилие на поршне при торможении

Максимальное усилие на поршне цилиндра с двусторонним штоком

Максимальное усилие на поршне цилиндра с односторонним штоком при выдвижении

Максимальное усилие на поршне цилиндра с односторонним штоком при втягивании

d) Формулы расчета длительности фазы торможения и проходимой дистанции

Допустимое значение замедления

Длительность фазы торможения

Дистанция, проходимая во время фазы торможения


9. Влияние естественной угловой частоты на процессы ускорения и торможения

а.) Гидравлический цилиндр как система с колеблющейся на пружинах массой

Поршень цилиндра зажат между двумя объемами жидкости. Поскольку жидкость отчасти сжимаема, эти объемы могут рассматриваться как пружины с жесткостью с1 и с2 (рис. 1.6). Жесткости этих пружин кумулятивные. В цилиндре с двусторонним штоком, имеющим равные площади поршня с обеих сторон, суммарная жесткость жидкостных пружин минимальна при средней позиции поршня.

Система, состоящая из двух жидкостных пружин, поршня, штока и прикрепленной к ним массовой нагрузки, может рассматриваться как пружинно-массовый осциллятор. Если такой цилиндр при полностью закрытом распределителе подвергнуть воздействию внешней силы, в нем возникнут затухающие колебания (рис. 1.6).

Рис. 1.6. Гидравлический цилиндр как система с колеблющейся на пружинах массой

б.) Определение собственной угловой частоты привода

Жесткость жидкостной пружины с для цилиндра с двусторонним штоком и с поршнем в средней позиции подсчитывается с использованием модуля упругости рабочей жидкости Е, хода поршня цилиндра Н и эффективной площади поршня AR. Включение в формулу подвижной массы m позволяет вычислить собственную угловую частоту щ 0 гидропривода. Если рассматривать привод в целом, нужно учитывать не только объемы полостей цилиндра, но и объемы трубопроводов между цилиндром и распределителем. В результате объем сжимаемой жидкости вырастет, а жесткость пружины с уменьшиться. Также уменьшится и значение частоты щ0. Это нужно учитывать при подсчете собственной частоты путем ввода корректирующего фактора, равного от 0,85 до 0,9.

В приводе на базе цилиндра с односторонним штоком, имеющем разные площади поршня со стороны поршневой и штоковой полостей, собственная частота принимает минимальное значение при положении поршне в стороне от средней позиции. Формула расчета для определения минимальной собственной частоты, включающая корректирующий фактор:

 

в.) Расчет минимального времени ускорения и торможения

Для предотвращения возникновения колебаний в приводе времена ускорения tB и торможения tv выбираются так, чтобы они не были слишком короткими. Допустимый минимум зависит от значения собственной частоты привода. Чем выше значение этой частоты, тем меньше допустимые значения времени ускорения и торможения (таблица 1.6). Проходимая поршнем при этом дистанция может быть подсчитана по значениям tB и tv.

Рис. 1.7 Минимально допустимое время ускорения и торможения (рампы)

Таблица 1.6 - Расчет собственной частоты привода и его влияние на фазы ускорения и торможения

Параметры гидравлической системы


см. таблицу 4

Модуль упругости жидкости

E

Ход цилиндра

Н

Формулы расчета для собственной частоты привода с цилиндром, имеющим равные площади поршня

Минимальная жесткость двух объемов жидкости

Минимальная собственная частота

Минимальная собственная частота с учетом «мертвых» объемов

Формулы расчета для собственной частоты привода с цилиндром, имеющим разные площади поршня

Минимальная собственная частота с учетом «мертвых» объемов

Формулы расчета параметров движения

Минимальное время ускорения и торможения

Минимальная дистанция ускорения и торможения

 

10. Расчет собственной частоты и минимально допустимых времен ускорения и торможения для цилиндра с односторонним штоком

Гидравлический цилиндр с односторонним штоком поднимает и опускает массовую нагрузку. Все данные соответствуют пункту 7 (рис. 1.5). Ход поршня Н равен 200 мм, модуль упругости Е=1,4·109 Н/м2. AR = 1.22 см2 = 1.22 м2 * 10-4

m = 9 кг; а = 1.64

Расчет минимальной собственной частоты

Минимальная собственная угловая частота привода

 = 493.7 1/с

Расчет минимального времени ускорения и торможения

 = 0.036 с = 36 мс

Этапы расчета

Продолжительность движения гидропривода рассчитывается в несколько этапов:

• определяется максимальная скорость,

• рассчитывается длительность фаз ускорения и торможения,

• принимается решение о количестве фаз движения (две или три),

• рассчитывается общая продолжительность движения

а.) Расчет максимальной скорости

Значение максимальной скорости зависит от максимального открытия распределителя, площадей поршня и штока, давления питания и нагрузки.

б.) Длительность фаз ускорения и торможения

В ходе ускорения или замедления по определенному закону происходит открытие или закрытие распределителя. Допустимая продолжительность фаз ускорения и торможения определяется двумя факторами:

• предельное усилие на поршне не должно превышаться;

• законы изменения скорости в пределах фаз ускорения и торможения

должны выбираться так, чтобы привод не вступил в колебания.

Длительность фазы ускорения tB и фазы торможения tV следует выбрать, чтобы выполнялись оба указанных условия. Затем рассчитываются пути ускорения XB и торможения XV.

в.) Движение в три фазы

г.) Движение в две фазы

Если сумма дистанций XB и XV равно или превышает рабочий ход привода XG, движение происходит в две фазы. Причем в последнем случае привод не сможет достичь максимально возможной скорости. Расчет дистанций XB и XV нужно будет выполнить заново. Для этого следует учесть максимально допустимое усилие на поршне и ограничения, накладываемые собственной частотой привода.

Длительность процессов ускорения и торможения подсчитывается из дистанций XB и XV, после чего определяется общая продолжительность движения tG.

11. Расчет продолжительности движения поршня цилиндра с односторонним штоком

Цилиндр расположен вертикально и перемещает нагрузку вверх и вниз. Все данные соответствуют пунктам 7 и 10. Определим минимальную общую продолжительность движения tG, если нагрузка опускается на XG = 150 мм.

В данном случае имеет место выдвижение поршня (прямой ход) цилиндра.

а.) максимальная скорость опускания (выдвижения штока) груза

 = 0.168 м/с

б.) Фаза ускорения

Максимальное усилие на поршне

 = 2.01см2*30 бар = 603 Н

Максимальное усилие ускорения

 

FB = Fmax - FR + FL = 603 H - 3 H + 90 H = 690 H

Минимальная длительность фазы ускорения (ограничение по усилию)

= 0.0022c = 2.2 мс

Минимальная продолжительность фазы ускорения (ограничение по собственной частоте привода, в соответствии с пунктом 10)

= 0.036 с = 36 мс

Минимальная продолжительность фазы ускорения

 

tB = tBmax = tBmin2 = 36 мс

Путь, проходимый поршнем за фазу ускорения

= 0.5*0.168*0.036 = 0.003 м = 3 мм

в.) Фаза торможения

Максимальное усилие на поршне

= 136.7 Н

Максимальная сила торможения

 

FV = Fmax + FR - FL = 136.7H + 3H - 90H = 49.7 H

Минимальная продолжительность фазы торможения (ограничение по усилию)

= 0.030 с = 30 мс

Минимальная продолжительность фазы торможения (ограничение по собственной частоте)

= 36 мс

Минимальная продолжительность фазы торможения

 

tV = tVmax = tVmin2 = 36 мс

Путь, проходимый поршнем за фазу ускорения

 

xV = 0.5 * tV * vL = 3 мм

г.) Выводы

Расстояния, проходимые поршнем за время фаз ускорения и торможения, меньше общего хода поршня XG. Вывод: движение происходит в три фазы.

д.) Фаза движения с максимальной скоростью

Путь, проходимый поршнем с максимальной скоростью

 

xK = xG - xB - xV = 150 мм - 3 мм - 3 мм = 146 мм = 0.14 м

Продолжительность фазы движения с постоянной скоростью

= 0.83 c = 833 мс

 

е.) Общая продолжительность перемещения

 

tG = tB + tV + tK = 833 мс + 36 мс + 36 мс = 905 мс = 0.91 с

1.3 Проектирование электрогидравлической схемы

В ходе выполнения работы была спроектирована и создана следующая принципиальная электрогидравлическая схема, описывающая работу робота-манипулятора. Фотографии собранной схемы представлены на рисунках. Принципиальная электрическая и гидравлическая схемы представлены в приложении 1.

Стенд собирается из реальных производственных компонентов фирмы FESTO (гидромоторы, гидравлические цилиндры, датчики, пропорциональные распределители). На стенде реализуется система управления на базе модуля аналого-цифрового ввода-вывода Festo EasyPort. Основными управляющими исполнительными органами являются:

-             пропорциональный распределитель

-             блок усилителей

-             задатчик уставок

-             модули аналого-цифрового ввода-вывода

2. Разработка системы управления стендом

.1 Разработка структурной схемы системы управления

Общая схема системы управления стендом представлена на рисунке 2.1

Рис. 2.1. Структурная схема системы управления

 

Основным элементов управления является модуль аналого-цифрового ввода-вывода Festo EasyPort. Ко входам модуля, как показано на схеме присоединены датчики. Аналоговые выходы модуля подсоединении к 2х канальному усилителю. Для подключения датчиков обратной связи к цифровым входам используется универсальное соединительное устройство.

Процесс управления происходит следующим образом:

Сигналы с аналоговых выходов модуля (от 0 до 10 В) поступают на входы усилителей

Через усилитель сигналы поступают на пропорциональные 4/3 распределители, посредством которых в свою очередь регулируется движение цилиндра и гидромотора.

Обратная связь осуществляется с помощью датчиков, подсоединенных ко входам модуля ввода-вывода:

) аналоговый датчик перемещения - сигнал от 0 до 10 В в зависимости от положения штока цилиндра (0 - верхнее, 10 - нижнее)

) индукционный датчик - работает как импульсный датчик для отсчета 10 оборотов гидромотора.

Описание датчиков и соответствующих им входов см в приложении А (принципиальная электрическая схема)

2.2 Двухканальный управляемый усилитель

. Напряжение питания +24 В постоянного тока

. Напряжение питания 0 В

. Дисплей

. Выходы А и В

. Запуск выходов А и В (разблокирование выхода)

. Вращающаяся ручка

. Многопозиционный переключатель

. Входы для внешних величин рабочих точек.

. Внутренние величины рабочих точек.

Рис. 2.2 Двухканальный управляемый усилиель.

Плата пропорционального усилителя размещается внутри маленького электронного устройства. Электрические связи действуют в виде 4-х мм разъёмов безопасности. Устройство установлено в каркасном отделении лабораторного рабочего места или на профилирующей планке посредством съёмных адаптеров. Плата усилителя используется для приведения в действие пропорционального распределителя. Усилитель устроен таким образом, что или 2 независимых соленоида (одноканальных), или один распределитель с двумя соленоидами (двухканальные), например пропорциональный распределитель 4/3, могут быть приведены в действие. Плата действует по выбору или как 2 одноканальных усилителя, или как 1 двухканальный усилитель.

Для этой цели, величины рабочих точек / сигналы напряжения преобразуются в ток намагничивания, требуемый для пропорционального распределителя. Это задание представлено двумя конечными ступенями с широтно-импульсной модуляцией. Функция конечных ступеней может быть сравнена с функцией переключателя. Включается на некоторый период и выключается на некоторый период. Общая сумма двух периодов остаётся неизменной. Отношение включения и выключения меняется в зависимости от величины рабочих точек. Переключатель может оставаться включённым от нулевого времени и на весь период. Чем дольше переключатель остаётся включённым, тем дольше ток проходит через пропорциональный соленоид. В соленоиде, ток возрастает в соответствие с кривой нагрузки катушки до максимальной величины, определённой поданным напряжением и омическим сопротивлением, или ограниченной связанным со временем концом. Если выключен, то ток падает в соответствие с разгрузочной кривой. Эти результаты в токовой диаграмме похожи на зуб как видно на рисунке 2.3.

Рис. 2.3 Токовая диаграмма усилителя

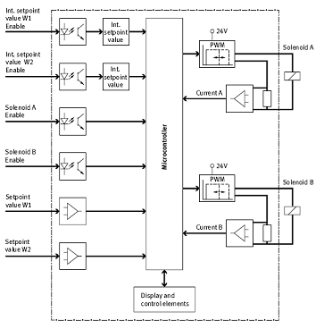
Ток контролируется, так как сопротивление катушки пропорционального соленоида меняется в соответствии с температурой. Чтобы сделать это, ток проведён через резистор. Падение напряжения через этот резистор проведено к регулятору тока. Конечные ступени оснащены автоматическим предохранителем от перегрузки. Блок-схема двухканального усилителя изображена на рисунке 2.4

Рис. 2.4 Блок-схема усилителя

Все входные сигналы сделаны через многопозиционный переключатель и вращающуюся ручку на передней панели. Накопитель действует с дальнейшим переключением многопозиционного переключателя. Изменяющиеся данные показываются на дисплее и защищены от перебоев в питании.- 2 одноканальных усилителя или 1 двухканальный усилительBASIC, IB BASIC - Базовый ток на выходы А и ВJUMP, IB JUMP - Скачкообразный ток на выходы А и ВMAX, IB MAX - Максимальный ток на выходы А и В- добавочная частота- Контрастность дисплея/E - Выбор языка: Немецкий, АнглийскийW1, INT W2 - Внутренние значения рабочих точек W1 и W2, W2 - Показ внешних значений рабочих точек W1 и W2, IB - показ тока намагничивания на выходах A и B

Существует три разных тока намагничивания. Базовый ток, скачкообразный ток и ток зависящий от значений рабочих точек. Базовый ток зависим от параметра I Basic, а не от значения рабочей точки. Скачкообразный ток зависим от полярности значения рабочей точки. Касательно двухканального усилителя, это означает, что изменение положительного значения рабочей точки на выходе А ведёт к резкому повышению тока из-за набора значений. Соответственно, изменение на отрицательные значения рабочих точек ведёт к скачку тока на канале В. Уровень значения рабочей точки не имеет никакого эффекта на значение скачкообразного тока. Корреляция между значением рабочей точки и током намагничивания зависит от нескольких факторов. Эти факторы: максимальный ток I Max, статический ток I Basic, скачкообразный ток I Jump и значение рабочей точки.

Значение I Max относится к значению рабочей точки 10 B. Если нет базового тока и скачкообразного тока, усиление равно:


Если скачкообразный ток или базовый ток есть, усиление падает. Как бы то ни было, максимальный ток остаётся на таком же значении, как на I Max.


Так как статический ток и скачкообразный ток необязательно должны быть тождественны на обоих каналах, то это может закончится разными усилениями на канале А и на канале В.

.3 Модуль аналого-цифрового ввода-вывода Festo EasyPort

В процессе работы EasyPort реализует двунаправленную передачу сигналов управления в реальных процессах с помощью низковольтной технологии (24 VDC) и ПК. С целью исключить возможность процессов, влияющих на оборудование, используются электрически изолированные протоколы (opt couplers или оптические волокна) для передачи данных между отдельными модулями EasyPort или PC.

Рис. 2.5 Схема соединения EasyPort и персонального компьютера

Единовременно к волоконно-оптическим каналам может быть подключено до восьми EasyPort модулей. Адреса настройки не требуется - система подвергается самостоятельной настройке. Эта система разработана и оптимизирована для учебных целей, но также может быть использована и для других целей.D8A имеет восемь цифровых и четыре аналоговых входа, а также восемь цифровых и два аналоговых выхода.

После проверки на наличие питания модуль готов к работе и ждет задания начальных параметров работы персональным компьютером пользователя через программное обеспечение LabView. Адресация назначается автоматически, в соответствии с состоянием. В случае ошибки определения модуля, модуль может быть определен программно, в случае если передача сигнала запроса не прерывается. Передача данных в модуль EasyPort и из него осуществляется посредством единой адресации команд чтения и записи.

Максимальное напряжение для питания равное 30 В, а также для подключения входов и выходов из модуля EasyPort не должно быть превышено. Электрические соединения должны проводиться только с выключенными устройствами. В момент экстренного отключения электропитания модуль должен переходить в режим безопасности и отключаться.

Связь между персональным компьютером и модулем EasyPort обеспечивается, посредством электрически изолированного интерфейса V.24. Дополнительные модули связаны между собой через оптические волокна. Белый порт RING OUT всегда должен быть подключен к черному RING IN. Расстояние между подключаемыми модулями EasyPort должно попадать в диапазон от 0.3 до 5 метров.

Рис. 2.6 Модуль ввода-вывода EasyPort D8A

Драйверы модуля под Windows EzDDE и EzOPC позволяют читать сигналы, приходящие на EasyPort, при помощи обычных приложений Windows. Обмен данными происходит посредством интерфейсов DDE (Dynamic data exchange (DDE) - механизм взаимодействия приложений в операционных системах Microsoft Windows) и OPC (технология связывания и внедрения объектов в документы и объекты, разработанные корпорацией Майкрософт.) Таким образом, визуализировать данные, получаемые с модуля, позволяют обычные приложения Windows, такие как STEP7, In Touch или Microsoft Excel. Также эту функцию могут выполнить специализированные пакеты FESTO, такие как FluidSIM ® и Cosimir.

.4 Среда графического программирования LabVIEW

LabVIEW (Laboratory Virtual Instrument Engineering Workbench - среда разработки лабораторных виртуальных приборов) является средой программирования, с помощью которой можно создавать приложения, используя графическое представление всех элементов алгоритма, что отличает ее от обычных языков программирования, таких как С, C++ или Java, где программируют, используя текст. Однако LabVIEW представляет собой значительно большее, чем просто алгоритмический язык. Это среда разработки и исполнения приложений, предназначенная для исследователей - ученых и инженеров, для которых программирование является лишь частью работы. LabVIEW функционирует на компьютерах, работающих под управлением всех распространенных операционных систем: Windows, MacOS, Linux, Solaris и HP-UX.

Измерительная система, созданная в LabVIEW, имеет большую гибкость по сравнению со стандартным лабораторным прибором, потому что она использует многообразие возможностей современного программного обеспечения. Компьютер, снабженный встраиваемой измерительно-управляющей аппаратной частью, и LabVIEW составляют полностью настраиваемый виртуальный прибор для выполнения поставленных задач. С помощью LabVIEW допустимо создать необходимый тип виртуального прибора при очень малых затратах по сравнению с обычными инструментами.создан для облегчения работы по программированию задач.

Для этой цели имеется расширенная библиотека функций и готовых к использованию подпрограмм, которые реализуют большое число типичных задач программирования и тем самым избавляют от возни с указателями, распределением памяти и прочего, присущего традиционным языкам программирования. В LabVIEW также содержатся специальные библиотеки виртуальных приборов для ввода / вывода данных со встраиваемых аппаратных средств (data acquisition - DAQ), для работы с каналом общего пользования (КОП, General Purposes Interface Bus - GPIB), управления устройствами через последовательный порт RS-232, программные компоненты для анализа, представления и сохранения данных, взаимодействия через сети и Internet. Библиотека анализа (Analysis) содержит множество полезных функций, включая генерирование сигнала, его обработку, различные фильтры, окна, статистическую обработку, регрессионный анализ, линейную алгебру и арифметику массивов.

Благодаря своей графической природе LabVIEW - это пакет эффективного отображения и представления данных. Выходные данные могут быть показаны в любой форме. Диаграммы, графики стандартного вида, а также оригинальная пользовательская графика (user-defined graphics) составляют лишь малую часть возможных способов отображения выходных данных.

Разработка приложений в среде LabVIEW отличается от работы в средах на основе С или Java одной очень важной особенностью. Если в традиционных алгоритмических языках программирование основано на вводе текстовых команд, последовательно образующих программный код, в LabVIEW используется язык графического программирования, где алгоритм создается в графической иконной форме (pictorial form), образующей так называемую блок-диаграмму (blockdiagram), что позволяет исключить множество синтаксических деталей.

Рис. 2.7. Блок-диаграмма LabVIEW

В LabVIEW используется терминология, рисунки иконок и основные идеи, знакомые ученым и инженерам. Этот язык базируется на графических символах, а не на тексте для описания программируемых действий. Основополагающий для LabVIEW принцип потока данных (dataflow), согласно которому функции выполняются лишь тогда, когда они получают на вход необходимые данные, однозначно определяет порядок исполнения алгоритма.

Виртуальные приборы являются иерархическими и модульными (modular). Можно использовать их как самостоятельные приложения (top-level programs), так и в качестве виртуальных подприборов. Согласно этой логике, LabVIEW следует концепции модульного программирования (modular programming). Вначале разделяется большая прикладная задача на ряд простых подзадач. Далее создаются виртуальные приборы для выполнения каждой из подзадач, а затем объединяются эти ВП на блок-диаграмме прибора более высокого уровня, который выполняет прикладную задачу в целом.

Технология модульного программирования очень хороша, потому что можно работать с каждым ВПП по отдельности, что облегчает отладку приложения. Более того, ВПП низкого уровня часто выполняют задачи, типичные для нескольких приложений, и поэтому могут использоваться независимо во многих отдельных приложениях.

Также LabVIEW удобно применять для сбора данных. Сбор, или ввод / вывод данных (Data Acquisition - DAQ), упрощенно можно определить как процесс измерения реального сигнала, например электрического напряжения, и передачи этой информации в компьютер для обработки, анализа, преобразования и хранения.

Для взаимодействия с датчиками LabVIEW управляет многофункциональными платами ввода / вывода, чтобы считать аналоговые входные сигналы или сформировать аналоговые выходные сигналы, считать и записать цифровые сигналы, может также запрограммировать встроенные в DAQ-платы счетчики для измерения частоты сигналов или генерации последовательности импульсов и т.д. Например, аналоговый входной сигнал (электрическое напряжение) поступает с датчика на плату ввода / вывода, которая преобразует напряжение в код и отправляет эту информацию в память для обработки, хранения и других операций.

Шум, нелинейность, перегрузки и т.д. способны безнадежно исказить сигнал и тут LabVIEW вряд ли поможет. Преобразование сигнала очень часто является не вспомогательной, а обязательной задачей, поэтому вначале следует изучить измерительную часть, а уж потом приступать к программированию.

Для получения данных в лаборатории с использованием технологии виртуальных приборов понадобится многофункциональная плата ввода / вывода (DAQ-плата), компьютер с установленной средой LabVIEW и драйверами применяемой платы сбора данных, а также соединение датчика с платой при помощи, например, терминального блока, макетной платы, кабеля или провода. Может также потребоваться оборудование для согласования сигнала - в зависимости от особенностей задачи.

В данной работе управление платой ввода вывода осуществляется с помощью технологии ActiveX., технология компании Microsoft, является архитектурой, основанной на компонентах, для создания приложений, которые могут взаимодействовать друг с другом. ActiveX базируется на ранних технологиях, таких как OLE. Использование ActiveX позволяет одному приложению разделять права доступа к части программного кода (или компоненту) с другим приложением. Например, поскольку Microsoft Word является компонентом ActiveX, можно вставлять документ Word (и управлять им) в другую программу, совместимую с ActiveX, например в виртуальный прибор LabVIEW. LabVIEW поддерживает автоматизацию ActiveX и способен содержать в себе компоненты ActiveX.

2.5 Разработка управляющей программы

Схема управления автоматизированным стендом, выполненная в среде графического программирования LabView 7.1 представлена в приложении А.

Начальное положение - шток цилиндра в нижнем положении. На на аналоговом входе модуля ввода-вывода - 10 В. После запуска программа должна запустить технологический процесс - подъем цилиндра с грузом, затем отсчет 10 оборотов вала гидромотора и опускание штока цилиндра.

При приближении штока цилиндра к крайним точкам и вала гидромотора к точке остановки программа уменьшает скорость перемещения для обеспечения более точной остановки. Также программа производит снятие циклограмм движения (зависимость перемещения и скорости от времени).


3. Результаты и практическое применение

В результате проведенной работы достигнуты следующие результаты:

Создан автоматизированный стенд для исследования характеристик гидроприводов и систем управления ими, построенный на базе

пропорциональной гидравлики фирмы Festo и оснащен системой управления. Фотография стенда представлена на рисунке 3.

Рис. 3. Автоматизированный стенд.

Разработана аппаратная часть системы управления на базе модуля аналогово-цифрового ввода-вывода Festo EasyPort

Разработана программная часть системы управления в виде программного обеспечения для программирования и контролирования технологических процессов (в среде LabView 7.1)

Разработан комплект схем и технической документации к системе управления;

Области возможного использования:

Практическое применение разрабатываемого стенда подразумевает использование его, как уже упоминалось выше, в образовательном процессе для изучения характеристик гидроприводов и принципов управления ими. Следует отметить, что программная часть системы в данном случае может иметь более широкое применение:

как средство программирования технологической последовательности;

как наглядный образец для разработки подобных систем самими обучающимися;

как образец для изучения принципов управления на основе аналого-цифрового ввода-вывода

как средство для изучения систем контроля и измерения на базе LabView

Данная система, при необходимости, может быть использована (при расширении возможностей ее аппаратной и программной части) в области управления реальными промышленными установками.

Заключение

По результатам проделанной работы можно сделать следующие выводы:

В ходе работы был автоматизированный стенд для исследования характеристик гидроприводов и систем управления ими, в основу которого легли компоненты пропорциональной гидравлики фирмы FESTO.

Спроектированный робот удовлетворяет требованиям технического задания, а также обладает следующими свойствами:

—  Состоит из компонентов фирмы FESTO, которые обладают высокой степенью интеграции, следовательно он имеет возможность перестроения, расширения и модификации

—  Благодаря использованию гидравлических исполнительных устройств, робот обладает высокой степенью надежности и быстродействия, а также способен развивать большие усилия

—  Система управления и ПО просты и удобны в настройке, эксплуатации и, кроме того, имеют возможность легкой модификации и расширения

Преимущества системы управления с использованием модуля аналого-цифрового ввода-вывода FESTO EasyPort:

1.  Возможность управления напрямую через ПК с одновременным снятием циклограмм движения.

2.     Возможность намного более точного позиционирования (по сравнению с системой управления на базе дискретного ПЛК)

3.       Возможность плавного регулирования скорости.

.        Система управления реализуема при минимальном количестве датчиков ОС

.        ПО представлено в виде схемы, разработанной в среде графического программирования LabView 7.1 и является достаточно наглядным и легко модифицируемым

Недостатки:

1.  Невозможность реализации автономной работы стенда без участия ПК

2.       Невозможность программирования данной модели Festo EasyPort на универсальных языках программирования.

.        Некоторая сложность разработки ПО для стенда в среде LabView.

Список литературы

1.       Батоврин В.К., Бессонов А.С., Мошкин В.В., Папуловский В.Ф. LabVIEW: практикум по основам измерительных технологий. Москва 2005 г. - 207 с.

2. Коллектив авторов под руководством Д. Шмида. Управляющие системы и автоматика. Перевод с немецкого Л.Н. Казанцевой. «Техносфера», Москва 2007 г.

3. Тревис Джеффри. LabVIEW для всех. Перевод с английского Клушина Н.А. под ред. Шаркова В.В., Гурьева В.А., Москва 2005 г. - 539 с.

4. Френкель Н.З. Гидравлика, Госэнергиздат, М. - Л.: 1956. - 456 с.

5. Шейпак А.А. Гидравлика и гидропневмопривод. Учебное пособие. Москва 2003 г.

6. Шольц Д. Пропорциональная гидравлика. Перевод с немецкого

Сулига С.В. Научные редакторы: проф., доктор техн. наук

Яхно О.M., Осинский Ю.А. Издатель: ДП «Фесто». 2002 год, г. Киев

Похожие работы на - Модуль аналого-цифрового ввода/вывода FESTO EasyPort

 

Не нашли материал для своей работы?
Поможем написать уникальную работу
Без плагиата!
Без нейросетей!