Моделирование волноводных устройств СВЧ
Содержание
Введение
. Анализ технического задания
.1 Изгибы и скрутки волноводов
.2 Волноводные согласованные
поглощающие нагрузки
.3 Переходы и преобразователи типов
волн
.4 Ферритовые устройства СВЧ
.5 Резонансный вентиль
.6 Направленные ответвители и мостовые
схемы
. Расчёт элементов волноводного
тракта
.1 Отрезок гибкого волновода
.2 Первый направленный ответвитель
.3 Второй направленный ответвитель
Заключение
Список литературы
Введение
Прогресс радиоэлектроники сопровождается быстрым
развитием теории и техники СВЧ - устройств. Возрастает сложность СВЧ трактов,
повышаются требования к электрическим характеристикам и качеству выполнения СВЧ
- узлов.
В число наиболее распространённых элементов
СВЧ-устройств входят отрезки линий передачи, переходные и стыковочные узлы,
согласующие элементы, ответвители и поглотители мощности, фильтры,
фазовращатели и т. д. Совокупность СВЧ-устройств, сочлененных между собой
определенным образом, называют трактом СВЧ.
В радиосистеме тракт обычно занимает место между
антенной и радиопередающим и радиоприёмным устройствами. Тракт осуществляет
канализацию электромагнитной энергии, обеспечивает правильный режим выходных и
входных цепей передатчика и приёмника, выполняет предварительную частотную
фильтрацию сигналов.
Тракты СВЧ широко используются
в РЛС и других радиосредствах, разнообразной измерительной аппаратуре. Помимо
радиолокационных применений, волноводы используются в аппаратуре связи,
телевидения и навигации, применяются для измерения и контроля параметров
различных сред, контроля технологических процессов, для охраны территорий и
объектов [1].
Расширяется круг промышленных
применений техники сверхвысоких частот, таких как СВЧ - нагрев и сушка изделий,
бесконтактная передача мощности. Все шире волноводная техника внедряется в
научные исследования в областях радиоспектроскопии, атомной физики (в
ускорителях элементарных частиц), радиоастрономии, медицины и биологии [3].
Исторически становление и
развитие техники СВЧ-устройств в основном было продиктовано потребностью в увеличении
числа каналов радиосвязи при возрастающих требованиях к ширине полосы частот
одного канала (от телеграфа к радиовещанию, затем к телевидению, радиолокации и
радиорелейным линиям связи). Хотя первые соображения о теоретических
возможностях передачи электромагнитных волн по металлическим трубам были
высказаны еще в прошлом веке (Дж. Дж. Томсон, 1893 г., Рэлей, 1897 г.),
практические устройства для волноводной передачи электромагнитных колебаний
были созданы только в 30-40-х годах XX
в., когда появились эффективные источники непрерывных колебаний дециметрового и
сантиметрового диапазонов волн. Дальнейшее развитие техники СВЧ-устройств было
связано с зарождением радиолокации в 40-50-х годах. С тех пор наблюдается
бурный рост теоретических и экспериментальных исследований в области
СВЧ-устройств. Этот рост, с одной стороны, связан с модернизацией и применением
ранее известных устройств (линий передачи, согласующих элементов, делителей
мощности и др.) на все более высоких частотах - вплоть до субмиллиметровых волн
и инфракрасного излучения. С другой стороны, происходит создание ряда новых
устройств на основе достижений физики твердого тела и прогрессивной технологии
- это полупроводниковые и ферритовые управляющие устройства СВЧ,
микрополосковые линии передачи и интегральные схемы СВЧ. На этом пути можно
ожидать особенно больших успехов, если будут созданы новые синтетические
диэлектрики, обладающие высокой диэлектрической постоянной при весьма малых
высокочастотных потерях [3].
Значительный вклад в теорию волноводов
внесли советские ученые. Теоретические вопросы возбуждения волноводов были
разработаны в 40-50-х годах А.Л. Драбкиным, И.И. Вольманом, Г.В. Кисунько, Г.Т.
Марковым и Е.М. Студенковым. Советскими учеными была также создана теория
невзаимных устройств СВЧ с ферритами (А.Л. Микаэлян, А.Г. Гуревич, В.В.
Никольский), теория полупроводниковых переключающих и фазирующих устройств
(Б.В. Сестрорецкий) и теория синтеза фильтров и направленных восьмиполюсников
СВЧ (А.Л. Фельдштейн, А.М. Модель).
Интенсивное развитие техники
СВЧ продолжается и теперь. Наблюдается непрерывное расширение круга
используемых узлов и элементов на основе новых физических принципов и
технологии, а также происходит совершенствование расчетов уже известных
устройств путем использования более строгого подхода в сочетании с
возможностями ЭВМ [1].
Несмотря на разнообразие
применяемых устройств СВЧ и их элементов, основу построения любых СВЧ-трактов
составляет достаточно общая и единая теория цепей СВЧ. Эта теория
базируется на матричном аппарате линейной алгебры, теории функций комплексной
переменной и некоторых других разделах математики и в настоящее время
ориентирована на преимущественное применение ЭВМ в качестве основного
инструмента для расчета и проектирования.
1. Анализ
технического задания
По техническому заданию необходимо выполнить
компьютерное моделирование волноводных устройств СВЧ, предварительно рассчитав
некоторые из них: направленные ответвители и отрезок гибкого волновода.
Все устройства СВЧ состоят из ряда определённых элементов.
.1 Изгибы и скрутки
волноводов
Используются в качестве вспомогательных
соединительных элементов при монтаже тракта. Изгибы прямоугольных волноводов
[1] выполняются по широкой (Е-изгиб) и узкой (Н-изгиб) стенкам и делятся на
плавные или радиусные (рисунок 1.1) и уголковые с одним поворотом и
многоступенчатые (рисунок 1.2.а.). При резком изгибе тракта возникают
отражения, для уменьшения которых изгиб выполняется на участках длиной в
несколько длин волн в волноводе.
Рисунок 1.1 Изгибы волноводов
Рисунок 1.2: а) Многоступенчатый изгиб
волновода; б) скрутка волновода
Плавные изгибы обладают минимальными отражениями
при длине L=0,5∙n∙лв (n = 1, 3, 5, …), что
обусловлено взаимной компенсацией отражённых волн от концов изгиба.
Высокие значения КБВ (отношение наименьшего
значения амплитуды напряженности электрического или магнитного поля стоячей
волны в линии передачи к наибольшему) достигаются при величине внутреннего
радиуса изгиба R > лв. Основные размеры и параметры плавных изгибов
стандартных прямоугольных волноводов в плоскостях Е и Н приведены в таблице
1.1. Примеры конструкций [6] даны на рисунке 1.3.
Отражения от изгибов в сильной степени зависят
от тщательности изготовления и деформации стенок волновода при изгибе; по всей
длине изгиба необходимо обеспечить постоянство внутренней полости волновода и
высокую чистоту токонесущих поверхностей; в многократно изогнутых волноводах
малого сечения рекомендуется серебрить присоединительные поверхности фланцев,
внутренние поверхности покрывать лаком УР-231 или ВЛ-831.
Рисунок 1.3 Конструкции плавно изогнутых секций
прямоугольных волноводов сечением 7,2 Ч 3,4 мм в плоскостях Е (а) и Н (б)
Таблица 1.1 Параметры радиусных изгибов
прямоугольных волноводов вплоскостях Е и Н
|
Номинальные
размеры волновода, мм
|
Номинальный
радиус изгиба и допустимые отклонения, мм
|
Номинальный
(а, б) угол изгиба и допустимые отклонения, град
|
КСВН
в плоскости изгиба, не более
|
|
Е
|
Н
|
|
Е
|
Н
|
|
7,2
Ч
3,4
|
5
± 0,3 7 ± 0,3 12 ± 0,5
|
5
± 0,3 8 ± 0,3 12 ± 0,5
|
А
± 1 Б ± 0,5
|
1,07
1,05
|
1,1
1,05
|
|
11
Ч 5,5
|
5
± 0,3 7 ± 0,3 11 ± 0,5 20 ± 0,5 25 ± 0,5
|
-
7 ± 0,3 12 ± 0,5 20 ± 0,5 25 ± 0,5
|
А
± 1 Б ± 0,5
|
1,1
1,07 1,05
|
1,1
- 1,05
|
|
23
Ч 10
|
9
± 0,3 15 ± 0,3 23 ± 0,5 40 ± 0,5
|
-
15 ± 0,3 25 ± 0,5 40 ± 0,5
|
А
± 1 Б ± 0,5
|
1,1
1,07 1,05 -
|
1,1
- 1,05 -
|
|
Примечание:
а соответствует значениям угла изгиба 15, 30, 45, 60, 75, 90°, б - значениям
15, 30, 60, 75, 90, 105, 120, 135, 150, 165, 180°. Допустимые отклонения
сечения в зоне изгиба +0,3…-0,2 мм.
|
Скрученные секции предназначены для поворота
плоскости поляризации волны в волноводе. Плавно скрученная секция
прямоугольного волновода с волной Н 10 показана на рисунке 1.4. Длина L
скрученного отрезка волновода выбирается равной L > 2∙лв (1+
0,25n) (n = 0, 1, 2, …).
Рисунок 1.4 Конструкция скрученной секции
прямоугольного волновода
.2 Волноводные
согласованные поглощающие нагрузки
Предназначены для поглощения СВЧ энергии и
обеспечивают при минимальном уровне КСВН в заданном диапазоне частот рассеяние
определённого уровня мощности - от низкого (до 10 кВт) или высокого.
Конструктивно выполняются в виде короткозамкнутого на одном конце отрезка
волновода с расположенным внутри поглощающим элементом. Различают согласованные
нагрузки с поверхностным и объёмным поглощающими сопротивлениями из
специального поглощающего материала, называемого ферроэпоксидом.
Эти нагрузки отличаются малыми габаритами,
простотой конструкции и изготовления, низким значением КСВ и широкополосностью
(рисунок 1.5) [6].
Рисунок 1.5 Волноводные поглощающие клинья (см и
мм) волн из ферроэпоксида: а - расположение одно- и двуэкспоненциального клина
в волноводе (разрезе в плоскости Е); б - размеры клина, используемые при
расчёте экспоненциального профиля
Основными компонентами ферроэпоксида являются
карбонильное железо и эпоксидная смола, используемые в весовом соотношении 5:1.
Он механически обрабатывается подобно пластмассам, а также может отливаться в
формы сложной конфигурации. Интервал рабочих температур от -60 до +150 °С.
Малая длина поглощающего клина при низком КСВ достигается благодаря
использованию экспоненциального профиля клина в Е-плоскости. Экспериментальные
исследования показали, что на сантиметровых волнах при использовании
стандартных сечений волноводов для получения с < 1,1 необходимо применять
клинья с двуэкспоненциальным профилем, а в волноводах пониженной высоты, у
которых размер b меньше стандартного в два и более раз, а также в волноводах
миллиметрового диапазона можно ограничиться одноэкспоненциальным профилем, что
технологически проще. Для устранения отражения от короткозамыкателя вставка
должна вносить ослабление 20 - 25 дБ. Для улучшения теплоотвода площадь
соприкосновения вставки со стенками волновода делают максимальной, а внешнюю
поверхность волновода снабжают радиатором [1]. Следует учитывать, что
ферроэпоксид довольно хрупок.
Расчёт экспоненциального профиля клина h(l) при
заданной его длине l0 (рисунок 1.5, б) производится по формуле экспоненты
h = n (eг∙l
-1),
где n
- коэффициент, а г определяется заданными значениями l0 и h0:
Для одноэкспоненциального клина h0 =
b, для двуэкспоненциального h0=b/2. Коэффициент n, имеющий
размерность длины, определяет величину "прогиба" экспоненты.
Графический анализ влияния его величины на форму экспоненциального профиля,
измерение КСВ двух клиньев одинаковых размеров, отличающихся значениями n (0,5
и 1), и соображения технологичности изготовления привели к выводу о
целесообразности выбора n = 1. Это значение n
используется на практике во всех случаях.
При креплении поглощающего клина в
волноводе (приклеиванием эпоксидной смолой или другим способом) необходимо
следить за тем, чтобы острие одноэкспоненциального клина плотно прилегало к
широкой стенке волновода, а линия острия двуэкспоненциального клина проходила
через середины узких стенок волновода. При этих условиях получаются минимальные
КСВ.
1.3 Переходы и
преобразователи типов волн
Переходы предназначены для соединения двух
волноводов различных поперечных сечений с целью согласования их волновых
сопротивлений. При заданных перепаде волновых сопротивлений, рабочем диапазоне
частот и допуске на рассогласование длина перехода должна быть минимально
возможной. Переходы делятся на плавные и ступенчатые [1]; при одинаковых
допусках на рассогласование и одинаковом перепаде волновых сопротивлений длина
ступенчатого перехода всегда меньше длины плавного; электрическая прочность
плавного перехода выше, чем ступенчатого.
Плавный линейный переход между прямоугольными
волноводами различных сечений имеет простую конструкцию, высокую электрическую
прочность, но значительную длину. Для получения минимальных отражений длина
плавного перехода выбирается равной L=0,5∙n∙лв (лв -
длина волны в волноводе с учетом изменения размеров поперечного сечения; n >
5 - целое положительное число).
Для преобразования волны Н 10 в прямоугольном
волноводе в волну Н 11 в круглом волноводе используются плавные и ступенчатые
переходы. Длину плавного перехода следует выбирать не менее (2…3) лв, диаметр
круглого волновода - больше диагонали сечения прямоугольного волновода. Пример
конструкции плавного перехода показан на рисунке 1.6.
.4 Ферритовые
устройства СВЧ
Благодаря своим свойствам, ферриты используются
для создания широкого класса невзаимных устройств СВЧ, т.е. устройств,
обладающих невзаимными потерями, невзаимным вращением плоскости поляризации,
невзаимным фазовым сдвигом и т.д. Ферритовым вентилем принято называть
волноводное устройство, величина вносимого затухания которого зависит от
направления движения волны через него.
Рисунок 1.6 Конструкция плавного перехода с
прямоугольного волновода сечением 48 Ч 24 мм на круглый
Основными параметрами ферритового вентиля
являются: затухание волн в прямом направлении, затухание волн в обратном
направлении, полоса рабочих частот, допустимый уровень мощности, КСВ, тип и
размеры волноводного тракта.
В волноводах прямоугольного сечения наибольшее
распространение получили конструкции вентилей, в которых используются
резонансные свойства ферритов или эффект смещения поля [6].
.5 Резонансный
вентиль
В прямоугольном волноводе, работающем на волне Н
10, существуют две продольные плоскости х = const (рисунок 1.7), параллельные
узкой стенке волновода, где магнитное поле имеет круговую поляризацию. Эти
плоскости находятся на расстоянии x:
от узких стенок волновода.
Направление вращения вектора Н в
каждом из указанных продольных сечений взаимно противоположно и зависит от
направления движения волны по волноводу. Поместим в волноводе в одной из двух
указанных плоскостей ферритовую пластинку, намагниченную перпендикулярно
широкой стенке волновода (рисунок 1.8). Если напряжённость постоянного
магнитного поля выбрать равной или близкой к величине Нрез, то феррит поглощает
мощность волны, создающей правополяризованное высокочастотное магнитное поле.
Волна, распространяющаяся вдоль волновода в противоположном направлении (прямая
волна, рисунок 1.9), испытывает малое затухание. Серийно выпускаемые ферритовые
вентили обеспечивают в полосе частот 10…15% f0 затухание в прямом направлении
не более 0,5 дБ, затухание в обратном направлении 20 дБ и имеют Kcт=1,08…1,1
(Kcт - коэффициент стоячей волны).
Рисунок 1.7 К рассмотрению областей
с круговой поляризацией магнитного поля волны Н 10 в различных сечениях
прямоугольного волновода
Рисунок 1.8 Эскиз
конструкции резонансного вентиля
Рисунок 1.9 Вентиль со смещением
поля: а - эскиз конструкции; б - распределение напряжённости электрического
поля
Вентиль, основанный на эффекте
Фарадея (рисунок 1.10), представляет собой круглый волновод, вдоль оси которого
расположен тонкий ферритовый стержень, намагниченный в продольном направлении
постоянным магнитным полем Н 0. Напряжённость магнитного поля Н 0 значительно
ниже резонансной величины Нрез.
На входе вентиля расположена
поглощающая пластина. Если в волноводе распространяется волна типа Н 11 с
поляризацией, показанной на рисунке 1.10, а, поглощающая пластина создаёт
минимальные потери для волны, поступающей со стороны входа вентиля. За счёт
эффекта Фарадея плоскость поляризации волны на выходе вентиля поворачивается на
45° (при соответствующем подборе длины и диаметра ферритового стержня) [6].
Рисунок 1.10. Вентиль на эффекте
Фарадея: а - элементы конструкции; б - распределение электрического поля на
входе вентиля
Плоскость поляризации волны
обратного направления поворачивается в ту же сторону еще на 45°. В результате
электрическое поле отражённой волны оказывается параллельно плоскости
поглощающей пластины. Отражённая волна практически полностью поглощается.
Достоинством ферритовых устройств,
основанных на использовании эффекта Фарадея, является малая величина намагничивающего
поля Н 0. Полоса рабочих частот таких устройств составляет 15…20 % f0.
Недостатки: сложность и громоздкость конструкции.
.6 Направленные
ответвители и мостовые схемы
Направленный ответвитель и его частный случай -
мостовая схема является взаимным, реактивным воcьмиполюсным устройством, в
котором плечи попарно развязаны. Схема восьмиполюсника показана на рисунке
1.11. Матрица рассеяния взаимных систем симметрична, т.е. S12
= S21; S13
= S31; S14
= S41; S23
= S32; S34
= S43.
Большинство ответвителей имеют две плоскости
симметрии [6]. Симметрия относительно плоскости I приводит к равенству
следующих элементов матрицы: S13 = S24; S11 = S22; S33 = S44, а симметрия
относительно плоскости II добавляет еще равенства S12 = S34; S11 = S33; S22 =
S44; S14 = S23. В результате матрица рассеяния взаимного реактивного
восьмиполюсника с двумя плоскостями симметрии приобретает вид
(1)
Взаимный реактивный восьмиполюсник
обладает следующими свойствами: если он является направленным ответвителем, то
согласуется со всех четырёх плеч. Справедливо и обратное: если восьмиполюсник
согласован со всех плеч, то он является ответвителем. Это свойство
восьмиполюсной схемы доказывается в общем виде из унитарности его матрицы
рассеяния.
Рисунок 1.11 Восьмиполюсное
устройство
Докажем вторую часть этого свойства
восьмиполюсника на примере матрицы (1). Положим S11 = 0 и применим к (1)
свойство унитарности в развёрнутом виде:
(2)
Найдём из (2, в) величину
и подставим
ее в (2, г). В результате получим S12(S14 S13 - S13 S14) = 0. Выражение
, так как
это противоречит (2, б). Следовательно, S12 = 0, т.е. согласование всех входов
(S11 = 0) привело к тому, что передачи из плеча 1 в 2 и из плеча 3 в 4 нет.
Матрица рассеяния устройства становится следующей:
(3)
Получили первый тип направленного
ответвителя, схема которого изображена на рисунке 1.12, а. В нём мощность,
подводимая к плечу 1, делится в плечах 3 и 4 в соответствии S132 и S142
=1- S132. Из (2, б) следует, что
Поля в выходных плечах 3 и 4
сдвинуты по фазе на р/2. Отметим, что если ответвитель имеет одну плоскость
симметрии, то поля в выходных плечах либо синфазны, либо противофазны.
Рисунок 1.12 Три типа направленных
ответвителей
Второй тип ответвителя показан на
рисунке 1.12, б. В нем изолированы друг от друга плечи 1-4 и 2-3 (S14 = 0). В
третьем типе ответвителя, изображенном на рисунке 1.12, в, отсутствует связь
между плечами 1 - 3 и 2 - 4 (S13 = 0).
Любой ответвитель характеризуется
двумя основными параметрами: переходным затуханием С и направленностью D.
Переходное затухание С для
ответвителя первого типа будет
(4)
Переходное затухание определяет долю
мощности, ответвляющуюся из плеча 1 в плечо 4. Зависимость величины С от
частоты является частотной характеристикой ответвителя.
Для ответвителя первого типа
направленность определяется как
(5)
этот параметр характеризует долю
мощности, просачивающейся в плечо 2.
Наличие плоскостей симметрии у
восьмиполюсников позволяет существенно упростить расчёт их матриц рассеяния,
через элементы в которых находятся все необходимые параметры. При этом задача
расчёта восьмиполюсника сводится к задаче расчёта двух четырехполюсников. Метод
заключается в синфазном и противофазном возбуждении входов восьмиполюсника.
Пусть восьмиполюсник имеет плоскость
симметрии 1 (см. рисунок 1.11). Подадим на вход 1 волну a1=a/2, на вход
2 - волну a2= - a/2, а входы
3 и 4 согласованы. В силу симметрии схемы при подобном противофазном
возбужденни в плоскости симметрии 1 будет нуль напряжения, и здесь можно
разместить металлическую плоскость. Восьмиполюсник распался на два несвязанных
четырехполюсника. Обозначим их матрицу рассеяния как
С помощью этой матрицы рассеяния
определим выходные волны как
Теперь возбудим входы 1 - 2
синфазно: a1=a/2; a2=a/2. При этом
в плоскости 1 устанавливается пучность напряжения (режим холостого хода) и
схема разделяется идеальной магнитной плоскостью на два одинаковых
четырёхполюсника.
Матрица рассеяния четырёхполюсника
запишется так:
Выходные волны b теперь будут
следующими:
Суперпозиция обоих режимов приводит
к возбуждению восьмиполюсника только с входа 1 волной а 1 - а. Далее суммируем
выходные волны:
отсюда искомый элемент матрацы
рассеяния S11 будет следующий:
Аналогично находим другие элементы
матрицы:
Если восьмиполюсник имеет две
плоскости симметрии I и II, то все элементы матрицы S известны. Если же
симметрии в плоскости II нет, то необходимо рассмотреть дополнительно
возбуждение со стороны входа 3 или 4. В результате получим недостающие элементы
матрицы S взаимного восьмиполюсника:
Конструктивно направленный
ответвитель представляет собой две линии передачи, соединённые элементами
связи. Так как эта система реактивная, то отсутствие передачи между плечами
может происходить только за счёт взаимной компенсации двух или более волн.
Простейший тип ответвителя изображён
на рисунке 1.13. Это два волновода с общей узкой стенкой, в которой прорезаны
два отверстия связи, расположенные на расстоянии лл/4 . Если генератор
подключён к плечу 1, то в 2 проходят две волны с одинаковой амплитудой и
противоположными фазами. В результате суммарное поле здесь оказывается равным
нулю. Величина направленности D зависит от точности изготовления ответвителя.
Величина переходного затухания С
определяется степенью связи, т.е. диаметром отверстий. Ответвители с двумя
элементами используются редко, так как они имеют очень узкую полосу частот.
Чаще используются многоэлементные ответвители. Подбирая диаметр отверстий и их
число, можно обеспечить нужную частотную характеристику переходного затухания.
Чаще всего используются чебышевская
и максимально-плоская характеристики
,
здесь h и S - амплитудный и
масштабный коэффициенты; и - электрическое расстояние между отверстиями связи;
k - число отверстий.
Рисунок 1.13. Волноводный
направленный ответвитель
Очень широкое применение в технике
СВЧ имеют мостовые схемы. Мост - это направленный ответвитель, в котором
мощность, подводимая к одному из плеч, в выходных плечах делится пополам.
Мостовую схему часто называют трёхдецибельным направленным ответвителем.
Волноводно-щелевой мост состоит из
двух волноводов с общей узкой стенкой. В этой стенке прорезано окошко связи
длиной l (рисунок 1.14) [2].
В волноводно-щелевом мосте развязаны
плечи 1 - 2 и 3 - 4. Принцип работы моста заключается в следующем. Во всех
входах распространяется только волна Н 10. В том месте, где прорезано окно
связи, размер волновода увеличивается вдвое и волновод становится докритическим
для двух волн Н 10 и Н 20, которые и возникают в начале окна. Причиной,
вызывающей возникновение волны Н 20, является острое ребро, расположенное в
пучности поля Е волны Н 10. В начале окна в волноводе 1 - 3 обе волны в фазе, а
в волноводе 2 - 4 - в противофазе. По этой причине в плече 2 суммарное поле
равно нулю и плечо 2 оказывается развязанным от плеча 1. Далее обе волны
распространяются вдоль окна. Поле на входах плеч 3 и 4 будет определяться
фазовыми соотношениями волн Н 10 и Н 20. Чтобы система была мостом, необходимо,
чтобы разность фазовых набегов волн Н 10 и Н 20 на длине окна l равнялась р /
2. Последнее поясняется векторными диаграммами в начале и конце окна связи,
приведёнными на рисунке 1.15. Если разность фазовых набегов равна р / 2, то
поля в выходах 3 и 4 одинаковы по амплитуде и сдвинуты по фазе на р / 2. Из
векторных диаграмм рисунка 1.15 видно, также, что если разность фазовых набегов
волн Н 10 и Н 20 будет отличаться от р / 2, то суммарные векторы поля в плечах
3 и 4 будут неодинаковыми, т.е. система перестанет быть мостом. В частности,
если разность фазовых набегов составит 180°, то из плеча 1 вся энергия перейдёт
в плечо 4, т.е. плечи 1 - 3 окажутся развязанными. Такую систему называют
мостом с полной связью [6]. На острых рёбрах окна связи возникают волны высших
типов, вызывающие рассогласование моста. Для его настройки в середине окна
связи в верхней стенке волновода ставится емкостной винт. Чтобы уменьшить
возможность возбуждения волны Н 30, в месте окна делается небольшое сужение
волноводов.
Рисунок 1.14 Волноводно-щелевой мост
Рисунок 1.15 Векторные диаграммы,
поясняющие работу волноводно-щелевого моста
Волноводно-щелевой мост - система
достаточно широкополосная. Полоса рабочих частот моста с ёмкостным винтом на
уровне 3 ± 0,5 дБ составляет 12…20 %; направленность моста при этом D > 20
дБ.
Волноводно-щелевой мост является
ответвителем первого типа, и его матрица рассеяния описывается формулой (3).
Определим элементы матрицы S моста и с помощью этой матрицы проанализируем его
работу. При этом выясним области применения мостовых схем. В мостовой схеме
мощности в выходных плечах одинаковы, поэтому |S13| = |S14|. Из условия
унитарности

определим эти элементы:
отсюда матрица рассеяния будет
(6)
В (6) ш - набег фазы на участке от
входа до начала окна связи; этот набег фазы одинаков для всех плеч, и мы его
опустим, т.е. плоскости отсчёта расположим близко к окну связи.
Напишем уравнение [b] = [S] [a] в
развёрнутом виде:
(7)
Проанализируем с помощью (7)
различные случаи работы моста.
. В плечо 1 включен генератор,
создающий волну а 1 = а. Все остальные плечи нагружены на согласованные
нагрузки а 2 = a3 = а 4 = 0. Из (7) имеем

Поля в плечах 3 и 4 имеют одинаковые
амплитуды. Поле в плече 3 опережает по фазе поле в плече 4 на 90°.
В этом режиме мост работает как
делитель мощности. Достоинством такого делителя мощности по сравнению с
обычными тройниками является отсутствие связи между выходными плечами 3 и 4.
. К плечам 1 и 2 подключены два
генератора, создающие на входах одинаковые синфазные поля а 1 = а 2 = а; а 3 =
а 4 = 0. Тогда
Мощности генераторов сложились, и
сумма поделилась поровну между плечами 3 и 4. Поля в выходных плечах в фазе и
сдвинуты на 45° по отношению к входных волнам. Влияния одного генератора на
другой нет, так как плечи 1 и 2 развязаны.
. Ко входам 1 и 2 снова подключены
два генератора, создающие одинаковые по амплитуде, но сдвинутые по фазе на 90°
поля а 1 = а; a2 = ja; а 3 = а 4 = 0. Из (7) следует, что
(8)
Теперь в плече 3 поля сложились в
фазе, а в плече 4 - в противофазе. Мощность обоих генераторов проходит только в
плечо 3. Такой режим работы мостовой схемы очень широко применяется на
практике.
Первое применение - сложение
мощности двух генераторов в общей нагрузке. Особенно большое применение он
имеет в микроэлектронике. Мощности современных СВЧ - полупроводниковых приборов
пока невелики. Зачастую требуются значительно большие, чем может обеспечить
один транзисторный или диодный генератор СВЧ; в этом случае системы
суммирования мощностей нескольких генераторов строятся на основе мостовых схем.
Из равенств (8) видно, что в плече 3 образуется сумма полей, в плече 4 - их
разность. Это позволяет на основе моста строить различные балансные схемы:
балансные смесители, балансные детекторы, фазовые детекторы. С помощью мостовых
схем удобно сравнивать сигналы двух изолированных друг от друга источников.
Если поддерживать разность фаз двух сигналов равной р / 2, то их можно сравнить
по амплитуде. Уравняв их амплитуды - осуществить сравнение по фазе.
Если изменить фазы входных сигналов
так, чтобы а 1 = ja; а 2 = a, то аналогично получим

Энергия теперь поступает только в
плечо 3. Изменяя сдвиг фаз между сигналами а 1 и a2 в пределах ±р/2, можно
мощности в выходных плечах разделить в любом отношении.
2. Расчёт элементов
волноводного тракта
Методом расчёта электрических характеристик
сложных СВЧ цепей является декомпозиция (расчленение) сложного устройства на
ряд более простых [2], поддающихся электродинамическому анализу. Важно знать
лишь ответную реакцию отдельных элементов СВЧ на внешние воздействия, иными
словами, необходимо иметь их внешние характеристики. При таком подходе каждому
элементу СВЧ соответствует некоторая идеализированная математическая модель.
Эти простые устройства называют базовыми
элементами. Каждый элемент цепи заменяют эквивалентной схемой, состоящей из
сосредоточенных элементов L, C, R и отрезков эквивалентной линии. При этом
решение электродинамической задачи для базового элемента представляется в виде
эквивалентной схемы, в виде приближенных формул и справочных данных,
определяющих связь величин элементов эквивалентной схемы с геометрическими
размерами базового элемента, длиной волны и параметрами диэлектрического
заполнения. Преимуществами такого подхода является универсальность, возможность
разумной идеализации эквивалентных схем, а недостатки - потеря точности при
использовании упрощенных эквивалентных схем и трудности в количественной оценке
погрешностей расчёта.
2.1 Отрезок гибкого
волновода
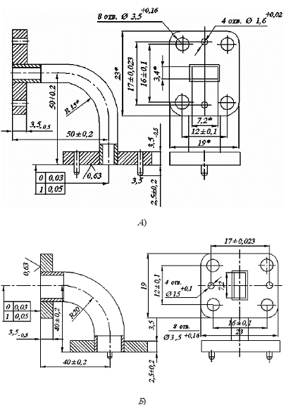
Рисунок 2.1 Общий вид отрезка гибкого волновода
Рисунок 2.2 Эквивалентная схема отрезка гибкого
волновода
Для предварительного расчёта отрезка гибкого
волновода, использовано понятие четырёхполюсной системы. Волноводная система,
содержащая геометрическую неоднородность, называется четырёхполюсной, если её
входная и выходная части имеют вид волноводов, в которых распространяются волны
лишь одного типа. При описании процесса распространения этих волн достаточно
представить входной и выходной волноводы в виде отрезков линий передачи, а
неоднородность - в виде эквивалентной схемы, выполненной из элементов с
сосредоточенными постоянными. Последние вместе с отрезками линий передачи
образуют эквивалентный четырёхполюсник, который определяет все основные
свойства рассматриваемой волноводной системы. Для количественного рассмотрения
процессов в линиях передачи необходимо знать волновые сопротивления и
постоянные распространения. Для описания четырёхполюсников требуется знать
параметры четырёхполюсника и расположение ограничивающих его поперечных
сечений. Элементы этих четырёхполюсников характеризуются значениями
соответствующих им реактивных сопротивлений или проводимостей [5]. Отрезок
гибкого волновода имеет изгибы в плоскости Е и в плоскости Н.
1) Расчёт параметров эквивалентной
схемы первого изгиба (по дуге окружности) в плоскости Е
Соединение в плоскости Е прямоугольного
волновода и равномерного изгиба (по дуге окружности) прямоугольного поперечного
сечения, показано на рисунке 2.3 (в прямоугольном и изогнутом волноводах
распространяется волна Н 10) [5].
Рисунок 2.3
Параметры эквивалентной схемы в плоскости Т:
Нормированное выходное волновое сопротивление
эквивалентной схемы
, (1)
где Z0 -
нормирующий делитель, волновое сопротивление волновода дляволны типа H10, Ом;
b - высота
канала волновода, м;
R - дуга
среднего радиуса, м;
Ʌ - длина волны в волноводе, м.
Нормированное реактивное сопротивление
эквивалентной схемы
. (2)
Длина волны в волноводе
,
где л
- длина волны в свободном пространстве, м;
a - ширина канала
волновода, м.
Длина волны в изгибе волновода
Изгиб представляет собой равномерно
изогнутый по дуге окружности волновод с длиной волны
; последняя
измеряется вдоль дуги среднего радиуса R. Электрическая длина, соответствующая
угловому расстоянию ц или расстоянию s по дуге средней окружности, равна
, где
.
Пределы применимости. Эквивалентная
схема применима при
. Формулы
(1) и (2) выведены вариационным методом, причём распределение электрического
поля в плоскости соединения было взято в виде волны низшего типа в изогнутом
волноводе. Параметры эквивалентной схемы вычислены с точностью до
; однако,
оценка точности расчёта не производилась.
Выбраны значения: ширина канала
волновода a=0.011 м;
высота канала волновода b=0.0055 м; дуга среднего радиуса R=0.025 м;
угол изгиба волновода по дуге среднего радиуса ц=р рад; частота волны f=21∙109
Гц.
Длина волны в свободном пространстве
Длина волны в волноводе
Условие применимости:
,
то есть эквивалентная схема
применима.
Нормированное выходное волновое
сопротивление находится по формуле (1)
Нормированное реактивное
сопротивление находится по формуле (2)
Длина волны в изгибе волновода
.
Расстояние по дуге средней
окружности:
Параметры эквивалентной схемы
вычислены с точностью до
Критическая длина волны типа Н 10:
Волновое сопротивление волновода,
вычисленное через напряжённости полей, для волн типа Нmn:
Эквивалентное (волновое)
сопротивление волновода, вычисленное через напряжения и токи, для волны типа Н
10:
Итак, выходное волновое и реактивное
сопротивления эквивалентной схемы:
2) Расчёт параметров эквивалентной
схемы второго изгиба (по дуге окружности) в плоскости H
Соединение в плоскости H
прямоугольного волновода и равномерного изгиба, то есть изогнутого по дуге
окружности волновода прямоугольного поперечного сечения, показано на рисунке
2.4 (в прямоугольном и изогнутом волноводах распространяется волна Н 10) [5].
Рисунок 2.4
Параметры эквивалентной схемы. В плоскости Т:
Нормированная выходная волновая проводимость
эквивалентной схемы
, (3)
где Y0 -
нормирующий делитель, проводимость волновода для волны типа H10, См;
а - ширина канала волновода, м;
R - дуга
среднего радиуса, м;
л - длина
волны в свободном пространстве, м.
Нормированная реактивная
проводимость эквивалентной схемы
, (4)
где длина волны в волноводе
определятся как
Длина волны в изгибе волновода
находится из равенства:
Длина волны
в
равномерном изогнутом волноводе (по дуге окружности) измеряется вдоль дуги
среднего радиуса R. Электрическая длина, соответствующая угловому расстоянию ц
или расстоянию s по дуге средней окружности, равна
, где
.
При этом изогнутый волновод может
рассматриваться как однородная линия с волновой проводимостью
и длиной
волны
.
Пределы применимости. Эквивалентная
схема применима в диапазоне волн a<л<2a. Параметры
эквивалентной схемы выведены вариационным методом; при этом распределение
электрического поля в плоскости Т было взято в виде синусоидальной функции.
Результаты вычислены с точностью до величин порядка
. Однако
оценка точности расчётов не производилась.
Выбраны значения: ширина канала
волновода a=0.011 м;
высота канала волновода b=0.0055 м; дуга среднего радиуса R=0.025 м;
угол изгиба волновода по дуге среднего радиуса ц= р/2 рад; частота волны f=21.00835∙109
Гц.
Длина волны в свободном пространстве
Длина волны в волноводе
Эквивалентная схема применима в
диапазоне волн a<л<2a, 0.011<0.01428<0.022 -
условие выполняется.
Нормированная выходная волновая
проводимость находится по формуле (3)
Нормированная реактивная
проводимость находится по формуле (4)
Длина волны в изгибе волновода
находится из равенства:
,
откуда
.
Расстояние по дуге средней
окружности:
Параметры эквивалентной схемы
вычислены с точностью до
Эквивалентное (волновое)
сопротивление волновода, вычисленное через напряжения и токи, для волны типа Н
10:
Эквивалентная (волновая)
проводимость волновода:
Итак, выходная волновая и реактивная
проводимости эквивалентной схемы:
3) Расчёт параметров
эквивалентной схемы третьего изгиба (по дуге окружности) в плоскости H
В плоскости Т:
Выбраны значения: ширина канала волновода a=0.011
м; высота канала волновода b=0.0055
м; дуга среднего радиуса R=0.025
м; угол изгиба волновода по дуге среднего радиуса ц= р/2 рад; частота волны f=20.944∙109
Гц. Длина волны в свободном пространстве
Длина волны в волноводе
Эквивалентная схема применима в
диапазоне волн a<л<2a, 0.011<0.014324<0.022 -
условие выполняется.
Нормированная выходная волновая
проводимость находится по формуле (3)
Нормированная реактивная
проводимость находится по формуле (4)
Длина волны в изгибе волновода
находится из равенства:
,
откуда
Расстояние по дуге средней
окружности:
Параметры эквивалентной схемы
вычислены с точностью до
Эквивалентное (волновое)
сопротивление волновода, вычисленное через напряжения и токи, для волны типа Н
10:
Эквивалентная (волновая)
проводимость волновода:
Итак, выходная волновая и реактивная
проводимости эквивалентной схемы:
4) Расчёт параметров
эквивалентной схемы четвёртого изгиба (по дуге окружности) в плоскости H
В плоскости Т:
Длина волны в свободном пространстве
Длина волны в волноводе
Эквивалентная схема применима в
диапазоне волн a<л<2a, 0.011<0.014368<0.022 -
условие выполняется.
Нормированная выходная волновая
проводимость находится по формуле (3)
Нормированная реактивная
проводимость находится по формуле (4)
Длина волны в изгибе волновода
находится из равенства:
,
откуда
Расстояние по дуге средней
окружности:
Параметры эквивалентной схемы
вычислены с точностью до
Эквивалентное (волновое)
сопротивление волновода, вычисленное через напряжения и токи, для волны типа Н
10:
Эквивалентная (волновая)
проводимость волновода:
Итак, выходная волновая и реактивная
проводимости эквивалентной схемы:
5) Расчёт параметров
эквивалентной схемы пятого изгиба (по дуге окружности) в плоскости H
В плоскости Т:
Выбраны значения: ширина канала волновода a=0.011
м; высота канала волновода b=0.0055
м; дуга среднего радиуса R=0.025
м; угол изгиба волновода по дуге среднего радиуса ц= р/2 рад; частота волны f=20.81527∙109
Гц.
Длина волны в свободном пространстве
Длина волны в волноводе
Эквивалентная схема применима в диапазоне волн
a<л<2a,
0.011<0.014412<0.022 - условие выполняется.
Нормированная выходная волновая проводимость
находится по формуле (3)
Нормированная реактивная
проводимость находится по формуле (4)
Длина волны в изгибе волновода
находится из равенства:
,
откуда
Расстояние по дуге средней
окружности:
Параметры эквивалентной схемы
вычислены с точностью до
Эквивалентное (волновое)
сопротивление волновода, вычисленное через напряжения и токи, для волны типа Н
10:
Эквивалентная (волновая)
проводимость волновода:
Итак, выходная волновая и реактивная
проводимости эквивалентной схемы:
.2 Первый
направленный ответвитель
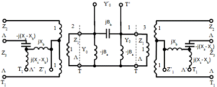
Рисунок 2.5. Общий вид направленного ответвителя
Рисунок 2.6. Эквивалентная схема направленного
ответвителя
Для предварительного расчёта направленного
ответвителя, использовано понятие шестиполюсной системы. Любое соединение трёх
смежных волноводов, в каждом из которых распространяется волна только одного
типа, называется волноводной шестиполюсной системой. В эквивалентной схеме
такой системы волноводы представлены в виде линий передачи, а область
сочленения в виде шестиполюсника с сосредоточенными постоянными. Три линии
передачи совместно с цепями из сосредоточенных постоянных образуют
эквивалентный шестиполюсник, с помощью которого могут быть определены обычным
путём коэффициенты отражения, передачи, КСВ и другие величины, характеризующие
всю систему [7].
Линии передачи характеризуются величинами их
волновых сопротивлений и длиной распространяющихся в них волн. Шестиполюсник в
общем случае характеризуется шестью параметрами и положениями трёх
соответствующих клеммных плоскостей.
Если система обладает геометрической симметрией,
возможно уменьшение числа параметров, определяющих данную систему. Поскольку в
микроволновых расчётах имеют значение лишь относительные величины
сопротивлений, то все значения сопротивлений в приводимых ниже эквивалентных
схемах, отнесены к величине волнового сопротивления одной из линий передачи.
Данный направленный ответвитель представляет
собой волноводный тройник с щелевой связью, имеющий разделение в основном
волноводе.
1) Расчёт параметров эквивалентной
схемы волноводного тройника с щелевой связью, плоскость Е
Симметричное Т-образное сочленение двух
прямоугольных волноводов разной высоты, но одинаковой ширины, связанных узкой
щелью, прорезанной в бесконечно тонкой стенке волновода, показано на рисунке
2.7. Длинные стороны щели параллельны электрическому вектору (в прямоугольных
волноводах распространяется волна типа Н 10) [5].
Рисунок 2.7
Параметры эквивалентной схемы. В сечениях Т и
Т’:
Нормированная выходная волновая проводимость
эквивалентной схемы
где Y0
- нормирующий делитель, проводимость волновода для волны типа H10,
См;
b - высота основного
канала волновода, м;
b’ - высота второго
канала волновода, м.
Нормированные реактивные проводимости
эквивалентной схемы
где d - ширина
щели в волноводе, м;
Ʌ - длина волны в волноводе, м.
Пределы применимости. Эквивалентная
схема справедлива при условии 2b/Ʌ<1, если ширина щели d мала по
сравнению с длиной волны. Параметры эквивавлентной схемы получены по методу
интегральных уравнений. При определении величины Bа/Y0 были отброшены члены
третьего порядка.
Строго говоря, элемент схемы Bb
должен быть представлен в виде П-образного четырёхполюсника или ему
эквивалентного. Однако при малых размерах щели, рd/b’<1 (b’<b) реактивная
проводимость плеча последовательного с этим П-образным четырёхполюсником почти
бесконечно велика. Сумма реактивных проводимостей шунтирующих нагрузок, с
точностью до членов второго порядка, представлена формулой (7а). Как показала
оценка точности, формулы (6а) и (7а) допускают ошибку всего лишь в несколько
процентов при условии, что рd/b’<1.
Выбраны значения: ширина канала
обоих волноводов a=0.0285 м; высота основного канала
волновода b=0.0126 м;
высота второго канала волновода b’=0.011 м; частота волны f=8∙109
Гц; ширина щели d=0.003 м.
Длина волны в свободном пространстве
Длина волны в волноводе
Нормированная выходная волновая
проводимость находится по формуле (5)
Нормированные реактивные
проводимости находятся соответственно по формулам (6а), (6б), (7а), (7б)
Критическая длина волны типа Н 10:
Эквивалентное (волновое)
сопротивление волновода, вычисленное через напряжения и токи, для волны типа Н
10:
Эквивалентная (волновая)
проводимость волновода:
Итак, выходная волновая проводимость
и реактивные проводимости элементов эквивалентной схемы:
) Расчёт параметров эквивалентной
схемы разделения в плоскости H
Симметричное разделение прямоугольного волновода,
образованного тонкой перегородкой, параллельной вектору электрического поля,
показано на рисунке 2.8. (в каждом из прямоугольных волноводов распространяется
волна типа Н 10, кроме того, в большом прямоугольном волноводе волна типа Н 20)
[5].
Рисунок 2.8.
Параметры эквивалентной схемы. Отнесенная к
сечениям Т 1 и Т 1’ эквивалентная схема представляет собой трансформаторное
соединение четырёх линий передачи, волновые сопротивления которых определяются
из соотношений:
Положение сечения Т 1 для волны Н 20
в волноводе 1 и волны Н 10 в волноводах 2 и 3, и сечения Т 1’ для волны Н 10 в
волноводе 1 определяется из выражений:
где
длина волны в месте положения
сечения Т 1 внутри волновода:
длина волны в месте положения
сечения Т 1’ внутри волновода:
Другая эквивалентная схема,
отнесённая к общему для всех волноводов сечению Т, показана на рисунке 2.9.
Рисунок 2.9.
Её параметры определяются
выражениями:
Пределы применимости. Эквивалентная
схема справедлива при условии 0.5<a’/л<0.8. Параметры схемы определены по
методу трансформации и их значения являются точными в вышеуказанных пределах.
Выбраны значения: ширина всего
канала волновода a’=0.0285м; ширина 2 и 3 каналов
волновода a=0.01425 м;
частота волны f=8∙109
Гц; эквивалентная (волновая) проводимость волновода Y0=0.002878
См.
Длина волны в свободном пространстве
Эквивалентная схема справедлива при
условии 0.5<a’/л<0.8, 0.5<0.0285/0.0375<0.8, 0.5<0.76<0.8 -
условие выполняется.
Длина волны в месте положения
сечения Т 1 внутри волновода:
Длина волны в месте положения
сечения Т 1’ внутри волновода:
Отнесенная к сечениям Т 1 и Т 1’
эквивалентная схема представляет собой трансформаторное соединение четырёх
линий передачи, волновые сопротивления которых определяются из соотношений (8):
Положение сечения Т 1 для волны Н 20
в волноводе 1 и волны Н 10 в волноводах 2 и 3, и сечения Т 1’ для волны Н 10 в
волноводе 1 определяется из выражений (9а), (9б):
где
Параметры другой эквивалентной
схемы, отнесённой к общему для всех волноводов сечению Т (см. рисунок 2.9),
определяются выражениями (10):
Итак, реактивные сопротивления
элементов эквивалентной схемы:
.3 Второй
направленный ответвитель
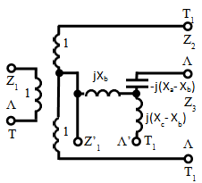
Рисунок 2.10. Общий вид направленного
ответвителя
Рисунок 2.11. Эквивалентная схема направленного
ответвителя
Для предварительного расчёта последнего
направленного ответвителя, использовано понятие восьмиполюсной системы. Любое
соединение четырёх смежных волноводов, в каждом из которых распространяется
только один тип волны, называется восьмиполюсной волноводной системой, или
волноводным восьмиполюсником. Так же называется любое сочленение трёх смежных
волноводов, в одном из которых могут распространяться два типа волн, тогда как
в остальных двух может существовать лишь волна одного типа.
Полное описание волн, распространяющихся в таких
системах, может быть произведено при замене волноводов эквивалентными линиями
передачи, а области сочленения - восьмиполюсниками с сосредоточенными
постоянными. Четыре линии передачи и цепи с сосредоточенными постоянными
составляют эквивалентный восьмиполюсник, характеризующий коэффициенты передачи
и отражения к. с. в. и другие свойства всей системы [7]. Для количественной
характеристики линий передачи требуется знание их волновых сопротивлений и
длины распространяющихся в них волн. Восьмиполюсник, в общем случае,
характеризуется десятью параметрами схемы и положением четырёх сечений, в которых
сочленяются линии передачи. Число необходимых параметров схемы может быть
значительно уменьшено, если система обладает геометрической симметрией.
Величины сопротивлений элементов, приводимых ниже восьмиполюсников, нормируются
к волновому сопротивлению одной из линий передачи.
Данный направленный ответвитель представляет
собой два смежных прямоугольных волновода, связанных небольшим круглым
отверстием.
Расчёт параметров эквивалентной
схемы для сцентрированного круглого отверстия диаметра d
Соединение двух смежных прямоугольных
волноводов, связанных небольшим круглым или эллиптическим отверстием,
прорезанным симметрично в бесконечно тонкой широкой стенке, показано на рисунке
2.12. (в прямоугольных волноводах распространяется волна Н 10) [5].
Рисунок 2.12.
Параметры эквивалентной схемы. В сечении Т для
эллиптического и круглого отверстия ориентированного под углом ц.
Нормированная выходная волновая проводимость
эквивалентной схемы
где Y0
- нормирующий делитель, проводимость волновода для волнытипа H10,
См;
а - ширина нижнего канала волновода, м;
b - высота нижнего
канала волновода, м;
а’ - ширина верхнего канала волновода, м;
b’ - высота верхнего
канала волновода, м;
Ʌ - длина волны в верхнем
волноводе, м;
Ʌ’- длина волны в нижнем
волноводе, м.
Нормированные реактивные проводимости
эквивалентной схемы
где Р, М - коэффициенты для круглого
отверстия, м 3;
л - длина волны в свободном
пространстве, м;
d1, d2 - размеры
эллиптического отверстия, м;
d - диаметр
круглого отверстия, м.
Длина волны в верхнем волноводе:
Длина волны в нижнем волноводе:
Коэффициенты Р и М для
сцентрированного круглого отверстия диаметра d:
Если при одинаковых волноводах
(a=a’, b=b’), размеры отверстия выбраны такими, что
то вышеуказанное сочленение становится
направленным ответвителем. Последний обладает тем свойством, что при
согласовании волноводов 2 и 4 мощность из волновода 1 в 3 не поступает и,
наоборот.
Пределы применимости. Эквивалентная
схема применима в диапазоне волн, в котором 2b/Ʌ<1 (b>b’). Параметры
эквивалентной схемы получены по методу интегральных уравнений с использованием
условия малости отверстия.
Выбраны значения при условии, что
волноводы одинаковы: a=a’, b=b’: ширина
канала волноводов a=0.09 м; высота канала волноводов b=0.045 м; частота
волны f=2.7∙109
Гц; диаметр круглого отверстия d=0.01 м.
Длина волны в свободном пространстве
Длина волны в верхнем волноводе
Длина волны в нижнем волноводе
Коэффициенты Р и М для
сцентрированного круглого отверстия диаметра d:
Эквивалентная схема применима в
диапазоне волн, в котором 2b/Ʌ=0.09/0.1412=0.637<1 - условие выполняется.
Нормированная выходная волновая
проводимость находится по формуле (11)
Нормированные реактивные
проводимости находятся по формулам (12а), (12б), (13а), (13б), (14), (15)
При одинаковых волноводах (a=a’, b=b’), размеры
отверстия выбраны такими, что
поэтому вышеуказанное сочленение
является направленным ответвителем.
Критическая длина волны типа Н 10:
Эквивалентное (волновое)
сопротивление волновода, вычисленное через напряжения и токи, для волны типа Н
10:
Эквивалентная (волновая) проводимость
волновода
Итак, выходная волновая проводимость
и реактивные проводимости элементов эквивалентной схемы:
По заданным функциональным свойствам
исследуемых устройств были выбраны и рассчитаны эквивалентные схемы, состоящие
из сосредоточенных элементов L, C, R и отрезков
эквивалентной линии; далее на основе каждой из этих схем можно построить
соответствующую конструкцию устройства, пытаясь реализовать сосредоточенные
элементы с помощью элементов с распределёнными параметрами. Это вызвано тем,
что физические размеры сосредоточенных элементов L, C и R с
повышением частоты уменьшаются и на частотах выше нескольких сотен мегагерц
становятся настолько малыми, что их изготовление вызывает серьёзные трудности
[2]. Кроме того, с повышением частоты на параметры сосредоточенных элементов
всё большее влияние оказывают тепловые потери в них и потери на излучение.
Поэтому, как правило, в диапазоне СВЧ вместо подобных элементов используют
элементы с распределенными параметрами, например отрезки линий передачи.
Подбором длины и волнового сопротивления отрезков линии можно смоделировать
поведение сосредоточенных элементов в соответствующей эквивалентной схеме
устройства
Заключение
В ходе дипломной работы рассчитаны эквивалентные
схемы элементов волноводного тракта. На основе этих схем созданы компьютерные
модели. Проведено компьютерное моделирование. Получены конструкции устройств,
частотные характеристики которых удовлетворяют техническому заданию. Для
каждого из элементов волноводного тракта СВЧ, получены S
- параметры матрицы рассеяния, показано распределение электрического поля в
определённые моменты времени внутри устройства с помощью сечений, находящихся в
разных плоскостях. Представлены иллюстрации, поясняющие принцип действия
исследуемых элементов тракта.
На основе полученных компьютерных моделей можно
ввести лабораторные работы со студентами по курсу "Антенны и устройства СВЧ".
В ходе занятий студенты, выполняя компьютерное моделирование, могут
продемонстрировать творческий подход. Меняя составляющие конструкции и
геометрические размеры модели, студенты будут иметь возможность получить
различные результаты (параметры элемента волноводного тракта) и выбрать
оптимальный. волновод свч диапазон частота
В экономическом разделе обосновано, что
внедрение САПР значительно сократит усилия и время, затрачиваемое студентом на
выполнение лабораторных работ.
В разделе безопасности жизнедеятельности
рассмотрено фактическое состояние условий труда при лабораторных занятиях и
даны рекомендации по их улучшению (рассчитан уровень шума и освещённость
помещения).
Программные вычислительные средства, основанные
на существующих электродинамических моделях, точно и полностью могут рассчитать
необходимое нам СВЧ-устройство, однако такой подход требует значительных
вычислительных затрат не только при расчете на ЭВМ, но и на этапе
формулирования задачи.
Список литературы
1. Устройства СВЧ: Учеб.
пособие / Под ред. Д.М. Сазонова. - М.: Высш. школа, 1981. - 295 с.: ил.
. Пименов, Ю.В. Вольман, В.И.
Муравцов, А.Д. Техническая электродинамика / Ю.В. Пименов, В.И. Вольман, А.Д.
Муравцов; под ред. Ю.В. Пименова: Учеб. Пособие для вузов. - М.: Радио и связь,
2000. - 536 с.: ил. - ISBN 5-256-01287-8
. Лебедев, И.В. Техника и приборы
СВЧ / И.В. Лебедев; под ред. академика Н.Д. Девяткова. - М.: Высш. школа, 1970.
- 440 с.: ил.
. Методические указания к дипломному
проектированию для студентов специальностей 210301, 210302, 210405 / сост.:
Е.А. Архипов, Л.И. Тарарышкина; Владим. гос. ун-т. - Владимир: Изд-во Владим.
гос. ун-та, 2008. - 64 с.
. Маркувиц, Н. Справочник по
волноводам: перевод с английского / Н. Маркувиц; под ред. Я.Н. Фельда. - М.:
Советское радио, 1952. - 430 с.
. Малков, Н.А. Устройства
сверхвысоких частот: учеб. пособие / Н.А. Малков, А.П. Пудовкин. - Тамбов:
Изд-во Тамб. гос. техн. ун-та, 2008. - 92 с. - ISBN 978-5-8265-0735-3.
. Фуско, В. СВЧ-цепи. Анализ и
автоматизирование проектирование: пер. с англ. / В. Фуско.- М.: Радио и связь,
1990. - 288 с. - ISBN 5-256-00663-0
8. Белов, С.В. Безопасность
жизнедеятельности: Учебник для студентов средних спец. учеб. заведений / С.В.
Белов, В.А. Девисилов; под ред. С.В. Белова. - 3-е изд., испр. и доп. - М.: Высш.
шк., 2003. - 357 с.
ISBN 5-06-004294-4
. Справочная книга для
проектирования электрического освещения / Под ред. Г.Б. Кнорринга. - СПб.:
Энергоатомиздат. Санкт-Петербургское отд-ние, 1992. -448 с. -ISBN 5-283-04464-5
. Рыбалов, С.Л. Новое поколение энергоэффективных
тонких люминесцентных ламп типа Т 5 / С.Л. Рыбалов канд. тех. Наук; под
ред. проф. Ю.Б. Айзенберга. - М.: Знак, 2011. - 16 с.
. Иванов, Н.И. Инженерная акустика.
Теория и практика борьбы с шумом / Н.И. Иванов. - М.: Логос, 2010. - 424 с. -
ISBN 978-5-98704-520-6
12. Зелник, М. Панеро, Дж. Основы
эргономики. Человек, пространство, интерьер. Справочник по проектным нормам /
Дж. Панеро, М. Зелник. - М.: Астрель, 2006. - 320 с. - ISBN 5-17-038655-9
. Галкин, А.П. Менеджмент и
маркетинг в радиотехнике: Метод. указания к составлению предпринимательского
проекта / А.П. Галкин. - Владимир: Владим. гос. ун-т., 2001. - 24 с.
. Фельдштейн, А.Л. Явич, Л.Р.
Смирнов, В.П. Справочник по элементам волноводной техники / А.Л. Фельдштейн,
Л.Р. Явич, В.П. Смирнов. - М.: Сов. радио, 1967. - 652 с.
. Курушин, А.А. Проектирование СВЧ
устройств в среде CST
Microwave
Studio / А.А. Курушин,
А.Н. Пластиков. - М.: Издательство МЭИ, 2010.
. Электроника: Энциклопедический
словарь / Гл. ред. В.Г. Колесников. - М.: Сов. Энциклопедия, 1991. - 668 с. -
ISBN 5-85270-062-2