Генератор синусоидальных модулированных колебаний

  • Вид работы:
    Курсовая работа (т)
  • Предмет:
    Информатика, ВТ, телекоммуникации
  • Язык:
    Русский
    ,
    Формат файла:
    MS Word
    41,55 Кб
  • Опубликовано:
    2014-04-08
Вы можете узнать стоимость помощи в написании студенческой работы.
Помощь в написании работы, которую точно примут!

Генератор синусоидальных модулированных колебаний

АННОТАЦИЯ

В ходе выполнения курсовой работы был спроектирован генератор синусоидальных модулированных колебаний с двумя режимами работы:

· первый режим с длительностью модулированного сигнала 1 секунда и длительностью паузы 1,5 секунд при частоте модуляции 90 Гц;

· второй режим с длительностью модулированного сигнала 2 секунды и длительностью паузы 3 секунд при частоте модуляции 90 Гц.

Глубина модуляции для обоих режимов 50 %. Работа генератора в первом режиме начинается по нажатию ключа «S1». Работа генератора во втором режиме начинается по нажатию ключа «S2».

Генератор обеспечивает ток 100 мА в нагрузке сопротивлением 250 Ом.

Устройство выполнено на интегральных микросхемах КМОП-технологии.

СОДЕРЖАНИЕ

Введение

.         Разработка и описание функциональной схемы генератора

.         Разработка и описание принципиальной электрической схемы генератора

.1       Выбор микросхемы памяти и её объёма для программирования

.2       Расчет кодов программирования ПЗУ

.3       Описание схемы формирования и усиления модулированного сигнала

.4       Описание формирователя режима работы

.5       Усилитель мощности

.         Расчёт узлов принципиальная схема генератора

.1       Расчет тактового генератора

.2       Расчет тактового генератора ГИ

.3       Расчет усилителя напряжения

.4       Расчет усилителя тока

Заключение

Список литературы

Приложение 1. 2004.К09.269.01.01.Э2. Генератор модулированных синусоидальных сигналов. Схема электрическая функциональная

Приложение 2. 2004.К09.269.01.02.ЭЗ Генератор модулированных синусоидальных сигналов. Схема электрическая принципиальная

Приложение 3. 2004.К09.269.02.01.ПЭЗ Генератор модулированных синусоидальных сигналов. Перечень элементов

ВВЕДЕНИЕ

Невозможно назвать хотя бы одну отрасль экспериментальной, лечебной или профилактической медицины, которая могла бы рассчитывать даже на малый успех без применения электронной медицинской аппаратуры. Важной особенностью современного развития медицинской техники является широкое применение узлов и элементов аналоговой и цифровой электроники, позволяющих значительно расширить функциональные возможности, улучшить технические и эксплуатационные характеристики биотехнических и медицинских аппаратов и систем. Среди большого многообразия биомедицинских электронных устройств важное место занимают терапевтическая аппаратура, кардиостимуляторы, средства калибровки электрокардиографов и энцефалографов. Это обуславливает необходимость разработки и создания устройств со строго определенными параметрами выходных сигналов. Курсовая работа по разработке электронных узлов биомедицинской техники является важным этапом изучения принципов построения и методов расчета таких устройств [1].

.        
РАЗРАБОТКА И ОПИСАНИЕ ФУНКЦИОНАЛЬНОЙ СХЕМЫ ГЕНЕРАТОРА

Функциональная схема генератора модулированных синусоидальных сигналов приведена в приложении 1, она состоит из следующих функциональных блоков:

ГТИ(генератор тактовых импульсов) генерирует тактовые импульсы требуемой частоты, поступающие на БОЯП - блок опроса ячеек постоянного запоминающего устройства (ПЗУ). БОЯП состоит из счетчика, который в соответствии с кодом на своих выходах обращается к соответствующим ячейкам ПЗУ, в котором записаны коды режимов работы при частоте модуляции 90 Гц. Цифровой код, считанный из ПЗУ, поступает на входы цифроаналогового преобразователя (ЦАП), где преобразуется в аналоговую величину. Выходной сигнал генератора формируется на выходе ЦАП в виде непрерывно-дискретного сигнала, т.е. модулированный синусоидальный сигнал. Выходной сигнал ЦАП представляет собой ступенчатую функцию. Так как у ЦАП токовый выход, то необходимо использовать преобразователь ток-напряжение, который реализуется на операционном усилителе. Этот сигнал поступает на повторитель, который необходим для согласования входного и выходного сопротивлений ЦАП и блока усиления мощности УМ. УМ состоит из усилителя тока и усилителя напряжения.

Генераторы интервалов (ГИ) задают период длительности импульсов, в соответствии с которыми ФВИ-формирователь временных интервалов, состоящий из счетчика и триггеров, осуществляет либо работу, либо паузу. В первом режиме длительность модулированных колебаний должна составлять 1 с, а паузы 1,5 с при частоте модуляции 90Гц. Во втором режиме 2 с и 3 с при частоте модуляции 90Гц.

Блок управления (БУ) обеспечивает изменение режима работы посредством переключения между ГИ, и представляет собой триггеры и ключи, которые формируют состояние триггеров. Блок питания предназначен для обеспечения напряжением питания всех узлов схемы, содержит стабилизаторы напряжений и источник опорного напряжения ЦАП.

2. РАЗРАБОТКА И ОПИСАНИЕ ПРИНЦИПИАЛЬНОЙ ЭЛЕКТРИЧЕСКОЙ СХЕМЫ ГЕНЕРАТОРА

2.1 Выбор памяти и ее объема

При ступенчатой аппроксимации частота дискретизации, будет определяется по формуле [2]:

,

где - частота несущих колебаний,

fД - частота дискретизации,

 - погрешность от аппроксимации, выраженная в процентах, по техническому заданию равна 2,5%.

Определим объем памяти, необходимый для хранения кода сигнала с частотой модуляции 90 Гц.

кГц.

Найдем количество периодов дискретизации в одном периоде несущего колебания:

.

Найдем количество периодов несущих колебаний в одном периоде модулированных колебаний:

,

где fМ - частота модулированных колебаний.

Рассчитаем требуемый объем памяти ПЗУ:

= N·g,

где g - число разрядов слова ПЗУ;

N - количество шагов дискретизации.

 = p·k= 44·251,2 = 11052;

 = 11052·8=88416.

Таким образом, необходимое количество дискретных значений модулированного сигнала с частотой модуляции 90 Гц составляет 11052 восьмиразрядных слов.

На основании расчетов выбираем Flash микросхемы AT29C256 (32Kx8).

2.2 Расчет кодов программирования ПЗУ

Так как мы используем промодулированный сигнал, то расчет значений кодов ячеек ПЗУ будем делать по формуле:


где Di-значение кода в i-й ячейке ПЗУ;

DСМ- значение кода смещения ЦАП;

Ai-адрес i-й ячейки ПЗУ;

m - глубина модуляции.

Подставляя данные в формулу, получим значения, которые запишем в таблицу прошивки ПЗУ (таблица 1).

Таблица 1

Адрес ячейки

Содержимое ячейки в десятичной системе

Содержимое ячейки в шестнадцатиричной системе

0

32768

8000

32767

7FFF

2

32767

7FFF

3

32766

7FFE

4

32765

7FFD

5

32764

7FFC

6

32763

7FFB

7

32761

7FF9

8

32759

7FF7

9

32757

7FF5


2.3 Описание схемы формирования и усиления модулированного сигнала

генератор микросхема сигнал тактовый

Т.к. количество ячеек памяти для хранения одного периода синусоидального модулированного сигнала при частоте модуляции 90 Гц равно 11052, то для их адресации необходимо четырнадцатиразрядное слово адреса и, следовательно, разрядность выходного кода счетчика, опрашивающего ПЗУ должна составлять также четырнадцать разрядов. Четырнадцатиразрядный счётчик реализован на четырех четырехразрядных счётчиках DD5 - DD6.

Тактовый генератор ГТИ, задающий частоту опроса ячеек памяти ПЗУ, реализован на двух инверторах микросхемы DD1, его выход, через инвертор DD4.1, подключен к счётному входу счётчика, опрашивающего ПЗУ (DD5- DD6). Выходы счетчика формируют четырнадцатиразрядное слово адреса, которое подается на входы А0-А13 постоянного запоминающего устройства DD13, на выходах D0 - D7 которого формируется содержимое адресуемой ячейки.

Счетчик DD5 - DD6 производит опрос 11052 ячеек памяти ПЗУ, затем сбрасывается, и считывание данных о периоде сигнала повторяется. Сброс осуществляется посредством микросхем DD7.1, DD8.1, DD9.1, DD9.2, DD9.3, DD10.3. При появлении единиц на выходах счетчика (что в двоичном коде соответствует количеству шагов дискретизации 11052) происходит сброс счетчика.

Выходной код ПЗУ подается на восемь старших разрядов ЦАП DA1, формируя на его выходе ток пропорциональный входному коду, при этом выходное напряжение формируется на выходе операционного усилителя DA2, включенного по схеме преобразователя ток-напряжение, которое через потенциометр R12 подается на вход повторителя напряжения собранного на операционном усилителе DA3, необходимого для увеличения входного сопротивления усилителя переменного тока. Усилитель переменного тока состоит из усилителя напряжения собранного на операционном усилителе DА4, с выхода операционного усилителя DА4 сигнал подается на вход усилителя тока построенного двухтактного усилителя мощности.

.4 Описание формирователя режимов работы

Исходя из задания имеем два режима работы (первый режим: 1 с - модулированные колебания с частотой модуляции 90 Гц, 1,5 с - пауза; второй режим: 2 с - модулированные колебания с частотой модуляции 90 Гц, 3 с - пауза). Выбор режима работы определяется состоянием триггера DD3.1.

При нажатии кнопки S1, триггер DD3.1 устанавливается в "1", тем самым разрешает работу ГИ для первого режима.

При нажатии кнопки S2, триггер DD3.1 устанавливается в "0", тем самым разрешает работу для второго режима.

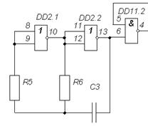
Для первого режима работы: по приходу третьего импульса от первого ГИ триггер DD3.2 устанавливается в "1", тем самым прерывает обращение к ПЗУ. Благодаря этому на выходе генератора будет отсутствие сигнала, т.е. пауза. По приходу шестого импульса, происходит сброс модуля счета счетчика DD12.1, и триггера DD3.2(рисунок 1) .

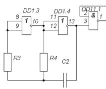
Для второго режима работы: по приходу третьего импульса от второго ГИ триггер DD3.2 устанавливается в "1", тем самым прерывает обращение к ПЗУ. Благодаря этому на выходе генератора будет отсутствие сигнала, т.е. пауза. По приходу шестого импульса, происходит сброс модуля счета счетчика DD12.1, и триггера DD3.2(рисунок 2) .

Рисунок 1

Рисунок 2

2.5 Усилитель мощности

Усилитель мощности состоит из трех основных частей: преобразователь ток-напряжение, усилитель напряжения, усилитель тока.

Преобразователь ток - напряжение необходим в связи с тем, что ЦАП AD7520 имеет только два токовых выхода (инверсный и прямой), а также встроенное сопротивление обратной связи для подключения к внешнему операционному усилителю. Роль преобразователя ток - напряжение выполняет операционный усилитель DA2 и использует встроенное в ЦАП сопротивление обратной связи.

Усилитель напряжения построен на операционном усилителе DA2, включенный по схеме не инвертирующего усилителя. Вход усилителя через повторитель напряжения собранный на операционном усилителе DA3 подключен к потенциометру R12, при этом R12 служит регулятором выходного напряжения, а, следовательно, и выходного тока схемы.

Усилитель тока предназначен для обеспечения требуемого тока нагрузки и построен как двухтактный усилитель мощности.

3. РАСЧЁТ УЗЛОВ ПРИНЦИПИАЛЬНОЙ СХЕМЫ ГЕНЕРАТОРА

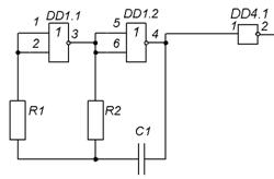
3.1 Расчет тактового генератора

Тактовый генератор для счетчика (DD5 - DD6) построен по стандартной схеме мультивибратора на КМОП микросхемах (рисунок 3).

Рисунок 3

Выполним расчет ГТИ. Так как мы используем кусочно-ступенчатую аппроксимацию, то частота работы тактового генератора ГТИ, равная удвоенной частоте дискретизации равна 2010 кГц, которой соответствует период 0,5 мкс.

Как уже говорилось выше, расчет произведем на частоту 2·fД, по формуле:

Т = 1,38 · R2·С1,

учитывая, что


примем сопротивление резистора R2 =30 кОм, тогда

 Ф.

Выберем С1 =12 пФ из ряда Е96 типа К73-11 ±1% . R1 выберем равным 30 кОм.

3.2 Расчет генераторов интервалов

Формирователь режима работы реализован на двух генераторах интервалов. Первый собран на двух инверторах DD2.1, DD2.2 и на элементе И-НЕ DD11.2, который разрешает работу этого генератора (рисунок 4). Период генератора интервалов выбирается таким образом, чтобы интервалы времени t1 и t2, заданные в техническом задании, нацело делились на него. С учетом того, что t1=1c; t2=1,5c, выберем период генератора интервалов равным 0,5 с.

Примем сопротивление резистора R6=30 кОм, тогда

С3=T/(1,38·R6)=0,5/(1,38·30·103)=12,07 мкФ.

Выберем С3 =12,1 мкФ из ряда Е96 типа К73-11 ±1% . R5 выберем равным 30 кОм.

Рисунок 4

Второй генератор интервалов собран на двух инверторах DD1.3, DD1.4 и на элементе И-НЕ DD11.1, который разрешает работу этого генератора (рисунок 5). Период генератора интервалов выбираем равным 1 с.

Примем сопротивление резистора R4=30 кОм, тогда

С2=T/(1,38·R4)=1/(1,38·30·103)=24,15 мкФ.


Рисунок 5

3.3 Расчет усилителя напряжения

Усилитель напряжения построен на операционном усилителе, включенном по схеме не инвертирующего усилителя, для его расчета необходимо определить входные и выходные параметры сигнала.

Входной сигнал усилителя формируется преобразователем ток - напряжение построенного на операционном усилителе DA2. Максимальное значение выходного напряжения преобразователя определяется из выражения:

где DВЫХMAX- максимальное значение кода на цифровых входах ЦАП;

UОП -опорное напряжение ЦАП;

п - разрядность ЦАП.

Максимальное значение кода DВЫХMAX будет равным 16384D. Разрядность ЦАП AD7520 равна десяти, но мы будем использовать только восемь, a UОП, как амплитудное значение модулированного сигнала принимаем равным 10В, тогда максимальное значение напряжения на выходе операционного усилителя принимает значение:


Для выбора операционного усилителя, выполняющего функцию суммирования токов, рассчитаем скорость нарастания выходного напряжения (V) по формуле:


Подставляя необходимые значения в формулу получим:

V = 2· 3,14· 4000·10 = 314000В · Гц ≈ 0,2513 В/мкс.

На этом основании выбираем операционный усилитель К140УД7, у которого скорость нарастания выходного сигнала V равна 0,3 В/мкс.[3] Операционный усилитель такого же типа можно использовать и для построения повторителя напряжения. Минимальное сопротивление нагрузки для операционного усилителя К140УД7 составляет 2 кОм, на этом основании можно выбрать потенциометр R12 (подстроенный резистор СГТ4-16, с сопротивлением 10 кОм)[4].

Сигнал с преобразователя ток-напряжение через повторитель напряжения поступает на вход усилителя напряжения.

Сигнал с выхода усилителя напряжения поступает на вход усилителя тока, максимальное входное напряжение которого, как будет показано ниже, составляет 27,9 В.

Рассчитаем требуемый коэффициент усиления усилителя напряжения К:


По формуле для не инвертирующего усилителя:


Задавшись сопротивлением R15, приняв его равным 10 кОм, рассчитаем значение сопротивления R13:

Ом.

Выбирая из ряда стандартных номиналов Е96, получаем значение сопротивления R13 равное 5,6 кОм.

Резисторы R15 и R13 выбираем C2-33H [4].

Резистор R14 предназначен для уменьшения влияния входных токов, и равен эквивалентному сопротивлению резисторов R13, R15 соединённых параллельно. Таким образом, значение сопротивлениями будет равным:

Ом.

Выбирая из ряда стандартных номиналов Е96, получаем значение сопротивления R14 равное 3,6 кОм.

Резистор R14 выбираем C2-33H [4].

Так как, усилитель переменного тока, рассчитаем разделительные конденсаторы СЗ и С4 по следующей формуле:


Здесь М- коэффициент нелинейных искажений.

Приняв коэффициент нелинейных искажений равным  получим:

нФ.

Выбирая из ряда стандартных номиналов Е96, получаем значение ёмкостей С5 и С4 равной 10,4 нФ .

Конденсаторы С5 и С4 выбираем К73-11.

Выберем операционный усилитель DA4 исходя из требований:

Uвых≥25В;

f1 >4000Гц.

Выбираем операционный усилитель К1408УД1, с параметрами:
UПИТ ±5..40В;

ВЫХ UПИТ-2,5В;

f1                                                                                                 1МГц .

3.4 Расчет усилителя тока

Усилитель тока построен по схеме двухтактного усилителя мощности, в которой комплиментарная пара транзисторов VТ1 и VT2 обеспечивает двуполярный выходной сигнал. Диоды VD8, VD9 и резисторы R16, R17 обеспечивают напряжение смещения транзисторов, устраняя нелинейные искажения.

Определим напряжение питания транзисторного каскада из выражения:


где РН- мощность, рассеиваемая на нагрузке, равная:

Вт;

H- сопротивление нагрузки.

Подставляя в формулу значение сопротивления нагрузки, известное нам из технического задания, получаем напряжение питания для выходного каскада:

В.

Выбираем значение напряжения питания равным 27 В.

Определяем мощность рассеивания на транзисторах выходного каскада:


Подставляя в формулу необходимые значения параметров получим:

Вт.

Произведем выбор транзисторов, учитывая условия:

ГР≥10кГц;

IKMAX≥(0,8..0,9)·30·10-3 А;

UКЭ≥54B;

РКMAX≥1,857Вт.

Поэтому выбираем комплиментарную пару транзисторов КТ815В и КТ814В, с параметрами:

FГР 3 МГц;

IКMАХ  1,5 А;

UКЭ 70 В;

РКMАХ 2 Вт;

h21Э 40 .

Максимальный ток коллектора транзисторов определим по формуле:

мА.


мА.

По входной характеристике для транзисторов КТ814В и КТ815В определим максимальное напряжение между базой и эмиттером UБЭMАХ соответствующее максимальному току базы IБMАХ : UБЭMАХ = 0,9 В.

Найдем максимальное входное напряжение UВХMАХ:

ВХMAX=UБЭMAX+IKMAX·RH=0,9+108·10-3·250=27,9 В.

Найдём сопротивление добавочных резисторов R16 и R17:


где UД - падение напряжения на диодах VD9 и VD8 в открытом состоянии, выбрав его равным 1 В и подставив в формулу, получим:

Ом.

Выбирая из ряда стандартных номиналов Е96, получаем значение сопротивлений R16 и R17 равное 10 кОм.

Резисторы R16 и R17 выбираем C2-33H.

Найдём ток через диоды в открытом состоянии IД по формуле:


Здесь п- число диодов в плече усилителя.

Так как у нас число диодов в плече усилителя равно 1, то ток через диоды будет равен:

мА.

На основании этого выбираем диоды Д2Ж, у которых максимальный ток в открытом состоянии 8 мА, падение напряжения в открытом состоянии 1В.

Найдём полное входное сопротивление каскада:

кОм.

Таким образом, полученное полное сопротивление каскада получилось больше допустимого сопротивления нагрузки операционного усилителя К1408УД1, следовательно, предварительный каскад не требуется.

Рассчитаем резисторы R18 и R19 по следующей формуле:

18 = R19 = 0,05 ·RН = 0,05 · 250 = 12,5 Ом.

Выбирая из ряда стандартных номиналов Е96, получаем значение сопротивлений, R 18 и R19 равное 12,5 Ом.

Резисторы R18 иR19 выбираем C2-33H.

ЗАКЛЮЧЕНИЕ

В результате проведенной работы был спроектирован генератор модулированных синусоидальных сигналов. Он реализует все заданные в техническом задании режимы работы и значения выходного сигнала. Удовлетворяет условию задания использованием КМОП микросхем, обеспечивающих малое энергопотребление схемы.

СПИСОК ЛИТЕРАТУРЫ

1. Попечителев Е.П., Кореневский Н.А. Электрофизиологическая и фотометрическая медицинская техника. М.: Высшая школа, 2002.

2. Гречихин В.В. Проектирование генератора модулированных синусоидальных колебаний. Новочеркасск: ЮРГТУ, 2007.

3. Опадчий Ю.Ф., Глудкин О.П., Гуров А.И. Аналоговая и цифровая электроника. М.: Горячая линия − Телеком, 2005.

4. Акимов Н.Н., Ващуков Е.П., Прохоренко В.А., Ходоренок Ю.П. Резисторы, конденсаторы, трансформаторы, дроссели, коммутационные устройства РЭА : Справ. / Минск: Беларусь, 1994 г. -591 с.


Не нашли материал для своей работы?
Поможем написать уникальную работу
Без плагиата!
Без нейросетей!