|
Характеристики
транзистора КТ315А
|
|
|
|
|
Допустимый
ток коллектора
|
Максимальный
ток коллектора
|
Сопротивление
эмиттера 
|
|
30
|
120
|
90
|
0,1
|
0,00025
|
10
|
10
|
Величина сопротивления
определяется
из следующих условий
;
.
Выберем
.
При этом для обеспечения амплитуды выходного
импульса коллекторный ток равен:
.
1. Величину сопротивления
рассчитываем
так:
.
Выберем
.
2. Сопротивление
равно:
.
Выбираем
.
3. Времязадающее сопротивление
для
коэффициента глубины насыщения
рассчитывается,
исходя из условия насыщения второго транзистора в исходном состоянии:
.
Принимаем
.
4. Времязадающую ёмкость
определяем
для
,
так как
:
.
Выбираем
.
5. Сопротивления делителей
и
определяются
из условия запирания первого транзистора в начальном состоянии:
.
Выбираем
.
.
Выбираем
.
6. Уточнение величины восстановления
схемы, определяется временем заряда конденсатора:
.
7. Уточнение величины амплитуды
напряжения:
.
После тестирования и настройки схемы методами
САПР получены следующие значения элементов схемы:
,
,
,
,
,
,
,
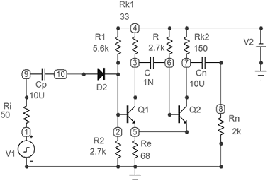
. Расчёт второго ждущего мультивибратора с
эмиттерной связью (строб работы)
Рис. 7 Схема ждущего мультивибратора с
эмиттерной связью(строб работы)
Запуск второго мультивибратора (Рис. 7)
происходит при помощи положительного импульса на коллекторе первого
транзистора, который после дифференцирования при помощи дифференцирующей
цепочки с маленькой постоянной времени цепи даёт скачок напряжения на
сопротивлении
, что обеспечивает
смену состояния на транзисторах. В схеме запуска присутствует диод, что
позволяет запустить мультивибратор только по заднему фронту импульса с первого
мультивибратора.
Определяем параметры схемы.
Коллекторное напряжение определяется из условия,
что
Выбираем
.
Анализируя базу данных биполярных транзисторов
можно выбрать транзистор КТ315А
Величина сопротивления
определяется
из следующих условий
;
.
Выберем
.
При этом для обеспечения амплитуды выходного
импульса коллекторный ток равен:
.
1. Величину сопротивления
рассчитываем
так:
.
Выберем
.
2. Сопротивление
равно:
.
Выбираем
.
3. Времязадающее сопротивление
для
коэффициента глубины насыщения
рассчитывается,
исходя из условия насыщения второго транзистора в исходном состоянии:
.
Принимаем
.
4. Времязадающую ёмкость
определяем
для
,
так как
:
.
Выбираем
.
5. Сопротивления делителей
и
определяются
из условия запирания первого транзистора в начальном состоянии:
.
Выбираем
.
.
Выбираем
.
6. Уточнение величины восстановления
схемы, определяется временем заряда конденсатора:
.
.
После тестирования и настройки схемы методами
САПР получены следующие значения элементов схемы:
,
,
,
,
,
,
,
5. Расчёт контура ударного возбуждения
(генерация колебаний заданной частоты)
Рис. 8 Схема контура ударного возбуждения
Необходимо рассчитать генератор ударного
возбуждения, обеспечивающий генерирование серии синусоидальных колебаний с
частотой
,
и с амплитудой
. Длительность
серии колебаний
.
Для получения колебаний максимальной амплитуды
необходимо обеспечить прекращение тока через катушку индуктивности контура в
течение времени, которое значительно меньше четверти периода собственных
колебаний контура.
Время запирания транзистора определяется его
постоянной времени, амплитудой импульса тока базы и начальным током коллектора,
протекающим перед запиранием.
Чтобы токи запирания транзистора не были бы
чрезмерно большими желательно использовать высокочастотные транзисторы с малой
постоянной времени TF. Удовлетворительным можно считать условие TF<0.1*tzap
Определяем параметры схемы.
Коллекторное напряжение определяется из условия,
что
. Выбираем
.
Анализируя базу данных биполярных транзисторов
можно выбрать транзистор КТ315А
Сопротивление катушки контура из конструктивных
соображений:
Выберем режим работы транзистора:
Ток покоя транзистора КТ315А:
Рассчитаем параметры контура:
Начальный ток эмиттера:
Амплитуда колебаний:
Индуктивность катушки колебательного контура:
Задаём: L=
Ёмкость конденсатора колебательного контура:
Задаём: L=
Для обеспечения постоянства амплитуды колебаний
в контуре коэффициент обратной связи должен быть равен единице. Выполнение
этого условия обеспечивается при равенстве сопротивления обратной связи
эквивалентному сопротивлению контура со стороны отвода катушки.
Найдём амплитуду напряжения на выходе системы:
Сопротивление R6
в цепи базы транзистора определяет положение рабочей точки и должно выбираться
так, чтобы в состоянии покоя выполнялось неравенство:
Сопротивление стабилизации тока покоя КТ315А:
Резистор R2 вместе
с конденсатором C2 представляют собой развязывающую цепь. R2 вычисляется
из условия обеспечения выбранного.
После подгонки и
тестирования схемы методами САПР получены следующие значения элементов схемы:
,
,
,
,
,
,
.
6. Расчет триггера Шмитта(генерация импульсов
заданной частоты)
Рис. 9 Схема триггера Шмитта
Триггер Шмитта является несимметричной схемой и применяется
для формирования прямоугольных импульсов из синусоидального или произвольной
формы напряжения, а также в качестве порогового устройства, реагирующего на
определённый уровень сигнала. Триггер имеет два устойчивых состояния. Открытые
транзисторы работают в режиме насыщения.
Поясним работу схемы. Пусть в исходном состоянии
при нулевом входном напряжении транзистор VT1
закрыт, а VT2 открыт и
насыщен. При увеличении входного отпирающего напряжения транзистор VT1
открывается, потенциал его коллектора понижается, что уменьшает базовый ток
транзистора VT2. Когда
значение входного напряжения достигнет порогового, произойдёт лавинообразный
процесс смены состояний транзисторов, в новом устойчивом состоянии транзистор VT1
открыт, а VT2-закрыт.
При уменьшении отпирающего напряжения обратное опрокидывание триггера
произойдёт не при напряжении срабатывания, а при некотором меньшем напряжении
отпускания. В результате этого опрокидыания схема перейдёт в первоначальное
состояние.
Определяем параметры схемы.
Напряжение срабатывания:
Выберем транзистор КТ315А.
Определим напряжение:
Рассчитаем сопротивления:
Входное сопротивление Rи=100
Ом
Задаём:
=910
Ом
Напряжение, при котором происходит обратное
опрокидывание триггера:
Ширина петли гистерезиса:
Ток делителя:
Начальное напряжение:
Рассчитаем ускоряющую ёмкость:
Минимальный ток через ёмкость:
После подгонки и тестирования методами САПР
получены следующие значения элементов схемы:
,
,
,
,
,
,
,
7. Расчёт ждущего мультивибратора с эмиттерной
обратной связью(генерация импульсов заданной длины)
Рис. 10
Ждущий мультивибратор с эмиттерной связью (генерация импульсов заданной длины)
Определяем параметры схемы.
Коллекторное напряжение определяется из условия,
что
Выбираем
.
Анализируя базу данных биполярных транзисторов
можно выбрать транзистор КТ315А
Величина сопротивления
определяется
из следующих условий
;
.
Выберем
.
При этом для обеспечения амплитуды выходного
импульса коллекторный ток равен:
.
1. Величину сопротивления
рассчитываем
так:
.
Выберем
.
2. Сопротивление
равно:
.
Выбираем
.
3. Времязадающее сопротивление
для
коэффициента глубины насыщения
рассчитывается,
исходя из условия насыщения второго транзистора в исходном состоянии:
.
Принимаем
.
4. Времязадающую ёмкость
определяем
для
,
так как
:
.
Выбираем
.
5. Сопротивления делителей
и
определяются
из условия запирания первого транзистора в начальном состоянии:
.
Выбираем
.
.
Выбираем
.
6. Уточнение величины восстановления
схемы, определяется временем заряда конденсатора:
.
7. Уточнение величины амплитуды
напряжения:
.
После тестирования и настройки схемы методами
САПР получены следующие значения элементов схемы:
,
,
,
,
,
,
,
Заключение
управление мультивибратор триггер
эмиттерный
В данной работе был произведен выбор блок-схемы
СУМД, а также рассчитаны элементы СУМД, такие как ждущие мультивибраторы для
генерации импульсов работы, строба задержки, строба работы; контур ударного
возбуждения, триггер Шмитта.
При помощи программы Micro-Cap
смоделирована схема и получены следующие выходные характеристики:
Время задержки импульса запуска: tз=206,482 мкс
Время работы: tр=142,825 мкс
Длительность импульса управления: tи=1,615 мкс
Длительность переднего фронта импульса
управления: tф=0,01 мкс
Длительность заднего фронта импульса управления:
tc=0,1 мкс
Частота следования импульсов управления: f=235,6
кГц
Амплитуда импульсов управления на нагрузке:
Um=7,52 В
Все полученные значения не выходят за предел
погрешности в 10%.